Ich suche eine Schaltung die folgendes leisten soll. Die Stroboskop LED von meinem Plattenspieler ist entsprechend der Umdrehungen des Motor getaktet. Für 33,33 Umdrehungen mit 10ms, für 45 Umdrehungen mit 7ms - Peak zu Peak, Low ist 0,1V, High 0,8W Die gesuchte Schaltung soll nun diese beiden Frequenzen als Eingangssignal nehmen und über eine 7-Segment Anzeige entsprechend 33,3 bzw. 45,0 Ausgeben. Ist so eine Schaltung diskret, einigermaßen überschaubar aufzubauen, oder führt da kein Weg an einem Microcontroller vorbei ?
:
Bearbeitet durch User
Marko J. schrieb: > Die Stroboskop LED von meinem Plattenspieler ist entsprechend der > Umdrehungen des Motor getaktet. > Für 33,33 Umdrehungen mit 10ns, für 45 Umdrehungen mit 7ns - Peak zu > Peak Bist du dir mit den Nanosekunden ganz sicher? 100MHz und mehr am Plattenspieler-Stroboskop glaube ich nicht. Edit: Aha, jetzt sind es also Millisekunden, das passt. Zum einfachen Anzeigen kannst du z.B. einen Frequenz-/Spannungsumsetzer mit einem TLC555 o.ä. bauen und die Spannung mit einem Multimeter anzeigen.
:
Bearbeitet durch User
Vor etlichen Jahren habe ich mal genau solche Geräte gebaut, wie du jetzt suchst: Beitrag "Re: Alte Elektronik Basteleien"
Ein Monoflop und einige Transistoren sollte genügen. 2x 7-Segment hardcodiert 33 und 45. Wenn gemessen werden soll ist ein µC sinnvoller.
Marko J. schrieb: > Ist so eine Schaltung diskret, einigermaßen überschaubar aufzubauen, > oder führt da kein Weg an einem Microcontroller vorbei ? Das könntest du mit zwei Monoflops mit Kondensator und Widerstand, wenigen Logikgattern und ein paar Dioden+Widerständen diskret aufbauen, sollte also kein Problem sein. Die Anzeige würde dann drei Zustände annehmen können, z.B. "--.-", "33.3" und "45.0"
Wenn du nur die Ziffern 33 und 45 über die 7-Segmentanzeige anzeigen lassen willst, dann kannst du die Einzelsegmente auch mit Dioden ODER-verknüpfen und mit dem Geschwindigkeitsumschalter jeweils die beiden Zahlenwerte direkt ansteuern, ohne Elektronik! Falls es keine Nullstellung gibt, kannst du sogar alle Segmente die für beide Ziffern aufleuchten sollen, direkt mit der Versorgungsspannung verbinden und nur die Segmente, die für die jeweiligen unterschiedlichen Ziffern zuständig sind, direkt mit dem Schalter ansteuern. Ohne ODER-Dioden, die können dann sogar entfallen!
Arno R. schrieb: > Marko J. schrieb: >> Die Stroboskop LED von meinem Plattenspieler ist entsprechend der >> Umdrehungen des Motor getaktet. >> Für 33,33 Umdrehungen mit 10ns, für 45 Umdrehungen mit 7ns - Peak zu >> Peak > > Bist du dir mit den Nanosekunden ganz sicher? 100MHz und mehr am > Plattenspieler-Stroboskop glaube ich nicht. > > Edit: Aha, jetzt sind es also Millisekunden, das passt. > > Zum einfachen Anzeigen kannst du z.B. einen Frequenz-/Spannungsumsetzer > mit einem TLC555 o.ä. bauen und die Spannung mit einem Multimeter > anzeigen. Die Schaltung soll nichts messen in dem Sinn, sondern nur die beiden Werte anzeigen. Der Grund ist dass ich das Netzteil auslagern möchte, mit den Bedientasten und einer Anzeige für eben 33,3 und 45,0 Umdrehungen.
Wobei ich hab grad ein Brett vorm Kopf, der Dreher hat auch zwei LEDs für 33 und 45. Da kann das ja eigentlich mit Dioden auf die 7-Segment Anzeige codiert werden.
Marko J. schrieb: > Ist so eine Schaltung diskret, einigermaßen überschaubar aufzubauen Wenn auch bei 9ms die 33 und bei 4 die 45 anzeigbar wäre, ist es einfach: Aus den Impulsen per F/V Wandler eine Spannung generieren und per Komparator mit einer Schaltschwelle vergleichen oder per Impulsausfallschaltung erkennen ob die Impulse schneller als alle 8.5ms kommen, und mit diesem Signal ein Display zwischen den beiden Ziffern umschalten, so wie ehedem TURBO Displays auf PC mit Dioden festlegen welche Segmente leuchten sollen. Damit wird zwar keine Frequenz bzw. Drehzahl gemessen, und im Endeffekt nur beliebig eingestellte Zahlen angezeigt, aber mit etwas Intelligenz reicht ein LM339 fur die Schaltung aus.
Diskreter Aufbau und dann noch analog für 0,1% Ergebnisse ist meines Erachtens nicht sinnvoll. Ein beliebiger µC mit Quarztakt liefert schon hinreichende Auflösung, Genauigkeit und Ansteuerung der Anzeige. Zu Jahresbeginn hatte ich unter 'Markt' eine fertige aufgebaute Schaltung mit µC für einen Zehner + Versandkosten angeboten. Vielleicht ist damit Dein Problem einfach und schnell gelöst: http://mino-elektronik.de/fmeter/fm_software.htm#bsp13 Alternativ habe ich auch noch Schaltungen mit 4-stelliger 13 mm LC-Anzeige.
Mi N. schrieb: > Diskreter Aufbau und dann noch analog für 0,1% Ergebnisse ist meines > Erachtens nicht sinnvoll. Ein beliebiger µC mit Quarztakt liefert schon > hinreichende Auflösung, Genauigkeit und Ansteuerung der Anzeige. Die Welt kann so einfach sein: Es soll nicht gemessen werden. Marko J. schrieb: > Die gesuchte Schaltung soll nun diese beiden Frequenzen als > Eingangssignal nehmen und über eine 7-Segment Anzeige entsprechend 33,3 > bzw. 45,0 Ausgeben.
:
Bearbeitet durch User
Es gibt doch einen Umschalter? Der schaltet ein Signal für "1. Gang" und "2. Gang", das könnte man doch anzapfen. Dann wie bei den alten 486ern eine Anzeige die ent- oder weder anzeigt und fertig. Ich bin mir beinah sicher das der Schalter ein High/Low abgibt und mit ein paar Dioden und Transistoren kann man da supi 33/45 anzeigen. Warum sollte man das Signal der Strobolampe abgreifen, das ja auch schon nur ein Resultat des Sollwertschalters ist? Es wäre höchstens sinnvoll, ein Signal des Motors abzugreifen und dort dann die Drehzahl als Istwert zu messen, aber die sollte wenn die Regelung nicht kaputt ist auch immer stimmen.
Rainer W. schrieb: > Die Welt kann so einfach sein: Es soll nicht gemessen werden. Umso besser, dann können ja auch 46 UPM mit "45,0" angezeigt werden.
Marko J. schrieb: > Die gesuchte Schaltung soll nun diese beiden Frequenzen als > Eingangssignal nehmen und über eine 7-Segment Anzeige entsprechend 33,3 > bzw. 45,0 Ausgeben. Willst du nicht eher die tatsächliche Drehzahl ausgeben? Also 44,98 und 33,32?
Mi N. schrieb: > Umso besser, dann können ja auch 46 UPM mit "45,0" angezeigt werden. Bei Schallplatten gibt es niemand, der eine Nenngeschwindigkeit von 46 UMP verwendet. Dein Vorschlag wäre beliebig sinnfrei.
Lothar M. schrieb: > Marko J. schrieb: >> Die gesuchte Schaltung soll nun diese beiden Frequenzen als >> Eingangssignal nehmen und über eine 7-Segment Anzeige entsprechend 33,3 >> bzw. 45,0 Ausgeben. > Willst du nicht eher die tatsächliche Drehzahl ausgeben? > > Also 44,98 und 33,32? Die 7ms und 10ms geben leider nicht, oder stehen leider nicht im Verhältnis zur tatsächlichen Drehzahl. Da müsste noch "gewandelt" werden. Es gibt auch für die Geschwindigkeit keinen Umschalter der mechanisch funktioniert, sind zwei Tasten die auf den uC gehen. Es ist übrigens ein Technics SL QD 33
Rainer W. schrieb: > Dein Vorschlag wäre beliebig sinnfrei. Das stelle ich bei allen Deinen Beiträgen fest :-)
Muss heute Abend nochmal den Schaltplan durchschauen ob ja vielleicht nicht doch irgendwo die tatsächliche Frequenz / Drehzahl abgreifbar ist. Dann könnte auch kontinuierlich im Display der wirkliche Wert angezeigt werden.
Mi N. schrieb: > Das stelle ich bei allen Deinen Beiträgen fest :-) In diesem Fall bist du es wohl, der die Aufgabenstellung nicht verstanden hat. Marko J. schrieb: > Die Schaltung soll nichts messen in dem Sinn, sondern nur die beiden > Werte anzeigen.
Marko J. schrieb: > Es gibt auch für die Geschwindigkeit keinen Umschalter der mechanisch > funktioniert, sind zwei Tasten die auf den uC gehen. Na und? Miss die Pegel Setz ein Flipflop ein Ein Taster ist Set der andere Reset Q & !Q sind dann die Ausgänge für die Digits 2 Transistoren dran eine Horde Widerstände und Dioden Wired Or Bingo Wenn du es wirklich mit der Blitzzeit der LED machen willst: Stichwort Servoschalter KOmmt aus dem RC-Bereich und ist wenn klassisch aufgebaut ein oder zwei Standardchips mit Monoflops. Der Ausgang des ganzen zeigt an ob das Eingangssignal küzer oder länger als x ms ist. Wenn du 7 und 10ms hast setzt du die Grenze auf 8,5 und das funktioniert. Schaltung dazu müsste ich suchen, ist aber recht einfach. Marko J. schrieb: > Dann könnte auch kontinuierlich im Display der wirkliche Wert angezeigt > werden. Dann brauchts aber definitiv einen µC...
:
Bearbeitet durch User
Marko J. schrieb: > Muss heute Abend nochmal den Schaltplan durchschauen ob ja vielleicht > nicht doch irgendwo die tatsächliche Frequenz / Drehzahl abgreifbar ist. Bei meinen Plattenspielern ist innen im Plattenteller eine "Tonspur", die wird als Referenz für die Drehzahl genommen. Das Stroboskoplicht ist nur eine Optische Hilfe fürs Finetuning.
Jens M. schrieb: > Der Ausgang des ganzen zeigt an ob das Eingangssignal küzer oder länger > als x ms ist. Wenn du 7 und 10ms hast setzt du die Grenze auf 8,5 und > das funktioniert. ... und wenn der Plattenspieler steht, leuchtet ständig die "33.3"? Je nachdem, was der tiefere Sinn der Anzeige ist, sollte klar spezifiziert sein, wie sie sich bei Stillstand benehmen soll und wie in dem Fall das auszuwertende Signal aussieht.
Rainer W. schrieb: > ... und wenn der Plattenspieler steht, leuchtet ständig die "33.3"? Wer es schafft so eine Schaltung zweimal aufzubauen, die unter z.B. 25 touren die Anzeige ausmacht, gewinnt einen Nobelpreis. Harr Harr Harr Es hängt ja von der LED ab, die ja hier angezapft werden soll. Ich nehme an das die bei inaktivem Antrieb einfach ausgeht, d.h. ein einfaches retriggerbares Monoflop von z.B. einer halben Sekunde wird vom BlitzLED-Signal getriggert und aktiviert die Anzeige. Kein Blitz -> keine Anzeige.
Jens M. schrieb: > Ich nehme an das die bei inaktivem Antrieb einfach ausgeht, d.h. ein > einfaches retriggerbares Monoflop von z.B. einer halben Sekunde wird vom > BlitzLED-Signal getriggert und aktiviert die Anzeige. > Kein Blitz -> keine Anzeige. Wie wolltest du noch die Unterscheidung zwischen 33 1/3 und 45 UpM machen. Mit einem einzigen retriggerbaren Monoflop kommt man nicht aus.
Jesses. Eine Schaltung wie aus einem Servoschalter, aus den 80ern, für RC-Modelle. Die prüfen die Pulslänge, das würde man hier statt 1,5ms auf 8,5ms designen. Low = 33, High = 45 Dann meckert der Rainer, das die Anzeige dann bei Stillstand immer noch 33 anzeigt, womit er auch Recht hat. Dann baut man noch so eine Schaltung auf, die unter 5ms Pulsdauer das Display deaktiviert. Oder man ersetzt den letzten teil durch ein einfaches retriggerbares Monoflop (zusätzlich zum 33/45-Unterscheider) und hat ohne Pulse kein Display.
Marko J. schrieb: > Es ist übrigens ein Technics SL QD 33 Gut zu wissen, mit quarzstabilem Direktantrieb.
Jens M. schrieb: > Die prüfen die Pulslänge, das würde man hier statt 1,5ms auf 8,5ms > designen. > Low = 33, High = 45 und was ist mit 16 und 78? (Nebenbei: 78 sind Shellackplatten, aber was lief mit 16 U/min?).
Das war nicht gefordert. Wäre aber auch machbar, wenn man noch mehr Pulslängenschalter und Logik einsetzt. Da wäre aber langsam ein Arduino mit PulseIn() zu bevorzugen.
Marko J. schrieb: > Wobei ich hab grad ein Brett vorm Kopf, der Dreher hat auch zwei LEDs > für 33 und 45. > Da kann das ja eigentlich mit Dioden auf die 7-Segment Anzeige codiert > werden. Nein, das geht nicht. Heutzutage muss schon ein Kameramodul an der 3D-gedruckten Halterung hängen, das seine Bilder an einen NVIDIA Jetson zur Bilderkennung schickt, das dann seine Erkenntnisse an einen Raspberry Pi weitergibt, der dann einen Arduino ansteuert, an dem letztendlich die Siebensegmentanzeigen hängen.
:
Bearbeitet durch User
Andreas S. schrieb: > Heutzutage muss schon ein Kameramodul an der > 3D-gedruckten Halterung hängen, das seine Bilder an einen NVIDIA Jetson > zur Bilderkennung schickt, das dann seine Erkenntnisse an einen > Raspberry Pi weitergibt, der dann einen Arduino ansteuert, an dem > letztendlich die Siebensegmentanzeigen hängen. Und wie soll sowas ohne Cloudanbindung und Blockchain funktionieren? scnr, WK
Dergute W. schrieb: > Und wie soll sowas ohne Cloudanbindung und Blockchain funktionieren? Stimmt, das hast Du natürlich völlig recht. Wie konnte ich nur die 5G- und WLAN-Module vergessen, über die die jeweiligen Daten immer über die Cloud weitergeleitet werden. Der Einfachheit halber ist der Arduino dann aber nur über LoRaWAN an das Automatisierungsgateway angebunden.
Rainer W. schrieb: > Wie wolltest du noch die Unterscheidung zwischen 33 1/3 und 45 UpM > machen. Mit einem einzigen retriggerbaren Monoflop kommt man nicht aus. Man schliesst sie einfach an den beiden vorhandenen LEDs an. :-) Beitrag "Re: Frequenzanzeige aus Eingangssignal generieren."
von Marko J. schrieb: >Die Stroboskop LED von meinem Plattenspieler ist entsprechend der >Umdrehungen des Motor getaktet. Das glaube ich nicht, die Flimmerfrequenz ist immer gleich, egal wie schnell sich der Motor dreht. Was soll das ganze dann für einen Sinn haben. Die scheinbar stillstehenden Stroboskopstriche zeigen ja die richtige Drehzahl an.
Ist ja ein Stroboskopring, darum muss sich die Frequenz der LED verändern. Diese wird eben mit den 10 und 7 ms angesteuert. Beim Umschalten auf die höhere Frequenz ändert die LED leicht die Helligkeit. Hier noch ein Bild wie die LED angesteuert wird.
:
Bearbeitet durch User
Marko J. schrieb: > Die Stroboskop LED von meinem Plattenspieler ist entsprechend der > Umdrehungen des Motor getaktet. > Für 33,33 Umdrehungen mit 10ms, für 45 Umdrehungen mit 7ms - Peak zu > Peak, Low ist 0,1V, High 0,8W > > Die gesuchte Schaltung soll nun diese beiden Frequenzen als > Eingangssignal nehmen und über eine 7-Segment Anzeige entsprechend 33,3 > bzw. 45,0 Ausgeben. Erinnert mich an die "Turbo"-Anzeige von PCs. War so zwischen zwischen den späten 286ern und den frühen 486ern ein verbreitet anzutreffendes "Feature". > Ist so eine Schaltung diskret, einigermaßen überschaubar aufzubauen, Bei den Turboanzeigen damals war das sehr simpel gelöst. Die bestanden im Wesentlichen aus einer zweistelligen Siebensegment-Anzeige und Unmassen Jumpern. Damit konnte man recht flexibel konfigurieren, welche Frequenzen angezeigt werden sollten. Die Umschaltung der Anzeige wurde über ein einziges Signal gesteuert, was entweder an Masse gelegt wurde oder offen/+5V war.
von Marko J. schrieb:
>Diese wird eben mit den 10 und 7 ms angesteuert.
Also zwei feste Frequenzen 100Hz oder 142.85714285714286Hz.
Die ändern sich aber nicht wenn sich die Drehzahl des
Motors ändert, also zum Beispiel wenn du den Plattenteller
mit der Hand abbremst. Da kannst du dann auch gleich
das Schaltsignal 0 oder 1 irgendwo aus der Schaltung
abgreifen und mit Dioden-Oderschaltungen auf die
7-Segment Anzeige gehen.
Hier wird erklärt wie eine Dioden-Oderschaltung funktioniert. https://www.elektronik-kompendium.de/sites/praxis/bausatz_oder_schaltung_diode.htm
Günter L. schrieb: > von Marko J. schrieb: >>Diese wird eben mit den 10 und 7 ms angesteuert. > > Also zwei feste Frequenzen 100Hz oder 142.85714285714286Hz. Was hast du geraucht? Aus einer Zeitangabe mit einer einzigen gültigen Ziffer eine Frequenz mit 17 Stellen abzuleiten, ist - mutig. Glaubst du auch nur der dritten Ziffer?
Mario M. schrieb: > Ja, von der Tanke. Was ist eine Ackplatte? Frei nach Robin: The Batmobile won't start! Batman: Check the Battery! Robin: What is a Tery?
:
Bearbeitet durch User
von Rainer W. schrieb:
>Glaubst du auch nur der dritten Ziffer?
OK, dann runden wir, 143Hz.
Eigentlich braucht man noch nicht einmal Dioden, es werden ja nur zwei Zahlen dargestellt. Dioden wären nur nötig wenn mehr als zwei Zahlen dargestellt werden müßten. Die Segmente die immer leuchten müssen, kann man gleich fest anschließen.
Marko J. schrieb: > Die gesuchte Schaltung soll nun diese beiden Frequenzen als > Eingangssignal nehmen und über eine 7-Segment Anzeige entsprechend 33,3 > bzw. 45,0 Ausgeben. Unsere Plattenspieler hatten immer einen Schalter an dem man die eingestellte Drehzahl auch ablesen konnte. Damals sogar noch mit der Stellung für 78RPM. SNCR
Wenn man die Musik kennt, kann man sich auch daran orientieren. Zumindest bei Klassik und Rock merkte man sofort wenn die falsche Geschwindigkeit gewählt wurde. Moderne Musik mag da toleranter sein.
Soul E. schrieb: > Wenn man die Musik kennt, kann man sich auch daran orientieren. > Zumindest bei Klassik und Rock merkte man sofort wenn die falsche > Geschwindigkeit gewählt wurde. Moderne Musik mag da toleranter sein. Ob 33 oder 45 eingestellt ist, sollte man bei jeder Musik (außer vielleicht bei Techno) erkennen können.
1 | 1 2 3 1 2 3 1 2 3 |
2 | - - - - - - - |
3 | | | | | | | | | | | |
4 | - - AND - - - = - - |
5 | | | | | | | | | | | |
6 | - . - - - . - - . - |
Also müssen 1: b,c,g und 2: a,c,d,g,dp und 3: a,b,c,d dauernd leuchten. Bei 33 kommen dann 1: a,d und 2: b und 3: g dazu. Und bei 45 kommen dann 1: f und 2: f und 3: e,f dazu. Die Schaltung ist also einfach: pro Segment 1 Widerstand. 12 Widerstände (11 Segmente und der Punkt) direkt an die Versorgung. Und jeweils 4 Widerstände an je 1 Schalttransistor für eine der beiden Drehzahlen. Für die Auswertung der Frequenz würde ich der Einfachheit halber einen kleinen µC nehmen. Weil die Genauigkeit des internen Oszillators zur Unterscheidung locker ausreicht, wäre die Minimalschaltung wirklich simpel:
1 | 5V-----o-------------o--------------o----------------. |
2 | | | | | |
3 | ___|___ | |< | |
4 | | |---------+--------1k--| | |
5 | >----| | |< |\ | |
6 | | |--1k--| | | |
7 | |_______| |\ | | |
8 | | Tiny45 o-...-. o-...-. o-...-. |
9 | | | | | | | | |
10 | | R ... R R ... R R ... R |
11 | | | | | | | | |
12 | | V=> V=> V=> V=> V=> V=> |
13 | | - - - - - - |
14 | | | | | | | | |
15 | GND ---o-------------o-----o---------o-----o----------o-----' |
16 | LEDs 45 LEDs 33 LEDs gemeinsam |
:
Bearbeitet durch Moderator
Marko J. schrieb: > Die gesuchte Schaltung soll nun diese beiden Frequenzen als > Eingangssignal nehmen und über eine 7-Segment Anzeige entsprechend 33,3 > bzw. 45,0 Ausgeben. Ehrlich gesagt, wenn Du eine LP mit 45 Umdrehungen laufen lässt, dann merkst Du das schon. Wozu die Anzeige? mfg Klaus
Lothar M. schrieb: > Für die Auswertung der Frequenz würde ich der Einfachheit halber einen > kleinen µC nehmen. Falls man nicht programmieren möchte, dann könnte man auch einfach einen fertigen Frequenzvergleicher (CD4546) einsetzen und an Pin 14 mit Hilfe des internen Oszillators eine freischwingende Frequenz erzeugen, die für ca. 39 1/min zuständig ist und an Pin 3 schließt man die beiden Frequenzen für 33 oder 45 1/min an, dann bekommt man an Pin 13 direkt das Schaltsignal zum Umschalten der Geschwindigkeitsanzeige raus!
Marko J. schrieb: > Wobei ich hab grad ein Brett vorm Kopf, der Dreher hat auch zwei LEDs > für 33 und 45. Dort das Signal abgreifen und entweder über zwei LEDs anzeigen oder laut obigem Segmentplan auf einer 7-Segment-Anzeige ausgeben.
Günter L. schrieb: > Eigentlich braucht man noch nicht einmal Dioden, es > werden ja nur zwei Zahlen dargestellt. Dioden wären > nur nötig wenn mehr als zwei Zahlen dargestellt werden > müßten. Die Segmente die immer leuchten müssen, kann > man gleich fest anschließen. Hmm so einfach das man erst gar nicht drauf kommt. Das macht jeweils 4 Segmente pro Zahl die einzeln angesteuert werden müssen, die restlichen gleichzeitig, wenn ich richtig gezählt habe.
Marko J. schrieb: > wenn ich richtig gezählt habe. Zähl nochmal. Du kannst mein ASCII-Bild oben zur Hilfe nehmen. Dort steht auch dabei, welche Segmente dauernd leuchten und welche für welche Anzeige noch zusätzlich geshaltet werden müssen.
Marcel V. schrieb: > fertigen Frequenzvergleicher CD4546 Interessanter Chip, kannte ich noch gar nicht, und der liefert ein Signal high wenn eine Frequenz höher ist als die Vergleichsfrequenz und low wenn sie kleiner ist ? Leider kann man ihn wohl nirgends kaufen.
Michael B. schrieb: > Leider kann man ihn wohl nirgends kaufen. Doch man kann ihn kaufen unter der Bezeichnung CD4046. Die Bezeichnung CD4546 hatte ich falsch in Erinnerung, das war mein Fehler, sorry! Michael B. schrieb: > und der liefert ein Signal high wenn eine Frequenz höher ist als die > Vergleichsfrequenz und low wenn sie kleiner ist ? Exakt! Er wird gerne in PLL-Schaltungen eingesetzt.
Marcel V. schrieb: > Doch man kann ihn kaufen unter der Bezeichnung CD4046. Im 8-pol. Gehäuse kann man soetwas auch unter ATtiny25 kaufen. Voll digital, zwei separate Ausgänge und frei wählbare Sollfrequenzen mit vollautomatischer Abschaltung bei Drehzahl 0 UPM. Weiß eigentlich noch jemand, was der TO letztlich will? Man könnte ja zwei weisse LEDs ansteuern und damit selbst dieseinte Anzeigen auf bzw. in einem Schuhkarton beleuchten, oder Martinslaternen verwenden, oder ... Die Größe der Anzeige haben wir ja noch nicht 'besprochen'. Rückblickend hatte ich bei großen Platten immer 33 und bei kleinen 45 UPM eingestellt. Das hat eigentlich immer funktioniert. Einzig bei 'Magical Mystery Tour' mußte man wohl aufpassen, wenn ich nicht irre.
Marcel V. schrieb: > Exakt! Er wird gerne in PLL-Schaltungen eingesetzt. Bei einem IC, dass als CMOS Micropower Phase-Locked-Loop vermarktet wird, ist das zu erwarten.
Michael B. schrieb: > Ich seh da keinen Ausgang high bei f1<f2 und low bei f1>f2 Dafür sehe ich sogar zwei Ausgänge, die genau das machen, Pin 2 und Pin 13!
Marcel V. schrieb: > Michael B. schrieb: >> Ich seh da keinen Ausgang high bei f1<f2 und low bei f1>f2 > > Dafür sehe ich sogar zwei Ausgänge, die genau das machen, Pin 2 und Pin > 13! Unsinn!
H. H. schrieb: > Unsinn! Leider diesmal kein Unsinn! Die Schaltung wurde im Jahre 2000 bereits erfolgreich mit zwei CD4046 für ein anderes Projekt in einem Walzwerk für Spundwände aufgebaut, damit könnte man sogar feststellen ob sich der Plattenteller überhaupt dreht und das durch eine gelbe LED, oder durch zwei Nullen auf der 7-Segmentanzeige anzeigen lassen!
Oh Gott, was für ein Aufwand. Der TO hat doch schon selbst erkannt, dass er die Signale an den vorhandenen LEDs abgreifen kann. Insofern kann der Thread geschlossen werden.
Mario M. schrieb: > Insofern kann der Thread geschlossen werden. Warum muss immer gleich alles geschlossen werden? Nur weil du keine Lust mehr auf diesen Thread hast, heißt das noch lange nicht dass er deswegen sofort geschlossen werden muss! Dann hätte der TE nicht mehr die Möglichkeit hier ein Bild von seiner fertigen 7-Segmentanzeige mit Leuchtziffern bei laufendem Plattenspieler zu zeigen! Hast du da vielleicht auch schon mal dran gedacht?
Keine Angst, so schnell sch(l)ießen die Preußen/Moderatoren nicht.
H. H. schrieb: > Du merkst eben nicht mehr was du für einen Unsinn von dir gibst. Und du merkst eben nicht mehr, dass du kein anderes Wort mehr schreiben kannst außer das Wort "Unsinn"! Erschwerend kommt noch hinzu, dass du regelmäßig keine weiteren Begründungen dazu schreibst!
Marcel V. schrieb: > Die Schaltung Hmm, gewagte Sache, Phase Comp II output hat einen tri state Zustand und wird ohne pull up/downs in einfache CMOS Eingänge gesteckt die alles vertragen, aber sicher keinen offenen Eingang. War das jetzt mal wieder deutsche Ingenieuerskunst der Elite der Ahnungslosen ?
Michael B. schrieb: > War das jetzt mal wieder deutsche Ingenieuerskunst der Elite der > Ahnungslosen ? Doch nur der Mavin, also weder Kunst noch Elite.
Marcel V. schrieb: > Die Schaltung wurde im Jahre 2000 bereits > erfolgreich mit zwei CD4046 für ein anderes Projekt in einem Walzwerk > für Spundwände aufgebaut, damit könnte man sogar feststellen ob sich der > Plattenteller überhaupt dreht und das durch eine gelbe LED, oder durch > zwei Nullen auf der 7-Segmentanzeige anzeigen lassen! Da gab es zwar noch keinen Arduino aber schon AT89C2051 o.ä. und auch schon AT90S2313. Ist aber egal ;-)
H. H. schrieb: > Unsinn! Nö, Recht hat er! Werden dem Phasenkomperator des 4046 zwei unterschiedliche Frequenzen vorgeworfen (Pin3 und 14), gibt der Ausgang (Pin 13) abhängig davon, welche der beiden Frequenzen größer ist, H oder L aus. Zwischendurch gibt es kurze Phasen in denen der Ausgang hochohmig ist. Dies kann mit einem kleinen Kondensator gepuffert werden. Ansonsten kannst Du Dich ja mal an dem angehängten Diagram aus dem DaBla des 4046 versuchen. Von diesen PC 7-Segment Takt Displays habe ich noch einige hier. Gebe ich gerne was von ab. Jumperfriedhöfe ... Gruß Jobst
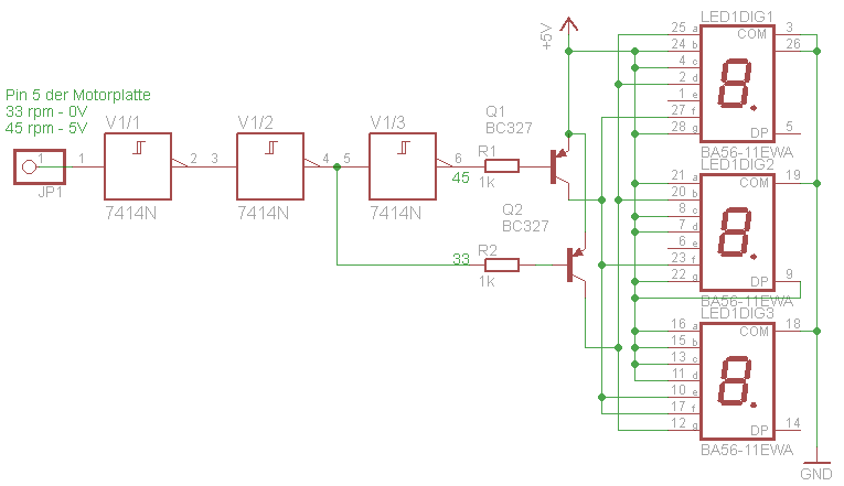
So, dann geb ich auch mal meinen Senf dazu. Ich würde ja eher von der Motorplatte den PIN 5 abgreifen. Dazu hab ich mal Lothars Vorschlag aufgegriffen und schnell mal was zusammengeschustert. Viel einfacher gehts kaum.
ja ok, das Prinzip sollte damit klar sein. Außerdem gibt es noch eine Start/Stop-Led, könnte man also Display abschalten wenn nicht dreht.
von Marcel V. schrieb: >Dafür sehe ich sogar zwei Ausgänge, die genau das machen, Pin 2 und Pin >13! Nein, die machen keinen Frequenzvergleich sondern detektieren eine Phasenverschiebung.
Noch einen Fehler gefunden: es ist der Pin 3 auf der Motorplatte!
Günter L. schrieb: > Nein, die machen keinen Frequenzvergleich sondern detektieren > eine Phasenverschiebung. Ja, natürlich auch. Aber Dein "Nein" ist falsch. Also auch für Dich: Jobst M. schrieb: > Ansonsten kannst Du Dich ja mal an dem angehängten Diagram aus dem DaBla > des 4046 versuchen. Das Diagram stammt aus einem Philips DaBla, TI schreibt dazu nur folgendes: When the frequency of SIGIN is higher than that of COMPIN, the p-type output driver is held “ON” for most of the input signal cycle time, and for the remainder of the cycle both n and p- type drivers are ”OFF” (3-state). If the SIGIN frequency is lower than the COMPIN frequency, then it is the n-type driver that is held “ON” for most of the cycle. Spielt mal mit dem Ding herum! Ich habe das getan. Gruß Jobst
Mit Micropython und dem Board hier für 15 Euro ginge es auch. Beitrag "Object Oriented Forth" Die Farbe lässt sich einstellen.
1 | FG = tft.GREEN |
2 | sseg.draw_text(tft, str(rpm), 30, 20, w=25, h=50, color=FG) |
3 | tft.text("RPM",100,20,FG);
|
Christoph M. schrieb: > Mit Micropython und dem Board hier für 15 Euro ginge es auch. > > Beitrag "Object Oriented Forth" > > Die Farbe lässt sich einstellen. Ach, dafür braucht man also 'forth'. Wahnsinn!
Mi N. (msx)
14.11.2025 10:20
>Ach, dafür braucht man also 'forth'. Wahnsinn!
Scheinbar kannst du nicht lesen.
Christoph M. schrieb: > Mi N. (msx) > 14.11.2025 10:20 >>Ach, dafür braucht man also 'forth'. Wahnsinn! > Scheinbar kannst du nicht lesen. und du nicht zitieren. Wenn man "Markierten Text zitieren" anklickt, wird sogar ein Link zum Quellpost "Beitrag #..." übernommen und man muss nicht großartig danach suchen.
Christoph M. schrieb: >>Ach, dafür braucht man also 'forth'. Wahnsinn! > Scheinbar kannst du nicht lesen. Du reagierst so, als ob ich Dir Dein derzeitiges Lieblingsspielzeug wegnehmen wollte. Dem ist nicht so! Ich habe es aber aufgegeben, Ironie extra zu kennzeichnen: irgenwer fühlt sich immer auf die Füsse getreten. Seinerzeit war 'forth' eine nette Episode, heute erwartet man, daß die Maschine uns versteht und nicht wir die Maschine ;-)
>Du reagierst so, als ob ich Dir Dein derzeitiges Lieblingsspielzeug >wegnehmen wollte. Sorry. Eine kleine Episode am Rande: Vor kurzem hatte mir jemand erzählt, er wurde im Vorstellungsgespräch gefragt, welche Programmiersprachen er könne. Die Antwort war: Alle !
Christoph M. schrieb: > Eine kleine Episode am Rande: Vor kurzem hatte mir jemand erzählt, er > wurde im Vorstellungsgespräch gefragt, welche Programmiersprachen er > könne. Die Antwort war: Alle ! Und nun? Dass das Blödsinn ist, ist klar, oder beherrscht derjenige "Brainfuck"?
das war ein Schwabe. Der kann alles außer hochdeutsch. Das ist zwar eine Sprache, aber keine Programmiersprache.
Christoph M. schrieb: > Mit Micropython und dem Board hier für 15 Euro ginge es auch. Das muss doch noch aufwendiger gehen ;) Das Signal gehört an die serielle Schnittstelle von einem RPi oder besser. Mit der passenden Baudrate bekommt man je nach Drehzahl 2 verschiedene Zeichen, 100 oder 140 pro Sekunde. Für den ersten Versuch würde ich 1800 Baud probieren. Falls das Tastverhltnis 50:50 ist, ist die Polarität egal und mit etwas Glück muss man nicht verstärken; 1 bis 3 Widerstände und evt. ein C. Als Programmiersprache könnte man Cobol probieren ;)
Bauform B. schrieb: > Christoph M. schrieb: >> Mit Micropython und dem Board hier für 15 Euro ginge es auch. > > Das muss doch noch aufwendiger gehen ;) Das Signal gehört an die > serielle Schnittstelle von einem RPi oder besser. Mit der passenden > Baudrate bekommt man je nach Drehzahl 2 verschiedene Zeichen, 100 oder > 140 pro Sekunde. Für den ersten Versuch würde ich 1800 Baud probieren. > > Falls das Tastverhltnis 50:50 ist, ist die Polarität egal und mit etwas > Glück muss man nicht verstärken; 1 bis 3 Widerstände und evt. ein C. Den Rest überläßt man natürlich eine KI, natürlich einer, die in der Cloud läuft. Ohne das taugt die Lösung nix.
> Das muss doch noch aufwendiger gehen ;)
Wieso aufwendiger? Du brauchst das Board, einen Fototransistor und einen
Widerstand. Ich glaube viel billiger und schneller (den Arbeitsaufwand
eine Platine bestücken zu müssen mit eingerechnet) geht es nicht.
:
Bearbeitet durch Moderator
Christoph M. schrieb: > Wieso aufwendiger? Bitte verwende die Zitierfunktion, die in jeden Post im Thread eingebaut ist (Text markieren umd auf "Markierten Text zitieren" klivken). Dann ergeben sich 2 überaus positive Effekte: 1. Die Zitate funktionieren auch auf Mobilgeräten, und 2. Man muss nicht ewig und 3 Tage suchen, wen du da zitiert hast.
Ob S. schrieb: > Den Rest überläßt man natürlich eine KI, natürlich einer, die in der > Cloud läuft. Ohne das taugt die Lösung nix. Das ist aber nicht zuende gedacht! Der Plattenteller darf sich erst dann anfangen zu drehen, wenn die Verbindung zur Cloud steht. Und er muss auch sofort wieder anhalten, wenn mal ein Datenpaket nicht rechtzeitig beantwortet wurde. https://www.robdavlin.com/2023/02/dilbert-flaws.html :o) Gruß Jobst
Lothar M. schrieb: > Christoph M. schrieb: >> Wieso aufwendiger? > Bitte verwende die Zitierfunktion, die in jeden Post im Thread eingebaut > ist (Text markieren umd auf "Markierten Text zitieren" klivken). > > Dann ergeben sich 2 überaus positive Effekte: > 1. Die Zitate funktionieren auch auf Mobilgeräten, und > 2. Man muss nicht ewig und 3 Tage suchen, wen du da zitiert hast. Könntest Du das auch nochmal einigen anderen Foristen unter die Nase reiben? Ben, Vayne, Bread...
Peter N. schrieb: > aber was lief mit 16 U/min?). Das sollen angeblich Platten gewesen sein, die nur Sprache enthalten. Plattenspieler, die 16 UPM können, stehen hier einige herum, nur ist keine einzige dieser Platten vorhanden. Schellack für 78 UPM sind allerdings immer noch leicht beschaffbar. Welchen Vorteil soll das Auslagern des Netzteils bringen? Kein mechanischer Brumm vom Trafo aufs Plastikgehäuse, um den Geräuschspannungsabstand zu erhöhen? Ich finde die aufgerufenen Preise für diesen Typ auf dem Gebrauchtmarkt übertrieben hoch, wenn ich den Denon DP-23 F als Vergleich heranziehe. mfg
Lothar M. schrieb: > Bitte verwende die Zitierfunktion, die in jeden Post im Thread eingebaut Ein guter Hinweis. Bisher habe ich (wenn ich was zitiert habe) den Text immer mühselig von Hand kopiert. Den Button hatte ich tatsächlich übersehen. Was mir auch noch fehlt: Eine vollständige Beschreibung der Formatierungen für das Forum.
Christoph M. schrieb: > Was mir auch noch fehlt: Eine vollständige Beschreibung der > Formatierungen für das Forum. Du meinst alle drei Möglichkeiten, Fett, Kursiv und sogar Unterstrichen? 😎
Ich habe mal den Proof of Concept gemacht, um zu sehen, ob es mit Micropython wirklich geht. Es ist ein wenig gepfrimelt, weil die Frequenzmessung in einer Python-Loop gemacht wird. Es hat allerdings den Vorteil, dass man das Signal über den ADC messen kann und die Hysterese und den Level-Abgleich per Software. Die Hardware ist ein CNY70 mit 100 Ohm vor der Sendediode und 10k gegen +3.3V am Fototransistor. Der durchschnittliche Level des ADC wird zur Justagekontroller der Position in Rot angezeigt.
1 | #!/usr/bin/env python3
|
2 | ...
|
3 | |
4 | adc_pin = ADC(28) |
5 | |
6 | level = 0.0 |
7 | |
8 | def measure(): |
9 | global level |
10 | start = time.ticks_us() |
11 | count = 0 |
12 | temp = 0.0 |
13 | state = 0 |
14 | fcounter = 0 |
15 | hyst = 0.1 |
16 | |
17 | while time.ticks_diff(time.ticks_us(), start) < 1_000_000: |
18 | adc_value = adc_pin.read_u16() # 16-bit read (0–65535) |
19 | |
20 | count += 1 |
21 | temp += adc_value |
22 | |
23 | if state == 0: |
24 | if adc_value > mean * (1 + hyst): |
25 | state = 1 |
26 | fcounter += 1 |
27 | else: |
28 | if adc_value < mean * (1 - hyst): |
29 | state = 0 |
30 | |
31 | if count > 0: |
32 | level = temp / count |
33 | #print("count",count,"mean",mean,"fcounter",fcounter)
|
34 | |
35 | return fcounter,level |
36 | |
37 | ..
|
Christoph M. schrieb: > Ich habe mal den Proof of Concept gemacht, um zu sehen, ob es mit > Micropython wirklich geht. Wenn Du so ein schönes Display hast, dann könntest Du gleich die Abweichung von der Nenndrehzahl in "cent" angeben. Das ist die unter Musikern gebräuchliche Einheit für Tonhöhenabweichungen. Viele Plattenspieler laufen ein bisschen zu schnell. Damit klingt es frischer und lebendiger, was sich gut in den Testberichten der Hifi-Zeitschriften macht.
:
Bearbeitet durch User
Soul E. schrieb: > Damit klingt es > frischer und lebendiger Luftiger, du hast luftiger vergessen. ;-)
Norbert schrieb: > Luftiger, du hast luftiger vergessen. ;-) Experten reden von "räumlich"! Oder habe ich etwas verpasst?
Mi N. schrieb: > Experten reden von "räumlich"! > Oder habe ich etwas verpasst? das ist aber nur bei sauerstoffarrmen Stromkabeln der Fall.
Rahul D. schrieb: > das ist aber nur bei sauerstoffarrmen Stromkabeln der Fall. Kabel! Ich fass' es nicht. Das ist ja so etwas von Neunziger. Der Audio-Echspedde nimmt versilberte Kupferrohre, weil ──▶ skin-effect.
Norbert schrieb: > Rahul D. schrieb: >> das ist aber nur bei sauerstoffarrmen Stromkabeln der Fall. > > Kabel! Ich fass' es nicht. Das ist ja so etwas von Neunziger. > Der Audio-Echspedde nimmt versilberte Kupferrohre, weil ──▶ skin-effect. Aber nur für Heavy Metal, leichte Musik erfordert Magnesiumkabel.
Bitte melde dich an um einen Beitrag zu schreiben. Anmeldung ist kostenlos und dauert nur eine Minute.
Bestehender Account
Schon ein Account bei Google/GoogleMail? Keine Anmeldung erforderlich!
Mit Google-Account einloggen
Mit Google-Account einloggen
Noch kein Account? Hier anmelden.









