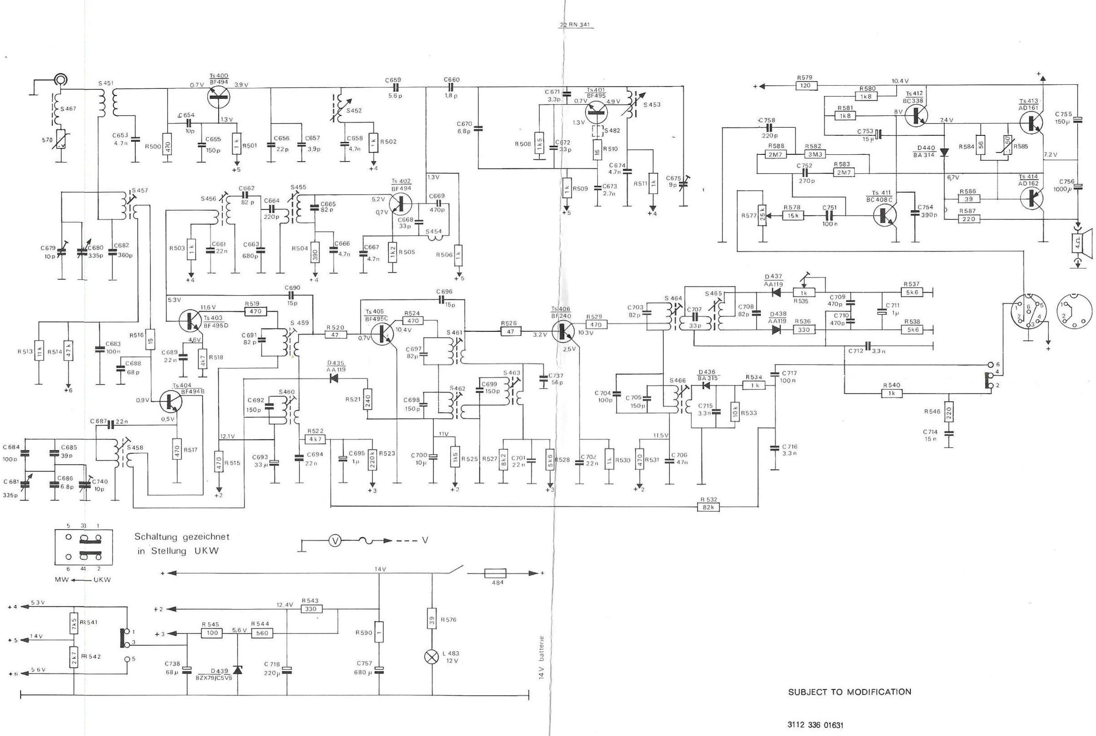
Hallo zusammen, für unseren BMW 1502, den wir komplett restaurieren, haben wir ein Philips 22RN341 gekauft. Das Radio kam in der Originalverpackung mit komplettem Zubehör und ist nie verbaut worden. Es handelt sich also um Elektronik, die 50Jahre alt ist und seit der Produktion keine Spannung gesehen hat. Wir haben das Radio heute mal am Netzteil angeschlossen, 4 Ohm Lautsprecher dran und haben das Radio angeschaltet. Leider kommt nur ein ganz seichtes Rauschen aus dem Lautsprecher und die Miniaturglühlampe leuchtet. Auf das Lauter- und Leiserdrehen reagiert das Radio nicht. Stromaufnahme ist konstant 130mA bei 12V, egal, was ich mache. Im Inneren sieht alles neu aus, keine ausgelaufenen Kondis oder ähnliches. Jetzt die Frage: Wie würdet ihr mit der Fehlersuche anfangen? Erstmal die alten Kondensatoren raus? An und Für sich kann ja fast nichts anderes kaputt gegangen sein... PS: Der Stromlaufplan ist leider etwas größer als DIN A4, deshalb muss ich das 2mal einscannen.
Tobias M. schrieb: > Erstmal > die alten Kondensatoren raus? An und Für sich kann ja fast nichts > anderes kaputt gegangen sein... Doch, es kann auch noch anderes kaputt gehen: Kontakte von Schaltern oder Steckern können korrodieren und vor allem auch die Oberfläche von Potentiometern. Wenn Du sagst dass sich an der Lautstärke nichts ändert könnte das das Poti sein. Ich würde nicht einfach alles tauschen, sondern systematisch anhand des Schaltplans durchmessen und gezielt tauschen. Ja, das ist etwas Arbeit. Aber wenn Du nicht nur ein modernes Radiomodul im alten Gehäuse verstecken willst wohl am zielführendsten.
Tobias M. schrieb: > Jetzt die Frage: Wie würdet ihr mit der Fehlersuche anfangen? Erstmal > die alten Kondensatoren raus? An und Für sich kann ja fast nichts > anderes kaputt gegangen sein... > Sehe ich nicht so, planlos Kondensatoren würde ich nicht. Eine größere Fehlerquelle sind die Tastensätze. Sehe gerade, dass das Radio so eine Art AUX-in mittels 6-poligen Dioden-Stecker hat. Hier könnte man ein Signal einspeisen oder auch nur mal den Finger dran halten (Brumm). Damit läßt sich der Audioverstärker prüfen. Als Nächstes die Spannungen im Schaltplan mit gemessenen Werten am Radio vergleichen. Bei Abweichungen hier wieder melden. 120mA ist für ein Radio der 70er ein plausibler Wert. Aktuelle Geräte nehmen eher 1A auf, wegen zahlreicher Prozessoren / DSP. Viel Erfolg!
:
Bearbeitet durch User
Tobias M. schrieb: > Das Radio kam in der Originalverpackung mit > komplettem Zubehör und ist nie verbaut worden. Behauptet der Verkäufer? Und der verkauft ein 50 Jahre altes Radio, ohne es vorher wenigstens mal anzuschließen? Wenn das so ist, zurückschicken. Oder hat er es Dir geschenkt. > Wir haben das Radio heute mal am Netzteil angeschlossen, 4 Ohm > Lautsprecher dran und haben das Radio angeschaltet. Leider kommt nur ein > ganz seichtes Rauschen aus dem Lautsprecher und die Miniaturglühlampe > leuchtet. Aber eine Antenne steckt drin. > Jetzt die Frage: Wie würdet ihr mit der Fehlersuche anfangen? Erstmal > die alten Kondensatoren raus? An und Für sich kann ja fast nichts > anderes kaputt gegangen sein... It's Trolltime.
Gerd E. schrieb: > Ich würde nicht einfach alles tauschen, sondern systematisch anhand des > Schaltplans durchmessen und gezielt tauschen. Ja, das ist etwas Arbeit. > Aber wenn Du nicht nur ein modernes Radiomodul im alten Gehäuse > verstecken willst wohl am zielführendsten. Damit werde ich wohl anfangen. Ich werde jetzt mal versuchen, die ganzen im Schaltplan angegeben Spannungen zu messen. Gerd E. schrieb: > Aber wenn Du nicht nur ein modernes Radiomodul im alten Gehäuse > verstecken willst wohl am zielführendsten. Wenn das Radio wieder spielt, möchte ich einen Bluetooth-Empfänger einbauen und auf den Mittelwellenknopf legen, sodass bei gedrücktem "M" die Bluetoothmusik dudelt. Ich hoffe, dass dann in Verbindung mit einem guten high-low-adapter und einer kleinen Endstufe ordentliche Musik im Oldi herrscht.
Einfach an Pin 2 der DIN Buchse mal etwas einspeisen oder den Finger dranhalten wie schon von einem Vorposter empfohlen. Das war die Anschlußbuchse um einen externen Autocassetenrecorder und Player anzustöpseln. Der davon bespaßte Endverstärker ist dann ja sehr übersichtlich. Oder fehlt einfach der Blindstecker in der DIN-Buchse? Der hat dann die im Schaltplan eingezeichnete kleine Brücke drin, die anstelle des cassettenplayerinternen Umschalters das Tonsignal vom Radioteil zum Verstärker weiterleitet? viel Freude und Erfolg
Wulf D. schrieb: > Sehe gerade, dass das Radio so eine Art AUX-in mittels 6-Policen > Dioden-Stecker hat. Hier könnte man ein Signal einspeisen oder auch nur > mal den Finger dran halten (Brumm). Damit läßt sich der Audioverstärker > prüfen. Sieht wohl so aus, als ob man da einen Stecker mit einer Brücke 1-2 reinstecken muss, damit das Signal vom Radio-Teil durchkommt. Ansonsten kann man diesen Stecker auch mal weglassen, und direkt ein Audiosignal an Kontakt 2 einspeisen, oder ganz simpel den Fingertest machen (also Brummen, wenn man diesen Eingang berührt).
Hallo Tobias, im Schaltplan ist ganz rechts eine fünpolige Diodenbuchse. Hast du den daneben eingezeichneten Stecker auch eingesteckt? Er soll das Signal vom Radioteil zum Endverstärker leiten - der ja anscheinend, da Du ganz leises Rauschen hören kannst - ganz ist. Schon mal gut. Sei mit den Lautsprecherkabeln etc. GANZ VORSICHTIG, die alten Radios waren nicht kurzschlussfest. Eine Millisekunde Kurzschluss und die Endstufe T413/414 ist hin und du hast viel Zusatzarbeit. Wenn dieser Stecker dran ist, brückt er Pin 1 und 2 des Steckers. Du kannst auch jetzt schon mal mit einen Draht/einer Büroklammer die Du mit den Fingern hältst an Pin 2 rangehen und solltest dann Brummen oder irgendwelche komischen Geräusche recht deutlich aus dem Lautsprecher hören. Das wäre ein weiterer Beweis für eine ganze Endstufe. Dann mal Pin 1 und 2 mit einen Drähtchen/Büroklammer brücken - und hörst Du jetzt was? (Als Antenne muss natürlich irgendwas dran sein und wenn es auch wieder nur 50...100 cm Draht sind.
Also das Radio verfügt über diese 6Polige Buchse für entsprechendes Zubehör. Da ist ein Blindstecker dran mit der Brücke 1-2. Das ist also alles vorhanden. Mit abgestecktem Blindstecker und 1-2 offen habe ich mal mit einer Büroklammer am Pin 2 den Brummtest gemacht und dieser ist erfolgreich. Der Verstärkerteil scheint somit intakt zu sein.
> für unseren BMW 1502, Also ein Autoradio, was sagt der Autoverdrahtungsplan wie das Ding anzuschalten ist ?! Bei manchen Autoradios muss erst die Antenne ausfahren, damit es dudelt bspw.. Der 1502 hat wohl "alte Stecker" die einem Adapter benötigen, da sollte man dringend mal in einem Auto- und nicht in einem Mikrocontrollerforum nachfragen. Dann scheint das Ganze für mehrere Bänder gebaut, da sollte man die Schalter erst mal auf UKW bringen. Und ja, in vielen Garagen ist kein Radio-Empfang möglich, dazu muss man raus fahren. > Wenn das Radio wieder spielt, möchte ich einen Bluetooth-Empfänger > einbauen und auf den Mittelwellenknopf legen, sodass bei gedrücktem "M" > die Bluetoothmusik dudelt. Über Mittelwelle? Üblich sind da Einblendungen auf UKW per FM-Transmitter. Beitrag "FM Transmitter umbauen"
:
Bearbeitet durch User
Bradward B. schrieb: > Also ein Autoradio, War bestimmt sehr anstrengend, dies festzustellen. > was sagt der Autoverdrahtungsplan wie das Ding > anzuschalten ist ?! Bei manchen Autoradios muss erst die Antenne > ausfahren, damit es dudelt bspw.. Welche Aussage erwartest Du denn in diesem Falle von einem Autoverdrahtungsplan für die Problemlösung? Tobias M. schrieb: > erfolgreich. Der Verstärkerteil scheint somit intakt zu sein. Na dann würde ich, wie schon empfohlen, als nächstes die Spannungen im Radio-Teil messen.
>> Also ein Autoradio, > > War bestimmt sehr anstrengend, dies festzustellen. Jedenfalls war es für den TO zu umständlich, das Schlüsselwort Autoradio in das Subject zu setzen. >> was sagt der Autoverdrahtungsplan wie das Ding >> anzuschalten ist ?! Bei manchen Autoradios muss erst die Antenne >> ausfahren, damit es dudelt bspw.. > > Welche Aussage erwartest Du denn in diesem Falle von einem > Autoverdrahtungsplan für die Problemlösung? Klemme Zündung für Test korrekt angeschlossen, externer Lautsprecher dran. Etliche Anschlussstecker sind für Fahrzeugnorm standardisiert. Meines Wissens gilt bei Autoradios "12V dran und los" nicht unbedingt.
:
Bearbeitet durch User
Tobias M. schrieb: > Jetzt die Frage: Wie würdet ihr mit der Fehlersuche anfangen? Bei dem Schalter UKW/Mittelwelle. Etliche Male umschalten um die in Jahrzehnten gewachsene Oxidschicht zu durchbrechen, bei Erfolg etwas (Tuner-) Kontaktreiniger nutzen. Uwe
Uwe B. schrieb: > Bei dem Schalter UKW/Mittelwelle. Etliche Male umschalten um die in > Jahrzehnten gewachsene Oxidschicht zu durchbrechen, bei Erfolg etwas > (Tuner-) Kontaktreiniger nutzen. Habe den Schalter sicher 30-40 mal betätigt, Erfolg blieb aus. Ich habe angefangen die Spannungen zu messen, doch fällt es mir schwer, weil die Bauteile im Radio nicht beschriftet sind. Ich weiß zwar, dass über R543 1,6V abfallen müssen und danach die 12,4V an diverse Stellen geht, ich weiß aber nicht, wo dieser R543 ist. Mit etwas hin- und herschauen und Leiterbahnen verfolgen geht das zwar irgendwie, doch das scheint mir die Nadel im Heuhaufen zu sein. Ich habe mal die Spannungen am BF240 gemessen, weil ich da gut dran komme und dort stimmt keine der 3 Spannungen. Habe beim Brummtest mal lauter und leiser gedreht und das Brummen wird auch lauter und leiser. Also das Laustärkepoti ist absolut in Ordnung und kratzfrei.
Hol dir beim Radiomuseum.org das komplette Servicemanual. Das geht auch ohne Mitgliedschaft.
Tobias M. schrieb: > Mit etwas hin- und herschauen und > Leiterbahnen verfolgen geht das zwar irgendwie Das Radiomuseum hat den originalen Schaltplan zum kostenlosen Download. Möglicherweise ist der Bestückungsplan dabei. https://www.radiomuseum.org/r/philips_sprint_22rn341_22_rn_341.html# Sonst z.B. hier, das Servicemanual für 2 Pfund: https://www.service-data.com/product.php/10793/14724/a20793 Den Schalter hast du mit dem Multimeter geprüft? Zeigefinger als "Brummsignalinjektor" vor dem Schalter? (Ist ja kein Röhrengerät.. ;-) Uwe
Hallo, das Schaltbild ist mit seinen 11 Transistoren noch ziemlich übersichtlich. Nicht einmal Verkehrsfunkdecoder hat es. Den gab es vielleicht extra als externes Gerät. Wie schon erwähnt, muß wohl an der Buchse hinten eine Brücke rein, um die NF durch zu leiten, andererseits kann man da leicht ein Signal einspeisen, das direkt zum Lautstärkesteller geht. Spannungen messen, die die einzelnen Schaltungsteile versorgen, wäre der erste Schritt, man könnte mal an alle Elkos einen Spannungsmesser dran halten, um Kurzschlüsse zu erkennen. Nächster Schritt könnte sein, wenigstens die Endstufe mit den vier Transistoren zur Funktion zu bringen, aber Rauschen kann sie ja schon. Mehr als 4 WAtt bei 10% Klirr sind da nicht zu erwarten, eher mehr Klirr noch. Ich könnte mir gut vorstellen, daß gar kein Defekt vorliegt. Und am besten mit Prüfspitzen un dergleichen nicht übel abrutschen, sonst ist richtig was defekt. Tobias M. schrieb: > und einer kleinen Endstufe ordentliche Musik im > Oldi herrscht. Die Autos der damaligen Zeit waren ordentlich laut, schon die Windgeräusche ab 75 km/h sind im Vordergrund. Aber ihr macht ja überall neue Tür- und Fensterdichtungen rein. Insgesamt wird es zusammen mit Musik, die das noch übertönen soll, eine relativ laute Überlandfahrt werden. Viel Erfolg bei der großen und der kleinen Restauration. Und niemand weiß, ob das Bluetoothmodul dann in die Endstufe einstreut. könnte das hier gewesen sein: https://www.kleinanzeigen.de/s-anzeige/philips-autoradio-22rn341-93-oldtimer-radio/3246823260-223-4460 Sehr einfaches Gerät, nur UKW und MW. Da ist auch nichts mit motorisch betriebener Antenne. Ein Becker wäre halt teuer gewesen. mfg
:
Bearbeitet durch User
Tobias M. schrieb: > Der Verstärkerteil scheint somit intakt zu sein. Wenn es mit UKW nichts wird, einen DAB+ Empfänger z.B. ins Handschuhfach einbauen und an der DIN Buchse einspeisen.
Christian S. schrieb: > Hallo, > > das Schaltbild ist mit seinen 11 Transistoren noch ziemlich > übersichtlich. Nicht einmal Verkehrsfunkdecoder hat es. Den gab es > vielleicht extra als externes Gerät. > Wie schon erwähnt, muß wohl an der Buchse hinten eine Brücke rein, um > die NF durch zu leiten, andererseits kann man da leicht ein Signal > einspeisen, das direkt zum Lautstärkesteller geht. > Spannungen messen, die die einzelnen Schaltungsteile versorgen, wäre der > erste Schritt, man könnte mal an alle Elkos einen Spannungsmesser dran > halten, um Kurzschlüsse zu erkennen. > Nächster Schritt könnte sein, wenigstens die Endstufe mit den vier > Transistoren zur Funktion zu bringen, aber Rauschen kann sie ja schon. > Mehr als 4 WAtt bei 10% Klirr sind da nicht zu erwarten, eher mehr Klirr > noch. Ich habe ein Servicemanual gefunden, ich schau mal, ob ich das hier anhänge. Also wenn das erwünscht ist. Ich habe mal die Spannungen an den Transistoren durchgemessen und die sind wie Kraut und Rüben. Da stimmt nicht eine Spannung. Der Widerstand R544 (im Stromlaufplan unten kurz nach der Sicherung) ist defekt, was große Auswirkungen zu haben scheint. Außerdem habe ich Diode D440 defekt, die hat Durchgang. Ich werde mal noch etwas weiter messen und dann die TEile entsprechend austauschen. Christian S. schrieb: > Die Autos der damaligen Zeit waren ordentlich laut, schon die > Windgeräusche ab 75 km/h sind im Vordergrund. Aber ihr macht ja überall > neue Tür- und Fensterdichtungen rein. > Insgesamt wird es zusammen mit Musik, die das noch übertönen soll, eine > relativ laute Überlandfahrt werden. So sieht es aus. Der 02 hat durch die undichten Dreiecksfenster reingepfiffen, dass man auf der BAB nichts mehr versteht. Jetzt, wo wir das Auto von nackter Rohkarosse komplett neu aufbauen, kommen alle Dichtungen neu, die Fahrgastzelle ist mit modernen Mitteln gedämmt und alle Scheiben und Türen werden ordentlich eingestellt. Dann sollte es nicht mehr so ziehen in der Hütte. Christian S. schrieb: > könnte das hier gewesen sein: > https://www.kleinanzeigen.de/s-anzeige/philips-autoradio-22rn341-93-oldtimer-radio/3246823260-223-4460 > > Sehr einfaches Gerät, nur UKW und MW. Da ist auch nichts mit motorisch > betriebener Antenne. Ein Becker wäre halt teuer gewesen. Das ist es auch, richtig. Es wurde ein Philips, weil ich bei Philips als Ingenieur arbeite und dadurch eine andere Verbindung zum Unternehmen habe. Becker wäre auch gegangen, klar. Ist halt aber kein Philips.
:
Bearbeitet durch User
och manno, wer will denn den Kopf so schief halten? Ich war so frei das für Andere zu drehen und zusammen zufügen
Sehr schön, daß der BMW noch fahrbereit war. Ihr macht das schon gründlich und vorbildlich. Tobias M. schrieb: > Das ist es auch, richtig. Volltreffer! Tobias M. schrieb: > Es wurde ein Philips, weil ich bei Philips als > Ingenieur arbeite und dadurch eine andere Verbindung zum Unternehmen > habe. Die BF494 waren in den Philips Experimentierkästen mehrfach enthalten. Tja, mein erstes Radio im frühen Vorschulalter war das hier und steht im Hintergrund noch immer spielbereit. Die Trennung zwischen SR1 und Radio Luxemburg schaffte es nur ziemlich schlecht. Bald soll er einen Platz in der Ausstellung bekommen: https://www.radiomuseum.org/r/philips_orion_bd390a_bd_390_a.html mfg
:
Bearbeitet durch User
Tobias M. schrieb: > Ich habe ein Servicemanual gefunden, ich schau mal, ob ich das hier > anhänge. Also wenn das erwünscht ist. Ja, bitte. > Der Widerstand R544 (im Stromlaufplan unten kurz > nach der Sicherung) ist defekt, was große Auswirkungen zu haben scheint. Allerdings. Check mal den C738 auf Kurzschluß. (Man sollte solcherlei über Jahrzehnte schlafendes Gerät mit langsam aufdrehender Betriebsspannung unter Beobachtung des verputzten Stromes aufwecken sonst nehmen insbesondere Elkos schon mal übel) > Außerdem habe ich Diode D440 defekt, die hat Durchgang. Unwahrscheinlich, auch weil die Endstufe ja offensichtlich funktioniert. Durchgang im eingelöteten Zustand? Da sind dann noch 3 niederohmige Widerstände parallel im Spiel. Uwe
:
Bearbeitet durch User
Christian S. schrieb: > Tja, mein erstes Radio im frühen Vorschulalter war das hier und steht im > Hintergrund noch immer spielbereit. Die Trennung zwischen SR1 und Radio > Luxemburg schaffte es nur ziemlich schlecht Radio Luxenburg (damals für uns als Teenager ohne Alternative) im 49m Band ging mit einem einfachen Diodenemfänger (in Niedersachsen) recht gut. Dahinter ein Verstärker mit EF11 und EL12, Schaltplan modifiziert aus einem Buch vom Richter, Teile aus einer alten Bastelkiste vom Vater und von der Müllkippe am Dorfrand wo der Radiohändler vom Nachbarnest seinen Schrott abkippte. War Cool :-) Um etwas die Kurve zu kriegen, von Philips gab es damals sogar einen Plattenspieler fürs Auto. Für die 45er Singles. Uwe
Uwe B. schrieb: > Um etwas die Kurve zu kriegen, von Philips gab es damals sogar einen > Plattenspieler fürs Auto. Für die 45er Singles. Das müssen aber sehr weich gefederte Autos gewesen sein. Oder sehr gute Straßen ...
Jens G. schrieb: > Uwe B. schrieb: >> Um etwas die Kurve zu kriegen, von Philips gab es damals sogar einen >> Plattenspieler fürs Auto. Für die 45er Singles. > > Das müssen aber sehr weich gefederte Autos gewesen sein. Oder sehr gute > Straßen ... Hohe Auflagekraft der Nadel, die Platten wurden schnell runtergehobelt... Mignon hieß der Hobel.
:
Bearbeitet durch User
Tobias M. schrieb: > Wir haben das Radio heute mal am Netzteil angeschlossen, 4 Ohm > Lautsprecher dran und haben das Radio angeschaltet. Leider kommt nur ein > ganz seichtes Rauschen aus dem Lautsprecher Die Antenne ist dran und gute Verbindung? Sorry für diese Frage, aber es tauchte im Thread nicht auf...
Jens G. schrieb: > Das müssen aber sehr weich gefederte Autos gewesen sein. Situationen, in denen der Plattenspieler in Betrieb geht, müssen nicht zwingend während der Fahrt entstehen, sondern eher gelegentlich im stehenden Auto. Aber früher waren die Autos tendentiell eher weich gefedert und die Sitze hatten Schraubenfedern unter der Kokos-Geflecht-Matte. mfg
Christian S. schrieb: > Jens G. schrieb: >> Das müssen aber sehr weich gefederte Autos gewesen sein. > > Situationen, in denen der Plattenspieler in Betrieb geht, müssen nicht > zwingend während der Fahrt entstehen, sondern eher gelegentlich im > stehenden Auto. Meine ersten beiden PKW mitte der 70er waren Ford P5, erst 17m, dann 20m. Damals noch 6 V Technik, der zugelaufene "Zerhacker" versorgte die 220 VAC Schuko im Beifahrerraum. Das laufende Telefunken Magnetophon 200 TS auf dem Beifahrersitz verwunderte, lenkte aber gut von anderer Ausstattung ab. Für den transparportablen Transport produzierte Plattenspieler mit und ohne integrierten Verstärker/LS gab es in meinen Sperrmüllfunden schon in den 50ern, oft von Philips, aber auch von Elac u.a. gesehen. In den 80er kamen Ghettobluster mit integriertem Plattenspieler auf, die durchaus abspielend für den robusten Einsatz geeignet waren. Und auch "High End" machte vor schräg- oder senkrecht betriebenen Plattenspielern nicht halt. > Aber früher waren die Autos tendentiell eher weich gefedert und die > Sitze hatten Schraubenfedern unter der Kokos-Geflecht-Matte. Auch da mag das Gefühl trügen.
Bradward B. schrieb: >> Wenn das Radio wieder spielt, möchte ich einen Bluetooth-Empfänger >> einbauen und auf den Mittelwellenknopf legen, sodass bei gedrücktem "M" >> die Bluetoothmusik dudelt. > > Über Mittelwelle? Üblich sind da Einblendungen auf UKW per > FM-Transmitter. Geil, ich liebe Bradward. Jeder Beitrag ein Klops.
Tobias M. schrieb: > Leiterbahnen verfolgen geht das zwar irgendwie, doch das scheint mir die > … Nadel im Heuhaufen zu sein. Ich habe mal die Spannungen am BF240 > gemessen, weil ich da gut dran komme und dort stimmt keine der 3 > Spannungen. > Ohne Bestückungsplan wird‘s mühsam, aber der lässt sich ggf beschaffen. Aber auch so geht es: was misst du den am BF240? Bei den Spannungsangaben wird von 14V Speisung ausgegangen. Der BF240 ist gleichspannungsmäßig weitgehend unabhängig vom Tastensatz. Miss bitte auch mal die Spannungen rund um die Z-Diode unten links im Plan, die mit den Nummern 2 und 3.
Das ist doch alles wie in einer unbekannten Stadt herumlaufen. Besorg dir einen Signalgenerator und speise Stufe für Stufe ein Signal ein. Da ja der NF-Verstärker zu funktionieren scheint, kannst du das Ergebnis direkt im Lautsprecher hören.
> Ich war so frei das für Andere zu drehen und zusammen zufügen
Sehr gute Idee.
Und ich war so frei, die *.png-Variante aufzuschärfen und von seinen
1943k Ballast zu befreien.
PS: Persönlich stört mich an diesem Schaltplanstil, dass die elektrisch
leitenden Abzweigpunkte nicht durch einen ausgefüllten Kreis
hervorgehoben sind.
:
Bearbeitet durch User
Mal Spannungen gemessen? Evtl. kommt von DIN-Stecker nicht alles an?
Schorsch M. schrieb: > Besorg dir einen Signalgenerator und speise Stufe für Stufe ein Signal > ein. Lass ihn doch erst mal das hier machen: Tobias M. schrieb: > Transistoren durchgemessen und die sind wie Kraut und Rüben. Da stimmt > nicht eine Spannung. Der Widerstand R544 (im Stromlaufplan unten kurz > nach der Sicherung) ist defekt, was große Auswirkungen zu haben scheint. > Außerdem habe ich Diode D440 defekt, die hat Durchgang. Ich werde mal > noch etwas weiter messen und dann die TEile entsprechend austauschen. R544 ist für eine der Betriebsspannungen zuständig - solange das nicht geklärt ist, bzw. die Transistorspannungen nicht einigermaßen passen, brauchste keinen Signalgenerator ...
Lu schrieb: > Mal Spannungen gemessen? Evtl. kommt von DIN-Stecker nicht alles > an? Es gibt an dem Radio nur die eine Buchse nach DIN 41524. Und dort muss nur das Audiosignal durchgeschleift werden.
Ist schon seltsam, dass bei einem NOS-Radio Dioden und Widerstände defekt sind: wirklich keine Messfehler?
Jens G. schrieb: > solange das nicht > geklärt ist, bzw. die Transistorspannungen nicht einigermaßen passen, > brauchste keinen Signalgenerator ... Quatsch, die Transistorspannungen zu messen ist ein Stochern im Nebel. Mit Signalgenerator ist man innerhalb Minuten am Ziel.
Die Schaltung ist einfach und übersichtlich, der Fehler müßte leicht zu finden sein. Erst mal die angegebenen Spannungen an den Transistoren messen. Dann mit ein Signalgenerator die ZF-Stufen testen. von Tobias M. schrieb: >Wenn das Radio wieder spielt, möchte ich einen Bluetooth-Empfänger >einbauen und auf den Mittelwellenknopf legen, Nimm dafür die Din-Buchse, die ist dafür gedacht, dann brauchst du nichts ändern. Da könnte auch ein MP3-Spieler drann.
Günter L. schrieb: > von Tobias M. schrieb: >>Wenn das Radio wieder spielt, möchte ich einen Bluetooth-Empfänger >>einbauen und auf den Mittelwellenknopf legen, > > Nimm dafür die Din-Buchse, die ist dafür gedacht, > dann brauchst du nichts ändern. Da könnte auch > ein MP3-Spieler drann. Die Idee mit der Mittelwellentaste ist doch auch ok. So könnte man so noch authentisch UKW hören. Und zumindest im Bergland die enormen Verbesserungen der letzten Jahrzehnte in Sachen Radioempfang "erfahren". Diversity und digitale Signalverarbeitung machen einen gewaltigen Unterschied. Dazu C717 einseitig auslöten. Oder die restlichen Stifte der DIN-Buchse kreativ verwenden.
Bradward B. schrieb: > PS: Persönlich stört mich an diesem Schaltplanstil, dass die elektrisch > leitenden Abzweigpunkte nicht durch einen ausgefüllten Kreis > hervorgehoben sind. Wenn man sich daran hält, ist diese Philosophie ganz einfach. Der Merksatz dazu: "Connections never cross and crosses never connect". Arno
- AUF KEINEN FALL an D440 rangehen und ersetzen. Das wird bei deiner magelnden Erfahrung die Endstufe zerstören. Der gemessenen "Kurzschluss" sind wohl eher R485/486/487. Du müsstest um die 65 mV/Ohm gemessen haben, in beiden Richtungen. - R544 560 Ohm ersetzen- wenn es nicht super originalgetrau sein muss, dann mit etwas höherer Leistung als bisher eingebaut. Vorschlag Metallschicht 0,6 W oder noch besser etwas mit 1 W. (Zum ersten Testen geht auch ein üblicher 0,25 Watt Widerstand. Auf Dauer sollte es mehr sein.) - D439 auf Kurzschluss und danach auf zirka 5,6V (Beim anliegen der 12 V) prüfen. - Eventuell C738 durch einen 100...330µF größer/gleich35V ersetzen.(diese höhere Spannung erhöht die Lebensdauer deutlich.) - Auf UKW anschalten. MW ist inzwischen TOT - das heißt da sendet keiner mehr, wie früher. Nur noch einige spezialsender zeitweise und sehr schwach, kaum mit einen Autoradio reinzubekommen. - Ist auf UKW jetzt etwas zu hören? - Wenn, nicht Spannungen messen und hier posten. In der Form Ts400 B- x,x V E- x,x V C- x,x V
Lothar schrieb: > R544 560 Ohm ersetzen- Der könnte tatsächlich von alleine oder mechanisch kaputtgegangen sein. Selbst bei einem Kurzschluss dahinter bekommt der bei 12V nur 0,25W ab. Sieht man ihm was an?
Wolf17 schrieb: > Selbst bei einem Kurzschluss dahinter bekommt der bei 12V nur 0,25W ab. So wird er aber schon ordentlich warm, wenn er liegend mit kurzen Beinchen eingelötet ist könnt er Probleme haben die Energie abzuführen. (?) > Sieht man ihm was an? Sollte man in dem Fall eigentlich. Eine mechanische (Vor-) Beschädigung scheint aber tatsächlich wahrscheinlich. Uwe
Tobias M. schrieb: > Wenn das Radio wieder spielt, möchte ich einen Bluetooth-Empfänger > einbauen und auf den Mittelwellenknopf legen, sodass bei gedrücktem "M" > die Bluetoothmusik dudelt. Ich hoffe, dass dann in Verbindung mit einem > guten high-low-adapter und einer kleinen Endstufe ordentliche Musik im > Oldi herrscht. Alternative Lösung: https://www.computerbase.de/news/mobilitaet/frankfurt-stereo-blaupunkt-bringt-70er-jahre-radio-mit-moderner-technik.94209/
Reinhard S. schrieb: > Alternative Lösung: > ..//www.computerbase.de/news ... Na ja, am 5.9.2025 textet der Reducktör:
1 | "Blaupunkt bringt 70er-Jahre-Radio mit moderner Technik"
|
2 | |
3 | Blaupunkt stellt zur IFA in Berlin ein Autoradio im Design der Modelle aus den 1970er-Jahren vor ... |
Dreiste Behauptung, dass eine nicht mehr existente Firma ein neues Produkt bringt. Blaupunkt ist eine der mißbrauchten Markennamen, wo niemand weiß, was drin ist. Korrekt wäre, zu schreiben, dass die Firma XY unter dem Namen Blaupunkt ein neues Produkt bringt.
Für reinen Radiobetrieb muß an der DIN Buchse Pin 1+2 gebrückt werden. Sonst spielt die Kiste nicht. Die Din Buchse ist für Plattenspieler, die es damals für KFZ gab. Betrieb nur mit Plattenspieler oder Brücke. HolgerR
:
Bearbeitet durch User
Lothar schrieb: > - AUF KEINEN FALL an D440 rangehen und ersetzen. Wer will das schon. Die Endstufe spielt doch. Lothar schrieb: > dann mit etwas höherer Leistung als bisher eingebaut. > Vorschlag Metallschicht 0,6 W oder noch besser etwas mit 1 W. Man kanns auch übertreiben. Selbst bei 10V verheizt der deutlich weniger als 200mW. Wenn mich nicht alles täuscht, wird die Ptot bei Widerständen für 70 oder 80°C (jedenfalls eher nicht für 25°C) spezifiziert, so dass ein 250mW-R bei ein paar 10°C Umgebungstemperatur nicht schon in Todesangst schwebt ... Und einen Durchbruch der Z-Diode im Fehlerfalle muss man ja bei der Rechnung nicht unbedingt berücksichtigen. Holger R. schrieb: > Für reinen Radiobetrieb muß an der DIN Buchse Pin 1+2 gebrückt werden. > Sonst spielt die Kiste nicht. Ist doch schon alles geklärt ...
Hallo Jens, ist mir schon klar, dass am Widerstand im Worst Case 14,5V und Z-Diode 5,4 V nur 0,148 Watt abfallen. Bei Z-Dioden Kurzschluss dann 0,375 W. Aber ein Auto, dessen Amaturenbrett in der Sonne ist, dessen Radio laut läuft und sich selber weiter aufheizt und das vielleicht gerade 300km über die Autobahn gefahren ist und die Hitze aus dem Motorraum langsam durch die Spritzwand dringt - Da könnte ich mir schon 100°C im Autoradio als Worst Case vorstellen und da plane ich zur Sicherheit mindestens 0,6 Watt ein. Das erhöht die Lebensdauer einfach deutlich und eine niedrigere Oberflächentemperatur erhöht wiederum auch die Lebensdauer umgebender Bauteile. Und der Preisunterschied bei reichelt ist: Kohleschicht 0,25 W 0,06 Cent zu Metallschicht 0,6 W 0,07 Cent. 1 Cent lohnt keine Diskussion. Das Bessere ist der Feind des Guten. Hallo Tobias, bitte mal einfach meiner Reparauranleitung vom 25.12.2025 17:11 folgen und Rückmeldunge geben! Zur angefügten Leistungsreduktionskurve bei höheren Temperaturen Kurve CFR25S ist der 0,25 Watt Kohleschicht von Vishay.
:
Bearbeitet durch User
Wow, vielen Dank an Euch für den Input und den regen Austausch. Und fast ohne blöde Kommentare! So kenne ich das Forum garnicht, vor ein paar Jahren bei meinem letzten Problem ging es heiß her. Ich weiß nicht recht, wo ich anfangen soll. Ich habe Heiligabend noch die Transistoren durchgemessen, auch wenn das vielleicht nicht zielführend ist. Ich habe dazu in Serviceanleitung Soll-Spannungen gefunden und verglichen. Die Serviceanleitung hänge ich mit an. Die Spannungen sind wie folgt. Alles gemessen mit 12V am Eingang, gemessen gegen Masse. TS400 e: 0,35V b: 0,09V c: 0V TS401 e: 0,35V b: 0,09V c: 0V TS402 e: 0,35V b: 0,09V c: 0V TS403 e: 0,04V b: 0,35V c: 11,9V TS405 e: 0V b: 0,1V c: 11,9V TS 406 e: 0V b: 0,2V c: 11,9V TS 407 e: 11,9V b: 0V c: 0V TS 411 e: 0V b: 0,6V c: 9V TS412 e: 11,9V b: 9V c: 11,8V Ich werde jetzt noch eine Stunde die angegebenen Tipps verfolgen und dann berichten.
Die 5,6V-Spannung fehlt also, wie Du ja schon angemerkt hattest, und damit alles, was an +3/4/5/6 hängt. Könnte an der Z-Diode liegen, oder am C738, lt. Deinen ursprünglichen Messungen wirds aber erstmal an der Z-Diode liegen. Der durchgebrannte R544 ist da nur noch ein Folgefehler. Was ist eigentlich TS407? Tobias M. schrieb: > TS412 > e: 11,9V > b: 9V > c: 11,8V Sieht erstmal ungesund aus. Aber so wie es aussieht, muss wohl der Lautsprecher dran sein, damit es plausible Werte werden, weil der als PullDown-R für TS412 fungiert ...
:
Bearbeitet durch User
Hallo Thomas, deas Servicemanual ist irgendwie zum Schaltplan im Beitrag von 25.12.2025 10:09 Dort ist kein IC drin und beim Servicemanual ist einer drin. (Seite 5 rechts oben IC U408 TDA 1001) Welche Variante gilt bei Dir? Dann kann man sich einfach eindeutiger unterhalten, weil die Nummern der Bauteile stimmen. Sonst bringen wir hier unnötig Verwirrung rein! Und lass die Endstufe in Ruhe! Also vorerst keine Messungen mehr an TS411 bis 414. Einmal mit der Messpitze abgerutscht und Du bereust es und hast richtig was zu reparieren! Setzt jetz doch erst mal die 560 Ohm ein. Halte Dich einfach an meine Reihenfolge. Die Messungen solltest Du danach machen. Egal, dann war es jetzt Übung und zeigt nochmal das die 6 Volt sicher fehlen. Also die 560 neu einsetzen. Dann die zirka 5,6 V direkt über der Z-Diode messen - was misst Du?
Lothar schrieb: > deas Servicemanual ist irgendwie zum Schaltplan im Beitrag von > 25.12.2025 10:09 Das gepostete Service Manual ist für ein anderes, ähnliches, Radio (22RN351) Uwe
Lothar schrieb: > Dort ist kein IC drin und beim Servicemanual ist einer drin. > (Seite 5 rechts oben IC U408 TDA 1001) > > Welche Variante gilt bei Dir? Bei seinem ist der TDA1001 einfach nicht bestückt.
Richtig, der IC ist nicht vorhanden. Ich werde erstmal den R544 ersetzen, wenn die 5.6V anliegen schauen wir weiter. Dass D439 Schluss hat, kann auch sein. Das kann ich nochmal messen. Fakt ist, dass nach R544 keine 5,6V, sondern nur 0,35V anliegen.
Ohne alles genau gelesen zu haben... Entgegen der ersten Meinungen, würde ich sehrwohl alle Elkos erstmal generell austauschen. Auch wenn es zu der Zeit die "Elkopest" noch nicht gab, sind Elkos, die 50 Jahre stromlos waren bestimmt nicht besser als neue. Dann ist diese mögliche Fehlerquelle schonmal vorab entschärft.
> würde ich sehrwohl alle Elkos erstmal generell austauschen. > Dann ist diese mögliche Fehlerquelle schonmal vorab entschärft. Durch die mit dem Austausch verbundene Tätigkeiten hat man aber eine neue Quelle für Beschädigung, gerade bei fest montierten, durchkontaktierten Bauteilen. Immer schmerzhaft mit anzusehen, wie Manche beim Stochern mit dem Lötkolben in Geräten versehentlich die Isolation von Kabel verschmoren, den Kunststoffdraht der Skalenzeigerführung zertrennen, Kupferbahnen vom Träger brutzeln, ... Und lt. TO soll eine Restauration werden, also so original wie möglich. Sonst hätte man gleich ein Neugerät eingepflanzt. Aber es soll ja Ärzte geben, die Männern zur "Entschärfung einer mögliche Ursachenquelle für Haarausfall" zu einer frühzeitigen Entfernung ihrer Hoden raten ...
:
Bearbeitet durch User
Ich habe glücklicherweise passende Widerstände organisieren können, ohne dazu eine Internetapotheke nutzen zu müssen. Dummerweise wanderte der Fehler. Ausgelötet hat R544 genau 560Ohm und mit neu eingelötetem Widerstand stehen weiter nur 0,3V nach dem Widerstand an. Kann mir einer erklären, was ich falsch mache? Ich messe den Widerstand an den Beinchen des Widerstandes selbst. Wie kann sich dabei der Widerstand eingelötet verändern?
Tobias M. schrieb: > Wie kann sich dabei der Widerstand eingelötet > verändern? Weil auf einmal auch andere Bauteile mit im Spiel sind. > weiter nur 0,3V Z-Diode immer noch defekt.
Tobias M. schrieb: > Fehler. Ausgelötet hat R544 genau 560Ohm und mit neu eingelötetem > Widerstand stehen weiter nur 0,3V nach dem Widerstand an. Ja was denn nun? Ich dachte, der R544 ist lt. Deinen Ermittlungen defekt: Tobias M. schrieb: > nicht eine Spannung. Der Widerstand R544 (im Stromlaufplan unten kurz > nach der Sicherung) ist defekt, was große Auswirkungen zu haben scheint. > Außerdem habe ich Diode D440 defekt, die hat Durchgang. Ich werde mal Na dann wird es wohl die sein, oder der Elko danach ...
H. H. schrieb: > Jens G. schrieb: >> oder der Elko danach ... > > Da würde die Spannung nicht so weit runter gehen. Üblicherweise nicht, kann man aber mal im Hinterkopf behalten ...
Tobias M. schrieb: > Ich weiß nicht recht, wo ich anfangen soll. Vielleicht mit ein paar Hilfen zur Selbsthypnose? Oder geht es hier eher um Entscheidungsprobleme? Man könnte schrittweise Funktionen abklappern. Z.B.: warum reagiert der Lautstärkeregeler nicht?
Tobias M. schrieb: > Kann mir einer erklären, was ich falsch mache? Ich messe den Widerstand an > den Beinchen des Widerstandes selbst. Wie kann sich dabei der Widerstand > eingelötet verändern? Wenn du ein Stuhlbein auf eine Waage legst, während noch der ganze Stuhl dranhängt, was misst du dann? Richtig, Mist misst du dann.
Tobias M. schrieb: > Ich messe den Widerstand an den Beinchen > des Widerstandes selbst. Wie kann sich dabei der Widerstand eingelötet > verändern? Wer solche Fragen stellt, ist mit dem Thema sowieso hoffnungslos überfordert. Das wird nichts mehr!
Tobias M. schrieb: > Ausgelötet hat R544 genau 560Ohm und mit neu eingelötetem > Widerstand stehen weiter nur 0,3V nach dem Widerstand an. Kann mir einer > erklären, was ich falsch mache? Nach dem Schaltbild war doch R544 noch vom Wert her passend. Wenn es R545 gewesen wäre, dann wäre das was anderes. Bevor Du die Zenerdiode auslötest, löte erst mal R545 aus. Wobei ich Dir empfehlen würde in ein Repair-Cafe zu gehen. Das dürfte die Überlebenschancen des todkranken OldtimerRadios wesentlich erhöhen. Dort kannst Du eines in Deiner Nähe suchen: https://www.repaircafe.org/de/besuchen/ Weil es diese Möglichkeit noch gibt, sehe ich da nicht ganz so dunkle Wolken aufziehen, wie Schorsch.
Wollte schon schreiben, dass ich da nicht ganz so schwarz sehen würde, aber da fielen mir doch noch gerade die political correctnes Wächter aus der w....... Szene ein und hatte es noch korrigiert. ;)
Hallo Tobias, es ist nicht gut und hilfreich für die Diskussion und für das Autoradio selbst, wenn du Teile für defekt erklärst - ohne sie wirklich und richtig gemessen zu haben. Einseitiges Auslöten hilft - bzw. ist meist erforderlich. Tue das das nächste Mal bitte vorher. Also scheint es jetzt die Z-Diode zu sein. Besorge Dir eine (oder auch zwei, falls Du sie bei deinen Repraturversuchen zwischendurch zerstörst). Zum Beispiel diese: https://www.reichelt.de/de/de/shop/produkt/zener-diode_aec-q101_5_6_v_1_3_w_5_do-41_do-204al_-219443 Der genaue Typ dürfte nicht so wichtig sein... (Mal sehen wieviel Leute jetzt protestieren - egal.) Die Auswahl ist groß https://www.reichelt.de/de/de/shop/kategorie/zenerdioden-8533?filter=3%23~%23%2A%23~%235%2C6%20V%23~%235%2C6%23~%230 Die genannte sollte gehen. Dann besorge Dir gleich noch den Elko C 738. Da man heute 68 µF schwer bekommt, nimmt man den nächst größeren gängigen Wert, also 100µF, was außerdem noch bessere Sieb- und Entkopplungeigenschaften bringt. https://www.reichelt.de/de/de/shop/produkt/elko_axial_100_f_50_v_105_c_1000h_20_-249086 Der hält 105°C aus und sollte mit 20mm Länge und 8 mm Durchmesser reinpassen. Bitte das vor Bestellung überprüfen. Die Bohrungen in der Leiterplatte müssen mindestens 22,5 mm auseinander sein, damit er reinpasst.
Da ist es wieder, das Grundrauschen. Schön. Ich denke, ein Dieter, Schorsch, Heinz oder Rolf, die vmtl. keine 20Jahre alt sind, sind sicher so schlau geboren wie sie jetzt sind und haben in ihren jungen Jahren nie Fehler gemacht. Freut mich für euch. Wie sind die damaligen alten Leuten mit euren Fehlern umgegangen? Haben die euch auch zur Ratte gemacht und gemeint, ihr sollt bitte aufhören und nie wieder etwas elektronischen anfassen? Behandle andere, wie du selbst behandelt werden willst. Eine sinnvolle Erklärung konnte mir jedoch keiner liefern. Das Multimeter legt eine Spannung an, es fließt ein Messstrom und der Widerstandswert wird ermittelt (nicht direkt gemessen). Der Messstrom fließt ja nur zwischen den Messspitzen. Wenn ich auf der Platine die beiden Lötpunkte des Widerstandes messe, wo fießt der Messstrom denn hin?
Tobias M. schrieb: > wo fießt der Messstrom denn hin? Unkontrolliert irgendwo auf der Platine über die vielen weiteren Verbindungen. Tobias M. schrieb: > Das Multimeter legt eine Spannung an, es fließt ein Messstrom und der > Widerstandswert wird ermittelt (nicht direkt gemessen). Korrektur: Das Multimeter mißt eine Spannung zwischen den zwei Messspitzen und zeigt diese an. Im Widerstandsbereich wird ein konstanter Messstom eingespeist und der Spannungsabfall zwischen den beiden Messspitzen gemessen, der ein Maß für den Widerstand ist.
Also R544 und R545 auslöten und die Zenerdiode messen. Oder alternativ für wenige Sekunden 30mA durch die ZD in der Schaltung schicken. Und wenn an der ZD nicht mindestens 2V zu messen sind, dann ist diese durch. Siehe auch Simulation mit falstad.com.
:
Bearbeitet durch User
Dieter D. schrieb: > Tja, was ist denn da wieder passiert? Die Zenerdiode ist falsch herum gepolt. Vorher hattest du es richtig. Nun frage ich mich, ob das Idiotentest sein soll oder ob du das aus Versehen gemacht hast.
:
Bearbeitet durch User
Tja, was ist denn jetzt passiert, die Simu spuckt den Messwert des TO aus?
Tja, was ist denn jetzt passiert, die Simu spuckt ja immer noch den Messwert des TO aus?
Nemopuk schrieb: > Nun frage ich mich, ... Weder das eine noch das andere. Es ist der Anstoß einen Simulator zu verwenden, um sich die Zusammenhänge zu erschließen. Tobias M. schrieb: > Eine sinnvolle Erklärung konnte mir jedoch keiner liefern. Es gibt Zusammenhänge, die in Worte zu fassen, würde lange Prosa werden. Die hilft dann auch nicht weiter. Der TO wäre frustriert und die vielen Helfer, die mühsam den Text sich aus den Finger zogen, wären auch frustriert. Mit einer einfachen Simulation zu spielen ist als sinnvolle Erklärung gar nicht so selten effektiver.
Dieter will wohl seinen Vorsprung bzgl "Spinner des Jahres" noch ausbauen.
Betreffend die Zenerdiode (was die mit dem anfänglichen Thema zu tun hat, wer weiss's? ...) > Und wenn an der ZD nicht mindestens 2V zu messen sind, dann > ist diese durch. Es gibt auch Fälle, dass solch eine Zener-Diode auch auf 'unendlich' geht, dann ist das Ding eben nicht durch...
Betreffend die Zenerdiode (was die mit dem anfänglichen Thema zu tun hat, wer weiss's? ...) > Und wenn an der ZD nicht mindestens 2V zu messen sind, dann > ist diese durch. Es gibt auch Fälle, dass solch eine Zener-Diode auch auf 'unendlich' geht, dann ist das Ding eben nicht "durch"...
Uwe schrieb: > Es gibt auch Fälle, dass solch eine Zener-Diode auch auf > 'unendlich' geht, dann ist das Ding eben nicht durch... Das gibt es und dann geht häufig etwas in der Schaltung dahinter kaputt. So ist das elektrische Leben in der Welt einer Platine.
Tobias M. schrieb: > Schön. Ich denke, ein Dieter, > Schorsch, Heinz oder Rolf, die vmtl. keine 20Jahre alt sind, sind sicher > so schlau geboren wie sie jetzt sind und haben in ihren jungen Jahren > nie Fehler gemacht. Freut mich für euch. Dieser Tonfall steht Dir nicht gut zu Gesicht. Du stocherst wirr im Gerät herum und gehst auf nichts ein, was geschrieben wurde bzw. lieferst unverständliche Antworten. > Eine sinnvolle Erklärung konnte mir jedoch keiner liefern. Die musst Du selbst finden, das Ohmsche Gesetz ist durchaus hilfreich. Wenn vor einem Widerstand 12V liegen und hinter diesem nichts oder sehr wenig, wird da Strom fließen. Also ergründe, wo der Strom fließt, die verdächtigen Teile Z-Diode und Elko wurden Dir benannt. Den Hinweis beachten, bei ausgebauter D439 keinesfalls die Stromversorgung anlegen oder R545 ausbauen! > Das > Multimeter legt eine Spannung an, es fließt ein Messstrom und der > Widerstandswert wird ermittelt (nicht direkt gemessen). Der Messstrom > fließt ja nur zwischen den Messspitzen. Wenn ich auf der Platine die > beiden Lötpunkte des Widerstandes messe, wo fießt der Messstrom denn > hin? Irgendwo hin. Der Widerstand ist Bestandteil der Gesamtschaltung, wo der Meßstrom weitere Wege finden kann. Bauteile in der Schaltung zu messen, kann vereinzelt klappen, aber Verlass ist nicht drauf und deshalt trennt man sie ab.
Manfred P. schrieb: > Den Hinweis beachten, bei ausgebauter D439 keinesfalls die > Stromversorgung anlegen oder R545 ausbauen! Naja, keines der empfindlichen Teile würde mehr als 10mA als Ic sehen - also komplett unkritisch. Die Z-Diode ist nur zur Arbeitspunkteinstellung bzw. als "Referenz" gedacht, bzw. hat keine Schutzfunktion ...
Uwe schrieb: > Es gibt auch Fälle, dass solch eine Zener-Diode auch auf > 'unendlich' geht, dann ist das Ding eben nicht "durch Eine Zenerdiode lässt sich schwer mit einem einfachen Multimeter testen, da die Spannung nicht erreicht wird um Strom fließen zu lassen...
Mani W. schrieb: > Eine Zenerdiode lässt sich schwer mit einem einfachen Multimeter > testen, da die Spannung nicht erreicht wird um Strom > fließen zu lassen... Natürlich kann man sie auch mit einem MM messen. Sie verhält sich halt wie eine normale Diode, eine Richtung leitet, die andere sperrt. Wenn sie "durch" ist, zeigt sie beide Wege dasselbe.
> Wenn sie "durch" ist, zeigt sie beide Wege dasselbe.
Und zwar relativ wenig Widerstand (beim 'Ohmmeter').
Und wenn sie nicht "durch" ist, auch.
Dann halt relativ viel. ;-)
ZENERDIODE SINNVOLL testen mit LNG und Strombegrenzungswiderstand, dann kann man mit Multimeter die Zenerspannung messen...
Mani W. schrieb: > mit LNG und Strombegrenzungswiderstand, dann kann man mit > Multimeter die Zenerspannung messen... Das interessiert nicht, wichtig ist nur, ob sie intakt, oder defekt ist, dazu reicht ein einfacher Test.
Schorsch M. schrieb: > Mani W. schrieb: >> mit LNG und Strombegrenzungswiderstand, dann kann man mit >> Multimeter die Zenerspannung messen... > > Das interessiert nicht, wichtig ist nur, ob sie intakt, oder defekt ist, > dazu reicht ein einfacher Test. Kommt immer drauf an... Soll eine Zener z.B. auf 5 V begrenzen, zeigt aber Schluss, hat sie die folgende Schaltung wohl dauerhaft zumindest spannungsmässig dauerhaft gegen Überspannung geschützt. Ist sie "durch" im Sinne von hochohmig geworden, kann die Spannung entsprechend hochgelaufen sein. Je nach Gesamtschaltung können beide Zustände ganz unterschiedliche Auswirkungen darauf haben oder auch nicht. Einfach nur "defekt" reicht also nicht unbedingt. Frage ist hier, ob das für den TE überhaupt noch eine Rolle spielt. Letzte Reaktion gestern morgen und mit grossem Unverständnis auf an sich trivialen Sachverhalt. Egal, vielleicht wirds nächstes Jahr auch besser. :-)
Schorsch M. schrieb: > Das interessiert nicht, wichtig ist nur, ob sie intakt, oder defekt ist, > dazu reicht ein einfacher Test. In Deiner Welt!
Mani W. schrieb: > ZENERDIODE SINNVOLL testen > mit LNG und Strombegrenzungswiderstand, dann kann man mit > Multimeter die Zenerspannung messen... Was soll denn dieser ganze Kindergarten um den Troll? Wenn zwischen R544 und R545 keine 5,6 Volt stehen und der R544 in Ordnung ist, was bleibt dann als Ursache? Es könnte ein Schluß von C738 oder der Schaltung dahinter vorliegen, dann hätte man 14/660*100 gleich etwa 2 Volt. Nicht? - dann R545 raus, immer noch keine 5,6 Volt? Au weiah, eine unlösbar komplexe Schaltung, dann kann nur noch die KI helfen. Mani W. schrieb: > Schorsch M. schrieb: >> Das interessiert nicht, wichtig ist nur, ob sie intakt, oder defekt ist, >> dazu reicht ein einfacher Test. > In Deiner Welt! Jou, seine Welt ist auf Kollision getrimmt.
:
Bearbeitet durch User
Mani W. schrieb: > In Deiner Welt! In deiner Welt darfst du gerne alle Bauteile auf seine Werte überprüfen, wäre auch ganz gut so, denn dann wärest du sehr lange beschäftigt und würdest das Forum nicht zumüllen.
Schorsch M. schrieb: > In deiner Welt darfst du gerne alle Bauteile auf seine Werte überprüfen, > wäre auch ganz gut so, denn dann wärest du sehr lange beschäftigt und > würdest das Forum nicht zumüllen. Sorry, Du bist mir zu blöd um mich weiterhin mit Dir zu unterhalten!
Mani W. schrieb: > Du bist mir zu blöd um mich weiterhin mit Dir zu unterhalten! Danke. Herzlichen Dank!
Mani W. schrieb: > Sorry, Du bist mir zu blöd um mich weiterhin mit Dir zu unterhalten! Vorsicht. Wenn ich mich an diese (eingebildete) These halten würde würde ich nur noch Selbstgespräche führen. Selbst im scheinbar blödesten Gegenpart gibt es was sinnvolles zu finden wenn man es zulässt. Und im Gegenzug: die scheinbar unendlich wertvolle eigene Meinung ist auch nur eine unter vielen, nichts herausragendes. Schönes 2026!
> Wobei ich Dir empfehlen würde in ein Repair-Cafe zu gehen. > Das dürfte die Überlebenschancen des todkranken OldtimerRadios > wesentlich erhöhen. Und es gibt (immer noch ?!) die klassische Radio-Reparatur-Werkstatt. Spontan ein Beispiel für einen auf Autoradio spezialisierten, den eine kurze google-Recherche ausspuckte: https://www.die-radiowerkstatt.de/autoradioumbauten-ohne-dab Bei Repair-Cafès besteht halt die Gefahr, an Cap-fixierte Tauschfanatiker zu geraten; vielleicht kann man ja das corpus delicti Einem/Einer mit Werkstatt und gut sortierten Bauelementelager zuschicken. Selbst mit Retour-Option sollte man noch mit 10 Ocken Versandkosten dabei sein. Die Versandkosten könnten doch auch aus den Spenden fürs Repair-Cafè beglichen werden. Mit dem üblichen Forums-PingPong scheint man hier nur sehr zäh voran zu kommen. Oder das Automobil-Restauratorenteam holt sich vor Ort einen Elektroniker in die Schrauberbude.
:
Bearbeitet durch User
Ach Bradward... In vielen Fällen ist ein Austausch der Elektrolytkondensatoren in Autoradios sinnvoll und schnell zielführend. Da ist man kein Tauschfanatiker, wenn man in der Hitze unter dem Armaturenbrett lieber möglichst hochwertige Neuware breitkochen möchte. Zumindest in den Becker Geräten der 80ger Jahre kann ich feststellen, das nach 15..20 Jahren eine zweite Elkokur von Nöten ist. Ich hab da mein "Studienobjekt" aus Studienzeiten. Da hab ich damals die Elekos neumachen müssen, und letztens wieder ...
Bradward B. schrieb: > Und lt. TO soll eine Restauration werden, also so original wie möglich. > Sonst hätte man gleich ein Neugerät eingepflanzt. Das hatte mich an einer Aussage des TOs gestört, denn er schrieb, dass er BT nachrüsten will, wenn alles funktioniert. Für mich passt das so gar nicht ins Bild. Zumal es BT-Transmitter für FM und den Zigarettenanzünder gibt. Aber echte Omtimer Freunde würden selbst das nicht benutzen. Für mich passt das nicht zusammen, aber ist ja auch nicht mein Projekt.
Frank O. schrieb: > Aber echte Omtimer Freunde würden selbst das nicht benutzen. Damals gab es wohl auch weniger Probleme mit ESDs
Rbx schrieb: > Damals gab es wohl auch weniger Probleme mit ESDs Es war nicht alles besser. Wenn die Zündanlage nicht entstört war, konnte man im Radio die Drehzahl hören.
Wolf17 schrieb: > Es war nicht alles besser. Wenn die Zündanlage nicht entstört war, > konnte man im Radio die Drehzahl hören. Das habe ich auch nicht gemeint. ESDs sind aber durchaus sehr wahrscheinlich in diesem Bereich, da kann es schon mal einen Totalschaden geben - wie auch eine anschließende spaßige Diskussion in E-Foren ;)
So Leute, es gibt Neuigkeiten. Aber zuerst möchte ich mich bei den Helfenden bedanken und für meine etwas salzige Antwort entschuldigen. Das Statement galt den Leuten, die immer alles besser wissen aber nichts zur Lösung des Problems beitragen. Das galt natürlich nicht den Leuten, die sich hier hinsetzen und wirklich helfen wollen, das Radio wieder ans Laufen zu bringen. Über die anderen Ideen und Diskussionen über Frequenzgeneratoren, Simulationen, Meinungen wie eine Restaurierung eines KFZ aussehen soll und ähnlichen kann ich nichts beitragen. Ich habe sicherheitshalber R545 ausgelötet und gemessen, der war in Ordnung. Danach habe ich D439 ausgelötet und gemessen, die hatte Schluss. Habe eine neue eingelötet und das Radio spielt wieder. Vielen Dank erstmal an alle beteiligten. Die Frage ist, ob es ratsam wäre, C738 auszutauschen. Ich habe die verlinkten Elkos gekauft, aber leider ist C738 recht klein. Ich habe 100µF/25V axial, 100µF/50V axial und 68µF/50V radial gekauft. Keiner passt so wirklich. Die axialen sind zu lang, ich müsste irgendwie eine kleine Schleife biegen, damit die Lötpunkte unter dem Elko liegen. Der Radiale würde irgendwie etwas schief im Gehäuse liegen, würde mir aber persönlich am besten gefallen. Was meint ihr? Oder kann ich das Radio so lassen?
Tobias M. schrieb: > etwas schief im Gehäuse > liegen, würde mir aber persönlich am besten gefallen mach doch, sicherer wenn du noch Silikonschrumpfschlauch optimal doppelt über die Beinchen ziehen könntest und sicherstellen kannst das es keine Scheuerstellen oder Metallberührungen geben kann.
:
Bearbeitet durch User
Maik .. schrieb: > In vielen Fällen ist ein Austausch der Elektrolytkondensatoren in > Autoradios sinnvoll und schnell zielführend. Welchen Fall haben wir hier? Wir haben ein Gerät ohne Ton und mit Totalausfall mindestens einer Versorgungsspannung. Da kommen die meisten Elkos nicht als Ursache infrage, Pragmatisch betrachtet, ist das Ziel dann, das Gerät grundsätzlich zum mehr oder weniger guten Funktionieren zu bringen. Anschließend kann man dann immer noch prophylaktisch alle Elkos tauschen. "Sie haben Schmerzen in der Wirbelsäule? Na ja, in Ihrem Alter sind die Hüftgelenke natürlich stark abgenutzt, das ist bekannt. Wechseln wir die doch gleich mal aus, das ist ohnehin empfehlenswert! Wenn das nichts bringt, können wir immer noch nach der Ursache suchen."
:
Bearbeitet durch User
Rolf schrieb: > Welchen Fall haben wir hier? Wir haben ein Gerät ohne Ton und mit > Totalausfall mindestens einer Versorgungsspannung. Da kommen die meisten > Elkos nicht als Ursache infrage, Pragmatisch betrachtet, ist das Ziel > dann, das Gerät grundsätzlich zum mehr oder weniger guten Funktionieren > zu bringen. Das Radio funktioniert wie es soll, Radioempfang geht auch. Man könnte jetzt, glaube ich, eine neue Hüfte einbauen. Meine nächste Idee ist, ein Bluetooth-Modul einzubauen. Ich würde so ein Teil kaufen (oder ähnlich): https://www.roboter-bausatz.de/p/vhm-314-bluetooth-5.0-audio-decoder-verstaerker-micro-usb Dann einen Audio-Ausgangskanal (weil Radio=Mono) auf Pin 6 des UKW-MW-Umschalters SK-A legen und darüber das Audiosignal in den Endstufenteil einspeisen. Spricht etwas dagegen? Wo kann ich die Spannung abzweigen? Meine Idee wäre Pin5 SK-A + eine Diode in Reihe, damit man auf unter 5V kommt. Was meint ihr zu dieser Lösung? Damit könnte man altmodisch und originalgetreu UKW hören, ober auf dem Radio auf MW schalten und die Bluetoothfunktion nutzen. Ein FM-Transmitter im Zigarettenanzünder oder ähnliche Lösungen kommen nicht in Frage.
Tobias M. schrieb: > Meine nächste Idee ist, ein Bluetooth-Modul einzubauen. Warum? Du hast doch die DIN-Buchse, über die du von extern Audio einspielen kannst. Schließ das Bluetooth-Modul doch lieber darüber an, dann brauchst du im Radio nichts zu verändern.
Rolf schrieb: > Maik .. schrieb: >> In vielen Fällen ist ein Austausch der Elektrolytkondensatoren in >> Autoradios sinnvoll und schnell zielführend. > > Welchen Fall haben wir hier? Wir haben ein Gerät ohne Ton und mit > Totalausfall mindestens einer Versorgungsspannung. Da kommen die meisten > Elkos nicht als Ursache infrage, Pragmatisch betrachtet, ist das Ziel > dann, das Gerät grundsätzlich zum m..... Das sehe ich anders. Ein Autoradio soll dauerhaft über Jahre nach der Reparatur funktionieren. Ich für meinen Teil hätte oft nicht Rolfs scheinbar vorhandene Langeweile - erst ganz sicher den Fehler zu lokalisieren, und dann die ohnehin für dauerhaft sicheren Betrieb nötige Kondensator - Tausch - quasi eine "Wartung" durchzuführen. So sehe ich es zumindest in vielen 70ger und 80ger Jahre Oberklasse-Fahrzeugen und den zugehörigen Autoradios. Ein Klassiker ist z.B. das Becker BE830, bei dem die Elkos im Netzteil/ Endstufenbereich eine recht sichere Fehlerursache sind. Genauso wie die Elkos in Kombinstrumenten oder Drehzahlmessern. Das braucht man nichts messen, austauschen und sicher Ruhe haben. Natürlich weiß ich gern - was wirklich die Fehlerursache ist. Aber wenn ich irgendwas mit allgemein anfälligen Elkos auf dem Tisch habe, dann bringt mir so eine Erkenntnis nicht viel außer verschwundener Zeit. Und z.B. die ( teils blauen Philipps) Elkos der 70ger und 80ger sind bei meinen Bekannten in der HiFi Sammlerszene grundsätzlich nicht wohlgelitten. .. Einen Bluetooth auf DIN Adapter will ich bei mir auch nochmal zusammenlöten. Der Vorteil ist klar, dass man den/die Beifahrer*in dann mit der Musikauswahl aus dem Handy beauftragen kann- und man was neues altes hört, das nicht im Kassettenstapel in der Mittelkonsolenbox liegt. Und so ein hässlicher, am besten noch bunt leuchtender, UKW Sender im Zigarettenanzünder entweiht das ganze schöne sonst geschlossene Holz in der Mittelkonsole. .. Also Oldtimer bitte in funktionssicher und stilvoll.
Maik .. schrieb: > Also Oldtimer bitte in funktionssicher und stilvoll. So sieht es aus. Man lässt auch keine 30 Jahre alten Brems- oder Spritleitungen in einem Auto, nur "weils original" ist. Nein, manchmal muss man etwas eingreifen und "restomodernisieren", so wie wir es mit dem BMW gemacht haben. Da ist auch ein recht modernes Herz im Motorraum mit einer modernen Steuerung, die einfach total alltagstauglich und dabei komfortabel und spritsparend ist. Ralf D. schrieb: > Warum? Du hast doch die DIN-Buchse, über die du von extern Audio > einspielen kannst. Schließ das Bluetooth-Modul doch lieber darüber an, > dann brauchst du im Radio nichts zu verändern. Ich muss hier mal einhaken, denn ich meine, damit das UKW-Radio funktioniert muss der Blindstecker mit Brücke 1-2 drin sein. Wenn ich dort jetzt etwas anschließe, geht kein UKW mehr. Klar könnte man jetzt auch Internetradio über den Bluetoothempfänger einspeisen, aber so richtig rund ist das nicht. Außerdem braucht heute kein Mensch mehr MW, da eh tot.
von Tobias M. schrieb: >Meine nächste Idee ist, ein Bluetooth-Modul einzubauen. Ich würde so ein >Teil kaufen (oder ähnlich): Das Radio ist vollkommen abgeschirmt in ein Metallgehäuse, daß Bluetooth-Modul wird innerhalb dieses Gehäuse nichts empfangen können. Das muß schon außerhalb sein. >damit das UKW-Radio >funktioniert muss der Blindstecker mit Brücke 1-2 drin sein. Das kann man auch mit ein Schalter überbrücken, oder automatisch eine Umschaltung mit ein Relais, wenn daß Bluetooth-Modul eingeschaltet wird.
Günter L. schrieb: >>damit das UKW-Radio >>funktioniert muss der Blindstecker mit Brücke 1-2 drin sein. > > Das kann man auch mit ein Schalter überbrücken, oder automatisch > eine Umschaltung mit ein Relais, wenn daß Bluetooth-Modul > eingeschaltet wird. Und genau so lief das früher ja auch. Ich kenne das noch vom zusätzlichem Kassettenabspieler: wenn Kassette drin, dann wurde die abgespielt; wenn man sie auswarf, dann wurde 1-2 gebrückt und das Radio lief normal.
Maik .. schrieb: > Ich für meinen Teil hätte oft nicht Rolfs scheinbar vorhandene > Langeweile - erst ganz sicher den Fehler zu lokalisieren, und dann die > ohnehin für dauerhaft sicheren Betrieb nötige Kondensator - Tausch - > quasi eine "Wartung" durchzuführen. Wenn das Auto nicht anspringt, also erstmal die Bremsflüssigkeit und das Öl wechseln, um dann festzustellen, dass der Motor einen gebrochenen Kolbenring hat?
Rolf, Deine Vergleiche hinken, da Du unbedingt Recht behalten willst... Dieses Radio ist kein Ausfall eines ansonsten laufendem und gewartetem Systems wie ein "in Betrieb befindliches Auto", das regelmäßig bewegt und der Flüssigkeitsdienst gemacht wurde. Da würde man natürlich nicht alles machen. Vergleich es mit einer KFZ Wiederinbetriebnahme nach 20- 50 Jahren Standzeit (jo hab ich schon mehrmals gemacht). Da muss man auch nicht mit alten Betriebsflüssigkeiten und zweifelhaftem Öl noch versuchen massiven Folgeschäden anzurichten. Dasselbe gilt für Geräte mit als problematisch bekannten Kondensatoren. Da kann man bei reiner Fehlernachweissucht auch beliebiges gleich mit als Folgefehler in den Himmel reißen. Einfach ohne Abkopplung oder Vermessung der Problemteile alte Technik im Betrieb zunnehmen liegt irgendwo zwischen Anfängerfehler und Ignoranten Dummheit. Das kannst Du weiter gern befürworten, spricht dann aber nicht fùr Dich. Alternativ kann man es natürlich mit langsam steigender Versorgungsspannung auch vorsichtig hochfahren und die Leckströme der Kondensatoren aufwändig messen. Jo - sowas hab ich mit historischer Röhrensrudiotechnik auch schon durch, bei der jeder Kondensator alt bleiben soll. Aber das hier ist ein schnödes Autoradio. Da kann man die paar Elkos für 10 Euronen einfach aus dem Raacokasten angeln oder bestellen, einlöten und meist ist dann alles fertih für die nächsten 20 Jahre. Glaub es einem erfahrenen Kommunikationstechnik- und Oldtimerfahrzeugsammler und Restaurateur mit Nachrichtentechnikdiplom.
Übermäßiger Fleiß muß nicht sein, wenn man dadurch neue Fehler einbaut. Allerdings wird es im Sommer recht warm im Auto, was nicht jeder 85-Grad-Elko ewig verträgt. So gesehen abwarten bis der Fehler kommt.
Der TO hat längst davon berichtet, daß sein Philips-Autoradio nun spielt.
Ich würde den UKW/MW Umschalterpin 6 auf die Buchse Pin6 herauslegen. Dort schließt man das Bluetoothmodul an: 1-2 Brücke, 3+5 GND, 4 +12V Modulversorgung, 6 Tonausgang. Die Auswahl UKW/Bluetooth erfolgt dann stilgerecht am Bandschalter vom Radio.
Wolf17 schrieb: > Ich würde den UKW/MW Umschalterpin 6 auf die Buchse Pin6 > herauslegen. > Dort schließt man das Bluetoothmodul an: 1-2 Brücke, 3+5 GND, 4 +12V > Modulversorgung, 6 Tonausgang. > Die Auswahl UKW/Bluetooth erfolgt dann stilgerecht am Bandschalter vom > Radio. Das ist auch ne gute Idee. Und so könnte das auch außerhalb stattfinden, ohne groß ins Gerät einzugreifen. Das eine Kabel vom Umschalter an Pin6 der Dinbuchse sehe ich als reversiblen Eingriff an. Der Audiopegel des Moduls ist auch verwertbar für die Endstufe?
Tobias M. schrieb: > Der Audiopegel des Moduls ist auch verwertbar für die Endstufe? https://www.roboter-bausatz.de/datasheet/RBS17663.pdf "Durch den 3,5mm Stereo-Ausgang lässt sich das Gerät flexibel mit Kopfhörern, Verstärkern oder anderen Audio-Geräten verbinden." Da es für Kopfhörer reicht, wird der Pegel eher zu hoch sein. Also einen Spannungsteiler zwischenschalten, um den Pegel anzugleichen. Zwei Widerstände zur Stereozusammenführung braucht man sowieso, z.B.2x2k2, dann kann man z.B. noch 1x470R nach GND dazulöten. Sollte er doch zu niedrig sein und der Lautstärkeregler noch Drehreserve haben, kann man das UKW Signal vor dem Umschalter runter teilen, damit es beim Umschalten keinen Pegelsprung gibt.
:
Bearbeitet durch User
Tobias M. schrieb: > Dann einen Audio-Ausgangskanal (weil Radio=Mono) auf Pin 6 des > UKW-MW-Umschalters SK-A legen und darüber das Audiosignal in den > Endstufenteil einspeisen. In der Beschreibung des Moduls steht: "Durch den 3,5mm Stereo-Ausgang lässt sich das Gerät flexibel mit Kopfhörern, Verstärkern oder anderen Audio-Geräten verbinden." Der Ausgang könnte eine Class-D Endstufe sein. Dieser sollte normalerweise nicht in Brückenschaltung arbeiten, was sonst einen Übertrager erfordern würde. Du solltest aber von beiden Audio-Ausgangssignalen über Widerstände diese zusammenmischen. In der Regel sind die Tonsignale auf beiden Spuren so, dass es zu keiner Auslöschung kommt und die Sprache oder einzelne Musikinstrumente verschwinden. Wenn Du alte Beatles-Aufnahme in Stereo hörst, sind Sänger und Musikinstrumente so verteilt, dass bei weglassen eines Kanals der Teil fehlt und kaum noch herauszuhören ist. https://www.reddit.com/r/beatles/comments/ap04ei/what_beatles_song_has_best_use_of_stereo/
:
Bearbeitet durch User
Lu schrieb: > Übermäßiger Fleiß muß nicht sein, wenn man dadurch neue Fehler > einbaut. Für den Mindestbestellwert war es sicherlich kein Schaden ein paar Elkos mitzunehmen. Aber so lange es geht, würde ich die nicht austauschen.
Für die Umschaltung würde ich sowas verwenden und im inneren plazieren: https://de.wikipedia.org/wiki/Reedschalter Betätigt wird das von Außen mit einem Magneten. Wenn dieser nicht dran ist, hast Du UKW und MW auf dem Schalter. Wenn der Magnet an einer passenden Stelle am Gehäuse ist, dann hast Du UKW/Bluetooth auf dem Schalter.
Lu schrieb: > > Allerdings wird es im Sommer recht warm im Auto, was nicht > jeder 85-Grad-Elko ewig verträgt. Ja wenn das so ist... Dann kann dieses Radio wohl überhaupt nicht im Auto benutzt werden. Könnte man meinen, beim Blick ins Datenblatt von AD161, AD162. Im Gegensatz zum Elko produzieren diese im Betrieb noch zusätzliche Wärme und sind bei Überschreiten der max. Sperrschichttemperatur sofort tot. Demzufolge das Gerät nicht nur "recappen" sondern auch noch retransen (auf Si), wie die einschlägigen Experten vermutlich zu sagen pflegen... ;-) Nee, mal im Ernst: Wenn das Radio jetzt läuft, nicht unnötigerweise zwanghaft irgendwelche Teile austauschen. Meine unmaßgebliche Meinung...
:
Bearbeitet durch User
Wieder Neuigkeiten: Bluetooth-Empfänger samt kleiner Stepdown-Wandler 12V-5V zur Spannungsversorgung sind fliegend verkabeln und Mono funktioniert es. Dazu habe ich einen Ausgangskanal vom Bluetooth-Empfänger auf Pin 6 vom SK-A angelegt. Es funktioniert bestens, auch ohne Pegelanpassung. Jetzt die Frage: Wie schalte ich die beiden Kanäle L+R vom Bluetooth-Empfänger auf einen Eingang am Radio zusammen? Einfach brutalo zusammenklemmen geht nicht, meine ich. Ich habe mal gelesen, dass man einen Widerstand in die Signalleitung einbauen muss. Kann das jemand bestätigen? Nehme ich dan einfach irgendwie 470 Ohm o.ä.?
Hab hier den Fred gefunden: Beitrag "Stereo zu Mono Widerstand? XLR Signal splitten Signal-Verlust." Artet zwar auch wieder übelst aus, aber ganz oben sieht man eine simple Schaltung. Der Widerstand vom Monosignal zu Masse soll wohl den Pegel etwas dämpfen. Was meint ihr? Mal fliegend probieren?
Tobias M. schrieb: > Was meint ihr? Mal fliegend probieren? Statt 2,2k würde ich 10k nehmen und den 47k entweder so lassen oder einen 100k nehmen. Die Amplitude wird dabei um grob um 1/4 auf 3/4 des vorigen Wertes abgesenkt. Das sind so zwischen 2 bis 3dB und ist kaum zu bemerken. Der Widerstand von 10k soll dafür sorgen, dass sich die Ausgänge nicht zu sehr gegenseitig bei belasten.
Tobias M. schrieb: > beiden Kanäle L+R vom Bluetooth-Empfänger auf einen Eingang am Radio > zusammen? Einfach brutalo zusammenklemmen geht nicht, meine ich. Geht schon, aber ist nicht sauber, gehört sich nicht. > Ich > habe mal gelesen, dass man einen Widerstand in die Signalleitung > einbauen muss. Kann das jemand bestätigen? So gehört sich das. > Nehme ich dan einfach irgendwie 470 Ohm o.ä.? Gibt es technische Daten zum Ausgang des Bluetooth-Empfängers? Deine Endstufe hat im Eingang ein 25kOhm-Poti, wenn der Bluetooth-Empfänger dort dran ist, können die beiden Widerstände auch gerne 4k7 bekommen. Verwende, was D vorrätig hast, sonderlich kritisch ist der Wert nicht.
Tobias M. schrieb: > Wieder Neuigkeiten: Bluetooth-Empfänger samt kleiner Stepdown-Wandler > 12V-5V zur Spannungsversorgung sind fliegend verkabeln und Mono > funktioniert es. Dazu habe ich einen Ausgangskanal vom > Bluetooth-Empfänger auf Pin 6 vom SK-A angelegt. Es funktioniert > bestens, auch ohne Pegelanpassung. Jetzt die Frage: Wie schalte ich die > beiden Kanäle L+R vom Bluetooth-Empfänger auf einen Eingang am Radio > zusammen? Einfach brutalo zusammenklemmen geht nicht, meine ich. Ich > habe mal gelesen, dass man einen Widerstand in die Signalleitung > einbauen muss. Kann das jemand bestätigen? Nehme ich dan einfach > irgendwie 470 Ohm o.ä.? Brutalo zusammenlegen funktioniert bestens. Mache ich seit Jahren bei jedem reparierten Röhrenradio das einen Bluetooth Empfänger auf dem Dioden/Plattenspielereingang erhält. Mag aber auch vom verwendeten Bluetoothempfänger abhängen, ich nehme die einfachen für unter € 10 mit eingebautem kleinen Akku von ebay.
:
Bearbeitet durch User
Habe die Leiterbahn, die an SK-A Pin 6 geht, aufgetrennt und bin mit dem Monosignal direkt an Pin 6 gegangen. Ich habe den Pegel mit 2x10k in Reihe mit L und R und 100k gegen Masse probiert, doch war hier der Pegel recht weit abgesunken, sodass ich das Radio recht weit aufdrehen musste für sauberen Klang. Ich bin dann zurück auf 2x2.2k und 50k (2x100k parallel) gegangen und habe das ganze Paket ans Radio angelötet. Habe leider ein hässliches Störgeräusch, wenn derBluetooth-Empfänger läuft. Frequenz vom Störsignal ist irgendwo 2000-3000Hz und wird lauter wenn ich das Radio lauter drehe. Es ist leider auch (mit einer sauberen Antenne) auf UKW zu hören. Was meint ihr? Ist das eine Rückkopplung der beiden Stereoausgänge gegeneinander? Würde eventuell die Monoleitung im Radio an Pin6 mit einem Kondensator gegen Masse versehen? Vielleicht fange ich mir auf dem Kabel zwischen Bluetoothempfänger und Radio etwas ein...
:
Bearbeitet durch User
Kann alles mögliche sein aber evtl. ist der Ausgang des Bluetooth Empfängers auch nicht wirklich massebezogen (Digitaltreiber haben das oft). Versuch mal zwei 1µF Kondensatoren in den Audioleitungen (in Reihe)
:
Bearbeitet durch User
Thomas R. schrieb: > Versuch mal zwei 1µF Kondensatoren in den Audioleitungen (in > Reihe) Würd ich auch so machen. Kondensator parallel zum Eingang eliminiert alles Hochfrequente. Vielleicht liegt das Störgeräusch ja in unsauberer Versorgungsspannung des Bluetoothteils?
Ich habe jetztz nochmal alle Massekabel aufgeräumt und an einem Punkt zusammengeführt, um Brummschleifen auszuschließen. Das Störsignal ist leiser geworden und mit Musik nicht mehr zu hören. Ich werde noch etwas herumprobieren, wenn alles nichts hilft, kann ich damit leben.
Gustav schrieb: > Thomas R. schrieb: >> Versuch mal zwei 1µF Kondensatoren in den Audioleitungen (in >> Reihe) > > Würd ich auch so machen. > Kondensator parallel zum Eingang eliminiert alles Hochfrequente. > Vielleicht liegt das Störgeräusch ja in unsauberer Versorgungsspannung > des Bluetoothteils? Spannungsversorgung des Bluetoothempfängers ist ein billiger Stepdownwandler hier: https://www.ebay.de/itm/375340664282?_skw=step+down+12v+5v&itmmeta=01KEPKVJK3BYSV8BZ9NHM7GECD&hash=item57640c05da:g:xe0AAOSwSUhmB1pV&itmprp=enc%3AAQAKAAAA8FkggFvd1GGDu0w3yXCmi1cyqrGG0MfxWNLdITGFXg4XZNQdpSvPiz7LfbBsYYxkI3ddm6tIU2izcUsEF4J%2BUNzVAw90nwPqSZ1PASRJU49mwv6256QjZmncTV6UyQTImPejI23J1UWuL3eIu1AqtrgJT5RYqJQTz%2FG1r5eZd6e7xIQ0%2F%2Bm1OveKxoJBjZPNkp3yQx8raQiyONl8vBvNv498APEx2i5PSYJ4F%2BamNnDIh3KHYcAQamqefMZEGh1QTYMxYc2Sfb3wG19grmXZDUaoa3zakMetO2bJ7quh4leE0ClhtVa6xpBWD77USXIbeQ%3D%3D%7Ctkp%3ABk9SR-Cp7tP1Zg Könnte natürlich auch sein, dass da schon was auf der Versorgungsspannung reinbrummt.
Tobias M. schrieb: > Könnte natürlich auch sein, dass da schon was auf der > Versorgungsspannung reinbrummt. Das Bluetoothmodul versuchsweise nicht mit 12V aus Pin4, sondern einer 9V Batterie versorgen. Wenn es dann weg ist, die 12V LC Filtern. Bei dem geringen 5V? Verbrauch des Moduls wäre auch ein 7805 geeignet. Wie heißt der Chip auf dem Modul?
:
Bearbeitet durch User
Tobias M. schrieb: > und 100k gegen Masse probiert, doch war hier der Pegel > recht weit abgesunken, sodass ich das Radio recht weit aufdrehen musste > für sauberen Klang. Ich bin dann zurück auf 2x2.2k und 50k (2x100k > parallel) gegangen Was soll der Widerstand nach Masse? Der ist nur nötig, wenn das Signal zu stark ist.
Tobias M. schrieb: > Das Störsignal ist leiser geworden... Die 19kHz und 38kHz Anteile im Radiosignal mit der Abtastfrequenz des Moduls oder des Schaltwandlers können auch ein Pfeifen verursachen.
Tobias M. schrieb: > nie verbaut worden Gegenbeweis - unprofessionelle Lötstellen im Norden. Lösungen: setze eine kurze Frist zur Nachlieferung eines voll funktionsfähigen Artikels. Mahne mit möglichen Gutachter- und Anwaltskosten, Schadenersatz und klage wenn er nicht innerhalb der gesetzten Frist (genaues Wunschdatum) zuerst Deine Kosten + Rückversand bezahlt. Darüber hinaus hast Du noch ein Anrecht auf Lieferung. Suche selbst nach einem funktionierenden Artikel und setze ihm die Differenzsumme voll in Rechnung des Gauners. Oder finde Dich damit ab und repariere selbst.
Bitte melde dich an um einen Beitrag zu schreiben. Anmeldung ist kostenlos und dauert nur eine Minute.
Bestehender Account
Schon ein Account bei Google/GoogleMail? Keine Anmeldung erforderlich!
Mit Google-Account einloggen
Mit Google-Account einloggen
Noch kein Account? Hier anmelden.










