Hallo, hat jemand eine Idee wie ich das im Dateianhang beschriebene Display ansteuern muss? Benötige ich dazu ein spezielles Grafiktreiber-IC oder reicht ein normaler Controller (Atmel etc.) aus? Gruß Udo
Was willst Du in welcher Auflösung anzeigen? Wie schnell soll die Anzeige verändert werden? Wie groß soll Dein Grafikspeicher sein?
Hallo Gast, Es sollen einfache grafische Elemente dargestellt werden: Balkendiagramme, Temperaturkurven etc. und Text ggf. in verschiedenen Farben. Die Daten verändern sich sehr langsam, je Minute 1 oder 2 mal. Also keine bewegten Bilder oder so was. Die Grafikauflösung...ich dachte an die Auflösung die das Dislay kann. Wie groß muss mein Grafikspeicher sein? Wovon hängt das ab? Gruß Udo
>Wie groß muss mein Grafikspeicher sein? Wovon hängt das ab?
Es tut mir Leid, aber eine gewisse Kenntnis der Dinge sollte man schon
haben, wenn man solch eine Aufgabe lösen will.
> Wie groß muss mein Grafikspeicher sein? Wovon hängt das ab?
Von Auflösung und Farbtiefe.
X-Auflösung 3 Y-Auflösung * Farbtiefe = Speicherbedarf in Bits
Du kannst das bestimmt auch mit nem "normalen" Controller ansteuern,
aber das ist programmiertechnisch sicherlich recht aufwendig. Nimm
lieber einen LCD-Controller dafür, z.B. den S1D13504 oder S1D13506.
Allerdings ist Hard- und Software auch bei diesem Ansatz nicht ohne...
Hallo Micha, vielen Dank für deine Erklärung und deinen Tip. Dann werd ich mich mal in die Richtung informieren. Gruß Udo @Gast An der Aufgabe wächst man. Dir sind die "gewissen Kenntnisse der Dinge" sicher auch nicht über Nacht zugeflogen und sicher hast du dich auch mal hier und da erkundigt. Hat man dir da auch solche Antworten gegeben?
Kannst auch den SSD1906 verwenden(Du musst halt die timings mit denen im Datenblatt vergleichen -sollte aber gehen). Ich hab damit ein Hitachi TX09 320x240 px Display erfolgrecih angesteuert. Den Baustein kannst du bei www.rs-components.at bestellen --> Keine Mindestabnahmemenge 19Euro das Stück LG Gregor
Kann der SSD1906 die Auflösung und Farbtiefe (hab nicht nachgesehen)? S1D13504 gibt's bei CSD für ~15/St. S1D13506 gibt's bei Digikey für ~10/St. Einen oder zwei S1D13504 könnte ich aber evtl. auch noch abgeben.
Beim S1D1350x ist externes (EDO-)RAM nötig. Ist aber recht günstig zu bekommen. Bei Bedarf kann ich mal nach dem Shop schauen - ich habe erst kürzlich selber welches gekauft.
Die Berechnung oben war falsch. So müsste es heißen: X-Auflösung Y-Auflösung Farbtiefe = Speicherbedarf in Bits
Sch... Formatierung... ;) X-Auflösung mal Y-Auflösung mal Farbtiefe = Speicherbedarf in Bits
@ Udo Willst du das durchziehen? Ich plane nämlich in nächster Zeit auch etwas in der Richtung. Die Teile habe ich schon großteils aber noch nichts entwickelt.
13504 hab ich auch noch ein oder zwei hier rumfliegen und brauch sie nichtmehr. Weil ich nämlich nach verzweifelten Versuchen das Ding anzusteuern doch einen 13506 gekauft hab. Obs damit klappt muss sich erst noch rausstellen. Benedikt jedenfalls fand den 13504 auch etwas seltsam anzusteuern, der 13506 ist wohl besser dokumentiert und auch leichter anzusteuern. Benedikt hat in der Codesammlung einen seeeehr langen Thread, in dem er eine Displayansteuerung mit S1D13506 vorstellt. Einfach mal suchen. Ist doch recht informativ. Außerdem kann man dort auch noch ein Layout für die Beschaltung abgreifen. Meinen EDO (oder FPM? weiß es grad nicht) hab ich vom Segor. Kann aber nicht sagen, obs den jetzt noch gibt. Ist über ein Jahr her, dass ich meinen gekauft hab. Bei mir ists übrigens so weit, dass die Teile auf der Platine kleben. Muss nur noch eine Steckerleiste drauf und ein Mikrocontroller mit passendem Stecker ausgestattet werden. Dann kann ich software schreiben. Hab aber so meine Zweifel, dass ich demnächst Zeit dafür finde... Sebastian
Ja, so ist es: Meiner Meinung nach ist der 13504 alt. Der 13506 ist der direkte Nachfolger in den viele Verbesserungen eingeflossen sind. Der 13513 hat dann schon wieder soviele Features, dass er etliche Bugs hat. Vielleicht nicht unbedingt Bugs, aber er ist auf jedenfall nicht schön zu programmieren.
Mich würde interessieren, ob jemand bei Verwendung der S1Dxxxxx Controller das Attribut BLINKEN realisiert hat und wie. Beispiel: blauer Hintergrund mit weißer Schrift. Diese Schrift soll nun blinken, indem die Schriftfarbe auf die Hintergrundfarbe oder auf schwarz gebracht wird. Das wird meines Wissen ja nicht vom Controller unterstützt sondern muß der Prozessor leisten. Bei wenigen, kleinen Bereichen ist dies nicht so problematisch. Bei großer Schrift oder großen Flächen würde das den Prozessor vermutlich in die Knie zwingen. Ein anderer Weg wäre, bei den Displaydaten z.B. nur sechs Bit für die Farbe zu verwenden und das oberste Bit als Blinkattribut. Nur müßte dieses so verwendet werden können, dass bei gesetztem Bit der Pixel-Datenstrom zum Display zyklisch auf '0' gesetzt wird. Oder habt Ihr diese Probleme nicht? :-)
Schade, dass ich den anderen Thread (Beitrag "VGA Grafikkarte mit AVR und 8MB SDRAM") nicht vorher gesehen habe. Mittlerweile habe ich die S1D13504 leider schon bestellt, auch wenn sie noch nicht geliefert wurden. Gibt es bei CSD ein Rückgaberecht für ICs? @Benedikt K. Weißt du ob noch Platinen aus der Bestellung übrig sind? Liegen MD0-MD15 auf GND wenn die 10k-Widerstände nicht bestückt sind, oder floaten die? Was hältst du von Jumpern (gegen Vcc oder GND) an dieser Stelle? Was würdest du am Design ändern um 3,3V EDO-RAM mit 50ns einzusetzen? Ich habe welche hier und kann auch noch welche bekommen bzw. die Quelle nennen.
Gast wrote: > Mich würde interessieren, ob jemand bei Verwendung der S1Dxxxxx > Controller das Attribut BLINKEN realisiert hat und wie. Das Problem ist, dass der Controller nur Grafik kann, aber keinen Text. Von daher muss alles über Grafik gemacht werden. Ich zweckentfremde die BitBLT Einheit um Text zu zeichnen. Dazu lade ich die Schriftart als 1bpp in den DRAM um lasse die BitBLT Einheit einen Buchstaben mit der eigentlichen Farbtiefe in den Speicher schreiben. Das spart Prozessorleistung. Die einzige Möglichkeit für blinkenden Text ohne alles immer neu zu schreiben die mir einfällt ist: Man verwendet nur 16 oder 256 Farben, so dass die LUT verwendet wird und verwendet 2x die gleichen Farben für die unteren und oberen 8 bzw. 128 Farben. Dieses höchste Bit schaltet nun zwischen Dauer und Blinken um. Nun muss man nur noch im Blinktakt die obersten 8 bzw. 128 Farben der LUT zwischen normalen Farben und schwarz umschalten. Ist zwar auch noch ein wenig Arbeit, aber deutlich weniger als wenn man den kompletten Grafikspeicher umschreiben muss. Michael K. wrote: > Weißt du ob noch Platinen aus der Bestellung übrig sind? Ich denke nicht. Soviele Emails wie ich mit Anfragen bekommen habe, und weitergeleitet habe (da ich die Sammelbestellung ja nicht gemacht habe, sondern nur das Layout), müssten zwischenzeitlich alle restlichen Platinen schon lange weg sein. > Liegen MD0-MD15 auf GND wenn die 10k-Widerstände nicht bestückt sind, > oder floaten die? Intern sind Pulldowns eingebaut (ich glaube so 100k). > Was hältst du von Jumpern (gegen Vcc oder GND) an dieser Stelle? Nicht viel. Im Normalfall konfiguriert man das Modul genau 1x und ändert danach nie wieder etwas. > Was würdest du am Design ändern um 3,3V EDO-RAM mit 50ns einzusetzen? Der 13506 kann direkt 3,3V, so dass man eigentlich nur die Stromquelle für den DAC anpassen muss (und für die Quarze natürlich 3,3V Typen verwenden). Die 5V toleranten Ausgangs ICs kann man dann auch weglassen bzw. durch anderere ersetzen.
Benedikt K. wrote: >> Was würdest du am Design ändern um 3,3V EDO-RAM mit 50ns einzusetzen? > > Der 13506 kann direkt 3,3V, so dass man eigentlich nur die Stromquelle > für den DAC anpassen muss (und für die Quarze natürlich 3,3V Typen > verwenden). Die 5V toleranten Ausgangs ICs kann man dann auch weglassen > bzw. durch anderere ersetzen. Die Resonatoren würdest du lassen? Die 17,73MHz sind ok. Aber anstelle des 33MHz könnten man doch die max. 40MHz nehmen. Man verliert ja nichts dadurch, oder doch?
@ Udo S. Ich überlege für das S1D13506-Board von Benedikt eine Sammelbestellung zu machen. Hast du Interesse? @ Benedikt K. Wie erzeugst du bei deinen Projekten die Kontrastspannung? Evtl. könnte deine Schaltung um diesen Teil erweitert werden. Eine Möglichkeit wäre z.B. ein MAX749.
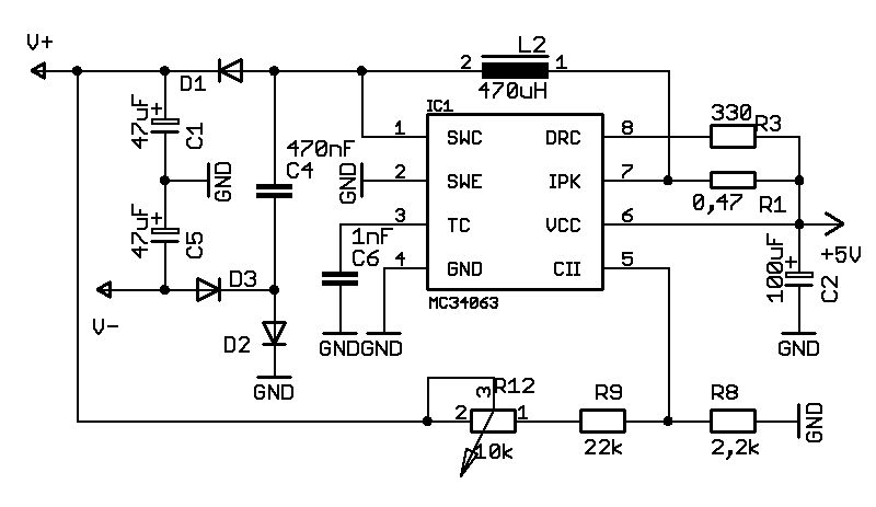
Ich verwende fast immer einen MC34063. Entweder als Invertierenden Wandler um eine negative Spannung zu erzeugen, oder als Stepup + Ladungspumpe um eine positive + negative Spannung zu erzeugen (wird bei vielen TFTs benötigt). Der MAX749 sieht aber interessant aus, ist nur relativ teuer.
> Ich verwende fast immer einen MC34063. Entweder als Invertierenden Wandler > um eine negative Spannung zu erzeugen, oder als Stepup + Ladungspumpe um > eine positive + negative Spannung zu erzeugen (wird bei vielen TFTs > benötigt). In welchen Bereichen liegen diese pos. und neg. Spannungen deiner Erfahrung nach? Und hast du eine entsprechende Schaltung, die du veröffentlichen würdest? > Der MAX749 sieht aber interessant aus, ist nur relativ teuer. Bei Maxim gibt's doch Samples... ;) Leider hat der nur 6bit, wobei das aber reichen müsste.
Das hier ist die bipolare Version. TFTs benötigen meist +15V und -10V bis -15V. LCDs meist bis etwa -25V (deckt etwa 95% aller LCDs ab, bis -30V rund 99%). Farb LCDs benötigen meist eine positive Spannung von bis zu +40V. Diese sind aber eher selten, da diese schnell durch TFTs ersetzt wurden die bessere Eigenschaften haben.
Und hier die negative. Wenn man R5 durch ein Poti ersetzt kann man die Spannung verstellen. Wenn man zusätzlich das Ende von R5 nicht an 5V sondern über ein RC Glied an einen PWM Ausgang hängt, kann die Spannung noch per Software um 0-5V feineinstellen. Beide Schaltungen habe ich getestet, die funktionieren. Bei der bipolaren Version ist zu beachten, dass nur die positive wirklich stabil ist, und dass C4 eventuell pfeift, wenn es ein billiger Keramikkondensator ist (hatte ich schon ein paarmal das Problem). Bei der negativen ist zu beachten, dass C3 nicht zu klein sein darf, sonst startet die Schaltung nicht, wenn zuviel Last gegen 5V dranhängt.
Hallo Michael, hallo Benedikt, sorry, wenn ich mich solange nicht gemeldet habe. Nachdem ich den Thread von Benedikt und auch diesen hier mir durchgelesen habe, muss ich gestehen ich versteh nur Bahnhof ;) Liegt sicher auch daran, dass ich noch nie mit Displays gearbeitet habe, jedenfalls nicht mit digitalen. Meine Intention war die, dieses Modul: http://www.ghielectronics.com/details.php?id=107 mit einem Display zu versehen. GHIelectronics kommt leider erst gegen Ende dieses Jahres mit einer neueren Version des EMM heraus, was dann aufgrund des verwendeten Prozessors schon einen Controller beinhaltet und sie haben sich auch schon auf ein Display festgelegt, eben auf das LQ043T3DX02. Dieses Display sitzt auch in der PSP von Sony und ist recht kostengünstig zu erhalten. Wenn ich mir jetzt die Datenblätter von dem Display und dem S1D13506 anschaue verstehe ich ehrlich gesagt nicht, wie ich an diesen Controller das Display anschließen kann. Das geht schon bei den Dateneingängen des Displays los. Dieses benötigt 3x8Bit zur Ansteuerung der RGB-Pixel und zusätzlich H-Sync und V-Sync. Wo finde ich die entsprechenden Datenausgänge (bis auf H-Sync und V-Sync) bei dem S1D13506? Wenn eine Möglichkeit besteht dieses Display an Benedikts Leiterplatte anzuschließen bin ich gerne bei einer Sammelbestellung mit dabei. Gruß Udo
Udo S. wrote: > > Wenn ich mir jetzt die Datenblätter von dem Display und dem S1D13506 > anschaue verstehe ich ehrlich gesagt nicht, wie ich an diesen Controller > das Display anschließen kann. Das geht schon bei den Dateneingängen des > Displays los. Dieses benötigt 3x8Bit zur Ansteuerung der RGB-Pixel und > zusätzlich H-Sync und V-Sync. Wo finde ich die entsprechenden > Datenausgänge (bis auf H-Sync und V-Sync) bei dem S1D13506? Die nennen sich bei dem FPDAT 0-15. Der 13506 kann nur 16bpp, und bietet daher nur 3x6bpp. Die jeweiligen beiden niedrigsten Bits kommen daher einfach auf GND. Im Datenblatt unter Table 5-9: LCD Interface Pin Mapping ist dann die Zuordnung zwischen FPDAT und RGB zu sehenn. HSYNC und VSYNC heißen FPLINE und FPFRAME. Das ganze müsste sich am 13506 betreiben lassen.
@ Benedikt K. Am schönsten wäre natürlich die bipolare Version, da man damit die meisten Anwendungsfälle abdecken kann. Aber die scheint nicht wirklich geeignet zu sein, oder wie instabil ist die negative Spannung? Falls das Teil bei einem Monochrom-LCD zum Einsatz kommt sollte die ja schon recht gut sein, denke ich. Und es lassen sich ja auch nicht beide Spannungen getrennt einstellen, oder verwendest du noch ein Poti auf einer Seite? Kannst du auch was über die Ströme aussagen, die der Regler liefern muss? Ich denke es ist nicht viel, aber sicher bin ich mir nicht.
Edit geht grad nicht... Ich habe mal nach Alternativen zur MC34063-Bipolar-Lösung gesucht. Ganz gut gefallen mir: LT3463 LT1945 LT3466 in dieser Reihenfolge. Gerade der LT3463 benötigt nur wenige zusätzliche Komponenten, kann prima über Potis eingestellt werden und ist preislich nicht zu abgehoben (2,86 bei Digikey). Der MAX749 ist zu teuer, da hatte ich zuvor nicht nachgesehen.
Hallo Benedikt, vielen Dank für deine Erklärungen, jetzt ist mir schon einiges klarer. In dem anderen Thread schreibst du, dass der 411616 als Speicher ideal wäre. Lt. Kessler-electronic hat der aber 44 Pins, deine Leiterplatte aber nur 42 Pins? Hab ich da etwas übersehen? Welches Ram verwendest du auf der Leiterplatte aus dem anderen Thread? Gruß Udo
@ Udo Ich habe mir kürzlich ein paar KM416V1204C bei ebay gekauft: http://cgi.ebay.com/416V1204-KM416V1204CJ-5-KM416V1204CJ-416V1204JC5_W0QQitemZ140072630987 Der Verkäufer ist recht nett und der Versand ging schnell. Zudem hat das 50 statt 60ns und ist günstiger als das bei Kessler. Das müsste passen, aber vielleicht kann Benedikt das auch nochmal bestätigen. @ Benedikt K. Was hältst du vom LT3463? Abgesehen vom Gehäuse gefällt mir das Teil für diesen Zweck sehr gut. Ich denke, dass man das mit dem entsprechenden Decal trotzdem von Hand löten kann.
... ist das nicht das Display der PSP? Dazu gibts einiges zur Ansteuerung (Beispiel+Platine) mit dem NGW100 von Atmel im Netz. Such einfach mit "NGW100 PSP" o.Ä. Das hat den Vorteil dass Du dir den Controllerchip sparst, der ist nämlich schon integriert. Mario
Er will das Display aber an einem anderen Controller verwenden (siehe Beitrag "Re: TFT-LCD LQ043T3DX02"). Und ich will es an einen AT32UC3 anschließen.
Hallo Michael, das KM416V1204C gibt es lt.Datenblatt aber in 2 verschiedenen Versionen, einmal mit 42 Pins und einmal mit 44 Pins. Die Version mit 42 Pins hat die Endung CJ. Ich komm hier nicht auf EBÄH. Welche Version bietet der Verkäufer? Zu dem LT3463: GND (Pin 11): Exposed Pad. Solder this exposed pad directly to the local ground plane. This pad must be electrically connected for proper operation. Das stell ich mir bei dem DD-Package schwierig vor. Obwohl, da gibt es den Trick mit der großen Durchkontaktierung direkt unter dem Pad. Durch die wird dann das Pad gelötet. Gruß Udo
> Welche Version bietet der Verkäufer? Die CJ-Version ;) > Obwohl, da gibt es den Trick mit der großen Durchkontaktierung direkt unter > dem Pad. Durch die wird dann das Pad gelötet. An sowas dachte ich auch, aber groß ist relativ: die Pinreihen haben gerademal 2mm Abstand. Ne andere Möglichkeit wäre etwas neben dem Bauteil den Lötstoplack weg zu lassen, dann erst die Fläche verzinnen dann von der blanken Fläche nebendran zu erhitzen. Könnte auch gehen. Ich hätte halt gerne alles auf einem Board und irgendeine Spannung wird bei LCDs fast immer benötigt. Und falls doch nicht: einfach nicht bestücken.
@ Benedikt Weißt du wie viel Strom der pos./neg. Regler liefern muss bzw. wie viel die Displays ziehen?
Im mA Bereich. Neuere sind meist auf Low Current ausgelegt (PDA, Handy usw.), da sind es oft <1mA. Ältere benötigen teilweise bis 10mA, wovon das wenigste aber vom eigentlichen LCD verbraucht wird, sondern das meiste von der Schaltung zue Erzeugung der Teilspannungen.
Ich habe mal ein bisschen gerechnet: in der Minimalstversion (ohne TV-Oszillator & LCD-Kontrastspannungserzeugung) kommen die Bauteile auf etwa 22€ (bei Reichelt & Digikey) plus etwa 10 Euro für die Leiterplatte (bei einer Abnahme von 10St.). Je mehr Leute mitmachen, desto günstiger wird es natürlich. @ Udo Besteht noch Interesse deinerseits?
Hallo Michael, sicherlich hab ich noch Interesse. Wie setzt sich der Preis von 22,-Euro für die Bauteile zusammen? Digikey hat hohe Versandgebühren, bzw, der Zoll geht von hohen Versandgebühren aus. Zu den Leiterplatten. Hast du da einen speziellen Lieferanten? Ich wollte auch noch andere Leiterplatten in nächster Zeit fertigen lassen. Gruß Udo
Ich habe mal meine Aufstellung angehängt - ich hoffe *.xls ist ok!? Digikey versendet ja mittlerweile ab 65 Euro Versandkostenfrei. Bei meiner letzten Sammelbestellung (MiniLA, siehe Markt) habe ich den tatsächlichen Warenwert zzgl. 19% bezahlt, mehr nicht. Die Leiterplatten hatte ich damals bei PCB-Cart bestellt. Die haben zwar etwas an den Daten verändert und damit die erste Charge verhunzt, aber anschließend ohne zu Murren (und ohne zusätzliche Kosten) neue LP's gemacht und geschickt. Die Qualität finde ich in Ordnung - nur den Bestückdruck verschmieren sie ab und zu, aber was soll's... Preiskalkulation zur PCB auf Tabelle2 im *.xls. Hatte da noch irgendwie Preise verwechselt. Bei 10St. sind es nur knapp 5€.
Achso: bei den 22€ habe ich nur die Teile für den "Hauptteil" (mit 40MHz und LVC245), das RAM und die Reichelt-Teile berücksichtigt. Wobei bei den Reichelt-Sachen die 15pol D-Sub auch mit dabei ist.
22€ ist denke ich ein guter Preis. Bei der letzen Sammelbestellung hat Platine + Quarze + 13506 + DRAM glaube ich auch ähnlich viel gekostet.
Es kommt halt noch ein bisschen Versand dazu und es sind auch sämtliche Kleinteile dabei. @ Benedikt Wie groß sind R23 und R24? Im Schaltplan ist keine Angabe. Und hast du Schaltplan und Layout gekriegt?
Michael K. wrote: > Wie groß sind R23 und R24? Im Schaltplan ist keine Angabe. 20-50 Ohm. > Und hast du Schaltplan und Layout gekriegt? Ja, ich bin noch am durchschauen. Sieht gut aus, ein paar kleine Details, aber nichts gravierendes. z.B. muss R17/18 an die 3,3V angepasst werden.
Benedikt K. wrote: > Sieht gut aus, ein paar kleine Details, aber nichts gravierendes. z.B. > muss R17/18 an die 3,3V angepasst werden. Macht Sinn ;) Hast du dort die 4,6mA/9,2mA vom Datenblatt eingestellt?
Servus, also wenn hier eine Sammelbestellung zustande kommt hätte ich eventuell Interesse an einer Platine und einem Ram. Nur um mal Feedback zu geben... Sebastian
Wie steuert ihr den 13506 eigentlich an ? Per AVR ? Bzw. wie habt ihr das mit den Waitstates gemacht ? Per Software ist das schwer, mit Zusatzgatter am AVR naja, und µC mit Bus die Waitstates unterstützen sind auch nicht allzu häufig, zumindest bei denen die man als Bastler so einsetzt.
Benedikt K. wrote: > Wie steuert ihr den 13506 eigentlich an ? Per AVR ? Bzw. wie habt ihr > das mit den Waitstates gemacht ? Per Software ist das schwer, mit > Zusatzgatter am AVR naja, und µC mit Bus die Waitstates unterstützen > sind auch nicht allzu häufig, zumindest bei denen die man als Bastler so > einsetzt. Meinst du jetzt die, die schon mit dem 13506 gearbeitet haben oder uns, die wir das Teil bauen wollen? Falls letzteres: ich würde das Teil gern mit meinem 640x480 LCD und einem AT32UC3A0 einsetzen. Dessen externes Interface unterstützt Waitstates.
Ich meine jetzt allgemein. Da ja durchaus einige Interesse an der Platine haben, haben sich sicher schon einige auch Gedanken darüber gemacht. Ich verwende für sowas gerne den M16C, aber da dies ein CISC Controller ist, ist der für einfache Daten hin und her Kopiererei ziemlich langsam. Von daher suche ich nebenbei nach besseren Alternativen. Der AVR32 ist da schon interessant. Bekommt man den UC3 jetzt eigentlich schon irgendwo problemlos ? PS: Auf der Platine und dem Board habe ich keine Fehler gefunden. Man könnte jetzt vielleicht noch an den Ausgang des 3,3V Reglers einen kleinen Tantal mit z.B. 10µF setzen, aber wirklich notwendig ist das nicht.
Benedikt K. wrote:
> Bekommt man den UC3 jetzt eigentlich schon irgendwo problemlos ?
Bei Digikey sind die schon mit Bestand gelistet :) Oder aber du
versuchst bei Atmel oder deren Distris Samples zu bekommen.
Ich werde dann die nächsten Tage mal einen "Sammelbestellungs-Thread" im Markt eröffnen.
Hallo, ich bin neu auf diesem Forum und will hier mal versuchen ob ich weiter komme... Also meine Idee ist es dieses Sharp graphic Display mit einem PIC Microcontroller anzusteuern. Ich möchte einen PIC aus 24 Familie verwenden, und zwar einen PIC24HJ128GP504. Dieser Microcotroller sollte einen Solomam SSD1906 Controller ansteuern. Um die Graphicoberfläche auszugeben sollte auf dem PIC die freie Graphic Library von Microchip verwendet werden. Hat jemand vieleicht eine Ahnung ob die 3 Bausteie (PIC, SSD1906, LCD), vom Graphicspeicher und vom Interface kompatibel sind? Ist der Graphikcontroller in der Lage die Farbtiefe des LCDs anzusteuern? Grüsse David
Bitte melde dich an um einen Beitrag zu schreiben. Anmeldung ist kostenlos und dauert nur eine Minute.
Bestehender Account
Schon ein Account bei Google/GoogleMail? Keine Anmeldung erforderlich!
Mit Google-Account einloggen
Mit Google-Account einloggen
Noch kein Account? Hier anmelden.

