Ihr Lieben, ich hoffe, dass ist der richtige Ort für eine solche Anfrage, ich habe zumindest keinen besseren gefunden. Ich habe ein Angebot für jemanden aus dem Raum Remscheid. Ich bin Lehrer an einer Schule - dort haben wir einen PHYWE Modellrechner (ca. 1965). Unten stehender Link zeigt Bilder: http://www.uranmaschine.de/86978.Phywe_Programmgesteuerter_Rechner_06978_00/ Das Teil besteht aus Relais, Widerständen und Elkos. Soweit ich sehen kann, nichts weiter mehr. Das Teil bildet eine CPU mit einem kleinen Speicher nach. Dabei kann ein Mini-Programm geschrieben werden (in Bitcode - Assembler), die Befehle werden dann verarbeitet. Genau die Verarbeitung funktioniert nicht mehr. Der Modellrechner lädt den ersten Befehl in den Puffer, schiebt ihn das Befehlsregister (Ansicht des ganzen Teils auch im verlinkten PDF auf obiger Webseite). Danach sollte dieser Befehl verarbeitet werden (Opcode/Adresse usw) - allerdings stoppt der Schieberegistervorgang nicht - der Befehl wird einmal komplett durchgeschoben und landet im Nirvana - der Schiebevorgang stoppt nicht mehr. Meine laienhafte Sichtprüfung ergab kein Ergebnis - ich sehe keine verschmurgelten Bahnen oder Teile. Möchte jemand den Job? Herzliche Grüße Peter
Die Anfrage in diesem Forum zu stellen ist ein bischen unglücklich, da es sich ja um ein rein digitales arbeitendes Gerät handelt. Peter G. schrieb: > Meine laienhafte Sichtprüfung ergab kein Ergebnis - ich sehe keine > verschmurgelten Bahnen oder Teile. Auf Grund des Alters des Gerätes sollten die Speicherkondensatoren einer genaueren optischen Überprüfung unterzogen werden. Eine weitere Fehlerursache können oxidierte Relaiskontakte sein, die allerdings schwer zu erkennen sind. Weitere Ursachenforschung ohne Stromlaufplan (und ggf Funktionsbeschreibung) würde in Raterei ausarten.
Interessant. Bin leider nicht in Remscheid ansässig. Schließe mich meinem Vorredner an: - Ausgetrocknete Elkos, kann man vllt. durch Messung des ripple auf den Betriebspannungen messen, oder einfach alle ersetzen. - korrodierte Relaiskontakte: Qtip mit Kontaktspray einsprühen, dann damit über die Kontakte gehen. Sehr schöne Fehlersuche, viel Spass. Cheers Detlef
Einer der Entwickler-Schüler war Theodor Hildebrand: https://www.jugend-forscht.de/stiftung-jugend-forscht-e-v/historie/erfolgreiche-ehemalige/alles-beginnt-mit-einem-computer.html > Qtip mit Kontaktspray einsprühen Wenn Kontakt60, dann gründlich nachspülen, sonst kommen Langzeitschäden. Zitat aus dem o.g. PDF: Bau und Vertrieb dieses Rechners erfolgt durch die PHYWE, eine Einführung in die Arbeitsweise des programmgesteuerten Rechners und Anleitung zum Modell wurde von Oberstudienrat Horst Blüm, dem Lehrer der vier Schüler, verfaßt. Sie erscheint zur Tagung des Deutschen Vereins zur Förderung des mathematischen und naturwissenschaftlichen Unterrichts e.V. Ostern 1967. WOLFGANG SPENGLER • GOTTINGEN wird ebenfalls genannt. ---------- Ich zähle ohne die Speicher 69 Relais. Diese numerieren, gleiche Typen permutieren und schauen, ob der Fehler wandert. Oder gleich austauschen. Hat die Stellung des Drehschalters einen Einfluss?
eprofi meinte:
> Oder gleich austauschen.
Quatsch!
Mit nem Streifen Papier die Kontakte durchziehen reicht.
Vorher das Netzteil testen, ob Spannung nicht zusammen-
bricht.
Wenn Relais mit Anzug oder Abfallverzögerung versehen
sind, deren Werte kontrollieren. (Kondensatoren, auch
die dazugehörigen Widerstände),
mfg
Liebe Gemeinde, vielen Dank schon mal für die Tipps. Mit so viel Resonanz habe ich gar nicht gerechnet. Das Teil hatte ich immer wieder im Einsatz, ca. 2x pro Jahr. Vor wenigen Monaten ist dann der Fehler aufgetaucht. @aminox86: das hätte man wohl auch entsprechend anders gesagt, wenn ich das ins Digitalforum geschrieben hätte... :-) @eProfi: Mit dem Drehschalter lässt sich die Geschwindigkeit einstellen, bzw. auf Einzelmodus umstellen. Dann kann ich mit einem Taster jeden Takt einzeln auslösen. Leider hat die Stellung keinen Einfluss. @Mercedes/lolita: Netzteil ist unglaublich, sehr starkes Phywe Labornetzteil - 6 A oder so. Wenn alle Lampen leuchten, laufen durch den Modellrechner allerdings auch 5 A, aber das ist jetzt gerade nicht der Fall. Du hattest geschrieben, mit einem Streifen Papier die Kontakte durchziehen...also Gehäuse öffnen und dort mit Papier dran? Ich kann die Dinger echt schlecht auslöten Relais sind meistens 99605 mit ca. 6 Schaltkontakten (6?), s. Bild. Gibt es noch eine andere Möglichkeit, wie ich Elkos in-Circuit testen kann? Digiscope ist vorhanden...meine Physik-Kollegen haben auch leider wenig Ahnung davon. Lg Peter
https://www.jugend-forscht.de/stiftung-jugend-forscht-e-v/historie/geschichten/studium-und-beruf.html S-CORT®: A method for the development of electronic payment systems Authors and affiliations Theodor Hildebrand Nicolas Trèves Fa. SLIGOS (Frankreich) T. Hildebrand: "Design and Programming of Interfaces for Monetic Applications Using Petri Nets." In: Advances in Petri nets 84, LNCS vol. 188, G. Rozenberg ed., Springer Verlag (1985).
Boahhh! Das ist ein geiles Teil! ich hab ja jetzt erst das PDF runtergeladen. Lasse bitte die Relais erstmal zu. Schaust Du bitte: Haben die Relais Gold oder Silberkontakte, die inzwischen schwarz geworden sind? Sind die Leiterplatten durch Steckverbinder verbunden? Oder sind diese fest verlötet? Gibt's nen Schaltplan von dem Teil? Ne detailliertere Funktionsbeschreibung? ( wie ist der Befehlszähler geschaltet? ) Hast Du vielleicht detailiertere Fotos von dem Gerät? mfg
> Vor wenigen Monaten ist dann der Fehler aufgetaucht. Wirklich kein Bedienfehler? Alle (unbeteiligten) Register vorher gelöscht? Hochauflösendes Foto vom Prototypen mit ca. 30 Steckkarten: Thema der Arbeit war: Planung und Bau eines elektronischen Rechenautomaten https://www.jugend-forscht.de/uploads/pics/e_1_hildebrand_01.jpg Schon mal bei Phywe nach Unterlagen angefragt? > Relais sind meistens 99605 mit ca. 6 Schaltkontakten (6?), s. Bild. Welches Bild? Bitte möglichst viele Angaben, Hersteller... > meine Physik-Kollegen haben auch leider wenig Ahnung davon. Solche Lehrer habe ich leider teilweise auch noch in Erinnerung. Physiker, aber keine Ahnung, wie man einen C prüfen könnte. Mit einem einfachen LCR-Meter halt. Oder mit dem Universal-Bauteile-Tester aka Transistortester hier aus dem Forum (beim Chinesen für 10-15 Euro inkl.): Beitrag "Transistortester AVR" Ein Pin ablöten, damit der Rest der Schaltung nicht mitgemessen wird.
Peter G. schrieb: > ..meine Physik-Kollegen haben auch leider > wenig Ahnung davon. hört sich erst mal komisch an, aber ich sehe ein Physik ist ein weites Feld, eigentlich müssten echte Physiker das uns Techniker und E-Ings erklären können müssen, nicht umgekehrt. Jede E-Technik basiert fast (nur) auf Physik, Elektrochemie mal ausgenommen. Aber es gibt ja auch Astro-Physik, Bio-Physik, theoretische Physik da können die schon mal bei E-Technik schwächeln :)
(tatsächlich - Bild vergessen) Anbei ein etwas größeres Bild - ich muss dann morgen weitere Fotos machen. Der Kasten ist ca. 90cm x 160cm groß - auf jeden Fall nicht klein. Da ist nix so ohne weiteres abnehmbar, alles fest verlötet, sehr schön die Siemens-Luft-Verdrahtung +/-, das sind die dicken Drähte, die sehr schön gerade verlegt sind. Das Befehlsregister ist hier unten rechts, der Puffer daneben, über dem Puffer (das große Feld) - der Speicher 8 x 6bit. Bei Phywe habe ich natürlich schon angefragt, aber Sackgasse - dort ist das Wissen nicht mehr vorhanden oder die Mail über den Handelsvertreter hat die richtigen Stellen nicht erreicht. Ein Schaltplan ist auch fast nicht nötig, die Platinen sind einlagig, auf der Vorderseite (nicht sichtbar) sind wenige Drahtbrücken und ein Haufen Relais. Ich schaue mir morgen mal die Relais noch genauer an. Das mit den Elkos habe ich befürchtet - das ich die zumindest teilweise auslöten muss. Wahrscheinlich versehe ich die Platinen erst einmal mit Pfostenfeldsteckern o.ä. damit ich die einzeln prüfen kann. Gemein ist für mich die "hohe" Spannung von 24 V mit relativ starken Strömen. Am Liebsten würde ich das Ding mit 74xx-Gattern nachbauen - da würde ich mich wenigstens ein wenig auskennen, aber das ist alles noch ein Schritt davor - vielleicht mit Transistoren nachbauen? 1 Relaiskontakt = 1 Transistor, oder? Also bei ca. 70 Relais ungefähr 350 Transistoren. Vielleicht hat jemand auch dazu mal in Kooperation Lust. Viel ERfolg beim Studieren des Bilds. LG Peter
Soll mit der Rumpelkiste auch wieder unterrichtet werden? Dann würde ich das mit CMOS Logik in SMD auf eine Eurokarte quetschen. Vorteil: Auch 5-6 "Modellrechner" kosten dann nicht die Welt und man kann in Gruppen daran arbeiten. Mit geschicktem Layout (4 Layer, damit VCC/GND nicht stören) und Bestückungsdruck kann man da drauf trotzdem noch die Busse nachvollziehen.
Logo sieht nach SEL (Standard Elektronik Lorenz) aus. Die Relais (4*Umschaltkontakt?) gibt es hier (Preis auf Anfrage): http://www.obsoletepartfinder.com/Thales-Defence-Deutschland-GMBH_electronic-parts_4851108434_4851399604.html Mit einem Haken bekommst Du die Gehäuse herunter, ohne die Relais auszulöten. Die Rastnasen sind auf den breiten Seiten.
@Andre: Klar! Ich hatte schon mal angefangen, das mit Arduinos und einem Haufen 74HC595 und LEDs zu basteln - aber eigentlich ist das übelst geschummelt. Mit einer CPU eine CPU nachzubilden ist nicht schön. Neu bauen klingt gut, ich muss mir mal ein Tutorial ansehen, wie man ein Relaiskontakt in ein Transistor umbaut :-) @eProfi: herzlichen Dank, das hilft tatsächlich. Ich mache mich morgen an die "Säuberung". Zwei Stunden hätte ich morgen zwischendurch frei. LG Peter
Peter G. schrieb: > Das mit den Elkos > habe ich befürchtet - das ich die zumindest teilweise auslöten muss. Lass das erst mal, die alten Elyt sind nicht die Ursache. Löte die Relaisspule an einer Seite ab. Und lass sie richtig klappern mit 0,1-1Hz. Das macht die Kontakte wieder frei.
Peter G. schrieb: > Anbei ein etwas größeres Bild Das ist ja noch kleiner, als das vom Link. Wenn man auch was erkennen soll, dann die Originalgröße belassen und nur komprimieren, z.B. mit Irfanview. Ich würde auf keinen Fall planlos an den Elkos und Relais rumspielen, dabei kann man leicht was verschlimmbessern. Wie es scheint, liegt das Problem beim Taktgenerator: Peter G. schrieb: > @eProfi: Mit dem Drehschalter lässt sich die Geschwindigkeit einstellen, > bzw. auf Einzelmodus umstellen. Dann kann ich mit einem Taster jeden > Takt einzeln auslösen. Leider hat die Stellung keinen Einfluss.
Hallo, wie, bzw. wo werden eigentlich die Daten eingegeben? Einzelbilder von den Baugruppen (Vorder und Rückseite) wären sinnvoll. Wenn der Einzelschritt-Modus nicht funktioniert, ist das doch schon ein Ansatz.
Peter G. schrieb: > dort haben wir einen PHYWE Modellrechner (ca. 1965). > Das Teil bildet eine CPU mit einem kleinen Speicher nach. > Genau die Verarbeitung funktioniert nicht mehr. Vielleicht wäre es an der Zeit, das Teil gegen etwas moderneres zu tauschen. Das unten verlinkte Teil lässt sich wohl ähnlich einfach programmieren. www.elektronik-labor.de/Lernpakete/TPS/TPS0.html
Peter G. schrieb: > Ihr Lieben, > ich hoffe, dass ist der richtige Ort für eine solche Anfrage, ich habe > zumindest keinen besseren gefunden. > > Ich habe ein Angebot für jemanden aus dem Raum Remscheid. Ich bin Lehrer > an einer Schule - dort haben wir einen PHYWE Modellrechner (ca. 1965). Jetzt verstehe ich die Konsequenz dieser Entscheidung: https://www.youtube.com/watch?v=LY8RApmllpw Deshalb also der Wunsch der Schule, das Gerät wieder nutzbar zu machen... scnr
Hallo, Harald W. schrieb: > Vielleicht wäre es an der Zeit, das Teil gegen etwas moderneres > zu tauschen. Warum? rhf
Roland F. schrieb: >> Vielleicht wäre es an der Zeit, das Teil gegen etwas moderneres >> zu tauschen. > > Warum? Weil der TE mit einer Reparatur möglicherweise überfordert ist?
Hallo, Harald W. schrieb: > Weil der TE mit einer Reparatur möglicherweise überfordert ist? Tja, könnte sein. Aber wenn ich mir die bisher gezeigten Bilder so ansehe, scheint es sich bei dem Gerät nicht um ultra komplizierte Technik zu handeln und ich könnte mir durchaus vorstellen das Peter die Reparatur mit Hilfe aus diesem Forum bewältigen kann (und das ist ja auch der eigentliche Anspruch dieses Forums: Hilfe zur Selbsthilfe). Ich fände es jedenfalls schade wenn solch ein grundlegendes Gerät nur aussortiert würde weil man es nicht schafft es wieder in Funktion zu setzen. rhf
> Das Teil hatte ich immer wieder im Einsatz, ca. 2x pro Jahr. Vor wenigen > Monaten ist dann der Fehler aufgetaucht. Vor dem Hintergrund halte ich einen defekt eines Elkos fuer eher unwahrscheinlich. Zum einen werden die in so einer Schaltung weniger beansprucht, dann war das damals noch gute Qualitaet und sie wurden von dir regelmaessig formiert. Schau dir die Schaltung erstmal mit einer Lupe an. Ich wuerde als Problemursache Nummer eins erstmal eine kalte Loetstelle vermuten. Im zweifel alles einmal nachloeten. Als naechstes dann pruefen ob vielleicht irgendwo ein Draht abgefallen ist. Und danach den Kontaktwiderstand der Relais. Ersatzaufbau durch LogicICs ist sicherlich moeglich. Aber ist doch ein schoenes Teil das gerade durch das klappern erstmal Aufmerksamkeit durch die Schueler sicherstellt unmittelbar Verstaendnis fuer Digitaltechnik schafft. Wenn man das Teil simulieren will dann koennte man sonst als naechstes auch den Schritt zu einer Handyapp machen. Olaf
Joachim B. schrieb: > hört sich erst mal komisch an, aber ich sehe ein Physik ist ein weites > Feld, eigentlich müssten echte Physiker das uns Techniker und E-Ings > erklären können müssen, nicht umgekehrt. Das können sie auch. ;-)) Jedoch ist in der Physik jedes Bauteil ideal und wird gerne auch einmal mit Differtialgleichungen beschrieben. Leider haben die Gleichungssysteme die dumme Angewohnheit bei vielen Bauteilen ungeheuer komplex zu werden. (Wobei das komplex durchaus wörtlich genommen werden kann.) Das ist dann der kleine Unterschied zwischen Theorie und Praxis. > Soll mit der Rumpelkiste auch wieder unterrichtet werden? Das Teil sollte unbedingt erhalten werden. Hier kann man sehr anschaulich die Grundlagen der elektronischen Datenverarbeitung erklären. Zudem läßt sich an den Relais tatsächlich der Schaltvorgang erklären/beobachten, was an einem Transistor/IC irgendwie schwierig ist.
Huhu Peter, stell die Frage doch mal in diesem Thread: Beitrag "Re: Alte_Elektronik_Basteleien" Da sind die Leute mit den passenden Fähigkeiten versammelt. marcus
Ich würde von allen vorgeschlagenen hektischen Dampfhammer-Aktionen wie "alles nachlöten", "alle Elkos tauschen", "Rotz auf alle Relaiskontakte sprühen" dringend abraten. Das ist amateurhafter Bastelmist, mit dem man mehr kaputt macht als dass es hilft. Statt dessen würde ich zur systematischen Fehlersuche raten. So richtig oldschool, mit einer 24V Prüflampe oder moderner mit einem Multimeter: Zuerst prüfen ob die 24V Betriebsspannung überall an den Platinen anliegt und die Leiterbahnen auf den Platinen zur Spannungsversorgung ok sind. Dann kann man sich entscheiden, ob man dem Hinweis Peter G. schrieb: > @eProfi: Mit dem Drehschalter lässt sich die Geschwindigkeit einstellen, > bzw. auf Einzelmodus umstellen. Dann kann ich mit einem Taster jeden > Takt einzeln auslösen. Leider hat die Stellung keinen Einfluss. nachgeht (Umschalter prüfen, Taster prüfen, Spannung an Umschalter und Taster prüfen, Taktgenerator identifizieren, Taktgenerator prüfen, ...) oder ob man sich zuerst die Mühe macht den Rest des Kabelbaums zu prüfen und dann Baugruppe für Baugruppe Relais zu prüfen (Spannung auf Wicklung geben, Ausgang messen). Ja, schon dies Anfangsschritte bei der Fehlersuche sind mühsam und nichts für die modernen Arduino-AHDS Kids. Da braucht es Zeit, Geduld, Disziplin, Genauigkeit.
Hannes J. schrieb: > Zuerst prüfen ob die 24V Betriebsspannung überall an den Platinen > anliegt und die Leiterbahnen auf den Platinen zur Spannungsversorgung ok > sind. ...... Was redest du da? Systematische Fehlersuche ist nicht mehr Mode! Nachbildung mit TTL, Ersatz der Kondensatoren, Ersatz...., das ist doch heute inn! Nur Ewig Gestrige alte Säcke prüfen systematisch, was kaputt sein kann.
Hannes J. schrieb: ... > Ja, schon dies Anfangsschritte bei der Fehlersuche sind mühsam und > nichts für die modernen Arduino-AHDS Kids. Da braucht es Zeit, Geduld, > Disziplin, Genauigkeit. Aber, aber, das darf man doch so nicht sagen. :) Danke für den Post, ein guter Start in den Arbeitstag.
Vielleicht findest Du als Ursache ein Krabbelinsekt. Ein sogenannter "Bug" auf gut englisch. Beim Betrieb vieleicht eine Tonaufnahme machen. Vielleicht ist noch ein komisches Relaisklacken.
Vielleicht Kontaktprobleme, die sich durch nachloeten beseitigen lassen?
Dieter schrieb: > Vielleicht Kontaktprobleme, die sich durch nachloeten beseitigen lassen? Wohl eher Kontaktprobleme, die sich durch säubern der (Relais-) Kontakte beseitigen lassen. Die Relais sehen so aus, als wenn man die durchsichtigen Kappen abziehen könnte.
Offenbar gibt oder gab es zumindest noch ein weiteres Exemplar, die Unterlagen dazu wären halt schön. Ob das die gleiche Bauweise ist? http://www.vaxman.de/my_machines/phywe/pgr/pgr.html 29-AUG-2003
Peter G. schrieb: > Unten stehender Link zeigt Bilder: > http://www.uranmaschine.de/86978.Phywe_Programmgesteuerter_Rechner_06978_00/ Oh. Das Ding hat mein alter Mathelehrer verbrochen ;) (s. PDF) Uns (einige Jahre später) hat er mal einen ziemlich schweren "Tischrechne" von hp bei geschleppt. Einzeiliges Display und wir haben Lochkarten gestanzt ... Natürlich reparieren !
@ Peter G. Ich habe eine Schwäche für so alte Schätzchen und ich denke das geht hier einigen Leuten so. :-) Ich würde in solchen Fällen, Rundumschläge, wie "alle Kondensatoren wechseln" oder "alle Löststellen nachlöten" strikt vermeiden. Wenn man mir die Wortwahl verzeihen will, so würde ich das als "Verzeiflungstaten" qualifizieren. Weil man nicht weiter weiß, würden evtl. dabei auftretende Probleme die Situation nur verschärfen. Ich sehe das wie Peter D. Die Tatsache, dass bei manueller Taktwahl und Betätigung des Tasters nichts passiert ist eine wertvolle Information, die man nutzen sollte. Ein erster, plausibler Verdacht fiele dann auf den Wahlschalter und den Taster. Das kann man mit Multimeter und ggf. Oszilloskop mal überprüfen. Eine mechanische Abnutzung ist gut möglich. Oszilloskop wegen evtl. stark erhöhtem Prellen. (Peter, schreib mal eine Entprellroutine für das Gerät. :-) ) Versuche doch das mal, bitte. Wäre doch schön, wenn man das Ding wieder hinkriegt, ohne allzuviel daran herumzubasteln. Die 24V sind nicht gefährlich (wenn man keine offenen Wunden hat und nicht mit diesen Wunden an zwei Stellen Kontakt herstellt. Die Körperflüssigkeiten sind leitend. Ansonsten ist der menschliche Körper wegen der Haut sehr hochohmig). Allerdings sollte man strikt vermeiden, Kurschlüsse mit Werkzeugen zu erzeugen. Am besten isolierte Schraubenzieher und Kunststoffpinzetten verwenden, soweit das möglich ist. Die 5A können doch einigen Schaden anrichten. Ggf. könnte man für die Dauer der Messungen die Spannung stark verringern - etwa auf 5V - und eine Strombegrenzung auf z.B. einige 10mA einstellen.
@TO Leider hat hier niemand das Teil mit genau Deiner Fehlerbeschreibung. Also ist suchen, mit messen, verstehen und natürlich die Meßergebnisse posten vermutlich das einzige was weiter helfen könnte. Es darf Dir aber nichts ausmachen, dass wir Dich wie einen erwachsenen Schüler anleiten müßten. Erster Ansatzpunkt wären die Schalter, wie Peter und Theor schrieben. Einfach Alles auf Verdacht nachzulöten ist keine Lösung. Wenn die Werte am Schalter nicht passen, wären dessen Anschlusskabel ggf. Nachlötkandidaten. Für die weitere Suche nur das gleiche geeignete Testbeispiel verwenden. Nach der Anleitung sind die Kondensatoren die Bit-Speicher und die Relais stellen nur die Verbindungen her. Die Reparatur wäre auch ein schönes Schülerprojekt.
Moin zusammen Wenn ich das hier so alles lese blutet mir das Herz. Schade um die alte Maschine. Wenn es nicht so weit währe, würde ich hinfahren. gibt es denn schon noch ein paar Fotos? Wie oben schon geschrieben. Eine genauere Fehlerbeschreibung hilft auch. Ziehen den im Speicher noch Relais an? Sind da ev. noch Dioden versteckt? Wie lange blieb das "Programm im Speicher? Was passiert wenn du z.B. nur den Speicher mit "ADD" vollschreibst? Ich hab noch mehr Fragen, wenn wir die hier abgearbeitet haben. Gruß fredfromflett
Ich hab gleich noch eine Frage an alle zu dem Thema. Hat schon mal einer eine Prinzipschaltung für so einen Kondensator-Speicher gefunden?. Das haben die sich bei Phywe auch nicht aus dem Ärmel gesaugt, und Geheim wird es auch nicht mehr sein. meine Unterlagen sind zu neu >1975 Gruß fredfromflett
Hier stehen auch Informationen zu diesem Gerät: https://ub.fnwi.uva.nl/computermuseum//phywe.html https://ub.fnwi.uva.nl/computermuseum//pdfs/PHYWE_Rechner.pdf
Hallo Peter, auch ich würde da äußerst bedacht ran gehen. Lötstellen bei den Relais sind immer Kandidaten, da beim klackern, bzw erschüttern schon mal ein Draht abbrechen kann. Der kann dann immer noch so dort sein als ob, aber eben kein Kontakt. Mit Pinzette mal das testen (zupfen) - alle. Habe einen ähnlichen Fehler mir Fehlfunktion bei meinem Hameg 1005 er, der bei weitem nicht das Alter dieser Maschine hat. Viele der Taster/Schalterkontakte sind schwarz und machten Probleme. Ich weiß zwar nicht wie komplex die Verdrahterei unter den Relais ist, aber ich denke auch dass ein Reinigen 'aller' Kontakte der beste, wenn auch aufwändigste ist. Mehrfaches Schalten führte dann wieder zur Funktion. mit Papier wie schon erwähnt, oder vieleicht besser, mit Löschpapier die Kontakte durchziehen. Aber wenn, dann eben von Grund auf, sonst wartet der nächste Fehler. Grüße Thomas
Der Taktgeber für den automatischen Betrieb müßte wie da realisiert sein: http://stefanfrings.de/klippklapp/index.html Um die Jahrtausendwende hat noch Jemand einen Relaiscomputer gebaut. http://www.relaiscomputer.de/ http://www.relaiscomputer.de/d12.htm Vielleicht kann man sich dort noch die Beschreibungen holen oder einsehen: https://www.jugend-forscht.de/projektdatenbank/demonstrationsmodell-eines-computers.html
Hallo Frank der Link nach https://ub.fnwi.uva.nl/computermuseum/ ist gut,da steht schon mal ein bisschen was drin. Ein kompletter Plan währe der Hit. was ich aber nicht Gefunden hab ist wie der Speicher Aufgebaut ist und arbeitet. Ich sehe da für jede Speicherstelle 6 Kondensatoren und 1 Relais oder hab ich was übersehen? das mit dem Befehlszähler kann gut so ein Schieberegister sein. Gruß fredfromflett und Gute Nacht
Nochmal vielen Dank für die vielen Posts und auch die letzten Links bzgl. anderer Relaisrechner. Das hilft mir bestimmt, den Weg nachzuvollziehen. Ich möchte das Teil auch nicht sterben lassen, ich muss eben nur vorher wissen, wie ich eine vernünftige Diagnose mache, also Relais durchmessen usw. DIe Relaisgehäuse habe ich auch noch nicht aufbekommen, ich versuche es nochmal Montag. Wie ein Schüler behandelt zu werden, wäre überhaupt kein Problem für mich, da wahrscheinlich 90% aller Leute, die hier posten, mehr Ahnung haben als ich. Also wer weitere Tipps hat, immer her damit. Ich weiß zum Beispiel noch nicht, wie ich so ein Relais durchteste, bekomme ich aber bestimmt noch heraus, auslöten willl ich die Dinger auf keinen Fall :-) Ich schicke euch noch ein paar Links zu selbstgemachten Aufnahmen, auch ein Video mit dem Fehler. Das Foto, was ich schonmal hochgeladen hatte, wurde leider vom Forum automatisch verkleinert, brachte also nichts. Nochmal Drehschalter: es ist egal, wie der Drehschalter steht, ob automatisch oder Einzelschaltung mittels manuellem Taster. Es hat immer den gleichen (falschen) Effekt. Video: (70MB) https://sis.leibniz-remscheid.de/phywe/phywedefekt.MOV ich rufe den ersten Befehl aus dem Speicher in den Puffer um zu schauen, ob der Befehl in Ordnung ist. Der Befehl sagt: addiere den Inhalt von Speicheraddresse 5 zum Akkumulator. Dann starte ich den Rechner. Dazu kommt es aber nicht, weil der erste Befehl vom Puffer in das Befehlsregister geschoben wird aber eben weiter hinaus. Eigentlich sollte der Rechner nach 6 Takten den Befehl abarbeiten. großes Foto Rückseite: (7 MB) https://sis.leibniz-remscheid.de/phywe/phywe-mr.jpg Relaisbilder: https://sis.leibniz-remscheid.de/phywe/relais1.JPG https://sis.leibniz-remscheid.de/phywe/relais2.JPG https://sis.leibniz-remscheid.de/phywe/relais3.JPG Ich habe in der Schule kaum Zeit, werde das Teil in den Weihnachtsferien nach Hause mitnehmen - bestimmt zur "Freude" meiner Frau. Ich wohne in Erkrath bei Düsseldorf - ist das vielleicht näher dran?
Moin, Erstmal auf den beiden Pufferplatinen nach kalten Lötstellen suchen. Einfach mit der Pinzette unter der Lupe an den Bauteilbeinchen zupfen (nicht reißen!) und nach Ringförmigen Strukturen im Lötzinn suchen. Da die Registerinhalte sauber angezeigt werden und auch durchschalten, sind diese Relais-Beinchen es schonmal nicht. Wenn da ein Fehler drin steckt, dann in einem der Anderen Kontakte. Mir ist gerade noch nicht klar wie nach 6 Shift-Vorgängen der Vorgang abgebrochen wird. Da muss es ja irgendwo eine Ausstiegsmöglichkeit geben. Und die wird offenbar nicht mehr getriggert. Also wie zählt die Kiste mit? Für einen richtigen Zähler sehe ich nicht genug Relais. Oder wird das bei der Takterzeugung mit gemacht? Dann müsste es eine Rückkopplung dahin geben. Ich würde daher hingehen und den Schaltplan der beiden Registerplatinen raus zeichnen. Wird zwar fummelig, aber die Stufen dürften ja identisch aufgebaut sein. Diese Maschine gehört erhalten. Auch wenn das in Zeiten von Platzmangel und "ist doch nur alter Schrott, heute nimmt man xyz" schwer werden kann. Wissen die oben genannten Niederländer von deiner Kiste? Weiter unten im Text steht: "As far as we know, only two machines are surviving." Möglicherweise sind es ja doch drei, auch wenn du offenbar schon die Version mit moderneren Platinen hast. Ggf. haben die auch noch weitere Informationen oder du kannst eine bestimmte Situation mit einem funktionierenden Exemplar vergleichen. Und wenn du über die Feiertage noch nicht weiter kommst, findet sich bestimmt jemand der mal in Remscheid vorbei schneit auf nen Kaffee und dich auf den nächsten Ansatz bringt ;-)
Hallo Peter Versuch doch mal mit den Niederländern kontakt aufzunehmen, ev. haben die noch mehr Unterlagen. Wie ich das Video interpretiere, läuft die Takterzeugung ja durch, nur der nächste Befehl wird nicht ausgeführt weil der Adresszähler nicht weiterschaltet, oder der Programmspeicher falsche Daten (STO) enthält. Das kannst du ja mal testen Gruß fredfromflett
...Und hier noch ein hochauflösendes - stümperhaft zusammengefügtes - Bild von vorn. https://sis.leibniz-remscheid.de/phywe/phywe-mr-vorn.jpg Ich Depp habe das Leitwerk (oben rechts) nicht mitgefilmt. Das muss - zumindest meiner Meinung nach - für den Ausstieg aus dem Shift verantwortlich sein, zumindest zählt das immer die 6 Shifts mit. Könnte ein Hinweis sein, bin gespannt. Ich denke, ich fange mit dem Leitwerk an. Das wird dann schon den Takt machen, vielleicht auch im Zusammenspiel mit der riesigen, hellen Platine in der Mitte. In dem Video auf der obigen Seite: https://ub.fnwi.uva.nl/computermuseum/phywe.html#openModal sieht man das Leitwerk in Aktion. Ich meine, bei "meinem" Computer wären ein zwei Glühbirnen kaputt - aber vielleicht sind das gar nicht die Birnen... Die Anzahl der Relais ist auf jeden Fall schon erschreckend. Ich habe jetzt 33 auf der Rückseite und 69 auf der Vorderseite, also 102 gezählt.
@metallfunk: Toll, Danke! das schaue ich mir morgen an! Hatte ich noch nicht gesehen. Ich sauge eure Tipps und Anregungen auf. Hatte auch nochmal bei Phywe angefragt, aber die hatten fast direkt zurückgeschrieben, dass es nichts mehr bei denen gebe. Hatte auch schon Kontakt mit einem Hochschulangehörigen, der mal eine Vorlesung zu dem Rechner angeboten hatte. Aber das war auch eine Sackgasse. Die Niederländer sind dann wohl die nächsten. Der oben verlinkte Relaisrechner (8bit) ist ein Wahnsinnsding, dagegen ist der Modellrechner hier ja sehr klein.
Die Lämpchen in deinem Leitwerk sehen unterschiedlich aus, kann also gut sein dass es da Verstorbene darunter gibt. Aber das sollte dich ja jetzt nicht vor unlösbare Herausforderungen stellen. Erstmal durchchecken und ggf. ersetzen. Den dunklen Widerling auf der weißen Platine habe ich auch gesehen, sieht für mich aber noch nicht gar aus. Sicherheitshalber mal messen wird aber nicht schaden. Egal ob sie dir helfen können, werden sich die Niederländer vermutlich freuen wenn sie von einem weiteren "Überlebenden" hören. (Und ich würde ja einen Hinweis hinten an das Dingen dran pappen, für den Fall dass der letzte Benutzer - also vermutlich du - aus irgendeinem Grund nicht mehr heranzuziehen ist. Einfach als Vorsorgemaßnahme, damit das Teil nicht aus Unwissenheit verschrottet wird.)
P. W. schrieb: > Egal ob sie dir helfen können, werden sich die Niederländer vermutlich > freuen wenn sie von einem weiteren "Überlebenden" hören. > > (Und ich würde ja einen Hinweis hinten an das Dingen dran pappen, für > den Fall dass der letzte Benutzer - also vermutlich du - aus irgendeinem > Grund nicht mehr heranzuziehen ist. Einfach als Vorsorgemaßnahme, damit > das Teil nicht aus Unwissenheit verschrottet wird.) Genau. Das ist ein Museumsstück, dessen Wert heute kaum einzuschätzen ist. Ein Blatt, bedruckt mit den Daten und dem ausdrücklichen Hinweis, dass hier ein besonderes Stück Technikgeschichte vorliegt, auf die Rückseite kleben. Sonst kommt noch so ein Depp und wirft das irgendwann in den Elektroschrott :-( Grüße Bernd
Auf der Seite von Jugend forscht ist ein Organisationsdiagramm. Dort würde ich anfragen, ob es dazu noch Unterlagen gibt. Ggf. müßte Jemand hingehen und im Archiv die Pläne nachsehen, scannen & kopieren. Im Gegenzug vielleicht für den e.V. von Wert dies als Internetveröffentlichung vorzubereiten. Internet: www.jugend-forscht.de https://www.jugend-forscht.de/kontakt.html
Hallo, ich würde versuchen herauszufinden, wann das "Befehl Dekodieren" angestoßen wird. Das sollte ja passieren, nachdem die 6 Befehlsbits in das BR geschoben wurden. Das scheint ja nicht zu klappen. Ich denke das wird von der weißen Platine gesteuert. Dort muss vom "Befehl holen" auf "Befehl dekodieren/Operatoren holen" umgestellt werden. Der Takt sollte also vom BR weggeschaltet werden und die Platine darüber sollte aktiviert werden, damit die dann unter anderem das Lämpchen mit dem richtigen Befehl ansteuert. Ich denke auch für die spätere Wartung ist es sinnvoll einen Schaltplan zu erstellen. Viel Erfolg!
Hier langsam von Anfang an mitzulesen ist wie in einem Krimi oder frühen Stummfilmdrama hinter der Glasscheibe zu sitzen: Das schwerverletzte Opfer liegt auf dem Tisch des Dorfgasthofs. Aus allen Richtungen dringen Ratschläge auf den hinzugeeilten Landarzt ein, der sonst eher als Geburtshelfer für Nutztiere tätig ist. "Aderlaß!", "Blutegel!" - "Quecksilberinjektionen!" Dem kundigen Zuschauer der Neuzeit stockt dabei selbst das Blut in den Adern. Zum Glück besteht hier keine Lebensgefahr und das Opfer wurde noch nicht unter die Erde gebracht. Wenn es auch nur ein "kleines" Gerät dieser Art ist, ist es doch eine Rarität. Ich denke, Lehrmittel wurden schon immer ausgetauscht und weggeworfen, ohne daß sich irgendjemand um ihren geschichtlichen Wert gekümmert hat. Das mag für einen Funkeninduktor von 1900 zwar schade sein, davon sind aber sicher zehntausende ähnlicher Geräte erhalten und bleiben es auch. Bei diesen Computermodellen wurden aber wegen des hohen Preises und der sicher auch von den Lehrplänen her geringen Bedeutung (wurde eigentlich zu irgendeinem Zeitpunkt in Deutschland jemals Computertechnik in einem relevanten Ausmaß unterrichtet?) wohl nur wenige überhaupt verkauft, verglichen mit klassischen physikalischen Lehrmodellen.Optisch sieht das Gerät nicht anders aus wie die Kesselsteuerung der Schulheizung von 1960, und genau wie diese hat man es auf den Müll geworfen als sie durch etwas Modernes mit LED statt Glimmlampen ersetzt wurde. Ich erinnere mich (leider lückenhaft) gerade daran, vor einiger Zeit über die Restauration von einem ähnlich seltenen Neva Lehrmittel Relais-Computer oder etwas ähnlichem gelesen zu haben. Kann aber auch ein anderer Hersteller gewesen sein. Das Gerät war schrankgroß auf Rollen, wie die berüchtigten "Medienschränke" der 80er, und irgendwie waren 10, 20 einzelne "Holzmodule" ähnlich dieser Phywe-Platinen eingeschoben. Hm, vielleicht finde ich noch was auf meinen alten Platten. Und auf Youtube findet man gerade aktuell Filmberichte von ein paar Enthusiasten über die privte Restaurierung eines Apollo Guidance Computers, den die NASA zum Tonnenpreis als Schrott entsorgt hatte ("Apollo AGC Restoration") und den die Jungs pünktlich zum 50. Jubiläum der Mondlandung funktionsfähig präsentieren wollen.
Ah, es war nicht Neva, und auch nichts mit Relais. Sondern ein PEK-Analogrechner von 1970. Offenbar in wenigen Exemplaren für die Bundeswehr angefertigt. http://museum-nt.de/projekte/_pek_analogrechner.html So, das ist zwar als analoge Schaltungstechnik mehr forenlelevant, aber dafür offtopic.
Widerstand schrieb: > Offenbar in wenigen Exemplaren für die Bundeswehr angefertigt. Richtig erkannt. 2017 wurden diese "Lehrgeräte" dann zu Dutzenden in ebay.de vertickt, da ein pfiffiger Händler in Rheinland-Pfalz via VEBEG sich diese Teile geholt hatte.
Möchte jetzt auch nur sagen, dass so ein Gerät unbedingt erhalten werden muß! Viel Glück und Erfolg an den TO! Gruß Rainer
Wäre es möglich von den zwei weissen Platinen und dem Rechenwerk/Übertrag die Vorder- und Rückseite zu fotografieren. Beim Rechenwerk ist eine weitere Platine rechtwinklig angelötet. Man sollte alle Bauteile, Leiterbahnen Verbindungen gut erkennen können. Damit könnte man dann einen Schaltplan erstellen. Josef
Das Gerät muss über einen Taktgenerator verfügen, der das Schieberegister durchtaktet. Dieser Takt muss nach 6 einzelnen Takten entweder gestoppt oder unterbrochen werden. Also muss der Taktgeber einen Eingang haben, der ihn freigibt, oder die Verbindung zum Schieberegister wird nach 6 Taktzyklen unterbrochen. Genau hier ist irgendwas faul. Gruss Robert
Das hier scheint das ewähnte Begleitheft zu dem Rechner zu sein: https://www.booklooker.de/B%C3%BCcher/Horst-Bl%C3%BCm+Der-Computer-Eine-experimentelle-Einf%C3%BChrung-in-die-Arbeitsweise-des-Programmgesteuerten/id/A01gr7I001ZZQ Horst Blüm Titel: Der Computer - Eine experimentelle Einführung in die Arbeitsweise des Programmgesteuerten Rechners und der Booleschen Algebra - bk454 Seiten: 125 Gewicht: 500 g Verlag: Industrie Druck Verlag Ort: Göttingen Erschienen: 1969 Das Buch ist auch in mehreren bis vielen Bibliotheken verfügbar, wie eine kurze Suche ergab.
Ich würde vorschlagen die Kondensatoren im Steuerwerk zu checken ...mit einem ESR Tester im eingebauten Zustand. (https://ludens.cl/Electron/esr/esr.html). Es reicht aus wenn einer der Elkos ausgetrocknet ist und der "Ende" Impuls einfach nicht mehr durch kommt. Was sind das genau für Glühlämpchen? Evtl. kann ich ein paar schicken.. Gruß, Holm
Peter G. schrieb: > In dem Video auf der obigen Seite: > https://ub.fnwi.uva.nl/computermuseum/phywe.html#openModal > sieht man das Leitwerk in Aktion. Ich meine, bei "meinem" Computer wären > ein zwei Glühbirnen kaputt - aber vielleicht sind das gar nicht die > Birnen... In dem Beitrag zum Video, wird am Ende auf einen Jens Kirchhoff hingewiesen. Eine Suche im Telefonbuch ergab zwei Treffen mit dem Namen Jens... ggf. vielleicht mal versuchen mit dem Kontaktvaufzunehmen. Eventuell hat er weitere Informationen. Auch ein Benutzerhandbuch ist in dem Beitrag zum Video zu finden. Viel Erfolg...
Holm T. schrieb: > Ich würde vorschlagen die Kondensatoren im Steuerwerk zu checken ...mit > einem ESR Tester im eingebauten Zustand. > (https://ludens.cl/Electron/esr/esr.html). > Es reicht aus wenn einer der Elkos ausgetrocknet ist und der "Ende" > Impuls einfach nicht mehr durch kommt. > > Was sind das genau für Glühlämpchen? Evtl. kann ich ein paar schicken.. > > Gruß, > > Holm Holm, so kompliziert kann das Ding nicht sein. Das kriegen wir wieder hin. Ich könnte mir vorstellen, dass die Relais über ein Zeitglied ( R-C ) laufen, um das nachvollziehbar zu halten. Das letzte Relais der Steuerung müsste eine Verbindung zum Schalter ( Einzelschritt bzw. kompletter Ablauf ) haben. Schade, dass ich das Ding nicht auf der Werkbank habe. Grüße Bernd
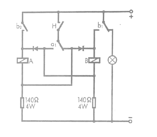
Anbei eine Teilrekonstruktion anhand der Fotos. Ohne Garantie, da nicht alles zu erkennen ist. Zum testen mit http://www.falstad.com/circuit/circuitjs.html sind einige Schalter hinzugefuegt um externe Signale zu schalten. Die *.txt Dateien sind die Falstadt Dateien.
Hallo zusammen Prima Arbeit mit dem Plan. Auf so eine ähnliche Idee bin ich auch gekommen. Allerdings fehlt in deinem Plan noch eine Art refresch für die Kondensatoren. Nach einem Leseimpuls sind die Kondensatoren leer, und die Info muss wieder zurückgeschrieben werden. Ansonsten machen Befehle wie SPX keinen Sinn. ohne Programm geht halt nix. Dann ist die Frage wie lange die Kondensatoren die Info halten?. Ich vermute mal das man das auch ca. alle Min mal refreshen muß. Aber dafür könnte ja eine der Platinen auf der Rückseite zuständig sein. Peter ist sicherlich noch mit der Weihnachtsfeierei beschäftigt, geben wir ihm noch ein bisschen Zeit
Moin Ich muss mich nochmal melden und mich ein bisschen korrigieren der refresh nach dem Leseimpuls wird warscheinlich nicht gebraucht, weil die Selbsthaltekontakte im "Puffer" das übernehmen. Was aber an der länge der Speicherzeit nix ändert Wenn die Kondensatoren so geschaltet sind ,wovon ich ausgehe, kann man sie ja einfach messen. @Josef C. mit deinen Plänen für Zähler und Schieberegister kann ich nichts anfangen dank Augenkrebs. Andersherum kannst du den Plan mal ein bisschen übersichtlicher aufmalen.Ich hab es versucht und einen Drehwurm gekriegt. @Peter Gibt es für die Maschine auch noch Schulungsunterlagen für Schüler und Lehrer?
Friedhelm E. schrieb: > @Josef C. mit deinen Plänen für Zähler und Schieberegister kann ich > nichts anfangen dank Augenkrebs. Andersherum kannst du den Plan mal ein > bisschen übersichtlicher aufmalen.Ich hab es versucht und einen Drehwurm > gekriegt Wenn ich Zeit finde versuch ich es. Es werden trotzdem noch genügend Kreuzungen übrigbleiben. Umzeichnen ist ein bisschen mühsam mit Falstadt. Leider werden beim 'Print' die Verknüpfungs-punkte nicht angezeigt. Das schoene an Falstadt ist das man damit interaktiv die Schalter bedienen kann. Bei Falstadt sind interessanterweise unter Circuits | Other passive circuits | Relays auch Flip-Flop und Counter. Aber natuerlich andere wie hier.
Frohes Neues Zusammen, ich bin beeindruckt von dem, was hier in der Zwischenzeit produziert wurde. Ich verspreche, detaillierte Fotos von allen Platinen anzufertigen, allein aus Gründen der Dokumentation, falls ich etwas bei meinen Reparaturversuchen verbocke. Verbockt habe ich auf jeden Fall das Mitnehmen des Modellrechners über die Winterferien, da ich am letzten Tag krankheitsbedingt zuhause bleiben musste. Nehme mir das Teil aber nach den Ferien vor. @fredfromflett Es gibt dieses eine Büchlein mit einigen Programmierbeispielen, das kann ich sicher kopieren und als PDF einstellen. Ich bin sicher, dass Phywe da nichts gegen haben wird. Ich denke ich frage sicherheitshalber nochmal nach. @josefc Ich bin beeindruckt von den Plänen. Kannte Falstadt auch noch nicht. Scheint mir allerdings auch nicht so einfach von der Bedienung zu sein. Aber kost nix. Könnte man damit theoretisch die ganze Maschine simulieren?
Peter G. schrieb: > @josefc > Ich bin beeindruckt von den Plänen. Kannte Falstadt auch noch nicht. > Scheint mir allerdings auch nicht so einfach von der Bedienung zu sein. > Aber kost nix. Könnte man damit theoretisch die ganze Maschine > simulieren? Theoretisch wohl schon. Aber ich stelle mir das ganz schön mühsam vor. Ich finde den Editor nicht so toll. Grössere Schaltpläne werden damit meiner Meinung nach zur Qual. Vor allem das Steuerwerk stell ich mir ziemlich komplex vor, im Vergleich zu den Teilen die ich gezeichnet habe. Aber du hast ja die Hardware. Im Einzelschrittmodus kann man sich ja zum Fehler vorhangeln und dann gezielt messen. Ich würde zuerst die Kondensatoren durchmessen. Da (fast) keine Halbleiter vorkommen müsste man die direkt in der Schaltung durchmessen können. Ebenso die Relais, Spannung anlegen (evtl. mit Strombegrenzung) und durchmessen.
Es kann auch einer der vielen Schalter kaputt sein. Auch diesem Bauteil nicht blind vertrauen.
Hallo, beim Verfolgen der Diskussion kam mir der Spruch meines blinden Kumples in den Sinn: am mesten disktieren die Blinden über die Farbe! Viele der Ratschläge sind doch MUP = Methode des unbekümmerten Probierens. Ich würde das Teil kostenlos reparieren. Erfahrungen habe ich mit Relaissteuerungen für Mischanlagen, Stand der 70ger Jahre. Oder echte Telefonanlagen mit Relais, wie in den 60gern. Grüsse
Bastler schrieb: > am mesten disktieren die Blinden über die Farbe! Viele der > Ratschläge sind doch MUP = Methode des unbekümmerten Probierens. Aha. Und wie sieht deine professionelle Vorgehensweise aus?
Moin, vielleicht hilft auch das hier weiter: Der Lehrer, der das Jugend-Forscht-Projekt betreute, aus dem der Phywe Rechner entstand, hatte ein Buch über die Entstehung und den Aufbau des Rechners mit Schaltplänen der Recheneinheiten geschrieben. Es ist: Horst Blum: Der Computer - eine experimentelle Einführung in die Arbeitsweise des programmgesteuerten Rechners und der Booleschen Algebra. In: Phywe-Schriftenreihe, Industrie-Dr., Göttingen, 1969, 127 Seiten. Das Buch ist in manchen Uni-Bibliotheken gelistet und mit Glück ja vielleicht antiquarisch zu kriegen. Ansonsten hat das Computer Cabinett Göttingen e.V. http://www.c-c-g.de/ (c/o Prof. Dr. Jens Kirchhoff) ein Exemplar des Phywe Rechners und, ich meine mich zu erinnern, die technischen Unterlagen dazu von Phywe übernommen. Viel Glück!
Hallo Toll jetzt nur noch ein paar Relais …. aber was macht das Original? Gibt es schon fortschritte oder Ergebnisse? Gruß F aber ich finde keine passenden Relais mehr.
Mit den Plänen vom Zeichner kann man loslegen, sinnvollerweise beim Impulsgeber. Prüfen ob die 24V ankommen und die auch an G anlegen, dann muß Z anziehen und der Taktgeber loslaufen. FP wird der Einzelschritt Eingang sein.
Hallo Alle, hallo Volker, hallo Friedhelm, die Relais gibt es wohl wirklich nicht mehr. Ich sag ja, mit anderer Technik nachbauen. Wenn mir einer bei Gelegenheit erklärt, wie ich einen Relaiskontakt in ein Transistor umwandeln kann... Also Fortschritte: ich arbeite mit "Zeichner" zusammen. Wir dokumentieren die Karre nun erstmal, sehr bald wage ich mich an die ersten Lötstellen heran, musste mir vorher noch eine passende Lötstation zulegen, meine ist ein wenig schwach. Bei Pertinax muss man sehr vorsichtig sein, so "Zeichner". Ich kann schon jetzt sagen, grundsätzlich wird mit dem Impulsgeber nichts schlimm sein, der taktet brav. Auch Einzelschritte funktionieren. Ich weiß immer noch nicht, was dafür sorgt, das der Befehlsregister-Inhalt in die Entschlüsselung gelangt, wie das zeitlich getaktet ist. Also die Weiterleitung des Befehlsregisters an die Entschlüsselung geht nicht, statt dessen wird der Bitinhalt einfach aus dem Befehlsregister wieder herausgeschoben, das darf so natürlich nicht sein. Dauert also noch etwas, bis das Teil repariert ist. Ich baue die Einzelplatinen bald aus, aber davor muss ich unbedingt wissen, wie die ganzen Drähte dazwischen verlaufen. LG Peter
Hallo, anbei eine Simulation des Rechners in Javascript. Stimmt nicht 100% mit der HW ueberein. Ich hoffe es sind keine groesseren Fehler drin. Sollte auf einem neueren Browser laufen. Getestet mit Chromium 71 und Firefox 64. Hat keine externen Abhaengigkeiten. Der ganze Code ist in der html. Gruss
Hallo Joseph, gute Arbeit. Ich hab's mal ausprobiert: 1. Beispiel1 drücken, um Programm zu laden 2. Neutralisieren drücken ( vermutlich Reset ? ) 3. Single-Step mehrfach drücken Gut wäre vielleicht, wenn man unten im HTML-File die Beispielcode in Assembler sehen könnte, damit man weiß, was das Beispiel machen soll.
Hier eine Version mit Logger, die den Befehl im Zyklus anzeigt.
WOW, super Simulation! Fühlt sich so an wie das Original! Zumindest das, was ich bisher mit den Schülern "programmiert" habe, funktioniert genauso hier - sieht auch wirklich ähnlich aus! RESPEKT! Gruß Peter
Christoph M. schrieb: > Gut wäre vielleicht, wenn man unten im HTML-File die Beispielcode in > Assembler sehen könnte, damit man weiß, was das Beispiel machen soll. Anbei eine Version mit kommentierten Beispielen. Peter G. schrieb: > Ich weiß immer noch nicht, was dafür sorgt, das der > Befehlsregister-Inhalt in die Entschlüsselung gelangt, wie das zeitlich > getaktet ist. Also die Weiterleitung des Befehlsregisters an die > Entschlüsselung geht nicht, statt dessen wird der Bitinhalt einfach aus > dem Befehlsregister wieder herausgeschoben, das darf so natürlich nicht > sein. Ich wuensche euch viel Erfolg. Das Leitwerk ist wohl das komplizierteste Teil. Ca. 20 Relais ohne Beschreibung. Da wuerde ich zuerst die kleineren Platinen genau auf einen Fehler untersuchen.
Josef (Gast)
>Anbei eine Version mit kommentierten Beispielen.
Super, danke. Damit kann man die Beispiele viel besser nachvollziehen.
Darf ich fragen, wie lange Du für den Code gebraucht hast?
Das sind ja schon einige Zeilen und in dem Detailierungsgrad ziemlich
gut.
Hallo zusammen Leider zu spät mitgekriegt das Gestern in Göttingen Nacht der Wissenschaft (Tag der offen Tür oder so) war. Die Computerabteilung war auch auf. Sonst wäre ich mal hingefahren und hätte die mal gelöchert. schönen Sonntag noch fredfromflett
Peter G. schrieb: > Am Liebsten würde ich das Ding mit 74xx-Gattern nachbauen Hallo, besteht daran noch Interesse? Es gibt einige TTL CPU Nachbauten. http://www.bigmessowires.com/nibbler/ https://gigatron.io/ Allerdings ist der Phywe Computer um einiges einfacher. Ein Nachbau haette also schon einen gewissen Reiz. Gruss
>Autor: Josef (Gast) >Datum: 22.01.2019 16:57 Die Schaltungsteile nochmals, augenfreundlicher.
Hallo Gemeinde, "Zeichner" hat das Gerät repariert. Ich bin glücklich und kann meinen Schülern wieder die von-Neumann-Architektur nativ zeigen und beibringen. LG Peter
Ich erinnere mich an das Thema und bin entsetzt, daß das schon über 6 Jahre her ist! Hätte schwören können, daß das vor einem Jahr oder maximal anderthalb hier durchlief...
> Ich erinnere mich an das Thema und bin entsetzt, daß das schon über 6 > Jahre her ist! > > Hätte schwören können, daß das vor einem Jahr oder maximal anderthalb > hier durchlief... Ist halt nicht der einzige thread hier, in dem Phywe erwähnt wird. Einfach mal zeigen lassen, wie mal in den Threads nach Begriffen sucht. Im Zusammenhang mit Vintage Computer kann man heute noch Phywe sehen. Anbei Schnappschuß von der VCF in Berlin letzten Jahres. Wurde auch hier andiskutiert: * Beitrag "Veranstaltungstipp: Vintage Computer Festival 7./8. September, München"
:
Bearbeitet durch User
> Im Zusammenhang mit Vintage Computer kann man heute noch Phywe sehen. > Anbei Schnappschuß von der VCF in Berlin letzten Jahres. > Wurde auch hier andiskutiert: Sodele, also der grad gezeigte Demo-Anschauungs-Rechner von den Physikalischen Werkstätten (PHYWE) ist wohl nicht gleich dem des vom TO angefragten. Der, obwohl auch kurz nach seinem Hersteller als PHYWE bezeichnet, ist wohl älter und Relais basiert. Das "Heinz Nixdorf Museumsforum" zeigt wohl beide Modelle: https://blog.hnf.de/schulcomputer-aus-goettingen/
Ja genau, der aus dem obigen Foto ist wohl der PDR 10. Der, den ich in der Schule habe, ist der ältere PDR-1.
Bitte melde dich an um einen Beitrag zu schreiben. Anmeldung ist kostenlos und dauert nur eine Minute.
Bestehender Account
Schon ein Account bei Google/GoogleMail? Keine Anmeldung erforderlich!
Mit Google-Account einloggen
Mit Google-Account einloggen
Noch kein Account? Hier anmelden.


























