Hallo TransistorTester Freunde, die neue Version 1.07k meiner Softwareversion steht im svn-Archiv http://www.mikrocontroller.net/articles/AVR_Transistortester#Downloads zum Download bereit. Eine wesentliche Neuerungen ist eine neue Funktion GetESR, die es ermöglicht, Kapazitäten ab etwa 0.18 µF zu untersuchen. Durch kürzere Ladepulse entspricht der gemessene ESR Wert in etwa dem bei 10 kHz gemessenen Wert. Weil die neue Funktion auch Widerstände messen kann, wird der Nullabgleich für die ESR-Messung bei der Kalibration gemessen und braucht nicht wie bisher mit großen Kapazitätswerten nachkalibriert werden. Aus diesem Grund ist bei der Kalibration eine zuverlässige Verbindung zwischen den 3 Testpins erforderlich! Desweiteren wird die gleiche Funktion jetzt auch für die Messung von Widerständen mit weniger als 10 Ohm verwendet, wodurch auch hier eine Auflösung von 0.01 Ohm zur Verfügung steht. Die nächste Neuerung ist die Ausgabe eines Spannungsverlustes (Vloss) eines Kondensators mit mehr als 5 nF unmittelbar nach einem Ladepuls. Der Spannungsverlust wird in Prozent angegeben, sofern er nicht Null ist. Bei Kondensatoren mit hohe Güte (Folienkondensatoren) ist in der Regel kein Spannungsverlust meßbar. Besonders schlechte Güte haben ältere Papier-Kondensatoren, bei denen der Spannungsverlust mehr als 10% betragen kann. Da bei diesen Papierkondensatoren der Meßfehler der Kapazität mehr als 100% betragen kann, gibt die Ausgabe des Spannungsverlustes wenigstens einen Warnhinweis. Daneben wurde die Belegung von Flash und EEprom Speicher optimiert und die Reihenfolge der Pinnummern bei Einzeldioden entspricht nun der Option EBC_STYLE. Bei den Optionen für die Software-Konfiguration in der Makefile ist die Auflösung des BAT_POOR Pegels auf mV geändert und es gibt die neue Option NO_NANO für alle, die die Einheit nF nicht mögen. Die Auflösung der Induktivitätsmessung wird auf 0.1 mH gesetzt, wenn die Messung mit einem 680 Ohm Widerstand erfolgte, sonst beträgt die Auflösung wie bisher 0.01 mH. Grüße, Karl-Heinz
Vielen Dank Karl-Heinz Kübbeler für ausgezeichnete Software. Zur Inspiration - Cover von 3D-Drucker -> http://www.thingiverse.com/thing:74080 Entschuldigen Sie mein Deutsch. Ich komme aus der Slowakei. Viele Grüße Tomas
Ging das Teil jetzt schon in die Chinesiche Serienfertigung? Oder woher kommen die Chinesischen Schrift-Zeichen auf der Platine?
Die tester is ein bekannter china-anfertigung . Im documentation von KH ist er schon integriert. nitro2
Ich möchte den AVR Transistortester mit dem Arduino Duemilanove aufbauen. Folgende Fragen habe ich dazu. Funktioniert die Software mit einem ATmega328 mit 16 MHz Quarz? Kann ich die Software mit dem Arduino programmieren? Ansonsten habe ich ein STK500 Testboard, das wird aber von PonyProg nicht erkannt. Geht das nur mit dem AVR Studio? 73 krockie
Hallo, ich möchte den Bauteiltester selber programmieren anstatt die vorhandenen Files zu nutzen. Ich benutze AVR Studio 4.19, Build 716 in der Standardinstallation. Aber ich scheitere an folgender Fehlermeldung: Loaded plugin STK500 Loaded plugin AVR GCC Loaded partfile: C:\Program Files\Atmel\AVR Tools\PartDescriptionFiles\ATmega328P gcc plug-in: Failed getting project file status gcc plug-in: Failed getting project file status Loaded plugin AVR GCC Loaded partfile: C:\Program Files\Atmel\AVR Tools\PartDescriptionFiles\ATmega328P.xml Die xml-Datei ist vorhanden für den 328P. Was mache ich nur falsch?
Klaus K. schrieb: > Funktioniert die Software mit einem ATmega328 mit 16 MHz Quarz? Ja, optimiert ist zwar auf den Betrieb mit 8 MHz Quarz, auch die Meßbeispiele in der Doku sind mit 8 MHz gemessen. Aber der Betrieb mit 16 MHz ist möglich. Flüchtige Tests mit 16 Mhz wurden durchgeführt. Klaus K. schrieb: > Kann ich die Software mit dem Arduino programmieren? Das weiss sich nicht. Die Software ist als alleinstehend programmiert und genügt nicht den Standard-Anschlußbedingungen des Arduino. Klaus K. schrieb: > Ansonsten habe ich ein STK500 Testboard, das wird aber von PonyProg > nicht erkannt. Geht das nur mit dem AVR Studio? Das sollte auf jeden Fall mit WinAVR und avrdude gehen. Dazu muß in der Makefile die PROGRAMMER=... Option auf stk500v1 ode stk500v2 und die Schnittstelle mit PORT=...eingestellt werden. Dann kann mit meinem Patch für WinAVR/avrdude Beitrag "Re: Transistortester AVR" sowohl das Laden der Programmdaten als auch das Setzen der Fuses mit der Oberfläche "Programmers Notepad" erledigt werden. Grüße, Karl-Heinz
Martin Koch schrieb: > Was mache ich nur falsch? Hallo Martin, ich will nicht ausschließen, daß es mit AVR Studio auch geht. Getestet habe ich nur den Weg mit WinAVR/avrdude . Es wird keine Projekt Datei gebraucht. Sämtliche Konfiguration ist in der Makefile enthalten. Dazu muß der PROGRAMMER und der PORT (Schnittstelle) für avrdude in der Makefile eingestellt werden. Siehe dazu auch meinen vorigen Beitrag. Es wird dann mit "Programmers Notepad" die Makefile geöffnet, angepasst und gespeichert. Dann braucht nur in der Menüleiste unter Tools das Programm geladen werden und gegebenenfalls (falls noch nicht gesetzt) die Fuses gesetzt werden. Es können mit meinem WinAVR Patch die Fuses sowohl für den Quarzbetrieb als auch ohne Quarz angepasst werden. Die Makefile ist so gestaltet, daß bei jeder Änderung der Makefile die Software neu übersetzt wird bevor sie in den ATmega geladen wird. Grüße, Karl-Heinz
Hallo, Karl-Heinz Ich hab meinen Nachbau mit zu Jogis Röhrenstammtisch in Mülheim genommen, die Begeisterung war groß. Nun meine Frage, darf Jogi auf seiner Webseite die "Röhrenbude" deine Doku zum TTest veröffentlichen? Grüße Andreas
Andreas Halank schrieb: > Nun meine Frage, darf Jogi auf seiner Webseite die "Röhrenbude" deine > Doku zum TTest veröffentlichen? Uneingeschränkt ja! Die Doku ist ja ebenso wie der Tester zur freien Verbreitung gedacht. Sinn und Zweck der Doku ist ja auch, die Anwendung von Mikrokontrollern Interessierten nahezubringen. Nur als Bedienungsanleitung ist die Doku zu umfangreich. Grüße, Karl-Heinz
Hallo, ich nerve hier noch Mal.... nach stundenlangem experimentieren habe ich die Fehleranzahl von 4 auf diesen einen und die Warnung so wie im Bild hinbekommen. Alles hier im Forum gelesen, das Tutorial und das Handbuch zum AVRStudio gelesen und es will einfach nicht funktionieren. Den Fehler in deleay.h kann ich garnicht nachvollziehen, es stimmt doch eigentlich alles, oder? Zum Fehler in calibrate_ur.c fehlt mir noch das allgemeine Versändnis. Kann Jemand dazu was sagen wie ich damit umgehen soll? Eigentlich will ich nur einen funktionierenden Lauf hinbekommen um später einfach neuere Versionen einfügen zu können. oder mal ein schöneres Display dranhängen o.ä.. Ich benutze AVR Studio 4.19, Build 716 in der Standardinstallation. Gruß Martin
Hallo Karl-Heinz, Danke!! Tolle Arbeit die du da geleistet hast. Ich denke das die Freunde der Röhrenbude sich sehr darüber freuen. Es sind etwas betagtere Bastler dabei, die Probleme bei der Identifizierung einiger Bauelemente haben (Sehkraft), da hilft das teil sehr gut. Grüße Andreas
@Martin Koch Warum meldest du dich nicht an? Es ist doch dann viel einfacher dir eine PM oder Mail zu schicken! @ ALL Vieleicht ein kleines WIKI für den Tester. Ja, ist schon viel geschrieben im µC-net. Aber nicht Alle kommen mit Erfahrungen--> proggen, Sxx-Dingens usw. klar. Das Archive ist nicht Jedermanns/Frau "Sache". Vieleicht einmal für Alle, die wenig Erfarungen mit proggen haben, eine Anleitung für dieses Projekt, was ja noch nicht zu Ende ist. D, EN und step by step: wie bekomme ich die Dateien in den "Käfer"? Das alles in einfacher Sprache, so das auch Alle es verstehen. Proggen für Dummies. Nein, ich kann es nicht. Könnte aber eine Werbefreie und Private Homepage zur Verefügung stellen, da hier im Forum dieses nach 2-3 Seiten überlesen wird. Nur eine IDEE LG Dirk
Martin Koch schrieb: > Kann Jemand dazu was sagen wie ich damit umgehen soll? Hallo Martin, genau dazu habe ich auch keine Lust. Stundenlang für eine Oberfläche arbeiten. Ich hasse nichts mehr bei der Arbeit, als ein Tool, daß mir mit geballter Intelligenz hilfreich bei der Arbeit im Wege steht. Die Konstante ANZ_MESS wird beispielsweise in meiner Makefile definiert! Die volle Steuerung der benutzen Tools wie GNU C und GNU Assembler/Linker und auch das Programmiertool avrdude wird von meiner Makefile gesteuert! Diese Makefile wird unter Linux mit make von der Konsole ausgerufen, um das Programm zu übersetzen. Unter Windows kann man in gleicher Weise unter cycwin arbeiten oder die Oberfläche von WinAVR (Programmers Notepad) benutzen, wenn man keine Befehlseingabe auf der Konsole mag. Ich lehne bei weitem nicht jede graphische Oberfläche ab. Mich würde sie aber in diesem Fall bei der Arbeit behindern und das kann ja nicht der Sinn sein. Das Übersetzen meines Programms müßte mit der Standardversion von WinAVR möglich sein. Man kann dann die Programmdaten mit jedem Tool in den Prozessor laden. Wenn man das Programm (.hex/.eep) mit avrdude in den ATmega laden möchte und auch die Fuses mit meiner Makefile setzen möchte, braucht man meinen Patch für WinAVR/avrdude Beitrag "Re: Transistortester AVR" . Zu der Bedienung mit WinAVR (Programmers Notepad) nur soviel: Es wird die Makefile im richtigen Unterverzeichnis (z.B. default) geöffnet, die nötigen Anpassungen der Optionen und Schnittstellen gemacht und die Makefile abgespeichert. Dann kann in der Menüleiste unter tools sofort der Punkt "[WinAVR] Program" aufgerufen werden. Die Makefile weiß, daß bei geänderter Makefile die Software vorher neu übersetzt werden muß, bevor das Programm in den ATmega geladen wird. Ein vorheriger Aufruf von "[WinAVR] Make All" schadet aber auch nicht. Danach muß noch das Setzen der Fuses erledigt werden mit "[WinAVR] set Fuses" oder "[WinAVR] ! set Fuses Crystal", wenn es vorher nicht schon einmal erledigt wurde. Grüße, Karl-Heinz
Dirk Willner schrieb: > Das alles in einfacher Sprache, so das auch Alle es verstehen. > > Proggen für Dummies. Hallo Dirk, in meiner Doku gibt es unter dem Kapitel Hardware das Unterkapitel 2.5 Programmieren des Mikrocontrollers. Da habe ich die Vorgehensweise knapp beschrieben. Es sind auch Referenzen zu dem WinAVR Wiki und meinem Patch auf Mikrocontroller.net angegeben. Ich möchte nicht alles noch einmal erklären, was woanders schon frei zugänglich beschrieben wurde. Trotzdem werde ich überdenken, den Windows-Teil in diesem Unterkapitel etwas ausführlicher zu gestalten. Grüße, Karl-Heinz
Karl-Heinz Kübbeler schrieb: > Ich hasse nichts mehr bei der Arbeit, als ein Tool, daß mir > mit geballter Intelligenz hilfreich bei der Arbeit im Wege steht. Du sprichst mir aus der Seele! Und so schön formuliert. Danke! ;-)
Dirk Willner schrieb: > Vieleicht ein kleines WIKI für den Tester. > > Ja, ist schon viel geschrieben im µC-net. Eben, warum jetzt alles zum x-ten mal?? > > Aber nicht Alle kommen mit Erfahrungen--> proggen, Sxx-Dingens usw. > klar. Wenn sich jemand mit µCs befasst, muss er/sie auch sehen wie das Programm in die Kiste rein kommt. Das ist in diesem Forum schon etliche mal gefragt und auch beantwortet worden. Wenn jemand mit dem Compiler nicht klar kommt, kriegt er eben die fertigen files hier geliefert. Auch das ist schon gemacht worden und sogar fertig programmierte µCs wurden verschickt. Ich will niemanden davon abhalten ein wiki zu schreiben, halte es aber absolut für unnötig.
> Ich will niemanden davon abhalten ein wiki zu schreiben, halte es aber > absolut für unnötig. Gibt es doch laengst, muesste man nur um ein paar Zeilen erweitern. Dann muesstet ihr hier nicht 33 mal die selben Fragen beantworten. Da hat Dirk schon Recht.
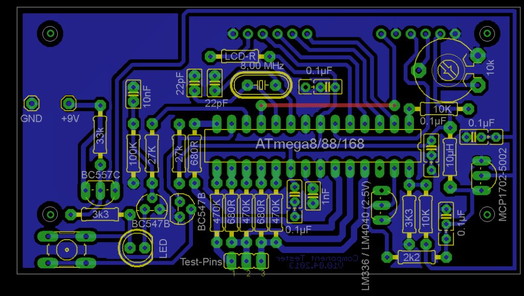
aus China kommt jetzt "Booster edition Ver 2.3 2013/03/26". Größte Änderung: kein Quarz mehr im Layout vorhanden. Board lief auf Anhieb. Jetzt habe ich ttester_107k drauf gebrannt. AREF Kondensator ist 1nF, Elkos weiterhin 220uF, Vorwiderstand zur Diode ist 2k2 Ohm und es ist weiterhin nur eine Diode drin. Kutte PS: wenn kein Bauteil an den Testpins, ist die Stromaufnahme >= 20 mA und da schläft wohl nichts.
Kutte schrieb:
"Booster edition Ver 2.3 2013/03/26".
kein Quarz mehr im Layout vorhanden
Bitte photos von oben- und unter-seite , damit jeder es mal anschauen
kann.
nitro2
Kutte schrieb: > PS: wenn kein Bauteil an den Testpins, ist die Stromaufnahme >= 20 mA > und da schläft wohl nichts. Hallo Kutte, war der Stromverbrauch mit der Originalsoftware gemessen worden oder mit der 1.07k ? Der Stromverbrauch läßt sich senken durch Austausch der Spannungsreglers gegen MCP1702-5002 (ca. -3 mA) und durch Austausch des 1K Potentiometers gegen ein 10k Potentiometer (ca. -5 mA). Mit diesen Maßnahmen und dem Schlafmodus der Prozessors sollte der Verbrauch ohne Meßarbeit unter 10 mA liegen. Grüße, Karl-Heinz
hallo, Messung mit Software 1.07k, 10kOhm Poti und jetzt LM4040 Referenz, 78L05: Ruhestrom < 1uA, Messung eines 1 cm Drahtes 10,3mA (zwischen Pin 1-2 o,01 Ohm zwischen Pin2-3 0,02 Ohm), Messung alle Anschlüsse frei 17,5mA Fotos habe ich leider nicht, es ist aber alles genau so wie auf den Bildern Beitrag "Re: Transistortester AVR" bis auf den Quarz und dessen Lastkondensatoren. Auch die dazu gehörenden Leiterbahnen auf der Unterseite sind nicht mehr im Layout. Läuft schön, danke Karl-Heinz !!! Kutte
Ich danke hier nochmal für Karl-Heinz für seine Hilfestelllung ! Was kommt als nächstes in der Verion 1.08 oder sogar 2.0 ?
Barney Geroellheimer schrieb im Beitrag #3143323: > Dann frag' auch nach Neuerungen und nicht nach solch einem Stuss, was in > Version 2.0 denn sein wird. > > Und wie waere es, wenn Du mal ein paar Neuerungen / Ideen einbringst, > statt deamlich zu fragen " was kommt als naechstes" > > Was erwartest Du denn noch ? Sag mal. > > Deswegen diese genauso bescheuerte Antwort von mir. Keiner von euch sieht respektlos auf die Leistungen von Karl-Heinz, so verstehe ich euer beider Schreiben. Im Gegenteil, ihr scheint ja beide das gleiche zu meinen. Darüber hinaus finde ich die Antwort von Barney ganz lustig und nicht herabwürdigend. Im Gunde fragt der eine, "Kommt da noch was?", im Sinne von: Was kann da noch kommen? Der andere antwortet auf sehr lustige Weise: Was soll da noch kommen können und kann das Teil nicht schon alles? Hört auf euch zu hauen oder geht in den Ring. Ich mach euch dann auch gern den Ringrichter. Ich denke jeder hier schätzt nicht nur die unglaubliche Leistung von Karl-Heinz hier hoch, sondern auch ihn selbst als ganz feinen Menschen, der er ja nun mal wirklich ist.
Ach seit Ihr wieder nettelich... Welche Ansprüche stellt Ihr denn noch? Das Teil kann doch schon mehr, als die Spezifikation des Controllers hergibt. ...
Es ist angemessen, dass dieser thread administrator und gereinigt ausgelöscht alle unnötigen beiträge - es wäre ein harter job sein.
Ich sende meinen modifizierten PCB-Design. Nicht enthalten sind Referenz-Spannungsquelle und Quarz.
Alternative für MCP1702-5002 ist LP2950CZ-5.0 oder LE50CZ (achten sie auf die beteiligung der pins). Einstellen der ATmega168 sicherungen für den internen RC oszillator ist lfuse = 0xE2 und hfuse = 0xDC.
Meine modifikation "Asko B" PCB (ich danke Ihnen sehr für die veröffentlichung von dokumenten).
Tom666 Dass sieht ja sehr sauber aus :-) Jetzt bestucken und testen ........... nitro2
tom666 schrieb: > Meine modifikation "Asko B" PCB Hallo tom666, Die 10uH Spule ist an dieser Stelle wirkungslos, sie ist eher schädlich. Wenn überhaupt eine Spule, gehört sie zwischen VCC und AVCC. Sie ist aber beim Transistortester überflüssig, da während der ADC-Messung keine Schaltvorgänge erfolgen. Lieber je einen zusätzlichen Kondensator (1uF bis 22uF) am Eingang und Ausgang des Spannungsreglers vorsehen. Grüße, Karl-Heinz
@ tom666 (Gast) Vieleicht anmelden, dann könnte man per PM alles vereinfachen. Nur eiene Idee. LG Dirk
Hello tom666, Please send me Component-Tester_V10.04.2013 eagle pcb files. Thanks.
@tom666 Ist da auch etwas als EAGLE oder Target 3001 bzw. Andere Layout-Prg,s? Vieleicht als .zip, .tar? Wäre nett, wenn du es einstellen könntest. Bist leider nicht per PM zu erreichen. LG Dirk
Hi tom666, Simple Component Tester pcb zip or rar file do you have for the eagle. Thank you.
Hallo und Respekt für das Projekt! AtMega168 Software 1.07 Bei der Transistormessung wird z.B die Belegung korrekt erkannt, allerdings zeigt der Tester in der 2. Zeile B=1,49M. Transistor als Testobjekt war ein BC547B. Was stimmt da nicht mit dem hfe? Die Software habe ich fertig übersetzt verwendet, da das mit dem compilieren nicht geklappt hat mit winavr. Ich würde mich sehr über einen Hinweis freuen, da dies mein 3. MC Projekt ist und mir denke ich noch einige grundsätzlichen Dinge zum Verständnis fehlen. Grüße Mario
Hallo Tom666, du hast echt tolle Arbeit geleistet. Ich würde dein Teil gern nachbauen - kannst du mir dazu deine Eagle-Files zur Verfügung stellen? Dank dir im Voraus Gruß Wolfgang
Mario M. schrieb: > Software 1.07 > > Bei der Transistormessung wird z.B die Belegung korrekt erkannt, > allerdings zeigt der Tester in der 2. Zeile B=1,49M. > > Transistor als Testobjekt war ein BC547B. Was stimmt da nicht mit dem > hfe? das Fehlverhalten wurde inzwischen geklärt. Es lag an einer falschen Kondensatorbestückung am 8 MHz Quarz. Bei RC-Oszillator Betrieb trat das Fehlverhalten nicht auf. Es ist schon seltsam, was sich manchmal als Fehlerursache herausstellt. In einem anderen Fall war mit einem bestimmten Prozessor keine LCD-Ausgabe möglich. Die gleiche Programmversion lief aber auf einem anderen Prozessor gleichen Typs (ATmega168A) einwandfrei. Grüße, Karl-Heinz
Gibt es eigentlich ein Layout für eine Einseitige Platine? Das Herstellen von Doppelseitigenplatinen ist leider doch etwas aufwendig. MfG Bene
Benedikt K. schrieb: > Gibt es eigentlich ein Layout für eine Einseitige Platine? Von welcher Version ? Kannst relativ günstig beim Jakob bestellen, oder willst selber ätzen ? Ich würde lieber beim Jakob bestellen.
Thomas der Bastler schrieb: > Von welcher Version ? > Kannst relativ günstig beim Jakob bestellen, oder willst selber ätzen ? > Ich würde lieber beim Jakob bestellen. Am liebsten von der aktuellsten. Eigenltich hatte ich an Selberätzen gedacht, aber die "Sammelbestellungen" von Jakob hören sich auch gut an. Wo finde ich denn die Platinenlayouts? MfG Benedikt
Ich hatte schonmal so halb gefragt, nun sind die Displays da, der Rest quasi fertig, und ich könnte meinen bisherigen Tester in die 19"-Front einbauen. Ist das sinnvoll, oder haben sich inzwischen von der Schaltung her Änderungen ergeben, sodass ein Neubau zwecks besseren Ergebnissen nicht verkehrt wäre? Mir wärs eher wurscht, Teile wären da, und mit nem STK500 kann ich jetzt auch ziemlich sicher nen Atmega8 programmieren ;) (mein bisheriger Tester läuft mit nem 16er und geänderter Firmware, weit vor jeder Versionsanzeige oder erkennbaren Selbsttests beim Start)
Benedikt K. schrieb: > Gibt es eigentlich ein Layout für eine Einseitige Platine? Das > Herstellen von Doppelseitigenplatinen ist leider doch etwas aufwendig. Hallo Ich persoenlich finde, das es nicht viel komplizierter ist. (Zumindest bei Fotobeschichteten Platinen) Aber es gab doch hier gerade in letzter zeit einige einseitigen Layoutvorschlaege. zB. von tom666 Gruss Asko.
Das von mir is ja auch einseitig. Nur böse gedrängt mits direkt hinter das LCD passt.
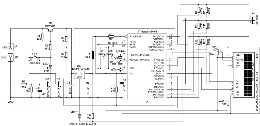
Mathias B. schrieb: > Ich hatte schonmal so halb gefragt, nun sind die Displays da, der Rest > quasi fertig, und ich könnte meinen bisherigen Tester in die 19"-Front > einbauen. Ist das sinnvoll, oder haben sich inzwischen von der Schaltung > her Änderungen ergeben, sodass ein Neubau zwecks besseren Ergebnissen > nicht verkehrt wäre? Hallo Mathias, leider weiß ich nicht genau, welchen Aufbau Du betreibst. Sind die Hardware Modifikationen wie PullUp Widerstand an PD7, der auf 1nF verkleinerte Kondensator am AREF Pin usw. schon berücksichtigt? Alle notwendigen Änderungen sind ohne neues Layout nachträglich durchführbar. Die Erweiterungen um einen 8MHz Quarz und um eine 2.5V Präzisionsreferenz sind für bescheidenere Ansprüche der Kapazitätsmessung auch verzichtbar. Ein Software Update auf Version 1.07k mit einem ATmega168 oder ATmega328 ist sinnvoll wegen der verbesserten ESR-Messung und der zusätzlichen Bestimmung des Spannungsverlustes nach einem Ladepuls bei Kondensatoren über 5nF. Mit dem Spannungsverlust (Vloss) kann die Güte eines Kondensators grob abgeschätzt werden (hohe Güte = kein Spannungsverlust). Grüße, Karl-Heinz
Die Bestückung dürfte noch ziemlich genau der des ursprünglichen Testers entsprechen. Ich hab mir mal die Verdrahtung genauer angeschaut, den jetzt auf externes Display umzurüsten hätte ziemliches Chaos und bestimmt die gleiche Arbeit bedeutet wie nen neuen zu bauen. Und dann noch die Modifikationen der Restschaltung...nee. Also hab ich nen neuen gebastelt ;) Gefehlt hat mir noch die Referenz (da hätt ich nur nen LM 4040 da, der aber für was anderes verplant ist), und ein etwas größerer Atmega, mehr als ein normaler 8er ist nicht vorhanden Aber beides ja optional und mit minimalem Aufwand nachrüstbar, wenn ich das Zeug mal irgendwo bekomme. Kompilierung war wieder ein wenig aufwändiger als gedacht, ich brauch ja keinen Batterietest drin. Genauer gesagt darf ich keinen drin haben, weil das Ding sonst nicht läuft, er kriegt direkt 5V rein. Unter Linux hab ich keine Hardware, mein 2503er Dock fürs Thinkpad meldet aktuell weder Seriell- noch Parallelport. Und der China-Adapter für USB auf Seriell tut auch nicht, was er soll. Unter Windows läuft das Dock, dafür geht die Kompilierung im AVR-Studio nicht. Und das Makefile auch nicht, bis ich begriffen habe, dass das als ANSI abgespeichert werden muss. Solange es als UTF8 vorliegt, läuft damit kein Make. Gut, geht nun erstmal, meldet aber bevorzugt Transistoren, stets P-Typen. Das schau ich mir heute nochmal an, sollte ja zu finden sein. Bleibt nur der Hass auf unsre Fleunde aus der Sonderwirtschaftszone, die LCDs mit Maßzeichnungen verkaufen und dann was ganz anderes liefern. Wär mir ja grundsätzlich wurscht, aber Löcher in Frontplatten größer machen ist WESENTLICH einfacher als sie zu schrumpfen...
Mathias B. schrieb: > Bleibt nur der Hass auf unsre Fleunde aus der Sonderwirtschaftszone, Wolltest Du nicht schreiben?: > Bleibt nul del Hass auf unsele Fleunde aus del Sondelwiltschaftszone, ;-) ...
Hat jemand schon einmal den 104k Code mit AVR-Studio übersetzt? Ich bekomme da massig Fehlermeldungen, weil Variablen nicht deklariert sind. Habe schon versucht, Header-Files mit einzubinden, aber komme nicht so recht weiter.
Hannes Lux schrieb im Beitrag #3160724: > Da liegst Du völlig falsch. Du verallgemeinerst zu schnell und hast > vermutlich Deinen Humor-Detektor deaktiviert... > Bei der Übersteuerung um 10 Uhr am Sonntag vermute ich eher, dass bei unsrem Gast gar keiner installiert ist. Pete K. schrieb: > Hat jemand schon einmal den 104k Code mit AVR-Studio übersetzt? Ich > bekomme da massig Fehlermeldungen, weil Variablen nicht deklariert sind. Das hab ich auch in der aktuellen 1.07k und dem 4er Studio. Per Makefile klappts aber. Fraglich, wer da Recht hat. Meinen Tester hab ich jetzt noch mehrfach durchgemessen und insbesondere auf die Pfade der Messwiderstände nochmal schön mit dem Lötkolben draufgepatscht. Hilft aber nix, misst immer noch Mist. Auffällig: Klemm ich nen Widerling zwischen 1 und 3, wirds als solcher erkannt. Aber stets im Bereich 0,0 bis 0,4 Ohm. Schließ ich alle Pins kurz, wirds als Poti mit knapp 0 Ohm erkannt. 1 auf 2 und 2 auf 3 bringt nix sinnvolles, ebenso offene Klemmen, Transistoren oder Folienkondis. Bei ner Duo-LED wird massiv mehr getestet, wenn sie zwischen 1 und 2 hängt, bei 2-3 und 1-3 wird nur eine Richtung geprüft (!). Aber auch bei 1-2 kommt ein N-D-MOS oder P-D-MOS mit 123=GDS, I~5mA und Vgs 60-65 heraus. In der Hinsicht bin ich also grade aufgeschmissen. Mit nem Multi kann ich das direkt an den Messpunkten des AVRs jedenfalls vernünftig messen, also fehlt mir der Ansatzpunkt, wo im Layout da der Fehler ist. Getestet mittlerweile auch mit nem zweiten Atmega 8, den ich mit der deutschen Version ausgestattet hab. Außer nem gelegentlichen Anzeigefehler "Testen...V" gibt sich das nix. Egal ob über internem Clock oder mit den drangebauten 8 MHz. Wie kritisch ist die Gleichheit der beiden Kondensatoren am Quarz? Schwingt der nicht anständig, wenn auf der einen Seite 21pF und auf der anderen 23pF dran hängen?
Mathias B. schrieb: > Wie kritisch ist die Gleichheit > der beiden Kondensatoren am Quarz? Schwingt der nicht anständig, wenn > auf der einen Seite 21pF und auf der anderen 23pF dran hängen? Das sollte keine Auswirkungen haben. Es funktioniert von 2x 18pF bis 2x 27pF. Mathias B. schrieb: Schließ ich alle Pins kurz, wirds als > Poti mit knapp 0 Ohm erkannt. Das klingt doch beinahe nach kurzschluss zwischen Messpin 1-2 oder 2-3. Gruss Asko edit: sehe jetzt erst "alle Pins kurz" dann ist es ja klar...sri
Another clone of "Transistor Tester" (MCU ATmega328): http://electronics-diy.com/product_details.php?pid=651&name=ESR%20Meter%20/%20Transistor%20Tester%20Kit I'm angry. The seller on the website does not link to the original page of this project.
ich habe gleich mal eine böse mail geschrieben über das dortige kontaktformular. sollten wir alle so machen...
Witzig finde ich immer die günstige Position des Kontrastpotis fürs Display...
Na für 59,95$ zuzüglich 9$ Versand ist das doch ein echtes Schnäppchen! Da hab ich gleich mal bestellt ...
For the price of 68,95 USD would I have made a few. My piece cost me a fraction of their price :) ATmega328 - 3.23 USD (free shipping): http://www.ebay.com/itm/NEW-ATMEGA328P-PU-DIP-28-Microcontroller-IC-/130872191672?pt=LH_DefaultDomain_0&hash=item1e78972ab8 LCD 16x2 Green Backlight - 2.23 USD (free shipping): http://www.ebay.com/itm/160987226774?ssPageName=STRK:MEWNX:IT&_trksid=p3984.m1439.l2649 or LCD 16x2 Black Backlight - 7.28 USD (free shipping): http://www.ebay.com/itm/160871013478?ssPageName=STRK:MEWNX:IT&_trksid=p3984.m1439.l2649
Alex schrieb: > ich habe gleich mal eine böse mail geschrieben über das dortige > kontaktformular. > > sollten wir alle so machen... Mich wuerde mal interessieren was Du da boeses hin geschrieben hast und was wir schreiben sollten. @tom666 Very nice work. Selfmade PCB ?
Alex schrieb: > ich habe gleich mal eine böse mail geschrieben über das dortige > kontaktformular. > > sollten wir alle so machen... Muss denn jeder, der ein paar Euro/Dollar verdienen möchte, von euch angepinkelt werden?
Davis schrieb: > Muss denn jeder, der ein paar Euro/Dollar verdienen möchte, von euch > angepinkelt werden? Eben, zumal die ja gegen keinerlei Rechte verstossen, jedenfalls habe ich diesbezueglich nichts konkretes gefunden. Deswegen meine Frage oben.
Barney Geroellheimer schrieb: > Eben, zumal die ja gegen keinerlei Rechte verstossen. So lange es nicht explizit per Lizenz freigegeben ist, verstoßen sie eben doch gegen das Urheberrecht. Nur weil es veröffentlicht ist darf damit nicht automatisch jeder alles machen. Kopiere mal Nachrichten von Webseiten und Drucke daraus eine eigenen Zeitung – da wirst du auch ganz schnell Ärger mit den Verlagen bekommen.
Moritz A. schrieb: > So lange es nicht explizit per Lizenz freigegeben ist, verstoßen sie > eben doch gegen das Urheberrecht. Das hiesse ja, dass sich quasi alle in diesem Forum strafbar machen, die diese Software hier mal angehangen haben. Ganz besonders Karl-Heinz, der diese ja immer wieder neu hochlaed und damit allen zur Verfuegung stellt. Es wird ja nicht die Software verkloppt, sondern das Geraet. Also nichts mit GNU und Co. Meiner Meinung nach, also alles rechtens. Markus hatte damals einfach versaeumt es unter GNU zu stellen, oder wollte es erst garnicht. Das Einzige was ich dazu gefunden habe ist eine kleine Zeile im Wiki, aber wer weiss wann die dazu geschrieben wurde und von wem.
Barney Geroellheimer schrieb: > Das hiesse ja, dass sich alle in diesem Forum strafbar machen. Jein, auf der Originalseite steht ja explizit: > Dieses Projekt wird nur für nicht-kommerzielle Nutzung bestimmt. Jegliche kommerzielle Produktionen bedürfen der ausdrücklichen Genehmigung des Autors. Damit ist die Erlaubnis gegeben. > Ganz > besonders Karl-Heinz, der diese ja immer wieder neu hochlaed und damit > allen zur Verfuegung stellt. Jetzt fasse dir mal an deine Nase. Er darf also nicht mit seinem eigenen Werk machen, was er gerne machen würde? > Es wird ja nicht die Software verkloppt, sondern das Geraet. Also nichts > mit GNU und Co. Meiner Meinung nach, also alles rechtens. Du meinst wohl GPL und nicht GNU; nichtsdestotrotz ist genau diese Software auf dem Gerät installiert und wird damit – wenn auch in einer anderen Form, da kompiliert – mit ihm ausgeliefert. Und verstößt recht eindeutig gegen die ganz oben zitierte Nutzungserlaubnis.
Wie oben schon geschrieben. Den Wiki Eintrag, kann irgendwer, irgendwann mal geschrieben haben. Bedeutet also rein garnichts. > Jetzt fasse dir mal an deine Nase. Er darf also nicht mit seinem eigenen > Werk machen, was er gerne machen würde? Siehst Du, garnicht so einfach. Es ist nicht SEIN Werk, sondern das von Markus. Und dies veroeffentlicht er ja staendig auf's Neue. Widerspricht sich doch also wieder mit dem hier. > So lange es nicht explizit per Lizenz freigegeben ist, verstoßen sie > eben doch gegen das Urheberrecht. Ich bin mir nicht ganz sicher, aber ich meine in einer der allerersten Versionen mit dem m8 stand mal was in der Kopfzeile. Aber auch nur irgendwie "copyright Markus Frejek". Aber das ist schon seit Ewigkeiten verschwunden. Es ist also nichts mehr nachvollziehbar.
Ich hatte dieses Thema schon einmal beschrieben. Da bekam ich mecker, von einigen Usern, die ich jetzt nicht nenne. Muß auch nicht. Alles ist offen, für Jedermann/Frau. Ein wenig habe ich auch mitgewirkt.... Platinen, Ideen-> Layout. Nicht so viel wie Marcus, Mike, Asko, K.H. aber es macht ein wenig traurig, wenn so etwas ausgenutzt wird. Patent geht nicht. Gebrauchmusterschutz schon... Leider alles zu lange her, da alles -- Software, Hardware -- offen liegt. Damit leben Alle im Forum. ABER: Nicht alles, was im WEB angeboten wird ist gut!!! Da fehlt einiges. Am besten auf die Software ein "Wasserzeichen" LockBits um zu schauen, was dann passiert! LG Dirk
> aber es macht ein wenig traurig, wenn so etwas ausgenutzt wird. Verstehe ich nicht. Das Forum darf es ausnutzen, aber andere nicht. Findest Du das nicht etwas "Merkwuerdig" ? Ich dachte immer genau dazu waere das Projekt da. Eben das alle etwas davon haben. Und zu allen zaehlen fuer mich auch Chinesen und U.S. Amerikaner. Ja sogar Haendler. > ABER: Nicht alles, was im WEB angeboten wird ist gut!!! Nur nicht Aktuell. Das kommt schon alles noch. > Da fehlt einiges. Am besten auf die Software ein "Wasserzeichen" > LockBits. Und das haette welchen Sinn ? Das diese Softwaere drauf rennt wissen alle. Und es ist ja auch okay, wie gesagt ich sehe da kein rechtliches Problem drin. Schade finde ich nur, das nicht auf den / die Entwickler hingewiesen wird. Nicht mal in der Software steht irgendwas davon. Vielleicht sollte man das mal Einpflegen. Auch wenn es bei jedem Start nervt, aber ich denke das haben die Beiden sich verdient. /Edit Ich habe eben mal im Original - Archiv nachgesehen. In der allerersten Version 17.4.08 bzw. 21.3.09 (Selber Quelltext) steht nichts von irgendeinem Copyright. Der einzige Hinweis dazu ist also das Wiki und da steht nirgendwo was, wann und wie weit von irgendwem geaendert wurde. Also unbrauchbar.
Barney Geroellheimer schrieb: >> aber es macht ein wenig traurig, wenn so etwas ausgenutzt wird. > > Verstehe ich nicht. Das Forum darf es ausnutzen, aber andere nicht. > Findest Du das nicht etwas "Merkwuerdig" ? > Ich dachte immer genau dazu waere das Projekt da. Eben das alle etwas > davon haben. Und zu allen zaehlen fuer mich auch Chinesen und U.S. > Amerikaner. Ja sogar Haendler. Wie darf ich dieses vertehen: Chi, US usw zahlen... an wen? > >> ABER: Nicht alles, was im WEB angeboten wird ist gut!!! > > Nur nicht Aktuell. Das kommt schon alles noch. na dann ELV oder Conrad > >> Da fehlt einiges. Am besten auf die Software ein "Wasserzeichen" >> LockBits. > > Und das haette welchen Sinn ? Das diese Softwaere drauf rennt wissen > alle. Und es ist ja auch okay, wie gesagt ich sehe da kein rechtliches > Problem drin. So ist es. > > Schade finde ich nur, das nicht auf den / die Entwickler hingewiesen > wird. Nicht mal in der Software steht irgendwas davon. Vielleicht sollte > man das mal Einpflegen. Auch wenn es bei jedem Start nervt, aber ich > denke das haben die Beiden sich verdient. Das ist es. Einen Link, oder Hinweis ist o.k. Aber dann werden Beide zugemehlt... > > /Edit > > Ich habe eben mal im Original - Archiv nachgesehen. In der allerersten > Version 17.4.08 bzw. 21.3.09 (Selber Quelltext) steht nichts von > irgendeinem Copyright. Der einzige Hinweis dazu ist also das Wiki und da > steht nirgendwo was, wann und wie weit von irgendwem geaendert wurde. > Also unbrauchbar.
@Barney > Es ist nicht SEIN Werk, sondern das > von Markus. Und dies veroeffentlicht er ja staendig auf's Neue. na ja, zwischen diesen beiden Werken, bestehen inzwischen Welten! Hardware sowie Software mässig! Jeder hat hier seine Ideen und Vorschläge mit eingebracht... Also kein Vergleich zum jetzigen Stand, den sich vorher Niemand hätte vorstellen können, sonst wären wir ja heute noch bei der Braunschen Röhre, oder? Gruß Michael
Michael D. schrieb: > @Barney >> Es ist nicht SEIN Werk, sondern das >> von Markus. Und dies veroeffentlicht er ja staendig auf's Neue. > na ja, zwischen diesen beiden Werken, bestehen inzwischen Welten! > Hardware sowie Software mässig! Jeder hat hier seine Ideen und > Vorschläge mit eingebracht... Darum geht es nicht. Es geht um die vermeindlichen Rechte von Markus. Du musst schon etwas sorgfältiger lesen, was andere posten. > Also kein Vergleich zum jetzigen Stand, den sich vorher Niemand hätte > vorstellen können, sonst wären wir ja heute noch bei der Braunschen > Röhre, oder? Das ist substanzloses Geschwätz und gehört nicht zum Thema.
Wie sieht es denn generell mit der Lizenz hier auf µc.net aus? Den einzigen Hinweis, den ich spontan gefunden habe, ist im Artikel zu den Ergebnissen des 2. Artikelwettbewerbes. Und dort steht ganz unten, dass alle Artikel unter CC BY-SA 2.0 stehen. Beitrag "Die Ergebnisse des 2. Mikrocontroller.net Artikelwettbewerbs" Gilt das für das gesamte Wiki? Oder sogar für die ganze Seite und alles, was hochgeladen wurde? Es gab auch mal eine Unklarheit über hochgeladene Eagledateien, als sie noch proprietär waren. Finde den Thread aber gerade nicht. Beispiele von anderen Seiten: http://ubuntuusers.de/lizenz/ http://de.wikipedia.org/wiki/Wikipedia:Lizenzbestimmungen
Dirk Willner schrieb: > Wie darf ich dieses vertehen: Chi, US usw zahlen... an wen? Richtig lesen. >> na dann ELV oder Conrad Moeglich, warum auch nicht ? Michael D. schrieb: > na ja, zwischen diesen beiden Werken, bestehen inzwischen Welten! Das interessiert doch ueberhaupt nicht. Von Linus Torvalds Ur-Kernel ist auch nichts mehr uebrig und trotzdem basiert so ziemlich alles auf diesem. Es gibt Massenhaft Linux - Distributionen, MAC OS, Android... womit sehr viel Geld gemacht wird. Es wird ja sogar gemunkelt das Microsoft da nun auch schon mitwirkt. Win1.0 und Win8 haben auch nichts mehr gemein. Ist es deswegen nicht mehr Bill Gates Werk ? Genau so verhaelt es sich mit Makrus und Karl-Heinz. Es ist ganz klar Markus seins, auch wenn Karl-Heinz es voellig umgestrickt hat. Also warum sollen sich die Chinesen oder sonst wer, daran nicht eine Scheibe abschneiden ? Im Gegenteil, warum sollten sie nicht noch hingehen und das Ding noch weiter entwickeln. Ich haette da noch zig Ideen. Das Dingen ist nun mal beliebt, brauchbar und guenstig. Und ich finde es voellig okay das die ganze Welt etwas davon hat und nicht nur unser auserkorenes typisch deutsches Forum hier. Die Welt koennte so einfach sein, wenn alle so uneigennuetzig wie Markus und Karl-Heinz denken wuerden. Wie einfach alles waere... All die Anderen die mitgewirkt haben und dies noch tun natuerlich mitgezaehlt.
Barney Geroellheimer schrieb: > @tom666 > Very nice work. Selfmade PCB ? Thank you for the compliment. I making PCB with the photo-positive-method. I want this again thank the authors of this concept for their excellent work. Just because they are allowed ordinary users to construct this excellent measurement tool.
Die letzte SW-Version macht Probleme. Beim Test einer IR-Diode findet die Routine nicht mehr aus der Testschleife heraus. Zieht man nach ca. 30s die Diode aus dem Testsockel, erscheint "Bauteil defekt". Woran kanns liegen?
da Du wahrscheinlich nichts zum Thema, nützliches beitragen kannst gibt es nur sowas: zp5u88 schrieb: > Das liegt an dem Spagetti Code
Infrarot-Diode hatte ich gerade in den Fingern und geht zu messen ohne lange Wartezeiten, gerade getestet! Dann muß sie wohl defekt sein.
herb_hauser schrieb: > Die letzte SW-Version macht Probleme. Beim Test einer IR-Diode findet > die Routine nicht mehr aus der Testschleife heraus. Zieht man nach ca. > 30s die Diode aus dem Testsockel, erscheint "Bauteil defekt". > > Woran kanns liegen? Möglicherweise daran, daß keine Zeitüberwachung beim Beseitigen einer eventuell vorhandenen "Restladung" vorgesehen ist. Da die Diodentests auch bei Kondensatoren durchlaufen wird, ist hier eine Entladung vorgesehen. Bei früheren Versionen konnte es bei Elkos sonst fälschlicherweise zu einer Dioden-Erkennung kommen. Bei Licht sensitiven Dioden könnte vielleicht eine Restspannung durch die Lichteinstreuung verbleiben. Bei der Entwicklerversion im Software/trunk Zweig ist jetzt eine Warteschleife mit Zeitüberwachung programmiert. Es wäre hilfreich, mit dieser Version erneut zu testen und eine kurze Rückmeldung zu geben. Vielen Dank für die Schilderung des Problems. Grüße, Karl-Heinz
Hallo Karl-Heinz, Diode mit korr. Pinning und C=19pF wird jetzt angezeigt. Habe nur neues CheckPins.c geladen und neu kompiliert. Danke für den sehr schnellen Update h_h
Habe nun auch eimal den Tester auf Lochraster nachgebaut. Alles funtkioniert soweit, bis auf das messen ;). Ich bekomme nämlich immer die Fehlermeldung "Cell!" und die Batteriemessung zeigt 19V an, obwohl die Eingangsspannung 12V beträgt. Der Tester ist über mein Labornetzgerät angeschlossen, dessen Spannung auch nicht schwankt oder ähnliches. Meine Schaltung stimmt soweit, bis auf den AREF Kondensator, der bei mir nicht 1nF beträgt, sondern 1,5nF. Wo könnte mein Fehler liegen? MfG Bene P.S. Natürlich auch nochmal von mir ein großes herzliches Danke für das Bereitstellen der Doku und der Software!
Hallo Benedikt, Ich habe letzte Woche auch die Lochraster Variante nachgebaut. Auch von mir herzlichen Dank an die Autoren. Hatte vergessen die Fuses zu setzen, und es kamen seltsame Meßergebnisse. Nach setzen der Fuses, war alles bestens. Hast Du das Makefile aus dem Pfad ../atmega168_strip verwendet? Gruß Ralf P.S derzeit frickel ich das Port-Schutzrelais auf die Lochrasterplatine. Sollte man evtl. Widerstände mit aufschalten, um den zu entladenden Kondensator nicht kurz zu schließen?
Ralf Schröder schrieb: > P.S derzeit frickel ich das Port-Schutzrelais auf die Lochrasterplatine. > Sollte man evtl. Widerstände mit aufschalten, um den zu entladenden > Kondensator nicht kurz zu schließen? Hallo Ralf, mit Widerständen zu den Relais-Kontakten leidet die Schutzfunktion. Wenn man den Verdacht hat, daß Kondensatoren noch eine hohe Restladung besitzen, sollte man die Kondensatoren vorher separat entladen. Eine weitere Möglichkeit besteht darin, einen niederohmigen Widerstand in Serie mit den Testports zu schalten und so eine Probemessung zu machen. Die ESR-Messung ist so natürlich nicht möglich. Aber auf keinen Fall Widerstände in die Zuleitung der Relais-Ruhekontakte! Grüße, Karl-Heinz
Ralf Schröder schrieb: > Nach setzen der Fuses, war alles bestens. > Hast Du das Makefile aus dem Pfad ../atmega168_strip verwendet? Die Fuses passen soweit. Das Striplayout habe ich leider nicht gesehen, deswegen verwende ich das Default Layout. Nach etwas Recherche bin ich darauf gekommen die Kondensator-Rest-Spannung (oder so ähnlich, habe die Doku nicht zur Hand) in der Makefile auf 20 zu erhöhen. Damit kann ich jetzt wenigstens Dioden testen. Widerstände und Kondensatoren werden jedoch nicht erkannt bzw. falsch benannt. Wenn ich nichts an den Tester anschließe wird dies als ein Kondensator mit immer 69 nF angezeigt. Woran könnte das liegen? MfG Bene
@Benedikt K. > Wo könnte mein Fehler liegen? > MfG Bene Welcher Regler ist verbaut, wenn einer verbaut ist? Oszi zur Hand und den Ripple am Ein-u.Ausgang vom Regler gemessen? Wenn die Leitungen der Spannungsversorgung zu lang sind, kommen die Parasiten, prüfe das! Der Mega168/328 braucht für diese Schaltung äußerst saubere Speisung, sonst wird eben "CELL" angezeigt! Wenn 19V angezeigt werden, ist der Spannungsteiler falsch dimensioniert. Zwischen GND und PC5 setze ein Poti von 5k ein, dann kannst du die Spannungsmessung HW-mässig besser abgleichen. Gruß Michael
Benedikt K. schrieb: > Ich bekomme nämlich immer > die Fehlermeldung "Cell!" und die Batteriemessung zeigt 19V an, obwohl > die Eingangsspannung 12V beträgt. > > Wo könnte mein Fehler liegen? Hallo Benedikt, die "Cell!" Meldung erfolgt immer dann, wenn die Restspannung bei einer Kondensator-Entladung nach einer Wartezeit nicht klein genug wird. Bei einer Netzteil-Einspeisung könnte eine Restwelligkeit eine Rolle spielen. Wichtig ist in diesem Zusammenhang auch eine ordentliche Abblockung der VCC Spannung unmittelbar an den Versorgungspins des ATmega. Auch der Spannungsregler sollte mit Kondensatoren nach der Herstellervorgabe abgeblockt werden. Einen Einfluß des 1.5nF Kondensators am AREF-Pin würde ich ausschließen. Damit kann man nicht die angezeigten 19V erklären. Hierfür müßte das Teilerverhältnis des Spannungsteilers (10k/3.3k) nicht stimmen oder die AVCC Spannung (Referenz) keine 5V haben. Wurde schon die VCC/AVCC Spannung des ATmega überprüft? Wie sieht die Abblockung mit Kondenstoren aus? Grüße, Karl-Heinz
Danke für die schnelle Antwort. Michael D. schrieb im Beitrag #316697 > Welcher Regler ist verbaut, wenn einer verbaut ist? Stinknormaler 7805. Bei einer Eingangsspannung von 12V liefer er auch 5V. Michael D. schrieb: > Oszi zur Hand und > den Ripple am Ein-u.Ausgang vom Regler gemessen? > Wenn die Leitungen der Spannungsversorgung zu lang sind, kommen die > Parasiten, prüfe das! Der Mega168/328 braucht für diese Schaltung > äußerst saubere Speisung, Werde ich machen. Michael D. schrieb: > Wenn 19V angezeigt werden, ist der Spannungsteiler falsch dimensioniert. > Zwischen GND und PC5 setze ein Poti von 5k ein, dann kannst du die > Spannungsmessung HW-mässig besser abgleichen. Eigentlich stimmen die Werte. 3,3K Ohm und 10K Ohm. Das mit dem Poti kann ich auch mal versuchen. MfG Bene
> Wenn ich nichts an den Tester anschließe wird dies > als ein Kondensator mit immer 69 nF angezeigt. Das ist "to much" Kapazität! Du hast definitiv einen Hardwarefehler, wenn die Fusses richtig gesetzt sind und das Makefile korrekt konfiguriert ist, prüfe das! Wie sieht denn dein Layout aus? Ich Komme mir vor, wie bei Robert Lembke...welches Schweinerl hätten's gern? Also zeich mal! Gruß Michael
Zufälligerweise habe sogar meins zur Hand ;). Die Vertikalen Widerstände sollen Lötbrücken sein und der Spannungsteiler ist absichtlich nicht verdrahted. Das habe ich mit Litze gelöst. Der Elko unten am Regler soll aber natürlich nach GND, den Fehler habe ich schon auf der Platine verbessert. MfG Bene
Ach ja, die Leitungen in den Ecken sollen nur meine Bohrungen symbolisieren.
Irgendwie sind da ein paar Teile garnicht angeschlossen. Aber kein Wunder das das nicht funktioniert, das blickt man ja schon auf der "Zeichnung" nicht.
benek schrieb: > die Leitungen Wie realisierst Du die Leiterzüge? Lötest Du sie mit (versilbertem) Kupferdraht? Oder ziehst Du einfach nur Zinnbrücken? ...
benek schrieb: > Wenn ich nichts an den Tester anschließe wird dies > als ein Kondensator mit immer 69 nF angezeigt. > > Woran könnte das liegen? Hallo Benedikt, kommt der Tester dann in den Selbsttest, wenn man die drei Testpins kurzschließt? Bei Test 2, 3, 5, 6 und 7 werden die Abweichungen vom erwarteten Wert in mV angezeigt. Wenn hier auffällig hohe Werte auftauchen, liegt ein Bestückungsfehler oder ein Isolationsproblem vor. Bei Test 4 muß die Verbindung zwischen den Pins getrennt werden. Nach der Nullkapazität ("C0 ....") muß ein Kondensator mit mehr als 100nF an Pin 1 und Pin 3 angeschlossen werden. Grüße, Karl-Heinz
Hannes Lux schrieb: > Wie realisierst Du die Leiterzüge? > Lötest Du sie mit (versilbertem) Kupferdraht? > Oder ziehst Du einfach nur Zinnbrücken? Versilberter Kupferdraht, abgeknipster-Bauteil-Draht und kleinere "Entfernungen" nur mit Lötzinn.
Karl-Heinz Kübbeler schrieb: > kommt der Tester dann in den Selbsttest, wenn man die drei Testpins > kurzschließt? Habe ich noch nicht ausprobiert, danke für den Hinweis. Werde ich morgen mal probieren.
Hannes Lux schrieb: > benek schrieb: >> nur mit Lötzinn. > > Keine gute Idee. > > ... Mit kleinere Entfernungen sind auch nur höchstens 2-3 Löcher gemeint. Das ist doch auch kein Problem, oder? Leitfähig ist es ja schließlich ;)
Na toll, die Farbringe kann ich ich eigentlich, wie das Alphabet, aus dem Kopf, jetzt ist die Glaskugel angesagt...anstrengend! Pin 3 vom Regler(Ausgang), ist da ein Kerko 100nF und wenigstens 10µF Elko vorhanden ? Probehalber beides ergänzen! Und was ist jetzt mit der Oszimessung(Ripple), vorhanden, oder nicht? Gruß Michael EDIT: Entschuldige Karl-Heinz, für den Doppelpost, wir meinen ja dasselbe...
Michael D. schrieb: > Na toll, die Farbringe kann ich ich eigentlich, wie das Alphabet, aus > dem Kopf, jetzt ist die Glaskugel angesagt...anstrengend! > Pin 3 vom Regler(Ausgang), ist da ein Kerko 100nF und wenigstens 10µF > Elko vorhanden ? Probehalber beides ergänzen! Und was ist jetzt mit der > Oszimessung(Ripple), vorhanden, oder nicht? > > Gruß Michael > > EDIT: Entschuldige Karl-Heinz, für den Doppelpost, wir meinen ja > dasselbe... Ja die Werte habe ich nicht beachtet das stimmt. Der Kerko ist vorhanden (100nF). Die Ripplemessung kann ich leider erst morgen machen.
Barney Geroellheimer schrieb: > Irgendwie sind da ein paar Teile garnicht angeschlossen. Aber kein > Wunder das das nicht funktioniert, das blickt man ja schon auf der > "Zeichnung" nicht. Lies bitte nochmal meinen Post -.-
Damit evtl. ein Erfolgserlebnis zustande kommt, klopp mal einen 100µF Elko zwischen GND und Pin 3(Ausgang) des Reglers, teste das, dann sehen wir weiter... Gruß Michael
> Die Ripplemessung kann ich leider erst morgen machen. Und die soll was ergeben ? Batterie dran und es ist nichts mehr zu sehen, dazu braucht man kein Scope. Was ist denn mit dem schwarzen Teil bei Pin 28 ? Gehoert da auch was dran angeschlossen ? Ist das so schwer den Bauteilen einen Wert zuzuteilen und das mal halbwegs ordentlich zu machen, dass auch Dumme da durchblicken ? Was ist mit dem R240 Widerstand an Pin 28 ist der angeschlossen oder haengt der in der Luft ? So finde ich noch mindestens 5 Luecken die einfach nicht passen und dieses Bild sinnlos machen. benek schrieb: > Lies bitte nochmal meinen Post -.- Sind wir hier ein Rate und Puzzelforum ? Mache es doch einfach direkt gescheit, dann blickst Du da evtl. sogar selbst durch. Nicht angeschlossene Bauteile, alles 240mOhm Widerstaende oder irgendwelche to92 Typen, welches vom Temperatuersensor bis zur Diode alles sein koennten, ist ein Unding. Da kannst Du auch ein Bild von einem 2 Jaehrigen hier einstellen, bringt das Selbe.
Barney Geroellheimer schrieb: > Ist das so schwer den Bauteilen einen Wert zuzuteilen und das mal > halbwegs ordentlich zu machen, dass auch Dumme da durchblicken ? Ja ist es. Die Bauteile kann man doch mit Hilfe des Schaltplanes einfach selber benennen. Es geht hier doch lediglich um die Verdrahtung. Barney Geroellheimer schrieb: > Was ist denn mit dem schwarzen Teil bei Pin 28 ? Gehoert da auch was > dran angeschlossen ? Das ist der LT1004. Die Bauteile die da in der Luf hängen, habe ich mit Litze angeschlossen. Die genaue Verdrahtung habe ich aber gerade nicht im Kopf. Barney Geroellheimer schrieb: > Sind wir hier ein Rate und Puzzelforum ? Mache es doch einfach direkt > gescheit, dann blickst Du da evtl. sogar selbst durch. > Nicht angeschlossene Bauteile, alles 240mOhm Widerstaende oder > irgendwelche to92 Typen, welches vom Temperatuersensor bis zur Diode > alles sein koennten, ist ein Unding. Da kannst Du auch ein Bild von > einem 2 Jaehrigen hier einstellen, bringt das Selbe. Das Program, das ich benutze kennt nunmal nicht jedes Bauteil. Das Layout sollte mir nur bei der Verdrahtung eine Hilfe sein. Da hab ich die korrekten Werte eben nicht benötigt. Meinst du es war geplant das Ding zu veröffentlichen? Nein. Bene
> Und die soll was ergeben ? Batterie dran und es ist nichts mehr zu > sehen, dazu braucht man kein Scope. Da muß ich dir leider wiedersprechen! Gefühlte 100 Posts vorher, hängt ein Oszidiagramm von einem LM2940/5 Low Drop, der auch mit Battspeisung ganz übel herumzickte, kaum zu glaube aber war! Das kostete mich viel Zeit, bis ich heraus fand, das der Regler im Ein- sowie Ausgangsbereich, sehr schwingfreudig war und ich dies erst mit einem 470µF am Eingang und 100µF Elko am Ausgang, in den Griff bekam, jetzt funzt das(1.Tester, ohne Abschaltung)! Da muß man aber erstmal drauf kommen...trotz Batteriespeisung, die ja glatt, wie ein Kinderpopo ist. Das Übel war der Regler! Man lernt eben nie aus... Gruß Michael
> Die genaue Verdrahtung habe ich aber gerade nicht im Kopf. Genau das meine ich. Wie sollen dann wir das bitte verstehen, wenn nicht mal Du es weisst ? > Das Program, das ich benutze kennt nunmal nicht jedes Bauteil. Das waere welches ? Nur um Dir zu zeigen das es das ganz sicher kann. Und wenn Du nicht weisst wie, dann nimm halt ein Malprogramm und kritzel es drueber. So ist es jedenfalls unbrauchbar. Und mal ehrlich. Du hast das Schaltbild, Du hast ein DMM. Was ist da noch so kompliziert die drei Spannungsteiler und die Referenz nachzumessen ? An was anderem kann es doch garnicht liegen.
Barney Geroellheimer schrieb: >> Die genaue Verdrahtung habe ich aber gerade nicht im Kopf. > > Genau das meine ich. Wie sollen dann wir das bitte verstehen, wenn > nicht mal Du es weisst ? Die genaue Verdrahtung vom LT1004. Der hat nichts mit meinem Problem zu tun. Gut ich gebe zu, etwas mehr Details würden dem Layout gut tun, aber wie gesagt: Ich habe es nicht benötigt und es war nicht geplant das Layout zu veröffentlichen. Vielleicht finde ich morgen die Zeit es ein wenig zu bearbeiten. MfG Bene
Barney Geroellheimer schrieb: > Und mal ehrlich. Du hast das Schaltbild, Du hast ein DMM. Was ist da > noch so kompliziert die drei Spannungsteiler und die Referenz > nachzumessen ? An was anderem kann es doch garnicht liegen. Okay danke ich habs kapiert. Bist du schlecht gelaunt, oder so? Es tut mir herzlichst Leid, dass ich nicht der super hyper Elektronik Crack bin wie du und nicht selber auf den Fehler komme. Keiner Zwingt dich mir zu helfen.
Wenn der nicht oder falsch angeschlossen ist kann der sehr wohl etwas mit Deinem Problem zu tun haben. Statt dieses Bild neu zu machen oder besser zu machen, schnapp Dir lieber ein DMM und miss nach. Die fuenf Draehtchen zu pruefen ist ja nun wirklich schnell gemacht. Die Schaltung ist ja wohl mehr als simpel.
Barney Geroellheimer schrieb: >> Das Program, das ich benutze kennt nunmal nicht jedes Bauteil. > > Das waere welches ? Nur um Dir zu zeigen das es das ganz sicher kann. Das hätte ich jetzt fast noch vergessen. Entschuldigung für den "tripplepost". Ich benutze Beitrag "Open Source Lochraster Layout".
> Okay danke ich habs kapiert. Bist du schlecht gelaunt, oder so?
Nein, das ist eben Barney, nimm's nicht so ernst, er ist eben so ,wie er
ist!
Ich habe soviel Selbstbewusstsein, das sein(etwas grobes) Verhalten, mir
am ARSCH, vorbei geht! Bei manchen Äusserungen jedoch, muß ich ihm
Recht geben, objektiv gesehen!
Wenn er vielleicht mehr Sex hätte, wäre er etwas entspannter(du darfst
jetzt lachen)!
Meinetwegen, kann das jetzt gelöscht werden, bin jetzt eben, wie im
"Real-Live" geradeaus und gut ist!
Gruß Michael
> Okay danke ich habs kapiert. Bist du schlecht gelaunt, oder so? Hab' ich glatt ueberlesen. Noe, wieso ? Du bist doch der, der sich die Arbeit macht, ich mache das hier weil ich gerade nichts anderes zu tun habe. Eben deswegen habe ich auch keine Lust irgendwelche Puzzelteilchen zusammen zu suchen. So weit kommt das noch das ich mir wegen einem Forum schlechte Laune einfange, roflmao benek schrieb: > Das Program, das ich benutze kennt nunmal nicht jedes Bauteil. Muss ich jetzt irgendwas falsch gemacht haben. Im uebrigen haettest Du sowas auf Rechenkaestchenpapier deutlich einfacher gehabt. Solch Grobzeugs geht auch prima mit Edding auf Platine malen und dann ab in die Aetze. Oder buegeln. Bildchen sind ja nun wirklich genuegend da. Guck auf Youtube, ist easy und reicht fuer das Grobzeugs. Irgendwo hier sind auch Lochrastervorlagen inkl. Bildchen davon. > Es tut mir herzlichst Leid, dass ich nicht der super hyper Elektronik > Crack bin Es hat Null mit Elektronik zu tun ein paar Bauteile auf eine Platine zu loeten. Nur kann man sich das Leben auch selbst schwer machen. Guck Dir das Schaltbild nochmal an und miss die drei Teile nach. Ist ja nun wirklich nicht kompliziert. Wenn Du aber doch "keine Ahnung" hast, wie kommt denn dann diese Diode da hin. Ist die so im Schaltbild ? Und der ElKo ist auch SO eingezeichnet ? Jaja, ich habe gelesen das der verpolt ist, aber der soll auch an diese Stelle da ? Ich mag das Schaltbild jetzt nicht raussuchen, aber sieht doch etwas merkwuerdig aus. Und diese ganzen Jumper ?
Hallo Karl-Heinz, vielen Dank für die sachliche Erklärung der "nicht vorhandenen" Widerstände am Portschutzrelais. ...Wer kann der kann...:-) Gruß Ralf
Barney Geroellheimer schrieb: > Und diese ganzen Jumper ? Ich könnte mir vorstellen, da soll das Display drann.
>Ich könnte mir vorstellen, da soll das Display drann. Lach ne, ich meinte die am Spannungsregler. Aber da soll wohl LED und Taster hin. Nur mal grob ueberschlagen. Der Spannungsregler braucht 3V Drop, am Transistor fallen U_CE_satt vielleicht 0,2V ab, ueber der Diode 0,7V. So waeren wir schon bei gerechneten 8,9V fuer die Versorgung. Ja, sicher, da ist Spiel, aber jeder kennt Murphy. Zieht man jetzt z.B. durch eine dicke LCD Beleuchtung 50mA aus einem etwas schlapperen 9V Block, geht die Versorgung in die Knie und die ersten Probleme sind da. Denn wozu sonst einen 1A Regler ? Durch die Diode stimmt die Batteriespannung nicht mehr. Es fehlen ja 0,7V. Einen 1A Regler hinter einen 100mA Transistor zu schalten ist auch irgendwie Zweifelhaft. Warum macht man sowas ? Der ElKo gehoert an den Eingang und hat da "unten" ueberhaupt nichts verloren. Das sind Dinge die mir grob auffallen. Irgendwas ist da schon im Grund nicht richtig. benek schrieb: > Damit kann ich jetzt wenigstens > Dioden testen. Widerstände und Kondensatoren werden jedoch nicht erkannt > bzw. falsch benannt. Wenn ich nichts an den Tester anschließe wird dies > als ein Kondensator mit immer 69 nF angezeigt. Wenn das Display halbwegs brauchbare Daten anzeigt, kann es doch nur noch Spannungsteiler oder eine total verschobene Referenz sein.
Hallo zusammen, ich habe nun auf dem Atmega168 und dem Atmega8 versucht das EEPROM zu flashen. Ich bekomme immer den angehängten Fehler. Beim Atmega168 steht dann actual = 0x43 Den Flash kann ich ohne Probleme beschreiben und korrekt auslesen. Die Fuses habe ich zunächst nicht verändert. Ich benutze AVR Studio 6 mit dem mysmartusb light programmer. Hab gelesen, dass es wahrscheinlich an der Kombination des Programmers und dem Studio liegt. Wie kann ich den Tester zum laufen bekommen, ohne dass ich jetzt einen anderen Programmer kaufen muss?
Anderes Programm nehmen ? Versuch mal AVR-burn-o-Mat, einfach zu verstehen, funktioniert direkt ueber avrdude und kommt daher mit saemtlichen Programmiergeraeten klar.
Das Programm ist wirklich einfach gestrickt, gefällt mir. Hab es wieder mit dem M8 und M168 versucht. Leider kann ich hier das EEPROM auch nicht flashen. Siehe Fehler oben. Noch ein Rat?
An D.K. Hi Spiel die Software AVR911 drauf damit gehts. Mit der STK500 gehts bei mir auch nicht.
hab vergessen womit :-) mySmartUSB light - SupportBox http://shop.myavr.de/index.php?sp=download.sp.php&akt_kategorie=4&suchLimit=10&suchSprache=de&aktPage=3 Seite 3 ganz unten Rudolf
und dann einfach die hex und dann eep mit dem myAVR_ProgTool.exe brennen. Fertig !
Du bist meine Rettung! Danke :) Jetzt hat es geklappt! Habe es aber mit AVR-burn-o-Mat gemacht. Leider wollen die Fuses dann nicht. Musste dann wieder auf ST500 wechseln. Gehen die Fuses bei dir mit dem myAVR_ProgTool.exe? Ich habe jetzt jedoch ein ganz komisches Problem: Wenn ich die Fuses für den ext. 8MHz Quarz so setze: lfuse:0xF7 hfuse:0xDC efuse:0xF9 läuft zwar alles deutlich schneller ab, aber je nachdem wie ich die Platine halte, bzw. auf den Tisch lege, geht das komplette System aus. Es verhält sich wie ein Wackelkontakt. Bei den Standard-Fuses (low: 0x62, high: 0xDF, extended: 0xF9) kann ich mit der Platine machen was ich will. Sie bleibt an. An was kann das liegen?
D. K. schrieb > Gehen die Fuses bei dir mit dem myAVR_ProgTool.exe? ja > lfuse:0xF7 > hfuse:0xDC > efuse:0xF9 Ich habe beim 328P lfuse:0xF7 hfuse:0xD9 efuse:0xFC
Kann an Deinem Quarz oder dessen Beschaltung liegen. Versuche mal 0xFF /Schaltet von full swing auf Crystal. Der Quarz wird "sanfter" angestubbst. 0xDC Solltest Du dann noch immer den Fehler haben, schalte auf internen RC 0xE2 /Schaltet auf internen RC 0xDC Damit muss es dann gehen. Und dann die Quarzbeschaltung und den Quarz selbst nochmal pruefen. Schaltet es dann noch immer ab, guck in der Versorgung nach. Rudolf Hoefler schrieb: > Ich habe beim 328P >lfuse:0xF7 >hfuse:0xD9 >efuse:0xFC Du kannst die fuse-Einstellungen nicht einfach von einem AVR zum anderen uebernehmen. Sowas geht meist in die Hose.
ArduTester - Arduino Component Tester Porting of the excellent work by Markus Frejek for Arduino: http://forums.adafruit.com/viewtopic.php?f=25&t=39537
Barney Geroellheimer schrieb: > Kann an Deinem Quarz oder dessen Beschaltung liegen. > Versuche mal > > 0xFF /Schaltet von full swing auf Crystal. Der Quarz wird "sanfter" > angestubbst. > > 0xDC > > Solltest Du dann noch immer den Fehler haben, schalte auf internen RC > > 0xE2 /Schaltet auf internen RC > 0xDC > > Damit muss es dann gehen. Und dann die Quarzbeschaltung und den Quarz > selbst nochmal pruefen. > Schaltet es dann noch immer ab, guck in der Versorgung nach. Es funktioniert endlich mit dem Mega8! Hab einen Wackler in der Versorgung gehabt. Außerdem habe ich größere CL an den Quarz gehängt. Läuft jetzt stabil. Ich wollte es auch mit meinem Mega168 probieren, aber ich komme leider nicht mehr drauf. Beim myAVR prog tool steht: vorbereiten ... brennen ... benutze: mySmartUSB light an COM3 mit ATmega168 Brennmodus AVR911 Fehler: beim Starten des Programmierungs Modus. Prozessor: Fehler: der eingestellte (ATmega168) stimmt nicht mit dem erkannten ()Prozessor überein. Beim AVR-Studio steht: "Unable to enter programming mode" Kann es sein, dass ich ihn mir irgendwie zerschossen habe? Der Quarz schwingt zumindest nicht bei Stromzufuhr beim Mega168. Nur ca. 700mV Konstantspannung.
> Außerdem habe ich größere CL an den Quarz gehängt. Läuft jetzt stabil. Wie gross sind die KerKos am Quarz denn jetzt ? > Kann es sein, dass ich ihn mir irgendwie zerschossen habe? Unwahrscheinlich, die halten schon was aus. Wenn ueberhaupt macht man sich vielleicht mal ein paar Portpins kaputt. Wie genau programmierst Du denn Deine AVRs ? Auf dem Board selbst per ISP, oder hast Du dazu ein extra Board / Sockel ? Welchen ? > Der Quarz > schwingt zumindest nicht bei Stromzufuhr beim Mega168. Nur > ca. 700mV Konstantspannung. Das hast Du wie gemessen ? Jetzt sag nicht mit einem Multimeter.
Barney Geroellheimer schrieb: >> Außerdem habe ich größere CL an den Quarz gehängt. Läuft jetzt stabil. > > Wie gross sind die KerKos am Quarz denn jetzt ? > Ich habe jetzt 22pF und 33pF parallel. > Unwahrscheinlich, die halten schon was aus. Wenn ueberhaupt macht man > sich vielleicht mal ein paar Portpins kaputt. > Wie genau programmierst Du denn Deine AVRs ? Auf dem Board selbst per > ISP, oder hast Du dazu ein extra Board / Sockel ? Welchen ? Ich programmiere direkt auf dem Board per ISP mit dem mysmartUSB light. > Das hast Du wie gemessen ? Jetzt sag nicht mit einem Multimeter. Nein, mit meinem Oszi. Im Betrieb mit dem Mega8 kann ich die 8 MHz vom Quarz messen. Beim Mega168 sind es konstant 700mV. Mit der Messung wollte ich eigentlich ausschließen, dass ich die Fuses auf einen externen Quarz eingestellt habe und der Quarz nicht funktioniert.
D. K. schrieb: > Ich habe jetzt 22pF und 33pF parallel. Das waeren ja ueber 55p, wundert mich das das so anstaendig geht. > Nein, mit meinem Oszi. Im Betrieb mit dem Mega8 kann ich die 8 MHz vom > Quarz messen. Beim Mega168 sind es konstant 700mV. Mit der Messung > wollte ich eigentlich ausschließen, dass ich die Fuses auf einen > externen Quarz eingestellt habe und der Quarz nicht funktioniert. Jou, und wenn der Quarz beim m168 jetzt nicht mehr schwingt, weil Du da 55p dran gefummelt hast ? Kann also sehr wohl auf extern stehen. Eine andere Idee habe ich da jetzt auch nicht.
Es könnte sein, das du statt "external Crystal" auf "External Clock" gefused hast. Dann bringst du den M168 nur mit einem Oszillator (min. 4MHz) an Pin9(PB6) XTAL1 zum schwingen! Teste das mal. Denke daran, den Oszillator mit 5V zu versorgen. Gruß Michael
Die clk kann er ja dann vom funktionierenden m8 abzwacken. /Edit Quatsch. Er nutzt das Board ja zum programmieren. Vergiss es. Irgendein Taktgeber wird sich aber finden lassen. Sonst zu mir schicken. Verfusete oder sogar defekte µC find' ich gut.
wie soll das denn gehen? Wenn die Fuses auf "Ext.Clock" stehen, will der M168 einen Clock an Pin9 gegen GND sehen, wie soll der M8 das hergeben?
@ D. K. (elektricar) Wenn Du doch ein Scope hast, koenntest Du dann bitte mal die Amplituden Vpp messen, so wie sie jetzt eingestellt ist. Also mit den dicken KerKos und welche fuse settings ? Full swing oder ext. Crystal ? CKOPT an oder aus ? Misterioes, misterioes...
Also, hier wird man ja wahnsinnig... Er soll jetzt die richtigen Fuses setzen, wie sie hier schon 1000mal gepostet wurden, sogar bebildert! Wenn das nicht geht, dann soll er nen 4, 8 oder 10MHz Oszillator(nur an PB6) anschließen, damit der Käfer was zum schwingen hat, wie das geht, steht hier auch zig mal im Forum! Geht es dann immer noch nicht, hat er sich wahrscheinlich ausgesperrt(das Thema haben wir aber hier auch schon durch...).
> Also, hier wird man ja wahnsinnig... Ja, weil Du nur die Haelfte liest. > Er soll jetzt die richtigen Fuses setzen, wie sie hier schon 1000mal > gepostet wurden, sogar bebildert! Wie denn wenn er nicht ran kommt ? > Wenn das nicht geht, dann soll er nen 4, 8 oder 10MHz Oszillator(nur an > PB6) anschließen, damit der Käfer was zum schwingen hat, wie das geht, > steht hier auch zig mal im Forum! Davon reden wir hier die ganze Zeit. EINEN Beitrag hoeher. > Geht es dann immer noch nicht, hat er sich wahrscheinlich > ausgesperrt(das Thema haben wir aber hier auch schon durch...). Wenn er die fuses so gesetzt hat wie wir es ihm erklaert haben, dann hat er maximal auf externen Oszillator gesetzt und dann schwingt er auch an. Es sei denn die Kondensatoren passen nun nicht mehr. Denn ER liest mit. Womit wir dann wieder bei dem Thema EINEN Beitrag hoeher waeren.
Barney Geroellheimer schrieb: > Wenn Du doch ein Scope hast, koenntest Du dann bitte mal die Amplituden > Vpp messen, so wie sie jetzt eingestellt ist. Also mit den dicken KerKos > und welche fuse settings ? Full swing oder ext. Crystal ? CKOPT an oder > aus ? > > Misterioes, misterioes... Ich nehmen an, du meinst beim funktionierenden Mega8? Beim Mega168 sind es ja konstant 700mV. Folgend die Werte: Vpp = 4,88V lfuse = 0x3F hfuse = 0xC9 CKOPT = Ein So steht es auch im Makefile von Karl-Heinz: # Operation with 8MHz crystal FUSES_CRY = -U lfuse:w:0x3f:m -U hfuse:w:0xc9:m
Also kannst du den M168 ansprechen bzw. programmieren? Wird "CKOPT" eingeschaltet, wird ein eingebauter 36 pF Kondensator zwischen XTAL1 (PB6)und GND aktiviert. Sollte in dem Fall nicht gesetzt sein! EDIT: Ich sehe gerade, das es diese Option beim M328 gar nicht gibt?! Dann dürfte es beim M168 auch so sein. Ich hatte mal fast dasselbe Problem mit dem "ext.Crystal", da wollte der M328 auch nicht so richtig mit mir reden. Probier mal diese Einstellung: Low E7, High D9 ext. FC Gruß Michael
Michael D. schrieb: > Also kannst du den M168 ansprechen bzw. programmieren? Leider nein. Ich komme nicht drauf, das ist das Problem.
Mach das mal hier, wie beschrieben: Beitrag "Re: Transistortester AVR" Wie das geht, weißt du? Dann berichte!
hm, an PD6 muß ein Puls mit TTL-Pegel ran. Entweder mit einem Frequenzgenerator(sollte jeder im Haus haben), Schwingkreis(Colpitts Diskret), Flipflop-Schaltung oder mit einem z.B. AT2313/4313, M48, M88, die rennen mit der Grundeinstellung(interner Oszillator 4-8MHz), ohne das sie programmiert werden müssen. Dann den Pin für den Außentakt aktivieren, anschliesen und sehen ob er lebt. Der Takt sollte TTL-Pegel und mindestens 4MHz haben. Gruß Michael
D. K. schrieb: > Folgend die Werte: > Vpp = 4,88V > lfuse = 0x3F > hfuse = 0xC9 > > CKOPT = Ein Danke das wollte ich wissen. War nur fuer mich und hat mit Deinem Problem nichts zu tun. Michael D. schrieb: > EDIT: Ich sehe gerade, das es diese Option beim M328 gar nicht gibt?! > Dann dürfte es beim M168 auch so sein. Doch gibt es, wird nur im Programm einfach mit dazu geschaltet. Nennt man dann full swing Crystal. Ist also als eigene Option quasi raus genommen. D. K. schrieb: > Ich habe keinen Oszillator da. Doch, hast Du. Steckt in der Schaltung. Wenn Du den m168 auf extern gesetzt hast, tut es das auch. Wenn Du auf externen RC gesetzt hast musst Du Dir wo anders her einen Takt besorgen. Den koenntest Du vom funktionierenden m8 abzwacken. Musst dann halt den m168 Luftverdrahten, das Du den ISP da drauf legen kannst. Wuehl mal zwischen den Computerteilen, bald ueberall ist doch heute irgendein Taktgeber drin. Es geht quasi alles zwischen 100kHz und 30MHz und 3-5V. Zur Not tut es auch die gute alte RS232 oder ein RC mit Gatter. Und wieder das selbe alte Problem. Billigste Programmierhardware kaufen und dann wundern das nichts geht. Die dicken Kondensatoren wollen mir nicht aus dem Kopf gehen. Kannst Du mal ein Foto von Deinem Aufbau machen ? Besonders der Bereich Quarz, Kondensatoren ? Steht auf dem Quarz nur die Frequenz oder auch die Kapazitaet ? Ja, sowas gibt es... manchmal.
Hallo ! Ich hätte da auch mal eine Frage Wenn ich den AREF mit 10nF bestücke, komme ich in den Selbsttest. bei 1nF geht er gleich nach Testen. AT238P irgendeine Idee woran es liegen kann ? Rudolf
Rudolf Hoefler schrieb: > Wenn ich den AREF mit 10nF bestücke, komme ich in den Selbsttest. > bei 1nF geht er gleich nach Testen. > > AT238P > > irgendeine Idee woran es liegen kann ? Hallo Rudolf, vermuten könnte man eine instabile 5V Versorgung. Bei Speisung mit einer Batterie bleibt als Ursache immer noch eine unzureichende Abblockung mit Kondensatoren. Bei Speisung mit einem Netzteil muß man auch das "Restrauschen" des Netzteils als Ursache in Betracht ziehen. Bringt dann der Selbsttest vernünftige Ergebnisse? Besonders der Test 2 gibt die Abweichungen (mV) zu den erwarteten Spannungen von 680 Ohm Spannungsteilern aus. Der Selbsttest startet nur, wenn bei 680 Ohm Spannungsteilern (VCC/2) jeweils alle drei Testpin-Spannungen keine 20mV von der halben Spannung abweichen. Bei größerer Steuung der Widerstandswerte der 680 Ohm Widerstände kann es schon problematisch werden, besonders dann, wenn die VCC Spannung nicht stabil ist. Grüße, Karl-Heinz
Barney Geroellheimer schrieb: > Die dicken Kondensatoren wollen mir nicht aus dem Kopf gehen. Kannst Du > mal ein Foto von Deinem Aufbau machen ? Besonders der Bereich Quarz, > Kondensatoren ? > Steht auf dem Quarz nur die Frequenz oder auch die Kapazitaet ? Ja, > sowas gibt es... manchmal. Ich hab es nun endlich zum Laufen bekommen. Es war leider ein Rechenfehler meinerseits. Für die Berechnung der Lastkapazität meines Quarzes (http://www.reichelt.de/Quarze/8-0000-HC18/3//index.html?ACTION=3&GROUPID=3173&ARTICLE=3521&SHOW=1&START=0&OFFSET=16&) habe ich mich an die Formeln aus dieser Appnote gehalten (http://www.atmel.com/images/doc2521.pdf) Ich komme so auf CL_gesamt = 2*32pF-5pF = 59pF Auf Grund der Reihenschaltung der Lastkapazitäten kommt man schlussendlich auf CL1 = CL2 = CL_gesamt/2 = 29,5pF Ich habe jetzt 2x 33pF an den Quarz gemacht und jetzt funktioniert es (teilweise). Mit dem ATmega8 funktioniert alles einwandfrei. Ein Problem habe ich jedoch noch mit dem ATmega168: Wenn ich z.B. einen Elko mit 1µF anschließe, werden mir beim Einschalten die Kenndaten angezeigt. Wenn ich jetzt erneut auf den Taster drücke geht alles aus. Erst nach einer kurzen Pause kann der 1µF Elko wieder getestet werden. Bei Anschluss eines 470µF Elko steht "testing" auf der Anzeige, welche nach einer knappen Sekunde wieder aus geht. Bei einem 10 Ohm-Widerstand kommt gar kein Text, sondern das Display geht aus sobald ich den Taster loslasse. Wie gesagt, beim ATmega8 gibt es diese Probleme nicht. An was kann das liegen? Evtl. doch am Quarz bzw. denn Lastkapazitäten?
Ich brauche mal Hilfe zu einer China-Platine. Es ist genau die, welche weiter oben beschrieben wurde. Die Softwareversion ist 1.05K. Besser gesagt, ich hatte eines bestellt, welches einwandfrei läuft. Ein Bekannter war begeistert und so habe ich vom gleichen Anbieter noch eines schicken lassen. Fehler: - Die Stromverstärkung ist niedriger - Die Kapazität ist höher C 24nF 1% am ersten Tester 24,08 nF , am zweiten 25,47 nF. Egal an welchen Anschlüssen. - ESR ist niedriger Gemacht habe ich: - Mit Propanol abgewaschen - Selbsttest laufen lassen - CPU-Beinchen freigekratzt - R überprüft --> keine Auffälligkeiten - Referenz gegen LM4040 getauscht - VCC genau 5V Betrieb am 9V Block Was kann man noch tun? Evtl. den AREF-C wechseln? Oder ist es einfach nur ein Prozessor-Ausrutscher. Für einen Hinweis wäre ich dankbar.
D. K. schrieb: > Ein Problem habe ich jedoch noch mit dem ATmega168: > Wenn ich z.B. einen Elko mit 1µF anschließe, werden mir beim Einschalten > die Kenndaten angezeigt. Wenn ich jetzt erneut auf den Taster drücke > geht alles aus. Erst nach einer kurzen Pause kann der 1µF Elko wieder > getestet werden. > > Bei Anschluss eines 470µF Elko steht "testing" auf der Anzeige, welche > nach einer knappen Sekunde wieder aus geht. > > Bei einem 10 Ohm-Widerstand kommt gar kein Text, sondern das Display > geht aus sobald ich den Taster loslasse. Das sieht doch nach einem Problem bei der Spannungsversorgung aus. Bei der Standardeinstellung der Fuses wird der "Brown Out Level" auf 4.3V gesetzt. Damit erfolgt bei einer kurzzeitigen Unterschreitung des VCC Pegels (4.3V) eine Abschaltung des Prozessors. Eine bessere Abblockung der VCC-Spannung mit Kondensatoren (3x 100nF Kerko und zusätzlich ein 10uF oder 25uF Elko müßten reichen. Man kann zwar die Ursache durch Herabsetzen des "Brown Out Level" eingrenzen, aber für die Präzision der Meßergebnisse ist eine stabile VCC Spannung unverzichtbar. Mit einem Oszilloskop müßten die Spannungseinbrüche sichtbar gemacht werden können (Trigger auf negative Flanke, Spannung auf 4.7V). Grüße, Karl-Heinz
Michael_ schrieb: > Was kann man noch tun? Evtl. den AREF-C wechseln? Oder ist es einfach > nur ein Prozessor-Ausrutscher. > Für einen Hinweis wäre ich dankbar. Hallo Michael, wurde schon ein Selbsttest korrekt gemacht? Im Selbsttest-Programm ist eine Kalibration integriert. Gestartet wird der Selbsttest durch Verbinden der drei Testpins. Bei Test 4 (T4) muß die Verbindung wieder gelöst werden. Bei der Meldung in Zeile 1 "1-||-3 >100nF" muß ein Kondensator hoher Güte mit mehr als 100nF an Pin 1 und Pin 3 angeschlossen werden. Alle Ausgaben von Test 2, 3, 5, 6 und 7 sind Abweichungen von den erwarteten Werten in mV und sollten vom Betrag her klein bleiben (~10mV). Die weiteren Einzelheiten zum Selbsttest und der Kalibration bitte in der PDF-Dokumentation nachlesen. Bei manchen Prozessor-Exemplaren ist die Kalibration fast überflüssig. Es gibt aber auch Ausreißer! Wenn die Sicherheits Fuses gesetzt sind, kann man nicht überprüfen, ob der Prozessor auf Quarz-Betrieb läuft. Bei der Messung von Kondensatoren (und Induktivitäten) beeinflußt die Taktrate das Meßergebnis. Sinnvoll ist wahrscheinlich deshalb ein Software-Update auf Version 1.07k, auch wegen der neuen ESR-Meßmethode. Bei meinem China-Exemplar hatte ich Abblock-Kondensatoren direkt am Prozessor nachgerüstet, siehe dazu das Bild. Grüße, Karl-Heinz
Karl-Heinz Kübbeler schrieb: > vermuten könnte man eine instabile 5V Versorgung. > Bei Speisung mit einer Batterie bleibt als Ursache immer noch eine > unzureichende Abblockung mit Kondensatoren. Bei Speisung mit einem > Netzteil muß man auch das "Restrauschen" des Netzteils als Ursache in > Betracht ziehen. Nur mit 9 V Batterie > Bringt dann der Selbsttest vernünftige Ergebnisse? > Besonders der Test 2 gibt die Abweichungen (mV) zu den erwarteten > Spannungen von 680 Ohm Spannungsteilern aus. > Der Selbsttest startet nur, wenn bei 680 Ohm Spannungsteilern (VCC/2) > jeweils alle drei Testpin-Spannungen keine 20mV von der halben Spannung > abweichen. Bis dahin bin ich zeitweise gar nicht gekommen :-) > Bei größerer Steuung der Widerstandswerte der 680 Ohm Widerstände kann > es schon problematisch werden, besonders dann, wenn die VCC Spannung > nicht stabil ist. So, nun habe ich es hingebracht, und will erzählen warum es nicht ging. Nach ewigen aus und einlöten verschiedenster Bauteile, habe ich die Platine mit dem Multimeter durchgemessen, und siehe da.... Ich habe eine Doppelseitige Platine mit Bungard Nieten gemacht und einer der Nieten war nicht richtig mit der Platine verlötet, wodurch der Widerstand dieser Leiterbahn nicht 0.1 Ohm sondern 24 Ohm hatte, und genau diese war an den Messwiderstand :-( Nachdem ich dieses verlötet hatte komme ich immer in den Selbsttest. Danke Rudolf
Hallo Karl-Heinz Kübbeler! Erstmal danke! Den Selbsttest hatte ich gemacht. Am Anfang waren schlechte Werte, die sich nach der Behandlung mit Propanol gebessert haben. Als C habe ich einen MKT 1µ 100V. Sollte gehen. Den 1nF AREF habe ich inzwischen auch gewechselt. Da ich zwei von den Teilen habe, schließe ich Unterschiede im Programm aus. Es ist Ver. 2.3 2013/03/26 ohne Quarz. Das mit den Abblock-C rüste ich nach. Den einzigen Unterschied sehe ich in der Farbe des Schutzlackes auf der Unterseite. Die gute Platine ist weiß und die schlechte sieht wie "Eierschale". Vielleicht ist die Ursache Schmutz unter dem Schutzlack??? Da werd ich doch den Programmer wieder in Gang setzen und kann dann auch mein halbfertiges Projekt vom Vorjahr fertigstellen.
Karl-Heinz Kübbeler schrieb: > Das sieht doch nach einem Problem bei der Spannungsversorgung aus. Bei > der Standardeinstellung der Fuses wird der "Brown Out Level" auf 4.3V > gesetzt. > Damit erfolgt bei einer kurzzeitigen Unterschreitung des VCC Pegels > (4.3V) eine Abschaltung des Prozessors. Eine bessere Abblockung der > VCC-Spannung mit Kondensatoren (3x 100nF Kerko und zusätzlich ein 10uF > oder 25uF Elko müßten reichen. > Man kann zwar die Ursache durch Herabsetzen des "Brown Out Level" > eingrenzen, aber für die Präzision der Meßergebnisse ist eine stabile > VCC Spannung unverzichtbar. Mit einem Oszilloskop müßten die > Spannungseinbrüche sichtbar gemacht werden können (Trigger auf negative > Flanke, Spannung auf 4.7V). > > Grüße, Karl-Heinz Habe jetzt eine neue Batterie reingemacht und es funktioniert. Ich hab bei eingeschaltetem System eine Batteriespannung von 6,5V gehabt. Z.Z. habe ich noch den 78L05 drin. Der hat eine Dropout-Spannung von 1,7V --> Kein Wunder, dass es nicht funktioniert. Den werde ich noch gegen einen Low-Dropout-Typ austauschen müssen. Bei der neuen Batterie wird jedoch im Display "Battery 7,2V weak" angezeigt. Dass die Batteriespannung bei Belastung ein wenig zusammenbricht war mir schon bewusst, aber gleich so krass? Die Spannungsmessung der Batterie geht über die BE-Spannung vom ersten PNP-Transistor an PC5 oder?
D. K. schrieb: > Bei der neuen Batterie wird jedoch im Display "Battery 7,2V weak" > angezeigt. Dass die Batteriespannung bei Belastung ein wenig > zusammenbricht war mir schon bewusst, aber gleich so krass? Die > Spannungsmessung der Batterie geht über die BE-Spannung vom ersten > PNP-Transistor an PC5 oder? der PNP-Transistor (BC557C) sollte eine hohe Stromverstärkung besitzen, sonst kann der Basis-Strom zu gering für volles Durchschalten sein. Am besten die Spannung am Kollektor mit einem Voltmeter nachmessen. Sollte hier tatsächlich nur 7.2V anliegen, kann man die Spannung direkt an der Batterie (Emitter) messen um die Durchsteuerung der Transistors zu überprüfen. Wenn die Spannung am Kollektor vom PNP-Transistor deutlich höher als die angezeigten 7.2V ist, sollte man den Spannungsteiler am PC5/ADC5 Eingang (10k / 3.3k) überprüfen. Grüße, Karl-Heinz
Karl-Heinz Kübbeler schrieb: > der PNP-Transistor (BC557C) sollte eine hohe Stromverstärkung besitzen, > sonst kann der Basis-Strom zu gering für volles Durchschalten sein. > Am besten die Spannung am Kollektor mit einem Voltmeter nachmessen. > Sollte hier tatsächlich nur 7.2V anliegen, kann man die Spannung direkt > an der Batterie (Emitter) messen um die Durchsteuerung der Transistors > zu überprüfen. > Wenn die Spannung am Kollektor vom PNP-Transistor deutlich höher als die > angezeigten 7.2V ist, sollte man den Spannungsteiler am PC5/ADC5 Eingang > (10k / 3.3k) überprüfen. > > Grüße, Karl-Heinz Ich messe am Emitter 7,5V und am Kollektor 6,1V. Nach Parallelschalten von 1k zu dem 3,3k Basis-Widerstand messe ich 6,92 am Emitter und 6,58 am Kollektor. Angezeigt wird "7,3V ok".
D. K. schrieb: > Nach Parallelschalten > von 1k zu dem 3,3k Basis-Widerstand messe ich 6,92 am Emitter und 6,58 > am Kollektor. Angezeigt wird "7,3V ok". Bei meinem Exemplar messe ich 8.46V am Emitter und 8.40V am Kollektor, der Transistor muß also bei mir voll in der Sättigung sein (mit 3.3k Basiswiderstand!). Angezeigt werden vom Tester "8.5V OK". Der Stromverbrauch beträgt bei mir etwa 17mA im Leerlauf (mit Sparbeleuchtung). Wenn der PNP Transistor ein BC557C ist, sollte man prüfen, ob er nicht invers (Kollektor und Emitter vertauscht) eingebaut wurde. Sonst hat das Exemplar eine zu geringe Stromverstärkung oder der Stromverbrauch ist sehr hoch. Auffällig ist auch die Höhe der angezeigten Spannung. Wenn die BAT_OUT Option in der Makefile auf 150mV gesetzt ist (BAT_OUT=150), sollte die Anzeige nur 150mV über der Kollektorspannung liegen. Stimmt denn wenigstens die VCC Spannung (5V)? Die Spannung direkt am PC5 Pin sollte etwa 24.8% der Kollektorspannung betragen. Grüße, Karl-Heinz
Hallo in die Runde, meinen Dank besonders an M. Frejek und K-H. Kübbeler. Vor längerer Zeit habe ich den T-Tester nach M. Frejek erfolgreich aufgebaut. Mit Interesse verfolge ich die Verbesserungen von K-H. Kübbeler. Alle Änderungen der Hardware durchgeführt, Software mit Geany geändert und mit Burn-O-Mat gebrannt.Anfangs mit ATMEGA 8 später mit ATMEGA 168. Hat alles prima funktioniert bis zur Version 102. Nach dem Brennen der Version 107 wurde festgestellt, daß der Selbsttest nicht mehr ausgeführt wird. Beim Kurzschließen der Testpins erscheint Poti mit 0,0 und 0.0 Ohm. Spannung Batt.=8,9V, Betriebsspannung=4.98V - kein Rauschen mit Oszi gemessen. Am ATMEGA 168 kann es m.E. nicht liegen, denn er funktioniert in einem anderen Tester ohne Probleme. Hat jemand in der Runde eine Idee, woran es liegen kann, daß der Selbsttest nicht ausgeführt wird?
Moin, bei meinem Tester hängt es an Punkt "T4", wenn der Selbsttest mit gebrückten Klemmen durchgeführt wird. Trennt man nun die gebrückten Klemmen, wird der Test fortgesetzt und anschließend zum Abschluß ein C --> 100nF an den Klemmen 1 + 3 verlangt -- fertig. Ein Kerko von 5,6pF wird nicht erkannt! GW
Roland_B schrieb: > Hat jemand in der Runde eine Idee, woran es liegen kann, daß der > Selbsttest > nicht ausgeführt wird? Hallo Roland, im Beitrag Beitrag "Re: Transistortester AVR" hat Rudolf eine fehlerhafte Durchkontaktierung als Ursache gefunden. Da zum Start des Selbsttests ziemlich genau eine VCC/2 mit den 680 Ohm Spannungsteilern erreicht werden muß, würde ich empfehlen, die 680 Ohm am ATmega Sockel (Pin 23:14 , 24:15 und 25:16) nachzumessen. Bei dieser Gelegenheit kann man auch die Isolation der Pinne untereinander überprüfen. Sonst würde nur die Anhebung der Toleranzgrenze von derzeit 20mV in der Funktion ShortedProbes (Teil von der Datei AutoCheck.c) helfen. @ Walter: Ein 5,6 pF kann nicht erkannt werden. Kondensatoren werden erst ab 25pF erkannt. Man kann aber eine kapazitätsarme Diode oder einen Kondensator parallelschalten um die Kapazität zu prüfen. Grüße, Karl-Heinz
Hello. How can I turn on "Endless measurement mode"? I don't use shut off transistors, so don't use "POWER OFF" option. And it works in SINGLE mode, by pressing on start button. If I try to use POWER OFF then I have cyclic measurement, but not endless. By the way, as idea, may be make switching between "Single measurement mode" and "Endless measurement mode", by jumper for example. There are useful different modes in different situations.
D. K. schrieb: > Nach Parallelschalten von 1k zu dem 3,3k Basis-Widerstand messe ich > 6,92 am Emitter und 6,58 am Kollektor. Angezeigt wird "7,3V ok". Ich hatte Dir oben schon mal geschrieben, dass Deine Schaltung "etwas seltsam" ist und auch das die Diode voelliger Bloedsinn ist. Die nimmt Dir nur Spannung weg und hat weiter keinen Sinn. Also raus damit und schon bist Du auf Batteriespannung. 340mV U_CE ist deutlich zu hoch. Irgendwas unter 50mV sollte es schon sein.
mika222 schrieb: > If I try to use > POWER OFF then I have cyclic measurement, but not endless. Hello mika222, the software with standard setting of options will try to switch off the power, but will wait endless for disappearance of the power. If you don't use the power off logic this is a endless mode (last measurement result is shown endless). If you place a jumper between collector of T1 and GND, you have all you requested. Best regards, Karl-Heinz
Karl-Heinz Kübbeler schrieb: > Bei meinem Exemplar messe ich 8.46V am Emitter und 8.40V am Kollektor, > der Transistor muß also bei mir voll in der Sättigung sein (mit 3.3k > Basiswiderstand!). Angezeigt werden vom Tester "8.5V OK". Der > Stromverbrauch beträgt bei mir etwa 17mA im Leerlauf (mit > Sparbeleuchtung). Meine Stromaufnahme beläuft sich auf ca. 26mA (ohne Sparbeleuchtung). > Wenn der PNP Transistor ein BC557C ist, sollte man prüfen, ob er nicht > invers (Kollektor und Emitter vertauscht) eingebaut wurde. Sonst hat das > Exemplar eine zu geringe Stromverstärkung oder der Stromverbrauch ist > sehr hoch. Der Transistor ist korrekt eingesetzt. Die Stromverstärkung wurde mit dem Transistortester auf 200 gemessen (BC327-16). Ich könnte einen BC327-40 mit einer Stromverstärkung von 300 einlöten. > Auffällig ist auch die Höhe der angezeigten Spannung. Wenn die BAT_OUT > Option in der Makefile auf 150mV gesetzt ist (BAT_OUT=150), sollte die > Anzeige nur 150mV über der Kollektorspannung liegen. Ich habe das hex und eep-File aus dem default-Ordner geflasht. > Stimmt denn wenigstens die VCC Spannung (5V)? Die Spannung direkt am PC5 Pin sollte etwa 24.8% der Kollektorspannung betragen. Ich habe bemerkt, dass die Ausgangsspannung hinter dem 78L05 nur 4,38V beträgt. Am Pin PC5 messe ich 1,51V (20,1% von der 7,5V Kollektorspannung).
D. K. schrieb: > Ich habe bemerkt, dass die Ausgangsspannung hinter dem 78L05 nur 4,38V > beträgt. Und das wundert Dich jetzt ?
Weg mit dem Schwingungsteil (7805), und dann das einlöten was 100dert Andere auch getan haben. Da sind keine Probs. vorhanden. Dirk
Das aendert auch nichts daran, dass er ueber Diode und Transistor 1V verliert.
@ Karl-Heinz : Der Rat war goldrichtig. Es war zwar keine Durchkontaktierung sondern einer der 680Ohm Widerstände. Er hatte statt 680 nur 673 Ohm. Die Klötzchenbildung wurde durch fehlerhafte Lötstelle an der Stiftleiste zur Anzeige hervorgerufen. Nochmals vielen Dank.
Ich hatte 260mA Stromaufnahme, nicht 26mA. Kein Wunder, dass die Spannung am 78L05 einbricht. Nachdem ich die Helligkeit des Displays mit einem 22 Ohm Widerstand begrenzt habe, sind es "nur noch" 60mA und auf dem Display stehen 8,6V. Was ich komisch finde ist, dass ich nur etwas auf dem Display sehe, wenn das Display Poti auf Nullstellung ist. Sobald ich es etwas aufdrehe, gibt es keinen Kontrast mehr. Ist das normal so? Abgesehen davon ist mein Transistortester fertig :) Vielen Dank an alle, die mitgeholfen haben und vielen Dank noch einmal an Markus und Karl-Heinz für dieses tolle Projekt!
D. K. schrieb: > Ich hatte 260mA Stromaufnahme, nicht 26mA. Verstehe ich das richtig? Du betreibst ein LCD mit stromfressender Beleuchtung an einem 9V-Block? Mit dieser (lahmen) Batterie solltest Du ein LCD ohne Beleuchtung einsetzen oder maximal ein blaues LCD mit stromsparender Beleuchtung. Da gibt sich Karl-Heinz größte Mühe, den Stromverbrauch auf ein Minimum zu reduzieren, und dann hängen die Benutzer völlig unbekümmert stromfressende LCDs im 200mA-Bereich dran. Völlig unklar... ...
Heute bin ich mal wieder dazugekommen an meinem Transistortester zu arbeiten. Da die Spannungsanzeige am Anfang immer noch 20V anzeigt, habe ich damit begonnen den Ausgang von Spannungsteiler direkt zu messen. Das komische daran ist, dass wenn ich den Tester aktiviere zeigt mir das Multimeter die ersten ca. 10 Sekunden 0,02 V an dannach ca. 2,8 V. Woran könnte das liegen? Ein 100µF Kondensator an der Versorgungsspannung hat nichts gebracht. MfG Bene EDIT: Ach noch etwas. An PIN 28, also dort wo die Spannungsreferenz (LT1004) angeschlossen ist, sollten doch 2,5 V anliegen oder? Denn bei mir sinds nur 0,04 V, obwohl die Verschaltung definitv richtig ist. EDIT Nr. 2: In den Selbsttest kommt der Tester auch nicht. Es wird nur "unbekanntes Bauteil" etc. angezeigt. Die Spannung am Spannungsregler Ausgang ist stabil.
>obwohl die Verschaltung definitv richtig ist.
Weisst Du, wenn man solche Saetze liest, frage ich mich warum der Tester
dann nicht so funktioniert wie er soll ? Zu 99,9% ist der Fehler in der
Schaltung zu suchen. Denn an der Software kann es ja nicht liegen, denn
die hat ja nichts mit der Spannungsversorgung zu tun.
Dein DMM ist aber schon in Ordnung und steht im richtigen Bereich ?
Und an welchem Spannungsteiler hast Du was von wo nach wo gemessen ?
Besser Du zeichnest das mal in das Schaltbild ein und postest das. So
kann man nur raten.
Nach Deiner Beschreibung ist Dein DMM kaputt.
Allein die 20V deuten schon darauf hin das da was gewaltig verdreht ist. Und die Referenz an Pin 28 erst recht. Laut meinem Schaltbid liegt die an Pin 27. Da nuetzt es auch nichts die Batterien zu tauschen. Falls das mit Bttr gemeint sein sollte. Aber ich kann mich auch irren, da ist ja noch das eine 0,1%chen. Benedikt K. schrieb: > obwohl die Verschaltung definitv richtig ist. Definitiv ! Achtung, Falschfahrer auf der A1 Richtung Koeln. "Wieso einer ? Hunderte "
DMM mit Bttr...low-Anzeige kosten etwas mehr. Die billigen von A..., L... usw haben es nicht. Kenne ich... Da mist man sich den Wolf. Das meinte ich. LG Dirk
Ja sorry, sowas kenne ich nur in der Verpackung vom vorbei gehen oder aus youtube als dummy. Das man damit messen kann wusste ich nicht, zweifel ich aber an. Selbst Sagan scheint das zu wissen.
Okay es sieht so aus als hätte ich den Fehler gefunden! Der Grund für die falsche Spannungsanzeige und nicht wirklich korrekte Messungen war eine kleine Lötbrücke zwischen dem Spannungsteiler-Ausgang und TP1 bzw. den dazugehörigen Widerständen. Vielen Dank für eure Unterstützung!
Hallo und Guten Abend. Ich habe heute die Version 1.07 Draufgebügelt. Soweit so gut, aber bei mir wird das Kondensator-Zeichen fehlerhaft angezeigt. Meine Frage ist nun, ob ich der einzige bin der diesen Fehler hat?! Wenn ich die Version 1.06 nehme wird das Zeichen vollständig angezeigt. Den AT-Mega168 beschreibe ich mit dem Notepad-Programm.
Try my compiled version. Fuses for ATmega168, ATmega168p: RC 8Mhz - lfuse:0xe2 hfuse:0xdc efuse:0xf9 Crystal 8Mhz - lfuse:0xff hfuse:0xdc efuse:0xf9 Fuses for ATmega328, ATmega328p: RC 8Mhz - lfuse:0xe2 hfuse:0xd9 efuse:0xfc Crystal 8Mhz - lfuse:0xff hfuse:0xd9 efuse:0xfc
Hallo! Hab die Dateien von Tom666 ausprobiert. Unglaublich aber wahr, aber mit den Dateien von Tom666 ist dieser Fehler verschwunden. THX for the Files :-)
So unglaublich ist das garnicht. Die Compiler sind schon ziemlich intelligente Schaetzchen, das Problem ist aber oft, das sie ZU intelligent sind und einige Teile eher verschlimmbessern. Das kann dann ziemlich muehsam werden "Fehler" zu finden, die ja eigentlich keine sind. Ich denke das wird Dein Problem sein. Zu aktuell kann schon ein Problem mehr sein. Die Version sollte daher im Quelltext angegeben sein, ich weiss nicht ob Karl-Heinz das gemacht hat, mag jetzt nicht nachsehen, denke aber schon, denn das ist eigentlich selbstverstaendlich.
Other variants of single sided PCB for different types of LDO: * 7805 * 78L05 (LP2950CZ-5.0 or LE50CZ - Low Drop pin compatible with 78L05) * MCP1702-5002
So, der Platinensammler hat geliefert, jetzt muss nur noch bestückt werden, also auf reichelt+csd-electronics warten :)
Hallo, ich habe hier noch einen alten Tester mit einen AtMega8. Heute hatte ich den AtMega8 gegen einen AtMega328P ausgetauscht. Ich hatte diesen mit der aktuellen SW und den Fuses für RC - 8MHz (lfuse:0xe2 hfuse:0xd9 efuse:0xfc) geflasht. Leider wird jetzt nicht mehr das LCD richtig angesteuert (Timing?). Ich habe in der ersten Zeile nur noch 16 x weiße Kästchen. Die untere Zeile wird garnicht erst angesprochen. Meine Fragen: - kann ich einfach den AtMega8 gegen einen AtMega328P austauschen ? - muss die HW und / oder SW geändert werden ? - welche Vorteile habe ich mit einen AtMega328 ? Mit den orginalen Atmega8 habe ich keinerlei Probleme. Ich danke für Eure Hilfe !
Marcel schrieb:> > ich habe hier noch einen alten Tester mit einen AtMega8. > Heute hatte ich den AtMega8 gegen einen AtMega328P ausgetauscht. > Ich hatte diesen mit der aktuellen SW und den Fuses für RC - 8MHz > (lfuse:0xe2 hfuse:0xd9 efuse:0xfc) geflasht. > Leider wird jetzt nicht mehr das LCD richtig angesteuert > (Timing?). Die default-hex ist aber fuer einen ATmega168 oder ATmega328 mit Quarzoszillator. wobei die Taktung von von jeweils 8 MHz ja passen sollte. Ansonsten koennte es sein, das Dein Display etwas exotisches Timing hat. Hast Du die moeglichkeit das mal mit einem anderen zu probieren ? Gruss Asko.
interessant schrieb: > Welches Layout und welche Software will man denn nun verwenden? Moeglichst die neueste Software.... ....und Layout nach gusto.... Einseitig, doppelseitig, mit Zusatzfunktionen oder ohne. Tja, wer die Wahl hat, hat die Qual. Gruss Asko.
Mit der Defaultversion habe ich eine ordentliche Anzeige im Display (mein Fehler). Jetzt bekomme ich aber nach den Selbsttest "Cell !" angezeigt. Wie ist das zu verstehen (Hardwareaänderung nötig). Nochmals Danke !
Try to use an additional bypass capacitor 100nF between pin 20 (AVCC) and Pin 22 (GND).
Hallo, ich bin auch an einem Nachbau interessiert. Meine Frage ist nur, ist im Programm immer noch der Watch-Dog aktiviert? Wenn ja, dann wüßte ich gerne warum? Vielen Dank für die netten Antworten im Voraus. Karl
Asko B. schrieb: > interessant schrieb: >> Welches Layout und welche Software will man denn nun verwenden? > > Moeglichst die neueste Software.... > ....und Layout nach gusto.... > Einseitig, doppelseitig, mit Zusatzfunktionen > oder ohne. > Tja, wer die Wahl hat, hat die Qual. Und wo gibt es die neueste Software? Hier im Thread? Welches Layout? von tom666?
interessant schrieb: > Und wo gibt es die neueste Software? Hier im Thread? > Welches Layout? von tom666? lese mal ab hier: Beitrag "Transistortester AVR" vlG Charly ps. einige Browser haben auch eine Suchfunktion :p
interessant schrieb: > Welches Layout? von tom666? Hängt immer von den gewünschten Funktionen ab, du hast ja sozusagen als Optionen zur Auswahl: - externe Spannungsreferenz* - externer Takt* - Portschutzrelais* - Zener-Prüfspannung 30V - Hintergrundbeleuchtungsregelung * -> würde ich nicht drauf verzichten
Bitte melde dich an um einen Beitrag zu schreiben. Anmeldung ist kostenlos und dauert nur eine Minute.
Bestehender Account
Schon ein Account bei Google/GoogleMail? Keine Anmeldung erforderlich!
Mit Google-Account einloggen
Mit Google-Account einloggen
Noch kein Account? Hier anmelden.















































