Forum: HF, Funk und Felder Wo sind die Audion-Bauer?


Announcement: there is an English version of this forum on EmbDev.net. Posts you create there will be displayed on Mikrocontroller.net and EmbDev.net.
von B e r n d W. (smiley46)


Lesenswert?

> Wenn nicht, ist es eine Eigenschaft des Audions.
Da bin ich mir ziemlich sicher. Wenn sich durch die 
Gitter-Gleichrichtung und Arbeitspunk-Verschiebung die Gitter-Kapazität 
nur um 7 femtoFarad ändert, macht das schon 1kHz aus. Abhilfe ist durch 
Runterregeln der Vorstufe möglich oder durch Erhöhen der 
Schwingkreis-Kapazität und Verringern der Induktivität.

Es gibt keinen messbaren Zusammenhang zwischen Betriebsspannung und 
Signalstärke, nur eine Abhängigkeit zur Vorstufenregelung.

> Super... kann  doch jeder !
Hat da jemand "Warmduscher" gesagt?

Aber nicht mit Full-Lattice-Filter. Vor 1 Jahr wollte ich mir ein 
Ladderfilter für 9 MHz bauen. Dafür hab ich mir eine Tüte mit 27 MHz 
Oberwellenquarze gekauft, weil die mechanisch etwas hochwertiger 
aufgebaut sind wegen dem zusätzlichen Freiheitsgrad. Diese wollte ich 
auf der Grundwelle einsetzen, stellte jedoch fest, daß sie zwar bei 
27MHz recht genau sind, jedoch bei 9MHz um +/- 3kHz streuen. Beim Full 
Latice braucht man aber Quarze, die sich um 1,5-2 kHz unterscheiden oder 
je nach gewünschter Bandbreite.

> "Nimm' endlich eine verdammte.... Regelung !"
Dann brauch ich aber vorher eine stabilisierte Betriebsspannung.

von juergen (Gast)


Lesenswert?

> Abhilfe ist durch Runterregeln der Vorstufe möglich

oder Trennen von Schwingkreis und Gleichrichtung.


> "Nimm' endlich eine verdammte.... Regelung !"

Fuer eine wirksame Regelung muss die Gesamt-HF-Verstaerkung bedeutend 
hoeher sein. Das behebt aber nicht den Stoereffekt, sondern umgeht ihn 
allenfalls.

J.

von Edi (Gast)


Lesenswert?

1
oder Trennen von Schwingkreis und Gleichrichtung.
2
...
3
Fuer eine wirksame Regelung muss die Gesamt-HF-Verstaerkung bedeutend 
4
hoeher sein.
Beides wurde in Audion- Rundfunkempfängern eingesetzt, ersteres z. B. 
"Nestel- Audion". Extra- Gleichrichterröhre und + Regelung habe ich z. 
B. in einem eigenen SABA 335 WL.
Und auch für KW- Amateurgeräte wurde eine Regelung beschrieben- siehe 
das PDF mit der Ergänzung zm ersten Schaltungsvorschlag, und der ist ja 
uralt. Mit heutigen Röhren sollte es kein Thema mehr sein.

Das behebt aber nicht den Stoereffekt, sondern umgeht ihn
allenfalls.
Einer Stufe die Eingangsspannung anzubieten, bei der sie optimal 
funktioniert... ist oft der Sinn einer Regelung, und ist doch sinnvoll.

Edi

von juergen (Gast)


Lesenswert?

> Einer Stufe die Eingangsspannung anzubieten, bei der sie optimal
> funktioniert...
Es ist besser, eine Krankheit zu kurieren, als sich zu ueberlegen, wie 
man mit ihr leben kann.

von Nils K. (niku)


Lesenswert?

juergen schrieb:
> Es ist besser, eine Krankheit zu kurieren, als sich zu ueberlegen, wie
> man mit ihr leben kann.

Es ist keine Krankheit, sondern die normale Eigenschaft eines Audions 
mit Gittergleichrichtung, in einem bestimmten Bereich der 
Eingangsspannung gut zu funktionieren. Ebenso wie bei einem Super, 
dessen Mischstufe auch bei bestimmten Eingangsspannungen besser 
funktioniert als bei zu geringen oder zu hohen.
Sehr gute infos dazu findet man z.B. bei Pitsch.

von juergen (Gast)


Lesenswert?

> z.B. bei Pitsch
und auch bei allen anderen Autoren, die hier im Schrank stehen. ASD !

Aber darum dreht es sich gar nicht. Lies dir mal die Beitraege des Bernd 
sorgfaeltig durch. J.

von juergen (Gast)


Lesenswert?

PS:
ASD = alles schon dagewesen. J.

von B e r n d W. (smiley46)


Angehängte Dateien:

Lesenswert?

Das "Nestel-Prinzip" würde das Problem nicht beheben, denn nach wie vor 
wird die Gitter-Kathodenspannung einer Arbeitspunkt-Veränderung 
ausgesetzt.

Könnte der angehängte Schaltplan so funktionieren?

Der Oszillator entspricht dem Schaltbild unten rechts, jedoch mit 
Röhren:
http://de.wikipedia.org/wiki/Oszillatorschaltung

von juergen (Gast)


Lesenswert?

Du verlegst die Rueckkopplung in die Vorstufe, koppelst zurueck uber U2 
, das erspart die Spulenanzapfung.
Interessante Idee (ASD), nur machst du vielleicht zuviele Schritte auf 
einmal. Wenns nicht gut laeuft, kann man nicht sagen weshalb.

Irgendein R muss natuerlich ein Poti sein zur Einstellung der RK und C5 
ein variables C zur Abstimmung. J.

von B e r n d W. (smiley46)


Lesenswert?

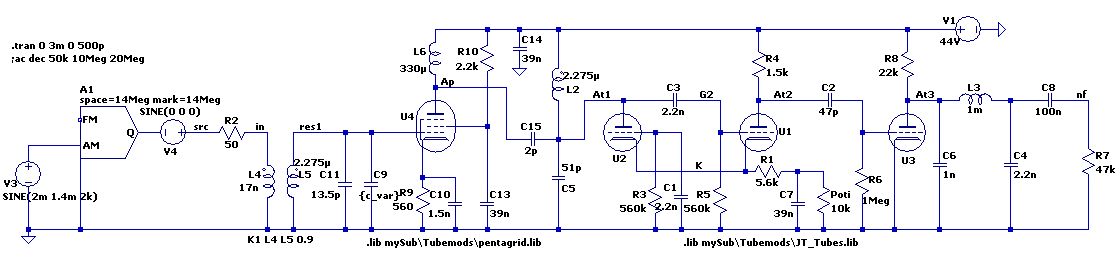
Rückkopplungseinstellung ist über R1 geplant. Die Verwendung dieses 
Oszillators beinhaltet den Emitterfolger mit geringer Belastung des 
Schwingkreises. R4 darf nicht zu hochohmig werden, sonst reicht die 
Rückkopplung nicht. Was mir persönlich nicht gefällt, es ist eine 
weitere Triode notwendig.

Dann hatte ich noch gestern den Wobbler angeworfen. Die erreichbare 
Bandbreite beträgt bei 6MHz ca. 3-10 kHz, je nach Rückkopplung und bei 
14 MHz ca. 6-18 kHz bei -6dB. Das entspricht einer Güte von ~3000.

von juergen (Gast)


Lesenswert?

PS.
Nachteil der Schaltung : Einfluss der Antenne auf Abstimmung und 
Rueckkopplung.

Wenn ich mir die Sache grundsaetzlich betrachte :

1. Rauscharme Vorstufe muss sein, um Antenneneinfluss fernzuhalten, 
Empfindlichkeit und Selektion (etwas) zu verbessern und S/N anzuheben. 
Verstaerkung vielleicht 10fach = 20 db.

2. Der von dir beschriebene Modulationseffekt ist denkbar, aber ich habe 
davon noch nichts gelesen. Da koennte man ansetzen.

3. Wenn sich der Effekt bei 10m so stoerend auswirkt, dann muss man eben 
Abstimmung, Demodulation und Rueckkopplung voneinander trennen. Also zB.
Kreis - Pufferstufe - Audion.

4. Von vorne beginnend, Stufe um Stufe aufbauen und optimieren. Erst 
wenns gut laeuft, den naechsten Schritt.

Das sind natuerlich alles Gemeinplaetze. Aber trotzdem die Wahrheit, 
meine ich. J.

von juergen (Gast)


Lesenswert?

PS:
Der Abstimmkreis ist nicht geschlossen. Es fehlt ein C  ca. 10 nF in der 
Plusleitung nach GND. J.

von juergen (Gast)


Lesenswert?

PS2:

Wie rechnest du die Guete ? Nach meiner Rechnung betraegt die Guete im 
Mittel 1000 = 6 MHz/6 kHz = 14 MHz/14 kHz. J.

von B e r n d W. (smiley46)


Lesenswert?

> 1. Rauscharme Vorstufe muss sein

Das war so gedacht, es ist nur der relevante Teil eingezeichnet.

> 2. Der von dir beschriebene Modulationseffekt ist denkbar,
> aber ich habe davon noch nichts gelesen. Da koennte man ansetzen.

Ich hab eine erweiterte Theorie dazu, die Resonanzfrequenz läuft durch 
Abrbeitspunktverschiebung weg, wodurch das Signal außerhalb des 
Empfangsbereiches gerät. Dann erholt sich der Arbeitspunkt wieder, das 
Empfangssignal kommt zurück usw.

> 3. Wenn sich der Effekt bei 10m so stoerend auswirkt,
> dann muss man eben Abstimmung, Demodulation und Rueckkopplung
> voneinander trennen. Also zB. Kreis - Pufferstufe - Audion.

Dann gibt es anscheinend zwei Lösungen, das macht Mut.

> 4. Von vorne beginnend, Stufe um Stufe aufbauen und optimieren.
> Erst wenns gut laeuft, den naechsten Schritt.

Der Oszillator schwingt nur mit zwei Systemen, das Audion kann ich 
vorerst weglassen. Ich bin mir nicht sicher, ob ohne weitere Triode eine 
ECL80 für Lautsprecherwiedergabe reicht. Die SSB-Signale können auch 
recht schwach sein, dann braucht es Reserve.

von B e r n d W. (smiley46)


Lesenswert?

> betraegt die Guete im Mittel 1000 = 6 MHz/6 kHz = 14 MHz/14 kHz

Die Q=f/b bei -3dB, meine Angaben beziehen sich auf -6dB. Das sind ab er 
nur ganz grobe Richtwerte. Ich kann mit dem Marker nur die Skalierung 
auf dem Oszi kalibrieren und dann dort ablesen. Da können sich schon 
zwei Fehler addieren.

> Es fehlt ein C  ca. 10 nF in der Plusleitung nach GND

Das ist idealisiert, in der richtigen Schaltung hab ich mehrere 
Blockkondensatoren. Speziell an dieser Stelle muß ein C den Kreis auf 
kürzestem Weg schließen.

von Edi (Gast)


Lesenswert?

1
Was mir persönlich nicht gefällt, es ist eine 
2
weitere Triode notwendig.
Das ist der Preis, wenn man ein "erwachsenes" Audion haben möchte, das 
ist dann gar nicht mehr simpel.
Aber wenn man es richtig gut hinbekommen hat, ist es schon nah am Super.

Mit dem Aufwand... könnte man natürlich- einen Super bauen, klar.
Dennoch hat die Geradeaus- Empfangs- Technik einige Eigenschaften, die 
vor langer Zeit zu den genannten Spitzen- Geradeausempfängern führten.

Das mit dem Aufwand ist wie beim unbeliebten Zweitaktmotor.
In der DDR: Stinkermotor- Technologie für Trabant und Wartburg, aber die 
Japaner (Suzuki) haben den Motor schon Ende der 70er so hochgezüchtet, 
daß er (damals) in Abgas, Verbrauchm usw. dem 4-Takter ebenbürtig war.
Aber... nix mehr mit "3 bewegte Teile" (alter 2-Takter- Werbespruch aus 
den 30ern, meint: : Kurbelwelle, Pleuel, Kolben.)
Da waren dann schon Ventile mit ihren Antrieben drin, ja, gibt`s, 
ventilgesteuerter 2- Takter. Dazu Sensoren, Steuerungen... jede Menge 
Elektronik.

Die Differenzverstärker- Lösung aus der Halbleitertechnik- ich weiß 
nicht, ob die so schon mal da war... ich denke auch, die müßte an die 
Verhältnisse der (höheren) Ein- und Ausgangswiderstände angepaßt 
werden... ?

Scheint aber so bei Ihnen zu funktionieren, BerndW.
Wenn es funktioniert... ist es auf jeden Fall gut.

Der beschriebene "Modulationseffekt"... ich verstehe den als "mit der 
Modulation mitgehendes Rauschen"- richtig ?
Das ist doch bei sehr kleinen Signalen auch beim (normalen) Super... ?
Oder interpretiere ich das jetzt falsch ?

Edi

von B e r n d W. (smiley46)


Angehängte Dateien:

Lesenswert?

> ja, gibt`s, ventilgesteuerter 2- Takter.
Die großen Schiffsdiesel sind ventilgesteuerte 2-Takter. Durch den 
eingespaarten 2. Takt wird der Wirkungsgrad besser.

> Wenn es funktioniert... ist es auf jeden Fall gut.

Es funktioniert erst mal. Wie gut, wird sich noch herausstellen. Die 
Rückopplung verhält sich weich, und relativ linear über den 
Empfangsbereich. Wegen Handempfindlichkeit ist das Poti jetzt mit eionem 
C überbrückt, was hoffentlich auch weniger Rückwirkung auf die Frequenz 
bedeutet.

Das Audion selbst ist noch nicht dran, momentan demoduliere ich mit 
einer Germaniumdiode. Wie befürchtet ist es sehr leise. Die lautesten 
AM-Stationen kommen gerade verständlich aus dem Lautsprecher. Wenn ich 
sowieso eine weitere Röhre benötige, könnte ich für die 4. Stufe auch 
eine Pentode verwenden.

von juergen (Gast)


Lesenswert?

Was sind U1-U4 fuer Roehrentypen ? J.

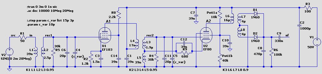
von B e r n d W. (smiley46)


Lesenswert?

U1 = EF183
U2 = EC(C)84
U3 = E(C)C84
U4 = EC92 oder EFxx

später:
U4+U5 = ECL80

von juergen (Gast)


Lesenswert?

Stimmt das mit der Nummerierung im Schaltbild ueberein ? J.

von B e r n d W. (smiley46)


Lesenswert?

Autsch, falscher Fehler. Es sind die Röhren von links nach rechts.

von B e r n d W. (smiley46)


Angehängte Dateien:

Lesenswert?

Moin

Im Amateurfunk-Handbuch (1978, blau) hab ich noch obige 
Oszillator-Schaltung entdeckt. Da wird an der Kathode ausgekoppelt, es 
scheinen ca. 6dB mehr zu kommen.

Momentan suche ich nach einem Weg, wie ich etwas mehr Signal bekomme. 
Falls R4 deutlich größer als R1 wird, müßte es an der Anode mehr werden. 
Mal sehen, wie weit man das treiben kann.

von Edi (Gast)


Lesenswert?

ich denke, es ist vielleicht nicht so sinnvoll, nach 
Oszillatorschaltungen zu suchen, wenn man keinen Oszillator bauen will- 
besser vielleicht, das Pferd richtigherum aufzuzäumen, und eine 
leistungsfähigere Empfangsschaltung suchen, die mehr liefert.
Da fällt mir so spontan die Doppelweg- Gleichrichtung ein. Ja, gab`s 
auch beim Geradeaus- Eingangsteil gelegentlich.

Könnte dann so aussehen: HF- Verst.| HF- Verst.| Doppelweggl.| NF- 
Verst.| Endstufe. Vor/ hinter/ zwischen die HF- Verst. die 
ABstimmkreise, also max. 3. Bei aperiodischem Eingang eben 2.

So eine Variante habe ich in meinem Projektgerät vorgesehen.
Zwar mit einer speziellen Röhre, aber sollte m. E. auch nur mit 
Doppeldioden und nachfolgender Triodenverstärkung (z. B. EAA 91 und eine 
ECC, ö. ä., oder EABC 80) gehen.

http://www.edi-mv.de/index.php/projekte/edi-rgs/projekt-edi-grs-wunderlich

In einer Schaltungssvariante werden die K-G1- Strecken auch nur als 
Dioden verwendet ("Espero"- Gerät, auf der Seite, unten)

Wie gut sich die Schaltung für einen rückgekoppelten HF- Verstärker 
davor eignet, wenn die Rückkopplung zwecks SSB- Demodulation angezogen 
ist, weiß ich nicht, überhaupt kenne ich mich mit SSB- Eignung der 
Geradeaus- Schaltungen weniger aus.

Aber wäre vielleicht einen Test wert.
Warum ?
Immerhin verspricht die Doppelweg- Gleichrichtung eine höhere 
Ausgangsspannung, und dem ist nach Messungen wohl auch so.

Die Schaltung mit der angegebenen Röhre hat aber -auch als Doppeldioden- 
Variante- einen in der Eingangsspannung eingegrenzten Arbeitsbereich, 
einen optimalen Arbeitsbereich haben aber viele Schaltungen.
Mit anderen Doppeldioden müßte man testen.

Edi

von juergen (Gast)


Lesenswert?

> Doppelweg-Gleichrichtung eine höhere Ausgangsspannung

Ja, aber der Faktor 2 macht den Kohl nicht fett. Der Bernd braucht mehr 
und da kann er durch Messen wahrscheinlich schnell herauskriegen, dass 
das 2. System der Doppeltriode hauptsaechlich als Impedanzwandler 
arbeitet und kaum verstaerkt. Ist bei der neuen Version auch nicht 
anders.

Wenigstens eines der beiden Systeme sollte Verstaerkung bringen. Nur 
allein fuer die Rueckkopplung ist der Aufwand ein bisschen hoch. Mir ist 
immer noch nicht klar, warum mein frueherer Vorschlag mit dem 
Katodenfolger vor dem Audion nicht funzen soll. Das ist wahrscheinlich 
eine Frage der Dimensionierung.

Welche Vorteile soll die Wunderliche Roehre gegenueber herkoemmlicher 
Diodengleichrichtung haben ?
J.

von Edi (Gast)


Lesenswert?

Jürgen, doppelte Ausgangsspannung, wenn soviel dabei rüberkommt- halte 
ich schon für beachtlich, und wert, es zu versuchen.
1
Welche Vorteile soll die Wunderliche Roehre gegenueber herkoemmlicher 
2
Diodengleichrichtung haben ?
Da gibt es einen schönen Beitrag von Hr. Holtmann im RMorg:
http://www.radiomuseum.org/forum/die_wunderlich_roehren.html
und noch einen von Hr. Sousa.
Hr. Holtmann hat auf meine Bitte hin noch einen weiteren Versuch 
gemacht.

Zu dem, was die Wunderlich bringen sollte, müßte man Hr. Norman 
Wunderlich fragen.
Einen Vorteil ihrer Gleichr. gg. Diodengl. kann sie nicht haben, es IST 
Diodengl.
Es erfolgt lediglich eine weitere Verstärkung in einer Triode, aber die 
ist eben in spezieller Weise mit eingebunden, was die Verwendung der 
Triode einschränkt.

In
http://www.edi-mv.de/index.php/projekte/edi-rgs/projekt-edi-grs-wunderlich
ist dann, wie 2 Beiträge vorher, beschrieben, daß ein Hersteller nur die 
Doppeldiodenfunktion nutzt, die arme Triode also nur Statistin ist 
(Espero- Super).

Ich selbst möchte die Schaltung verwenden, weil es eine "vergessene 
Schaltung" ist, und ich habe eine neue Lampe.

Der von Hr. Holtmann beschriebene Nachteil des hohen Klirrs bei 
unpassendem Eingangspegel und/ oder großem Modulationsgrad ist auch in 
der Doppeldiodenschaltung noch da, und ließ sich von der Dimensionierung 
her nicht verändern !
Merkwürdig, und ich werde da auch ansetzen, evtl. die Schaltung etwas 
tunen, so möglich.
Eine Vorspannung schaffte Abhilfe, aber nicht 100%ig.
Bei Interesse müßte ich nochmal nachsehen, wo die Vorspannung hinsoll, 
wie hoch, usw., das war das Ergebnis des weiteren Versuchs.

Ich kann meine Röhre noch nicht antesten, habe noch keine Fassung.

Nun ja- ein Versuch mit einer EABC wäre für Bernds Problem auch ok.

Edi

von B e r n d W. (smiley46)


Lesenswert?

Im Barkhausen steht: "Die Raumladung beeinflußt die Kapazität".
Verbiegt das die Feldlinien und die Feldlinienlänge ändert sich?

Dann im Band 3, Selbstüberlagerung, "im Mitnahmebereich keine Schwebung.
Je kleiner die Rückkopplung, desto größer wird Mitnahmebereich."

Wenn das so stimmt, wäre ein hohes Q des Schwingkreises kontraproduktiv, 
denn dann benötigt man weniger Rückkopplung für den Schwingungseinsatz.

Mit einem mittleren Q des Schwingkreises wäre eine hochstabile Schaltung 
notwendig für die Rückkopplung notwendig, um trotzdem schmalbandig zu 
werden.

Ich möchte aber eine konstante Schwingung, die sich kaum beeiflussen 
läßt. Nur dann stimmt der Beat. Das Audion muß 1,5 kHz neben dem Signal 
schwingen, prozentuel wird der Abstand bei hohen Frequenzen immer 
geringer.

Letztendlich bleibt einem nur übrig, den HF-Abschwächer zurückzudrehen.

@juergen
Damit rückt der Kathodenfolger wieder in die engere Wahl und die 
Pentode, welche nur wenig Rückwirkung von der Anode aufweist. Oder eine 
Kombination davon.

@Edi
Ist eine Träger vorhanden im richtigen Abstand, findet am Demodulator 
Mischvorgang statt. Das wird bei Deiner Schaltung nicht anders sein.

von juergen (Gast)


Lesenswert?

> Nachteil des hohen Klirrs

Den haben ja alle Gleichrichter mehr oder weniger, weil die Kennlinien 
alle nicht linear sind.

Im elektor war mal eine Schaltung mit TBA120, die den Traeger aus dem 
Signal herausholte und dann wieder mit dem Signal mischte, also eine Art 
Homodynschaltung. Das ergab verzerrungsfreie Demodulation.
Hab ich damals nachgebaut. Funktionierte sehr schoen.

In der Funkschau Ende der 40er Jahre waren mal 2 originelle Artikel 
ueber ein weiterentwickeltes Audion. Verfasser Mueller. Sehr 
interessant, aber irgendwie auch ein bisschen konfus, so dass darauf 
keine Reaktion erfolgte.

Zu den weiteren Punkten des Bernd spaeter. J.

von B e r n d W. (smiley46)


Lesenswert?

@jürgen

> Im elektor war mal eine Schaltung mit TBA120

Ein Synchrondemodulator, sowas haben auch einige Weltempfänger. Das ist 
vor allem vorteilhaft beim Schwund auf Kurzwelle. Wenn der Träger eine 
konstante Amplitude behält und nur die Seitenbänder schwinden, sind beim 
Empfang die Lautstärkeschwankungen nicht so ausgeprägt.

Auch beim Homodyne rastet ein Träger ein und dient zur Demodulation. Es 
wird keine Hüllkurve gleichgerichtet.

von Edi (Gast)


Lesenswert?

...hohen Klirrs
1
Den haben ja alle Gleichrichter mehr oder weniger, weil die Kennlinien 
2
alle nicht linear sind.
Was soll uns das nun sagen ? Daß man am besten keinen Gleichrichter 
verwendet, zerren ja sowieso alle ???
Merkwürdigerweise bauten aber alle Hersteller Gleichrichter/ 
Demodulatoren ein. Oh Schreck- alle mit nichtlinearen Bauelementen...

Wenn ich den hohen Klirr besonders erwähne, ist der schon störend hoch, 
und da sich meine Aussagen auf den Artikel von Hr. Holtmann beziehen, da 
sind die Oszillogramme dazu.
Gerade sichtbare Sinusverzerrungen -> etwa 1% (Faustregel)
Und in dem Artikel ist das schon sehr viel mehr.

Bei einem guten Demodulator sind keine sichtbaren Verzerrungen 
erkennbar- und das leisten die meisten Radios der Röhrenzeit schon.
1
In der Funkschau Ende der 40er Jahre waren mal 2 originelle Artikel 
2
ueber ein weiterentwickeltes Audion. Verfasser Mueller. Sehr 
3
interessant, aber irgendwie auch ein bisschen konfus, so dass darauf 
4
keine Reaktion erfolgte.
Tolle Info...
Beschreibung ?
Was ist an der Schaltung besonders ?
Ich gebe wenigstens Quellen an.
Welches Jahr, welches Heft ?

Edi

von juergen (Gast)


Angehängte Dateien:

Lesenswert?

Hallo Bernd,

Die elektor-Schaltung mit TBA120 war eigentlich kein richtiger 
Synchrondemodulator, weil bei vollkommenem Traegerschwund die 
Demodulation nicht mehr funktionieren kann.
Ich habe einen Sony 7600, der hat einen. Macht sich aber nur selten 
bemerkbar. Nur natuerlich bei SSB.

Ja, und das schwingende Audion ist auch ein Homodyn. Sowas macht der 
Mueller im erwaehnten Aufsatz. Ausserdem untersucht er die 
Trennschaerfeverbesserung des Audions durch Traegeranhebung. Bei Bedarf 
kann ich die Texte scannen.

Als Anlage das versprochene Schaltbild von DJ1ZB.
Die Rueckkopplung mit dem Drehko C2 ist auch auf 10m nahezu 
verstimmungsfrei, weil die Anode nicht kapazitiv geerdet ist. Die 
Empfindlichkeit des Geraets mit Anodendetektor soll dem Audion nicht 
nachstehen, die Trennschaerfe besser sein, weil die Daempfung durch den 
Gittergleichrichter wegfaellt.

Die Widerstaende R1 bis R4 haben einmal den Sinn, den Arbeitspunkt des 
Detektors optimal einzustellen, zum anderen durch die starke 
Stromgegenkopplung den Arbeitspunkt bei Spannungsaenderungen stabil zu 
halten.

Mir scheint, der Anodendetektor ist zu Unrecht etwas in Vergessenheit 
geraten. Bei Interesse den ganzen Artikel (10 Seiten) per email.

Lass uns Barkhausen mal vergleichen :
Ich habe : Bd.1,3,4  5.Auflage, Bd.2  5+6.Aufl.
Ausserdem "Einfuehrung in die Schwingungslehre, nebst Anw. a. mech. u. 
elektr. Schwingungen, 4.Aufl. 1951, 128 S.,enthaelt nur 
grundsaetzliches.

J.

von juergen (Gast)


Lesenswert?

Hi Edi,

< Tolle Info...usw.

Nicht gleich so spitz !
In meinem Gedaechtnis ist zwar der Aufsatz so ungefaehr gespeichert, 
aber die exakten Daten muss ich erst mal rauskramen.
Wenn ich es gefunden habe, kriegst du den Text per email.

J.

von B e r n d W. (smiley46)


Lesenswert?

@Edi

> Gerade sichtbare Sinusverzerrungen -> etwa 1% (Faustregel)

Sichtbar bedeutet eher ein wenig mehr als 1 %. Es sei denn die Kurve hat 
einen richtigen Knick. So wie das Nestel gegenüber dem herkömmlichen 
Audion den Klirr von ca. 3% auf 1% reduziert. Kleiner als 1% ist doch 
schon ziemlich gut.

Heute hab ich zur EF80 zurückgebaut. Damit wird der Miller-Einfluss auf 
die Empfangsfrequenz praktisch entfernt. Keine Ahnung, ob weitere 
Kapazitätsänderungen lauern. Dann hab ich noch ein paar kleinere 
Modifikationen vorgenommen, um die gegenseitigen Einflüsse etwas zu 
reduzieren. Jetzt warte ich mal das Wochenende ab, wie sich die 
Schaltung auf 20m verhält. Das hatte ich nämlich das letzte mal mit der 
Pentode nicht getestet.

von juergen (Gast)


Lesenswert?

Hi Edi,
wer Ordnung haelt, ist nur zu faul zum Suchen. Ganz so gut ist es bei 
mir zwar nicht, aber gleich der erste Griff war ein Treffer :

N.J.Muellbauer,
Grundlegende Verbesserungen an Ein- und Zweikreisempfaengern
Funkschau 1950, Heft 1, Seite 2 und Heft 3, Seite 41

Willst du ne Kopie ? und Bernd, du auch ?
J.

von B e r n d W. (smiley46)


Lesenswert?

@Juergen

> Lass uns Barkhausen mal vergleichen :
> Ich habe : Bd.1,3,4  5.Auflage, Bd.2  5+6.Aufl.

Band 1: 5. und 6. Auflage
Band 2: 9. Auflage
Band 3: 5. und 9. Auflage
Band 4: 6. und 9. Auflage

Die anderen Bücher hab ich nicht.

> Die elektor-Schaltung mit TBA120 war eigentlich kein richtiger
> Synchrondemodulator

Also einfach als Begrenzer-Verstärker.

> Synchrondemodulator
> Ich habe einen Sony 7600, der hat einen. Macht sich aber
> nur selten bemerkbar. Nur natuerlich bei SSB.

Ein Synchrondemodulator enthält einen Oszillator und eine PLL. Der 
Oszillator wird auf den Träger (in der ZF) phasenstarr eingerastet. Gibt 
es jetzt Schwund, schwinden nur die Seitenbänder.

Bei SSB kann das nicht funktionieren, denn es wird kein Träger gesendet. 
Dort kommt der freischwingende BFO zum Einsatz. Der Oszillator kann 
durchaus der selbe sein.

> Ja, und das schwingende Audion ist auch ein Homodyn.
> Bei Bedarf kann ich die Texte scannen.

Eventuell wäre das für Edi interessant.

> Als Anlage das versprochene Schaltbild von DJ1ZB.

Die Schaltung hat schon ein paar Besonderheiten:
Kathodenwiderstnad     R3 = 20k
Schirmgitterwiderstand R7 = 1Meg
Glimmstabi mit Anhebeung der Gitterspannung auf ca. 20Volt.

Komplett verhinderte Gittergleichrichtung, aber die Anodengleichrichtung 
ist nicht ausgereizt. Vermutlich ein Kompromiss und eher auf die 
Rückkoppeleigenschaften optimiert. Gibt es einen Hinweis, wie das Poti 
R4 eingestellt wird?

>Willst du ne Kopie ? und Bernd, du auch ?

Gerne!

von juergen (Gast)


Lesenswert?

> Kathodenwiderstnad     R3 = 20k
Text : Der Katodenwiderstand hat mit 20k die maximale vom 
Roehrenhersteller im Normalfall zugelassene Groesse.
Mit R4 ist ein Feinabgleich des Arbeitspunktes des Anodengleichrichters 
moeglich.


> Glimmstabi mit Anhebeung der Gitterspannung auf ca. 20Volt.
Glimmstabi war bei besseren Geraeten normal, aber meine Rechnung des 
Spannungsteilers ergibt eine positive Gittervorspannung von ca. 9V, 
abzueglich der Katodenspannung ca. 20V, also eine Gittervorspannung ca. 
-10V, grob geschaetzt.
Diese Schaltung diente vor allen der Stabilisierung des Arbeitspunktes 
gegen Schwankungen der Heiz-/Netzspannung. Fuer die Anodengleichrichtung 
allein wuerde der Katodenwiderstand genuegen.
Die erste Version des Geraetes war noch mit einem Audion versehen und 
wurde auf Anodengleichrichtung umgebaut, weil eine Brummspannung von der 
Heizung auf das Gitter streute.

> die Anodengleichrichtung ist nicht ausgereizt.
Aha, ???

J.

von Edi (Gast)


Lesenswert?

Ich hab' mal ein paar Schaltungsauszüge in ein PDF gequetscht.
Ist auch eins mit Schaltkreis bei, nicht mit TBA 120, aber mit A244 
(DDR).
2 Kaskoden, eine geregelt. Fehlen die Dimensionierungsangaben, habe ich 
aber, bei Interesse. Ist die Schaltung, die ich verwenden möchte.
Dann ein paar historische Schaltungen.
www.edi-mv.de/images/sonstiges/weitere_geradeaus.pdf

Das ist noch längst nicht alles, was ich zum Thema Geradeausempfänger 
beisteuern kann.

Wie geschrieben- es geht sicher noch einiges zu entwickeln, damals 
machte man nicht mehr weiter, weil die Grenze des technisch machbaren 
und sinnvollen erreicht war, mit heutigen Bauelementen (Röhren) und 
Meßmitteln kann man auch aus dem alten Prinzip noch mehr herausholen.

Ja, @Jürgen, an historischen Schaltungen bin ich immer interessiert.

Edi

von juergen (Gast)


Lesenswert?

Hi Edi,

die letzte Schaltung "Schieren Kay 48" ist sowas, wie ich es mir fuer 
einen historischen SAQ-Empfaenger vorstelle. Aber :
die KC1 funtioniert sicher als Audion, dann die HF an der Anode nochmal 
gleichrichten und auf das Gitter rueckfuehren ? Wenn das man nicht 
Probleme bringt! Lieber die Endstufe als Reflex wie zufaellig in den 
oben genannten Funkschauheften in 2 anderen Aufsaetzen beschrieben.

J.

von Edi (Gast)


Angehängte Dateien:

Lesenswert?

Die rückgeführte Spannung ist keine HF.
Erfordert sicher gute Siebung.
War auch nur als Anregung gedacht.
:-)


So, hier das bisherige Ende der Fahnenstange.
BerndW, wenn Sie den bauen, dürften Sie keine Probleme haben.

Bilder kann ich als Gast wohl nicht anhängen- geht jedenfalls nicht bei 
mir.
Also die URL:

http://img194.imageshack.xx/img194/2173/lo6k39ueberblick.jpg
(für xx bitte us eingeben, Posting wird sonst als Spam abgelehnt)

Schaltplan kann ich im Riesenformat (x mal A4) -zum Ausdrucken oder zum 
Shack tapezieren- schicken.

Edi

von Edi (Gast)


Lesenswert?

Kommando zurück- Bild geht nur in der vorschau nicht.

Edi

von B e r n d W. (smiley46)


Angehängte Dateien:

Lesenswert?

Es gibt eine neue Version.

Das Entfernen der Gittergleichrichtung hat die Schaltung deutlich 
stabiler gemacht. Das NF-Signal ist ungefähr gleich laut. Jetzt könnte 
man schauen, ob vorspannen der Dioden noch etwas bringt.

Dann werde ich jetzt erstmal abwarten, wie sich die Schaltung bei 20m 
verhält.

Weitere Verbesserungen verspreche ich mir später noch von der 
Bandspreizung, stabilisierter Betriebsspannung und einem solideren 
Aufbau.

von B e r n d W. (smiley46)


Lesenswert?

Gerade hab ich europaweit ein paar QSOs mitgehört und eins mit Florida. 
Allerdings auf 40m, das Band geht auf und zu. Wenn es mit 20m auch so 
gut funktioniert, bin ich zufrieden.

PS
Vorspannen der Dioden bringt tatsächlich eine deutlich hörbare 
Verbesserung. Vor allem schwache Signale werden lauter und mittelstarke 
Rundfunksender klingen säuberer.

von B e r n d W. (smiley46)



Lesenswert?

Aktueller Stand

Wie auf dem Foto zu sehen, ist die Schaltung erstmal noch ziemlich 
experimentell. Es gibt aber keine wilden Schwingungen und außer dem 
Hauptschwingkreis gibt es kaum eine Berühr-Empfindlichkeit. Der 
Hüllkurven-Demodulator klingt bei AM richtig gut.

Löcher in einen richtigen Aufbau werden erst gebohrt, wenn das 
grundsätzliche Schaltprinzip steht.

Zum Empfang:

Der Empfang auf 20m funktioniert. Die vom Arbeitspunkt abhängige Drift 
hat sich um Faktor 10 reduziert. Was als Problem bleibt, ist der 
Mitnahmeeffekt der Selbstüberlagerung. Dazu einen Ausschnitt aus dem 
Barkhausen, Band3, Selbstüberlagerung.

Die Eigenschwingung wird dabei leider mehrere 100 ppm in Richtung 
empfangenes Signal gezogen. Was für AM ein durchaus gewünschter 
Nebeneffekt, ist für die Demodulation von SSB absolut störend.

Der Effekt ist umso stärker:

- Je höher die Frequenz, da proportionales Verhalten.
- Je Stärker das Signal.
- Je näher die die Empfangsfrequenz zur Eigenfrequenz kommt.

Im Seitenband der Modulation sind ja typischerweise Frequenzen zwischen 
300 und 3000 Hz enthalten. Dies entspricht auch dem Abstand zwischen der 
Empfangsfrequenz und der Eigenschwingung des Rückkoppelempfängers. Das 
Problem sind also nicht die 3kHz, sondern die tiefen Frequenzen. Hat 
eine kräftige Station eine sehr tiefenbetonte Modulation, fängt der 
Frequenzbereich evtl. schon bei 200 Hz an, ist ein Signal auf 20m und 
höher kaum noch verständlich.

Lösungen:

- Ein HF-Regler, welcher sich vollkommen rückwirkungsfrei
  zur restlichen Schaltung verhält. Ein Einfluss auf
  Empfangsfrequenz und Rückkopplung wären sehr unangenehm.

- Einen BFO auf der Empfangsfrequenz, ein weiterer Knopf mit einer
  sehr fummeligen, manuellen Abstimmung (+/- 100Hz bei 28 MHz)

- Ein Kurzwellenvorsatz aus der Bucht (121008976811)
  oder ein selbstgebauter (natürlich mit Röhre). Der Empfangsbereich
  wird auf einen niedrigeren Bereich umgesetzt (z.B. 2-3 MHz).

- Superhet mit (echtem) Audion in der ZF. Eine typische ZF-Frequenz
  wäre 1700 kHz, ich könnte mir aber auch 2048 KHz vorstellen.

von Edi (Gast)


Lesenswert?

Ist der Versuchsaufbau die Schaltung vom Beitrag davor ?

Der Aufbau sieht ja nun doch etwas wild aus- ein absolut sauberer, 
sorgfältigst verblockter Aufbau dürfte noch einige Zusatzpunkte bringen.

Das auf der Barkhausen- Seite... Schwebungen unter 400 Hz tauchen nicht 
auf... ?
Ist eigentlich nur verständlich, wenn man den Vesuchsaufbau kennt.

Ob ein Super mit hoher ZF die Lösung ist... wie geschrieben, bin kein 
SSBer.

Der Vorsetzer in der Bucht- ich staune, was manchmal so auftaucht...

KW- Vorsatzschaltungen habe ich etliche, die waren in den 30ern und 
40ern sehr beliebt.

Edi

von B e r n d W. (smiley46)


Lesenswert?

@Edi

> sorgfältigst verblockter Aufbau dürfte noch einige Zusatzpunkte

Es sind einige Blockkondensatoren eingebaut, bei beiden Röhren ist der 
Schirm geerdet und es gibt keine merkbare parasitäre Effekte.

> Barkhausen ... Schwebungen unter 400 Hz tauchen nicht auf... ?

Die 400 Hz im Barkhausen sind nur als Beispiel gedacht bei 1MHz. Dieses 
Verhalten war mir zu Beginn noch nicht so bewußt. Aber es ist vollkommen 
normal und verstärkt sich bei höheren Frequenzen enorm. Man lernt nie 
aus.

Es wartet ein schönes Einschubgehäuse, 3-fach Drehko, russischer 
Feintrieb, 6fach Bandumschalter usw. auf den Einsatz. Aber rumgebohrt 
wird erst wenn ich mir sicher bin, daß sich das Ergebnis lohnt.

PS
Eventuell macht es langfristig Sinn, sich ein Experimentier-Chassis 
aufzubauen.

von juergen (Gast)


Lesenswert?

> mehrere 100 ppm in Richtung empfangenes Signal gezogen
100 ppm bei 20m sind 1500 Hz, mehrere 100 ....

Bei 2 HF-Stufen kannst du schon an eine Regelung auf die 1.Roehre 
denken, versuchsweise sogar ohne spezielle Regelroehre wegen der 
steileren Regelkurve.

> sich ein Experimentier-Chassis aufzubauen.
Warum nimmst du nicht ein Labor-Steckboard,z.B. Pollin ?

Wie laesst sich bei der letzten Schaltung die Rueckkopplung einstellen? 
Weich oder hart ?

J.

von B e r n d W. (smiley46)


Lesenswert?

> Bei 2 HF-Stufen kannst du schon an eine Regelung auf
> die 1.Roehre denken

Immerhin hat der Drehko 3 Pakete, eine weitere Stufe wäre also möglich. 
Oder mit einer Pufferstufe, wie zuvor schon mal erwähnt.

>>> Der Aufbau sieht ja nun doch etwas wild aus
>> sich ein Experimentier-Chassis aufzubauen.
> Warum nimmst du nicht ein Labor-Steckboard,z.B. Pollin ?

Das Steckboard muß schon für die Stromversorgung herhalten. HF-technisch 
ist eine durchgehende Kupferfläche um Längen besser. Auf dem Steckbrett 
würde ich nichts über 2-3 MHz aufbauen.

> Wie laesst sich bei der letzten Schaltung die Rueckkopplung einstellen?

Schön weich.

von B e r n d W. (smiley46)


Lesenswert?

Hallo juergen

> Als naechstes Projekt moechte ich aber erstmal am Heiligabend den
> schwedischen Maschinensender SAQ 17.2 kHz Baujahr 1927 hoeren.
> Wenn du in dein Bastelprojekt geeignete Spulen steckst,
> muesste es auch damit klappen.

In meiner Bastelkiste haben sich (ganz zufällig) zwei Schalenkerne mit 
N48 Material gefunden. Die Induktivität beträgt 470mH mit einer 
Anzapfung bei 1/4 der Windungen. Mit dem Drehko läßt sich ein Bereich 
von 11-35kHz einstellen.

Ich empfange auch Signale, wie z.B. das hier auf 18,3 kHz:
http://websdr.ewi.utwente.nl:8901/

Jetzt ist die Frage, um wieviel schwächer der Grimeton auf 17,2 kHz hier 
ankommt, aber es könnte klappen.

Bernd

von juergen (Gast)


Lesenswert?

Hi Bernd,

ich weiss aus der Vergangenheit, dass Grimeton in DE leicht aufnehmbar 
ist.
Die senden ja auch mit 200 kW an einer Riesenantenne aus Suedschweden.

Bisher habe ich immer mit kommerziellen Funkempfaengern an einer 80cm 
Loop gehoert, darum moechte ich gern mal ein zeitgemaesses Radio 
benutzen, das ich mir aber noch zusammenschustern muss. Wird Zeit, dass 
ich anfange.

Am reizvollsten finde ich den von Jim Moritz gebauten 
elektromechanischen Empfaenger. Google mal.

Gruss, J.

von B e r n d W. (smiley46)


Lesenswert?

> it generates a couple of watts at 8kHz, which effectively gives a
> 16kHz BFO signal, due to the frequency doubling action of the mixer.

Wirkt der dann als harmonischer Mischer, weil der Mischerkern zweimal 
pro Schwingung in die Sättigung kommt?

Wenn hier schon Kerne in die Sättigung kommen, könnte man auch einen 
parametrischen Verstärker oder sogar parametrischen Mischer versuchen. 
Letzterer kann dann als Rückkoppelempfänger bis knapp an den 
Schwingungseinsatz gebracht werden. Quasi ein mechanischer 
Rückkoppelempfänger.

Schau mal hier:
http://www.tubebooks.org/technical_books_online.htm

nach dem Buch:
Magnetic Amplifiers, Paul Mali, 1960

von juergen (Gast)


Lesenswert?

Wieweit die Kerne in die Saettigung kommen, weiss ich nicht. Auf jeden 
Fall modulieren sie das Signal ausreichend.
Was mir daran gefaellt, ist dass man ohne Verstaerkung auskommt und das 
gehoerte Signal tatsaechlich nur vom Sender stammt.

Dank fuer den Buchtipp. Ich hab es mir runtergeladen und werde es mal 
studieren. Das einzige Problem dabei kennst du wahrscheinlich genauso:
Es gibt sovieles Interessantes, was man tun koennte und moechte, dass 
man gar nicht weiss, wo man anfangen soll.

Aber ein magnetischer Rx mit Rueckkopplung waere wirklich eine tolle 
Idee. Ich koennte mir denken, dass das noch keiner gemacht hat ?

J.

von B e r n d W. (smiley46)


Lesenswert?

> Was mir daran gefaellt, ist dass man ohne Verstaerkung auskommt
> und das gehoerte Signal tatsaechlich nur vom Sender stammt.

Es klingt auch noch ziemlich sauber.

> Es gibt sovieles Interessantes, was man tun koennte und moechte,
> dass man gar nicht weiss, wo man anfangen soll.

Geht mir genauso!

> ein magnetischer Rx mit Rueckkopplung waere wirklich eine tolle
> Idee. Ich koennte mir denken, dass das noch keiner gemacht hat ?

Lies mal den 1. Absatz:
http://fhs-consulting.com/aa1tj/parameticamplification.html

Das finde ich leider nicht:
Landon, V., "The Use of Ferrite-Cored Coils as Converters, Amplifiers 
and Oscillators," RCA Rev.,  September, 1949

Passt zum Thema:
http://www.dtic.mil/dtic/tr/fulltext/u2/035162.pdf

Aber die Wahrscheinlichkeit, daß jemand schon mal einen 
elektromechanischen Rx mit Rueckkopplung und ohne jegliches aktives 
Bauteil verwirklicht hat, ist wirklich sehr gering.

von juergen (Gast)


Lesenswert?

Dank nochmal fuer die ueberaus interessanten Informatioen, die ich erst 
mal studieren und verdauen muss.

Sachen gibts, die gibts gar nicht !
und noch einige mehr vergessene Ideen, als der Edi weiss. Ich haette 
durchaus Lust, in dieser Richtung ein bisschen zu basteln.

J.

von B e r n d W. (smiley46)


Lesenswert?

> Lies mal den 1. Absatz:
> http://fhs-consulting.com/aa1tj/parameticamplification.html

Eine leicht veränderte Version des 1. Schaltplans hab ich mal 
nachgebaut, das hat funktioniert. Wenn die Kapazitätsdioden mit 3-4 Volt 
vorgespannt werden, verbessern sich die Eigenschaften deutlich.

Aufmerksam auf das Thema wurde ich durch diesen Bericht:
http://microdevices.jpl.nasa.gov/capabilities/superconducting-devices/heterodyne-receiver-systems.php

Das Pumpen mit Kapazitätsdioden funktioniert analog zu folgendem 
Versuch: Ein Plattenkondensator wird aufgeladen, danach der 
Plattenabstand vergrößert. Es muß die elektrostatische Kraft überwunden 
werden, also wird Energie zugeführt. Die Kapazität wird kleiner, aber 
die Spannung höher. Diese Energie gelangt jetzt mit Hilfe des Pumpens 
zum Schwingkreis und entdämft diesen.

Dazu hätte ich noch eine weitere Idee:
Würde man einen Drehkondensator ohne Anschlag elektrisch vorspannen und 
dann mit einem hoch drehenden Elektromotor antreiben, müßte das doch 
analog zu den Kapazitätsdioden Energie in den Schwingkreis pumpen. Es 
gäbe also analog zur mechanisch-magnetischen eine auch eine 
mechanisch-statische Methode.

Um sowas zu verwirklichen, müßte man sich erstmal die Grundlagen 
erarbeiten, Versuche machen usw. Das klappt höchstens bis Weihnachten 
2013.

von juergen (Gast)


Lesenswert?

An den Drehko habe ich auch schon gedacht, doch das macht mechanisch zu 
grosse Schwierigkeiten.

Als Alternative habe ich die Leitfaehigkeit von CDs geprueft, aber 
nichts brauchbares gefunden. Aber vielleicht gibt es doch Typen mit 
leitfaehigem Belag. Ansonsten muesste man eine Platine mit moeglichst 
geringer Unwucht anfertigen.
Da ist die magnetische Version vielleicht am schnellsten zu realisieren.
Es muss ja nicht unbedingt Weihnachten 2012 sein.
Ausserdem gibt es noch etliche andere Sender in dem unteren HF-Bereich, 
z.B. die russischen U-Boot-Sender ALPHA auf 11.9, 12.65 und 14.88 kHz.

J.

von Enrico (Gast)


Angehängte Dateien:

Lesenswert?

Hier ein Audion das mich positiv überrascht hat.
Nach einer Schaltung von Kainka.Sie ist so empfindlich,
das man nicht einmal eine externe Antenne braucht.Empfängt das
80m Band,mit "umweltfreundlichem"Gehäuse aus Pappe :-)

von dolf (Gast)


Lesenswert?

mein am super mit ferritantenne braucht auch keine externe antenne.
dafür sorgt ein a244d/tca440.....
der funzt bis 30mhz ist also voll kw tauglich.
die platine ist so ausgelegt das man schnell auf lw oder kw umrüsten 
kann.
dem zf filter muß man natürlich die nötige aufmerksamkeit schenken.

von Wilhelm S. (wilhelmdk4tj)


Lesenswert?

Hallo zusammen.

@ Dolf:
Das ist  doch kein AUDION!

Schaltungen mit dem TCA440 gibt es zuhauf.
Einen Superhet kann  jeder.
Die Feinheiten eines Audions..??

Das ist die Frage des TO:
Wo sind die Audion-Bauer?

73
Wilhelm

von Ham (Gast)


Lesenswert?

Ein Superhet kann jeder ?

Na da wäre ich mal nicht so sicher:

Ein Superhet selbstständig von Grund auf zu entwickeln und bauen kann 
bestimmt nicht jeder.
Schon allein die dimensionierung der Filter  Schwingkreise  
Koppelspulen ist bestimmt nicht trival (also nicht einfach die in einen 
fertigen Bauplan angegebene Neosid Fertigspule nutzen).
Welche ZF nutze ich (es muß ja nicht immer 10,7 MHz bzw. 455 kHz sein) ?
Auch andere wichtige Parameter sind bestimmt nicht trivial.

Ja wenn man einen "fertigen" Superhet IC nimmt , die in den Application 
Notes der Herstellers empfohlenen Fertigspulen und Filter und das 
eventuell vorhandene Layout dann ist es tatsächlich keine große Sache 
einen Superhet aufzubauen.

Ein wirklich hochwertigen Superhet (Doppelsuperhet möglichst noch mit 
verschiedenen Bandbreiten auf der ZF Ebene)ist eine hohe Kunst welche 
fast nur von Spezialisten bei den großen Herstellern gemeistert werden 
kann.

Nicht umsonst ist der Superhet mittlerweile fast schon Geschichte - der 
(das ?) SDR ist Stand der modernen Empfangstechnik in vielen Bereichen 
da dort mit recht einfacher Technik sehr gute Empfänger machbar sind.

Wobei das streng genommen auch nicht stimmt - zum SDR gehört ja ein 
Rechner und eine Soundkarte und diese sind ganz bestimmt nicht einfache 
Technik.
Das entwickeln der Software eines SDR ist auch alles andere als einfach 
wenn es von Null an sein muß.

von Edi (Gast)


Lesenswert?

Hallo @all,

Es gibt noch Audionbauer... ich hatte hier ja auch schon Beiträge 
hinterlassen, und ein aufwendiges Geradeauskonzept ist auch eins meiner 
Projekte.

Audion- und Geradeausschaltungen (manchmal gibt es Streit wegen des 
Begriffs an sich, ob eine Schaltung nun "Audion" sei, oder nicht: 
"Rückkopplungsaudion", "Nestelaudion", "Kraftaudion"...) sind sehr 
interessant, und können sehr fähig sein !

Im Krieg wurden Geradeausempfänger zur damals höchsten Reife entwickelt. 
(Es gibt einen Grund, wer kennt ihn ???)

Die Entwicklung brach mit Kriegsende ab, danach wurden sie als 
Billiglösung, fast nur noch als Einkreis- Empfänger gebaut.

Ein Vorkriegs- Dreikreiser kann sich durchaus dem Vergleich mit einem 
Super stellen, die heutige Abschaltung der starken AM- Stationen rauben 
dem Superhet schon mal einen Vorteil- die bessere Regelung bei starken 
Nachbarsendern.

Wie weit Geradeauskonzepte gingen, siehe 
http://www.edi-mv.de/index.php/edi-s-specials/vergleich-superhet-geradeausempfaenger
und
http://www.edi-mv.de/index.php/edi-s-specials/die-ungewoehnlichliche-schaltung-antennenseitige-mehrkreis-selektion

Auch auf UKW können Geradeausschaltungen funktionieren- mit diesen 
Schaltungen habe ich experimentiert:
http://www.edi-mv.de/index.php/edi-s-specials/die-ungewoehnliche-schaltung-geradeaus-ukw-empfangsteil

Geradeausschaltungen haben noch etwas Potential, wenn nicht 
wirtschaftliche Gründe im Vordergrund stehen, es lohnt sich, mit ihnen 
zu experimentieren.

Edi

von B e r n d W. (smiley46)


Lesenswert?

> Auch auf UKW können Geradeausschaltungen funktionieren

Pendelempfänger sind empfindlich, nicht besonders trennscharf und der 
Klang ist schlecht.

Auch auf UKW funktioniert ein Audion auch. Es ist empfindlich, jedoch zu 
schmalbandig für Flankendemodulation. Der Klang ist dadurch noch 
schlechter.

Die UKW-Geradeausschaltungen waren nur für den Ortssender gedacht und 
sind zu breitbandig. Der Klang wäre vermutlich gut.

Wie wäre es mit diese Kombination?
Vorstufe -> regenerativer Verstärker -> FM-Demodulator -> 
NF-Vorverstärker

Als Rohr würde ich z.B. eine ECF82 verwenden, die sind für VHF-Empfang 
entwickelt worden. Die Triode als Vorstufe, die Pentode in 
ECO-Schaltung, der Vorkreis kann, muss aber nicht abgestimmt werden.

Zur Demodulation eine EABC80, da das NF-Signal vermutlich recht klein 
ist, kann mit der Triode gleich ein wenig nachverstärkt werden.

von Edi (Gast)


Lesenswert?

Berndw,

Für UKW würde ich keine klassische Audionschaltung verwenden, da wegen 
FM eher ungeeignet (2 Empfangsstellen an den beiden Flanken, hoch 
modulierte Sender -> Optimod- "überfahren" die Demodulation, extrem 
schlechter Klang).

Dennoch hat einer in einam anderem Forum ein "Ultra- Audion" mit RE 604, 
aus einer alten Schaltung, zum Spielen gebracht, als Vorsatz für einen 
Volksempfänger, da stehen die Videos auf Youtube, hört sich nicht mal 
schlecht an, wenn man die Wiedergabequalität des VE in Betrachtb zieht. 
Guter Empfang, sicher Sendernähe.
Erstaunlich gut, obwohl die Ultra- Audion- Schaltung für "UKW"- 
Frequenzen um 40 MHz (30er Jahre) gedacht war.

Pendler sind meist schlechter als Audion, der Arbeitspunkt ist sicher 
nicht optimal, wenn die Röhre selbst auch noch Schwingungserzeuger ist, 
und... die Pendelfrequenz erzeugt hörbare Interferenzen (Pfeiftöne) mit 
dem Stereo- Pilotton.

Die Geradeausschaltungen mit Diskriminatoren dürften besser sein, ich 
hatte mit diesen einst (vor 45 Jahren) experimentiert, die 
funktionierten damals recht gut.

Mit modernen, hochsteilen und kapazitätsarmen Röhren geht sicher mehr, 
als mit den alten Stahlröhrenschaltungen.
Vielleicht EF183/ 184 als Vorstufe, mit diesen Röhren (anstelle EF 80) 
haben wir früher Bild- ZF- Verstärker "heißgemacht". Ich weiß nicht, ob 
die bei hohen Frequenzen auch so top sind, könnte ich mir aber 
vorstellen.

Edi

von Edi (Gast)


Lesenswert?

Korrektur: Im vorherigen Beitrag muß es korrekt REN 904 heißen, nicht RE 
604.

Edi

von B e r n d W. (smiley46)


Lesenswert?

Ist es das hier?
http://www.youtube.com/watch?v=HDGsd0pACio

Das Problem ist halt, bei einer Güte von 100 bträgt die Bandbreite mit 
einem Schwingkreis immer noch 1 MHz. Verbessern läßt sich das mit einem 
Helixfilter, einem Topfkreis oder durch Rückkopplung. Der Vorverstärker 
war eher zur Entkopplung bei Schwingungseinsatz gedacht.

Momentan suche ich nach einem FM-Demodulator mit dem Schwingkreis/Drehko 
auf GND.

von Edi (Gast)


Lesenswert?

Ja, ist der Autor, es gab auch ein Video mit einem VE.

Ich bin auf Montage, habe keine Literatur bei.... was Sie suchen, sollte 
mit dem "Phasendiskriminator mit versetzten Einzelkreisen" gehen.

Es gibt aber auch geeignete Drehkos ohne Massebezug, da wird man bei 
Funkamateur- Zeugs fündig, oder besser, russische Militärdinger aus 
Funkgeräten, die haben meist Keramik- Achsen, und gibt es mit ...zig 
Drehkos drauf, 8- fach und mehr.

Ich selbst werde es mit einem Mehrfach-Variometer, Ausführung wie in 
Autoradios: parallele Tauchkernspulen, versuchen. Muß ich aber auch erst 
bauen, das dürfte noch dauern.

Für AM brauche ich das auch, FM ist mir weniger wichtig, auf AM können 
Geradeausschaltungen jetzt wieder richtig loslegen.

Edi

von B e r n d W. (smiley46)


Angehängte Dateien:

Lesenswert?

Hallo Edi

> "Phasendiskriminator mit versetzten Einzelkreisen"

Ich kenn den als Differenzdiskriminator, den Gleichlauf werde ich wohl 
nicht über den gesamten UKW-Bereich nicht hinbekommen. Obwohl, das 
trifft möglicherweise auf alle Demodulatoren zu.

> Es gibt aber auch geeignete Drehkos ohne Massebezug

Ich habe hier einen alten VHF Tuner mit 2 Kammern für 2 Röhren und einem 
4-fach Drehkondensator mit durchgehender Achse. Die Platten sind alle 
fest aufgelötet.

Ich hab mir mal was anderes überlegt (siehe Anhang). Es handelt sich um 
eine art von Ratiodetektor, bei dem der Schwingkreis und das 
phasenstarre Signal vertauscht sind. Es ist die typische S-Kurve zu 
erkennen. In der Simulation war der Klirr unter 1%. Einzigster Nachteil, 
eine der Spulen muss bifilar gewickelt werden.

C5 hat normalerweise ~10µF und bewirkt eine AM-Unterdrückung. Die 
Induktivitäten müssen mit 150nH statt 180nH eventuell noch etwas kleiner 
werden, damit die Bandspreizung stimmt.

von Edi (Gast)


Lesenswert?

Der "Phasendiskriminator mit versetzten Einzelkreisen" hat 2 voneinander 
unabhängige Schwingkreise, die jeweils um den gleichen Betrag von der 
zugeführten Frequenz verstimmt werden.

Ich habe eine Anzahl Schaltungen für Diskriminatoren.
Die meisten FM- Demodulatoren werden keinen Masse- bezogenen Drehko 
erlauben, für den hier beabsichtigten Zweck waren die Schaltungen nicht 
gedacht.

Ich suche die Schaltungen heraus, wenn ich wieder zu Hause bin.

Es ist schon lohnenswert, sich Gedanken zu machen- wie geschrieben, ich 
plane ein Projekt mit Geradeaus- Schaltungen für möglichst alle 
Wellenbereiche, evtl. mit technischen Details, die bei so einem Konzept 
wirtschaftlich wenig sinnvoll sind, z. B. verstellbare Bandbreite bei 
AM.
Das war bei einigen Vorkriegs- Supern schon mechanisch irre aufwendig 
gemacht worden, und auch noch mit besten Materialien, wie hochwertige 
Keramik und Kunststoffe, in den 50ern hatte es noch ein Hersteller 
mechanisch versucht ("Amati" von EAW).

Ich hoffe, Sie bleiben am Ball, Geradeaus- UKW finde ich absolut 
interessant, mit breitbandiger Verstärkung sollte da tatsächlich guter 
Klang zu erwarten sein.
UKW- Geradeaus mit echten FM- Demodulationsschaltungen kenne ich 
industriell nicht, nur Pendler, mit den bekannten Nachteilen.
Ich bin gespannt, ob man Geradeaus- UKW vernünftig zum Laufen kriegt.

Anregung:
Es gibt noch mehr Möglichkeiten, FM zu demodulieren, nämlich mit eigens 
dafür gebauten FM- Spezial- Demodulatorröhren, Spezial- Heptoden Philco) 
bis Enneoden (EQ80), die sind nicht mal teuer, wurden wenig verwendet.
-Und da würde ein massebezogener Drehko wieder gehen !

Gestern abend habe ich übrigens einen UKW- Super "der ersten Stunde", 
ohne Eingangskreis, nur Oszillator, dann 4 ZF- Kreise und 
Flankendemodulation zum Laufen gebracht- spielt richtig gut.
Allerdings habe ich hier (z. Zt. HH) viele stärkere Sender, zu Hause ist 
UKW eher Fernempfang.

Edi

von Edi (Gast)


Angehängte Dateien:

Lesenswert?

Hier ein Differenzdiskriminator.
Die Anodenspannungsseite des Drehkos sollte, da HF- mäßig "kalt", auch 
an Masse gelegt werden können.

von A-Freak (Gast)


Lesenswert?

Als Spaßprojekt fürs Wochenende habe ich mir jetzt auch einen Empfänger 
gebaut.

Wichtig war mir daß ich das Gerät mit einem Akkusatz betreiben kann, 
also Anodenspannung = Heizspannung = 12,5V aus 10 NiMH-Zellen.

Letztendlich bin ich zur ECC82 gekommen und habe mich am 
http://www.b-kainka.de/kosmos/radiomann.htm orientiert.

Es gibt noch Optimierungspotential, insbesondere muß ich noch einen 
dafür geeigneten Lautsprecher mit besonders hohem Wirkungsgrad finden 
und ein besserer Anpaßtrafo wäre auch nicht schlecht. Aber auch so 
konnte ich in der Nacht 11 Sender klar hören. Jetzt am Tag kommt leider 
nur Bayern+ (nicht ganz mein Geschmack) und DLF mit Prasselstörungen.

Ohne den Kondensator an der Anode wird das Audion lauter wie weiter oben 
im Thread schon empfohlen wurde. Dies ist auch klar wenn man sich 
vorstellt daß die Gittergleichrichtung dann am besten funktioniert wenn 
die Anodenspannung momentan zusammenbricht und keine Elektronen absaugt.

Das kreischende Einsetzen der Rückkopplung habe ich leider auch, ist 
aber nicht so kritisch weil der Schwingkreis schon bei mäßiger 
Einstellung gut genug entdämpft wird.

von Edi (Gast)


Lesenswert?

1
Dies ist auch klar wenn man sich 
2
vorstellt daß die Gittergleichrichtung dann am besten funktioniert wenn 
3
die Anodenspannung momentan zusammenbricht und keine Elektronen absaugt.
Das ist ja eine tolle Erklärung...
:-)

Die Anode saugt aber -glücklicherweise- auch ohne den Kondensator 
Elektronen an.

Trotzdem- viel SPaß mit dem kleinen 1- Kreiser !

Edi

von B e r n d W. (smiley46)


Lesenswert?

Hallo A-Freak

Auf den oberen Bändern der Kurzwelle kommt auch tagsüber was. Zwischen 
7,2 und 18 MHz sollte einiges los sein. Das 75m, das 49m Band und 
Mittelwelle gehen nur nachts gut. Bei mir kommen locker 100 Sender, also 
alles, was der Weltempfänger auch empfängt. Für Amateurfunk wäre der 
Bereich von 3,5 bis 7,2 MHz interessanter.

> Lautsprecher mit besonders hohem Wirkungsgrad
Du kannst den Trafo eines 6-9 Volt Steckernetzteils verwenden. Die 
Primärwicklung sollte allerdings deutlich weniger als 1k Widerstand 
haben. Besser ist der Ausgangsübertragers eines alten Röhrenradios.


Wenn Du Lust dazu hast, dann probier mal das ECO-Audion
http://www.b-kainka.de/bastel100.htm

Die Schwingkreisspule sollte so bemessen sein, dass das Rückkoppel-Poti 
am oberen Viertel steht. Die Leistungsfähigkeit der Röhre nimmt mit der 
Schirmgitter-Spannung zu und an Spannung hast Du bei 12,5 Volt nichts zu 
verschenken. Also unten nur 10-20% der Windungen, dann die Anzapfung, 
dann die restlichen 90% der Windungen. Wichtig ist nur, dass die 
Schwingung noch einsetzt. Das selbe gilt auch für deine 
Triodenschaltung.

Die Rückkopplung des ECO hat kaum einen Einfluss auf die 
Empfangsfrequenz. Bis ca. 48 Volt nimmt die Empfangsleistung 
kontinuierlich zu, darüber wird der Schwingungseinsatz immer härter. 
Dazu kommt dass unterhalb 48 Volt die Kleinspannungs-Richtlinie gilt und 
kein Berührungsschutz notwendig ist.

> ECC82
Beide, die EF80 und eine ECL80, heizen mit 6,3Volt / 300mA. Da könnte 
man die Heizungen in Reihe schalten. Es werden trotzdem keine 50mW 
Leistung auf dem Lautsprecher ankommen.

Für Zimmerlautstärke also entweder die Anodenspannung per Inverter auf 
mindestens 45 Volt bringen oder einen IC wie den LM386 als NF-Verstärker 
verwenden. Jedenfalls macht eine Röhre als Audion mehr Spass.

von B e r n d W. (smiley46)


Angehängte Dateien:

Lesenswert?

Hallo Edi

Ich hab noch einen anderen Differenz-Diskriminator im Springstein 
entdeckt. Diese Version würde auch die Verwendung der EABC80 erlauben, 
weil eine Diode auf GND liegen darf. Trotzdem wird mehrfach erwähnt, 
dass der Abgleich sehr genau sein muss und sogar die Temperaturdrift der 
Schwingkreise eine Rolle spielt.

Deshalb versuche ich erstmal meine Version (Anhang). Trotz einiger 
Feinheiten funktioniert die Schaltung bis einschließlich Rückkopplung. 
Die ECO scheint beim entsprechenden Aufbau auch auf UKW noch zu 
funktionieren. Es lassen sich einige Sender per Flankendetektion 
empfangen, wenn auch recht leise. Die Schwingkreise benötigen für den 
Gleichlauf noch eine verstellbare Kapazität. Danach ist der Demodulator 
an der Reihe. Es wäre schön, wenn mit der EABC80 auch noch eine 
Vorverstärkung in den VHF-Tuner passt, sonst hätte ich die EAA91 als 
galvanisch getrennte Doppeldiode verwenden müssen.

von Edi (Gast)


Lesenswert?

Hallo, Berndw,

Die Diskriminatoren mögen etwas kritischer in der Einstellung sein, 
gerade bei versetzten Einzelkreisen, auch empfindlicher in Bezug auf die 
Stabilität/ Konstanz, ja.

Dennoch sind sie sicher eine gute Lösung, wenn sie einen massebezogenen 
Drehko erlauben.

Und- die Verstärkung habe ich bei meinen Projekten mit diesen 
Schaltungen bewußt UNTERHALB der Begrenzung gehalten, weil eben genau 
die Begrenzung das bei UKW bekannte Zwischensender- Rauschen erzeugt.
Die Nicht- Unterdrückung von AM nehme ich gern in Kauf.
Auch die alten Flankendemodulator- Super der 50er fallen durch die 
angenehme Ruhe auf.

Daraus habe ich in den 90ern einen Diskriminator- Demodulator für 27 
MHz- CB- Funk (Schmalband- FM) entwickelt, der im Gegensatz zu dem 
eigenen Demodulator der Geräte angenehm ruhig war, die bei CB- 
Funkgeräten übliche -und auch notwendige- "Squelch"- Rausch- 
Schaltsperre konnte entfallen. Bei der Squelch nervt auch oft schon das 
eigene Einschaltgeräusch.
Eine sehr weiche, regelnde Rauschunterdrückung habe ich auch mal 
entwickelt, sogar einem Hersteller vorgestellt, aber an die HF- mäßige 
Lösung kommt sie nicht heran.
Schwächste Signale, die im Rauschen untergehen, sind so nämlich noch 
hörbar- und verständlich.
Ein Freund, der noch CB- Funk nutzt, hat vor Monaten die Diskriminator- 
Schaltung wieder auferstehen lassen.

Aber das nur nebenbei- die Verwendung eines Diskriminators in einer 
durchstimmbaren Variante ist sicher eine Herausforderung, m. E. ist es 
auch machbar.

Edi

von A-Freak (Gast)


Lesenswert?

Für ernsthafte Wellenjagd werde ich mir irgendwann auch mal einen 
klassischen Superhet baue, aber das wird dann ein eigenes Thema. Diese 
Schaltung hier soll als Nachttischradio ausschließlich mit 12,5V 
Anodenspannung ohne Transverter o.ä. arbeiten. Mir reicht es schon wenn 
weniger als 1mW zum Lautsprecher gehen.

Ich wollte einfach nur ein Gerät haben mit dem ich in schlaflosen weil 
brühwarmen Sommernächten ein wenig Musik und Nachrichten lauschen kann. 
Und eine Röhre aus der neuen Sammlung wieder zum Leben erwecken. Und die 
Erfahrungen damit hier zum Them passend posten.

Von den Röhren die ich durchprobiert hatte ging es mit ECC82 am 
lautesten.

Verschiedene ECC81 waren sehr unterschiedlich zwischen fast genausogut 
und nahezu völlige Stille, tendieren allgemein dazu besonders leicht zu 
schwingen.

Die ECC83 war wie zu erwarten völlig unbrauchbar, ich habe sie nur aus 
Spaß hineingesteckt.

Die EL95 funktioniert im Audion auch ganz gut, als NF-Verstärker 
deutlich leiser als die ECC82.

Die 6SH1B-W funktioniert im Audion schwach, als NF-Verstärker 
unbrauchbar.

Wenn die nächste Inkarnation dann auch noch einigermaßen solide auf 
einem Brett montiert ist mache ich die Spulen steckbar für LW, MW und 
mehrere Kurzwellenbänder.

Als Audio-Übertrager verwende ich einen Trafo aus einem umschaltbarem 
Steckernetzteil, da kann ich je nach Röhre und Lautsprecher die 
Anzapfung variieren. Am besten ist die Anpassung meistens beim 
4,5V-Abgriff

von B e r n d W. (smiley46)


Lesenswert?

> Die 6SH1B-W funktioniert im Audion schwach

Ist die nicht direkt beheizt? Dann subtrahiert sich ja die Hälfte der 
Heizspannung von der Anodenspannung.

Würde das Parallelschalten von zwei ECC82 Trioden was bringen? Erst mal 
müsste man rausfinden, ob die Lautstärke vom Anodenstrom oder von der 
Ansteuerung vom Audion begrenzt wird.

Oft wurde ein NF-Übertrager 1:4 zwischen die beiden Röhren geschaltet. 
Das bringt einiges an Signal.

Wenn das Rückkoppel Poti nicht in den Anodenkreis geschleift wird, 
sondern parallel zur unteren Wicklung des Schwingkreises, gibt es einen 
Spannungsgewinn für die Anode und dadurch auch mehr Signal.

von dolf (Gast)


Lesenswert?

A-Freak schrieb:
> Diesen Beitrag bewerten:
>   ▲ lesenswert
>
>   ▼ nicht lesenswert
>
>
>
>       Für ernsthafte Wellenjagd werde ich mir irgendwann auch mal einen
> klassischen Superhet bauen.

hab ich aus spaß mal wieder gemacht und funzt super.
aus aufwandsgründen hab ich mich zunächst auf die mw beschränkt und 
altbekannte is´s und transis genutzt die dafür gemacht wurden.
wollte ma hören ob es überhaupt noch am sender gibt.
web radio kann ja jeder....
so ernsthaft nehm ich das mit der wellenjägerei nun auch nicht.
hab sowas in meiner jugend gebaut sogar mit kw bereichen.
damals 1975 .. 1990 war das ja alles noch anders.

von Peter S. (peter1964)


Angehängte Dateien:

Lesenswert?

Hallo zusammen

Hier mein MW Rückkopplungs-Audion
( naja eigentlich ist es  kein Audion denn demoduliert wird mit einer 
Diode )

Die Schaltung stammt aus einen Kosmoskasten
genauer gesagt es waren drei Kästen dafür nötig.
Radio Elektronik 1 +11 +12
wobei ich nur zwei von den dreien als Kind besass. ( 1975 )
und so das Radio nie aufbauen konnte.

So kam es das ich es erst 35 jahre später nachgebaut habe
wobei ich statt fehlenden Feritstab eine Luftspule auf Papprolle benutzt 
habe
und staat des " HF-Trafos " ein Poti.

damit kann ich, ohne zusetzlicher antenne und erde, ca 50 MW-Sender 
empfangen.

tschüss

Peter

von dolf (Gast)


Lesenswert?

Peter Spiegel schrieb:
> wobei ich nur zwei von den dreien als Kind besass. ( 1975 )
> und so das Radio nie aufbauen konnte.

1975 lang ist´s her.
von solchen nebensächlichkeiten haben wir uns nicht vom empfängerbau 
abhalten lassen.
geht nicht gibt´s nicht!
solche kästen hat hier keiner gehabt.
da würden röhrenradios / röhrenfernseher geschlachtet oder ne 
rangeschacherte russen transistorheule zerlegt.
ganz nebenbei lernte man die komponenten eines radios kennen.
transis und dioden lieferte hfo b.z.w. der amateur fachhandel.
antrieb war der empfang von ndr2 oder radio luxemburg.
außerdem konnte man bei den gst jungs immer mal vorbei schauen.
der örtliche hifi/tv reparierer hat einen auch nicht raus geworfen wenn 
man mal ne frage hatte.
der war sogar beim beschaffen von bauteilen behilflich -->förderung der 
jugend und so ...
der kannte auch die russen offiziere vom örtlichen fliegerhorst mehr als 
gut.
zu der zeit hab ich dann auch das herstellen von leiterplatten gelernt.
gab da für bastelbeutel mit ätzmittel (ammoniumpersulfat) + abdecklack 
und platinenmaterial.
das mein onkel im neg arbeitete hielt ich irgend wann die ersten 
analogen "käfer" in den händen.
klar das damit ein mehrkreisiger mw super gebaut wurde.

von Edi (Gast)


Angehängte Dateien:

Lesenswert?

1
solche kästen hat hier keiner gehabt.
Doch !
Es gab sie- und meines Wissens waren sie auch keine "Bückware" (nur 
unter`m Ladentisch gehandelt)- so einen Kasten habe ich selbst zu einem 
Geburtstag bekommen: Der legendäre Baukasten "Der Junge Funktechniker" 
(bzw. "Elektronik 1 Transistor"), da konnte man auch Audionschaltungen 
aufbauen, sogar einen kleinen Prüfsender -.sogar modulierbar- auf 
Langwelle bauen, damals wurde dafür die Frequenz 135 KHz freigegeben.

Genial gebaut, Schaltungsblatt drunterlagen, danach über dem Blatt mit 
Drähten mit Klemmfeder- Verbindungen verdrahten, funktionierte alles auf 
Anhieb, man konnte super damit basteln.

Edi

von dolf (Gast)


Lesenswert?

wer hat den kasten wann und wo hergestellt und verkauft?

meine eltern hatten für sowas absolut keine verständnis.
"spielkram" ohne sinn und verstand.
das sehen sie heut zu tage natürlich etwas anders....
geld gab´s für solche spielerei so gut wie nie.
fahr ma zum russen schrottplatz und such dir das.
das hatte auch was gutes.
man wuste genau was man brauchte/suchte.
und der zusammenhalt der freunde untereinander wurde gestärkt.
man kannte die bauteile sehr genau und das beschaffen von 
literatur/datenblättern und pin belegungen war für alle beteiligten 
ehrensache.
das herstellen von möglichst kleinen leiterplatten gehörte wie 
selbstverständlich dazu.
und man war stolz wenn das selber entworfene und gebaute gerät ohne 
hilfe von "oben" 1a im alltag funktionierte!

von Edi (Gast)


Lesenswert?

1
wer hat den kasten wann und wo hergestellt und verkauft?
In eine Suchmaschine "MHS" eingeben kann doch nicht so schwer sein.
Und eine vernünftige Schreibweise auch nicht.

von Edi (Gast)


Angehängte Dateien:

Lesenswert?

Für ganz Neugierige:
Ich habe eine Postkarte mit einem Foto des Ladens, aus dem MEIN Kasten 
stammte.
Postkartenfoto Mitte 50er- Mitte 60er, der Kasten wurde ab 1970 
verkauft.
Berlin, Frankfurter Allee/ Niederbarnimstraße.
Der Laden ist auf dem Großfoto ganz links, ich habe den Laden mal 
detailvergößert.

von B e r n d W. (smiley46)


Lesenswert?

Nur zur Erinnerung!

2013-06-30: Alexandersondagen - The Alexanderson Day
10:00 - 16:00 UTC

von A-Freak (Gast)


Lesenswert?

>> Die 6SH1B-W funktioniert im Audion schwach
> Ist die nicht direkt beheizt?

Nein, ist indirekt geheizt und ähnlich der EF95 aber als 
Subminiaturröhre mit Drähten zum anlöten.

> Würde das Parallelschalten von zwei ECC82 Trioden was bringen? Erst mal müsste 
man rausfinden, ob die Lautstärke vom Anodenstrom oder von der Ansteuerung vom 
Audion begrenzt wird.

Gerade in der Mitte dazwischen.

Die NF-Stufe erzeugt sich eine Anlaufspannung von ca. -550mV an 1MOhm 
Gitterableitwiderstand. Bei den beiden starken Sendern liefert das 
Audion bis zu 400mVss und die NF-Stufe fängt an zu verzerren.

> Oft wurde ein NF-Übertrager 1:4 zwischen die beiden Röhren geschaltet.
> Das bringt einiges an Signal.

Bei den schwachen Sendern würde das eine Verbesserung bringen, aber bei 
den starken nur die Verzerrungen steigern.

Wäre die NF-Stufe nicht an der Übersteuerungsgrenze hätte ich das noch 
zum Zweikreiser in Reflexschaltung erweitert.

Ich denke einmal ich bin langsam an der Grenze davon was man mit 
normalen Röhren aus 12,5V und 150mA an Lautsprecherempfang herausholen 
kann. Ich könnte es sonst höchstens noch mit Batterieröhren in einer 
Gegentaktendstufe probieren, aber das wird dann doch deutlich 
komplizierter und teurer.

> Wenn das Rückkoppel Poti nicht in den Anodenkreis geschleift wird, sondern 
parallel zur unteren Wicklung des Schwingkreises, gibt es einen Spannungsgewinn 
für die Anode und dadurch auch mehr Signal.

Danke, das probiere ich morgen noch aus.

von Edi (Gast)


Angehängte Dateien:

Lesenswert?

Gibt es Interessierte, die Audions -und gern auch anderes- weitgehend 
stilecht bauen möchten ?

Ich möchte evtl. solche Projekte anregen.

Es wird sich nicht alles stilecht bauen lassen- einige Original- 
Bauelemente würden sich nur teuer beschaffen lassen.

Ausweg: "Historisch- technisch authentische Eigenbauten".

Also z. B. eine Audionschaltung aus den 30ern, Gehäuse im historischen 
Stil, aber z. B. eine Novalröhre in einem speziellen Fassungsadapter, 
Kondensatoren moderne Typen, aber in zeitgemäßen Aussehen, z. B. in 
selbst gestalteten Pappröhrchen, eigene Beschriftung, die den damaligen 
Aufklebern ähnelt.
Oder- Fälschung von Originalen- aber ich bevorzuge eigene Gestaltung, 
historisch passend.
Siehe
http://www.edi-mv.de/index.php/restauration/restauration-nach-edi-die-individualisierte-restauration

So wäre es möglich, vom Gehäuse an ein Gerät zu bauen, technisch so, wie 
man es damals verwendete.

Einige Beispiele habe ich auf einer Seite abgebildet.
Das Modell oben links ist ein Beispiel für ein selbst entworfenes und 
gebautes Gehäuse, mit Stilmerkmalen verschiedener Geräte der 20er und 
30er Jahre, also kein "Stilnachbau", sondern ein "Stilgemisch- 
Eigenbau".

von Michael_ (Gast)


Lesenswert?

Edi schrieb:
> So wäre es möglich, vom Gehäuse an ein Gerät zu bauen, technisch so, wie
> man es damals verwendete.

Ja, ich wäre dabei.
Mit den Röhren, wird es ein Problem.
Aber mit den Komponenten kann man es nachvollziehen.
- Spulen original nachbilden
- Gehäuse mit Knochenleim verkleben
- zur Isolation in Paraffin ausgekochte Hartholzteile verwenden
- "altes" Hartgummi verwenden, praktisch nicht mehr vorhanden
- "altes" Hartpapier verwenden
- und wenn möglich alte Teile verwenden

A-Freak schrieb:
>> Oft wurde ein NF-Übertrager 1:4 zwischen die beiden Röhren geschaltet.
>> Das bringt einiges an Signal.
>
> Bei den schwachen Sendern würde das eine Verbesserung bringen, aber bei
> den starken nur die Verzerrungen steigern.

- Trafokopplung ist effektiv und hat Vorteile
- RC-Kopplung ist nicht so effektiv und hat Vorteile
Fazit, die NF-Verstärkung hat nichts mit der Qualität des Audions zu 
tun.

von B e r n d W. (smiley46)


Angehängte Dateien:

Lesenswert?

> Mit den Röhren, wird es ein Problem.
Man nehme eine Röhren-Atrappe, baue eine JFet Ersatzschaltung und eine 
gelbe LED ein, die beim Einschalten langsam heller wird.

> RC-Kopplung ist nicht so effektiv und hat Vorteile
Ja, den Vorteil, keinen Trafo zu benötigen.

Mich interessieren eher vergessene technische Rafinessen als 
historisches Aussehen. Ein Selbstbaugerät sollte funktionelle 
Mindestanforderungen erfüllen. Eine Chassis-Bauform in Metall könnte ich 
mir noch vorstellen. Das Chassis kann dann später in ein 
Hochformat-Holzgehäuse mit Lautsprecher geschoben werden.

Beispiele:

A-Freak hat mich auf das hier gebracht: "A low voltage 2 tube 
regenerative receiver". G1 und g2 sind verbunden und liegen auf Plus 
(3Volt), das Signal get auf g3:
http://www.algonet.se/~janax/lvregen.htm

Hier wird bei einer Tetrode nur das g1 zur Abschirmung der Raumladung 
verwendet und das Signal geht auf g2:
http://www.antiqueradios.com/forums/viewtopic.php?f=12&t=71753

Bei Darius Bauhausaudion ist die Beschaltung der Röhre rechts unten auch 
ziemlich trickreich:
Beitrag "Re: Wo sind die Audion-Bauer? Bauhaus-Audion"

Der Regenerative Two-Tube 40 Meter Receiver mit einem "Faraday Shield" 
HF-Regler. Er wird bei 2:15 erklärt:
http://www.youtube.com/watch?v=DVKBKCkmrWI

homebrew 3-tube ham radio receiver ARRL Simple-X
http://www.youtube.com/watch?v=JcMQp5-jvmY
Dann gibt es ähnliche Kleinsuper mit und ohne Quarzfilter wie das 
angehängte Schaltbild, mit einem rückgekoppelten Audion als Demodulator 
bzw. mit einem Q-Multiplier zur Verbesserung der Selektivität.

Wie kann ein einfacher Wadley Receiver mit Röhren gebaut werden. Dazu 
wäre das Original-Schaltbild des Receivers im Hintergrund interessant:
http://www.saiee.org.za/museum/#71

http://bama.edebris.com/manuals/racal/ra17L/
Barlow Wadley XCR-30 und Yaesu FRG‑7 waren die größten Erfolge dieser 
Technik.

Normalerweise handelt es sich beim Wadley-Prinzip um einen 
Dreifach-Super. Der 3. Part, welcher über die über die ZF-Breite von 2-3 
MHz abstimmbar sein muss, könnte durch ein rückgekoppeltes Audion 
ersetzt werden. Damit bekäme das Gerät bei 28 MHz immerhin die 
Stabilität eines MW-Audions.

von Edi (Gast)


Angehängte Dateien:

Lesenswert?

Röhren durch FET's ersetzen mit dimmbarer LED- welch ein Aufwand... aber 
wozu ?
Es gibt noch Röhren.
Ja !!!
Ich habe einen Laden in der Stadt Bützow (M-VP) entdeckt, der hat wohl 
neue Röhren... jedenfalls wirbt er dafür !
:-)

Ich schreibe was über Projekte... geht weiter.

von Edi (Gast)


Angehängte Dateien:

Lesenswert?

@Berndw,
Nebenbei habe ich mal die Links angeschaut- außer die Youtube- Videos.

Trickreiche Schaltungen waren oft eine Notlösung, wie die 
Reflexschaltungen.
Diese sollten damals Kosten sparen- Röhren waren teure Bauteile.
So genial die Schaltungen scheinen- sind sie doch immer ein Kompromiß- 
es sind Signale verschiedener Frequenz und Amplitude zu verarbeiten, der 
Arbeitspunkt kann also nicht für beides optimal sein.

Raumladeschaltungen versprachen Funktionen der Röhren bei kleinsten 
Betriebsspannungen.
Da ist natürlich für Bastler ein hohes Maß an Sicherheit da- das ist ein 
Argument.
Vorstufen bekommt man jedoch -vielleicht- gerade noch akzeptabel zum 
Laufen, Leistungsstufen gehen natürlich nicht- obwohl es Schaltungen von 
Geräten mit mehreren Röhren- und sogar Lautsprecher- Wiedergabe gab !
Bei geringsten Betriebsspannungen ging es wohl einfach nicht vernünftig-
so haben sich Raumladeschaltungen leider nicht durchsetzen können.

Aber es lohnt sich, mit solchen "vergessenen Schaltungen" zu 
experimentieren, verbüffend, was so gemacht wurde, und wie gut es 
funktionierte -oder manchmal auch nicht... selbst Telefunken baute mal 
ein solches Reflex- Gerät, welches unstabil arbeitete, pfiff und jaulte- 
wurde wohl auch "Heulboje" genannt.

Reflexschaltungan gelten schon als kompliziert, einen guten, 
alltagstauglichen Reflexer gebaut zu haben, ist schon was.

Für Projekte, bei denen noch andere mitmachen, würde ich 
funktionssichere Schaltungen vorziehen.
Mehr Röhren nötig ? Kein Problem, manche gibt es als Schüttgut.

@Michael,
Ich stelle grade einiges über Mitmach- Projekte zusammen, mal sehen, ob 
sich noch einige Leute zusammenfinden.
Allerdings wird man schon einige Euros locker machen müssen- wenn jeder 
irgendwelches ausgebautes Zeug verbasteln möchte, geht das auch, aber 
das artet dann schon mal in Extra- Arbeiten, wie Fehlersuchen, aus.
Besser, wenn man an bestimmten Stellen vernünftiges (neues) Material 
verwendet.
Speziell meine ich z. B. Netz- und Ausgangstrafos, Knöpfe, usw.

Ich spreche auis eigener Erfahrung- der Trafo eines meiner Projektgeräte 
ist einfach... abgebrannt- zu alt. Ein fremdes Projektgerät (ein sehr 
alter Eigenbau) hat einen Ausgangstrafo mit Windungsschluß.

Ich kenne Quellen für das Material (Nein- ich habe nichts davon !!!), 
für Projekte würde ich -Interesse vorausgesetzt- sogar Teile abgeben 
können, z. B. Röhren: TV- Röhren- Schüttgut, die kaum noch jemand 
benötigt, die aber trotzdem bestend verwendbar sind. Z. B. mit Röhren 
der Allstrom- Serien (P- Röhren) macht kaum jemand was. Aber auch einige 
Wechselstrom- Röhren (E- Röhren) gibt es als Schüttgut, und die sind oft 
hervorragend, weil den alten Funzeln der 30er weit überlegen.

Nun ja... Ich stelle mal einige Bilder ein,was man so geht.

von B e r n d W. (smiley46)


Lesenswert?

Hallo Edi

> Raumladeschaltungen versprachen Funktionen der Röhren
> bei kleinsten Betriebsspannungen.

Ich finde diese Schaltungen interessant, weil das Steuergitter vor der 
Raumladung geschützt wird. Dadurch gibt es weniger Einfluss zwischen 
Arbeitspunkt, Empfangsfrequenz und Rückkopplung.


Frage:
Ich hab hier eine PFL200, die hat ja einen 10-poligen Sockel, wo gibts 
denn sowas?

von Edi (Gast)


Lesenswert?

1
Frage:
2
Ich hab hier eine PFL200, die hat ja einen 10-poligen Sockel, wo gibts 
3
denn sowas?
Sie meinen die Fassung ?
Die gibt`s überall- Suchbegriff "Dekalfassung" oder "Decalfassung".
BTB, Wüstenjan... sollte überall zu haben sein.
http://www.btb-elektronik.de/de/fassungen.html

von Edi (Gast)



Lesenswert?

1
Ich finde diese Schaltungen interessant, weil das Steuergitter vor der 
2
Raumladung geschützt wird. Dadurch gibt es weniger Einfluss zwischen 
3
Arbeitspunkt, Empfangsfrequenz und Rückkopplung.

Ich kann mich nicht erinnern, daß das irgendwo als Vorteil genannt 
wurde.
Wäre sicher ein interessanter Aspekt... die üblichen Schaltungen, die 
über Einkreiser hinausgingen, leisteten dies aber auch, und sicher mit 
weitaus höheren Leistungsreserven.

Nun... Sie interessieren sich für Raumladeschaltungen, da habe ich was.
Die originale Quelle, eine "Funk- Technik"- Zeitschrift ist verloren- 
ich habe sie als Kind... zerschnitten- in den Leihgaben, die ich seit 
Monaten scanne, und die ins Internet einstelle, ist sie nicht dabei.
Aber ich habe die für mich interessanten Schaltungen in mein 
persönliches Schaltungsbuch eingeklebt, darunter 3 Seiten mit 
Raumladeschaltungen.
Mit den Schaltungen meiner damaligen Schaltungssammlung habe ich auch 
experimentiert.
4 Raumlade- Schaltungen habe ich aus den Seiten extrahiert und 
restauriert.
Ich habe die Rohscans mit (Hand-)schriftlicher Beschreibung, bei 
Interesse Mail.

von B e r n d W. (smiley46)


Lesenswert?


von Edi (Gast)



Lesenswert?

Genau, das sind die Artikelseiten- Danke für den Hinweis !
Und eine hab' ich noch.

von Edi (Gast)


Angehängte Dateien:

Lesenswert?

Zu Projekten:

Oft sind die Geräte der Rundfunk- Anfangszeit im Inneren Baukasten- 
mäßig, als "Auf- Brett- Konstruktion", auf ein Holzbrett, gebaut, siehe 
Foto "Chassis-Beispiel"
Bausätze und Bausatz- mäßige Teile für Eigenbauten wurden in den 30ern 
in Läden angeboten- übrigens gab es genau diese Teile noch so in den 
70ern, ich sah sie in sehr alten Berliner Bastelläden.

Genau diese Konstruktionen bieten die beste Grundlage für eigene 
Experimental- Konstruktionen, weil die Verdrahtung mit Rändelschrauben 
erfolgt, Änderungen also sehr leicht möglich sind.

Das Schöne ist, daß man eine gelungene Konstruktion sogar als 
wohnzimmertaugliches Gerät zur Verwendung kommen lassen kann, siehe das 
alte Foto "Opa am Neutro".

Ich habe eine Konstruktion erarbeitet, die genau das ermöglicht.
Ob sie jemals vorher gebaut wurde... weiß ich nicht- ist auch egal, ich 
mache das "just for fun".

Verschiedene Teile habe ich auf einem Grundbrett plaziert, ohne 
Frontplatte, damit man die Teile sehen kann.

Links 2 Uralt- Röhren, rechts eine moderne Miniaturröhre- auf einen 
"Auf- Brett- Adapter" eigener Idee.

Die meisten Teile sind gut beschaffbar.

Auf diese Art kann man Projekte mitbauen, muß sich aber nicht stur an 
eine Bauanleitung halten.

Ich werde auf meinen Webseiten eine Unterseite mit "Mitmach"- Projekten 
aufsetzen, bei Interesse kann ich bei der Beschaffung von Teilen helfen.

von Edi (Gast)


Angehängte Dateien:

Lesenswert?

Zum 1. Mai gibt`s beim Barmixer... nas was wohl... ?
Mischröhren !
:-)
(Foto aus einem alten Bastlerheft, gescannt und restauriert)

von Edi (Gast)


Lesenswert?

So, die Seite für "Mitmach- Projekte" ist schon mal eröffnet.
http://www.edi-mv.de/index.php/mitmach-projekte

von dfb (Gast)


Lesenswert?

Edi schrieb:
> So, die Seite für "Mitmach- Projekte" ist schon mal eröffnet.
> http://www.edi-mv.de/index.php/mitmach-projekte

die Seite geht anscheinend nicht!

von B e r n d W. (smiley46)


Angehängte Dateien:

Lesenswert?

Es hat mich schon seit einiger Zeit interessiert, wie sich ein 
Funken-Sender angehört hat. Einfach im Link nach "Spark Transmission" 
suchen:

http://www.radiomarine.org/audio/list

Im mp3-File fängt die spark transmission bei ca. 6:00 an.

Beim angehängten Bild handelt es sich um Werbung für ein Rotary Spark 
Gap. Das Teil hat sich mit max. 4500 U/min gedreht, durch die 12 
Kontakte (der Amerikaner liebt ja das Dutzend) gibt das 54000 Funken / 
Minute oder 900 Hz. Das Signal war also mit bis zu 900Hz 
amplitudenmoduliert.

von Edi (Gast)


Lesenswert?

1
die Seite geht anscheinend nicht!
Leider ist dem so.
Aus gesundheitlichen Gründen kann ich mich erst in einigen Tagen darum 
kümmern, bitte um Verständnis.
Edi

von gerri (Gast)


Lesenswert?

B e r n d W. schrieb:
> Es hat mich schon seit einiger Zeit interessiert, wie sich ein
> Funken-Sender angehört hat. Einfach im Link nach "Spark Transmission"
> suchen:
>
> http://www.radiomarine.org/audio/list
>
> Im mp3-File fängt die spark transmission bei ca. 6:00 an.

Klingt erstaunlich sauber, wenn man bedenkt, wie das RF-Signal generiert 
wurde.
:O)

von Edi (Gast)


Lesenswert?

@df und Interessenten;
Meine Webseite mit dem Mitmach- Projekt ist wieder erreichbar.
http://www.edi-mv.de/index.php/mitmach-projekte
Aus gesundheitlichen Gründen wird es nur langsam weitergehen.
Edi

von Dirk (Gast)


Angehängte Dateien:

Lesenswert?

aus "Elektronisches Jahrbuch 1975"

Ich finde das Schaltungskonzept etwas ungewöhnlich - außerdem die 
Tatsache, daß es bis über 28MHz funktionieren soll.

Deshalb soll es hier kurz vorgestellt werden.

von Mast (Gast)


Lesenswert?

Dirk schrieb:
> aus "Elektronisches Jahrbuch 1975"
>
> Ich finde das Schaltungskonzept etwas ungewöhnlich - außerdem die
> Tatsache, daß es bis über 28MHz funktionieren soll.
>
> Deshalb soll es hier kurz vorgestellt werden.

Es händelt sich hier um einen Collpits-Oszillator. Collpits-Schaltungen 
sind geeignet für kleinen Reichweiten. Zum Beispiel für den 40m 
Amateurband.

von B e r n d W. (smiley46)


Lesenswert?

> daß es bis über 28MHz funktionieren soll

Der Empfänger wird ein CW oder SSB-Signal auf 10m nicht vernünftig 
empfangen können. Die Schwingung rastet auf den Träger ein, wodurch das 
Signal unverständlich wird. Als die Schaltung erschien, war AM noch 
verbreitet. Für AM ist das Einrasten auf den Träger sogar von Vorteil. 
Der Empänger taugt sicherlich für den Empfang jeglicher AM auf Kurzwelle 
und CW/SSB bis ca. 10 MHz.

von Mast (Gast)


Lesenswert?

B e r n d W. schrieb:
>> daß es bis über 28MHz funktionieren soll
>
> Der Empfänger wird ein CW oder SSB-Signal auf 10m nicht vernünftig
> empfangen können. Die Schwingung rastet auf den Träger ein, wodurch das
> Signal unverständlich wird. Als die Schaltung erschien, war AM noch
> verbreitet. Für AM ist das Einrasten auf den Träger sogar von Vorteil.
> Der Empänger taugt sicherlich für den Empfang jeglicher AM auf Kurzwelle
> und CW/SSB bis ca. 10 MHz.

Das Einrasten ist nötig wann man mit einem selbstschwingenden Audion UKW 
empfangen wollte. Der Oszillator wird mit der Frequenzschwingung des 
Rundfunksignals mitgezogen. Das Mitziehen (synchronisierung) verursacht 
Stromveränderungen in der Oszillatorschaltung und entspricht damit das 
NF-signal.

Ein Beispiel solches Synchrodyne Audions findet mann unter 
Beitrag "UKW audion mit Bipolaren NPN Transistoren" "UKW audion mit Bipolaren 
NPN Transistoren"

von B e r n d W. (smiley46)


Lesenswert?

Hallo Mast

Meins funktioniert als Flanken-Demodulator. Dazu darf man die 
Rückkopplung nicht zu stark anziehen, sonst wird die Bandbreite zu 
schmal. Dann die Empfangsfrequenz ca. ~30-40 kHz von der Mitte 
positionieren. Die Amplitudenänderung wird durch Gleichrichtung erfasst 
und erzeugt das NF-Signal.

Wie funktioniert das bei Dir?

von Mast (Gast)


Lesenswert?

B e r n d W. schrieb:
> Hallo Mast
>
> Meins funktioniert als Flanken-Demodulator. Dazu darf man die
> Rückkopplung nicht zu stark anziehen, sonst wird die Bandbreite zu
> schmal. Dann die Empfangsfrequenz ca. ~30-40 kHz von der Mitte
> positionieren. Die Amplitudenänderung wird durch Gleichrichtung erfasst
> und erzeugt das NF-Signal.
>
> Wie funktioniert das bei Dir?

Bei mir funktioniert es wie einem Synchrondetektor. Die Rückkoplung muß 
man so einstellen daß der Oszillator optimal einrastet auf die 
Frequenzschwingungen des Nutzsignals. Das Einrasten verursacht 
Stromveränderungen im Rhythmus des NF-signals in der 
Oszillatorschaltung. Über einen Lastwiderstand wird das NF-signal 
abgenommen.

von B e r n d W. (smiley46)


Lesenswert?

> daß der Oszillator optimal einrastet

Die Schwingung sollte also schon einsetzen?
Wenn sich der Stromverbrauch abhängig von der Ziehweite verändert,
muss dann :

1. Auf eine Seite des Signals getuned werden?
2. Das Signal recht kräftig sein, damit es einrastet?

von Mast (Gast)


Lesenswert?

B e r n d W. schrieb:
>> daß der Oszillator optimal einrastet
>
> Die Schwingung sollte also schon einsetzen?
> Wenn sich der Stromverbrauch abhängig von der Ziehweite verändert,
> muss dann :
>
> 1. Auf eine Seite des Signals getuned werden?
> 2. Das Signal recht kräftig sein, damit es einrastet?

Der Oszillator braucht nicht auf eine Seite des Signals abgestimmd 
werden wann man Synchrondemodulation verwendet. Und das Nutzsignal muß 
kräftig genug sein zum Einrasten des Oszillators.

Mehr info solcher Empfänger kann mann finden auf 
http://zpostbox.ru/detectors_for_pll_receivers.html und 
http://zpostbox.ru/fm_receivers_with_pll.html.

von B e r n d W. (smiley46)


Lesenswert?

Das Hazeltine Fremodyne-Prinzip, eine Mischung aus Super-Regen und 
Superhet hatte ich mir schon mal angeschaut, aber das PLL Prinzip ist 
mir neu.

http://www.radiomuseum.org/forum/fremodyne_superrgenerative_detector.html

von Bernd F. (Gast)


Angehängte Dateien:

Lesenswert?

Hallo,

ich habe ein Audion mit zwei Röhren aufgebaut. Das Audion entspricht 
etwa http://www.b-kainka.de/bast748.jpg.

Das Audion funktioniert soweit einwandfrei. Jedoch habe ich folgende 
Probleme:

Das Audion brummt bis kurz vor Schwingeinsatz, bzw. bei SSB ist das 
Brummen weg. Das Brummen hört sich wie ein offener NF-Eingang an, den 
man mit den Fingern berührt. Daher ist ein AM-Empfang nur eingeschränkt 
möglich. Folgende Röhren wurden getestet: EF80 und EF85. Die EF80 brummt 
auch bei Rg=100K. Das Brummen erscheint auch ohne Antenne.

Schaltbild und Aufbau siehe Anhang...

MfG Bernd

von Bernd F. (Gast)


Angehängte Dateien:

Lesenswert?

Hatte den Schaltplan vergessen...
Btw: Wozu ist C13? In manchen Schaltungen ist er drin und in anderen 
nicht.

von B e r n d W. (smiley46)


Lesenswert?

C13 bildet mit der Primärinduktivität des Übertragers einen bedämpften 
Schwingkreis. Erst mal werden Reste der HF entfernt, denn hört man mit 
Kopfhörern, wirkt die Anschlussleitung als HF abstrahlende Antenne, 
welche das Audion wieder auffängt. Das Gerät wäre handempfindlich und 
der Rückkopplungseinsatz ist dadurch möglicherweise nicht mehr weich.

Je nach Dimensionierung von C13 kann man das obere Ende des 
Übertragungsbereich ein wenig linearisieren, man kann mit einem etwas 
größeren Kondensator die Mitten betonen oder bekommt bei 600-700Hz ein 
CW-Filter.

Brumm kann verschiedene Ursachen haben, deshalb ein paar Fragen:

1. Brummt es ohne Antenne?
2. Brummt es noch, wenn C3 überbrückt wird?
3. Brummt es, wenn des Gitter der EF80 auf GND kurzgeschlossen wird?
4. Welche Spannung kann man über D1 messen, stabilisiert sie?
5. Sind die Heizleitungen verdrillt und nur an einem Punkt beim
   Netzteilaschluss geerdet?
6. Wird die Anodenspannung durch Spannungsverdoppelung erzeugt?

Freundliche Grüße,
Bernd

von Bernd F. (Gast)


Lesenswert?

B e r n d W. schrieb:
> C13 bildet mit der Primärinduktivität des Übertragers einen bedämpften
> Schwingkreis. Erst mal werden Reste der HF entfernt, denn hört man mit
> Kopfhörern, wirkt die Anschlussleitung als HF abstrahlende Antenne,
> welche das Audion wieder auffängt. Das Gerät wäre handempfindlich und
> der Rückkopplungseinsatz ist dadurch möglicherweise nicht mehr weich.
>
> Je nach Dimensionierung von C13 kann man das obere Ende des
> Übertragungsbereich ein wenig linearisieren, man kann mit einem etwas
> größeren Kondensator die Mitten betonen oder bekommt bei 600-700Hz ein
> CW-Filter.
>
Danke!

> Brumm kann verschiedene Ursachen haben, deshalb ein paar Fragen:
>
> 1. Brummt es ohne Antenne?
Ja.

> 2. Brummt es noch, wenn C3 überbrückt wird?
Ja.

> 3. Brummt es, wenn des Gitter der EF80 auf GND kurzgeschlossen wird?
Nein, das Brummen ist komplett weg.

> 4. Welche Spannung kann man über D1 messen, stabilisiert sie?
Bei voller Lautstärke und ohne NF-Pegel ca. 61V.

> 5. Sind die Heizleitungen verdrillt und nur an einem Punkt beim
>    Netzteilaschluss geerdet?
Hmm, soetwas habe ich nur gesehen, wenn man eine extra Wicklung für die 
Heizung hat. Hier aber gibt es nur eine Wicklung mit 24V.

Die Leitung ist verdrill zu den Heizungen ist verdrillt.

Ich habe aber gelesen, dass es nicht gerade gut ist, die Audion-Röhre 
mit einer Wechselspannung zu heizen, da dies zu einem Netzbrumm führt.
Diesen habe ich auch noch, aber nur ganz schwach.

> 6. Wird die Anodenspannung durch Spannungsverdoppelung erzeugt?
Ja, über eine Delon-Schaltung aus 24V~/850mA mit 2x 1000µF und 2x 
1N4007.
Leerlauf 73V und unter Belastung 67V.
Die 24V~ gehen über eine Drossel mit 2x 10nF gegen Masse - daran hänegn 
Heizung und Audion+NF-Verstärker.

> Freundliche Grüße,
> Bernd

von B e r n d W. (smiley46)


Angehängte Dateien:

Lesenswert?

Ist C12 innerhalb dieser Kupferfolie/Abschirmung verbaut und hat ganz 
sicher Verbindung zum Schwingkreis?

>> 5. Sind die Heizleitungen verdrillt und nur an einem Punkt beim
>>    Netzteilaschluss geerdet?
> Hmm, soetwas habe ich nur gesehen, wenn man eine extra Wicklung für die
> Heizung hat. Hier aber gibt es nur eine Wicklung mit 24V.

Jedenfalls sollte der Heizstrom nicht übers Chassis fliessen.

Die Drossel L5 ist viel zu klein und passt nicht zur Impedanz der 
Röhren. Da wären mindestens 500mH-1H erforderlich. Der aktuelle 
Frequenzgang hebt Bässe und Netzbrumm an (siehe angehängte Simulation). 
Deshalb schlage ich die Widerstandsvariante vor 
(alternative_Beschaltung.gif), welche zwar nicht so steil abfällt, aber 
doch HF zuverlässig entfernt. Die Reihenfolge C6 und C8 ist getauscht, 
da sonst ein kapazitiver Spannungsteiler entsteht.

von B e r n d W. (smiley46)



Lesenswert?

Hier sind noch die Gifs!

Nachtrag:
Für die Schirmgitterspannung der EF80 reicht üblicherweise ein Bereich 
von 0-30V und durch den zusätzlichen Vorwiderstand lässt sich die 
Rückkopplung feiner einstellen. Außerdem kann nochmals gefiltert werden 
(C14) die Schirmgitterspannung reagiert auch empfindlich auf Störungen 
auf der Betriebsspannung. Bei mir war der Unterschied hörbar.

von Bernd F. (Gast)


Lesenswert?

Ich habe die "alternative Beschaltung" mit der EF80 und EF85 
ausprobiert. Diese brachte leider keine Änderung. :(

von B e r n d W. (smiley46)


Lesenswert?

>> 3. Brummt es, wenn des Gitter der EF80 auf GND kurzgeschlossen wird?
> Nein, das Brummen ist komplett weg.

Brummt es, wenn man das Gitter mit einem Kondensator auf Masse blockt?
Brummt es, wenn man die Katode nach GND kurzschließt?

Wenn man die Heizanschlüsse an der EF80 ablötet und zum Vorheizen 2 
Minuten wartet, dann sollte das Audion erst mal spielen. Auch wenn beide 
Heizkabel entfernt werden, sollte es noch ein paar Sekunden lang 
spielen, bis die Kathode abkühlt. Ist da der Brumm weg?

Besteht der Keramiksockel aus 2 vernieteten Hälften? Aus irgendeinem 
Grund könnten im Sockel Kriechströme fließen.

von Bernd F. (Gast)


Lesenswert?

B e r n d W. schrieb:
> Brummt es, wenn man das Gitter mit einem Kondensator auf Masse blockt?
Ich habe das Gitter mit 22nF abgeblockt und da brummt nichts mehr.

> Brummt es, wenn man die Katode nach GND kurzschließt?
Die Kathode direkt gegen GND bringt keine Änderung.
>
> Wenn man die Heizanschlüsse an der EF80 ablötet und zum Vorheizen 2
> Minuten wartet, dann sollte das Audion erst mal spielen. Auch wenn beide
> Heizkabel entfernt werden, sollte es noch ein paar Sekunden lang
> spielen, bis die Kathode abkühlt. Ist da der Brumm weg?
Da die Röhren in Reihe geheizt werden kann ich den Versuch nicht 
durchführen.
Aber wenn man das Gerät vom Strom trennt ist das Brummen schlagartig weg 
und man hört kurzzeitig ein brummfreies Rauchen bis sich die Elkos 
entladen haben.
Schaltet man das Gerät ein, so ist das Brummen ersteinmal sehr laut bis 
es sich auf einen leiseren Pegel eingestellt hat (Heiztemp. erreicht)

>
> Besteht der Keramiksockel aus 2 vernieteten Hälften? Aus irgendeinem
> Grund könnten im Sockel Kriechströme fließen.
Ja es sind zwei Hälften, aber ich habe den Sockel schoneinmal 
gewechselt, hat nichts gebracht.

von B e r n d W. (smiley46)


Angehängte Dateien:

Lesenswert?

> Aber wenn man das Gerät vom Strom trennt ist das Brummen schlagartig
> weg und man hört kurzzeitig ein brummfreies Rauschen

Gut, jetzt gilt es herauszufinden, ist es die Heizung oder die 
Anodenspannung. Mir ist noch nicht ganz klar, wie der Heizkreis 
verschaltet ist. Pulsierende Gleichspannung enthält Harmonische, welche 
womöglich stärker übersprechen als 50 Hz Sinus. Aber ich würde erst mal 
die 24V Wechselspannung für die Heizung verwenden und probieren, ob man 
überhaupt einen Brumm hört. An der EF80 würden in dem Fall nur 6,3V 
Heizspannung auftauchen.

> Da die Röhren in Reihe geheizt werden

Doch, beide Röhren sind ja noch heiss. Besser an der EF80 beide 
Heizanschlüsse auftrennen, sicher ist sicher.

Vermutlich kommt das Problem aber doch über die Anodenspannung. 50 Hz 
lassen sich schlechter Filtern als 100 Hz. das Netzteil weist einen 50Hz 
Ripple auf und der Spannungswert der Zenerdiode ist zu hoch. In der 
Kombination kann sie am untersten Punkt des Ripples nicht mehr 
stabilisieren. Der hohe Wert von C4 ist nutzlos, die Z-Diode soll 
glätten/stabilisieren. Also entweder eine Z-Diode mit z.B. 51V 
einsetzten oder der Ripple muss vorher schon verringert werden.

Mit einer Zener-Diode kann man einen hervorragenden Rauschgenerator 
bauen.
http://www.qsl.net/dk3wi/HF_Noise_Generator.html

C4 dient normalerweise dazu, das Rauschen der Z-Diode abzublocken, dafür 
ist aber ein 100nF Keramikkondensator besser geeignet, als ein Elko. 
Eine eventuelle Siebung des Ripple sollte vorher stattfinden.

von Bernd F. (Gast)


Angehängte Dateien:

Lesenswert?

Hier erst einmal die Schaltung für die Heizung der Röhren.

von eric (Gast)


Lesenswert?

Schaut Euch mal das Sockelphoto der EF80 an.
Liegt da zwischen Pin3(Katode) und Pin4(Heizfaden)
eine Lötzinnbrücke ?

von B e r n d W. (smiley46)


Lesenswert?

> Liegt da zwischen Pin3(Katode) und Pin4(Heizfaden)

Ja, hab den/das Fitzel auch gesehen, aber das Symptom passt nicht.

@Bernd
Um den Heizkreis zu überprüfen, falls die Glühlampen in der 
spannungsführenden Leitung hängen, dann dreh einfach ein Lämpchen raus. 
Brummt es unverändert weiter, kommt das Problem sehr wahrscheinlich über 
die Anodenspannung.

von eric (Gast)


Lesenswert?

B e r n d W. schrieb:
> Gut, jetzt gilt es herauszufinden, ist es die Heizung oder die
> Anodenspannung.

Laut Schaltung haben Heiz- und Anodenspannung beide 50 Hz.
Das Diagramm zeigt aber für die Anode 100 Hz ! ??????

50 und 100 Hz sollten akustisch leicht auseinander zu halten sein.

von B e r n d W. (smiley46)


Lesenswert?

Hallo eric

> Das Diagramm zeigt aber für die Anode 100 Hz ! ??????

Meinst dies?
Beitrag "Re: Wo sind die Audion-Bauer?"

Ich zähle 10 Schwingungen auf 200 ms.

von eric (Gast)


Lesenswert?

B e r n d W. schrieb:
> aber das Symptom passt nicht.

Wenn da wirklich eine Brücke liegt,
dann ist g1 von Pin1 und 3 beidseitig von 50 Hz umgeben.

Es könnte auch sein, dass ein Teil des Heizstroms
über die Schwingkreisspule fliesst und den Kern moduliert.

von eric (Gast)


Lesenswert?

B e r n d W. schrieb:
> Ich zähle 10 Schwingungen auf 200 ms.

Stimmt, sorry, ich hab die Abzisse falsch abgelesen.

von michael_ (Gast)


Lesenswert?

B e r n d W. schrieb:
> Brummt es, wenn man das Gitter mit einem Kondensator auf Masse blockt?
> Brummt es, wenn man die Katode nach GND kurzschließt?
>
> Wenn man die Heizanschlüsse an der EF80 ablötet und zum Vorheizen 2
> Minuten wartet, dann sollte das Audion erst mal spielen. Auch wenn beide
> Heizkabel entfernt werden, sollte es noch ein paar Sekunden lang
> spielen, bis die Kathode abkühlt. Ist da der Brumm weg?

Wer sowas nicht kann, sollte lieber die Finger davon lassen.
Röhrenschaltungen sehen einfach aus, aber die Probleme liegen im Detail.
Da sollte man sich sehr tiefgründig in die Literatur einlesen.

von eric (Gast)


Lesenswert?

michael_ schrieb:
> Röhrenschaltungen sehen einfach aus, aber die Probleme liegen im Detail.

Das mag stimmen, aber mit einem billigen Oszilloskop
lassen sich die meisten Probleme sehr schnell lösen.

von michael_ (Gast)


Lesenswert?

Aber es nützt nichts, einen Mangel zu erkennen wenn man nicht weiß, wie 
man ihn beseitigt.

von B e r n d W. (smiley46)


Lesenswert?

> Röhrenschaltungen sehen einfach aus, aber die Probleme liegen im Detail.

Ich würde das nicht ausschließlich auf die Röhren schieben. Bei 
HF-Schaltungen steckt der Teufel im Detail.

von Bernd F. (Gast)


Lesenswert?

B e r n d W. schrieb:
> a, hab den/das Fitzel auch gesehen, aber das Symptom passt nicht.
>
> @Bernd
> Um den Heizkreis zu überprüfen, falls die Glühlampen in der
> spannungsführenden Leitung hängen, dann dreh einfach ein Lämpchen raus.
> Brummt es unverändert weiter, kommt das Problem sehr wahrscheinlich über
> die Anodenspannung.

Da war kein Kurzschluss. ;)

Nach Unterbrechung des Heizkreises wurde das Brummen lauter.

von B e r n d W. (smiley46)


Lesenswert?

> Aber es nützt nichts, einen Mangel zu erkennen wenn man nicht weiß,
> wie man ihn beseitigt.

Etwas Begreifen kommt von Anfassen, also ist doch der Thread-Starter auf 
dem richtigen Weg.

Bei der Fehlersuche gibts ein paar Faustregeln:

1) Versuchen, durch leicht lösbare oder tauschbare Teile (wie die 
Glühbirnchen) etwas herauszufinden. Diese Vorgehensweise ist nicht 
besonders logisch, dauert aber pro Schritt nur ein paar Sekunden.

2) Ein Problem oder Schaltung kann in zwei Hälften geteilt werden, um 
dann herauszufinden, liegt das Problem in der 1. oder in der 2. Hälfte. 
Das funktioniert wie bei der suczessiven Aproximation, mit der 
geringsten Anzahl von Schritten zum Ziel.

3) Ist der Fehler auf wenige Bauteile eingegrenzt, ein paar Messungen 
durchführen und dann nachdenken. Oft ist der Fehler fast offensichtlich, 
man hat aber Tomaten auf den Augen.

4) Steht jemand öfters vor einem Problem wie diesem, empfiehlt sich die 
Anschaffung von ein paar Messmitteln wie z.B. ein einfaches Oszilloskop.

von Bernd F. (Gast)


Lesenswert?

B e r n d W. schrieb:
> Ich würde das nicht ausschließlich auf die Röhren schieben. Bei
> HF-Schaltungen steckt der Teufel im Detail.

Ja, ich hatte das Brumm-Problem auch bei einem FET-Audion. Das konnte 
mit einer Verdrosselung am Steckernetzteil behoben werden.
Demgegenüber hatte mich mit einem EF98-Audion keine Probleme.

von Bernd F. (Gast)


Lesenswert?

michael_ schrieb:
> Aber es nützt nichts, einen Mangel zu erkennen wenn man nicht weiß, wie
> man ihn beseitigt.
Wenn man danach geht, könnte man alle Support-Hotlines und -Foren dicht 
machen.

von Lutz H. (luhe)


Lesenswert?

Bernd F. schrieb:
> Nach Unterbrechung des Heizkreises wurde das Brummen lauter.

Magnetische Kopplung zwischen Netztrafo und Ausgangstrafo vorhanden?

von eric (Gast)


Lesenswert?

Lutz H. schrieb:
> Magnetische Kopplung zwischen Netztrafo und Ausgangstrafo vorhanden?

Dann dürfte es beim Kurzschliessen
des Audiongitters nicht verschwinden.
Die Ursache muss da vorne sein.

Irgendwie habe ich das Gefühl,
dass in der Schaltungsausführung
irgendwo ein Fehler ist,
z.B. eine zu hochohmige Schwingspule
oder ein Brummfeld, das den Rinkern moduliert.

von B e r n d W. (smiley46)


Lesenswert?

> ein Brummfeld, das den Rinkern moduliert.

Bei kurzgeschlossenem Ringkern war der Brumm aber nicht weg.

IMO kann der Fehler fast nur zwischen Gitter und Anode liegen. Z.B. 
könnte der Gitterwiderstand 1Meg Unterbrechung haben. Obwohl, der wurde 
ja schon gegen einen mit 100k getauscht. Bei unterbrochenem 
Gitterkondensator würde beim Audion die Schwingung nicht einsetzen.

Bei der EF80 an Pin 6 (Schirm) und Pin 9 (Bremsgitter) mit dem Ohmmeter 
überprüfen, ob der Kontakt nach GND wirklich vorhanden ist. Die Röhre 
hat an einem offenen Bremsgitter auch Verstärkung.

Dieser rote Kondensator am Sockel der EF80, hat der ganz sicher 330pF 
oder sind das 330nF?

Pin 8 mal mit einem Elko ~100µF nach GND blocken. Auch wenn der Brumm 
sich halbiert, wäre das ein Hinweis, Doppelfehler sind schwer zu finden.

Oder eine Rückwirkung von der Anode. R5 mal versuchsweise auf 10k 
erhöhen, um die Filterwirkung auf der Anodenversorgung zu verbessern.

Eigenartigerweise nimmt der Brumm bei offener Heizung zu. Bist du 
sicher, daß die Heizung der EF80 einseitig auf GND liegt? Die Lämpchen 
müssen auf die ~24V Heizspannung, dann kommt die ECL80, dann die EF80, 
dann geht der Heizkreis zurück zum Netzteileingang auf GND. Diesen Kreis 
mal ohne Spannung mit dem Ohmmeter durchklingeln.

von Bernd F. (Gast)


Lesenswert?

Der rote Folienkondensator hat 100nf und hängt am Poti für die 
Rückkoplung.
Da habe ich wohl vergessen den Schaltplan auf aktuellen Stand zu 
bringen.
R5 war mal 22K und es war zu dieser Zeit auch keine Z-Diode vorhanden. 
Damals war der Fehler auch schon vorhanden.

Ich habe mal einen einfachen Test gemacht, da ich aktuell wenig Zeit 
habe:

Die EF80 habe ich mal mit einer EF89 (mit 300mA etwas überheizt) 
getauscht. Das laute "hohle" NF-Brummen ist bei dieser Röhre komplett 
weg. Es ist nur ein leises Netzbrummen im Hintergrund zu hören.

Das Hohle NF-Brummen tritt bei folgenden Röhren auf:

EF80
EF85
EF183

von Hein3 (Gast)


Lesenswert?

Bernd F. schrieb:
> Ich habe mal einen einfachen Test gemacht, da ich aktuell wenig Zeit
> habe:
>
> Die EF80 habe ich mal mit einer EF89 (mit 300mA etwas überheizt)
> getauscht. Das laute "hohle" NF-Brummen ist bei dieser Röhre komplett
> weg.

Versuch mal, die brummende Röhre mit auf Masse gelegter Alufolie 
abzuschirmen!
(ein ähnliches Problem hatte ich mal mit einer Röhre, bei der die 
interne Schirmung schlecht war)


Bernd F. schrieb:
> Der rote Folienkondensator hat 100nf und hängt am Poti für die
> Rückkoplung.

Da würde ich den Folien-C durch einen guten Kerko ersetzen.

von Jörg W. (dl8dtl) (Moderator) Benutzerseite


Lesenswert?

Hein3 schrieb:
> einen guten Kerko ersetzen.

Gute Kerkos mit 100 nF?

von Thorsten S. (thosch)


Lesenswert?

Bernd F. schrieb:
> Aber wenn man das Gerät vom Strom trennt ist das Brummen schlagartig weg
> und man hört kurzzeitig ein brummfreies Rauchen bis sich die Elkos
> entladen haben.
Das kommt mir äußerst bekannt vor und klingt nach Brumm-Modulation aus 
dem Netzteil.

Schalte mal parallel zu jeder Gleichrichterdiode in der Anodenversorgung 
einen 1nF Kondensator (Folienkondensator oder Keramik), ich würde fast 
drauf wetten, daß das Brummen damit verschwunden ist...

Gruß,
Thorsten

von B e r n d W. (smiley46)


Lesenswert?

> Die EF80 habe ich mal mit einer EF89 (mit 300mA etwas überheizt)

Du könntes einen 68 Ohm Widerstand parallel zur Heizung schalten. Damit 
wäre die EF89 eine Alternative. Allerdings würde es mir keine Ruhe 
lassen, woher dieser Brumm kommt.

Aber ist jetzt definitiv die Heizung schuld? Falls ja, eine zweite 
Delon-Schaltung einbauen für den Heizkreis mit nachfolgender 7812 
Stabilisierung.

> Schalte mal parallel zu jeder Gleichrichterdiode in der
> Anodenversorgung einen 1nF Kondensator

Gerade habe ich bei der Simulation Spitzenströme von > 1A an den Dioden 
festgestellt und wollte daher den selben Vorschlag machen. Allerdings 
verwende ich immer 10nF - 100nF Keramikkondensatoren.

von Thorsten S. (thosch)


Lesenswert?

B e r n d W. schrieb:
>> Schalte mal parallel zu jeder Gleichrichterdiode in der
>> Anodenversorgung einen 1nF Kondensator
>
> Gerade habe ich bei der Simulation Spitzenströme von > 1A an den Dioden
> festgestellt und wollte daher den selben Vorschlag machen. Allerdings
> verwende ich immer 10nF - 100nF Keramikkondensatoren.

Klar, damit gehts bestimmt. Aber wenn's der kleinere Kondensator bereits 
tut, muß man den Gleichrichter ja nicht mit größeren Cs 
verschlechtern...
Mehr als 2n2 mußte ich bislang nie verbauen, um für Ruhe zu sorgen. ;-)


Das Problem kenne ich aus meiner Jugendzeit, als ich versuchte, den 
Mittelwellen-Einkreiser aus dem Philips Experimentierkasten EE2003 
mittels selbstgebautem Netzgerät statt aus taschengeldfressenden 
Batterien zu versorgen.

Erst begriff ich den Zusammenhang nicht, etwas später entdeckte ich in 
der Schaltungsbeschreibung eines Antennenverstärker-Netzteils die 
Überbrückungskondensatoren am Gleichrichter.
Danach haben vier Folienkondensatoren von je 1nF parallel zu den Dioden 
des Brückengeleichriters in meinem Selbstbau-Netzgerät den Brumm 
beseitigt.

Offensichtlich gibt es heute kaum noch Radiobastler, anders kann ich mir 
kaum erklären, warum in Netzteilschaltungen fast immer diese 
Kondensatoren über den Gleichrichterdioden fehlen.
Einem Mikrocontroller ist das ja eher egal...

von Hein3 (Gast)


Lesenswert?

Thorsten S. schrieb:
> Klar, damit gehts bestimmt. Aber wenn's der kleinere Kondensator bereits
> tut, muß man den Gleichrichter ja nicht mit größeren Cs
> verschlechtern...
> Mehr als 2n2 mußte ich bislang nie verbauen, um für Ruhe zu sorgen. ;-)

Bei den Geräten, die ich in meinem Leben zerflückt habe, saßen an der 
Stelle immer Cs zwischen 22nF und 47nF (wenn welche da waren).
Das soll natürlich nicht heißen, dass 2n2 nicht bereits ausreichen 
können.


Thorsten S. schrieb:
> Offensichtlich gibt es heute kaum noch Radiobastler,

So siehts aus!



Es gibt übrigens noch einen anderen Effekt, den man häufig bei 
herkömmlichen Netztransformatoren findet. Im LW/MW/KW-Empfänger ist dann 
ein Prasseln und Rauschen zu hören. Abhilfe schaft einzig und alleine 
ein spannungsfester C von ca. 47nF parallel zur Primärwicklung des 
Trafos.
Warum das so ist, keine Ahnung.

von Bernd F. (Gast)


Lesenswert?

Sooo, ich habe die die Gleichrichter mit 4,7nF oder 22nF überbrückt - 
keine Änderung der Problematik.
Ich habe die EF80 mit Alufolie umwickelt und das ganze gegen GND - keine 
Änderung.

Spannungswerte:

Anode: ca. 30V
Gitter 2: das Brummen beginnt bei etwa 9V und geht bis kurz nach 
Schwinnungseinsatz bei ca. 38V. Kurz vor Schwingungseinsatz ist es am 
lautesten. Danach wird es schlagartig leiser, hört sich jedoch dann eher 
wie normales Netzbrummen an, bis es Richtung 67V ganz weg ist.

von Hein3 (Gast)


Lesenswert?

Wenn du nur die Heizspannung abschaltest, glühen die Röhren ja noch 
nach. Bleibt dann das Brummproblem bestehen (also Heizspannung weg, 
Anodenspannung bleibt)?

von Bernd F. (Gast)


Lesenswert?

Hein3 schrieb:
> Wenn du nur die Heizspannung abschaltest, glühen die Röhren ja noch
> nach. Bleibt dann das Brummproblem bestehen (also Heizspannung weg,
> Anodenspannung bleibt)?

Wurde schon getestet. Das Brummen wird dann immer lauter.

von B e r n d W. (smiley46)


Lesenswert?

Aber was ist mit dem Elko vom Schirmgitter nach GND. Die momentane 
Grenzfrequenz ligt bei 30 Hz, der 100nF Kondensator kann die 50 Hz nicht 
wegfiltern.

Auch bei der Heizung wurde nur eine Seite abgeschaltet, wird es auch 
lauter, wenn man beide Drähte an der EF80 entfernt?

Falls der Brumm zwei Ursachen hat, darf man die Filtermaßnahmen nicht 
sofort zurückbauen, sondern solange weitermachen, bis es funktioniert. 
Dann erst Schritt für Schritt zurückbauen, um zu sehen, was entfernt 
werden darf.

von Bernd F. (Gast)


Lesenswert?

Elko von 220µ von g2 nach GND -> keine Änderung
Die Heizung der EF80 an beiden Seiten abgetrennt -> Brummen wird wie 
gehabt lauter.

von Lutz H. (luhe)


Lesenswert?

Die Heizspannung von 24 V Wechselspannung sind mir bei 67 V 
Betriebsspannung irgendwie verdächtig. Da könnten Störspannungen kreuz 
und quer in der Schaltung entstehen. Warum wird nicht mit 6V 
Gleichspannung geheizt?

von Hein3 (Gast)


Lesenswert?

Also netzstecker raus und es brummt weiter?

Das Audion bzw die Antenne mal an einer anderen Stelle aufgebaut (EMV in 
der Luft?)?

Brummt es denn auch, wenn keine Antenne angeschlossen ist?


https://www.mikrocontroller.net/attachment/275934/Heizung.png
Liegt mittlerweile eine Anschlussseite des Heiztrafos auf Masse?


Wird die Anodenspannung aktuell irgendwie aus der Heizspannung gewonnen?
Ist die Anodenspannung wirklich gut gesiebt?

von michael_ (Gast)


Lesenswert?

Hast du in der Nähe etwa eine ESL?
Schalt mal im Raum alles ab, auch PC, Handy-NT o.ä.

Wenn du noch die 1M/83p am Gitter hast, dann schirme die mal ab.
Im alten Volksempfänger ist diese Kombination sogar unter einer 
Metallkappe abgeschirmt.
Ansonsten entferne alles und verschalte radikal neu. Mit sternförmiger 
Masse.
Erstmal mit wirklich sauberer Gleichspannung.
Danach kannst du ja deine Netzteilfrickelei stufenweise einbauen.

von Hein3 (Gast)


Lesenswert?

michael_ schrieb:
> Wenn du noch die 1M/83p am Gitter hast

Bei neueren Schaltungen sieht man hier auch oft 100k/220p - vielleicht, 
weil es brummunempfindlicher ist!??

von michael_ (Gast)


Lesenswert?

Das wird so sein, es ist niederohmiger.
Hier ist Neuverdrahtung fällig, wenn man sich die Bilder ansieht.
Der ganze Stromteil mit der Drossel muß weg von der Eingangsröhre.
Hier wird die Platine als Masse genommen. Diese sollte sternförmig am 
mittleren Röhrchen der Fassung sein.
Einfach mal Bilder oder so ein Radio ansehen.
Umsonst wurde das nicht gemacht.

von Hein3 (Gast)


Lesenswert?

michael_ schrieb:
> Hier wird die Platine als Masse genommen. Diese sollte sternförmig am
> mittleren Röhrchen der Fassung sein.

Oh, ist das nicht gut? Ich benutze für Basteleien bis 30MHz eigentlich 
grundsätzlich die Kupferfläche einer Platine als Träger/Masse (eben 
Manhattanstyle).

von Hein3 (Gast)


Lesenswert?

Bernd F. schrieb:
> Die Heizung der EF80 an beiden Seiten abgetrennt -> Brummen wird wie
> gehabt lauter.

Wurde die Möglichkeit einer Erdschleife/Brummschleife schon 
ausgeschlossen?

von B e r n d W. (smiley46)


Lesenswert?

Ich fasse die wichtigsten Punkte nochmal zusammen:

1. Gitter auf GND -> Brumm ist weg
2. Gitter mit C auf GND -> Brumm ist weg
3. Netzstecker ziehen -> Gerät spielt noch 10 Sekunden ohne Brumm
4. Heizung abgeklemmt -> Brumm wird lauter

Schlussfolgerung:

Wegen 1. und 2. evtl. Einfluss eines elektrischen Feldes aufs Gitter.
Wegen 3. ist die Quelle nur bei eingestecktem Netz vorhanden.

Es kommt eine weitere Möglichkeit in Frage, der Netztransformator und 
das Chassis sind nicht geerdet und liegen dadurch auf ca. halber 
Netzspannung. Aus der Sicht der EF80 brummt dann die komplette Umgebung 
mit 115V / 50 Hz. Wird der Netzstecker gezogen oder das Gitter gebrückt, 
ist Ruhe. Abschirmen der Röhre bringt nichts, weil diese intern 
geschirmt, die Unterseite jedoch offen ist.

Hallo Bernd, könntest Du mal das Chassis am Schutzleiter oder am 
Heizkörper erden?

Falls das nichts bringt, bitte nochmal ein Foto mit der kompletten 
Unterseite machen. Evtl. fällt doch noch was auf, wenn man einen 
Überblick bekommt.

Freundliche Grüße,
auch Bernd

von Bernd F. (Gast)


Lesenswert?

Hein3 schrieb:
> Bei neueren Schaltungen sieht man hier auch oft 100k/220p - vielleicht,
> weil es brummunempfindlicher ist!??

Ja, das war die Ursache denke ich.
Ich habe die 100K/220p eingebaut:

mit EF183 -> nur noch ein leiser Netzbrumm
mit EF85 -> Brummen ist ähnlich EF183
mit EF80 -> die Brummt noch am lautesten (mit Rauschen überlagertes 
Netzbrumm?) und es gibt noch eine kleine Stelle in der Rückkopplung wo 
das "hohle" NF-Brummen ist.

Ich habe auch gelesen, dass das Audion mit den 100K/220PF 
unempfindlicher werden soll.

Insgesamt hat sich die Situation stark verbessert.
Die Delon-Schaltung ist also nicht gerade geeignet für Kopfhörerbetrieb, 
was Netzbrumm/Siebung betrifft?

von michael_ (Gast)


Lesenswert?

Bernd F. schrieb:
> Ich habe auch gelesen, dass das Audion mit den 100K/220PF
> unempfindlicher werden soll.

Ja, aber der Eingangskreis wird mehr bedämft.

Bernd F. schrieb:
> mit EF183 -> nur noch ein leiser Netzbrumm
> mit EF85 -> Brummen ist ähnlich EF183
> mit EF80 -> die Brummt noch am lautesten (mit Rauschen überlagertes

Hör endlich auf, die einfach umzustecken.
Die haben sehr unterschiedliche Werte. Konzentriere dich auf eine.
Die EF85 ist eine Regelröhre, für ein Audion nicht optimal.
Ich bleibe dabei, mach lieber was mit Transistoren oder Arduino.
Schon wenn ich die 1000µ/63V sehe, die braucht es in so einer einfachen 
Röhrenschaltung niemand.

von B e r n d W. (smiley46)


Lesenswert?

Meine Befürchtung, es wurde nur am Symptom rumoptimiert, die Ursache ist 
jedoch nicht beseitigt. Normalerweise funktioniert die EF80 einwandfrei. 
Für die Hüllkurven-Gittergleichrichtung wird in der Ia/Ug-Kurve 
möglichst ein Knick benötigt, kein weicher Übergang wie bei einer 
Regelkennlinie.

> Schon wenn ich die 1000µ/63V sehe

Waren da nicht 68V drauf?

>>> Ich habe auch gelesen, dass das Audion mit den 100K/220PF
>> unempfindlicher werden soll.
> Ja, aber der Eingangskreis wird mehr bedämft.

Bezüglich Signal/Rauschabstand ist es egal, ob ein 100k oder ein 1MOhm 
verwendet wird. Das Rauschen des recht hohen Widerstandes verhält sich 
proportional zum demodulierten Signal. Die Rauschspannung beträgt je 
nach Widerstand zwischen 1µV und 10µV. Aber Michael hat recht, der 
Schwingkreis wird stärker bedämpft, wodurch die durch das Audion maximal 
erreichbare Güte sinkt.

von michael_ (Gast)


Lesenswert?

B e r n d W. schrieb:
>> Schon wenn ich die 1000µ/63V sehe
>
> Waren da nicht 68V drauf?

Im dritten Bild sind es 63V, was auch üblich ist.
In der Zeit, wo solche Audion in Mode waren, waren 4µ bzw. 8µ das 
höchste der Gefühle.

von B e r n d W. (smiley46)


Angehängte Dateien:

Lesenswert?

Hier hat die Spannungsquelle 68 Volt:
https://www.mikrocontroller.net/attachment/275787/Audion_Schaltplan.png

In der Simulation ist die Ripplespannung mit 1Vss recht hoch. Die alten 
Audions hatten meist eine Drossel eingbaut und manchmal wurde sogar mit 
einer um 180° gedrehten Gegenspannung gearbeitet bzw. mit einem Poti auf 
Minimum gestellt.

In der zweiten Variante des angehängten Schaltbildes beträgt der Ripple 
nur noch 20mVss. Ich könnte mir auch die jetzige Variante vorstellen mit 
einer nachfolgenden Glättung mit MOSFet. Es gehen halt so oder so ca. 
5Volt verloren.

von michael_ (Gast)


Lesenswert?

B e r n d W. schrieb:
> Hier hat die Spannungsquelle 68 Volt:
> https://www.mikrocontroller.net/attachment/275787/Audion_Schaltplan.png

Wenn schon, dann sollte man sich an das Original halten.
http://jogis-roehrenbude.de/Leserbriefe/Kainka-Radio/Audion.htm

Dort ist auch beschrieben, welche Funktion die Gitterwiderstände haben.
Da kann man nicht einfach kleinere nehmen, sonst steigt der Anodenstrom.
Deshalb geht auch der Spannungsteiler vor der Endröhre gar nicht.
Die Z-Dide braucht es auch nicht, sie belastet die schwächliche 
Spannungsverdopplung nur unnötig.
Über Spannungsteiler eingestellte Spannungen reichen bei Röhren 
vollkommen.

von B e r n d W. (smiley46)


Lesenswert?

> Deshalb geht auch der Spannungsteiler vor der Endröhre gar nicht.

Unterhalb von 80V Anodenspannung kann man das Zähneknirschend 
akzeptieren, wie erwähnt benötigt die Endstufe dadurch einen erhöhten 
Ruhestrom. Die Vorspannungserzeugung durch den Gitterstrom hängt stark 
von der Alterung der Röhre ab. Besser wäre es, einen Kathodenwiderstand 
einzufügen, um auf ca. -1..-2V Gittervorspannung zu kommen.

> Die Z-Dide braucht es auch nicht, sie belastet die schwächliche
> Spannungsverdopplung nur unnötig.

Die EF80 zieht einen Strom in der Größenordnung von 2 mA. Theoretisch 
reicht ein Querstrom von 1mA durch die Z-Diode, das wären also zusammen 
3mA. Der gesamte Stromverbrauch beträgt fast das zehnfache.

Allerdings ist, bedingt durch die hohe Zenerspannung, der Vorwiderstand 
ungünstig klein geraten. Dies belastet das Netzteil und gleichzeitig 
schlägt der Ripple trotz der Stabilisierung auf die Versorgung der EF80 
durch.

> Über Spannungsteiler eingestellte Spannungen reichen bei Röhren ...

EIne Spannungsstabilisierung macht IMO durchaus Sinn und ist durchaus 
üblich. Netzspannungsschwankungen können einen deutlichen Einfluss auf 
die Rückkopplung haben. Es würde jedoch reichen, die Spannung am oberen 
Ende des Schirmgitter-Potis auf 33V zu stabilisieren.

Wer es besonders stabil haben will, kann noch die Heizspannung regeln. 
Dazu wird oft ein 7806 eingesetzt, welcher zwar nicht genau 6,3V 
liefert, die Abweichung liegt jedoch in der Toleranz der Röhren. 
Gleichzeitig reduziert sich hierdurch auch der Netzbrumm.

Aber nach wie vor ist die wirkliche Ursache des Brumms unbekannt.

Es gibt 3 Möglichkeiten:
- Einstreuung von der Heizung
- Ripple auf der Anodenspannung
- Elektrisches Feld von außen

Durch Ausschlussverfahren sollte es möglich sein, die echte Ursache zu 
finden.

von Hein3 (Gast)


Lesenswert?

Die Ursache würde mich auch mal interessieren, verfolge mit Spannung den 
Beitrag.

B e r n d W. schrieb:
> Es kommt eine weitere Möglichkeit in Frage, der Netztransformator und
> das Chassis sind nicht geerdet und liegen dadurch auf ca. halber
> Netzspannung.

Wurde das schon geprüft?

von Winfried J. (Firma: Nisch-Aufzüge) (winne) Benutzerseite


Lesenswert?

ich würde wie folgt vorgehen

1. auftrennen der stromkreise

A) Heizkreis testweise aus 24V speisen
B) provisorische anodenspannung aus 7 9Vblöcken vorhalten
C) Anodenspannungsversorgung auftrennen nach Stufen jeweils 2 Anoden aus 
Batterie 63V speisen die verbleibende aus dem Netzteil.

mir sieht es so aus das die Spannungsverdopllerschaltung einbricht oder 
die Z Diode D1 (vorrübergehend auslöten) mit den Siebelementen einen 
RC-Sägezahngenerator bildet und der Ripple daher kommt.


weiches brummen (sinus) oder hartes knattern sägezahn

osziloskop vorhanden? ---> bild?

Namaste

von Bernd F. (Gast)


Lesenswert?

Hein3 schrieb:
> Wurde das schon geprüft?

Ja, wurde getestet - keine Änderung. Darüber hinaus kommen viele 
Störungen über das Wasser-/Heizungsrohr.

von Bernd F. (Gast)


Lesenswert?

Winfried J. schrieb:
> ich würde wie folgt vorgehen
>
> 1. auftrennen der stromkreise
>
> A) Heizkreis testweise aus 24V speisen
> B) provisorische anodenspannung aus 7 9Vblöcken vorhalten
> C) Anodenspannungsversorgung auftrennen nach Stufen jeweils 2 Anoden aus
> Batterie 63V speisen die verbleibende aus dem Netzteil.
>
> mir sieht es so aus das die Spannungsverdopllerschaltung einbricht oder
> die Z Diode D1 (vorrübergehend auslöten) mit den Siebelementen einen
> RC-Sägezahngenerator bildet und der Ripple daher kommt.

Die 9V-Blöcke, 10 Stück an der Zahl, habe ich gerade bei ebay 
"geschossen".

> weiches brummen (sinus) oder hartes knattern sägezahn
Weiches Brumm.

> osziloskop vorhanden? ---> bild?
Ein altes Philips/Fluke 100MHz Analog-Oszi kann ich heute besorgen.
>
> Namaste

von Hein3 (Gast)


Lesenswert?

Einwandfrei! :)

von Winfried J. (Firma: Nisch-Aufzüge) (winne) Benutzerseite


Lesenswert?

irgend wie ist das Wort "Akku" 24V(?) für Heizkreis verloren gegangen.

Namaste

von B e r n d W. (smiley46)


Lesenswert?

> "Akku" 24V(?) für Heizkreis

Dann machen die 24V aber keinen Sinn. Falls schon eine extra 
Heizspannung verwendet werden soll und weil beide Röhren mit 6,3V / 
300mA betrieben werden, kommt eine Reihenschaltung der Röhren an einem 
12V Akku in Frage.

Gruß,
Bernd

von Bernd F. (Gast)


Lesenswert?

So die Batterien sind da. Ich habe 8 Stück davon als "Anodenbatterie" in 
Reihe geschalten.
Die Stromaufnahme ohne Heizung beträgt ca. 20 mA.
Die Delon-Schaltung und die Z-Diode sind komplett abgeklemmt. Die 
Heizung und die Lämpchen gehen direkt an die 24V~ ohne Verbindung zum 
Chassis, da ich keinen leistungsstarken (Laptop-)Akku o.ä. besitze.
Alternativ könnte man zum Test ein ein 12V-Steckernetzteil mit 
Siebung+Verdrosselung verwenden (Test setht noch aus).

Die RC-Kombination am Gitter der EF80 wurde wieder auf 1Meg/82pF 
geändert.

erstes Ergebnis:
Das leise Netzbrummen im Hintergrund ist weg.
Das laute weich klingende Brummen  vor dem Schwingungseinsatz ist jedoch 
immer noch vorhanden, hört sich jetzt jedoch etwas anders an.

von B e r n d W. (smiley46)


Lesenswert?

Hallo Bernd

Es wäre mal interessant, das ganze Chassis in sowas wie eine große 
Keksdose oder Blechgehäuse zu stecken und dieses mit mit GND zu 
verbinden. Ist dann der Brumm weg, wärst du einen großen Schritt weiter.

Gruß, B.W.

von Jörg W. (dl8dtl) (Moderator) Benutzerseite


Lesenswert?

Bernd F. schrieb:
> Die Stromaufnahme ohne Heizung beträgt ca. 20 mA.

Mehr als 1 W ohne Heizung?

Das wäre mir suspekt, eigentlich sollten doch da nur die beiden
Potis dranklemmen.

von Hp M. (nachtmix)


Lesenswert?

Jörg W. schrieb:
> Bernd F. schrieb:
>> Die Stromaufnahme ohne Heizung beträgt ca. 20 mA.
>
> Mehr als 1 W ohne Heizung?
>
> Das wäre mir suspekt, eigentlich sollten doch da nur die beiden
> Potis dranklemmen.

Das kann man wohl sagen. 20mA ist mehr als manch ein Batteriesuper 
verbraucht hat, und dort war die Lautsprecherröhre mit 5..8mA der 
grösste Verbraucher.

von Winfried J. (Firma: Nisch-Aufzüge) (winne) Benutzerseite


Lesenswert?

Ich habe den überblick über die Aktuelle schaltung bzw die vor den 
letzen Modifikationen verloren. Link genügt

nun weiter

Heizung aus Batterien oder Akku probehalber ist muß! Netzteil egal 
welcher Art ist kein Ersatz.

Möglich ist auch, dass du dir den Brumm über Ante/Erde rein schleppst.

Alles ab was Erd~ oder Netzverbindung hat (auch kapazitiv).
Dann brummfreie Erde suchen (Wasserleitung, Heizung)
Schutzleiter sind oft ungeeignet (Potential meist schon verbrummt)

Antenne/Erde Eingang probehalber kurzschließen

Erst wenn Totenstille in der Schaltung ist Schritt für Schritt von 
reiner Batterie-Gleichstrom~ auf andere Versorgung umsstellen. Wenn 
Brummen auftritt -->  Schritt zurück. Zuletzt Eingangskreis öffnen, 
ruhige Erde suchen, dann Antenne drann, Freude haben

Ach ja such mal nach der Stromsenke da stimmt was im aufbau nicht oder 
eine Röhre ist Keine.
Röhre rein raus.

Namaste und viel Spass beim Suchen

von B e r n d W. (smiley46)


Lesenswert?

> Die Stromaufnahme ohne Heizung beträgt ca. 20 mA.

Er hat sich vermutlich nur ungenau ausgedrückt. Zuvor lief die Heizung 
über den selben Pfad, wie der Anodenstrom, jetzt sind die beiden 
getrennt. Die 20mA Anodenstrom (beheizt) kommen hin.

von Bernd F. (Gast)


Lesenswert?

Die Blechdose hat leider an der Problematik nichts geändert.
Der Test erfolgte mit 24V~ Heizspannung + den bekannten Lämpchen.

Da ich keinen Laptop-Akku besitze (den konnte ich nicht aus der Firma 
"schmuggeln" ;) und auch ḱeine Autobatterie o.ä, habe ich mich mit 
kleineren Schritten an das Problem angenähert:

- Test mit Steckernetzteil 12V- inkl. Verdrosselnung + 1000µF Ladeelko 
ohne Kontakt zum Chassis -> keine Änderung
- Config wie oben jedoch mit Anfassen an das Chassis - Brummen fast weg 
-> OK
- Config wie erster Punkt jedoch ohne Anodenspannung: Brummen da, jedoch 
viel leiser.

Ein Kurzschliessen des Antennenausgangs brachte keine Änderung.
Zur oben gezeigten Audion-Schaltung hat sich wegen des Batteriebetriebes 
folgendes geändert:

Wegfall D1, C4, R5 (R=0Ohm), C5. Aus L5 wurde ein R mit 10KOhm (nach 
Bernd W.).

von Bernd F. (Gast)


Lesenswert?

Nochetwas:

Wenn man die Heizung ausschaltet wist das Brummen sofort weg. Im 
Gegenatz zur Delon-Schaltung wird es mit der Anodenbatterie nicht 
lauter, sondern bleibt verschwunden.
Meine Meinung ist, dass es ein Problem mit der Stromversorgung der 
Heizung gibt. Wobei das leise Netzbrumm im Hintergrund von der 
mangelhaften Siebung an der Delon-Schaltung kam.

von B e r n d W. (smiley46)


Angehängte Dateien:

Lesenswert?

Hallo Bernd

Du könntest es mal mit einem sogenannten Entbrummer-Poti probieren.
Dabei wird nicht eine Seite des Heizkreises geerdet, sondern der 
Schleifer des Potis. Damit sollte sich der durch die Heizspannung 
verursachte 50Hz-Brumm auf ein Minimum stellen lassen.

Gruß, B.

von Hein3 (Gast)


Lesenswert?

B e r n d W. schrieb:
> Du könntest es mal mit einem sogenannten Entbrummer-Poti probieren.

Zu Röhrenzeiten bei Wechselstromheizung sehr verbreitet und auch 
effektiv!
Das Poti sollte möglichst niederohmig sein, man kann dafür auch zwei 
Festwiderstände "oben" und "unten" benutzen mit einem Trimmpoti in der 
Mitte (z.B. 100 Ohm).
Dann wird nicht mehr die ganze Leistung des Stromzweigs im Poti 
verheizt.

von Bernd F. (Gast)


Lesenswert?

Funktioniert diese Entbrummschaltung mit einer Trafowicklung bzw. 
parallel zur Delon-Schaltung? So wie ich das sehe nicht...
Die meisten Röhrengeräte haben eine extra Wicklung für die Heizung.

Ok, ich werde das mit der Anodenbatterie + den 24V~ für die Heizung 
testen.

von B e r n d W. (smiley46)


Lesenswert?

Die Heizwicklung muss "schwimmen"!

von Hein3 (Gast)


Lesenswert?

Bernd F. schrieb:
> Funktioniert diese Entbrummschaltung mit einer Trafowicklung bzw.
> parallel zur Delon-Schaltung?

Ach, du hast den Spannungsvervielfacher für die Ua parallel zum 
Heizzweig?
Ich glaube, das ist kritisch.

Stell doch mal den Schaltplan für die beiden Spannungsversorgungen 
(Anode und Heizung) hier ein.

von Winfried J. (Firma: Nisch-Aufzüge) (winne) Benutzerseite


Lesenswert?

nicht umsonst hatten frühe Röhrenschaltungen eine Heizbatterie und eine 
Anodenbatterie ;)

von Bernd F. (Gast)


Angehängte Dateien:

Lesenswert?

@Hein3: Ich habe alle getesteten Spannungsversorgungen oben im Bild 
aufgezeichnet.

Wenn ich die 12V-Heizung verwende (siehe Bild - ohne Siebelko) ist das 
Brummen ersteinmal da. Das Überbrücken des Cs an Masse verbessert die 
Situation dabei nicht. Entfernt man es wird es schlimmer (logisch).
Danach habe ich die Röhre mit Alufolie (Folie mit GND 
verbunden)umwickelt und stellte fest, dass das Brumen geringer war. 
Danach habe ich die Keksdose (genauer DVD-Dose) von oben über das Audion 
gestülpt und mit einem kurzen Kabel mit Masse verbunden - keine 
Änderung.
Es reicht wenn man die Dose ein paar cm entfernt links neben das Audion 
stellt (die Seite mit der Audionröhre).

Verwendet man die 24V~, so hilft keine DVD- oder Keksdose mehr, auch die 
Alufolie hilft nichts. Dort hilft nur das Entbrummpoti, wenn -laut 
Wikipedia- Heiz- und Anodenspannung galvanisch getrennt sind.

von B e r n d W. (smiley46)


Lesenswert?

Sowas hatte ich mal erwähnt, wenn es mehr als eine Ursache gibt, geht 
der Fehler durch eine Maßnahme nicht weg. Man muss immer weiter 
Aufrüsten, bis das Problem verschwindet und dann Schritt für Schritt 
zurückbauen.

Jetzt ist die Frage, warum hilft die Keksdose auf der linken Seite?
Empfohlen hätte ich einen Röhrensockel mit Abschirmung und eine 
metallene, geerdete Bodenplatte. Dann entweder eine DC-Heizung mit einem 
7805 oder 7812 stabilisiert oder mit Entbrummer.

Ansonsten muss ein exponiertes Teil brummempfindlich sein, was sich 
Annähern mit dem Finger rausfinden läßt. Was ist mit dem Poti, welches 
links raushängt, ist das handempfindlich? Möglicherweise muss auch eine 
Leitung geschirmt werden.Oder nimm einen Blechstreifen, 3-4cm breit, 
verbinde das Blech elektrisch mit dem Chassis und versuche, einzelen 
Teile der Schaltung damit abzuschirmen.

Gibt es einen Brumm welcher durch Drehen des Chassis lauter und leiser 
wird? Dann könnte der Netztrafo in die Schaltung einstreuen. Sowas 
entsteht gerne durch magnetisch nicht ganz geschlossene Drosseln, welche 
das Magnetfeld einfangen.

von B e r n d W. (smiley46)


Angehängte Dateien:

Lesenswert?

Hallo Bernd

Optimal wäre ein Netztrafo mit getrennter Heiz- und Anodenwicklung. 
Falls du jedoch an dem einen Netztrafo festhalten möchtest, hätte ich 
einen Schaltungsvorschlag. Diese Variante erzeugt eine geregelte 
Heizspannung mit 12V und eine Anodenspannung von 100V / 25mA bei einem 
Ripple von ~25mV.

Wenn du C5 und D9 weglässt, kommen nur noch 80V raus und wenn du auch 
noch C6 und D7 weglässt, sind es 68V wie bisher. Bei 100V ist jedoch 
möglicherweise schon Lautsprecherempfang möglich.

Gruß, B.

von Bernd F. (Gast)


Lesenswert?

Ich danke dir Bernd.
Ich habe mit der Abschirmung herumgespielt und festgestellt, dass diese 
über den Röhrensockel muss (wie schoneinmal hier geschrieben wurde). 
Dieses Brummen wurde allerdings vorher durch den anderen Fehler 
überdeckt.
Wenn ich jetzt mit dem Finger auch nur in die Nähe des Gitters komme 
wird das Brummen stärker.

von Bernd F. (Gast)


Lesenswert?

Ist die Anode von D5 am Plus, um alle Dioden der Kaskade vorzuspannen?

von B e r n d W. (smiley46)


Angehängte Dateien:

Lesenswert?

> um alle Dioden der Kaskade vorzuspannen?

Die Heizung läuft über einen Brückengleichrichter mit ~24V DC am Elko 
mit 3Vss Ripple. Die durch die Kaskade erzeugte Anodenspannung setzt 
darauf auf, die beiden Spannungen werden also addiert.

Die Simulation hab ich mal drangehängt.

von B e r n d W. (smiley46)


Lesenswert?

Die Parameter der Spannungsquelle V1 sind falsch, denn die 
LTspice-Angabe für die Transienten-Simulation bezieht sich auf den 
Spitzenwert.

SINE(0 25V 50) ist falsch,
SINE(0 {25V*sqrt(2)} 50) wäre richtig gewesen

Die Anodenspannungen ist von der Anzahl der Dioden in der Kaskade 
abhängig, folgende Werte werden damit erreicht:

Dioden  Spannung
   2       60V
   3       90V
   4      117V
   5      140V

von Bernd F. (Gast)


Angehängte Dateien:

Lesenswert?

Sieht gut aus: Spannung 117V und 36mA (mit RL=3.3K) im Gegensatz zu 
100V/25mA.

Ich werde für eine evenuelle HF-Vorstufe statt des 7812 ein 7818 für die 
Heizung verwenden. Die Audionröhre und die HF-Vorstufe werden mit 
FR4-Basismaterial abgeschirmt und voneinander getrennt.
Die HF-Vorstufe wird erst aufgebaut, wenn der Rest einwandfrei 
funktioniert.

von Bernd F. (Gast)


Lesenswert?

Hallo,

folgendes habe ich inzwischen abgeschlossen:

- alte Stromversorgung komplett abgerissen
- der Audion-Teil und die zukünfrige JF-Vorstufe sind jetzt in zwei 
Kammern geteilt und komplett umschlossen (FR4)
- das Audion brummte dennoch -> die Röhre mit Alufolie umwickelt -> 
Audion nun komplett ruhig -> Sockel mit Alubecher vonnöten
- zwischen Schleifer Lautstärkepot und Gitter Pentode ECL80 33nF 
eingefügt und Gitter über 100K gegen Masse.

Aktuelle Stromversorgung: Anodenbatterie + Steckernetzteil 12V für 
Heizung

Die Kaskode konnte ich leider nicht aufbauen, da die Lieferung mit den 
Elkos nicht kommt.

von Winfried J. (Firma: Nisch-Aufzüge) (winne) Benutzerseite


Lesenswert?

hört sich gut an

Die Röhre könntest du auch in eine  FR4 Kammer sperren, aber auf 
Hitzestau achten also kühlen oder geregelte Heizung vorsehen.

Namaste

von Hein3 (Gast)


Lesenswert?

Bernd F. schrieb:
> Die Kaskode konnte ich leider nicht aufbauen, da die Lieferung mit den
> Elkos nicht kommt.

Kleiner Tipp: leg dir einen Karton mit Platinen aus alten Radios, 
Fernsehern, Röhrenmonitoren usw. an. Dann kannst du bei Bedarf die 
benötigten Teile mit dem Lötkolben "abpflücken".

von Bernd F. (Gast)


Lesenswert?

So... Ich habe nun zwei PC-Netzteile ausgeschlachtet. Ergebnis:

4x 470µ / 220V


Dazu noch aus eigener Sammlung 1x 680µ / 63V.
Alle Dioden Kaskade: 1N4004.

Die Kaskade ist inzwischen aufgebaut. Der Rest fehlt noch...

von Hein3 (Gast)


Lesenswert?

Bernd F. schrieb:
> So... Ich habe nun zwei PC-Netzteile ausgeschlachtet. Ergebnis:
>
> 4x 470µ / 220V

Super!

Lass mal hören, wie das Projekt weitergeht!

von Bernd F. (Gast)


Lesenswert?

Hallo,

die Stromversorgung ist jetzt komplett aufgebaut und im Leerlauf 
getestet worden:

Kakade 4 Dioden:

Ausgangsspannung: 140V

Regler 7818 für Heizspanung:

Ue: 35.1V
Ua: ca. 17.6V

Ue des Reglers ist haarscharf über den "Absolute Maximum Ratings" im 
Datenblatt.
Bei Ausfall einer Heizung (Serienheizung) hat man genau diesen Leerlauf, 
da das Audion in diesem Fall max. 1 mA Stromaufnahme hat (über Kaskade).
Rechnet man noch Netzschwankungen ein, kann der Wert von 35.1V sogar 
noch steigen.
Man müsste parallel am Eingang oder Ausgang(?) des Reglers einen 
Widerstand einfügen?
Am Eingang des Reglers ist jetzt in Serie ein Widerstand 22Ohm|5W, was 
natürlich nicht aussreicht.

Bitte melde dich an um einen Beitrag zu schreiben. Anmeldung ist kostenlos und dauert nur eine Minute.
Bestehender Account
Schon ein Account bei Google/GoogleMail? Keine Anmeldung erforderlich!
Mit Google-Account einloggen
Noch kein Account? Hier anmelden.