Ich muss vorausschicken, ich bin ein Möchtegernelektroniker, mehr nicht, aber ich bin ständig begeistert und der Lötkolben wird nicht kalt. Nun hat mir unser kleiner Schwimmbadclub die Aufgabe gestellt, bzw. ich kam selbst auf die Idee, im Wasser einen Schwimmer zu verankern und das Ergebnis auf eine Anzeige an der Bademeisterbude zu bringen. Unser Häuptling war begeistert, aber: "Die Anzeige muss mindestens 10cm hoch sein", waren seine Worte. Als ich dann mit der Realisierung anfing, musste ich bald erkennen, dass diese käuflichen Schwimmer eine sehr endliche Lebensdauer haben und dann blieben da noch die Übertragungsprobleme auf ein Großdisplay mit LED -Segment-Anzeigen. Da wir bei unserem Waldschwimmbad auch immer auf die bösen Buben achten müssen, konnte ich überzeugen, dass eine drahtgebundene Sensorik besser zu verstecken ist. Also liegt jetzt ein 90 m langes Kabel 7 x 1,5 qmm bis zur vorgesehenen Anzeigestelle. Nun beginnt mein Part und ich habe in meiner Naivität gedacht, nimmst ein Greisinger GTH2248/3 mit integrierter LED-Anzeige. € 65,08, Conrad Nr.: 1121548, führst die LED-Anschlüsse nach außen über einen Treiber, denn die Großanzeigen benötigen 60 - 80 mA/Segment, bei 7,7 - 8 V und speist damit die Anzeigen. Der PT100 oder PT1000 wird mit 1x Reserve in ein VA-Rohr eingegossen und unsichtbar 50 cm unter der Wasseroberfläche montiert. Das ich Euch nun anschreibe, hat damit zu tun, dass ich mir sehr unsicher geworden bin, ob das alles nicht etwas umständlich ist und auch zu teuer. Es gibt z.B. von Pollin ein Meßverstärker-Modul Nr.: 810144, für € 8,95 von PT1000 nach 0 - 5 V. Dann lese ich gerade in der elektror-Ausgabe 7/8-2010 von einem MAX6958, oder ist der Multiplexer nur für die PC-Ansteuerung geegnet ? Wer mir hier mit einer praktikablen, einfachen Schaltung nachhelfen kann, hilft mir sehr. Ich bin überzeugt, Ihr habt Lösungen, die ich übernehmen kann. Temperaturbereiche: Wassertemperatur/Lufttemperatur: -50 bis +100 °C, Auflösung 0,1 °C Wasser- und Lufttemperatur sollen jeweils getrennt angezeigt werden. Vorhanden sind 6 Stück 7-Segment-LED-Anzeigen Reichelt: Nr.: SA40-19RT. Das (-) -Vorzeichen wird durch Balken-LED erzeugt. Nun bin ich gespannt, wer sich die Zeit nimmt, mir auf die Sprünge zu helfen.
Günter Weber schrieb: > Wassertemperatur/Lufttemperatur: -50 bis +100 °C, Auflösung 0,1 °C -50 Grad hast du dann Packeis in deinem Schwimmbad? Warum nimmst du keinen Digitalen Sensor ala DS18B20. Ein kleiner uC und das Ding ist abgesungen.
Günter Weber schrieb: > Das (-) -Vorzeichen wird durch Balken-LED erzeugt. aha. und bofrost holt die tiefgekühlten dann ab und verhökert se an den kleinen kanibalen. mal ehrlich welchen temp. bereich nutzt man im schwimmbad oder auch im aquaium? -50°? +100°? bei - graden kannst ne kunsteisbahn aufmachen . wär ja ne weitere einnahmequelle. mfg
Helmut Lenzen schrieb: > Ein kleiner uC und das Ding ist abgesungen. den man aber erst mal programmieren muß. kann nicht jeder. b.z.w. nicht jeder hat lust erst wochenlang programmieren zu lernen. mfg
Und die Stromversorgung der Bastelarie aus der Steckdose? da würde ich doch glattmal den Versicherungsvertreter äh Anwalt konsultieren. Oder einfach einen Fachmann des wird billiger. Namaste
>Da wir bei unserem Waldschwimmbad auch immer auf die bösen Buben achten >müssen, konnte ich überzeugen, dass eine drahtgebundene Sensorik besser >zu verstecken ist. Aufpassen, in Schwimmbädern ist nach einer Reihe von tragischen Unfällen nur noch SELV erlaubt!!
ja, kleine Aufheiterung tut mir wohl ganz gut. Bei den Temperaturangaben habe ich mich lediglich an die üblichen Messbereichswerte gehalten. Außentemperatur -20 bis +40 und Wassertemperatur, bzw. Temperatur, wenn der See vereist ist, -10 bis 30 °C. Danke für den Hinweis zur Stromversorgung, also Trenntrafo und zus. galv. Trennung. Der Einwand mit der Programmierung trifft genau den Punkt. Ich bin 78 Jahre und fang damit nicht auch noch an. Aber Elektrik gehörte zu meinen beruflichen Erfordernissen und da nehme ich den Hinweis auf "SELV" (was auch immer das ist - muss ich erst nachlesen) sehr ernst. Macht Spaß, vielen Dank und Gruß an Alle, die geantwortet haben.
Grüß dich Günther SELV ist neudeutsch für Schutzkleinspannung http://www.elektrofachkraft.de/fachwissen/glossar/glossarartikel.2007-11-02.192319-2 So ein Waldbad da kommen doch auch Junge Bengels hin. Da findet sich bestimmt ein der Spass daran hat etwas beizutaragen und einen µC zu programmieren, dies gegebenenfalls auch zu erlernen. Dann ist auch gleich noch Wissen vermittelt. Viel Erfolg
>b.z.w. nicht jeder hat lust erst wochenlang programmieren zu lernen. mit Arduino und einem der 100 Temperaturtutorials auf der Homepage schaffst du das in wenigen Stunden, wenn nicht sogar in Minuten. Wenn das Ziel das Ziel ist und nicht der weg: Sensor nach Bildchen plug and play, code vom Tuto copy paste auf den uC überspielen per USB, fertig ist schonmal die Ausgabe der Daten via USB, oder mit kleinem LCD noch das zugehörige Tutorial copy paste und du hast die Temp Anzeige gleich auf kleinem Bildschirm. Serviervorschlag: http://www.ebay.de/itm/DS18B20-Digital-Temperatur-Sensor-Fuhler-Edelstahl-Tester-Probe-100cm-Lang-Neu-/200769883365?pt=Mess_Pr%C3%BCftechnik&hash=item2ebed14ce5 http://www.ebay.de/itm/SainSmart-UNO-2004-LCD-Sensor-Shield-V4-For-ATMEGA328P-PU-USB-IO-Board-ATEMA-AVR-/221015434382?pt=Wissenschaftliche_Ger%C3%A4te&hash=item33758be48e
Ihr werdets nicht glauben, aber ich habe den guten Willen gehabt, denn hier liegt von Franzis: "Der Einstieg in Bascom und C mit ATmega8." Mit dem AIM65 hatte ich da schon mal angefangen, aber das ist vor hundert Jahren, werdet Ihr nicht kennen, kam nach Commodore C. Das Problem ist die vielen anderen Projekte, wo ich an der Drehbank, oder in der Holzwurmwerkstatt werkeln kann, deshalb fang ich damit nicht mehr an. Die Idee mit den Jungs finde ich sehr gut. wir leben in ländlicher dünnbesiedelter Gegend. Werde mal den Rektor der Schule, zu dem ich guten Kontakt habe, befragen. Schönen Abend, weiter.
Hallo, ich würde das konzeptionell etwas anders angehen. Du hast 90 Meter Kabel verlegt, ok. Das Messsignal solltest Du nicht darüber direkt übertragen. Das wird Dir nur Probleme bereiten. Ich würde an der Quelle messen und in einen seriellen Datenstrom wandeln. Energieversorgung ferngespeist über das Kabel und die Daten dann seriell an die Anzeige übertragen. Das wird völlig problemlos funktionieren, das habe ich selbst schon so aufgebaut. Du kannst dann eine 2 Stellige Anzeige bauen, welche wechselweise beide Temperaturen zeigt, oder eben 4 Displays. Ein kleiner Mikrocontroller am Messort macht die Auswertung und Wandlung in einen seriellen Datenstrom, ein 2. Controller übernimmt den Empfang und die Anzeigensteuerung. Mit 4 Segmenten könntest Du auch noch die Uhrzeit einblenden. Ich habe übrigens noch solche Grossdisplays übrig ca. 25 cm mit roten superhellen LED's. Kannst Du zum Materialpreis gern haben. Controller etc, sind Pfennigartikel ;-)... Jasmin
Ich habe auch noch den 6502 in ASM programmierte allerdings im ATARI und nicht mit AIM65 sondern mit einen "micromon" ;-) aber ich bin auch erst etwas über 50 ;-)
Die angegebenen 7-Segment-Anzeigen sind nicht besonders hell, wenn sie im Außenbereich eingesetzt werden sollen. Siehe auch diesen Tread: Beitrag "10 cm 7-Segment-Anzeige zu dunkel"
6502 ( Apple II) , z80, x86,8051, Atmel... Assembler, c, Basic,..... Das ist meine Reihenfolge. Knapp über 50 und mache noch locker 50 Liegestütze...
@ Konrad, Meine selbstgebauten brennen Dir die Netzhaut weg ;-)
Das mit der Fernspeisung und dem Messwandler direkt am Sensor war auch meine erste Idee. Nachdem jedoch mein Freund (leider auch schon 69), der auf Frachtschiffen die div. Temperaturkontrollen überwacht und repariert hat meinte, dass die durchs Kabel auftretenden Widerstandswerte zu beherrschen seien und bei PT100 der Störfaktor sehr gering sei, wenn die nicht benutzten Leiter und der Reserve PT100 kurzgeschlossen werden, baue ich nun meine Gedanken darauf auf. Da es sich um ein Waldbad handelt und der Uferbereich nicht so einfach gestaltet ist, möchte ich auch an der Messstelle keine sichtbaren Teile haben. Dorfjugend ist oft brachial ! Die LED´s habe ich ausgetestet. Am vorgesehenen Standort im absoluten Schatten ist bei Stromaufnahme ca. ab 60 mA alles im grünen/roten Bereich. So viel Liegestütze schaff ich nicht mehr, leider, aber im Urlaub reicht es noch morgens vor Sonnenaufgang zu 1000 m im Ozean. Gruß an die Runde
Ok, Du solltest das aber auf alle Fälle galvanisch entkoppeln ( Optokoppler) und bei der Stromversorgung auf entsprechend freigegebene und geprüfte Komponenten achten. Da bist Du Sicherheitstechnisch sauber und von der Haftung her befreit. Soll ja kein Stanger Bad werden ;-)...
Grundsätzlich stimme ich dem Seemann zu , Du wirst aber dennoch irgendwelche Kompensationsmassnahmen durchführen müssen um ein sauberes und unverfälschtes Signal zu bekommen. Darin liegt die Tücke. Ich habe da sehr schlechte praktische Erfahrungen gemacht und Riesen Aufwände betrieben um einen schlechten Designansatz wieder zu kompensieren. Oder möchtest Du Deine Drehbank und Holzwerkstatt mit einem Oszillographen erweitern ? Die aktiven Komponenten an der Messstelle werden in ein Stück Schrumpfschlauch passen ;-) Ich will Dich nicht überreden.......
Günter Weber schrieb: > unsichtbar 50 cm unter der Wasseroberfläche montiert. Aber doch hoffentlich nicht feststehend? Man denke an die edlen Teile!
Kai Klaas schrieb: > Aufpassen, in Schwimmbädern ist nach einer Reihe von tragischen Unfällen > nur noch SELV erlaubt!!Beitrag melden Bearbeiten Löschen Gibt es irgendeinen Grund, so einen Sensor mit mehr als max. 12V zu betreiben? Das ist selbst für Kinderspielzeug zugelassen p.s. wie sollen Kinder da lernen, dass man Spannung und Strom mit Respekt zu begegnen hat?
Ich würde einen PT100 ans Kabel hängen (beim Wasser)und bei der Anzeigestelle einen PT100/U Wandler einsetzen (0-10V,0-20mA ab 40.-€) Mit dem MC über Spannungsteiler und ADW Temperatur errechnen. Dann zwei 7 Seg. mit LED Stripes selbstbauen (klappt sehr gut und sind sehr hell je nach LEDs). Eventuel fertige 7Seg umbauen. Die Stripes über ULN und R ansteuern (16 IOs). Brauchst auch kein MUX oder Shiftreg. Schönes und spannendes Projekt eigentlich. Gruß Lueger
Zu wann hast du die Fertigstellung des Projektes gedacht?
Ein Kabel hat immer einen Widerstand und der macht bei analogem Kram Ärger. Deswegen solltest du auf jeden Fall direkt am Sensor die Wandlung durchführen und erst das ergebnis digital (am einfachsten per langsamer UART, zb. 300 Baud) zur Anzeige schicken. Dort haust du das dann auf die 7 Segs drauf und fertig. Das ist auf jedenfall weniger Arbeit als eine aufwendige Kompensation für den Widerstand in der Leitung zu bauen und da so ein µC maximal 5 V braucht ist damit SELV auch fast automatisch eingehalten (passendes NT vorrausgesetzt).
Max D: 3/4 Leiter Schaltung bitte lernen....4-20 mA...auch ansehen...Beim See die Wandlung....nix Gscheites.. Gruß
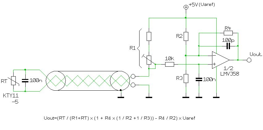
Natürlich spricht nichts dagegen, die verlegte Leitung direkt als (analoge) Sensorleitung zu missbrauchen - für einen Draht als Hin- und einen als Rückleitung liegt der Widerstand bei gerade einmal zwei Ohm. Wenn Du statt eines PT100 einen PT1000 oder einen NTC im Kiloohm-Bereich nimmst, passt das schon (Widerstandsänderung des Sensors sehr viel größer als Leitungswiderstand) - außerdem gehe ich davon aus (anhand Deiner Ausführungen), dass das Kabel nicht oberirdisch und direkt der Sonne ausgesetzt verlegt wurde (d. h. kein großartiger Temperaturunterschied); damit lässt sich der Fehler einfach durch Abgleichen eliminieren, und es reicht auch ein einfacher Zweileiteranschluss. PT-Sensoren sind analog etwas kniffeliger auszuwerten; hier gibt es eine gut dokumentierte Schaltung, wie man aus einem PT1000-Sensor eine zur Temperatur lineare Spannung "erzeugt": http://www.umnicom.de/Elektronik/Schaltungssammlung/Temperatur/Pt1000/Pt1000.html Weiterhin gibt es sehr wohl ICs, welche eine analoge Spannung einlasen und direkt Siebensegmentanzeigen treiben konnten. Ein Beispiel für so einen Baustein wäre der ICL 7107. Hier wäre z. B. ein Bauvorschlag mit einem ICL 7106 und einem KTY10 als Temperatursensor - das wäre meiner Meinung nach für Eure Anwendung auch absolut in Ordnung (der 7106 muss nur durch den 7107 ersetzt werden, da der 7106 nur für LCD-Displays ist - falls die Treiberleistung des 7107 noch nicht ausreicht, einfach ein paar Transistoren nachschalten). Oder im Datenblatt des ICs gibt es einen Bauvorschlag mit einem Transistor als Temperatursensor - muss halt kalibriert werden, ist aber schnell und unkompliziert.
Hmpf... Link vergessen: http://electronic-schematic.blogspot.de/2011/01/thermometer-50-to-150-c-wheatstone.html
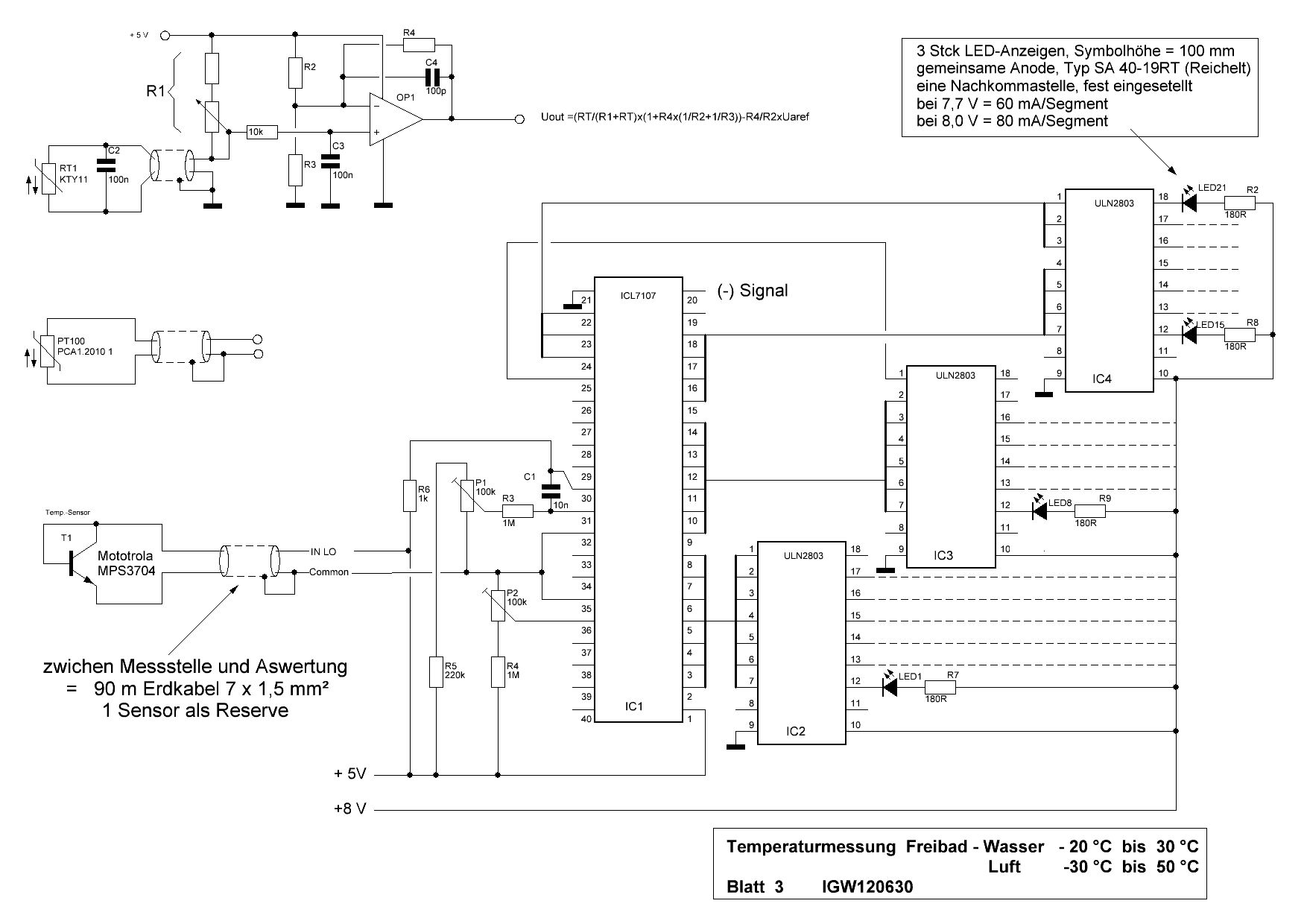
nun will ich die aufgetretenen Fragen und Empfehlungen ab meiner letzten Nachricht, gestern 26.06. 22:49 beantworten. Es stört Euch hoffentlich nicht, wenn ich es in einer Antwort zusammenfasse. Der Meßfehler durch Temperaturgang der Leitung ist gering mit 2x1,5 qmm. 10° Temperatur-Änderung des Kabels machen bei 180 m x 1,5 qmm 0,2 Grad aus, (als "4-Leiter" halbiert er sich noch) also PT100 genügt wohl. Er ist auch störsicherer in Sachen EMV und Parasitärer-Widerstände. Die PT100-Perlen werden auf einen kleinen Streifen doppelseitige Leitrplatte gelötet, an der anderen Seite die Litzen des Kabels. wichtig ist nun, dass die Sensoren mit der Leiterplatte vor dem Verguß in Einbrenntauchlack (170 °C) min. 2 x behandelt werden, denn es hat sich (wiederum im Schiffbau) herausgestellt, Feuchtigkeit und Gase diffundieren durch die Litzen und zerstören die Sensoren.Ein ähnlicher Effekt, der bei den Fußbodenheizungen zu argen Problemen geführt hatte. Das Stück Leiterplatte ist eine gute Trennung. Dann habe ich vor, das halbe Edelstahlrohr mit 2-Komponenten Epoxy zu füllen und den Abschluß mit 310 RTV-Silicone von Hylomar (bekommt man leider nicht in Deutschland, ist aber viel besser als unsere Handwerker-Siliconprodukte) herzustellen. Der obere Abschluß ist als Zugentlastung eine PG-Verschraubung aus VA. Das VA-Meßrohr wird unter Wasser direkt senkrecht an der Holzspundwand aus Eichenbohlen festgeschraubt, über Schelle, oder angeschweißtem Flacheisen mit Bohrungen. Ich glaube nicht, dass es bei einem Durchmesser von ca. 12 mm Probleme mit dem Pimmel geben dürfte, der ja auch in unseren Breiten (leider) immer gut in Stoff verpackt ist. Ich bin sehr froh über den Hinweis zur elektrischen Sicherheit, also kommt ein Trenntrafo, oder Sicherheitstrafo zur Anwendung, der die SELF-Bedingungen erfüllt, d.h. Primär- und Sekundärwicklung sind räumlich streng getrennt. Nicht ohne Grund schreiben hier ja die VDE-Vorschriften bei netzspannungsführenden Leiterbahnen einen Mindestabstand von 8mm vor. Zusätzlich werde ich VDR-Scheiben zwischen den Phasen und nach "0" und eine Blitzentladungstrecke einsetzen. Ob dann noch ein Optokopller in der Messleitung sinnvoll, oder notwendig ist, prüfe ich noch. Ich hffe, das Projekt bis Ende August abgeschlossen zu haben, Wie bereits geschrieben, die LED-Anzeigen sind schon im Haus und abgesegnet !! Eine Bitte habe ich bei weiteren Antworten: Ncht ohne Grund nannte ich mich einen Möchtegernelektroniker und deshalb sind mir beinahe alle Kürzel unbekannt. könnt Ihr das etwas ausschreiben ? Wie bringe ich die PT100 Messwerte auf die Anzeige, wegen mir auch über den Umweg eines Messwandlers mit der Ausgabe 4-20 mA, obwohl ich versuchte klar zu machen,das die Probleme des Leitungsweges beherrschbar sind. Vielen Dank für die vielen guten Vorschläge, die ich allerdings noch nicht umsetzen kann. Gruß von Günter
Hallo Patrick, habe eben Deine letzte Antwort gelesen und will gleich antworten, denn im IC-Lager fanden sich ausgeerechnet noch zwei MAXIM ICL7107CPL 8646-3. Also, die Kalibrierung ist bestimmt auch kein Problem, denn ich habe Dutzende Laborthermometer aus GDR-Fertigung bei ebay erstanden. Wenn in die Sensorhülse eine kleiner Köcher integriert wird, in den so ein Quecksilberthermometer für die Kalibrierung passt, so ist das bestimmt genau genug, oder ? Komm gerade aus einer Klinik und muss Morgen pausieren, also herrlich Zeit, um das Datenblatt des 7107 zu studieren. Ich zeichne meine Pläne mit S-plan70. Ist das bei Euch darstellbar ? Gruß Günter
Hallo Günter, hatte Dir ja gerade eben bereits ein paar Tipps gegeben, die (so hoffe ich zumindest) verständlich sind. Die Schaltung aus meinem ersten Link macht ja im Grunde das Gleiche wie das von Dir genannte Pollin-Modul; jetzt geht's nur noch um die Anzeige. Hier habe ich noch einen Schaltungsvorschlag, der ohne Mikrocontroller auskommt: http://www.circuitstoday.com/digital-thermometer-circuit Den ICL7107 gibt's z. B. beim Conrad - kostet auch nur gute fünf Euro.
>Ich bin sehr froh über den Hinweis zur elektrischen Sicherheit, also >kommt ein Trenntrafo, oder Sicherheitstrafo zur Anwendung, der die >SELF-Bedingungen erfüllt, d.h. Primär- und Sekundärwicklung sind >räumlich streng getrennt. Selv bedeutet noch mehr: 1. Die Selv-Spannungsquelle darf nur eine einzige Anwendung speisen! 2. Die Selv-Spannungsquelle und die von ihr gespeiste Anwendung darf nicht mit einem anderen Stromkreis verbunden werden! 4. Die Selv-Spannungsquelle und die von ihr gespeiste Anwendung darf nicht geerdet werden! 5. Die Selv-Spannungsquelle darf nicht in der Nähe des Wasserbeckens angeordnet sein, sondern muß einen Mindestabstand zu ihr einhalten. 6. Die Selv-Spannungsquelle darf (wenn ich mich richtig erinnere) nicht mehr als 30VDC liefern. 6. Außerdem müssen Metallteile, die von außen ein gefährlches Potential in den Naßbereich einbringen können, geerdet, also mit einem Potentialausgleich verbunden werden. Ah, ich habe den Artikel doch noch gefunden. Ab Seite 57 wird es interessant: http://www.lwg.bayern.de/landespflege/oekonomie/32542/schulze.pdf
Hallo Günter, ich denke mal, wenn Sensor und Thermometer im gleichen Wasserbehältnis auf ungefähr gleicher Höhe hängen und keine nennenswerte Strömung herrscht, ist das absolut in Ordnung fürs Kalibrieren. Am anzeigeseitigen Ende des Kabels macht sich meiner Meinung nach auch noch eine kleine Überspannungsschutzbeschaltung ganz gut - 90m sind schon ein Wort. Klar, einen direkten Blitzeinschlag wird die Anzeige nicht überleben, aber wer weiß, was man sich mit einer 90m langen Antenne so alles einfangen kann... Aus dem Bauch heraus würde ich hier einfach vier Dioden in Sperrrichtung von beiden Sensoreingängen zu jeweils V+ und GND nehmen. Du kannst aber natürlich auch gerne Überspannungsschutzdioden und/oder Varistoren verbauen :) Ich sehe gerade, dass die Flussspannung Deiner Displays höher (7,4V, maximal 10V) ist als V+ maximal sein darf. Das IC verkraftet leider nur 5V (max. 6V) an V+; man könnte jetzt zusätzliche Treiberstufen nehmen, aber nachdem das IC bereits so schöne Konstantstromsenken enthält, würde ich einfach die Anoden der Anzeigen auf z. B. +10V legen. Da passiert nix; die Flussspannung der LEDs verändert sich ja nur sehr wenig mit dem fließenden Strom (siehe Datenblatt der LED-Anzeigen). Bei 12V wird's allerdings dann so langsam wieder eng... Zur Not einfach ausprobieren; bissl rumspielen damit, da lernt man glaubeich immer noch am Meisten. Dann gibt es im Datenblatt noch eine Schaltung, mit der man die benötigten -5V selbst erzeugen kann; damit würde sich die Stromversorgung auch in Grenzen halten: Ein stabilisiertes 10V-Netzteil und ein 7805 für die +5V.
Guten Abend, Kai Klaas, der Artikel ist hochinteressant, toll ,dass Du Dir die Mühe machst, aber es lohnt sich. Bevor ich ihn durcharbeite, die Stellungnahme zu den von Dir angeführten Punkten: Zu 1 Die Spannungsversorgung wird nur für die Temperaturanzeige eingesetzt. zu 2 Es wird kein weiterer Stromkreis eingebunden. zu 4 Läßt sich einhalten zu 5 Die Spannungsvers. wird in der Bademeisterbude über der Tür montiert. zu 6 Die Sekundärspannung wird im Bereich 12 - 18 V, AC liegen. zu 6(7) Ich stehe hier vor der Wahl, das Sensorrohr aus VA zu bauen, dann wird es über die 7-adrige Leitung vorschriftsmäßig geerdet, oder ich verwende als zweite Möglichkeit PE-Rohrmaterial, wozu ich nun eher tendiere, da ich alle Verarbeitungsmöglichkeiten, einschl. Muffen- und Spiegelschweißen für Poleolefine PE und PP habe. Nochmals Dank Günter
Hallo Patrick, ich habe noch nicht ins Datenblatt für den 7107 geschaut, das kommt erst Morgen, denke aber, dass er die erforderlichen 80 mA/segment sowieso nicht liefert und ich eine Treiberschaltung werde schnitzen müssen, odeer werden die signal gemultiplext ? Daas sind je Temperaturanzeige 25 Transistoren mit Vorwiderstand und LED-Begrenzungswiderstand, also kein Problem. Leider habe ich vor einiger Zeit den Belichtungskasten und die Ätzeinrichtung bei ebay verscheuert, aber es gibt ja auch noch eine Höhensonne. Mit Netzteien und Stromversorgungen kann ich um mich werfen, also auch kein Problem. Werde mich in den nächsten Tagen an den Schaltungsentwurd machen und den dann hier zur Diskussion stellen. Gruß Günter
Günter Weber schrieb: > ich habe noch nicht ins Datenblatt für den 7107 geschaut, das kommt erst > Morgen, denke aber, dass er die erforderlichen 80 mA/segment sowieso Typisch 16mA pro Segment Günter Weber schrieb: > odeer werden die signal gemultiplext ? Kein Multiplex -> statische Anzeige Günter Weber schrieb: > Daas sind je Temperaturanzeige 25 > Transistoren mit Vorwiderstand und LED-Begrenzungswiderstand, Denk daran das die Transistoren dir das Signal invertieren in Emitterschaltung.
Vergiss Kabel, vergiss SELV, vergiss Pt100, vergiss das unsägliche Pollin Meßverstärker-Modul welcher eher die Temperatur der Schaltung als die Temperatur des Sensors misst, und besorge dir ein batteriebetriebens wasserdichtes Funkthermometer. Die Batterie hält garantiert eine Saison, untergebracht wird es im Skimmer, und als Empfänger dient zunächst mal die mitgeliegerte (35mm...) Anzeige. Es bleibt dann nur noch 1 Projekt übrig: Das empfangene Signal auf eine grosse Anzeige umzusetzen, und das kann problemlos ohne besondere Sicherheitsanforderungen erfolgen, vor allem mit Netzteil denn eine helle Anzeige benötigt viel Strom. Funkthermometer deren Empfänger über eine USB-Schnittstelle verfügen können direkt auf einem PC anzeigen, dessen Display ist problemlos 10cm hoch. Da muß man dann gar nichts bauen.
"Funkthermometer deren Empfänger über eine USB-Schnittstelle verfügen können direkt auf einem PC anzeigen, dessen Display ist problemlos 10cm hoch. Da muß man dann gar nichts bauen." -------------------- oder von USB dann per Mikro-Controller an ein Display... Immer wieder erstaunlich wie sich Leute völlig verrennen und die einfachen und konzeptionell besseren Lösungen nicht sehen ;-(. KEEP IT SIMPLE
>Immer wieder erstaunlich wie sich Leute völlig verrennen und die >einfachen und konzeptionell besseren Lösungen nicht sehen ;-(. Das Funkthermometer mußt du schon sehr gut verstecken, weil sonst jeder Depp versucht, das Teil aus dem Wasser zu zerren. Und dann ist so ein Teil nicht wikrlich wasserdicht. Nach 2...3 mal Batteriewechseln läuft es voll Wasser. Und so eine 433MHz Funktübertragung ist nun auch nicht besonders zuverlässig. Bei uns ist die Funkübertragung zur Übermittelung von industriellen Meßdaten jedenfalls komplett aus dem Programm geflogen. >KEEP IT SIMPLE Eine mit Wasser vollaufende Funk-Heulboje, bei der man dauernd die Batterien wechseln muß und die jeder Depp versucht aus dem Wasser zu zerren?? Und dann ein µC mit USB-Schnittstelle??? Ich würde aber statt des PT100 Elements vielleicht eher ein KTY-Element verwenden. Im Anhang ist eine mögliche Schaltung gezeigt. Und hier wird erklärt, wie man den Sensor auf einfache Weise linearisieren kann: http://www.sprut.de/electronic/temeratur/temp.htm#ptc
Kai Klaas schrieb: > Und so eine 433MHz Funktübertragung ist nun auch nicht > besonders zuverlässig. Man kann ja mehrfach senden. So schnell aendert sich die Wassertemperatur ja nicht. Kai Klaas schrieb: > Eine mit Wasser vollaufende Funk-Heulboje, bei der man dauernd die > Batterien wechseln muß und die jeder Depp versucht aus dem Wasser zu > zerren?? Man muss die halt als Unterwassermine tarnen. Halt diese Kugeln mit den Stacheln :=)
MaWin schrieb: > Funkthermometer deren Empfänger über eine USB-Schnittstelle verfügen > können direkt auf einem PC anzeigen, dessen Display ist problemlos 10cm > hoch. > > Da muß man dann gar nichts bauen. ... höchstens ein wetterfestes Gehäuse für den Monitor. Oder denkst du, der Badewärter ist so blind, dass er in seinem Kämmerchen eine 10cm große Anzeige braucht? :-) Wird wohl eher so sein, dass die Anzeige irgendwo im Freien ist. Der (zusätzliche) Stromverbrauch für einen ganzen PC ist etwas übertrieben, finde ich. OLD BOY schrieb: > KEEP IT SIMPLE Gute Idee, aber wo ist der Zusammenhang mit deinem Vorschlag ;-)
Ich hab so etwas schon gebaut. Das ist der Zusammenhang.
@ oldpapa Traust du dich nicht mehr das Wort "Erfahrung" zu verwenden? Ist das schon ein Unwort welches man meiden muss?
Is das en FKK-Club, versteckt im Wald???
Gruß an die Runde, ich hoffe nicht, dass sich der Meinung von MaWin und OLD BOY alle anschließen können, denn ich hatte bereits eingangs erwähnt, dass Funkbojen nicht infrage kommen, da mir zwei befreundete Elektronikfachleute unabhängig voneiander bestätigten, diese Dinger haben eine sehr endliche Lebenserwartung.Fragt mich nicht nach den Details, die müßte ich erst versuchen, herauszubekommen. Viel wichtiger ist aber, das eine Boje mindestens mit dem Teil der Antenne aus dem Wasser ragen muss und somit für die Jungmänner ein Riesenspielzeug darstellt. Also ich gebe so einem Ding unter den zu erwartenden rauen Bedingungen keine 8 Wochen Lebensdauer. Auch die Sache mit dem PC ist wohl eher unrealistisch. Die Anzeige soll an der Bademeisterbude an der gemauerten Nordwand in einem besonders stabilen Schaukasten montiert werden und von den Badegästen auch aus 10 m Entfernung noch lesbar sein. Es handelt sich um zwei getrennte Anzeigen für Luft- und Wasseertemperatur. Aber was glaubt Ihr, wie lange so ein PC, oder auch nur ein Monitor in einem Waldbad, ca. 2 km vom nächsten Ort entfernt, unbeschadet am Standort verbleibt. Ich glaube, nicht lange. Von den LED-Anzeigen sieht man nur die Rotfilterscheiben, einen stabilen Rahmen aus Edelstahl-Rechteckrohr mit aufgeklebtem Sicherheitsglas - und sonst nichts, verdeckt in der Wand verankert. nun zur Praxis: Kann mir jemand zwei Platinen für den Aufbau der ICL7107 mit Lötösen für die 7-Segmentanzeigen liefern, an die ich die Treiberschaltung anbauen kann, ich habe keine Lust alles komplett neu zu entwerfen. Im ELV-Journal 18 (whrscheinlich 89) ist so was. Dann will ich mich mal mit dem ULN 2803 als Treiber beschäftigen und Dir Kai Klaas noch antworten. So, nun guten Fußball und Gruß
>>verdeckt in der Wand verankert. ...ob man nun einen alten Flat Screen oder eine LED Anzeige verankert, ist doch wirklich wurscht. Man muss sich nur entscheiden. Ein Knackpunkt ist die Strecke zu überbrücken. Wenn man dazu ein analoges Signal nehmen will, dann ein Stromsignal, alles andere wird nichts. Wenn man ein digitales nehmen will, wäre RS232 noch denkbar, billig und einfach. Analoger Sensor mit Auswertung vor Ort wäre auch noch etwas. Vom Prinzip her bringt jedes Steckernetzteil eine galvanische Trennung, nur das ein Trenntravo extra Trennschichten eingebracht bekommen hat. Also ein kleines Steckernetzteil 5V 2A als Basis. Dann ist das ganze Gerödel abgekoppelt. Wenn du noch sicherer werde willst, kannst du auch zwei alte Halogentravos Rücken an Rücken schalten 230V -> 12V : 12V -> 230V und dann das Steckernetzteil. Das geht natürlich nicht mit Schaltnetzteilen! Wenn das Schwimmbad geschlossen ist, würde ich das Display abschalten. Uhr kann ja weiter laufen. TS http://www.linx.de/tm-rs232-thermometer-p22340.html http://www.quasarelectronics.com/3145-ds18s20-computer-serial-temperature-data-logger.htm Beitrag "KTY81-121 KTY81-122 Temperatursensor / Thermometer LED 0,5°C Auflösung Assembler ATmega8" Alles läuft immer wieder auf den DS18S20 raus...
Thorsten S. schrieb: > Wenn du noch sicherer werde willst, kannst du auch > zwei alte Halogentravos Rücken an Rücken schalten 230V -> 12V : 12V -> > 230V und dann das Steckernetzteil. Und wenn es dann noch sicher werden soll noch mal das ganze? Es braucht ein zugelassene Stromversorgung fuer sein Vorhaben und nicht diese ganzen Bastelteile.
Hmm unter Wasser in 50cm Tiefe? Wenn ich früher schwimmen war wurde es unterhalb 30cm rapide Kühler. Ich würde bei diesen Temperaturen nicht mehr schwimmen kommen :) Gibt es außerdem keine Wasserstand Schwankungen? Gruß, Jörg
Aus Gründen der Isolation und zugehörigen Vorschriften würde ich (auch) sagen: Ordentliche galvanische Trennung zwischen Meßaufnehmer und Anzeige ist Pflicht. Batteriebetrieb für den Meßaufnehmer wäre optimal, s.o. Das geht am einfachsten bzw. preiswertesten über Funk. Dann spart man sich auch viel Geld, weil die (helle) Anzeige nicht über das teure Spezialnetzteil oder Trafo versorgt sein muss. Es gilt also, eine möglichst stromsparende Erfassung der Temperatur zu suchen, mit einem dto. Funksender. Reichweite ist weniger wichtig, der soll ja nur die galvanische Trennung machen, kann 2-5 m neben dem Sender sitzen, ausserhalb des Spritzwasserbereichs bzw. eingebaut in IP65 dichte Kunststoffdose. Der batteriebetriebene Sensor kann auch in so ein Gehäuse ausserhalb des Wassers, nur die Sensorleitung und der Sensor selbst ist im Wasser. Das Sendergehäuse kann so gross gewählt werden, daß man eine Batterie (kein Akku) da reinkriegt der die ganze Saison durchhält. An sowas wie Laternenbatterie 4LR25 danke ich da, hat als Alkali 6 Volt und satte 15 Ah . Oder eben 4 einzelne Monozellen mit Batteriefach. Welche Sensorart und uC man nimmt, ist fast sekundär. Als Sensor möchte ich noch den SMT160 (SMT160-30) ins Gespräch bringen, der ist genau und bruacht nicht kalibriert werden. Und es gibt in vorkonfektioniert in einem Edelstahlröhrchen mit Kabel dran. https://www.distrelec.de/temperatur-sensor/smartec/smtrvs1801/663365 Noch der Hinweis auf Artikel Beitrag "Digitaler-Temperaturfühler Gesucht" Beitrag mit Datum: 21.03.2012 12:53 Leider wird das Projekt wohl eher nicht mehr in dieser Saison zum Einsatz kommen fürchte ich, denn in 2 Tagen (oder auch Wochen) ist es ordentlich nicht aus dem Ärmel zu schütteln. Das müsste man dann was fertiges (teuer) kaufen. Gruss
ICL7106, kann messen und Ergebnis gleich auf einem LED-Display anzeigen. Im Datenblatt von Intersil gibt es eine Applikation mit einem Transistor als Temperaturfühler. Der Baustein kostet zwischen 5 und 8€.
So, nun hab ich die Nacht mal gezeichnet und versucht, so einige Vorschläge mit aufzunehmen, wohl in der Hauptache, weil ich nicht weiß, wie´s nun wweitergeht. Rechts vom 7107 ist wohl alles ok. Der ULN2803 ist gut für die Anwendung geeignet. Ich habe hier noch 2 Stück 7107 gefunden und auch ein PT100 Simulator ist noch vorhanden. Deshalb ziehe ich natürlich dise Lösung vor, habe aber auch nichts gegen den KTY11. Wie muss ich nun den PT100 in die Schaltung einbinden ?. und, was mir nicht klar ist: Ich brauche doch bestimmt auch die (-) Spannung, also +/- 5V, da ja auch Temperaturen unter 0 angezeigt werden sollen. Ich möchte so viel wie möglich vorhandenes Platinenmaterial verwenden und dieses dann sinnvoll miteinadner verbinden, da ja die Großanzeigen eh diskret verdrahtet wwerden müssen. Danke für großzügige Hilfe an die Runde. Gruß zum Wochenende Günter
Du weist das die ULN2803 das Signal invertieren? Die 7107 sind fuer gemeinsame Anode ausgelegt. Das heist Segment einschalten = Low Level an dem Pin. Dein ULN2803 schaltet dann aber ab. Da must du noch einen Inverter (4049) dazwischen schalten. Günter Weber schrieb: > Wie muss ich nun den PT100 in die > Schaltung einbinden ?. und, was mir nicht klar ist: Ich brauche doch > bestimmt auch die (-) Spannung, also +/- 5V, da ja auch Temperaturen > unter 0 angezeigt werden sollen. Beitrag "Temperaturmessschaltung möglichst genau?" Hier findest du viele PT100 Schaltungen
Hallo Helmut, danke für den Hinweis. Wenn ich nun den ULN 2981 nehme, sollte alles in Ordnung sein und ich muss nicht invertieren. Der ULN 2003 wäre noch richtiger, da er nur 7 Ansteuerungen hat, aber der ist schienbar schwierig zu bekommen. Gruß Günter Die Schaltung stelle ich um, sobald die nächsten Einwendungen und Vorschläge eingegangen sind.
Günter Weber schrieb: > Wenn ich nun den ULN 2981 nehme, sollte alles in Ordnung sein und ich > muss nicht invertieren. Wenn du Anzeigen mit gemeinsamer Kathode hast. > Der ULN 2003 wäre noch richtiger, da er nur 7 > Ansteuerungen hat, aber der ist schienbar schwierig zu bekommen. Die meisten brauchen den ULN2803. Deshalb ist er besser zu bekommen. Der ULN2003 dreht aber ebenfalls.
und noch ein ATMEGA für 1,80 €. Der Code wurde auch veröffentlicht ;-) Bascom, versteht auch der geneigte Möchtegernelektroniker..... Hilf ebekommst Du sicher auch, wenn Du nett bist.
Du nimmst also solche Anzeigen, einen Microcontroller, etwas Lötzin, ein paar Drähte und als Temperaturfühler hast Du die freie Auswahl. mit rs422 geht das über 2 Drähte kilometerweit...und das können auch dann die Badegäste betrachten...
Hallo an die Runde. ich möchte nicht unhöflich erscheinen, aber am Wochenende war ich mit der finalen Ausführung der Schwimmbad-Temperaturanzeige beschäftigt. Nun ist die Ausführung mit zwei Digi-Instrumenten gewählt, die ich noch auf Lager hatte. Die Messwandler- und die Digi-Platine werden in eine Laborplatine integriert, auf der sich folgerichtig die 6 Stück ULN2804 als Inverter und Treiber befinden. Den größten Aufwand habe ich wahrscheinlich mit dem vadalensicheren Anzeigegehäuse. Wenn alles fertig ist, stelle ich ein paar Fotos hier ein. Herzlichen Dank für die vielfältige Hilfe, die trotz kontroverser Einstellungen zur Planerfüllung beigetragen hat. Gruß Günter
Hey, lass den Messwandler von Pollin aus dem SPiel, der hat miserable Kritiken. Das solltest du wirklich ernst nehmen. Da kannst du lieber die Anzeigenseite mit Schieberegistern verlängern :_) TS
Hallo TS, wie soll ich das ernst nehmwn, wenn Du mir keine Details lieferst. Glücklicherweise geht es in der Technik immer noch um Fakten. Falls es um das einfache Stabi geht, dass wird ja schon ausgetauscht gegen eine sehr hochwertige Type. Gruß Günter
Günter Weber schrieb: > ich habe keine Lust Mit solchen Aussagen solltest du dich in einem Hobby und Bastlerforum zurückhalten. Es kommt sonst allzuschnell Gegenwind in Form von "Wieso glaubst du, wir hätten Lust, dir zu helfen?" auf. Genug dazu, jetzt zum technischen: Ein, in einem stabilen Rahmen untergebrachter, sagen wir mal 24" Monitor erkennt man durchaus auch an einem hellen Tag von weiter weg. Außerdem könntest du die Temperaturen abwechselnd über den ganzen Bildschirm groß darstellen. Als PC tuts dafür doch schon so ein ITX Rechner. Der besteht nur aus einer Platine (etwa 20x20cm) und hat alles nötige schon dabei. Die Temperatur musst du natürlich trotzdem irgendwie erfassen. Ein µC mit serieller Schnittstelle ist da wohl optimal. Mit der Sensorik kenne ich mich allerdings nicht aus. Der Rechner und der Monitor dienen dabei nur der Anzeige der Daten. Eventuell kannst du den Rechner noch zum mitloggen der Daten verwenden und direkt eine Website füttern, die den Temperaturverlauf und die aktuellen Wetterdaten vor Ort ins Internet stellt. So könnte man von zu Hause schon prüfen, wie warm es im Schwimmbad ist.
Hey Günter, das stimmt, ich bin kein Analogtechniker :-) Wollte nur darauf hinweisen dass die Analogtechniker immer davon abraten. Beitrag "Re: Möchtegernelektrniker baut LED-Temperaturanzeige für Schwimmbad" User: MaWin Er gibt dir sicher mehr Infos zu den Problemen. Beitrag "pt100, pt500, pt1000 Vorplatine gesucht" Beitrag "Re: Bewertung pt100 Schaltung" Beitrag "Re: Mehrere Pt100 am PIC anschließen" Gruß, TS
Günter Weber schrieb: > wie soll ich das ernst nehmwn, wenn Du mir keine Details lieferst. > Glücklicherweise geht es in der Technik immer noch um Fakten. Falls es > um das einfache Stabi geht, dass wird ja schon ausgetauscht gegen eine > sehr hochwertige Type. Wenn da schon ein Stromquelle fuer den PT100 drin ist die mit einem LM317 realisiert ist die riesigen Einstellbereiche fuer die Potis dann weiss ich was mit der Schaltung los ist. Konstantstromquellen fuer PT100 baut man anders mit OP und Referenzquelle. Der LM317 ist nichts fuer so kleine Stroeme. Auch macht man die Einstellbereich fuer Potis nicht so riesig gross. Die Schaltung driftet dir mit der Zeit weg.
Es wäre einfacher und auch kostenlos, wenn der Bademeister stündlich die Wassertemperatur händisch mißt und dann mit Kreide auf eine Tafel schreibt. Das ist genau genug. Man muß nicht alles mit Elektronik machen. Wenn in dem Badesee einer ertrinkt und man die Todesursache nicht feststellen kann, wird man bestimmt Deine Bastelei verdächtigen, nur damit irgendeine Versicherung zahlt.
Komisch, ist die Problematik der Isolation und Vorschriften jetzt obsolet ? ======= Winfried J. schrieb: > Autor: > > Winfried J. > (Firma: Nisch-Aufzüge) > (winne) > > Datum: 26.06.2012 19:45 > > Und die Stromversorgung der Bastelarie aus der Steckdose? > da würde ich > doch glattmal den Versicherungsvertreter äh Anwalt konsultieren. > Oder einfach einen Fachmann des wird billiger. > Namaste
Nur zur Beruhigung, die Anlage wird von einem Fachmann abgenommen. In der Tat wird aktuell die Temperatur von Wasser und Luft vom Bademeister mit Kreide auf eine Tafel geschrieben. Aber ganz im ernst, mit Sicherheit hat jeder von Euch schon mal ein Projekt realisiert, das mit Sicherheit keinen Fortschritt für die Menschheit darstellt. Ich frage mich das nach jeder Vollendung einer Arbeit: "War das jetzt nötig, bestimmt nicht, aber es hat Spaß gemacht !! Und es gibt halt Menschen, denen es nicht reicht, die Freizeit vor der Glotze, dem Stammtisch, odeer in der Butze zu verbringen. Ich gehöre dazu. Gruß Günter
Zwischen 20°C und 21°C ändert sich der PT100-Widerstand um 0,36%. Wenn du also auf 1°C genau messen können willst, darf die gesamte Schaltung keine Drift erzeugen, die größer als 0,36% ist. 0,36% sind 3600ppm. Wenn sich die Umgebungstemperatur der Schaltung um 20°C ändert, dürfen alle Bauteile zusammen ein Drift von nicht mehr als 3600ppm/20°C = 180ppm/°C aufweisen. In der Pollin-Schaltung sieht man 7 Widerstände mit 50ppm/°C und zwei Cermet-Trimmer mit jeweils 100ppm/°C, macht grob über den Daumen 550ppm/°C, im worst case. Dabei ist der erhebliche Temperaturgang des LM317 noch garnicht berücksichtigt. Auch die "Rütteldrift" der Trimmer ist dabei noch nicht berücksichtigt. Und, ganz schlimm, die 5V eines 7805 wird hier als Referenzspannung für die Skalierung des Meßbereichs genutzt. Ein 7805 zeigt aber noch mehr Drift als ein LM317. Außerdem gaukelt die Schaltung eine Dreileitertechnik vor, die so garnicht umgesetzt werden kann. Fazit: Die Schaltung mag bei sehr kurzen Leitungen zum PT100-Element und einer Aufstellung in einem Raum mit konstanter Umgebungstemperatur gerade eben so funktionieren, wenn man keine hohen Anforderungen an die Genauigkeit stellt. Bei sich ändernder Umgebungstemperatur wird sie aber mit an Sicherheit grenzender Wahrscheinlichkeit nur "Hausnummern" liefern. Also: Finger weg von diesem Pollin-Teil, wenn du dich bei deinen Kumpels nicht lächerlich machen willst.
Hol dir nen AD7715. Den schließt du über SPI am µC an. Am µC hängen dann noch über einen Transistor je Segment verstärkt die LED-Anzeigen. Kauf dir einen PT100 im Edelstahlgehäuse (mit 5m angeschweißtem 4adrigem Kabel). Wenn du statt der 7x1,5mm² Cat5-Kabel genommen hättest, wärst du was Schirmung angeht, jetzt im Vorteil, aber auch mit deinre Leitung kannst du den PT100 in Vierleitertechnik problemlos über 90m anschließen. Ich hab mal gesehen, wie das über 800m gemacht wurde. Verwendet wurde ein 4..20mA Stromgeber und das ganze läuft seit vielen Jahren am Stück. Lies mal das Datenblatt zum AD7715, da steht auch was zur Vierleitertechnik: http://www.analog.com/static/imported-files/data_sheets/AD7715.pdf
Guten Tag Kai, Deine Argumente leuchten mir ein und TS, sowie Helmut Lenzen haben auch schon vor dem Einsatz der Pollin-Schaltung gewarnt. Du hattest ja eine Schaltung mit dem KTY vorgeschlagen. Kannst Du mir auch einen Tipp mit PT100 geben ? Sonst beschäaftige ich mich mit der KTY-Schaltung noch mal. Danke und Gruß Günter
Hallo Sven H. ich habe versucht, meinen ganzen Sermon nach dem Ausspruch "Ich habe keine Lust..." durchzuforsten, nirgendwo gefunden. Wo soll ich das denn geschrieben haben. Wenn es doch irgendwo steht, entschuldige ich mich, ich bin hier ein viel zu kleines Licht um zu motzen, außerdem ertmalig in diesem Umfang in einem Forum involviert. Hab nicht gedacht, dass das so viel Spaß macht. Gruß Günter
>Wenn es doch irgendwo steht, entschuldige ich mich, ich bin hier ein >viel zu kleines Licht um zu motzen, außerdem ertmalig in diesem Umfang >in einem Forum involviert. Du bist genauso viel Wert, wie jeder andere hier. >Kannst Du mir auch einen Tipp mit PT100 geben ? Willst du den Einsatz ein Mikrocontrollers unbedingt vermeiden?
Ja, möchte ich unbedingt, wenn meine seelische Verfassung (entschuldige), besser wäre, ging vielleicht noch was. Gruß Günter PS: WSas ist damit ? http://www.hobbycnc.hu/PT100/PT100.htm
>Ja, möchte ich unbedingt, wenn meine seelische Verfassung >(entschuldige), besser wäre, ging vielleicht noch was. Haha. Der war gut! >PS: WSas ist damit ? >http://www.hobbycnc.hu/PT100/PT100.htm Oh je, oh je, das wird ja immer rustikaler! Das war jetzt ein Anschlag auf meine "seelische Verfassung"... Schreib doch mal, was du genau für einen Anzeigebreich brauchst. Das ist ja wohl nicht -50°C...+120°C, oder? Und warum muß es unbedingt ein PT100 sein?
Es scheint recht günstige (10-20 Euro) 12V Netzteile zu geben, die einen SELV Aufdruck haben. Ich würde mir nicht den Stress machen da selbst etwas konformes zu designen.
Hallo Kai, da wir uns ja wweitgehnd anonym begegnen, wäre es ja verlockend, dass Forum als seel. Mülleimer zu verwenden, aber keine angst, noch habe ich etwas Anstand. Wie ich Dir schon schrieb, finde ich die KTY-Variante sehr überlegenswert und habe auch nichts dagegen. Nur....die Probleme beginnen bei mir mit der Bemessung der Bauteile und der Entwicklung der Gesamtschaltung, die so einen Messwandler ausmacht. Gerne würde ich die Schaltung ab den DIGI-Instrumenten beibehalten, weil sie mein Freund schon einmal so realisiert hat und ich die erforderlichen Bauteile im Hause habe. Und ob mein schöner PT100 Simulator überhaupt noch richtig justiert ist, weiß der Himmel, denn er lag 25 Jahre in einem hinteren Laborschubfach. Der reale Messbereich stellt sich so dar: Wasser: -20 bis +30 °C Luft : -30 bis +50 °C. Allerdings wäre es doch bestimmt kein Problem, wenn beide Geräte gleich, also z.B. - 30 bis + 50 °C eingestellt sind und ehrlich gesagt, eine hohe Anzeigegüte interessiert doch überhaupt nicht. Unser Häuptling ist lediglich ganz wild darauf, möglichst bald so eine schöne leuchtende Anzeige vorweisen zu können.(*) Vielleicht erhöht es ja die Einnahmen, die zur Erhaltng der Anlage bitter gebraucht werden. Die vorher zuständige Kommune hat ja alles aufgegeben. (*) Ich aber habe schon den Ehrgeiz, dass eine nachvollziehbare Genauigkeit dabei herauskommt. Gruß Günter
Ich persönlich bewundere deinen Einsatz. Ich bin leider nicht so verbissen. Bervorzuge zu schnell den direkten Weg...der geht nunmal über fertige Termperaturanzeigen... amazon & co... oder ganz konkret http://www.praeniteo.de/led-uhren-und-temperaturanzeigen/led-temperaturanzeige/ ob das Zeug Wasser ab kann weiß ich nicht...
@Felix Hallo! Hast Du in der Schule schon Datum lesen gelernt?
Er hat wohl nur 4.7. gesehen und meinte, er wäre mit seiner Antwort am 3.7. besonders schnell :)
Bitte melde dich an um einen Beitrag zu schreiben. Anmeldung ist kostenlos und dauert nur eine Minute.
Bestehender Account
Schon ein Account bei Google/GoogleMail? Keine Anmeldung erforderlich!
Mit Google-Account einloggen
Mit Google-Account einloggen
Noch kein Account? Hier anmelden.


