Hallo Leute, ich möchte den Nulldurchgang (230V AC) mittels des AC Optokopplers PC814 erkennen. Dazu habe ich die angehänge Schaltung aufgebaut, die funktioniert soweit auch ganz gut (siehe angehängtes Oszi-Bild). [Signal mit der größeren Amplitude = Netzsinus 240V @ 50Hz; kleineres Signal = Ausgang des PC814, im Schaltplan mit OSZ1 gekennzeichnet]. Nur eine Sache stört mich, der Nulldurchgang tritt ja erst auf wenn ich den Scheitelpunkt der Ausgangsspannung des PC814 erreicht habe. Ergo. müsste ich immer eine konstante Verzugszeit mit einrechnen um den wahren Nulldurchgang zu detektieren. Ist die Idee richtig? Oder aber ich Bastel noch einen Transistor dahinter, der erst ab einer gewissen Schwelle schaltet, wie in (http://projetoseti.com.br/hardware/eletronica/detector-de-passagem-por-zero-versao-2/)? Oder ich hoffe darauf das bei anschluss an den Mikrocontroller (Attiny2313, externer Interrupt) die High-Pegel-Schwelle ungefähr auf höhe des Nulldurchganges liegt? Sind meine Gedankengänge richtig, oder habe ich da einen Denkfehler?
Hätte gerne sowas wie in dem angehängten Bild, nur einen kurzen Peak wenn es zum Nulldurchgang gekommen ist. Ein Schmitt-Trigger am Ausgang des PC814 wäre ja auch noch eine möglichkeit.
Also eine ungenauere (und damit unbrauchbare) Schaltung geht ja fast nicht. Selbst bei +-200V noch ein gutes Ausgangssignal. Viel besser als deine, aber immer noch schlecht ist diese: http://www.dextrel.net/diyzerocrosser.htm die hier manchmal als Standartschaltung bezeichnet wird. Auch die liefert nicht genau den Nulldurchgang, sondern einen recht breiten 1ms-Puls, der dann im µC entsprechend verrechnet werden muss.
VFD schrieb: > Hätte gerne sowas wie in dem angehängten Bild, nur einen kurzen Peak > wenn es zum Nulldurchgang gekommen ist. Ein Schmitt-Trigger am Ausgang > des PC814 wäre ja auch noch eine möglichkeit. Nein, das taugt nichts. Den PC814 im Analogbereich betreiben ist viel zu ungenau und instabil (Exemplarstreuung, Temperaturabhängigkeit, ...). Schau mal hier: Beitrag "Nullpunkterkennung: Halbe Welle oder beiden Hälften detektieren?" Gruß Dietrich
Danke für die schnellen Antworten. Den Link (http://www.dextrel.net/diyzerocrosser.htm) kannte ich soweit schon, war mir aber zu aufwendig nachzubauen, ich möchte halt sehr wenige Bauteile benutzen. Ich werde es jetzt mal mit einem dahintergeschalteten Schmitt-Trigger versuchen, damit sollte ich ja recht gut den Schwellwert einstellen können. Wenn ich es getestet habe, melde ich mich nochmal.
@ VFD (Gast) >Den Link (http://www.dextrel.net/diyzerocrosser.htm) kannte ich soweit >schon, war mir aber zu aufwendig nachzubauen, ich möchte halt sehr >wenige Bauteile benutzen. Wenn dir das zu aufwändig ist, kannst du es vergessen. Leute gibts. > Ich werde es jetzt mal mit einem >dahintergeschalteten Schmitt-Trigger versuchen, Tu das, auch wenn das Ergebnis bekannt ist. Du bist nicht der Erste, der einen guten Nulldurchgangsdetektor will. Aber von nichts kommt nichts. http://www.mikrocontroller.net/articles/230V#Links
> Den Link (http://www.dextrel.net/diyzerocrosser.htm) kannte ich soweit > schon, war mir aber zu aufwendig nachzubauen, ich möchte halt sehr > wenige Bauteile benutzen. Ich werde es jetzt mal mit einem > dahintergeschalteten Schmitt-Trigger versuchen Wenn du einen Schmitt-Trigger dahinter schaltest ist der Aufwand auch kaum geringer, aber du wirst so nie mit brauchbarer Genauigkeit den Nulldurchgang bekommen. Du musst genau den Maximalwert des OK-Ausgangssignals ermitteln und zwar unabhängig von der schwankenden Amplitude. Das könnte man mit einem Differentiator machen. Aber das wäre wohl noch mehr Aufwand.
Das ich denn Nulldruchgang nie 100%ig erwischen werde ich mir klar. Es würde mir zumindest helfen wenn die abweichungen bei +-2ms wären. Am besten wäre natürlich wenn die Abweichung deterministisch wäre dann könnte ich diese im µC mit einfließen lassen.
VFD schrieb: > Ich werde es jetzt mal mit einem > dahintergeschalteten Schmitt-Trigger versuchen, Ich fasse es nochmal kurz zusammen: DAS IST MURKS! Neben "Exemplarstreuung, Temperaturabhängigkeit" hatte ich noch einen wichtigen Parameter vergessen: Schwankungen der Netzspannung! Gruß Dietrich
Falk Brunner schrieb: > Wenn dir das zu aufwändig ist, kannst du es vergessen. > Leute gibts. +1 Schade um die Zeit hier noch zu schreiben
> Wenn dir das zu aufwändig ist, kannst du es vergessen. > Leute gibts. Naja, würde ich nicht sagen. Ich hab da eine Schaltung die einfacher und viel präziser ist (20µs-Pulse im Nulldurchgang).
ArnoR schrieb: > Viel besser als deine, aber immer noch schlecht ist diese: > > http://www.dextrel.net/diyzerocrosser.htm > > die hier manchmal als Standartschaltung bezeichnet wird. ArnoR schrieb: > Ich hab da eine Schaltung die einfacher und > viel präziser ist (20µs-Pulse im Nulldurchgang). Da bin ich jetzt aber gespannt. Würde es Dir was ausmachen uns Deine einfache und präzise Schaltung zu präsentieren?
> Da bin ich jetzt aber gespannt. Würde es Dir was ausmachen uns Deine > einfache und präzise Schaltung zu präsentieren? Ja, macht es, ich tu es trotzdem. Siehe Anhang. Die rote LED steht für die IR-LED im OK.
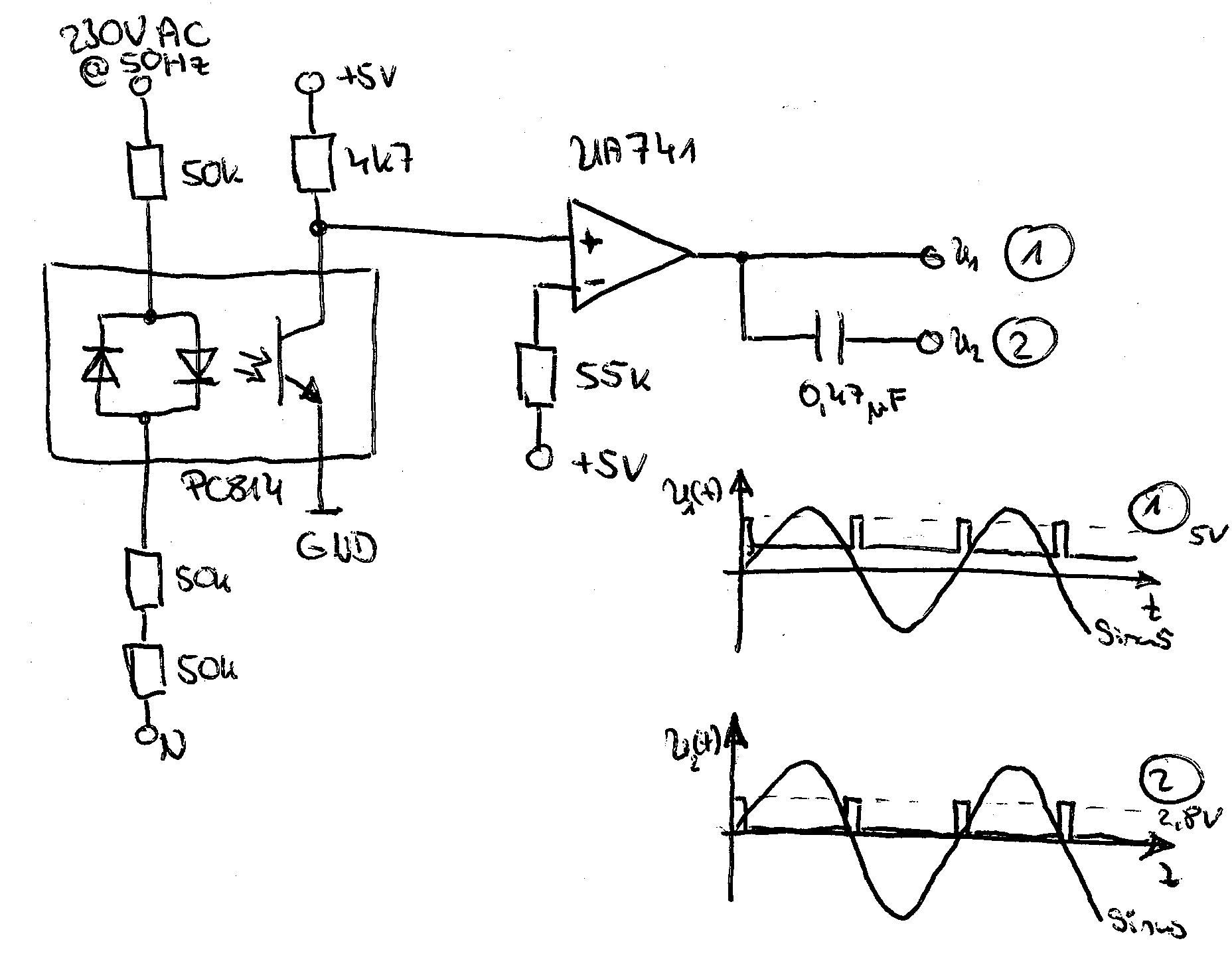
Hab das ganze jetzt mal mit einem OPV dahinter aufgebaut. Da Schmitttrigger Schaltung nicht richtig laufen will, habe ich jetzt erstmal etwas per trial-and-error zusammengebaut. Anbei das Oszi-Bild. Relativ schmale Peaks überhalb der Nulldurchgänge. Was mich nur stört, das der einseitig versorgte ua741cn, das signal nicht so richtig auf masse ziehen will.
@ VFD (Gast) > IMG_3529.JPG > 1,4 MB, 17 Downloads Zuviel fpr sowenig Bildinhalt, siehe Bildformate. >Hab das ganze jetzt mal mit einem OPV dahinter aufgebaut. Da >Schmitttrigger Schaltung nicht richtig laufen will, ;-) > habe ich jetzt >erstmal etwas per trial-and-error zusammengebaut. Mehr Error als Trail. >Anbei das Oszi-Bild. >Relativ schmale Peaks überhalb der Nulldurchgänge. Was mich nur stört, >das der einseitig versorgte ua741cn, das signal nicht so richtig auf >masse ziehen will. Wie auch, er braucht ~2V mehr, als er ausgeben kann, nach V+ und V-. Horalte Bauteile in schrottigen Schaltungen. Jugend pfuscht.
> Hab das ganze jetzt mal mit einem OPV dahinter aufgebaut.
Welche Schaltung auch immer.
Dazu war in den 1.4MB wohl kein Platz mehr.
"Oder ich hoffe darauf das bei anschluss an den Mikrocontroller (Attiny2313, externer Interrupt) die High-Pegel-Schwelle ungefähr auf höhe des Nulldurchganges liegt?" Der ganze Zauber mit Schmitt-Trigger und OPV ist Unsinn, denn der AVR hat schon Schmitt-Trigger an den IOs! Also einfach den Optokoppler mit Pull Up direkt an den AVR. Ändert aber nichts an der schlechten Eingangsbeschaltung. Aber wer nicht hören will muss selber auf die Nase fallen.
> Anbei die Schaltung. Du hattest bisher aber noch nie verstanden, was ein OpAmp ist und wie er verschatet wird ? Du kannst von Glück reden, daß dein 741 eine passende Offsetabweichung hatte und scheinbar mit deutlich mehr als 5V versorgt wurde. > denn der AVR hat schon Schmitt-Trigger an den IOs! So isses. Etwas hochohmigerer pull up und alles wäre in Ordnung, aber das wurde schon vorgeschlagen und VFD will partout nicht hören, also lasst ihn spielen.
Dann werde ich wohl mal ausführen müssen warum ich die OP-Schaltung dahinter gebastelt habe. MaWin schrieb: > So isses. Etwas hochohmigerer pull up und alles wäre in Ordnung, aber > das wurde schon vorgeschlagen und VFD will partout nicht hören, also > lasst ihn spielen. Der Attiny erkennt einen High-Pegel ab ca. 3V. Den Ausgang des PC814 mittels eines Pull-Ups hochzuziehen ergibt keine steile Flanke (siehe Oszi-Bilder oben), so wie es wohl einige Leute vermuten. Deswegen der Komperator, dieser Schaltet erst bei einer Schwelle von 5V durch. Die Signalflanke ist somit viel steiler, und exakter über dem Nulldurchgang! Irgendwelche Gegenargumente?
>Den Ausgang des PC814 mittels eines Pull-Ups hochzuziehen ergibt keine >steile Flanke (siehe Oszi-Bilder oben), so wie es wohl einige Leute >vermuten. Das liegt, wie schon gesagt, an Deiner unsinnigen Ansteuerung des Optokopplers. Du fährst ja den Primarstrom auch sinusförmig, also langsam hoch und wieder runter. Wie soll da eine digitaltaugliche Flanke entstehen? DIe Ansteuerung der LED im Opto muss so sein, das diese nur kurz mit genügend Strom angesteuert wird. >Die Signalflanke ist somit viel steiler, und exakter über dem >Nulldurchgang! Warum machst Du diese steilere Ansteuerung nicht auf der Primärseite? Übrigens braucht deine Schaltung ca. 350mW gegenüber ca. <100mW von meinem VOrschlag... Edit: Wenns Dir um Platz geht: ich kann heute abend gern mal das Layout posten.
> Den Ausgang des PC814 mittels eines Pull-Ups hochzuziehen ergibt > keine steile Flanke Mittels DEINES PullUps, der OptoKoppler bringt nicht die benötigte CTR, etwas hochohmiger geht es dann schon.
Also Leute, jetzt habe ich die Schaltung nach http://www.dextrel.net/diyzerocrosser.htm aufgebaut. Aber zufrieden bin ich damit nicht. Jetzt habe ich am Ausgang des Optokopplers zwar saubere Rechtecke nur treten die Flanken nicht direkt über den Nulldurchgängen auf sondern halt 1ms davor. Klar kann man das im µC rausrechnen, aber einen Vorteil zu meiner Schaltung kann ich noch nicht erkennen. Exemplarstreuung, Temperaturabhängigkeit, ... werde ich bei der Schaltung auch haben.
@ VFD (Gast) >ich damit nicht. Jetzt habe ich am Ausgang des Optokopplers zwar saubere >Rechtecke Ist das nichts? > nur treten die Flanken nicht direkt über den Nulldurchgängen >auf sondern halt 1ms davor. Ja, aber die sind KONSTANT! >Klar kann man das im µC rausrechnen, aber einen Vorteil zu meiner >Schaltung kann ich noch nicht erkennen. Exemplarstreuung, >Temperaturabhängigkeit, ... werde ich bei der Schaltung auch haben. Aber DEUTLICH weniger. Wer nicht will, der hat schon!
Falk Brunner schrieb: > @ VFD (Gast) > >>ich damit nicht. Jetzt habe ich am Ausgang des Optokopplers zwar saubere >>Rechtecke > > Ist das nichts? Doch da hast du recht, das ist im vergleich zu meiner Schaltung deutlich schöner. > >> nur treten die Flanken nicht direkt über den Nulldurchgängen >>auf sondern halt 1ms davor. > > Ja, aber die sind KONSTANT! Sind die wirklich immer Konstant, was ist wenn sich aufrund von Temperaturschwankungen die Diffusionsspannung ändert, dann schaltet der Transistor auch bei einem anderen Schwellwert durch. Somit sind die 1ms nicht in Stein gemeiselt.
> Jetzt habe ich am Ausgang des Optokopplers zwar saubere > Rechtecke nur treten die Flanken nicht direkt über den Nulldurchgängen > auf sondern halt 1ms davor. Das hatte ich ja oben schon gesagt, die Schaltung ist nicht gut. Falk Brunner schrieb: > Ist das nichts? > Ja, aber die sind KONSTANT! Die 1ms ist natürlich nicht KONSTANT. Aber ja, lass dir mal vom Falk so eine Schrottschaltung schönreden. Warum probierst du nicht meine? Die von der geliefert 20µs-Pulse sind kürzer als die Unsicherheit in der Pulsbreite der Dextrel-Schaltung und spielen bei 10ms Periodendauer kaum eine Rolle, dazu ist noch der Aufwand geringer.
ArnoR--> Hab mir Deine Schaltung mal durchgefieselt. Ist ja auch nicht gerade "Ohne".... Deine Schaltung finde ich, was die Pulsbreite angeht, besser. Die vom "Dextrel" scheint mir Burst /Surge-mäßig aber robuster. Der baut halt mit 2 x 220k und dem Kondensator auch ein wirksames Filter auf. Wie schaut es bei Deiner Schaltung aus? Hast Du Erfahrungswerte mit CE-Zulassung? Burst? Surge? Vielen Dank trotzdem an Dich, ich finde Deine Schaltung echt trickreich...
>Vielen Dank trotzdem an Dich, ich finde Deine Schaltung echt >trickreich... Und sehr empfindlich. Ich habe mal etwas rumsimuliert. Exakt so funktionierts. Sobald man die Ts aber in BC807 und BC817 (meine Vorzugstypen) ändert, gibt es nur noch bei der positiven Flanke des AC-Signals einen Impuls. Ich vermute, das Problem liegt an der Unsymmetrie. Einmal wird der Impuls durch den BC547B in der Mitter "eingeleitet" und bei der anderen Halbwelle durch die Darlingtonschaltung der unteren Bbeiden Transistoren. Somit ist die Stromverstärkung unsymmetrisch.
> Sobald man die Ts aber in BC807 und BC817 (meine Vorzugstypen) ändert, > gibt es nur noch bei der positiven Flanke des AC-Signals einen Impuls. > > Ich vermute, das Problem liegt an der Unsymmetrie. Einmal wird der > Impuls durch den BC547B in der Mitter "eingeleitet" und bei der anderen > Halbwelle durch die Darlingtonschaltung der unteren Bbeiden > Transistoren. Somit ist die Stromverstärkung unsymmetrisch. Die Schaltung verwendet in der positiven Halbwelle einen normalen npn-Transistor, der bei positiver Basisspannung und positiver Kollektorspannung leitet, und in der negativen Halbwelle eine Konstruktion, die bei negativer Eingangsspannung und positiver Kollektorspannung leitet, das ist KEINE Darlington-Schaltung. Da es sowas nicht als Bauelement gibt, hab ich das aus einer Basisschaltung (der Transistor leitet bei negativer Emitterspannung) und dem pnp-Transistor nachgebildet. Das Problem ist der pnp-Transistor, der nach Durchschalten nicht wieder schnell sperren kann, weil seine Basisladung nicht ausgeräumt wird. Daher muss man dort einen schnellen pnp-Schalttransistor oder einen HF-Transistor verwenden. Die Stromverstärkung ist im Übrigen nicht sehr unsymmetrisch, weil die Basisschaltung etwa =1 verstärkt und der pnp-Transistor mit seiner normalen Stromverstärkung arbeitet, genau wie der npn.
> Hast Du Erfahrungswerte mit CE-Zulassung? Burst? Surge? > Vielen Dank trotzdem an Dich, ich finde Deine Schaltung echt > trickreich... Danke. Nein, derartige Erfahrungswerte hab ich nicht. Die Schaltung ist in etlichen Geräten seit genau 32 Jahren im Einsatz. Ausfälle hatte ich nie. Die Reserven bezüglich max. Basis-/Emitterstrom sind doch üppig. Wenn man die Vorwiderstände zum Filterbau verwendet, verliert man aber u.U. die schnelle Reaktion auf den Nulldurchgang.
@ VFD (Gast) >> Ja, aber die sind KONSTANT! >Sind die wirklich immer Konstant, Konstant genug. > was ist wenn sich aufrund von >Temperaturschwankungen die Diffusionsspannung ändert, dann schaltet der >Transistor auch bei einem anderen Schwellwert durch. Bist du Beamter? Schon mal über die Größenordnung nachgedacht? Die BE-Spannung am Transistor ändert sich mit ca. -2mV/K, macht bei 50 K delta T ~ 100mV. Wie stark sich dadurch die Schaltschwelle verschieb weiß ich jetzt nicht, ich behaupte mal weniger als 10%, denn der Detektor schaltet bei ca. 40V. >Somit sind die 1ms nicht in Stein gemeiselt. Wie konstant ist für dich denn ausreichend? 10%? 1%?
ich hatte die Schaltung wie im ersten Beitrag mit einen LTV814 aufgebaut aber den Strom durch die Dioden nur mit 2 x 50 kOhm in Reihe begrenzt.
Falk Brunner schrieb: >>Somit sind die 1ms nicht in Stein gemeiselt. > > Wie konstant ist für dich denn ausreichend? 10%? 1%? Interessieren die 1ms überhaupt? Interessant ist doch, daß der Nulldurchgang in der Mitte des Signals am OK stattfindet. Ob das nun 1ms oder 3ms sind ist doch schnuppe solange sich das nicht sprunghaft verändert. Der µC rechnet das raus und fertig. Bei ArnoRs Schaltung dagegen ist das Signal am OK dagegen nicht symmetrisch um den Nullpunkt. Hier spielen die Toleranzen also sehr wohl ein Rolle. Das halte ich neben der höheren Empfindlichkeit gegen Überspannungen für einen Nachteil von ArnoRs Schaltung. Die schnellere Reaktion dagegen ist relevant wenn ich keinen µC habe.
> Bei ArnoRs Schaltung dagegen ist das Signal am OK dagegen nicht > symmetrisch um den Nullpunkt. Hier spielen die Toleranzen also sehr wohl > ein Rolle. Das halte ich neben der höheren Empfindlichkeit gegen > Überspannungen für einen Nachteil von ArnoRs Schaltung. Die schnellere > Reaktion dagegen ist relevant wenn ich keinen µC habe. Naja, die gesamte Pulsbreite bei meiner Schaltung ist geringer als die Unsicherheit der steigenden Flanke bei den anderen Schaltungen. Und wo siehst du eine Empfindlichkeit gegen Überspannungen? Die Schaltung hält etwa die 20-fache Eingangsspannung ohne Überschreitung der Datenblattwerte aus.
@ Gerd E. (robberknight) >> Wie konstant ist für dich denn ausreichend? 10%? 1%? >Interessieren die 1ms überhaupt? Interessant ist doch, daß der >Nulldurchgang in der Mitte des Signals am OK stattfindet. Ob das nun 1ms >oder 3ms sind ist doch schnuppe solange sich das nicht sprunghaft >verändert. Der µC rechnet das raus und fertig. Wenn es halbwegs über Eingangsspannung und Temperatur konstant ist. GGf. kann man die 1ms noch auf 100us drücken, indem man die Schaltschwelle runter setzt. Muss man mal nachdenken. Die hier scheint auch recht gut zu sein, wenn gleich sie etwas hochohmig ist. Beitrag "Re: Nulldurchgangserkennung" >Bei ArnoRs Schaltung dagegen ist das Signal am OK dagegen nicht >symmetrisch um den Nullpunkt. Das ist unwesentlich, denn man wird sich nur auf eine Flanke synchronisieren. >Hier spielen die Toleranzen also sehr wohl >ein Rolle. Wie? Ich sehe in der Schaltung, dass die BE-Spannung als Schaltschwelle 2x genutzt genutzt wird, sagenhafte 0,7V. Selbst wenn die um 200mV schwankt, so what. > Das halte ich neben der höheren Empfindlichkeit gegen >Überspannungen naja, auch bei Arno liegen 680k bzw. 510k in Reihe zu L, die halten schon einiges ab, müssen halt nur spannungsfest genug sein. Ich hätte ein bisschen Angst bei den 5u Kondensator, denn dort gibt es keine Spannungsbegrenzung. Aber das wird indirekt durch die periodischen Pulse begrenzt. Mehr Spannung, mehr Entladung. Hmm, jetzt wo ich nochmal drüber nachdenke, gefällt mir die ArnoR Schaltung immer besser. Clever ;-) Aber vor 30 Jahren wären 4 Transistoren eher teuer gewesen und die 1 Transistorlösung preislich im Vorteil. Heute ist das egal.
@ ArnoR (Gast) >Schaltung hält etwa die 20-fache Eingangsspannung ohne Überschreitung >der Datenblattwerte aus. Dann brauchst du aber 6kV Hochspannungswiderstände ;-) Hast du reale Bursttest gemacht?
> Hmm, jetzt wo ich nochmal drüber nachdenke, gefällt mir die ArnoR > Schaltung immer besser. Clever ;-) Und das von Dir, Vielen Dank :-)
> Dann brauchst du aber 6kV Hochspannungswiderstände ;-) > Hast du reale Bursttest gemacht? Nein, hatte ich oben schon gesagt. Einfach nur "etwas Sicherheit" nach dem DB der Transistoren eingebaut. Ich meinte damit nur die zulässigen Ströme. Die Widerstände müssen natürlich nach der Spannungsbelastbarkeit ausgewählt werden. Doch das gilt ja für alle derartigen Schaltungen und nicht nur für meine.
Falk Brunner schrieb: >>Interessieren die 1ms überhaupt? Interessant ist doch, daß der >>Nulldurchgang in der Mitte des Signals am OK stattfindet. Ob das nun 1ms >>oder 3ms sind ist doch schnuppe solange sich das nicht sprunghaft >>verändert. Der µC rechnet das raus und fertig. > > Wenn es halbwegs über Eingangsspannung und Temperatur konstant ist. Meinst Du bei der Dextrel-Schaltung ist es nicht über Eingangsspannung und Temperatur konstant, daß der Nulldurchgang in der Mitte des Signals am OK liegt? >>Bei ArnoRs Schaltung dagegen ist das Signal am OK dagegen nicht >>symmetrisch um den Nullpunkt. > > Das ist unwesentlich, denn man wird sich nur auf eine Flanke > synchronisieren. Da verstehe ich Dich jetzt nicht ganz. Ich würde das so machen: - Der µC misst die Länge des Signals am OK-Ausgang - Dieser Messwert geht in nen gleitenden Durchschnitt ein - wenn die nächste Flanke kommt, weiß ich daß der Nulldurchgang in Durchschnittliche Signallänge/2 kommt. Ein Problem bekomme ich damit nur wenn sich die Bauteiltoleranzen sprunghaft innerhalb meines Durchschnitts-Zeitfensters ändern. Oder hab ich da jetzt irgendwo nen Denkfehler drin?
@ Gerd E. (robberknight) >> Wenn es halbwegs über Eingangsspannung und Temperatur konstant ist. >Meinst Du bei der Dextrel-Schaltung ist es nicht über Eingangsspannung >und Temperatur konstant, Doch, das war nur eine grundlegende Bemerkung. >>>Bei ArnoRs Schaltung dagegen ist das Signal am OK dagegen nicht >>>symmetrisch um den Nullpunkt. > >> Das ist unwesentlich, denn man wird sich nur auf eine Flanke >> synchronisieren. >Da verstehe ich Dich jetzt nicht ganz. >Ich würde das so machen: >- Der µC misst die Länge des Signals am OK-Ausgang Du meinst die 1ms Pulsbreite. >- Dieser Messwert geht in nen gleitenden Durchschnitt ein >- wenn die nächste Flanke kommt, weiß ich daß der Nulldurchgang in >Durchschnittliche Signallänge/2 kommt. Das ist die Luxusvariante. Wenn die Pulsbreite über Temperatur und Eingangsspannung ausreichend konstant ist, muss man das nicht messen und kann mit einem festen Wert rechnen. Bei ArnoR's Schaltung ist die Lage zum echten Nulldurchgang noch viel kürzer, sodass hier ein paar Prozent Abweichung noch viel weniger absoluten Fehler verursachen. Damit muss man erst recht nicht messen und die Symetrie ist nicht nötig. >Oder hab ich da jetzt irgendwo nen Denkfehler drin? Nein.
Sorry, dass ich den Thread raufholen muss. Es wird wohl aber für alle, welche diese Tage eine gute Nulldurchgangserkennung basteln wollen, hilreich sein. Ich brauche für eine Phasenanschnittsteuerung für einen Gebläsemotor (ca. 70W) eine solche, habe dazu mal https://www.mikrocontroller.net/articles/230V#Links usw. gründlich durchforstet und bin zu dem Schluss gekommen, dass ArnoR seine Schaltung offensichtlich eine sehr gute Wahl wäre. Da jedoch der 2N 5771 Schalttransistor nicht mehr produziert wird und ich im Netz auch keine aktuellen Äquivalenzen gefunden habe: Hätte jemand einen (bei Reichelt kaufbaren) Tipp, mit welchem Transistor die Schaltung auch gut funktionieren würde? Offenbar wurde dieser eingesetzt, da er sehr schnell schaltet (??) Als Optokoppler sollte der 4N33 passen, oder?
Andreas schrieb: > Hätte jemand einen (bei Reichelt kaufbaren) Tipp, mit welchem Transistor > die Schaltung auch gut funktionieren würde? Irgendein PNP, wie BC557, reicht locker. Es gibt natürlich auch einfachere Schaltungen: http://www.dse-faq.elektronik-kompendium.de/dse-faq.htm#F.9.3
Hallo Michael, welcher Typ vom BC557 (A, B oder C) wäre hierbei am passendsten? Ich tu mich etwas schwer mit dem Vergleichen der Datenblätter, da ich bei der Auswahl von Transistoren sehr unerfahren bin und die variierenden Kennwerte beim 2N5771 bei ganz anderen Bedingungen gemessen wurden. Die alternative Schaltung sieht auch sehr interessant aus, welche Vor- und Nachteile neben den geringeren Kosten könnte diese gegenüber der von ArnoR haben? Den 4N33 kann ich wohl in beiden Schaltungen einsetzen, oder?
Andreas schrieb: > welcher Typ vom BC557 (A, B oder C) wäre hierbei am passendsten? Ich tu > mich etwas schwer mit dem Vergleichen der Datenblätter Dann guck mal in die Zeile mit der Angabe zum Verstärkungsfaktor. Die Transistoren werden hergestellt, ausgemessen und entsprechend ihrer Eigenschaften innerhalb einer Familie einem Typ/SubTyp zugeordnet.
Andreas schrieb: > welcher Typ vom BC557 (A, B oder C) wäre hierbei am passendsten? Ganz egal. Andreas schrieb: > Den 4N33 kann ich wohl in beiden Schaltungen einsetzen, oder? Das ist ein Darlington-Optokoppler. Deutlich langsamer aber dafür stark stromverstärkend. Für den 100uS Impuls zu langsam. Da ArnoR hier 2 Schaltungen angegeben hat, weiss ich nicht welche, scheinbar passt er in keine.
Andreas schrieb: > Da jedoch der 2N 5771 Schalttransistor nicht mehr produziert wird und > ich im Netz auch keine aktuellen Äquivalenzen gefunden habe: > Hätte jemand einen (bei Reichelt kaufbaren) Tipp, mit welchem Transistor > die Schaltung auch gut funktionieren würde? BF324 sollte funktionieren. > Offenbar wurde dieser eingesetzt, da er sehr schnell schaltet (??) ArnoR schrieb: > Das Problem ist der pnp-Transistor, der nach Durchschalten nicht wieder > schnell sperren kann, weil seine Basisladung nicht ausgeräumt wird. > Daher muss man dort einen schnellen pnp-Schalttransistor oder einen > HF-Transistor verwenden.
Also ich find ja die Schaltung hier am schönsten. Zieht wenig Strom und man kann die so umbauen, dass auch die Richtung des Nulldurchgangs bekannt ist (falls mans brauch). Oder wenn man nur inen pro Vollwelle braucht. edit: Schnellschuss... Die Dioden bei null1.png kann man sich dann natürlich sparen, bei null3.png kann man sich diese auch sparen wenn man eienn dual LED Optokoppler nimmt.
Vielen Dank für eure Antworten! @Wolfgang: Die Sache mit den Verstärkungsfaktoren hatte ich mir schon angesehen, aber diese wurden bei den zu vergleichenden Modellen, wie schon erwähnt, jeweils bei ganz anderen Bedingungen gemessen, weswegen ich mich dann als Elektronik-Anfänger mit dem richtigen Vergleichen schwer getan habe. @Michael: Ich beziehe mich auf jene, welche ArnoR als Foto reingestellt hat, mit den 3 NPN und dem einen PNP Transistor. Ein LV 816 sollte jedoch funktionieren? @ArnoR, Mw En: Eine Frage hätte ich noch zum Kondensator in euren Schaltungen. Dieser muss ja jeweils 400V standhalten, ca. 5µF bzw. 100nF Kapazität besitzen und darf nicht gepolt sein. Impulsfest müssen diese jedoch nicht sein, oder? Wäre hierfür ein PP Folienkondensator wie z.b. "Folienkondensator, 4,7µF, 400V, RM37,5" passend oder gibts hier bessere (günstigere) Alternativen?
Bei der von mir vorgestellten Schaltung kannste nen 10V Keramikkrümel einbauen, hauptsache 100nF. Durch die 2MegOhm Vorwiderstand kann der sich bei 50Hz nicht viel weiter aufladen. Die BCxxx überleben ja auch keine 320V ;)
Andreas schrieb: > @Wolfgang: Die Sache mit den Verstärkungsfaktoren hatte ich mir schon > angesehen, aber diese wurden bei den zu vergleichenden Modellen, wie > schon erwähnt, jeweils bei ganz anderen Bedingungen gemessen Wieso? Guck dir die Tabelle für die Klassifikation entsprechend dem h_fe auf S.3 im Datenblatt an: https://www.fairchildsemi.com/datasheets/BC/BC556.pdf
Mw E. schrieb: > Also ich find ja die Schaltung hier am schönsten. Wofür der ganze Zirkus mit den Dioden (D1..4). Die LEDs der Optokoppler werden schon wissen, bei welcher Polarität sie leuchten. Andreas schrieb: > jeweils bei ganz anderen Bedingungen gemessen Messbedingung: V_CE = -5 V, I_C = -2 mA (Tabelle Electrical Characteristics)
Wolfgang schrieb: > Wofür der ganze Zirkus mit den Dioden (D1..4). Die LEDs der Optokoppler > werden schon wissen, bei welcher Polarität sie leuchten. Lern lesen! Ich hab enn edit hinzugefügt. Beim null3.png ist es der Gleichrichter und auch dazu steht ne Alternative im edit.
Andreas schrieb: > @ArnoR, Mw En: Eine Frage hätte ich noch zum Kondensator in euren > Schaltungen. Dieser muss ja jeweils 400V standhalten, ca. 5µF bzw. 100nF > Kapazität besitzen und darf nicht gepolt sein. Was redest du da? Der 5µ-Kondensator kann ein 4µ7/25V-Elko sein.
ArnoR schrieb: > Andreas schrieb: >> @ArnoR, Mw En: Eine Frage hätte ich noch zum Kondensator in euren >> Schaltungen. Dieser muss ja jeweils 400V standhalten, ca. 5µF bzw. 100nF >> Kapazität besitzen und darf nicht gepolt sein. > > Was redest du da? Der 5µ-Kondensator kann ein 4µ7/25V-Elko sein. Andreas hat den Teiler wohl nicht gesehen.
Hallo an alle, wollte mich nochmal für eure Unterstützung bedanken. Ich habe die Schaltung in den letzten Wochen mit den genannten Ersatzbauteil (BF324 statt dem 2N 5771, statt dem ) realisiert und sie funktioniert auf den ersten Blick wirklich toll in Verbindung mit meinem AtMega16 am INT0 Eingang. Sobald ich die Sharp SSRs habe, werde ich damit zwei parallele Phasenanschnittsteuerungen realisieren. lg Andreas
Laut LTSpice ist fritzler (Beitrag "Re: Nulldurchgangserkennung mittels PC814") mit 25 mW die sparsamste ZC Schaltung, die ich bislang gefunden habe. Kann man das noch weiter drücken (jeder zweite Durchgang reicht auch, kürzerer Puls, empfindlicherer OK, Übertrager / kapazitiv gekoppelte Übertragung)?
Simulant schrieb: > Laut LTSpice ist fritzler > (Beitrag "Re: Nulldurchgangserkennung mittels PC814") mit 25 mW die > sparsamste ZC Schaltung, die ich bislang gefunden habe. > Kann man das noch weiter drücken Wozu? Die 25mW kommen vom Netz, dort ist reichlich Leistung vorhanden. Oder willst du das Klima retten? ;-)
Ich will Dimmer-Millionär werden, und muss deshalb wegen der Stromkosten knausern... Warum denn nicht? Ich brauch nur eine Halbwelle. Kann ich Bauteile einsparen? Meine Versuche, die Brücke zu eliminieren fruchten leider bislang nicht.
Falk B. schrieb: > Wozu? Die 25mW kommen vom Netz, Wenn die 25mW aber 2.5W wären, wie bei 10mA Optokoppler- LED mit 23k Vorwiderstand, dann macht die benötigte Bauteilgrösse und Abwärme schon Probleme. Und 250mW wäre die Hälfte des erlaubten Standby-Stromverbrauchs nach CE Anforderungen, auch blöd wenn man die nur zur Nulldurchgangserkennung investiert. Ob nun 100mW oder 25mW ist wohl egal, aber die geringe Leistungsaufnahme ohne speziellen Niedrigsteom-Optokoppler erreichen zu können, zudem kein Problem mit einem Einschaltstromstoss wie beim Kondensatornetzteil Vorschaltkondensator der gerne mal 1A durch die Bauteile jagt, ist schon schön, das Kondensatornetzteil braucht auch noch einen Sicherungswiderstand falls mal der Kondensator kurzschliesst, das ist bei 2 x 1MOhm in Reihe auch nicht nötig.
Hallo, zur Nulldurchgangserkennung hab ich mal sowas gebaut. Das hat gut funktioniert, aber letztendlich habe ich für meinen Dimmer nur eine konstante Winkelerkennung gebraucht, um den Timer zu synchronisieren. Das habe ich dann einfacher gemacht. Vielleicht brauchst Du ja sowas. Gruß Carsten
Bitte melde dich an um einen Beitrag zu schreiben. Anmeldung ist kostenlos und dauert nur eine Minute.
Bestehender Account
Schon ein Account bei Google/GoogleMail? Keine Anmeldung erforderlich!
Mit Google-Account einloggen
Mit Google-Account einloggen
Noch kein Account? Hier anmelden.











