Hallo zusammen, ich versuche mich grade daran, ein Monacor PS-605 Doppellabornetzteil zu reparieren. Auf Grund der Ähnlichkeiten zum PS-303 konnte ich mit Hilfe von Beitrag "Reparatur des Netzetils Monacor PS-303. Bitte um Hilfe." schon die LM723-Spannungsregler und defekte Transistoren (BC160/16, hab direkt BC161/16 eingesetzt, da die ne größere Spannung vertragen). Auch habe ich bei beiden Platinen (das PS-605 hat für jeden Ausgang eine eigene Platine) jeweils zwei alte Elkos ersetzt. Seit dem Austausch der Bauteile lässt sich die Spannung wieder wie sie soll einstellen. Allerdings hapert es noch an der Stromregelung. So kann ich bei einer Platine keine Regelung des Stromes durchführen, auf der anderen Seite lässt sich der Strom nicht unter etwa 1,4A regeln. Ich hab jetzt mal nach Strombegrenzung mit Transistoren gegoogelt und bin über "Transistor als Konstantstromquelle" gestolpert, weiß aber noch nicht, an welcher Stelle und mit welchen Bauteilen die Stromregelung im Monacor PS-605 umgesetzt wird. Hat jemand vielleicht einen Rat, wie ich bei der weiteren Fehlersuche vorgehen könnte? //Edit: Die Platine trägt übrigens den Namen EA-NG930.
Micha W. schrieb: > Beitrag "Reparatur des Netzetils Monacor PS-303. Bitte um Hilfe." Sagt er doch deutlich oben: Beitrag "Reparatur des Netzetils Monacor PS-303. Bitte um Hilfe." Das 605 ist zu 99% identisch, jedoch sind 2x die gleichen Platine und Endstufen verbaut da es ein doppel-NT ist. sieht man hier: http://dctechnica.blogspot.de/2016/06/for-years-i-had-been-wanting-to-build.html
Monacor = Handelsmarke EA-NG930 riecht nach "Elektro-Automatik".
Ich vermute, dass es da mehrere Ausführungen der Platine gibt. Den dicken Lastwiderstand habe ich so nicht auf meiner. Auch sind die Leiterbahnen auf der Platine grade und gewinkelt - nicht in gebogenen Linien wie unter dem angegebenen Link. Ich meine das Netzteil hier wäre vom Ende der 80er - finde aber grade den Aufkleber nicht mehr, der mich das vermuten lässt ;) Nen Schaltplan zur Platine hab ich leider nicht gefunden...
Wie auch immer... Die Netzteilhersteller kochen auch mit Wasser. (zumindest damals) Sollte eigentlich nur eine Fleißaufgabe sein, da einen vernünftigen Schaltplan zu malen. Und damit bekommst du deine Strombegrenzung wieder hin.
Ich hatte gehofft, dass hier zufällig jemand mitliest der sich mit den Dingern auskennt, um die Suche einzugrenzen ;) Nen kompletten Schaltplan davon zu erstellen ist schon echt viel Arbeit...
Verantwortlich für die Strommessung ist immer ein dicker niederohmiger Lastwiderstand in Reihe mit dem Ausgang. Über diesem wird die Spannung gemessen und dann auf einen OpAmp oder Komparator geführt, um entsprechend die Spannung zurückzuregeln. Der Leistungswiderstand (auch Shunt genannt) kann auch als Drahtbrücke ausgeführt sein. Wenn du Fotos von einer Platine machst, kann man dir da mehr helfen. Es schadet auch nicht, sich Grundschaltungen mit dem LM723 anzuschauen, oder, wenn man es da hat, sich den 'Fang den 723' Abschnitt in 'Art of Electronics' anzugucken. Auf der Platine im o.a. Beitrag ist der Shunt der mit 'R22' als Wert beschriftete am Platinenrand.
Auf meiner Platine ist der Shunt als lange, dicke Drahtbrücke ausgeführt. Ich schau mal, ob ich ein Foto machen kann ;)
Micha W. schrieb: > Nen kompletten Schaltplan davon zu erstellen ist schon echt viel > Arbeit... Du könntest mit dem Teil anfangen, welcher dich interessiert.
Arduino F. schrieb: > Micha W. schrieb: >> Nen kompletten Schaltplan davon zu erstellen ist schon echt viel >> Arbeit... > Du könntest mit dem Teil anfangen, welcher dich interessiert. Oder beim Radiomuseum abholen.
sieht sehr ähnlich aus. :-) Beitrag "LM723 Regelbares Netzteil von 0-30V/0-3A" Beitrag "Realistisches Spice-Modell für LM723?" Beitrag "LTspice Potentiometer - Fehler" Beitrag "Netzgerät 0-30V/0-6(8)A mit 723 runderneuert" http://pegons-web.de/2power1.html
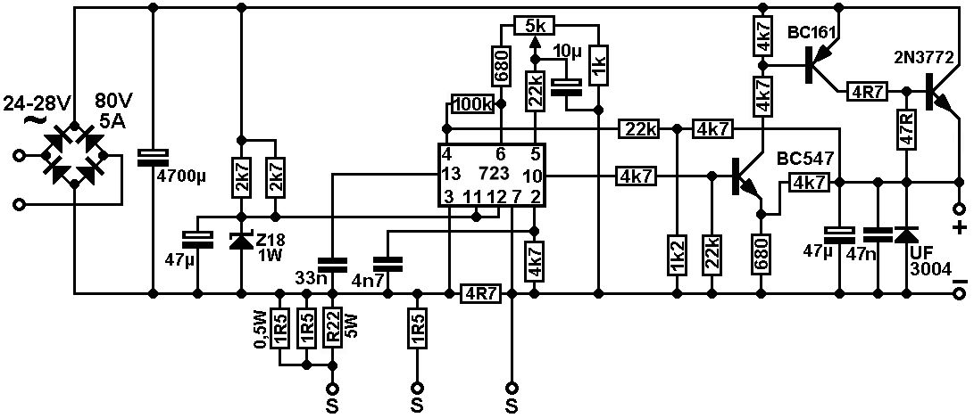
Naja, wenn schon denn schon. Hier ist das Original-Schaltbild. Geschätzt Ende der 70er Jahre. Mit Bleistift wurden ein paar Modifikationen für die Stromeinstellung eingezeichnet. gk
Hallo Habe ebenfalls ein ps605 Linke Seite funktioniert einwandfrei Rechte Seite leider nicht Ich höre noch ein Relais kacken Die V Anzeige sinkt Ampere Anzeige wackelt kurz doch es kommt scheinbar nichts raus Was kann da kaputt sein??
Allwissend schrieb: > Nico H. schrieb: >> Was kann da kaputt sein? > > Bauteil 42. Das ist immer so. OK unt welches Bauteil ist 42? Wie kann ich das herausfinden? Evtl eine Bauteil Bezeichnung? Vielen Dank
Nico H. schrieb: > Allwissend schrieb: >> Nico H. schrieb: >>> Was kann da kaputt sein? >> >> Bauteil 42. Das ist immer so. > > OK unt welches Bauteil ist 42? Wie kann ich das herausfinden? Evtl eine > Bauteil Bezeichnung? > > Vielen Dank Bevor noch jemand meint du müsstest nur die Ampere hochskillen: https://de.m.wikipedia.org/wiki/42_(Antwort) Aufgrund der von dir gegebenen Informationen wird niemand die Fehlerursache benennen können, wir können aber eingrenzen, das sich der Fehler wohl auf der rechten Seite mit hoher Wahrscheinlichkeit befindet. Dein Gerät ist sehr alt, ich würde als erstes kontrollieren ob alternde Bauteile wie Elektrolytkondensatoren noch in Ordnung sind. Wenn der Fehler plötzlich aufgetreten ist, was hast du davor mit dem Gerät gemacht?
René F. schrieb: > Nico H. schrieb: >> Allwissend schrieb: >>> Nico H. schrieb: >>>> Was kann da kaputt sein? >>> >>> Bauteil 42. Das ist immer so. >> >> OK unt welches Bauteil ist 42? Wie kann ich das herausfinden? Evtl eine >> Bauteil Bezeichnung? >> >> Vielen Dank > > Bevor noch jemand meint du müsstest nur die Ampere hochskillen: > > https://de.m.wikipedia.org/wiki/42_(Antwort) > > > Aufgrund der von dir gegebenen Informationen wird niemand die > Fehlerursache benennen können, wir können aber eingrenzen, das sich der > Fehler wohl auf der rechten Seite mit hoher Wahrscheinlichkeit befindet. > > Dein Gerät ist sehr alt, ich würde als erstes kontrollieren ob alternde > Bauteile wie Elektrolytkondensatoren noch in Ordnung sind. > > Wenn der Fehler plötzlich aufgetreten ist, was hast du davor mit dem > Gerät gemacht? Habe dieses Gerät so übernommen Nutze es nur um 12v Pkw Bauteile zu prüfen. Wie schon geschrieben. Die linke Seite schafft es eine h7 12v Birne zum leuchten zu bringen. Rechts nicht Alles hoch gedreht Ralais klackt Spannung fällt ab aber passiert leider nichts Linke Seite klackt das Relais und die h7 Birne leuchtet langsam auf Von Platinen habe ich leider keine Ahnung Hatte gedacht dass dies mit dieser Beschreibung leicht zu finden wäre :D Naja eine Seite geht ja noch Danke trotzdem
Nico H. schrieb: > Hatte gedacht dass dies mit dieser Beschreibung leicht zu finden wäre :D > > Naja eine Seite geht ja noch > > Danke trotzdem Nicht gleich aufgeben, du kannst ja mal das Gerät öffnen und hier Bilder hochladen, manche Defekte lassen sich optisch schon erkennen. Wenn du ein Multimeter hast, prüfe alle Elkos mit der Diodentestfunktion/Durchgangsprüfer, kurzes piepsen bedeutet der Elko lädt sich auf und wird hochohmiger, damit kannst du schon mal ausschließen ob ein Elko einen Kurzschluss hat, piepst das Messgerät dauerhaft hat er oder etwas parallelgeschaltetes einen Kurzschluss. Natürlich testest du damit nicht alle Parameter der Elektrolytkondensatoren, schließt aber schon einiges damit aus. Das gleiche solltest du auch am Ausgangstransistor machen zwischen Kollektor und Emitter. Und dann können wir weiterschauen.
René F. schrieb: > manche Defekte lassen sich optisch schon erkennen Wenn ich ein Doppelnetzteil mit zwei identischen Kanälen habe, messe ich ... und erkenne ...?
von Allwissend schrieb: > René F. schrieb: >> manche Defekte lassen sich optisch schon erkennen > > Wenn ich ein Doppelnetzteil mit zwei identischen Kanälen habe, messe > ich ... und erkenne ...? Wenn die halbe Leiterplatte verkohlt ist brauch ich nicht messen... Sichtkontrolle sollte immer als erstes gemacht werden.
Hallo Hier mal 2 Fotos von der rechten Seite Der eine Widerstand sieht mir etwas braun aus? (da wo die Messspitze hin zeigt) Bisher wurden noch keine Messungen gemacht Sorry das eine Bild ist doppelt
Also die elkos müssten in Ordnung sein Nun habe ich aber gemerkt dass an der hinteren platine die Widerstände anders sind (siehe Foto) Rechte Seite ist der grüne Ich denke dieser wurde nachträglich eingelötet Allerdings sollte rechts und links doch gleich sein??? Habe mal den linken Widerstand rechts angelötet Funktioniert auch nicht nus dass die Kabel von dieser kleinen platine heiß werden Mit Bleistift steht an der rechten Seite 150 ohm? Evtl liegt hier der Fehler Danke für die Tipps :)
Allwissend schrieb: > René F. schrieb: >> Wenn die halbe Leiterplatte verkohlt ist > > steht wo? (So schwer von Begriff kann hier der ausgesuchte Nick nicht mal incl. Toleranz richtig sein. Denk mal nach.)
Hallo Spannung geht hoch und fällt dann langsam ab ? Relaiskontakt verzundert - war bei meinem PS-305 genau so. Relais ist ein 12VDC Typ mit 1Wechslerkotakt (Finder bei eb** ca.7€) Die nicht funktionierende Stromregelung - Poti erneuern und gut ists -4,7kOhm lin. Gruß Det
mac_cabe schrieb: > Hallo > > Spannung geht hoch und fällt dann langsam ab ? > Relaiskontakt verzundert - war bei meinem PS-305 genau so. > Relais ist ein 12VDC Typ mit 1Wechslerkotakt (Finder bei eb** ca.7€) > Die nicht funktionierende Stromregelung - Poti erneuern und gut ists > -4,7kOhm lin. > > Gruß > Det Hallo, mir erschließt sich im Moment nicht wirklich welche Aufgabe das Relais hat. Kann mich mal jemand erleuchten?
Nico H. schrieb: > unt welches Bauteil ist 42? Das kaputte. So viel ist in dem Netzteil nicht drin, ein LM723 und 3 Transistoren. Es lohnt sich immer, die Transistoren auf Funktion durchzumessen, den LM723 zu sockeln, und (Trimm)Potis und Relais zu überprüfen. Das können wir von hier nicht machen, du musst deine Finger schon selbst bewegen.
Dirk L. schrieb: > mac_cabe schrieb: >> Hallo >> >> Spannung geht hoch und fällt dann langsam ab ? >> Relaiskontakt verzundert - war bei meinem PS-305 genau so. >> Relais ist ein 12VDC Typ mit 1Wechslerkotakt (Finder bei eb** ca.7€) >> Die nicht funktionierende Stromregelung - Poti erneuern und gut ists >> -4,7kOhm lin. >> >> Gruß >> Det > Hallo, mir erschließt sich im Moment nicht wirklich welche Aufgabe das Relais hat. Kann mich mal jemand erleuchten?
Die Oberseite des Relaisgehäuse sieht mir verbrannt aus. Vielleicht sind die Relaiskontakte ein oder das Problem. Sieh mal nach und untersuche den Zustand der Kontaktlamellen. Das Relais dient vielleicht dazu die Trafowicklung zwecks Wirkungsgradverbesserung bei niedrigen Ausgangsspannungen automatisch umzuschalten.
Bitte melde dich an um einen Beitrag zu schreiben. Anmeldung ist kostenlos und dauert nur eine Minute.
Bestehender Account
Schon ein Account bei Google/GoogleMail? Keine Anmeldung erforderlich!
Mit Google-Account einloggen
Mit Google-Account einloggen
Noch kein Account? Hier anmelden.

