Hallo, wahrscheinlich keine große Sache, aber ich bin von der Fülle fast erschlagen worden. Ich habe eine Signalquelle mit maximal 10 Volt und sechs Leuchtdioden die leuchtbalkenmäßig den Pegel anzeigen sollen. Die Anzeige sollte linear erfolgen. Was für ein IC könnte ich nehmen? Das sind kleine Leuchtdioden also keine Strahler(12 Volt)
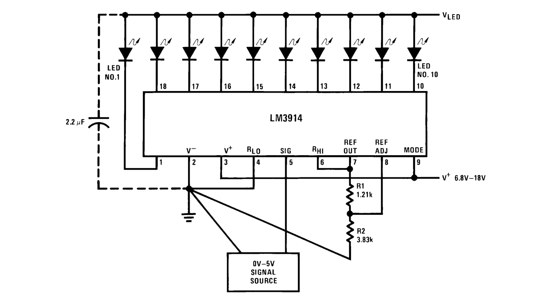
Der zeigt logarithmisch an es sollte linear sein Okay 3914 sieht gut aus danke
Erstaunlich, ich haette nicht gedacht das dieses Teil immer noch in Produktion ist! Vanye
> UAA170, UAA180 Ich glaube die sind nicht mehr in Produktion. Da ist der LM3914 wohl die bessere Wahl. ES gab sogar mal einen von den UAAs der konnte IMHO 30LEDs ansteuern. Den hatte ich mal in einem selbstgebauten Drehzahlmesser. Der ist aber wohl schon lange obsolet. Vanye
Ich finde diesen Bausatz leider nicht mehr wieder... In grauer Vorzeit gab es bei Conrad einen Bausatz für ein Stero-VU-Meter mit LEDs, die schräg und dann abgewinkelt oben gerade auf der Platine angeordnet waren. Wenn mich recht erinnere, waren das mehr als 10 LEDs und ich glaube der konnte auch eine Spitzenwertanzeige, da bin ich mir aber nicht mehr sicher. Habe ich nun lange gesucht, aber gibt scheinbar kein Bild mehr davon im Netz. Zumindest, wenn man nicht genauer weiß nach welcher Bezeichnung man suchen muss.
> Habe ich nun lange gesucht, aber gibt scheinbar > kein Bild mehr davon im Netz. Naja, ist auch heute eher uninteressant. Man muss zugeben das man heute sowas sehr viel sinnvoller mit einem Mikrocontroller machen kann. ICh hab sowas selbst vor 2-3Jahren mal gemacht und gerade wenn du sowas wie Peak-Hold und mit langsamen runtertropfen machen willst, was sehr schick aussieht, dann wirst du mit den alten Analogteilen nicht sehr weit kommen. Ansonsten hilft Elrad weiter: Titel : VU-Peakmeter Seite : 60 Ausgabe : 7 Zeitschrift : 84 Schlagworter: Audio-Gerate und Musik- Elektronik, Buhne/Studio, Spitzenwertanzeige, Mittelwertanzeige, schnelle und langsame Rucklaufzeit, LM 3915, LM 3916, VU-Meter Vanye
Leider finde ich es auch mit diesen Angaben nicht wieder. Die Platine hatte mehr als 10 LEDs pro Kanal, der IC hatte mehr Anschlüsse als ein LM3915 und ich glaube auch einen engeren Pin-Abstand. Pro Kanal war einer dieser ICs verbaut. Edit: könnte ein IR2432 gewesen sein, aber die Platine ist unauffindbar. :(
Lothar S. schrieb: > Okay 3914 sieht gut aus danke Der ist linear und lässt sich sogar auf einen eingeengten Bereich beschalten. Der hat als Batterieanzeige an einem 6V-Motorrad zweistellige Jahre überlebt, müsste ich etwa 1990 gebaut haben. Frank E. schrieb: > Nimm einen MC mit AD-Wandler Der LM3914 ist robust und kann sich direkt aus dem Meßsignal versorgen - so es genug Strom liefert. Ein µC bietet mehr Ärgernispotential als Vorteile, wenn das Umfeld etwas gröber ist.
Beitrag "Re: Gibt es "Dezimal zu Binär Wandler" als Bauteile???" längst ausgestorben, U1096B LED-Skala mit 30 LEDs in einem IC Beitrag "Re: Zeigerinstrument mit LED's ersetzen" 40 Balken auf LCD, auch ausgestorben.
> Leider finde ich es auch mit diesen Angaben nicht wieder. Ich zitiere mal kurz aus der Elrad: Zunaechst gelangt das Eingangssignal auf einen Gleichrichter An dessen Ausgang teilt sich der weitere Signalweg: Tum einen wird mittels eines einfachen RC-Gliedes der Mittelwert des gleichgerichteten Signals gebildet; daraus ergibt sich der VU-Wert. Zum anderen gelangt das Ausgangssignla des Gleichrichters auf einen Spitzenwert-Detektor. Dessen Ausgangsspannung geht mit extrem langer Zeitkonstante auf Null zurueck und entspricht dem Peak-Wert Beide Spannungen werden ueber einen elektronischen Umschalter wieder zusammengefasst und abwechselnd auf den Eingang des LED-Displays gegeben. Damit sollte die Funktion klar sein. Wie ich schon sagte, heute waere ein Mikrocontroller vermutlich angemessener, aber wenn man wirklich analog will, ist das so machbar. Autor war ein gewisser U.Schroeder. Usch? Bist du es? :-D > Die Platine hatte mehr als 10 LEDs pro Kanal, Das ist in der Elrad nicht so, allerdings meine ich mich zu entsinnen damals auch Applikationen mit mehreren LM3914 gesehen zu haben. Letztlich alles eine Frage des Geldbeutels. Ich glaube sogar von bis zu 10Stk gelesen zu haben. > U1096B LED-Skala mit 30 LEDs in einem IC Ja, genau! Den gab es auch noch. Das war IMHO der erste der damals obsolet wurde. Vermutlich waren die meisten zu geizig fuer 30LEDs und er wurde selten verwendet. Vanye
Wenn ihr mal hier das Datenblatt lest: https://www.mikrocontroller.net/attachment/12327/U1096B.pdf Dann sollte sich dessen Funktionalitaet leicht in jedem Mikrocontroller nachbilden lassen. Die langen Winterabende kommen doch nun. :-D Haette gegenueber den heutigen WS2812 mit ihrem programmierer freundlichen <BG> Timing, den Vorteil das man spezielle LEDs verwenden koennte. Also diese Flachen oder Pfeilfoermigen dies frueher gab. Aber die sind ja heute auch eher exotisch geworden. Ich denke manchmal ausser Hameg hat die nie einer verwendet. Aber so bekommt man den genuinen Look der 80er hin. Soll ja gerade Mode sein. Vanye
Frank E. schrieb: > Nimm einen MC mit AD-Wandler und einen Streifen WS2812. Dazu 10 Zeilen > Software ... feddich. Meine ich auch. Das ist nicht nur die schnellste Loesung, sondern auch die schoenste und flexibelste. Einfach Top!
Joe schrieb: > Frank E. schrieb: >> Nimm einen MC mit AD-Wandler und einen Streifen WS2812. Dazu 10 Zeilen >> Software ... feddich. > > Meine ich auch. Das ist nicht nur die schnellste Loesung, sondern auch > die schoenste und flexibelste. Einfach Top! Wenn der TO nicht programmieren kann leuchtet da nie etwas. Das war es dann mit der schnellsten Lösung. Weshalb flexibel? Der TO möchte 6 LEDs ansteuern, mehr nicht. Er will auch keine Lichtorgel.
> Der TO möchte 6 LEDs ansteuern, mehr nicht. Mit etwas mehr Bescheidenheit ginge auch noch der hier: https://www.reichelt.de/ro/de/led-treiber-konstantstromregler-sil-9-an-6884-p4265.html?r=1 https://www.amazon.de/20-St%C3%BCck-AN6884-5-Punkt-LED-Treiber-Original/dp/B0895MF67B Oder der hier: https://www.kessler-electronic.de/de/LB1403 Irgendwo auf der Welt scheint es immer noch ein Holzkaestchen mit Vorkriegsware zu geben. :-D Vanye
Texas TL489 ist (fast) die ideale Lösung. DIP-8, schön aufgeräumt, Betriebsspannung muss nicht stabilisiert sein, 5 gleiche Schritte, wunderbar linear, wie gefordert. Nix Stereo, nix logarithmische Dezibelwerte. Die Eingangsspannung runterteilen auf 1 Volt, fertig. Keine Programmierung erlernen müssen, keine Programmierung der einzelnen Chips nötig, aber leider, leider: Nur 5 LEDs, nicht 6. Der TL490 könnte aber zehn... Und obsolet wären die beide auch nicht. Keine Störstrahlung, kein Quarz...
Es gibt (gab) da auch noch diese 8-Füssler sowohl für log. dB-Anzeige als auch für lin. Prozent-Anzeige: Beitrag "Re: IC für einfache Bargraph-Anzeige (10 Leds) gesucht"
Jörg R. schrieb: > Joe schrieb: >> Frank E. schrieb: >>> Nimm einen MC mit AD-Wandler und einen Streifen WS2812. Dazu 10 Zeilen >>> Software ... feddich. >> Meine ich auch. Das ist nicht nur die schnellste Loesung, sondern auch >> die schoenste und flexibelste. Einfach Top! > Wenn der TO nicht programmieren kann leuchtet da nie etwas. Das war es > dann mit der schnellsten Lösung. > Weshalb flexibel? Der TO möchte 6 LEDs ansteuern, mehr nicht. Er will > auch keine Lichtorgel. Inzwischen habe ich den Eindruck, hier geht es nicht um "Lösung haben", (Verzeihung bitte, dass ich das so trocken sah), sondern es macht Spaß, eine Lösung mit möglichst historischen Chips zu suchen und dauert bereits die 20fache Zeit. Das sei jedem herzlich gegönnt, so kann man es natürlich auch sehen, hat auch seinen Wert ... zumindest ist es unterhaltsam. Wie wäre es mit einem A277D aus DDR-Produktion? Linear! https://electronic-studio.com/A277D-LED-Treiber-fuer-Punkt-oder-Bandanzeige
Und wenn es wirklich nur 6 LEDs sein sollen, dann kann man sowas zur Not auch mal mit 6 einzelnen Transistoren aufbauen.
TL489 Suche nach Datenblatt: https://pdf.datasheetcatalog.com/datasheets/208/489266_DS.pdf Hähähä... "Bitte nur URLs von PDF-Dateien auf der offiziellen Seite des Hersteller eintragen!" Leider hat der Hersteller TI das nicht mehr im Angebot. Was soll diese Einschränkung?
Christoph db1uq K. schrieb: > Leider hat der Hersteller TI das nicht mehr im Angebot. Was soll diese > Einschränkung? Raketentechnik! Geheim! Hier das "betreute Surfen" für die Gerontenabteilung meck-meck-meck: In die guuuugel-suche eingeben: texas tl489. Suche starten, das ist der click, der eine... Dann "Bilder" anclicken. Viele schöne Beispielschaltungen mit alarm-flasher, overrange, Lüftersteuerung. bei alldatasheet den vorgeschlagenen 5-stelligen Code eingeben. Es ist wirklich, wirklich ganz, gaaanz einfach. Ehrlich. Der TO hat sich übrigens nie wieder gemeldet, Ben hat sein übliches Conrad-Trauma durchlebt: kann sich nicht mehr erinnern, mehr als 10 LEDs, er findets nicht mehr. Echt sein Saftladen, der böse C. Überforderte Altchen halt.😅
Meine guuuugel-suche ergab die genannte URL: https://pdf.datasheetcatalog.com/datasheets/208/489266_DS.pdf Das funktioniert ohne fünfstellige Nummer oder "Ich bin kein Roboter". Aber die darf ich hier nicht eingeben, das könnte ja Spam sein: https://www.mikrocontroller.net/part/add?from=notfound&name=TL489 Nur die guuuten Hersteller dürfen hier eingetragen werden. Seltsamerweise werden manchmal auch andere Adressen akzeptiert. Hier nicht. Die bitsavers werden akzeptiert, aber da muss man sich auf Seite 347 durchwühlen.
Heinrich K. schrieb: > Christoph db1uq K. schrieb: >> Leider hat der Hersteller TI das nicht mehr im Angebot. Was soll diese >> Einschränkung? > > Raketentechnik! Geheim! > > Hier das "betreute Surfen" für die Gerontenabteilung meck-meck-meck: > > In die guuuugel-suche eingeben: texas tl489. Wie alt bist Du..7? Die Firma heißt übrigens Google. > Der TO hat sich übrigens nie wieder gemeldet, Weshalb sollte er? Der TO hat scheinbar den LM3914 als geeignet erkannt. Auf den Fotos von Manfred sieht man schön das nur wenige Bauteile benötigt werden. Beitrag "Re: Leuchtbalken IC gesucht" > Überforderte Altchen halt.😅 Dafür bekommen die „Altchen“ (selbst ausgedacht?) komplette lesbare Sätze hin, ohne Babysprache.
Frank E. schrieb: > Jörg R. schrieb: >> Joe schrieb: >>> Frank E. schrieb: >>>> Nimm einen MC mit AD-Wandler und einen Streifen WS2812. Dazu 10 Zeilen >>>> Software ... feddich. >>> Meine ich auch. Das ist nicht nur die schnellste Loesung, sondern auch >>> die schoenste und flexibelste. Einfach Top! >> Wenn der TO nicht programmieren kann leuchtet da nie etwas. Das war es >> dann mit der schnellsten Lösung. >> Weshalb flexibel? Der TO möchte 6 LEDs ansteuern, mehr nicht. Er will >> auch keine Lichtorgel. > > Inzwischen habe ich den Eindruck, hier geht es nicht um "Lösung haben", > (Verzeihung bitte, dass ich das so trocken sah), sondern es macht Spaß, > eine Lösung mit möglichst historischen Chips zu suchen und dauert > bereits die 20fache Zeit. Nach dem LM3914 musste ich nicht suchen, den kennt man, oder eben nicht. Er ist verfügbar, bezahlbar und mit Sicherheit auf Dauer zuverlässiger wie eine Lösung mit WS2812B.
Hallo Ben B. - der Bausatz, den du meinst, kam von Auerswald. Fällt mir gerade ein, weil ich das Teil neulich in den Fingern hatte. Zwölf LED pro Kanal, die obersten fünf leuchten nach, ein optischer Effekt, dessen Wirkung auf den Betrachter schnell nachlässt. Die Anzeige schien mir linear zu sein, eben ein Standard-Mäusekino. Der verwendete IC heißt LB 1412 und will am Eingang 500 mV Audio haben. Der Aufwand, das Ding noch zu beschaffen, wird der Optik nicht gerecht, wetten?
Jörg R. schrieb: > Weshalb sollte er? Der TO hat scheinbar den LM3914 als geeignet erkannt. Das weisst Du doch nicht. Fakt ist jedoch: Er hat sich nie wieder gemeldet.
Heinrich K. schrieb: > Das weisst Du doch nicht. Fakt ist jedoch: Er hat sich nie wieder > gemeldet. Wenn er das mit dem LM3914 aufgebaut hat wird er es schon faxen...
Heinrich K. schrieb: > Jörg R. schrieb: >> Weshalb sollte er? Der TO hat scheinbar den LM3914 als geeignet erkannt. > > Das weisst Du doch nicht. Doch hat er. Er hat auch erkannt dass der LM3915 logarithmisch ist. Lothar S. schrieb: > Der zeigt logarithmisch an es sollte linear sein > > Okay 3914 sieht gut aus danke > Fakt ist jedoch: Er hat sich nie wieder gemeldet. Weshalb sollte er sich melden? Wenn er den LM3914 nimmt muss er ihn erst einmal beschaffen. Vielleicht zeigt er dann seine fertige Schaltung, vielleicht auch nicht. Die anderen ICs die genannt wurden sind nicht mehr lieferbar oder schlecht geeignet. Er will ja keine 30 LEDs ansteuern.
Mani W. schrieb: > Heinrich K. schrieb: >> Das weisst Du doch nicht. Fakt ist jedoch: Er hat sich nie wieder >> gemeldet. > > Wenn er das mit dem LM3914 aufgebaut hat wird er es schon faxen... ..oder tanzen;-)
> Ben hat sein übliches Conrad-Trauma durchlebt Hä? Die Minigun ist noch kalt, die Pershing und Titan-II ICBM auch noch im Keller, ich weiß gar nicht wo das Problem ist. > Hallo Ben B. - der Bausatz, den du meinst, kam von Auerswald. [..] Kann sein, ich müsste den hier noch irgendwo rumzuliegen haben. Aber bis ich den in irgend einer Grabbelkiste gefunden habe... so wichtig war es mir dann doch nicht. Edit: Deine Infos zu dem Ding stimmen, wenn man weiß wonach man suchen muss, findet man das Ding auch tatsächlich im Internet wieder, leider nur mit schlechten Fotos. Das Ding hieß Auerswald SLM-24 und war mit zwei LB1412 bestückt. https://www.fingers-welt.de/info/LED-Stereo-VU-Meter.pdf
Jörg R. schrieb: > Joe schrieb: >> Frank E. schrieb: >>> Nimm einen MC mit AD-Wandler und einen Streifen WS2812. Dazu 10 Zeilen >>> Software ... feddich. >> >> Meine ich auch. Das ist nicht nur die schnellste Loesung, sondern auch >> die schoenste und flexibelste. Einfach Top! > > Wenn der TO nicht programmieren kann leuchtet da nie etwas. Das war es > dann mit der schnellsten Lösung. > > Weshalb flexibel? Der TO möchte 6 LEDs ansteuern, mehr nicht. Er will > auch keine Lichtorgel. Wenn er eure Schaltung versteht, kann er auch eines der hunderte von Beispielprogrammen fuer Arduino z.B. abwandeln. Das koennen ja schon 8-jaehrige. Und ein Datenblatt muss er auch bei Eurer Loesung lesen koennen. Ausserdem, wo steht dass er nicht progr. kann? Also so ein Loetzinn, ts,tss!
>> Inzwischen habe ich den Eindruck, hier geht es nicht um "Lösung haben", >> (Verzeihung bitte, dass ich das so trocken sah), sondern es macht Spaß, >> eine Lösung mit möglichst historischen Chips zu suchen und dauert >> bereits die 20fache Zeit Richtig erkannt! Nur die Loesung des "Klubs" wird anerkannt! Der Rest der Vorschlaege wird ins Laecherliche gezogen oder ganz niedergemacht. Da haben einzelne gar keine Chance. Und Ahnungslose folgen der Mehrheit wie die Lemminge. In diesem unserem... auch leider in wichtigen Belangen. > > Nach dem LM3914 musste ich nicht suchen, den kennt man, oder eben nicht. > > Er ist verfügbar, bezahlbar und !!!mit Sicherheit auf Dauer zuverlässiger!!!!! > wie eine Lösung mit WS2812B. Was du so alles weisst. Ist ja wirklich toll. Veraetst Du uns woher du das "mit Sicherheit" weist?
Jörg R. schrieb: > ... und mit Sicherheit auf Dauer zuverlässiger > wie eine Lösung mit WS2812B. Wieso das?
Muss ich sagen, ich finde die Lösung mit einem dedizierten Schaltkreis auch einfacher und robuster. Da ist einfach nichts dran, was ein Programm und aufwendiges Timing erfordert oder sonstwie kaputtgehen kann. Keine extra 3,3V oder 5V für den µC, keine Probleme mit der Stromversorgung der LEDs, keine RGB-LED-Strips, die wegen der Stromimpulse so manchmal ihre Probleme damit haben. Irgendwas mit µC und WS2812 LEDs würde ich nur machen wenn es denn schön bunt sein muss oder wenn das Geschoss irgendwelche Funktionen haben soll, die mit einem einfachen Schaltkreis schwer realisierbar sind.
Ben B. schrieb: > Irgendwas mit µC und WS2812 LEDs würde ich nur machen wenn es denn schön > bunt sein muss oder wenn das Geschoss irgendwelche Funktionen haben > soll, die mit einem einfachen Schaltkreis schwer realisierbar sind. So würde ich es auch machen, es sind ja nur 6 LEDs. Bei einem Mehrband-Spectrum-Analyzer kommt man um den uC nicht dumm drum rum. Schon gar nicht, wenn die Peak-LED langsam mit Abstand zu den anderen LEDs runtertropfen soll: https://youtu.be/vpWOu1kNCAI?si=NiRizNlhzo4TZUj8 Im Video wurden 8mm starke Acrylglasscheiben für eine breite Lichtzerstreuung der LEDs eingesetzt, was in diesem Fall besonders genial aussieht.
Lothar S. schrieb: > Okay 3914 sieht gut aus danke Der LM3914 hat auch noch den Vorteil, das es von TI ein sehr gründliches Datenblatt gibt, in dem auch verschiedene Anwendungsschaltungen gezeigt werden. Das Datenblatt bekommst Du, wenn Du hier auf LM3914 klickst.
Harald W. schrieb: > Lothar S. schrieb: > >> Okay 3914 sieht gut aus danke > .. > Das Datenblatt bekommst Du, wenn Du hier auf LM3914 klickst. ..besser hier, dann öffnet es sich sofort: https://www.ti.com/lit/ds/symlink/lm3914.pdf Frank E. schrieb: > Jörg R. schrieb: >> ... und mit Sicherheit auf Dauer zuverlässiger >> wie eine Lösung mit WS2812B. > > Wieso das? Von defekten WS2812B liest man öfter, vor allem dass sich die erste LED einer Kette verabschiedet. Von einem defekten LM3914 habe ich bisher noch nichts gehört, auch nicht aus eigener Erfahrung.
Joe schrieb: >>> Inzwischen habe ich den Eindruck, hier geht es nicht um "Lösung > haben", >>> (Verzeihung bitte, dass ich das so trocken sah), sondern es macht Spaß, >>> eine Lösung mit möglichst historischen Chips zu suchen und dauert >>> bereits die 20fache Zeit > > Richtig erkannt! Nur die Loesung des "Klubs" wird anerkannt! Der Rest > der Vorschlaege wird ins Laecherliche gezogen oder ganz niedergemacht. > Da haben einzelne gar keine Chance. Und Ahnungslose folgen der Mehrheit > wie die Lemminge. > In diesem unserem... auch leider in wichtigen Belangen. Du willst einfach nicht wahrhaben dass es einfache Lösungen auch ohne uC gibt. Für Dich ist alt = geht gar nicht, weil Du nix anderes kennst. >> Nach dem LM3914 musste ich nicht suchen, den kennt man, oder eben nicht. >> >> Er ist verfügbar, bezahlbar und !!!mit Sicherheit auf Dauer zuverlässiger!!!!! >> wie eine Lösung mit WS2812B. > > Was du so alles weisst. Ist ja wirklich toll. Veraetst Du uns woher du > das "mit Sicherheit" weist? Hab ich in einem anderen Kommentar erklärt. Deine Ausrufezeichen in meinem Text hättest Du weglassen können, passen allerdings wiederum zu dir.
Joe schrieb: > Wenn er eure Schaltung versteht, kann er auch eines der hunderte von > Beispielprogrammen fuer Arduino z.B. abwandeln. Das koennen ja schon > 8-jaehrige. > Und ein Datenblatt muss er auch bei Eurer Loesung lesen koennen. > Ausserdem, wo steht dass er nicht progr. kann? Also so ein Loetzinn, > ts,tss! Ja, ts, tss, tsssss...
Hallo, finde ich ja lustig mein Problem ist schon lange gelöst und das IC ist angekommen. Die Leuchtdioden finden Verwendung in einer ein Kilowatt Endstufe für den Amateurfunkbereich. Die Steuerung wurde bislang von einem Arduino Mega übernommen. Da gab es auch genügend Pins. Der Arduino war aber wegen seiner Größe und den vielen Kabel etwas anfällig gegen HF Einstrahlung. Deshalb habe ich die Geschichte jetzt umgebaut und verwende einen Arduino nano in einem Metallgehäuse mit durchführungskondensatoren. Das klappt prima nur fehlen mir jetzt einige Pins. I Quadrat C fällt aus verständlichen Gründen aus. Es wurde eine einfache Lösung gesucht um die Leuchtdioden anzusteuern, und gefunden. Danke an das Forum
Lothar S. schrieb: > Bilder Das sieht ja schon ziemlich wuchtig aus. 👍 Sind da einige HF-Baugruppen etwa im Pappkarton untergebracht?
Enrico E. schrieb: > Sind da einige HF-Baugruppen etwa im Pappkarton untergebracht? Haha damit wird die Luft vom Ventilator durch den Kühlkörper geleitet. Die Endstufe hat übrigens nur einen Transistor ein Watt rein, 1200 Watt raus. Der wird schon mal ein bisschen warm
Lothar S. schrieb: > Bilder Dem faulen µC im zweiten Bild mußt Du nur noch beibringen die sechs LED zu bedienen. 🤓
Einige U1096B habe ich noch. Es gibt kaum einen einfachen Weg 30 LEDs anzusteuern. Sogar wahlweise als Punkt oder Balken... Alt aber genial.
Lothar S. schrieb: > Deshalb habe ich die Geschichte jetzt > umgebaut und verwende einen Arduino nano in einem Metallgehäuse mit > durchführungskondensatoren. Das klappt prima nur fehlen mir jetzt einige > Pins. Salamitaktik :-( Wenn am Nano die Pins nicht reichen, hätte man dort auch einen STP16CP05 oder MAX7219 ergänzen können...
Rick schrieb: > Wenn am Nano die Pins nicht reichen, hätte man dort auch einen STP16CP05 > oder MAX7219 ergänzen können... Auf sowas bin ich gar nicht gekommen, ich bin doch zu sehr hf-lastig. Das hätte schon Vorteile. Ursprünglich wollte ich die Leuchtdioden auch für Fehler anzeigen benutzen. Also über Temperatur, Überspannung, Überstrom schlechtes Stehwellenverhältnis. Das würde damit natürlich wieder gehen.
Stefan M. schrieb: > Einige U1096B habe ich noch. > Es gibt kaum einen einfachen Weg 30 LEDs anzusteuern. Du glücklicher. Anscheinend werden die nur zu deftigen Preisen angeboten. Vielleicht wären da drei LM3914 noch billiger. Aber der TE wollte ja sowieso nur 6 LEDs ansteuern. Ich denke, es ist aber in Ordnung, diesen Thread weiterzuführen, obwohl der TE sein Problem erfolgreich gelöst hat.
Wenn der Platz auf der Frontplatte auf 6 LEDs begrenzt ist, dann kann man für die Fehleranzeige RGB LEDs mit gemeinsamer Anode verwenden. Jeder der drei Fehler bekommt seine eigene Farbe und seinen eigenen LM3914. Bei 6 Fehler können noch die Mischfarben Orange, Cyan und Violett über eine ODER-Diodenmatrix dazugenommen werden. Die Fehler können dann allerdings nur nacheinander abgerufen werden, sonst wird's zu bunt.
Auch eine gute Idee, aber schon fast zu viel. Die beiden Zustände Leistungsanzeige, oder Fehler können nicht gleichzeitig auftreten. Bei einem Fehler würde sofort die drain Spannung abgeschaltet. Wenn dann noch was leuchten sollte, ist es halt ein Fehler
Enrico E. schrieb: > Im Video wurden 8mm starke Acrylglasscheiben für eine breite > Lichtzerstreuung der LEDs eingesetzt, was in diesem Fall besonders > genial aussieht. Das stimmt, optisch macht das Teil auf jeden Fall was her.
Ben B. schrieb: > Da ist einfach nichts dran, was ein > Programm und aufwendiges Timing erfordert oder sonstwie kaputtgehen > kann. Ja klar. Was brauche ich eine Motorsäge, wenn ich den dicken Baum doch mit der Axt fällen kann. Spare ich Geld, kleinere Verletzungsgefahr, kein rasenmäherartiger böser Krach und überhaupt hatte ich noch nie eine Motorsäge in der Hand.
Enrico E. schrieb: > dann kann man sowas zur Not auch mal mit einzelnen Transistoren > aufbauen. Ich habe die Schaltung aus Spaß for Fun mal auf dem Steckbrett mit 16 LEDs aufgebaut. Damit die LEDs schön abrupt aufleuchten, muss allerdings noch an jeder LED ein 3k3 Widerstand parallel geschaltet werden. Das Problem war aber, wenn die Lautstärke am Lautsprecherausgang verstellt wird, dann ist entweder die Balkenanzeige übersteuert, oder es leuchten nur noch die ersten 2 bis 3 LEDs. Abhilfe schafft ein relativ schneller ALL (Audio Level Limiter). Das ist der untere Teil der Schaltung. Für eine gute Optik sind 100nF genau passend. Jetzt funtzt's richtig gut, egal bei welcher Lautstärke. 😃
Könnte man auch AGC nennen (automatic gain control), unter dem Namen kenne ich solche Schaltungen.
Ben B. schrieb: > Könnte man auch AGC nennen (automatic gain control), > unter dem Namen kenne ich solche Schaltungen. Die gabs früher in jedem Kassettenrekorder.
Moin, Statt dem Aal wirds wohl auch ein Logarithmierer tun; also z.B. 'n PN-Uebergang, wo man die Amper reinskillt und die Volt raus ;-) Gruss WK
Die Amper kann man nur hochskillen, nicht reinskillen. Sonst geht sie über die Wupper.
> Wupper
Da gabs mal einen Nachbarschaftsstreit.
Ein Gartenzwerg hielt ein Schild mit der Aufschrift "Pfälzer in die
Pfalz, Wuppertaler in die Wupper" Der Nachbar kam wohl aus Wuppertal.
Funktioniert z.B. auch mit "Saarländer".
Christoph db1uq K. schrieb: > Funktioniert z.B. auch mit "Saarländer". Nunja, Flüsse sind sehr oft Namensgeber für Orte und Gebiete.
Bitte melde dich an um einen Beitrag zu schreiben. Anmeldung ist kostenlos und dauert nur eine Minute.
Bestehender Account
Schon ein Account bei Google/GoogleMail? Keine Anmeldung erforderlich!
Mit Google-Account einloggen
Mit Google-Account einloggen
Noch kein Account? Hier anmelden.











