Moin, bin bein googeln auf folgende Seite gekommen: DSO für wenig Geld http://www.freeduino.de/de/blog/digitales-speicher-oszilloskop-im-selbstbau-für-22-euro O.k. ist nichts für Vollprofis. Aber um klein anzufangen lohnt sich die Anschaffung vieleicht. Laut mail vom Vertreiber kostet das Teil inkl. Versand 36$ (nach Deutschland!!!) ? Kennt jemand dieses Teil. Dirk
Ist halt die Frage, was man damit anfangen will. Mit 2MS/s kann man halt max. ein Signal von 200kHz sinnvoll darstellen. 256 Bytes Speichertiefe ist natürlich auch nicht der Hit ... Gruß, Marcus
Eher Spielzeug als Werkzeug ... Gut, zum gucken "ob ein Signal anliegt" vllt. noch brauchbar, aber mehr auch nicht.
Für das Geld ist das OK. Wenn ich mir die Schalter, die Platine und das erzeugte Bild auf dem LCD anschaue, dann sieht das ganze sehr gut durchdacht aus. Mich würde mal der verbaute µC interessieren. Sieht nach etwas größerem aus. Die 256Byte kommen mir daher etwas wenig vor. Sind vielleicht durch das LCD begrenzt.
Meiner Meinung nach kann es fast nicht sein, dass man das DSO für 33$ bekommt. Alleine das Display kostet normalerweise schon so viel. Wo liegt der Haken?
>Laut mail vom Vertreiber kostet das Teil inkl. Versand >36$ (nach Deutschland!!!) Ich kann der webseite was anderes entnehmen: das DIY set kostet 31$ bzw 40 mit aufgelöteten IC's. Wenn man sich die Porto-tabelle anschaut kommen dann noch mal 25$ nach Westeuropa hinzum, Das ergibt für mich 56 Dollar oder laut aktuellem Dollarkurs (Stand: siehe Postdatum) 43,84 €. MfG J.K.
>Das ergibt für mich 56 Dollar oder laut aktuellem Dollarkurs (Stand: >siehe Postdatum) 43,84 €. Wobei ich immer noch nicht glauben kann, dass man es für das Geld bekommt, weil normalerweise die Display's schon teurer sind. Wär schön, wenn es mal jemand ausprobiert.
Kann jemand die Webadresse des Osziherstellers lesen: http://us.st12.yimg.com/us.st.yimg.com/I/yhst-82942516561161_2042_258961 Ist es diese hier?: http://www.iyetech.com/
Das scope von ulrich radig ist schon um einiges brauchbarer. Hat aber kein Display ;)
will ja nichts sagen, aber wenn ich mir das Bild vergrößert ansehe, sieht der IC nun nicht grad sauber verlötet aus... Ob das wohl in den käuflichen Versionen ebenfalls so ist? http://www.jyetech.com/Products/LcdScope/LCD_Scope_Kit.jpg
Ihr müsst mal betriebswirtschaftlich denken: Für einen Verkaufspreis von ca. 40 € bekommt man bei uns vielleicht gerade mal das Material für das Oszi. Da hat die Firma noch nichts daran verdient. Für diesen Preis eine MiniOszi mit den angegebenen Daten zu entwickeln ist schlichtweg eine Kunst und für viele einfache Messanwendungen dürfte das Oszi ausreichend sein.
J. K. wrote: >>Laut mail vom Vertreiber kostet das Teil inkl. Versand >>36$ (nach Deutschland!!!) > Ich kann der webseite was anderes entnehmen: Du bist dem falschen Link gefolgt: http://www.seeedstudio.com/depot/digital-storage-oscilloscope-with-panels-p-167.html $49 + $4.35 Versand fuer das fertige Geraet. Leider scheint der Bausatz aus zu sein...
Das habe ich als mail bekommen. Hi Dirk, total cost is approx $38. (Für das Kit mit aüfgelöteten µP und Quarz.) Best Regards NKC Electronics Dirk Hier der Link zum bestellen. http://www.nkcelectronics.com/
Peter Stegemann wrote: > J. K. wrote: > >>>Laut mail vom Vertreiber kostet das Teil inkl. Versand >>>36$ (nach Deutschland!!!) >> Ich kann der webseite was anderes entnehmen: > > Du bist dem falschen Link gefolgt: > > http://www.seeedstudio.com/depot/digital-storage-oscilloscope-with-panels-p-167.html > > $49 + $4.35 Versand fuer das fertige Geraet. > > Leider scheint der Bausatz aus zu sein... Naja, einen anderen, über flasch lässt sich streiten, ist ja keiner angegeben. Ich hab den ersten von dem Thread genommen, zu dem Dirk Willner den Blog gepostet hat. Meine Rechnung bezieht sich auf: http://www.jyetech.com/en/default.html MfG J.K.
J. K. wrote: > Meine Rechnung bezieht sich auf: > http://www.jyetech.com/en/default.html Ja, die habe ich vor Wochen mal gefunden und mich ueber die zu hohen Versandkosten geaergert. Bei Seeed habe ich mich geaergert, weil der Bausatz nicht mehr verfuegbar war und bei NKC habe ich jetzt geordert - mit unter $40 passt das Ganze naemlich noch unter die schweizer Zollgrenze ;-)
Dann sei so nett und poste deine Erfahrung mit dem Bausatz. Ich bin mir noch nicht ganz sicher, ob ich ordern soll. Habe bei Ulrich Radig nachgefragt, ob man ein Display nachträglich anschließen kann. Antwort: Hallo, natürlich sollte es noch möglich sein an den freien Ports des AVRs ein Display anzuschließen. Entwickler sind immer gerne willkommen. Jetzt sind die Spezialisten gefragt. Vieleicht kümmert sich jemand darum? http://www.ulrichradig.de/home/index.php/avr/avr-dso Gruß Dirk
Dirk Willner wrote: > Dann sei so nett und poste deine Erfahrung mit dem Bausatz. > Ich bin mir noch nicht ganz sicher, ob ich ordern soll. Das kann natuerlich noch Wochen dauern. Und ich kann dann auch nur allgemeine Qualitaetsfragen beantworten, ob das Ding dir gefaellt, werde ich nicht beurteilen koennen ;-) Wenn man hier manche Oszi-Diskussionen verfolgt, geht unter 4-Kanal 200MHz in der Mikrocontroller-Entwicklung ja sowieso nix...
Dirk Willner wrote: > Habe bei Ulrich Radig nachgefragt, ob man ein Display nachträglich > anschließen kann. > > Antwort: > Hallo, > natürlich sollte es noch möglich sein an den freien Ports des AVRs ein > Display anzuschließen. Entwickler sind immer gerne willkommen. > Ich habe das Teil von Radig gekauft und aufgebaut. Der Support von Herrn Radig liegt wohl nur beim Verkauf. Entwicklersupport gibts nicht. Ich habe jedenfalls nie Antwort auf meine Fragen bekommen. Meines Erachtens ist ein Nachrüsten eines Displays ein komplettes Redesign.
Dieter Engelhardt wrote:
> Der Support von Herrn Radig liegt wohl nur beim Verkauf.
Das ist doch klar. Schaut man sich nurmal seine Seite an, da wird für
viele Projekte schnell eine Software zusammengeklatscht, damit er seine
Sachen besser verkaufen kann. Dieses Forum missbraucht er nur als
Werbeplattform.
Ein DSO zum Selbstkostenpreis inkl. Software. Und Ihr beschwert Euch über fehlenden Support ??? Wenn Ihr 200 oder 300 EURO gelöhnt hättet, könnte ich das ja noch nachvollziehen. Ihr habt einen Bausatz gekauft. Kein Fertiggerät mit 20 Jahren Garantie und 24h/7T Support. Macht mal das es geht.
Stephan Henning wrote: > Ein DSO zum Selbstkostenpreis inkl. Software. > Und Ihr beschwert Euch über fehlenden Support ??? Mit Support habe ich wohl das falsche Wort gewählt. Ich beziehe mich auf die Antwort von U.R > Entwickler sind immer gerne willkommen. Das war bei mir nicht der Fall. Nachdem die Software von U.R eher rudimentär ist und Dokumentation keine vorhanden ist, habe ich mehrfach versucht Kontakt mit U.R herzustellen um für die Hardware, die er vertreibt, eine neue und bessere Software zu entwicklen. Unter anderem auch in den von ihm betriebenen Forum. Keine Antwort! Was denkt Ihr, wird passieren wenn jemand da noch ein Display dran bauen will???
> Was denkt Ihr, wird passieren wenn jemand da noch ein Display dran bauen > will??? Derjenige wird seine Software selber schreiben müssen. Wie wir alle, wenn wir etwas selber bauen wollen. Ich kann mich nicht erinnern, dass Herrn Radig behauptet ein fertiges DSO anzubieten, oder eine fertige Software. Aber es ist halt immer das gleiche. Erst reden sich die Leute vor dem Kauf das Produkt schön, bis es in ihrer Einbildung genau so ist, wie sie es sich erträumen, dann wundern sie sich nach dem Kauf, dass die Methode Pipi Langstrumpf "Ich mach' mir die Welt Widdewidde wie sie mir gefällt" auch durch heftiges Fußaufstampfen nicht funktioniert. Den Super-Deal machen wollen, kleverer sein wollen also alle anderen DSO-Käufer, das absolute Ding durchziehen wollen, aber nicht mal die Grunddaten eines Oszilloskops oder gar was es mit der Bandbreite rechteckiger Signale auf sich hat, verstehen. Und komm mir keiner mit einem "aber bei mir zeigt es was an". Wer glaubt, mit dem jyetech ein für das Arbeiten an MCUs nutzbares Oszilloskop zu bekommen, für den habe ich nur ein Wort: BUHAHAHAHAHAHAHA
Norgan wrote: > Wer glaubt, mit dem jyetech ein für das Arbeiten an MCUs nutzbares > Oszilloskop zu bekommen, für den habe ich nur ein Wort: BUHAHAHAHAHAHAHA Du haettest dich ja mal erkundigen koennen, wofuer ich das Ding eigentlich bestellt habe - aber offensichtlich bist du nur einer von den Hardware-Snobs die hier zu dutzenden rumlaufen.
Nun mal nicht so hart...Miteinandaer
Ich habe nur nachgefragt...
1. --> Kann man das Teil von KNC (billig-teil) Benutzen???
--------------------------------------------------------------------
DSO von Ulrich Radig:
2. Von Ulrich Radig habe ich eine Antwort bekommen.s.o.
3. Wenn Ulrich Radig Interesse hätte,.., könnten einige doch mal
schreiben an Ulrich Radig. Vieleicht hat er ein paar Tips.
4. Ist nur eine Idee von mir. Das, Ulrich-Teil kann etwas mehr.
Allerdings nur unter Windooofs.. und noch sind keine Tasten außen..
Wer Probs auf Anfragen--> Ulrich Radig hatte, sollte vieleicht einmal
...etwas ruhiger schreiben.....
Nein, ich kenne Ulrich Radig nicht , nur ein E-Mail-Kontakt,
der aber auch ein wenig kurz gehalten war..
das beziehe ich aber auf meine Anfrage, die sich nur auf ein
anfrickeln eines Displays bezog.....
Vieleicht kann der eine oder andere estwas bewerkstelliegen...
Nicht böse sein..
Dirk
gast wrote: > Dieter Engelhardt wrote: > >> Der Support von Herrn Radig liegt wohl nur beim Verkauf. > > Das ist doch klar. Schaut man sich nurmal seine Seite an, da wird für > viele Projekte schnell eine Software zusammengeklatscht, damit er seine > Sachen besser verkaufen kann. Dieses Forum missbraucht er nur als > Werbeplattform. Des halte ich fürn Gerücht bei den preisen sieht des nach Selbstkosten preis aus auserdem kanste es ja selber bauen er bietet nur die passenden Platinen zu seinen Projekten an auserdem hat er nen Forum wo er eigentlich immer antwortet.
Dirk Willner wrote: > Ich habe nur nachgefragt... > 1. --> Kann man das Teil von KNC (billig-teil) Benutzen??? Ich habs mir grad mal geordert. ca. 30€ incl. Versand. Da kann man nicht wirklich viel falsch machen. Und wie oben bereits erwähnt, einfach mal ein Audiosignal ansehen. Dafür wirds schon taugen ;-) Und wenn ich meinen Spaß damit gehabt habe, verschenk ich es einfach an einen jungen Bastler. ;-) > -------------------------------------------------------------------- > DSO von Ulrich Radig: > 3. Wenn Ulrich Radig Interesse hätte,.., könnten einige doch mal > schreiben an Ulrich Radig. Vieleicht hat er ein paar Tips. > > 4. Ist nur eine Idee von mir. Das, Ulrich-Teil kann etwas mehr. > Allerdings nur unter Windooofs.. und noch sind keine Tasten außen.. > > Wer Probs auf Anfragen--> Ulrich Radig hatte, sollte vieleicht einmal > ...etwas ruhiger schreiben..... > Ich habe sicher mein Anliegen beim Kontakt mit U.R. freundlich vorgetragen. Mein Anliegen war, eben die PC-Software auf Java zu portieren um eine Platformunabhängigkeit zu ereichen. Ich habe versucht ihn in mehreren Mails vom dem Mehrwert der Offenlegung der Schnittstelle zu überzeugen. Denn dann wäre die Hardware eben auch für Linux und Mac interessant. -> No Response > Nicht böse sein.. Bin ich auch nicht. ;-) > Dirk Dieter
Wäre ich der Ulrich würde ich auf solche Quengeleien auch nicht eingehen. Mach dies, mach das das. Nö, warum sollte er?
Hallo, ich beantworte vielleicht keine E-Mail, weil ich ein Forum habe bei denen sich die Leute beteiligen können. Ich will die Fragen nicht immer und immer wieder beantworten. Wisst Ihr wieviele E-Mail ich am Tag bekomme! Ich gehe nebenbei auch arbeiten und habe eine Familie. Meinen Shop betreibe ich nur nebenbei und der ist für BASTLER nicht für Profis. Das DSO ist wie alle meine Anwendungen für Bastler. Sogar Telefonanrufe am WE nehme ich entgegen und lasse mich gerne von Fragen beriseln. Aber allen kann man es nie recht machen oder?? @NETDIETER ich bin von deiner Software schon beeindrukt. Das Befehlsinterface vom DSO ist offen gelegt und kann ohne Probleme erweitert werden einfach mal cmd.c und cmd.h anschauen. Für Fragen habe ich in meinem Forum sogar eine Rubrik angelegt. Gruß Uli
Mails einfach nicht beantworten ist IMO das Unhoeflichste, was man in der Online-Welt machen kann. Auf deinen Seiten findet man keinen Hinweis darauf, dass der Shop nur ein Hobby ohne Service ist und man bei Fragen bitte das Forum benutzen soll. Wer sich also per Mail an dich wendet und keine Antwort bekommt, haelt dich zu Recht fuer unhoeflich. Das ist das gleiche Problem wie mit dem "AVR-Studentenshop": Ein paar klare Worte auf der Shop- & Kontaktseite wuerden beiden Seiten viel Frust und Aerger ersparen.
Hallo, Fragen bezüglich des Shops beantworte ich immer. Support, wie löte ich das IC ein, oder wie herrum wird der Widerstand eingelötet, gebe ich nicht. Und es gibt auch Leute die es für unhöflich erachten nicht innerhalb von 10min. auf Ihre Email eine Antwort zu erhalten. Sollte es sich um einen Fehler meinerseits Handeln, stelle ich es immer klar und antworte auf die EMail. Fehler versuche ich auch immer nachzuvoll ziehen und zu beseitigen. So Herr Stegemann ich hoffe Sie erhalten mal am Tag 1000 Emails, 7 mal die Woche und dann nenne ich Sie Unhöflich das Sie meine Email nicht beantworten. Gruß Uli
Peter Stegemann wrote: > Mails einfach nicht beantworten ist IMO das Unhoeflichste, was man in > der Online-Welt machen kann. Hintergrund hat er ja nun erläutert, und ist auch nachvollziehbar. > Auf deinen Seiten findet man keinen Hinweis > darauf, dass der Shop nur ein Hobby ohne Service ist und man bei Fragen > bitte das Forum benutzen soll. Wer sich also per Mail an dich wendet und > keine Antwort bekommt, haelt dich zu Recht fuer unhoeflich. Das ist das > gleiche Problem wie mit dem "AVR-Studentenshop": Ein paar klare Worte > auf der Shop- & Kontaktseite wuerden beiden Seiten viel Frust und Aerger > ersparen. Wie er selber sagt: Man kann es nicht jedem Recht machen. Und den Teilnehmern dieses Forums meistens garnicht. @ U.R. : Weiter so, finde ich gut!
Ulrich Radig wrote: > @NETDIETER > ich bin von deiner Software schon beeindrukt. Das Befehlsinterface vom > DSO ist offen gelegt und kann ohne Probleme erweitert werden einfach mal > cmd.c und cmd.h anschauen. Für Fragen habe ich in meinem Forum sogar > eine Rubrik angelegt. > > Gruß > Uli Hallo Uli, schau mal da: http://www.ulrichradig.de/site/forum/viewtopic.php?f=36&t=1242 Ich habe mich auch durch die sourcen gearbeitet. Aber ein Kommentar von Deine Seite wäre sicher hilfreich gewesen. Da es aber zeimlich mühselig ist, sich grad bei so einer Harwarekopplung per Try and Error vorwärst zu hangeln, hab ich irgendwann die Lust verloren weiter zu machen. Sorry, aber mE wäre etwas zusätzliche Doku von Deiner Seite sehr hilfreich gewesen.
Ich finde das DSO von Ulrich auch interessant, ebenso wie das aus den USA. Hat ich schon neugierig gemacht. Zum Thema, dass das mit dem Preis so nicht sein kann weil ja schon das Display so teuer ist: Das gilt vielleicht für Deutschland und co aber in den USA gelten andere Preise. Wenn ich nur an mein Motorrad denke, in den USA kostet das neu nur die Hälfte im Gegensatz zu hier, von daher: Immer schön den Ball flach halten ;)
>Sorry, aber mE wäre etwas zusätzliche Doku von Deiner Seite sehr >hilfreich gewesen. Du solltest bedenken, dass das DSO zum benutzen gedacht ist und nicht unbedingt, dass man dran rumfrickelt und es verbessert. Von daher, sei froh, dass du in den Source-Code rein schauen kannst. Das ist schonmal nicht selbsverständlich.
Peter Stegemann wrote: > Mails einfach nicht beantworten ist IMO das Unhoeflichste, was man in > der Online-Welt machen kann. Auf deinen Seiten findet man keinen Hinweis > darauf, dass der Shop nur ein Hobby ohne Service ist und man bei Fragen > bitte das Forum benutzen soll. Wer sich also per Mail an dich wendet und > keine Antwort bekommt, haelt dich zu Recht fuer unhoeflich. Das ist das > gleiche Problem wie mit dem "AVR-Studentenshop": Ein paar klare Worte > auf der Shop- & Kontaktseite wuerden beiden Seiten viel Frust und Aerger > ersparen. Um das hier nochmal deutlich dar zu stellen: Ich kritisiere hier nicht, keinen Support bekommen zu habe, da es mir sehr wohl bewußt ist, dass es sich hierbei um ein Hobbyentwicklung dreht und nicht ein fertiges Produkt. Ich war mit großer Begeisterung dabei, als ich über das Projekt gestolpert bin. Und wie bereits erwähnt, war meine Idee, das Projekt auf einen neuen Level zu heben. Siehe: Beitrag "Re: 40/50MS/s AVR Digital Storage Oscilloscope" und Beitrag "Entwicklung eines Labview-Clones als Eclipse-RCP" Ich will hier auch niemandem auf die Füße treten, sondern wollte nur darauf hinweisen, dass die Idee, das Projekt von U.R. um ein Display zu erweitern, eine Aufgabe ist, die nicht ohne ist.
Ulrich Radig wrote: > So Herr Stegemann ich hoffe Sie erhalten mal am Tag > 1000 Emails, 7 mal die Woche und dann nenne ich Sie Unhöflich das Sie > meine Email nicht beantworten. Wie das Siezen in Foren aufgefasst wird, ist Ihnen sicherlich klar.
Das wollte ich nicht so "anstoßen".
Aber doch ein Interessantes Thema. Es sind 2 Order im Umlauf. (KNC)
Abwarten...
Von U.R. -DSO-
Dieses DSO...könnte Mann/Frau erweitern.
Mit der Hilfe aller, die vieleicht ein wenig Lust
zum frickeln haben....
Forum U.R besuchen, nachfragen, und ein DSO unter 100 €
mit Display, Monitor- Ausgabe (das schon (teilweise vorhanden)
ist weiter zu entwickeln.....
Eine Ideee.
Dirk
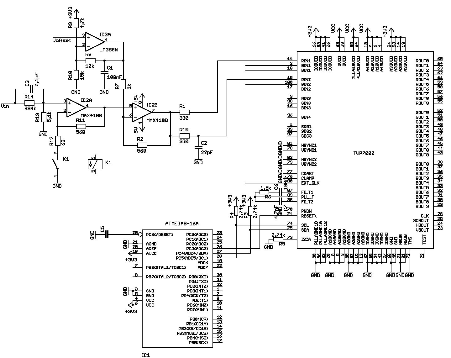
Hier noch eine weitere Idee für ein Low Cost Oszi: FPGA + Video ADC Prinzipiell läuft das ganze bei mir schon mit 150MS/s, leider musste ich das Projekt aus Zeitgründen aber erstmal beiseite legen. Das teuerste an dem ganzen sind die analogen Eingangsstufen. Als FPGA reicht ein ganz kleiner, z.B. ein XC3S50AN (ca. 10€), als ADC habe ich den TVP7000 verwendet, der für rund 6€ (ja: 6€ für ein 3 Kanal 150MHz 10bit ADC!) erhältlich ist. Dazu noch 2-3 Video OPs für jeden Kanal (je etwa 2-5€), ein Bereichsumschalter, usw. und fertig ist das DSO Frontend. Das ganze kann man jetzt noch mit einem µC+LCD oder mit einem USB Interface erweitern und fertig ist das komplette Oszi. Obwohl das ganze bei mir momentan auf Lochraster aufgebaut ist, waren die ersten Ergebnisse sehr beeindruckend, da kaum Rauschen auf dem Signal, wie man an dem 150kHz Rechteck erkennen kann.
Viel mehr Details gibts nicht, denn abgesehen von dem ganzen Kleinzeug wie Spannungsregler, Taktoszillator usw. besteht das ganze momentan wirklich nur aus einem FPGA und dem ADC. Das ganze funktioniert in etwa so: Der ADC läuft konstant mit der eingestellten Samplerate die entweder im FPGA mittels PLL aus einer Taktquelle oder im TVP aus einem Referentakt erzeugt wird. Der FPGA sampled kontinuierlich in den internen BlockRAM (das wären beim XC3S50AN etwa 2kSamples pro Kanal, nicht viel aber für die meisten Sachen ausreichend wenn man nicht gerade irgendein Ereignis nachträglich stark vergrößern möchte), und sampled nach dem Triggerereignis noch eine einstellbare Anzahl an Samples. Somit ist der Triggerzeitpunkt beliebig innerhalb des Bildes positionierbar. Anschließend werden die Daten per UART an den PC übertragen. Vom PC kommt das Startsignal und die ganzen Einstellungen (Samplerate, Offset, Pretrigger, Triggereinstellungen usw.). Die Eingangsstufe ist denke ich der aufwendigste Teil, wenn man bis etwa 50-100MHz gehen möchte, vor allem die Bereichsumschaltung. Da der TVP7000 intern einen Verstärker hat, der von -6dB bis +6dB (also Faktor 0,5-2) einstellbar ist, sollte ein Vorteiler mit 1-2 Dekaden ausreichen. Momentan bin ich bei der Planung der Analogstufe.
Das Projekt ist schon irgendwie süs, aber es ist auch ein Beispiel was passiert, wenn man einen Mikrocontroller mit Java vergewaltigt. Aus 3kb des verbleibenden SRAMs des ATmega64 (abzüglich 128*64/8=1kbyte fürs Display) werden 256 Byte Speicher für die Samples rausgeholt, sprich etwa 90% des Speichers geht für Java drauf. Irgendwie schon traurig, wie die Leute Resourcen verschwenden, indem sie eine Hochsprache verwenden.
Ich wrote: > Das Projekt ist schon irgendwie süs, aber es ist auch ein Beispiel was > passiert, wenn man einen Mikrocontroller mit Java vergewaltigt. > Aus 3kb des verbleibenden SRAMs des ATmega64 (abzüglich 128*64/8=1kbyte > fürs Display) werden 256 Byte Speicher für die Samples rausgeholt, > sprich etwa 90% des Speichers geht für Java drauf. > Irgendwie schon traurig, wie die Leute Resourcen verschwenden, indem sie > eine Hochsprache verwenden. Weist Du eigentlich über was Du hier sprichst? Java wurde nur im Zusammenhang mit der PC-Komponente erwähnt!
>XC3S50AN (ca. 10€), ..... >Obwohl das ganze bei mir momentan auf Lochraster aufgebaut ist .... Wie bekommst Du denn das FPGA auf die Lochrasterplatine?
zero wrote: > Wie bekommst Du denn das FPGA auf die Lochrasterplatine? Mit sowas hier: Beitrag "[V] SMD Adapterplatinen" Avr Nix wrote: > Woher bekommt man den TVP7000 Digikey oder direkt bei TI > und welche OPV hast du verwendet ? Noch keinen. Bisher ist da nur ein Spannungsteiler aus ein paar Widerständen dran.
>Mit sowas hier: >Beitrag "[V] SMD Adapterplatinen" Nicht schlecht, wenn der Beitrag auch schon etwas älter ist. Mit welcher Geschwindigkeit könnte man wohl die Daten des ADC in einer ARM LPC2xxx beamen, sodass man ein FPGA vermeiden könnte?
Mit PIC24H/dsPIC33 müssten bei 2x8bit eigentlich bis 40M/s pro Kanal drin sein, da ein 16bit Move vom Port zum Speicher 1 Takt braucht. ARM7 braucht ohne DMA schon vom Core her 3 Takte für's Laden und 2 Takte für's Speichern, zzgl möglicher Wartezyklen für den Portzugriff. Ist also wesentlich langsamer.
Die Hardware-Schleife ist nützlich, aber ohne ginge auch. Wenn genug RAM dann i.A. auch genug ROM um ganz langweilig ein paartausend gleiche Befehle hintereinander zu stapeln.
>Ja, das mit den dsPICs sollte gehen, dank der Hardware Schleife. Und RAM >haben die ja auch genug. d.h. mit einem dsPIC und einem externen ADC sollte sich das kostengünstigste DSO bauen lassen. Schade, dass die ARMs in der Hinsicht so langsam sind, die währen günstig und die Entwicklungstools teilweise umsonst. Was muss man eigentlich für einen dsPIC rechnen?
zero wrote: > Was muss man eigentlich für einen dsPIC rechnen? Auch nicht viel mehr als für einen ARM. Die 33er kosten um die 5-15€ je nach Größe. Schau mal auf der Microchip Seite, da sind Preise angegeben. Die etwa x2 dann hat man die Preise in € für kleine Stückzahlen. PS: Für MPLAB gibts auch einen kostenlosen Compiler für die dsPICs in der Studentenversion die minimal eingeschränkt ist in der Optimierung (fällt kaum auf).
Die kriegt man auch ganz bequem bei TME. Ein paar Cent billiger auch unter dem Namen PIC24H. Die DSP-Eigenschaft ist hierfür nicht unbedingt nötig. Die Studentenversion gilt nicht nur für Studenten. Nur sollte man das Resultat dann nicht verkaufen wollen.
@Benedikt, hast Du Lust Dein Projekt als Artikel zu veröffentlichen ?? Das wäre doch mal was für das Forum !! Du hast wenig Zeit dafür. Aber die Gemiende als solche hat sie. Wenn die Quellen offen sind, solltest Du auch keine Prob. mit tausenden Mails haben. Ich kann das Gejammer mit dem DSo vom Ulrich nicht mehr hören. Die kaufen nen Bausatz für 30 € und wollen Support und Quellen mit Hilfestellung rund um die Uhr. Kann doch alles nicht sein. Wenn Dein DSO Projekt sooo günstig ist, warum nicht Online ?? Vielleicht schafft es ja die Geminede doch mal was gemeinsames zu entwickeln. Der Mini La scheint doch der erste Vertreter der Gattung zu werden. Hab Mut. Besserwisser gibt es immer. Stephan
ps.: es sollte doch möglich sein, mit dem geballten Wissen aller hier eine Grundaustattung an Meßtechnik günstig aufbauen zu können. Jeder von den "Profis" hier hat sich doch selber Meßtechnik gebautund entwickelt. Ist es denn soooo schwer das jeder etwas beisteuert ?? Es wäre wirklich schön, wenn wir hier mal einen kleinen Grundstock an Meßtechnik zum Selberbauen in Form von Artikeln hin kriegen würden. In Form von Kompromissen, ohne sich zu streiten ob nun 50 Ms/s reichen oder 1 Gs/s gerade noch aureichend ist. So viel geballte Intelligenz hier....
@Benedikt >Prinzipiell läuft das ganze bei mir schon mit 150MS/s also in der "Liga" wird ein Nachbau für mich interessant. Ich drück Dir die Daumen, für gutes Gelingen. @stephan (Gast) >Der Mini La scheint doch der erste Vertreter der Gattung zu werden na ja, eigentlich sind dort auch immer die selben "Zugpferde" vorne. Wigbert
Hi, sehr interessant die ganze Geschichte. Finde die Idee mit dem PIC33 ganz gut. Den DAC könnte man für den OPAMO Offset verwenden.
@ Benedikt @ all das ist ja nun ein Thema, das man näher betrachten sollte. Ich bin gerne bereit mitzuwerkeln (DSO für wenig Geld und gute Funktion) Layout-Erstellung o.ä. Fangen wir an..... oder? Dirk
Nur um nochmal eines klarzustellen: Mein Aufbau ist ein absoluter Prototyp, die Software ist Quick&Dirty, an einem Abend geschrieben, da ich sehen wollte ob es wirklich so einfach ist ein DSO mit einem FPGA zu bauen. Der VHDL Code ist einfach nur aus anderen Projekten zusammenkopiert. Das gleiche gilt auch für die Hardware. Ich habe das verwendet, was schon rumlag. Darauf aufzubauen ist keine gute Lösung. Von daher wäre es besser strukturiert komplett von vorne anzufangen (was auch nicht weiter schlimm ist, denn die Schaltung besteht ja bisher nur aus 2 ICs). Was ich geplant hatte (für irgendwann in ferner Zukunft), war eine Platine mit einem kleinen FPGA, dem ADC, und der analogen Eingangsstufe und auf der anderen Seite irgendeine digitale Ausgangsstufe nach draußen.
Dirk Willner wrote: > @ Benedikt > > @ all > > das ist ja nun ein Thema, das man näher betrachten sollte. > Ich bin gerne bereit mitzuwerkeln (DSO für wenig Geld und gute Funktion) > > Layout-Erstellung o.ä. > > Fangen wir an..... oder? > > Dirk Nichts gegen deinen Aktivismus, aber in aller Regel verlaufen solche Gemeinschaftsprojekte im Sand, weil jeder seine eigenen Vorstellungen hat.
Simon K. wrote: > Nichts gegen deinen Aktivismus, aber in aller Regel verlaufen solche > Gemeinschaftsprojekte im Sand, weil jeder seine eigenen Vorstellungen > hat. Stimmt, die meisten Projekte hier werden von einer Person entwickelt und dann fertig hier reingestellt. Und meistens haben die Leute dann auch keine Lust noch großartig Doku zu schreiben - weil sie nichts davon haben, da meistens alle selbst benötigten Features bereits von ihnen entwickelt wurden. Und eine echte Weiterentwicklung von anderen findet nur bei sehr wenigen Projekten statt.
Oje, oje
was haben wir getan....
eigentlich wollte ich nur ein Haken setzen, um das Projekt zu verfolgen
>Mein Aufbau ist ein absoluter Prototyp
und ich muss Benedikt beistehen. Die wenigsten wissen welche "Gefahren"
ein Gerät mit den Frequenzen mit sich bringt. Das fängt von der
Bauelementeauswahl an, bis zum professionellen Routen. Sowas macht man
nicht eben mal so nebenbei. Und Idiotensicher(Sorry der Ausdruck),
muss dann alles auch aufzubauen sein.
Ich denke zur gegeben Zeit wird schon etwas veröffentlicht werden.
Wigbert
Ich denke ein modularer Aufbau würde helfen die Arbeit aufzuteilen und auch eine gewisse Flexibilität erlauben. Für ein DSO bietet sich also Untergliederung vielleicht folgendes an: * Analoge Eingangsstufe * Datenerfassung * Darstellung und Weiterverarbeitung Wenn nun jemand eine gute analoge Eingangsstufe basteln kann (imho das Schwierigste) und die jedem zur Verfügung stellt kann der eine immer noch DA-Wandler + FPGA und der andere nen Mikrocontroller hernehmen um die Daten zu erfassen. Einer möchte dann vielleicht ein Display anschließen, der andere Überträgt die Daten an den PC und stellt sie mit einem Programm dar. Wenn einer damit anfängt und es gut Dokumentiert ist der Einstieg für andere auch nicht so schwer und es besteht eine gute Chance, dass es jemand erweitert. Gibt es in Open Source Software Projekten ja oft genug.
Spricht was gegen die Variante mit FX2+FPGA+analoge Endstufe? oder wird man da zu eingeschränkt? Aber rein überschlagsmäßig wird man mit nem Controller dazwischen auch nicht schneller...(sollten wir nicht einen neuen Thread aufmachen? Doch viel interrese hier :) )
Hallo, ich finde es schade, wie die DSO von U.R. hier so runtergemacht wird. Auf der Suche nach einem Selbstbau DSO für den Hobbybereich bin auch auf div. Projekte im Netz gestoßen u.a. ist das von U.R. das für mich am besten geeignete. Da man hier eine fertig gelayoutete Platine und die wichtigsten Bauteile direkt bestellen kann. Mehr als eine Inbetriebnahme Software würde ich an U.R.´s Stelle auch nicht anbieten, da hier für jeden selbst die Herausforderung liegen sollte es für seine persönlichen Bedürfnisse anzupassen. Selbstverständlich ist dies gerade für einen Anfänger schwierig, aber haben wir nicht alle einmal angefangen. Einzige Kritik, welche ich an U.R. äußern möchte ist, dass er seine Software sehr sparsam Kommentiert. Bei einigen Vorgehensweisen ist das Vorhaben nicht sofort erkennbar und bedarf einwenig grübeln. Aufruf an alle Kritiker : Ich erwarte von jedem Kritiker hier binnen der nächsten 8Wochen eine bessere Lösung. Ansonsten haltet einfach eure Klappe, denn nur konstruktive Kritik macht Sinn in diesem Forum.
Sebastian S. wrote: > Ich denke ein modularer Aufbau würde helfen die Arbeit aufzuteilen und > auch eine gewisse Flexibilität erlauben. Für ein DSO bietet sich also > Untergliederung vielleicht folgendes an: > > * Analoge Eingangsstufe > * Datenerfassung > * Darstellung und Weiterverarbeitung > Das ist eine Gute Idee. Aber warum das Rad neu erfinden? Es sind genug Projekte im Web, die offen sind. Auch das von Ulli R. oder vieleicht das von benedikt, wenn er dazu bereit ist. > Wenn nun jemand eine gute analoge Eingangsstufe basteln kann (imho das > Schwierigste) und die jedem zur Verfügung stellt kann der eine immer > noch DA-Wandler + FPGA und der andere nen Mikrocontroller hernehmen um > die Daten zu erfassen. Einer möchte dann vielleicht ein Display > anschließen, der andere Überträgt die Daten an den PC und stellt sie mit > einem Programm dar. Eine analoge Eingangsstufe... da sind einige frei verfügbar. Kann man ja ausbauen, modifizieren. Und Modular ist o.k. Dann könnte man versuchen die einzelnen Module einseitig, und somit für Jedermann/Frau zu layouten. > > Wenn einer damit anfängt und es gut Dokumentiert ist der Einstieg für > andere auch nicht so schwer und es besteht eine gute Chance, dass es > jemand erweitert. Gibt es in Open Source Software Projekten ja oft > genug. Warum nicht damit anfangen? Es möchten sich bitte alle melden, die wirklich Interesse haben, und daran mitarbeiten möchten. Eventl. ein neues Thema: Selbstbauprojekte 2009 o.ä. Dirk
@Dirk Willner >Eine analoge Eingangsstufe... da sind einige frei verfügbar. U.a. auch von mir mit OPA656... Aber viel Resonanz gab es auf meinen Schaltplan ja nicht. DSO für 100 EURO ist bei kleinen Stückzahlen schon sehr ambitioniert. Der von Benedikt genannte ADC ist schon nett (wirklich gut versteckt auf der TI Seite, ich kannte bisher nur den ADS830) aber der Rest kostet auch ganz ordentlich. Oder man muss sich eben mit einigen 10 MHz Grenzfrequenz und kleinem Engangsspannungsbereich zufrieden geben, dann kann man vieles durch einen Variable-Gain-Amplifier abdecken. Aber Gehäuse und Prüfspitzen kosten auch etwas... Und dann die vielen Meckerer -- der USBPROB von Sauter und das DSO von Radig war vielen ja auch schon zu teuer. Billig ist eben nur Massenware auch China.
@ All Keiner Lust am frickeln? @ Stefan maile den Plan bitte.. Auf das , dieses Projekt erwache..... Dirk
>@ Stefan >maile den Plan bitte.. Den Link hatte ich gepostet, Herbst 2008. Und nochmals im Zusammenhang mit Radigs DSO. Oder unter "Sonstiges" of meiner Homepage.
Hallo Zusammen, um sich der Sache anzunähern, wäre es vielleicht nützlich, mit dem Pollin-CPLD Board einen Versuchsaufbau zu machen. Es ist relativ günstig und hat eine serielle Schnittstelle. Ich werde ohnehin einen CPLD-Code für die Benutzung als Logikanalysator zur Übung schreiben. Gibt es hier jemand, der schnell eine Java-Oberfläche zusammenklopfen kann, die mit der seriellen Schnittstelle komuniziert und die Daten anzeigt? Gruß, befro
also ich denke wenn aus dem Ansatz von Benedikt und dem V.G.A. vom Stefan was werden kann oder soll, dann sollten die Beiden auch die Eckdaten vorgeben. Ein Umfrage "was hättet Ihr gern" bringt uns an den Punkt, an dem alle anderen Projekte bisher immer gecheitert sind. Ich will das, ich das und der das.... Die Eckdaten als Ziel vorgeben und fertig. Dann kann gern mitmachen wer will. Grobe Änderungen sollten dann jedoch tabu sein, sofern sie nicht technisch notwendig werden. Ich denke dann macht auch nur mit, wer ernsthaftes Interesse hat. ...so Benedikt und Stefan überhaupt Lust und vor allem ZEIT haben.
Ich würde mitmachen, nur mein VHDL Wissen ist doch etwas begrenzt. Ich bekomme zwar nen UART oder eine Statemachine hin die das Samplen steuert, aber spätestens wenns darum geht beides zu kombinieren wirds bei mir schlampig (also asynchron). Von daher wäre jemand wichtig der VHDL gut beherrscht und helfen kann.
>Stefan überhaupt Lust und vor allem ZEIT haben. Den Link zum Schaltplan hatte ich als Anregung gepostet, weil dieses Thema hier ja öfters diskutiert wird. Hier noch ein letztes mal: http://www.ssalewski.de/DAD.html.en Wenn man etwas ganz billiges bauen will: Festen Eingangsteiler, etwa 1/10. Dann OPA656. Danach entweder LMH6574 mit vier Verstärkungen (1, 2, 5 10) oder einen VGA. Dann an den ADC. Vom ADC an FPGA. Das wäre das billigste was ich mir vorstellen könnte. Man hätte etwa 15V und 1.5V Fullscale Messbereich, 100MSPS 8bit. Spannungsregler braucht man noch, USB möchte man wohl auch haben. Mit 100 Euro wird das schon knapp. Und nein, ich werde diese Billigvariante vorerst nicht bauen. In den nächsten Monaten will ich mal die Platine für mein DSO fertig machen, aber das wird schon deutlich teurer.
vielleicht was für Stefan, wegen dem Falsh AD und dem V.G.A. http://www.fpga4fun.com/Hands-on_Flashy.html
Stefan Salewski wrote: > Den Link zum Schaltplan hatte ich als Anregung gepostet, weil dieses > Thema hier ja öfters diskutiert wird. Hier noch ein letztes mal: > > http://www.ssalewski.de/DAD.html.en Das hatte ich mir damals schon angesehen, fand ich sehr beeindruckend, wäre mir persönlich aber zuviel Aufwand. > Wenn man etwas ganz billiges bauen will: Festen Eingangsteiler, etwa > 1/10. Dann OPA656. Danach entweder LMH6574 mit vier Verstärkungen (1, 2, > 5 10) oder einen VGA. Dann an den ADC. So in etwa habe ich das geplant, nur viel einfacher: Am Eingang ein fester Spannungsteiler mit 1M Ohm um Oszikompatibel zu sein, dann ein Umschaltbarer Verstärker x1 oder x10 und dahinter die Offseteinspeisung. Zuletzt noch ein Tiefpass mit z.B. 10MHz der auf einen Eingang geht und einen weiteren mit voller Bandbreite. Der ADC besitzt intern einen Verstärker von -6dB bis +6dB der in 0,1dB Schritten programmierbar ist. Das sollte dann die 1, 2, 5 Abstufung liefern. Die Analogstufe ist bisher aber nur ein theoretischer Entwurf, inwieweit da parasitäre Kapazitäten und ähnliches mit reinspielen kann ich nicht sagen. Die angestrebten 50MHz Analogbandbreite sind ja nicht mehr ganz NF...
befro wrote: > Hallo Zusammen, > > Gibt es hier > jemand, der schnell eine Java-Oberfläche zusammenklopfen kann, die mit > der seriellen Schnittstelle komuniziert und die Daten anzeigt? Also wenn aus dem Projekt wirklich was wird und nicht x-tausend Features gewünscht werden, könnte ich da gegebenenfalls etwas zusammenbasteln. Bisher habe ich mir eine Software in Java zum Loggen von Akku Ladekurven und eine zweite zum Anfahren von Servo-Positionen geschrieben. Die ließen sich - je nach gefordertem Protokoll - mit mäßigem Aufwand anpassen. Die Zeit dafür zu finden wäre wohl mein größtes Problem. Das Projekt von Ulrich Radig finde ich übrigens super, ich persönlich hätte aber gerne einen zweiten Kanal.
@Malte, die Java war angedacht für das Pollin Board. Evtl ein kleiner LA. Für ein DSO ist der CPLD definitiv zu klein und zu schwach.
Korrektur.: für ein wie oben angedeutetes DSO ist der CPLD zu schwach. Für eines wie Ullis reicht er. Ist aber schon fertig.
Ich würde mit Wissen und schlauen&dummen Fragen auch mitmachen. Ist bestimmt interessant und lernverdächtig sowieso
@Benedikt K. >So in etwa habe ich das geplant, nur viel einfacher: >Am Eingang ein fester Spannungsteiler mit 1M Ohm um Oszikompatibel zu >sein, dann ein Umschaltbarer Verstärker x1 oder x10 und Du willst am Eingang gleich 1/200 abschwächen? Also aus 2V 20mV? Ich dachte eher an 1/10. Und dann hat man 100k Eingangswiderstand für den OP, und braucht wahrscheinlich schon eher einen OP mit FET-Eingang wegen Drift des Eingangsruhestroms usw. Das Umschalten der Verstärkung mit Reed-Relais hatte ich auch mal vor. Ich hatte dann mal etwas simuliert und festgestellt, dass die 2pF des Relais doch schon einen merkbaren Einfluss auf den Frequenzgang haben. Auch die Induktivität, ich schätze so 10 bis 20nF, ist ja nicht ganz unkritisch. Ich habe die Relais in der Eingangsstufe verwendet, weil dort 50V (max 200V) anliegen können. Sonst sind mir die Video-Multiplexer doch lieber. So teuer sind sie nicht, und sie sind auch kompakter. Bist Du eigentlich sicher, dass der TVP7000 mit sehr langsamen Signalen bzw. DC keine Probleme macht? Ich habe mir das Datenblatt noch nicht näher angesehen. Gruß Stefan
Stefan Salewski wrote: > Du willst am Eingang gleich 1/200 abschwächen? > Also aus 2V 20mV? Irgendsowas in der Richtung. Ich wollte das ganze halt relativ niederohmig machen, denn ich hatte mit schnellen OPs und hochohmiger Ansteuerung schon Probleme. Wenn jemand eine bessere Lösung hat, immer her damit. Ich möchte nur keine >10€ pro OP bezahlen. Bei 3 Kanälen wird das nämlich schnell teuer... > Ich dachte eher an 1/10. Und dann hat man 100k Eingangswiderstand für > den OP, und braucht wahrscheinlich schon eher einen OP mit FET-Eingang > wegen Drift des Eingangsruhestroms usw. Der Drift ist denke ich nicht ganz so kritisch: Wenn ich mir anschaue wie stark analoge Oszis in den ersten 15 Minuten wegdriften, dann sehe ich das nicht ganz so kritisch. Was mir mehr Sorgen macht ist das Rauschen bei so kleinen Signalen. > Bist Du eigentlich sicher, dass der TVP7000 mit sehr langsamen Signalen > bzw. DC keine Probleme macht? Ich habe mir das Datenblatt noch nicht > näher angesehen. Das einzige was ich weiß ist, dass er mindestens ein paar MS/s braucht. Darunter muss man halt im FPGA dezimieren. Ansonsten habe ich den Messignalen schon verschiedene Offsets verpasst, damit die Kurven übereinander erscheinen: Ging ohne Probleme. Streng genommen ist man mit der DC Kopplung außerhalb der Specs, aber es geht.
@Benedikt K. Hallo nochmal. Nochmal zu Deinem Umschalt-Relais. Ich denke eigentlich das müßte ganz gut funktionieren, so wie Du es gezeichnet hast ist es wohl auch die beste Form. Vor knapp zwei Jahren hatte ich mal versucht Umschaltungen mit Relais zu simulieren und war mit dem Resultat nicht wirklich glücklich. Das war aber mit mehreren Relais und wohl bei 100 MHz. >Irgendsowas in der Richtung. Ich wollte das ganze halt relativ >niederohmig machen, denn ich hatte mit schnellen OPs und hochohmiger >Ansteuerung schon Probleme. Deswegen dachte ich eher an einen OP mit FET-Eingang, der schnellste ist da der OPA656, oder der OPA657 der auch noch Verstaärkung 10 locker macht. Ca. 6 Euro. Abschwächung um 200 ist wirklich viel, da hat man bei kleinen Signalen nur noch Rauschen; wenn man sehr viel verstärkt auch noch Gefahr von Schwingungen. Und meist will man ja Signale kleiner 5 V sehen. Vorteil der starken Abschwächung ist natürlich Schutz vor Beschädigung bei Überspannung, aber mit so einem Billigteil darf man eben nicht an mehr als 50V gehen. Statt FET OP ist natürlich die Alternative ein JFET-Paar, wie im AoE Seite 135 skizziert und in älteren Analog-Oszilloskopen vorhanden. >Der Drift ist denke ich nicht ganz so kritisch: >Wenn ich mir anschaue wie stark analoge Oszis in den ersten 15 Minuten >wegdriften, dann sehe ich das nicht ganz so kritisch. Der Drift wächst eben mit dem Eingangswiderstand. Kommt natürlich drauf an was man messen will. Eher Signalform oder hochgenaue Absolutwerte. >Das einzige was ich weiß ist, dass er mindestens ein paar MS/s braucht. >Darunter muss man halt im FPGA dezimieren. >Ansonsten habe ich den Messignalen schon verschiedene Offsets verpasst, >damit die Kurven übereinander erscheinen: Ging ohne Probleme. >Streng genommen ist man mit der DC Kopplung außerhalb der Specs, aber es >geht. Was mir Sorge macht ist, dass der DC- bzw. Mittelwert des Signals stark driftet bzw. sogar undefiniert ist. Das kennt man, wenn man mit der Soundkarte Messungen machen will...TI listet den TVP7000 ja nicht zusammen mit den übrigen ADCs, und im Datenblatt habe ich AC-Kopplung gesehen. Diesen Punkt muss man sich mal genauer ansehen. Notfalls eben doch den ADS830.
@Stefan, Benedikt, eigentlich wollte ich Euch die richtige PDF Datei von AD schicken. Aber ich finde sie nicht auf die Schnelle. Anbei mal das hier. Evtl hilft es Euch http://www.analog.com/en/amplifiers-and-comparators/operational-amplifiers-op-amps/products/seminars-webcasts/resources/index.html
@Stefan, Benedikt, ich habe die Datei. Kann sie hier nicht uppen. 16MB !! Wohin soll sie ???
>es sollte doch möglich sein, mit dem geballten Wissen aller hier eine >Grundaustattung an Meßtechnik günstig aufbauen zu können. Für ca. 300.- gibts z.Zt in der Bucht die Wellec 2014A, 4Kanäle. 100MHz, 1GS/s. Für das Geld kann man das nicht selber bauen. Selbst eine "günstige" DIY-Variante kostet am Ende mit Platine, Schaltern, Gehäuse, Buchsen, Relais usw. mindestens die Hälfte davon. Das macht man, wenn der Weg das Ziel ist, aus Spaß am selberbauen, aber nicht, um günstig an ein brauchbares DSO zu kommen. Oliver
Oliver wrote: >>es sollte doch möglich sein, mit dem geballten Wissen aller hier eine >>Grundaustattung an Meßtechnik günstig aufbauen zu können. > > Für ca. 300.- gibts z.Zt in der Bucht die Wellec 2014A, 4Kanäle. 100MHz, > 1GS/s. Für das Geld kann man das nicht selber bauen. Selbst eine > "günstige" DIY-Variante kostet am Ende mit Platine, Schaltern, Gehäuse, > Buchsen, Relais usw. mindestens die Hälfte davon. Das macht man, wenn > der Weg das Ziel ist, aus Spaß am selberbauen, aber nicht, um günstig an > ein brauchbares DSO zu kommen. > > Oliver Find ich nicht. Für den Preis würde ich sofort zuschlagen.
Oliver wrote: > Für ca. 300.- gibts z.Zt in der Bucht die Wellec 2014A, 4Kanäle. 100MHz, > 1GS/s. Für das Geld kann man das nicht selber bauen. Jetzt wohl schon nicht mehr.
>Find ich nicht. Für den Preis würde ich sofort zuschlagen. Wenn der Eigenbau dann auch 4 Kanäle und 1GS/s hat, ja. 2 Kanäle und 100MS/s gibt es z.B. als DOS 2090 (USB-Scope) schon ab 150.- >> Für ca. 300.- gibts z.Zt in der Bucht die Wellec 2014A, 4Kanäle. 100MHz, >> 1GS/s. Für das Geld kann man das nicht selber bauen. >Jetzt wohl schon nicht mehr. Das Angebot kommt anscheinend regelmäßig wieder. Oliver
Oliver wrote:
> Das Angebot kommt anscheinend regelmäßig wieder.
Dann müsste man es ja finden.
Wenn ich bei eb...de aber nach Wellec suche, dann kommen nur
Pappkartons dabei raus ;-)
Gast wrote:
> Such nach Welec und schon findest Du was
Bringt auch keine Resultate.
> Such nach Welec und schon findest Du was
Allerdings auch mal hier im Forum suchen
Die Geräte haben nämlich den "Vorteil", daß man da auch dran rumbasteln
kann (oder muß...). Insofern für DIY-DSO'ler zielgruppengerecht :-)
Oliver
@Oliver, hier der Weg das Ziel. Genau darum gahts beim Hobby. zitat von DMAX "die Modellbauer": "Mit größt möglichem Aufwand, den kleinst möglichen Nutzen zu erreichen" das zeichnet ein Hobby aus. Niemand hindert Dich eines für 300 EURO zu kaufen und niemeand zwingt Dich hier etwas Kreatives beizusteuern.
Es ist wirklich schön, das sich viele Gedanken machen...zwecks Selbstbau
oder Kauf!
Wobei der Selbstbau etwas "hat" man kann mit meheren Fricklern etwas
SELBSTGEBAUTES
in Betrieb nehmen... und es wird funktionieren...
Kaufen... Ja, das kann jeder. Ich war lange am überlegen ob ich das
AMI-Teil bestelle, oder U.R. bzw. das Teil von Jesper bastel.
Deswegen habe ich diese Anfrage gestartet...-...
und so viele Antworten, Meinungen habe ich nicht erwartet.
Super. Es kann beginnen... das DIY-Projekt
Dirk
>Super. Es kann beginnen... das DIY-Projekt Mit Verlaub: Das Thema ist Ur-alt. Dazu gab es hier in den letzten Jahren schon Threads mit hunderten von Beiträgen, und auch anderswo im Internet. Die Probleme wurden ja weiter oben schon genannt: Für die Bauteilekosten bekommt man schon Fertiggeräte, die Software ist aufwendig, die Wünsche sind sehr unterschiedlich, man braucht FPGA/VHDL-Kenntnisse... Und hier in diesem Forum: Die Wenigen, die ein brauchbares Gerät bauen könnten, haben meist keine Zeit oder kein Interesse. Und die, die es nicht können, wollen dann ein extrem preiswertes Gerät mit Funktionsgarantie und Vor-Ort-Service. Ich denke, sich mal zu überlegen wie so ein Gerät aussehen könnte ist eine ganz sinnvolle Sache, da kann man schon einiges Lernen. Aber mehr wird es wahrscheinlich nicht werden.
> > Mit Verlaub: Das Thema ist Ur-alt. Dazu gab es hier in den letzten > Jahren schon Threads mit hunderten von Beiträgen, und auch anderswo im > Internet. Die Probleme wurden ja weiter oben schon genannt: Für die > Bauteilekosten bekommt man schon Fertiggeräte, die Software ist > aufwendig, die Wünsche sind sehr unterschiedlich, man braucht > FPGA/VHDL-Kenntnisse... > Das streite ich nicht ab. > Und hier in diesem Forum: Die Wenigen, die ein brauchbares Gerät bauen > könnten, haben meist keine Zeit oder kein Interesse. Und die, die es > nicht können, wollen dann ein extrem preiswertes Gerät mit > Funktionsgarantie und Vor-Ort-Service. Wenn man zusammen ein Gerät entwickelt und fertigstellt kommt der Servicevon alleine. Du hast ja schon einen Anfang gemacht! > > Ich denke, sich mal zu überlegen wie so ein Gerät aussehen könnte ist > eine ganz sinnvolle Sache, da kann man schon einiges Lernen. Aber mehr > wird es wahrscheinlich nicht werden. Wenn es dann so sein sollte...o.k. Dann lösche alles , was bisher geschrieben wurde....schade (:((( Dirk
>Also wenn aus dem Projekt wirklich was wird und nicht x-tausend Features >gewünscht werden, könnte ich da gegebenenfalls etwas zusammenbasteln. >Bisher habe ich mir eine Software in Java zum Loggen von Akku Ladekurven >und eine zweite zum Anfahren von Servo-Positionen geschrieben. Die >ließen sich - je nach gefordertem Protokoll - mit mäßigem Aufwand >anpassen. Die Zeit dafür zu finden wäre wohl mein größtes Problem. Hallo Malte, hättest Du Zeit, Deine Java Software etwas anzupassen? Das Befehlsinterface für das Pollin-CPLD-Board Logikanalysator nähert sich der Vollendung. Das ganze wird eine Zustansmaschine sein, die von der seriellen Schnitstelle gesteuert wird. Also immer folgerndermaßen: der PC sendet ein Byte, das CPLD antwortet mit einem Byte: Hier die Befehle: 'd': Ram wird zylisch mit Eingangswerten beschrieben ( full speed ) 'a': Ram Wert lesen 's': nächsten Ram Wert lesen 'a': nächsten Ram Wert lesen 's': nächsten Ramm Wert lesen ... usw Der Übergang vom Zustand 'd' nachh 'a' setzt den Ram Pointer auf 0. Soweit erst mal, befro
befro wrote: > Hallo Malte, > > hättest Du Zeit, Deine Java Software etwas anzupassen? Mal sehn, eventuell heute oder morgen abend. Sieht soweit recht simple aus. > Hier die Befehle: > > 'd': Ram wird zylisch mit Eingangswerten beschrieben ( full speed ) > 'a': Ram Wert lesen > 's': nächsten Ram Wert lesen > 'a': nächsten Ram Wert lesen > 's': nächsten Ramm Wert lesen > ... > usw > > Der Übergang vom Zustand 'd' nachh 'a' setzt den Ram Pointer auf 0. Also verstehe ich das soweit richtig? Ein 'd' Senden füllt den kompletten Buffer. Stoppt er wenn der Buffer voll ist, bis das nächste 'd' gesendet wird? Mit 'a' wird ein Wert gelesen. Worin unterscheiden sich 'a' und 's'? Und wie groß ist der Buffer, bz was gibt es als Rückgabewert wenn alle Werte gelesen wurden? Und welche Baudrate? Das Byte-Ping-Pong könnte die Sache beim Auslesen relativ langsam machen, vorallem bei USB Konvertern, aber zum Testen ist das erstmal ok.
So, jetzt habe ich mir den oben genannten DSO-Bausatz bestellt und er ist eingetroffen: http://www.jyetech.com/en/default.html Der Bausatz gefällt mir sehr gut, es ist wunderbar, mal wieder etwas zu basteln. Zwar scheint mir das ganze eher für geübte Löter zu sein, die SMDs sind in Staubkorngröße ( Abtemmaske,um Sie nicht einzuatmen :-) ), aber die ersten Kondensatoren sind schon drauf. Auf der Platine befindet sich ein ISP-Stecker und eine Pfostenleiste für Erweiterungen, sodaß man auch selbst noch was dranbauen kann. Ideal wäre wohl eine RS232 Schnittstelle, um die Daten zum PC übertragen zu können. Der verwendete AD-Wandler ist ein TLC5510 von Ti ( 8Bit, 20 MHz ). Das Oszi ist mit 2MSPs angegben, der Prozesor mit 20MHz getaktet. Der Sample-CLK wird vom Prozesor erzeugt. Ich frage mich, ob sich durch die Software noch eine etwas höhere Samplingrate erzielen liese.
pollin-cpld-logiganalysator: >Ein 'd' Senden füllt den kompletten Buffer. Stoppt er wenn der Buffer >voll ist, bis das nächste 'd' gesendet wird? Mit 'a' wird ein Wert >gelesen. Worin unterscheiden sich 'a' und 's'? Und wie groß ist der Ja, 'd' füllt den Buffer komplett. Der Speicher ist 128KB groß. Um die Datenübertragung nicht unendlich in die Länge zu ziehen, muss man ihn eventuell ganz auslesen. 'a' und 's' unterscheiden sich eigentlich nicht. Der Grund ist mehr ein technologischer. Der Übergang von 'a' nach 's' und umgekehrt wird benutzt um die Speicheradresse hochzuzählen. >Buffer, bz was gibt es als Rückgabewert wenn alle Werte gelesen wurden? >Und welche Baudrate? Kein spezieller Rückgabewert. Der PC entscheidet durch das toggeln zwischen 'a' und 's' wieviele Werte er lesen möchte. >Das Byte-Ping-Pong könnte die Sache beim Auslesen >relativ langsam machen, vorallem bei USB Konvertern, aber zum Testen ist >das erstmal ok. Das meine ich auch. Man muss, glaube ich, erst mal mit ganz kleinen und einfachen Schritte beginnen.
befro wrote: > pollin-cpld-logiganalysator: > >>Das Byte-Ping-Pong könnte die Sache beim Auslesen >>relativ langsam machen, vorallem bei USB Konvertern, aber zum Testen ist >>das erstmal ok. > > Das meine ich auch. Man muss, glaube ich, erst mal mit ganz kleinen und > einfachen Schritte beginnen. Ok, mal sehn obs läuft. Ich kann es mangels Pollin Board nur begrenzt testen (und so lange kein größeres Projekt draus wird, werde ich auch nicht weiter was tun). Viel Spaß. Starten -> Port öffnen -> "Sample Data" Drücken -> Kekse essen gehen (wie erwartet ist das Ping-Pong langsam) -> Werte ansehen. Da du mir nichts genaueres gesagt hast, werden 9600 Baud verwendet und zwischen dem Aufzeichnen der Werte und beginn des RAM auslesens wird 10sec gewartet. Bevor jemand über den Code meckert: Ich weiß dass er nur mal schnell von einem anderem Projekt portiert ist und deswegen an einigen Stellen unschön ist.
@ befro Danke für deine Antwort. Maile weiterhin, da sich das Thema (Selbstbau DSO/DIY) so ...leider.. erledigt haben sollte. Software über ISP könnte man etwas proggen... Es wird kein HiTec- Gerät werden...aber Für diesen Preis. Hat man ein Display... Siehe Links im "Fred" Dirk
befro wrote: > So, jetzt habe ich mir den oben genannten DSO-Bausatz bestellt und er > ist eingetroffen: > http://www.jyetech.com/en/default.html > Der Bausatz gefällt mir sehr gut, es ist wunderbar, mal wieder etwas zu > basteln. Zwar scheint mir das ganze eher für geübte Löter zu sein, die > SMDs sind in Staubkorngröße ( Abtemmaske,um Sie nicht einzuatmen :-) ), > aber die ersten Kondensatoren sind schon drauf. > > Auf der Platine befindet sich ein ISP-Stecker und eine Pfostenleiste für > Erweiterungen, sodaß man auch selbst noch was dranbauen kann. Ideal wäre > wohl eine RS232 Schnittstelle, um die Daten zum PC übertragen zu können. > > Der verwendete AD-Wandler ist ein TLC5510 von Ti ( 8Bit, 20 MHz ). Das > Oszi ist mit 2MSPs angegben, der Prozesor mit 20MHz getaktet. Der > Sample-CLK wird vom Prozesor erzeugt. Ich frage mich, ob sich durch die > Software noch eine etwas höhere Samplingrate erzielen liese. Mein DIY-Kit ist heute ebenfalls angekommen. Bin auch schon ganz gespannt. Allerdings hab ich bis jetzt auch noch keine große Erfahrung beim SMD-Löten. Wäre schön, wenn Du Deine Erfahrung beim Aufbau der Schaltung mitteilen könntest. Gruß netdieter
Stefan Salewski (Gast) schrieb am 16.03.2009 um 23:22 Uhr >@Benedikt K. >Nochmal zu Deinem Umschalt-Relais. Ich denke eigentlich das müßte ganz >gut funktionieren, so wie Du es gezeichnet hast ist es wohl auch die >beste Form. Vor knapp zwei Jahren hatte ich mal versucht Umschaltungen >mit Relais zu simulieren und war mit dem Resultat nicht wirklich >glücklich. Das war aber mit mehreren Relais und wohl bei 100 MHz. Auch wenn es hier wahrscheinlich keinen interessiert -- meine Aussage war doch etwas voreilig. Bei Benedikts Schaltung kann R12 (62 Ohm) über das Relais an Masse gelegt werden. Bei offenem Relais haben die Kontakte des Relais eine Kapazität von ca. 2pF zu Masse. Die Ersatzschaltung wäre dann, dass man R12 über 2pF an Masse legt. Das ist fast so, als ob die 2pF direkt am invertierenden Eingang des OPs liegen würden -- erst ab der Grenzfrequenz 1/(2 Pi R C) wird der Effekt durch R12 begrenzt. Kapazität am invertierenden Eingang führt in der Regel zu Peaks im Frequenzgang bei hohen Frequenzen. Auch hier, mit einem wirklich schnellen OP bekommt man bei ca. 100 MHz da schon deutliche Peaks. Aber ich habe mir eben mal einen Vorverstärker mit JFETS, zwei gewöhnlichen OPs, und einem Video-Multiplexer aufgemalt. Gefällt mir eigentlich ganz gut, werde ich in den nächsten Tagen mal posten. Das wären dann so ca. 15 Euro je Vorverstärker.
>Mein DIY-Kit ist heute ebenfalls angekommen. ... >Wäre schön, wenn Du Deine Erfahrung beim Aufbau der Schaltung mitteilen >könntest. Klar, bin aber noch am löten, die SMD's brauchen doch etwas Zeit ... ;-)
Hallo Malte, >Ok, mal sehn obs läuft. Ich kann es mangels Pollin Board nur begrenzt >testen (und so lange kein größeres Projekt draus wird, werde ich auch >nicht weiter was tun). Viel Spaß. uihh, da warst Du ja ganz schön schnell. Bei mir hat es sich noch etwas verzögert, im Anhang schon mal der Schaltplan des CPLDs ( mit Xilinx ISE 10.1 gemacht ). Die Schaltung besteht aus dem Block für die serielle Schnittstelle, einem Ram-Interface und der Ablaufsteuerung. Im Moment hänge ich noch am Ram-Interface Beitrag "cpld SRAM Interface in VHDL" der Rest funktionier eigentlich schon ( zumindest in der Simulation ). > mangels Pollin Board Das ist natürlich schade. Vielleicht findet sich jemand hier, der das Befehlsinterface für die 3 Kommandos in C für einen Mikrocontroller schreibt, dann kann man das ganze mit jedem Board, welches eine serielle Schnittstelle besitzt, testen ( z.B. ein Arduino Board ). Gruß, befro
befro wrote: >> mangels Pollin Board > Das ist natürlich schade. Vielleicht findet sich jemand hier, der das > Befehlsinterface für die 3 Kommandos in C für einen Mikrocontroller > schreibt, dann kann man das ganze mit jedem Board, welches eine serielle > Schnittstelle besitzt, testen ( z.B. ein Arduino Board ). Ich hab einfach einen AVR genommen, der akommende Zeichen als Echo zurücksendet. So wurden dann die 'a' und 's' als Punkte dargestellt. Übrigens hat wohl irgend jemand sein selbstbau Oszi ins Wiki gestellt: http://www.mikrocontroller.net/articles/LCS-1M_-_Ein_einfaches%2C_preiswertes%2C_mikrokontrollergesteuertes_Zweikanal-Oszilloskop_zum_Selberbauen
Hallo Malte, Dein Javaprogramm habe ich mal ausprobiert. Es läst sich unproblematisch starten, und die Datenübertragung vom CPLD-Board zum PC funktioniert (aber ein wenig langsam ). Wahrscheinlich müsste man mal die Bautrate erhöhen. Ausserdem ist es nützlich, nur 256 Werte ( oder so ) statt der 128K zu übertragen, dann ist das mit der gefühlten Geschwindigkeit besser. Vielleicht kann ich einen Befehl für die Indizierung des Rams mit einem Offset einbauen, so dass der PC durch die Daten scrollen kann, falls mehr als 256 Werte gebraucht werden. Nützlich wäre auch, dass der PC das Board in den Startzustand versetzt, indem es ein paar mal 's' sendet. Wenn man Dein Programm mit einer Treiberschicht für verschiedene Basteloszis ausstatted, lässt es sich vielleicht universell verwenden. Der VHDL-Code befindet sich hier: Beitrag "Logic Analyser mit Pollin CPLD Board" Vielleicht kann die Struktur als Template für verschiedene Oszis und Logikanalysatoren mit FPGA dienen. Gruß, befro
>Auch wenn es hier wahrscheinlich keinen interessiert -- meine Aussage >war doch etwas voreilig. Bei Benedikts Schaltung kann R12 (62 Ohm) über >das Relais an Masse gelegt werden. Bei offenem Relais haben die Kontakte >des Relais eine Kapazität von ca. 2pF zu Masse. Die Ersatzschaltung wäre >dann, dass man R12 über 2pF an Masse legt. Das ist fast so, als ob die >2pF direkt am invertierenden Eingang des OPs liegen würden -- erst ab >der Grenzfrequenz 1/(2 Pi R C) wird der Effekt durch R12 begrenzt. >Kapazität am invertierenden Eingang führt in der Regel zu Peaks im >Frequenzgang bei hohen Frequenzen. Auch hier, mit einem wirklich >schnellen OP bekommt man bei ca. 100 MHz da schon deutliche Peaks. >Aber ich habe mir eben mal einen Vorverstärker mit JFETS, zwei >gewöhnlichen OPs, und einem Video-Multiplexer aufgemalt. Gefällt mir >eigentlich ganz gut, werde ich in den nächsten Tagen mal posten. Das >wären dann so ca. 15 Euro je Vorverstärker. Ein Nachteil von Benedikts Schaltung ist insbesondere, dass die Kapazität des zur Umschaltung der Verstärkung verwendeten Relais am invertierenden Eingang hängt und der OP als nicht invertierender Verstärker arbeitet, d.h. der inv. Eingang nicht auf nahezu konstantem Potential liegt. Ich habe in meiner Schaltung das Relais an den nicht invertierenden Eingang gelegt -- damit führt die Kapazität der Kontakte nicht zum Peaking bei hohen Frequenzen, und die Induktivität der Kontakte (einige nF) dürfte sich wegen dem hochohmigen Eingang auch wenig auswirken. Zudem kann man für beide Schaltstufen über den speisenden Widerstand frei verfügen und damit einen flachen Frequenzgang erreichen. Hier ist der Thread zu meiner Schaltung Beitrag "Einfache analoge Eingangsstufe für DSO"
Zurück zum ursprünglichen DSO in diesem Thread von >http://www.jyetech.com/en/default.html Meines habe ich bestellt bei >nkcelectronics Mittlerweile habe ich mein Oszi zusammnengelötet. Das war ein ziemlich Aufwand wegen der extrem kleinen SMD-Teile. Das Oszi zeigt mittlerweile ein Signal an. Das erste Problem war ein fehlender Widerstand R4 für den Abschwächer. Autotrigger funktioniert, der Normaltrigger allerdings nicht. Das könnte an der veralteten Software 113-06201-020, mit der sich der Prozessor beim Einschalten befindet, liegen. Auf der jyetech Seite gibt's ein Update, das ich demnächst aufspielen werde. Das gravierendste Problem ist das Umschalten des 1:10 Abschwächers auf die Stufe 1/10. Dann wird aus einem 100Khz Rechteck irgendwas sägezahnförmiges. Ich bin mir noch nicht sicher, ob das Problem an einer falschen Lötstelle liegt, werde das aber noch etwas weiter verfolgen. Postet bitte eure Erfahrungen, wenn ihr es schon zusammengebastelt habt. Gruß, befro
Benedikt K. wrote:
> Was für ein µC ist denn da verbaut?
Steht zwar schon oben irgend wo, aber es ist ein ATMEga64
befro wrote: > Meines habe ich bestellt bei >>nkcelectronics > > > Das Oszi zeigt mittlerweile ein Signal an. Das erste Problem war ein > fehlender Widerstand R4 für den Abschwächer. > > Postet bitte eure Erfahrungen, wenn ihr es schon zusammengebastelt habt. > > Gruß, > befro Hi Befro, ich habe meines auch bei nkcelectronics geordert. Allerdings hab ich noch nicht angefangen und konnet so erst mal prüfen ob bei mir R4 auch fehlt. Dem ist aber nicht so. Der klebt noch auf der Bauteileliste. Vllt schon mal ein wichtiger Punkt mir diesen winzigen Dingern sorgfältig umzugehen. Die verschweinden wohl ziemlich schnell ;-) Hast Du auch die Assembly Notes beachtet? Meine Version DN062-07v03 Viel Erfolg, netdieter
>Hast Du auch die Assembly Notes beachtet? Meine Version DN062-07v03
Meine Version ist DN062-07v03 .... Was die Assembly-Notes anbelangt,
habe ich nur die Leitung für den Counter-Eingang noch nicht
angeschlossen.
Gruß,
befro
@ befro Bei mir fehlt R26. Im Plan steht als Wert DNI. Ne Ahnung was das bedeutet? Gruß netdieter
Auf dem jyetech-DSO befindet sich ein 128x64 Pixel Display hs12864-16. Hat jemand hier im MC-Forum schon mal so ein Display angesteutert? Es wäre vielleicht ganz lustig, da selst mal was zu programmieren. Aus dem DSO liese sich dank des Atmega64 auch ganz leicht ein kleiner Gameboy machen, für 31 Dollar wäre das ja gar nicht mal zu teuer.
>Hat jemand hier im MC-Forum schon mal so ein Display angesteutert?
Wenn sich Tante google nicht irrt, steckt da ein KS0108-kompatibler
Controller drin. Dafür gibt es viele fertige Libs zur Ansteuerung, u.a.
hier in der Codesammlung.
Oliver
Das ist ein Standard KS0108/KS0107 Display. Code dafür sollte man hier im Forum mehrfach finden.
Super, dank Deines Hinweises habe ich hier einen Thread mit Code gefunden: Beitrag "KS0108 GLCD Routinen" Damit lässt sich bestimmt was machen ... ;-)
"Das gravierendste Problem ist das Umschalten des 1:10 Abschwächers auf die Stufe 1/10. Dann wird aus einem 100Khz Rechteck irgendwas sägezahnförmiges." C3 und C6 müßten vergrößert werden. C6 so ca. 47pF und für C3 wäre ein Trimmer 3/12 pF für die Einstellung der Kurvenform günstig.
So meins heute auch angekommen. Habe Stunden gesessen bis ich drauf kam, dass der Q1 nen Klatsch hat und damit gabs bei mir keine negative Spannung. Allerdings coole Idee mit dem Boostkonverter. Inzwischen funktioniert die Schaltung einwandfrei. Anwendungsgebiete sind eigentlich unbegrenzt da. Ich habe selber ein 100MHz Analogoszi, sprich nach oben kann ich alles sehen. Was mir bisher gefehlt hat, war der langsame Bereich, also Einschalt- und Einschwingvorgänge. Brauchts jetzt nur eine offene Firmware mit PC Anbindung. Mal sehen wieviel Zeit vorhanden sein wird.
FYI Habe mal nachgefragt wie es mit offenen Sourcen aussieht: SNIP ----------------------------------------------- Thank you for interests in our products. I agree with what you said. We have seriously thought about opening the firmware or not before. In considering the reality we decided not open it for the timebeing. On one side there are strong competition from inside China. Many companies are there just ready to copy everything. We believe our contact info contained in the compiled codes that stops their copying so far. On the other side we feel we are not ready to do so. There are a lot need to improve for the current design. For the serial connection to PC we actually designed a firmware that can send the screen to PC as a bitmap file. This firmware is not very useful since the Y sensitivity is not displayed (and there is no way for MCU to get Y sensitivity value in current design). We will address this shortcoming in future version. Another drawback is lack of USB connection. We want to add this feature in next version. Best regards, ----------------------------------------------- SNAP D.h. wird es wohl bald eine neues PCB Layout geben, vielleicht sogar irgendwann opensource. Scheint so dass sie prinzipiell nicht abgeneigt sind, ein steter (email-)Tropfen könnte da evtl. den Stein aushölen?! :-)
>Many companies are there just ready to copy everything.
Ein sehr lustiger Satz, wenn es von Chinesen selbst gesagt wird.
Meiner Meinung nach ist es kein sonderlich großes Problem, für das Oszi
eine eigene Software zu entwickeln. Display-Treiber gibt's ja schon hier
im Forum. Wenn ich wieder etwas Zeit habe, werde ich mal was
zusammenbasteln.
Ich glaube auch, das im Fall dieses Oszis eine eigene Bedienführung
äußerst nützlich wäre, da ich die akutelle etwas umständlich finde.
Ein PC-Programm zur Datenvisualisierung das Ansatztweise für das DSO
benutzt werden könnte, hat Malte ja schon in diesen Thread gestellt.
Schnell das a-s-d Protokoll realisiert und schon hat mal die
PC-Visualisierung.
Gruß,
befro
Hat jemand schon die Steuersignale für die Spannungserzeugungen der OPs
und des Displays durchgemessen? Die wären noch wichtig, um eine
Testsoftware zu entwickeln.
Noch eine Anmerkung: Wenn man den Prozessor per ISP umprogrammieren möchte, ist darauf zu achten, dass die Pinbelegung des Oszis nicht der normalen ISP-Belegung entspricht. Für die Datenübertragung zum PC stehen die Signale der seriellen Schnittstelle an J5 zur Verfügung.
Kann mir bitte mal jemand bei seinem Oszi die V+ und V- Spannung messen und die Betriebsspannung dazu schreiben? Ich hab ja bei mir den 8550 mangels Ersatz durch nen BC556 ersetzt. Bei mir ist V- betraglich um 800mV kleiner als V+.
Hier die Daten: AV+ = 11.9V AV- = -10.7V Taktsignal für die Spannungserzeugung: PE3-Prozessorpin 5, T_ON=5us, T_OFF=7.5us Am Display gibt es noch spezielle Spannungen: VE=-4.9V VO=2.8V woher die -4.9V kommen ist mir nicht ganz klar, da der dafür vorgesehene Spannungsinverter bestehend aus DN2, C26 und C28 nicht bestückt ist. Kann es sein, dass es Displays gibt, welche VE selbst erzeugen? Das Displayx ist ein HS12864-16. Im Schaltplan ist ein TG12864-04 eingetragen.
So, meins ist nun auch fertig und funktioniert sogar. Allerdings wird der 7805 recht heiss, geht anderen das auch so? Ich betreibe es an einem 9V AC-Netzteil.
befro wrote:
> Kann es sein, dass es Displays gibt, welche VE selbst erzeugen?
Ja.
>7805 recht heiss, geht anderen das auch so? Ich betreibe es an einem >9V AC-Netzteil. Wirt bei mir auch warm. Netzteil: 9V Wechselstrom, Spannung nach gemessen nach Gleichrichter: 11.8V Stromaufnahme des DSO gemessen: 90mA ==> Verlustleistung am Spannungsregler 90mA*(11.8V-5V)~=600mW das könnte bei dem kleinen Kühlkörper schon etwas Wärme verursachen. Wie siehst bei euch mit der Signalform bei 100Khz Rechteck und 1:10 Abschwächung aus, ist die Signalform dann auch eher ein Dreieck?
So, jetzt geht es ans umprogrammieren des Atmega64. Laut Anleitung sollten am ISP Stecker folgende Signale liegen: 1: SCK 3: MISO 5: NRST 9: MOSI 2: GND 4: VCC 10: GND Soweit ich das nachmessen kann liegt aber nur NRST und SCK an. Mosi und Miso fehlen. Die scheinen nur am J5 Konnekor auf pin 2:Mosi und bin 3: Miso zu liegen. Könnt Ihr das mal nachprüfen?
Peter Stegemann wrote: > So, meins ist nun auch fertig und funktioniert sogar. Allerdings wird > der 7805 recht heiss, geht anderen das auch so? Ich betreibe es an einem > 9V AC-Netzteil. Ich vermute, das die Anzeige etwas mehr Strom braucht. Also den 78xx besser kühlen. Hatte ich zumindest bei meinem regelbaren Netzteil. Die Hintergrundbeleuchtung zog etwas mehr... Nur eine Idee. LG Dirk
Am Labornetzteil mit 9V als auch am 3-Zellen LiFePo habe ich keine Temparaturprobleme. Ich muss mal dieses "9V-AC"-Netzteil nachmessen, wenn ich dazu komme.
> Ich muss mal dieses "9V-AC"-Netzteil nachmessen,
Wie schon weiter oben erwähnt, hat man bei so einem Netzteil ja ca. 12V
nach dem Gleichrichter. Das erhöht den Spannungsabfall am Gleichrichter
von 4V auf 7V damit entsteht also fast die doppelte Verlustleistung.
Der Bausatz sieht genauso aus wie auf den Bildern und fertig sieht es auch so aus wie auf den Bildern. Ist nix dabei, wofuer es sich lohnen wuerde, extra Bilder zu machen. Btw, schon lustig wie schnell das Open-DSO hier wieder gestorben ist...
> Btw, schon lustig wie schnell das Open-DSO hier wieder gestorben ist... Naja, Open Source lebt vom mitmachen. Malte hat sein Java-Programm für eine Datenübertragung etwas verändert und hier hereingestellt. Ich habe extra VHDL-Code für's Pollin CPLD-Board programmiert Beitrag "Logic Analyser mit Pollin CPLD Board" der sehr gut als Grundlage für Oszi Designs herhalten kann. Ich habe angefangen, einen neuen Code für das JETECH-Oszi zu anzupassen ( habe ich nicht gepostet, weil bis jetzt nur Text aufs Display geschrieben werden kann, aber die Linienfunktionen irgendwie nicht gehen ). Alle Komponenten werden für ein OpenSource DSO benötigt und können beliebig zu einer anderen DSO Kombination zusammengefügt werden. z.b. - Radig-Oszi mit extra OpenSource PC-Software - Jetech-Oszi mit OpenSource Firm- und PC-Software verschiedene DSO-Komponenten - VHDL CODE fürs FPGA - Firmware fürs Oszi - Software für den PC - Sampling Hardware - Vorverstärker - Bedienprozessor Peter, hast Du schon etwas für das Projekt gemacht? Gruß, befro
@ befro
Moin,
ich möchte nur ein paar Infos von dem DSO für wenig Geld.
Da ich das Thema eingebracht habe, wäre es doch vieleicht, einfach
ein paar Fotos der Anzeige hier einzustellen.
Zur Zeit arbeite ich teilweise im Ausland, und kann nicht immer alles
InTime verfolgen. (Schicht und wenig Schlaf)
Was möchte psychodirk damit sagen.
psychodirk ist eine Abwandlung von PSYCHODAD (Al Bundy)
hat aber nichts mit meiner Person gemeinsam.
Der Name wurde mir nur als Partyretter gegeben... nichts los...
o.k. Die Bundys gucken... und schon war alles
im"Lot"
Zu dem Projekt: ich habe gemailt, Mitarbeit, und so weiter.
Keine Rückmeldung.....!
Schade.
Gruß
Dirk (Psychodirk)
Hab mir das Teil nu' auch bestellt, ist heute angekommen und habs zusammengebaut. Zu meinem Erstauenen hat alles gut gepasst und auf Anhieb funktioniert. Das Design ist gut durchdacht und zum Spielen ist es hervorragend :) Allerdings ist eine Schraube übriggeblieben.
>Das Design ist gut durchdacht und zum Spielen ist es hervorragend :)
Findest Du, dass das für die Software auch zutrifft? Ich meine, die ist
so nicht benutzbar.
Wie sieht ein Rechtecksignal mit 100KHz nach 1:10 Abschwächung bei
Deinem Oszi aus? Eher wie ein Dreieck, oder?
Ausserdem habe ich festgestellt, dass Alliasing bei dem DSO besonders
gerne auftritt.
befro wrote: > Wie sieht ein Rechtecksignal mit 100KHz nach 1:10 Abschwächung bei > Deinem Oszi aus? Eher wie ein Dreieck, oder? Das kann ich nicht bestätigen. Bei mir sieht das Ding völlig normal aus. >Ausserdem habe ich festgestellt, dass Alliasing bei dem DSO besonders >gerne auftritt. Das stimmt allerdings. Ist echt zu schade das man nicht an den Quelltext der Software rankommt.
>Das stimmt allerdings. Ist echt zu schade das man nicht an den Quelltext >der Software rankommt. Das stimmt. Deshalb habe ich mal angefangen, ein wenig daran herumzuprogrammieren. Text ausgeben kann ich schon, mit dem Pixelzeichnen haperts noch ... http://www.hobby-roboter.de/forum/viewtopic.php?f=4&t=69
Hat jemand den Code schon ausprobiert? Ich habe den Code von hier Beitrag "KS0108 GLCD Routinen" kopiert und die Portpins so wie das Timing etwas verändert. Der im Beispiel gewünschte Text erscheint auf dem Display. Seltsamerweise geht das ganze schief, sobald man versucht, irgendwas am Text zu ändern. Wer hat eine Erklärung dafür?
Ich bin zur Zeit auch am Zusammenbauen, als Bastelprojekt mit meinem Jüngsten. Dazu eine Frage: Neben C4/C5 an den OP's und ein paar anderen Kondensatoren sind auch DN2/C25/C26 nicht bestückt, d.h. fehlen nicht nur als Teile, sondern sind auch in der Stückliste nicht aufgeführt. Ist das normal? @chris >Ich habe den Code von hier >Beitrag "KS0108 GLCD Routinen" kopiert Diese Bibliothek funktioniert normalerweise. Was genau geht denn "schief"? Oliver
chris wrote: > Seltsamerweise geht das ganze schief, sobald man versucht, irgendwas am > Text zu ändern. Wer hat eine Erklärung dafür? Timingprobleme? Werden die Daten vielleicht zu schnell geschrieben?
>sind auch >DN2/C25/C26 nicht bestückt, hat sich erledigt. Steht auch schon weiter oben: >...woher die -4.9V kommen ist mir nicht ganz klar, da der dafür vorgesehene >Spannungsinverter bestehend aus DN2, C26 und C28 nicht bestückt ist. Das LCD machts wohl selber. Oliver
>Ich habe den Code von hier >Beitrag "KS0108 GLCD Routinen" kopiert >Diese Bibliothek funktioniert normalerweise. Was genau geht denn >"schief"? Wenn ich die Funktion zum setzen der Pixel benutze um eine Linie zu zeichnen gibt es eine unterbrochene Line. Ausserdem sind beim zeichnen eines Rechtecks manchmal Artefakte zu sehen. Meine Vermutung ist, dass die Daten des LCDs nicht richtig vom Controller zurückgelesen werden.
Hallo Leute, ich hab beim Basteln einen der SMD Widerständen verloren. R3 (470 Footprint 0805) Wahrscheinlich hab ich in eingeatmet ;-) Wo kann ich einzelne SMD-Widerstände kaufen ohne dass ich 5€ Versandkosten bezahlen muss? Oder hat jemand von Euch einen übrig? Ich würde natürlich für den Versand per Brief aufkommen. Gruß netdieter
Oliver wrote: > Nimm den von R16 oder R18 dafür. Die sind eh sinnlos. > > Oliverf Kannst Du erklären warum die sinnlos sind? Hab ich leider bereits eingebaut.
Schau mal auf den Schaltplan... Über R16 und R18 gehen die USART-Ausgänge PE0 (=RCD0) und PE1 =(TCD0) auf Pin 13 bzw. 15 des 20-pol-Steckers J5, den du vermutlich sowieso nicht bestückst. Und selbst wenn, wer braucht schon Ports oder USART-Ausgänge über 470 Ohm? Löte die wieder aus, und mach eine Lötbrücke auf die Pads, oder lass sie ganz weg. PE0 und PE1 liegen nämlich auch noch ohne Vorwiderstände auf PIN 9 bzw. 3 des "ISP"-Anschlusses J4 (der deshalb gar kein ISP-Anschluß ist). Es steht da zwar MISO und MOSI dran, das ist aber falsch. An J4 kann man somit problemlos die Signale der USART0 abgreifen, falls erforderlich. Das echte MISO und MOSI liegt am Prozessor auf PB3 und PB2, die gehen auf J5, Pin 3 bzw 2. Einen echten ISP zum programmieren musst du dir daher aus Signalen von J4 (Reset und SCK) und J5 (MISO und MOSI) zusammenstellen. VCC und GND gibt es auf beiden. Oliver
Ich habe das Teil mittlerweile aufgebaut. In dem Umfang hatte ich noch keine SMD-Löterfahrung. Der erste Test sieht positiv aus. Das Display meldet sich wie erwartet. Allerdings kann ich kein Signal darstellen. Wie kann ich vorgehen? Ich habe lediglich ein Multimeter zur Verfügung und kann nicht veriverzieren ob das Testsignal funktioniert. Wäre schön, wenn mir jemand auf die Sprünge helfen kann. Gruß netdieter
>veriverzieren ob das Testsignal funktioniert. >Wäre schön, wenn mir jemand auf die Sprünge helfen kann. Dann schreibe doch einfach "testen". Oder eben "verifizieren".
Stefan Salewski schrieb: >>veriverzieren ob das Testsignal funktioniert. > >>Wäre schön, wenn mir jemand auf die Sprünge helfen kann. > > Dann schreibe doch einfach "testen". > > Oder eben "verifizieren". Ein Problem ist dann schon mal gelöst. Danke, dass hat wirklich geholfen.
Irgend eine Spannungsquelle wirst du doch zur Verfügung haben - zur Not eine Batterie. Dranhalten, dann muß sich was tun. Oliver
Da wurde ja schon viel geschrieben... Also: Samplingrate 2M/s -> Nyquistfrequenz 1Mhz -> alles was drüber ist pfuscht dir als als Aliasing Rein... ich glaub das ist nix wert...
Spannungsversorgung nachgemessen? (5V und +/- für die OpAmps) Den Eingang von vorne nach hinten durchmessen. Batterie o.ä. als Spannungsquelle, und dann vom Eingang zum ersten OpAmp, von da zum zweiten, usw. Oliver
Fabi schrieb: > Samplingrate 2M/s -> Nyquistfrequenz 1Mhz > > -> alles was drüber ist pfuscht dir als als Aliasing Rein... > > ich glaub das ist nix wert... Das Problem hat man aber bei jedem DSO, selbst bei den 10k€ Teilen. Ich habe zumindest noch keines gesehen, dass ein Antialiasing Filter hatte.
Oliver schrieb: > Spannungsversorgung nachgemessen? (5V und +/- für die OpAmps) > > Den Eingang von vorne nach hinten durchmessen. Batterie o.ä. als > Spannungsquelle, und dann vom Eingang zum ersten OpAmp, von da zum > zweiten, usw. > > Oliver So, ich hab jetzt mal ne Batterie als Spannungsquelle angeschlossen. Am Eingang U2B (Pin5) messen ich 1,6V ist also OK Am Ausgang (Pin7) sind es 0,7V Der Eingang U1A (Pin3) ebenfalls 0,7V Ausgang U1A (Pin1) knapp 2V Eingang U2B (Pin5) 1,2V Ausgang U2B (Pin7) 8,3V Analogeingang U5 (Pin19) 5,8V Ausgänge U5 (Pin3-10) alle 5V -> Da scheint der Fehler zu liegen, oder?
Dieter Engelhardt schrieb: > Oliver schrieb: >> Spannungsversorgung nachgemessen? (5V und +/- für die OpAmps) >> >> Den Eingang von vorne nach hinten durchmessen. Batterie o.ä. als >> Spannungsquelle, und dann vom Eingang zum ersten OpAmp, von da zum >> zweiten, usw. >> >> Oliver > > So, ich hab jetzt mal ne Batterie als Spannungsquelle angeschlossen. > > Am Eingang U2B (Pin5) messen ich 1,6V ist also OK > Am Ausgang (Pin7) sind es 0,7V > Der Eingang U1A (Pin3) ebenfalls 0,7V > Ausgang U1A (Pin1) knapp 2V > Eingang U2B (Pin5) 1,2V > Ausgang U2B (Pin7) 8,3V > Analogeingang U5 (Pin19) 5,8V > Ausgänge U5 (Pin3-10) alle 5V -> Da scheint der Fehler zu liegen, oder? Wie messe ich den die OPV-Spannungsversorgung. Ich steh da grad auf dem Schlauch. Ich habe den Verdacht, dass hier der Hund begraben liegt.
>Wie messe ich den die OPV-Spannungsversorgung.
Auf der Platine gibt es beschriftete Messpunkte. Suchen und messen.
Oliver
Wie wird eigentlich die symetrische Spannung erzeugt? Und was machen die beiden OPA U2C und U2D? Müsste ich nicht AV+ und AV- gegen AGND +-5 V messen? Ist das richtig?
Dieter Engelhardt schrieb: > Wie wird eigentlich die symetrische Spannung erzeugt? > Und was machen die beiden OPA U2C und U2D? > > Müsste ich nicht AV+ und AV- gegen AGND +-5 V messen? > Ist das richtig? Nach dem ich die Lötstellen nachgelötet habe, gehts jetzt auch bei mir. Allerdings ist die Spannung für die OPA +- 9V. Allerdings verstehe ich nach wie vor nicht wie diew Spannungsversorgung für die OPAs funktionert. Wenn mir da naoch mal jemand nen Hinweis geben könnte? Grüße netdieter
Hallo. Ich spiele auch mit dem Gedanken mir das Jyetech-Oszi zuzulegen. Kann mir einer sagen, ob das teil eine Schnittstelle hat, um Daten an den PC zu übertragen..? Würde mir da dann gerne ne kleine Software schreiben, die Messkurven über einen längeren Zeitraum aufzeichnet. Mani
M@ni schrieb: > Kann mir einer sagen, ob das teil eine Schnittstelle hat, um Daten an > den PC zu übertragen..? Hat es nicht. Der UART ist allerdings rausgeführt also vieleicht kanns du das Programm so umschreiben das er die gemessenen Daten darauf ausgibt.
>Kann mir einer sagen, ob das teil eine Schnittstelle hat, um Daten an >den PC zu übertragen..? Wie gesagt, (5V)-UART ist auf den Pfostensteckert verfügbar, da werden auch ein paar Zeichen ausgegeben. Für eine vollwertige PC-Schnittstelle ist aber eine eigene Software erforderlich. >Würde mir da dann gerne ne kleine Software >schreiben, die Messkurven über einen längeren Zeitraum aufzeichnet. Nur mit eigener Software. Ausserdem speichert die Original-Firmware nur 256 Werte im SRAM, und für viel mehr ist da auch kein Platz. Mehr Werte müssten dann direkt über die Schnittstelle rausgegeben werden, das ist dann aber sehr langsam. Oliver
Hi, ich habe mich mal an die Arbeit gemacht und eine offene Firmware für das jyetech DSO geschrieben. Dazu gehört ein klassischer KS0108 Treiber, allerdings bisher nur Grafik. bisher implementierte Funktionen: - ADC Ansteuerung - Tastaturauswertung - Simpler Trigger (völlig instabil), Samplen und Zeichnen des Signals - Erzeugung der PWM Signale für den Boostkonverter sowie DC Offset - Einstellung von Samplerate, vertikale Position und Triggerlevel - Programm über einfache state machine Ich hoffe das inspiriert ein paar Mitstreiter eine schicke Firmware auf die Beine zu stellen :-) Viel Spaß damit und Vorschläge einbringen! Tschöö Franz PS. Projekt für Codeblocks und avr-gcc. Muss sich jeder ein eigenes Projekt basteln. Hex-File ist dabei.
Schön, dass da was passiert. Aber was versuchst Du eigentlich zu verbessern? Ausser, dass natürlich die Sourcen offen gelegt sind. Gruß netdieter
hab mir letzte Woche auch einen Bausatz bestellt - bei Stephan Watterott (www.watterott.com) und eben aufgebaut. Funktioniert ohne Probleme! ich finde das Gerätchen witzig - natürlich kann es nicht einem Tek, HP oder Rigol das Wasser reichen - dafür wurde es auch nicht konzipiert. Für das Geld ist es absolut okay und man hat eine schöne Infrastruktur um weitere Experimente damit zu machen (Controller, Taster, Grafik-Display, A/D Wandler....) Wer Spaß am AVR und SMD hat sollte es aufbauen... Bin schon sehr gespannt was auf der Basis des kleinen DSO's noch verwirklicht wird.
Hi, leider ist bei Watterott nichts mehr vorrätig. Wo bekomme ich das selbstbau DSO noch zu kaufen? der vertreiber NKCelektronic verlangt paypal zahlung, das geht allerdings bei mir nicht da auf dem Paypalkonto von mir nicht mehr genug Geld drauf ist. Normalerweise kommt dann eine extra aufforderung bei der ich mit Giropay über Paypal zahlen kann. Das geht bei NKC aber seltsamerweise nicht die wollen dann Kreditkartenzahlung. Hab ich aber keine. Gibts vielleicht irgendwo noch einen anderen Händler der das Teil vorrätig hat, ohne das man wochenlang drauf warten muß? Andy
Hi, ich hab mein DSO gestern mittag bekommen, habe halt doch bei NKC-Electronic bestellt. Ich war positiv überrascht, ging etwas mehr wie eine Woche und das Ding war da. Vom Amiland bis hier ins Deutsche ist ja auch nicht grade so ums Eckvon der Strecke her...:D Andy :D
Hallo! Wollte nur mal was neues zu dem Thema in die Runde werfen: http://www.seeedstudio.com/blog/?p=582 Toby
Hallo, ich bitte um Hilfe. Mein Jyetech funktioniert nicht. Der Atmel und das Display funktionieren, ich kann nur kein Eingangssignal anzeigen. Die Frequenzmessung mit dem Testsignal funktioniert korrekt, das Testsignal hat auch 5V und 500 Hz. Am CLK-Pin des TLC5510 kommen periodische Bursts (ist das so korrekt?). Am Eingang liegen bei 2V/div aber nur ca. 0,3 V an. An den Datenausgängen des TLC kommt aber meine ich nichts raus. Kann mir jemand Tipps geben wie ich weiter vorgehe? Der TLC ist einzeln nicht mal eben zu beschaffen... Grüße Robert
Mein DSO Nano von Seeed Studio ist gerade angekommen. Macht einen hübschen Eindruck, hab mal ein Video gemacht um es mit dem JYETECH zu vergleichen: http://www.youtube.com/watch?v=H4N7EwLfHKk (Siehe http://www.freeduino.de/de/blog/digitales-speicher-oszilloskop-im-selbstbau-f%C3%BCr-22-euro) Toby
Thomas R. schrieb: > @Tobias > > 42$ zollgebühren, ehm, warum so viel ? Öhm da kenn ich mich nicht aus, auf dem Paket steht der Gesamtpreis von 91,74 USD und dazu sollte ich dann noch 28,81 Euro "Einfuehrumsatzsteuer" beim Postboten lassen. Ist das zu viel?
ja, zu viel, das gerät kommt aus china und sieht verdammt nache einen media player aus, dann zahlt man antidumping zoll (dann passt der bertrag), es ist aber ein messgerät, also guck PM an.
Bitte melde dich an um einen Beitrag zu schreiben. Anmeldung ist kostenlos und dauert nur eine Minute.
Bestehender Account
Schon ein Account bei Google/GoogleMail? Keine Anmeldung erforderlich!
Mit Google-Account einloggen
Mit Google-Account einloggen
Noch kein Account? Hier anmelden.




