Forum: Mikrocontroller und Digitale Elektronik Frequenzzähler 1Hz - 40MHz


Announcement: there is an English version of this forum on EmbDev.net. Posts you create there will be displayed on Mikrocontroller.net and EmbDev.net.
von Axel S. (a-za-z0-9)


Angehängte Dateien:

Lesenswert?

Hallo Welt,

hier kommt ein Spielprojekt von mir: ein Frequenzzähler, der im Bereich 
1Hz bis ~40MHz mit durchgängig 6 Stellen Genauigkeit arbeitet. An 
Hardware steckt drin: 1xATmega8, 1x74HC74, 1x74HC590, LCD 10x1.

Das Meßprinzip ist eine Kombination von Frequenz- und 
Periodendauermessung. Details finden sich im angehängten tar.gz.

Die Firmware ist ein Mix aus C und Assembler. Rein C ging leider nicht, 
weil die Arithmetikroutinen aus der avr-libc den Code auf ca. 20kB 
aufgeblasen hätten. Also habe ich ein bisschen Arithmetik in Assembler 
gehackt :)

Das Projekt geht zurück auf eine Veröffentlichung aus der DDR: 
"Schaltungssammlung für den Amateur", 5. Lieferung, 1989, Blatt 5-1 ff. 
Zu finden bei http://www.raupenhaus.de/down/load.php. Damals war es ein 
größeres TTL-Grab rund um einen U882. Der Code paßte damals in 1/2KB, 
heute sind es etwas über 2K :-O

Kommentare sind erwünscht!


lg, XL

von Knut B. (Firma: TravelRec.) (travelrec) Benutzerseite


Lesenswert?

Dick!!! Werde ich bestimmt mal nachbauen an einem kalten Winterabend... 
Aber die Codesammlung wäre ein besseres Unterforum, auch wenn es sich um 
ein Komplettgerät handelt.

von ich (Gast)


Lesenswert?

Wie genau ist das von dir gebaute denn?

Schonmal eine Vergleichsmöglichkeit gehabt?

von Axel S. (a-za-z0-9)


Lesenswert?

ich schrieb:
> Wie genau ist das von dir gebaute denn?

So genau wie du ihn kalibrieren kannst. Es sind zwei 
Kalibrierungsmöglichkeiten vorgesehen:

1. die verwendete Referenzfrequenz steht im EEPROM und kann unabhängig 
von der Firmware verändert werden.

2. das Poti an PC5 erlaubt eine Justierung um +/-511 Hz.

> Schonmal eine Vergleichsmöglichkeit gehabt?

Nein. Ein Frequenznormal steht aber auf meiner Projekte-Liste. Bislang 
habe ich eine Handvoll XOs aus der Bastelkiste (von 1.8MHz bis 40MHz) 
drangehängt und ca. den Mittelwert eingestellt :)

Mit einem nackten Quarz (wie der Prototyp hat) läuft dir das Dingens 
sowohl mit der Zeit als auch mit der Umgebungtemperatur weg. Ein TCXO 
oder OCXO behebt zumindest das Temperaturproblem. Mehr als die 6 Stellen 
sind aber ohne ein gutes Frequenznormal nicht sinnvoll, obwohl eine 7. 
Stelle von der Auflösung her drin wäre.


XL

von Lukas K. (carrotindustries)


Lesenswert?


von gururom (Gast)


Lesenswert?

@ Axel
hast du den Frequenzzähler aus der Schaltungssammlung damals aufgebaut?
Ich hatte den mal zur Wendezeit angefangen und letztes Jahr 
wiedergefunden und vollendet, aber leider zeigt er nur Mist an.

von Andrew T. (marsufant)


Lesenswert?

Axel Schwenke schrieb:
> Ein TCXO
>
> oder OCXO behebt zumindest das Temperaturproblem.

Falls Dir ein OCXO genehm ist: Einen 10 MHz OCXO habe ich noch 
abzugeben, für 35 Euro.
Schick mir bei Interesse einfach eine PN.

von Axel S. (a-za-z0-9)


Lesenswert?

Moin,

gururom schrieb:

> hast du den Frequenzzähler aus der Schaltungssammlung damals aufgebaut?

Ja.

> Ich hatte den mal zur Wendezeit angefangen und letztes Jahr
> wiedergefunden und vollendet, aber leider zeigt er nur Mist an.

Meiner lag bis vor ca. 2 Jahren mit ganz ähnlichen Symptomen auf Eis. 
Seitdem läuft er aber. Und zwar ganz hervorragend. Die abgedruckte 
Firmware hat einen Fehler. Details habe ich verdrängt :)

Ich habe etliche Varianten der Firmware hier als Quellcode. Das 
Original, ein minimal angepaßtes Original, eine schöne Variante mit den 
Original-Algorithmen, eine neue Variante. Der Assembler ist ein Eigenbau 
:)

Meine Änderungen: Polarität der Treiber geändert (Segmente pnp, Digits 
npn). Die Einheit wird mit 4 Einzel-LEDs angezeigt: Hz, kHz, MHz und 
Unterlauf.

Wenn du mir deine Quarzfrequenz sagst und ob/welche anderen 
Modifikationen du hast, kann dir ein Firmware-Image bauen. Schick mir ne 
Mail.


XL

von ulrich (Gast)


Lesenswert?

Mit einem zusätzlichen Temperatursensor (falls man dafür noch einen PIN 
freimachen kann) könnte man die Temperaturdrift in erster Näherung 
kompensieren. Das braucht dann nur zusätzlichen Abgleich bei hohen und 
tiefen Temperaturen.

Wozu eigentlich die Umschaltung im Messverfahren ?
Für hohe Frequenzen kann man auch weiter die Periodenmessung über den 
ICP Pin machen, nur dann halt mit Vorteiler (z.B. 256). In der 
Minimalversion könnte man so mit nur dem µC und einem Teiler IC 
auskommen - die Umschaltung kann man über den MUX und Komperator intern 
erledigen.

Ein anderer Test für die Qualität wäre die Auflösung bzw. das 
Frequenzrauschen das man für die 50 Hz Netzfrequenz erhält.

von Axel S. (a-za-z0-9)


Lesenswert?

Moin,

ulrich schrieb:
> Mit einem zusätzlichen Temperatursensor (falls man dafür noch einen PIN
> freimachen kann) könnte man die Temperaturdrift in erster Näherung
> kompensieren. Das braucht dann nur zusätzlichen Abgleich bei hohen und
> tiefen Temperaturen.

Gefrickel. Ein TCXO bietet genau das (Temperaturkompensation) und kostet 
nicht die Welt. Tatsächlich habe ich hier noch 2 TCXO 12.8MHz von 
Elektronik-Fundgrube liegen. Die haben mal EUR 0.87 gekostet. Da werde 
ich sicher keinen Quarz für vermessen (mit welchem Normal eigentlich?)

> Wozu eigentlich die Umschaltung im Messverfahren ?
> Für hohe Frequenzen kann man auch weiter die Periodenmessung über den
> ICP Pin machen, nur dann halt mit Vorteiler (z.B. 256). In der
> Minimalversion könnte man so mit nur dem µC und einem Teiler IC
> auskommen - die Umschaltung kann man über den MUX und Komperator intern
> erledigen.

Da wird gar nix umgeschaltet. Das ist ja gerade das geniale an diesem 
Meßverfahren. Ein fester Vorteiler hat den Nachteil, daß er den 
Meßbereich nach unten einschränkt. Bzw. dann für kleine Frequenzen 
überbrückt werden müßte.

Ich sehe schon, ich muß das Meßverfahren hier nochmal erläutern. Siehe 
unten.

> Ein anderer Test für die Qualität wäre die Auflösung bzw. das
> Frequenzrauschen das man für die 50 Hz Netzfrequenz erhält.

Nicht wirklich. Zum einen hast du da jede Menge Schmutz auf dem Netz, 
den du erst mal entfernen mußt, damit es keine Fehltriggerung gibt. Zum 
weiteren ist die Kurzzeitstabilität der 50Hz nicht berauschend.

Hier also eine Beschreibung des Meßverfahrens. Das gibts auch nochmal im 
tar.gz in RATIOMETRIC.txt (allerdings auf Englisch).

Der Zähler benutzt ein gemeinsames Tor, das zwei Zählerketten steuert. 
Der eine Zähler zählt Impulse der unbekannten Meßfrequenz fx, der andere 
Zähler zählt Impulse der Referenzfrequenz fref. Sei nun Nx der 
Zählerstand des Fx-Zählers und Nref der Zählerstand des fref-Zählers. 
Für geeignete Tor-Öffnungszeiten gilt dann:
bzw. umgestellt nach fx:
Was wäre nun eine geeignete Tor-Öffnungszeit? Zum einen sollte das Tor 
synchron zur Meßfrequenz fx öffnen. Dadurch zählen wir immer ganze 
Perioden  von fx und vermeiden so den +/- 1 Fehler, den wir bei 
unsynchronisierter Torzeit sonst bekommen. Da wir das Tor nur entweder 
auf fx oder auf fref sychronisieren können, müssen wir andererseits 
eine genügend lange Torzeit wählen, um genügend Impulse von fref zu 
bekommen. Wenn wir z.B. mindestens 1'000'000 fref-Impulse haben, dann 
beträgt der systematische Fehler höchstens 1ppm.

Soweit zur Theorie.

In der Praxis ist da nur 1 Zähler - der für fx. Die ersten 8 Bit macht 
der 74HC590, die eine (rechte) Hälfte des 74HC74 macht ein weiteres Bit 
(vor allem, weil der Impuls an RCO des HC590 evtl. zu schmal ist, um den 
ATmega8 sicher zu triggern). Die restlichen Bits machen Timer0 und ein 
weiteres Byte per Software. Wenn fx sicher unter 1/2 F_CPU liegt, dann 
kann man den 74HC590 einsparen (braucht aber ein Gatter als Tor - nix 
gewonnen)

Der Zähler für fref nutzt die Capture-Einheit und Timer1. Dazu muß man 
erst die Tor-Logik verstehen. Die zweite (linke) Hälfte des 74HC74 ist 
das Tor-Flipflop. An D liegt das Signal "Start" - im Prinzip das 
unsynchronisierte Tor-Signal. Über CLK wird das Tor mit fx 
synchronisiert und über /Q wird der 74HC590 freigegeben. Gleichzeitig 
werden die fallende Flanke (Tor öffnet) und die steigende Flanke (Tor 
schließt) von der Capture-Einheit festgehalten. Dazu noch die Anzahl der 
Timer1-Überläufe dazwischen und fertig ist der Zähler für fref.

Die Firmware hält das Tor nun mindestens so lange auf, bis ca. 4'000'000 
Impulse im fref-Zähler sind (bei 14.31MHz dauert das ca. 0.28 sec). Dann 
schließt die nächste steigende Flanke von fx das Tor. D.h. bis ca. 10Hz 
ist die Torzeit ca. 0.3 sec, maximal 1 sec beim Minimum von 1Hz. Aber 
immer ein ganzes Vielfaches der Periodendauer von fx.

Das absolute Minimum für fx ist fref/(16*1024*1024) = 0.853Hz. Das 
deswegen, weil der fref-Zähler 24 Bit lang ist (maximal 16*1024*1024-1). 
Die obere Grenze ergibt sich analog: der fx-Zähler ist auch 24 Bit lang. 
Während der 4 Mio fref-Impulse dürfen max. 16 Mio fx-Impulse auflaufen 
bevor der fx-Zähler überläuft. Damit darf fx nicht größer werden als 
4*fref. In der Praxis macht die 74HC-Logik vorher dicht.

Wenn das Tor wieder geschlossen ist, werden die Zähler ausgelesen und fx 
nach obiger Formel berechnet. Der systematische Meßfehler ist dabei 
kleiner als +/- 0.25ppm. Dazu kommt der Fehler von fref.

Wenn man die Meßzeit auf 10'000'000 fref-Impulse verlängert (Torzeit 0.7 
sec), dann liegt der systematische Fehler unter 0.1ppm und man kann 7 
Stellen anzeigen. Vorausgesetzt natürlich, man kennt fref genau genug 
und fref driftet signifikant weniger über Zeit und Temperatur.

Ich habe fertig :)

OK. Eins noch: man kann das mit einem Trigger (und evtl. einem 
Gigahertz-Vorteiler) als standalone-Frequenzzähler betreiben. Meine 
Intention war allerdings eher, eine Art no-brainz Frequenzanzeige zu 
bauen, die man z.B. in einen Funktionsgenerator so selbstverständlich 
reinbaut, wie ein Panelmeter-Modul in ein Netzteil. Genausogut kann man 
mit wenig Aufwand kann man da noch eine ZF-Subtraktion reinbauen und das 
in einem Funkempfänger verwenden. Etc. pp.


XL

von Axel S. (a-za-z0-9)


Lesenswert?

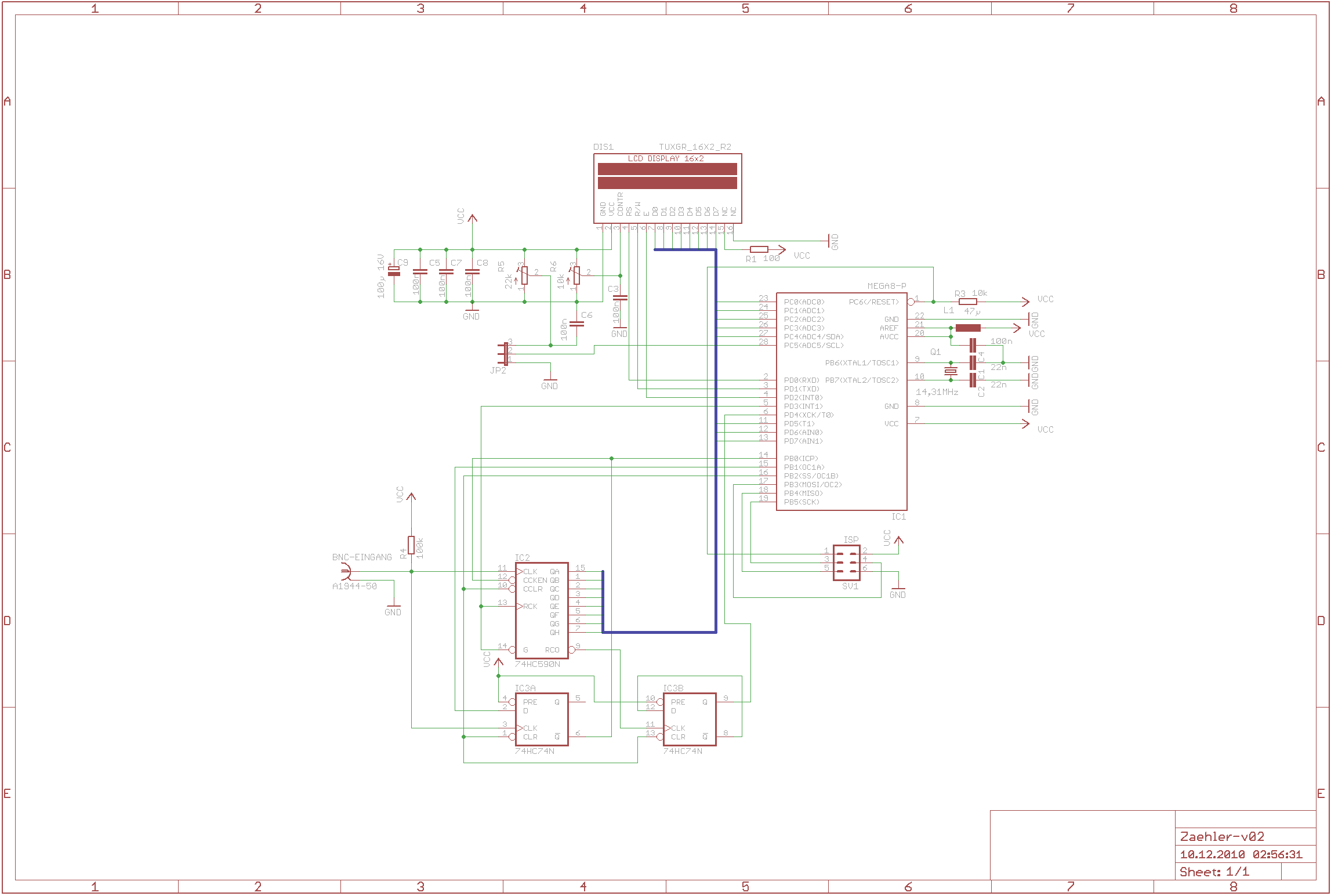
Nachtrag: es sind noch ein paar Fehler im Schaltplan:

1. der Pullup an Reset fehlt
2. dito ein Pullup an fx (Connector "Signal", Pin 1)
3. Pins 4 und 10 (/PRE) des 74HC74 liegen an Vcc, offen lassen geht zwar 
bei TTL, aber nicht bei 74HC
4. die Abblock-Cs für '74 und '590 sind nicht eingezeichnet
(5. ich hab auch PC5 des ATmega und Vee des LCD noch 100n gegen GND 
spendiert. Und es gibt ein paar "Angst-Pullups" - siehe Fotos)

PS: Ich habe mehrere Anläufe gestartet, den Schaltplan mit Eagle 
(Freeware) oder gschem zu zeichnen. Ohne Erfolg. Schließlich bin ich zum 
Altbewährten (xfig) zurückgekehrt. Liegt das an mir, oder sind besagte 
Programme einfach nur schlecht?


XL

von Christian S. (schrotti1000)


Angehängte Dateien:

Lesenswert?

Hallo

habe heute Nacht mal den Schaltplan mit Eagle gezeichnet.
Ich hoffe es sind keine Fehler drin :-)

Wenn Interesse besteht werde morgen Nacht mal Layout fertig machen.

Schrotti

von Gockel (Gast)


Lesenswert?

Mit ein wenig Suchen findet man u. a. so etwas im Netz;
http://www.mino-elektronik.de/fmeter/fmeter.htm
Ist nichts Neues, sondern schon 10 Jahre alt. Die Eingangsfrequenz kann 
noch deutlich tiefer erfaßt werden.

von Axel S. (a-za-z0-9)


Lesenswert?

Moin!

Gockel schrieb:
> Mit ein wenig Suchen findet man u. a. so etwas im Netz;
> http://www.mino-elektronik.de/fmeter/fmeter.htm

Ha! Ich hatte etliche Male mit Google gesucht, aber nix in der Richtung 
gefunden. Wahrscheinlich nicht die richtigen Suchbegriffe verwendet...

> Ist nichts Neues, sondern schon 10 Jahre alt.

Sogar noch älter. Die erste mir bekannte Variante ist >21 Jahre alt. Heh 
- das ist älter als das WWW!

> Die Eingangsfrequenz kann noch deutlich tiefer erfaßt werden.

Klar. Muß man nur die Zähler weiter aufbohren. Mit 32 Bit kommt man auf 
besagte 3mHz. Nur wer will schon 5 Minuten auf jedes Meßergebnis warten?


XL

von Peter Sieg (Gast)


Lesenswert?

Christian Scharrer schrieb:
> Wenn Interesse besteht werde morgen Nacht mal Layout fertig machen.

Ja. Und wenn dann weiter Interesse besteht, könnte ich Platinen 
bestellen..?

Peter

von ulrich (Gast)


Lesenswert?

Danke für die Erklärung des Messverfahrens. Schon eine gar nicht so 
schlechte Lösung, und wirklich ohne Umschalten des Verfahrens.

Gerade wenn die angezeigte Frequenz wegen eines schlechten Signals schon 
schwankt ist die Frage wie viel es denn schwankt schon interessant. Da 
interessiert dann nicht mehr die theoretische Auflösung, sondern die 
praktische, durch die Empfindlichkeit auf Störungen.

Gerade bei eher gestörten Signalen wie den 50 Hz aus dem Netz, hat die 
Messung der Zeiten für die erste und letzte Flanke in der Torzeit aber 
ihre Grenzen. Es wird relativ empfindlich auf Fehler bei den beiden 
ausgewählten Flanken für Start und Stop.  Wenn man wollte, könnte man 
z.B. mehr als nur die 2 Flanken messen und so weniger Empfindlich auf 
gestörte Signale werden. Nur mit der gegeben Hardware dürfte das aber 
kaum gehen.

Das Verfahren und der Plan sind schon gut, mit das beste was ich bisher 
im Netz als Frequenzzähler (bzw. den Teil davon) gefunden habe. 
Abgesehen natürlich von der Referenz.

von Dieter S. (dolivo)


Lesenswert?

Hallo, sollte das nicht besser in die Codesammlung verschoben werden? In 
ein paar Tage ist es weg und die, die nicht jeden Tag hier 'reinschauen, 
erfahren das nie.

von Axel S. (a-za-z0-9)


Lesenswert?

Dieter S. schrieb:
> Hallo, sollte das nicht besser in die Codesammlung verschoben werden? In
> ein paar Tage ist es weg und die, die nicht jeden Tag hier 'reinschauen,
> erfahren das nie.

Ich hab den Fred im AVR Softwarepool verlinkt. Reicht das nicht?


XL

von Axel S. (a-za-z0-9)


Lesenswert?

ulrich schrieb:

> ... wenn die angezeigte Frequenz wegen eines schlechten Signals schon
> schwankt ist die Frage wie viel es denn schwankt schon interessant. Da
> interessiert dann nicht mehr die theoretische Auflösung, sondern die
> praktische, durch die Empfindlichkeit auf Störungen.

Ich verstehe nicht, was du sagen willst. Wenn die Frequenz des Signals 
schwankt (oder die Flanken jittern) dann kriegst du mit keinem 
Frequenzmeßverfahren der Welt eine stabile Anzeige. Das beste, was du 
dann machen kannst, ist das Meßintervall recht lang zu machen und so 
über viele Perioden zu mitteln. Oder du machst es recht kurz und wertest 
Minimum, Maximum, Mittelwert etc. aus. Oder du fütterst es in eine FFT 
und läßt ein Spektrogramm raus. Je nachdem, was du denn eigentlich 
messen willst.

> Gerade bei eher gestörten Signalen wie den 50 Hz aus dem Netz, hat die
> Messung der Zeiten für die erste und letzte Flanke in der Torzeit aber
> ihre Grenzen. Es wird relativ empfindlich auf Fehler bei den beiden
> ausgewählten Flanken für Start und Stop.  Wenn man wollte, könnte man
> z.B. mehr als nur die 2 Flanken messen und so weniger Empfindlich auf
> gestörte Signale werden. Nur mit der gegeben Hardware dürfte das aber
> kaum gehen.

Alle Frequenzmesser müssen irgendwie definieren, wo eine Periode des 
Eingangssignals anfängt. Im digitalen Bereich ist es üblich, dafür eine 
Impulsflanke zu nehmen. So wie die Schaltung jetzt ist, ist es die 
steigende. Mach einen Inverter davor, dann ist es die fallende.

Die Aufbereitung eines verrauschten, verbrummten Signals ist eine 
separate Aufgabenstellung.

> Das Verfahren und der Plan sind schon gut, mit das beste was ich bisher
> im Netz als Frequenzzähler (bzw. den Teil davon) gefunden habe.

Danke für die Blumen. Ich stehe auf den Schultern von Giganten.

> Abgesehen natürlich von der Referenz.

Die Referenz darfst du so genau machen wie du willst. Kauf das o.g. 
Rubidium-Normal bei ebay und füttere dem ATmega8 die 10MHz daraus. Schon 
mußt du dir um Kalibrierung keine Gedanken mehr machen. Und im 
Bastelkeller ist es immer schön warm (wenn der Frequenzzähler läuft :)


XL

von ulrich (Gast)


Lesenswert?

Bei einer nicht so stabilen Frequenz sind die Schwankungen in der 
angzeigten Frequenz abhängig vom Messverfahren. Ganz schwankungsfrei 
kreigt man die Anzeige nicht, aber es kann mehr oder weniger stark 
schwanken.
Hier wird bei z.B. 50 Hz und 1 s Tor-zeit nur ein kleiner Teil (die 2 
besten) der Flanken ausgewertet. Man könnte es noch schlechter machen 
wenn man einen Teil der Torzeit verschenkt, oder halt besser wenn man 
die Zeit aller Flanken misst und nutzt.
Bei dem Beispiele wäre etwa ein Faktor 2-4  drin - wie viel hängt auch 
vom Signal ab.
Bei der hier gezeigten Hardware ist es aber kaum möglich mehr als 2 
Flanken zu vermessen -  das war auch nur so ein Hinweis wie man es 
eventuell noch etwas besser machen könnte.

Wenn es wirklich drauf ankommt bei einen Signal wie der Netzfrequenz 
eine genaue rauscharme Frequenzmessung zu bekommen, dann ist die Methode 
der Wahl das Signal per AD Wandler zu digitalisieren und an die Daten 
eine passenden Kurve (z.B. Sinus) anzupassen.

Mein Frequenzzähler hat auch keine bessere Referenz, und mir reicht es. 
Oft kommt es auch nicht auf den Absolutwert der Frequenz an, sondern 
eher auf Änderungen.

von Christian S. (schrotti1000)


Angehängte Dateien:

Lesenswert?

Guten Morgen
habe jetzt das Layout fertig gemacht.Für meine erste Arbeit mit
Eagle schaut es gar nicht so schlecht aus. Warscheinlich mit lauter 
Anfängerfehler voll. Deswegen Kritik sehr erwünscht.

von Maik F. (sabuty) Benutzerseite


Lesenswert?

Christian Scharrer schrieb:
> Deswegen Kritik sehr erwünscht.

Dann stell' bitte ein PNG für den Schaltplan und eins für das Board mit 
ein. Dann schau' ich mir das auch an.

von Christian S. (schrotti1000)


Angehängte Dateien:

Lesenswert?

Danke für den Hinweis :-)

von Maik F. (sabuty) Benutzerseite


Lesenswert?

Christian Scharrer schrieb:
> Danke für den Hinweis :-)

C6 ist seltsam und im Originalplan nicht vorhanden?

Eventuell Vorwiderstand und Beschaltung für LCD-Hintergrundbeleuchtung 
einplanen? (Pin 15+16)

Wenn du mit dieser Platine wirklich bis zu 40 MHz Rechteck messen 
willst, würde ich die Signalführung des Eingangssignals nochmal deutlich 
überarbeiten. D.h. vor allem kürzer machen. Ob hier eine normale 
Pin-Header Verbindung noch sinnvoll ist, wage ich auch zu bezweifeln. 
Zumindest über eine BNC-Buchse sollte man nachdenken.

Im Layout sind einige 90°-Knicke, die man zumindest als "unschön" 
bezeichnen kann.

Auch wenn man es sich einfach macht und keinerlei GND-Leitungen im 
Layout einfügt und es nach "die Massefläche wird's richten"-Mentalität 
routet, sollte man doch im Hinterkopf behalten, dass man so keine 
optimalen Stromschleifen hinbekommt. Speziell IC2 ist katastrophal, da 
die Massefläche unter dem IC durch Signalleitungen komplett durchtrennt 
ist. Ok, links herum geht es, da ich aber nicht weiß, die deine 
Massefläche ausehen wird (isolate Wert?), kann man das nicht 
abschließend beurteilen. Vllt. einfach mal die GND-Leitungen reinmalen 
und schauen.

C4 ist zu weit von AVCC weg, der sollte sich rechts vom AtMega 
aufhalten, nahe am Pin.

Willst du die Platine selbst fertigen? Dann sind die Vias unter den ICs 
evtl. unpraktisch. Wenn du die Platine fertigen lassen willst, könnte 
man über SMD nachdenken. Dann passt die ganze Schaltung locker unter das 
Display...

Da R5 (Poti) dem Abgleich dient und die das Signal über das halbe Board 
routest, wäre ein Kondensator am Ausgang des Potis auch nicht verkehrt.


Aber: Im Großen und Ganzen für die erste Arbeit mit Eagle nicht 
schlecht, an den VCC-Leitung sieht man schon, dass du mit etwas Planung 
an die Sache herangegangen bist.

von Ralph B. (rberres)


Lesenswert?

ulrich schrieb:
> Danke für die Erklärung des Messverfahrens. Schon eine gar nicht so
>
> schlechte Lösung, und wirklich ohne Umschalten des Verfahrens.
>
>
>
> Gerade wenn die angezeigte Frequenz wegen eines schlechten Signals schon
>
> schwankt ist die Frage wie viel es denn schwankt schon interessant. Da
>
> interessiert dann nicht mehr die theoretische Auflösung, sondern die
>
> praktische, durch die Empfindlichkeit auf Störungen.

Das von Axel benutzte Messverfahren ist ein hochmodernes von 
mittlerweilen
sämtliche renomierten Messgerätefirmen benutzte Messverfahren.

Wieviel Stellen / Sekunde Auflösung man bekommt, hängt von der maximalen 
Geschwindigkeit ab, welche die Hardware ohne einen Vorteiler noch 
verarbeiten kann.

Das Problem mit dem Jitter des zu messenden Signals kann man dem 
Frequenzzähler nicht anlasten. Da streikt dann jedes Messgerät, sofern 
er nicht viele Messungen mittelt, was letztendlich wieder Zeit kostet.

Ich finde das das Messprinziep von Axel gerade im NF Bereich ein 
hochinteressantes Verfahren ist, welche auch bei niedriger Messfrequenz 
noch eine vernünftige Auflösung erlaubt.

Bisher ist mir unter den Selbstbauprojekten noch keines begegnet, 
welches dieses Verfahren anwendet. Maximal wurde mal ein 
Reziprokmessverfahren angewendet, welches dann die Auflösung bei hohen 
Frequenzen alt aussehen läßt.

Axel meine Hochachtung.

Ralph Berres

von Gockel (Gast)


Lesenswert?

>Bisher ist mir unter den Selbstbauprojekten noch keines begegnet,

Mit dem Suchbegriff 'reziproker Frequenzzähler' bei google findet man 
obigen Link. Aber allein schon hier in der Codesammlung ist der letzte 
Beitrag vom Nomvember 2010:

Beitrag "Reziproker Frequenzzähler+ Optimierte 64bit uint Routinen"

Eagle-Leiterplatte und Programm findet man auch, wenn man weitersucht:
http://www.mino-elektronik.de/download/progs_sheets.htm

Irgendwo müßte auch noch eine Schaltung von PeDa zu finden sein, die 
auch schon ein Jahrzehnt alt sein dürfte.
Allesamt sind Selbstbauprojekte.

von Ralph B. (rberres)


Lesenswert?

Gockel schrieb:
> Mit dem Suchbegriff 'reziproker Frequenzzähler' bei google findet man
>
> obigen Link.

Axels Messverfahren  ist aber eben kein rein reziprokes Zählverfahren. 
Das Zählverfahren von Axel umgeht die Nachteile sowohl der klassischen 
direkten Zählverfahren
( Torzeit ist die runtergeteilte Zeitbasis und Frequenz ist proportional 
der gezählten Impulse ) als auch der reziproken Zählverfahren ( 
Periodendauermessung mit anschliesender Umrechnung in Frequenz ).

Axel misst sowohl die Anzahl der Impulse des Frequenzzähltores, als auch 
die Impulse der Zeitbasis, welches auch ein Tor besitzt. Beide Tore 
also Frequenzzähltor als auch Zeitbasistor werden gemeinsam mit der 
ersten Periode des zu messenden Signals geöffnet und nach einer ( fast ) 
beliebigen Zeit mit der selben Flanke der zu messende Frequenz wieder 
geschlossen. Die beiden Ergebnisse werden miteinander verrechnet.

Die Zeit wie lange die beiden Tore geöffnet sind bestimmt, wieviel 
Stellen angezeigt werden können. Und zwar unabhängig von der Frequenz. 
Die Geschwindigkeit wie schnell der Zähler ist bestimmt , wieviel 
Stellen pro Sekunde Toröffnungszeit angezeigt werden können.  Diese 
Tatsache ist der Unterschied zum reinen Reziprokmessverfahren. Es muss 
lediglich gewährleistet sein, das innerhalb der Toröffnungszeit 
mindestens eine Periode der zu messende Frequenz reinpasst.

Ralph Berres

von Axel S. (a-za-z0-9)


Lesenswert?

@Christian:

Danke daß du dir die Mühe mit Eagle gemacht hast.

Zum Schaltplan: C6 gehört da nicht hin.

Zur Platine: zu groß :) - aber im Ernst, die sollte möglichst genau so 
groß sein wie das LCD, damit man da ein hübsches Sandwich bauen kann. Es 
wäre zu überlegen, die Platine und das Display "Rücken an Rücken" zu 
montieren, dann dürften sich auch die 8 Datenleitungen zum Display 
leichter legen lassen.

Das 40MHz Signal ist nicht ganz so kritisch, wie Maik meint - immerhin 
hat es HC Pegel. Beim Testen habe ich auch problemlos 40MHz aus einem XO 
mit 1m Meßstrippen über den Tisch geführt. Trotzdem kann es natürlich 
nicht schaden, die folgenden Leitungen kurz zu machen:

- fx
- alles am Quarz
- das analoge Kalibrierungssignal. Dem könnte man übrigens einen Jumper 
spendieren, mit dem man PC5 wahlweise an GND legen kann.


XL

von Freies Elektron (Gast)


Lesenswert?

Ralph Berres schrieb:
> Axel misst sowohl die Anzahl der Impulse des Frequenzzähltores, als auch
> die Impulse der Zeitbasis, welches auch ein Tor besitzt. Beide Tore
> also Frequenzzähltor als auch Zeitbasistor werden gemeinsam mit der
> ersten Periode des zu messenden Signals geöffnet und nach einer ( fast )
> beliebigen Zeit mit der selben Flanke der zu messende Frequenz wieder
> geschlossen. Die beiden Ergebnisse werden miteinander verrechnet.

Mein Gott, das ist doch Stand der Technik seit Mitte der den 70iger.

von Christian K. (Gast)


Lesenswert?

Gockel schrieb:
> Irgendwo müßte auch noch eine Schaltung von PeDa zu finden sein, die
> auch schon ein Jahrzehnt alt sein dürfte.

Siehe z.B. hier Beitrag "Re: Frequenzzähler eigenbau"
und hier: Beitrag "Re: Frequenzzähler eigenbau"

Christian.

von Andrew T. (marsufant)


Lesenswert?

Freies Elektron schrieb:
> Mein Gott, das ist doch Stand der Technik seit Mitte der den 70iger.


Richtig.

von Gockel (Gast)


Lesenswert?

@Christian

Danke, ich dachte der Beitrag wäre noch älter und nicht mehr verfügbar.

@Ralph Berres
Ließ Dir den Artikel zum 1. Link doch einmal durch und dann korrigiere 
Deine Aussage ;-) Da kann man abhängig von der Meßzeit die Anzahl der 
gültigen Stellen wählen: 5-7 mit stets optimaler Auflösung und 
lückenloser Erfassung.

>Mein Gott, das ist doch Stand der Technik seit Mitte der den 70iger.
Aber nur für Leute, die da schon geboren waren ;-)

von Andrew T. (marsufant)


Lesenswert?

Gockel schrieb:
>
>>Mein Gott, das ist doch Stand der Technik seit Mitte der den 70iger.
> Aber nur für Leute, die da schon geboren waren ;-)

Bzw. für die stets weniger Werdenden die danach geboren wurden UND in 
der Lage sind Fachliteratur zu lesen und zu verstehen  ,-)

von Freies Elektron (Gast)


Lesenswert?

Gockel schrieb:
>>Mein Gott, das ist doch Stand der Technik seit Mitte der den 70iger.
> Aber nur für Leute, die da schon geboren waren ;-)

Jau, aber die später geborenen(;-) könnten auch wissen, dass Hameg in 
seinen 8000er-Modul-Frequenzzähler die parallele Fx- und Frefzählung 
durchführt.

Selbst ELV benutzt dieses Verfahren in seinem Bausatz FC7008. Schaltbild 
kann man dort laden.

Beide, Hameg und ELV haben zusätzlich die Messfunktionen pos.Pulsbreite, 
neg.Pulsbreite und Total.
Und wer was Gutes tun will der baut noch eine Tastverhältniss-Messung 
ein.

von Gockel (Gast)


Lesenswert?

Von Philips gab es in den 70ern solch ein Meßgerät PM.... zu rund DM 
1000. Mit viel Zeit könnte ich das Datenblatt wieder ausgraben. Das 
hatte auch bestimmt noch einen Datenausgang: BCD parallel, wie man das 
damals so machte ;-)

von Axel S. (a-za-z0-9)


Lesenswert?

Andrew Taylor schrieb:
> Gockel schrieb:
>>
>>>Mein Gott, das ist doch Stand der Technik seit Mitte der den 70iger.
>> Aber nur für Leute, die da schon geboren waren ;-)
>
> Bzw. für die stets weniger Werdenden die danach geboren wurden UND in
> der Lage sind Fachliteratur zu lesen und zu verstehen  ,-)

Haha.

Übrigens: beide o.g. Threads waren nicht vom AVR Softwarepool 
verlinkt. Ich habe zumindest den einen jetzt mal da rein getan. 
Womöglich erspart das ja jemand anderem, das Rad nochmal neu zu 
erfinden.

Was mich persönlich angeht: ich wollte so ein Projekt allein angehen. 
Zum einen, weil ich mich in AVR-C und insbesondere die Kopplung C/ASM 
einarbeiten wollte. Zum zweiten habe ich bereits ein Gerät, das nach 
diesem Prinzip arbeitet. Das braucht ca. 1x Europlatine und frißt 450mA 
bei 5V. Ich wollte einfach mal sehen, wie klein und stromsparend das 
aufzubauen geht.

Was ich dabei gelernt habe:

1. mit den AVRs bekommt man keine schnellen (kurzen) ISRs hin. U.a. 
deswegen, weil man SREG manuell sichern muß. Schon gar nicht in C (man 
schaue sich mal den Code an, den gcc/avr-libc für eine ISR erzeugen, die 
nur ein Byte inkrementieren muß). In Z8 ASM sieht das so aus:
1
ISR:  INC foo
2
      RETI
(ja, mit 128 Registern im Z8 haben alle Variablen ihr eigenes Register)

2. wegen 1. ist eine reine Software-Lösung (also ohne externes Gate) 
entweder vom Meßbereich oder von der Auflösung limitiert. 6 Stellen 
wollte ich aber schon haben. Und 10MHz (besser 20) auch.

3. entwickeln mit der gcc Toolchain macht Spaß und geht schnell - viel 
schneller als reiner Assembler anno 1990. Der Code wird aber größer. Bei 
diesem Beispiel sind es 0.5KB vs. 2KB (Z8 vs. Mega8). Das ist natürlich 
doppelt unfair verglichen - zum einen ASM vs. C und dann auch CISC vs. 
RISC. Trotzdem interessant.

Ich habe das Projekt hier rein gestellt in der Hoffnung daß es jemandem 
was nützt. Wenn nicht - auch gut.

Wie ich mich kenne, werde ich das ganze vermutlich nochmal in reinem ASM 
neu schreiben. Einfach um zu sehen, wieviel kleiner (ich tippe <1KB) und 
schicker das wird.


XL

von Gockel (Gast)


Lesenswert?

>1. mit den AVRs bekommt man keine schnellen (kurzen) ISRs hin. U.a.
>deswegen, weil man SREG manuell sichern muß.

Das stimmt so nicht. Nur weil ein anderer CISC-Prozessor wenig Tipperei 
bei der Eingabe braucht, muß die Verarbeitungszeit noch lange nicht kurz 
sein.

ein "INC byte_var; RETI;" mag ja schön aussehen findet sich aber in der 
Realität kaum wieder. Zeige den Code, wie zum Beispiel eine long_var 
inkrementiert wird und dabei gepusht und gepoppt werden muß (wie 
unanständig) und ermittle die effektiven Ausführungszeiten. Diese kann 
man dann vergleichen.

von Blackbird (Gast)


Lesenswert?

Ich finde es gut, sehr gut sogar, von Axel, hier seine Arbeit 
reinzustellen.
Man lernt was und spart auch noch Zeit, wenn man es benutzen möchte.

Die Arbeit selbst als "veraltet" einzustufen - naja, wer richtig 
konsequent ist, sollte nicht in dieses Forum reinschauen.
Ein Hinweis auf die anderen Links für den Autor dieser Arbeit hätte 
schon gereicht.

So ein Z8-Zähler-Ding habe ich auch, aus der selben Quelle nachgebaut. 
Schön zu sehen, wie es auch anders geht.

Blackbird

von Ralph B. (rberres)


Lesenswert?

Freies Elektron schrieb:
> Mein Gott, das ist doch Stand der Technik seit Mitte der den 70iger.

Das ist wohl richtig das die Technik schon relativ alt ist. Trotzdem 
wird sie nach wie vor auch heute so wie sie ist, selbst von Firmen wie 
Agilent,
angewendet, deswegen bezeichne ich sie trotzdem als hochmodern.

Freies Elektron schrieb:
> Jau, aber die später geborenen(;-) könnten auch wissen, dass Hameg in
>
> seinen 8000er-Modul-Frequenzzähler die parallele Fx- und Frefzählung
>
> durchführt.


Stimmt, habe ich gerade auch festgestellt.

Was ich aber heute noch vermisse, sind fertige kleine Module, die 
finanziell erschwinglich sind und genau dieses Messverfahren anwenden.

Es gabe von Intersil früher mal ein fertiges IC , welches einen 
kompletten 8 stelligen Frequenzzähler beinhaltete. Das konnte aber auch 
nicht das aktuelle Messverfahren.

Es ist schön das es vermehrt fertige Konzepte gibt auf Basis eines Amtel 
oder Pic Prozessor. Vor ein paar Jahren ist mir sowas jedenfalls noch 
nicht über den Weg gelaufen. Da gab es allenfalls die reinen 
Reziprokmessverfahren, bei welcher die Periodendauer des Messsignals das 
Zähltor für die Referenzfrequenz gesteuert hat. Das war bei niedrigen 
Frequenzen gut aber nicht bei hohen Frequenzen.

Nichts für ungut und Sorry wenn ich übersehen habe das solche Konzepte 
es schon im Netz gab. Nichts desto Trotz finde ich es trotzdem gut wenn 
Usewr wie Axel seine Projekte ins Netz stellen. Schon alleine um sich 
Anregungen holen zu können.

Ralph Berres

von Gockel (Gast)


Lesenswert?

>Was ich aber heute noch vermisse, sind fertige kleine Module, die
>finanziell erschwinglich sind und genau dieses Messverfahren anwenden.

So etwas?
http://www.mino-elektronik.de/bilder/fmeter/fmeter_brd.jpg

Wenn es was Fertiges sein soll:
http://www.reichelt.de/?;ACTION=3;LA=444;GROUP=D113;GROUPID=4041;ARTICLE=81696;START=0;SORT=artnr;OFFSET=16;SID=30@TNBPVX8AAAIAAHukQdcdf7a6c0b7ae9e8efa4b3c0dd04d357f

von Ralph B. (rberres)


Lesenswert?

Gockel schrieb:
> Wenn es was Fertiges sein soll:
>
> http://www.reichelt.de/?;ACTION=3;LA=444;GROUP=D11...

Ist zwar nicht ganz billig, aber genau das was ich suchte.

Besten Dank für den Tip.

Ralph Berres

von Helmut L. (helmi1)


Angehängte Dateien:

Lesenswert?

HP /Agilent verwendet seit den 80er Jahre bei denn meisten Counter das 
sogenannte Analoginterpolationsverfahren. Dabei wird der bei der 
Periodendauermessung enstehende +-1 Fehlerdurch eine 
Analoginterpolationsschaltung so gedehnt das sie wieder Messbar werden.

So kann man auch mit Refernzclocks von z.B. 10MHz Aufloesungen des 
Counter von 1nS erzielen.

Angewandt zB. im HP5334B

von Gockel (Gast)


Lesenswert?

>Ist zwar nicht ganz billig, aber genau das was ich suchte.

Billig geht doch auch: nimm einen ATtiny2313 (2€), einen 10MHz Quarz 
sowie Kleinteile (<1€) und programmiere das Programm FM.HEX darauf. 
Damit kannst Du den Bereich von 0,0025Hz - 140kHz abdecken. Mit einem 
zusätzlichen 74HC393 (0,28€) geht es dann bis knapp 40MHz.
Preislich liegst Du dann bei ca. 3,5€.

Eine Programmänderung (Skalierung) und ein 20MHz Quarz könnten die obere 
Grenzfrequenz verdoppeln. Entweder gibt es ein Display 16x2 dazu (6,80€) 
oder per RS232 Pegelwandler an einen PC o.ä..

Also für rund 10€ (Preise von Angelika) bis Du dabei ;-)

@Helmut Lenzen
Das war damals ein Notbehelf, der wohl eher nichts für Bastler ist. 
Heute kann man feiner auflösen, wenn man als Fref etwas zwischen 100MHz 
und 1GHz verwendet oder einen µC nimmt, der bei dieser Taktfrequenz 
arbeitet.

von Padex (Gast)


Lesenswert?

Hallo Axel!
Großartig das ganze kleine Projekt.
Das ist mal etwas, was von der Theorie zwar schon etwas älter ist,
aber in der Praxis wohl nur von wenigen bisher genutzt wurde.
Ich kann das Ganze vielen anderen ans Herz legen und empfehlen, sich
mehr damit zu beschäftigen.
Die Idee mit dem ATMEGA8 und dem Portsplitting war die Idee,
die mir noch fehlte. DANKE!
Ich habe dieses Meßverfahren hier schon seit 8 Jahren auf einem
betagten AVR8515 so ähnlich laufen.

So jetzt kommt aber eine wichtige mich interessierende Frage.

Funktioniert dein Hardwareverfahren auch wirklich???
Als ich vor vielen Jahren das mit dem 74590 als VorTeiler/Zähler
ausprobiert hatte, entstand ein Problem:

 Der Übertragstakt RCO kam immer zu früh, so das bei bestimmten
 Meßfrequenzen falsche Anzeigen erfolgten. Der 74590 zeigte noch
 255 an, während der Softwarezähler schon um 1 weitergeschaltet hatte.
 (Problem: Flankenrichtung und Kopplung Synchronzähler-Asynchronzähler).
 Ich hatte es damals (und so auch noch heute) mit einem MonoFlop 74123
 gelöst (200µs Verzögerung o.ä.).
 Deine Version mit dem 7474 als "9.Bit" habe ich so aber nie hin-
 bekommen?

Meine Frage: Kennst Du dieses Problem? Wie hast Du es gelöst?

PS: Ich kann im Moment deine ZIP-Datei nicht öffnen, weil mein
    Rechner hier einen schlechten Stand hat und hoffe das der noch
    ein paar Stunden durchhält, bis vielleicht eine Antwort kommt.

Axel mach bitte weiter an diesem schönen Projekt.

mfg Padex

von ulrich (Gast)


Lesenswert?

Ralph Berres schrieb:
>Das Problem mit dem Jitter des zu messenden Signals kann man dem
>Frequenzzähler nicht anlasten. Da streikt dann jedes Messgerät, sofern
>er nicht viele Messungen mittelt, was letztendlich wieder Zeit kostet.

Jitter kann man dem Messgerät nicht anlasten, aber die Empfindlichkeit 
auf Jitter ist abhängig vom Verfahren. Beim gleichen schlechten Signal 
kann ein Gerät mehr Schwanken als ein anderes.

Ein Möglichkeit zur Verbesserung ist es z.B. mehrere Messungen zu 
mitteln, ohne das es mehr Zeit kostet: Das geht wenn man für die erste 
Messung wie hier die Flanken Nr 1 und N nutzt, für die 2. Messung die 
Flanken Nr. 2 und N-1 usw.  Die weiteren Messungen sind durch die 
kürzere Messzeit nicht ganz so gut, aber auch nicht ganz schlecht. Im 
Idealfall bildet man dann das gewichtetes Mittel.

Ein andere Möglichkeit ist es die Zeiten zu allen Flanken in der Torzeit 
zu messen, und dann eine lineare Interpolation der Zeiten vs. laufender 
Nummer zu machen. Im Endeffekt kommt da übrigens die gleiche Formel 
raus, wie beim gewichteten Mittel der Teilmessungen. Es ist also nur 
eine andere Interpretation, kein wirklich anderes Verfahren.

Den Nachteil den man so hat, ist dass man wohl einen zuschaltbaren 
Vorteiler braucht, denn je nach µC schaft man das halt nur bis 
vielleicht 10-500 kHz.

von Christian S. (schrotti1000)


Angehängte Dateien:

Lesenswert?

Hallo

habe den Fehler in meinen Schaltplan beseitigt.
Einen BNC Stecker, Jumper und Beleuchtung eingefügt.
Sowie die Platine passend verkleinert.
Bitte um weitere Kritik :-)

Schrotti

von Maik F. (sabuty) Benutzerseite


Lesenswert?

Christian Scharrer schrieb:
> Bitte um weitere Kritik :-)

Das Platinenformat gefällt so besser ;)

Das einzige, was mir beim schnellen Drüberschaun noch aufgefallen ist: 
Die Leitung unter dem Quarz kannst du auch rechts von der rechten 
Lastkapazität des Quarzes verlegen, das muss nicht unter dem Quarz 
durch. Und wenn du das machst, kannst du auch gleich noch den rechten 
Quarz-Kondensator 90° im UZS drehen und den linken 90° gegen den UZS, 
damit deren Massepins näher an den uC rankommen.

Ein PNG vom Board mit der Massefläche wäre auch interessant, ich bin 
nach wie vor etwas skeptisch, was die Anbindung diverser GND-Pins 
angeht...

Mehr habe ich gerade nicht zu meckern.

von Blackbird (Gast)


Lesenswert?

Gockel (Gast) schrieb am
Datum: 09.12.2010 16:16

>Billig geht doch auch: nimm einen ATtiny2313 (2€), einen 10MHz Quarz
>sowie Kleinteile (<1€) und programmiere das Programm FM.HEX darauf.
>Damit kannst Du den Bereich von 0,0025Hz - 140kHz abdecken. Mit einem
>zusätzlichen 74HC393 (0,28€) geht es dann bis knapp 40MHz.
>Preislich liegst Du dann bei ca. 3,5€.
>
>Eine Programmänderung (Skalierung) und ein 20MHz Quarz könnten die obere
>Grenzfrequenz verdoppeln. Entweder gibt es ein Display 16x2 dazu (6,80€)
>oder per RS232 Pegelwandler an einen PC o.ä..

Wo bekommt man den Sourcecode der mino-elektronik-Lösung her?

Blackbird

von ulrich (Gast)


Lesenswert?

Bei der Platine kann man auf die Induktivität für AVCC verzichten - so 
kritisch ist das AD-wandler da nicht.  Die Abblockkondensatoren an den 
ICs sind da wichtiger. So sind die Masseleitungen einfach zu lang, und 
die Störungen werden stark in die zerfranste Massefläche eingekoppelt. 
Vor allem beim µC sollten die Kondesatoren wirklich so dicht wie möglich 
an die Pins - nicht mehr als ein paar mm weg. Der Kondensator unter dem 
µC ist ok, der drüber ist schon zu weit weg.
Ggf. auch die Kondesatoren als SMD, wenn der Platz knapp wird.

von Gockel (Gast)


Lesenswert?

>Wo bekommt man den Sourcecode der mino-elektronik-Lösung her?

Einmal nach rechts und links geklickt:
http://www.mino-elektronik.de/fmeter/fm_software.htm

von Axel S. (a-za-z0-9)


Lesenswert?

Moin Padex,

Padex schrieb:
> Funktioniert dein Hardwareverfahren auch wirklich???
> Als ich vor vielen Jahren das mit dem 74590 als VorTeiler/Zähler
> ausprobiert hatte, entstand ein Problem:
>
>  Der Übertragstakt RCO kam immer zu früh, so das bei bestimmten
>  Meßfrequenzen falsche Anzeigen erfolgten. Der 74590 zeigte noch
>  255 an, während der Softwarezähler schon um 1 weitergeschaltet hatte.
>  (Problem: Flankenrichtung und Kopplung Synchronzähler-Asynchronzähler).

Klingt so, als hättest du auf die fallende Flanke von RCO getriggert. 
Das ist falsch. Schau in das Datenblatt des '590 (das von TI ist IMHO 
besser). RCO geht auf L wenn der '590 von 0xFE auf 0xFF schaltet und 
zurück auf H wenn er von 0xFF auf 0x00 springt. Ein asynchroner Zähler 
dahinter muß also mit der steigenden Flanke von RCO weiterschalten. Wenn 
man mehrere '590 kaskadiert, wird übrigens CCLK aller Stufen verbunden 
und von RCO nach CCKEN kaskadiert.

>  Ich hatte es damals (und so auch noch heute) mit einem MonoFlop 74123
>  gelöst (200µs Verzögerung o.ä.).

Das ist ein böser Würgaround...

>  Deine Version mit dem 7474 als "9.Bit" habe ich so aber nie hin-
>  bekommen?

Eigentlich war der Plan, den ATmega mit QH des Vorteilers zu triggern. 
Das geht aber aus 2 Gründen nicht:

1. das Latch im '590 ist flankengetriggert. Selbst wenn man CCLK und 
RCLK verbinden würde, würde QH einen Takt zu spät updated.

2. wenn man während der laufenden Messung auf das Display schreiben will 
(das ist in der Entwicklungs/Debugphase extrem hilfreich), dann muß man 
die Ausgänge des '590 inaktiv schalten.

RCO direkt an den ATmega geht aber auch nicht, weil der Impuls an RCO 
nur eine Periode von fx lang ist. Um den ATmega damit sicher zu 
triggern, dürfte fx nicht größer als der MCU-Takt sein.

Da kam das zweite FF im '74 gerade recht. Freundlicherweise schaltet es 
auch mit der richtigen Flanke (der steigenden).

Etwaige Verzögerungen durch die asynchrone Stufe (und viel mehr durch 
die Synchronisierung/Flankenerkennung im ATmega) sind solange 
unkritisch, wie man nach dem Schließen des Tors noch genügend Zeit 
verstreichen läßt, etwaige Interruptanforderungen reinkommen zu lassen. 
Die ISR für ICP1 allein ist schon lang genug, um das zu gewährleisten.

Da der '590 in Hardware gesperrt wird, kann für fx kein überzähliger 
Interrupt kommen. Für fref hingegen schon. Wenn zwischen "Tor schließt" 
und dem folgenden CLI noch ein Timer1-Überlauf passiert, dann zählt fref 
(viel)  zu weit. Deswegen macht die Capture-ISR diese Interrupt-Quelle 
auch zu.

.
..
...

und jetzt sehe ich doch eine Fehlerquelle. Wenn ICP1 genau beim Überlauf 
von Timer1 triggert, dann wird der Timerüberlauf übersehen (die ISR 
disabled & cleared das entsprechende Bit - irgendwie war ich die ganze 
Zeit der Meinung, der Überlauf-Interrupt wäre höher priorisiert als der 
Capture-Interrupt). Aber das ist leicht zu reparieren.

Aus
1
        /* rising edge = gate closes */                                         
2
        register uint16_t tmp= ICR1;                                            
3
        if (tmp < nref.w[0]) {                                                  
4
            --nref.b[2];                                                        
5
        }

wird
1
        /* rising edge = gate closes */                                         
2
        register uint16_t tmp= ICR1;                                            
3
        if (tmp == 0) {
4
            ++nref.b[2];                                                        
5
        }
6
        if (tmp < nref.w[0]) {                                                  
7
            --nref.b[2];                                                        
8
        }

also gut daß wir darüber gesprochen haben ;)


XL

von ulrich (Gast)


Lesenswert?

Ich fürchte so ist der Fehler noch nicht behoben. Es reicht wenn 
Überlauf und ICP fast gleichzeitig kommen, z.B. gerade bei einem RET 
Befehl. Damit kann ICP auch einen Wert von 1 bis etwa 4 haben, mit 
anderen Interrupts ggf. auch mehr. Die Prioritäten helfen einem da 
nicht. Es wird immer die erste ausstehende ISR aufgerufen, egal welcher 
Interrupt tatsächlich zu erst da war.

Die Lösung die man sonst bei ICP mit Zählen der Überläufe nimmt ist es 
in der ICP ISR zu testen ob der ICP Wert klein ist (z.B. < 256) und 
gleichzeitig noch ein Overflow Interrupt aussteht (über das Interrupt 
Flag).
Der unscharfe Begriff "klein" ist hier kein Problem: wenn der Interrupt 
aussteht, kann man beim ICP Register nur Werte kurz vor oder kurz nach 
dem Überlauf bekommen - man kann also auch 32000 als Grenze wählen.

von Axel S. (a-za-z0-9)


Angehängte Dateien:

Lesenswert?

Hallo,

hier ein Update des tar.gz mit ein paar Korrekturen:

1. Software-Fix für ICP1/TOV1 Interrupts
2. Schaltplan-Fixes
 - pullups hinzugefügt
 - /pre des '74 beschaltet
 - Abblock-Cs hinzugefügt
 - an ISP waren Reset und MISO vertauscht


XL

von Paul Baumann (Gast)


Lesenswert?

Kannst Du bitte auch die fertig kompilierte .hex-Datei in das 
Verzeichnis
einfuegen? Das waer eine feine Sache fuer Leute, die das Geraet 
nachbauen
wollen, aber keine C-Kenntnisse besitzen.

MfG Paul

von Axel S. (a-za-z0-9)


Lesenswert?

ulrich schrieb:
> Ich fürchte so ist der Fehler noch nicht behoben. Es reicht wenn
> Überlauf und ICP fast gleichzeitig kommen, z.B. gerade bei einem RET
> Befehl. Damit kann ICP auch einen Wert von 1 bis etwa 4 haben, mit
> anderen Interrupts ggf. auch mehr. Die Prioritäten helfen einem da
> nicht. Es wird immer die erste ausstehende ISR aufgerufen, egal welcher
> Interrupt tatsächlich zu erst da war.

Oh. Du meinst, die Interrupts in den AVRs locken sich nicht gegenseitig, 
sondern werden nur registriert und erst wenn die CPU die aktuelle 
Instruktion fertig hat, wird über die Liste geschaut und der 
höchstpriorisierte genommen? Irgendwie geht das Manual (zumindest des 
mega8) nicht so weit ins Detail.

Dann hast du natürlich recht. Und die Interrupt-Priorisierung in den 
AVRs verdient dann diesen Namen auch nicht :(

> Die Lösung die man sonst bei ICP mit Zählen der Überläufe nimmt ist es
> in der ICP ISR zu testen ob der ICP Wert klein ist (z.B. < 256) und
> gleichzeitig noch ein Overflow Interrupt aussteht (über das Interrupt
> Flag).

Ja. Man würde zu allererst das Interrupt-Enable für den Überlauf 
zurücksetzen. Dann schauen, ob ICP1 klein ist und ein Überlauf 
Interrupt pending. Und in diesem Fall eine Kollision annehmen. Korrekt?

ICH WILL 32-BIT TIMER!

Ersatzweise eine richtige Interrupt-Priorisierung. Und am besten mit 
konfigurierbaren Prioritäten. Das hatte der Z8 schon!


XL

von Klaus D. (kolisson)


Lesenswert?

und für Leute, die was anderes suchen werfe mal den Burschen rein:

sn74lv8154

Gruss Klaus

von ulrich (Gast)


Lesenswert?

Der Datenblatt ist da wirklich nicht so detailliert mit den Interrupts. 
Die Tücke ist dabei noch das der alte Simulator von AVRStudio die 
Simulation so macht das der Fehler nicht auftritt - das ist aber leider 
ein Fehler der Simulation. In der Hardware geht es nur nach den Flags - 
die Reihenfolge wird nicht gespeichert. Das ist ja auch am einfachsten 
zu realisieren.

Bei einer früheren Version meines Zähler hatte ich ohne die 
Berücksichtigung diese Spezialfall einige Ausreißer. Durch das messen 
mehrerer (bis 255) Flanken kommt der Fehler dabei aber auch etwa 100 mal 
so oft vor. Mit Berüksichtigen der fast gleichzeitigen Interrupts sind 
die Ausreißer weg.

Schon richtig verstanden: der Overflow kommt zu spät, wenn im ICP 
Interrupt das Flag vom Overflow Interrupt gesetzt ist, und der ICP wert 
klein ist.
Bei dem C Programm "fm.c" für den kleinen Zähler ist das auch schon so 
gemacht.

Wenn einem der 8 bit AVR nicht gut genug ist, könnte man z.B. auf einen 
dsPIC33 ausweichen. Da hat man gleich noch einen Puffer für die letzten 
Capture Ereignisse und verpasst so schnell keinen Wert.

von Axel S. (a-za-z0-9)


Angehängte Dateien:

Lesenswert?

Noch ne Korrektur. Jetzt mit der Interrupt-Kollisionserkennung a'la 
Ulrich. Und auf Wunsch eines einzelnen Herren auch die HEX-Files für 
Flash und EEPROM.


XL

von ulrich (Gast)


Lesenswert?

2 Kleinigkeiten sind mir bei dem Code aufgefallen:

1)
Die Grenze vom 20 für den verpassten Overflow dürfte etwas knapp sein. 
Es macht aber nichts die Grenze auf 256 oder 32000 zu setzen - damit ist 
man dann auf der sicheren Seite. Bei einem Pending Overflow können Werte 
bis etwa 100, vielleicht auch mal 200, oder dann ganz große Werte über 
65000 vorkommen.
Da hat man eigentlich genug Spielraum. Die 20 werden vermutlich nicht 
ganz reichen, denn es kann auch der Overflow von timer0 noch dazwischen 
kommen.


2)  Um ein Interrupt Flag zu löschen schreibt man in das Flag eine 1 
schreibt, ohne verknüpfung. also statt
  TIFR  |=  _BV(TOV1);   /* clear overflow interrupt */
besser
  TIFR  =  _BV(TOV1);    /* clear overflow interrupt */

Ob das hier einen wirklichen Einfluss hat weiß ich nicht. Mit dem |= 
löscht man alle ausstehenden Timer-Interrupts. Wenn der Compiler den SBI 
Befehl nutzt kann es bei einigen neueren AVRs gehen - ist aber nicht 
schön weil vom Compiler abhängig.

von Axel S. (a-za-z0-9)


Angehängte Dateien:

Lesenswert?

Hi,

ulrich schrieb:
> 2 Kleinigkeiten sind mir bei dem Code aufgefallen:
>
> 1)
> Die Grenze vom 20 für den verpassten Overflow dürfte etwas knapp sein.

Hmm. Meine anderen beiden ISRs sind so kurz, wie es nur geht. Aber du 
hast recht, eine höhere Grenze schadet hier nicht.

> 2)  Um ein Interrupt Flag zu löschen schreibt man in das Flag eine 1
> schreibt, ohne verknüpfung. also statt
>   TIFR  |=  _BV(TOV1);   /* clear overflow interrupt */
> besser
>   TIFR  =  _BV(TOV1);    /* clear overflow interrupt */
>
> Ob das hier einen wirklichen Einfluss hat weiß ich nicht.

Oh doch. Das ist richtig böse. Der ICP-Interrupt kann ganz gut mit dem 
TOV0 Interrupt gleichzeitig kommen - das ist die selbe fx-Flanke, mit 
1:512 Chance.

Also nochmal geändert. Diesmal wieder als .tar.gz. Mit dem .hex


XL

von Padex (Gast)


Lesenswert?

@ Axel
Danke für Deine Erklärungen zum 74590. Habe mir das Datenblatt
bei TI nochmal angesehen. Damals muß ich wohl doch etwas falsch
interpretiert haben. Das Monoflop fliegt jetzt bei mir raus. War
ja sowieso nur eine "halbe Sache".
Also Entwarnung auch für die anderen. Dein Konzept geht so auf.
Nochmals Gratulation!!!

Es macht schon Spaß, wenn man einen 27,1234 MHz-Quarz-Oszillator
mit 6 Dezimalteilern dahinter messen kann und immer die gleiche
Zahlenfolge auf dem Display erscheint.
     27,1234    MHz
      2,71234   MHz
      0,271234  MHz
       .
       .
      27,1234    Hz
Das war für mich ein wichtiges Testkriterium.

@Christian
Falls Du auf die besonders ausgefallene Idee kommen solltest,
die Leiterplatte auch fertigen zu lassen, würde ich schon mal
vorab 3 Stck. bestellen wollen.
Frage doch mal hier im Forum, wer denn da noch Interesse hätte.

@ Die Anderen
Die Diskussion um den ICP-Service ist vielleicht morgen schon
Geschichte. Ich glaube man braucht den eigentlich gar nicht.
Bin da optimistisch (ich verwende ihn zwar auch noch).
Aber man kann ja das ICR1-Register gleich nach der Toröffnung
lesen und zwischenspeichern (Polling). Danach braucht man den
ICP ja nicht mehr, weil zum Ende der Torzeit der T1-Zähler durch
die Hardware sowieso stehen bleibt und damit die echte Torzeit
berechnet werden kann.

Das wollte ich noch los werden, bevor ich jetzt diesen Rechner
hier platt mache (Betriebssystem XP spinnt fürchterlich).

Wünsche allen einen schönen 3. Advent.
Tschüß.

von ulrich (Gast)


Lesenswert?

@Padex
Die ICP-funktion nimmt einem bei der Lösung hier schon einen recht 
großen Teil der Hardware ab. Klar kann man das auch von Hand 
reallisieren (2 oder 3 weitere 74HC590),aber wozu.  Die Sache mit der 
Interrupt-kollision kann man lösen, wenn man weiß wie der Timer genau 
funktioniert. Die Lösung ist vielleicht nicht so elegant wie man es auf 
den ersten Blick hofft, aber es funktioniert zuverlässig, ohne 
irgendwelche zeitkritischen Flanken.

Mit dem Ende der Torzeit bleibt der Timer 0 stehen, nicht Timer 1 - der 
läuft weiter mit den µC Takt. Man könnt beim Start mit einem Externen 
Interrupt arbeiten und erst dann den Timer Starten - mit einer 
definierten Antwortzeit aus dem Sleep Mode geht da auch auf den Zyklus 
genau, wenn auch umständlich. Für das Ende der Messung wird das aber 
schwer bis unmöglich es so abzupassen, das einem da nicht gerade ein 
Interrupt dazwischen kommt. Wozu auch der Umstand, wenn der µC die 
passende ICP Hardware hat.

Es gibt sogar die Alternative noch mehr Funktionen in den µC zu 
verlagern, mit nur einem einfachen Vorteiler extern - das Ergebnis ist 
im wesentlichen das selbe, nur halt mit mehr Aufwand für die Software 
und weniger Hardware. Für Frequenzen bis etwa 140 kHz kann das der Mega8 
auch ganz ohne externe Logic. Halt die Lösung von
http://www.mino-elektronik.de/fmeter/fm_software.htm
In ASM geht es dann ggf. noch etwas schneller (ca. 300 kHz).

von Christian S. (schrotti1000)


Lesenswert?

Hi

wollte schon welche fertigen lassen von den Platinen.
Werde noch ein paar Fehler im Schaltplan und Platine korrigieren.
Und mich mal um die böse Massefläche kümmern :-)
Heute Nacht geht's weiter.
Falls jemand noch die Eagle Dateien braucht nur sagen.
Ich selber werde so 10Stück brauchen, eigenen sich ja fast für alles.
(Drehzahlmesser, HF Gedöns, usw.)
Wenn also jemand auch welche will nur Bescheid geben.

Schrotti

von Charly B. (charly)


Lesenswert?

Hi Schrotti,

danke f. das Angebot der Eagle Datein, poste sie
doch mal, i werde das teil bei gelegenheit auch mal
bauen aber in SMD

vlG
Charly

von Axel S. (a-za-z0-9)


Angehängte Dateien:

Lesenswert?

Hallo,

und noch eine Korrektur. Beim Testen mit sehr niedrigen Frequenzen 
(<1.5Hz, da hörte mein Test-Generator gerade auf) habe ich noch einen 
Bug in der Divisionsroutine gefunden. Wenn der Divisor sehr groß wurde, 
konnte es einen unbemerkten Überlauf geben.

Außerdem habe ich noch die Anzeige in mHz dazugebaut. Unterhalb von 1Hz 
wird jetzt 987.654mHz angezeigt (vorher 0.98765Hz - also eine Stelle 
verschenkt für die führende 0). Die letzte Änderung rechtfertigt IMO 
einen Versionssprung auf 1.3 :)

Das .tar.gz enthält wie üblich alle Files, inclusive .hex und .eep


XL

von Christian S. (schrotti1000)


Angehängte Dateien:

Lesenswert?

So

bitte schön. Wobei ich gemerkt habe das meine Massefläche
doch recht zerstückelt ist ... Doch mal in SMD machen, habe ja noch Zeit 
bis Morgen.

Schrotti

von ulrich (Gast)


Lesenswert?

Als SMD wird das mit der Massefläche nicht unbedingt besser. Man hat 
sogar eher weniger Platz zur Verfügung um die Leitungen zu sortieren. So 
schlimm sieht das doch noch nicht mal aus - die paar wirklich schlimmen 
stellen sollten sich beheben lassen ( z.B. der Kondensator an GND/VCC 
des µC).

Was etwas helfen würde, wäre einiger der Ablockkondensatoren in SMD, auf 
der Unterseite zu haben. Die Mischung SMD und bedrahtet ist im 
Hobby-bereich kein Problem - lässt sich nur nicht gut maschinell löten.

Der einzig kristische Teil ist der Quarz mit den Verbindungen. Der Rest 
ist Digital.

von m.n. (Gast)


Lesenswert?

@Ralph Berres (rberres)

Auf der mino-Seite mit dem Beispielprogramm befindet sich eine Datei 
fmeter20.zip. Wenn Deu einen tiny2313 programmieren kannst, hast Du 
gewonnen. Mehr kann man für kein Geld nicht erwarten ;-)

von Ralph B. (rberres)


Lesenswert?

m.n. schrieb:
> Wenn Deu einen tiny2313 programmieren kannst, hast Du
>
> gewonnen.

Leider habe ich für keines der Singlechip Prozessoren weder eine 
Möglichkeit vorhandene Firmware in den Prozessor zu laden, noch 
Programme zu erstellen, da das erstellen von Programme nicht meine Welt 
ist.

Ralph Berres

von Peter S. (petersieg)


Lesenswert?

@Christian Scharrer: Bei Platinen (DK + Lötstoplack) bin ich gerne mit 
1-2 je nach Preis dabei. Ich könnte die alternativ auch anfertigen 
lassen.. Ca. 6-7€/Stück bei 20 Stück.

Danke, Peter

von m.n. (Gast)


Lesenswert?

>Leider habe ich für keines ...

Gut, nur falls Du einen single-chip Frequenzzähler brauchen solltest, 
weißt du jetzt wo ;-)

von ulrich (Gast)


Lesenswert?

40 MHz sind schon relativ optimistisch für einen 74HC590.  Für eine hohe 
Frequenz müsste man da ggf. eher nach der AHC, VHC Version suchen.

Wenn das Layout bei den Abblockkondensatoren Probleme macht, notfalls 
einen bedrahteten Kondensator direkt zwischen die Pins, auf die 
Unterseite löten. Nicht schön, aber dafür der direkte Weg. Es gibt sonst 
auch spezielle Sockel wo der Kondensator schon drin ist.

von Christian S. (schrotti1000)


Lesenswert?

Ok

werde noch mal das Layout überarbeiten. Wenn keiner was dagegen hat wegs 
SMD bestücken werde ich mal die Kondensatoren auf die Rückseite legen.

@Peter Sieg: Hört sich gut an. So 30 Stück werdens schon werden :-)

mh brauch ich dann ne andere Eagle Lizenz ?

Schrotti

von Axel S. (a-za-z0-9)


Lesenswert?

ulrich schrieb:
> 40 MHz sind schon relativ optimistisch für einen 74HC590.

Ja. Sowohl für den HC74 als auch für den HC590 gibt das Datenblatt fmax 
mit ca. 35MHz an (je nach Hersteller leicht verschieden). Im Test haben 
beide 40MHz Oszillatoren, die ich gerade da hatte, sofort funktioniert. 
Und das mit fliegendem Anschluß (1m Meßstrippe quer über den Tisch). Mit 
64MHz passierte dann nix mehr. Zumindest der HC74 scheint das dann nicht 
mehr zu mögen.

> Für eine hohe Frequenz müsste man da ggf. eher nach der AHC, VHC Version suchen.

Scheint es nicht zu geben. Noch nicht mal als 74AC :(

Man könnte das ja umdesignen. Wenn man das LCD im 4-Bit-Modus anspricht, 
bekommt man 4 Pins für den Direktanschluß des Vorteilers. OE braucht man 
dann nicht. Macht Pin #5. Mit fx hätte man dann 6 Pins für den 
Vorteiler. Bräuchte man einen schnellen Zähler >=6 Bits mit Clock-Enable 
und Reset. Gibts das?


XL

von Charly B. (charly)


Lesenswert?

danke Scrotti f. die files,

f. meinen Geschmack fehlt da noch ein HF-Vorverstaeker
um auch kleine Signale messen zu koennen

(event. dahinter ein 74F74, geht bis ueber 100Mhz)

viel spass & erfolg beim layouten

vlg
Charly

von ulrich (Gast)


Lesenswert?

Es fehlt ein Vorverstärker und vor allem noch so etwas wie ein 
Schmidt-trigger für die Wandlung von einem potentiell analogem Signal 
auf einen sauberes Rechtecksignal.

Für einen einfachen Zähler reicht das so ja auch. Man sollte nur wissen 
das die 40 MHz nicht sicher sind und sich nicht wundern wenn es da nicht 
mehr geht.

Für die wirklich hohen Frequenzen könnte man einen Teiler ggf. auch 
einfach vor die ganze Schaltung schleifen. Man verliert ja nichts an 
Auflösung, nur die ganz niedrigen Frequenzen gehen dann nicht mehr.
Das einzige wäre, das der µC weiß ob der Vorteiler drin ist oder nicht - 
ggf. könnte der µC den Teiler auch bei Bedarf abschalten kann (erst mit 
Teiler messen, wenn nach etwa 1/100 s noch keine Pulse ankommen, kann 
der Teiler sicher raus).

Wenn man akzeptiert das der µC je nach Frequenz den Vorteiler an oder 
abschaltet, kann man eigentlich auch auf den externen Auslesbaren Zähler 
und die Flipflops verzichten - bis etwa 100 kHz (in ASM ggf. auch etwa 
400 kHz) kriegt der µC die Messung auch ohne externe Logic genauso gut 
hin. Wenn man will sogar etwas besser.

von Blackbird (Gast)


Lesenswert?

War in der gleichen Schaltungssammlung nicht auch ein Eingangsverstärker 
drin? Mit einstellbarem Triggerpegel, schaltbaren 10:1-Vorteiler und 2 
LEDs zur Pegelanzeige? Eingangsstufe KP303, alternativ BF245.

Den Triggerpegel (war per Poti reine Gleichspannung) könnte man ja 
gleich noch auf dem Display anzeigen. Wenn dann noch ein (auch 
ungenaues) NF-/HF-"Millivoltmeter" per Diodengleichrichtung dabei wäre, 
inclusive Anzeige auf dem Display, wäre das Modul perfekt.

Ein (automatisch) schaltbarer 2:1- oder 4:1-Teiler mit 74F74 reicht doch 
schon bis 70MHz oder weit über 100MHz.

Blackbird

von Padex (Gast)


Lesenswert?

Advent Advent ein Lichtlein brennt!
Mir ist gestern noch ein Licht aufgegangen und
hoffe, daß es nicht gleich wieder ausgeht.

Habe mir das MINO-Teil mal näher angesehen.
http://www.mino-elektronik.de/fmeter/fmeter.htm

Scheint auch ein sehr schönes Projekt zu sein. Ich favorisiere aber
doch die Lösung von Axel.

Thema: Auflösung und Genauigkeit.
Wenn man mal den metrologischen Fehler (nicht meteorologisch)
der Zeitbasis außen vor läßt, verhalten sich beide Konzepte bis
Meßfrequenz < 1/Zeitbasis wahrscheinlich gleich.
Oberhalb der "ZeitbasisFrequenz" kommt der Vorteiler ins Spiel.
Das heißt die Inkremente des Vorteilers gehen bei der Meßfrequenz-
berechnung mit in das Ergebnis ein. Bei dem MINO-Konzept kann der
Stand des Vorteilers keinen Beitrag zur Erhöhung der Auflösung
leisten. Anders bei Axels Lösung. Würde man in beiden Fällen von
einer Taktfrequenz (Zeitbasis) von 10 MHz ausgehen, so wäre Axels
Lösung um den Faktor 4 (bei Grenzfrequenz des 74590 von 40 MHz)
besser. Vielleicht sogar um den Faktor 8, wenn man alle sytema-
tischen Fehler in Betracht zieht (IMHO).
Das "Ankratzen" der 7.Stelle (mehr schafft man mit "float" nicht),
ist realistischer.

So! Aber wofür braucht man schon solch einen "genauen" Zähler?
Nennt mal Beispiele!

1. Filterquarze genau ausmessen
2. Oszillatordrift (Temparaturabhängigkeit, Kurzzeitstabilität)
   bestimmen.
3. LOL Rhubidium-Normal nachmessen

ulrich schrieb:
> Mit dem Ende der Torzeit bleibt der Timer 0 stehen, nicht Timer 1 - der
>
> läuft weiter mit den µC Takt.

Da hast Du völlig Recht.

Axel mach bitte weiter. Der Fred ist noch heiß.

mfg Padex.

von m.n. (Gast)


Lesenswert?

@Padex:

>Bei dem MINO-Konzept kann der Stand des Vorteilers keinen Beitrag zur
>Erhöhung der Auflösung leisten.

Wozu auch?
Zum Zeitpunkt der Auswertung hat er immer den gleichen Wert ;-)

>Würde man in beiden Fällen von
>einer Taktfrequenz (Zeitbasis) von 10 MHz ausgehen, so wäre Axels
>Lösung um den Faktor 4 (bei Grenzfrequenz des 74590 von 40 MHz)
>besser. Vielleicht sogar um den Faktor 8, wenn man alle sytema-
>tischen Fehler in Betracht zieht (IMHO).

Irrtum!
Selbst, wenn man den Vorteiler auf 1GHz (Traum-Chip:74GAS590) auslegen 
und verrechen würde, würde die Messung nie genauer oder "aufgelöster", 
als durch Fref 10MHz vorgegeben ;-)

Mit den Lichtern nimm Dir noch mehr Zeit, dann brennen bald noch mehr. 
Aber pass gut auf den Baum auf ;-)

von Ralph B. (rberres)


Lesenswert?

Padex schrieb:
> 3. LOL Rhubidium-Normal nachmessen

Mit einen 6 oder bestenfalls 7stelligen Counter?

Also ein Rubidiumnormal ist wenigstens mal auf 10 Stellen genau und 
stabil.

Selbst wenn er total daneben liegt ist er immer noch auf 9 Stellen 
genau.

Schon ein Abgleich eines schnöden 70cm SSB/CW Transceiver ist schon 
mindestens 7 Stellen Genauigkeit erforderlich.

Ralph Berres

von ulrich (Gast)


Lesenswert?

Von der Auflösung nehmen sich die beiden Verfahren so nichts. Der 
eventuelle Vorteiler legt nur fest das man als "Torzeit" vielfache von 
z.B. 256 Perioden des Signlas nutzt. Eine wesentliche Einschränkung ist 
das nicht. Eher hat man da bei der Lösung mit dem HC590 eine minimale 
Gefahr den Start genau zur falschen Zeit zu machen und so einen 
Metastabilen Zustand beim 74HC74 zu treffen.  Der Synchronisation im µC 
würde ich da eher mehr trauen.

Bei der Hardwarelösung von Mino (erweitert um einen zuschaltbaren 
Vorteiler) hat man aber die Möglichkeit eine etwa höhere Auflösung zu 
erreichen indem man auch die Zeit der Flanken während der Torzeit nutzt. 
Neben der höheren Auflösung, die eher theoretischer Natur ist, hat man 
da vor allem den Vorteil dass man weniger empfindlich auf Jitter ist.

Ich habe einen Zähler nach dem Verfahren, und könnte auch den Code (ASM 
auf Tiny2313) dazu zur Verfügung stellen. Es sind aber noch ein paar 
Macken in der Bedienung drin und die Anzeige läuft über 7-seg. LEDs mit 
externem Decoder. Ein LCD wäre aber deutlich besser, schon um anzuzeigen 
was man eigentlich misst, und ein Mega88 wäre auch besser geeigent als 
der doch etwas kleine Tiny2313.

von m.n. (Gast)


Lesenswert?

>Aber wofür braucht man schon solch einen "genauen" Zähler?

In der "Bastelpraxis" ist es damit, wie mit einem Multimeter mit 
automatischer Bereichsumschaltung: Meßspitze anlegen - Ergebnis mit 
bester Auflösung ablesen.

Alle Meßgrößen, die sich als Frequenz darstellen, können optimal erfaßt 
werden. Zum Beispiel Drehzahl (magn. oder opt. Sensor), (Wind-, 
Wasser-)Geschwindigkeit über Drehsensor, Ticken (Optosensor) einer 
mechanischen Uhr.
Sofern ein entfernter Sensor kostengünstig ausgelesen werden soll, kann 
man sein Signal in eine (Nieder-)Frequenz wandeln, über lange Strecken 
"transportieren" und erfassen. Oder man baut mit einem NTC einen 
Oszillator auf, dessen Frequenz die Temperatur wiederspiegelt; oder ein 
LC-Kreis wird durch Abstandsänderung verstimmt. Oder man schaltet seinem 
Funktionsgenerator eine Frequenzmesser dazu: die Frequenz wird immer 
optimal angezeigt. Drehzahlen von langsamen Motoren z.B. 10U/min: alle 6 
Sekunden ein Ergebnis.

Geräte dieser Art baue ich seit Jahrzehnten. Seinerzeit ging es darum, 
Tonruffrequenzgeber schnell abzugleichen. Oder Kraftwerke brauchten die 
genaue Frequenz ihrer Funktionsgeneratoren (50Hz), um damit ihre 
Frequenzrelais zu überprüfen. Mein rezipr. Zähler mit 13MHz TCXO wurde 
für physikalische Exp. verwendet.
Gerne habe ich immer Uhrenbausteine PCF8563/PCF8583 am Sekundenausgang 
gemessen, um die genaue Frequenz einzustellen (Trimmkondensator). Wenn 
1.000000Hz und 1.000000s angezeigt wurden, war alles in Ordnung: jede 
Sekunde ein neues Ergebnis.

Mit der mino-Schaltung lassen sich 200 Messungen/s machen (5-stellig) 
und an einen übergeordenten µC übertragen (38400Bd). Damit lassen sich 
Frequenzänderungen in kurzer Zeit erfassen und auswerten. 
Tonfrequenzsignale, die nur als Burst (10ms) auftauchen, können 
detektiert werden. Wer will, kann sich die Kurzzeitdrift der 
Netzfrequenz protokollieren: jede einzelne Schwingung.

Und was braucht man für all das minimal? 1 x Tiny2313, 2 x Cs 18pF, 1 x 
Quarz 20MHz und 1 x C 100nF zum Abblocken der Versorgungsspannung.
Billiger und einfacher kann man Sensoren meines Erachtens nicht 
auswerten.

Eigentlich wollte ich mich zurückhalten und bin jetzt doch gechwätzig 
geworden.

von Icke ®. (49636b65)


Lesenswert?

Blackbird schrieb:
> War in der gleichen Schaltungssammlung nicht auch ein Eingangsverstärker
> drin? Mit einstellbarem Triggerpegel, schaltbaren 10:1-Vorteiler und 2
> LEDs zur Pegelanzeige? Eingangsstufe KP303, alternativ BF245.

Danke für den Denkanstoß! In meinem vor 20 Jahren gebauten Zähler steckt 
genau dieser Vorverstärker drin. Ich habe den Schaltplan nicht mehr in 
meinen Unterlagen gefunden, aber dank Raupenhaus isser wieder da!! Nicht 
in der gleichen Sammlung, sondern in der vierten von 1986, Kapitel 3-1 
"Vorverstärker für digitale Zähler".

von Padex (Gast)


Lesenswert?

Das Licht brennt noch!
Axel bitte mach weiter, deins ist gescheiter!

von Christian S. (schrotti1000)


Angehängte Dateien:

Lesenswert?

So

habe nun die Platinen auf einen Teil SMD und Bohrlöcher umgestellt.
Sowie die Designrules von Bilex benutzt. Wenn keiner mehr einen 
Schnitzer
findet, werde ich mal einen Prototypen ätzen.

Schrotti

von Charly B. (charly)


Angehängte Dateien:

Lesenswert?

Hi Schrotti,

sorry, i konnts nicht lassen ;)

hab a bissel geaendert, meiste bahnen
nach unten (besser f. den 'selbstaetzer')
auf beide seiten ein Polygon, weniger
aetmittelverbrauch und gleichmaessigeres aetzen
(und weniger Abfall)
ein paar DK's zum festloeten des Quarzes,

ach was, schaus dir einfach mal an

vlg
Charly

von Christian S. (schrotti1000)


Lesenswert?

Hi Charly

schaut gut aus :-)
Auf die 2 Layer wäre ich net gekommen.
Werde mal morgen ein bischen Ätzen.
Ähm und Teile bestellen...

Schrotti

von Christian S. (schrotti1000)


Lesenswert?

So

Prototype wird noch ein bischen dauern :-(
Habe keine Platinen mehr daheim. Heute erst bestellt.

Schrotti

von Jörn P. (jonnyp)


Lesenswert?

Hab heut grad mal rein geschaut: Ist es Absicht, das AREF mit AVCC 
verknotet ist??

von Axel S. (a-za-z0-9)


Lesenswert?

Jörn Paschedag schrieb:
> Hab heut grad mal rein geschaut: Ist es Absicht, das AREF mit AVCC
> verknotet ist??

Ja

von Christian K. (at90s2313)


Lesenswert?

m.n. schrieb:
> Auf der mino-Seite mit dem Beispielprogramm befindet sich eine Datei
> fmeter20.zip. Wenn Deu einen tiny2313 programmieren kannst, hast Du
> gewonnen.

Ich habe den Zähler von MiNo nachgebaut und bin begeistert. Wenn man 
noch einen 20-MHz-TCXO spendiert, dürfte auch die letzte Stelle bei 
schwankender Temperatur stillstehen.

> Mehr kann man für kein Geld nicht erwarten ;-)

Genau, bleibt nur noch ein Eingangsverstärker für den jeweiligen 
Anwendungsbereich als Pflichtübung. Wahrscheinlich werde ich folgende 
Eingangsstufen aufbauen:

http://liebl-net.dtdns.net/hard/frequ_counter/frequ_counter.gif

Im Service Manual zum PM6685 ist eine Eingangsstufe mit einstellbaren 
Trigger-Leveln beschrieben:

http://assets.fluke.com/manuals/PM6685__smeng0000.pdf

Christian.

von Uwe (de0508)


Lesenswert?

Hallo Christian,

ich habe mich gerade auch in das Projekt eingelesen und es gefällt mir 
besser als meine bisherige Baustelle:

Beitrag "Re: Reziproker Frequenzzähler+ Optimierte 64bit uint Routinen"

Ich hab verschieden Vorteiler und HF-Verstärker im Einsatz
- MB510 (2,7GHz) und einem
- U6064BS bis 1.2GHz.

Ein Fet dient als hochohmige Pufferstuffe und alle HF-Signale laufen 
über einen 74HC132, der als Schmitttrigger und Eingangsselektor 
geschaltet ist.
Mit einem Johnson-Counter 74HC74 forme ich ein 50:50 Signal mit einem /4 
Vorteiler.

http://www.qrpforum.de/index.php?page=Thread&postID=46013#post46013
http://www.multiforum.se/afu/viewtopic.php?p=3625&mforum=afu#3625

Zum 20-MHz-TCXO, leider gibt die aktuelle Firmware einen Fehler aus, das 
liegt an diesem Code
1
#if F_CPU > (16*1024*1024-512)
2
#error "F_CPU is too big! Must fit in 24 bits"
3
#endif

Wobei natürlich eine Änderung auf 20UL*1024*1024 dann funktioniert.

Ein Problem macht auch noch in lcd.c diese Zeile,
1
int long __count
 in der Funktion _delayFourCycles.

Meine Änderung:
1
# neu 2011-01-03
2
static inline void _delayFourCycles(unsigned long __count)

Für mich stellt sich noch die Frage, ob wir den Code noch auf den 
atMega48 portieren, da die atMega8PU-16 Preise stark ansteigen.

Meine letzten kommen aus Polen.

73, Uwe

von Günter N. (checkit)


Lesenswert?

Habe mal über das smd Layout geschaut und da ist mir aufgefallen, dass 
die smd Kondensatoren C8, C10 und C11 unter dem Mega8 nur einseitig 
angeschlossen sind. Ich denke mal da fehlt noch der GND Anschluß.

Günter

von Christian K. (at90s2313)


Lesenswert?

Hallo Uwe,

Uwe S. schrieb:
> ich habe mich gerade auch in das Projekt eingelesen und es gefällt mir
> besser als meine bisherige Baustelle:

> Zum 20-MHz-TCXO, leider gibt die aktuelle Firmware einen Fehler aus, das
> liegt an diesem Code
>
1
> #if F_CPU > (16*1024*1024-512)
2
> #error "F_CPU is too big! Must fit in 24 bits"
3
> #endif
4
>
>
> Wobei natürlich eine Änderung auf 20UL*1024*1024 dann funktioniert.
>
> Ein Problem macht auch noch in lcd.c diese Zeile,
>
1
int long __count
 in der Funktion _delayFourCycles.
>
> Meine Änderung:
>
1
> # neu 2011-01-03
2
> static inline void _delayFourCycles(unsigned long __count)
3
>
>
> Für mich stellt sich noch die Frage, ob wir den Code noch auf den
> atMega48 portieren, da die atMega8PU-16 Preise stark ansteigen.

Ich bezog mich eigentlich auf den hier zwischendrin genannten Zähler
von MiNo:

Beitrag "Re: Frequenzzähler 1Hz - 40MHz"
http://www.mino-elektronik.de/fmeter/fmeter.htm
http://www.mino-elektronik.de/download/fmeter20.zip

Für diesen Zähler gibt es keinen Quellcode, nur eine fertige HEX-Datei 
für den ATtiny2313. Lediglich von einem rudimentären Beispiel gibt es 
den Quellcode. Aber irgendwie muß MiNo ja seine Brötchen verdienen ;-)

In Bezug auf die Quelloffenheit und Erweiterbarkeit ist Axels Projekt 
vorzuziehen. Allein die zusätzliche äußere Zählerlogik mit dem 74HC590 
hat mich bisher von einem kurzfristigen Nachbau abgehalten.

Christian.

von Günter N. (checkit)


Lesenswert?

Auch bei den anderen smd Kondensatoren C1-C5 fehlt ein Anschluß ...
ist das so richtig????

Günter

von Uwe (de0508)


Lesenswert?

Hallo,

ja da haben wir uns missverstanden.

Ich benötige ja auch noch dein 2-Kanal Modus der u.a. auch die 
ZF-Messung und die automatische Verrechnung zulässt.

darüber hinaus werde ich noch die verschiedene Vorteilerfaktoren meiner 
Vorteiler einbauen.

.

von Axel S. (a-za-z0-9)


Lesenswert?

Hallo Uwe,

Uwe S. schrieb:
>
> ich habe mich gerade auch in das Projekt eingelesen und es gefällt mir
> besser als meine bisherige Baustelle:

Danke :)

> Zum 20-MHz-TCXO, leider gibt die aktuelle Firmware einen Fehler aus, das
> liegt an diesem Code
1
> #if F_CPU > (16*1024*1024-512)
2
> #error "F_CPU is too big! Must fit in 24 bits"
3
> #endif

> Wobei natürlich eine Änderung auf 20UL*1024*1024 dann funktioniert.

Naja. Obiger Code steht da nicht ohne Grund. Die Arithmetik-Routinen 
sind so weit zusammengestrichen, daß f_ref, n_ref und n_x jeweils 
maximal 24 bit lang sein dürfen. Wenn du da größere Zahlen reinfüllst, 
kommt nach der Rechnung Müll raus. Konkret rechnet die Firmware dann 
statt f_ref*n_x/n_ref mit (f_ref % 2^24)*n_x/n_ref.

Es wäre wohl sinnvoller, das TCXO-Signal durch einen 2:1 Teiler zu 
schicken. Der Genauigkeit tut das keinen Abbruch, und ob du nun 2.5 
Messungen pro Sekunde oder 5 Messungen pro Sekunde bekommst, dürfte für 
mit den Augen abgelesene Werte auch egal sein. Zumal da ohnehin noch ein 
Sicherheitsfaktor von 4 drin ist.

> Für mich stellt sich noch die Frage, ob wir den Code noch auf den
> atMega48 portieren, da die atMega8PU-16 Preise stark ansteigen.

Das sollte wiederum kein Problem sein. Obs viel bringt? Bei Reichelt 
derzeit EUR 2,45 : 2,95 (Mega48-20 vs. Mega8-16, DIP) bzw. EUR 2,20 : 
2,40.

Wenn ich die Tage mal Zeit habe (wird aber wohl eher erst im Feb) dann 
stricke ich mal die Erweiterung für ein 2x16 Display. Das kann dann 
Frequenz und Periodendauer gleichzeitig anzeigen.


XL

von Charly B. (charly)


Lesenswert?

Günter N. schrieb:
> Auch bei den anderen smd Kondensatoren C1-C5 fehlt ein Anschluß ...
> ist das so richtig????

moin moin Günter
tipp mal in der Commandozeile nach dem laden des Boards:

rats <enter>

vlG
Charly

von Günter N. (checkit)


Lesenswert?

> moin moin Günter
> tipp mal in der Commandozeile nach dem laden des Boards:
>
> rats <enter>

OK das wars ..... alles in Ordnung

von Peter S. (petersieg)


Lesenswert?

@alle: Auf Basis smd2.brd (37,5 x 86,6 mm) würden 2-lagige Platinen mit 
Lötstoplack, verzinnt, durchkontaktiert und elektrisch geprüft in etwa 
kosten:

Stück  Einzelpreis €
20     7
40     4

Falls das dann mal interessant werden sollte.. bitte Mail.
Und dann sollten wir auch mind. einen Artikel zusammen stellen,
in dem Schaltplan, Board, Teileliste etc. zusammen gefasst sind.

Gruß,
Peter

von Charly B. (charly)


Lesenswert?

@Peter & @alle  ;)

meine Meinung : zum mal bissel Spielen ok aber
f. meine Vorstellung fehlt da ein Vorverstaerker
und ein Vorteiler f. min. 1.3Ghz oder besser
2.5Ghz & sonst noch paar kleinigkeiten. Leider
hab i im moment nicht die Zeit daran weiterzumachen,
lese hier aber immer gerne mit

vlG
Charly

von Axel S. (a-za-z0-9)


Lesenswert?

Moin,

Charly B. schrieb:
> @Peter & @alle  ;)
>
> meine Meinung : zum mal bissel Spielen ok aber
> f. meine Vorstellung fehlt da ein Vorverstaerker
> und ein Vorteiler f. min. 1.3Ghz oder besser
> 2.5Ghz & sonst noch paar kleinigkeiten.

Was Vorverstärker/Trigger und Vorteiler angeht: ja, für einen 
vollständigen Frequenzzähler fehlt das sicher noch. Wobei man den 
Vorteiler dann sicher auch umschaltbar haben wöllte (bzw. gleich mehrere 
Eingänge umschaltbar, einen davon mit GHz-Vorteiler).

Beides geht jedoch über den geplanten Umfang des Projekts hinaus. Was 
ich haben wollte, ist ein Modul ähnlich wie ein LCD-Panelmeter, das man 
an Versorgung und Signal anschließt und ansonsten als eigenständiges 
Modul ansieht. Ähnlich wie bei einem Panelmeter muß man das Signal 
passend konditionieren. Auf meinem Prototypen gibts es dafür die 
Lochrasterfelder, um noch ein paar Kleinigkeiten auf dem Modul 
unterbringen zu können.

Ursprünglich angedachte Einsatzgebiete sind Funktionsgeneratoren oder 
Grid-Dipper, wo man ohnehin bereits anständig Pegel hat und bestenfalls 
noch von Sinus auf Rechteck aufpusten muß.

Ein guter Vorverstärker/Trigger braucht allein vermutlich etwa soviel 
Platz wie das ganze Modul. Immerhin wird man schaltbare Abschwächung, 
schaltbare AC/DC Kopplung, zuschaltbaren Hoch-/Tiefpaß (ersteren z.B. 
gegen Netzbrumm), einstellbare Triggerschwelle, Pegelanzeige etc. haben 
wollen.

Ansonsten hatte ich letztens noch ein paar Ideen für Erweiterungen. 
Insbesondere braucht die Schaltung noch ein paar 
Hardware-Konfigurations-Optionen. Sei es als Jumper oder als Anschluß 
für externe Schalter (etwa, um einen Vorteiler 64:1 anzukündigen). Wie 
es aussieht, werde ich die 8 Leitungen "Datenbus" über 4.7k Widerlinge 
an eine 8x2 Stiftleiste führen für Jumper und/oder externe Schalter. 
Zumindest das sollte auf eine Platine noch drauf.

Als schaltbare Optionen sind mir eingefallen:

- Anzeige umschalten zwischen Frequenz und Periodendauer (bei 
einzeiligem Display).

- Berücksichtigung eines festen Vorteilers; evtl. mehrere Jumper für 
feste Faktoren. Alternativ nur ein Jumper und den Vorteiler-Faktor im 
EEPROM.

- Berücksichtigung eines Offsets (etwa ZF in einem Funkempfänger). Hier 
würde der Wert wohl am besten im EEPROM stehen.

Weitere Ideen/Wünsche?


XL

von Uwe (de0508)


Angehängte Dateien:

Lesenswert?

Hallo Axel und Mitleser,

ich habe mich als Frequenzanzeige für eine 8-stellige 7 Segment LED 
Anzeige entschieden. Dafür habe ich heute die Platine fertig layoutet.

Das kann extern an den Frequenzzähler angeschlossen werden !

Warum? ich stehe auch auf 'oldstyle' und großen Displays, die von weitem 
gut lesbar sind.

Menüfunktionen etc. werden weiter über das LCD Display angezeigt.

atMega*8, kann mit internem oder externen Quarz betrieben werden.
Die 8-stellige LED-Anzeige wird im Multiplex betrieben und alle 1ms eine 
neue Stelle angezeigt.

Zur Ansteuerung werde ich eine Schnittstelle über i2c und RS232 
programmieren.

Die eigentliche Frequenzmessung erfolgt dann mit dem atMega8, die 
Schaltung wurde hier vorgestellt.

Er erhält noch einen Eingangsumschalter über einen 74HC132, als 
Vorteiler (prescaler) verwende ich den U6064BS 1,1GHz(1:64), den MB510 
2,7GHz (1:128/256) und eine hochohmige Eingangsschaltung nach 
"preamplifier.png".

Erwähnt werden sollte auch der U813BS (FA).

Mit zwei Kanälen kann man die ZF dirkt messen und per +/- mit der 
gemessenen Frequenz verrechnen.

Bei mir kommen die Vorteiler und Anpassverstärker (FET BF245/ J310, 
HF-Transistor BF199) alle in ein Weisblechgehäuse, so HF-gerecht 
'verpackt' werden sie über den Eingangsumschalter (74HC132) per Software 
ausgewählt.

von Ulirch (Gast)


Lesenswert?

Der Schaltplan aus der ELV ist eher ein Beispiel wie man es besser nicht 
macht:
- Ein kleines TTL-Grab für Funktionen die viele der µCs auch intern 
übernehmen können.
- direkter Abgriff des Taktsignals vom Oszillator zur Gate Schaltung

von Uwe (de0508)


Lesenswert?

Hallo Ulrich,

ja eher als Übersicht über verschiedene Eingangsbeschaltungen.

von Freies Elektron (Gast)


Lesenswert?

Ulirch schrieb:
> Der Schaltplan aus der ELV ist eher ein Beispiel wie man es besser nicht
> macht:
> - Ein kleines TTL-Grab für Funktionen die viele der µCs auch intern
> übernehmen können.

Welche MCU kann bis zu 50MHz an den Ports verarbeiten?

Das TTL-Grab ist schon in Ordnung. Als Alternative steckt man das Ganze 
in eine CPLD.

von Freies Elektron (Gast)


Lesenswert?

Nachtrag:

Bemängeln möchte ich die Vorverstäker, man wird jede Menge Ersatzdioden 
benötigen, weil man durch zu hohen Signalpegel wieder welche zerschossen 
hat.

von Old P. (Gast)


Lesenswert?

Axel Schwenke schrieb:
> Moin,
>
>
> Beides geht jedoch über den geplanten Umfang des Projekts hinaus. Was
> ich haben wollte, ist ein Modul ähnlich wie ein LCD-Panelmeter, das man
> an Versorgung und Signal anschließt und ansonsten als eigenständiges
> Modul ansieht. Ähnlich wie bei einem Panelmeter muß man das Signal
> passend konditionieren. Auf meinem Prototypen gibts es dafür die
> Lochrasterfelder, um noch ein paar Kleinigkeiten auf dem Modul
> unterbringen zu können.
>

Hallo Axel,

das ist genau das was ich suche und auch genau für diesen Einsatzzweck. 
Ein einfaches Zählermodul bis ca. 50MHz! Echte (industrielle) 
Frequenzzähler habe ich im Dutzend hier stehen, sowas bau ich schon 
lange nicht mehr selber (der letzte war zu DDR-Zeiten bis 150MHz und der 
tuts auch noch). Doch für einfache Dinge nehme ich gerne kleine einfache 
Handgeräte, z.B. einfacher HF-Generator mit LTC1799 (nach Nussbaum). Der 
reicht für vieles aus, da brauche ich nicht den alten Marconi-Messender 
(2017) auf den Tisch zu wuchten ;-)

Also, herzlichen Dank und bitte genau so weiter machen!

Gruß
Old-Papa

von Christian S. (schrotti1000)


Lesenswert?

@all

Sorry das es längergedauert hat mit Prototypen bauen.
(kaltes Wetter, Rohrbruch, Bastelkeller überschwemmt, grrr)

So ab nächste Woche werde ich wieder weiter machen können.

Schrotti

von Stefan W. (wswbln)


Lesenswert?

Falls die Platinen noch nicht geätzt sind:
Es hat schon seinen Grund, warum die Hersteller von Controllern mit 
eingebautem Oszillator direkt neben den Resonator-Pins immer auch einen 
Masseanschluss hinsetzen (schon mal jemandem aufgefallen?), denn genau 
dahin sollen dann auf möglichst kurzem Weg die Masseanschlüsse der 
Lastkapazitäten des Resonators angeschlossen werden.

Gründe und Vorschläge wie man's machen kann findet man z.B. hier:
http://www.lothar-miller.de/s9y/categories/33-Quarz

von Dirk W. (Gast)


Lesenswert?

Freies Elektron schrieb:
> Welche MCU kann bis zu 50MHz an den Ports verarbeiten?

Das ist (zumindest bei den PICs) kein Problem, das schafft sogar der 
uralte PIC16F84 ohne externen Vorteiler. Siehe 
http://sprut.de/electronic/pic/projekte/frequenz/freq.htm

von Icke ®. (49636b65)


Lesenswert?

Uwe S. schrieb:

> Warum? ich stehe auch auf 'oldstyle' und großen Displays, die von weitem
> gut lesbar sind.

Echt "oldstyle" nenn ich DAS:

http://www.pambor.de/Pics/Resize%20of%20DCFCNT_Total.JPG

von Freies Elektron (Gast)


Lesenswert?

Dirk W. schrieb:
> Freies Elektron schrieb:
>> Welche MCU kann bis zu 50MHz an den Ports verarbeiten?
>
> Das ist (zumindest bei den PICs) kein Problem, das schafft sogar der
> uralte PIC16F84 ohne externen Vorteiler. Siehe
> http://sprut.de/electronic/pic/projekte/frequenz/freq.htm

Da schmeisst du was durcheinander.
Die 50MHz Messfrequenz werden im sprut-Zähler in den Timer0 eingezählt.
Bastlerweise soll das funktionieren, ich nehme aber an, dass das 
ausserhalb der Specs ist.

Das von dir kritisierte TTL-Grab im E.L.V.-Zähler lässt sich jedoch 
nicht über die Portpins einer MCU realisieren. Denn, welcher Portpin 
kann schon 50MHz toggeln?

von Rene K. (draconix)


Lesenswert?

Nur mal so als kleine Frage: Der Datenbus im Datenblatt, bedeutet das 
das LCD und der 590 am den gleichen Portpins hängt?

von Ulirch (Gast)


Lesenswert?

Ganz lässt sich das TTL grab vielleicht nicht so einfach durch einen µC 
ersetzen - mit einem Vorteiler (z.B. : 256) ist es dann aber kein 
Problem mehr.

Ein DsPic33 wäre zumindest dich dran an den 50 MHz: da sind mindestens 
je 10 ns für die High und low Phase vorgeschrieben für den ICP Pin mit 
internem Vorteiler. Für 40-45 MHz sollte das dann schon reichen.

Ähnlich ist das wohl auch bei einigen PIC16. Die 50 MHz sind schon etwa 
die Grenze der Spezifikation. Das erste was damit gemacht wird ist ja 
das Teilen, und das geht noch asynchron.

von Axel S. (a-za-z0-9)


Lesenswert?

Moin,

Rene K. schrieb:
> Der Datenbus im Datenblatt, bedeutet das
> das LCD und der 590 am den gleichen Portpins hängt?

Ja. 8 Pins des Mega8 bilden einen Datenbus für die Peripherie.

[PC0-PC4,PD5-PD7] = [D0-D7] = [QA-QH]


XL

von Uwe (de0508)


Angehängte Dateien:

Lesenswert?

Hallo Axel und Mitleser,

meine LED Anzeige ist nun fertig aufgebaut und die Ansteuerung per RS232 
läuft.

Die I2C Schnittstelle ist belegt, nun folgt nur noch das kleine Programm 
zur Ansteuerung.

Für die Erstellung verschiedener Tasks verwende ich cocoOS 2.1.0 mit 
einigen kleinen Anpassungen, die die codegröße verringern.

Link: http://www.cocoos.net/

Ein Watch-Doc-Timer mit max. 60ms sorgt für einen reibungslosen Betrieb, 
wenn doch mal ein Task hängen sollte.

von Uwe (de0508)


Angehängte Dateien:

Lesenswert?

Nachtrag,

Im Anhang findet ihr noch die "main.c" Datei, um sich einen Vorstellung 
für das cocoOS machen zu können.

von Axel S. (a-za-z0-9)


Lesenswert?

Moin Uwe,

Uwe S. schrieb:
> meine LED Anzeige ist nun fertig aufgebaut und die Ansteuerung per RS232
> läuft.

Schicke Platine. Aber irgendwie scheinen deine Displays keinen 
Dezimalpunkt zu haben. Bzw. nicht in jeder Stelle. Zur Anzeige einer 
Dezimalzahl sind sie also eher nicht zu gebrauchen.


XL

von Uwe (de0508)


Lesenswert?

Guten morgen Axel,

doch einige sind da, aber die LED-Anzeige kann man ja wechseln.

Für meine Anwendungen reicht diese Darstellung aus: "99.765.431" Hz

oder so etwas: "2.700123,0" GHz.

Ok?

von Old P. (Gast)


Lesenswert?

Hallo,

ich habe das Ganze mal in Hardware aufgebaut und leider massive 
Probleme.

Zunächst startet das Ganze andauernd neu, ein Muster ist dabei nicht 
wirklich erkennbar. Mal erfolgt der Neustart, wenn ich die 
Eingangsfrequenz (also die zu messende) verändere, mal einfach so (weil 
in China nen Sack Reis...). Ich verwende die Platine "smd2.brd", die ich 
nachgezeichnet habe. Alle Leitungen sind mehrfach durchgeklingelt, alle 
Verbindungen genau so wie im Schaltplan (smd2.sch) beschrieben.
Je nach angestöpseltem Display werden mal die meisten Zeichen richtig 
dargestellt, bei einem anderen Modell erscheinen schonmal ulkige 
Buchstaben-Ziffern-Kombinationen ohne jeden Sinn. Das aber auch nicht 
immer, manchmal gehen die wieder richtig. Verwendet habe ich mehrere 
Modelle 1x16 (alle mit dem HD-44780), aber zum Test auch mit 2x16 
Zeichen. Das von Axel verwendete Modul ist ja nicht mehr lieferbar, 
sollte aber mit den anderen auch gehen.
Der Quarz schwingt sehr sauber auf seiner Frequenz, an die Resetleitung 
habe ich zum Test noch einen 100nF für sauberen Reset gelötet, die 
Betriebsspannung ist von meinem Labornetzteil und sehr sauber, alle 
Abblock-Cs sind natürlich auch drauf.
Eingangsspannung kommt von einem DDS-Generator mit hochstabiler Frequenz 
(zum Test 50-100kHz TTL).

Mein Hauptproblem ist meine mangelnde Kenntnis in C, deshalb habe ich ja 
was halbwegs Ausgereiftes gesucht (und glaube noch immer, dieses hier 
auch gefunden zu haben). Den AtMega habe ich mit der Version 1.2 
gebrannt, die eep natürlich auch. Zum Test habe ich jetzt noch die 
neueste Version (V1.3) gebrannt, keine Änderung!
Gebrannt habe ich mit AVR-OSP-II und die Fuses so eingestellt wie im 
Makefile beschrieben. Die HEX und die EEP stehen auch exakt wie sie 
müssen in ihren Speichern, alles mehrfach verifiziert.

Wo kann dabei was klemmen, hat irgendwer ähnliche Erfahrungen gemacht?
Bei der mitunter vergurkten Darstellung tippe ich ja noch auf ein 
Timingproblem der Initialisierungsroutine, doch der andauernde Neustart 
muss andere Ursachen haben.

Ein ratloser
Old-Papa

von Charly B. (charly)


Lesenswert?

Papi, mach mal gute bilder von den Platinen-seiten
und poste sie mal, aber keine 'icons'

vlG
Charly

von Old P. (Gast)


Angehängte Dateien:

Lesenswert?

Ja mein Sohn, mach ich doch gerne ;-)

Hier die Dateien, generiert als "Foto" aus Sprintlayout.

Gruß
Old-papa

PS: Ich habe festgestellt, das dieser Dauer-Reset frequenzabhängig ist. 
Bis etwa 30kHz Messfrequenz steht das Teil gut, darüber wirds dann 
wacklig um bei etwa 1,5 bis 2MHz wieder halbwegs stabil zu stehen. 
Zumindest war dann selbst nach einigen Minuten kein Neustart zu 
verzeichnen, sonst im schlimmen Fall etwa alle 3-5 Sekunden.
Das ist aber auch vom angestöpselten Displaymodell abhängig. Bei einigen 
geht fast nichts, bei anderen steht das wie gesagt bei hohen und tiefen 
Frequenzen.

von Old P. (Gast)


Lesenswert?

So, konnte mal wieder nicht schlafen....

Wenn ich die beiden Teiler rausnehme, wird jedes Display exakt 
initialisiert und nix wird resettet. Klar, nun zählt auch nichts mehr. 
Irgendwo klemmt das wohl im Datenbus. Heute abend mach ich weiter. 
Testweise hänge ich dann mal einige kOhm nach Plus an jede Datenleitung.
Wenn ich noch Nerven habe, mach ich auch Fotos des echten Aufbaus. ;-)

Old-Papa

PS: Auf einem Platinenfoto hier drüber ist noch ein Bug (nö, zwei, aber 
einer ist nur ein Schönheitsfehler). Mal sehen wers als erster merkt ;-)
Der ist auf der Prototypplatine aber nicht, dafür zwei andere....

von Charly B. (charly)


Lesenswert?

moin moin Papi,
so sind die alten, hoeren einfach nicht zu,
ich wollte bilder von deiner Platine, nitt irgendwas
ausm rechner generiert, unn ich hab doch gesagt:
KEINE ICONS !!!

vlG
dein Sohn

von Ralph B. (rberres)


Lesenswert?

Charly B. schrieb:
> dein Sohn

Grins!!

von juhu (Gast)


Lesenswert?

>> Charly B. schrieb:
>> dein Sohn
> Grins!!

Alimente ???

von Axel S. (a-za-z0-9)


Lesenswert?

Hallo Papi,

Old -papa schrieb:

> ich habe das Ganze mal in Hardware aufgebaut

Damit bist du anscheinend der erste hier! OK, nach mir natürlich :)

> und leider massive Probleme.
> Zunächst startet das Ganze andauernd neu, ein Muster ist dabei nicht
> wirklich erkennbar.

Das dürfte der Watchdog sein. Steht auf 2 Sekunden (länger kann der 
Mega8 nicht). Und sollte eigentlich nicht triggern, es sei denn ist ist 
noch ein Bug in Software (oder Hardware).

Du kannst den Watchdog in der Firmware deaktivieren. In Version 1.3 
sollte bei 0x2F6 im Flash diese Bytefolge stehen: 0x2F 0xE0 0x88 0xE1. 
Wenn du 0x2F in 0x27 änderst, wird der Watchdog nicht aktiviert.


XL

von Old P. (Gast)


Angehängte Dateien:

Lesenswert?

Hallo Kinders ;-)))

Ich sitze nun doch etwas früher wieder in meiner Rumpelbude am Rechner.

@Axel,
das mit dem Watchdog habe ich schon vermutet, aber das "Wo" war mir nen 
Rätsel ;-) Ok, mach ich nachher mal einen Versuch.

Inzwischen habe ich noch eine Platine mit einem Komparator als 
Pegelwandler/Vorverstärker gezeichnet. Laut Datenblatt könnte ein 
TLV3501 passen, der kostet so um 6-7Euro, habe aber keinen zum Testen 
da. Wird das nächste mal testweise mitbestellt.

Hier also die Platine, wieder "nur" als PC-Foto, in Hardware mach ich 
die erst, wenn der Komparatortest erfolgreich ist.

@Charly, klick doch einfach mal auf die Icons, dann wird das....

Gruß
Old-Papa

von Old P. (Gast)


Angehängte Dateien:

Lesenswert?

So, hier die versprochenen Fotos.

Die Platine ist wie nach dem Löten, also vollkommen ungewaschen. Eine 
Leiterbahn war falsch geroutet, ist durch Draht ersetzt. Die Leiterbahn 
zum Pin15 des Displays (+LED) fehlt (und der Vorwiderstand), ist aber 
noch wurscht, kommt eh kein beleuchtetes Display rein.

Die HEX habe ich noch nicht gefixt, mach ich nachher. Ich habe aber noch 
einen 10µF SMD verbaut, hätte ja helfen können. Schaden wird er 
natürlich nicht.

Angezeigt werden die 10,00000000MHz meines GPS-Frequenznormals, 
allerdings habe ich die Kalibrierung im EEprom noch nicht gemacht. Bei 
diesen 10MHz läuft das alles stabil, wenn ich die am Normal auf 1MHz 
geteilt abnehme, habe ich wieder Dauerreset. Ebenso natürlich mit meinem 
DDS-Generator (0-10MHz)
Den Kontrast am Display habe ich für das Foto absichtlich so stark 
gemacht, so sieht man die Zeichen pro Zeile besser.

Gruß
Old-Papa

von Kurfürst (Gast)


Lesenswert?

Die metallene Bodenplatte des Quarzes könnte einen Kurzschluss zwischen 
den Quarzanschlüssen bilden. Daher immer ein Glimmerplättchen unter den 
Quarz legen. Oder - die zweitbeste Lösung - den Durchmesser der 
Quartzlötaugen kleiner wählen wie der Durchmesser der Drahtausgänge am 
Quarz ist.

von Stephan H. (stephan-)


Lesenswert?

Kurfürst schrieb:
> Die metallene Bodenplatte des Quarzes könnte einen Kurzschluss zwischen
> den Quarzanschlüssen bilden. Daher immer ein Glimmerplättchen unter den
> Quarz legen. Oder - die zweitbeste Lösung - den Durchmesser der
> Quartzlötaugen kleiner wählen wie der Durchmesser der Drahtausgänge am
> Quarz ist.

oder einfach den Quarz nicht aufliegen lassen. Stück Draht drunter und 
nach dem Löten wieder raus. Ist zu Hause so schwer nicht. :-)

@old - papa

Lass mich raten....Du bist Belichter!

oder Toneraufbügler ?

von Old P. (Gast)


Lesenswert?

Hallo Stephan,
nein weder Belichter, noch Tonerbügler, sondern Methode "fauler Hund" 
;-)

Ich habe einen guten Bastelfreund, der macht mir immer die Platinen. Er 
hat inzwischen einige Routine mit Belichten und Ätzen, ich sitze dafür 
immer stundenlang und entwerfe Platinen (oder wie hier nach Methode 
"abkupfern und verändern"). Eigentlich habe ich das ganze Ätz- und 
Belichtergeraffel auch hier, doch immer wenig Zeit. Mein Kumpel geht 
dabei natürlich nicht leer aus, wir kommen schon klar.

@Kurfürst,
Also ich habe schon hunderte kleiner Platinen mit Quarz gefummelt, einen 
Kurzschluss habe ich da noch nie gebaut. Ein wenig Fingerfertigkeit 
sollte man in dem Geschäft schon haben.

@alle,
ich habe jetzt mal Axels Würgaround versucht, der Dauerreset ist weg! 
Aaaaber...
Dafür bleibt das Teil jetzt genau an der Stelle einfach stehen, wo es 
vorher neu gebootet hat. Also ooch nich besser....
Wenn ich nicht mit TTL-Pegel reingehe, sondern diesen etwas vermindere, 
ist der Absturzbereich etwas schmaler (so von 450kHz bis 1MHz), nutz 
also auch nichts.

Wie gesagt, die gesamte Hardware ist (zumindest nach Schaltplan) 
fehlerfrei. Außerhalb der kritischen Frequenzen läuft es ja 1A. Es muss 
also irgendeine Kollision in der Firmware geben. Da können also nur die 
C-Gurus weiterhelfen.

Gruß
Old-Papa

von Charly B. (charly)


Lesenswert?

Respekt Papi!,

und das mit den Icons ist jetzt aach besser :P
wenn du jetzt die letzten paar kleinigkeiten
noch verbesserst gib i dich auch nicht ins
altersheim :))

vlG
dein Sohn

von Old P. (Gast)


Lesenswert?

Hallo Charly,

schwafel nich rum, sag was nach Deiner Meinung besser zu machen geht. 
Ist ja immerhin zu 90% nicht mein Layout....
Mir gefällts, ausreichend Masse, nix im Kreis geroutet, Leiterbahnen so, 
dass sie mein Kumpel noch arbeiten kann (der kann noch viel filigraner), 
alles so, dass man noch händisch löten kann... Also was hast Du noch 
anzumerken?

Interessanter wäre ja schon, den wahrscheinlichen Fehler in der Firmware 
zu finden.

Gruß
Old-Papa

von Charly B. (charly)


Lesenswert?

Old -papa schrieb:
> Hallo Charly,
>
> schwafel nich rum, sag was nach Deiner Meinung besser zu machen geht.
> Ist ja immerhin zu 90% nicht mein Layout....
> Mir gefällts, ausreichend Masse, nix im Kreis geroutet, Leiterbahnen so,
> dass sie mein Kumpel noch arbeiten kann (der kann noch viel filigraner),
> alles so, dass man noch händisch löten kann... Also was hast Du noch
> anzumerken?

jaja, i kenn den Kerl ganz gut der die 90% deines Layouts gemacht hat,

und f. Firmware binn i nitt zustaendig da in C 'gecoded' und
echte programmierer meiden C , und jetzt bitte keine diskusion
darueber, i kann und i mag kein C punkt.

vlG
Charly

von Stephan H. (stephan-)


Lesenswert?

Charly B. schrieb:
> und jetzt bitte keine diskusion
> darueber, i kann und i mag kein C punkt.

100% ACK
Aber mit :-)))

von Old P. (Gast)


Lesenswert?

Charly B. schrieb:
> echte programmierer meiden C , und jetzt bitte keine diskusion
> darueber, i kann und i mag kein C punkt.

Naja, das mit den "echten Programmierern" würde ich so nicht 
unterschreiben, doch auch ich habe damit extreme Bauchschmerzen. Vor gut 
25 Jahren habe ich mit Kumpels mal einiges in Asembler für Z80 gemacht, 
das ist aber alles längst vergessenes Wissen. Derzeit stolpere ich etwas 
in Bascom für AVRs rum, ist aber bisher wirklich nur stolpern.

Also ich ziehe immer meinen virtuellen Hut für jeden Programmierer, egal 
ob in Assembler, C, Basic, Forth, Agol und was es noch alles gab und 
gibt.

Old-Papa
PS: Zum Thema sollte man ja auch noch was sagen....
Also, Axel hat mir in der Nacht noch eine Version zum testen geschickt, 
die läuft zumindest bisher ohne diesen komischen Reset-Fehler.

von Stephan H. (stephan-)


Lesenswert?

>Angezeigt werden die 10,00000000MHz meines GPS-Frequenznormals,
>allerdings habe ich die Kalibrierung im EEprom noch nicht gemacht

na dann bin ich ja mal gespannt wie der Messewert nach dem Kilibrieren 
aussieht und steht.

von Old P. (Gast)


Lesenswert?

Klar, das Teil ist auch nicht dazu da das über längere Zeit supergenau 
anzuzeigen. Zumindest stärkere Temperaturänderungen werden da wohl was 
in der letzten Stelle verändern. Testen werde ich das ganz sicher, muss 
aber erstmal kalibrieren.
Zur genauen Messung habe ich andere Zähler, bis zu 10-Stellig und mit 
Doppelofen bzw. ans GPS gehäckelt. Dieses Modul soll nur als Ersatz für 
Frequenzskalen einfacher Generatoren dienen, und das wird es machen.


Old-papa

von Old P. (Gast)


Angehängte Dateien:

Lesenswert?

Hallo,

ich habe das Dingens jetzt mal einige Zeit am GPS-Frequenznormal 
arbeiten lassen. Die Kalibrierung ging absolut sauber, im Ergebnis 
standen die angezeigten 10.0000MHz wie eine Eins. Selbst wenn ich die 
Betriebsspannung von 4,5 bis 5,2 Volt verändere, bewegt sich die letzte 
Stelle um max. ein Digit. Die siebente Stelle ist also durchaus machbar!

Nur wenn ich die vorgesehenen 1x16-Zeichen Displays ranhänge gibt es 
noch Macken. Mal wird ab dem 9. Zeichen überhaupt nichts angezeigt oder 
bei anderen Displays springt die 6. Stelle (also auf dem Display das 
9.Zeichen) mal zu umd mal weg. Der Messwert (z.B. MHz) rückt dann eins 
vor oderzurück. Gaaanz merkwürdig.
Wenn ich testweise ein 2x16er Display nehme, werden 8 Zeichen auf der 
ersten Zeile angezeigt (ist ja klar) und die 2. Zeile zeigt den Rest. 
Aber auch dann springt das mal nach oben auf die erste Zeile (oups!) und 
wieder zurück.

Ich habe als letzten Test die LCD.h angepasst und ein 2x20er Display 
genommen, hier steht alles astrein in der ersten Zeile, nix springt. 
Dabei ist das wurscht, ob ich dieses nun als 1x20 oder 2x20 eintrage. Ja 
auch ein 2x16 geht gut, auch hier egal ob das als 2x16 oder 1x16 in die 
LCD.h eingetragen ist.
Irgendwas mit dem Timing könnte das sein, ist auch nicht bei allen 
Displays gleich, manche springen seltener, andere dauernd.

Wie gesagt, mit dem 2x20 habe ich das dann länger laufen gelassen, der 
Messwert steht absolut stabil und genau.

Für die Fotofreaks hier noch die Platinen nackich. Für die beiden 
Einstellregler habe ich Nieten eingesetzt, da kann man ja nicht von oben 
löten.
Und ja, die sind unverkäuflich (eine bekommt Axel für seine Arbeit, die 
andere bleibt mir ;-))
Wenn alles hinhaut, lass ich nochmal welche bei meinem Kumpel machen, 
dann aber mit dem Komparator drauf.

Gruß
Old-Papa

von Charly B. (charly)


Lesenswert?

Old -papa schrieb:
> Und ja, die sind unverkäuflich (eine bekommt Axel für seine Arbeit, die
> andere bleibt mir ;-))

unn was iss mit deinem Sohn ? ;(

von Uwe (de0508)


Lesenswert?

Hallo,

ich bin auch am layouten, aber mehr in Richtung SMD und mit 74HC132 als 
Eingangsschmittrigger und 2 Kanalumschalter.

Dann kommen auch noch zwei hochohmige Eingangsstufen mit J310 und BF199 
drauf. Sowie weitere ADC Eingänge die mit Trimmer Parameter an die 
Software übergeben.
Wie z.B. die Vorteilerverhältnisse 1:n der beiden Eingänge.
Auch werde ich die Einheiten GHz, MHz, kHz festlegen und außen 
einstellbar machen.

Zeit..
Ich baue aber gerade noch den Kennlinienschreiber von Andreas, DL4JAL 
und die Frequenzerweiterung für den FA-NWT von Rainer, DM2CMB auf.
Das wir noch etwas dauern.


.

von Old P. (Gast)


Angehängte Dateien:

Lesenswert?

So, da das ja mit einem 2-Zeiligen Display ohne Macken geht, habe ich 
jetzt mal einige Tests gemacht.

Obere Kotzgrenze ist bei ca. 46.000MHz, untere bei 1 Hz.
Der 46.0000MHz-Wert steht ganz sauber, (im Bildhintergrund mein schnell 
zusammengehäkelter HF-Generator), unten bei 1,5Hz spinnt mein 
DDS-Generator etwas, am "GPS-Zähler" werden auch 1,40074Hz ausgegeben.
Die 1Hz (931.506Hz) werden zumindest vor dem Komma noch richtig 
angezeigt, ab der 2. Stelle hinterm Komma ist nur noch Hausnummer.

Doch insgesamt schon beeindruckend und für meinen Einsatzzweck völlig 
ausreichend. Müsste nur noch die Springerei bei einzeiligen Display 
aufhören. Obwohl, die 1x16er Displays sind ja eigentlich auch 2-Zeilige, 
doch nach 8 Zeichen wird umgeswitcht auf die "2. Zeile". Genau hier 
gibbet wohl noch ein Problem

Old-Papa

von Uwe (de0508)


Lesenswert?

Hallo,

was ist bis hier an der Software angepasst worden, dass die nun so gut 
bei Dir läuft ?

.

von Old P. (Gast)


Angehängte Dateien:

Lesenswert?

Hallo Uwe,

da muss ich passen. Axel hatte mir eine Version zum Testen geschickt und 
die läuft bis auf die Macke mit der Springerei. Wenn ich in die ganzen h 
und c-Dateien reinschaue, kann auch das berüchtigte Schwein ins 
Uhrwerk.... ;-)


So, und einen lege ich noch drauf: Dat Dingens geht bis jetzt rauf bis 
52.0000MHz!
Ist wahrscheinlich Temperaturabhängig und natürlich auch von sauberen 
Eingangsimpulsen. (vorhin hatte ich noch einen 2. Zähler parallel zum 
Generatorausgang)
Mal sehen, wie weit ich das noch kitzeln kann....

Old-Papa

von Uwe (de0508)


Lesenswert?

Danke !

Wie sieht nun deine Eingangsbeschaltung vor dem HC590 aus ?

.

von Old P. (Gast)


Lesenswert?

Hallo Uwe,
so wie im Schaltplan von Axel, also nur einen R 10k nach Plus.

Mein Generator macht 5V-CMOS-Pegel am Ausgang, das ist der FA-Synth 
nebst Steuerplatine vom Funkamateur (box73.de). Der geht von 3,5MHz bis 
269,9MHz und ist nach Kalibrierung (via USB) sehr genau. Ist ein Si570 
drin.

Old-Papa

Ach ja: Bri 52.3000MHz ist definitiv Schluss, zumindest mit diesem 
Generator. Leider muss ich meinen 150MHz-Oszi immer erst auf den Tisch 
wuchten, kann also die Impulse mit dem einfachen Oszi nur bs etwa 20MHz 
ansehen. Ich vermute das die Flanken bei über 50MHz schon nicht mehr 
sehr sauber sind. Wenn Segor den weiter oben genannten Komparator 
liefert, bau ich den mal testweise davor.

von Frank (Gast)


Lesenswert?

>Ich vermute das die Flanken bei über 50MHz schon nicht mehr
>sehr sauber sind.

Und was soll ein Komparator da noch bewirken? Bei den Frequenzen reicht 
ein 74AC04 als "Verstärker" um kleinere Signale zu verbessern. Ob Deine 
50MHz Impulse jetzt 8,1ns oder 5,3ns Anstiegszeit haben, ist doch völlig 
Wurst.
Einen Komparator braucht man für niedrige Frequenzen, die man zuvor noch 
per Tiefpaß (ggf. auch Hochpaß) filtert, um höherfrequente Störungen 
auszuschließen. Und dann muß noch ein Spannungsteiler, ein 
Impedanzwandler und ein DC-Offset-Regler vorgesehen werden, falls man 
Signale mit extremen Tastverhältnis erfassen will.

Am Ausgang des Komparators sollte noch eine LED anzeigen, ob statisch 
'0' oder '1' erzeugt wird, oder mit halber Helligkeit ein sinnvolles 
Ausgangssignal vorliegt.

Das nur am Rande.

von Uwe (de0508)


Lesenswert?

Hallo,

zum Thema Komparator:

Such mal nach:

"ne592 frequenzzähler"

Bild: http://www.sprut.de/electronic/pic/projekte/frequenz/frequen1.gif

Oder ich verwende am Eingang gerne 74HC mit "Schmitt trigger" Eingängen:

- 74HC132
- 74HC14

von Frank (Gast)


Lesenswert?

Soll der Suchbegriff vielleicht "ne529 frequenzzähler" sein?
Der ne529 ist ein schneller Komparator, braucht aber V+ und V-.

von Axel S. (a-za-z0-9)


Lesenswert?

Moin,

Uwe S. schrieb:
>
> was ist bis hier an der Software angepasst worden, dass die nun so gut
> bei Dir läuft ?

Da ist noch eine race-Condition in main() die man bei "mittleren" 
Frequenzen zwischen ~500kHz und ~1.5MHz recht zuverlässig trifft. 
Freundlicherweise hatte unser Papi gerade in diesem Bereich getestet. 
Mein Testgenerator hier hört bei ~100kHz auf und die Quarzgeneratoren, 
die ich testweise mal rangehängt habe, hatten alle >= 10MHz.

Hier ist der relevante diff:
1
         start_low();
2
         while (nref.b[2] && gate_is_open()) {
3
             wdt_reset();
4
-            sleep_cpu();
5
         }

(im Klartext: das sleep_cpu() muß da weg)

[falls das jemand im Flash patchen will: ab 0x344 steht die Bytefolge 
0xA8 0x95 0x88 0x95. Das müßte geändert werden in 0xA8 0x95 0x00 0x00. 
Das gilt für die Version, die ich hier am 10.12. hochgeladen habe]

Was die Display-Probleme angeht: meine Displays funktionieren alle. Und 
von Papi habe ich noch nicht genug Details, um das Problem eingrenzen zu 
können.

Es gibt ein bekanntes Problem, das ich auch mit meinem 10x1 von Pollin 
sehe. Intern ist das ein 5x2 und das automatische Umschalten auf die 2. 
Zeile, das Peter Fleurys lcd-lib macht, funktioniert nicht korrekt. 
Konkret wird 1 Zeichen zu spät umgeschaltet, so daß ein Zeichen (das an 
die 6.Position gehört) dann fe lt. Bei 16x1 würde das ein verschlucktes 
Zeichen zwischen Position 8 und 9 bedeuten. Ich vermute(!) daß die 
Ursache ein falscher Rückgabewert für den LCD-Adreßzähler ist, den die 
lcd-lib zusammen mit dem Busy-Flag abfragt um daraus die aktuelle 
Zeile/Spalte auszurechnen. Als Abhilfe kann man in lcd.h die Zeilenlänge 
um eins vermindern (das 16x1 also z.B. als 7x2 deklarieren).

Was ich auf Papis Fotos noch sehe, ist das fe lende "=" nach dem "F". 
Das könnte natürlich an einem komischen Zeicensatz in seinem LCD liegen, 
wäre aber ziemlich abnormal. Zumindest den ASCII-Bereich von 0x20 bis 
0x7F sollten alle Displays korrekt darstellen.

Wenn jemand Display-Fehler sieht, bitte den genauen Display-Typ 
notieren, nach Möglichkeit ein Datenblatt dazu finden und bei mir 
Bescheid sagen. Wenn sich eine Systematik abzeichnet, kann ich da gerne 
noch etwas am Code basteln.

XL

von Axel S. (a-za-z0-9)


Lesenswert?

Old -papa schrieb:
> So, und einen lege ich noch drauf: Dat Dingens geht bis jetzt rauf bis
> 52.0000MHz!
> Ist wahrscheinlich Temperaturabhängig und natürlich auch von sauberen
> Eingangsimpulsen. (vorhin hatte ich noch einen 2. Zähler parallel zum
> Generatorausgang)
> Mal sehen, wie weit ich das noch kitzeln kann....

Vermutlich nicht sehr weit. Je nach Hersteller werden für den 74HC590 
nur 36MHz garantiert (bei 5V und über den erlaubten Temperaturbereich). 
Typische Werte in den Datenblättern sind um die 50MHz. Beim 74HC74 sieht 
es nicht viel anders aus. Und während es den 74HC74 auch noch schneller 
gibt (z.B. als F74 oder AC74), ist beim 74HC590 Ende der Fahnenstange. 
Im Zweifelsfall gibt eine höhere Betriebsspannung auch mehr Speed.

Die Software stellt dir erst bei 99.999999MHz ein Bein. Da läuft der 
Akku bei der Binär-BCD-Umwandlung über.

Wenn man regelmäßig Frequenzen über 40MHz messen muß, dürfte es besser 
sein, einen Vorteiler (z.B. 74F74 als 4:1 bis 100MHz) davor zu schalten. 
Allerdings verliert man dann halt am unteren Ende. Die 
Software-Anpassung für einen Vorteiler ist in der Mache, also bitte 
abwarten.

Eine Erweiterung nach unten habe ich mittlerweile verworfen. Die <1Hz, 
die derzeit erreichbar sind, reichen IMHO vollkommen aus. Zumal man bei 
niedrigeren Frequenzen ja auch entsprechend lange auf jeden neuen 
Meßwert warten müßte.

XL

von Old P. (Gast)


Lesenswert?

Hallo Axel,

nein, kein komischer Zeichensatz, ich habe das "=" einfach in der Main.c 
gekillt (durch " " erstetzt). So finde ich das übersichtlicher. Habe 
zwar nix Ahnung von C, doch dafür reicht es noch ;-)))
Mehr habe ich aber nicht geändert, großes Pionier-Ehrenwort!

Diese Springerei kann ich nur so beschreiben:
1. Deine völlig unveränderte HEX geflasht
2. ein 1x16er Display angestöpselt und Power-On

Der Messwert wird nach der Initialisierung (also das Begrüßungsgedöhns) 
mal als "F=12.3456MHz" angezeigt oder je nach Lust und Laune plötzlich 
als "F=12.345MHz" Die 6. Stelle wird einfach verschluckt.
Das passiert mit mehreren Displaymodellen und ist offenbar von nichts 
abhängig (also Spannungsänderung oder Frequenzänderung). Ein Display ist 
dabei, da erscheinten nur die ersten 8 Zeichen (also "F=12.345" und dann 
nix mehr). Das Display selbst ist aber in Ordnung, funktioniert in 
anderen Schaltungen bestens.

Wenn ich mit der gleichen HEX ein 2x16er Display anstecke (oder ein 
2x20er), wird in der ersten Zeile "F=12.345" angezeigt und in der 2. 
dann "6MHz". Das ist ja auch völlig korrekt so, doch wenn das Ding 
plötzlich wieder springt, swapt die "6MHz" auch auf die erste Zeile, 
aber weiter hinten. Oder in seltenen Fällen werden die Zeileninhalte 
plötzlich vertauscht.

Dann habe ich die LCD.h auf 2 Zeilen und 16 Zeichen angepasst und in der 
Main.c das = gekillt (also durch ein Leerzeichen ersetzt).
Jetzt erscheint auf zweizeiligen Displays alles wie es soll auf der 
ersten Zeile, da springt nichts mehr.

Ich hoffe, ich habe mich halbwegs ausgedrückt... ;-)

@Frank-Gast,

klar kann man mit den ST-Gattern die Flanken steiler bekommen, doch nur 
wenns halbwegs Spannung hat. Mit dem o. genannten Komparator kann man 
langsame Frequenzen oder eben lansame Flanken versteilern. Wo siehst Du 
da ein Problem (ok, der Preis...)

@Uwe,

der ne592 ist ein Videoverstärker bis 40(90)MHz und braucht mehr 
Außenbeschaltung. Der ne529 dazu noch Dualspannung.
Ich habe mir den TLV3501 mal bestellt, mal sehen wie das geht.
(Ein KLick hier auf den Bezeichner öffnet das Datenblatt, dort auf Seite 
5 findet sich obige Grafik)

Old-Papa

von Old P. (Gast)


Angehängte Dateien:

Lesenswert?

Hmm, die Grafik hat "er" nicht angenommen, hier 2. Versuch

von (prx) A. K. (prx)


Lesenswert?

Axel Schwenke schrieb:

> Was ich dabei gelernt habe:
> 1. mit den AVRs bekommt man keine schnellen (kurzen) ISRs hin. U.a.
> deswegen, weil man SREG manuell sichern muß.

eZ8: Interrupt Latency ist >= 16 Takte (!), plus 7 (2+5) für den Code =
23 Takte insgesamt.

AVR: Interrupt Latency ist >= 4+3 Takte, plus 7 (1+1+1+4) für den Code = 
14 Takte insgesamt, wenn für SREG und den Zähler Register reserviert 
werden können. Mit SREG und Zähler im RAM sind es 28 Takte.

Der Z8 muss das Statusregister genauso sichern wie der AVR, nur macht er 
das automatisch. Schneller wird es dadurch nicht notwendigerweise.

von Frank (Gast)


Lesenswert?

Old -papa schrieb :
> Mit dem o. genannten Komparator kann man
> langsame Frequenzen oder eben lansame Flanken versteilern.

Ich hatte Dich so verstanden, dass Du mit einem Komparator die obere 
Grenzfrequenz bei digitalen Signalen verbessern wolltest.
Der LT1016 wäre eine preiswerte Alternative bei Angelika.

Die Grafik mit 20mVpp nach HCMOS-Signal bei 50MHz ist ja nett, 
allerdings ist die Beschaltung dafür nicht dargestellt. Ohne 
nennenswerte Hysterese >=50mV wird das gezeigte Ausgangssignal auch ohne 
Eingangssignal vorhanden sein oder bei NF sporadisch hinzugefügt ;-)

von Old P. (Gast)


Lesenswert?

Hallo Frank-Gast,

ja, den LT1016 kenne ich auch, doch den TLV3501 will ich vielleicht noch 
in einem anderen Projekt einsetzen und deshalb teste ich den schonmal. 
Klar ist der etwas teuerer, doch was ist schon Geld beim Hobbay... ;-)
Mein längst verstorbenenr Meister hat immer gesagt "Geld ist am besten 
angelegt, wenn es ausgegeben ist", da ist wohl was dran ;-) (ich füge 
gern hinzu "sinnvoll ausgegeben ist")

Ansonsten habe ich heute erstmal meinen oben im Bildhintergrund zu 
sehenden Generator in ein Gehäuse gebaut und nachher bau ich noch einen 
Rechteck-Generator 10kHz bis ca. 50MHz. Dafür unter anderem soll dieser 
Frequenzzähler sein. Ich habe einiges an Generatoren hier, doch die 
richtig guten sind auch richtig groß und schwer und sind deshalb immer 
irgendwo abgestellt, die hole ich nur wenns unbedingt nötig ist auf den 
(meist verkramten) Tisch. Deshalb hatte ich mir aus einem Modul, was aus 
einem Experiment über war (FA-Synth), vorgestern noch schnell dieses 
HF-Dingens gebaut, die Teile lagen schon länger rum. Damit konnte ich 
den Zähler im oberen Bereich testen. Mein DDS geht von 0,1Hz bis 10Mz, 
der aus dem FA-Synth-Modul von 4MHz bis ca. 269MHz. Damit ist eigentlich 
vieles abgedeckt, doch der DDS ist etwas umständlich zu bedienen. Daher 
die dusslige Idee nochwas für "dazwischen" zu basteln. Ich habe es 
lieber, wenn ich fix am Regler drehe und einen großen Bereich 
überstreichen kann. Diese Knöppchentasterei am DDS ist eigentlich 
nervig.
Naja, jeder spinnt auf seine Weise... ;-)

Gruß
Old-Papa

von Old P. (Gast)


Lesenswert?

So, ich habe mal mein HTC bemüht und ein Wackelvideo gedreht.
Das liegt natürlich beim "Jutube", ich hoffe der Link klappt:

http://youtu.be/wvsA4Q4XOeo

Allerdings muss ich mich etwas korrigieren.
Mit der ganz originalen Hex von Axel gingen am 1x16er nur die ersten 
(?)Zeiche und es springt nix. Da Axel ja ein 1x10er Display hat (also 
intern als 2x5 orgenisiert), habe ich via "Programmers-Notepad" aus der 
aktuellen Version von WinAVR, wie von ihm geraten die LCD.h angepasst. 
Dann in diesem "Programmers..." über "Tools-Make All" compiliert.
Es gab keinerlei Fehlermeldungen, sollte also doch alles klappen.
Tuts aber nicht...... :-(

Irgendwas geht in die Büsche, wenn das Display auf die 2. Zeile 
schreiben will. Bei einem 2x16er Display ist eine Zeile ja echte 16 
Zeichen lang und da braucht nicht gewrapt zu werden.

Old-Papa

von Axel S. (a-za-z0-9)


Lesenswert?

Moin,

Old -papa schrieb:
> So, ich habe mal mein HTC bemüht und ein Wackelvideo gedreht.

Dieses erratische Gespringe sieht so aus, als wäre dein LCD einfach nur 
langsam. Da du anscheinend damit klarkommst, den Code zu ändern und neu 
zu compilieren, probier doch mal diese Änderung:

in lcd.c diese Zeile (ziemlich am Anfang)
1
#define lcd_e_delay()   __asm__ __volatile__( "rjmp 1f\n 1:" );
ändern in
1
#define lcd_e_delay()   delay(4);

Statt 4 kannst du auch noch größere Werte ausprobieren.


XL

von Old P. (Gast)


Lesenswert?

Hallo Axel,

werd ich heute abend mal machen. Doch wie schon geschrieben, das 
passiert mit allen ca. 10 getesteten Displays unterschiedlicher Bauart 
und Hersteller, wenn ich diese als 2x8 eintrage. Ein Typ ist dabei (2 
Stück) da geht nach den ersten 8 Zeichen überhaupt nichts, egal ob ich 
da nun 2x8 oder wie von Dir als Tipp gegeben, auch mal 2x7 in die LCD.h 
eintrage.

Ich werde dann mal Fotos der Displays machen (Rückseiten) und die Fehler 
dazu schreiben.

Gruß
Od-Papa

von Axel S. (a-za-z0-9)


Lesenswert?

Old -papa schrieb:

> wie schon geschrieben, das
> passiert mit allen ca. 10 getesteten Displays unterschiedlicher Bauart
> und Hersteller, wenn ich diese als 2x8 eintrage.

Ich habe mir ehrlich gesagt den Code in lcd.c nicht allen angesehen (vor 
allem nicht das low level inline ASM Geraffel). In der Tat erscheint mir 
die Verzögerung, die die Länge des E-Impulses für das Display definiert, 
als recht kurz. Es würde mich daher nicht wundern, wenn ältere Displays 
damit nicht klar kommen.

<seufz> "Wenn man nicht alles selber macht"

> Ein Typ ist dabei (2
> Stück) da geht nach den ersten 8 Zeichen überhaupt nichts, egal ob ich
> da nun 2x8 oder wie von Dir als Tipp gegeben, auch mal 2x7 in die LCD.h
> eintrage.

Es gibt 16x1 LCD, die auch intern als 16x1 aufgebaut sind. Kann man 
anhand der Anzahl der verbauten Chips erkennen. Guckstu:

http://www.sprut.de/electronic/lcd/

Wenn du ein solches echtes 16x1 als 8x2 zu betreiben versuchst, würde 
genau das passieren was du siehst: nur die ersten 8 Zeichen werden 
angezeigt.


XL

von Old P. (Gast)


Lesenswert?

Hallo Axel,

als 1x16 habe ich es bei dem Ding auch versucht, nichts! Dei beiden 
Dinger haben auch nur je einen vergossenen Chip drauf. Mal sehen, 
vielleicht haben die ja auch nur ein Timingproblem.
Die Seite vom Sprut kenne ich gut, vor allem seine Ausführungen zu 
LCD-Displays. Die sollte jedem angehenden Elektroniker zur 
Pflichtlektüre werden!

Old-Papa

von Old P. (Gast)


Lesenswert?

Hallo,

voller Erfolg!

Ich habe das jetzt mal verändert, jetzt switcht da nix mehr.
Zumindest bei fast allen Displays, die beiden, die bisher nur die ersten 
8 Zeichen darstellten, machen nun garnichts mehr.
Testweise habe ich dann in der LCD.h in der Zeile:
1
#define LCD_CONTROLLER_KS0073 1  /**< Use 0 for HD44780 controller, 1 for KS0073 controller */
auf einen KS0073 umgestellt, da ich ja nicht weis, welcher Controller da 
unter dem Klecks steckt. Hilft auch nichts. Was mich allerdings 
irretiert, wenn ich die damit erzeugte HEX mit der für den HD44780 
vergleiche, sind beide absolut identisch. Da ich ja in der Zeile die "1" 
für den KS0073 gesetzt hatte, sollte doch irgendwo in der HEX irgendwas 
anderes stehen.
Eigentlich schade, denn genau dieses Modul wollte ich eigentlich 
verwenden, da es mechanisch am besten passt und guten Kontrast hat.

Was bedeutet eingentlich die Daten in der "falschen" Befehlszeile:
1
#define lcd_e_delay()   __asm__ __volatile__( "rjmp 1f\n 1:" );
 ?
Kann man das mal in "deutsch" übersetzen? Ich möchte ja immer was 
lernen.

Gruß
Old-Papa

von Uwe (de0508)


Lesenswert?

Hallo Old Pappa
1
#define lcd_e_delay()   __asm__ __volatile__( "rjmp 1f\n 1:" );

Ja ist einfach.

ein
1
#define
 ist eine Definition für eine Ersetzung aller Stellen mit 
"lcd_e_delay()" durch den "rjmp ..".
1
__asm__
 sagt dem c-compiler, jetzt kommt Assembler !
1
rjmp
 ist ein relativer Sprung zur Marke "1:", also direkt auf die nächste 
vom c-compiler erzeugte Anweisung.

Somit ist das eine kurze, 2 Takte lange, Verzögerung.

.

von Axel S. (a-za-z0-9)


Lesenswert?

Moin,

Old -papa schrieb:
>
> voller Erfolg!
> Ich habe das jetzt mal verändert, jetzt switcht da nix mehr.

\o/

> Zumindest bei fast allen Displays, die beiden, die bisher nur die ersten
> 8 Zeichen darstellten, machen nun garnichts mehr.

Merkwürdig. Auch mal mit delay(20) versucht? Die Zahl gibt ca. die 
Breite des E-Impulses (H-Zeit) in Mikrosekunden. Laut Datenblatt möchte 
der HD44780 mindestens 500ns.

> ... Was mich allerdings
> irretiert, wenn ich die damit erzeugte HEX mit der für den HD44780
> vergleiche, sind beide absolut identisch. Da ich ja in der Zeile die "1"
> für den KS0073 gesetzt hatte, sollte doch irgendwo in der HEX irgendwas
> anderes stehen.

Nö. Der KS0073 ist nur bei 4-zeiligen Displays subtil anders zu 
initialisieren, wird sonst aber genau gleich angesteuert. Wenn du dein 
Display mit 4 Zeilen angegeben hättest, dann wäre da auch anderer 
Hex-Code.

> Eigentlich schade, denn genau dieses Modul wollte ich eigentlich
> verwenden, da es mechanisch am besten passt und guten Kontrast hat.

Keine Sorge, das bekommen wir sicher noch hin. Ich muß nochmal über 
lcd.c schauen. Vermutlich hat Peter F. da noch ein paar Ostereier 
versteckt...

> Was bedeutet eingentlich die Daten in der "falschen" Befehlszeile:
>
1
#define lcd_e_delay()   __asm__ __volatile__( "rjmp 1f\n 1:" );
 ?
> Kann man das mal in "deutsch" übersetzen? Ich möchte ja immer was
> lernen.

das ist Inline-Assembler und würde schön hingeschrieben so aussehen:
1
        rjmp dummy  ;springe zur Marke "dummy"
2
dummy:              ;das ist genau da, wo es auch ohne Sprung weiter geht

hat also keine Funktion, außer den AVR für 2 Zyklen zu beschäftigen. Man 
hätte genauso gut schreiben können:
1
        nop
2
        nop

aber das würde zwei Byte mehr Flash kosten ;)


HTH, XL

von Old P. (Gast)


Angehängte Dateien:

Lesenswert?

Hallo Uwe, hallo Axel,

danke für die Erklärung, wieder was gelernt... ;-)

Bis auf die beiden bekloppten Displays geht es jetzt ganz gut. 
Allerdings komme ich jetzt nicht mehr über 51.0000MHz. ist aber 
vielleicht auch vom Geraffel auf dem Werktisch abhängig. ;-)
Übermorgen werde ich mal die bestellten (bösen ;-)) Komparatoren 
abholen, ich verspreche mir davon schon was.

Hier noch ein Foto der bekloppten Displays, Tante Google hat mir da 
nichts rechtes ausgespuckt.

Das 2. Foto zeigt das Dingens jetzt mit 1-zeiligem Display.
Als Delay-Wert habe ich da jetzt 2 drin stehen, 3 oder 4 geht auch, doch 
selbst mit 20 gingen die beiden bösen Displays nicht.
Die Darstellungsgeschwindigkeit kann zwar nicht ganz mit der 
tatsächlichen Änderung beim Abstimmen mithalten, ist aber brauchbar.

Gruß
Old-papa

von Old P. (Gast)


Angehängte Dateien:

Lesenswert?

Hallo die Herren,

ich hatte "die Tage" doch etwas Stress im Job, zum WE kann ich also 
weiter machen.
Heute habe ich die Platine nochmal überarbeitet.
1. Ich habe die +5V-Leiterbahn für die beiden Einstellregler auch unten 
verlegt, so sind keine Durchkontaktiernieten nötig. Be industrieller 
Platine eh wurscht.
2. Ich habe einige Leiterbahnen begradigt und die Massekreuze an 
Bauteilpins dicker gemacht.
3. Die deutlichste Überarbeitung: Ich habe auf die Unterseite noch einen 
HC132 gebaut. So kann man als Eingangstrigger halt auswählen, ob man 
oben einen TLV3501 oder auf die Unterseite einen 74HC132 verbaut.
Man kann auch beides weglassen und eine kleine Brücke von der 
Eingangsbuchse (Durchkontaktierung) zur Durchkontaktierung am Eingang 
74HC74 legen.
Der 51-R unter der Eingangsbuchse (übrigens eine SMB) ist genauso 
optional wie die Rs oben beim TLC3501. Damit kann man halt etwas 
experimentieren. Einmal um 50Ohm sicher zu stellen und oben am Eingang 
zum TLV3501 noch ein Vorwiderstand (ca. 100-330Ohm) zum Schutz gegen zu 
hohe Eingangsspannungen. Und dann ein ca. 10K vom +-Eingang zum Ausgang 
um eine Hysterse zu erreichen. Näheres dazu im Datenblatt.

Wenn Interesse besteht, kann mein Kumpel ja nochmal Handmade-Platinen 
machen.

Morgen werde ich den TLV3501 testen. Zunächst muss ich erstmal meine 
Lupenleuchte zurück ins Leben bringen (s. Thread bei Analogtechnik). 
Ohne Lupe wird das nix mehr :-(

Gruß
Old-Papa

von Axel S. (a-za-z0-9)


Lesenswert?

Moin,

Old -papa schrieb:

> Heute habe ich die Platine nochmal überarbeitet.

Wenn das wirklich eine universell einsetzbare Platine werden soll, hätte 
ich da noch ein paar Änderungsvorschläge:

1. die drei bedrahteten Widerstände (Pullup f_x, Pullup Reset, 
Vorwiderstand Backlight) und die 10µH Drossel sind alle mit 300mil Länge 
vorgesehen, obwohl da Platz für längere Typen ist. Da man zwar kleine 
Bauformen mit größeren Lochabständen verwenden kann, aber nicht anders 
herum, wäre es sinnvoll da wenigstens 400mil vorzusehen. Oder auch 
mehrere Lötaugen für verschiedene Größen.

2. Spindeltrimmer haben die Pins auch gern mal in einer Reihe statt im 
Dreieck. Für die Trimmer sollte also auch noch ein 4. Lötauge vorgesehen 
werden.

3. die Kondensatoren unter dem Mega8 sind ungünstig angeordnet. Da ist 
ein GND-Pin genau zwischen dem Vcc-Pin und the XTAL-Pins. Genau da 
sollten die Kerkos hin.

4. das SMD-Hühnerfutter ist alles in 1206 vorgesehen. Wer verbaut denn 
noch solch riesiges Zeug? 0805 ist eher angemessen. Da wo das geht, 
gerne auch Pads für variable Bestückung. Was ich an 0805 praktisch 
finde: auf Lochraster passen die prima zwischen zwei Pins in 100mil 
Abstand.

5. mir sind da zuviele Stütz-Elkos an Vcc. Die vorgesehenen 100n (kann 
man auch 1µ bestücken) reichen vollkommen. Insbesondere der fette 
100µ-Elko ist angesichts der doch sehr überschaubaren Stromaufnahme eher 
überflüssig.

6. ich hatte das glaub ich, schon mal erwähnt. Ich plane noch, bis zu 
acht Jumper/Schalter-Anschlüsse vorzusehen. Dazu würde jede der 8 
Datenbusleitungen über einen 4.7K Widerling an einen Jumper (nach GND) 
gehen. Vielleicht braucht man auch nicht alle 8, sondern 4 reichen. 
Mindestens 2 würde ich vorsehen um

a) bei einzeiligen Displays zwischen Frequenz- und Periodendaueranzeige 
wählen zu können und

b) einen (zuschaltbaren) Vorteiler zu berücksichtigen. Der konkrete 
Teilerfaktor könnte ja im EEPROM stehen. Oder man sieht mehrere Jumper 
vor, um feste Vorteiler-Faktoren zu konfigurieren.


XL

von Old P. (Gast)


Lesenswert?

Hallo Axel,

bei den Rs hats Du recht, mach ich morgen (quatsch, heute) mal. Die L 
natürlich auch. Die 1206 habe ich extra genommen, nicht jeder kann das 
kleine Hünerfutter löten. Man kann an den Stellen fast überalle auch 
0805 einbauen. Da werde ich auch noch etwas fummeln. Andererseits sollte 
dann wirklich eine Platine mit durchgängig SMD gebaut werden, dann 
meinet wegen auch 0805, wers mag..... Freiwillige vor!
Die SMDs der Eingangsschaltung hatte ich nur genommen, weil es den 
TLV3501 nur in SMD gibt.
Die Cs am Quarz liegen schon gut an Masse, die ist ja auch auf der 
Oberseite großflächig vorhanden. Zumindest habe ich mit einer ähnlichen 
Anordnung in anderen Schaltungen nie Probleme gehabt.

Die Stützelkos resultierten noch aus meinen Versuchen zur 
Fehlerermittlung, der SMD kann wirklich weg. Am Eingang würde ich die 
100µF schon belassen, das Modul soll ja in vielen Situationen verwendbar 
sein. Ok, 10µF reichen wohl auch.

Die Kerkos am TLV3501 sind aber so gewollt, auch der 100nF und der 1nF 
parallel. Auch SMDs haben eine Eigenresonanz und so wird das breiter 
aufgestellt.

Die Jumper könnten sicher auch Lötbrücken sein, denn man wird das ja nur 
einmal konfigurieren. Ok, Frequenz und Periode später auch im Betrieb...
Mal sehen was ich da machen kann.

Jetzt geh ich erstmal die Frequenz meiner Atemzüge messen

Gute Nacht

Old-Papa

von Frank (Gast)


Lesenswert?

>Jetzt geh ich erstmal die Frequenz meiner Atemzüge messen

Mit welchen Frequenzmeßgerät machst Du das? Deine Atemfrequenz liegt 
doch hoffentlich unter 1Hz ;-)

von Old P. (Gast)


Angehängte Dateien:

Lesenswert?

Frank-Gast,

das Zählgerät liegt gewöhnlich neben mir und nimmt die Frequenzen 
akustisch auf. (wenns nicht gerade selber Geräusche erzeugt ;-)))

So, heute die finale Version, ich habe fast alles eingebaut, was Axel 
vorgeschlagen hatte.
1. Die bedrahteten Rs und Ls haben jetzt einen größeren Lochabstand.
2. Den SMD-Elko habe ich rausgeworfen
3. Einen 100nF auf die Lötseite gelegt
4. Damit hatte ich Platz, einen zusätzlichen "SIP-R" mit 4x4,7K unter zu 
bringen. Damit können nun die Datenleitungen 0 bis 3 zur Programmierung 
von max. 16 Zusatzfunktionen genutzt werden. Dabei ist aber nur eine 
Datenleitung auf einen Jumper gelegt (D3), die übrigen drei gehen auf 
Lötbrücken. So sollte das durchaus reichen.

Sollten noch Fehler drin sein, fummel ich daran nochmal rum, ansonsten 
lass ich das so.

Wer Böcke hat, kann das Ganze ja in SMD routen, damit hatte ich schonmal 
angefangen. Habe es aber bleiben lassen, da man nämlich nur recht 
fummlig Leiterbahnen zwischen den Pins durchrouten kann. Also werden 
wahrscheinlich viel mehr Durchkontaktierungen nötig sein. Das ist für 
eine Handmade-Platine eher ungünstig. Aber wers gut hinbekommt, da nehme 
ich gerne Anregungen auf ;-)

Gruß
Old-Papa

Ach ja, herzlichen Dank auch an Christian und Charly, die hatten ja den 
Grundstein für mein Layout gelegt.

von Old P. (Gast)


Angehängte Dateien:

Lesenswert?

Kaum online und schon Änderungen.....

Naja, zum Einen habe ich die 4. Pins unter den Einstellreglern noch 
hingefummelt und zum Anderen ein paar Leiterbahnen begradigt.
Dann noch (damit hier Friede herscht) auch die beiden 
"Quarzkondensatoren" direkt an den richtigen GND-Pin vom µC gehäkelt.

So, das wars dann aber wirklich ;-)

Gruß
Old-Papa

von Axel S. (a-za-z0-9)


Lesenswert?

Old -papa schrieb:

> Naja, zum Einen habe ich die 4. Pins unter den Einstellreglern noch
> hingefummelt

Danke. Das fehlte mir doch gleich.

> Dann noch (damit hier Friede herscht) auch die beiden
> "Quarzkondensatoren" direkt an den richtigen GND-Pin vom µC gehäkelt.

Warum hast du den Abblock-C von 100n nicht auch gleich direkt zwischen 
Pin 7 und 8 des Mega8 gelegt? Auf der L-Seite direkt oberhalb ist da 
massig Platz zwischen dem Mega8 und dem Via.


XL

von Old P. (Gast)


Lesenswert?

Hallo Axel,

das mit dem "massig Platz" ist ja relativ. Ich müsste den Quarz etwas 
verschieben. Doch wie schon geschrieben, die Masse beider Platinenseiten 
ist ja auf kürzestem Weg über Durchkontaktierungen und die µC-Pins 
verbunden. Da kann weder nennenswerte Induktivität noch Widerstand 
entstehen.
Ich hatte ja in den letzten Tagen (als diese komischen Fehler auftraten) 
extra mein 150MHz-DSO angeschlossen und nach Störimpulsen gesucht. 
Zumindest mit meinen Tastköpfen war da absolut nichts nachzuweisen. Nur 
allgemeines Rauschen.

So, aber damit alles "den Vorschriften entspricht", habe ich das jetzt 
auch noch gemacht ;-)

Fotos gibts aber erst, wenn sich nicht noch andere Macken zeigen.

Gruß
Old-Papa

von Old P. (Gast)


Angehängte Dateien:

Lesenswert?

So, hier die letzten Fotos...

Mal sehen, wann mein Kumpel mir die ätzen kann.

Gruß
Old-Papa

von Charly B. (charly)


Lesenswert?

Papi, wo gibts ein Schaltbild von dem Teil ?

vlG
Charly

von Old P. (Gast)


Lesenswert?

Hallo Charly,

ist doch hier mehrfach gepostet worden.

Klar, ein paar kleine Änderungen (eher Zusätze) gibt es jetzt, doch das 
ist alles ganz simpel und nachvollziehbar. Mal sehen was heute noch so 
ist, vielleicht pinsel ich ja noch einen.

Old-Papa

von Charly B. (charly)


Lesenswert?

Old -papa schrieb:
> ist alles ganz simpel und nachvollziehbar.

ja wenn mans weis schon, also ich hab keine Lust mich durch
die ganzen Post's zu kaempfen um deine gedankengaenge zu
verfolgen um dann doch festzustellen das du doch was nicht
erwaehnt hast.....
also Axel hat sein Schaltbild gepostet, Christian und ich
auch, also i finde es nicht grad die feine Art nachdem dir
hier doch wirklich viel geholfen wurde, oder ?


vlG
Charly

von Old P. (Gast)


Lesenswert?

Hallo Charly, bleib doch mal ganz entspannt.
Ich hatte nachts um einse nun wirklich keine Lust mehr einen Schaltplan 
zu pinseln.
Aber Du kannst davon ausgehen, das ich das ganz sicher noch machen 
werde.

Andererseits ist das doch genau der Plan, den Du, Christian und Axel 
schon gezeichnet haben. Wie ein 74HC132 mit seinen Gattern beschaltet 
wird, ist erstes 1x1 der Digitaltechnik (und nun wirklich mit einem 
Blick aus dem Layout zu entnehmen). Bleibt der Komparator. Der ist nach 
Standardschaltung aus dem Datenblatt aufgebaut, besteht aber im 
einfachsten Fall auch nur aus sich selbst und einem Widerstand.
Die Jumperei, die Axel sich noch gewünscht hat, habe ich ja auch nur so 
eingezeichnet, dazu existiert nichtmal ein Plan (doch, bei Axel und mir 
im Kopf).

Also, heute am Tage mach ich was anderes, und wenn der Tatort vorbei 
ist, kann ich ja noch einen kompletten Schaltplan zeichnen.

Ganz entspannte Grüße

Old-Papa

von Uwe (de0508)


Lesenswert?

Hallo !

ich möchte mich auch ganz herzlich für die Fortführung des Projekts 
bedanken.

Bald werde ich auch eine Testschaltung aufgebaut haben und euch darüber 
berichten können.

Im Augenblick arbeite ich noch an einer neuen Firmware für das "HF - 
mW-Meter bis 2,7 GHz".

.

von Old P. (Gast)


Angehängte Dateien:

Lesenswert?

Hallo,

nun habe ich mich doch früher an den Schaltplan usw. gemacht.

In der PDF ist soweit alles Stand heute enthalten. Firmware gibbet beim 
Axel ;-) bzw. hier im Thread die aktuelle Version.
Als Schaltplan habe ich nur den von Axel gezeichneten um die Änderungen, 
Eingangsschaltungen und Anmerkungen ergänzt.

Gruß
Old-Papa

von Old P. (Gast)


Lesenswert?

Uwe S. schrieb:
> Hallo !
>
> ich möchte mich auch ganz herzlich für die Fortführung des Projekts
> bedanken.
>
> Bald werde ich auch eine Testschaltung aufgebaut haben und euch darüber
> berichten können.
>
> Im Augenblick arbeite ich noch an einer neuen Firmware für das "HF -
> mW-Meter bis 2,7 GHz".
>
> .

Hallo Uwe, das ist doch das Projekt von Helmut (DL1ALT) oder?
Ich habe vor zwei-drei Wochen den NWT502m von ihm fertiggestellt. 
Besonders das Auflöten des DDS mit 0,5mm Pinabstand war kitzlig, der 
Rest gut machbar. Das mW-Meter interessiert mich auch, derzeit habe ich 
aber noch andere Baustellen.
Was hast Du an der Firmware verändert?

Gruß
Old-Papa

von Uwe (de0508)


Angehängte Dateien:

Lesenswert?

Hallo Old-Papa,

ja richtig ist von DL1ALT.

Die Version 1 des mW Meter hatte ich von 2 Jahren auch schon mal 
aufgebaut, nur wurde da ein µP mit Core 8051 zum Einsatz.

Die aktuelle Version 2.0 basiert auf einem atMega Design und so
habe ich die Firmware auf die Hardware von DL1ALT komplett neu in "C" 
geschrieben, den Speicherbedarf verringert, 4 (3 neu) 
Bargraph-Zeichensätze eingebaut. Und Betreibe den atMega88 nun auch mit 
einem 1-Wire Bootloader (peda) an PD7.

Die Bargraphzeichensätze lassen sich per Dip-Schalter auswählen und 
werden beim booten eingelesen.

Die dBm, Leistung P in den Einheiten pW,nW,µW,mW,W und kW und Spannung U 
an 50R werden in den Einheiten pV,nV,µV,mV,V und kV berechnet, 
automatisch auf 4 Ziffern mit Punkt skaliert.

z.B.
a) 1mW ==> 1,000mW
b) 890µW ==> 890,0µW
usw.

Ziel ist es auch externe Dämpfungsglieder, bzw. 
Leistungsdämpfungsglieder mit ein zu beziehen und die Eingangsleistung 
richtig an zu zeigen.

Auch wäre eine Kalibierrung mit verschiedene Frequenzen und Stützstellen 
denkbar, aber das liegt nicht auf meiner Linie, da wir die Frequenz 
direkt nicht messen können.

Auch denke ich darüber nach ein 4x 20 Zeichen Display zu verwenden, 
fehlt mir aber noch in meinem Bestand. Dafür habe ich genügend 2x 24 
Zeichen Displays.

Im Anhang die Vertreter für die Bargraph-Zeichensätze.

.

von Hans M. (Firma: mayer) (oe1smc) Benutzerseite


Lesenswert?

hallo old-papa

wird man die prints bei dir auch kaufen koennen ?

schoene gruesse
hans

--

von Old P. (Gast)


Lesenswert?

Hallo Hans,

ein paar aus Handarbeit für Hobbykollegen habe ich seit heute hier, 
wenns kommerziell sein soll, ganz bestimmt nicht. Schick mir mal eine PN 
oder Mail.

Gruß
Old-Papa

von Uwe (de0508)


Lesenswert?

Hallo Hans !

Du auch hier hihi

73 uwe DE0508

von Hans M. (Firma: mayer) (oe1smc) Benutzerseite


Lesenswert?

@old-papa
ich habe dir eine PN zukommen lassen.

@uwe
ja, so trifft man sich wieder.

schoene gruesse
hans

von Old P. (Gast)


Lesenswert?

Hallo,

heute habe ich mal eine der neuen Platinen aufgebaut. Ums mal gleich zu 
sagen, das mit dem Komparator überzeugt mich noch nicht ganz. Im Bereich 
oberhalb 10MHz ist alles ok, darunter wird das immer unstabiler, je 
tiefer man kommt. Mit meinem 40MHz-Oszi kann ich kein Schwingen 
erkennen, ich weder mal den 150MHz auf den Werktisch stellen.

Morgen werde ich mal den HC132 installieren.

Nach oben hat der Komparator was gebracht, 57.0000MHZ waren erreichbar. 
Dabei konnte die Eingangsspannung irgendwas von Sinus bis Rechteck sein.

Die Fotos zeigen einer Version mit 2x16er Display, wobei in der oberen 
Zeile der Inhalt der beiden Zähler Hexadezimal (wenn ich Axel richtig 
verstanden habe) für die Testphase und die untere den berechneten 
Messwert darstellt. Oben ganz rechts dann noch der Hex-Wert der vier 
Jumper (nicht gesetzt, also FF)

das Foto mit dem 1x16er hat hinter dem Messwert (MHz) noch eine 
"Irrläuferziffer" und wieder den Wert der Jumper. Die Irrläuferziffer 
habe ich wohl durch irgendeinen falschen Eintrag in der Config.h (die 
ist neu) verbockt.

57MHz schafft mein Generator, in den diese Anzeige ja mal rein soll, 
zwar nicht, doch schön zu wissen, dass es geht.

Old-Papa

von Old P. (Gast)


Angehängte Dateien:

Lesenswert?

Mist, die Fotos vergessen...

von Old P. (Gast)


Angehängte Dateien:

Lesenswert?

Wenn man denkt es geht nicht mehr, kommt.......

So auch hier ;-)

Siehe Foto.

Die Zweifler vom Anfang dieses Threads können also aufatmen ;-)
Das ist noch immer die gleiche Schaltung mit HC590 und HC74 sowie den 
TLV3501 im Eingang. Gespeist allerdings mit TTL (oder eher CMOS)

Gruß
Old-Papa

von Axel S. (a-za-z0-9)


Lesenswert?

Hola,

Old -papa schrieb:

>  das mit dem Komparator überzeugt mich noch nicht ganz.

Ich hatte ehrlich gesagt von Anfang an Bauchschmerzen bei der Schaltung. 
Auch wenn der TLV3501 am Eingang rail-to-rail sein soll, meist hat man 
doch Einbußen, wenn man die Eingänge beide auf V- legt.

> Nach oben hat der Komparator was gebracht, 57.0000MHZ waren erreichbar.
> Dabei konnte die Eingangsspannung irgendwas von Sinus bis Rechteck sein.

Ich sehe gerade, daß der Zähler für F_x kurz vor dem Überlauf steht. In 
der Tat wirst du mit der derzeitigen Software so nicht über 4*fref 
kommen. Also  knapp über 57.2MHz. Läßt sich aber per Software-Änderung 
leicht beheben:
1
         PHASE2(); /* wait for MINCYCLES fref pulses */
2
 
3
-        while (nref.b[2] < (MINCYCLES/65536)+1) {
4
+        while ((nref.b[2] < (MINCYCLES/65536)+1) && (nx.b[2] < 0x7c)) {
5
             wdt_reset();
6
             sleep_cpu();
7
         }
Dieser Fix kann später wieder raus, wenn ich die Zähler auf 32 Bit 
aufgebohrt habe.

> das Foto mit dem 1x16er hat hinter dem Messwert (MHz) noch eine
> "Irrläuferziffer" und wieder den Wert der Jumper. Die Irrläuferziffer
> habe ich wohl durch irgendeinen falschen Eintrag in der Config.h (die
> ist neu) verbockt.

Das ist einfach der Rest dessen, was bei einem 2x16 Dispaly in der 
ersten Zeile stehen würde.

> 57MHz schafft mein Generator, in den diese Anzeige ja mal rein soll,
> zwar nicht, doch schön zu wissen, dass es geht.

Wenn du einen Speed-Rekord willst, mach die Versorgungsspannung größer. 
Bis 6V sollte gerade noch gehen (keine Gewähr ;)


XL

von Axel S. (a-za-z0-9)


Lesenswert?

Old -papa schrieb:
> Siehe Foto.

Wie hast du das gemacht? MINCYCLES verringert?


XL

von Old P. (Gast)


Lesenswert?

Stimmt, hatte ich garnicht mehr dran gedacht.
#define MINCYCLES (1*1024*1024L)  /* min number of fref cycles */

Die hatte ich aber vorhin beim 57MHz-Ende auch so. Ich versuch jetzt mal 
etwas höher (2* oder 3*xxx)

Old-Papa

von Axel S. (a-za-z0-9)


Lesenswert?

Old -papa schrieb:

>> Wie hast du das gemacht? MINCYCLES verringert?

> Stimmt, hatte ich garnicht mehr dran gedacht.
> #define MINCYCLES (1*1024*1024L)  /* min number of fref cycles */

OK. Dann geht das auch. Das Limit, das der Zählerüberlauf setzt ist

fref * 0xFFFFFF / MINCYCLES


XL

von Old P. (Gast)


Lesenswert?

Aha!

Ich habe jetzt den Komparator runter geschmissen und einen HC132 drauf.
Ergebnis: Im unteren Hz-Bereich zappelt die Anzeige genau so wie mit dem 
Komparator. Ab ca. 250kHz wird das ruhiger, nach oben ging das dann nur 
noch bis 65.0000MHz. Allerdings ist mit Sinus am Eingang ziemlich Essig, 
muss schon halbwegs Rechteck sein. Mal sehen was es bringt, den Eingang 
des HC132 auf knapp halbe Betriebsspannung zu legen und zum Eingang 
einen Kondensator davor zu schalten.

Für heute ist aber Schluss, muss noch etwas "regenerieren" um dem 
Arbeitgeber zum Ausbeuten zu Willen zu sein ;-)

Gruß
Old-Papa

von Frank (Gast)


Lesenswert?

Frank schrieb
> Die Grafik mit 20mVpp nach HCMOS-Signal bei 50MHz ist ja nett,
> allerdings ist die Beschaltung dafür nicht dargestellt. Ohne
> nennenswerte Hysterese >=50mV wird das gezeigte Ausgangssignal auch ohne
> Eingangssignal vorhanden sein oder bei NF sporadisch hinzugefügt ;-)


Ich wiederhole es noch einmal; vielleicht bist Du jetzt einsichtiger ;-)
Kritisch ist der Bereich 0,xHz - 1MHz, um die Signale sauber 
aufzuarbeiten. Dazu hatte ich auch etwas geschrieben: Hysterese, 
Dämpfung, Tiefpass, DC-Offset.
Verbeiß Dich nicht an der oberen Grenzfrequenz, die kann man per 
Vorteiler nahezu beliebig erhöhen.

von Old P. (Gast)


Lesenswert?

Hallo Frank,

natürlich verbeiße ich mich nicht an der oberen Grenzfrequenz. Ich habe 
hier kommerzielle Zähler bis über 2GHz, darum geht es ja nicht.
Ich wollte halt mal sehen, wie weit man gerade ohne Vorteiler und 
Gedöhns kommt. Das ein Komparator um unteren Frequenzbereich schneller 
unstabil als im oberen wird, ist mir auch klar. Dämpfung und LP fallen 
allerdings aus, bleibt noch etwas mit der Hysterse zu experimentieren. 
Wenn nicht, bleibt der halt weg. Mit gleichem Pinnig gibt es auch 
"HF-OPVs". Wer mit sehr schwachen Signalen arbeiten muss, könnte damit 
auch experimentieren.

Die Variante mit dem HC132 setzt halt höhere Eingansspannung und am 
besten Rechteck voraus. Gehen tut das aber, ohne Frage.

Was kann vereinfacht werden?
1. Eine spezielle HF-Buchse am Eingang (ich habe eine SMB gezeichnet) 
ist nicht unbedingt nötig, man kann das HF-Kabel (Koax) auch direkt 
anlöten. Ja sogar HF-Kabel ist entbehrlich, verdrillte Schaltdrähte 
gehen bei kurzen Verbindungen auch.

2. Der 4x4,7k-SIP nebst Jumper muss auch nur bestückt werden, wenn man 
die zukünftig vorgesehenen Zusatzfunktionen nutzen will.

3. Es ist unnötig und bei einer selbst geätzen Platine sogar hinderlich, 
dass für alle ICs Fassungen verwandt werden. Höchstens für den µC.

4. Der ISP-Header muss ja eigentlich auch nicht, ich habe den bisher 
nicht genutzt, programmiere immer im externen Programmer.

5. Der Jumper zur Umschaltung der Kalibrierspannung kann durch Brücke 
zum Mittelanschluss vom 22k ersetzt werden, notfalls kann man den ja 
nach Masse kurbeln.

6. Die Drossel (10µ, Wert unkritisch) kann durch eine Brücke ersetzt 
werden.

7. Der 100R kann entfallen, wenn ohne Hintergrundbeleuchtung gearbeitet 
wird. 100ohm sind aber auch nicht für jedes beleuchtete Display richtig, 
hier muss man halt fummeln ;-)

Was muss unbedingt beachtet werden?
1. Das Display! Da gibt es selbst bei diesen Standardabmessungen 
deutliche Unterschiede, weil die Kontaktreihe häufig etwas versetzt ist. 
Ich habe welche, die passen gut und andere sitzen 1-3mm daneben.

2. Der 22k zur Kalibrierung muss ein Mehrgangtrimmer sein, sonst ist 
eine Kalibrierung fast unmöglich.

3. Die 22p-Kondensatoren am Quarz sollten ausgemessen werden. Die 
Doofköppe beim Reichelt hatten mir mal statt 22p 1n eingetütet. Die 
anderen Cs sind völlig unkritisch.

4. Bei der selbstgeätzten Platine am besten als erstes die Fassung für 
den µC einlöten und auch die wenigen Leiterbahnen oben anschließen. 
Später kommt man da nur mühsam heran.

Old-Papa

von Ralph B. (rberres)


Lesenswert?

Niedrige Frequenzen mit hoher Auflösung zu zählen ist immer eine 
Herausforderung.

Zum einen, weil die Signalquelle , dessen Frequenz man messen will, 
entsprechend stabil sein muss, und entsprechend geringes Phasenrauschen 
besitzen muss.  DDS Synthesizer zählen gerade nicht dazu. Eher ein mit 
ganzaligen Teiler runtergeteilte Quarzoszillatoren .
Zum anderen weil sich das Rauschen an den Übergangsbereiche des 
Komperators im Counter negativ als Jitter bemerkbar macht.

Zum Schluss ist noch die Stabilität des Mutterquarzes limitierend.

Wie weit das Programm des Mikroprozessors darauf Einwirkung hat vermag 
ich nicht zu beurteilen , das ist sicherlich eine Sache der 
intelligenten
Programmierung des Prozessors.

In professionellen Zähler verwendet man den Mikroprozessor aber nur zur 
Auswertung. Gezählt wird mit Asics , die rein statisch aufgebaut sind, 
also feste Zählerarrays haben. Diese übergeben das Zählergebnis an den 
Mikroprozessoer.

Auch professionelle Counter wie der Racal Dana 1992 hat da ganz große 
Probleme mit niedrigen Frequenzen. Mehr als 7 Stellen bei 1KHz 
Messfrequenz sind einfach nicht drin.

Ralph Berres

von Frank (Gast)


Lesenswert?

>Mehr als 7 Stellen bei 1KHz Messfrequenz sind einfach nicht drin.

Damit wäre Opa ja schon überglücklich ;-)


>Dämpfung und LP fallen allerdings aus, bleibt noch etwas, ...

Warum? Soll es funktionieren oder nur schön aussehen?

Schnelle Komparatoren (und OPV) lieben es zu schwingen. Daher ist eine 
nicht zu kleine Hysterese Voraussetzung für stabiles Arbeiten. OPVs sind 
für höhere Frequenzen als Komparator nicht gut geeignet.

Bitte melde dich an um einen Beitrag zu schreiben. Anmeldung ist kostenlos und dauert nur eine Minute.
Bestehender Account
Schon ein Account bei Google/GoogleMail? Keine Anmeldung erforderlich!
Mit Google-Account einloggen
Noch kein Account? Hier anmelden.