Forum: Markt 4" TFT für 7,97€


von Andreas J. (antibyte)


Lesenswert?

So, nach den 19 Euro 5,6 TFTs letzes Jahr bei Ebay, die herrlich
einfach anzuschliessen waren,
hab ich kürzlich folgendes bei Amazon entdeckt :

http://www.amazon.de/Playstation-Screen-slim-7000-KFZ-Adapter/dp/B0007LITL4/

Knapp 8 Euro hört sich doch gut an.

Ich hab mir mal zwei Stück davon gekauft.
Entgegen der Werbeversprechen, die behaupten es wäre ein 380x234 DSTN,
ergab meine bisherige Recherche das es ein 160x200 TFT von Toshiba ist 
!!
160x200 Pixel für eine Playstation 2, die Lüge macht auch TFT statt DSTN
kaum gut :-)

TFD40W11
http://www.horizontechnology.com/display/Toshiba/TFD40W11.htm

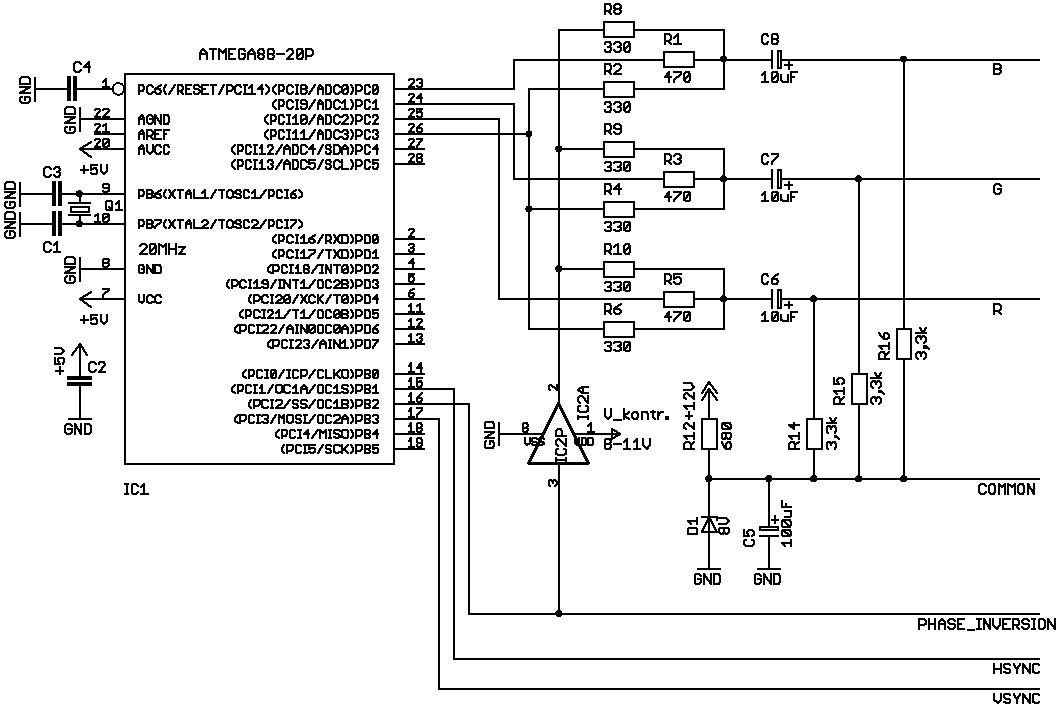
Leider findet sich trotz Google kein Datenblatt, lediglich diese Info :

[in] logic power (5V)
2[in] horiz sync input
3[in] vert sync input
4[out] signal voltage / phase inversion control out
5[in] ground Vss (0V)
6[in] R video
7[in] G video
8[in] B video
9[in] common voltage input
10[in] Vbb (13V)
11[in] Vgg (25V)
12[out] common voltage / phase inversion control output
13[in] Vss (0V)
14[in] NTSC/PAL selection
15 NC
16 NC

Die 13V und 25V gefallen mir schonmal nicht, und die beiden großen
Spulen auf der seperaten Ansteuerplatine deuten auf die Erzeugung 
selbiger
Spannungen hin.
Der Inverter für die Hintergrundbeleuchtung ist ebenfalls nicht auf
dem Display beheimatet.

Display ist Japan, der Rest übelste China Bastelarbeit.

An ICs verbaut wurden auf der Ansteuerplatine :
LA7218
TA8696
TDA2822
SP34063
74121
74HC123

Ich finde die Auflösung interessant, würde evtl. gut zum UZEBox
Project passen, das ich gerne nachbauen möchte :

http://belogic.com/uzebox/

Gruß
Andi

von Andreas J. (antibyte)


Lesenswert?

Ein KFZ-Netzteil 12V auf 8,5V/5.65A ist auch noch dabei.

von Wegstaben V. (wegstabenverbuchsler)


Lesenswert?

kannst du mal ein paar Fotos zu dem Teil einstellen?

Bekommt denn die seperate Ansteuerplatine die 8,5 Volt aus dem 
KFZ-Netzteil?

von Marius S. (lupin) Benutzerseite


Lesenswert?

Die Auflösung ist ein bischen gering für uzebox. Man könnte die software 
der uzebox ja auf die Auflösung anpassen (dann hätte man ja auch mehr 
resourcen frei).

Da würden sich eher die größeren PSP TFTs eignen oder?

von Andreas J. (antibyte)


Angehängte Dateien:

Lesenswert?

Wegstaben Verbuchsler wrote:
> kannst du mal ein paar Fotos zu dem Teil einstellen?
>
> Bekommt denn die seperate Ansteuerplatine die 8,5 Volt aus dem
> KFZ-Netzteil?

Das KFZ-Netzteil versorgt Display und Playstation (durchgeschleift), 
daher der hohe Strom.
Scheint ein Schaltnetzteil zu sein.
Auf der Ansteuerplatine sitzt ein 7805 und die Spannungsversorgung ist
mit 7,5V aufgedruckt.

Bilder in den folgenden Posts.

Gruß
Andi

von Andreas J. (antibyte)


Angehängte Dateien:

Lesenswert?

Ansteuerplatine in hoher Auflösung ....

von Andreas J. (antibyte)


Angehängte Dateien:

Lesenswert?

Das TFT Panel ....

von Andreas J. (antibyte)


Lesenswert?

Die wären definitiv besser, auch der Aufwand deutlich geringer,
da diese Diplays alle Spannungen, inkl. Hintergrundbeleuchtung,
intern erzeugen.
Dieses 4" hat halt etwa Playstation Portable Größe und der Preis
ist mit 8 Euro schon fast geschenkt.
Aber ohne Datenblatt .... mal sehen.
Vielleicht findet ja Benedikt Interesse daran, er zaubert ja scheinbar
auf alles bunte Punkte :-)


Marius S. wrote:
> Die Auflösung ist ein bischen gering für uzebox. Man könnte die software
> der uzebox ja auf die Auflösung anpassen (dann hätte man ja auch mehr
> resourcen frei).
>
> Da würden sich eher die größeren PSP TFTs eignen oder?

von Marius S. (lupin) Benutzerseite


Lesenswert?

Warum nicht einfach die Ansteuerplatine benutzen? Oder ist die dir zu 
gross?

von Andreas J. (antibyte)


Lesenswert?

Ich hab das Ding erst vorhin zerlegt, aber nach recht oberflächlicher
Analyse scheint scheint die Ansteuerung aus dem S-Video (Y) Signal 
mittels
Sync-Seperator IC die Synchronisations-Signale zu extrahieren, und das
IC TA8696 passt dann die PAL-Auflösung an die geringere Auflösung des 
Display
an.
Wenn man einige Leiterbahnen durchtrennt, könnte man die Platine für die
Spannungsversorung verwenden, und hätte auch noch einen 
Stereo-Verstärker samt Mini-Lautsprecher.
RGB+ H/VSync müsste man dann irgendwo einschleifen.

EDIT ZUM ERSTEN POST:

Es ist ein 220 x 160 PIXEL TFT , nicht 160 X 200 ... argh

von Marius S. (lupin) Benutzerseite


Lesenswert?

jo, z.B. am steckverbinder des Displays? die belegung hast du doch 
schon.

Eine uzebox mit entsprechend angepasster auflösung wäre ziemlich cool.

Dann kann man auch auf den AD725 verzichten.

von Andreas J. (antibyte)


Lesenswert?

Allerdings :)
eine selfmade Game-Konsole, in C programmierbar, in Playstation Portable 
Größe, mit Farb-TFT und AVR CPU für unter 30 Euro hört sich durchaus 
cool an :)


Marius S. wrote:

> Eine uzebox mit entsprechend angepasster auflösung wäre ziemlich cool.
>
> Dann kann man auch auf den AD725 verzichten.

von Benedikt K. (benedikt)


Lesenswert?

Andreas Jakob wrote:
> IC TA8696 passt dann die PAL-Auflösung an die geringere Auflösung des
> Display an.

Nicht ganz. Der TA8696 macht die Gamma Correction (Anpassung der 
Helligkeitsverteilung an die Kennlinie des LCDs). Außerdem invertiert er 
noch die Spannungen in jeder Zeile. Dieses IC ist also unbedingt 
notwendig.
Der common voltage / phase inversion control Anschluss des TFTs sollte 
mit diesem IC verbunden sein. Wenn du ein Oszilloskop hast, mess mal die 
Spannungen an RGB zum TFT: Das sollte ein Rechtecksignal mit halber 
Zeilenfrequenz sein, auf das das Videosignal aufmoduliert ist.

> Vielleicht findet ja Benedikt Interesse daran, er zaubert ja scheinbar
> auf alles bunte Punkte :-)

Aber nicht bei 220x160 Pixeln. Mit sowas fange ich garnicht erst an. 
Selbst 320x234 sehen schon schlimm aus, wenn einfach Zeilen ausgelassen 
werden.

PS: Die Platine sieht wirklich schlimm aus: Vom Löten angeschmorten 
Kabel unten, die Befestigung des 7805 usw.

von Random .. (thorstendb) Benutzerseite


Lesenswert?

Hab mir auch mal zwei bestellt.
Die wundern sich warscheinlich über die Bestellungen. Gut, dass man 
nicht belegen muss, ne PS2 zu haben :-)

Mal gespannt drauf!


VG,
/r.

von Gast (Gast)


Lesenswert?

Hmm, der Händler hat sich wohl schon über die Nachfrage gewundert, und
gleich den Preis auf 10 Euro hochgeschraubt ....

von Andreas J. (antibyte)


Lesenswert?

Dies scheint wohl die Quelle der Händler zu sein :

http://www.restposten.de/article-3876746.html

3,75 Euro , lol.

Und die guten 5,6" Displays für 11 Euro.

http://www.restposten.de/article-3941219.html

Leider nur an Wiederverkäufer.

von Omega G. (omega) Benutzerseite


Lesenswert?

Vllt. kann man da ja jemand bestellen von den hier Lesenden... Also 
quasi eine Sammelbstellung für alle Interessierten.

von Peter (Gast)


Lesenswert?

Bei so nem 5,6" Display Wäre ich auch interessiert!

Aber noch eine Frage zum kleineren Display - Mit der bestehenden Platine 
einfach RGB einspeisen und tut? Oder hab ich da was falsch verstanden?

Grüße Peter

von Random .. (thorstendb) Benutzerseite


Lesenswert?

Omega G. wrote:
> Vllt. kann man da ja jemand bestellen von den hier Lesenden... Also
> quasi eine Sammelbstellung für alle Interessierten.

dito!
Würde sagen, wenn sich einer bereiterklärt, per Vorkasse.

von Dan (Gast)


Lesenswert?

http://www.restposten.de/article-3091381.html

Hier gibts auch 6" für lächerliche 6€!!!

Ich wohne aber leider in der Schweiz :(.
Wenn jemand bestellt, wäre es cool wenn er mir eins mitbestellt.
Würde dann per Paypal zahlen :).

von Dan M. (killler07)


Lesenswert?

So hab mich registriert :).
Eine Sammelbestellung wäre tolle Sache, wenn mir dann jemand in die 
Schweiz versenden würde noch toller.

von Michael E. (Gast)


Lesenswert?

Sind die Displays die in diesem Thread genannt werden eigentlich 
geeignet um an einem NGW-100 angeschlossen zu werden?

Michael

von sven fr. (Gast)


Lesenswert?

denkt drann unter restposten verstecken sich viele verkäufer also nix 
wahrscheinlich mit verschieden displays auf einmal mich würde wenn schon 
dieses interesieren http://www.restposten.de/article-3447248.html
9,2" und brauchbares gehäuse...

sven

von Benedikt K. (benedikt)


Lesenswert?

Das was ich bisher von Joytech gesehen habe, war immer billigste 
Chinaware. Da wurde verbaut was gerade billig zu bekommen war. Man kann 
also nie wissen was man bekommt. Wenn man das Display sinnvoll ansteuern 
möchte, dann würde ich irgendwas suchen das die native PAL oder NTSC 
Auflösung kann. Ansonsten werden einfach Zeilen ausgelassen, und das 
sind dann dumm aus, wenn eine Linie auf einmal einen Knick hat, oder 
wenn bei Text plötzlich eine Pixelreihe fehlt. Die Auflösungen wären 
dann 234-240 Zeilen für NTSC und 240-288 Zeilen bei PAL.
Ich habe vor längerer Zeit mal einen TFT Monitor für die PS1 gekauft, 
das war ein orginal Sony für rund 50€ (ist schon einige Jahre her, 
damals war das wirklich günstig). Auch bezüglich der Bildqualität ist 
das gleich was ganz anderes als die Joytech Teile.

von Stefan P. (form)


Lesenswert?

Ich würde auch ein 5,6" Display nehmen!
Sammelbestellung wäre Top, da mir 10 Stück zuviel sind.

MfG
Stefan

von Dan M. (killler07)


Lesenswert?

Benedikt K. wrote:
>Das was ich bisher von Joytech gesehen habe, war immer billigste
>Chinaware.

Solange es hier auch so ankommt ist es ja ok ;).
Die zwei drei Euro sind dafür durchaus zu vetreten, finde ich.

Wenn es teuer und als gut verkauft wird, ist die Sache doch schon ganz 
anders.

von Andreas J. (antibyte)


Lesenswert?

In den 5,6 und 7 Zoll Joytech die es letztes Jahr günstig
bei Ebay gab,und jetzt bei restposten.de, waren hochwertige Sharp Panels 
verbaut, und die waren auch äusserst einfach anzusteuern.
Alle Spannungen inkl. Hintergrundbeleuchtung werden auf dem
Panel erzeugt. Nur noch 12V, RGB + CSync mit dem richtigen Timing dran
und gut.
Das 4" aus dem "Bigben Interactive" Bildschirm scheint wohl nur unter 
Verwendung der Chinesischen Ansteuerplatine nutzbar zu sein.

Wenn jemand eine Sammelbestellung organisiert, nehm ich auch welche.
Das 6" für 6 Euro wäre der Hammer, falls da so ein Sharp Panel drinne 
ist !

Hier der Thread vom letzen Jahr :

Beitrag "Schnäppchen bei Ebay : 5,6 TFT für 19 Euro"

Und so sah es dann im Plexiglasrahmen aus :-)

http://www.mikrocontroller.net/attachment/25361/lcd4.jpg

von Andreas J. (antibyte)


Lesenswert?

Benedikt,

wenn du ein höher aufgelöstes Signal einspeist, gibt es
natürlich Qualitätsverluste.
Wenn du aber das Bild, wie ich damals mit dem Propeller Chip,
genau auf das Display abgestimmt erzeugst, hast du eine hervorragende
Qualität.
Hängt einfach nur von der Anwendung ab ...
Aber egal, wie kommt man sonst für 10-20 Euro an TFT Farbdisplays
für Bastelzwecke ? :-)

von mygandede (Gast)


Lesenswert?

Bei 5,6 oder 6 Zoll wär ich auch mit dabei. :-)

Schon wer da mit Gewerbeschein?

von Stefan P. (form)


Lesenswert?

"Mit Ihrer Anmeldung bestellen Sie verbindlich ein Abonnement auf der 
Handelsplattform Restposten.de mit einer Laufzeit von einem Jahr 
(Kündigungsfrist: 4 Wochen vor Laufzeitende) zum Preis von 59,90 Euro 
zzgl. 19% MwSt."

Na großartig.
Hat jemand dort schon einen Account und würde mir ein oder zwei von den 
6" Displays bestellen? Gern auch mit einem angemessenen Aufpreis.

MfG
Stefan

von Benedikt K. (benedikt)


Lesenswert?

Andreas Jakob wrote:

> wenn du ein höher aufgelöstes Signal einspeist, gibt es
> natürlich Qualitätsverluste.
> Wenn du aber das Bild, wie ich damals mit dem Propeller Chip,
> genau auf das Display abgestimmt erzeugst, hast du eine hervorragende
> Qualität.

Ja, das ging bei dem 5,6" TFT, da dieses die native NTSC Auflösung 
hatte: Von den 480/2=240 NTSC Zeilen jedes Halbbildes wurden 234 
vollständig angezeigt. Dieses Display soll aber 160 Zeilen haben. 240 
Zeilen auf 160 Zeilen zu verteilen heißt jede 3. Zeile weglassen. Somit 
sieht das Bild bescheiden aus. Ebenso wenn man PAL auf diesem Display 
anzeigt.

> Aber egal, wie kommt man sonst für 10-20 Euro an TFT Farbdisplays
> für Bastelzwecke ? :-)

Ja, dafür war das 5,6" TFT ideal, das 220x160 TFT würde ich aber selbst 
für 3€/Stück nicht kaufen. Sowohl von der Auflösung her, als auch von 
der Ansteuerung.

von Andreas J. (antibyte)


Lesenswert?

Oh, 60 Euro um an die Adresse des Verkäufers zu kommen ist recht heftig 
:(
Da müsstens dann schon 30 Teile sein, das sich das noch lohnt.
Ich werd mal ein wenig Google quälen.

von Andreas J. (antibyte)


Lesenswert?

Okay, ich bin mir fast sicher das der Verkäufer www.deluxe-gmbh.de ist.
Dort habe ich auch letztes Jahr über Ebay die Displays gekauft.
Die Artikelnummern auf restposten.de stimmen teilweise mit denen von
denen überein und auch einige andere Spuren enden dort :-)

Der Laden hat einen Händlershop, der aber die selben Preise wie der
Endkundenshop anzeigt. Ich vermute mal nach der Anmeldung sieht man
die Händlerpreise.

http://www.shop.deluxe-gmbh.de/emax_shop/customer/home.php

Wenn sich jemand mit Gewerbeschein da mal anmelden könnte, selbigen
muss man als Nachweis hinfaxen oder mailen, wüssten wir mehr :-)

von Andreas J. (antibyte)


Lesenswert?

Es gibt immer ein Hintertürchen :)
Dieser Link verrät den Verkäufer bei restposten.de auch
ohne Bezahlung :-)

http://restposten.de/buddies2.php?bid=6502&sort=&min=2400

Es ist deluxe-gmbh.de
Etwa in der Mitte der Seite ist dann das 6 Euro 6" TFT :-)
Die anderen TFT's finden sich auf den restlichen 100 Seiten an 
Angeboten, die dieser Verkäufer hat, heftig.

Was ich auch noch interresant finde, sind die spottbilligen Nintendo
WI Controller. Da sind doch sicher sonst recht teure 
Beschleunigungssensoren
verbaut ?
Eine paar Artikel über dem Display gibt es einen Angel-Joystick für
4,50.

von Benedikt K. (benedikt)


Lesenswert?

Das hier ist auch interessant:
http://restposten.de/article-3991891.html
Das dürfte ein PAL -> VGA Scanratekonverter sein.

Und das ist der TFT den es mal bei Ebay gab:
http://restposten.de/article-3941219.html
Darin ist ein Sharp Panel verbaut, das alles Onboard hat. Es benötigt 
nur RGB + Sync von extern. Auf der eingebauten Platine sitzt noch ein 
PAL -> RGB Wandler der sich auch für was anderes verwenden lässt.
Ist zwar etwas teurer, dafür ist aber bekannt was drin ist.

von Hauke R. (lafkaschar) Benutzerseite


Lesenswert?

11€ Ist doch absolut vertretbar? Wär auch sofort mir 2-3 Stück dabei ;)

von Andreas J. (antibyte)


Lesenswert?

Jo, jetzt fehlt halt noch jemand mit Gewerbeschein
der mal den Händlerbereich auskundschaftet, und bereit
ist ne Sammelbestellung durchzuziehen.
Ich hätte kein Problem damit, ein paar Euro als Unkostenausgleich
draufzulegen.
Von den 6" würd ich mal zwei auf Risiko nehmen und noch zwei von den 
5,6"
Und wenn der 4" echt nur 3,75 kostet, vielleicht auch noch zwei davon.

von Daniel R. (drd)


Lesenswert?

Würde auch ein 6" nehmen.

von Jacob R. (jaykopf)


Lesenswert?

@ Andreas Jakob:
Der Angebliche Angel-Controller ist kein Controller, sondern nur eine 
Halterung für einen Wii Controller inklusive Nunchuk, ist also nur ein 
Stück Plastik!

von Stefan P. (form)


Lesenswert?

Also ich habe mich da nun im Händlerbereich registriert, allerdings sind 
die Preise ganz anders. Das 5,6" Display kostet beispielsweise EUR 
19,99.
Den Gewerbeschein wollten die komischerweise gar nicht sehen.

von Andreas J. (antibyte)


Lesenswert?

Ich vermute mal, registriert ist nicht gleich freigeschaltet :


NEUKUNDEN:

    * Bitte legen Sie sich ein Konto unter Anmeldung->Neu anmelden (oder 
hier Neu anmelden) an.
    * Bestellen Sie bitte den Artikel „NEUREGISTRIERUNG HÄNDLER“ aus der 
Artikelgruppe „sonstiges „, Ihre Daten werden dann an uns übermittelt.
    * Nach der Anmeldung Füllen Sie bitte das Registrierungs- Formular 
aus. Dieses finden Sie hier: 
http://www.playdeluxe.de/haendler-formular.pdf
    * Bitte faxen Sie das ausgefüllte Registrierungs- Formular zusammen 
mit Ihrem Gewerbenachweis an folgende Nummer: 06202-859360-801 oder 
senden Sie dieses per Mail an: handel@playdeluxe.de

Nachdem uns Ihre Daten vorliegen, werden wir Sie schnellstmöglich 
freischalten. Nach erfolgter Freischaltung informieren wir Sie kurz per 
Mail.

Mit freundlichen Grüßen
Deluxe GmbH

von Stefan P. (form)


Lesenswert?

Ich wurde gerade per Mail angeschrieben das ich meinen Gewerbeschein 
zurückmailen soll. Ist eben geschehen - Mal sehen was passiert :)

von Martin P. (billx)


Lesenswert?

sollten sie wirklich günstig zu haben sein hätte ich auch interesse an 
1...2 stück

von Stefan W. (wswbln)


Lesenswert?

abo

von Stefan P. (form)


Lesenswert?

So, ich habe nun den Händleraccount.
Leider sind die meisten Displays schon ausverkauft.

Es gibt noch folgende:

4" TFT Monitor+12V KFZ-Adapter f. PS2 Slim schwarz
EUR 3,75
http://www.shop.deluxe-gmbh.de/emax_shop/customer/product.php?productid=2814&cat=&page=1
Verfügbar: >1000 Stk.


5,6" TFT Monitor, passend für PS2 (UK-Stecker)
EUR 15,00
http://www.shop.deluxe-gmbh.de/emax_shop/customer/product.php?productid=2787&cat=&page=1
Verfügbar: 4 Stk. :(

Zum Preis kommt noch 19% MwSt und Porto dazu.

MfG
Stefan

von Daniel R. (drd)


Lesenswert?

Schade, das 6" Display hat mich interessiert.

von Bastian S. (schrad)


Lesenswert?

für 4,50 inkl. MWST sind die 4'' auch geschenkt.

da hätte ich durchaus interesse an einigen.
@Stefan P.: wenn du bestellst, würde ich mich gerne dranhängen.

Sammelbestellung???

von Omega G. (omega) Benutzerseite


Lesenswert?

Ich würde mich auch gerne dranhängen, wenn's geht.

von jl (Gast)


Lesenswert?

gibt es da neue Preise?

wenn ich den link aufrufe, da sehe ich 14,99 (incl. MwSt) anstatt 3,75 
(ohne).

für die 4,50 (incl MwSt) wäre ich auch interessiert.



JL

von Wegstaben V. (wegstabenverbuchsler)


Lesenswert?

ja, das ist halt der Unterschied zwischen Endkunden und Händlerpreis

von Wegstaben V. (wegstabenverbuchsler)


Lesenswert?

so, ich hab meinen Gewerbenachweis auch mal an die Deluxe-Leute gesendet 
- die werden sich bestimmt über dei vielen Anmeldungen wundern die 
derzeit reinkommen ;-)

von Andreas J. (antibyte)


Lesenswert?

Hmmm, > 1000 4" TFTs ...
4,50 € inkl. Märchensteuer wäre ein Hammerpreis,
wenn jemand einen supereinfachen Weg finden würde,
die 4" Panels ohne die Zusatzplatine in Betrieb zu nehmen.
Bei der geringen Auflösung sollte man mit einem kleinen AVR ein
farbiges textbasiertes Displaymodul hinkriegen.
Aber da Benedikt sich stur stellt und derzeit kein Datenblatt vorhanden
ist, wirds schon schwieriger :(
Ich würd zu dem Preis trotzdem ein paar nehmen.

von Benedikt K. (benedikt)


Lesenswert?

Andreas Jakob wrote:

> Aber da Benedikt sich stur stellt und derzeit kein Datenblatt vorhanden
> ist, wirds schon schwieriger :(

Ich stell mich nicht stur, aber das Display ist wirklich bescheuert 
anzusteuern.
Wie gesagt: Du hast doch so ein Display. Hast du ein Oszi? Falls ja, 
dann schau dir mal die Signale an, die ins TFT gehen.
Zumindest der TA8696 muss also mit auf die Adapterplatine.

Und falls du mal misst: Mess mal die Frequenzen der Sync Signale, die 
ins TFT gehen. Ich tippe auf 15625Hz und 50Hz. Dann würde das TFT intern 
die Auflösung reduzieren, man muss also mehr Ansteuern als man am Ende 
bekommt.

von Sven F. (sven0876)


Lesenswert?

naja ich kann benetikt schon versten das diplay wird nicht digital 
sondern analog via rgb h/v angesteuert also effektiv wie ein vga 
monitor. interesant wäre es evtl eine vga grafikkarte auf einen 
unterstützen mode zu bekommen. als mini statusdisplay mit einer alten 
vga karte im rechner wäre schon genial. ansteuerung könnt ihr auch mal 
vom ps1 slim tft anschauen läuft genauso wie das 4"

sven

von Andreas J. (antibyte)


Lesenswert?

Das Hauptproblem an dem 4" ist wohl, dass das Panel zwei 
Zusatzspannungen
und eine Steuerung selbiger benötigt.
Auf der Ansteuerplatine wird dies zwar alles generiert, ich hätte
aber lieber nur das Panel.
Die Spannungen zu erzeugen ist wohl weniger das Problem, eher das
Timing der Steuerleitungen.
Aber vielleicht kann ja Dominik was dazu sagen, da mir die Zusammenhänge
nicht ganz klar sind.
Analoges RGB wär ja nicht so das Problem, wenn man sich z.B. auf 3 Bit 
Farbtiefe beschränkt.
Für ein farbiges Frontpanel oder einen Wecker mit Farbdisplay reicht das
allemal ;)

von Benedikt K. (benedikt)


Lesenswert?

Von dem TFT scheint es verschiedene Versionen mit unterschiedlichen 
Auflösungen zu geben:
http://www.lcdsolar.com/Search/Main_Search.asp?partnumber=TFD40W11

PS: Auf der Hauptseite gibt es einen Datasheet Request Button. Diese 
Firma konnte mir schon einige Datenblätter besorgen.

von Andreas J. (antibyte)


Lesenswert?

Lol, ja, das letzte Stück Text auf meinem Display war überklebt mit
einem runden Aufkleber.
Vielleicht sollte ich den mal wegrubbeln :)
Dazu muss ich erstmal wieder die Beleuchtungseinheit abschrauben.
Das LCD selbst ist übrigens transparent, ohne hinterklebte Folie.
Hab hier vor Ort leider nur ein billiges 10 MHz Oszi und einen 
brauchbaren
Frequenzzähler. Werd nachher mal sehen, was sich sehen lässt :)

von Andreas J. (antibyte)


Angehängte Dateien:

Lesenswert?

So, Aufkleber ist runter, und jetzt ?

Könnte doch fast ein 4" QVGA sein, nach der Seite die Benedikt
gepostet hat :)

von Benedikt K. (benedikt)


Lesenswert?

Ja, das würde nämlich eher zum TV Format passen.
Wenn das so ist, dann hätte ich auch interesse an den Teilen...

Kannst du mal ein TV Bild oder irgendsowas auf dem TFT anzeigen? Dann 
sollte man schnell erkennen können, wie hoch die Auflösung ist, vor 
allem bei irgendwelchen Kanten, Senderlogos oder sowas.
Bei einer schrägen Linie sollte man gut sehen, ob irgendein Knick in der 
Linie drin ist. Wenn nicht, dann könnte es wirklich 320x240 sein.

Auch hier wird es als 320x240 beschrieben (allerdings nur das -B, zum 
-B1 finde ich nichts):
http://www.horizontechnology.com/display/Toshiba/TFD40W11B.htm

Demnach hätte es sogar eine höhere Auflösung als das 5,6" TFT und würde 
sogar PAL ordentlich darstellen.

von Andreas J. (antibyte)


Lesenswert?

Da ich schon ein paar pre-Wochenende Bier intus hab .. mal sehen.
Ich muss erstmal den Playstation Stecker abschneiden, und schauen
wie ich da ein Signal reinkrieg. Als ich dass vor ein paar Tagen
überflogen hab,hab ich mehr oder weniger die Wahrscheinlichkeiten 
abgeschätzt.
Die Buchse ist hinten mit Heißkleber zugeschmiert, da hilft nur messen.

von Benedikt K. (benedikt)


Lesenswert?

Wenn nur die paar ICs verbaut sein, die du im ersten Post geschrieben 
hast, dann braucht das ganze Display ein RGB Signal (also kein FBAS wie 
das andere).

von Andreas J. (antibyte)


Lesenswert?

Ich hatte es vorhin mal bestromt, und einen Finger
auf die angelöteten Kabel gelegt.
Dies hat ein Rauschen im Display erzeugt.
Was mich wundert, nehme ich den Finger runter, dann bleibt das Bild
statisch im Display stehen ????

von Benedikt K. (benedikt)


Lesenswert?

Seltsam, das sollte eigentlich nicht der Fall sein.

Ich habe mir gerade das TA8696F Datenblatt etwas genauer angesehen: Die 
restlichen ICs sind vermutlich auch notwendig, denn der TA8696F benötigt 
u.a.  ein Clamping Signal das vermutlich mittels dem 74121 Monoflop aus 
dem HSync Impuls erzeugt wird. Dieser stammt wiederum aus dem LA7218 der 
auch VSync erzeugt.

von Rene B. (yob) Benutzerseite


Lesenswert?

abo

von Andreas J. (antibyte)


Angehängte Dateien:

Lesenswert?

So, hab mal meine kleinen CMOS-Kameras ausgegraben.
Nicht ganz wissenschaftlich vorgehend, hab ich das Video-Signal
der Kamera mit dem (vermutlichen) SVideo(y) Eingang und einem 
RGB-Eingang verbunden.
Erstaunlicherweise produzierte dies ein Bild.
Verwaschen und (logischerweise) farbstichig, aber für diesen 
Freiluftverhau nicht schlecht :)
Ich denke inzwischen schon, dass dieses Display QVGA Auflösung hat :)
Sorry für das schlechte Bild, habs echt nicht besser hingekriegt ...

von Benedikt K. (benedikt)


Lesenswert?

Gut. Fassen wir also zusammen was wir bisher wissen:
- 4" TFT für 4,5€
- Auflösung 320x240 (vermutlich, eventuell auch 320x234)
- Platine ist notwendig
- Ansteuerung mit RGB + CSync Signal mit 50Hz / 15,625kHz (ist durch den 
Resonator mit 500kHz festgelegt)

Bestellt jetzt eigentlich jemand TFTs? Dann würde ich auch so um die 5 
Stk nehmen, wenn der Preis bleibt.

von Omega G. (omega) Benutzerseite


Lesenswert?

Joa, da das so ist würde ich zw. 6 und 10 Stück nehmen, wenn jmd. eine 
Sammelbestellung einleiten kann.

von Wegstaben V. (wegstabenverbuchsler)


Lesenswert?

mein Händlerzugang habe ich mittlerweile auch. Wer was bestellen möchte, 
kann sich bei mir melden

Großartig "sammel-bestellen" möchte ich jedoch nichts. Jemand der was 
haben möchte, kann sich bei mir melden, überweist mir den Betrag per 
Vorkasse (BAnkverbindung gibts per mail) und wenn das Geld eingetroffen 
ist, werde ich die Bestellung aufgeben. Lieferadresse ist dann die 
angegebene Adresse des Bestellers. Falls der Artikel mittlerweile weg 
ist, dann wird das Geld wieder zurück überwiesen.

Zum Warenpreis kommt noch Fracht für 5,95 dazu.

Versandkosten siehe hier:

----------------------------

Versandkosten Inland

Deutschland     5,95 Euro pro Paket bis 50kg inkl. MWSt (5,00 Euro 
netto)
    5,95 Euro je weitere angefangene 25kg Gewicht inkl. MWSt (5,00 Euro 
netto)
Deutschland Nachnahme     9,76 Euro pro Paket inkl. MWSt (8,20 Euro 
netto)

Versandkosten EU - Ausland

Österreich   14,28 Euro inkl. MWSt (12 Euro netto) je angefangene 25kg 
Gewicht
Belgium   14,28 Euro inkl. MWSt (12 Euro netto) je angefangene 25kg 
Gewicht
Schweiz   14,28 Euro inkl. MWSt (12 Euro netto) je angefangene 25kg 
Gewicht
Dänemark   14,28 Euro inkl. MWSt (12 Euro netto) je angefangene 25kg 
Gewicht
Frankreich   14,28 Euro inkl. MWSt (12 Euro netto) je angefangene 25kg 
Gewicht
Großbritannien   14,28 Euro inkl. MWSt (12 Euro netto) je angefangene 
25kg Gewicht
Italien   14,28 Euro inkl. MWSt (12 Euro netto) je angefangene 25kg 
Gewicht
Luxemburg   14,28 Euro inkl. MWSt (12 Euro netto) je angefangene 25kg 
Gewicht
Niederlande   14,28 Euro inkl. MWSt (12 Euro netto) je angefangene 25kg 
Gewicht


Polen

23,80 Euro inkl. MWSt (20 Euro netto) je angefangene 25kg Gewicht
Tschechien   23,80 Euro inkl. MWSt (20 Euro netto) je angefangene 25kg 
Gewicht
Estland   23,80 Euro inkl. MWSt (20 Euro netto) je angefangene 25kg 
Gewicht
Finnland   23,80 Euro inkl. MWSt (20 Euro netto) je angefangene 25kg 
Gewicht
Spanien   23,80 Euro inkl. MWSt (20 Euro netto) je angefangene 25kg 
Gewicht
Ungarn   23,80 Euro inkl. MWSt (20 Euro netto) je angefangene 25kg 
Gewicht
Irland   23,80 Euro inkl. MWSt (20 Euro netto) je angefangene 25kg 
Gewicht
Litauen   23,80 Euro inkl. MWSt (20 Euro netto) je angefangene 25kg 
Gewicht
Lettland   23,80 Euro inkl. MWSt (20 Euro netto) je angefangene 25kg 
Gewicht
Norwegen   23,80 Euro inkl. MWSt (20 Euro netto) je angefangene 25kg 
Gewicht
Schweden   23,80 Euro inkl. MWSt (20 Euro netto) je angefangene 25kg 
Gewicht
Slowakei   23,80 Euro inkl. MWSt (20 Euro netto) je angefangene 25kg 
Gewicht
Slowenien   23,80 Euro inkl. MWSt (20 Euro netto) je angefangene 25kg 
Gewicht


Bulgarien

53,55 Euro inkl. MWSt (45 Euro netto) je angefangene 25kg Gewicht
Zypern   53,55 Euro inkl. MWSt (45 Euro netto) je angefangene 25kg 
Gewicht
Griechenland   53,55 Euro inkl. MWSt (45 Euro netto) je angefangene 25kg 
Gewicht
Malta   53,55 Euro inkl. MWSt (45 Euro netto) je angefangene 25kg 
Gewicht
Portugal   53,55 Euro inkl. MWSt (45 Euro netto) je angefangene 25kg 
Gewicht
Rumänien   53,55 Euro inkl. MWSt (45 Euro netto) je angefangene 25kg 
Gewicht

von Andreas J. (antibyte)


Lesenswert?

Ich spekuliere mal,
dass man dieses Display an einem SCART Ausgang betreiben kann.
Aber die China Ansteuerungsplatine steht halt auf beiden Seiten ein paar
CM über das Panel hinaus.
Okay, bei dem Preis kann man drei oder vier Augen zudrücken, aber eine
eigene, minmalistsche, Ansteuerung wär schon cool.
Benedikt, gibt es eine Chance die in dem Teil verbauten ICs durch
Software zu ersetzen, oder ist das hoffnungslos ?
Wenn es einzig darum geht. jede Zeile die Spannung zu invertieren,
sollte das doch auch ohne Spezial-IC machbar sein ?
Die zusätzlich nötigen Spannungen könnte man doch dann, da ja sicher nur 
winzige Ströme nötig sind, mittels Spannungsverdopplern o.ä. erzeugen ?

von Andreas J. (antibyte)


Lesenswert?

Wegstaben Verbuchsler wrote:
> mein Händlerzugang habe ich mittlerweile auch. Wer was bestellen möchte,
> kann sich bei mir melden

Ich melde mich mal :)
Heisst dass, du nimmst keine Aufwandsentschädigung ?
Ich ahne, die meisten haben Angst als Kapitalist dazustehen,
Aber für eine Dienstleistung möchte ich auch gerne bezahlen.
Natürlich so wenig wie möglich :)
Ne, im Erst, ich weiss aus eigener Erfahrung, in was für einen Stress
sowas ausarten kann.
Daher finde ich schon, dass man zumindest ein paar Prozent des
eingesparten Betrages an den Vermittler abtreten sollte.

Nur als Inspiration, jeder muss das selber wissen.

von Guido (Gast)


Lesenswert?

>Okay, bei dem Preis kann man drei oder vier Augen zudrücken, aber eine
>eigene, minmalistsche, Ansteuerung wär schon cool.

Muß ja nicht unbedingt sein, eine PAL-konforme Ansteuerung ist auch
nicht zu problematisch, wie es z.B. Ulrich Radigs Schaltungen zeigen.

von Andreas J. (antibyte)


Lesenswert?

Guido wrote:
>>Okay, bei dem Preis kann man drei oder vier Augen zudrücken, aber eine
>>eigene, minmalistsche, Ansteuerung wär schon cool.
>
> Muß ja nicht unbedingt sein, eine PAL-konforme Ansteuerung ist auch
> nicht zu problematisch, wie es z.B. Ulrich Radigs Schaltungen zeigen.

Das Gehaüse sieht ja auch nicht so schlecht aus, und bringt ja auch
noch zwei "Lautsprecher", Kopfhöreranschluss etc. mit.
Mit etwas kreativer Bastelarbeit, kann man sich da sicher einen 5 Euro
Mini Monitor draus generieren.
Aber bei der laut Shop verfügbarer Menge von > 1000 Stück bei einem
Preis von 4,50 Euro, wäre es schon cool das Panel direkt in ein  Projekt
integrieren zu können, ohne die Chinesische "Adapterplatine" nutzen zu 
müssen.
Wie dem auch sei, das Ding ist Spotbillig, in großen Mengen Verfügbar, 
und
wir werden uns sicherlich noch eine Weile damt beschöftigen ;)

von Benedikt K. (benedikt)


Lesenswert?

Wegstaben Verbuchsler wrote:
> mein Händlerzugang habe ich mittlerweile auch. Wer was bestellen möchte,
> kann sich bei mir melden

Hier oder per PM?
Also ich hätte definitiv Interesse an 10 Stück.

Andreas Jakob wrote:
> Ich spekuliere mal,
> dass man dieses Display an einem SCART Ausgang betreiben kann.

Ja, das dürfte ziemlich sicher so sein.

> Benedikt, gibt es eine Chance die in dem Teil verbauten ICs durch
> Software zu ersetzen, oder ist das hoffnungslos ?

Müsste man schauen. Schau dir mal das TA8696 Datenblatt an. Die beiden 
Spannungen müssen vom DC Anteil sehr genau passen, ansonsten ist der 
Kontrast schlecht. Weiterhin ist die Farbenverteilung alles andere als 
linear (daher die Gamma Correction).
Weiterhin weiß ich nicht, ob der TA8696 das Timing der Invertierung 
erzeugt, oder ob das TFT das vorgibt. Letzteres ist etwas ungünstig für 
den uC.

von Daniel R. (drd)


Lesenswert?

Was sind denn die Abmessungen des Displays und der Ansteuerplatine? Also 
würde ein Display 4,50€ + 6€ Versand kosten?

von Paulo M. (paulo)


Lesenswert?

Hallo,
also ich würde auch gern 2 Stück mitbestellen.
Im vorraus danke.
Gruß Paulo M.

von Omega G. (omega) Benutzerseite


Lesenswert?

Meine Bestellung habe ich per PM dir mitgeteilt. (8 Stück)

von Andreas J. (antibyte)


Lesenswert?

Daniel R. wrote:
> Was sind denn die Abmessungen des Displays und der Ansteuerplatine? Also
> würde ein Display 4,50€ + 6€ Versand kosten?

Die Abmessungen sind (ca.) :

Display 10 x 12 cm
Aktive Dislayfläche 8 x 6 cm
Anteuerung : 18 x 10,5 cm

Paulo M. wrote:
> also ich würde auch gern 2 Stück mitbestellen.
> Im vorraus danke.
> Gruß Paulo M.

So wie ich das jetzt verstanden habe ist das keine typische
Sammelbestellung.
Es wird lediglich als Lieferaddresse die der Käüfer hier aus dem Forum 
angegeben,bei den Bestellungen.
Es wird also direkt vom Händler an die einzelnen Besteller geliefert,
was auch Sinn macht.
Wegstaben Verbuchsler ist nur unser Strohmann mit Gewerbeschein :)
Ich hoffe nur den Leuten von deluxe.de kommt das nicht seltsam vor,
und sie schrauben die Preise hoch, wie bei Amazon.de geschehen.

von Andreas J. (antibyte)


Lesenswert?

Benedikt K. wrote:
> Weiterhin weiß ich nicht, ob der TA8696 das Timing der Invertierung
> erzeugt, oder ob das TFT das vorgibt. Letzteres ist etwas ungünstig für
> den uC.

4 + 12 deuten auf letzteres hin.

[in] logic power (5V)
2[in] horiz sync input
3[in] vert sync input
4[out] signal voltage / phase inversion control out
5[in] ground Vss (0V)
6[in] R video
7[in] G video
8[in] B video
9[in] common voltage input
10[in] Vbb (13V)
11[in] Vgg (25V)
12[out] common voltage / phase inversion control output
13[in] Vss (0V)
14[in] NTSC/PAL selection
15 NC
16 NC

von Benedikt K. (benedikt)


Lesenswert?

Andreas Jakob wrote:
> Benedikt K. wrote:
>> Weiterhin weiß ich nicht, ob der TA8696 das Timing der Invertierung
>> erzeugt, oder ob das TFT das vorgibt. Letzteres ist etwas ungünstig für
>> den uC.
>
> 4 + 12 deuten auf letzteres hin.

Ja, die interne Beschaltung des TA8696 aber auf ersteres, daher ist es 
schwer eine Aussage zu treffen. Der TA8696 erzeugt normalerweise das 
Umschaltsignal aus VSync, es könnte aber auch sein, dass da das Signal 
vom TFT angeschlossen ist.

von Andreas J. (antibyte)


Lesenswert?

Oh oh, ich hab mir grade mal eine Lupe und ein Lineal genommen,
ich hab mich an den grünen Pixeln orientiert, da man die am besten 
sieht.
Ich zähle ziemlich genau 3 Pixel pro mm.
und die aktive Fläche ist 81 mm.
macht 243 Pixel horizontal :(
Also wohl doch eher kein QVGA ....
Auf die Idee hätte ich auch früher kommen können.
Mist.

von Wegstaben V. (wegstabenverbuchsler)


Lesenswert?

Andreas Jakob wrote:
> Wegstaben Verbuchsler wrote:
>> mein Händlerzugang habe ich mittlerweile auch. Wer was bestellen möchte,
>> kann sich bei mir melden
>
> Ich melde mich mal :)
> Heisst dass, du nimmst keine Aufwandsentschädigung ?
> Ich ahne, die meisten haben Angst als Kapitalist dazustehen,
> Aber für eine Dienstleistung möchte ich auch gerne bezahlen.
> Natürlich so wenig wie möglich :)
> Ne, im Erst, ich weiss aus eigener Erfahrung, in was für einen Stress
> sowas ausarten kann.
> Daher finde ich schon, dass man zumindest ein paar Prozent des
> eingesparten Betrages an den Vermittler abtreten sollte.
>
> Nur als Inspiration, jeder muss das selber wissen.


Ja, es stimmt, natürlich hab ich Aufwendungen (Mail sichten, 
Überweisungen sichten etc.

Ich denke, ein "demokratisches" Preisfindungssystem ist hier angesagt.
Ich gebe die Preise so durch wie sie als HEK benannt sind. Es wäre 
jedoch fair, wenn jemand "etwas mehr" überweist als den reinen 
HEK-Preis. Wieviel das sein möchte, überlasse ich jedem selbst.



Wegen der Bestellungen:

momentan habe ich "Rückmeldungen" von folgenden Forumsteilnehmern:

Benedikt   10 * 30000570  = 10*4,50 + 5,95 = 50,95
Schrad     10 * 30000570 = 10*4,50 + 5,95 = 50,95
Agentbsik  5 * 30000570 = 5*4,50 + 5,95 = 28,45
Omega      8 * 30000570 = 8*4,50 + 5,95 = 41,95
Antibyte (Andreas Jakob)  Interesse bekundet


von allen außer antibyte habe ich mail bekommen. Ich habe auch schon die 
Bankverbindung zurück gemailt.

Wer mir einen Screenshot/Scan einer Überweisung per mail zusendet, dem 
bestelle ich das Zeugs auch "voraus" aus Gutgläubigkeit (um den Vorgang 
zu beschleunigen und einer eventuellen Nicht-mehr-Verfügbarkeit zuvor zu 
kommen)



Übrigens (ansehenswerte Aktionsposten, alle zzgl. mwst):
30000423 2,50
30000429 6,50
30000404 2,50




PS: Ist Antibyte sowas wie antimaterie?

von Benedikt K. (benedikt)


Lesenswert?

Wegstaben Verbuchsler wrote:

> Übrigens (ansehenswerte Aktionsposten, alle zzgl. mwst):
> 30000423 2,50
> 30000429 6,50
> 30000404 2,50

Wie findet man diese Artikel? Wenn ich die Nummern in die Suche eingebe, 
findet er nichts.

von Wegstaben V. (wegstabenverbuchsler)


Lesenswert?

> Wie findet man diese Artikel?

http://www.shop.deluxe-gmbh.de/emax_shop/customer/home.php

> Wenn ich die Nummern in die Suche eingebe,

30000423

bei mir findet er was ...

von Benedikt K. (benedikt)


Lesenswert?

Jetzt gehts auch, keine Ahnung was ich da heute morgen eingetippt 
habe...
Da gibts einiges brauchbares, aber leider sind alle interessanten, 
billigen Sachen schon ausverkauft.

von Omega G. (omega) Benutzerseite


Lesenswert?

@Wegstaben Verbuchsler:
du hast Post, meine Adresse und mehr Geld!

Vielen Dank!

von Andreas J. (antibyte)


Lesenswert?

Hi Wegstaben Verbuchsler,

könntest du mal bei diesen Artikeln die Händlerpreise
rausuchen ?

10006368 Aoyue 852 SMD-Rework Heißluft Löt-Station

20000090 Premium USB auf RS232, Seriell, COM Kabel, PL2303

10005181 Seriell RS 232 Konverter 9-Pol

20000903 3,5 Zoll Multimedia Player/ HDD mit Remote schwarz

20000913 Sim Card Backup Mini Recorder mit Passwortabfrage 
(Endkundenpreis : 0.00 €, lol)

von Andreas J. (antibyte)


Lesenswert?

Wer da Displays bestellt, und ne Spielkonsole zuhause
hat, kann sich für einen einzigen Euro ein Rack für
seine Konsole mitbestellen :)

http://www.shop.deluxe-gmbh.de/emax_shop/customer/product.php?productid=1063&cat=&page=1

von Paulo M. (paulo)


Lesenswert?

@Wegstaben Verbuchsler

Hallo,
habe dir eine E-Mail geschickt mit meinen Daten und das Geld ist auch 
schon überwiesen.
Bedanke mich für deine Mühe.

Gruß Paulo M.

von Wegstaben V. (wegstabenverbuchsler)


Lesenswert?

Bestellanfragen bitte direkt per PM, und nicht mehr hier im Forum in 
diesen Thread reinposten. Ich berücksichtige "Bestellungen" nicht, 
welche hier in diesem Thread gestellt werden.

Preisanfragen werde ich hier auch nicht mehr als notwendig öffentlich 
posten. Grund: ich will hier keine Verkaufsshow starten, da wird Andreas 
als Forenbetreiber sicherlich sauer werden.

Aber sicherlich steht es jedem frei, öffentlich auf interessante Artikel 
hinzuweisen ...


Gruß unwissend

von Timo B. (Firma: MicroForge) (timob)


Lesenswert?

Moin,

ich bin über die UzeBox auf diesen interessanten Thread gestoßen. Bisher 
scheint noch niemand das Ding vernünftig ansteuern zu können, oder gibt 
es bis auf die Kamera schon Erfolgsberichte?

Gruß
Timo

von Stefan W. (wswbln)


Lesenswert?

Hallo Timo,

wenn Du mal auf das Datum der Mails rund um die Sammelbestellung 
schaust, kannst Du Dir denken, dass die meisten noch auf die Lieferung 
warten.

Danach wird's wohl wieder rund gehen hier.  ;-)

von Timo B. (Firma: MicroForge) (timob)


Lesenswert?

Das habe ich natürlich :)
Habe daher auch bereits beim Wortverwurschtler ne Anfrage laufen. Ich 
würde das Display nämlich auch gerne für die UzeBox verwenden, 
allerdings dann evtl nicht für Spiele. Mal sehen was die Winterzeit mit 
sich bringt. Beteilige mich jedenfalls gerne am ReverseEngineering - ab 
dem 30.9. :)

von Andreas J. (antibyte)


Lesenswert?

Das Panel direkt anzusteuern, hab ich erstmal
abgeschrieben.
Aber eine erste sinnvolle Anvendung habe ich definitiv :)
Wenn man RGB und SVideo zusammenknotet, hat man einen
Schwarz/Weiss Video-Eingang. (getestet)
Ich hab hier noch ein low-cost Video-Kameramodul, und das werde ich
vor den Türspion kleben, und ich denke damit habe ich ein 10 Euro
Video-Überwachungssystem :)

von Wegstaben V. (wegstabenverbuchsler)


Lesenswert?

kurzer Zwischenstatus:

für

omega, pauolo, schrad, sven0876

ist mittlerweile eine Auftragsbestätigung eingetroffen. Für meine eigene 
Bestellung (hatte ich Sonntag gemacht) habe ich auch schon heute eine 
Versandbenachrichtigung erhalten.

von Paulo M. (paulo)


Lesenswert?

Wegstaben Verbuchsler wrote:
> kurzer Zwischenstatus:
>
> für
>
> omega, pauolo, schrad, sven0876
>
> ist mittlerweile eine Auftragsbestätigung eingetroffen. Für meine eigene
> Bestellung (hatte ich Sonntag gemacht) habe ich auch schon heute eine
> Versandbenachrichtigung erhalten.

Danke für den Zwischenbericht.
Gruß Paulo

von Omega G. (omega) Benutzerseite


Lesenswert?

Danke für die Mühe vorallem!

Ich erwarte die TFTs schon sehnsüchtig mit vorgeheiztem Lötkolben etc. 
;-)

von Benedikt K. (benedikt)


Lesenswert?

Wenn jemand die TFTs bekommt, wäre es gut wenn jemand die Auflösung mal 
irgendwie nachmessen würde. Ich hoffe immer noch, dass das TFT doch 
320x240 und nicht nur 220x160 hat...

von Andreas J. (antibyte)


Lesenswert?

Ähhm Benedikt,

ich hab doch etwas weiter oben meine Messergebnisse
gepostet :(

von Benedikt K. (benedikt)


Lesenswert?

Ja, ich weiß. Ich hoffe aber immer noch, dass du falsch gemessen hast, 
und das TFT doch 320x240 hat, denn 243 ist nicht ganz 220 und die -B 
Version sollte ja eigentlich auch 320x240 haben.

von Hannes G. (mudskip)


Lesenswert?

Ich drück dann auch mal die Daumen. Bestellung is aufgegeben, Geld auf 
dem Weg.
Nur für den Fall, daß meine Mails nicht ankommen...

Kann man noch irgendwie die Auflösung testen? Mit nem Bild mit nem 
feinen Muster drauf oder so?

von Markus -. (mrmccrash)


Lesenswert?

theoretisch, wenn du ein Schachbrettmuster in den jeweiligen Auflösungen 
reinpumpst, solltest du sehen, ob Pixel verzerrt werden, oder nicht. Um 
das zu testen, sollte meiner bescheidenen Meinung nach eine Grafikkarte 
von Matrox (bester Analogausgang bisher) zum Einsatz kommen.

_.-=: MFG :=-._

von Benedikt K. (benedikt)


Lesenswert?

Es sollte schon eine kontrastreiche, diagonale Linie reichen. Dann sieht 
man deutlich wenn irgendwo eine Zeile übersprungen wird.
Ein Schachbrettmuster ist aber natürlich der beste Test, um gleichzeitig 
die Auflösung in beiden Richtungen zu messen.
Allerdings kann es da Probleme mit dem Interlaced Verfahren geben, denn 
so wie ich das bisher gesehen habe, werden beide Halbbilder bei diesen 
billigen TFTs einfach übereinander gelegt. Von daher sollte man 
vielleicht ein nicht standardgemäßes Videosignal mit 312 Zeilen und 
15625Hz Horizontalfrequenz erzeugen.
Sobald ich die TFTs habe, kann ich dies mit einem S1D13506 LCD 
Controller mal machen: Da kann ich Frequenzen und Auflösung nahezu 
beliebig einstellen.

von Andreas J. (antibyte)


Lesenswert?

Als ich das Display mit nur Video und Rot als Signaleingang + etwas Bier
getestet hab, sah das noch durchaus ganz gut aus.
Aber mit Video + RGB zusammengedrillt, war es doch schon ernüchternd.
Das Problem mit einer billigen CMOS-Kamera ist, dass diese schon ein 
verwaschenes Bild bringt, und dies so einiges kaschiert.
Ein richtig gutes Bild könnte man aus dem Display rausholen, wenn
man es direkt, und mit der nativen Auflösung, betreibt.
Als Kontroll/Überwachungsmonitor im Zusammenspiel mit einer Videokamera
ist das Teil sicher auch brauchbar.
Ich werd am Wochenende mal den AVR Basic-Computer aus der Codesammlung
testen, das sollte von der Auflösung her passen.
Ansonsten hatte ich noch die Idee, das Backlight abzuschrauben und
mittels Power-LEDs und Fresnel-Linse einen kleinen Projektor zu bauen.
Dass das Panel transparent ist, kommt dem sehr entgegen.

von Andreas J. (antibyte)


Angehängte Dateien:

Lesenswert?

Hier mal ein Bild von der CMOS-Cam, eingespeisst über
RBG+SVideo(y) zusammengedrillt.
Mit meiner Digicam sind Macro-Aufnahmen ein Alptraum, aus 10 Bildern
ist bestenfalls eins zu gebrauchen :(

von Andreas J. (antibyte)


Lesenswert?

Was mir gerade auffällt,
die Kamera schaut durch die Platine hindurch :)
Man sieht deutlich die Leiterbahnen auf der Lötseite
auf dem Bild :) (rechts hinter dem IC)

von Wegstaben V. (wegstabenverbuchsler)


Lesenswert?

kurzer Zwischenstatus (ich hocke wegen eurer Bestellungen immer noch um 
die Zeit an der Kiste, mein Frauchen wird langsam angenervt wegen der 
Nachtschichten ...)

Bestellung ist unterwegs, Geld ist mittlerweile bei mir eingetroffen
tse
ohagendorf
paulo
omega
schrad
sven0876
wswbln
benedikt
antibyte

Bestellung ist unterwegs, Geld sollte wohl noch eintreffen
timob
mudskip
gingerwolf

Hatten angefragt, aber bisher ist weder Geld noch eine Kopie eines 
Überweisungsbeleges eingegangen
agentbsik
merlin63


Gruß Martin

von Alexander S. (agentbsik)


Lesenswert?

Hallo,

Geld ging gestern abend raus, sollte also bald da sein.

Gruß Agentbsik

von Benedikt K. (benedikt)


Lesenswert?

@Andreas
Könntest du mal versuchen das Display mit dem Bild drauf mit einer 
höheren Auflösung senkrecht zu fotografieren (oder vielleicht auch 
einscannen falls das geht). Ich habe nämlich bei deinem Bild mal die 
Zeilen gezählt (man sieht ja schön so ein Streifenmuster) und ich komme 
da auf rund 110-120 Zählen. Ich habe schon mehrmals gezählt, aber der 
Wert bleibt immer gleich. Und 120 Zeilen wäre doch etwas wenig für 
220x160. Andererseits: Vielleicht habe ich ja auch nur jede 2. Zeile 
gezählt, dann wären es 220-240 Zeilen, was wiederum zu 320x240 passen 
würde.

Ich habe fast die Vermutung, dass die RGB individuell als Pixel zählen, 
und so auf die Auflösung kommen...

von Sven F. (sven0876)


Angehängte Dateien:

Lesenswert?

so die erste amazon bestellung ist gerade eingetroffen bei mir ist ein 
TFD40W11-B wobei B auch mit einem aufkleber abgeklebt worden ist.
sehr interesant finde ich aber das das display durchscheinend ist also 
auf nen  overheed projektor legen und schon gehts als mini display.

anbei ein photo aber das bild ist nicht dargestellt sondern die aussicht 
aus meinem wohnzimmer.

beim auszählen komme ich auf (320*RGB)*240 pixel

sven

von Timo B. (Firma: MicroForge) (timob)


Lesenswert?

Benedikt K. wrote:
> Auch hier wird es als 320x240 beschrieben (allerdings nur das -B, zum
> -B1 finde ich nichts):
> http://www.horizontechnology.com/display/Toshiba/TFD40W11B.htm

Zusammen mit Svens Aussage.... könnte es dann doch nen 320*240er sein? 
Das wäre schon gut :D

von Benedikt K. (benedikt)


Lesenswert?

Sven F. wrote:
> sehr interesant finde ich aber das das display durchscheinend ist

Das ist normal, denn irgendwie muss das Licht ja durch das Display 
durch. Nur reflektive Displays (was bei TFTs selten ist), haben eine 
Alufolie hinten drauf.

Timo Birnschein wrote:

> Zusammen mit Svens Aussage.... könnte es dann doch nen 320*240er sein?
> Das wäre schon gut :D

Ich hoffe es auch, aber glauben tue ich es erst, wenn ich so ein Display 
vor mir habe.

von Sven F. (sven0876)


Lesenswert?

ist auch schon klar nur haben die meisten tft´s meist direkt 
streuscheiben und co mit fest am display verbaut und sind nicht so 
einfach als "durchlichtdisplay" zu gebrauchen auch haben die meisten 
displays eine höhere durchlicht dämpfung. meiner meinung nach sind das 
im orginalen irgend wie alte beamer display´s receycled. aber eigentlich 
eh egal.
hab nochmal nachgezählt komme auf alle fälle auf 240 zeilen bin mal 
gespannt ob noch andere tft´s darin auftauchen.

sven

von Andreas J. (antibyte)


Lesenswert?

Da müssen wohl unterschiedliche Sub-Modelle verbaut worden sein.
Bei meinem bin ich mir siche, dass es zumindest horizontal keine
320 pixel sind.
Ich hab ja noch ein zweites, vielleicht sollte ich das mal zerlegen.

von Andreas J. (antibyte)


Angehängte Dateien:

Lesenswert?

Im Anhang das Foto in Originalgröße.


Benedikt K. wrote:
> @Andreas
> Könntest du mal versuchen das Display mit dem Bild drauf mit einer
> höheren Auflösung senkrecht zu fotografieren (oder vielleicht auch
> einscannen falls das geht). Ich habe nämlich bei deinem Bild mal die
> Zeilen gezählt (man sieht ja schön so ein Streifenmuster) und ich komme
> da auf rund 110-120 Zählen. Ich habe schon mehrmals gezählt, aber der
> Wert bleibt immer gleich. Und 120 Zeilen wäre doch etwas wenig für
> 220x160. Andererseits: Vielleicht habe ich ja auch nur jede 2. Zeile
> gezählt, dann wären es 220-240 Zeilen, was wiederum zu 320x240 passen
> würde.
>
> Ich habe fast die Vermutung, dass die RGB individuell als Pixel zählen,
> und so auf die Auflösung kommen...

von Benedikt K. (benedikt)


Lesenswert?

Du scheinst ein -B1 zu haben, Sven ein -B. Bei deinem Display habe ich 
auch nur rund 120 Zeilen gezählt.
Könntest du mal ein scharfes Bild, möglichst senkrecht, von einem 
Display machen, bei dem nur grün angeschlossen ist und gleichmäßig 
leuchtet?

Ich habe gerade bei deinem Bild mal nachgezählt: Ich kommt auf exakt 160 
Pixel pro Zeile. Das würde dann insgesamt eine Auflösung von 160x120 
ergeben.

von Timo B. (Firma: MicroForge) (timob)


Lesenswert?

Jo, ich zähle auf dem Bild auch nur 115... Das wäre hingegen murks.

von Thomas H. (merlin63)


Lesenswert?

hallo martin

sorry, aber konnte erst eben überweisen....ist jedenfals raus.
danke schon mal

gruß thomas

von Andreas J. (antibyte)


Lesenswert?

Bei Svens Display sieht man auf dem Foto bei genauem
hinsehen, dass die Auflösung definitiv höher ist als bei
meinigem.
Es wird also wohl ein Glücksspiel werden, welches man erhält :)
Vermutlich der Grund dafür, dass die Teile jetzt so billig zu haben
sind ....

von Andreas J. (antibyte)


Lesenswert?

... allerdings, für ein paar Euro mehr wird man die schlechten
TFTs auf Ebay garantiert los ;)
Gehäuse wegschmeissen und den Rest als "TFT Rückfahrmonitor zum 
Selbsteinbau" oder ähnliches anbieten :)
KFZ Netzteil ist ja schon mit dabei.

Bleibt nur die Frage nach dem Verhältniss gute/schlechte Diplays
bei den gelieferten Monitoren.

von Wegstaben V. (wegstabenverbuchsler)


Lesenswert?

meine Sachen sind heute eingetroffen (Bestellung war letzten Sonntag).

Ich hab übrigens auch ein "umgelabeltes" TFD40W11-B (es klebte ein 
schwarzer Punkt drauf)

von Benedikt K. (benedikt)


Lesenswert?

Andreas Jakob wrote:
> ... allerdings, für ein paar Euro mehr wird man die schlechten
> TFTs auf Ebay garantiert los ;)

Nicht unbedingt:
http://cgi.ebay.de/Toshiba-TFD40W11-B-LCD-Bildschirm-4_W0QQitemZ140264954100QQcmdZViewItem

von Timo B. (Firma: MicroForge) (timob)


Lesenswert?

Hauptsache, du verwechselst da nicht die Buchstaben ;)

von Andreas J. (antibyte)


Lesenswert?

Hmm, die Quote ist jetzt 2 gute zu einem schlechten Display ;)
Das macht Hoffnung.
Warum hab ich das schlechte ? :(

von Timo B. (Firma: MicroForge) (timob)


Lesenswert?

Hattest du nicht bei Amazon bestellt?

von Benedikt K. (benedikt)


Lesenswert?

Theoretische könnte man die schlechten Displays auch einfach wieder 
zurückschicken: Das Produkt entspricht nicht dem als was es verkauft 
wurde...

von Andreas J. (antibyte)


Lesenswert?

Benedikt K. wrote:
> Andreas Jakob wrote:
>> ... allerdings, für ein paar Euro mehr wird man die schlechten
>> TFTs auf Ebay garantiert los ;)
>
> Nicht unbedingt:
> 
http://cgi.ebay.de/Toshiba-TFD40W11-B-LCD-Bildschirm-4_W0QQitemZ140264954100QQcmdZViewItem

Das Panel alleine ist ja derzeit noch wertlos.
Mit Ansteuerung und Anleitung, wie es anzuschliessen ist,
sieht das schon anders aus.

von Andreas J. (antibyte)


Lesenswert?

Timo Birnschein wrote:
> Hattest du nicht bei Amazon bestellt?

Ja, aber ich vermute mal, dass der Händler dort auch
bei Deluxe einkauft.
Sven hat ja auch bei dem Händler bei Amazon bestellt,
und im Gegensatz zu mir ein hochauflösendes erhalten.

Benedikt K. wrote
> Theoretische könnte man die schlechten Displays auch einfach wieder
> zurückschicken: Das Produkt entspricht nicht dem als was es verkauft
> wurde...

Nicht wenn du es aufgeschraubt hattest :)
Aber wenn du eine Playstation hast, solltest du es damit testen können 
und
hättest guten Grund es auch zurückzugeben.

von Benedikt K. (benedikt)


Lesenswert?

Eine PS habe ich nicht, aber den passenden Stecker. Da kann man auch 
schonmal ein RGB Signal einspeisen.
Ich muss den Stecker nur finden....
Der stammt aus dem 5,6" TFT, der hatte ja einen Ein und Ausgang für das 
Videosignal.

von googleuser (Gast)


Lesenswert?

Gerade gefunden:
http://web.archive.org/web/20050215041848/www.eio.com/public/lcd.2003/0936.html

Vielleicht hilft euch das, mit etwas Glück hat er sogar das komplette 
Datenblatt, Emailadresse steht dabei.

von Hannes G. (mudskip)


Lesenswert?

Was hatn das Teil fürn Stecker?
Im Zweifelsfall Foto knipsen. :)
Oder kann mans wenigstens ohne Spuren zu hinterlassen zerlegen und 
nachher wieder zuschrauben?

von Andreas J. (antibyte)


Lesenswert?

Hannes Gruber wrote:
> Was hatn das Teil fürn Stecker?
> Im Zweifelsfall Foto knipsen. :)
> Oder kann mans wenigstens ohne Spuren zu hinterlassen zerlegen und
> nachher wieder zuschrauben?

Playstation Video Connector :

http://www.gamesx.com/avpinouts/psxav.htm

Bei meinem ist der Aufkleber mit der Typbezeichnung
nur erreichbar, wenn man das Panel zerlegt und eine
selbstklebende Alufolie abzieht.

von Hannes G. (mudskip)


Lesenswert?

Örks.
Wo kriegt man denn sonen Stecker her?
Kabel scheinen kein Problem zu sein, wenn die auch relativ teuer sind. 
Hmmm...
Aufschrauben is zumindest billiger als son Kabel zu kaufen. :-]

von Andreas J. (antibyte)


Lesenswert?

So, hab den zweiten Monitor mal zerlegt.
In diesem ist auch ein -B Panel drin.
Damit ist die Quote jetzt 3:1 :)
Aber ein oberflächlicher Vergleich der Pixeldichte
zeigt keinen wirklich gravierenden Unterschied.
Ich werd wohl meine Miniamera bemühen müssen,
um genaueres sagen zu können.
Ausserdem liegt eine dieser kleinen Schrauben
jetzt unter meiner "K" Taste :)
Also muss ich auch noch mein eyboard zerlegen :)

von Andreas J. (antibyte)


Angehängte Dateien:

Lesenswert?

Hier nun ein Bild vom -B Panel.
Ist nicht gerade gelungen, aber zum Pixel zählen sollte es reichen.

von Benedikt K. (benedikt)


Lesenswert?

Andreas Jakob wrote:
> Hier nun ein Bild vom -B Panel.
> Ist nicht gerade gelungen, aber zum Pixel zählen sollte es reichen.

Das sind exakt 240 Zeilen wenn ich mich nicht verzählt habe.

von Andreas J. (antibyte)


Lesenswert?

Also können wir einen neuen Zwischenbericht verfasssen :

- Der Monitor kostet 4,50 Euro inkl. MwSt
- Es sind unterschiedliche Displays verbaut worden,
  bisher bekannt sind : TFD40W11-B1 ( vermutlich 160x120 Pixel)
  und TFD40W11-B (vermutlich 320x240 Pixel)
- Vermutlich sind mehr 320x240 Panels als 160x120 Panels verbaut worden.
  (bei bisher 4 untersuchten waren 3 Stück 320x240. Nicht genug um
  wirklich Aussagekräftig zu sein.)
- Momentan sind keine Detals zu dem Panels bekannt, daher ist
  die Verwendung der integrierten Ansteuerelektonik notwendig.
- Man kann das Display definitiv ( unter Verwendung der
  Ansteuerelektronik )
  als Schwarz/Weiss Composite-Videodisplay verwenden,
  und recht wahrscheinlich auch als RGB-Monitor (SCART).

von Wegstaben V. (wegstabenverbuchsler)


Lesenswert?

wie kommen denn dei Bilder aus der Playstation raus? ist denn dessen 
Format nicht bekannt?

von Andreas J. (antibyte)


Lesenswert?

Wegstaben Verbuchsler wrote:
> wie kommen denn dei Bilder aus der Playstation raus? ist denn dessen
> Format nicht bekannt?

RGB + SVIDEO

Wenn du an der Platine die folgenden Drähte verbindest,
kannst du ein herkömmliches Video-Signal einspeissen :

Gelb, Rot, Orange, Grün, Masse ist Schwarz.
Natürlich ergibt das Schwarz/Weiss Bild.

Ansonsten einfach nachmessen, war bisher zu faul :)
http://www.gamesx.com/avpinouts/psxav.htm

von Timo B. (Firma: MicroForge) (timob)


Lesenswert?

Moin,

ich habe mir die Bilder nochmal angeschaut.....

angeblich 320*240
http://www.mikrocontroller.net/attachment/39833/HPIM0899.JPG

angeblich nur 160*120
http://www.mikrocontroller.net/attachment/39824/HPIM0892.JPG

Ich glaube da nicht mehr dran. Das Display selbst, der Rand, der Einbau, 
alles sieht absolut gleich aus. Und wenn man die Bilder unvergrößert 
betrachtet will einem einfach die höhere, bzw. niedrigere Auflösung 
nicht auffallen.
Ich habe am rechten Rand gezählt. Das Bild vom 320er ist schärfer, darum 
sind diese am Rand überstehenden Halbzeilen erkennbar. Ich zählte 
vertikal 220 Zeilen, wobei ich mich evtl um 10 verzählt habe (war das 
grad 70 oder 80... mist). Dann schaute ich nochmal auf das etwas 
verwaschenere, erste Bild und sah auch dort diese überstehenden 
Halbzeilen. Zählte nochmal und war bereits bei der Hälfte auf über 100 
Zeilen.

Schaut euch das Bild nochmal genau an. Insbesondere auch verkleinert. 
Nen unterschied in vorm der vierfachen Anzahl an Pixeln sollte schon mit 
bloßem Auge sehr deutlich auffallen. Ich seh da aber keinen Unterschied.

Zumindest nicht auf diesen Bildern ;)

von Benedikt K. (benedikt)


Lesenswert?

Timo Birnschein wrote:

> Schaut euch das Bild nochmal genau an. Insbesondere auch verkleinert.
> Nen unterschied in vorm der vierfachen Anzahl an Pixeln sollte schon mit
> bloßem Auge sehr deutlich auffallen. Ich seh da aber keinen Unterschied.

Ja, auf den ersten Blick sieht das -B1 sogar besser aus, als das -B, 
aber das Zählen sagt etwas anderes.
Von daher:
Andreas, könntest du das Foto vom -B1 nochmal machen, aber diesmal nur 
grün ansteuern? Dann ist der Abstand der Pixel größer, und man kann 
besser zählen.

Vielleicht ist auch nur die Anordnung der Pixel unterschiedlich? Beim 
-B1 ein Streifenmuster, beim -B jeweils versetzt.

von Peter (Gast)


Lesenswert?

Würde ein solches Kabel
http://www.afterbuy.de/afterbuy/shop/storefront/start.aspx?seite=/afterbuy/shop/storefront/produkt.aspx%3Fshopid%3D10753%26produktid%3D6755630
andersrum funktionieren? Also mit original Ansteuerplatine einfach an 
S-Video und Sound Ausgänge und tut?

von Peter (Gast)


Lesenswert?


von Omega G. (omega) Benutzerseite


Lesenswert?

Weiß einer von euch, ob man diese TFTs an den VGA ausgang von einem 
Computer anschließen kann? Entweder an die RGB Eingänge der Elektronik, 
oder direkt an das TFT Panel selbst.

Wenn man an das TFT Panel geht, könnte man vllt. die RGB Leitungen des 
VGAs an die Ansteuerelektronik, und die Sync Leitungen direkt ans Panel. 
(Leiterbahnen entsprechend kappen)

Man kann auch versuchen, die Horizontalfrequenz auf 15 KHz und die 
Vertikalfrequenz entsprechend einzustellen. Für Windows gabs mal ein 
Programm mit dem das ganz einfach ging, ich glaube es hieß Powerstrip.
Bei Linux könnte man versuchen in der Konfigurationsdatei von X11 oder 
Xorg rumzuspielen.

Bestehen da Aussichten auf Erfolg, oder gibts sogar schon Versuche?

P.S.: Meine Displays sollten heute Mittag bei mir ankommen, dann kann 
ich da experimentieren. (An dieser Stelle danke ich nochmal dem 
freundlichen Wegstaben Verbuchsler)

@Peter: deine Links funktionieren nicht, bzw. bringen nicht das 
gewünschte Ergebnis.

von Peter (Gast)


Angehängte Dateien:

Lesenswert?

Auf http://www.trade4less.de/ gehen und Artikel 41290 oder 12490 suchen.
Das sind PS2 Stecker auf Scart (bzw S-Video).
Die Frage ist nur, ob die auch in die andere Richtung funktionieren.
Bild als Anhang.

von UniStudent (Gast)


Lesenswert?

Ist das nicht die falsche Richtung? Ich hätte jetzt damit gerechnet dass 
am Display auch ein PS-STECKER ist, und somit eine Buchse auf Chinch, 
Scart, whatever benötigt wird? Weil an der Playstation befindet sich ja 
eine Buchse, wo das Display dann reinpassen sollte...

Grüße

von Benedikt K. (benedikt)


Lesenswert?

Peter wrote:
> Auf http://www.trade4less.de/ gehen und Artikel 41290 oder 12490 suchen.
> Das sind PS2 Stecker auf Scart (bzw S-Video).
> Die Frage ist nur, ob die auch in die andere Richtung funktionieren.

Nein, denn es gibt Stecker und Buchsen. Du brauchst also die passenden 
Buchsen aus einer PS2.

Omega G. wrote:
> Weiß einer von euch, ob man diese TFTs an den VGA ausgang von einem
> Computer anschließen kann? Entweder an die RGB Eingänge der Elektronik,
> oder direkt an das TFT Panel selbst.

Wenn du exakt 15625Hz Horizontalfrequenz hinbekommst, dann ja. Die 
interne PLL auf der Platine vom Display ist ein 500kHz Keramikresonator. 
Dessen Frequenz durch 32 geteilt muss der Horizontalfrequenz 
entsprechen. Die 15,625kHz müssen also ziemlich genau sein. H und VSync 
kann man über EXOR Gatter zu CSync verarbeiten.
Ich hatte sowas auch schonmal versucht, aber nur bei den wenigsten 
Grafikkarten funktioniert das wirklich.

von Omega G. (omega) Benutzerseite


Lesenswert?

So, meine Displays sind angekommen, in einem großen Karton. Ein erster 
Test hat gezeigt, dass min. eins einen grünen Pixelfehler hat! Über die 
Auflösung kann ich noch nicht viel sagen aber scheinbar wird manchmal 
jede zweite Zeile angestuert und manchmal jede. Das ist mir aufgefallen, 
als ich meinen Sat Receiver über FBAS angeschlossen hatte, beim 
Umschalten war ein kurzes Rauschen (ja es ist noch ein Analog Receiver), 
da hatte ich den Eindruck es ist hochauflösender als im normalen 
Betrieb.

Weitere Forschungen folgen.

von Benedikt K. (benedikt)


Lesenswert?

Omega G. wrote:
> So, meine Displays sind angekommen, in einem großen Karton. Ein erster
> Test hat gezeigt, dass min. eins einen grünen Pixelfehler hat!

Sowas ist dumm, denn ein Pixelfehler nervt immer, vor allem ein grüner. 
Aber leider erlauben die Hersteller ja eine gewisse Anzahl an Fehlern...

> Über die
> Auflösung kann ich noch nicht viel sagen aber scheinbar wird manchmal
> jede zweite Zeile angestuert und manchmal jede.

Wenn da jetzt noch ein -B1 Display drinsteckt, dann würde es alles 
erklären...
Hier sieht es nämlich auch so aus, was wäre jede 2. Zeile dunkel 
(weshalb ich beide als 1 Zeile gezählt habe):
http://www.mikrocontroller.net/attachment/39824/HPIM0892.JPG

von smiler (Gast)


Lesenswert?

Hi,

das ist ja ein spannendes Thema. Ich wäre auch an denen interessiert - 
insbesondere für ein paar s/w-Kameras (CCD mit 400 TVL) als 
Kontroll-Monitore. Farbe ist also egal und ich könnte sie direkt 
verwenden.

Das Bild von der Platinenoberseite sieht ja ganz passabel aus und ich 
bräuchte aufgrund der geringen Kameraauflösung auch nichts tolles, bloss 
erkennbar sollte es schon noch sein;-)
Kann jemand mit einer angeschlossene Kamera beim nächsten Testaufbau 
nochmal ein normales Motiv zeigen?

von Paulo M. (paulo)


Lesenswert?

Wegstaben Verbuchsler wrote:
> kurzer Zwischenstatus (ich hocke wegen eurer Bestellungen immer noch um
> die Zeit an der Kiste, mein Frauchen wird langsam angenervt wegen der
> Nachtschichten ...)
>
> Bestellung ist unterwegs, Geld ist mittlerweile bei mir eingetroffen

> paulo
>
> Gruß Martin

Hallo Martin,
Geräte sind heute angekommen.
Ich bedanke mich sehr für den Aufwand den du hattest, leider habe ich 
momentan sehr wenig Zeit und wenig Kenntnisse damit was anzufangen, hebe 
ich mir für den Winter auf.
Meine Idee wäre das Display samt einem kleinen Digitalreceiver in ein 
Gehäuse zu verbasteln, den ich muss öfters für Freunde Satantennen 
montieren, somit muss ich nicht immer so viel mitschleppen, damit ich 
die Antennen ausrichten kann.
Nochmal ein großes Dankeschön und ein schönes Wochenende.

Gruß Paulo M.

von Andreas J. (antibyte)


Lesenswert?

Benedikt K. wrote:
>
> Wenn da jetzt noch ein -B1 Display drinsteckt, dann würde es alles
> erklären...
> Hier sieht es nämlich auch so aus, was wäre jede 2. Zeile dunkel
> (weshalb ich beide als 1 Zeile gezählt habe):
> http://www.mikrocontroller.net/attachment/39824/HPIM0892.JPG

Allerdings, das würde es erklären.
Wie gesagt, die Pixeldichte, wenn man über das ausgeschaltete
Display schräg drüberschaut, sieht fast identisch aus.

von Torsten S. (tse)


Lesenswert?

So, meine sind heute auch angekommen und ich habe gleich mal eins 
ausprobiert.

Angeschlossen hab ichs einfach R/G/B/Y parallel, so wie weiter oben 
beschrieben. Eigentlich müßte dadurch der Kontrast in den Keller gehen. 
Tut er aber nicht. Also fehlen 75Ohm Abschlußwiderstände.

Blickwinkelabhängig ist es von oben nach unten ganz schön, 
erstaunlicherweise aber sehr stabil zwischen links und rechts.

Die erste Zeile bleibt bei mir eigenartigerweise immer weiß, auch wenn 
der Helligkeitsregler ganz zurück gedreht wird. Eine CMOS-Kamera tuts 
bei mir zum testen.

Der Farbregler ändert nicht den Farbkontrast wie ich vermutet hätte 
sondern den Weißwert zwischen rötlich und bläulich.

Nicht gerade zimperlich ist das Display beim Stromverbrauch. Ein gerade 
vorhandener 12V/1,2Ah Bleigel-Akku war nach kurzer Zeit leer.

Sehr gerne hätte ich das Display mal in Farbe gesehen, habe aber gerade 
keine RGB-Video-Quelle zur Hand.

Kennt jemand evtl. eine einfache Schaltung um einen Pal-Dekoder dran zu 
pappen? Der müßte natürlich nicht nur die Farbdifferenz-Signale B-Y / 
R-Y sondern pures RGB liefern. Oder kann es das Display mit/ohne dieser 
Zusatzschaltung für die Gamma-Korrektur von sich aus?

Als Kontrollmonitor um eine Sat-Antenne auszurichten könnte knapp 
werden.

Das Display ist ein bischen klein dafür. Ich mache so etwas möglichst 
bei schönstem Sonnenschein wenn es sein muß. Ob dann die Helligkeit vom 
Display noch reicht - zweifel.

Trotzdem, ein echtes Schnäpchen, fast geschenkt.

Nochmal ganz großes Danke an Wegstaben Verbuchsler!

Torsten

von Andreas J. (antibyte)


Lesenswert?

Ich hab hier so einen C64-DTV, also einen C64 Homecomputer, samt
Spielesammlung, in einen Joystick eingebaut.

http://de.wikipedia.org/wiki/C64_DTV

Diesen hatte ich schon an das -B1 Display angeschlossen, und
das Resultat war furchtbar.Nicht mal der Text war zu entziffern.
Am -B Display sieht das schon ganz anders aus, Text ist lesbar und
abgesehen von dem miesen Bild, den der C64-DTV auch am Fernseher
liefert, ganz akzeptabel.

von Andreas J. (antibyte)


Lesenswert?

smiler wrote:

> bräuchte aufgrund der geringen Kameraauflösung auch nichts tolles, bloss
> erkennbar sollte es schon noch sein;-)

-B1 Panel im Monitor-> Bild ist schon recht grobkörnig, gerade noch 
brauchbar
-B Panel im Monitor-> Perfekt als Überwachungs/Kontrollmonitor geignet.

von Andreas J. (antibyte)


Lesenswert?

... aber wir reden hier über einen 4 euro fünfzig Monitor,
dafür kriegst du heute nichtmal mehr zwei belegte Brötchen beim Bäcker 
...
Von daher ist "Versuch macht klug" doch recht bezahlbar :)

von Torsten S. (tse)


Lesenswert?

Andreas Jakob wrote:

...
> -B Panel im Monitor-> Perfekt als Überwachungs/Kontrollmonitor geignet.

Das ließ mir keine Ruhe, nun habe ich mich überwunden und es frei 
gelegt: es ist ein -B

Perfekt ist was anderes. "Schon mal in die Röhre geschaut?" ;)

> ... aber wir reden hier über einen 4 euro fünfzig Monitor,
> dafür kriegst du heute nichtmal mehr zwei belegte Brötchen beim Bäcker

Absolut richtig.

von Andreas J. (antibyte)


Lesenswert?

Torsten S. wrote:

> Das ließ mir keine Ruhe, nun habe ich mich überwunden und es frei
> gelegt: es ist ein -B
>
> Perfekt ist was anderes. "Schon mal in die Röhre geschaut?" ;)

Also bei meinem -B Panel, ist die Darstellung des Video-Signals
wirklich überzeugend.
Mit angeschlossener low-cost Kamera, kann man durchaus Details
aus einiger Entferung erkennen.
Das Bild ist stabil und ruhig.
Sicherlich, auf einem großen TV sieht das besser aus,
aber für die Knete ist das mehr als gut.

von Omega G. (omega) Benutzerseite


Lesenswert?

Schade, mein erster Testkandidat ist ein B1 Display.

von Benedikt K. (benedikt)


Lesenswert?

Omega G. wrote:
> Schade, mein erster Testkandidat ist ein B1 Display.

Das heißt also, ich hatte recht mit meiner Vermutung? Dass -B1 hat 
demnach also irgendwelche Probleme und stellt nur jede 2. Zeile da. 
Zumindest würde ich das so interpretieren, den bisherigen Ergebnissen 
nach.

Die Quote müsste jetzt bei 5:2 für -B zu -B1 liegen, wenn ich richtig 
gezählt habe.

von Omega G. (omega) Benutzerseite


Angehängte Dateien:

Lesenswert?

Ein Bild, dass gegen die Bildformate verstößt.

Wer Pixel zählen will, hier ein Scan ohne Video Signal.

von Benedikt K. (benedikt)


Lesenswert?

Ich zähle wieder zwischen 110 und 120 Zeilen...

von Omega G. (omega) Benutzerseite


Lesenswert?

Besitzt einer beide Displays und kann mal versuchen die Elektroniken 
auszutauschen?
Ich habe scheinbar 8 Mal das Gleiche.

Was bewirkt der LA7218? Wenn man da mim Finger drankommt ändert sich 
auch was an der Auflösung und Synchronisation oder so.

Nachtrag: Der ist für die Synchronisierung zuständig.. vlt.. kann man da 
was ändern, dass jede Zeile angestuert wird!

von Benedikt K. (benedikt)


Lesenswert?

Omega G. wrote:
> Besitzt einer beide Displays und kann mal versuchen die Elektroniken
> auszutauschen?
> Ich habe scheinbar 8 Mal das Gleiche.

8x das -B1?

Schlecht, damit liegt die Quote leider bei 5:10 für -B zu -B1...

>
> Was bewirkt der LA7218? Wenn man da mim Finger drankommt ändert sich
> auch was an der Auflösung und Synchronisation oder so.

Das ist im Prinzip ein LM1881 mit PLL.
Der macht Composite Video zu HSync, VSync und Composite Sync. Durch den 
500kHz Resonator an der PLL muss die Horizontalfrequenz ziemlich genau 
sein.

von Andreas J. (antibyte)


Lesenswert?

Ich muss echt zugeben, langsam bin ich total verwirrt :)

Trotzdem bleibe ich aber mal bei meiner Aussage, das Panel -B, warum 
auch immer, ein definitiv besseres Bild liefert als Panel -B1.
Ein (zugegeben diletantischer) Versuch, den Monitor an einen alten 
DVD-Player
via RGB anzuschliessen, schlug fehl.
Ergab nur ein geisterhaftes Bild.
Ich werde es morgen erneut versuchen.

von Andreas J. (antibyte)


Lesenswert?

Omega G. wrote:
> Besitzt einer beide Displays und kann mal versuchen die Elektroniken
> auszutauschen?

Ich habe beide Varianten, und die Ansteuerung ist identisch ....

von Timo B. (Firma: MicroForge) (timob)


Angehängte Dateien:

Lesenswert?

Moin,

ich habe meine Displays grade bekommen und bisher ist der erste Versuch 
nen -B1. Die Pixel scheinen RBG zeilenweise angeordnet zu sein. Die 
Pixel in Zeilen sind daher schmaler, als die Pixel in Spalten.

Zeilendarstellung:
1
R B G R B G R B G R B G
2
 G R B G R B G R B G R B G
(Oder eben anders herum RGB, wenn man das Display umdreht.)
Es ist also jedes Pixel für eine Farbe zuständig. Pysikalisch hat das 
Display möglicherweise dennoch 240 Pixel in der Höhe. Allerdings sieht 
man auf dem Bild im Anhang recht deutlich, dass die Farben immer 
paarweise untereinander liegen. Sieht fasst aus, als wären zwei Zeilen 
zu einer zusammen gefasst worden. Ich habe noch mehr Detailbilder, aber 
die zeigen halt auch nur die Pixelanordnung aus anderen Perspektiven.

Gruß
Timo

von Timo B. (Firma: MicroForge) (timob)


Angehängte Dateien:

Lesenswert?

Hier noch eins...

von Omega G. (omega) Benutzerseite


Lesenswert?

Ich vermute, die beiden Display Typen haben die gleiche Auflösung, aber 
mit einer Unterschiedlichen Anordnung, beim B1 sind die Zeilen versetzt 
und beim B nicht. Durch die Versetzung zählt man beim B1 nur jede zweite 
Zeile.

von Andreas J. (antibyte)


Lesenswert?

Meine Lieferung traf heute auch ein.
Nochmals vielen Dank an Wegstaben Verbuchsler für
den Service !

Ich hab mir für 6.50 Euro + MWSt das DECT USB Funktelefon
mitbestellt. Absoluter Hammerpreis.
Scheint sogar unter Linux nutzbar zu sein.
Oder als zweites Mobilteil zu einem bestehnden DECT Telefon.

http://www.deluxe24.com/Wireless-VoIP-Telefon-Topcom-Butler-4012_p2804_x2.htm

von Andreas J. (antibyte)


Lesenswert?

Oh, ich sehe gerade, die haben den Endkundenpreis
für das TFT auf 5 Euro gesenkt !!

http://www.deluxe24.com/4-Zoll-TFT-Monitor12V-KFZ-Adapter-f-PS2-Slim_p2873_x2.htm

Heisst das jetzt, der Händlerpreis ist nur noch 2 Euro ??? lol
Bei 2 Euro , würde ich glatt nochmal 10 bestellen :)

von Benedikt K. (benedikt)


Lesenswert?

Über welche Pins von dem PS Stecker wird das TFT eigentlich angesteuert?
Über RGB + CSync oder über RGB + S-Video Y ?

von Andreas J. (antibyte)


Lesenswert?

Dies als Referenz nehmend,

http://www.gamesx.com/avpinouts/psxav.htm

sagt mein Multimeter folgendes :

Pin    Farbe    Funktion

1      braun    Ground
2      violett  Audio rechts
3      weiss    Ground
4      grau     Audio links
5      grün     S-Video Y
6      ----
7      ----
8      blau     Video Ground
9      rot      Blau
10     ---
11     gelb     Rot
12     orange   Grün

entgegen meinem älteren Post,
sollte man also den blauen Draht als Masse für das
Video-Signal nehmen.
Ich hoffe, es wurden immer die selben Farben verwendet.
Bei meinen zwei ist dies zumindest so.

von Rolf (Gast)


Lesenswert?

> Ich hab mir für 6.50 Euro + MWSt das DECT USB Funktelefon
> mitbestellt

Mich würde das Innenleben interessieren, was da alles so verbaut ist. Du 
hast nicht zufällig Lust, das mal aufzuschrauben und Fotos zu machen? 
;-)

von Andreas J. (antibyte)


Angehängte Dateien:

Lesenswert?

Rolf wrote:
>> Ich hab mir für 6.50 Euro + MWSt das DECT USB Funktelefon
>> mitbestellt
>
> Mich würde das Innenleben interessieren, was da alles so verbaut ist. Du
> hast nicht zufällig Lust, das mal aufzuschrauben und Fotos zu machen?
> ;-)

Kein Problem :)
Hab die Basis mal aufgeschraubt. Sieht recht hochwertig aus.
3 Platinen, eine mit 8 IC's und USB-Buchse, eine mit der 
Stromversorgungsbuchse und der unbestückten Option für den
Festnetzanschluss, der wohl bei dieser Variante wegrationalisiert wurde,
und eine Platine die vermutlich das DECT-Modul darstellt.
Das DECT-Modul scheint über 7 Leitungen mit der Steuereinheit
verbunden zu sein.
Auf der Unterseite der DECT-Platine ist ein Philips-IC und
vermutlich ein Flash-IC, sowie der gekapselte HF-Teil.
Das Mobilteil möchte ich ungern öffnen.
Hat aber coole Klingeltöne, die wie gesampelt klingen.
Für 8 Euro kann man da nicht meckern :)

von Rolf (Gast)


Lesenswert?

Danke fürs Öffnen.
Ist der Alcor-Chip ein AU9254?

Das Mobilteil würde mich auch interessieren. Wieviel stellig ist denn 
das LCD?

von Andreas J. (antibyte)


Lesenswert?

Argh, schon wieder zugeschraubt :)
Aber wenn du in das angezeigte Bild klickst,
kriegst du eine hochauflösende Version, und
soweit ich das sehe ist es der erwähnte Chip.
Das Display ist hübsch blau beleuchtet und
hat zwei Zeilen a 10 Zeichen alphanumerisch.
Leider werden viele Texte als Abkürzung angezeigt,
aber naja, damit kann ich leben.

von Rolf (Gast)


Lesenswert?

Das Display ist hübsch blau beleuchtet und
hat zwei Zeilen a 10 Zeichen alphanumerisch

Ist das Punktmatrix oder so eine Art 16-Segment-Anzeige?
Ich überlege, ob man das Mobilteil umfunktionieren könnte, Tastatur + 
Mobilteil + Akku klingen irgendwie verlockend...
Ist halt die Frage, ob man da geschickt an die Kontakte innen drin 
rankommt.

von Andreas J. (antibyte)


Lesenswert?

Rolf wrote:
> Das Display ist hübsch blau beleuchtet und
> hat zwei Zeilen a 10 Zeichen alphanumerisch
>
> Ist das Punktmatrix oder so eine Art 16-Segment-Anzeige?
> Ich überlege, ob man das Mobilteil umfunktionieren könnte, Tastatur +
> Mobilteil + Akku klingen irgendwie verlockend...
> Ist halt die Frage, ob man da geschickt an die Kontakte innen drin
> rankommt.

Ist Punktmatrix.
Akkus sind Standard "AAA" Akkus.
Das Mobilteil zerlege ich lieber nicht, da
es in Snap-Montage ohne Schrauben zusammengefügt
ist. Da riskiert man immer abgebrochene Kunstoffteile.

von Wegstaben V. (wegstabenverbuchsler)


Lesenswert?

wg. Preissenkung: Nein, die HEK haben sich nicht geändert. Ist doch aber 
auch so ein Schnäppchen, oder?

von Benedikt K. (benedikt)


Lesenswert?

Ja, eindeutig. Als Überwachungskameramonitor ist das Teil perfekt.
Die Ansteuerung per µC in Farbe ist auch möglich, der Trick mit der SPI 
Schnittstelle wird zwar nicht funktionieren, aber das das TFT sowiso 
maximal 6MHz Pixeltakt anzeigen kann, sollte auch Bitbanging ausreichen.

von Andreas J. (antibyte)


Lesenswert?

Benedikt K. wrote:
> Ja, eindeutig. Als Überwachungskameramonitor ist das Teil perfekt.

Und woher kommt diese Erkenntnis jetzt ?

von Benedikt K. (benedikt)


Lesenswert?

Andreas Jakob wrote:
> Benedikt K. wrote:
>> Ja, eindeutig. Als Überwachungskameramonitor ist das Teil perfekt.
>
> Und woher kommt diese Erkenntnis jetzt ?

Es ist klein, es ist billig, und es reicht um zu erkennen, ob jemand vor 
der Haustür steht. Und es dürfte vom Stromverbrauch auch besser sein, 
als ein CRT Monitor.
Momentan verwende ich ein normales 320x240 SW LCD (dieses NAN YA Display 
von Pollin) für die Kamera...

von Timo B. (Firma: MicroForge) (timob)


Angehängte Dateien:

Lesenswert?

Moin,

ich habe mir mal nen Stecker gebaut und damit das Display angeschlossen.
Resultat: Man benötigt um ein echtes Component-RGB Signal an zu 
schließen wahrscheinlich diesen hübschen Chip:
http://www.gamesx.com/misctech/lm1881.htm

Weil nämlich das Display mit nur drei angeschlossenen Leitungen nur 
Schrott produziert. Allerdings konnte ich durch das oben schon mehrfach 
verwendete Anschlussprinzip (RGBY parallel) mit einem Compisite-Video 
Ausgang das Bild im Anhang erzeugen.

Man sieht, dass das Display (ein B1) jede Zeile bedient. Das Problem mit 
der Bildqualität liegt einfach an der ultra-schlechten Ansteuerung. Zum 
einen schiebe ich da PAL rein, dann habe ich alle Leitungen RGBY auf 
einem Pin, außerdem habe ich etliche Krikodilklemmen und Audiokabel 
verwendet. Und das, obwohl das Display RGB, Synch und NTSC haben will.

Naja, weitere Versuche folgen, wenn ich meine Grafikkarte dazu bekommen 
habe NTSC aus zu spucken. Wobei ich glaube, dass das Hauptproblem 
immernoch die beiden Synchleitungen betrifft.

Gruß etc.

von Timo B. (Firma: MicroForge) (timob)


Angehängte Dateien:

Lesenswert?

Hier noch der Stecker als Anregung für den heimischen Bastler...

EDIT: Anhang verändert

von Andreas J. (antibyte)


Lesenswert?

Benedikt K. wrote:

> Die Ansteuerung per µC in Farbe ist auch möglich, der Trick mit der SPI
> Schnittstelle wird zwar nicht funktionieren, aber das das TFT sowiso
> maximal 6MHz Pixeltakt anzeigen kann, sollte auch Bitbanging ausreichen.

Hast du inzwischen auch ein solches Display, unbekannte Informationen, 
oder wie kommen diese extrem positiven Informationen zustande ????

von Benedikt K. (benedikt)


Lesenswert?

Timo Birnschein wrote:

> ich habe mir mal nen Stecker gebaut und damit das Display angeschlossen.
> Resultat: Man benötigt um ein echtes Component-RGB Signal an zu
> schließen wahrscheinlich diesen hübschen Chip:
> http://www.gamesx.com/misctech/lm1881.htm

Denke ich nicht, denn der LA7218 dürfte genau das selbe machen.

> Und das, obwohl das Display RGB, Synch und NTSC haben will.

Will das Display wirklich NTSC? Das würde vielleicht auch den 
Unterschied zwischen -B und -B1 erklären, denn das -B1 scheint nur 234 
Zeilen zu haben, das -B dagegen 240.


Andreas Jakob wrote:
> Hast du inzwischen auch ein solches Display, unbekannte Informationen,
> oder wie kommen diese extrem positiven Informationen zustande ????

Nein, aber wenn sich das Display per RGB Ansteuern lässt, dann 
funktioniert sowas hier:
Beitrag "einfache Grafikkarte mit 256x252 und 256 Farben für AVR"

Und da das -B1 ja auch mehr als 120 Zeilen zu haben scheint, bin ich 
zufrieden.

von Timo B. (Firma: MicroForge) (timob)


Angehängte Dateien:

Lesenswert?

Benedikt K. wrote:
> Will das Display wirklich NTSC? Das würde vielleicht auch den
> Unterschied zwischen -B und -B1 erklären, denn das -B1 scheint nur 234
> Zeilen zu haben, das -B dagegen 240.

Hm, hast Recht! Warum eigentlich NTSC. Mir kommen nur die Bildfehler und 
Störungen sehr bekannt vor. Darumt einer vernünftigen Bildquelle ein 
Bild erzeugen, dass einen auch überzeugt?

Ich kann RGB sowie Composite Video in NTSC und PAL. Aber wenn ich RGB 
ohne die Synch-Leitungen anschließe, sehe ich nur das im Anhang...

von Andreas J. (antibyte)


Lesenswert?

Timo Birnschein wrote:

> Ich kann RGB sowie Composite Video in NTSC und PAL. Aber wenn ich RGB
> ohne die Synch-Leitungen anschließe, sehe ich nur das im Anhang...

Ähm, wie soll das Display sich synchronisieren können, ohne ein 
Sync-Signal zu erhalten ? Dieser Fall scheint nicht vorgesehen :)

von Timo B. (Firma: MicroForge) (timob)


Lesenswert?

Ja, völlig klar! Allerdings schaffen das "normale" TV-Geräte auch. Ich 
habe testweise auch mal den Y-Synch-Draht an die verschiedenen Farben 
gehalten, in der Hoffnung, dass irgendwo ein Synch mit rüber fliegt.
Und genau darum meinte ich, dass man das Synch-Signal mit dem LM1881 
raus ziehen muss, um es dem Display zu verabreichen. Übersehe ich 
irgendwas?

von Benedikt K. (benedikt)


Lesenswert?

Timo Birnschein wrote:
> Ja, völlig klar! Allerdings schaffen das "normale" TV-Geräte auch.

Nein. Schließ mal nur RGB an einen TV an, dann wird das Bild auch 
durchlaufen (außer es gibt sowas wie Sync on Green, wobei TVs das aber 
afaik sowiso nicht unterstützen.)

> Übersehe ich irgendwas?

Ja: Schließ mal Composite Sync an den Y S-Video Eingang an, dann sollte 
RGB auf dem Display funktionieren.

von Andreas J. (antibyte)


Lesenswert?

Timo Birnschein wrote:
> Ja, völlig klar! Allerdings schaffen das "normale" TV-Geräte auch. Ich
> habe testweise auch mal den Y-Synch-Draht an die verschiedenen Farben
> gehalten, in der Hoffnung, dass irgendwo ein Synch mit rüber fliegt.
> Und genau darum meinte ich, dass man das Synch-Signal mit dem LM1881
> raus ziehen muss, um es dem Display zu verabreichen. Übersehe ich
> irgendwas?

Wie Benedikt bereits schrieb, ist der LA7218 auf der Ansteuerplatine
dafür zuständig.
Der LM1881 macht im wesentlichen nichts anderes als der LA7218.

von Andreas J. (antibyte)


Lesenswert?

Die Synchronisation muss immer da sein,
Im Composite Sync Signal, werden halt alle Informationen
zusammengefasst, was dazu führt das nur zwei Drähte nötig sind.
Aber das mischen der Informationen und das spätere separieren,
führt zu einer schlechteren Bildqualität.
Das von Benedikt erwähnte Sync on Green, überlagert das 
Synchronisationssignal mit dem Grünanteil.
Aber diese Vorgehensweise dürfte heute kaum noch von Bedeutung sein.

von Benedikt K. (benedikt)


Lesenswert?

Andreas Jakob wrote:

> Das von Benedikt erwähnte Sync on Green, überlagert das
> Synchronisationssignal mit dem Grünanteil.
> Aber diese Vorgehensweise dürfte heute kaum noch von Bedeutung sein.

Bei der PS2 wird es sogar verwendet, denn diese besitzt keinen 
Anschlusspin für H und VSync, dennoch kann diese ein VGA Signal 
erzeugen. Der einzige standardisierte Weg geht über Sync on Green. Jeder 
bessere PC Monitor (egal ob CRT oder TFT) sollte das auch können.

Das Einfügen von Sync Infos in ein RGB Signal beeinflusst die 
Bildqualität übrigends nicht, nur das Reduzieren der 3 Farben auf 1 oder 
2 Übertragungskanäle mit gleicher Bandbreite reduziert die Qualität.

von Andreas J. (antibyte)


Lesenswert?

Benedikt K. wrote:
> Andreas Jakob wrote:
>
>> Das von Benedikt erwähnte Sync on Green, überlagert das
>> Synchronisationssignal mit dem Grünanteil.
>> Aber diese Vorgehensweise dürfte heute kaum noch von Bedeutung sein.
>
> Bei der PS2 wird es sogar verwendet, denn diese besitzt keinen
> Anschlusspin für H und VSync, dennoch kann diese ein VGA Signal
> erzeugen. Der einzige standardisierte Weg geht über Sync on Green. Jeder
> bessere PC Monitor (egal ob CRT oder TFT) sollte das auch können.

Wieder was gelernt, ich dachte das wäre Geschichte :)

von Andreas J. (antibyte)


Lesenswert?

Benedikt,
könntest du bitte noch diese zuvor gestellte Frage beantworten ??



Benedikt K. wrote:

> Die Ansteuerung per µC in Farbe ist auch möglich, der Trick mit der SPI
> Schnittstelle wird zwar nicht funktionieren, aber das das TFT sowiso
> maximal 6MHz Pixeltakt anzeigen kann, sollte auch Bitbanging ausreichen.

Hast du inzwischen auch ein solches Display, unbekannte Informationen,
oder wie kommen diese extrem positiven Informationen zustande ????

von Andreas J. (antibyte)


Lesenswert?

Lol, okay, irgendwie überlesen :)

von Benedikt K. (benedikt)


Lesenswert?

Ich warte auch schon ganz gespannt auf die Displays, das passende Kabel 
für den 13506 LCD Controller ist schon vorbereitet. Dann kann ich mal 
testen, wie sich das Display mit NTSC, PAL und anderen nicht 
Standardfrequenzen verhält, und ob die Frequenz einen Einfluss auf die 
Zeilen hat.

von Andreas J. (antibyte)


Lesenswert?

Ich werd mal mein Propeller-Board anwerfen.
Damit kann ich supereasy mit den Frequenzen rumspielen
und es perfekt anpassen.
Unverändert anstrebenswert wäre aber immer noch,
die direkte Ansteuerung des Panels.
Bei dem Preis und der weiterhin abgezeigten Menge von
> 1000 .......

von Timo B. (Firma: MicroForge) (timob)


Lesenswert?

Vielen Dank für die Info!

Ich habe übrigens das entscheidende Übersehen: 
http://de.wikipedia.org/wiki/Component_Video

Ich ging fälschlicherweise davon aus, dass YPbPr = RGB ist. Was 
natürlich nicht stimmt.

von Benedikt K. (benedikt)


Lesenswert?

Ich würde mal nicht allzuviele von diesen Displays auf Vorrat kaufen, 
denn so was ich in letzter Zeit mitbekommen habe, geht die Tendenz bei 
320x240 stark in Richtung im TFT integrierte LCD Controller, so wie es 
bei vielen Handy LCDs schon der Fall ist. Auch z.B. der iPod Video hat 
ein TFT mit integriertem Controller. Und irgendwann werden auch diese 
Displays zu niedrigen Preisen verfügbar sein, dank Massenproduktion. Die 
lassen sich dann viel besser per µC ansteuern. Nur haben all diese 
Displays ein Folienkabel mit 0,5mm Raster oder gar noch feiner (0,3mm 
sind auch schon Standard).

von Andreas J. (antibyte)


Lesenswert?

> Man sieht, dass das Display (ein B1) jede Zeile bedient. Das Problem mit
> der Bildqualität liegt einfach an der ultra-schlechten Ansteuerung. Zum

Mit dem -B1 hatte ich exakt diese miese Darstellungsqualität.
Mit dem -B war es dann um Längen besser.
Ich hatte erst spekuliert, das möglicherweise eine schlechte
justierung dafür verantwortlich ist, aber ich sehe das in deinem
Foto repliziert.
Da aber die Panels vermutlich die selbe Auflösung haben, muss es
an der Ansteuerung liegen.

von Benedikt K. (benedikt)


Lesenswert?

Die Ansteuerung ist ja eigentlich im Display integriert, das Display 
bekommt nur H und VSync, den Rest macht es selbst. Die Ansteuerplatine 
verbiegt nur die RGB Spannungen, erzeugt die Spannungen für das TFT und 
splittet CSync in H und VSync auf.

Es müsste also am Timing liegen. Erwartet das -B1 Display also 
vielleicht doch NTSC?

von Andreas J. (antibyte)


Lesenswert?

Benedikt K. wrote:
> Ich würde mal nicht allzuviele von diesen Displays auf Vorrat kaufen,

Ich hab jetzt 4 Stück, damit bin ich erstmal bedient.
Wenn die wirklich mehr als 1000 auf Lager haben,
gibts die auch noch eine ganze Weile.
Also kein Grund zu hamstern :)

von Andreas J. (antibyte)


Lesenswert?

Benedikt K. wrote:

> Es müsste also am Timing liegen. Erwartet das Display also vielleicht
> doch NTSC?

Ich vermute etwas in der art.
Moglicherweise hat das Display am der PS2 sogar die passende
Auflösung.

von Benedikt K. (benedikt)


Lesenswert?

Wie ist denn der PAL/NTSC Auswahlpin beschaltet?

von Andreas J. (antibyte)


Lesenswert?

Bei - B1 und -B identisch auf Masse.
Genaugenommen gibt es da eine Lötbrücke, direkt
an den Pins des Steckverbinders, zwischen Pin 13 und 14.
Sparmassnahme :)

von Timo B. (Firma: MicroForge) (timob)


Angehängte Dateien:

Lesenswert?

So, ich habe ne RGB Quelle, über SCART, und besorge mir nen Synch aus 
Pin 20 des SCART Kabels. Das ist

[pre]
7   RGB Signal Ein-/Ausgang (Blau), bei YUV V (Pb); 0,7 V; 75 Ohm
11   RGB Signal Ein-/Ausgang (Grün), bei YUV Y; 0,7 V; 75 Ohm
15   RGB Signal Ein-/Ausgang (Rot), bei YUV U (Pr) bzw. S-Video 
Chrominanz Ein-/Ausgang; 0,7 V (Chrom.: 0,3 V burst); 75 Ohm
19   FBAS Video (Sync) Ausgang/Baseband verschlüsselt zum Decoder bzw. 
S-Video Luminanz Ausgang; 1 V, 75 Ohm
20   FBAS Video (Sync) Eingang/FBAS Video entschlüsselt vom Decoder bzw. 
S-Video Luminanz Eingang; 1 V, 75 Ohm
[\pre]
(Quelle Wikipedia)

Ich sehe nun Farbe, allerdings syncht er nicht richtig. Das Bild 
zerfetzt dauernt. Ich habe aber schon Köpfe im Film erkennen können. Ich 
vermute, dass ich wohl hier und da noch nen Puffer-Kondensator anlöten 
muss. Insbesondere an der Synch-Leitung.

Sollte ich mal testen, ob statt Y evtl C-Synch besser funktioniert?

von Timo B. (Firma: MicroForge) (timob)


Angehängte Dateien:

Lesenswert?

KORREKTUR!

Es leeeeebt! oder so Oo.

Das Y-Synch war ausgerechnet falsch angeschlossen! Bild siehe Anhang. 
Qualität finde ich eigentlich janz jut!

von Sven F. (sven0876)


Lesenswert?

ich würde mal pin 19 vom scart verwenden du willst doch sync nicht zum 
dvd player liefern! eine idea hätte ich auch ncoh schwäche mal die 
signale mal ab und schau das du eine dvd ohne macrovision hast nicht das 
daher dein problem kommt.

sven

von Timo B. (Firma: MicroForge) (timob)


Angehängte Dateien:

Lesenswert?

An Pin 19 war ich vorher dran. SCART geht bei der Beschreibung von der 
Empänger Seite aus, ich hänge aber nun am Sender. Die 19 und 20 sind 
entsprechend getauscht. 19 funzte also nicht.

Ich finde die Bildqualität und vor allem die Darstellungsgeschwindigkeit 
und Schlierenfreiheit echt nicht übel. Vor allem wenn man bedenkt, dass 
wir je nach Anzahl der Bestellungen nur knapp 6 Euro pro Einheit bezahlt 
haben :D

Vielen Dank nochmal an Wegstaben Verbuchsler!

von Wigbert P. (wigbert) Benutzerseite


Angehängte Dateien:

Lesenswert?

@Timo Birnschein
vielleicht noch mal für alle Dummis die gesamte Belegung?
Hab mal Scart angehängt
RGB war klar + Pin20

Wigbert

von Benedikt K. (benedikt)


Lesenswert?

@Timo Birnschein


Ist das ein -B oder ein -B1 ?
Ich zähle rund 230 Zeilen.

von Timo B. (Firma: MicroForge) (timob)


Angehängte Dateien:

Lesenswert?

Genau, gute Idee. http://de.wikipedia.org/wiki/Scart

Mein Display läuft nun komplett mit Bild und Ton. Der Ton ist sogar 
garnicht mal so schlecht. Ich teste nun mal, was das Display unter NTSC 
Ausgabe vermeldet. Wobei die RGB Beschreibung sagt, dass RGB an sich 
PAL/NTSC unabhängig ist.

GRuß
Timo

von Benedikt K. (benedikt)


Lesenswert?

Timo Birnschein wrote:
> Wobei die RGB Beschreibung sagt, dass RGB an sich
> PAL/NTSC unabhängig ist.

Ja, nur das Timing ist leicht unterschiedlich, was sich vor allem in der 
Zeilenzahl bemerkbar macht 625 bzw. 525 Zeilen, wovon 576 bzw. 480 
sichtbar sind.

von Wigbert P. (wigbert) Benutzerseite


Lesenswert?

@ Timo

funktioniert Dein Stecker?
kannst Du mal den Pinabstand messen 1,27? und nach aussen hin.
Vielleicht könnte ich schon was routen bis mein 4" Dinger kommen.

Wigbert

von Timo B. (Firma: MicroForge) (timob)


Lesenswert?

Jo, der Stecker klappt prima. Wie auf dem Foto. Die gesamtbreite beträgt 
15mm, aber miss das nochmal an der Buchse mit nem Lineal nach. Wenn ich 
mir bei sowas net sicher bin und grade route, dann drucke ich das immer 
mal aus und halte es an den Stecker oder das IC. Könnte auch hier sehr 
aufschlussreich sein. Ich bin bisher geschätzt von 1,25 ausgegangen. 
Aber das muss nicht stimmen.

Ich habe übrigens nur ein anderes Display (optische untersuchung der 
Pixel) bei mir und das ist deutlich dunkler und hat einen schlechteren 
Kontrast. Ich werde das aber nochmal genauer untersuchen, wenn ich Zeit 
habe.

von Benedikt K. (benedikt)


Angehängte Dateien:

Lesenswert?

Ich messe etwa 13mm über alle 12 Kontakte, macht also 1,18mm Pinraster.
Auf dem Scan nachgemessen komme ich auf etwa 13,4mm, das ergibt 1,22mm. 
Ich würde also mal so um die 1,2mm verwenden.
Hier noch ein Scan mit 1200dpi, falls es jemand nachmessen möchte.

von Wigbert P. (wigbert) Benutzerseite


Lesenswert?

Dank Euch,
ich wollte ja nur schon vorbereiten. Also routen und später nur die
Maße korrigieren.
Platine mach ich wenn die Sachen da sind.
Wenn jetzt noch jemand die Steckerbelegung hätte...
wäre bei Benedikt rechts 1 ? Nehme ich mal an.

Wigbert

von Benedikt K. (benedikt)


Lesenswert?

Wigbert Picht-dl1atw wrote:

> Wenn jetzt noch jemand die Steckerbelegung hätte...
> wäre bei Benedikt rechts 1 ? Nehme ich mal an.

Ich glaube wir sollten langsam mal einen Artikel zu den TFTs anlegen, 
langsam wird der Thread nämlich unübersichtlich. Obwohl ich weiß, das 
hier im Thread die Belegung steht, muss ich trotzdem immer alles 
durchsuchen, um den link zu finden:
http://www.gamesx.com/avpinouts/psxav.htm

Interessanterweise scheint das TFT aber Y anstelle des Sync Pins für das 
Sync Signal zu verwenden.

von Wigbert P. (wigbert) Benutzerseite


Lesenswert?

@Benedikt
Sorry, hab den Link sogar auf mein Rechner.
Wer lesen kann...

Wigbert

von Andreas J. (antibyte)


Lesenswert?

Hmm sieht doch schonmal ganz gut aus.
Für die UZEBox wäre das ja perfekt, da man
den RGB nach PAL IC weglassen kann, und
das ganze so noch einfacher wird.
Ein ATMEGA und ne handvoll Wiederstände und Kondensatoren.
Hätten die Chinesen die Ansteuerplatine kleiner
gemacht, wär es noch viel besser :)
Aber man kann ja die UZEBox in das Gehäuse mit
einbauen. Das ergibt eine 20 Euro TFT-Gameconsole :)

von Timo B. (Firma: MicroForge) (timob)


Lesenswert?

Benedikt K. wrote:
> Ist das ein -B oder ein -B1 ?
> Ich zähle rund 230 Zeilen.

Im optischen Vergleich habe ich hier ein B1. Denn das -B1 ist bisher das 
einzige, was ich zerlegt habe, und die Anordnung der Pixel ist bei dem 
was ihr an Bildern seht identisch. Daher gehe ich von einem B1 aus.

Die Darstellungsqualität finde ich sehr gut. Also würde ich sagen: egal 
ob B1 oder nur B


EDIT: Wer wird der erste erfolgreiche VGA-Betreiber sein?

von Benedikt K. (benedikt)


Lesenswert?

Timo Birnschein wrote:

> Im optischen Vergleich habe ich hier ein B1. Denn das -B1 ist bisher das
> einzige, was ich zerlegt habe, und die Anordnung der Pixel ist bei dem
> was ihr an Bildern seht identisch. Daher gehe ich von einem B1 aus.

OK, das ist gut. Ich hoffe ich bekomme beide Displays, so dass ich die 
selbst direkt vergleichen kann.

> Die Darstellungsqualität finde ich sehr gut. Also würde ich sagen: egal
> ob B1 oder nur B

Ich hatte bei dem -B Display 240 Zeilen gezählt, bei dem -B1 nur etwa 
234. Von daher wäre das -B Display besser. Sobald meine Displays da 
sind, gibts definitive Ergebnisse.

> EDIT: Wer wird der erste erfolgreiche VGA-Betreiber sein?

Keiner, weil das Display kein VGA kann, sondern nur QVGA (bzw. ein paar 
Zeilen weniger).

von Timo B. (Firma: MicroForge) (timob)


Angehängte Dateien:

Lesenswert?

Formuliere ich die Frage anders:

Wer wird der erste sein, der das Display an einem VGA-Port einer 
PC-Grafikkarte betreibt ;)

Nach dem, was ich bisher gelesen habe, sollte das eigentlich gehen. RGB 
ist vorhanden. Einzig die Sync-Leitungen müsste man sich mal genauer 
anschauen. Außerdem muss man den Treiber auf eine merkwürdige Auflösung 
und zusätzlich diese 15,625kHz Horizontalfrequenz erzwingen.

Oder habe ich (mal wieder) etwas übersehen?

von Benedikt K. (benedikt)


Lesenswert?

Timo Birnschein wrote:
> Formuliere ich die Frage anders:
>
> Wer wird der erste sein, der das Display an einem VGA-Port einer
> PC-Grafikkarte betreibt ;)
>
> Nach dem, was ich bisher gelesen habe, sollte das eigentlich gehen. RGB
> ist vorhanden. Einzig die Sync-Leitungen müsste man sich mal genauer
> anschauen.

Ja, soweit passt das alles. Eventuell kann man H und Vsync anstelle des 
LA7218 direkt einspeisen. Oder man baut mittels eines XOR Gatters CSync 
aus HSync und VSync.

> Außerdem muss man den Treiber auf eine merkwürdige Auflösung
> und zusätzlich diese 15,625kHz Horizontalfrequenz erzwingen.

Das dürfte das Problem sein. Es soll zwar mit vielen Grafikkarten gehen, 
aber nur mit den allerwenigsten Treibern kann man das direkt einstellen. 
Es gibt einige spezielle Programme mit denen man die Auflösung verbiegen 
kann, aber das funktioniert auch nicht immer.
Weiterhin muss man progressiv Scan einstellen oder alternativ die 
Auflösung auf 320x240 reduzieren. Beides ist zumindest unter Windows 
nicht ohne weiteres möglich, denn afaik unterstützt Windows nur 
Auflösungen von 640x480 aufwärts.
Weiterhin ist das meiner Meinung nach sinnlos, außer vielleicht als 
Statusdisplay für einen Linuxserver oder sowas in der Art.
Früher (unter DOS) habe ich auch einen TV an den VGA Anschluss 
angeschlossen, und mittels eines Programms das Timing entsprechend 
eingestellt, aber heutzutage hat doch sowiso jede Grafikkarte einen TV 
Ausgang.

PS: Sind die RGB Pixel wirklich so auffällig zu erkennen, oder ist das 
nur auf dem Foto so? Bei den anderen TFTs die ich habe, ist weiß 
wirklich weiß zu, und nicht RGB nebeneinander.

von Timo B. (Firma: MicroForge) (timob)


Lesenswert?

Mir sind Spiele früher unter Windows so abgeraucht, dass Windows 
plötzlich der Spiele-Auflösung von 320*240 lief. Das sollte theoretisch 
also gehen, wenigstens unter Win98 (uuuhhaaaaaa....)

Mit Powerstrip kann man das mit ner TNT, oder einer TNT2 machen. Ich bin 
mir nicht sicher, ob ich das mit meiner GeForce 8800 versuchen würde, 
aber mit nem alten Testrechner wäre das schon interessant. Außerdem 
könnte man versuchen da einfach 640*480 rein zu pumpen um zu schauen, 
was genau das Display damit anstellt. Evtl. staucht es das selbst?

TV-Ausgänge in Form von Composite-Video haben die meisten, ja. Aber RGB 
+ Sync. hat wahrscheinlich praktisch niemand am PC.

Zugegeben. Was will man mit dem Display eigentlich genau? Ich wünsche 
mir eigentlich weniger ne Spieleconsole in Form der UzeBox. Die UzeBox 
bau ich auf jeden Fall, aber evtl nicht für Spiele. Zumindest nicht mit 
diesem Display. Wenn schon, dann auf nem TV. Aber um irgendwelche Daten 
an zu zeigen, oder irgendwelche kleinen Gerätchen mit Display zu bauen, 
wäre das schon sehr cool.

Ich seh schon. Ich steh irgendwann mit dem laufenden VGA Display da und 
denke dann: "Is ja vollll ätzend hier!"



EDIT: Ja, die Sub-Pixel liegen wirklich nebeneinander! Das macht das 
Display auch nur aus mittlerer Entfernung wirklich genießbar.

von Benedikt K. (benedikt)


Lesenswert?

Timo Birnschein wrote:
>  Außerdem
> könnte man versuchen da einfach 640*480 rein zu pumpen um zu schauen,
> was genau das Display damit anstellt. Evtl. staucht es das selbst?

Nein, da der LA7218 einen Oszillator hat, der vielleicht um 1% oder 
sowas in der Richtung verstimmbar ist.
Mit 640x480, 60Hz und 31,5kHz Horizontalfrequenz wird man das Bild 
vermutlich 2x nebeneinander auf dem Display sehen.

Falls du eine Software findest, die mit jeder Grafikkarte das Timing 
verändern kann, dann wäre  das schon interessant. Jetzt nicht unebdingt 
für dieses Display, sondern für andere Sachen. So könnte man einen alten 
PC leicht als universellen Displaycontroller missbrauchen...

von Torsten S. (tse)


Lesenswert?

An Timos Screenshots sieht man sehr deutlich, das die erste Zeile immer 
weiß dargestellt wird, so auch bei mir.

Hat jemand eine Erklärung dafür?

von Benedikt K. (benedikt)


Lesenswert?

Torsten S. wrote:
> An Timos Screenshots sieht man sehr deutlich, das die erste Zeile immer
> weiß dargestellt wird, so auch bei mir.
>
> Hat jemand eine Erklärung dafür?

Man müsste mal nachmessen, ob vielleicht der LA7218 eine falsche 
Spannung ausgibt, oder ob es am TFT liegt.

Insgesamt scheint das TFT wirklich absolut Low Cost zu sein. Das 5,6" 
TFT das es letzes Jahr gab, war schon nicht besonders hochwertig, aber 
bei dem sieht das Bild trotz der Auflösung von nur 320x234 bedeutend 
besser aus, als bei diesem TFT. Irgendwie sind die Pixel enger zusammen, 
so dass man die Subpixel nicht einzeln sieht.

von Benedikt K. (benedikt)


Angehängte Dateien:

Lesenswert?

Hier mal ein Foto von dem 5,6" TFT. Irgendwie sieht der hochauflösender 
auf als das 4" TFT, obwohl er nur 320x234 Pixel hat.

von Torsten S. (tse)


Lesenswert?

Das sieht (verdächtig) perfekt aus, die Pal-Test-Felder im Kreis unten 
rechts sind ohne Farbe, sogar mit Abgrenzung. RGB Quelle benutzt?

Beim betrachten werde ich etwas neidisch, muß ich wirklich zugeben.

Torsten

von Andreas J. (antibyte)


Lesenswert?

Die 5,6" gibts ja immer noch zu kaufen.
Kosten halt das dreifache von dem 4", aber
das sind die auch Wert.
Direkter RGB-Eingang ohne externe Ansteuerung.

von Torsten S. (tse)


Lesenswert?

Wo?

von Andreas J. (antibyte)


Lesenswert?

http://www.deluxe24.com/Joytech-56-Zoll-TFT-Monitor-fuer-Playstation-2_p2919_x2.htm

Wenn du über Wegstaben Verbuchsler bestellst,
wirds etwas billiger.
Irgendwo weiter oben wurden mal Händlerpreise genannt.

von Andreas J. (antibyte)


Lesenswert?

Hier die Doku, die ich letztes Jahr zum 5,6" erstellt hab.

http://www.mikrocontroller.net/attachment/25310/proptft.pdf

von Benedikt K. (benedikt)


Lesenswert?

Torsten S. wrote:
> Das sieht (verdächtig) perfekt aus, die Pal-Test-Felder im Kreis unten
> rechts sind ohne Farbe, sogar mit Abgrenzung. RGB Quelle benutzt?

Nein. FBAS, also Composite. Ein M52045 macht FBAS -> RGB. Auf der 
Zusatzplatine sitzt dieses ICS, das Display kann also entweder über RGB 
von dem PS2 Anschluss, oder über Composite von einem Cinch Eingang 
angesteuert werden. Preis/Leistungsmäßig ist es also auch 
empfehlenswert.

von Torsten S. (tse)


Lesenswert?

Danke für den Link!

Nicht ganz sicher bin ich mir ob ich unseren "Strohmann" schon wieder 
belästigen darf. Wenn er hier mitliest und nickt das er nichts dagegen 
hat wäre das natürlich super.

Torsten

von Torsten S. (tse)


Lesenswert?

Benedikt K. wrote:
> Nein. FBAS, also Composite. Ein M52045 macht FBAS -> RGB. Auf der
> Zusatzplatine sitzt dieses ICS, das Display kann also entweder über RGB
> von dem PS2 Anschluss, oder über Composite von einem Cinch Eingang
> angesteuert werden. Preis/Leistungsmäßig ist es also auch
> empfehlenswert.

Beeindruckend. Das macht mich noch neidischer. ;)

Torsten

von Timo B. (Firma: MicroForge) (timob)


Angehängte Dateien:

Lesenswert?

Die Bildqualität kommt vor allem durch den deutlich geringeren 
Pixelabstand. Größere Pixel, weniger Rand dazwischen. Außerdem ist das 
aufgebaut wie eine Streifenmaske. Alle Farben sind untereinander. Macht 
auch deutlich mehr Sinn...

von Omega G. (omega) Benutzerseite


Lesenswert?

Wie kann man ein FBAS (Composite) Signal möglichst einfach in ein RGB 
Signal umwandlen? Kennt da jemand eine Lösung, oder eine Quelle für den 
M52045?
Ich würde gerne eine kleine Converterplatine bauen und in das Gehäuse 
des TFTs einbauen.

P.S.: Ein Freund von mir arbeitet an einer Ansteuerplatine, die genauso 
groß ist wie das Displaymodul (Es werden genau die Bauteile verwendet 
die auf der Originalplatine sind). Wäre schön, wenn man da ein FBAS 
Signal anlegen könnte und ein Farbbild hat.

(Platinen bzw. Layouts würden wir freigeben an Nachbauer)

von Benedikt K. (benedikt)


Lesenswert?

TDA4510: 0,62€ bei Reichelt. Benötigt allerdings noch eine Delayline, 
und einen Sandcastle Impuls.
Es gibt dann auch noch den STV2118 der noch einen TDA4665 benötigt. 
Dürfte aber auch nicht leicht zu bekommen sein.

von Torsten S. (tse)


Lesenswert?

Omega G. wrote:
> Wie kann man ein FBAS (Composite) Signal möglichst einfach in ein RGB
> Signal umwandlen? Kennt da jemand eine Lösung, oder eine Quelle für den
> M52045?
> Ich würde gerne eine kleine Converterplatine bauen und in das Gehäuse
> des TFTs einbauen.

Genau das hatte ich auch vor. Aber nach lesen des anderen Threads bin 
ich mir sicher das es einfacher/billiger ist ein 5,6" zu kaufen.

von Omega G. (omega) Benutzerseite


Lesenswert?

Mh... Ich glaube morgen schaue ich im Keller mal nach alten Platinen aus 
Videorekordern, evtl. finde ich da was brauchbares.

Mein Nachtrag von vorhin füge ich nochmal an:

P.S.: Ein Freund von mir arbeitet an einer Ansteuerplatine, die genauso
groß ist wie das Displaymodul (Es werden genau die Bauteile verwendet
die auf der Originalplatine sind). Wäre schön, wenn man da ein FBAS
Signal anlegen könnte und ein Farbbild hat.

(Platinen bzw. Layouts würden wir freigeben an Nachbauer)

von Benedikt K. (benedikt)


Lesenswert?

Omega G. wrote:

> P.S.: Ein Freund von mir arbeitet an einer Ansteuerplatine, die genauso
> groß ist wie das Displaymodul (Es werden genau die Bauteile verwendet
> die auf der Originalplatine sind).

Hat er schon den Schaltplan abgezeichnet? Falls ja, dann wäre es toll 
wenn dieser hier veröffentlicht werden würde, denn man könnte sicherlich 
noch einiges an der Orginalschaltung optimieren.

von Andreas J. (antibyte)


Lesenswert?

So eine Platine würde mir zwar gefallen,
aber der Aufwand für das ätzen und aus- und einlöten
der Bauteile ist schon recht heftig.

von Omega G. (omega) Benutzerseite


Lesenswert?

Soweit ich weiß, macht er das ganze direkt von Layout zu Layout.
Ich kann gerne hier bescheid geben, wenn das Layout fertig ist. Wenn das 
Ganze getestet ist und funktioniert, könnte ich wenn Interesse besteht 
mehrere Platinen ätzen.

von Wegstaben V. (wegstabenverbuchsler)


Lesenswert?

@tse

ich nehme an es geht um 50000128
theoretisch ok, wenn du mir eine mail schicken würdest.
praktisch NOK, da Bestand = 0 im Händler-Shop

der 30000059   hat Bestand = 4


sind die identisch bis auf den UK-Stecker?

von Hannes G. (mudskip)


Lesenswert?

Das Bild vom 5,6 Zöller sieht wirklich viel besser aus.
Vielleicht kann unser Strohmann nochmal nachschaun, ob inzwischen mehr 
als nur 4 Stück auf Lager sind.
Der Preis von 15EUR + Märchensteuer und Porto lockt aber nicht gerade. 
:-(
Da kann ich die Dinger ja gleich bei ebay kaufen.

von Mighty (Gast)


Lesenswert?

Ich hätte definitiv auch noch interesse an zwei 5,6ern.

sputnik0891 klammeraffe googlemail punkt com

von Andreas J. (antibyte)


Lesenswert?

Das 5,6" gibts zweimal im Shop.
17,99 und 19,99 € Endkundenpreis.
Eins ist mit UK-Stecker.

http://www.shop.deluxe-gmbh.de/emax_shop/customer/search.php?searchnow=1&substring=5%2C6+monitor

von Benedikt K. (benedikt)


Lesenswert?

Ja, die UK Version kostet 15€ + MwSt und ist nur noch 4x auf Lager, die 
andere Version ist ausverkauft.
Sonst hätte ich mir bei der 4" TFT Bestellung auch von denen nochmal 
welche mitbestellt...

von Andreas J. (antibyte)


Lesenswert?


von Benedikt K. (benedikt)


Lesenswert?

Interessant. Aber auch bei Amazon und anderen Läden ist dieses TFT 
ausverkauft.

von Wegstaben V. (wegstabenverbuchsler)


Lesenswert?

@tse

ich hab mich grad beim sputnik gemeldet und ihm die Order-Prozedur 
beschrieben.

Du kennst sie ja, also halt dich ran und schick mir ne mail mit 
ü-beleg-kopie wenn du die letzten 2 willst

von Rene B. (yob) Benutzerseite


Lesenswert?

Heißer Tipp von mir. -> Joytech 5,6 Zoll TFT Monitor für PS2 -> 11,00€

Link: http://restposten.de/article-3941219.html

Artikelnr.: 50000128  Eingabedatum: 15.9.2008 !!! Verfügbar: 100 Stk.

Müsste zwar nochmal geprüft werden aber wollts nur mitteilen für die 
Interessenten. Mich juckts ja auch bissel ^^.


Grüße Rene

von Wegstaben V. (wegstabenverbuchsler)


Lesenswert?

@Rene B.

also sie scheinen wieder verfügbar zu sein.

Allerdings steht bei dem Restpostenlink auch:

a) zzgl. Mwst
b) Verpackungseinheit 10 Stück

von Random .. (thorstendb) Benutzerseite


Lesenswert?

Hi Leutz,

heut ist auch endlich - mit Verspätung - mein Display angekommen.
Leider ist der erste Versuch nciht so ganz erfolgreich, ich bekomme zwar 
am VCR ein Bild, aber es ist nur grau und recht schwach.
Ich verwende das Composite-Signal am Y, und RGB vom Scart.

Hat jmd. ne Idee?


VG,
/r.

von Timo B. (Firma: MicroForge) (timob)


Lesenswert?

Ja: Bist du ganz sicher, dass da wirklich RGB aus dem SCART Kabel kommt? 
Denn Videorecorder haben das nicht wirklich oft und bei meinem Versuch 
an nem Medion DVD Player kam nur nen doppeltes grün-Bild aus dem RGB 
Kanal. Es kann also gut sein, dass deine Quelle das nicht bietet.

von Random .. (thorstendb) Benutzerseite


Lesenswert?

Hmmm ... ist was dran.
Ist ein Panasonic Stereo-Gerät.

Was mir auffällt: Die Farbkanäle tragen nicht allzuviel Bild bei.

VG,
/th.


Edit:

Mit FBAS und FBAS Masse am grünen und blauen Kabel bekomme ich ein 
schattenbild.
Mit RGB dazu ein Bild, bei dem man Farbe erahnen kann, als wenn die 
Signale aus dem VCR zu schwach sind.
Aus allen drei Kanälen kommt beim VCR Farbe.

von Omega G. (omega) Benutzerseite


Angehängte Dateien:

Lesenswert?

So...
Ich habe versucht ein VGA Signal anzuzeigen. Ich habe einen Converter 
von ??? (D-Sub 9 Eingang) auf RGB + Sync.

Dargestellt wird das Bios eines älteren Notebooks.

Interessant: Bild wird mehrfach angezeigt, zudem Verzerrung nach Links 
oben im Display.

von Benedikt K. (benedikt)


Lesenswert?

Omega G. wrote:

> Ich habe einen Converter
> von ??? (D-Sub 9 Eingang) auf RGB + Sync.

S Sub9? Wie sieht der Converter aus?

> Interessant: Bild wird mehrfach angezeigt,

Ja, das hatte ich ja schon geschrieben. Bei VGA mit 31,xkHz 
Horizontalfrequenz passt das Bild genau 2x nebeneinander.

> zudem Verzerrung nach Links oben im Display.

Das dürfte an einem falschen HSync während des VSync liegen.

von Omega G. (omega) Benutzerseite


Angehängte Dateien:

Lesenswert?

Der Converter ist von Barco, und nennt sich "Universal RGB Analog".
Foto vom Innenaufbau im Anhang.

von Hannes G. (mudskip)


Lesenswert?

Hat ma wer versucht direkt VGA reinzujagen?
Laut Info aus dem ersten Post hat das Ding ja Eingänge für horizontale 
und vertikale Synchronisation - so wies bei VGA benötigt wird.

von Omega G. (omega) Benutzerseite


Lesenswert?

Dafür bin ich jetzt zu Faul...

Ich vermute es wird nicht viel Erfolg haben, da die RGB Signale die ans 
Display Modul gehen eine größere Amplitude haben als das VGA Signal 
(0,7V).

von Timo B. (Firma: MicroForge) (timob)


Lesenswert?

Ich finde ja, dass wir schon relativ nah dran sind :)

von Benedikt K. (benedikt)


Lesenswert?

Wie gesagt: Es gibt nur wenige Lösungen:
- Die Grafikkarte auf 15625Hz, 50Hz Interlaced einstellen
- Die Grafikkarte auf ca. 31,5kHz, 50 oder 60Hz einstellen (VGA Timing) 
(das Display entsprechend auf PAL/NTSC einstellen) und mit den 2 Bildern 
nebeneinander leben
- Die Grafikkarte auf ca. 31,5kHz, 50 oder 60Hz einstellen (VGA Timing) 
(das Display entsprechend auf PAL/NTSC einstellen), eine Zeile digital 
abspeichern und mit halber Geschwindigkeit wieder ausgeben.

von Benedikt K. (benedikt)


Angehängte Dateien:

Lesenswert?

Soeben bekam auch ich ein großes Paket in die Hand gedrückt. Auch von 
mir vielen Dank an Wegstaben Verbuchsler!!!

Mein erster Eindruck:
Es ist wirklich das billigste vom billigen:
3 von 10 TFTs haben einen Pixelfehler.
Im Bild ist ein starkes Farbrauschen (vor allem bei rot). Vermutlich 
müssen irgendwo ein paar Elkos hinzugefügt werden.
Entweder das Netzteil, oder das TFT zieht beim Einschalten extrem viel 
Strom: Mein 1,5A Netzteil geht beim Einschalten in die Knie, was dazu 
führt, das das Netzteil abschaltet. Man muss erst die Spannung 
abschalten, ehe es wieder startet. Selbst mit 250mF (ja, mF, nicht uF !) 
bricht das Netzteil zusammen und befindet etwa 0,5s lang in der 
Strombegrenzung bei 1,5A, ehe es die Elkos wieder nachgeladen hat. 
Irgendwas zieht da beim Einschalten kräftig Strom.

Zum TFT selbst: Das TFT bräuchte einen Gammaregler, von dem 
Kontrastverhältnis her ist es nämlich sehr bescheiden.
Auf der Verpackung steht Auflösung 380x234. Die 234 Zeilen habe ich 
nachgemessen, das passt. Dummerweise lässt das TFT immer wieder Zeilen 
aus, um die 288 TV Zeilen auf 234 Zeilen zu reduzieren.
Wie die 380 Pixel zusammenkommen sollen, ist mir ein Rätsel. Gezählt 
habe ich ziemlich genau 160 Pixel. Meine Vermutung: Die Marketingidioten 
zählen RGB einzeln. Und dadurch, dass die Pixel in jeder 2. Zeile 
versetzt sind, erhöhen die so künstlich die Auflösung. Wie man von 160 
aber auf 380 kommt, keine Ahnung.
Weiterhin scheint das Display sehr empfindlich bei dem Sync zu sein. Ich 
habe konstant einen Jitter im Bild, wie man auch etwas auf dem 
angehängten Bild erkennen kann (z.B. in der Überschrift).

Mein Fazit: Wenn ihr was ordentliches wollt, kauft das 5,6" TFT, wenn 
ihr was billiges wollt, nehmt das 4". Auch hier passt wieder: You get 
what you pay for!

Jetzt werde ich mal ein Display zerlegen und ein paar Messungen machen.

von Timo B. (Firma: MicroForge) (timob)


Lesenswert?

Moin,

das Problem mit dem Strom habe ich überhaupt nicht. Mein Netzteil (auch 
nur 1,5Amps) zuckt nichtmal beim Einschalten. Ich schließe das 12V 
Netzteil an das Auto-Netzteil an um dann ans Display zu gehen.

Das mit der Horizontalaufläsung habe ich auch schonmal vermutet, aber 
dann verdrängt. Wäre echt ein Witz... aber kommt gut hin. Denn 
Horizontal ist das wirklich nicht so der Bringer.

So starke Störungen habe ich auch nicht. Ich habe auch kein Display 
bisher mit Pixelfehler gehabt. Allerdings auch nicht alle getestet. 4 
von 5 sind aber ok, soweit ich das sehe. Evtl musst du deine Verdrahtung 
nochmal checken. Störstrahlung etc...

Wie hast du das Bild in Farbe auf den Screen bekommen? Es ist 
offensichtlich ein Ausschnitt aus einem PC-Bildschirm. Aber wie?

von Andreas J. (antibyte)


Lesenswert?

160 horizontal ?
Bist du da sicher ?
Das kommt mir dann doch etwas wenig vor.

von Omega G. (omega) Benutzerseite


Lesenswert?

Sehe ich das Richtig, ein VGA Eingang?

RGB jeweils verbinden und HSYNC an Sync von TFT?

von Benedikt K. (benedikt)


Angehängte Dateien:

Lesenswert?

Hier der nächste Teil meiner Analyse:
Die Pfeif und Störgeräusche stammen vom MC34063. Wenn man die Geräusche 
weg haben möchte, muss man die MC34063 Schaltung modifizieren. Bei mir 
reicht es aus, wenn ich die Spulenanschlüsse per Hand berühre und mit 
dem Tastkopf an dem Pin messe.
Die Anschlussbelegung ganz oben passt.

Vbb ist 12,5V, Vgg ist 25,5V, di Spannungen passen also auch.
common voltage input ist der DC Bezugswert für die RGB Eingangssignale 
und hat etwa 8,1V. Dieser Wert ist auch der DC Offset der RGB Signale.
Die RGB Signale bestehen aus diesem DC Offset, und einem Rechtecksignal 
von halber Zeilenfrequenz, also 7,8kHz. Es wechselt also in jeder Zeile 
seinen Pegel. Auf das Rechteck aufmoduliert ist das Videosignal mit etwa 
2Vss.
Die Amplitude des Rechtecks beträgt etwa zwischen 7Vss und etwa -4Vss 
(es wird negativ) je nach Potieinstellung. Das Helligkeitspoti 
beeinflusst die Amplitude der RGB Rechtecke, das Farbpoti nur das des R 
Kanals.

Alle 6 Zeilen toggelt das Rechtecksignal nicht. Wiso dies so ist, keine 
Ahnung. Eigentlich würde ich erwarten, dass das Signal konstant in jeder 
Zeile toggelt.

Was mir am Timing auffällt: Immer wenn ein VSync kommt, hat das Hsync 
Signal zum TFT Aussetzer. Vermutlich ist das TFT eigentlich auf NTSC 
ausgelegt, und PAL ist nur so hingepfuscht worden, daher setzt die PLL 
kurzzeitig aus.

Im Anhang ein Ausschnitt aus dem RGB Signal. Die Zeitangaben sind in ms, 
die Amplitude des gesamten Bildes beträgt 10V, die Nullinie sind etwa 
8,1V

von Benedikt K. (benedikt)


Lesenswert?

Timo Birnschein wrote:

> So starke Störungen habe ich auch nicht. Ich habe auch kein Display
> bisher mit Pixelfehler gehabt. Allerdings auch nicht alle getestet. 4
> von 5 sind aber ok, soweit ich das sehe. Evtl musst du deine Verdrahtung
> nochmal checken. Störstrahlung etc...

Es liegt definitiv am Display. Wenn ich den Finger über die Spule vom 
34063 lege, werden die Störungen geringer...
Vom Receiver zum Display habe ich Monitor Kabel verwendet, alle GNDs 
sind angeschlossen usw.

> Wie hast du das Bild in Farbe auf den Screen bekommen? Es ist
> offensichtlich ein Ausschnitt aus einem PC-Bildschirm. Aber wie?

Mit einem S1D13506 LCD Controller mit VGA Ausgang.
Da kann ich das Timing frei einstellen. Das Display läuft mit 6,75MHz 
Pixeltakt und 432x312 Pixel Auflösung, wovon etwa 320x260 sichtbar sind.

Andreas Jakob wrote:
> 160 horizontal ?
> Bist du da sicher ?

Ja, ich habe u.a. hier gezählt:
http://www.mikrocontroller.net/attachment/39906/RGB.jpg
Oder auch an deinen Bildern:
http://www.mikrocontroller.net/attachment/39824/HPIM0892.JPG
Da komme ich auch exakt auf 160.

> Das kommt mir dann doch etwas wenig vor.

Mir auch, aber das Display hat definitiv eine schlechtere Auflösung als 
das 5,6" TFT.

von Andreas J. (antibyte)


Lesenswert?

Also mit Lupe und Lineal Pixel zählen und hochrechnen
ist schon übel.
Aber die ursprünglich genannten 220 x 160 kommen bei mir
rechnerisch am ehesten hin.

von Benedikt K. (benedikt)


Lesenswert?

Ich habe übrigends ein -B TFT. Das Farbrauschen scheint nur bei dem 
einen TFT zu sein, vermutlich habe ich da direkt das passende 
erwischt...
Bei diesem messe ich Spitzen von etwa 85V an Pin 1 vom 34063. Laut 
Datenblatt verträgt er nur 40V und kommt daher regelmäßig in den 
Durchbruch. Das könnte das Rauschen erklären...

von Omega G. (omega) Benutzerseite


Lesenswert?

Ich habe eben die RGB Leitungen von VGA an die Ansteuerplatine des TFTs 
angeschlossen und die Sync Leitungen an Pin 4 und 5 des LA7218 (IC 
natürlich entfernt). Ergibt das Gleiche wie mit dem Converter, aber ohne 
Verzerrung nach links.

von Benedikt K. (benedikt)


Lesenswert?

Omega G. wrote:
> Ich habe eben die RGB Leitungen von VGA an die Ansteuerplatine des TFTs
> angeschlossen und die Sync Leitungen an Pin 4 und 5 des LA7218 (IC
> natürlich entfernt). Ergibt das Gleiche wie mit dem Converter, aber ohne
> Verzerrung nach links.

OK, daraus kann man 2 Dinge ableiten:
- dein Universal RGB Analog Converter erzeugt demnach also vermutlich 
kein sauberes CSync Signal während des VSyncs
- in dem TFT Panel muss auch noch Elektronik drin sein die das Timing 
steuert (irgendwie muss aus HSync ja der Pixeltakt gewonnen werden). 
Ebenso muss eine Logik integriert sein, die periodisch Zeilen entfernt. 
Ich müsste es mal nachmessen, aber so gibt das Fehler der Invertierung 
bei dem RGB Signal einen Sinn: Das TFT entfernt vermutlich eine von 6 
Zeilen. Damit könnte man 280 Zeilen auf 234 Zeilen reduzieren, was 
passt.

Wenn man in dem TFT Panel selbst die PLL modifizieren würde, könnte man 
theoretisch direkt VGA einspeisen, falls das TFT ausreichen Bandbreite 
hat. Der effektive Pixeltakt würde dann bei etwa 12,5MHz liegen.

von Jan S. (hans-lot)


Lesenswert?

Eigentlich wollte ich mir nun auch die 4"-Teile kaufen, aber die 
Streeung ist wohl leider recht hoch....

Von daher wäre ich an den ja nicht so viel teureren 5,6" TFTs ( 
http://restposten.de/article-3941219.html ) interessiert, die sollen ja 
halbwegs zuverlässig sein.

Also ~ 13 Euro (inkl. MwSt.) + Versand
Ich wäre mit 4 Stück dabei.

Wer hätte denn noch Interesse?

@wegstabenverbuchsler: würdest du einen weiteren Kauf organisieren?

von Timo B. (Firma: MicroForge) (timob)


Lesenswert?

Benedikt K. wrote:
> Ich habe übrigends ein -B TFT. Das Farbrauschen scheint nur bei dem
> einen TFT zu sein, vermutlich habe ich da direkt das passende
> erwischt...
> Bei diesem messe ich Spitzen von etwa 85V an Pin 1 vom 34063. Laut
> Datenblatt verträgt er nur 40V und kommt daher regelmäßig in den
> Durchbruch. Das könnte das Rauschen erklären...

Ich habe genau ein Display, dass den beschriebenen Effekt auch zeigt. 
Das ist auch das einzige, was sich optisch von den anderen 
unterscheidet. Sehr wahrscheinlich also auch ein -B

von Benedikt K. (benedikt)


Angehängte Dateien:

Lesenswert?

Zur Auflösung: Ich habe mal das -B TFT mit hoher Auflösung eingescannt. 
Ich habe es mehrmals gezählt und komme jedesmal auf die selbe Anzahl: 
157x218 Pixel.
Bei den 157 bin ich mir nicht 100%ig sicher, es können auch 160 sein, 
aber die 218 stimmen definitiv. Ich konnte es nicht ganz glauben, daher 
habe ich mehrmals gezählt. Es kann natürlich sein, dass sich noch ein 
paar Pixel hinter dem Rand verstecken. Die Auflösung von 160x220 würde 
nämlich gut zu der ursprünglichen Angabe passen. Das Display hat also 
mehr Zeilen als Spalten!
Eine Zeile scheint übrigends aus 2 Pixeln untereinander zu bestehen, die 
parallel angesteuert werden. Insgesamt ist die Auflösung eigentlich 
160x440.
Jetzt muss ich noch ein -B1 TFT finden, denn die scheinen 234 Zeilen zu 
haben.

Zu dem Problem mit dem 34063:
Die Spule L3 (die kleine blaue zwischen den beiden Ringkernspulen) ist 
in Reihe zur Diode geschaltet. Dies führt dazu, dass die 
Streuinduktivität riesig wird, und so die extremen Spannungsspitzen 
entstehen. Welchen Sinn das hat ist mir Rätselhaft, vielleicht die 
übliche 2 Jahre Selbstzerstörung, auf jedenfall habe ich die blaue Spule 
überbrückt, jetzt ist das Bild viel stabiler, das Farbrauschen geringer 
und das Pfeifen aus den Lautsprechern auch weg.

von Andreas J. (antibyte)


Lesenswert?

Jan S. wrote:
> Eigentlich wollte ich mir nun auch die 4"-Teile kaufen, aber die
> Streeung ist wohl leider recht hoch....
>
> Von daher wäre ich an den ja nicht so viel teureren 5,6" TFTs (
> http://restposten.de/article-3941219.html ) interessiert, die sollen ja
> halbwegs zuverlässig sein.
>
> Also ~ 13 Euro (inkl. MwSt.) + Versand
> Ich wäre mit 4 Stück dabei.
>
> Wer hätte denn noch Interesse?
>
> @wegstabenverbuchsler: würdest du einen weiteren Kauf organisieren?

Laut Händler-Shop sind davon nur noch 2 verfügbar.

Allerdings im Endkundenbereich gibts seltsamerweise noch die 5,6"
für 17,99 Enkundenpreis.

Dieser hier hat 7" ist aber 16:9

http://www.deluxe24.com/7-TFT-Monitor12V-KFZ-AdTasche-fuer-PS2-schwarz_p2264_x2.htm

Da hatten wir letztes Jahr auch festgestellt, das er pinkompatibel
zum 5,6" ist, aber halt deutlich teurer.

Beitrag "Re: Neue Propeller Karte zu Fertigen"

von Andreas J. (antibyte)


Lesenswert?

Benedikt K. wrote:
> Zur Auflösung: Ich habe mal das -B TFT mit hoher Auflösung eingescannt.
> Ich habe es mehrmals gezählt und komme jedesmal auf die selbe Anzahl:
> 157x218 Pixel.


Hab deinen Scan mal mit nem Bildverarbeitunsprogramm gezoomt und
zähle 158 horizontal.
Es scheint also echt 160x220 zu sein.
Warum das horizontal weniger ist als vertikal, ist mir schleierhaft.

von Benedikt K. (benedikt)


Lesenswert?

Ich vermute, dass durch die versetzen Zeilen eine Pseudoauflösung von 
320x220 erzeugt werden soll.

Jetzt müsste ich rausfinden, welches der TFTs ein -B1 Display hat, 
möglichst ohne alle zerlegen zu müssen.
Meine Vermutung ist nämlich, dass das -B1 160x234 Zeilen hat.

Die Angabe 380x234 auf der Verpackung grenz daher schon an Betrug.

von Jürgen A. (jaja)


Lesenswert?

@ Jan S.:
>Wer hätte denn noch Interesse?

Ich ;-)

Grüße,
Jürgen

von Omega G. (omega) Benutzerseite


Angehängte Dateien:

Lesenswert?

An Interessierte, ein Foto der Elektronik im Modul, es handelt sich um 
ein -B1.

von Andreas J. (antibyte)


Lesenswert?

Benedikt K. wrote:
> Ich vermute, dass durch die versetzen Zeilen eine Pseudoauflösung von
> 320x220 erzeugt werden soll.
>
> Jetzt müsste ich rausfinden, welches der TFTs ein -B1 Display hat,
> möglichst ohne alle zerlegen zu müssen.
> Meine Vermutung ist nämlich, dass das -B1 160x234 Zeilen hat.
>
> Die Angabe 380x234 auf der Verpackung grenz daher schon an Betrug.

Vielleicht ist das Problem der Pseudoauflösung ja auch ein Problem
der Ansteuerung ?
Ich hatte ja auch das Problem, dass ein Panel eine katastrophal 
schlechte
Darstellung hatte, und das andere deutlich besser war.
Möglicherweise ist es einfach falsch justiert, und steuert deshalb
zwei Zeilen gleichzeitig an ?

EDIT
Quatsch, es müssen ja zwei Zeilen gleichzeitig
sein, nur horizontal müsste dann der Reihe nach
zwischen den Zeilen gesprungen werden.

von Benedikt K. (benedikt)


Lesenswert?

Omega G. wrote:
> An Interessierte, ein Foto der Elektronik im Modul, es handelt sich um
> ein -B1.

Scheint ein ASIC zu sein.
Zwischen den beiden Potis und der Spule (?), das könnte eine 
Kapazitätsdiode sein, die mit der blauen Markierung. Zusammen mit der 
Spule wird das vermutlich Teil des Taktgenerators für den Pixeltakt 
sein.

Andreas Jakob wrote:
> Vielleicht ist das Problem der Pseudoauflösung ja auch ein Problem
> der Ansteuerung ?

> Möglicherweise ist es einfach falsch justiert, und steuert deshalb
> zwei Zeilen gleichzeitig an ?

Denke ich nicht, denn ein Halbbild hat nur 288 Zeilen Auflösung, das 
reicht nicht für die vollen 440 Zeilen. Und dass die ein Vollbild in das 
Display laden, halte ich für ziemlich ausgeschlossen, denn das 
Verhältnis Aufwand/Nutzen ist sehr schlecht, denn da wäre es viel 
einfacher einfach mehr Spalten einzubauen um eine bessere Auflösung zu 
bekommen.
Momentan ist ein Pixel viel breiter als hoch, wenn man die Höhe nochmals 
halbieren würde, dann wäre das Verhältnis noch extremer.

Es wäre aber schön, wenn man irgendwie die Auflösung erhöhen könnte...
Wobei es mir schon reichen würde, wenn sich das Display einfacher 
einsteuern lassen würde.

von Hannes G. (mudskip)


Lesenswert?

Bei mir war heut auch Weihnachten. ^^
Das erste hab ich gleich mal zerpflückt. Son Chip wie bei Omega ist 
nicht drin.
Hab ich dann ein -B? Was war noch gleich das schlechte und welches das 
hochauflösendere?

Am Panel seh ich keine Aufschrift.

Hat mal wer nen Anschlußplan für die interne Leiste? Ich hab keine PS2 
und auch kein passendes Kabel.
Wofür soll eigendlich der 503kHz Resonator an der Anschlußleiste gut 
sein?

von Omega G. (omega) Benutzerseite


Lesenswert?

Bei dem Panel musst du die Hintergrundbeleuchtungseinheit abnehmen, dann 
siehst du einen Aufkleber da steht Toshiba und die Panelbezeichung 
drauf. Und wenn du jetzt das Panel noch weiter zerlegst siehste den von 
mir fotografierten Chip, der ist direkt neben der aktiven Fläche.

Edit: Zu dem Resonator, das sind 500KHz, 50 * 10³.

von Benedikt K. (benedikt)


Lesenswert?

Hannes Gruber wrote:

> Was war noch gleich das schlechte und welches das
> hochauflösendere?

Das -B1 könnte etwas mehr Auflösung haben, aber definitiv kann ich es 
erst sagen, wenn ich von solch einem Display einen guten Scan habe.

> Am Panel seh ich keine Aufschrift.

Unter der Hintergrundbeleuchtung. Das Plastikteil musst du abnehmen

> Wofür soll eigendlich der 503kHz Resonator an der Anschlußleiste gut
> sein?

Frequenzbestimmentes Bauteil für die PLL des LA7218.



PS: Habt ihr euch mal das Netzteil angesehen? Alleine der Aufkleber ist 
lustig:
Input: 12V 6A
Output 8,5V 5,65A

Selbst ein Linearregler hätte da einen besseren Wirkungsgrad...

von Hannes G. (mudskip)


Lesenswert?

Für gewöhnlich sind auf den Resonatoren die Frequenzen direkt 
aufgedruckt und nich verschlüsselt.
Oder was ist bei dir ein Resonator mit der Aufschrift 455?

Hab die Beleuchtung ma kurz hochgedrückt.
Ich hab die Version Toshiba TFD40W11 - grüner Aufkleber. :-[

von Omega G. (omega) Benutzerseite


Lesenswert?

Wegen dem Resonator: da habe ich mich wohl getäuscht, sorry.

Unter dem grünen Aufkleber steht wohl das Entscheidende.

von Benedikt K. (benedikt)


Lesenswert?

Die Beleuchtung abnehmen ist einfach, wenn man das TFT sowiso schon 
abgeschraubt hat. Man muss nur rechts und links die Alufolie 
durchtrennen, dann kann man die Beleuchtung abnehmen, Irgendwie ist das 
TFT etwas seltsam: Die Typenbezeichnung teilweise überklebt und unter 
der Beleuchtung...


Ich habe mir auch mal Gedanken gemacht, ob und wie man das reine TFT 
Panel ansteuern könnte:
Man braucht dazu folgende Spannungen:
- 25V
- 13V
- 8V
- 5V

Und folgende Signale:
- HSync
- VSync

Die RGB Signale könnte man mittels common voltage / phase inversion 
control output vermutlich direkt erzeugen, man müsste nur noch die RGB 
Signale aufmodulieren. Dazu braucht man 3 Verstärker die auf 
invertierbar umgeschaltet werden können und 3 S&H Stufen. Den 
Schwarzwert der RGB Signale muss man auf die Pegel bringen die der phase 
inversion control output liefert, alles was betragsmäßig weiter von der 
common voltage entfernt ist, wird heller dargestellt.
Wenn man nur wenige Farben darstellen möchte (z.B. 1-2bit pro RGB), dann 
kann man auch auf die Gamma Korrektur verzichten und die Invertierung in 
Software machen. Dazu könnte/müsste man das signal voltage / phase 
inversion control out Signal abfragen, das im Prinzip das gleiche wie 
das common voltage / phase inversion control output Signal ist, nur mit 
0V/5V  Pegel.
Insgesamt etwas tricky, aber vermutlich durchaus machbar.

von Benedikt K. (benedikt)


Lesenswert?

Hannes Gruber wrote:

> Hat mal wer nen Anschlußplan für die interne Leiste? Ich hab keine PS2
> und auch kein passendes Kabel.

Beginnend von rechts (dem braunen Kabel):
GND
B
G
R
Sync
GND
Audio L
Audio R
GND
+7,5V (da werden aber 8,5V angelegt)

PS: Die Belegung steht auf der Unterseite der Platine.

von Hannes G. (mudskip)


Lesenswert?

Oh, tatsächlich. Is aufgedruckt.
Allerdings steht bei mir etwas anderes. Statt Sync steht V und statt GND 
steht rechts RGND. Audio ist nicht beschriftet.
Unter dem Aufkleber hatte sich ein B versteckt. Sonst nix.

von Timo B. (Firma: MicroForge) (timob)


Lesenswert?

Hannes Gruber wrote:

> Unter dem Aufkleber hatte sich ein B versteckt. Sonst nix.

Mehr war auch nicht zu erwarten. Außer -B1 vielleicht. Aber genau danach 
halten wir ja ausschau :)

von Torsten S. (tse)


Lesenswert?

Benedikt K. wrote:

> Entweder das Netzteil, oder das TFT zieht beim Einschalten extrem viel
> Strom: Mein 1,5A Netzteil geht beim Einschalten in die Knie, was dazu
> führt, das das Netzteil abschaltet. Man muss erst die Spannung
> abschalten, ehe es wieder startet. Selbst mit 250mF (ja, mF, nicht uF !)
> bricht das Netzteil zusammen und befindet etwa 0,5s lang in der
> Strombegrenzung bei 1,5A, ehe es die Elkos wieder nachgeladen hat.
> Irgendwas zieht da beim Einschalten kräftig Strom.

Genau das habe ich auch bemerkt. Selbst mein 12V/7Ah Bleigel Akku mochte 
das nicht so richtig. Eine 1A Wandwarze hat total versagt.

Könnte die Versorgung für das BL die Ursache sein?

Torsten

von Benedikt K. (benedikt)


Lesenswert?

Torsten S. wrote:

> Genau das habe ich auch bemerkt. Selbst mein 12V/7Ah Bleigel Akku mochte
> das nicht so richtig.

Ja, bei mir auch. Interessanterweise geht es aber jedesmal beim 2. 
Versuch.

> Könnte die Versorgung für das BL die Ursache sein?

Könnte sein. Es funktionierte bei mir mit nicht angeschlossener CCFL 
Röhre mehrmals direkt beim ersten Versuch.
Ich würde aber eher auf das Netzteil tippen.

Keine Ahnung wieviel Reisschnaps der Entwickler des Layouts inne hatte, 
hatte, aber ich wette die Platine fliegt bei jedem EMV Test durch:
Die Schaltnetzteile in dem Display sitzen in der Mitte, die Elkos dazu 
alle ganz außen. Genau so soll man es nicht machen...

von Wegstaben V. (wegstabenverbuchsler)


Lesenswert?

Laut Händlerzugang und aktuell zugesendeter komplett-Bestandsliste sind 
die 5,6" ausverkauft (deutsche und englische Version)

ichwerd mal nachfragen ob die noch welche reinbekommen

von Wigbert P. (wigbert) Benutzerseite


Lesenswert?

>Laut Händlerzugang und aktuell zugesendeter komplett-Bestandsliste sind
>die 5,6" ausverkauft
kein Wunder bei der Kritik hier im Forum.

Ich hab Wochenende das 4" 5€ Angebot genutzt.
Interessant ist ich kriege jeden Tag eine Mail über den Bestellstatus.
Zwischenzeitlich wurden die Geräte versendet.
Wobei bei den hier gesammelten Erfahrungen, frage ich mich, ob 5€ nicht
noch zu viel sind. Ich werde mal dafür beten, das jemand eine Eingebung
hat und die Dinger ordentlich ansteuert.
Meine Stecker sind schon vorgeroutet. Bin jetzt auch ein bischen 
gespannt.

Wigbert

von Thomas P. (pototschnig)


Lesenswert?

Das 4" TFT erinnert mich an das 4" Lilliput-Display, das auch im 
legendären "Volksbeamer" eingebaut wurde ... Das hatte eine Auflösung 
von 160*irgendwas und war genauso mies :) Wird schon das gleiche sein 
...

edit
Ups, Kommando zurück ... da wurden immer 1,8" Liliput-TFTs eingebaut ...

MfG
Thomas Pototschnig

von Wigbert P. (wigbert) Benutzerseite


Lesenswert?

@Thomas Pototschnig
Ich hab jahrelang mit ein 2" TFT an eine Satreceiver getestet, ob an der
Steckdose ein Bild da ist. Hat mal jemand versucht mit so einen Display
die Schrift im Menümodus zu lesen? Verwöhnt bin ich nicht. Das selbe hab
ich mit dem 4" vor.

Wigbert

von Benedikt K. (benedikt)


Lesenswert?

Wigbert Picht-dl1atw wrote:
> Hat mal jemand versucht mit so einen Display
> die Schrift im Menümodus zu lesen? Verwöhnt bin ich nicht. Das selbe hab
> ich mit dem 4" vor.

Das hat eigentlich nichts mit der Größe zu tun, viel wichtiger ist die 
Auflösung.
Mit 320x240 oder 320x234 kann man die Schrift gut lesen, mit den 160x220 
vom 4" TFT nicht.

von Andreas J. (antibyte)


Lesenswert?


von Wigbert P. (wigbert) Benutzerseite


Lesenswert?

als wenn ich einer meiner Displays unter eine Lupe betrachte,
hab ich 2blaue pixel untereinander dann 2 grüne dann 2 rot.
nächste Zeile ist die Pixelanordnung versetzt.
Wieso sind 2 Pixel in einer Zeile untereinander und sind das nun 2 
Zeilen,
oder wie zähle ich

Wigbert

von Benedikt K. (benedikt)


Lesenswert?

Das ist als eine Zeile zu zählen, da sie scheinbar den gleichen 
Bildinhalt bekommen.
Wiso das so ist, weiß nur der Hersteller. Etwas merkwürdig ist das 
Display auf jedenfall:
- Es hat mehr Zeilen als Spalten
- Eine Zeile besteht aus 2 Zeilen
- Das Display hat im Orginal anscheinend kein Backlight, das Backlight 
ist auf das Display geschraubt

von Timo B. (Firma: MicroForge) (timob)


Lesenswert?


von Wigbert P. (wigbert) Benutzerseite


Lesenswert?

@Timo Birnschein
jou so sieht meins auch aus.
Pixelfehler scheinen nicht drauf zu sein.
um die 230 Zeilen messe ich auch. 234 Zeilen wird wohl stimmen.

Ansonsten ist die Aufmachung top. Der Fuß könnte besser sein.
Steht alleine etwas wacklig. Da das Display sich gut klappen lässt,
kann man mit einem geschickten Einbau was draus machen.

Mal sehen wie die Bildqualität ist.

Wigbert

von Benedikt K. (benedikt)


Lesenswert?

Wigbert Picht-dl1atw wrote:

> um die 230 Zeilen messe ich auch. 234 Zeilen wird wohl stimmen.

OK, dann dürfte das mit der Auflösung nun endgültig geklärt sein:

-B: 160x220
-B1: 160x234

> Ansonsten ist die Aufmachung top. Der Fuß könnte besser sein.
> Steht alleine etwas wacklig.

Das ist kein Fuß, das ist zum Anschrauben an die PS2.

von Timo B. (Firma: MicroForge) (timob)


Lesenswert?

da beginnt man sich ja zu fragen, warum man 5 Stück davon gekauft 
hat.... naja. Ich hatte schon sehr gehofft, dass man die teile für etwas 
sinnvolles nutzen kann. Aber im grunde "geht das ja sooo". Dadurch, dass 
die wenigstens so tun, als ob sie 320er Auflösung hätten, kann man die 
Schriften zumeist erkennen. Aber schön ist natürlich etwas anderes.

von BillX (Gast)


Lesenswert?

ich frag mich ob die für nen bastel beamer taugen ;) hat einer eins 
über?

von Wigbert P. (wigbert) Benutzerseite


Lesenswert?

dann korrigiere ich mich,

wenn ich nur den Monitor benutzen will, muss ich was bauen, damit
er nicht umkippt. Oder schmeisst Ihr alle das Gehäuse weg?
Ich finde, das wäre schade.

Wigbert

von Benedikt K. (benedikt)


Lesenswert?

Wigbert Picht-dl1atw wrote:
> Oder schmeisst Ihr alle das Gehäuse weg?

Nein. Es gibt in dem "Fuß" 2 Löcher mit dem ich den TFT an eine 
Holzplatte schraube.
Dazu muss die Buchse für das Videosignal und der RJ45 Stecker ausgebaut 
werden.

von Wigbert P. (wigbert) Benutzerseite


Lesenswert?

@Benedikt K.
ich wollte eine Metallplatte unterschrauben und über den "Fuß" was
rüberstülpen damit die Steckkontakte verdeckt sind. Alles natürlich
sauber aufgebaut.
Das Ganze sollte dann auf mein Afu-Tranceiver stehen und das NF-Spektrum
anzeigen. Das wollte ich schon immer machen.
Aber dazu müsste eben jemand mein Gebet erhören und die Ansteuerung
hinkriegen...

Man kann auch das Unterteil geschickt in ein Metallgehause versenken,
ich denke da an ein älteres Sat-Receivergehäuse, die Dinger waren ja
übergross. Ein modernen Receiver im Gehäuse mit eingesetzt und wenn man 
den Bildschirm hochklappt kann man den Empfang zeigen.

und und und....

Wigbert

von Benedikt K. (benedikt)


Lesenswert?

Wigbert Picht-dl1atw wrote:

> Aber dazu müsste eben jemand mein Gebet erhören und die Ansteuerung
> hinkriegen...

Wo ist denn das Problem?


Noch eine Möglichkeit für die Befestigung:
Nur den Fuß weglassen und die Metallscharniere auf eine Platte 
schrauben. Bzw. bei diesem Billig TFT gibt es nur ein Scharnier, aber 
dafür kann man bestimmt auch eine Lösung finden.

von Wigbert P. (wigbert) Benutzerseite


Lesenswert?

@Benedikt K.

Jetzt bin ich sprachlos.
nun sag blos, Du hast was in der Schublade um die Ausgabe eines
FFT-Spektrums eines Controllers auf das Display zu bringen.


Wigbert

von Benedikt K. (benedikt)


Lesenswert?

Naja, du kannst z.B. sowas hier anschließen:
Beitrag "AVR Videogenerator, 40x25 Zeichen, nur 60% CPU Auslastung !"
Je nachdem ob man das Signal auf R, G oder B gibt, kann man sogar die 
Farbe einstellen.
Und dann zeichnet man einfach die Balken mit den Text Zeichen.

von Wigbert P. (wigbert) Benutzerseite


Lesenswert?

@Benedikt K.

Ich fass es nicht, ich grüble schon ein paar Jahren wie ich angemessen
also Wohnzimmertauglich, sowas baue und Du schüttelst das so nebenbei 
aus dem Ärmel.

Dank Dir für den Link. Mal sehen wie das dann aussieht.

Wigbert

von Benedikt K. (benedikt)


Lesenswert?

Den Text wird man bei 160x220 Pixeln vermutlich nicht lesen können, aber 
für einfache Grafiken wird es reichen. Als Pixeltakt dürfte 3MHz 
ausreichen um 160 Pixel darzustellen. Schade nur, dass die AVRs nur so 
wenig RAM haben, ansonsten könnte man schön Grafiken mit 160x120 Pixel 
darstellen.
10kByte RAM wären perfekt für Grafiken mit 160x120 und 16 Farben.

von Wigbert P. (wigbert) Benutzerseite


Lesenswert?

@Benedikt K.
ich muss mir das in Ruhe mal ansehen.

>ansonsten könnte man schön Grafiken mit 160x120 Pixel
>darstellen.
Der Link ist schon ein paar Jahre alt, vielleicht hast Du ja mal Lust
eines Deiner Displays zu nutzen und den Code zu überarbeiten.
Lassen hier im Thread doch sowieso schon die ersten die Köpfe hängen...

Ich probier die Ausgabe auf jeden Fall aus.

Wigbert

von Benedikt K. (benedikt)


Angehängte Dateien:

Lesenswert?

Ich habe mal ein bisschen gebastelt. Angeschlossen ist ein mega88 der 
20x16 Text erzeugen soll. In der Praxis sind es leider nur 19x16. 
Vielleicht muss ich den AVR etwas auf 22MHz übertakten, damit alle 20 
Zeichen auf das Display passen.
Jedes Zeichen hat eine einstellbare Vorder und Hintergrundfarbe. Als 
Farbpalette steht die von Grafikkarten bekannte 16bit RGBI Palette zur 
Verfügung.
Die Zeichen sind 8x12 Pixel groß, ich werde aber auf 8x14 oder 8x16 hoch 
gehen, denn aufgrund der krummen Ansteuerung werden ab und zu Zeilen vom 
TFT übersprungen, was etwas dumm aussieht. Vermutlich ist es auch besser 
das TFT auf NTSC zu stellen.

Was mir aufgefallen ist: Der Pixelfehler ist nur einen halben Pixel 
groß. Anscheinend werden die zwei halben Zeilen doch getrennt 
angesteuert? Sie bekommen aber den selben Bildinhalt.
Vielleicht hat der Hersteller so versucht die Pixelfehler besser zu 
verstecken?

von Andreas J. (antibyte)


Angehängte Dateien:

Lesenswert?

Ich hab das Teil mal an den VGA-Ausgang meines Propeller-Boards
gehängt. Allerdings krieg ich das Timing irgendwie nicht richtig
eingestellt.
Als nächstes werde ich den Sync-Seperator umgehen und direkt
mit H/V-Sync auf die Platine gehen.
Dann kann ich vermutlich auch auf 3 MHz Pixeltakt runtergehen.
Der im Propeller eingebaute Font ist leider so riesig :)
Mal sehen, ob man den auf halbe höhe stauchen kann.

> Vielleicht hat der Hersteller so versucht die Pixelfehler besser zu
> verstecken?

Genau die Vermutung hatte ich auch.
Fällt ein Subpixel aus, merkt man es so kaum.

von Benedikt K. (benedikt)


Lesenswert?

Andreas Jakob wrote:
> Ich hab das Teil mal an den VGA-Ausgang meines Propeller-Boards
> gehängt. Allerdings krieg ich das Timing irgendwie nicht richtig
> eingestellt.

Ja, ich auch nicht. Bei dir ist das Bild oben genauso verbogen wie bei 
mir.

> Als nächstes werde ich den Sync-Seperator umgehen und direkt
> mit H/V-Sync auf die Platine gehen.

Ja, ich denke das dürfte auch besser sein (vorausgesetzt der ist das 
Problem, und nicht das TFT selbst). Allerdings wäre es halt schön, wenn 
man an dem TFT nix verändern muss.
Aber wenn man schon was verstellt, dann kann man auch gleich auf NTSC 
umstellen wie bei dem 5,6" TFT, das sollte ein gleichmäßigeres Bild 
ermöglichen.

> Dann kann ich vermutlich auch auf 3 MHz Pixeltakt runtergehen.

> Fällt ein Subpixel aus, merkt man es so kaum.

Ja, ich eben noch einen Pixelfehler entdeckt, der mir die ganze Zeit 
nicht aufgefallen war, obwohl er mitten im Bild ist.

von Torsten S. (tse)


Lesenswert?

Andreas Jakob wrote:
> Ich hab das Teil mal an den VGA-Ausgang meines Propeller-Boards
> gehängt. Allerdings krieg ich das Timing irgendwie nicht richtig

Das sieht aber schon ganz anständig aus!

von Wegstaben V. (wegstabenverbuchsler)


Lesenswert?

es gibt demnächst (noch nicht veröffentlicht) eine Ladung von ca. 230 
PS2-Konsol Monitoren 7,2". Sie sollen technisch identisch sein zu den 
5,6", und mit UK Stecker. Preis in etwa wie die 5,6" Version (hek ca. 
15-18 zzgl mwst, weiß noch nix genaues)

von Benedikt K. (benedikt)


Lesenswert?

Wegstaben Verbuchsler wrote:
> es gibt demnächst (noch nicht veröffentlicht) eine Ladung von ca. 230
> PS2-Konsol Monitoren 7,2". Sie sollen technisch identisch sein zu den
> 5,6"

Sind das zufällig die 16:9 Displays? Die hatten glaube ich 420x234 oder 
sowas in der Richtung.

von Andreas J. (antibyte)


Angehängte Dateien:

Lesenswert?

Hab das Timing nun doch nahezu perfekt.
Mit dem großen Font ist das auch aus zwei Meter Entfernung noch lesbar 
:)
Und aus etwas Entfernung sieht es auch noch echt gut aus, man
darf nur nicht genau hinschauen :)

von Benedikt K. (benedikt)


Lesenswert?

Andreas Jakob wrote:
> Hab das Timing nun doch nahezu perfekt.

Hast du H und VSync direkt eingespeist? Ich bekomme diese Verbiegung 
oben einfach nicht weg.

Ich habe das Display jetzt auf NTSC umgestellt, das hat etliche 
Vorteile: Das Verhältnis nutzbare Auflösung zu anzusteuernde Auflösung 
wird besser, und die weiße Linie oben am Rand ist weg.
Damit erhalte ich gut lesbare 20x18 Zeichen Text.

von Andreas J. (antibyte)


Angehängte Dateien:

Lesenswert?

Nope, die Drähte in den VGA-Port gestopft und H/Vsync kurzgeschlossen ;)
Hat sicherlich Optimierungsbedarf :)
Hast du Pin 14 getrennt, oder nur per Widerstand umgeswitched ?

Hier die aktuellen Werte :

long 320 'horizontal display ticks

long 2 'horizontal front porch ticks

long 9 'horizontal sync ticks

long 39 'horizontal back porch ticks

long 220 'vertical display lines

long 4 'vertical front porch lines

long 3 'vertical sync lines

long 58 'vertical back porch lines

long 5_880_000 'tick rate (Hz) }

von Benedikt K. (benedikt)


Lesenswert?

Andreas Jakob wrote:
> Nope, die Drähte in den VGA-Port gestopft und H/Vsync kurzgeschlossen ;)

Hmm, dürfte eigentlich garnicht funktionieren, aber ich werde es auch 
mal ausprobieren.

> Hast du Pin 14 getrennt, oder nur per Widerstand umgeswitched ?

Ich habe bei einem Display das Kabel zum TFT verlängert und dabei auch 
den Stecker ausgelötet. Neben dem NTSC/PAL pin liegt GND. GND und 
NTSC/PAL liegen daher auf einem verbreiterten, gemeinsamen Lötpad, 
weshalb das Umstellen auf NTSC nicht so einfach ist.

> long 220 'vertical display lines
>
> long 4 'vertical front porch lines
>
> long 3 'vertical sync lines
>
> long 58 'vertical back porch lines

Du gibst nur 220 Zeilen aus, und das füllt das komplette TFT? Seltsam, 
dürfte eigentlich nicht funktionieren.

Wobei, ich habe gerade festgestellt, dass 12x18=216 deinen 220 Zeilen 
sehr nahe kommt. Allerdings bei mir eben im NTSC Modus.
Dann scheint das TFT auch keine Zeilen zu überspringen, sondern alle 
darzustellen.

von Timo B. (Firma: MicroForge) (timob)


Lesenswert?

Ich finde das wirklich hübsch, was ihr da macht! Ich werde da regelrecht 
neidisch :)

von Torsten S. (tse)


Lesenswert?

Timo Birnschein wrote:
> Ich finde das wirklich hübsch, was ihr da macht! Ich werde da regelrecht
> neidisch :)

Du bist nicht alleine, geht mir genauso. ;-)

Torsten

von Andreas J. (antibyte)


Lesenswert?

Benedikt K. wrote:
> Du gibst nur 220 Zeilen aus, und das füllt das komplette TFT? Seltsam,
> dürfte eigentlich nicht funktionieren.

Der Parallax VGA-Textmode Treiber rechnet und begrenzt intern, das macht
es nicht einfacher.
Ich glaub ich werf die Teile mal aus dem Programm,
bei einem Röhrenmonitor durchaus sinnvoll, aber zum experimentieren
nervts :)
Den Bitmap-Treiber krieg ich garnicht zum laufen, mit 32K internem
RAM wär dass bei der Auflösung aber sehr interresant.

von Benedikt K. (benedikt)


Angehängte Dateien:

Lesenswert?

Andreas Jakob wrote:

> Den Bitmap-Treiber krieg ich garnicht zum laufen, mit 32K internem
> RAM wär dass bei der Auflösung aber sehr interresant.

Ja, für 160x120 Pixel bei 16 Farbe reichen 19200Byte. Nur leider hat 
Atmel noch nicht kapiert, dass ein paar Byte mehr SRAM nicht schaden 
würde...

Kannst du mal nachmessen was da für Frequenzen bei dir rauskommen? Ich 
bekomme die Verzerrung einfach nicht weg. Wenn ich die 
Horizontalfrequenz auf etwa 17kHz erhöhe, ist die Verzerrung fast weg, 
aber wenn ich noch höhe gehe, synchronisiert das Display nicht mehr.

Im NTSC Modus liefert das Display bei mir wirklich brauchbare 
Ergebnisse.

von Andreas J. (antibyte)


Lesenswert?

Benedikt K. wrote:

> Ja, für 160x120 Pixel bei 16 Farbe reichen 19200Byte. Nur leider hat
> Atmel noch nicht kapiert, dass ein paar Byte mehr SRAM nicht schaden
> würde...

Kappiert haben sie das schon, dauert nur noch etwas bis es auch
lieferbar ist :)

http://www.atmel.com/dyn/products/product_card.asp?PN=ATmega1284P

von Benedikt K. (benedikt)


Lesenswert?

DIP40 klingt ja echt gut.
Anscheinend besteht echt noch ein Bedarf an fetten Controllern in DIP, 
sowas wie das finde ich schon extrem:
http://www.microchip.com/wwwproducts/Devices.aspx?dDocName=en532298

Ein 40 MIPS DSP mit 16kByte SRAM und 128kByte Flash in DIP28...

von Andreas J. (antibyte)


Lesenswert?

Den kommenden Propeller 2 wirds wohl nicht mehr in DIP
geben, aber 16 CPU-Kerne a 80 Mips und 256K internes RAM
machen das wieder gut :)

http://propeller.wikispaces.com/Propeller+II

von Andreas J. (antibyte)


Lesenswert?

Benedikt K. wrote:

> Kannst du mal nachmessen was da für Frequenzen bei dir rauskommen? Ich
> bekomme die Verzerrung einfach nicht weg. Wenn ich die

17,051 KHz / 58,397 Hz

Argh, nach dem aus/einschalten ist die Verzerrung wieder da ......
und nach etwas warmlaufen wieder weg ....

von Benedikt K. (benedikt)


Lesenswert?

Andreas Jakob wrote:

> 17,051 KHz / 58,397 Hz

OK, also genauso wie bei mir. Noch ein wenig höher und das Display 
synchronisiert nicht mehr.

Das Problem entsteht wohl im LA7218. Zumindest messe ich an dessen 
Ausgang teilweise einen Jitter. Meine Vermutung: Dadurch dass während 
dem VSync das HSync Signal fehlt, bzw invertiert ist, ist die Flanke 
verschoben was die PLL durcheinander bringt.

Für das TFT selbst sind nur der TA8696 und ein Spannungswandler auf 25V 
und 13V notwendig. Das Problem ist der Schwarzschulter Clamp Impuls den 
der TA8696 benötigt. Dieser wird in der Schalung mit den Monoflops 
erzeugt. Man könnte diesen auch mit einem LM1881 erzeugen, das würde 
etliche ICs ersetzen.
Allerdings liefert dieser wiederum keinen echten HSync.

von Andreas J. (antibyte)


Lesenswert?

Die Spannungen sind bei mir nur 24 und 12 Volt.
12 Volt wird wohl aus den 24 abgeleitet.
Der SP34063 kostet bei Reichelt 20 Cent (MC34063), da lohnt
sich das auslöten kaum.
Und Pin 15 und 16 sind nicht N/C sondern H/VSync out.

von Benedikt K. (benedikt)


Lesenswert?

Andreas Jakob wrote:
> Die Spannungen sind bei mir nur 24 und 12 Volt.
> 12 Volt wird wohl aus den 24 abgeleitet.

Ja, über 2x 470 Ohm parallel und eine Z-Diode.
An dieser Stelle werden also >1W schonmal sinnlos verheizt. Wenn man 
also die Schaltung nachbaut, wäre ein 78L12 die bessere Lösung.

> Und Pin 15 und 16 sind nicht N/C sondern H/VSync out.

Und auch hier ist deutlich wieder der Jitter zu sehen.
Ich hätte gedacht, Pin 12 des LA7218 ist der Analogfilter der PLL, aber 
selbst ein riesiger Elko an diesem Pin verändert nichts an der 
Verzerrung.

von Andreas J. (antibyte)


Lesenswert?

Benedikt K. wrote:
> Hier der nächste Teil meiner Analyse:

> Die RGB Signale bestehen aus diesem DC Offset, und einem Rechtecksignal
> von halber Zeilenfrequenz, also 7,8kHz. Es wechselt also in jeder Zeile
> seinen Pegel. Auf das Rechteck aufmoduliert ist das Videosignal mit etwa
> 2Vss.
> Die Amplitude des Rechtecks beträgt etwa zwischen 7Vss und etwa -4Vss
> (es wird negativ) je nach Potieinstellung. Das Helligkeitspoti

Wenn ich das richtig sehe, müsste man den Videoteil doch recht
einfach durch Software ersetzen können ?

RGB-Signal auf 2V begrenzen
Gerade Zeilen   :  Invertiertes RGB-Signal mit 15 Volt Nullpunkt
Ungerade Zeilen :  RGB-Signal mit 4 Volt Nullpunkt

Die Kontrollsignale für die Invertierung scheint ja das Display sogar
schon zu liefern.

von Benedikt K. (benedikt)


Lesenswert?

Andreas Jakob wrote:

> Wenn ich das richtig sehe, müsste man den Videoteil doch recht
> einfach durch Software ersetzen können ?

Von der Software her ja, aber mir macht mehr die Hardware Probleme.

> RGB-Signal auf 2V begrenzen

Ist eigentlich garnicht notwendig, denn weniger als schwarz und mehr als 
weiß geht nicht.

> Gerade Zeilen   :  Invertiertes RGB-Signal mit 15 Volt Nullpunkt
> Ungerade Zeilen :  RGB-Signal mit 4 Volt Nullpunkt

Gerade und ungerade Zeilen ist nicht ganz richtig, dass muss zusätzlich 
noch in jedem Frame getauscht werden, damit kein DC an dem Display 
anliegt.

Das Problem ist hier aber: Die Amplitude ist von TFT zu TFT etwas 
verschieden, ebenso driftet das ganze über den Temperaturbereich.
Man bräuchte hier auf jedenfall etwas an Hardware um mit einem µC diese 
Pegel zu erzeugen.
Das einzige was mir spontan einfällt wäre ein DAC (z.B. R2R) gefolgt von 
jeweils einem OP der die Pegel von 0-5V auf 0-15V bringt. Der DAC müsste 
nur eine relativ hohe Auflösung haben, um mehr als eine Farbe zu 
produzieren, denn gemessen am Offset ist das RGB Signal klein. Damit 
würde man dann direkt mit dem µC das komplette Signal für das TFT 
erzeugen.

Vielleicht wäre es auch einfacher wenn man nur das Videosignal erzeugt, 
und das Rechteckinvertierungssignal per Hwardware. Dann das RGB Signal 
AC gekoppelt auf das Rechtecksignal überlagert. Man müsste nur zu Beginn 
jeder Invertierung kurz den Koppelkondensator entsprechen auf das Offset 
aufladen.

> Die Kontrollsignale für die Invertierung scheint ja das Display sogar
> schon zu liefern.

Ja, die Frage ist nur, wie genau (zeitlich gesehen) man dazu die 
Invertierung machen muss. Vermutlich sofort, von daher wäre eine 
Invertierung per Hardware besser.

Dann gibt es noch das common voltage input Signal. Dieses könnte man 
durch eine Mittelwertbildung der RGB Signale über eine längere Zeit (-> 
RC Tiefpass) recht einfach und genau erhalten.

von Andreas J. (antibyte)


Lesenswert?

Hmm,

Spannungserzeugung MC34063 + vorhandene Spule + 78L12 + 78L15

Hochspannungsteil hat eh nur 9 Bauteile, könnte man noch reduzieren
und mit PWM vom Microcontroller dimmbar machen.

Dazu noch ein Quad-Opamp und etwas Hühnerfutter.

Als Controller vielleicht ein Mega8.

Müsste fast als einseitige Platine machbar sein.

Würde ein billiges Farb-Textterminal ergeben, wenn es
denn machbar ist.

Mit entsprechend großem Font sieht es ja echt gut aus, wie
man auf meinem Bild weiter oben sieht.

von Benedikt K. (benedikt)


Lesenswert?

Andreas Jakob wrote:

> Spannungserzeugung MC34063 + vorhandene Spule + 78L12 + 78L15

Ich würde den OP dann direkt aus den 25V versorgen, stört ja nicht.

> Als Controller vielleicht ein Mega8.

Ich würde eher mega88/168 verwenden, ersten wegen dem Takt (ich betreibe 
den mega88 momentan mit 20MHz um die 20x18 Zeichen darstellen zu 
können), andererseits den mega168 wegen dem Flash. Ich habe eine schöne 
16x26 Schriftart, mit der 10x8 Zeichen darstellbar sein sollten. Nur ist 
diese 13kByte groß.

> Müsste fast als einseitige Platine machbar sein.

Ja.

> Mit entsprechend großem Font sieht es ja echt gut aus, wie
> man auf meinem Bild weiter oben sieht.

Ja, und auch der kleinere ist gut lesbar, wenn man 
Vorder/Hintergrundfarbe passend wählt.

von Andreas J. (antibyte)


Lesenswert?

Was noch ein Problem darstellen könnte,
in Datenblättern anderer Panels habe ich gelesen
dass die Spannungen beim einschalten in vorgegebener Reihenfolge 
anzulegen
sind, um eine Zerstörung des Panels zu verhindern.
Ohne Datenblatt ist das schwierig nachzuvollziehen.
Die Chinesen scheinen hier aber auch keine Mechanismen eingebaut
zu haben.

von Benedikt K. (benedikt)


Lesenswert?

Andreas Jakob wrote:
> Was noch ein Problem darstellen könnte,
> in Datenblättern anderer Panels habe ich gelesen
> dass die Spannungen beim einschalten in vorgegebener Reihenfolge
> anzulegen
> sind, um eine Zerstörung des Panels zu verhindern.

Das ergibt sich eigentlich von alleine:
Als erstes müssen die 5V anliegen, passiert hier auch, denn das ist die 
niedrigste Spannung.
Da aus der Betriebsspannung die 25V erzeugt werden, liegt diese 
automatisch später an.
Die Zeiten werden zwar nicht ganz eingehalten, aber ich habe bisher noch 
nie eine Anwendung gesehen, die sich da wirklich 100%ig dran gehalten 
hat, vor allem beim Abschalten (ist ja auch schwer wenn jemand den 
Netzstecker zieht).

Was mir aufgefallen ist: Wenn man das Ansteuersignal abschaltet, dann 
bleibt das Bild auf dem TFT stehen und verblasst. Das ist definitiv 
nicht gut für die Lebensdauer, wenn man das eine längere Zeit macht.

Bei einem normalen TFT Panel wie es in jedem Laptop oder PC Monitor 
verbaut ist, ist die Spannungserzeugung meist in dem Panel integriert. 
Wenn man das Abschaltet verblasst das Panel über etliche 10 Sekunden, da 
die Kondensatoren der Spannungsversorgung sich langsam entladen. Die 
Lösung her Hersteller im Datenblatt: Man soll das Backlight abschalten, 
damit das nicht störend auffällt...

Aber nochmal zurück zur Erzeugung der Signale:
Wie würdest du das machen mit den RGB Signalen per µC erzeugen?

von Benedikt K. (benedikt)


Lesenswert?

Mir ist gerade etwas aufgefallen:
Der TFT wird nicht mit dem HSync von dem LA7218 versorgt, sondern mit 
dem Composite Sync Signal. Das HSync Signal ist irgendwie asynchron zu 
dem Composite Sync. Und das TFT läuft auch ohne den 500kHz Resonator!
Man sollte also theoretisch die beiden CMOS/TTL Monoflop ICs und den 
LA7218 durch einen LM1881 ersetzen könnnen.

Ohne den LA7218 und mit HSync und VSync getrennt ist das Bild auf 
jedenfall deutlich besser (die Verzerrung ist komplett weg)

von Benedikt K. (benedikt)


Lesenswert?

Und die weiße Linie ganz oben bekommt man weg, wenn man die Zeilenanzahl 
verändert, bei meinem Timing reicht es aus, wenn die Zeilenanzahl 
ungerade ist.
Vermutlich ist die Invertierung ansonsten zu früh/spät.

von Wigbert P. (wigbert) Benutzerseite


Lesenswert?

Toll was hier jetzt passiert!

Mal so laut gedacht, ist es ähnlich wie mit dem Pollindisplay gedacht
Eine Seite Befehle mit Daten rein andere Seite "Farbausgabe"
notfalls würde ein Sram mich nicht stören.
Ich würde das Projekt bei Bedarf auch mit einer Hardware 
Sammelbestellung unterstützen.

Wigbert

von Andreas J. (antibyte)


Lesenswert?

Benedikt K. wrote:
> Mir ist gerade etwas aufgefallen:
> Der TFT wird nicht mit dem HSync von dem LA7218 versorgt, sondern mit
> dem Composite Sync Signal. Das HSync Signal ist irgendwie asynchron zu
> dem Composite Sync. Und das TFT läuft auch ohne den 500kHz Resonator!
> Man sollte also theoretisch die beiden CMOS/TTL Monoflop ICs und den
> LA7218 durch einen LM1881 ersetzen könnnen.
>
> Ohne den LA7218 und mit HSync und VSync getrennt ist das Bild auf
> jedenfall deutlich besser (die Verzerrung ist komplett weg)

Cool, mach mal ein Bild bitte.

von Benedikt K. (benedikt)


Angehängte Dateien:

Lesenswert?

Auf dem Foto noch mit Linie, aber die ist mittlerweile auch weg.
Ich finde man kann den Text gut lesen, wenn die Farben günstig gewählt 
sind.

von Benedikt K. (benedikt)


Angehängte Dateien:

Lesenswert?

So sieht der TFT offen aus.
Am Kabel sieht man schon, dass es nichtmehr lange dauert, bis die große 
Platine komplett durch was eigenes ersetzt wird...

von Benedikt K. (benedikt)


Angehängte Dateien:

Lesenswert?

Und so habe ich die Schaltung geplant (schneller Entwurf, weder getestet 
noch komplett durchgerechnet.)

2,5V entsprechen dem Nullpunkt. Diese stellen sich ein, wenn der AVR 
alle Pins auf hochohmig schaltet.
Diese 2,5V werden um etwa Faktor 4 auf rund 10V verstärkt (der 
Absolutwert dürfte nicht allzu kritisch sein, wichtig ist die Spannung 
zwischen Common input und den RGB Leitungen). Daher wird der Common 
Input immer auf den Mittelwert der RGB Signale gelegt.

Die 220 Ohm Widerstände modulieren die 2,5V mit dem Invertierungssignal. 
Ob der AVR das erzeugt, oder ob dazu direkt das Signal vom TFT 
übernommen werden kann, muss ich ausprobieren.
Die 1k und 2,2k Widerstände modulieren zusätzlich die Videoinformationen 
(normal oder invertiert) auf.

Um die Helligkeit einzustellen, kann man die 220 Ohm Widerstände durch 
ein 3x Poti ersetzen, oder 3 einzelne Potis verwenden. Oder man 
übersteuert das TFT total, was bei Text und Grafik auch egal ist, dann 
sind die genauen Werte unkritisch.

von Andreas J. (antibyte)


Lesenswert?

Wow das ging schnell :)
Sieht vielversprechend aus.

von Benedikt K. (benedikt)


Lesenswert?

Ich habe mal noch ein bisschen gemessen:
Im NTSC Modus wird exakt in jeder Zeile getoggelt, das mit dem nicht 
toggeln alle 6 Zeilen ist nur bei PAL so. -> NTSC wird verwendet.
Der Pin toggelt jeweils mit der fallenden Flanke von HSync. Das ist 
genau dann der Fall, wenn mein Timer überläuft. Theoretisch könnte ich 
so das Signal sogar per Timer direkt erzeugen, ich müsste nur 
kontrollieren, dass es die richtige Polarität hat.

Vielleicht lassen sich die Opamps sogar einsparen:
Das AC Signal hat eine Amplitude <5V, somit würden die Pegel vom AVR 
ausreichen. Man muss diese nur auf das entsprechende Offset bekommen.

von Andreas J. (antibyte)


Lesenswert?

Pin 15+16 machen mich noch etwas stutzig, da Polarität und
Pegel nicht den H/VSync Eingängen entsprechen.
Ich frage mich noch nach dem Zweck dieser Ausgänge.

von Benedikt K. (benedikt)


Lesenswert?

Ich ehrlich gesagt auch, ich vermut fast, dass dies die Ausgänge der 
internen PLL sind, denn auch von der Pulsbreite entsprechen diese nicht 
dem Eingangssignal.
Aber egal, die werden nicht benötigt.

Hat jemand zufällig ein Datenblatt von einem ähnlichen TFT? Ich finde 
garnichts in der Richtung, was auch nur die geringste Ähnlichkeit hat.
Vgg dürfte die Spannung für die Gatetreiber sein.
common die Backplane Elektrode.
Bei Vbb kann ich aber nur raten, denn die Bezeichnung ist nicht 
standardisiert. Eventuell die Betriebsspannung der analogen Schaltung.

von Andreas J. (antibyte)


Lesenswert?

Benedikt K. wrote:

> Bei Vbb kann ich aber nur raten, denn die Bezeichnung ist nicht
> standardisiert. Eventuell die Betriebsspannung der analogen Schaltung.

Du hast doch ein Flachbandkabel dran.
Speise doch mal direkt 13V ein und variiere die Spannung um +/- 1-2 
Volt.
Wenn es die Spannung für den Analogteil ist, sollte sich am Bild
nicht viel verändern ?

von Benedikt K. (benedikt)


Angehängte Dateien:

Lesenswert?

Ich sags mal so: Es ist noch einiges an Feintuning notwendig, aber 
prinzipiell funktionierts...

von Andreas J. (antibyte)


Lesenswert?

Wow, ich bin sprachlos :)
Die chinesische Platine dürfte bald Geschichte sein :)

Ich sehe null Widerstände ??
Was für ein Konzept hast du da erdacht ?

von Wigbert P. (wigbert) Benutzerseite


Lesenswert?

Klatsch, klatsch....
Respekt Benedikt.
Ohne Worte...

Wigbert

von Timo B. (Firma: MicroForge) (timob)


Lesenswert?

Satan! Ich bin extrem beeindruckt!

Sind die weißen Striche, die man vereinzelt erkennen kann, absicht? Oder 
steckt da noch ein kleiner Ansteuerungsfehler?

von Benedikt K. (benedikt)


Angehängte Dateien:

Lesenswert?

Andreas Jakob wrote:
> Wow, ich bin sprachlos :)
> Die chinesische Platine dürfte bald Geschichte sein :)

Ja, nur den CCFL Inverter muss ich noch umbauen. Das ist das einzige, 
das ich noch von der großen Platine verwende.

> Ich sehe null Widerstände ??

SMD

Im moment sieht die Schaltung in etwa so aus.
Da die Eingänge DC mäßig sehr hochohmig sind, kann man diesen Trick mit 
der AC Kopplung verwenden. Nur kapazitiv wird das Signal belastet.
Die Pegel passen noch nicht ganz, die Helligkeit muss noch angepasst 
werden, und die beiden 74HC04 habe ich noch nicht drin. Da das Signal 
vom TFT recht wenig belastbar ist, wird die Spannung stark verzerrt, was 
diese Störungen verursacht. Insgesamt noch einiges an Feinarbeit, aber 
es dürfte machbar sein.

von Timo B. (Firma: MicroForge) (timob)


Lesenswert?

Auch wenn das grade mal ne blöde Frage ist: Zieht ihr den Mega88 dem 
Mega8 vor, weil er offiziell 20Mhz unterstützt? Ich erkenne auf den 
ersten Blick keine wirklichen Unterschiede sonst... Mega 8 habe ich 
nämlich noch. Mega88 nicht.


EDIT: Mich würde das unter Anderem auch an nem übertakteten Mega2560 
interessieren, den ich normalerweise verwende.

von Benedikt K. (benedikt)


Lesenswert?

Timo Birnschein wrote:
> Auch wenn das grade mal ne blöde Frage ist: Zieht ihr den Mega88 dem
> Mega8 vor, weil er offiziell 20Mhz unterstützt?

Ja. Das ist bisher der einzige Grund. Normalerweise verwende ich für 
sowas auch den mega8, aber hier im Forum gibt es einige Leute die dann 
meckern: Der geht doch offiziell nur bis 16MHz, daher habe ich diesmal 
gleich den mega88 eingeplant.
Wenn ich eine größere Schriftart einbaue, dann werde ich einen mega168 
verwenden müssen, wegen dem Flash.

von Andreas J. (antibyte)


Lesenswert?

Grandios Benedikt !

Wär hätte gedacht, dass es so einfach geht ?
Werd am Wochenende die Chinaplatinen schlachten :)

von Timo B. (Firma: MicroForge) (timob)


Lesenswert?

Man beachte mein EDIT...


Benedikt, ich gehe davon aus, dass du alles assemblierst? Ich habe nicht 
wirklich viel Ahnung von ASM, also zumindest habe ich nich nie für den 
AVR wirklich etwas kompliziertes damit programmiert. Daher wäre meine 
Frage wie portabel du das gehalten hast. Wäre es auf andere AVR, z.B. 
der genannte Mega2560, oder nen Mega128 unkompliziert übertragbar?

Wieviel CPU-Last verbrät die Ansteuerung ca.? Etwa soviel wie dein 
TV-Treiber, also 60%?

von Benedikt K. (benedikt)


Lesenswert?

Timo Birnschein wrote:
>
> Benedikt, ich gehe davon aus, dass du alles assemblierst?

Nicht ganz, die Software ist in C geschrieben, nur die eigentliche 
Ausgaberoutine in asm. So kann jeder leichter eine individuelle 
Ansteuerung schreiben.

> Daher wäre meine
> Frage wie portabel du das gehalten hast. Wäre es auf andere AVR, z.B.
> der genannte Mega2560, oder nen Mega128 unkompliziert übertragbar?

Momentan ist es nicht ganz so portabel, aber das mache ich alles noch, 
wenn es erstmal richtig läuft. Es werden ein 16bit Timer und 1,5 Ports 
benötigt.

> Wieviel CPU-Last verbrät die Ansteuerung ca.? Etwa soviel wie dein
> TV-Treiber, also 60%?

Habe ich noch nicht gemessen, aber es dürfte ein klein wenig höher sein. 
Grob geschätzt um die 70-80%. Aber selbst dann bleiben noch rund 5 MIPS. 
Es darf nur nirgends für mehr als etwa 20 Takte die Interrupts 
abgeschaltet werden.

von Andreas J. (antibyte)


Lesenswert?

Mit welcher Auflösung steuerst du momentan an ?
Die native des Displays, oder etwas höher ?

von Benedikt K. (benedikt)


Lesenswert?

Etwa 170x220. Die Zeilen kann man 1:1 einhalten, bei den Spalten ist es 
etwas schwer, vor allem durch die versetzen Spalten in jeder 2. Zeile.

von Wigbert P. (wigbert) Benutzerseite


Angehängte Dateien:

Lesenswert?

Also ich finde, das Display macht noch ein ganz ordentliches Bild
für 5 €.
Dazu ein 30€ Satreceiver, also ein "Handwerkszeug" unter 50 Euro,
was will man mehr.
(Kamera könnte bessere Bilder machen)

von MichiB (Gast)


Lesenswert?

Hi,

ich bin sehr interessiert an dem/den Display(s).

Kann vielleicht jemand, der diesen Thread verfolgt hat bzw. die 
Disyplays schon getestet hat, eine kurze Zusammenfassung schreiben?

Danke

von Wigbert P. (wigbert) Benutzerseite


Angehängte Dateien:

Lesenswert?

Anbei mal alle Daten für ein Teststecker
-Boarddatei in Eagle + PDF
-Playstation Pinbelegung
-Scart Pinbelegung

ich hab bei den Prototyp des Steckers die Leiterbahnen verzinnt.
Als Anschluss wurde ein Leiterplattenverbinder(oder Wannenstecker)
für Flachbandkabel vorgesehen.

Wigbert

von Andreas J. (antibyte)


Lesenswert?

> Kann vielleicht jemand, der diesen Thread verfolgt hat bzw. die
> Disyplays schon getestet hat, eine kurze Zusammenfassung schreiben?

4" Addon Display für Playstation 2
Preis : 5 Euro (4,50 über Händleraccount)
http://www.deluxe24.com/4-Zoll-TFT-Monitor12V-KFZ-Adapter-f-PS2-Slim_p2873_x2.htm

Qualität : Bescheiden, aber bei dem Preis akzeptabel.

Beitrag "Re: 4" TFT für 7,97€"

Aüflösung : 160 x 220 Pixel RGB TFT ( Die Angaben des Herstellers sind 
gelogen !)
RGB+Composite Video Ansteuerung nur über die verbaute (große) 
Ansteuerungselektronik.

Benedikt hat eine supereinfache, direkte Ansteuerung des Panels
mit einem AVR realisiert und optimiert diese gerade.

Beitrag "Re: 4" TFT für 7,97€"

von MichiB (Gast)


Lesenswert?

@Andreas

Danke !!!

von Timo B. (Firma: MicroForge) (timob)


Lesenswert?

Öhm..... hallo?


Noch jemand da?

von UniStudent (Gast)


Lesenswert?

Falls jemand noch solche Displays stressfrei und schnell haben will: Ich 
habe hier 3 überzählige Displays in OVP rumliegen, die ich im Übereifer 
bestellt hatte in der Hoffnung dass es Möglichkeiten gibt FBAS oder Y/C 
dort mit wenig Umständen reinzubekommen...da sich das bisher nicht 
bewahrheitet hat, würde ich die 3 Stück eigentlich zurückschicken, aber 
davor würde ich sie euch für für etwaige Bastelarbeiten anbieten. Preis 
6,50 zzgl. 3,90 Versand/Stck. bzw. wenn jemand alle 3 haben wollen würde 
dann 19€ + 6,90€ Versand!

Jemand Interesse?

Grüße

von Torsten S. (tse)


Lesenswert?

[OT]

Bei mir war heute auch Weihnachten: Die 5,6er sind eingetroffen. Habe 
gleich mal eins angeschlossen.

Was soll ich sagen, das ist eine ganz andere Liga, dazwischen liegen 
Welten.

Beeindruckend ist nicht nur das Bild, sondern auch dieser Stecker vom 
UK-Netzteil. Das Teil sieht so stabil aus, das es ohne Probleme zur 
Einspeisung eines EFH tauglich ist. ;)

Danke noch einmal an den hilfsbereiten Forumteilnehmer der mir diesen 
Kauf ermöglicht hat.

Torsten

von Andreas J. (antibyte)


Lesenswert?

Benedikt ?
Hast du die Optimierung (hardwareseitig) abgeschlossen ?
Ich will mir ein einseitiges Platinenlayout erstellen,
aber nicht unbedingt das Rad erneut erfinden.

von Benedikt K. (benedikt)


Angehängte Dateien:

Lesenswert?

Ich hatte leider was anderes zu tun, daher habe ich noch keine perfekte 
Lösung. Aber zumindest habe ich das Bild sauber bekommen. Es sieht jetzt 
in etwa so aus (ohne die Linie oben): 
http://www.mikrocontroller.net/attachment/40154/tft_txt_hvsync.jpg

5V reichen leider nicht ganz aus, um den optimalen Kontrast 
einzustellen. Die RGB Signale müssen auf rund 8-9Vss gebracht, die von 
etwa 3Vss Videosignalen überlagert sind.
Daher ist ein Pegelwandler und Treiber notwendig. Ich habe dafür einen 
nichtinvertierenden Mosfet Treiber verwendet (z.B. TC4427), mit dessen 
Betriebsspannung man den optimalen Kontrast einstellt:
Ist die Spannung zu gering, ist der schwarze Hintergrund zu hell, dreht 
man die Spannung zu hoch, verblassen die Farben.

Für dessen Betriebsspannungserzeugung muss man sich noch etwas einfallen 
lassen, dazu hatte ich noch keine Zeit. Eventuell kann man R12 durch ein 
500 Ohm Poti ersetzen um so die Spannung zu erzeugen.

Auch die genauen Widerstandswerte muss ich noch optimieren, um den 
besten Kontrast und 16 unterscheidbare Farben zu erhalten.

Bei manchen TFTs muss/kann das Common Signal mit dem invertierten Signal 
vo dem Invertierungsrechteck angesteuert werden. Dies würde die 
notwendige Amplitude reduzieren, da es quasi eine Brückenschaltung ist, 
aber ohne Datenblatt und ohne die Innenbeschaltung des Displays zu 
kennen, traue ich mich das nicht.

von Timo B. (Firma: MicroForge) (timob)


Lesenswert?

Ich geb am 30.9. meine Diplomarbeit ab. Dann würde ich dich dann gerne 
fragen, ob ich mal die Sourcen haben kann (auch als direkt flashbares 
hex oder so). Ich bau das hier dann mal auf, so dass es wenigstens 
schonmal zwei laufende Schaltungen gibt.

von Benedikt K. (benedikt)


Lesenswert?

Ich versuche gerade die Schaltung noch etwas zu vereinfachen um den 
Pegelwandler direkt mit 12V zu betreiben.
Vbb scheint die Versorgungsspannung des Analogteils des TFTs zu sein. 
Die Eingangssignale dürfen anscheinend diese Spannung nie überschreiten.
Momentan habe ich einen super Kontrast, allerdings mit nur 8 Farben.

Die Software gibt es in den nächsten Tagen, ich muss da erst noch etwas 
aufräumen.

von magot192 (Gast)


Angehängte Dateien:

Lesenswert?

>Autor: Wegstaben Verbuchsler (wegstabenverbuchsler)
>Datum: 18.09.2008 20:21

------------------------------------------------------------------------ 
--------
>es gibt demnächst (noch nicht veröffentlicht) eine Ladung von ca. 230
>PS2-Konsol Monitoren 7,2". Sie sollen technisch identisch sein zu den
>5,6", und mit UK Stecker. Preis in etwa wie die 5,6" Version (hek ca.
>15-18 zzgl mwst, weiß noch nix genaues)

Hallo!

Ich habe bei www.deluxe-gmbh.de  (ebay) ein 5,6 zoll Joytech ersteigert, 
da sie aber keine mehr hatten ein 7,2 zoll 16 zu 9 Display erhalten.

Das Panel ist ein Casio GCMK-C2X und ist auf NTSC verschaltet.


Hat jemand ein paar Info´s uber diese Panel, wie schalte ich es von NTSC 
auf PAL!

gruß magot192

von Benedikt K. (benedikt)


Lesenswert?

Kannst du mal ein hochauflösenderes Foto machen? Das Display sieht 
ziemlich hochwertig aus, im vergleich zu den anderen. Was sind das für 
ICs (die 3 großen)?

von Andreas J. (antibyte)


Lesenswert?

Ja, sieht echt hochwertig aus.
Die beiden ICs oben sehen fast wie RAM-Bausteine aus.

von Benedikt K. (benedikt)


Lesenswert?

Andreas Jakob wrote:
> Die beiden ICs oben sehen fast wie RAM-Bausteine aus.

Ja, genau daher frage ich, das große IC darunter könnte ein Scanrate 
Converter oder sowas in der Art sein. Alleine schon die beiden CCFL 
Inverter deuten auf eine gleichmäßige und helle Hinterleuchtung hin. 
Selbst Laptop TFTs haben nur eine CCFL Röhre.

von magot192 (Gast)


Angehängte Dateien:

Lesenswert?

Hallo Benedikt.


Die zwei großen sind zwei Ram Chips M528221-30j und gehen uber einen 
Widerstand auf ein Pic auf die PS2 Anschlussplatine.

Der Große in der mitte ist ein Casio MB87A921A


Ich hoffe das Bild ist besser, mehr gibt meine alte Canon nicht her.

gruß magot192

von Benedikt K. (benedikt)


Lesenswert?

Die Speicher sind jeweils 256k x8 Field Memory, also insgesamt 512kByte. 
Es ist also definitiv ein Scanrate Converter drin. Wenn ich von einem 
4:2:2 YUV Signal ausgehe, dann kann der Speicher 256k Pixel speichern. 
Das sind z.B. 1024x256 Pixel an Auflösung.
Das Display ist also sehr interessant und dürfte auch ein gutes, 
hochauflösendes Bild liefern.

von Andreas J. (antibyte)


Lesenswert?

Wenn das ein Scanrate Converter ist,
stehen die Chancen nicht schlecht, dass es
an einem VGA-Ausgang funktioniert :)
Das zweiadrige Folienkabel rechts sieht mir nach
einem Temperatursensor aus.
Das ist vermutlich das technisch beste Panel bisher.
magot192, kannst du mal ein Bild darstellen und
fotografieren ?

von magot192 (Gast)


Angehängte Dateien:

Lesenswert?

Hallo antibyte,

die meinst ein Bild von der Monitor Seite.
Das ja leider mein Problem, er kann im augenblick nur  NTSC  und wenn 
ich in per Fbas an ein Gerät anschließe sehe ich nur ein 2/§ des Bildes 
in S/W


Gruß

von Andreas J. (antibyte)


Lesenswert?

@wegstabenverbuchsler,
falls du hier mitliest, könntest du nochmal
wegen den 7,2" nachfragen ?
Wäre sehr interresiert an einem :)

von magot192 (Gast)


Angehängte Dateien:

Lesenswert?

Hallo!

Auf dem Karton von dem Monitor steht übrigens  mit gestochen scharfer 
Farbwiedergabe und wirklicher RGB Farbwiedergabe.

Nur wie schalte ich den Monitor auf PAL um.
Könnte die Leitung die von den beiden Memorychips zu dem PIC16C54 auf 
der PS2 Anschlußplatine geht die NTSC/PAL Umschaltung sein?
Was mich da so wundert ist das es so gestrickt aussieht.
Ich will die Leitung nicht einfach abknipsen etc.


Gruß magot192

von Benedikt K. (benedikt)


Lesenswert?

Das kabel geht an Pin 22 oder 23 wenn ich das richtig sehe. Das sind WE 
Eingänge. Vielleicht wird nur eines der beiden Halbbilder in den 
Speicher geschrieben? Ich denke eher nicht, dass dies die PAL/NTSC 
Umschaltung ist.

Steht auf dem TFT irgendwo eine Bezeichnung? Vielleicht findet sich ja 
irgendwo ein Datenblatt.

von magot192 (Gast)


Angehängte Dateien:

Lesenswert?

Das einzige was ich gefunden habe ist Casio GCMK-C2X


Auf dieser Seite steht
http://www.mp3car.com/vbulletin/lcd-display/125112-help-connecting-intec-xbox-screen-plz.html 
was von cmw72ns46p

Und jetzt habe ich diese PDF gefunden!

gruß magot192

von Benedikt K. (benedikt)


Lesenswert?

GCMK-C2X ist irgendwas anderes (Platinenhersteller, Brandschutztest oder 
sowas). Das Datenblatt könnte passen. Demnach ist das kein TFT, sondern 
nur ein passives LCD. Dafür sprechen auch die großen Treiber ICs, der 
Speicher (wegen der PWM mit der die Farben erzeugt werden) und der 
schlechter Blickwinkel (hier sieht man deutlich dass die Farben 
teilweise invertiert sind: 
http://www.mikrocontroller.net/attachment/40474/IMG_1763.jpg)

Es ist also doch wieder nur ein altes Display das billig zu bekommen war 
und daher in diesen Monitor eingebaut wurde. Schade.

von Andreas J. (antibyte)


Lesenswert?

Tja, für ein passives LCD ist der Preis dann doch nicht
so toll. Für < 10 Euro wär es okay.

von magot192 (Gast)


Lesenswert?

Hallo Benedikt,

die Anschlußplatine die du hier beschreibst:
http://www.mikrocontroller.net/attachment/25199/ps2_tft_rgb2.jpg
ist die selbe wie in meinem 7.2 Zoll Casio gibt es auf ihr irgend eine 
Möglichkeit von NTSC auf Pal umzuschalten?


gruß mg1234s

von Benedikt K. (benedikt)


Lesenswert?

Welche Frequenz hat der Quarz der sich auf der Platine befindet?

von Stefan W. (wswbln)


Lesenswert?

Benedikt K. wrote:
> ...Demnach ist das kein TFT, sondern
> nur ein passives LCD. Dafür sprechen auch die großen Treiber ICs, der
> Speicher (wegen der PWM mit der die Farben erzeugt werden) und der
> schlechter Blickwinkel...

Ebenso spricht der Temperaturfühler für diese These, denn wäre das Panel 
ein TFT, dann wäre der von aussen nicht sichtbar auf der 
Panel-Elektronik "versteckt".  Aber es spricht schon ein wenig für das 
Design, dass überhaupt einer drauf ist.

von Benedikt K. (benedikt)


Lesenswert?

Stefan Wimmer wrote:
> Aber es spricht schon ein wenig für das
> Design, dass überhaupt einer drauf ist.

Ja, insgesamt sieht die Platine mit den 2 CCFLs hochwertig aus. Ich 
vermute aber, dass das Display einfach nur alt ist. Passive Displays für 
TV Anwendungen verwendet heutzutage niemand mehr, und das nicht erst 
seit gestern. Ich habe nirgends Datecodes lesen können, aber ich würde 
auf etwa 10 Jahre tippen.

von Andreas J. (antibyte)


Lesenswert?

> seit gestern. Ich habe nirgends Datecodes lesen können, aber ich würde
> auf etwa 10 Jahre tippen.

Wobei es damals sicher ein kleines Vermögen gekostet hat :)

von Benedikt K. (benedikt)


Lesenswert?

Kann gut sein. Casio ist ja als Hersteller von LCD TVs aller Preis und 
Qualitätsklassen bekannt.

von magot192 (Gast)


Lesenswert?

Autor: Benedikt K. (benedikt)
Datum: 28.09.2008 19:54

------------------------------------------------------------------------ 
--------
Welche Frequenz hat der Quarz der sich auf der Platine befindet?

Der Quartz hat 3,579545 MHz

von Torsten S. (tse)


Lesenswert?

magot192 wrote:
> Der Quartz hat 3,579545 MHz

NTSC, sorry

von magot192 (Gast)


Lesenswert?

Autor: Torsten S. (tse)
Datum: 28.09.2008 22:19

------------------------------------------------------------------------ 
--------
magot192 wrote:
> Der Quartz hat 3,579545 MHz

NTSC, sorry


Naja die Aussage hätte ich auch Treffen können!!!!!

NTSC habe ich schon einzwei mal in diesem .... verwendet.


Aber was heißt das jetzt, keine Möglichkeit das  Ding als PAL-Moni zu 
verwenden, Quarz tauschen gegen ..... Mhz etc. etc.

gruß

von Torsten S. (tse)


Lesenswert?

magot192 wrote:

> Naja die Aussage hätte ich auch Treffen können!!!!!

Genau, wenig überraschend. ;)
Wenn auf der Rückseite ein M52042FP verbaut ist - und davon gehe ich aus 
- sieht es eher schlecht aus.

von Benedikt K. (benedikt)


Lesenswert?

Auf der Platine von dem 5,6" TFT ist ein M52045FP verbaut. Der macht 
PAL->RGB. Wenn bei dir ein 52042 verbaut ist, wie Torsten schon 
geschrieben hat, dann ist die einzige Möglichkeit direkt über RGB zu 
gehen, falls das TFT das Timing akzeptiert.

Das 7" TFT ist daher also ziemlich uninteressant. Das 5,6" TFT war also 
noch das beste bisher.

von smiler (Gast)


Lesenswert?

Pal wäre zwar einfacher, aber ich kann ja viele Geräte auf NTSC 
umstellen.
Ich wollte mir so ein Teil kaufen und das an einen DVB-T Receiver 
hängen, der auch NTSC in 16:9 ausgibt, das müsste doch funktionieren!?

Aber ich hab noch eine andere Frage: wenn ich nur s/w bräuchte (für 
meine mal erwähnten kleinen CCD-Cams weiter oben im Thread) gäbe es dann 
eine Möglichkeit die an dem 7" TFT zu betreiben?

von Timo B. (Firma: MicroForge) (timob)


Lesenswert?

Noch jemand da?

Ich hätte immernoch sehr gerne zugriff auf die Software für den Mega8.
Die Teile habe ich soweit zusammen, daher würde ich das echt gerne mal 
testen :)

von Benedikt K. (benedikt)


Angehängte Dateien:

Lesenswert?

Sorry, hatte ich ganz vergessen. Ich bin leider nichtmehr dazugekommen, 
noch viel weiterzumachen. Die Funktionen um Daten per UART zu empfangen 
ist eingebaut, hat aber noch irgendeinen Bug, denn der AVR startet 
öfters mal neu, daher sind diese deaktiviert (; hinter der for Schleife, 
vor den Befehlen in main).

von Timo B. (Firma: MicroForge) (timob)


Lesenswert?

Hi Benedikt,

ich habe mir die Sachen gezogen. Wir haben heute ne kleine Platine mit 
Eagle und Autorouter hingeklatscht und gefräst, so dass ich das diese 
Woche noch aufbauen kann. Das Layout war mir erstmal egal, da ich 
erstmal etwas sehen möchte, bevor ich da extra viel energie investiere. 
Aber das wird so schonmal laufen. Ne Endversion kommt, wenn erste 
Erfolge zu sehen sind.

Vielen Dank für deinen Code! Ich bin wirklich sehr gespannt!

Gruß
Timo

von Timo B. (Firma: MicroForge) (timob)


Lesenswert?

So, ich werde wohl heute abend mal deine schaltung aufbauen.

Daher wollte ich nochmal fragen, welche Pinbelegung das Display nun 
genau hat und welche Spannungen noch extern benötigt werden bzw. Pins 
irgendwo zu verbinden sind, damit das für einen ersten, einfachen 
Versuch laufen kann.

Gruß
Timo

von Benedikt K. (benedikt)


Lesenswert?

Die Belegung ganz am Anfang von diesem Thread passt. An Spannungen 
werden 25V, 13V (bei mir 12V), 5V mit ein wenige Belastbarkeit und etwa 
8V bei nahezu keinem Strom für common benötigt.
Anscheinend darf keines der Eingangssignale größer als die 13V Spannung 
sein, da diese vermutlich die Betriebsspannung für die Analogstufe ist.

von Ralph B. (jalphieee)


Lesenswert?

Hallo zusammen,
sorry wenn ich mich hier reinmogele...
Ich habe auch den 5,6Zöller bei der bekannten Firma ersteigert und nach 
Rücksprache mit mir wurde dann zum gleichen Preis ein 7,2er geliefert 
(der 5,6er war nicht mehr lieferbar). Soweit so gut. Ich möchte den 
Monitor zunächst als Kontrollmonitor mit AV-Eingang verwenden. Problem 
ist nun, es steht NTSC drauf und ich habe ja PAL. In dem Thread habe ich 
gelesen man kann das Display über einen Pin umschalten. Kann auch den 
den FBAS-RGB-Wandler umschalten oder brauche ich dazu neue Hardware? Im 
letzteren Fall würde ich ihn dann wahrscheinlich zurückschicken.
Vielen Dank im voraus für Eure Hilfe!
Viele Grüße,
Jalphieee

von Benedikt K. (benedikt)


Lesenswert?

Ralph B. wrote:
> Kann auch den
> den FBAS-RGB-Wandler umschalten oder brauche ich dazu neue Hardware? Im
> letzteren Fall würde ich ihn dann wahrscheinlich zurückschicken.

Schau mal hier:
Beitrag "Re: 4" TFT für 7,97€"

Wenn das bei dir auch so ist, siehts schlecht aus. Also entweder per RGB 
draufgehen, oder umtauschen.

von Timo B. (Firma: MicroForge) (timob)


Angehängte Dateien:

Lesenswert?

Es geht doch nichts über Ultra-Rapid-Prototyping :)

Allerdings sind mir die Teile hier ausgegangen. Ich muss erst wieder den 
Vorrat meines Vaters plündern.

Die Platine ist übrigens mit einer Eigenbau CNC-Fräse hergestellt. Kein 
Drucken, kein Plotten, kein Ätzbad, kein Spülen. Das Die Fräse ist noch 
nicht perfekt - beispielsweile müssen die Löcher noch mit der Hand 
durchgebohrt werden, aber alles in allem geht das so schneller als auf 
Lochraster :)

von Timo B. (Firma: MicroForge) (timob)


Angehängte Dateien:

Lesenswert?

Und noch die eigentlich interessante Unterseite...

Die Präzisionskontakte auf der Oberseite sind dazu da, dass man schnell 
mal nen Widerstand wechseln kann, um die richtige Kombination einfach 
finden zu können, ohne dauernt den Lötkolben bemühen zu müssen. Das 
sollte das Arbeiten deutlich vereinfachen.

von Benedikt K. (benedikt)


Lesenswert?

Hast du die Schaltung aus meinem ersten Entwurf aufgebaut? Das mit dem 
74S04 wird nicht richtig funktionieren, da die Spannung zu niedrig ist: 
Ein HC04 liefert schon etwas wenig Spannung, mit einem S04 wird die 
Spannung nochmal kleiner. Weiterhin habe ich einen mega88 verwendet. Du 
musst daher ein paar Sachen anpassen.

Kannst du mal ein Foto von der Fräse machen? Sowas hätte ich auch 
gerne...

von Timo B. (Firma: MicroForge) (timob)


Lesenswert?

Ich check das nochmal, aber der Mege8 sollte Pinkompatibel zum Mega88 
sein. Aber ich kann mich natürlich irren.
Den 74S04 kann ich gegen nen HC04 tauschen. Irgendwo in unserem 
Sortiment wird noch einer rumliegen.

Ich habe deine beiden Schaltungen etwas kombiniert. Der 7404 soll 
erstmal nur dazu führen, dass ein Bild zu sehen ist. Wenn die 
Bildqualität nicht stimmt, dann wäre das erstmal nicht schlimm.

Wenn ich erstmal nen Bild sehe, werde ich ne neue Platine machen, mit 
SMD-Teilen und vielleicht auch dem Inverter drauf. Dann kann man die 
Platine mit dem Mega8(8) hinter das Display packen und mit deiner 
Software dann per RS232 mit Inhalt füllen.

Bei diesem Versuch gehts erstmal um das Experiment, bis man was 
zitterfreies, unverzerrtes sieht. Notfalls schmeiß ich den 7404 raus und 
nehme nen OpAmp statt dessen. Soweit ich das sehe machst du da an sich 
ja nur ne Impedanzwandlung, von daher sollte es recht einfach sein, das 
an der Stelle zu modifizieren. Oder was meinst du?

von Benedikt K. (benedikt)


Lesenswert?

Timo Birnschein wrote:
> Ich check das nochmal, aber der Mege8 sollte Pinkompatibel zum Mega88
> sein.

Ja, du musst aber die Software anpassen (TIMSK->TIMSK0 müsste das 
einzigste sein, glaube ich).

> Ich habe deine beiden Schaltungen etwas kombiniert. Der 7404 soll
> erstmal nur dazu führen, dass ein Bild zu sehen ist. Wenn die
> Bildqualität nicht stimmt, dann wäre das erstmal nicht schlimm.

Das Bild wird nur etwas zu hell sein.

> Soweit ich das sehe machst du da an sich
> ja nur ne Impedanzwandlung, von daher sollte es recht einfach sein, das
> an der Stelle zu modifizieren. Oder was meinst du?

Das auch. Der Mosfet Treiber macht 5Vss -> 10Vss und dient eben auch als 
Treiber mit niedrigem Innenwiderstand. Anfangs hatte ich nur die HC04 
als Treiber drauf, aber die 5Vss sind etwas zu wenig.

von sebgarske (Gast)


Lesenswert?

Mein 7,2er ist heute auch gekommen, wollte es eigentlich als Display für 
meinen HTPC Verwenden, hab aber auch das NTSC Problem.
Könnte ich die Platine mit dem RGB Wandler tauschen oder müsste am 
display auch etwas getauscht/gelötet werden.
Falls das mit dem rgb wandler geht hätte einer der direkt über RGB 
angeschlossen hat noch einen für mich über oder würde jemant tauschen 
wollen?
Zur not muss ich meinen TV halt über NTSC Laufen lassen

MFG Sebgarske

von Andreas J. (antibyte)


Lesenswert?

Ich hab noch ein 5,6" TFT originalverpackt gehamstert.
Die PAL-> RGB Platine würde ich für 4 Euro inkl. Versand abgeben.
Das auseinanderschrauben ist bei dem Teil ein Alptraum.
Der Typ der das designed hat war Schraubenfetischist :)
Ich kann dir aber nicht versprechen, dass es damit funktioniert....

http://www.mikrocontroller.net/attachment/25199/ps2_tft_rgb2.jpg

von Daniel R. (drd)


Lesenswert?

Wie hoch ist denn die Auflösung von dem 7" Display?

von Timo B. (Firma: MicroForge) (timob)


Lesenswert?

Benedikt K. wrote:
> Die Belegung ganz am Anfang von diesem Thread passt.

Das ist gut.

> An Spannungen werden 25V, 13V (bei mir 12V), 5V

Hab ich.

> 8V bei nahezu keinem Strom für common benötigt.

Ist ja im Schaltplan über nen Spannungsteiler.

Die Frage ist nur, was ich mit PIN 12 mache:
4[out] signal voltage / phase inversion control out
9[in] common voltage input
12[out] common voltage / phase inversion control output


Pin 4 ist bei dir PHASE_INVERSION
Pin 9 sind die 8V COMMON
Pin 12 ist mir dann aber über. Ich habe das erstmal nicht angeschlossen.

Außerdem sind mir noch zwei Fragen aufgetaucht: Laufen H_Synch und 
V_Synch erst, wenn das Display dran ist? Am Ozsi wird mir im Trockenlauf 
ohne Display nichts angezeigt auf diesen Leitungen.
Wo bekomme ich 24V-25V her? Ne Ladungspumpe mit auf die nächste Platine 
zu packen würde evtl die Größe deutlich aufblasen...

An sonsten läuft erstmal der Mega8 auf 20MHz, ich habe folgende Zeilen 
im Code dazu angepasst:
1
  TIMSK=(1<<OCIE1A);
2
  TIFR=(1<<OCF1A);

das war vorher:
1
  TIMSK1=(1<<OCIE1A);
2
  TIFR1=(1<<OCF1A);

Das wars auch schon. Der Rest kompiliert so durch.

Ich hoffe das Display morgen mal komplett anschließen zu können. Es 
fehlen noch die Drähte für die Displayspannungsversorgungen.

Gruß
Timo

PS: An der Fräse arbeitet mein Vater schon seit geraumer Zeit. Sie hat 
inzwischen unterschiedlichste Wandlungen durchgemacht und war 
ursprünglich nicht für Platinen vorgesehen. Mittlerweile geht aber auch 
das so leidlich, solange die Strukturen nicht zu fein werden. Also 
DIP-Bauteile gehen ganz gut. Aber SMD braucht man derzeit noch nicht zu 
versuchen. Foto folgt später.

von Benedikt K. (benedikt)


Lesenswert?

Timo Birnschein wrote:
> Pin 4 ist bei dir PHASE_INVERSION
> Pin 9 sind die 8V COMMON
> Pin 12 ist mir dann aber über. Ich habe das erstmal nicht angeschlossen.

Genau. Pin 12 ist vom Timing her identisch mit Pin4, hat nur einen 
anderen Pegel (Pin 4: Logik Pegel, Pin 12: etwa 7Vss + Offset)

> Außerdem sind mir noch zwei Fragen aufgetaucht: Laufen H_Synch und
> V_Synch erst, wenn das Display dran ist? Am Ozsi wird mir im Trockenlauf
> ohne Display nichts angezeigt auf diesen Leitungen.

Eigentlich sollten HSync und VSync immer laufen.
Kommentier mal das IJMP im asm Code aus. Vielleicht liegt es an den LDS 
Befehlen, da beim mega88 diese Register nicht mehr mit IN angesprochen 
werden können.

> Wo bekomme ich 24V-25V her? Ne Ladungspumpe mit auf die nächste Platine
> zu packen würde evtl die Größe deutlich aufblasen...

Ich habe einen Stepup mit einem 34063 verwendet, da das Display doch 
einiges an Strom zieht (ich komme auf etwa 0,3A bei 5V).

von Timo B. (Firma: MicroForge) (timob)


Lesenswert?

Benedikt K. wrote:

> Eigentlich sollten HSync und VSync immer laufen.
> Kommentier mal das IJMP im asm Code aus. Vielleicht liegt es an den LDS
> Befehlen, da beim mega88 diese Register nicht mehr mit IN angesprochen
> werden können.

Hm, das hat nichts gebracht. Zur Kontrolle werde ich morgen mal die 
entsprechenden PortPins direkt ansprechen. Ich meine auch, dass ich da 
zu Anfang der Löterei heute Abend auch was auf dem Oszi flimmern sehen 
habe. Da allerdings auch speziell MOSI auf einem der Pins liegt, gehe 
ich nicht davon aus, dass ich den Mega kaputt gemacht habe. Flashen und 
Verifizieren geht nämlich noch. Und die Farben laufen wie gesagt 
ebenfalls alle.

von Benedikt K. (benedikt)


Lesenswert?

Das Problem dürfte dann rund um den Timer 1 zu suchen sein: Wenn der 
nicht läuft, erzeugt er kein PWM Signal (HSync) und auch keinen 
Interrupt in dem alles weitere abläuft (Ausgabe der Bilddaten, VSync 
usw.)
Schau am besten aber auch mal nach, ob die Pinzuordnung in der param.h 
mit dem im Schaltplan übereinstimmt. Ich habe da ein paar Sachen 
mehrmals geändert, kann auch sein, dass ich da noch was übersehen habe.

von Benedikt K. (benedikt)


Lesenswert?

Hier mal ein paar allgemeine Infos zur Funktionsweise des TFTs:
- Das TFT ist ein normaly white TFT, d.h. ohne Ansteuerung ist es 
durchsichtig, mit Ansteuerung wird es schwarz (so wie es auch bei den 
einfachen Character LCDs meist ist).
- Das heißt also, eine niedrige Spannung bedeutet weiß, eine hohe 
Spannung schwarz.
- Da es ein LCD ist, benötigt es eine Wechselspannung. Der Bezugspunkt 
ist die Common Voltage. Sobald die Spannung an den RGB Eingängen mehr 
als etwa 3-4V Abstand von Common hat (egal ob positiver oder negativer), 
wird der Pixel dunkel. Da bei den 5V vom AVR nur 2,5V in jede Richtung 
übrig bleiben, reicht das nicht. Daher wird zusätzlich über den Mosfet 
Treiber ein zusätzliches Offset erzeugt. Ohne dieses ist das Bild etwas 
zu hell.

Vielleicht ist das Ansteuerprinzip jetzt etwas klarer. Wenn nicht, fragt 
nach.

von Timo B. (Firma: MicroForge) (timob)


Angehängte Dateien:

Lesenswert?

1
//Horizontal
2
#define PIXLINE    1280  // Anzahl an Pixel pro Zeile
3
#define XSize    20    // Anzahl an Zeichen pro Zeile
4
#define XStart    165    // Pixelstartposition der Bildausgabe
5
#define SyncWidth  50    // Breite des Sync Pulses
6
7
// Vertikal
8
#define LINES    263    // Anzahl an Bildzeilen
9
#define YSize    18    // Anzahl an Zeichen pro Bild
10
#define YStart    25    // Pixelstartposition der Bildausgabe
11
#define VSize    3    // Dauer des Sync Pulses
12
#define Height    12    // Höhe eines Zeichens in Zeilen
13
14
15
// PORTB
16
#define VSyncPIN  2
17
#define COMI    4

Das steht in der param.h. V_Synch ist bei mir aber PORTB_3 und H_Synch 
ist bei mir PORTB_1. PHASE_INVERSION liegt auf PORTB_2 und scheint daher 
mit deiner Konfiguration zu kollidieren.

Was mich wundert ist, dass ich kein HSyncPIN bei dir finde.
1
  clr tempi            ; Pixel auf schwarz    1
2
  sbic _SFR_IO_ADDR(PINB),COMI  ; Farben invertieren,  1
3
  com tempi            ; wenn COM signal positiv 1
4
  out  _SFR_IO_ADDR(PORTC), tempi  ; Pixel aus        1 -> 6 Takte pro Pixel (aber egal)

COMI scheint hingegen die PHASE_INVERSION zu sein. Die liegt in der 
param.h auf PORTB_4, was bei mir lediglich auf MISO am Programmer-Port 
geht. Siehe Anhang.





EDIT: Ich habe grade VSynch gefunden. Das liegt wirklich auf PB_2 und 
damit hackt es mir in den Ausgang des 7404 Pin4. Dann ist das eine 
Rätzel schonmal gelöst.

von Benedikt K. (benedikt)


Lesenswert?

Timo Birnschein wrote:

> Was mich wundert ist, dass ich kein HSyncPIN bei dir finde.

Das liegt daran, dass dessen Position durch den Output Compare Pin 
vorgegeben ist.
Ich sehe gerade, ich habe OC1A und OC1B vertauscht. Mist.
Von daher muss man in der Software die Werte von OCR1A und OCR1B 
tauschen, ebenso die COM1Bx auf COM1Ax ändern und den Interrupt auf 
Compare1B stellen.

von Timo B. (Firma: MicroForge) (timob)


Lesenswert?

Mit anderen Worten in tft.c:
1
void tft_init(void)
2
{  cli();
3
  DDRB=10;
4
  DDRC=255;
5
  ICR1 =PIXLINE-1;      // Bildbreite
6
  OCR1B=SyncWidth;
7
  OCR1A=XStart-70;      // etwa 72 ist maximum für idle
8
  TCCR1A=(1<<COM1B1)|(1<<COM1B0)|(1<<WGM11);
9
  TCCR1B=(1<<WGM12)|(1<<WGM13)|1;
10
11
  TIMSK=(1<<OCIE1A);
12
  TIFR=(1<<OCF1A);
13
  sei();
14
}

in
1
void tft_init(void)
2
{  cli();
3
  DDRB=10;
4
  DDRC=255;
5
  ICR1 =PIXLINE-1;      // Bildbreite
6
  OCR1B=XStart-70;
7
  OCR1A=SyncWidth;      // etwa 72 ist maximum für idle
8
  TCCR1A=(1<<COM1A1)|(1<<COM1A0)|(1<<WGM11);
9
  TCCR1B=(1<<WGM12)|(1<<WGM13)|1;
10
11
  TIMSK=(1<<OCIE1A);
12
  TIFR=(1<<OCF1A);
13
  sei();
14
}

Ändern.

EDIT: Sowie in tftgen.S:
1
.global SIG_OUTPUT_COMPARE1B
2
SIG_OUTPUT_COMPARE1B:

anpassen.

von Timo B. (Firma: MicroForge) (timob)


Lesenswert?

Jetzt läuft H_Sync auf PORTB_1 - wo es hin soll - aber weder die Farben 
noch V_Sync. Die Situation hat sich nicht verbessert :P

von Ale (Gast)


Lesenswert?

Hallo auf Alle,

Ich habe hier 2 von diese 4" Displays, eine ist aufeinandere gebaut und 
die andere auf original folie (Nicht benutzt). Wenn jemmand Porto 
bezahlt (€3,90) kann es beide haben.

Melden Sie bei mir: hppacito (ät) gmail .Punkt. com

(Ich entschuldige mich über meine schlechte Deutsch).

von Timo B. (Firma: MicroForge) (timob)


Lesenswert?

Habs nun!
1
.global SIG_OUTPUT_COMPARE1A
2
SIG_OUTPUT_COMPARE1A:

Das muss A bleiben. Wenn man den Interrupt auf B stellt, dann lübt 
nichts mehr. Jetzt läuft H_Synch, V_Synch und die Farben :D:D

Sehr cool! Jetzt brauche ich nurnoch die Spannungen...

von Benedikt K. (benedikt)


Lesenswert?

Timo Birnschein wrote:
> Das muss A bleiben. Wenn man den Interrupt auf B stellt, dann lübt
> nichts mehr.

Du hast hier noch vergessen den Interrupt von A nach B zu ändern. Ohne 
diese Anpassung passt die Bildposition nicht.

>
1
> void tft_init(void)
2
> {  cli();
3
>   DDRB=10;
4
>   DDRC=255;
5
>   ICR1 =PIXLINE-1;      // Bildbreite
6
>   OCR1B=XStart-70;      // etwa 72 ist maximum für idle
7
>   OCR1A=SyncWidth;
8
>   TCCR1A=(1<<COM1A1)|(1<<COM1A0)|(1<<WGM11);
9
>   TCCR1B=(1<<WGM12)|(1<<WGM13)|1;
10
> 
11
>   TIMSK=(1<<OCIE1B);
12
>   TIFR=(1<<OCF1B);
13
>   sei();
14
> }
15
>

von Timo B. (Firma: MicroForge) (timob)


Lesenswert?

Stimmt hatte ich übersehen, läuft jetzt auch mit dem B-Interrupt.

von Timo B. (Firma: MicroForge) (timob)


Angehängte Dateien:

Lesenswert?

Hallo Benedickt!

Es lebt! Ich habe keine 25V Spannungsquelle gefunden, daher habe ich es 
auf gut Glück mit meinem 20V Laptop-Netzteil versucht. Siehe da, es 
klappt! Ich vermute aber, dass ich noch nicht auf NTSC laufe, ich ziehe 
Pin 14 des LCD derzeit auf Masse. Momentan gehen also alle paar Zeilen 
mal eine verloren. Das Bild ist außerdem wie erwartet sehr blass, aber 
im Grundsatz funktioniert es schonmal! Sehr geil, ich freu mich :)

von Timo B. (Firma: MicroForge) (timob)


Angehängte Dateien:

Lesenswert?

Hier noch ein Bild vom Gesamtaufbau. Der Inverter kommt aus einem 
Scanner, das Display ist mit Lackdraht in alter Tradition verkabelt. Der 
Mega8 läuft bisher stabil auf 20MHz. Die Farben sind falsch. Ich habe 
mich nicht sonderlich streng an deine Vorgaben gehalten. Darum 
allerdings präzisionsbuchsen eingelötet, damit man das schnell 
durchprobieren kann.

Vielen Dank nochmal, dass du das hier mit deinem Code und dem Schaltplan 
möglich gemacht hast, Benedikt!

von Benedikt K. (benedikt)


Lesenswert?

Timo Birnschein wrote:
> Ich vermute aber, dass ich noch nicht auf NTSC laufe, ich ziehe
> Pin 14 des LCD derzeit auf Masse. Momentan gehen also alle paar Zeilen
> mal eine verloren. Das Bild ist außerdem wie erwartet sehr blass

Ja, genau. Wenn man das Display auf NTSC stellt, dann zeigt es alle 
Zeilen an.
Um die Farben besser hinzubekommen, gibt es eigentlich 2 Möglichkeiten:
Die 5Vss vom AVR auf etwa 8Vss bringen (also 3 OPs), oder eben 
zusätzlich das Rechtecksignal erzeugen, so wie ich es gemacht habe.

von Timo B. (Firma: MicroForge) (timob)


Angehängte Dateien:

Lesenswert?

Jo, das wars. Man sieht schon, ich muss sehr steil von oben auf das 
Display schauen, um alles zu erkennen. Es ist jetzt auf NTSC gestellt, 
indem ich einfach den Pin von Masse auf Frei-Baumelnt gelötet habe. 
Jetzt können wir anfangen die Schaltung zu optimieren, um dann eine neue 
Platine mit allem drauf entwerfen zu können.

von Timo B. (Firma: MicroForge) (timob)


Angehängte Dateien:

Lesenswert?

Moin,

wir haben hier ein wenig herumexperimentiert und sind nicht so recht auf 
einen grünen Zweig gekommen. Daher bin ich nochmal den ganzen Thread 
durchgegangen um alle benötigten Werte, also Spannungen, Timings und 
Schaltungsideen einmal zusammenzufassen. Das ganze befindet sich im 
Anhang und sollte einigermaßen Vollständig sein bzw. Hinweise auf die zu 
lesenden Posts bieten.

Die txt befindet sich im Anhang!

Da hätte ich gleich noch ne Frage zum PHASE_INVERSION:

Bennedikt, du hast folgendes in unterschiedlichen Posts geschrieben:

> Die RGB Signale bestehen aus diesem DC Offset, und einem Rechtecksignal
> von halber Zeilenfrequenz, also 7,8kHz.
> Die Amplitude des Rechtecks beträgt etwa zwischen 7Vss und etwa -4Vss
> (es wird negativ) je nach Potieinstellung.
> Auf das Rechteck aufmoduliert ist das Videosignal mit etwa 2Vss.

> 5V reichen leider nicht ganz aus, um den optimalen Kontrast
> einzustellen. Die RGB Signale müssen auf rund 8-9Vss gebracht, die von
> etwa 3Vss Videosignalen überlagert sind.

Braucht man auf unserer Platine die -4V? Das kann ja net das 
PHASE_INVERSION aus dem Display sein, aber dennoch wird es auf der 
Chinaplatine verwendet? Warum?

Wenn 5V nicht ausreichen, und man 3Vss braucht, dann kann man mit dem 5V 
Pegel des AVR offenbar nichts werden. Das bedeutet doch, dass die Farben 
im Augenblick immer blass sind, richtig? Erreichen wir nicht die 3Vss, 
wird schwarz nie wirklich schwarz sein - soweit ich das verstehe.
Allerdings hast du dich hier einmal widersprochen: Einmal ist ein Pixel 
bei der Spannung auf COMM weiß und einmal schwarz.
Ist nun ein schwarzes Pixel COMM +-3Vss? Oder ist das genau weiß?

Gruß
Timo

von Benedikt K. (benedikt)


Lesenswert?

Timo Birnschein wrote:
> Braucht man auf unserer Platine die -4V? Das kann ja net das
> PHASE_INVERSION aus dem Display sein, aber dennoch wird es auf der
> Chinaplatine verwendet? Warum?

Es sind keine -4V, sondern -4Vss (OK, ist vielleicht ziemlich dumm 
ausgedrückt): Wenn mann am Helligkeitsregler dreht, sieht man wie sich 
die Amplitude des Rechtecks verändern. Bei minimaler Helligkeit sind es 
etwa 7Vss und wird mit steigender Helligkeit zunehmend geringer, bis es 
irgendwann 0Vss hat. Wenn man weiter dreht, invertiert sich das Rechteck 
(im Vergleich zu vorher), bis es etwa 4Vss mit negativer Amplitude hat.

> Wenn 5V nicht ausreichen, und man 3Vss braucht, dann kann man mit dem 5V
> Pegel des AVR offenbar nichts werden. Das bedeutet doch, dass die Farben
> im Augenblick immer blass sind, richtig?

Ja. Um mit den 2,5V (in jede Richtung) auszukommen, überlagere ich die 
Pixeldaten mit dem Rechteck mit größerer Amplitude. Genau wurde das auch 
bei der Orginalplatine gemacht.

> Erreichen wir nicht die 3Vss,
> wird schwarz nie wirklich schwarz sein - soweit ich das verstehe.

Genau, da viel Spannung = Schwarz und wenig Spannung = weiß. Spannung = 
Differenz zu Common.

von Ale (Gast)


Lesenswert?

Displays sind schon weg.

von Timo B. (Firma: MicroForge) (timob)


Angehängte Dateien:

Lesenswert?

Hallo,

ich habe quasi den ganzen Tag simuliert und bin zu folgendem Ergebnis 
gekommen:

Wenn man nur Widerstandsnetzwerke verwendet, sehen die Signale alle 
recht wild und unkontrolliert aus. Das war aber der bisherige Ansatz. 
Das geht zwar, allerdings kommt man nicht so einfach auf die richtigen 
Pegel. Beispielsweise könnte man +-2,5V verwenden, die um COMMON 
schwingen. Das ginge, mit drei Bit. Für jede Farbe 1 Bit. 2,5V erzeigt 
man durch das hochohmigschalten des AVR Pins und eine Spannungsteiler 
mit 500Ohm. Die ganze PHASE_INVERSION würde man in dem Fall per Software 
machen und nicht über die Hardwareseitige Verwendung von 
PHASE_INVERSION. Das geht nur in den µC, damit man entsprechend für ein 
schwarzes Pixel nun die Bits invertiert.

Damit wäre allerdings, wie Bennedikt schon sagte, die Farben alle sehr 
blass und man bekäme keine schönen Kontraste. Außerdem ist wenig 
Spielraum für Kallibrierung vorhanden, da man maximal nach unten regeln 
könnte.

Darum habe ich mir gedacht, dass OpAmps nun auch nicht so teuer sind und 
wir außerdem keine besonderen Ansprüche an den Rauschabstand stellen. 
Das einzige was wir brauchen ist ne Bandbreite von ca. 10MHz.

Im Anhang befindet sich die Kombination aus allen Schaltungen. Also 
grundlegend die von Benedikt, die von meinem Vater und meine. Die 
Spannungsquellen auf der linken Seite stellen die Pins des AVR dar. Die 
obere fehlt, da ich damit "Hochohmig" simuliere. Der "Voltage Controlled 
Switch" scheint in dieser Version von SwitcherCad fehlerhaft zu sein, 
daher musste ich es so machen.

Die Spannungen sollten alle soweit stimmen. Ich habe auch beim vieren 
Bit für die Farben nen OpAmp für jeden Farb-Kanal genommen, weil einfach 
zu viel Übersprechen zwischen den Farbkanälen entstand und eigentlich 
alles nurnoch rauschte. Die Simulation zeigt die erste Sekunde nach dem 
Einschalten. Nach ca. 0.3 Sekunden ist das Bild dann stabil.

Diese Schaltung ist zwar deutlich aufweniger wegen der vielen OpAmps, 
aber nen Achtfach-OpAmp und ein paar Widerstände und das Problem ist 
behoben. Also nur ein IC.

Es sind pro Farbe in eine Richtung (z.B. COMMON+RGB) fünf Zustände 
möglich, am Beispiel für Rot:
1. Rot hochohmig, COLOR_BIT hochohmig
2. Rot hochohmig, COLOR_BIT 1
3. Rot 1, COLOR_BIT 0
4. Rot 1, COLOR_BIT hochohmig
5. Rot 1, COLOR_BIT 1
Und entsprechend in die andere Richtung das gleiche, wenn 
PHASE_INVERSION andersrum ist.

Bennedikt, was meinst du? Die Software müsste dahingehend angepasst 
werden, dass das PHASE_INVERSION nun Softwareseitig ausgewertet wird. 
Wird das die Mega8(8) CPU überlasten?


Gruß
Timo

von Benedikt K. (benedikt)


Lesenswert?

Timo Birnschein wrote:
> ich habe quasi den ganzen Tag simuliert und bin zu folgendem Ergebnis
> gekommen:

Dem Bild nach kann ich direkt schon sagen, dass dies nicht so recht 
funktionieren wird.
Das Rechtecksignal muss größer oder gleich sein als das Signal der 
Bilddaten. Für die Bilddaten reichen etwa 2Vss aus um zwischen schwarz 
und weiß umzuschalten.

> Diese Schaltung ist zwar deutlich aufweniger wegen der vielen OpAmps,
> aber nen Achtfach-OpAmp und ein paar Widerstände und das Problem ist
> behoben. Also nur ein IC.

Die Schaltung wäre mir persönlich etwas zuviel Aufwand, vor allem da die 
Schaltung deutliche Redundanzen aufweist (3 OPs die parallel das selbe 
Signal verstärken).

> Es sind pro Farbe in eine Richtung (z.B. COMMON+RGB) fünf Zustände
> möglich, am Beispiel für Rot:
> 1. Rot hochohmig, COLOR_BIT hochohmig
> 2. Rot hochohmig, COLOR_BIT 1
> 3. Rot 1, COLOR_BIT 0
> 4. Rot 1, COLOR_BIT hochohmig
> 5. Rot 1, COLOR_BIT 1
> Und entsprechend in die andere Richtung das gleiche, wenn
> PHASE_INVERSION andersrum ist.

Macht wenig Sinn, denn aufgrund der Gamma Kurve des TFTs wird man nur 
sehr wenige Farben unterscheiden können (ohne Gamma Correction). Und von 
der Software her wird es nicht funktionieren, da der zusätzliche Takt 
für das Schalten auf Tristate zuviel Rechenleistung baucht. Zusammen mit 
dem zusätzlichen Overhead um die Farbwerte auf den Port und Tristate 
Wert umzurechnen wird sich die Auflösung um grob geschätzt 25% oder noch 
mehr verringern.

von Timo B. (Firma: MicroForge) (timob)


Lesenswert?

Benedikt K. wrote:
> Dem Bild nach kann ich direkt schon sagen, dass dies nicht so recht
> funktionieren wird.
> Das Rechtecksignal muss größer oder gleich sein als das Signal der
> Bilddaten. Für die Bilddaten reichen etwa 2Vss aus um zwischen schwarz
> und weiß umzuschalten.

Das verstehe ich noch nicht ganz. Welches Rechtecksignal in meinem Bild 
meinst du genau? das grüne ist ROT, wenn man nur das COLOR_BIT triggert, 
es schwingt um 2,5V. Wahrscheinlich meinst du etwas anderes?

> Macht wenig Sinn, denn aufgrund der Gamma Kurve des TFTs wird man nur
> sehr wenige Farben unterscheiden können (ohne Gamma Correction). Und von

Das stimmt. Die Farbanzahl wäre mir auch total egal. Von mir aus kann 
ich sehr gerne das COLOR_BIT komplett rauswerfen. Dann reduziert sich 
auch die Anzahl der OpAmps.

> der Software her wird es nicht funktionieren, da der zusätzliche Takt
> für das Schalten auf Tristate zuviel Rechenleistung baucht. Zusammen mit
> dem zusätzlichen Overhead um die Farbwerte auf den Port und Tristate
> Wert umzurechnen wird sich die Auflösung um grob geschätzt 25% oder noch
> mehr verringern.

Hm, das ist doof. Ich hatte gehofft, dass man das noch grob hinbekommen 
könnte.

Die Redundanten OpAmps hatte ich ja in ihrer Funktion beschrieben. In 
der Simulation war durch das nur per Widerstand eingekoppelte Signal 
massives Übersprechen auf den einzelnen Farben zu sehen. Darum wollte 
ich mal schauen, wie das mit einzelnen OpAmps aussieht. Jetzt gibt es 
kein übersprechen mehr.

Aber wenn du meinst, dass die Umschalterei auf Hochohmig zu viel CPU 
frisst, ist das ganze ohnehin gestorben. In dem Fall würde ich nochmal 
ne andere Schaltung ausprobieren....

von Benedikt K. (benedikt)


Lesenswert?

Timo Birnschein wrote:

> Das verstehe ich noch nicht ganz. Welches Rechtecksignal in meinem Bild
> meinst du genau? das grüne ist ROT, wenn man nur das COLOR_BIT triggert,
> es schwingt um 2,5V. Wahrscheinlich meinst du etwas anderes?

Das rote ist doch das Ausgangssignal, oder?
Falls ja, dann vergleich das mal mit dem:
http://www.mikrocontroller.net/attachment/40016/tft_rgb.gif

Du musst die 330 und 100 Ohm Widerstände am Ausgang tauschen, damit das 
Rechtecksignal mehr Amplitude hat, als das Videosignal.
Und dann wärst du prinzipiell wieder bei meiner Schaltung.

> Aber wenn du meinst, dass die Umschalterei auf Hochohmig zu viel CPU
> frisst, ist das ganze ohnehin gestorben. In dem Fall würde ich nochmal
> ne andere Schaltung ausprobieren....

Schau dir mal die Software in der .S Datei an. Da musste ich schon die 
Befehle ziemlich weit verteilen, um bei der Bildausgabe das mit den 16 
Vorder und 16 Hintergrundfarben einigermaßen ordentlich hinzubekommen.
Ich glaube nicht, dass man da noch viel optimieren kann, außer 
vielleicht durch eine extreme Verschwendung von RAM usw.

von Timo B. (Firma: MicroForge) (timob)


Lesenswert?

Ja, das ist das Ausgangssignal. Die Ansicht ist evtl ohne weitere 
Erläuterung nicht so verständlich:

blau ist ja COMMON. Mein Signal schwingt im Bild sowohl oberhalb, als 
auch unterhalb von COMMON. Das liegt daran, dass ich das lediglich zum 
simulieren so einstellt habe. Würde ich den Pegel nur zwischen Hochohmig 
und 1 hin und her schalten, wäre das Ausgangssignal immer oberhalb von 
COMMON (bis sich die Kondensatoren aufgeladen haben...)

Nehmen wir an, sie würden sich nicht aufladen, dann spreche ich im 
folgenden nur über Signal > COMMON:

Schwarz läge nun bei 11V - 12V (schwarz), wenn AVR-Pin = 1 und der 
COLOR_PIN = 1. Wenn COLOR_PIN = 0, dann gehts auf knapp 10V runter. 
Setzt man AVR-Pin = hochohmig und COLOR-PIN = 1, sind es nurnoch 8,5V - 
9V, aber immernoch über COMMON. Das wäre dann weiß. Nur wenn beide Pins 
hochohmig sind, wird 8V erreicht, was man ja net will und auch nicht 
braucht.

Das man nur 2Vss braucht für weiß nach schwarz, wusste ich nicht. Das 
ist in deiner Messung aber in der Tat gut zu sehen. Ganz weiß geht 
immernoch nicht an COMMON heran. Das bedeutet also, dass man
- oberhalb von COMMON 11V - RGB (2Vss)
- unterhalb von COMMON 5V + RGB (2Vss)
braucht.

Ich möchte deine Arbeit nur erweitern, nicht schlecht machen! Tut mir 
leid, wenn das so rübergekommen ist. Meine bisherigen Versuche mit der 
Schaltunge waren noch nicht so erfolgreich. Daher habe ich nach 
alternativen Möglichkeiten gesucht, die Streifenfreie Darstellung und 
gute Kontraste bietet.

Ich werde mal schauen, wie ich meine Schaltung am besten an deine 
Software anpassen kann. Auch wenn ich anschließend bei 90% deiner 
Schaltung lande. Hab ich dennoch etwas dazu gelernt :) (darum gehts mir 
hier eigentlich)

MFG
Timo

von Benedikt K. (benedikt)


Lesenswert?

Timo Birnschein wrote:
> Ich möchte deine Arbeit nur erweitern, nicht schlecht machen! Tut mir
> leid, wenn das so rübergekommen ist.

Ist schon klar. Ich wollte ja nur zeigen, wo man deine Schaltung 
verbessern kann. Mein erster Entwurf ging nämlich auch in diese Richtung 
mit den OPs, aber das habe ich dann verworfen, da diese Lösung keine 
wirklichen Vorteile gegenüber der Lösung mit einem Pegelwandler nur für 
das Rechtecksignal hat. Nur die Optimierung der Widerstände ist da etwas 
kompliziert, da alle sich gegenseitig beeinflussen.

Der Grund wieso ich das Rechtecksignal nicht mit dem AVR erzeuge:
Theoretisch sollte es auch gehen, wenn der AVR das Signal erzeugen 
würde, aber wieso das Signal durch den AVR laufen lassen, wenn es auch 
direkt geht?
Dies hat weiterhin den Vorteil, dass die Invertierung der TFT Spannung 
immer da ist, auch wenn der AVR mal Mist baut.
Da der AVR auch andere Sachen zu tun hat, kann es eine Weile dauern ehe 
er die Signaländerung mitbekommt. Daher ist es auch besser, wenn das 
Signal immer Timingrichtig kommt, nämlich genau dann wann das TFT das 
möchte.

von Timo B. (Firma: MicroForge) (timob)


Angehängte Dateien:

Lesenswert?

Ja, ich finde das auch besser, wenn das PHASE_INVERSION extern bleibt.

Ich habe nun auch endlich das Videosignal verstanden und mal die 
Schaltung deutlich vereinfacht. Sie entspricht nun wieder mehr deiner, 
jedoch möchte ich die letzten OpAmps drin lassen, weil das Signal 
dadurch wirklich besser aussieht. Allerdings gibts jetzt nurnoch neun 
Farben und nicht mehr 16, wie noch bei dir...

> Nur die Optimierung der Widerstände ist da etwas
> kompliziert, da alle sich gegenseitig beeinflussen.

Vielleicht bau ich nachher nochmal deine, falls die nicht mehr als 
Backup rumliegt, um die gegenseitige Beeinflussung nochmal zu zeigen.

EDIT: man sieht das sogar hier schon, bei den drei Widerständen die die 
PHASE_INVERSION einkoppeln. Da fängt das Übersprechen bereits an.

von Benedikt K. (benedikt)


Lesenswert?

Timo Birnschein wrote:

> EDIT: man sieht das sogar hier schon, bei den drei Widerständen die die
> PHASE_INVERSION einkoppeln. Da fängt das Übersprechen bereits an.

Eigentlich dürfte das nicht so stark sein (mal ganz davon abgesehen, 
dass das auch überhaupt nicht stört, da es ja nur 8 Farben sind). Je 
niederohmiger der OP ist, desto geringer stören sich die Signale 
gegenseitig. Vermutlich liegt es daran, dass entweder die interne 
Verstärkung des OPs zu gering ist, und dieser daher die Belastung nicht 
ausregeln kann, oder dass dieser zu langsam ist zum Ausregeln.

von Timo Birnschein (Gast)


Angehängte Dateien:

Lesenswert?

Hallo Benedikt,

Wir haben uns nochmal die Schaltung durchdacht und neu aufgebaut, siehe 
Anhang. Das ganze ist grundlegend High-Impedance basiert: Schwarz 
bedeutet entweder HIGH oder LOW, je nach PHASE_INVERSION und weiß 
bedeutet High_Impedance. Bei High_Impedance wird das Signal durch die 
Abschlusswiderstände auf COMMON gezogen - wie in deiner Schaltung. Mit 
der momentanen Softwareversion von dir kommen da erwartungsgemäß nur 
"schwarze" Bilder heraus. Daher wollten wir dich gerne fragen, ob du 
folgende Änderungen in deinem Assemblerprogramm einprogrammieren 
könntest:

Abhängig von PHASE_INVERSION wird ein Farbkanal (Port_Pin) pro Zeile 
durchgehend auf 1 oder 0 gesetzt. Wenn ein Pixel entsprechen weiß werden 
soll, muss nur das eine Bit auf Hochohmig geschaltet werden. Das 
bedeutet also lediglich eine Änderung an der Portrichtung. Das sollte 
zeitlich keinesfalls länger dauern, als ein Bit zu wechseln, da ja nur 
das DataDirectionRegister geschrieben werden muss.

Mit dieser einfachen Schaltung haben wir im Augenblick nur die Umrisse 
der Ascii-Zeichen sichtbar. Man ahnt die Farben und das Bild ist 
insgesamt sehr dunkel. Indem wir ein Bit nun auf High_Impedance 
schalten, wird das Pixel weiß. Wir fahren damit natürlich voll in die 
Sättigung und erreichen den COMMON-Pegel, aber wir würden das gerne mal 
versuchen.

Wir haben uns jetzt auf drei Bit Farbtiefe beschränkt - erstmal. Die 
Signale sind bisher lupenrein am Ausgang, somit sollte das Bild 
eigentlich einigermaßen gut aussehen.

von Timo Birnschein (Gast)


Angehängte Dateien:

Lesenswert?

Hier noch das Beispielbild vom Display....

von Benedikt K. (benedikt)


Lesenswert?

Timo Birnschein wrote:
> Wir haben uns nochmal die Schaltung durchdacht und neu aufgebaut, siehe
> Anhang. Das ganze ist grundlegend High-Impedance basiert: Schwarz
> bedeutet entweder HIGH oder LOW, je nach PHASE_INVERSION und weiß
> bedeutet High_Impedance.

Die Idee klingt gut, hat aber einen Fehler:
Momentan kannst du mit der Schaltung 0V, 5V oder 12V/2 = 6V erzeugen.
Das ist alles andere als symmetrisch.

Prinzipiell würde das ganze aber funktionieren, dazu müsste man 0V, 8V 
und 4V erzeugen können.
0V bzw. 8V wären schwarz je nach PHASE INVERSION, 4V wäre weiß.

von Timo Birnschein (Gast)


Lesenswert?

Ja, das stimmt. Könntest du die Software vielleicht mal basteln? Wir 
passen dann noch die Spannungen an.

von Timo Birnschein (Gast)


Lesenswert?

Sorry für den nochmaligen Post. Mein Login geht grad nicht.

Das mit der Spannung ist nen Schreibfehler! Das soll natürlich nicht 
12V, sondern gegen 5V laufen. Wir ziehen das ja später erst auf den 
passenden Pegel um 8V herum.

von Benedikt K. (benedikt)


Angehängte Dateien:

Lesenswert?

Habs mal eingebaut. Es kann sein, dass das Phase Inversion Signal 
invertiert ist. Falls dies so ist, dann muss
sbic _SFR_IO_ADDR(PINB),COMI  ; Farben invertieren,  1
in der tftgen.S durch
sbis _SFR_IO_ADDR(PINB),COMI  ; Farben invertieren,  1
ersetzt werden.

von Timo Birnschein (Gast)


Lesenswert?

Super, herzlichen Dank!

von Timo Birnschein (Gast)


Lesenswert?

Das funktioniert! Der Kontrast könnte noch etwas besser sein, also mehr 
schwarz, aber das haben wir uns schon gedacht.

Einzig noch ein Punkt: Im Augenblick wird keine einzige Mischfarbe 
dargestellt. Nur mein "Rot Grün Blau" Schriftzug in den entsprechenden 
Farben wird dargestellt. Ist da irgendwie noch ein Bug in der Software, 
oder haben wir etwas übersehen?

von Timo Birnschein (Gast)


Angehängte Dateien:

Lesenswert?

Hier noch das Bild. Das ist das im Verlauf unserer Versuche beste 
Ergebnis bisher. Man kommt um die leichte Anhebung der Port_Pin Pegel 
wohl nicht herum, wenn man wirklich gute Kontraste haben möchte. Mein 
nächster Versuch wird also mal die Verwendung von Operationsverstärkern 
sein. Ich habe gestern dazu welche von AnalogDevices geordert.

Wenn man jetzt noch Mischfarben sehen könnte, wäre das Programm und die 
Hardware nun so, dass man mit drei schnellen, billigen OpAmps den 
Kontrast so gut hingekommen kann, wie es das Display hergibt. :)

von Andreas J. (antibyte)


Lesenswert?

Das sieht schonmal vielversprechend aus !
hätte echt nicht gedacht, dass man die Ansteuerung
auf 9 Widerstände und drei Kondensatoren reduzieren kann :)

von Benedikt K. (benedikt)


Lesenswert?

Wie sind halt doch besser als die Chinesen ;-)

von Paulo M. (paulo)


Lesenswert?

Nur die Chinesen bauen es dann nach und vermarkten es im großen Stil.

Sorry, konnte es mir nicht verkneifen.

von Gast (Gast)


Lesenswert?

So wie Benedikt und Timo das hingekriegt haben könnte das durchaus 
passieren.

Respekt!

von Benedikt K. (benedikt)


Lesenswert?

Timo Birnschein wrote:
> Einzig noch ein Punkt: Im Augenblick wird keine einzige Mischfarbe
> dargestellt. Nur mein "Rot Grün Blau" Schriftzug in den entsprechenden
> Farben wird dargestellt. Ist da irgendwie noch ein Bug in der Software,
> oder haben wir etwas übersehen?

Das kann ich mir eigentlich weder von der Hardware von der Software her 
erklären.
In der Software habe ich eigentlich nur PORTC durch DDRC ersetzt, und 
anstelle der Invertierung der Bitwerte anhand des Polarity Signals PORTC 
auf 0 oder 1 gesetzt.
Vielleicht ist das TFT übersteuert und macht irgendeinen Mist? Wie sieht 
deine momentane Beschaltung aus?

von TFT- Besitzer (Gast)


Lesenswert?

Hallo,
könnte mal jemand den kompletten Schaltplan, mit TFT, Mega8(8), usw. 
posten?

von Timo B. (Firma: MicroForge) (timob)


Lesenswert?

Benedikt K. wrote:
> Vielleicht ist das TFT übersteuert und macht irgendeinen Mist? Wie sieht
> deine momentane Beschaltung aus?

Die Beschaltung ist Standard, wie gehabt. Sehr merkwürdig.

Ich experimentiere grade mit den Widerständen der Spannungsteiler für 
den Z-Pegel und stelle dabei überrascht folgendes Fest:
Der Kontrast verbessert sich, wenn man dem Spannungsteiler den 
Masseanschluss nimmt. Dann bleibt nurnoch der Widerstand gegen +5V über!
Ich hätte erwartet, dass das Bild nun flimmert oder sonst wie schlechter 
wird, aber das Gegenteil ist der Fall. Der Kontrast nimmt zu, weil der 
Gesamtpegel etwas größer wird. Weiß ist nun allerdings je nach 
Widerstand deutlich nurnoch oberhalb von COMMON angesiedelt - das Signal 
sieht sehr unsymmetrisch aus. Evtl haben wir hier einen DesignBug im 
Display ausgenutzt?

Damit fielen dann nochmals drei Widerstände weg. Forrausgesetzt man kann 
das Bild noch etwas kontrastreicher machen.

von Timo B. (Firma: MicroForge) (timob)


Lesenswert?

Ich brech das hier jetzt ab, bis meine OpAmps hier sind. Ich bin der 
Meinung, dass das Ergebnis auf diese Weise nicht mehr wirklich besser 
wird. Die Pegel stimmen einfach nicht mit den Originalen überein. Mit 
einer Operationsverstärkerschaltung ist das Problem dann recht einfach 
in den Griff zu bekommen. Wenn das Ergebnis damit nicht erheblich besser 
wird, würde ich mich sehr wundern. Ich erinnere nochmal an diesen 
Kontrast hier:

http://www.mikrocontroller.net/attachment/39916/RGB_DVD-Player_Funzt_2.jpg

Gruß
Timo

von Timo B. (Firma: MicroForge) (timob)


Lesenswert?

Hallo zusammen,

meine OpAmps kommen am 24.10. hier an. Ich habe mir den AD8040 sowie den 
ADA4851 bestellt. Letzterer wird speziell für Video-Anwendungen 
empfohlen. Damit sollten wir in der Lage sein genau das Signal zu 
reproduzieren, was Benedikt mit seinem (ziehmlich coolen) Oszilloskop 
aufgezeichnet hat. Und das mit dem ursprünglich von Benedikt 
programmierten Code. Nicht die für meinen Vater und mich modifizierte 
Variante. Allerdings nutzen wir dann nur drei Bit Farbtiefe, nicht vier. 
Acht grelle Farben sollten aber reichen, oder?

In diesem Zusammenhang würde ich gerne ne neue Platine machen. Dazu 
wollte ich gern fragen, ob jemand schon den Schaltplan für den Inverter 
ReverseEngineered hat? Ich würde gerne soweit es geht die Teile von 
original Board verwenden, damit niemand nachher Probleme hat 
irgendwelche Teile zu beschaffen. Auch die Spannungsversorgung wollte 
ich vom alten Board übernehmen. Darum die Frage, ob ich lieber 12V 
Eingangsspannung, oder 5V verwenden sollte - oder gar dieses 
KFZ-Netzteil, was beim Display dabei war.

Gruß
Timo

von Benedikt K. (benedikt)


Lesenswert?

Timo Birnschein wrote:

> Dazu
> wollte ich gern fragen, ob jemand schon den Schaltplan für den Inverter
> ReverseEngineered hat?

Den zeichne ich nachher mal zusammen, der ist ziemlich Standard.

>Ich würde gerne soweit es geht die Teile von
> original Board verwenden, damit niemand nachher Probleme hat
> irgendwelche Teile zu beschaffen.

Wo bekommt man die Video OPs?


>Auch die Spannungsversorgung wollte ich vom alten Board übernehmen.

Lass aber L3 weg, die macht nur Mist.

> Darum die Frage, ob ich lieber 12V Eingangsspannung, oder 5V verwenden sollte - 
oder gar dieses KFZ-Netzteil, was beim Display dabei war.

Alles nur nicht das KFZ Netzteil. Warum? Werf mal einen Blick rein...

Ich denke 7-15V als Eingangsspannung sollte OK sein. Also 5V direkt per 
Stabi aus der Eingangsspannung, alle anderen Spannung aus den 25V, also 
so wie beim Original. Nur beim CCFL Inverter müsste man mal schauen. Ich 
denke der sollte auch mit 5V ganz gut laufen.

von Omega G. (omega) Benutzerseite


Lesenswert?

Von welchem Hersteller waren die Elkos im Netzteil doch gleich?! 
Erinnert ein bisschen an Rubycon der Name und die Schrift...

von Timo B. (Firma: MicroForge) (timob)


Lesenswert?

Ich habe mir die OpAmps direkt bei AnalogDevices als Sample bestellt. 
Das ist der schnellste und einfachste Weg. Da ich noch "knapp Student 
bin" gebe ich bei sowas an, dass ich die für Studienarbeiten brauche, 
oder bei einem Institut entsprechende Prototypen bauen soll. Bisher habe 
ich noch nie eine Absage bekommen. Gewissermaßen ist das hier ja auch ne 
Studienarbeit ;)

Ins Netzteil geschaut habe ich noch nicht, aber die Beschriftung verrät, 
dass es nicht grade datt dollste Ding ist.

Das heißt, dass ich erstmal aus 5V < Vcc < 14V die 25V bastell und mir 
dann über Linearregler und Spannungsteiler die Spannungen zusammen baue.

Ich denke ich werde die Spannungsversorgung mit dem Inverter erstmal auf 
ein zweites kleines, passendes Board bauen. Der Grund ist, dass ich nur 
Eagle Freeware habe und nur halbe Europakarten Routen darf. Ich schätze 
mal, da niemand sich den Luxus einer hergestellten Platine leisten 
wollen wird, werden die meisten selbst ätzen. Ich werde daher versuchen 
die Platine einseitig zu halten. Die eine oder andere per Hand gelegte 
Leitung könnte aber dabei sein. Fürs erste werden auch die Leitungen 
"Selbstbaufräse-kompatibel" sein, also recht dick und mit größerem 
Abstand. Das Layout kann man ja später nochmal anpassen...

Für ne Schaltung für den 34063 wäre ich natürlich auch zu begeistern :)

von Benedikt K. (benedikt)


Angehängte Dateien:

Lesenswert?

Timo Birnschein wrote:
> Dazu wollte ich gern fragen, ob jemand schon den Schaltplan für den
> Inverter ReverseEngineered hat?

Hier ist er.
Das ist ein Standard Royer Oszillator so wie z.B. hier:
http://forum.4hv.org/attachments/royer.gif

Ab etwa 1,5V sehe ich die CCFL einseitig glimmen, ab etwa 4V ist das TFT 
gleichmäßig hinterleuchtet. Zwischen 5V und 8V ist ein enormer 
Helligkeitsunterschied, aber die Helligkeit bei 5V reicht eigentlich 
auch aus. Dann spart man auch noch eine Menge Strom (0,52A bei 8V und 
0,3A bei 5V.) Wenn es doch zu dunkel sein soll, dann kann man noch den 
27pF Kondensator vergrößern.

von Benedikt K. (benedikt)


Angehängte Dateien:

Lesenswert?

Timo Birnschein wrote:

> Für ne Schaltung für den 34063 wäre ich natürlich auch zu begeistern :)

Dann hab ich hier schon wieder was für dich.

von Timo B. (Firma: MicroForge) (timob)


Lesenswert?

So, die (wegen des falschen Spannungsbereichs nicht passenden) ADA4851-4 
sind da. Leider gehen die nur von -5 - 5V, bzw. 0 - 5V und nicht wie 
angenommen von 0 - 12V. Daher muss ich den anderen (AD8040) einbauen, 
wenn er da ist. Der sollte aber für unser Display immernoch schnell 
genug sein. Bei richtigen VGA Anwendungen könnte es damit dann 
allerdings schwierig werden.

Ich route mich hier übrigens tot. Einseitige Platinen zu layouten, die 
eine doch recht hohe komplexität haben (nur ne halbe Europakarte) und 
dann auch noch Fräsbar sein sollen.... ich habe schon mehrfach neu 
angefangen. Es kann sich also nurnoch um Wochen und Monate handeln ;)

Eins ist jedenfalls jetzt schon klar, man muss diverse Lötbrücken in 
Kauf nehmen. Dafür erspart man sich aber auch die zweite Seite - und da 
hier wahrscheinlich eh keiner richtig Durchkontaktieren kann hoffe ich, 
dass niemand schimpft... zumindest nicht allzusehr.

Die Platine wird komplett auf eine 100*80mm platine passen und für 
jedermall Ätzbar sein. Drauf sind dann sämtliche Spannungsversorgungen, 
der Inverter, nen kompletter RS232 Port und die ganze Ansteuerung für 
das Display, sowie dem Programmerport. Ich ringe noch damit, ob ich den 
original Displaystecker dranbauen soll. Ich denke das wäre schon cool. 
Ist allerdings sowohl für unsere Fräse nicht wirklich machbar (Einsatz 
Cuttermesser) als auch für einige Hobby-Ätzer schwierig.

von Benedikt K. (benedikt)


Lesenswert?

Timo Birnschein wrote:
> Ich ringe noch damit, ob ich den
> original Displaystecker dranbauen soll. Ich denke das wäre schon cool.
> Ist allerdings sowohl für unsere Fräse nicht wirklich machbar (Einsatz
> Cuttermesser) als auch für einige Hobby-Ätzer schwierig.

Ohne den Stecker benötigt man wieder einen Adapter oder ähnliches, und 
das fände ich nicht schön.
1mm Pinraster sollte man selbst mit einfachsten Ätztechniken noch gut 
hinbekommen, von daher sollte das eigentlich kein Problem sein.

von Timo B. (Firma: MicroForge) (timob)


Lesenswert?

Ja, seh ich auch so. Hab ihn schon drin :)

von Timo B. (Firma: MicroForge) (timob)


Lesenswert?

Moin,

aus Platzgründen muss ich beidseitig bestücken. Das gilt insbesondere 
für die SurfaceMounted Parts, also Trafo für den Inverter, Anschluss 
Flachbandkabel und den Operationsverstärker.

Da ich gerne den Platz des Inverter-Trafos doppelt belegen möchte, 
wollte ich nachfragen, was ich da gefahrlos hinlegen kann. Mein erster 
Gedanke war der Ringkern, da das Teil übelst groß ist. Allerdings Trafo 
+ Ringkern... naja, ich weiß nicht. Ich kann da auch andere Teile 
hinbauen, aber man muss dann halt erstens eine Einlötreihenfolge 
beachten und zweitens die gelöteten Pads flach schleifen, damit man den 
Trafo problemlos einlöten kann.

Vorschläge?

von Benedikt K. (benedikt)


Lesenswert?

Bohrungen unter dem Trafo würde ich keine machen. Leiterbahnen sind 
schon grenzwertig. In einem ordentlichen Design ist aus EMV Gründen die 
Platine unter dem Inverter leer oder eine Massefläche, zumindest auf der 
Hochspannungsseite.
Du könntest beide Ringkerne drunterlegen.

von Timo B. (Firma: MicroForge) (timob)


Angehängte Dateien:

Lesenswert?

Hab mich etwas verschätzt. Ich bin jetzt fasst fertig und habe immernoch 
massig Platz. Es sind grade auf dem Steuerungsteil einige Leiterbahnen 
nicht geroutet oder nicht routbar. Da muss ich mir noch was überlegen. 
Ich möchte nicht mehr als 15-20 Lötbrücken löten müssen. Wobei ich das 
noch akzeptabel finden würde.

Ich habe einen 7805 sowie einen 7812 mit drauf. Der 7812 ist eigentlich 
vorgesehen als 7810. Damit wollte ich den OpAmp mit Spannung versorgen. 
Aber ich werds erstmal mit 12V versuchen... ich hoffe der hält das aus.

Das Packege vom OpAmp hat irgendeine Macke. Die VCC und GND Anschlüsse 
sind nicht routbar... warum auch immer. Bei mir läuft das erstmal auf 
Lackdraht hinnaus.

Die Platine hat genau 100mm * 80mm. Der Flachbandkabelstecker ist mittig 
platziert und sollte direkt an das Display passen. Die Bauteile werden 
so alle in Richtung Display zeigen. Ich habe das so geplant, dass die 
Steuerungsplatine direkt mit dem Display unten abschließt. Dazu sollte 
das recht kurze Flachbandkabel ausreichen.

Hat noch jemand einen besonderen Wunsch?

von Benedikt K. (benedikt)


Lesenswert?

Am Ausgang des CCFL Inverters sind die Abstände viel zu gering. Bei 2kV 
solltes es mindestens 3mm sein.

von Timo B. (Firma: MicroForge) (timob)


Lesenswert?

Du meinst die drei Anschlusspole oben, wovon nur zwei beschaltet sind?

Da wollte ich bei meinem ersten Versuch den mittleren Pol entfernen. Ich 
schau mal, ob ich nen besseren Anschluss da finde.

von Benedikt K. (benedikt)


Lesenswert?

Ja, und den Ausgang vom Trafo und den Kondensator.

Wieso verwendest du eigentlich so viele bedrahtete Widerstände?
Die 100nF SMD am CCFL Inverter werden nicht funktionieren. Nimm da den 
Orginal Folienkondensator. Da fließen etliche Ampere.

von Timo B. (Firma: MicroForge) (timob)


Lesenswert?

oh. stimmt...

Widerstände: Das mache ich vor allem deswegen, weil man drunterdurch 
routen kann. Ich hasse die Dinger eigentlich, aber bei SMD Teilen 
bekomme ich auf einer einseitigen Platine sonst Probleme. Man könnte 
sicherlich einige Teile gegen die auf der Platine ja vorhandenen 
SMD-Widerstände ersetzen, aber in dieser ersten Version habe ich das aus 
besagten Gründen so gemacht.

Wenn man mal einen Satz produzieren lassen würde, würde ich nochmal ne 
zweiseitige layouten. Dann dauert das auch nur ein drittel der Zeit und 
es bleiben keine Leitungen mehr offen. Außerdem werde ich dann 
ausschließlich SMD-Teile verwenden, soweit das möglich ist.

Kommt halt drauf an, ob wir genügend Leute für eine 
20-Platinenbestellung zusammen bekommen. Dann kostet eine ca. 15 Euro 
(grob geschätzt, letzte Recherche)

von Timo B. (Firma: MicroForge) (timob)


Angehängte Dateien:

Lesenswert?

So, das hier sollte es dann sein.

Ich habe oben auch die Groundplane noch bei Hochvoltbereich ausgespart, 
damit da nichts auf die Groundplane überspringt.

Ich habe irgendwie das Gefühl, dass ich etwas vergessen habe, aber 
hmm....

Ich werde heute versuchen zu fräsen...

von Benedikt K. (benedikt)


Lesenswert?

Sieht besser aus.
Könntest du mal den Schaltplan dazu zeigen, wie du das mit dem OP jetzt 
realisiert hast?

von Timo B. (Firma: MicroForge) (timob)


Angehängte Dateien:

Lesenswert?

Bitteschön.

Das ist nur der entsprechende Ausschnitt. Ich mache da nichts weiter, 
als die Pegel des AVR etwas anzuheben. Außerdem nutze ich, ähnlich wie 
du, einen OpAmp um das Phase_Inversion direkt wieder einzukoppeln. 
Allerdings ebenfalls verstärkt. Durch die ganzen Poties ist es möglich 
das Signal dann genau zu justieren. Weil wie du bereits sagtest, ist es 
schwer an einem Widerstand zu drehen, ohne alle anderen Pegel mit 
anzuheben oder abzusenken.

In der Simulation, siehe oben, funktioniert das so wie in diesem 
Schaltplan sehr gut. Bisher hat eine Spice-Simulation nie falsch 
gelegen.

von Timo B. (Firma: MicroForge) (timob)


Angehängte Dateien:

Lesenswert?

Hier zur Kontrolle noch die Ladungspumpe

von Timo B. (Firma: MicroForge) (timob)


Angehängte Dateien:

Lesenswert?

und der Inverter...

von Andreas J. (antibyte)


Lesenswert?

Hallo Timo,

echt super wie zielstrebig du dieses Projekt vorantreibst,
aber ein paar Anregungen/Fragen hätte ich dazu :

Sind die Potis wirklich nötig ?
Wir sprechen doch von 8 Farben, da sind
leichte Verfälschungen doch fast zu vernachlässigen ?
Ob das jetzt hellgelb oder ockergelb ist, ist mir eigentlich
relativ wurscht bei einem 5 Euro Display :)
Ich denke das Ziel sollte sein, dass die Ansteuerung
nachher nicht teurer wird als das Panel ?!
Dein Layout kann, denke ich, noch etwas optimiert werden :)
Pack den Max232 neben die D-Sub Buchse, das spart Brücken.
Der ADM8040 war grade als Sample greifbar und passend, aber
ich finde den auf die schnelle bei keinem lokalen Händler.
Wäre da nicht ein leichter beziehbares IC besser ?

von Timo B. (Firma: MicroForge) (timob)


Lesenswert?

Andreas Jakob wrote:
> Hallo Timo,
>
> echt super wie zielstrebig du dieses Projekt vorantreibst,
> aber ein paar Anregungen/Fragen hätte ich dazu :

Freut mich zu hören :)

> Sind die Potis wirklich nötig ?
> Wir sprechen doch von 8 Farben, da sind
> leichte Verfälschungen doch fast zu vernachlässigen ?
> Ob das jetzt hellgelb oder ockergelb ist, ist mir eigentlich
> relativ wurscht bei einem 5 Euro Display :)

Mir ist aufgefallen, dass weder meine Versuche, noch die von Benedikt 
das Schwarz produzieren können, was die originalschaltung zu stande 
bingt. Das liegt daran, dass die Pegel nicht stimmen. Ich kann die 
Poties weglassen, wenn ich die Widerstände aus meiner Simulation 
verwende. Wenn ich dann aber Änderungen machen möchte, muss ich immer 
irgendwas löten. Wenn ich die Schaltung schon so aufbaue, dann wollte 
ich auch gerne ein Display als Ergebnis haben, dass man sich zur Anzeige 
von was auch immer auch in ein Auto einbauen könnte. Ein sehr guter 
Kontrast wäre mir also besonders wichtig. Darum die Einstellbarkeit.

> Ich denke das Ziel sollte sein, dass die Ansteuerung
> nachher nicht teurer wird als das Panel ?!

Das wäre schön, fänd ich auch. Wird aber vorraussichtlich nur sehr 
schwer machbar. Allein der AVR kostet schon 1,25€, der MAX232 nochmal 
nen Euro und dann noch das Trockenfutter... Und ein OpAmp der 
Videoanwendungen schafft, ist in DIP quasi nicht auffindbar. Unter 3€ 
sind die dann auch nicht zu bekommen und finden konnte ich leider bei 
den üblichen Händlern nichts passendes. Darum habe ich mir etwas 
gesucht, wo ich garantiert über Samples zugriff drauf haben kann, um 
wenigstens die Idee erstmal testen zu können. Wenn man später nochmal 
nen anderen einbaut und entsprechend das Layout nochmal ändert, fänd ich 
das nicht schlimm. Eher erstrebenswert :)

> Dein Layout kann, denke ich, noch etwas optimiert werden :)
> Pack den Max232 neben die D-Sub Buchse, das spart Brücken.

Das ginge bestimmt, aber um an der Stelle die zwei Brücken einzusparen 
müsste man einiges am Layout verändern. Da habe ich sicher noch nicht 
das Optimum erreicht. Allerdings hocke ich schon zwei Tage dadran und 
ich glaube ich will das erstmal so zum laufen bringen, bevor ich weitere 
Stunden in dieses SingleLayer Layout investiere. Wie gesagt: DoubleLayer 
wäre das extrem viel einfacher.

> Der ADM8040 war grade als Sample greifbar und passend, aber
> ich finde den auf die schnelle bei keinem lokalen Händler.
> Wäre da nicht ein leichter beziehbares IC besser ?

Wenn du ein vergleichbar schnelles Teil findest, bin ich über jeden 
Vorschlag dankbar. Unsere bisherigen Versuche allein die PhaseInversion 
mit einem handelsüblichen OpAmp von Reichelt zu verstärken haben schon 
nicht funktioniert, weil die Probanten allesamt nicht schnell genug 
waren. Daher dachte ich mir diesmal: Wenn dann Richtig.

Um ehrlich zu sein habe ich immernoch ein wenig im Hinterkopf diese 
Platine auch für andere Videoanwendungen verwenden zu wollen. Nicht 
zwingend natürlich, aber ich wollte das nicht ganz außer Acht lassen.

von Simon K. (simon) Benutzerseite


Lesenswert?

Timo Birnschein wrote:
> Packege vom OpAmp hat irgendeine Macke. Die VCC und GND Anschlüsse
> sind nicht routbar... warum auch immer. Bei mir läuft das erstmal auf
> Lackdraht hinnaus.

Hast du auch im Schaltplan per INVOKE Befehl die 
Versorgungsspannungspins angefordert?
Its not a bug, its a feature.

von Timo B. (Firma: MicroForge) (timob)


Lesenswert?

Hätte ich wahrscheinlich, wenn ich das Bauteil nicht selbst erstellt 
hätte :)
Bei mir sind das einfach "Anzahl Beine" und aus irgendeinem Grund lässt 
sich das verschaltete GND und VCC nicht routen.... egal.

Die Fräse stürzt leider immer irgendwann nach einer halben bis 
dreiviertel Stunde ab. Das führt derzeit dazu, dass die Platine nicht 
zuende gefräst wird. Ich muss warten bis der Bug in der Steuerung oder 
der Kommunikation mit dem PC behoben ist... sorry, so no update yet. :(

von Timo B. (Firma: MicroForge) (timob)


Angehängte Dateien:

Lesenswert?

Ja wo isser denn? Oo...

Gute Morgen! die Fräse läuft. Das Netzteil war einfach zu schwach, was 
zu abstürzen führte. Das bedeutet, dass ich heute die fertige Platine 
abholen konnte um die dann gleich zu bestücken. Das ging relativ 
reibungslos, obwohl ich sagen muss, dass auf Grund der dünne des Fräsers 
und wegen des fehlenden Lötstopplackes.... das ganze zum Teil echt 
nervenaufreibend war.

Egal. Im Anhang sieht man die Oberseite der bis auf wenige Details 
fertigen Platine.

von Timo B. (Firma: MicroForge) (timob)


Angehängte Dateien:

Lesenswert?

Hier die Unterseite, auf der einige Spuren von überreifendem Lötzinn zu 
sehen sind. Kurzschlüsse konnte ich jedenfalls bisher keine messen.

Mein erster Test begann bei der Ladungspumpe. Diese sprang an und 
pumpte. Allerdings mehr als erwartet. Nach dem zuvor bereits gezeigten 
Schaltplan kommen hinten derzeit bei 12V om Eingang knapp 40 Volt raus. 
Da muss ich erst noch die Spannung anpassen.

Weiter bin ich noch nicht gekommen, aber bisher bin ich sehr zufrieden. 
Wenn morgen die 24V stabil anliegen, werde ich mit den Luftleitungen 
weiter machen. Das sollte nicht all zu lange dauern und dann gehts 
erstmal ans messen der Pegel und Signale.

Ich hoffe es geht alles gut :)



EDIT: Hm. Ich seh grad, die Elkos an der Videoausgangsseite sind 
Falschherum. Ich hatte Bennedikts Schaltplan nicht dabei...

von Benedikt K. (benedikt)


Angehängte Dateien:

Lesenswert?

Funktioniert die Platine (abgesehen von den 24V)?
Eigentlich dürften da nie 40V rauskommen. Dass der 34063 geringfügig 
schwingt ist häufiger der Fall, aber 40V sind definitiv zuviel. Da würde 
ich auf einen  Fehler in der Rückkopplung tippen.

Ich habe meine Version jetzt fertig optimiert, das Ergebnis sieht so 
aus.
Vom Kontrast her, müsste diese das maximale sein, was sich rausholen 
lässt. Selbst ohne Bilddaten, also nur mit dem 12Vss 
Invertierungssignal, sieht es nicht besser aus.

Ich habe die Farben auch auf 8 reduziert, denn so kann ich das TFT 
übersteuern, was die Schaltung stark vereinfacht, da die Toleranzen 
somit egal sind. (Ob 10% übersteuert, oder 50% ergibt die selben 
Farben).

Wie auf dem Foto auch zu erkennen ist: Der Kontrast ist stark 
Blickwinkel abhängig: Unten ist das Bild dunkler als oben, da ich beim 
Fotografieren sehr nah am Display war.

von Benedikt K. (benedikt)


Angehängte Dateien:

Lesenswert?

Hier noch der passende Schaltplan dazu. Dies dürfte jetzt die endgültige 
Version sein.
Das Invertierungssignal wird zunächst auf 12V angehoben, und dann mit 
den Widerständen auf das passende Level reduziert. Durch die hohe 
Spannung können die Widerstände größer ausfallen, wodurch die 
Farbsignale weniger abgeschwächt werden.
Ich messe fast 2,5Vss Videosignal, was auf jedenfall ausreichend ist. 
Die Widerstände sind aufgrund der Übersteuerung ziemlich unkritisch: 
Anstelle der 560 Ohm Widerstände kann man problemlos auch 470 oder 680 
Ohm einsetzen. Bei 900 Ohm sieht man, dass das schwarz zunehmend heller 
wird, und unter 400 Ohm werden die Farben dunkler.
Die gesamte Amplitude beträgt etwa 7-8Vss.

Daher kommt man jetzt mit 5V, 12V und 24V an Betriebsspannung aus. Die 
Common Spannung beträgt bei mir etwa 7V, diese ist aber auch unkritisch: 
Werte zwischen 6-8V sind OK.

von Benedikt K. (benedikt)


Angehängte Dateien:

Lesenswert?

Und hier noch die passende Software dazu (die momentan nichts anderes 
kann als eben ein statisches Testbild erzeugen).
Bei dieser Version sind auch die weißen Zeilen oben und unten weg.
Das TFT scheint 218 Zeilen anzusteuern, ohne dazwischen irgendeine 
auszulassen. 18 Zeilen einer 12er Schriftart benötigen 216 Zeilen. Daher 
wurden 2 Zeilen bisher nicht angesteuert, was zu den weißen Zeilen 
geführt hat.

Als nächstes werde ich die Ansteuerung per UART fertig einbauen (da ist 
immer noch irgendwo ein Fehler), und eventuell eine höhere Schriftart 
suchen, da 8x12 auf diesem TFT doch irgendwie komisch aussieht. (Hat da 
jemand zufällig eine brauchbare mit 8x14 oder sowas in der Richtung? Ich 
habe nur eine 8x14 mit sehr dünnen Linien, die sieht nicht sehr gut aus. 
Eine Zeichenbreite mit einem Vielfachen von 8 ist wichtig für die 
Ansteuerung.)

von Benedikt K. (benedikt)


Lesenswert?

Und nochmal etwas zum Display:
Der optimale Blickwinkel liegt bei mir bei etwa 10-20° von oben. Das 
Display müsste also leicht nach vorne geneigt werden, wenn man aus 
gleicher Höhe auf das Display schaut. Oder man stellt das Display 
tiefer, dann passt der Winkel auch.

Mir ist gerade aufgefallen, das die beiden Ringkerne in der 
Orginalschaltung deutlich warm werden. Für einen guten Wirkungsgrad 
sollte man hier also besser Spulen verwenden, denn diese gelben 
Eisenpulverringkerne sind nur eines: Billig.

von Timo B. (Firma: MicroForge) (timob)


Lesenswert?

Wow, Bennedikt! Das sieht ja hervorragend aus!

Ich fange gleich an meine Schaltung zu prüfen. Vielleicht ist beim 
Einlöten irgendwas schief gegangen.

Dein Ergebnis ist wirklich toll! Ich hoffe meine Schaltung wird das 
gleiche gute Ergebnis hervorbringen. Die Software sollte bei uns beiden 
jedenfalls gleich sein.
Könntest du evtl noch deinen Pegelwandler in der Schaltung beschriften? 
Der steht nur einmal im Thread und man muss immer wieder suchen. ;)

Ich bin froh, dass wir jetzt schonmal eine Version haben, die 
hervorragende Bilder liefert. Wenn meine dann noch läuft, wäre ich 
erstmal zufrieden. Ich denke für die anderen Dislays werde ich dann 
Bennedikts Schaltung nochmal layouten. Da sind ein paar kleine Teile 
weniger drauf :)


Einen noch zum Schluss (aber zum Spaß): "Konkurrenz belebt das Geschäft" 
:D

von Benedikt K. (benedikt)


Lesenswert?

Timo Birnschein wrote:
> Könntest du evtl noch deinen Pegelwandler in der Schaltung beschriften?
> Der steht nur einmal im Thread und man muss immer wieder suchen. ;)

Steht im Schaltplan daneben: z.B. ICL7667
Es gibt noch eine Menge andere die auch direkt nicht invertierend sind, 
wie die TC4405, TC4426, TC4468 von Microchip usw. aber der ICL7667 ist 
derart alt und weit verbreitet, dass er überall zu bekommen sein dürfte. 
Das einzige Problem ist halt, das der 7667 invertierend ist, und man 
daher beide in Reihe schalten muss.

> Einen noch zum Schluss (aber zum Spaß): "Konkurrenz belebt das Geschäft"
> :D

Deine Schaltung dürfte mit Sicherheit besser sein, vor allem wenn man 
mehr Farben haben möchte. Das einzige was mir nicht gefällt, ist der OP: 
Bei normalen Läden (Reichelt, CSD usw.) bekommt kann keine ausreichend 
schnellen, außer zu horrenden Preisen von >5€/Stk. Bei 4MHz Pixeltakt, 
und einer maximalen Einschwingzeit von einem halben Pixel, ergibt sich 
eine Anstiegs/Abfallzeit von etwa 125ns. Bei 5Vss ergibt das schon 
>=40V/µs.

von Timo B. (Firma: MicroForge) (timob)


Lesenswert?

Ja, der Op ist auch mir ein Dorn im Auge. Der bei mir nun verbaute 
(AD8040) schafft eine Bandbreite von 135MHz bei einer SlewRate von 
60V/µS. Ich vermute mal, dass selbst der schon unterste Kannte ist. Ich 
hätte auch lieber den anderen, schnelleren verbaut (AD4851). Der lag bei 
rund 250Mhz und 130V/uS SlewRate. Damit wäre ohne Probleme auch schönes 
VGA möglich gewesen. Aber die Spannungsversorgung war auf +5V begrenzt.

Ich löte grade die Drahtbrücken dran, die ich nicht routen konnte. 
Nachach flashe ich deine Software und messe erstmal die ganzen Signale 
duch, bevor ich den OpAmp anschließe.

Der Fehler bei der Ladungspumpe ist nicht wirklich offensichtlich. Ich 
habe mich an den Schaltplan gehalten, aber es stehen stabil 41V, wenn 
ich einschalte...

von Benedikt K. (benedikt)


Lesenswert?

Mess mal die Spannung an Pin5 vom 34063. Wenn da mehr als 1,3V anliegen 
ist der 34063 kaputt. Wenn weniger anliegen passt der Spannungsteiler 
nicht.

von Timo B. (Firma: MicroForge) (timob)


Lesenswert?

Naja. Ähm. Wie soll ich sagen.... Wenn man den Rückkopplungspfad nicht 
anschließt.... weil Luftverdrahtung vergessen, dann könnten sich 
probleme beim Regeln ergeben :P

Vielen Dank für deine Hilfe, die Pumpe läuft jetzt :)

von Timo B. (Firma: MicroForge) (timob)


Lesenswert?

Ich habe ein merkwürdiges Problem: Wenn ich den AVR-Prozessor 
reinstecke, sinken die 24V auf 7V ab. Je nach Eingangsspannung der 
Ladungspumpe auch mehr oder weniger.

Wenn ich den gesamt Eingangsstrom messe, kommen ohne AVR grademal 18mA 
zum Vorschein. Wenn ich den AVR einstecke steigt es auf 35mA. Wenig 
also.

Bevor der AVR auf dem Board steckt, habe ich saubere 24,5V. Die spanne 
ich mit einem 7805 runter auf 5V um damit den MAX232 und den AVR zu 
versorgen. Das klappt auch immer wunderbar. Sowohl mit als auch ohne 
AVR.
Stecke ich den AVR ein bleibt alles wie gehabt, die 24V sinken aber 
rapide ab, ohne dass ich irgendeine Wärmeentwicklung bemerken kann.

An sonsten klappt alles. Der OpAmp läuft, der AVR läuft... im Grunde 
brauche ich nurnoch die 24V und kann das Display einstecken.

Irgendwelche Ideen?

von Benedikt K. (benedikt)


Lesenswert?

Timo Birnschein wrote:
> Ich habe ein merkwürdiges Problem: Wenn ich den AVR-Prozessor
> reinstecke, sinken die 24V auf 7V ab. Je nach Eingangsspannung der
> Ladungspumpe auch mehr oder weniger.

Liegt vermutlich daran, dass die Strombegrenzung des 34063 anspricht:
Diese begrenzt bei 300mV. Bei 1 Ohm sind das also max. 0,3A. Da der 
Spitzenstrom etwa Faktor 4 über dem Mittelwert liegt, kann die Schaltung 
max. 75mA liefern. Und das auch nur bei Vin=Vout. Versorg daher am 
besten den AVR mitsamt dem 7805 direkt aus der Eingangsspannung. Es 
macht ja wenig Sinn, die 5V aus den aufwendig erzeugten 24V zu 
generieren, außer du möchtest mit dem 7805 auch Heizen.

von Timo B. (Firma: MicroForge) (timob)


Lesenswert?

Hm, du hattest recht. Allerdings frage ich mich, was dann passiert, wenn 
ich gleich das Display einstecke.

Kommen wir zum nächsten Problem. Ich kenne mich mit Invertern nicht so 
gut aus, aber er scheint eine erheblich zu große Spannung zu 
produzieren. Man kann das Displaygehäuse nicht mehr anfassen, weil man 
einen gewischt bekommt.
Beim messen der Spannung kommt es zu einem andauernden Entladungsbogen 
bei ca. 1cm abstand zum Pin. Die Spannung geht über die Scala von 
700Volt.
Das ist ja alles ganz lustig, aber bedenkt man, dass zudem die 
Displaybeleuchtung recht dunkel wirkt, muss da noch ein kleiner Fehler 
stecken...

Details details.......

von Benedikt K. (benedikt)


Lesenswert?

Timo Birnschein wrote:
> Man kann das Displaygehäuse nicht mehr anfassen, weil man
> einen gewischt bekommt.

Das dürfte normal sein, aufgrund der kapazitiven Kopplung, daher war da 
auch diese Folie hinten aufgeklebt und alles mit Masse verbunden.

> Beim messen der Spannung kommt es zu einem andauernden Entladungsbogen
> bei ca. 1cm abstand zum Pin.

Spannung Messen bringt bei einem CCFL Inverter nichts, dazu ist dessen 
Strom zu gering.

> Die Spannung geht über die Scala von 700Volt.

Ja, das ist normal. Im Leerlauf sollten es >1kV sein.

> Das ist ja alles ganz lustig, aber bedenkt man, dass zudem die
> Displaybeleuchtung recht dunkel wirkt, muss da noch ein kleiner Fehler
> stecken...

Liegt Pin 8 vom Übertrager auf Masse?

von Timo B. (Firma: MicroForge) (timob)


Angehängte Dateien:

Lesenswert?

Hey, es leeebt!

Ich habe erstmal meinen alten alternativinverter genommen, da ich das 
Display gern auch bewegen können wollte.

Was soll ich sagen: Es funktioniert! Ich glaube der Kontrast ist mit dem 
von Bennedikt vergleichbar. Man kann die einzelnen Farben getrennt 
voneinander in der Intensität, oder viel mehr dem Kontrast, verstellen. 
Zusätzlich kann über das vierte Poti der Gesamtkontrast verstellt 
werden. Das klappt sogar recht gut.

Allerdings habe ich ein Pixeljittern. Ich verstehe noch nicht so richtig 
wo das her kommt. Ich kann mir nur schwer vorstellen, dass das Signal 
jetzt verrauschter ist, als meine vorherige Lackdraht-Konstruktion mit 
über 30cm länge...

Außerdem crasht das Display gelegentlich auf Weiß. hm... aber vielleicht 
stürzt da einfach der AVR ab? Ich werde das prüfen.


EDIT: Es ist tag hell hier. Man kann es sehr gut ablesen!

von Timo B. (Firma: MicroForge) (timob)


Lesenswert?

Jau, das jittern ist weg!

Es lag wirklich nur an der Spannungsversorgung des AVR :)

von Timo B. (Firma: MicroForge) (timob)


Angehängte Dateien:

Lesenswert?

Sorry, wenn ich hier das Forum vollspame, aber jetzt geht auch der 
Inverter. Das Problem war schlicht, dass ich den Displaystecker nicht an 
die Platine angeschlossen hatte. Darum war mein Körper der einzige 
Kontakt zu Ground, weswegen sich die Spannung auf meine Hand endlud. 
Nachdem ich das Display an meine Platine angesteckt hatte, war das 
Problem automatisch weg.

Hier noch ein Bild im Dunkeln mit meiner Meinung nach maximalen 
Einstellungen. Besser kann meine Platine das auch nicht. Das Bild ist 
wieder minimal unscharf, da man sonst vor lauter Pixeln keine Farben 
erkennt. So sieht es ca. so aus, wie man es als Mensch auch sehen würde.

Es geht nun also alles die komplette Platine.

Ah, der Code ist auch angepasst. Bennedikt, wir sollten das mal so 
mergen, dass man das einfach auf beiden Prozessoren starten kann. Also 
ein paar Defines setzen.

Gruß
Timo

von Benedikt K. (benedikt)


Lesenswert?

Was hast du alles verändert? Oder lad am besten mal die angepasste 
Software hoch, dann bau ich das ein.

Wenn ich dein Foto mit meinem vergleiche, würde ich sagen beide sind 
identisch. Bei mir ist rot etwas kräftiger, bei dir blau und grün. Dies 
kann natürlich auch am Display liegen, vermutlich hat der Hersteller 
nicht grundlos ein Poti zur Einstellung des Weißabgleichs eingebaut.

von Timo B. (Firma: MicroForge) (timob)


Angehängte Dateien:

Lesenswert?

Hier mein Code.

Am besten du machst ne Art diff. auf die Dateien. Dann sollten die 
Änderungen leicht sichtbar werden.

Was mich wundert sind diese verdrehten Register in tft.c, dass die beim 
Mega88 genau anders herum sind. Aber egal.

Wenn das jetzt noch auf einem Mega mit externem Ram laufen würde, hätte 
man ein grafisches Farbdisplay. Aber ich glaube den Aufwand betreibe ich 
jetzt nicht mehr... Ich muss jetzt noch vier davon bauen... urks.

von Benedikt K. (benedikt)


Lesenswert?

Timo Birnschein wrote:

> Wenn das jetzt noch auf einem Mega mit externem Ram laufen würde, hätte
> man ein grafisches Farbdisplay.

Werde ich demnächst mal mit einem dsPIC33FJ64GP802 ausprobieren: Der hat 
16kByte SRAM, das sollte für 160x109 Pixel ausreichen.

von Benedikt K. (benedikt)


Angehängte Dateien:

Lesenswert?

Probiers mal aus. Wenn ich nichts übersehen habe, sollte es sich 
automatisch anpassen.

von Timo B. (Firma: MicroForge) (timob)


Lesenswert?

Das läuft noch nicht. Es sieht so aus, als würde kein einziger Ausgang 
laufen. Die Farben flimmern nicht und H_ und V_Synch auch nicht. Das 
einzige, was man sieht ist die Phase_Inversion, die alle anderen Kanäle 
zum herumflirren anregt.

Ein Bild ist nicht erkennbar. Alles besteht nur aus Streifen.

von Timo B. (Firma: MicroForge) (timob)


Lesenswert?

Sorry... schonwieder mein Fehler. Ich habe das Makefile auch 
überschrieben. Das kompiliert zwar mit deinem Makefile durch, allerdings 
läuft das dann nicht. Ich muss das mit meinem Makefile compilieren.



EDIT: Was ist das eigentlich für eine Zeichentabelle? Wenn ich Rahmen 
und ähnliches bauen will, komme ich mit den üblichen Ascii-Tabellen 
irgendwie nicht zurande...

von Timo B. (Firma: MicroForge) (timob)


Angehängte Dateien:

Lesenswert?

Moin,

hier mal meine Pläne für die Ansteuerung.

Benedikt, bist du schon mit dem Bug vorran gekommen? Wie genau äußert 
sich der? Abstürze während des Datenübertragung - sowas hast du 
zumindest mal erwähnt..

Gruß
Timo

von Benedikt K. (benedikt)


Lesenswert?

Momentan habe ich leider wenig Zeit mich intensiv mit dem Display zu 
beschäftigen, vielleicht komme ich nächste Woche dazu.
Du kannst es mal ausprobieren:
In der main das ; hinter for(;;) entfernen, dann sollten alle Zeichen 
die mit 19200 Baud über den UART ankommen angezeigt werden. Bei mir hat 
das Display dabei geflackert und ab und zu startete der AVR neu.

von Timo B. (Firma: MicroForge) (timob)


Angehängte Dateien:

Lesenswert?

Ja, ich habe grade auch wenig Zeit dafür. Nach Mittwoch könnte ich 
wieder was sinnvolles daran machen.

Ich habe dieses Flackern auch festgestellt, wenn der AVR aus dem Tritt 
kommt. Ich vermute mal, dass die Uart-Lib durch ihre Empfangsroutinen zu 
viel Zeit verbraucht und die Timings für das Display aus dem Takt 
kommen.

Vielleicht kann man das sinnvoll anpassen, dass die Timings nicht 
unterbrochen werden. Ich bräuchte für meinen Anwendungsfall eh kein 
allgemein taugliches Ascii-Display, sondern würde gerne Daten aus einem 
periodischen Stream auslesen und anzeigen.

Im Anhang noch ne kleine Motivation zum Nachbauen :)

Oben in der Ecke rennt ein Zähler. Das hat mal die ganze Nacht 
durchgezählt und ist erst morgens nach 9h einmal abgestürzt - zumindest 
wurde der Zählerstand mysteriös geresettet. An sonsten ist das ziehmlich 
stabil. Jedoch bleibt wirklich nicht mehr viel über von der 
Geschwindigkeit, wenn man zu allem überfluss auch noch sprintf 
verwendet. Ich habe durch die beiden Counter nurnoch ca. 3KHz vom 
Prozessor über!

von Andreas J. (antibyte)


Lesenswert?

Ich werd definitiv demnächst mal wieder das Ätzbad aufwärmen :)
Ich grübel im Moment noch,ob man nicht noch nen ENC28J60 dranhängen
könnte, und sich dann seine Emails im Posteingang anzeigen lassen
kann, oder es als Netzwerk-Display nutze könnte.
Aber wenn, wie Timo schreibt, die verbleibenden Resourcen so knapp
sind, wird das wohl eher nix :(

von Timo Birnschein (Gast)


Lesenswert?

Also ich denke, wenn man nicht unbedingt printf oder vergleichbare tools 
einsetzt, sondern auf itoa oder so zurück greift, könnte man noch gut 
performance frei machen.

Ich würde gerne mal ein paar weitere display laufen sehen. Wir werden 
hier sicher demnächst auch noch ein-zwei Platinen herstellen, da wir ja 
auch 5 Displays gekauft haben.

von Fabian (Gast)


Lesenswert?

Servus,
ich habe mal dieses Thema verfolgt und muss sagen Respekt, was ihr da 
hinbekommen habe ;)
Ich habe ein paar Fragen zu dem 4" und dem 5,6" Panels:
Ich brauche einen kleinen Monitor, an den ich eine Art 
Überwachungskamera anschließe, es muss also nichts absolut perfektes 
sein und mir würde auch die billige Ansteuerung benutzen.
Es wurde zwar bereits angesprochen, aber ich habe es nicht genau 
verstanden, deswegen hake ich nochmal nach: Kann ich an das 4" über die 
billige Ansteuerung ein Composite Signal dranhängen?
Bei dem 5,6" kann man das ja ziemlich sicher, das Problem dabei ist 
allerdings, dass im Moment der günstigste Preis dafür 38 EUR beträgt. 
Weiß jemand wo man das im Moment günstig beziehen kann?

Vielen Dank für die Hilfe!
Gruß

Fabian

von Fabian (Gast)


Lesenswert?

Ohje, ich bitte die vielen groben Rechtschreibfehler zu entschuldigen, 
es ist noch früh ;)

von Andreas J. (antibyte)


Lesenswert?

Hi Fabian,

Composite geht nur beim 5,6" Display und auch nur über die original
verbaute Ansteuerungselektronik.
Beim 4" kann man Composite zwar einspeisen, aber dann nur schwarz/weiss.

Das Joytech 7" (16:9) ist zum 5,6" kompatibel, und noch gelegentlich für 
rund 30 Euro zu kriegen.

http://cgi.ebay.de/JOYTECH-Reiseset-mit-7-TFT-Monitor-fuer-Playstation-2_W0QQitemZ350131199806QQcmdZViewItemQQptZPC_Viedeospielzubeh%C3%B6r

Nicht zu verwechseln mit dem 7,2", welches vermutlich ein DSTN Display 
ist.

Das 5,6" gibts noch bei Amazon.de für 30 Euro, letztes Jahr bei Ebay 
gabs die für unter 20 Euro .....

http://www.amazon.de/PlayStation-2-5-6-TFT-Monitor-Stereosound/dp/B0000AWAH3/ref=sr_1_1?ie=UTF8&s=videogames&qid=1227910766&sr=8-1

Das 5,6" Panel selbst will ein analoges RGB Signal (SCART), und das 4" 
ist
ohne Zusatzaufwand nicht anzusteuern.

von neuling (Gast)


Lesenswert?

hallo,
bin neu auf diesem gebiet und hab schon seit geraumer zeit hier eure 
beiträge verfolgt/bestaunt.;)
hab mir dann letzte woche auch mal so ein 4" tft gekauft und voller 
eifer an einen receiver angeschlossen.(Scart-RGB wie oben beschrieben)
ein bild hab ich schonmal auf dem tft.
allerdings mit einem extremen grünstich.
kann mir vielleicht jemand sagen woran das liegen könnte bzw. wie ich 
diesen grünstich weg bekomme.

im vorraus schonmal danke

von Benedikt K. (benedikt)


Lesenswert?

Versuch mal an dem Poti rechts neben am TFT zu drehen.

von neuling (Gast)


Lesenswert?

aussen am gehäuse (color+brightness)hab ich schon gedreht!
oder meinst du direkt auf der platine?

von Benedikt K. (benedikt)


Lesenswert?

Ich meine den am Gehäuse. Wenn der nicht ausreicht, dann fehlt eventuell 
ein Signal. Sind denn alle Farben (also RGB) vorhanden?

von Andreas J. (antibyte)


Lesenswert?


von Timo B. (Firma: MicroForge) (timob)


Lesenswert?

Gibts eigentlich mal irgendwen der das außerdem noch zum laufen und 
somit zur Anwendung gebracht hat?

Ich überlege, ob ich mir ne Art G-Meter (fürs Auto) mit 
Character-Darstellung des Graphen progge, oder evtl die Möglichkeit 
einbaue einzelne Punkte darstellen zu können, um einen einzelnen Graphen 
zeichnen zu können. Oder man setzt einfach nen Mega644 ein, wie er in 
der UzeBox verwendet wird. Oder gleich die UzeBox :)

Ich würde aber gerne mehr bilder von laufenden und verwendeten Displays 
sehen! :D

von Andreas J. (antibyte)


Lesenswert?

Hab mir inzwischen zwar Video-OpAmps besorgt, zu mehr kam
ich aber noch nicht.

Dieses Projekt scheint mir ein guter Kandidat für eine Anpassung an das 
TFT zu sein !

http://avga.prometheus4.com/index.php?p=1-0



The optimal resolution chosen for PAL is 192x144 (not overclocked). This 
resolution is 4:3 and dividable by eight. Each PAL frame has 288 lines, 
so when doubling each scanline, it covers the whole screen, with no 
unmapped area. For NTSC it is 160x120. *Note that you can make up your 
own video resolution*

von Andreas J. (antibyte)


Lesenswert?

Apropos OP-Amp, ich weiss nicht ob der AD8052 funktionieren wird,
aber den kann ich u.U. für 50 Cent/Stück in beliebigen Mengen kriegen.

von Benedikt K. (benedikt)


Lesenswert?

Andreas Jakob wrote:

> Dieses Projekt scheint mir ein guter Kandidat für eine Anpassung an das
> TFT zu sein !

Wow, das sieht ja verdammt gut aus.
Der PSone Monitor der bei dem v0.1 Demo auf den Bildern ist, den kann 
ich nur empfehlen: Der hat echte 320x240 und kann PAL und RGB und 
erzeugt weitaus bessere Bilder als die PS2 TFTs die hier genannt wurden.

Andreas Jakob wrote:
> Apropos OP-Amp, ich weiss nicht ob der AD8052 funktionieren wird,
> aber den kann ich u.U. für 50 Cent/Stück in beliebigen Mengen kriegen.

Dürfte gehen, 50cent ist auch echt günstig für solch einen Video OP, und 
dann auch noch Rail2rail. Ich hätte Interesse an ein paar.

von neuling (Gast)


Lesenswert?

Ja es sind alle signale vorhanden!
es scheint aber so das das grün-signal stärker ist als rot und 
blau.(wenn ich die drähte R,G und B einzel/abwechselnd anschliesse)

von Benedikt K. (benedikt)


Lesenswert?

Vertausch mal die Farben. Wenn dann grün immer noch am stärksten ist, 
dann passt irgendwas im TFT nicht, ansonsten liegts an der Signalquelle.

von Andreas J. (antibyte)


Lesenswert?

Benedikt K. wrote:

> Dürfte gehen, 50cent ist auch echt günstig für solch einen Video OP, und
> dann auch noch Rail2rail. Ich hätte Interesse an ein paar.

Naja, zwecks Porto müsste ich da schon einige bestellen, dass sich das
lohnt.
Wenn noch mehr Leute Interesse haben, würd ich mal anfragen.
Vielleicht gibts ja bei entsprechender Menge Rabatt :)

von neuling (Gast)


Lesenswert?

hab die farben mal getauscht!
also wenn ich,
G(scart) an G(tft)anliegen hab hab ich einen grünstich
G(scart) an B(tft) = blaustich
G(scart) an R(tft) = rotstich

von Benedikt K. (benedikt)


Lesenswert?

Dann scheint der Scartausgang aus irgendeinem Grund zuviel Spannung an 
Grün zu liefern.
Versuch mal Elkos in Reihe zu schalten, vielleicht kommt das TFT mit dem 
Offset nicht zurecht, im TFT selbst gehen die RGB Signale zumindest 
direkt über 10k Widerstände in ein IC.
75 Ohm Abschlusswiderstände sehe ich auch nirgends: Klemm auch mal an 
die RGB Leitungen jeweils 75 Ohm gegen Masse.

von neuling (Gast)


Lesenswert?

es liegt wirklich an meinem receiver.
hab das ganze mal mit einem anderen receiver versucht und da 
funktioniert es ohne probleme.
leider überschreiten deine lösungswege momentan meine möglichkeiten!
(zumindest im moment noch)  ;)
wechle elkos sollte ich denn am besten wählen?
und ich nehme mal an ein elko vor jedes signal?

vielen dank nochmal für die schnellen und hilfreichen antworten!!!!!

von Benedikt K. (benedikt)


Lesenswert?

neuling wrote:
> wechle elkos sollte ich denn am besten wählen?

Irgendwelche Standardteile, 1-100µF und alles 10V aufwärts sollte OK 
sein. + an den Ausgang, - an den TFT.

> und ich nehme mal an ein elko vor jedes signal?

Genau.

Versuch es aber erstmal mit den 75 Ohm.

von neuling (Gast)


Lesenswert?

ok werd ich dann versuchen.
denkst du ich sollte an jeden ausgang einen 75 ohm wiederstand legen 
oder erstmal nur an GRÜN?

von Benedikt K. (benedikt)


Lesenswert?

An alle.

von neuling (Gast)


Lesenswert?

ok danke bis demnächst!

von El Patron B. (bastihh)


Lesenswert?

Andreas Jakob wrote:

> Naja, zwecks Porto müsste ich da schon einige bestellen, dass sich das
> lohnt.
> Wenn noch mehr Leute Interesse haben, würd ich mal anfragen.
> Vielleicht gibts ja bei entsprechender Menge Rabatt :)

ich wäre mit 5 Stk. dabei ^^

von Andreas J. (antibyte)


Angehängte Dateien:

Lesenswert?

Hier mal die Lagerliste von dem ungarischen Verkäufer.
Die Preise für die Teile die ich angefragt und bestellt habe,
lagen weit unter den üblichen Marktpreisen.
In der Regel < 25% des Großhandelspreises.
Wenn jemand was braucht, kann ich ja mal anfragen.

von Andreas J. (antibyte)


Lesenswert?

Nur mal als Beispiel :

SMD Widerstand         : 0,1 Cent
10 uH SMD-Spule        : 3 Cent
SMD Zener Diode 5,1V   : 0,4 Cent
Highspeed OPAMP AD8052 : 48 Cent
4N28S-M SMD Optokoppler: 9,5 Cent
SMD 1u/16V Keramik     : 0,4 Cent
OPAMP LM324            : 6 Cent
MOSFET SI4834BDY-T1    : 1,9 Cent
74VHC4066MX            : 6,9 Cent

von Benedikt K. (benedikt)


Lesenswert?

Die Preise sind ja echt günstig, was mich interessieren würde:
LP2985IM5X-3,3V regulátor SOT23
LP2980IM5X-5,0V regulátor SOT23
APT6011-LVR 600V / 49A TO264
22uF / 10V tantal TAJB226K010R
22uF / 10V tantal TMC1AC226KLRH
68uF / 16V tantal TAJD686K016R AVX

von Moritz E. (devmo)


Lesenswert?

Hat hier jemand bei dem Shop Deluxe24 schonmal die Moneybookers 
Sofortüberweisung getätigt? Also das das nur über die Eingabe meines 
Online-Banking Logins und das auch noch ohne verschlüsselte Übertragung 
gehen soll finde ich sehr suspekt! Sowas kann doch kein TÜV Siegel 
kriegen?

von Timo B. (Firma: MicroForge) (timob)


Lesenswert?

Bei Mindfactory läuft das ähnlich. Funktioniert dort auch sehr 
zuverlässig.
Ob es das gleiche System ist, kann ich dir allerdings nicht sagen. Ah 
Paypal nennt das gleiche vorgehen übrigens GiroPay und funzt dort 
ebenfalls problemlos.
Man wird nach eingabe deines Logins zu der entsprechenden Bank geleitet, 
man überweist das Geld und wird automatisch wieder zurückgeleitet.

von Moritz E. (devmo)


Lesenswert?

Das ist ansich ja noch zumutbar, aber ohne verschlüsselte Verbindung?

von B. W. H. (kormorix)


Lesenswert?

Hallo,
von Deluxe24 und moneybookers kann ich nur abraten!!
Hatte im Deluxe24-Shop etwas bestellt. Geld wurde von moneybookers 
abgebucht, da der Shop aber einen Fehler enthielt, wurde Bestellung 
nicht ausgelöst. Da ich Betrug vermutete, habe ich das Geld natürlich 
sofort rückbuchen lassen. Nach einigem Hin- und Her und Drohungen von 
moneybookers bin ich dann auf der Rückbuchungsgebühr sitzen geblieben.

Buche das unter Lehrgeld ab, ärgerlich ist es trotzdem, nie wieder 
Deluxe24 oder moneybookers (die sitzen übrigens in London, sodaß man an 
die nur schlecht rankommt)!

vG kormorix

von Wegstaben V. (wegstabenverbuchsler)


Lesenswert?

naja, was hat denn Deluxe damit zu tun wenn du so einen Bezahldienst wie 
Moneybookers nutzt? Genausowenig kann deluxe was dafür wenn du mit 
paypal bezahlst, und von Paypal existieren auch genügend 
Gruselgeschichten.

Grundsätzlich hat sich bei meinen Bestellungen deluxe immer sehr 
kooperativ gezeigt, auch wenn da was zurückzubuchen war (z.B. weil Ware 
nicht lieferbar war etc)

von Andreas J. (antibyte)


Lesenswert?

Hatte bei meinen Bestellungen bei Deluxe24 nie Probleme.
Nur weil bei dir einmal etwas schief gegangen ist, würde
ich nicht gleich den Laden mies machen.

von Timo B. (Firma: MicroForge) (timob)


Lesenswert?

Zumal in diesem Thread wirklich schon einige Leute durch diesen Laden 
glücklich geworden sind. Im Grunde ist es für Warnungen zu spät :)

von Andreas J. (antibyte)


Lesenswert?

Das einzige was mich an denen ärgert, sind ihre ständigen
Preisänderungen. Wir haben eine Megaaktion gestartet, um
die Displays für 5 Euro zu kriegen, dann kosten sie plötzlich
im Endkundenshop nur noch 5 Euro, dann plötzlich wieder 8 Euro,
und jetzt nur noch 3,99 Euro .... krass.

von alleswisser (Gast)


Lesenswert?


von Terri (Gast)


Lesenswert?

Hallo,

Bin jetzt durch den ganzen Text hier durch. Habe aber keine richtigen 
Leistungsangaben gefunden? Nur die vom kfz-NT von 12V/6A auf 8,5V/5.65A.

Hat einer von euch mal das Ding angeschlossen und kann mir die Leistung 
verraten? Also ohne PS2. Wär echt nett. Und wenn Ihr mir gleich ein NT 
empfehlen könntet wär ich sprachlos.


Terri

von Benedikt K. (benedikt)


Lesenswert?

Ich messe 8,5V 570mA, also rund 5W.

von Terri (Gast)


Lesenswert?

danke, hab grade ein 9V 600mA NT gefunden. Mal sehen ob es das ab kann.

von Randy (Gast)


Lesenswert?

Hallo,

weiß jemand ob die aktuell bei Ebay rumgeisternden 4" Displays (z.B. 
320349881899) tatsächlich die 380x234 Pixel haben und die Zeilen der 
Ansteuerung darstellen ohne welche auszulassen? Da gabs ja verschiedene 
Varianten.

Randy

von Benedikt K. (benedikt)


Lesenswert?

Dem Foto und der Beschreibung nach ist es das Display von oben.
Es dürfte also 160x220 echte Pixel haben.
Wenn du es drauf ankommen lassen möchtest: Bestell dir das, schaus an, 
und schick es zurück wenn es dir nicht gefällt, wegen komplett falscher 
Beschreibung.

von Randy (Gast)


Lesenswert?

> Es dürfte also 160x220 echte Pixel haben.
> Wenn du es drauf ankommen lassen möchtest:

Das ist mir zu Zeitaufwändig, dafür dass es wahrscheinlich nix ist.
Da du der Display-Gott hier im Forum bist, eine Frage:
Ein Freund möchte ein (eventuell) kommerzielles Teil entwickeln. Was ich 
ihm dazu empfehlen soll ist ein Display. Graphisch, LCD, vielleicht 
Farbe. Gibt es da was was soweit verbreitet ist wie z.B. der 44780 bei 
Textdisplays; wo man sicher sein kann dass man auch in x Jahren noch ein 
(Software-)kompatibles Display bekommt ohne in Restpostenkisten wühlen 
zu müssen?
Die DOG-Serie die es bei Reichelt gibt wäre ja ganz nett anzusteuern, 
aber das ist nur ein Hersteller. Wenn der die abkündigt bleibt nur ein 
Redesign.
Gibts im Grafikbereich was was weit verbreitet ist? Evtl. auch ohne 
Kontroller, wenn es sein muß. Gibts ein Pixel-Reinschieb-Format auf 
dessen weite Verbreitung man sich verlassen kann? Dann würde es sich 
auch lohnen sowas wie
Beitrag "Einfacher Low Cost LCD Controller für 320x240 LCD im Textmodus"
in das Projekt einzubauen - entweder als eigenen Contoller oder im 
Interrupt im Haupt-uC.

Vielen Dank

Randy

von Benedikt K. (benedikt)


Lesenswert?

Wirklich einen Standard gibt es da nicht.
Die 128x64 LCDs mit KS0108/KS0107 werden aber von vielen Herstellern 
nahezu gleich hergestellt. Wenn das reicht würde ich dir sowas 
empfehlen.
Farbige Displays (TFTs) ohne Controller haben auch mehr oder weniger 
immer die gleiche Belegung die es vermutlich auch noch etliche Jahre 
lang geben wird. Allerdings benötigen die dann einen externen 
Controller.

von Randy (Gast)


Lesenswert?

Vielen Dank für die Info

Randy

von Wegstaben V. (wegstabenverbuchsler)


Lesenswert?

lang ist es her, aber ich habe beim Aufräumen im Keller tatsächlich noch 
ein unverbastelten "PS2 Display" im Originalkarton incl. KFZ-Adapter 
gefunden.

Ich hatte es wohl mal aufgeschraubt, um mir das Display anzusehen, aber 
nichts weiter sonst gemacht.

Das verbaute Display (TFD40W11) soll wohl auch in manchen Oszis verbaut 
sein. Möglicherweise eine sinnvolle Ersatzteil-Quelle.


Gegen Portokosten gebe ich das Teil ab, bitte per PN melden 
(email-Adresse in der PN angeben)

Bitte melde dich an um einen Beitrag zu schreiben. Anmeldung ist kostenlos und dauert nur eine Minute.
Bestehender Account
Schon ein Account bei Google/GoogleMail? Keine Anmeldung erforderlich!
Mit Google-Account einloggen
Noch kein Account? Hier anmelden.