Hallo Forengemeinschaft, über die Feiertage war ein wenig Zeit, um sich mal wieder so richtig in der Werkstatt einzuigeln. Ein konkretes Projekt war nicht geplant, vielmehr aufräumen und Bestandasaufnahme. Beim rumkramen ist mir dann ein TLC7135 (4,5 stelliger AD-Wandler mit BCD Ausgang, steinalt) in die Finger geraten. Und schon ging es los mit dem DVM 4,5 Stellen. Bei schneller Durchsicht fanden sich genaue Metallfilmwiderstände, zöllige 7 Segmentanzeigen und Basismaterial. Heute habe ich nun Inbetriebnahme und Abgleich gemacht und auch Fragen dazu: 1: Mit der Referenz steht und fällt ja alles. Zur Verwendung fand ein LM336, 2,5Volt und 1%. den Weg in die Schaltung. (Spannungsteiler+Poti) Wie bekommt man das noch genauer hin? 2: Ist eine Messbereichserweiterung auf 200V sinnvoll? (Bei entsprechendem Aufbau!) Ansonsten ist die Geschichte recht stabil, das letzte Digit wackelt im 2Volt Bereich um einen hin und her, entsprechend 100µV. Thermische Stabilität konnte ich bisher nur an der Refezenz prüfen (Lötkolben und Kältespray), da tut sich nichts. Weiteres kommt dann erst nach dem Einbau in das Gehäuse. Und ja, ich kenne den Unterschied zwischen Auflösung und Genauigkeit. Für Tips und Anregungen besten Dank, Getrolle wird ignoriert. Frank
Frank B. schrieb: > 1: Mit der Referenz steht und fällt ja alles. Zur Verwendung fand ein > LM336, 2,5Volt und 1%. den Weg in die Schaltung. > (Spannungsteiler+Poti) Es gibt auch noch genauere Referenzen. Erste Links findest Du in den DSE-AQ. > 2: Ist eine Messbereichserweiterung auf 200V sinnvoll? Warum nicht? Ist mit einem Spannungsteiler kein Problem. Strommessung ist wegen des Vollausschlags schon ein Problem. Man bräuchte da einen präzisen Verstärker um den Faktor 10 oder noch besser 100, der die Genauigkeit nicht allzusehr verschlechtert. Gruss Harald
Frank B. schrieb: > 1: Mit der Referenz steht und fällt ja alles. Zur Verwendung fand ein > LM336, 2,5Volt und 1%. den Weg in die Schaltung. > (Spannungsteiler+Poti) > > Wie bekommt man das noch genauer hin? Nach Datenblatt abgleichen und temperaturkompensieren.
@ Frank B. (elan40) >1: Mit der Referenz steht und fällt ja alles. Zur Verwendung fand ein >LM336, 2,5Volt und 1%. den Weg in die Schaltung. >Thermische Stabilität konnte ich bisher nur an der Refezenz prüfen >(Lötkolben und Kältespray), da tut sich nichts. Weiteres kommt dann erst >nach dem Einbau in das Gehäuse. Wie soll das zusammenpassen? Der LM336 is ne Gurke mit typisch 70ppm/K, max. 230ppm/K. Macht bei 50K 3,5%/11,5% Drift.
Hallo Frank, so einen ICL7135 hab ich auch noch rumliegen, da gab das Netz bisher keine so nachbausicheren Anleitungen her. Ich sehe das wird sich jetzt wohl ändern. Viel Erfolg mit deinem Projekt. Hoffe sehr, du läßt uns auch Blicke auf dein Layout werfen...
> Wie bekommt man das noch genauer hin? Es gibt viele genauere, je nach dem was dir die Beschaffugn wert ist. Für 4 1/2 Stellig müsste es besser als 0.005% sein, es kann also gar nicht genau genug werden. Pollin hat die 0.3% genaue AD584J mit 2.5V und 30ppm.
Falk Brunner schrieb: > Wie soll das zusammenpassen? Der LM336 is ne Gurke mit typisch 70ppm/K, > max. 230ppm/K. Macht bei 50K 3,5%/11,5% Drift. Ups. Ändern tut sich da schon was, allerdings steigt die Spannung auch wieder auf den ursprünglichen Wert hinab. Ich ziehe mir mal Datenblatt. Harald Wilhelms schrieb: > Warum nicht? Ist mit einem Spannungsteiler kein Problem. > Strommessung ist wegen des Vollausschlags schon ein Problem. > Man bräuchte da einen präzisen Verstärker um den Faktor 10 > oder noch besser 100, der die Genauigkeit nicht allzusehr > verschlechtert. Über die OVER/UNDER Ausgänge habe ich eine automatische Bereichsumschaltung gebaut, das haut auch so hin. Ich sehe schon, ohne Schaltung wird das nichts. Und ja, ggfs werde ich auch eine ROBUSTE Strommessung vorsehen, mit RICHTIGEM Shunt.
MaWin schrieb: > Es gibt viele genauere, je nach dem was dir die Beschaffugn wert ist. > Für 4 1/2 Stellig müsste es besser als 0.005% sein, es kann also gar > nicht genau genug werden. > > Pollin hat die 0.3% genaue AD584J mit 2.5V und 30ppm. Vielen Dank MaWin, werde ich mir ansehen. Auf Pollin wär ich ja nun im Leben nicht drauf gekommen.... Der LM336 war nun mal da, wiegesagt, es war über die Feiertage. Und da bekommt man ja keine hochgenauen Referenzen.
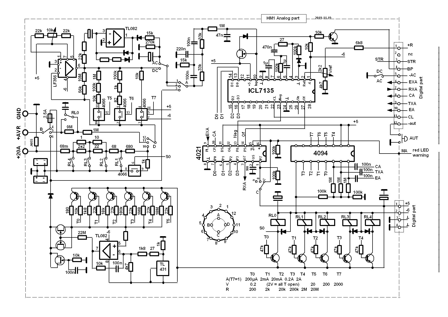
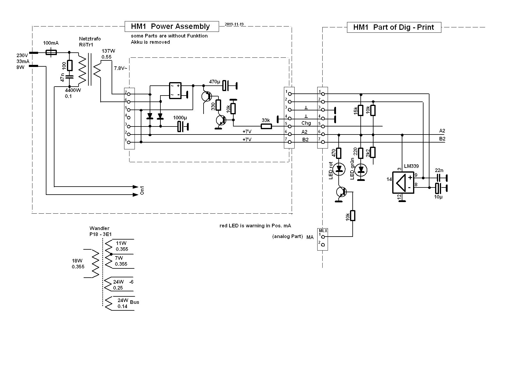
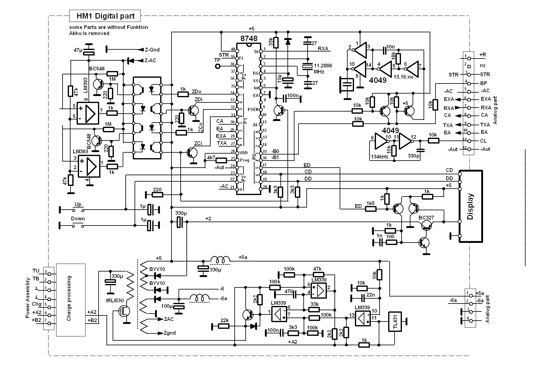
Hardy F. schrieb: > Hallo Frank, so einen ICL7135 hab ich auch noch rumliegen, da gab das > Netz bisher keine so nachbausicheren Anleitungen her. > Ich sehe das wird sich jetzt wohl ändern. > Viel Erfolg mit deinem Projekt. > Hoffe sehr, du läßt uns auch Blicke auf dein Layout werfen... Es sind doch 4 Platten geworden. Trafo/Siebung, Netzteil/Abschwächer (aktiv) TLC 7135 mit Oszillator und Decoder (SN74LD47) und die Displayplatine. Bis auf die Netzteilplatte alle doppelseitig, 75x100 mm Display dann 128x68mm, Gehäusepassig. Geroutet habe ich mit Target V15, PCB-Pool.
Sehr schön, ich könnte Dir folgendes anbieten: Sende mir eine Referenzspannungsquelle und/oder Widerstände Deiner Wahl betriebsfähig, also wenigstens anschliessbar, inkl. Rückporto, dann messe ich Dir Spannung/Widerstand, zwar länger nicht kalibriert, aber mit 6,5 Stellen (HP 34401A), was für die Anwendung dennoch reichen sollte, bei ca. 20 Grad Raumtemperatur. Wenn es jemand genauer bietet, umso besser.
Frank B. schrieb: > 1: Mit der Referenz steht und fällt ja alles. Zur Verwendung fand ein > LM336, 2,5Volt und 1%. den Weg in die Schaltung. > (Spannungsteiler+Poti) > > Wie bekommt man das noch genauer hin? Die bessere Alternative ist ein LT1009 mit typ 15 und max 25 ppm/K. Wenn es aufs Stromsparen ankommt kann man auch einen LT1004 typ 25 ppm/K nehmen. Allerdings reichen dann normale Metallfilm-Widerstände mit 50ppm/K nicht mehr aus. Potis (200 ppm/K) dürfen dann nur noch ganz wenig am Bereich trimmen. RC55Y Metallfilmwiderstände haben 15 ppm/K. Wenn es noch genauer sein soll wären da noch für Batteriebetrieb ein ISL21009BFB825Z (3 ppm/K) oder bei Netzbetrieb ein MAX6325 (1ppm/K) mögliche Kandidaten. Allerdings brauchst Du dann auch entsprechend genaue Widerstände. Als Spannungsteiler für die Meßbereiche bis 1000V gibt es konfigurierte Netzwerke mit 2.5ppm/K fürs Spannungsteilerverhältnis. http://de.rs-online.com/web/p/widerstandnetzwerke/3468538/ Gruß Anja
Kinners, wie die Zeit vergeht :-( Eine meiner Erstlingsschaltungen, seit nun mehr zwanzich Jahren im Einsatz ... Hab vom Besten was ich damals als Referenz hatte in den Sockel gesteckt, einen AD584JH. Da nichts Besseres vorhanden war, mußten Polycarbonat-Kondensatoren zur Beschaltung des 7135 herhalten und den Taktgenerator hab ich nach einer Application Note aus einem LM311 Komparator (das IC mit der draufgemalten 1 auf dem TO99 Gehäuse) aufgebaut. Alles Geschichte, danach kam gleich die mc-Zeit mit dem 8051, später AVR, MSP430 und heute quäle ich ARM-Prozessoren :-)
Zur Info: Ich wollte Teile bei Farnell bestellen. Bekam eine Absage, nur Händler oder Studenten können dort bestellen...scheinbar brauchen die mein Geld nicht.
Ist ja ein Zufall...Ich bin gerade auch dabei mit meinem ICL7135 sowas aufzubauen. Als Referenz habe ich den LT1004IZ-1.2 genommen Average Temperature Coefficient - 20 ppm/°C Welchen Schaltplan hast genommen ? Ich nehme das originale von Intersil
Thomas der Bastler schrieb: > Welchen Schaltplan hast genommen ? > Ich nehme das originale von Intersil Da ist aber keine Bereichsumschaltung anbei.
Standardmäßig nicht, stimmt, aber hatte schon mal irgendwo irgendwas gesehen...
Frank B. schrieb: > Thomas der Bastler schrieb: >> Welchen Schaltplan hast genommen ? >> Ich nehme das originale von Intersil > > Da ist aber keine Bereichsumschaltung anbei. In einigen Datenblättern für den 7107 wird das m.W. beschrieben. Vielleicht kannst Du die Logik übernehmen. Gruss Harald
>Zur Info: Ich wollte Teile bei Farnell* bestellen. Bekam eine Absage, nur >Händler oder Studenten können dort bestellen...scheinbar brauchen die >mein Geld nicht dafür gibts https://hbe-shop.de/
der alte Hanns schrieb: > Wie wäre es mit dem LTC6655B als Referenz? Wäre auch OK, bekommt man sogar als Sample
Btw... TL / ICL 7135 in der Bauform kleiner DIL40? Hat das schon mal jemand in der Hand gehabt?
Frank B. schrieb: > Btw... > > TL / ICL 7135 in der Bauform kleiner DIL40? > Hat das schon mal jemand in der Hand gehabt? Du verwechselst das mit den 7106 bzw. 7107, die 7135 haben schon immer ein DIL28 Gehäuse.
Sorry, natürlich DIL28. Das 7135 gibt es auch in PLCC, TSOP o.ä. Hatte schon mal eins in der Hand, ist aber schon lange her. Irgendjemand eine Ahnung bezüglich Bezugsquellen?
Aliexpress bietet chinesische Nachbauten für einen Witzpreis (20 Stück $28). Die haben ein Ti-Logo drauf, sind aber nicht von Ti, sondern wahrscheinlich von sungine.
automatische Bereichsumschaltung bei 2,5 Stellen / Sekunde macht meiner Ansicht nicht wirklich Sinn. Jedenfalls nicht, wenn man die Umschaltschwellen aus dem BCD Code ableitet. Das ist in der Praxis einfach nur nervig. Analoge Umschaltschwellen macht aber auch keinen Sinn, weil zu ungenau, und womöglich falsche Anzeige bis er den neuen Wert aktualisiert hat. Da sind in der Praxis dann eher schnellere Wandler gefragt. Die gibt es aber als Standalone Lösung nicht. Hier werden dann Sigma Delta Wandler in Verbindung mit einen Mikroprozessor eingesetzt. Oder zu Fuss aufgebaute Multislope Wandler wie bei dem Agilent 34401 Ralph Berres
Falk Brunner schrieb: > Wie soll das zusammenpassen? Der LM336 is ne Gurke mit typisch 70ppm/K, > max. 230ppm/K. Macht bei 50K 3,5%/11,5% Drift. Kann denn keiner mehr Kopfrechnen, gibt es da keinen Aufschrei? Ich rechne da: 70 * 50 = 3500, 3500 / 1000000 = 0,35% bzw 1,15%
Falk Brunner rechnet öfter mal falsch, kein Grund zum Aufregen, geschweige denn Aufschreien.
Anja schrieb: > Allerdings reichen dann normale Metallfilm-Widerstände mit 50ppm/K nicht > mehr aus. Potis (200 ppm/K) dürfen dann nur noch ganz wenig am Bereich > trimmen. RC55Y Metallfilmwiderstände haben 15 ppm/K. Was wenn man mit Widerstandsnetzwerken arbeitet, bsp. 5x 10k um aus 2,5V --> 1V abzuleiten und das Feintunig dann mit einem Spindeltrimmer kleinen Wertes durchführe? Bei Widerstandsnetzwerken sollte mir der Temperaturgang generell doch weniger Schmerzen bereiten, da sich nur der Lastwiderstand über die Temperatur ändert, jedoch nicht das Teilerverhältnis, wovon ich in guter Näherung ja ausgehen kann.
Als Anregung hilft evtl. dies hier auch weiter: http://www.akh.se/hameg/hm80/hm8011-2-de.pdf Es handelt sich dabei um das 4.5-stellige DMM HM8011-2 von Hameg - Schaltplan inklusive. Auch ich hatte schon den größten Teil der (wichtigen) Komponenten dafür zusammen, incl. einem passenden Gehäuse. Was heute aber nur noch schwer zu bekommen ist, sind die Druckschalter mit gegenseitiger Entriegelung um die Messart (mA, kOhm, V) umzuschalten. Also dachte ich mir es möglicherweise mit Relais zu realisieren und die Messwertausgabe nicht vom 7135 über seine BCD-Ausgänge zu machen, sondern durch mitzählen der Impulse wenn man "BUSY" mit dem "CLOCK IN" verodert. Dadurch spart man sich Leitungen und kann dann den analogen Teil (Teiler/Shunt, 7135, ...) vom digitalen Teil (z.B. ATmega, Anzeige, ...) galvanisch durch Optokoppler trennen (falls nötig). In Verbindung mit einem µC könnte man dann auch noch andere (zusätzliche) Sachen machen wie Kennlinienlinearisierung, Temperaturanzeige via Platin-Elemente (Pt100, Pt1000, ...), als auch zusätzliche (und selektierbare/umschaltbare) Eingangsschaltungen z.B. zur Frequenzmessung, Kapazitäts-/Induktivitätsmessung, Milliohmmessung etc.
Ich sehe heutzutage eher einen kleinen Mikrocontroller als BCD-zu-SPI oder BCD-zu-I2C Umsetzer, sodass man ein Mehrkanalmultimeter/-voltmeter damit aufbauen kann. Zusammen mit einem kräftigeren Mikrocontroller à la STM32 und einem 7" TFT LCD kann man somit mehrere Kanäle darstellen oder einzelne Kanäle mit jeder Menge Zusatzinformation wie Statistik oder Trendkurven darstellen und zudem auch noch mit loggen. Für C-/ L-Messungen gibt es m.E. bessere Lösungen, dass muss in einem 7135 basierten Gerät nicht zwangsläufig realisiert werden, da es nicht mehr dem Zahn der Zeit entspricht. Aber das ist nur meine Meinung.
branadic schrieb: > Bei Widerstandsnetzwerken sollte mir der > Temperaturgang generell doch weniger Schmerzen bereiten, da sich nur der > Lastwiderstand über die Temperatur ändert, jedoch nicht das > Teilerverhältnis, wovon ich in guter Näherung ja ausgehen kann. Die Hoffnung stirbt zuletzt ... Durch eine einzelne Kompensationsmaßnahme kann man etwa einen Faktor 10 Verbesserung erwarten. Ein normales Widerstandsnetzwerk ist ein Dickschicht-Widerstand mit 100-200ppm/K Temperaturgang und 1% Alterung beit 1000 Stunden unter Last. Also mit guter Hoffnung kann man dann 20ppm/K Gleichlauf erwarten. Die Alterung läuft dann hoffentlich auch in die gleiche Richtung. Bourns spezifiziert sogar einen Temperaturgleichlauf von 50ppm/K für das Widerstandsnetzwerk: http://docs-europe.electrocomponents.com/webdocs/069c/0900766b8069ccfd.pdf Es gibt natürlich für Messanwendungen auch passivierte Dünnfilm-Netzwerke. Z.B. LT5400 http://parametric.linear.com/Precision_Resistor_Network Da sind die Alterungs und Gleichlaufeigenschaften etwas besser spezifiziert. Gruß Anja
> Die Hoffnung stirbt zuletzt ...
... aber sie stirbt.
Also bleiben nur Widerstandsnetzwerke wie die von Caddock?
branadic schrieb: > Also bleiben nur Widerstandsnetzwerke wie die von Caddock? Die sind zumindest spezifiziert. (und Dünnfilm-Widerstandsnetzwerke). Gruß Anja
Gut, denn für den Einsatz mit dem ICL7135 halte ich Metallfolienwiderstände an der Referenz für über das Ziel hinaus geschossen.
branadic schrieb: > Gut, denn für den Einsatz mit dem ICL7135 halte ich > Metallfolienwiderstände an der Referenz für über das Ziel hinaus > geschossen. Gute Metallfilm-Widerstände (Dünnschicht) mit unter 25ppm/K (z.B. RC55Y) reichen für 50 ppm Auflösung völlig aus. Refernz, Widerstände und Auflösung sollten halt für den angestrebten Temperaturbereich (z.B. 18-28 Grad) zusammenpassend ausgewählt werden. Gruß Anja
Anja schrieb: > Gute Metallfilm-Widerstände (Dünnschicht) mit unter 25ppm/K (z.B. RC55Y) > reichen für 50 ppm Auflösung völlig aus. Und da findet die Diskussion neuen Brennstoff. Wir haben schon im Thread zu den Rauschverstärkern darüber diskutiert, die Wahl der richtigen Widerstände. Was ist wem vorzuziehen, Minimelf 0204 mit ±15ppm/K oder RC55Y mit ±15ppm/K. Preislich kommen die Vishey Beyschlag: http://de.farnell.com/vishay-beyschlag/mma02040e1002bb100/widerstand-minimelf-10k-200v-0/dp/3086185 im Vergleich zu den RC55Y: http://de.farnell.com/welwyn/rc55-10k-0-1/widerstand-0-25w-0-1-10k/dp/9499938 besser weg. Ein Widerstandsarry (z.B. VISHAY SFERNICE) mit ±15ppm/K ist schon wieder einiges teurer: http://de.farnell.com/vishay-sfernice/rmkms816-10kbb/widerstand-duenn-isoliert-10k-rm2/dp/1165212 hätte aber wieder den Vorteil der besseren thermischen Kopplung und damit den wahrscheinlich besseren Gleichlauf, wie du es nennst. Für den gleichen Preis bekommt man gerade mal einen einzelnen Metallfolienwiderstand: http://de.farnell.com/vishay-foil-resistors-vpg/174610k0000t9r/widerstand-praezision-10k-0-01/dp/1867916 Man beachte jedoch den TK von ±0.05ppm/K (die Folienwiderstände mit ±2ppm/K sind etwas teurer bei Farnell, vielleicht eine Art Werbeaktion?) und die Angabe "Load Life Stability of ± 0.005 % (50 ppm)" Egal ob man für den 7135 nun eine 2.5V oder 5V Referenz verwendet, ich hätte jetzt 5x 10k plus einen 10 Gang Spindeltrimmer zur Feinjustierung gesehen.
branadic schrieb: > Was ist wem vorzuziehen, Minimelf 0204 mit ±15ppm/K oder > RC55Y mit ±15ppm/K. Preislich kommen die Vishey Beyschlag: Es sind beides in "ihrer Klasse" hervorragende (Dünnfilm-) Widerstände. Ich persönlich würde die RC55Y verwenden da ich davon erhoffe daß mechanische Spannungen (z.B. durch Feuchtigkeitsaufnahme der Leiterplatte) nicht zu 100% auf den Widerstandskörper wirken. Allerdings habe ich keine Messungen zu meiner Theorie. branadic schrieb: > Man beachte jedoch den TK von ±0.05ppm/K Das ist ein theoretischer Wert den Du in der Praxis nicht erreichen kannst. (also Werbung). Selbst die +/-0.2ppm/K sind in Realtität dann +/-2ppm/K worst case bzw. dann wahrscheinlich auch der praktische Wert für den Gradienten. branadic schrieb: > hätte aber wieder den Vorteil der besseren thermischen Kopplung und > damit den wahrscheinlich besseren Gleichlauf, Hängt vom internen Aufbau ab. Hoffentlich sitzt alles auf einem gemeinsamen Keramiksubstrat oder auf einem Heatspreader aus dem Leadframe. Gruß Anja
MAX6325 ist schon recht nett, wenn auch mit 10,80€ beim Reichelt ziemlich teuer. Wie sich der Baustein dann erst mit einem MBD-103-BS Rejuster schlägt, um daraus 1V abzuleiten? Angeblich lässt sich ja auch der TK der Widerstände einzeln setzen.
Zum Thema Rejuster vielleicht auch noch die Quelle, auf die sich meine Beitrag bezieht: http://www.mbridgetech.com/pdfs/2008-Sept_Microbridge-eNewsletter.pdf
Hier noch ein Leiterplattenvorschlag
Ob das nach 5 Jahren den TE noch interessiert? Wohl kaum.
Andrew T. schrieb: > interessiert Den TE wohl nicht, aber andere die einen ICL7135 übrig haben und ein 4 1/2 stelliges Panelmeter bauen wollen vielleicht, allerdings im Gegensatz zum TE ohne automatische Bereichsumschaltung. Jedoch würde ich RBI und LT am 74LS47 pull ups spendieren. Ein 78S05 ist übertrieben für einen 600mA Trafo, ein 6V~ Trafo reicht ihm auch nicht als Eingangsspannung, der Trafo sollte schon 8-9V haben, und 470uF am Ausgang verbessern nichts, und wenn man sowieso schon einen Trafo einbaut, kann man ihn gleich die negativen 5V auch erzeugen lassen, erspart die Störungen des ICL7660. Apropos Störungen : InLo sollte bis zur Eingangsklemme getrennt von GND geführt werden, und Sternpunktverdrahtung ist für GND angeraten wenn man von den 4 1/2 Stellen auch was haben will. Auch die Trimmpotis machen es natürlich mit ihren riesen Anteil am Spannungsteiler hochgradig ungenau, die sollten wirklich nur justieren, was als Justierbereich notwendig ist.
MaWin schrieb: > die sollten wirklich nur justieren, > was als Justierbereich notwendig ist Yepp :D Notfalls zum grobtrimmen Wiederstaende "huckepack" anloeten. Vor der Feintrimmung den ganzen Kasten etwas (Eher Wochen als Tage) "altern" lassen. Last not least: Bitte keine Spindeltrimmer, mit denen verarscht man sich nur selbst. Die billigen Dinger "optimieren" ihren Trimmzustand nach Erschuetterungen oder Temperaturzyklen immer wieder selbststaendig neu.
Beitrag #5460511 wurde von einem Moderator gelöscht.
Thomas schrieb: > Hier noch ein Leiterplattenvorschlag schade finde ich dass Du hier ein paar popelige PDFs postest, damit das ja niemand nachbauen kann. Warum nicht die original Files inkl. Layout, Fotos wie Du was gemacht hast, DANN wird ein Schuh draus.
Trafo neben dem ADC finde ich jetzt nicht sehr prickelnd. Von daher: Nochmal 5 Jahre sacken lassen.
Trindelspinner schrieb im Beitrag #5460511: > Trindelspinner schrieb: >> Wiederstaende > > LOL! > Schaendet mich! Öhm, heute nicht... :D
Eddy C. schrieb: > Trafo neben dem ADC finde ich jetzt nicht sehr prickelnd. Von daher: > Nochmal 5 Jahre sacken lassen. Auch den ICL7555 als Taktgeber einzusetzen ist ungünstig. Der TO wollte Standardbauteile aus der Restekiste verwenden, da ist die Wahl begründet. Die Nachteile sind fehlende 50/60Hz Unterdrückung und schwankende letzte Ziffer. Ein 100kHz quartzstabiles Signal wäre besser. Auf der einen Seite gibt es problemlos 100kHz Quarze, die könnte man mit 74HCU04 zu einem Pierce-Oszillator aufbauen (mit Jitter), zu anderen gibt es CD4060 mit 6.4MHz oder 12.8MHz Quartz (oder gar Epson programmierbare Oszillatoren).
Wer wissen will, wo der Autoranging-Trick herkommt, Intersil (heute Teil von Renesas) hat ein Autoranging-Multimeter in einer Application Note für den kleinen Bruder ICL7103 beschrieben https://www.intersil.com/content/dam/Intersil/documents/an02/an028.pdf Eine Variante des ICL7103 war übrigens im ersten Hand-Digitalmultimeter dass man kaufe konnte drin (Fluke 8020A in 1977). Heute noch ist eine Variante des Chips das Herz tödliche 3 Euro China-Multimeter. Worüber ich mir bei Autoranging Gedanken machen würde wäre ein (besserer) Überlastungsschutz des IC-Eingangs, da das Autoranging seine Zeit braucht und dabei große Spannungen am Eingang anliegen können. Die zwei einsamen Schutzdioden in der Application Note erscheinen mir erst mal sehr optimistisch. Im Netz findet man ein paar ICL7135 Selbstbauprojekte, daher finde ich das Gejammer über fehlenden Schaltplan und Layout für ein fünf Jahre altes Projekt etwas übertrieben.
Autorange mit Relaiskontakten ist doch out, wie in der Applikation beschrieben (Intersil). Heute würde man Analogschalter nehmen. Seht euch mal das hier an. http://blog.circuits4you.com/2015/07/icl7107-autorange-voltmeter.html Mein DVM wie im pdf habe ich schon mehrmals eingesetzt, ohne Probleme. Auch der Trafo mit 6V funktioniert einwandfrei. Die Verlustleistung für den Spannungsregler ist geringer. Die meisten Trafos haben sowieso etwas mehr Spannung. Wer an der Eagle Datei intressiert ist, kann sich bei mir melden. Einen Trafo mit zwei wicklungen (für die -5Volt) finde ich übertrieben, da für den ICL7135 nur einen geringen Strom gebraucht wird. Den meisten Strom braucht man für die LED Anzeigen, daher nur eine Wicklung. Ausserdem wurde die Schaltung nach Applikaton Intersil entworfen.
Der Trafo mit 6V funktioniert einwandfrei. Die Verlustleistung für den Spannungsregler ist geringer. Die meisten Trafos haben sowieso etwas mehr Spannung. siehe Messungen im Anhang Einen Trafo mit zwei wicklungen (für die -5Volt) finde ich übertrieben, da für den ICL7135 nur einen geringen Strom gebraucht wird. Den meisten Strom braucht man für die LED Anzeigen, daher nur eine Wicklung. Ausserdem wurde die Schaltung nach Applikaton Intersil entworfen.
Thomas schrieb: > Seht euch mal das hier an. > http://blog.circuits4you.com/2015/07/icl7107-autorange-voltmeter.html > Mein DVM wie im pdf habe ich schon mehrmals eingesetzt, ohne Probleme. So einfach geht es mit der elektronischen Umschaltung nicht: die CMOS Schalter sind nur gut für Spannungen im Bereich der Versorgungsspannung. D.h. für einen Teiler, der bis 1000 V oder auch nur 200 V gehen soll muss man sich schon was besseres einfallen lassen. Ein Weg ist etwa ein invertierender Verstärker als Eingang und damit immer 10 M am Eingang. Als Nachteil hat man aber etwas mehr Rauschen.
Thomas schrieb: > Seht euch mal das hier an. > http://blog.circuits4you.com/2015/07/icl7107-autorange-voltmeter.html Ernsthaft? 70k Eingangswiderstand an 2000V, und der 90k Widerstand muss dafür 40W abkönnen.
Sorry, dass ich den Thread wider auftaue. Wie ist das mit den IC´s, speziell Referenzspannungsquellen. Wie leiden die unter den hohen Temperaturen beim (ein) löten und entlöten. Ich wollte mir einige Referenzspanungsquellen bei Reichelt bestellen. Aber der AD548 kostet ja nun schon knapp 10 Euro- https://www.reichelt.de/spannungsreferenz-einstellbar-2-5-10-v-dip-8-ad-584-jn-p107910.html?&trstct=pos_0 Wie ist das wenn man das hier kauft, und entlötet? OK, ist TO99, ist nicht so mein Ding. https://www.amazon.de/AD584-Hochpr%C3%A4zises-Spannungsreferenzmodul-4-Kanal-10/dp/B07TSTGZR5/ref=sr_1_fkmr0_1?__mk_de_DE=%C3%85M%C3%85%C5%BD%C3%95%C3%91&keywords=ad584+dip8&qid=1574007467&sr=8-1-fkmr0 Kostet weniger als die Hälfte. Könnte man das versuchen oder geht das in die Hose?
Thomas B. schrieb: > Ich wollte mir einige Referenzspanungsquellen bei Reichelt bestellen. > Aber der AD548 kostet ja nun schon knapp 10 Euro- > Wie ist das wenn man das hier kauft, und entlötet? Wenn Du Löten kannst, sollte das kein Problem sein. > https://www.amazon.de/AD584-Hochpr%C3%A4zises-Spannungsreferenzmodul-4-Kanal-10 > Kostet weniger als die Hälfte. Und Du hättest auch noch den wesentlichen Vorteil, den wesentlich genaueren "L"-Typ zu besitzen. > Könnte man das versuchen oder geht das in die Hose? Tja, das kann Dir hier wohl keiner beantworten.
Na ja es ging mir nicht um die Lötkunst, sondern ob das 3 mal löten auswirkungen auf die Genauigkeit des Bauteils hat.
Ok,so schnell habe ich noch nie Minuspunkte bekommen, danke :) Dann kaufe ich die Chinageräte.
Harald W. schrieb: > Und Du hättest auch noch den wesentlichen Vorteil, > den wesentlich genaueren "L"-Typ zu besitzen Der ist doch bestimmt "umgelabelt" wo sollen die ganzen "L"-Typen herkommen wenn die gar nicht mehr hergestellt werden? Ich würde den hier nehmen (wenn es denn unbedingt eine rauschende und etwas schneller alternde Bandgap-Referenz sein muß). https://www.pollin.de/search?query=ad584&channel=pollin-de&sid=SibPiCDkOxMkXcz4rVnLrvWwu5dv7a Gruß Anja
Anja schrieb: > Der ist doch bestimmt "umgelabelt" wo sollen die ganzen "L"-Typen > herkommen wenn die gar nicht mehr hergestellt werden? Ich glaube, ich werde diese Amazonplatine mal bestellen. Ich würde sie allerdings nicht "schlachten", sondern im Originalzustand zum Test bzw. nachkalibrierung meiner Multimeter benutzen. > Ich würde den hier nehmen (wenn es denn unbedingt eine rauschende und > etwas schneller alternde Bandgap-Referenz sein muß). Welches Referenzelement-IC würdest Du denn für ein 7135-Multimeter empfehlen, insbesondere als Nicht-Bandgap-Referenz? Die Pollin-Referenz wurde übrigens schon vor Jahren weiter oben empfohlen. Interessant, das es die immernoch gibt.
Hallo, ok vom rauschen her ist eine Bandgap-Referenz bei 20000 counts noch tragbar. Alterungsdrift kannst Du beim AD584 mit ca 1mV/Jahr annehmen. Das größere Problem ist von 2,5 oder 10V auf 1.0000V Referenzspannung zu kommen. Jeder Widerstand der weniger als die Referenz kostet erhöht drastisch die Alterungsdrift. Dann schon lieber eine 1.2V Referenz nehmen und hoffen daß der Spannungsteiler auf 1V temperatur und alterstabil ist. Oder besser eine 1.024V Referenz. da wird die Drift des Spannungsteilers Faktor 40 heruntergeteilt. Konkret: eine LM4140-1.024V 2.2uVpp Rauschen gegenüber 50uVpp beim AD584. GGF. auch eine MCP1501-10. Gruß Anja
Anja schrieb: > Das größere Problem ist von 2,5 oder 10V auf 1.0000V Referenzspannung zu > kommen. Jeder Widerstand der weniger als die Referenz kostet erhöht > drastisch die Alterungsdrift. Warum eigentlich? Da die eh als Spannungsteiler geschaltet werden kann man doch davon ausgehen, dass gleiche Widerstände auch in die gleiche Richtung driften. Nicht?
Genauso wie alle Kindlein immer gleich schnell in die gleiche Richtung rennen. Nicht? Gruß Anja
Anja schrieb: > Konkret: eine LM4140-1.024V 2.2uVpp Rauschen gegenüber 50uVpp beim > AD584. > GGF. auch eine MCP1501-10. Danke, da werde ich mir mal die Datenblätter ansehen.
Hallo Anja, Anja schrieb: > Jeder Widerstand der weniger als die Referenz kostet erhöht > drastisch die Alterungsdrift. genau solche Widerstände für €0,10 bis €0,35 pro Stück sind in meiner LM399-basierten Referenz verbaut. Die Drift meines 10V-Ausgangs beträgt ein paar ppm pro Jahr. ES muss nicht alles VHP sein. :) Beitrag "PTB auf der Maker Faire - Halbzeitbericht" Im Moment liegt die Referenz etwa 9-10 ppm höher. :) Gruß Peter
Kennt jemand noch das alte 4,5-Stellige DVM von ELV. (PM-4500) Habe das gerade hier vor mir liegen. Die haben da einfach den LM385 genommen. Aber das Panel ist erstaunlich stabil und genau. Ich hatte das mal für ein Laborthermometer verwendet. Das heist, eigentlich ist es das immer noch. PS: Weis noch jemand aus welchem Jahrgang das ist? 1984-1986? Ich such das Platinenlayout. PS2: War 05/1984 Das Heft habe ich leider nicht mehr. Habe hier was im Netz gefunden aber die Qualität ist schei.... https://files.elv.com//bilder/journal/1984_36/04/1984_36_04_panelmeter_platinenfolie.pdf
Beitrag #6043437 wurde von einem Moderator gelöscht.
Was ich in Erinnerungen habe ist dass die Version mit Led ein Wärmeproblem hat, Selbsterhitzung. Habt ihr davon was gemerkt?
Chris schrieb: > Was ich in Erinnerungen habe ist dass die Version mit Led ein > Wärmeproblem hat, Selbsterhitzung. > Habt ihr davon was gemerkt? Was soll sich da denn erhitzen, der TLC7135? Im Gegensatz zum ICL1107 ist beim TLC7135 der wärmeerzeugende LED-Triber ja ausgelagert.
Wie ist das so mit dem Copyright? Kann man da was nach 30 Jahren hier reinstellen? Oder gibt das Ärger. ELV ist ja immer pingelig. Schaltplan + Beschreibung (Text)
Thomas B. schrieb: > Kann man da was nach 30 Jahren hier reinstellen? > Oder gibt das Ärger. Die wollen immer noch 0,49€ für den Artikel haben. Daher kannst Du davon ausgehen, daß ein "reinstellen" nicht toleriert werden wird. "Freundlicherweise" muß man bei denen einen vollständigen Daten-Striptease machen, bevor man den Arikel kaufen kann. Das hat mich gerade erfolgreich abgeschreckt.
Thomas B. schrieb: > Wie ist das so mit dem Copyright? > Kann man da was nach 30 Jahren hier reinstellen? Wenn Du die Zeitschriftennummer und möglichst noch die Seitennummer kann sich jeder den Artikel in der nöchsten Leihbücherei selbst besorgen.
Harald W. schrieb: > Wenn Du die Zeitschriftennummer und möglichst noch die > Seitennummer kann sich jeder den Artikel in der nöchsten > Leihbücherei selbst besorgen. Was? Nein. ELV hat vor Jahren sämtliche bis dahin frei verfügbaren Artikel hinter eine Paywall gepackt. Da werden sie es doch nicht versämt haben auch sämtliche Zeitschriften aus den Bibliotheken zuzukleben. Allerdings gibts zum ICL7135 eine Menge an Beispielschaltungen. Und das was ELV gebaut hat war auch nicht immer das Nonplusultra an Ingenieurskunst, da ist auch viel Hingepfuschtes dabei. Allerdings nicht so viel wie bei Elektor. ;-)
Hier schreiben die Analog-Experten. Ich liebe solche Diskussionen. Anja schrieb: > Das größere Problem ist von 2,5 oder 10V auf 1.0000V Referenzspannung zu > kommen. Jeder Widerstand der weniger als die Referenz kostet erhöht > drastisch die Alterungsdrift. Als Digital-Fuzzi fällt mir dazu spontan ein: Referenz auf einen DAC und dann auf den Referenz-Eingang am ICL7135. 1,024V *64000/65536 = 1,00000...V. Mit einem 16-Bit-Wandler lässt sich die Spannung in Schritten von 15ppm des Ausgangswertes einstellen. Wenn die Abweichung altersbedingt 10ppm pro Jahr ist, dann muss man halt im Durchschnitt alle 1,5 Jahre mal nachjustieren. Wo ist mein Denkfehler?
Der ICL7135 erinnert mich doch arg an meine Jugendzeit... Kennt jemand andere ähnliche Chips mit denen sich ein DVM aufbauen ließe? Es dürfte gerne auch etwas mehr sein, z. B. 40'000 Counts, also 4 3/4 Digits. 4 1/2 ist aber auch schon gut. In Taiwan soll es eine Firma Cyrustek geben, die angeblich entsprechende Chips herstellt. Bei den üblichen Verdächtigen sind die allerdings nicht zu bekommen. Wer Infos dazu hat, bitte hier posten. Vielen Dank.
Elektronik Thorsten schrieb: > Es dürfte gerne auch etwas mehr sein, z. B. 40'000 Counts, also 4 3/4 > Digits. 4 1/2 ist aber auch schon gut. Eigentlich sind diese Chips überholt. Multimeter werden mehr und mehr mit Microcontrollern gebaut. Für höhere Auflösungen vermut- lich mit externen AD-Wandlern. Die Umrechnungen für die Anzeige macht dann der µC.
Als Alternative zum ICL7135 gäbe es die Möglichkeit µC und externer ADC wie MCP3421. Da ist sogar eine Referenz mit drin, auch wenn man die Genauigkeitsangaben mit Vorsicht sehen sollte. Der Abgleich / Umrechnung in Volt geht dann in Software. Der µC kann auch Teile der Auto-range-Funktionen Übernehmen. Allerdings fehlt da die hochohmige Eingangsstufe des ICL7135, d.h. man dürfte noch einen guten OP oder so benötigen.
Wenn jemand Interesse an dem “PM4500“ kann ich das scannen. Sind 4 Seiten A4. Leider ist kein Layout dabei, das suche ich noch. Nur der Bestückungsplan. Die Platine ist einseitig und sehr dicht gepackt. Vielleicht sende ich mal ein Foto von der Platine. Ist dann aber der Originalzustand wie vor 25 Jahren.
Von HYCON Technologies gibts ein 50 000 Counts Multimeter Analog Front End. Nennt sich HY3131, leider wird dieser Chip nicht von normalen Distributoren geführt. Kostet ca. 4€ in geringen Stückzahlen. Bei Abnahme eines Trays (250 Stück) war der Preis etwas über 3€. Das ganze natürlich EXW von einem asiatischen Vertriebspartner. Ich habe mal bei LCSC eine Anfrage gemacht ob sie den Chip als Hycon Distributor organisieren können, leider war die Antwort ziemlich ernüchternd. LCSC führt einen solchen Beschaffungsservice leider nicht mehr durch, die Anfrage leiten sie aber angeblich intern weiter. Ich kann mir vorstellen wenn genügend Leute diesen Chip anfragen, das er in dem LCSC Sortiment hinzugefügt wird.
In diesem alten Beitrag "Wo sind HI7159A und ICM7249 geblieben?" geht es auch um A/D Umsetzer mit höherer Auflösung. Der dort erwähnte MAX132 ist sogar noch erhältlich, aber nicht ganz billig.
Lurchi schrieb: > Als Alternative zum ICL7135 gäbe es die Möglichkeit µC und externer ADC > wie MCP3421. Interessanter ist hier doch die Eingangsstufe: Ich will ja nicht nur 0 bis 2V messen, sondern auch -2V, -20 bis 20V, -200 bis 200V, 2A, 200mA, 20mA, dann noch AC, Ohm, Diodenspannung... Was dann als Auswertung dranhängt kann man ja variieren, man kann auch den ICL7135 mit einem µC abfragen, der ein Grafik-LCD ansteuert und die Daten per MQTT ins Netzwerk schickt.
Harald W. schrieb: > Eigentlich sind diese Chips überholt. Multimeter werden mehr und > mehr mit Microcontrollern gebaut. Für höhere Auflösungen vermut- > lich mit externen AD-Wandlern. Die Umrechnungen für die Anzeige > macht dann der µC. Es ist genau diese sinnlose Besserwisserei, die mich hier im Forum immer wieder so auf die Palme bringt. Programmieren kann ich selbst. Dafür brauche ich solche inhaltslosen Ratschläge nicht. Das Problem ist das Analog-Frontend, wie bereits andere völlig korrekt festgestellt haben. Wie man einen ADC an einen µC bekommt, weiß ich selbst. Was kommt vor dem ADC? Welche Sampling-Rate brauche ich? Wie stelle ich die Genauigkeit sicher? Wie stelle ich die überhaupt fest? Die angeblich überholten Chips bieten mir eine Leistung, die ich als Digital-Fuzzi selbst nicht hinbekomme. Die Anzeige kann ich selbst umrechnen. Eine Bereichsumschaltung bekomme ich notfalls auch noch hin. Aber was ist z. B. mit Anti-Aliasing? Wer solche Behauptungen wie oben aufstellt, der soll doch bitte konkret werden und ein geeignetes analoges Frontend zeigen, dass die Specs des ICL7135 übererfüllt. Nur das hilft hier weiter. URLs auf entsprechende Resourcen sind gern gesehen.
Digital-Heini schrieb: > Wie > stelle ich die Genauigkeit sicher? Wie stelle ich die Genauigkeit über einen großen Meßbereich sicher? Welche Eingangsspannungsteiler, wie AC messen? Ich war ja enttäuscht von meiner Referenz mit MAX6350, LT1010 Ausgangstreiber und extra ausgemessenen Teilerwiderständen. Die hatte doch tatsächlich 5mV "Durchhang" bei 2.5V, während die 5V wieder stimmten. Bis ich dann mal das VC860 mit einem polnischen V560 verglichen habe: Ups, ne, die 5mV sind nichtlineare Kennlinie des VC860. Zwar in den Specs, aber trotzdem mehr als ich erwartet hätte. Und die verwenden einen speziellen Meßgeräte-IC, der von Wandlung über True-RMS bis Displaytreiber alles beinhaltet.
Extra Anti-Aliasing filter braucht man bei den integrierenden Wandlern in der Regel nicht. Ein Filter gegen HF Störungen ist aber angebracht. Bei der Eingangsstufe gibt es 2 gängige Varianten: 1) immer ein Teiler mit z.B. 10 M und je nach Bereich umschalten des Abgriffs, bzw. der invertierenden Verstärkung (für auto range oft passender). Oft läuft der ADC dann mit 200 mV Bereich und alle anderen Bereich werden runter geteilt. 2) Die kleinen Bereich bis etwa 5 oder 10 V ohne Teiler am Eingang, mit Umschalten der Verstärkung vor dem ADC. Ggf. ein Teiler zwischen der 1. Stufe und dem ADC weil die meisten ADC chips eher nur für +-2 V oder so sind. Die kleinen Bereich können damit sehr hochohmig ( > 1 GOhm) sein. Die Bereiche über etwa 5-10 V bekommen 1 Teiler (z.B. 1:100), der per Relais zugeschaltet wird. i.A. reicht da ein Teilerabgriff. Die feine Bereichsumschaltung kann ggf. im ADC erfolgen - einige SD ADCs haben interne "Verstärkung" die relativ genau ist. Wegen des Relais und bevorzugt höheren Versorgung ist die 2. Variante weniger für mobile Geräte geeignet. Automatische Umschaltung auch über die 10V Grenze hat hier den Nachteil dass sich die Impedanz ggf. ändert. Passende Verstärker für den Eingang wären entweder gute JFET OPs wie OPA145 und ein gelegentlicher Nullabgleich, oder hochohmige Auto Zero OPs wie ICL7650 oder max4238. Bei der AC Messung kann man für "nur" 4 Stellen den selben Eingangspfad wie für DC nutzen und erst dann trennen. Ein Kondensator für AC only kann auch direkt an den Eingang. Die AC/DC Wandlung ginge über spezielle chips oder einen Präzisions-Gleichrichter. Alternativ kann man das das AC Signal mit einem genügend schnellen ADC (z.B. 20 KHz) abtasten und macht die RMS Berechnung in Software. Die Auflösung des ADCs muss wegen der Mittlung über viel Werte nicht einmal so hoch sein, d.h. 12 Bit (ggf. sogar 10) von einem µC internen ADC liefert schon brauchbare Ergebnisse.
Lurchi schrieb: > Die Auflösung des ADCs muss wegen > der Mittlung über viel Werte nicht einmal so hoch sein, d.h. 12 Bit > (ggf. sogar 10) von einem µC internen ADC liefert schon brauchbare > Ergebnisse. Nein. Man kann die Auflösung nicht durch Mittelung* erhöhen. Das wird zwar oft behauptet, funktioniert aber nicht. Wenn der ADC bei 100.4 cts rumhängt, dann misst er bei 10 Messungen 10 mal 100 cts, und die Summe sind dann 1000 cts und nicht 1004 cts. *) Wenn das Signal stärker verrauscht ist als die ADC-Auflösung, oder man ein Rauschen dazugibt, bekommt man Werte die um die 100 cts rumzappeln und in der Summe dann zufällig einen von 1000 abweichenden Wert. Der aber auch wieder einen Rauschanteil enthält. Gibt eine App-Note von Atmel, wie man durch künstliches Rauschen die Auflösung erhöhen kann. Sollte man aber nur machen, wenn man sehr lange messen kann und das Rauschen wieder rausmittelt.
Lurchi schrieb: > Extra Anti-Aliasing filter braucht man bei den integrierenden Wandlern > in der Regel nicht. Ein Filter gegen HF Störungen ist aber angebracht. Danke Lurchi für deine sehr hilfreiche Antwort. Das gibt mir Ideen, wie ich eine Schaltung aufbauen könnte und bestätigt mich in meinen bisherigen Überlegungen. Leider liefert die Reaktion von "Karl K. (karl2go) 20.11.2019 18:17" mal wieder KEINE brauchbaren Ergebnisse.
Digital-Heini schrieb: > Leider liefert die Reaktion von "Karl K. (karl2go) 20.11.2019 18:17" mal > wieder KEINE brauchbaren Ergebnisse. Was hast Du da erwartet?
Digital-Heini schrieb: > Leider liefert die Reaktion von "Karl K. (karl2go) 20.11.2019 18:17" mal > wieder KEINE brauchbaren Ergebnisse. Weil du nicht hören willst, was du nicht hören willst? Du kannst die Auflösung nicht durch Mittelungen erhöhen. Du kannst auch nicht mit einem Stahlmaß auf 100stel genau messen, indem du es 10 mal an der gleichen Stelle anlegst.
Karl K. schrieb: > Du kannst die Auflösung nicht durch Mittelungen erhöhen. Die Auflösung manchmal schon, nicht aber die Genauigkeit der Messung.
Für die Digitale AC Messung kann man schon mehr Auflöung aus den recht vielen Werten gewinnen. Bei 50 kSPS und etwa 0.5 Sekunden für ein update hat man immerhin 25000 werte und das AC Signal sorgt dafür, dass der ADC nicht bei einem Werte hängen bleibt. Selbst wenn man da noch etwas Rauschen hinzu addieren müsste wäre das nicht so dramatisch, weil konstant. Auch wenn man nicht die theoretischen 7 Bits extra bekommt, ist der Gewinn schon ganz gut. Die digitale RMS Wandlung per µC habe ist mit einem AVR (10 Bit ADC) aufgebaut, und es funktioniert ganz gut. Für 3-4 Stellen schon akzeptabel. Es ist nicht unbedingt besser als ein spezieller RMS Chip wie AD736, hat auch einige Vorteile: die Bandbreite ist geringer, aber dafür von der Amplitude unabhängig. Auch kann die Reaktion bei Sprüngen schneller sein, weil man keine analoge Filterung hat, die erst langsam dem Endwert näher kommt.
Lurchi schrieb: > Für die Digitale AC Messung kann man schon mehr Auflöung aus den recht > vielen Werten gewinnen. Bei 50 kSPS und etwa 0.5 Sekunden für ein update > hat man immerhin 25000 werte und das AC Signal sorgt dafür, dass der ADC > nicht bei einem Werte hängen bleibt. Selbst wenn man da noch etwas > Rauschen hinzu addieren müsste wäre das nicht so dramatisch, weil > konstant. Auch wenn man nicht die theoretischen 7 Bits extra bekommt, > ist der Gewinn schon ganz gut. Soso, was ist denn der Mittelwert von einem AC-Signal? Das ist eben keine Mittelwertbildung mehr. Du integrierst über die Zeit, für RMS das Quadrat der Spannung.
Hier noch ein Bild von dem alten ELV-PM 4500. Mit Kunstlicht ist das nicht immer einfach. Gruß Thomas PS: Groß warm werden kann da eigentlich nichts. Ok, vielleicht der 7805. Aber sonst gibt’s da nicht viel Wärmeabgabe.
Karl K. schrieb: > Soso, was ist denn der Mittelwert von einem AC-Signal? > > Das ist eben keine Mittelwertbildung mehr. Du integrierst über die Zeit, > für RMS das Quadrat der Spannung. Das Geometrische Mittel gibt den RMS Wert. Das Arithmetische Mittel ist der Gleichspannungsanteil, den man auch mit Berücksichtgen sollte, wenn man den reinen AC Anteil haben will.
Dieter W. schrieb: > In diesem alten Beitrag "Wo sind HI7159A und ICM7249 geblieben?" > geht es auch um A/D Umsetzer mit höherer Auflösung. > Der dort erwähnte MAX132 ist sogar noch erhältlich, aber nicht ganz > billig. Der ist sein Geld aber wert!
Hallo, ich muss dazusagen, dass ich das PM 4500 direkt versorgt habe. Der Spannungsregler auf der Platine fehlt. Sieht man ja auch auf dem Foto. Sorry, ist schon ein par Jahre her. Gruß Thomas
Hallo, mit den Dingern habe ich letztes Jahr aus Nostalgiegründen auch noch was gemacht. Wer die Unterlagen braucht, -> Mail... Old-Papa
Old P. schrieb: > Wer die Unterlagen braucht, Ebenfalls gern. Warum sitze ich gerade hier und zeichne das Layout ab von der oben geposteten Folie.... ?
Hardy F. schrieb: > Ebenfalls gern. > > Warum sitze ich gerade hier und zeichne das Layout ab von der oben > geposteten Folie.... ? Keine Ahnung... Langeweile, nix im TV? ;-) Kommt per Mail. Old-Papa
Old P. schrieb: > Wer die Unterlagen braucht, -> Mail... Oh ja, mir auch bitte schicken. Vielen Dank im Voraus!
Joerg L. schrieb: > Old P. schrieb: >> Wer die Unterlagen braucht, -> Mail... > > Oh ja, mir auch bitte schicken. > Vielen Dank im Voraus! Habe ich ne Mail von Dir? ;-) ... Postfach kucken... Nö, noch nicht! Na dann mach mal. Old-papa
Hallo Old.P (old-papa) Danke für die E-Mail :-) Gruß Thomas PS: Die Zweiseitige Platine ist aber schon aufwendig. Habe ich schon oft gemacht, aber ist anstrengend. Ich habe immer Probleme mit der Überlappung. OK, China wäre eine Lösung.
Thomas B. schrieb: > Die Zweiseitige Platine ist aber schon aufwendig. Im Display komplett und für die meisten Bahnen auf der IC-Seite bekommst du die Top-Verbindungen auch mit Drahtbrücken gesetzt. "Ham wa früher och so gemacht." Vorher gucken ob die Drahtbrücken sauber unter den Display-Bausteinen durchgehen.
Ja, früher.... Ich lass inzwischen fast nur noch in China fertigen, zumindest wenn es mehrere werden sollen. Das Gehampel mit Draht oder Nieten tu ich mir nur noch bei Einzelstücken an. Aber jeder wie er mag... ;-) Old-Papa
Ich würde die Platine einfach neu zeichnen, Schaltbild ist ja bekannt, und in China fertigen lassen.
Thomas B. schrieb: > Die Zweiseitige Platine ist aber schon aufwendig. Ich könnte wetten, dass man die Platine auch gut auf 1,5seitig routen kann. Und wenn ich die neu machen würde, würd ich die eh auf SMD umstellen, bis auf den ICL7135 und das Display.
Karl K. schrieb: >> Die Zweiseitige Platine ist aber schon aufwendig. > > Ich könnte wetten, dass man die Platine auch gut auf 1,5seitig routen > kann. Und wenn ich die neu machen würde, würd ich die eh auf SMD > umstellen, bis auf den ICL7135 und das Display. Falls Du diese Platine auch an andere Forumsteilnehmer weitergeben willst, wäre es besser, es bei THT zu belassen, da viele hier nicht (mehr) mit SMT arbeiten können.
Karl K. schrieb: > > Ich könnte wetten, dass man die Platine auch gut auf 1,5seitig routen > kann. Und wenn ich die neu machen würde, würd ich die eh auf SMD > umstellen, bis auf den ICL7135 und das Display. Was zum Geier ist 1,5 seitig? SMD kann man machen, muss man aber nicht unbedingt. Zweiseitige sind halt einfacher für die Spannungs- und Masseführung. Normalerweise müsste man den Eingangsbereich noch abschirmen. Old-Papa
Old P. schrieb: > Was zum Geier ist 1,5 seitig? Eine Seite ätzen, eine Seite nur GND. Vereinfacht das Ätzen sehr, man muss nur eine Seite belichten, auf der GND-Seite läßt man die Schutzfolie bis nach dem Ätzen drauf und es gibt keine Probleme mit verschobenen top-bottom-Folien. Das gabs früher schon bei THT, da musste man halt alle Nicht-GND Löcher mit dem Bohrer freistellen. Bei SMD entfällt das weitgehend. Man routet Vcc und Signallayer top und holt sich GND an den Stellen per Durchkontaktierung hoch wo man es braucht. Die Durchkontaktierung mach ich bei Prototypen mit 0.6er oder 0.8er Silberdraht oder Bauteilebeinchen.
Karl K. schrieb: > Old P. schrieb: >> Was zum Geier ist 1,5 seitig? > > Eine Seite ätzen, eine Seite nur GND. Vereinfacht das Ätzen sehr, man > muss nur eine Seite belichten, auf der GND-Seite läßt man die > Schutzfolie bis nach dem Ätzen drauf und es gibt keine Probleme mit > verschobenen top-bottom-Folien. Ok, sowas habe ich aucb schon gemacht. Verschobene Folien hatte ich nie, ich habe beide Folien zu einer Tasche geklebt, eine Seite offen und die Platine da rein. Bei größeren Platinen vorher mit einem Locher an 2-3 leeren Stellen gelocht und die Platine durch die Löcher mit Tesa fixiert. Da ist nie was verrutscht, selbst beim Wenden zur Belichtung der anderen Seite nicht. Doch wie gesagt, inzwischen steht mein Handmadezeugs in der Ecke und in China wird die Umwelt versaut, (oder inzwischen nicht mehr). Old-Papa
Welche Referenzspanungquelle wäre denn gut geeignet? Oder besser gesagt, was ist brauchbar für den 7135. LM385 oder LT 1004 habe ich noch Muss das unbedingt der AD548 sein? Der ICL8069 ist auch schon obsolet ELV hatte den 385 Wie sind denn eure Ansprüche? Ich frage mal die Experten. Ich bin nur Hobbyelektroniker. Wenn ich alles weis, würde ich hier nicht fragen. Ich will kein Rohde+Schwarz nachbauen.
Thomas B. schrieb: > Welche Referenzspanungquelle wäre denn gut geeignet? > Oder besser gesagt, was ist brauchbar für den 7135. > LM385 oder LT 1004 habe ich noch > Muss das unbedingt der AD548 sein? > Der ICL8069 ist auch schon obsolet > > ELV hatte den 385 > Wie sind denn eure Ansprüche? > Ich frage mal die Experten. > Ich bin nur Hobbyelektroniker. > Wenn ich alles weis, würde ich hier nicht fragen. > Ich will kein Rohde+Schwarz nachbauen. Bau den 385er ein und schau, ob Dir das reicht. Wenn nicht kannst Du immernoch was besseres nehmen. Ich habe auch nur 385er drin, geht so.... Und Ja, das ist dann kein R&S ;-) Meine habe ich eher als Panelmeter gedacht, da kommt es nicht so aufs Promille an. Zum wirklichen Messen habe ich besseres Zeugs stehen ;-) Ein echtes DMM mit hoher Stabilität und Genauigkeit in allen Lebenslagen bekommt man als Amateur nur mit irrem Aufwand (und teuren Messmitteln) hin, da ist kaufen billiger! Old-Papa
Hallo Old P. Du hast mich etwas beruhigt :-) Schönen Abend noch Danke! Gruß Thomas
Sorry, ich frage noch mal. Was würde mir der LT1029 -5 gegenüber dem L385 an Genauigkeit bringen? Ich müsste so oder so über einen Spannungsteiler abgreifen. https://cdn-reichelt.de/documents/datenblatt/A200/LM385Z-TI.pdf https://cdn-reichelt.de/documents/datenblatt/A200/LT1029-DB.pdf Gruß Thomas
Der Teiler von 5 V auf 1 V ist etwa 4 mal kritischer als ein Teiler von 1.25 V auf 1 V. D.h. auch wenn die Referenz selber etwas besser ist, macht man sich das Leben unnötig schwer. Ich weiß jetzt gerade keinen Typen, aber es gibt auch andere gute 1.24 V Referenzen und sogar 1.024 V. Ich würde heute eher keinen ICL7135 mehr nutzen. Eher einen kleinen SD ADC (etwa MCP3421) und µC für die Umrechnung/Anzeige. Das spart den Teiler für die Referenz und Trimmer für jeden Bereich. Es ist ein etwas anderes Konzept aber heute in der Regel einfacher und besser. Der Abgleich erfolgt in Software, statt über Trimmer. Der µC kann auch die Steuerung der Bereichsumschaltung übernehmen. Je nach ADC kann man intern Verstärkung zuschalten oder eine höhere Auflösung nutzen und könnte so die externen Stufen reduzieren, ggf. nur noch ohne und mit Teiler (ca. 1:100) am Eingang.
Lurchi schrieb: > Der Teiler von 5 V auf 1 V ist etwa 4 mal kritischer als ein Teiler von > 1.25 V auf 1 V. D.h. auch wenn die Referenz selber etwas besser ist, > macht man sich das Leben unnötig schwer. Ich weiß jetzt gerade keinen > Typen, aber es gibt auch andere gute 1.24 V Referenzen und sogar 1.024 > V. Da ist was dran. > Ich würde heute eher keinen ICL7135 mehr nutzen. Eher einen kleinen SD > ADC (etwa MCP3421) und µC für die Umrechnung/Anzeige. Das spart den > Teiler für die Referenz und Trimmer für jeden Bereich. Es ist ein etwas > anderes Konzept aber heute in der Regel einfacher und besser. Der > Abgleich erfolgt in Software, statt über Trimmer. Der µC kann auch die > Steuerung der Bereichsumschaltung übernehmen. > Je nach ADC kann man intern Verstärkung zuschalten oder eine höhere > Auflösung nutzen und könnte so die externen Stufen reduzieren, ggf. nur > noch ohne und mit Teiler (ca. 1:100) am Eingang. Darum geht es ja hier nicht. Old-Papa
Hallo, ich hatte so ein DVM auch mal entworfen, ist schon lange her ich denke 2015 oder noch etwas früher. Hier mal das Layout. Das war ähnlich dem Burster DVM mit 220V Versorgungsspannung Das DVM hatte ich schon öfters ohne Probleme eingesetzt
Thomas ". schrieb: > ich hatte so ein DVM auch mal entworfen, ist schon lange her ich denke > 2015 > oder noch etwas früher. > Hier mal das Layout. > Das war ähnlich dem Burster DVM mit 220V Versorgungsspannung > Das DVM hatte ich schon öfters ohne Probleme eingesetzt Hallo Thomas, hast Du da vielleicht noch eine fertige Platine liegen, die Du weiter verkaufen würdest?
Hallo Thomas Danke für deinen Beitrag. Ich werde mal versuchen alles in Eagle zu machen. Gruß Mani
Hi >ich hatte so ein DVM auch mal entworfen, ist schon lange her ich denke >2015 oder noch etwas früher. >Hier mal das Layout. Das ist ein Schaltplan und kein Layout. Und wo ist die 'automatischer Bereichsumschaltung'? MfG Spess
Die Schaltung von Thomas hat recht viel Ähnlichkeit mit der alten Schaltung von ELV. Nur das Mäuseklavier war da nicht drin. Den ICL8069 gibt’s ja auch nicht mehr. Der war gut. Und die Hilfsspannung kann man ja erzeugen wie man will. Hat ja eigentlich mit dem DVM nichts zu tun.
Die Schaltung von "Thomas" ist mit manueller Bereichsumschaltung. Das schöne am ICL7135 und ähnlichen ist, dass sie einen Eingangsverstärker mit Auto-zero enthalten. Das gibt eine sehr einfache Schaltung mit manueller Umschaltung. Da dann eine extra automatische Bereichsumschaltung hinzu zu fügen ist nicht ganz so einfach. Es geht, ist aber mit Steuerung rein über Logic-chips schon recht aufwändig, vor allen wenn man einen hohen Stromverbrauch für Relais vermeiden will. Wenn man für die Steuerung der Bereichsumschaltung ohnehin einen µC nutzt, bietet es sich an einen anderen ADC (z.B. sigma delta) zu nutzen, der nicht mehr direkt an die Anzeige gebunden ist. Der Abgleich der Bereich kann dann in Software erfolgen, statt mit einem Trimmer je Bereich.
Lurchi schrieb: > Wenn man für die Steuerung der Bereichsumschaltung ohnehin einen µC > nutzt, bietet es sich an einen anderen ADC (z.B. sigma delta) zu nutzen, LTC2400. Beispiel: c't-lab (5,5 Stellen). :)
spess53 schrieb: > Das ist ein Schaltplan und kein Layout. Aber wenn du das .pdf öffnest siehtst du auch das Layout und sogar schöne Bilder ;-)
spess53 schrieb: > Hi > >>ich hatte so ein DVM auch mal entworfen, ist schon lange her ich denke >>2015 oder noch etwas früher. >>Hier mal das Layout. > > Das ist ein Schaltplan und kein Layout. > > Und wo ist die 'automatischer Bereichsumschaltung'? > Hatte nie behauptet, daß das DVM eine automatische Bereichsumschaltung hat. > MfG Spess
Vorschlag für die Gestaltung des Gehäuses. Das Innenleben ist etwa gleich wie der Vorschlag des Erstbeitragenden.
Sieht sehr gut aus. Gibt es dazu eine Leiterplatte oder Schaltung?
Thomas B. schrieb: > Kennt jemand noch das alte 4,5-Stellige DVM von ELV. > (PM-4500) > Habe das gerade hier vor mir liegen. > Die haben da einfach den LM385 genommen. > Aber das Panel ist erstaunlich stabil und genau. > Ich hatte das mal für ein Laborthermometer verwendet. > Das heist, eigentlich ist es das immer noch. > > PS: > Weis noch jemand aus welchem Jahrgang das ist? > 1984-1986? > Ich such das Platinenlayout. > > PS2: > War 05/1984 > Das Heft habe ich leider nicht mehr. > Habe hier was im Netz gefunden aber die Qualität > ist schei.... > > https://files.elv.com//bilder/journal/1984_36/04/1984_36_04_panelmeter_platinenfolie.pdf Ein 4,5st. DVM hatte ELV auch mal in Heft 48 veröffentlicht. Damals waren in der Mitte der Hefte Klarsichtfolien zur Herstellung von Leiterplatten enthalten. Die habe ich noch von Heft 48 Hier mal der Plan vom DMM7001
Hier noch ein 3,5 Digit DVM aus dem Museum von ELV. Wurde 1980 im ELV journal Nr. 9 als Bausatz veröffentlicht. Funktioniert heute noch. Es gibt nur einen Abgleichpunkt. Damals wurde ein LCD noch mit fest verbundenen Lötpins geliefert. Die heute übliche Kontaktierung über Leitgummi ist selbst bei meinem FLUKE87 schon ausgefallen. Konnte aber mit Tuner-Spray wiederbelebt werden. Grüße von petawatt
Hallo, vielleicht sollte man mal die pdf Datei richtig drehen! Habe auch noch eon DVM von ELV...im Heft wie gesagt gibt es dafür Folien LED un LCD Anzeigen
Es gibt Unterlagen für das DVM. Da der Akku im Laufe der Jahre defekt wurde (und das Gerät versaut hat) habe ich ihn enfernt und die rote Ladeanzeige umfunktioniert für eine Warnanzeige, wenn der Strombereich eingeschaltet ist.
Zoltan H. schrieb: > Hat jemand ein Projekt 4 1/2 stelliges LED-Panelmeter von Elv Magazine Warum selber bauen? Das hatte ich auch mal gemacht. Ich habe bei reichelt folgendes DVM gekauft. Das ist wie mit dem ICL7135. Hat eine automatische Bereichsumschaltung. Ich finde das sehr gut. Die Genauigkeit ist auch sehr gut. Ich habe das schon mehrmals eingesetzt Also selber bauen lohnt nicht bei 8,99 € https://www.reichelt.de/led-voltmeter-5-digit-3-5-bis-30-v-dc--joy-it-vm533-p245319.html?&trstct=pol_12&nbc=1 mfg Thomas PS: Ich hatte schon mal eine Leiterplatte entworfen ist auch hier zu finden Größe wie ein früheres Burster Gerät
Thomas ". schrieb: > Zoltan H. schrieb: >> Hat jemand ein Projekt 4 1/2 stelliges LED-Panelmeter von Elv Magazine > > Warum selber bauen? Ähm, Hobby? Umsetzen von Geld in Spaß. > Das hatte ich auch mal gemacht. > Ich habe bei reichelt folgendes DVM gekauft. > Das ist wie mit dem ICL7135. Das Ding ist schon deshalb nicht "wie mit dem ICL7135" weil es keine negativen Spannungen kann. Typisches Problem von auf einfachen (Mikrocontroller-)ADCs beruhenden Messgeräten. Das Internet ist voll von Mist der Art "ich baue mir für 5 Euro ein Fluke und bin der geilste Maker-Held". > Die Genauigkeit ist auch sehr gut. Und mit welchem Präzisions-Instrument hast du das gemessen? > Also selber bauen lohnt nicht bei 8,99 € Selberbauen lohnt schon seit Jahrzehnten nicht mehr. Nur geht es nicht darum. Wer mit dem Hobby Geld sparen möchte tanzt auf der falschen Hochzeit.
Thomas ". schrieb: > Warum selber bauen? > Ich habe das schon mehrmals eingesetzt > Also selber bauen lohnt nicht bei 8,99 € > https://www.reichelt.de/led-voltmeter-5-digit-3-5-bis-30-v-dc--joy-it-vm533-p245319.html?&trstct=pol_12&nbc=1 Die Beschreibung von dem Teil ist etwas dürftig: Messbereich: 0 - 33 V... Ist das alles oder bekommt man den Dezimalpunkt auch irgendwie eine Stelle weiter nach rechts? Nicht daß ich damit 330 Volt messen wollte, aber ich hätte momentan einen Anwendungsfall der mindestens 50,00V als Anzeigemaximum erfordert.
Zoltan H. schrieb: > Hat jemand ein Projekt 4 1/2 stelliges LED-Panelmeter von Elv Magazine Ich habe das PM4500 von ELV https://de.elv.com/4-12stelliges-led-panelmeter-204239
Hannes J. schrieb: > Thomas ". schrieb: >> Zoltan H. schrieb: >>> Hat jemand ein Projekt 4 1/2 stelliges LED-Panelmeter von Elv Magazine >> >> Warum selber bauen? > > Ähm, Hobby? Umsetzen von Geld in Spaß. > >> Das hatte ich auch mal gemacht. >> Ich habe bei reichelt folgendes DVM gekauft. >> Das ist wie mit dem ICL7135. > > Das Ding ist schon deshalb nicht "wie mit dem ICL7135" weil es keine > negativen Spannungen kann. Typisches Problem von auf einfachen > (Mikrocontroller-)ADCs beruhenden Messgeräten. Das Internet ist voll von > Mist der Art "ich baue mir für 5 Euro ein Fluke und bin der geilste > Maker-Held". > Wie kann man ein Fluke für 5 € bauen??? Sorry, aber das ist Unsinn >> Die Genauigkeit ist auch sehr gut. > > Und mit welchem Präzisions-Instrument hast du das gemessen? Naturlich mit einem Fluke 189, das ist schon ziemlich genau! > >> Also selber bauen lohnt nicht bei 8,99 € > > Selberbauen lohnt schon seit Jahrzehnten nicht mehr. Nur geht es nicht > darum. Wer mit dem Hobby Geld sparen möchte tanzt auf der falschen > Hochzeit. Habe eine Leiterplatte mit ICL7135 entworfen und 18 St. gebaut. Auf meiner früheren Internet Seite war das zu sehen Das DVM von reichelt, bzw,Joy-It kann natürlich keine negativen Spannungen aber für ein normales Netzteil reicht das.
Hier noch ein paar Messungen
Thomas B. schrieb: > Zoltan H. schrieb: >> Hat jemand ein Projekt 4 1/2 stelliges LED-Panelmeter von Elv Magazine > > Ich habe das PM4500 von ELV > > https://de.elv.com/4-12stelliges-led-panelmeter-204239 Hier mal mein DVM von meiner damaligen Internet Seite. Hatte ich vor Jahren mal entworfen. Funktioniert sehr gut wie gesagt da hatte ich 18 St gebaut. Leider habe ich keine Leiterplatten mehr. Aber sollten sich einige melden kann man welche machen lassen. Die beiden Leiterplatten (Basisplatine und Anzeigeplatine) wären für ca. 8€
Thomas ". schrieb: > Thomas B. schrieb: >> Zoltan H. schrieb: >>> Hat jemand ein Projekt 4 1/2 stelliges LED-Panelmeter von Elv Magazine >> >> Ich habe das PM4500 von ELV >> >> https://de.elv.com/4-12stelliges-led-panelmeter-204239 > > Hier mal mein DVM von meiner damaligen Internet Seite. > Hatte ich vor Jahren mal entworfen. > Funktioniert sehr gut wie gesagt da hatte ich 18 St gebaut. > Leider habe ich keine Leiterplatten mehr. > Aber sollten sich einige melden kann man welche machen lassen. > Die beiden Leiterplatten (Basisplatine und Anzeigeplatine) wären für ca. > 8€ Neue überarbeitete Version. Noch keine Leiterplatten bei mir erhältlich. Kommt noch !
Thomas ". schrieb: > Neue überarbeitete Version. > Noch keine Leiterplatten bei mir erhältlich. > Kommt noch ! Ist das eine doppelseitige Platine? Mache das mal rein, ich schaue mir das an. Ob neu oder alt. Wenn einer das PM4500 haben haben will? Einfach melden. Wollte über die Feiertage den Rechner neu aufsetzen. Sonst dauert es bis nächste Woche.
Thomas B. schrieb: > Thomas ". schrieb: >> Neue überarbeitete Version. >> Noch keine Leiterplatten bei mir erhältlich. >> Kommt noch ! > > Ist das eine doppelseitige Platine? Ist eine doppelseitige Platine > Mache das mal rein, ich schaue mir das an. > > Ob neu oder alt. > Wenn einer das PM4500 haben haben will? > Einfach melden. > Wollte über die Feiertage den Rechner neu aufsetzen. > Sonst dauert es bis nächste Woche. Hier das Layout von der Platine blau = unter Seite rot = obere Seite mfg Thomas
Ich bin nur auf der Suche nach einem Projekt, wenn Sie es haben, bitte posten Sie es
Wollte mir noch ein par LED-Einbaumodule mit ICL7107 bauen. Platinen wollte ich selber machen und ätzen. (4 Platinen) Also die Standartschaltung für den 7107 mit 200mV Eingang und Dualer Spannungsversorgung +5V,GND,-5V. Wenn es fertige Platinen gibt würde ich die kaufen, spart ne menge Arbeit. Jetzt habe ich auf Amzon so etwas gefunden. https://www.amazon.de/ILS-Voltmeter-Elektronische-Production-Spannungs-Messinstrument/dp/B07ZP2ZJYM/ref=sr_1_8?dchild=1&keywords=icl7107&link_code=qs&qid=1618160179&sourceid=Mozilla-search&sr=8-8 Wo ist denn da die GND-Verbindung für die Versorgungsspannung auf der Platine? Haben die das mit dem Messeingang verbunden?
Thomas B. schrieb: > Wollte mir noch ein par LED-Einbaumodule mit ICL7107 bauen. > Platinen wollte ich selber machen und ätzen. > (4 Platinen) > Also die Standartschaltung für den 7107 mit 200mV Eingang > und Dualer Spannungsversorgung +5V,GND,-5V. > Wenn es fertige Platinen gibt würde ich die kaufen, spart ne menge > Arbeit. > > Jetzt habe ich auf Amzon so etwas gefunden. > > https://www.amazon.de/ILS-Voltmeter-Elektronische-Production-Spannungs-Messinstrument/dp/B07ZP2ZJYM/ref=sr_1_8?dchild=1&keywords=icl7107&link_code=qs&qid=1618160179&sourceid=Mozilla-search&sr=8-8 > > Wo ist denn da die GND-Verbindung für die Versorgungsspannung > auf der Platine? > Haben die das mit dem Messeingang verbunden? Warum selber bauen, da gibte für wenig Geld schon ein feriges Modul. Selber bauen würde ich das 4,5 st. mit ILL7135 aber das hier bestimmt nicht
Thomas B. schrieb: > Wo ist denn da die GND-Verbindung für die Versorgungsspannung > auf der Platine? > Haben die das mit dem Messeingang verbunden? Schaltplan beachten. Das Modul hat einen eingebauten Wandler +5V auf -5V. Damit ist der (-)-Eingang der 5V Spannungsversorgung der "GND" der Spannungsversorgung. Die Messeingänge sind separat. Nebenbei, R11 scheint ein Shunt zu sein. Wenn man den bestückt taugt das Modul nur zur Strommessung.
Hannes J. schrieb: > Schaltplan beachten. Das Modul hat einen eingebauten Wandler +5V auf > -5V. Gerade den finde ich ja nicht :-) Ja, 0,1 Ohm/2W (R11) sieht nach Shunt aus. Scheint aber bei den Bauteilen auch nicht dabei zu sein. Aus der Platine werde ich nicht schlau. Ich sehe da den TL431, vielleicht als externe Referenz, was ja ok wäre. Aber für 8Euro kann man nicht meckern. Ok den 40Pin Sockel und einiges andere kann man wegwerfen. Mir ist eigentlich nur die Platine wichtig. Wobei der Einbaurahmen schon mit dabei ist. Gruß Thomas PS: Ups, sorry, R11 ist dabei. Der dritte von links unten.
Thomas B. schrieb: > Hannes J. schrieb: >> Schaltplan beachten. Das Modul hat einen eingebauten Wandler +5V auf >> -5V. > Gerade den finde ich ja nicht :-) Dann nimm einen von einem anderen Anbieter. Die kopieren doch eh alle voneinander. https://de.aliexpress.com/item/1005001838150749.html Was an den Bausätzen auffällt ist, dass auch für die halbe Stelle eine volle 7-Segment Anzeige verwendet wird. Damit sieht die Anzeige einer führenden "-1" beschissen aus (zu wenig Abstand zwischen dem "-" und der "1"). > Aus der Platine werde ich nicht schlau. > Ich sehe da den TL431, vielleicht als externe Referenz, was ja ok wäre. Bei einem ICL7107 im Dauerbetrieb brauchst du eine externe Referenz. Das IC heizt sich im Dauerbetrieb selber auf, was die interne Referenz unbrauchbar macht. > Ok den 40Pin Sockel und einiges andere kann man wegwerfen. Ich fürchte du brauchst einen Sockel. Die Pins der 7-Segment Anzeigen und Lötstellen scheinen teilweise unter dem ICL7107 zu liegen. Da muss irgendwie Abstand her damit der ICL7107 drüber passt.
Thomas ". schrieb: > Hier das Layout von der Platine > blau = unter Seite > rot = obere Seite > > mfg > Thomas Mal blöd gefragt, wäre es eine Riesenaktion die Anzeige mit 14-Segment zu realisieren? Sieht a) gefälliger aus b) hab ich da noch welche von.
Thomas G. schrieb: > Thomas ". schrieb: > >> Hier das Layout von der Platine >> blau = unter Seite >> rot = obere Seite >> >> mfg >> Thomas > > Mal blöd gefragt, wäre es eine Riesenaktion die Anzeige mit 14-Segment > zu realisieren? Sieht a) gefälliger aus b) hab ich da noch welche von. Für was??? Es werden nur Zahlen gebraucht! Ausserdem kenn ich nur 16 Segment Anzeigen kein 14 Segment! https://www.reichelt.de/alphanum-display-rot-20-3mm-gem-anode-psa-08-11-rt-p31580.html?PROVID=2788&gclid=EAIaIQobChMI3qmVpcX47wIVgRkGAB21IAGsEAQYASABEgI87PD_BwE
Ja, sorry sind 16. Ich hab sie grad nicht in der Hosentasche. Sieht aber trotzdem gefälliger aus. Des weiteren könnte man auch noch den Messbereich anzeigen.
Thomas G. schrieb: > Ja, sorry sind 16. Ich hab sie grad nicht in der Hosentasche. Sieht aber > trotzdem gefälliger aus. Des weiteren könnte man auch noch den > Messbereich anzeigen. Messbereich anzeigen da braucht man einen Controller und nicht einen einfachen Wandler wie den ICL7135. Ausserdem gefälliger wäre eine Punktmatrix-Anzeige....
Thomas ". schrieb: > Also selber bauen lohnt nicht bei 8,99 € > https://www.reichelt.de/led-voltmeter-5-digit-3-5-bis-30-v-dc--joy-it-vm533-p245319.html?&trstct=pol_12&nbc=1 Thomas ". schrieb: > Messbereich anzeigen da braucht man einen Controller und nicht einen > einfachen Wandler wie den ICL7135. > Ausserdem gefälliger wäre eine Punktmatrix-Anzeige.... Was ist denn lohnenswert? Sobald man nur etwas braucht, was nicht 0815 darstellt, muß man selber anpacken. Der Controller für die Anzeige kann auch gleich die Messung direkt oder indirekt mit sep. ADC erledigen. Die automatische Bereichswahl dauert dann entgegen wie bei manchen "üblichen" Messgeräten den Bruchteil einer Sekunde und kann im Hintergrund ablaufen. Filterung und was man noch benötigt ergänzt man nach Bedarf.
Bitte melde dich an um einen Beitrag zu schreiben. Anmeldung ist kostenlos und dauert nur eine Minute.
Bestehender Account
Schon ein Account bei Google/GoogleMail? Keine Anmeldung erforderlich!
Mit Google-Account einloggen
Mit Google-Account einloggen
Noch kein Account? Hier anmelden.















