Hallo Forum, ich plane aktuell einen Röhrenverstärker aufzubauen. Viel Leistung wird nicht benötigt. Daher habe ich mir überlegt eine 12AX7 zu nehmen (dovon je ein System pro Kanal) und 2 6N6P. Ich bin aktuell noch nicht sehr erfahren in dem Thema und würde gerne von euch ein Feedback bekommen, ob meine Schaltung so funktionieren würde, oder ob ich mich komplett verrechnet habe. Schon mal vielen dank im Voraus. LG Neuling
In Jogis Röhrenbude wirst Du auch das Datenblatt dazu finden. Ia=30mA http://www.jogis-roehrenbude.de/Russian/6H6N.htm
Meinst Du ich soll die Arbeitsgrade der 6n6p auf 30mA hoch ziehen? Dazu müsste ich den Anodenwiderstand auf ca. 8k herab setzen. Oder wie soll ich Deine Antwort verstehen?
Meistens benutzt man die im Datenblatt angegebenen Werte. Bei Jogi solltest Du aber trotzdem mal stöbern ob er weitere Hinweise hat. Jedenfalls würde ich mich erst mal um einen passenden Ausgangs-Trafo kümmern für die A-Endstufe (einseitig geschichtet).
Danke für Deinen Tipp. Bei Jogi habe ich schon gestöbert. Ich bin eigentlich davon ausgegangen, dass man nicht das Maximum aus der Röhre holt, um diese etwas zu schonen. Zumal die Röhre schon durch den A-Betrieb schon gut belastet wird. Ausgangsübertrager für den Eintaktbetrieb sind vorhanden. Nicht die besten, sollte aber gehen.
Es gab mal eine Reihe kleinformatiger 6 Bücher: Telefunken-Laborbuch. Da war die grundlegende Berechnung von Schaltungen mit Röhren oder Transistoren dargelegt. Müßte noch in der Stadtbücherei oder antiquarisch zu bekommen sein. Ausführlicher bis ins Detail: Handbuch der Hochfrequenztechnik. 8 Bände, auch kleinformatig.
Neu L. schrieb: > Ich bin > eigentlich davon ausgegangen, dass man nicht das Maximum aus der Röhre > holt, um diese etwas zu schonen. Zumal die Röhre schon durch den > A-Betrieb schon gut belastet wird. Der Knackpunkt ist nicht die Belastung der Röhre! Das Wichtigste ist, dass die Röhre ihren Arbeitspunkt möglichst auf der geraden Kennlinie hat. Je besser das gelingt, desto sauberer ist das Signal.
>ich plane aktuell einen Röhrenverstärker aufzubauen. Du hast Stufen zusammengewürfelt aber glaube ich leider nicht den Sinn des ganzen verstanden. C1 macht die Gegenkopplung unwirksam, Tr5 kannst Du Dir sparen wegen Auto Bias. Da kannst Du lieber sowas nachbauen: http://www.jogis-roehrenbude.de/Verstaerker/EL84SE.gif Da kommt aber kein HiFi Raus, das ist vielleicht als Gitarrenverstärker brauchbar. Eintaktverstärker klirren im % Bereich, meistens deutlich über der Hörschwelle. Dazu haben sie einen hohen Ausgangswiderstand (vorallem ohne Gegenkopplung) was den Frequenzgang des Lautsprechers verbiegt.
Bei Röhren muß man nichts rechnen. Man nimmt einfach die Arbeitspunkte aus dem Datenblatt oder die fertigen Applikationsschaltungen. Auf keinen Fall würfelt man sich irgendwas selber aus. Für NF reichen 2 Stufen dicke aus. 3 Stufen werden übersteuern und die erste Röhre starke Mikrofonie bewirken. Für kleine NF-verstärker hat man gerne die ECL86 genommen (Vor- und Endstufe bis 3,5W).
Jan K. schrieb: > Du hast Stufen zusammengewürfelt aber glaube ich leider nicht den Sinn > des ganzen verstanden. C1 macht die Gegenkopplung unwirksam, Tr5 kannst > Du Dir sparen wegen Auto Bias. Dem stimme ich voll und ganz zu. Nichtnur, dass C1 die Gegenkopplung unwirksam macht, sondern es gibt garkeine Gegegenkopplung! Die Sekundärseite des Ausgangstrafos hat überhaupt kein Bezugspotential zu Masse, also wird auch nichts gegengekoppelt. Selbst wenn der Anschluss 7 der Sekundärwicklung nach Masse gelegt und C1 fehlen würde, hättest du eine völlig unklare Phasenlage, eventuell sogar einen Oszillator.
Phasenschieber S. schrieb: > Die Sekundärseite des Ausgangstrafos hat überhaupt kein Bezugspotential > zu Masse, also wird auch nichts gegengekoppelt. Ja, der Trafo muß sekundärseitig auf Masse sonst gibt es keine Gegenkopplung. Phasenlage beachten, sonst ist das ein Oszillator! Ohne das jetzt nachgerechnet zu haben: V2A und V2B denselben Arbeitspunkt? Hast Du die Eckpunkte (Empfindlichkeit, Eingang, Arbeitspunke, Ströme, Rückkopplung) mal grob berechnet? Versorgung 250V. Ich würde die Versorgung auf jeden Fall entkoppeln, in grob (Endstufe), mittel (Treiber) und fein (Vorstufe). Also jeweils dicke Widerstände in Reihe und Elkos nach Masse. Davor noch eine dicke Drossel. Schau Dir mal an, wie andere das machen (oben die Versorgung des Fender Champ). Überhaupt würde ich möglichst viele Schaltungen anderer studieren, gerade auch Gitarrenverstärker, als Inspiration. Röhrenverstärker sehen auf den 1. Blick simpel aus, was sie auch sind. Aber der Teufel steckt im Detail, um einen guten Verstärker zu bauen gehört viel Know-How! Ohne Deinen Enthusiasmus bremsen zu wollen: ein Röhren-Verstärker ohne viel Erfahrung vom Zeichenbrett aufzubauen wird kaum funktionieren, geschweige denn klingen. Sonst würde ich erstmal die 1. Stufe samt Versorgung aufbauen, durchmessen und mich dann langsam zur Endstufe vorarbeiten. Aber gutes Projekt, viel Erfolg! Mohandes
Ich habe mir schon gedacht, dass mir noch einiges an Wissen fehlt. Aber das ist kein Problem. Ich habe Zeit und Spaß an der Sache. 😊 Schon mal vielen Dank für die guten Tipps. Die Bänder von Telefunken sind mir schon irgendwo mal über den Weg gelaufen. Werde mal schauen, ob ich mir die besorge. Wirklich schade, dass die alten Sachen noch nicht digitalisiert sind. Die alten Bücher werden aktuell recht teuer gehandelt. Dass es wichtiger ist den Arbeitspunkt auf die Gerade zu setzen, war mir nicht ganz klar, klingt aber absolut logisch. Ich werde meine Schaltung dann nochmal überdenken. Die Sache mit der Gegenkopplung und C1 ist mir noch nichtganz verständlich. Muss ich mir nochmal anlesen. Falls es Links dazu gibt, wäre super. Das die Sekundärseite des AÜ auf Masse muss ist mir bewusst. Hatte ich nur nicht eingezeichnet. Sorry. Bei der 6n6p habe ich für beide Systeme denselben Arbeitspunk gewählt. Ist das ok so, oder falsch? Die Eckpunkte habe ich mit bekannten Formeln (Kathoden-Basis-Schaltung) ermittelt. @Mohandes: Guter Tipp zu dem Ablauf. Ich werde versuchen erst mal die erste Stufe aufzubauen und zu vermessen. Welche Werte würden mir denn über die Qualität etwas aussagen? Ruhestrom, Gittervorspannung? Die Gittervorspannung messe ich doch gegen die Kathode, richtig? P.S. Was mache ich eigentlich mit dem Schirmgitte der 6n6p? Auf Masse legen, oder ist das unkritisch?
Neu L. schrieb: > Was mache ich eigentlich mit dem Schirmgitte der 6n6p? In deinem Plan sehe ich nur Trioden, die haben keine Schirmgitter. Ich habe mir jetzt aber nicht ein Datenblatt deiner Röhren angeschaut. Neu L. schrieb: > Die Sache mit der Gegenkopplung und C1 ist mir noch nichtganz > verständlich. Muss ich mir nochmal anlesen. Der Kathodenwiderstand R3 sorgt für die nötige Vorspannung des Gitter1. R3 ist mit einem Kondensator C1 wechselstrommässig kurz geschlossen. Dieser Kurzschluss würde auch eine dort eingespeiste Gegenkopplung kurz schliessen, deshalb unsinnig. Die Gegenkopplung besteht aus einem kleinen Betrag des zu verstärkenden Signals und wird immer gegenphasig eingangsseitig wieder eingespeist. Das verringert Verzerrungen. Würdest du gleichphasig einspeisen, dann würde das Gerät anfangen zu schwingen und du hättest einen Oszillator.
Neu L. schrieb: > P.S. Was mache ich eigentlich mit dem Schirmgitte der 6n6p? > Auf Masse legen, oder ist das unkritisch? Hi, der Pin 9 ist kein Schirmgitteranschluss. Das ist eine Abschirmung der beiden Systeme, so sehe ich das. Vielleicht passt der Begriff Bremsgitter besser ist aber hier bestimmt auch falsch. Zur Erinnerung: Ein "Schirmgitter" oder "G2" liegt meistens auf Anodenspannungslevel. Entweder über Ausgangsübertrageranzapfung (ultralinear) oder über Widerstand. Das Datenblatt bei R*lt in Russisch. Na ja. Den Pin 9 laut Applikation beschalten. Irgendein Datenblatt wird sich noch auftreiben lassen, wo das genauer beschrieben ist. Meine persönliche Einschätzung: Mit PP fahre ich lieber. Die SingleEnded. Na ja. Muss jeder selber wissen. ciao gustav
Hallo Phasenschieber, vielen Dank für die Erklährung zum Thema GK. Sehr verständlich. Die 6n6p ist eine Doppeltriode, mit einem Schirmgitter auf Pin9. Es kann sein dass die Pinnummern in der Schaltung nicht passen. Ich hatte keine 6n6p in meinem Layouttool.
> Das Datenblatt bei R*lt in Russisch. Na ja. Bei Reichelt ist doch englischer Text auch mit dabei. https://cdn-reichelt.de/documents/datenblatt/A300/6N6P_DB-EN.pdf
Hallo Karl, ich meine natürlich den Schirmgitteranschluss. Sorry, wohl falsch ausgedrückt.
Neu L. schrieb: > Schirmgitteranschluss. Sag nicht Schirmgitter! Selbiges hat bei Röhren eine ganz andere Bedeutung. Sag lieber Trenngitter oder so etwas ähnliches.
>Die Sekundärseite des Ausgangstrafos hat überhaupt kein Bezugspotential >zu Masse, also wird auch nichts gegengekoppelt. Das hatte ich ganz übersehen, so wird das natürlich nichts. Neuling, ich denke Du gehst falsch and die Sache heran. Schau Dir bestehende, einfache Schaltungen an wie den EL84SE den ich oben verlinkt habe und versuche zu verstehen warum die Bauteile so dimensioniert wurden. Näherungsweise kannst Du den Übertrager bei der Berechnung des DC Arbeitspunkts als 0 Ohm Brücke sehen, die sind meisten niederohmig (vllt 50-100Ohm) R10 ist die Gegenkopplung, super ist es wenn man solche Sachen mit Spice simulieren kann. Vorsicht vor den 270V, die sind alles andere als harmlos!
Noch eine Frage zur Gegenkopplung. C1 ist unsinnig, das ist mir nun klar. Macht es Sinn parallel zu R4 einen Kondensator zu setzen? Das hatte ich irgendwo in einer Schaltung mal gesehen.
Auch sollte man diesen Einwurf nicht überlesen: Peter D. schrieb: > Für NF reichen 2 Stufen dicke aus. 3 Stufen werden übersteuern und die > erste Röhre starke Mikrofonie bewirken. Das sehe ich genauso. 3 Trioden in Folge und eine unzureichende Gegenkopplung lässt kein gutes Signal erwarten.
Phasenschieber S. schrieb: > Neu L. schrieb: >> Schirmgitteranschluss. > > Sag nicht Schirmgitter! Selbiges hat bei Röhren eine ganz andere > Bedeutung. Abschirmgitter. Völlig andere Funktionen als das Schirmgitter bei Pentoden. Neu L. schrieb: > Macht es Sinn parallel zu R4 einen Kondensator zu setzen? Ja, aber nicht irgendeinen. Geht in den Frequenzgang ein. Hier: http://www.jogis-roehrenbude.de/Verstaerker/EL84-6W.htm wird ein einfacher Verstärker mit der EL84 beschriebenen. Die Überlegungen und Berechnungen lassen sich sinngemäß auch auf andere Röhren übertragen. Auch hier http://www.jogis-roehrenbude.de/Verstaerker/EL84.htm weitere. Schadet nicht das nachzurechnen, dann versteht man wie das geht.
Noch ein Tip von mir: Füge zwischen erster und zweiter Röhre einen Kuhschwanzentzerrer ein. 1. nimmt das etwas an der überreichlichen Verstärkung und 2. hast du damit auch gleich einen Klangregler drin. Die Gegenkopplung würde ich auf garkeinen Fall an der Sekundärseite des Ausgangsübertrager abgreifen. Wie ich schon sagte, wegen unklarer Phasenlage und wegen der starken Abhängigkeit von der Last.
Wird das ein Kopfhörerverstärker? Die 6N6P ist ja eine Doppeltriode für eher kleine Leistungen (1-2W pro System). Beim Ausgangstrafo muß Du darauf achten, daß er bei SE (single ended) einer mit Luftspalt ist. Für weniger Anforderungen und kleine Leistung.kann man auch einen Netztzrafo (z.B. 230V-9V) ausprobieren. Es gibt auch Übertrager für 100V-Systeme, die haben mehrere Anzapfungen (Anpassung an die Röhre). Röhren sind ja gut erhältlich, Übertrager sind rar oder teuer! Deswegen würde ich die Endröhre noch mal überdenken (für EL84 beispielsweise gibt es jede Menge Trafos).
Das ganze soll in erster Linie ein Übungsprojekt werde. Daher würde ich hierbei erstmal bei Trioden bleiben wollen. Ich habe günstige SE AÜ´s bei ebay erhalten. Dies sind für EL84 und andere Röhren geeignet. Ich würde es eventuell damit versuchen, oder mit einem Trafo. (was ich halt so dahabe). Ich habe kürzlich eine Schaltung aus dem Netzt mit einer 6n6p nachgebaut und habe dafür die EL84 Übertrager verwendet. Der Klang war echt gut, nur die Leistung etwas schwach. @Phasenschieber: Eigentlich wollte ich so wenig Silizium wie möglich verwenden. Aber der Kuhschwanzentzerrer ist ein guter Gedanke. Danke für den Tipp. Mich würde noch interessieren, wo Du die Gegenkopplung ansetzen würdest. Ist eventuell eine „über-alles-gegenkopplung“ gar nicht so sinnvoll?
Neu L. schrieb: > Eigentlich wollte ich so wenig Silizium wie möglich verwenden. Aber der > Kuhschwanzentzerrer ist ein guter Gedanke. (Den Kuhschwanzentzerrer kannst Du auch bei einem reinen Röhrenverstärker einbauen. Er sollte nur den höheren Impedanzen angepaßt sein. Schau Dir mal Gitarrenverstärker an, da sind meistens welche drin (zwischen Vor- und Treiberstufe).
Neu L. schrieb: > Eigentlich wollte ich so wenig Silizium wie möglich verwenden. Für einen Kuhschwanz brauchst du kein Silizium. Neu L. schrieb: > Mich > würde noch interessieren, wo Du die Gegenkopplung ansetzen würdest. Ist > eventuell eine „über-alles-gegenkopplung“ gar nicht so sinnvoll? Doch das kannst du machen, aber ich kann jetzt nicht deinen Schaltplan komplett umdesignen. Ohne dass ich die Bauteilbemessungen nachgerechnet habe, gehe ich mal davon aus, dass diese so in Ordnung wären: Bleiben wir mal bei deinem Schaltplan, als Übungsobjekt kannst du den durchaus umsetzen und lassen wir mal die Gegenkopplung so wie du geplant hast. Dann würde ich den R3 in zwei Widerstände aufteilen, 1k und 2,2k in Serie und C1 dem 2,2k parallel gegen Masse schalten. Den R4 durch ein Poti 10k ersetzen und in Serie mit einem 47µF an der Kathode einspeisen. Der Kondensator ist ganz wichtig, weil ja an der Kathode ein Spannungspotential anliegt, welches ohne diesen über den R4 und die Sekundärwicklung nach Masse abgeleitet werden würde. Mit dem Poti 10k kannst du dann die Gegenkopplung auf den gewünschten Wert einstellen. Leg´ einfach mal los, die Schwachstellen wirst du dann selbst ermitteln und ausmerzen. Lernen am Objekt ist am effektivsten. Edith: Spelling
Phasenschieber S. schrieb: >> Eigentlich wollte ich so wenig Silizium wie möglich verwenden. > > Für einen Kuhschwanz brauchst du kein Silizium. Genau: https://media.istockphoto.com/photos/bavarian-cow-picture-id186023132
Typisch nimmt man für die Treiberstufe nicht die gleiche Röhre, wie für die Endstufe. Die soll ja nur die Spannung verstärken und dazu braucht es keine großen Ströme. Die ECC83 ist z.B. besser geeignet (Arbeitspunkt um 1mA).
Phasenschieber S. schrieb: > Leg´ einfach mal los, die Schwachstellen wirst du dann selbst ermitteln > und ausmerzen. > Lernen am Objekt ist am effektivsten. > Ja das denke ich auch. Wie schon gesagt, würde ich mit der ersten Stufe anfangen und diese erst mal durchmessen um zu sehen ob meine Berechnungen stimmen. Wie ermittle ich am besten den Ruhestrom? Ein A-Meter in Reihe würde doch theoretisch Messfehler ergeben. Oder ist der geringe Innenwiderstand vom A-Meter nicht relevant? Oder besser den Spannungsabfall am Kathodenwiderstand zu messen und mit dem Widerstandswert dividieren?
Neu L. schrieb: > ich plane aktuell einen Röhrenverstärker aufzubauen. Es gab mal die Fa. RIM in München. https://de.wikipedia.org/wiki/Radio_Rim Die hatte tolle Baumappen (Bausätze) von allen möglichen Röhrengeräten und -verstärkern. Die finden sich grossteils hier https://www.rainers-elektronikpage.de/radio-rim-baumappen Für den Anfang würde ich was einfaches empfehlen, so wie das hier https://cdn.website-editor.net/c8262e9fab4e4a598f0e2c84e41e9176/files/uploaded/Baumappe_Musikus_M.pdf ECC83, EF804, EL84 (und EZ80, wer's braucht) Die EF804 sollte sich durch 'ne gängigere EF86 ersetzen lassen; bitte Details selbst nachlesen: http://www.jogis-roehrenbude.de/Roehren-Geschichtliches/Ef86/Ef86.htm Gruss
ich habe nun mal folgendes gemacht. Laut einem Tipp in diese Forum sollte ich die Arbeitsgrade etwas anheben, damit sie mehr auf der Geraden liegt. Also habe den Anodenwiderstand auf 100k reduziert. Die Betriebsspannung im Leerlauf beträgt 267 Volt. Daraus ergibt sich für Ia max (P2) 2,67mA. Im Diagramm eingezeichnet, komme ich auf einen Arbeitspunkt von knapp 0,9mA bei einer Gittervorspannun von -1,5V. Den Kathodenwiderstand habe ich mit 1667Ohm errechnet. Der nächst passende, den ich da habe ist 1,5k. Messe ich nun den Spannungsabfall am Rk, beträgt dieser 0,88V. Müssten da nicht 1,5V abfallen? Die Röhre ist übrigens eine 12AX7WC von Sovtek. Datenblatt anbei.
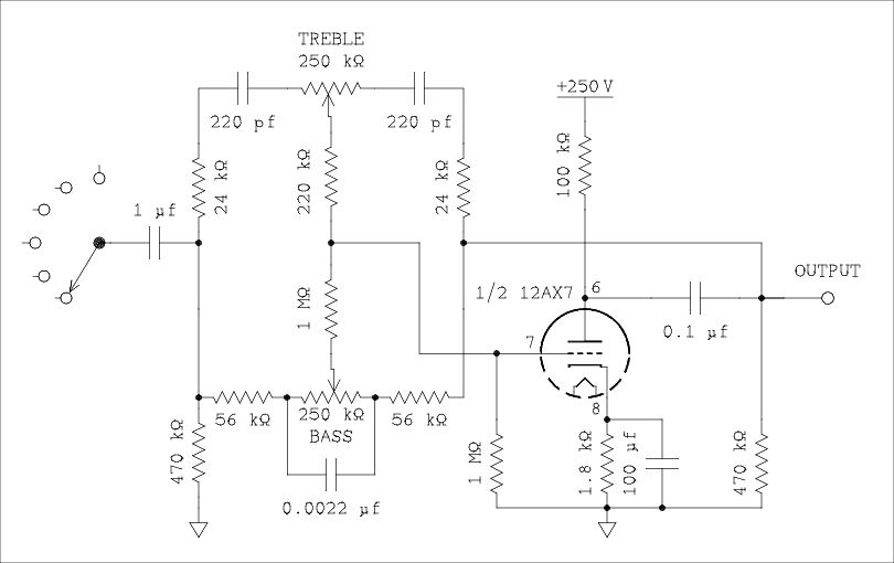
P.S. Hier noch die Schaltung zum aktuellen Aufbau. Ich habe mal alles weg genommen und erst mit einem System angefangen.
Mohandes H. schrieb: > Beim Ausgangstrafo muß Du darauf achten, > daß er bei SE (single ended) / [aka "A-Betrieb"] > einer mit Luftspalt ist. Korrekt, weil das Tonsignal auf der HV-Wicklung von einem dauernd vorhandenen Gleichstrom überlagert ist (ein Trafo ohne Luftspalt im Kern kommt damit einfach nicht zurecht). > Für weniger Anforderungen und kleine Leistung > kann man auch einen Netztzrafo (z.B. 230V-9V) ausprobieren. > Es gibt auch Übertrager für 100V-Systeme, die haben mehrere > Anzapfungen (Anpassung an die Röhre). Davon hat allerdings keiner einen Luftspalt, die gehen daher (so gut sie -je nach Trafo ganz unterschiedlich- eben gehen, wurden aber schon einige Bastler v. d. Eignung überrascht) ausschließlich für Gegentakt.
Luftmangel schrieb: > Es gibt auch Übertrager für 100V-Systeme, die haben mehrere >> Anzapfungen (Anpassung an die Röhre). Sollte nicht die Bemessungsspannung der Trafowicklung immer >= der geplanten Eingangsspannung (von der Endstufe) sein?
Neu L. schrieb: > Das ganze soll in erster Linie ein Übungsprojekt werde. Daher würde ich > hierbei erstmal bei Trioden bleiben wollen. Warum zum Teufel Anfänger wie du immer das Rad neu erfinden wollen? Warum baust du nicht erst mal eine bewährte Industrieschaltung mit deutschen Röhren nach? An Beispielen wird man erschlagen. Nein, es wird eine exotische Endröhre verwendet und du für die du gar keinen Ausgangsübertrager hast. Der von der EL84 passt nicht.
michael_ schrieb: > für die du gar keinen Ausgangsübertrager hast. Vielleicht wickelt er gern selbst. Unabhängig davon würde ich dem TE das lesen von diesem Artikel empfehlen: http://www.elektronikinfo.de/strom/roehrenirrtum.htm
Harald W. schrieb: > michael_ schrieb: > >> für die du gar keinen Ausgangsübertrager hast. > > Vielleicht wickelt er gern selbst. In der Tat habe ich vor, meine AÜ´s selber zu wickeln. Mit Transformatoren klappt es schon sehr gut. > Unabhängig davon würde ich dem TE > das lesen von diesem Artikel empfehlen: > http://www.elektronikinfo.de/strom/roehrenirrtum.htm Diesen Artikel habe ich mir schon vor einiger Zeit angeschaut. Sehr interessant. Danke.
Neu L. schrieb: > Messe ich nun den Spannungsabfall am Rk, beträgt dieser 0,88V. > Müssten da nicht 1,5V abfallen? Die Werte sind nicht plausibel, würde ich noch mal nachmessen! Anbei ein Datenblatt der ECC83, die ist ja elektrisch identisch zur 12AX7 (die Unterschiede gehen in den Exemplarstreuungen unter). Dort auch "Betriebswerte für NF-Verstärker mit RC-Kopplung". Daran würde ich mich orientieren - die Leute damals hatten ein ungeheures Wissen über Röhren und die Grundlagen haben sich nicht geändert. Dort wird auch für R1 ein Wert von 1M empfohlen, hat keinen Einfluß auf Deine Messung, das sind einfach erprobte Werte die ich übernehmen würde. 1k Grid-Stop gegen HF-Schwingungen sind ok. In dem pdf sind auch Kurven für die Steilheit, Klirr, usw.
michael_ schrieb: > Warum zum Teufel Anfänger wie du immer das Rad neu erfinden wollen? Ich hätte es nicht so krass ausgedrückt, aber tendentiell denke ich ähnlich: ich würde mich immer von erprobten Schaltungen inspirieren lassen. Später verfeinern geht immer. Beim Bau werden so oder so noch einige Abenteuer warten!
Neu L. schrieb: > Also habe den Anodenwiderstand auf 100k reduziert. > Die Betriebsspannung im Leerlauf beträgt 267 Volt. > Daraus ergibt sich für Ia max (P2) 2,67mA. > Im Diagramm eingezeichnet, komme ich auf einen Arbeitspunkt von knapp > 0,9mA bei einer Gittervorspannun von -1,5V. > Den Kathodenwiderstand habe ich mit 1667Ohm errechnet. > Der nächst passende, den ich da habe ist 1,5k. > Messe ich nun den Spannungsabfall am Rk, beträgt dieser 0,88V. > Müssten da nicht 1,5V abfallen? Du musst die Röhre als einen steuerbaren Widerstand sehen. Der Arbeitswiderstand von 100k ist sehr hoch und liegt in Reihe mit dem Innenwiderstand der Röhre und dem Kathodenwiderstand. Der Innenwiderstand der Röhre ist dynamisch und direkt von der Spannungsdifferenz G1 zu Kathode abhängig und selbige wiederum vom Spannungsabfall am Kathodenwiderstand. Deine Betriebsspannung von 267V wird infolge des Stromes an der Anode gewaltig einbrechen. Bei einem Strom im Arbeitspunkt von 1mA sinkt die Anodenspannung um satte 100V ab. Das bringt deine Rechnerei schonmal ordentlich durcheinander. Geh die Sache pragmatisch an, setz ein 1k-Poti in Reihe mit einem 500R an die Kathode und stell deinen Arbeitspunkt damit ein. Wenn du den richtigen Arbeitspunkt dann gefunden hast, ersetze das Poti durch einen Festwiderstand.
Mohandes H. schrieb: > Neu L. schrieb: >> Messe ich nun den Spannungsabfall am Rk, beträgt dieser 0,88V. >> Müssten da nicht 1,5V abfallen? > > Die Werte sind nicht plausibel, würde ich noch mal nachmessen! Danke für die Info. Schaue ich mir natürlich an. Mal eine andere Frage. Was passiert, wenn ich beide Triodensysteme parallel schalte. Verdoppelt sich theoretisch die Leistung und halbiert sich der Innenwiderstand?
Neu L. schrieb: > Mal eine andere Frage. Was passiert, wenn ich beide Triodensysteme > parallel schalte. Verdoppelt sich theoretisch die Leistung und halbiert > sich der Innenwiderstand? Genau das! Gibt Beispiele im Netz. Macht aus Deiner 6N6P natürlich keine Power-Röhre. Du hast doch Trafos für die EL84? Wenn Du die nimmst dann hast Du ordentlich Luft nach oben (auch der Klirrfaktor sinkt, wenn die Röhre nicht am Limit betrieben wird).
Neu L. schrieb: > Harald W. schrieb: >> michael_ schrieb: >> >>> für die du gar keinen Ausgangsübertrager hast. >> >> Vielleicht wickelt er gern selbst. > In der Tat habe ich vor, meine AÜ´s selber zu wickeln. > Mit Transformatoren klappt es schon sehr gut. Hast du eine Wickelmaschine? Per Hand wird das nichts. Und dann scheiterst du am schachteln der Bleche. Was ich so gesehen habe, brauchst du AÜ mit etwa 2,5KOhm. Sehr selten.
Erich schrieb: > Für den Anfang würde ich was einfaches empfehlen, so wie das hier > https://cdn.website-editor.net/c8262e9fab4e4a598f0e2c84e41e9176/files/uploaded/Baumappe_Musikus_M.pdf Auf solche Kunstschaltungen mit der EF804 würde ich verzichten. Bei den lt. Datenblatt 200-300kΩ Anodenwiderstand haben die sich bestimmt was gedacht. Die 2,2MΩ sind doch arg daneben (Bedämfpung der hohen Frequenzen, Brummempfindlichkeit, Austeuerungsbereich). Röhrenschaltungen wurden ja nicht erst ab gestern entwickelt. Es gibt genug bewährte Schaltungen von der Stange.
Mohandes H. schrieb: > Genau das! Gibt Beispiele im Netz. Macht aus Deiner 6N6P natürlich keine > Power-Röhre. Eventuell würde ich meine Schaltung dahingehend überdenken. Viel Power muss es auch nicht sein. Um die 2 Watt reicht föllig.
michael_ schrieb: > Hast du eine Wickelmaschine? Ich nutze dafür eine CNC-Maschine mit einer 4ten Achse.
michael_ schrieb: > Was ich so gesehen habe, brauchst du AÜ mit etwa 2,5KOhm. Sehr selten. Wie kann ich diesen Wert ermitteln? Gibt es dazu ein paar gute Infos?
Hi, was überhaupt erst einmal wichtig ist: Gitterspannung negativ. Dann Gitterableitwiderstand nicht beliebig, sondern nach Dabla. Unterschied: Auto-Biasing, Fixed-Biasing. Dann maximaler Anodenstrom (maximaler Schirmgitterstrom er arbeitet ja mit Trioden...) Wieso nimmst Du einen 1000 µF Katodenwiderstandüberbrückungs C? Auch 1 µF am Eingang sind schon eine Zehnerpotenz zu hoch. Das begünstigt das berühmt berüchtigte "Pumpen". ciao gustav
Karl B. schrieb: > Hi, > was überhaupt erst einmal wichtig ist: > Gitterspannung negativ. Ergibt sich ja automatisch durch den Kathodenwiderstand. Karl B. schrieb: > Unterschied: Auto-Biasing, Fixed-Biasing. Einfach so etwas in den Raum geworfen Karl B. schrieb: > (maximaler Schirmgitterstrom er arbeitet ja mit Trioden...) oh weh.... Mahlzeit
Phasenschieber S. schrieb: > Einfach so etwas in den Raum geworfen Phasenschieber S. schrieb: > Ergibt sich ja automatisch durch den Kathodenwiderstand. Hi, Nicht unbedingt. Hier wird mit Poti "Fixed Biasing" betrieben. Genauer gesagt, es ist eine Kombination aus "fixed" und "automatic". Muss innerhalb der vom Röhrenhersteller empfohlenen Widerstandswerte bleiben. Unten Gittervorspannung. mittleres Voltmeter Katodenspannungsabfall. rechtes Anodenspannung. Man hört deutlich, dass erst ab einer bestimmten Gitterspannung etwas an Brummen (Aussteuerung) zu hören ist. ciao gustav
Karl B. schrieb: > Wieso nimmst Du einen 1000 µF Katodenwiderstandüberbrückungs C? > Auch 1 µF am Eingang sind schon eine Zehnerpotenz zu hoch. > Das begünstigt das berühmt berüchtigte "Pumpen". Stammt noch aus einer alten Berechnung. Ist jetzt nicht mehr aktuell.
Karl B. schrieb: > was überhaupt erst einmal wichtig ist: > Gitterspannung negativ. > Dann Gitterableitwiderstand nicht beliebig, sondern nach Dabla. > Unterschied: Auto-Biasing, Fixed-Biasing. Negative Gitterspannung hat er doch: -Ug ergibt sich aus dem Strom durch den Kathodenwiderstand. Phasenschieber S. schrieb: > Karl B. schrieb: >> (maximaler Schirmgitterstrom er arbeitet ja mit Trioden...) > > oh weh.... Welches Schirmgitter bei Trioden?? (Die 6N6P hat ein ABSCHIRM-Gitter, welches aber nur die beiden Systeme voneinander abschirmt).
Neu L. schrieb: > Wie kann ich diesen Wert ermitteln? Gibt es dazu ein paar gute Infos? Hier: http://www.jogis-roehrenbude.de/Verstaerker/AUe-EL84PP/Uebertrager.htm Betrachtungen und Berechnungen eines Ausgangstrafos für die EL84. Gilt alles für push-pull, also Gegentakt. Bei SE single-ended muß der Übertrager einen Luftspalt haben, da ein Ruhestrom fließt! Viele Überlegungen sind aber ähnlich.
Mohandes H. schrieb: > Negative Gitterspannung hat er doch: -Ug ergibt sich aus dem Strom durch > den Kathodenwiderstand. Hi, ja. Das war nur ein Hinweis, dass man sich gerade bei Röhrenendstufen besser darauf einstellen sollte, neben Heizspannung und Anodenspannung auch noch eine Extrawurst für negativ Gittervorspannung vorzusehen. Das ist vielleicht bei der bestellung des Netztrafos wichtig. Und man kann dann so schön am Poti drehen, B-Betrieb, AB etc. Und die Gitter-Widerstände sind für die Röhren nicht mehr beliebig. 1M oder 330 k je nachdem. Das hängt vom inneren Aufbau bzw. Alter der Röhren ab. Irgendwann "flutschen" die Elektronen nämlich trotzdem durch. Gerade bei Automatic Biasing, wo der Katodenwiderstand die entscheidende Rolle spielt. ciao gustav
Grundsätzlich habe ich mir erstmal folgende Überlegungen gemacht: Ub im Leerlauf gemessen (P1) = 267V Anodenwiderstand Ra habe ich auf 100k gewählt. P2 = Ub / Ra = 267V / 100kOhm = 2,67mA Bei einer Gitterspannung von -1,5V ergibt sich im Diagramm ein Ruhestrom von 0,9mA. Rk = Ug / Ia = 1,5V / 0,0009A = 1666,67 Rk produktiv = 1,5k Nun messe ich am Rk einen Spannungsabfall von 0,88V. Das ist doch nicht richtig, oder?
Neu L. schrieb: > Das ist doch nicht richtig, oder? Welche Röhre hast du denn? Sonst reden wir aneinander vorbei. Bei "meiner" ECC82 habe ich höchstens 1 mA pro System an Anodenspannung bei 100 k Anodenwiderstand und (wegen Phasenumkehrschaltung) 47 k Katodenwiderstand. ciao gustav
Karl B. schrieb: > Neu L. schrieb: >> Das ist doch nicht richtig, oder? > > Welche Röhre hast du denn? Sonst reden wir aneinander vorbei. Ich meine die erste Stufe meiner Schaltung. Also die 12AX7WC
Karl B. schrieb: > Das war nur ein Hinweis, dass man sich gerade bei Röhrenendstufen besser > darauf einstellen sollte, neben Heizspannung und Anodenspannung auch > noch eine Extrawurst für negativ Gittervorspannung vorzusehen. Das stimmt. Gute Endstufen haben fast immer einen einstellbaren Bias, sinnvoll auch wenn die Röhren altern oder gewechselt werden. Meistens wird er tatsächlich über eine Extra-Wicklung erzeugt. Ob das aber bei einer 1W-'Endstufe' mit 6N6P sinnvoll ist?
Mohandes H. schrieb: > Neu L. schrieb: >> Wie kann ich diesen Wert ermitteln? Gibt es dazu ein paar gute Infos? > > Hier: > http://www.jogis-roehrenbude.de/Verstaerker/AUe-EL84PP/Uebertrager.htm > Betrachtungen und Berechnungen eines Ausgangstrafos für die EL84. Diesen Beitrag hatte ich mir schon la angeschaut und ein paar Beispielberechnung angestellt. Ist soweit verständlich. Mir ist aber nicht ganz klar, wie man auf die Primäre Impedanz kommt.
Neu L. schrieb: > Nun messe ich am Rk einen Spannungsabfall von 0,88V. > Das ist doch nicht richtig, oder? Die Frage habe ich dir doch hier schon beantwortet: Phasenschieber S. schrieb: > Du musst die Röhre als einen steuerbaren Widerstand sehen. > Der Arbeitswiderstand von 100k ist sehr hoch und liegt in Reihe mit dem > Innenwiderstand der Röhre und dem Kathodenwiderstand. > Der Innenwiderstand der Röhre ist dynamisch und direkt von der > Spannungsdifferenz G1 zu Kathode abhängig und selbige wiederum vom > Spannungsabfall am Kathodenwiderstand. > > Deine Betriebsspannung von 267V wird infolge des Stromes an der Anode > gewaltig einbrechen. > > Bei einem Strom im Arbeitspunkt von 1mA sinkt die Anodenspannung um > satte 100V ab. Das bringt deine Rechnerei schonmal ordentlich > durcheinander. > > Geh die Sache pragmatisch an, setz ein 1k-Poti in Reihe mit einem 500R > an die Kathode und stell deinen Arbeitspunkt damit ein. > Wenn du den richtigen Arbeitspunkt dann gefunden hast, ersetze das Poti > durch einen Festwiderstand. Hat dir meine Antwort nicht gefallen? Schau dir mal die Werte an, wenn die Anodenspannung nurnoch 100V beträgt! Deine Berechnungen beziehen sich auf statische Werte, die Röhre arbeitet aber dynamisch.
Neu L. schrieb: > Also die 12AX7WC Also ECC83 das ist schon ein Unterschied zu "meiner" ECC82. Deswegen passt mein Rechenbeispiel nicht. BTW: ECC83 hat weniger "Saft", nimmt man lieber nicht zum Ansteuern der Endstufenröhren. Ausnahmen bestätigen die Regel. ciao gustav
Neu L. schrieb: > Mir ist aber nicht ganz klar, wie man auf die Primäre Impedanz kommt. Ergibt sich auch aus den Kennlinien. Der Trafo (Übersetzungsverhältnis!) ist die (neue) Arbeitsgerade, statt dem Ra Hieraus sollte es klar werden, ich würde das einfach mal nachvollziehen und nachrechnen und dann übertragen.
Phasenschieber S. schrieb: > Hat dir meine Antwort nicht gefallen? Doch. Sehr sogar. :) Hatte ich irgendwie übersehen. ich müsste doch ann theoretisch direkt an der Anode knapp 09V messen, oder? Die Sache mit dem Poti teste ich nachher.
Hi, also weiter hinten finden sich noch Berechnungen: http://www.referatschleuder.de/upload/332.pdf ciao gustav
Mohandes H. schrieb: > Ergibt sich auch aus den Kennlinien. Der Trafo (Übersetzungsverhältnis!) > ist die (neue) Arbeitsgerade, statt dem Ra Dann müsste ich doch mit einer Impedanz von 8 oder 10 kilo gut klar kommen. Ich lande dann im Diagramm auf 25 bis 30 mA und die Arbeitsgrade sieht gut aus. Oder verstehe ich es falsch?
Neu L. schrieb: > Dann müsste ich doch mit einer Impedanz von 8 oder 10 kilo gut klar > kommen. Hängt davon ab was hinter Deinem Trafo steckt. Rges = ü^2*Rout + Rcu. Rges entspricht dann dem Ra. ü=N1/N2, Rcu der Kupferwiderstand primär. Also möchtest Du einen 4Ohm-Lautsprecher treiben oder einen 32Ohm-Kopfhörer?
Für kleine NF-Leistung (Küchenradio) hat man gerne die EL95 oder ECL81 genommen.
Mohandes H. schrieb: > Also möchtest Du einen 4Ohm-Lautsprecher treiben oder einen > 32Ohm-Kopfhörer? 4Ohm lautsprecher.
Phasenschieber S. schrieb: >> Geh die Sache pragmatisch an, setz ein 1k-Poti in Reihe mit einem 500R >> an die Kathode und stell deinen Arbeitspunkt damit ein. macht hie ein Poti nicht sogar grundsätzlich Sinn? Die Spannung verhällt sich unter Last ja nochmal anders, auch die Röhrenwerte ändern sich nmit dem Alter.
Neu L. schrieb: > macht hie ein Poti nicht sogar grundsätzlich Sinn? > Die Spannung verhällt sich unter Last ja nochmal anders, auch die > Röhrenwerte ändern sich nmit dem Alter. Kannst du machen, schaden tut es nicht. Die Eingangsröhre hat aber wegen des sehr hohen Arbeitswiderstandes einen grossen dynamischen Bereich. Deshalb ist der Kathodenwiderstand nicht kritisch. Dieser grosse dynamische Bereich ist es ja, der Röhrenverstärker bei Musikern so beliebt macht.
Zu den Ausgangsübertragern will ich dir auch noch etwas sagen: Was hier über Luftspalt und Impedanz gesagt wurde, ist theoretisch zwar alles richtig, aber in deinem Fall für diesen Versuch nicht sehr relevant. Für solch einen simplen Verstärker hatte ich früher Klingeltrafos genommen und das hat wunderbar funktioniert. Ich hatte sogar meine AM-Sender mittels einfachem Netztrafo moduliert. Da lief der komplette Senderendstufen-Strom durch den Trafo. Funktioniert auch. Es kommt halt immer auch auf die Ansprüche an die Qualität an....und ausreichende Dimensionierung. Dein Entwurf sieht so garnicht nach HiFi aus und ist für dich auch nur ein Studienobjekt, so hast du geschrieben. Nimm einfach was du hast. Das Gute an Röhren ist, sie nehmen dir fast nichts übel. Selbst dicke Boliden bekommen bei Fehlanpassung höchstens mal rote Backen. "Rote Backen" nannte man zu meiner Zeit glühende Anodenbleche, wenn die Leistung nichtmehr ausreichend abgeführt werden konnte.
Phasenschieber S. schrieb: > Zu den Ausgangsübertragern will ich dir auch noch etwas sagen: So sehe ich das auch. Mir geht es erst mal darum den Anfang zu machen und zwar so, dass ich das auch verstehe. Eine Röhrenschaltung stumpf nachzubauen ist einfach nichts für mich. Dazu kommt, dass auch in Büchern nicht alles steht. Daher muss man aus meiner Sicht einfachen Erfahrungen sammeln und Menschen fragen die davon Ahnung haben.
Karl B. schrieb: > Neu L. schrieb: >> Also die 12AX7WC > > Also ECC83 das ist schon ein Unterschied zu "meiner" ECC82. > Deswegen passt mein Rechenbeispiel nicht. > BTW: > ECC83 hat weniger "Saft", nimmt man lieber nicht zum Ansteuern der > Endstufenröhren. Ausnahmen bestätigen die Regel. Nicht Ausnahme, sondern die Regel! Zumindest in Deutschland wurde die Kombination ECC83/EL84 massenhaft in der Radioindustrie eingesetzt. Es muß ja exotisch zugehen! Neu L. schrieb: > michael_ schrieb: > >> Was ich so gesehen habe, brauchst du AÜ mit etwa 2,5KOhm. Sehr selten. > > Wie kann ich diesen Wert ermitteln? Gibt es dazu ein paar gute Infos? Entspricht etwa dem Ra aus dem Datenblatt. Bei der EL84 habe ich hier z.Bsp. 5,2KOhm.
Phasenschieber S. schrieb: >> Geh die Sache pragmatisch an, setz ein 1k-Poti in Reihe mit einem 500R >> an die Kathode und stell deinen Arbeitspunkt damit ein. >> Wenn du den richtigen Arbeitspunkt dann gefunden hast, ersetze das Poti >> durch einen Festwiderstand. Ich habe meinen Testaufbau nun etwas angepasst. Aktuell habe ich am Rk einen Spannungsabfall von 1,42V. Musste aber mit dem Widerstand auf 3,9k hoch. Die Spannung direkt an der Anode beträgt 230V. Mir stellt sich jetzt auch die Frage: Welchen Spannungswert nehme ich für meine Berechnungen? Die eigentliche Betriebsspannung, oder die Spannung direkt an der Anode, die ja um einiges geringen ausfällt?
Neu L. schrieb: > Ich habe meinen Testaufbau nun etwas angepasst. Aktuell habe ich am Rk > einen Spannungsabfall von 1,42V. Musste aber mit dem Widerstand auf 3,9k > hoch. Die Spannung direkt an der Anode beträgt 230V. Schaust du dir denn gar keine Industrieschaltbilder an? Oder mal paar Grundlagen? Da macht es keinen Sinn, dir irgend welche Tipps zu geben. Hör auf mit Berechnungen, sondern bau etwas nach, was schlaue Köpfe vor Jahrzehnten konstruiert haben. Ich habe gerade mal nachgesehen. Die ECC83 wird an der Anode mit 50 - 110V betrieben. Bei etwa 0,5 - 0,8 mA. Mir käme es nicht in den Sinn, sowas vom Urschleim her berechnen zu wollen.
michael_ schrieb: > wurde die Kombination ECC83/EL84 massenhaft in... ...kann man auch so sehen: wurde die Kombination ECC82/EL34 .... ok. Die 84-er ist aber in der Tat populärer und, soweit das die Recherche hergibt, der krönende Punkt, an dem diese Produktionsschiene am Ende ankam. Vorläufer EL41 etc. Die 84-er wird auch gerne als Ersatz in ominösen Adapterschaltunfen für die ECLL800 oder ELL800-er-Serie genommen, insofern wird die Ersatzteilbeschaffung wohl nicht so schnell problematisch werden wie bei letztgenannten. Neu L. schrieb: > Welchen Spannungswert nehme ich > für meine Berechnungen? Die eigentliche Betriebsspannung, oder die > Spannung direkt an der Anode, die ja um einiges geringen ausfällt? Was interessiert ist der maximal zulässige Anodenstrom. Wie war das noch: Eine Kenngröße der Röhre ist: Steilheit: (minus)Gitterspannung zu Anodenstrom ciao gustav
Neu L. schrieb: > Ich bin aktuell noch nicht sehr > erfahren in dem Thema und würde gerne von euch ein Feedback bekommen, ob > meine Schaltung so funktionieren würde, oder ob ich mich komplett > verrechnet habe. An Deiner Stelle würde ich etwas funktionierendes Nachbauen oder LTspice nehmen. Mit LTspice siehst Du vorher was rauskommt. mfg klaus
Neu L. schrieb: > Mir stellt sich jetzt auch die Frage: Welchen Spannungswert nehme ich > für meine Berechnungen? Nochwas. Wenn du hier fragst, muß dir klar sein, dass es keine Röhrenexperten mehr gibt. Die sind im Altersheim oder auf dem Friedhof.
Klaus R. schrieb: > Neu L. schrieb: >> Ich bin aktuell noch nicht sehr >> erfahren in dem Thema und würde gerne von euch ein Feedback bekommen, ob >> meine Schaltung so funktionieren würde, oder ob ich mich komplett >> verrechnet habe. > > An Deiner Stelle würde ich etwas funktionierendes Nachbauen oder LTspice > nehmen. Mit LTspice siehst Du vorher was rauskommt. > mfg klaus Besonders zu empfehlen waren immer die Baumappen von Radio RIM. https://www.rainers-elektronikpage.de/radio-rim-baumappen "Ultra – Linear – Verstärker Organist" Den habe ich mal nachgebaut. Aber mit Platine, ohne amerikanische Verdrahtung. Also Layout mit Bleistift vorgemalt und dann mit Pinsel und Lack die Deckschicht aufgetragen. https://cdn.website-editor.net/c8262e9fab4e4a598f0e2c84e41e9176/files/uploaded/Baumappe_Organist.pdf mfg klaus
michael_ schrieb: > Die sind im Altersheim oder auf dem Friedhof. Nö, hier sitzt noch einer! Hier im Forum gibt es eine Menge gescheiter Leute; ich freue mich auch immer gute Diskussionen zu verfolgen, wie z.B. den Thread mit dem Dipper. Einige schweben jedoch in so hohen Sphären, dass sie den Boden nichtmehr sehen. Wenn dann Pragmatiker auf Theoretiker stösst, kann es mitunter heftig werden. Der TO möchte seine ganz persönliche Erfahrung machen, nicht ein Studium der Nachrichtentechnik absolvieren. Dabei will ich, als Pragmatiker, ihm helfen, denn ich weiss noch genau wie zu meiner Anfangszeit fast alle "Spezialisten" zu meinen geplanten Projekten gesagt haben, das geht nicht. Frei nach dem Spruch: "Alle sagten das geht nicht, dann kam einer der wusste das nicht und hat's einfach gemacht". Zum TO und Arbeitspunkteinstellung: Die Röhre soll auf der Mitte der Kennlinie arbeiten, das bedeutet folgendes: Wenn ein Steuersignal, sagen wir Sinus, negativ wird, soll am Ausgang (Anode) genug Spannungsreserve sein, dass die Spannung entsprechend der Verstärkung, analog um 180° verschoben, nach oben gehen kann. Bei positiver Ansteuerung vice versa. Das bedeute praktisch gesehen, dass der Ruhestrom der Röhre so gross sein soll, dass die Anodenspannung ca. der halben Betriebsspannung entspricht. In deinem Fall wären das bei Betriebsspannung von 260V eine Anodenspannung von 130V. In Ruhe. Stelle also deinen Kathodenwiderstand so ein, dass an der Anode 130V anliegen. Ein zu verstärkendes Signal erzeugt damit ein relativ genaues Abbild der Steuerspannung. capiche?
Noch etwas wichtiges nachschieb, an den TO: Der dreistufige Verstärker hat eine sehr, sehr hohe Gesamt-Verstärkung, weshalb du unbedingt die einzelnen Stufen über die Versorgungsspannung entkoppeln solltest. Das heisst, dass zumindest die Vorstufe in der Stromversorgung noch ein RC-Glied bekommen sollte. Etwa so: Stromschiene-10k-Widerstand mit 10µF nach Masse-Arbeitswiderstand. Das Problem gestaltet sich dieserart: Wenn die Endstufe wegen Aussteuerung Stromschwankungen erzeugt, pflanzen diese sich auf die Eingangsstufe über die Stromversorgung fort und gelangen somit in den Verstärkungsweg, was wiederum zum Schwingen des ganzen Kostruktes führen kann. Also unbedingt entkoppeln!
Phasenschieber S. schrieb: > Also unbedingt entkoppeln! Das meinte ich mit: Mohandes H. schrieb: > Versorgung 250V. Ich würde die Versorgung auf jeden Fall entkoppeln, in > grob (Endstufe), mittel (Treiber) und fein (Vorstufe). Also jeweils > dicke Widerstände in Reihe und Elkos nach Masse. Davor noch eine dicke > Drossel. Schau Dir mal an, wie andere das machen (oben die Versorgung > des Fender Champ). Bild siehe oben. Phasenschieber S. schrieb: > michael_ schrieb: >> Die sind im Altersheim oder auf dem Friedhof. > > Nö, hier sitzt noch einer! Bin auch noch nicht 6 feet under. An die negativ-Denker: ihr habt doch auch mal angefangen? Und was spricht dagegen, statt mit Arduino o.ä. mit Röhren zu basteln wenn man Freude daran hat?
Phasenschieber S. schrieb: > Das Problem gestaltet sich dieserart: Wenn die Endstufe wegen > Aussteuerung Stromschwankungen erzeugt, pflanzen diese sich auf die > Eingangsstufe über die Stromversorgung fort und gelangen somit in den > Verstärkungsweg, was wiederum zum Schwingen des ganzen Kostruktes führen > kann. Ist ja klar. Eine Röhre hat eben kein so hohen PSSR wie ein IC. Aber man könnte ja zumindest im Netzteil ein paar Hochvolttransistoren einsetzen. Ich vermute, die wenigsten nutzen noch eine Gleichrichterröhre. Da tut es eben eine 1N4007 für 2 Cent auch. Sie leuchtet nur nicht so schön. https://www.reichelt.de/gleichrichterdiode-1000-v-1-a-do-41-1n-4007-dio-p219368.html?search=1n400 mfg klaus
Mohandes H. schrieb: > Das meinte ich mit: Sorry, das habe ich übersehen. Mohandes H. schrieb: > ihr habt doch > auch mal angefangen? Und was spricht dagegen, statt mit Arduino o.ä. mit > Röhren zu basteln wenn man Freude daran hat? Jede Richtung hat ihre Daseinsberechtigung. Röhrentechnik ist noch lange nicht passé, die ist immernoch aktuell. Ein Freund von mir ist Vollblutmusiker, zugegeben, in meinem Alter, aber seine ganze Branche steht auf Röhrenverstärkern, nicht wegen des Alters, sondern wegen der Eigenschaften von Röhren. Wie ich schon schrieb, Röhren nehmen einem fast nichts übel, auchnicht wenn sie total übersteuert werden. Sie gehen "sanft" ins Clipping, was sogar gewollte Effekte erzeugen kann. Der Dynamikbereich einer Röhre, kann von keinem Halbleiter erreicht werden. Am meisten schätzen das Gitarrespieler. Vom ganz leisen Zupfen zum vollen Anschlagen der Saiten ist der Dynamikumfang gigantisch; habe gerade leider keine Zahlen zur Hand. Mit Röhren ist das relativ einfach zu bewältigen, ganz anders mit Halbleitern. Musiker sprechen auch immer von einem "weichen" Klang bei Röhrenverstärkern, was sicher auch der "weichen" Versorgungsspannung geschuldet ist, im Gegensatz zu harten, schnell begrenzenden, Schaltnetzteilen. Auch als Funkamateur muss ich sagen, dass keine PA so gut zu beherrschen ist wie eine Röhren-PA. Na gut, das solls denn auch sein :-) Ich denke mal, die Röhre wird es noch lange geben. Muss ich jetzt noch nachschieben: Gleich wird die Digital-Fraktion auftauchen und meine Argumente zerpflücken, dem hätte ich nichts entgegen zu setzen...zugegeben :-)
Karl B. schrieb: > ECC83 hat weniger "Saft", nimmt man lieber nicht zum Ansteuern der > Endstufenröhren. Ausnahmen bestätigen die Regel. Orange nimmt sie aber für seine 50W Verstärker: https://www.gear4music.de/de/Gitarre-and-Bass/Orange-Rockerverb-50-Head-MKIII-Nearly-New/3109 Die 50W Einschübe von RFT nahmen die ECC82: https://maybaummagnetics.wordpress.com/2013/04/27/reparatur-rohrenverstarker-50w-v150-kolleda-typ-8321-6-1/
Phasenschieber S. schrieb: > dem hätte ich nichts entgegen zu setzen...zugegeben :-) Dem würde ich entgegensetzen: ich habe schon viele Gitarren-Verstärker gehört, mit Halbleitern und mit Röhren. Aber für nichts würde ich meinen Fender mit Röhren weggeben! Ist ein subjektives Argument aber ich höre was ich höre und da ist es mir egal was andere sagen. Jeder nach seiner Fasson! Phasenschieber S. schrieb: > Ich denke mal, die Röhre wird es noch lange geben. Auf jeden Fall bei Instrumentenverstärkern.
Valves, Tubes für LTspice Simuation aus dem Wiki http://ltwiki.org/files/LTspiceIV/examples/LtSpicePlus/Discretos/Lamparas/Valve/ .plt und .asc in gemeinsames Unterverzeichnis legen, vereinfacht Sortierung :-) http://www.homecookingwithvalves.com/Tubeamp-Circuits/Tubeamp-Schematics.html
Phasenschieber S. schrieb: > Die Röhre soll auf der Mitte der Kennlinie arbeiten, das bedeutet > folgendes: > Wenn ein Steuersignal, sagen wir Sinus, negativ wird, soll am Ausgang > (Anode) genug Spannungsreserve sein, dass die Spannung entsprechend der > Verstärkung, analog um 180° verschoben, nach oben gehen kann. > Bei positiver Ansteuerung vice versa. > > Das bedeute praktisch gesehen, dass der Ruhestrom der Röhre so gross > sein soll, dass die Anodenspannung ca. der halben Betriebsspannung > entspricht. > In deinem Fall wären das bei Betriebsspannung von 260V eine > Anodenspannung von 130V. > In Ruhe. Interessanterweise dimensioniert man Transistor(vor-)verstärker ganz genauso.
... hier noch ein interesante Link mit Erklärungen zu Valve Modellen in LTspice :-) http://adrianimmler.simplesite.com/440956786
Harald W. schrieb: > Interessanterweise dimensioniert man Transistor(vor-)verstärker > ganz genauso. yep, so isses. ....und wenn man sich jetzt vorstellt, dass eine Röhre bei einer Ruhespannung von 130V und einer Versorgungsspannung von 260V einen Ausgabebereich von annähernd plus-minus 130V pro Halbwelle hat, dann kann man ahnen wie gross der Dynamikumfang ist. Kein Wunder, dass Musiker darauf abfahren.
Phasenschieber S. schrieb: > michael_ schrieb: >> Die sind im Altersheim oder auf dem Friedhof. > > Nö, hier sitzt noch einer! Phasenschieber S. schrieb: > Das bedeute praktisch gesehen, dass der Ruhestrom der Röhre so gross > sein soll, dass die Anodenspannung ca. der halben Betriebsspannung > entspricht. > In deinem Fall wären das bei Betriebsspannung von 260V eine > Anodenspannung von 130V. > In Ruhe. > > Stelle also deinen Kathodenwiderstand so ein, dass an der Anode 130V > anliegen. Hiermit beweißt du, dass du keine Ahnung hast. Deshalb lebst du noch. Wie alt bist du? Phasenschieber S. schrieb: > Das heisst, dass zumindest die Vorstufe in der Stromversorgung noch ein > RC-Glied bekommen sollte. > > Etwa so: Stromschiene-10k-Widerstand mit 10µF nach > Masse-Arbeitswiderstand. > > Das Problem gestaltet sich dieserart: Wenn die Endstufe wegen > Aussteuerung Stromschwankungen erzeugt, pflanzen diese sich auf die > Eingangsstufe über die Stromversorgung fort und gelangen somit in den > Verstärkungsweg, was wiederum zum Schwingen des ganzen Kostruktes führen > kann. Ja, das ist unbedingt nötig. Verspätete Einsicht. Aber falsche Schlußfolgerung! Übrigens geht es hier nicht um Gitarrenverstärker und auch nicht um Leistungsverstärker. Sondern weniger als 5W! Der TO will so 2W.
Phasenschieber S. schrieb: > ....und wenn man sich jetzt vorstellt, dass eine Röhre bei einer > Ruhespannung von 130V und einer Versorgungsspannung von 260V einen > Ausgabebereich von annähernd plus-minus 130V pro Halbwelle hat, dann > kann man ahnen wie gross der Dynamikumfang ist. Warum sollte die Dynamik bei 130V größer sein als bei z.B. 15V in Opamp Schaltungen? Nur weil die Schaltung mit einer höheren Spannung betrieben wird sagt das nichts über die Dynamik aus. Phasenschieber S. schrieb: > Kein Wunder, dass Musiker darauf abfahren. Und das ist ein Trugschluss. Als ehemaliger Gitarrist kann ich Dir sagen, das im Clean Bereich (also ohne hörbare Verzerrung) der Vorteil des Röhren-Amps die sehr natürliche Kompression ist. Haust Du stark in die Saiten, dann bricht die Spannung des Netzteils ein. Die Arbeitspunkte verschieben sich, und die Verstärkung geht runter. Gitarristen nennen diesen Effekt "Sag". Ist also exakt das Gegenteil von Dynamik. Gitarristen mögen diesen Effekt, weil er kleine Unterschiede im Anschlag der Saiten effektiv kaschiert.
Um erhrlich zu sein, verstehe ich diese ganze Aufruhe hier im Beitrag überhaupt nicht. Von einigen wenigen habe ich hier wirklich gute Tipps erhalten und bin sehr dankbar dafür. Wie schon gesagt, findet man gute Tipps in keinem Buch, sondern nur durch Austauch. (Schule, Forum, Freundeskrei, usw.) Die meinsten Post jedoch haben kaum etwas mit meinem Anliegen zu tun. Seit mir bite nicht böse, aber ich habe nicht nach eurer Meinung gefragt. Ich wollte nicht wissen welchen Verstärker ich am besten stumpf nachbauen kann. Das ist nicht mein Hobby. Und ein Hobby muss für andere keinen Sinn ergeben, sonst würde man es nicht Hobby nennen. Wer das nicht versteht, kennt wahrscheinlich keine Hobbys. Wenn ich also nichts zum Thema beitragen möchte, dann muss ich doch nicht irgendwas posten, nur um etwas abzulassen. In jedem Forum liest man in den Regeln an oberster Stelle, dass man SuFu benutzen soll. Trotzdem werden die Beiträge mit Dingen zu gemüllt, die nicht zur Fragestellung passen. (Meine Meinung).
Neu L. schrieb: > Wenn ich also nichts zum Thema beitragen möchte, dann muss ich doch > nicht irgendwas posten, nur um etwas abzulassen. > Wenn Du länger hier im Forum liest, wirst Du feststellen: Es ist (leider!) regelmäßig der Fall. Das sollte dir aber dennoch nicht die Freude verderben, hier weiter Fragen zu stellen und sachlich zu diskutieren. Sowas ist dann eine der positiven Seiten eines Forums. > In jedem Forum liest man in den Regeln an oberster Stelle, dass man SuFu > benutzen soll. Trotzdem werden die Beiträge mit Dingen zu gemüllt, die > nicht zur Fragestellung passen. (Meine Meinung). Volle Zustimmung. Ist aber auch anderswo so: Parken im Halteverbot (hat man auch mal in der Fahrschule gelernt dies nicht zu tun), Tragen von Masken und Abstand wahren in der Covid-Zeit (tja, schau Dich mal um im Alltag). Und so weiter. scnr.
michael_ schrieb: > Hiermit beweißt du, dass du keine Ahnung hast. > Deshalb lebst du noch. Wie alt bist du? Nichtnur deine Orthographie ist mangelhaft! Auch deine Schlussfolgerung beweist, dass du nur etwas vor dich hin sabbelst.
Max H. schrieb: > Haust Du stark in > die Saiten, dann bricht die Spannung des Netzteils ein. Ist dir klar, dass die Verstärkerstufe um die es hier geht, ein Vorstufe ist die im A-Betrieb läuft? Falls du überhaupt weisst was A-Betrieb bedeutet. Da bricht keine Spannung ein. In richtig dicken Verstärkern habe die Vorstufen sogar eine eigene Stromversorgung über eine zusätzliche Trafo-Wicklung. Mann....da kommen Leute und wollen ihren Senf abladen und haben keinen Schimmer von dem was sie absondern.
Klaus R. schrieb: > Aber man könnte ja zumindest im Netzteil ein paar Hochvolttransistoren > einsetzen. Ich vermute, die wenigsten nutzen noch eine > Gleichrichterröhre Hi, der eine Selbstbauverstärker (Link im Bild oben) nimmt vom Prinzip her einen Längsregler mit HV Transistoren, was ein Stilbruch wäre. Peter D. schrieb: > Orange nimmt sie aber für seine 50W Verstärker: > https://www.gear4music.de/de/Gitarre-and-Bass/Orange-Rockerverb-50-Head-MKIII-Nearly-New/3109 > > Die 50W Einschübe von RFT nahmen die ECC82: > https://maybaummagnetics.wordpress.com/2013/04/27/reparatur-rohrenverstarker-50w-v150-kolleda-typ-8321-6-1/ Darüber brauchen wir uns hier nicht streiten. Habe bewusst bei "meinem" Verstärker die ECC83 rausgeschmissen und Schaltung nach ECC82 umdesigned - Warum wohl? Siehe Dabla. Phasenschieber S. schrieb: > In richtig dicken Verstärkern habe die Vorstufen sogar eine eigene > Stromversorgung über eine zusätzliche Trafo-Wicklung. Mehr Augenmerk vielleicht auf die Heizkreise -> Gleichstrom für Vorstufen? Why not? ciao gustav
Karl B. schrieb: > Mehr Augenmerk vielleicht auf die Heizkreise -> Gleichstrom für > Vorstufen? > Why not? Ja, auch Gleichstrom für Heizung macht Sinn. Ein Vorverstärker mit sehr empfindlichem Eingang kann auf mechanischem Wege übertragene Brummspannung aus dem Heizkreis vertärken, das kenne ich. Es gab auch Chassis, auf denen die Röhrensockel in Gummitüllen steckten. Das Problem zeigte sich, wenn viele Röhren gemeinsam auf dem gleichen Chassis saßen. Dann haben die Heizwendel mechanisch das Chassis angeregt, was sich wiederum auf das Gitter der Vorstufe übertragen hat. Aber jetzt entfernen wir uns vom eigentlichen Thema.
Phasenschieber S. schrieb: > denen die Röhrensockel in Gummitüllen steckten. Der Grundig Tonbandkoffer TK17 hatte das serienmäßig. Für seine ECC83. ciao gustav
Karl B. schrieb: > Habe bewusst bei "meinem" Verstärker die ECC83 rausgeschmissen und > Schaltung nach ECC82 umdesigned - Warum wohl? > Siehe Dabla. Thema verfehlt. Hier geht es um weniger als 5W! Neu L. schrieb: > Ich wollte nicht wissen welchen Verstärker ich am besten stumpf > nachbauen kann. Solltest du aber. Mit Berechnungen aus einem Datenblatt hast du noch lange keine Schaltungserfahrung. Stolpersteine hättest du da genug. Schon falsche Masseführung kann dich in die Verzweifelung treiben. Dein Schaltungskonzept ist falsch. Deine Schaltung ist falsch. Deine Bauteilauswahl mit der Endstufe ist unüblich und grenzwertig. Dein Röhren-Grundwissen ist mangelhaft. Gegenkopplung ist bei solchen Verstärkern die höhere Schule. ... > Das ist nicht mein Hobby. > Und ein Hobby muss für andere keinen Sinn ergeben, sonst würde man es > nicht Hobby nennen. Wer das nicht versteht, kennt wahrscheinlich keine > Hobbys. Deshalb sollte man demütig von unten her anfangen. Im RADIO-Bastelbuch von K.H.Schubert ist das Paradebeispiel für einen 4W Verstärker mit ECC83/EL84.
michael_ schrieb: > Deshalb sollte man demütig von unten her anfangen. > > Im RADIO-Bastelbuch von K.H.Schubert ist das Paradebeispiel für einen 4W > Verstärker mit ECC83/EL84. Als blutiger Anfänger habe ich Radios vom Sperrmüll gesammelt und ausgeschlachtet. So habe ich meinen ersten Verstärker mit einer EL84 gebaut, sah wild aus, funktionierte jedoch prima. An Transistoren war da noch nicht zu denken. Den 2N3055 gab es vielleicht schon auf dem Papier. Damals waren die dicken Wälzer von Radio RIM die Lektüre überhaupt. Und die Schaltungen waren spitze! Wohl durchdacht und erprobt. Klaus R. schrieb: > Besonders zu empfehlen waren immer die Baumappen von Radio RIM. > > https://www.rainers-elektronikpage.de/radio-rim-baumappen Die Radio-RIM-Baumappen sind heute noch eine sehr gute Vorlage. mfg klaus
michael_ schrieb: > Gegenkopplung ist bei solchen Verstärkern die höhere Schule. > ... Hi, das sogenannte NFB (negative feedback) ist im Gegensatz zum Transistorendverstärker bei den bekannten Röhrenendstufen zunächst überhaupt nicht nötig. Wenn dort NFB, dann zur Verbesserung und "Tuning" des Klirrfaktors. Also, auch ohne NFB klingt das schon ganz gut. Kann ja 'ne Hörprobe reinstellen, ich merk jedenfalls nichts von Klirren. ciao gustav
Neu L. schrieb: > Mir stellt sich jetzt auch die Frage: Welchen Spannungswert nehme ich > für meine Berechnungen? Die eigentliche Betriebsspannung, oder die > Spannung direkt an der Anode ... Die Spannung an der Anode natürlich! Du mißt noch etwas unsytematisch. Hier habe ich mal aufgezeichnet wie ich das messen würde. Alle Spannungen (mit einem hochohmigen Meßgerät!) gegen Masse! Daraus dann die Ströme Ia und Ik berechnen. Dann das Ganze noch mal in die Kennlinie einzeichnen. Die Werte sollten plausibel sein. Um das Rad nicht neu zu erfinden(*) würde ich vorerst die Betriebswerte aus dem Datenblatt übernehmen. Hier, von Telefunken empfohlen: Ub = 250V Ra = 100k, Rk = 1k5, Rg = 1M Daraus sollte eine Spannungsverstärkung von 54 resultieren, erstmal muß aber der Arbeitspunkt stehen! (*) Die Entwickler damals fuhren in Barkhausens Fahrwasser, wußten also in der Blüte der Röhrenära (bei der ECC83 so in den 40ern und 50ern) sehr genau was sie taten. Der Barkhausen ist DIE 'Bibel' für alle Röhrenfreaks - da wurden praktisch alle Grundlagen geschaffen und alle Schaltungen, bis heute hat sich da wenig geändert. Mohandes
michael_ schrieb: > hast du noch lange keine Schaltungserfahrung. > Stolpersteine hättest du da genug. Erfahrung kommt, indem man daran bastelt, mißt, nachdenkt, nachliest, usw. Auch 1000 kluge Bücher ersetzen keine Erfahrung. Die Erfahrungen, die man an so einem einfachen Röhrenverstärker macht kommen einem auf jeden Fall zugute, egal ob man später mit Röhren oder mit Halbleitern arbeitet. Gerade Meßtechnik kann tricky sein ('wer misst, misst Mist!') und da hilft nur Erfahrung (auch durch Mißerfolge)!
Phasenschieber S. schrieb: > Mohandes, du hast meine volle Zustimmung! Danke, ist klar daß wir beide da in dieselbe Richtung ticken. Karl B. schrieb: > das sogenannte NFB (negative feedback) ist im Gegensatz zum > Transistorendverstärker bei den bekannten Röhrenendstufen zunächst > überhaupt nicht nötig. Bei (guten) Röhrenverstärkern ist eh eine sehr sparsame Rückkopplung-über-alles angesagt. So wenig wie nötig! Generell versuchen viele bei Verstärkern eventuelle Unzulänglichkeiten durch hohe Verstärkung und stramme Rückkopplung zu kaschieren, was gute Meßwerte garantiert aber der Klang leidet. Geht auch völlig ohne Rückkopplung! Beispiel die berühmten VOX AC15 & AC30. Ok, sind Gitarrenverstärker und dafür haben sie ihren einzigartigen Klang. Also nicht für HiFi gedacht und würde sich dort auch überhaupt nicht gut anhören.
> NFB (negative feedback) > Rückkopplung-über-alles So wenig wie nötig! > Generell versuchen > viele bei Verstärkern eventuelle Unzulänglichkeiten durch hohe > Verstärkung und stramme Rückkopplung zu kaschieren, was gute Meßwerte > garantiert aber der Klang leidet. > Geht auch völlig ohne Rückkopplung! > Also nicht für HiFi gedacht und würde sich dort > auch überhaupt nicht gut anhören. Ich lese bei Fagen wie hier nur mit- HiFi- Röhrenverstärker sind nicht meine Spezialität. Bitte aber wenistens die Fachausdrücke richtig gebrauchen. Möglichst in der Sprache dieses Landes. Hier ist offensichtlich eine GEGENKOPPLUNG der richtige Begriff. Eine Rückkopplung würde den Verstärker schwingen lassen. Gegenkopplung setzt die Verstärkung herab, zugunsten der Qualität. Hohe Verstärkung UND Gegenkopplung läßt den Klang überhaupt nicht leiden. Einst ersetzte die Penthode AL4 die heute von HiFi- Freunden vergötterte AD1. Es gab dann auch eine Empfehlung, die AL4 als Ersatz zu verwenden, zwar wegen der Knappheit nach dem Krieg, aber die Begründung ist stimmig. Da die Verstärkung der Penthode wesentlich höher ist, kann eine Gegenkopplung sinnvoll angewandt werden. "Eine schaltungstechnische Neuerung war zu dieser Zeit das Aufkommen der Gegenkopplung im Radio. Das hatte zur Folge, daß der "Trioden-Klang" nun auch mit Penthoden in der Endstufe erreichbar war. Dadurch wurde die AD1 mit ihrer Erfordernis einer recht hohen Steuerspannung am Gitter durch Penthoden wie die AL4 bzw. AL5 (später EL11 bzw. EL12) ersetzbar." (Prof. Rudolph, RMorg). https://www.radiomuseum.org/forum/ersatz_von_ad1_durch_al4_bzw_al5_1.html EIne Triode OHNE Gegenkopplung, eigentlich der Normalfall, ist für gute Wiedergabe möglich, und wird auch angewandt, sogar in HiFi- Endstufen. Die Grundlagen dafür stammen bereits aus den 30er Jahren, habe ich auf meiner Seite dargestellt: ****Zitat*** So stellt der Techniker und Autor F- Saic Mitte der 1930er Jahre in einem Bauplan in einer Fachzeitschrift eine Triode/ Triode- Klirrkompensation vor. Vom selben Autor gab es später Fachbücher im Audio- Bereich. Zur Schaltung: Eine Triode verstärkt die Eingangswechselspannung, das Ausgangssignal wird pahsenverkehrt ausgegeben, und der folgenden Endtriode zugeführt. Beide Röhren haben eine nicht perfekt lineare Kennlinie, und erzeugen damit Verzerrungen des Eingangssignals. Da das Signal in der ersten Triode etwas verzerrt wird, und die folgende Röhre ebenfalls eine Triode ist, können aufgrund der genau gegenläufigen Kennlinien und den daraus resultierenden gegenläufigen Verzerrungen diese gegenseitig aufheben, als ob eine perfekt gerade Kennlinie bestünde. ********* http://edi.bplaced.net/?Grundlagen___AD1-_Endstufe-_Triode_vor_Endtriode-_Klirrkompensation
Edi M. schrieb: > Bitte aber wenistens die Fachausdrücke richtig gebrauchen. > Möglichst in der Sprache dieses Landes. > > Hier ist offensichtlich eine GEGENKOPPLUNG der richtige Begriff. > > Eine Rückkopplung würde den Verstärker schwingen lassen. > Gegenkopplung setzt die Verstärkung herab, zugunsten der Qualität. Nun, wenn man es genau nimmt, ist Rückkopplung der Oberbegriff. Er besagt, das ein Signal vom Ausgang zum Eingang zurückgekoppelt wird. Dabei gibt es zwei Sorten von Rückkopplung: Bei Mitkopplung wird das Signal am Eingang gleichphasig addiert und bei Gegenkopp- lung gegenphasig.
Hi, wollte eigentlich auf etwas ganz anders abheben bei "NFB" bzw. "Gegenkopplung". Gehe wohl nicht falsch in der Annahme, dass der TO von herkömmlichen Verstärkerschaltungen ausgeht. Und im besonderen eben von der Transistorleistungsendstufe. Auch von IC-Schaltungen etc. Afaik funktionieren derartige Schaltungskonzepte nur, wenn der Arbeitspunkt durch die "stramme" Gegenkopplung stabilisiert wird. Von diesem Zwang zur Gegenkopplung sollte man sich zunächst beim Röhrenverstärker verabschieden. Jetzt kommt die Einschränkung: Schaltungstechnisch findet man in den "Single-Ended-Endstufen" und älteren Röhrenradios eben doch diese teils abenteuerlichen RC-Netzwerke bis zum Fußpunkt es Lautstärke Potis. Diese Dinge haben Hersteller ausgefeilt, um eben die Effizienz der Geräte zu verbessern. Sprich: Möglichst wenig "Eisen", aber trotzdem viel Lautstärke. Das meinte ich eigentlich nicht. ciao gustav
Karl B. schrieb: > Afaik funktionieren derartige Schaltungskonzepte nur, > wenn der Arbeitspunkt durch die "stramme" Gegenkopplung stabilisiert > wird. Nicht unbedingt. Eine Gegenkopplung wie sie der TO in seinem Konzept geplant hat, war durchaus bei vielen Röhrenverstärkern Standard: https://de.wikipedia.org/wiki/R%C3%B6hrenverst%C3%A4rker#/media/Datei:Tube_push_pull_poweramplifier.PNG Ich nehme mal an, dass der TO sich das ganze Konzept nicht selbst erdacht, sondern irgendwo abgeschaut hat. Ichselbst hätte da auch meine Bedenken, habe sie auch schon eingangs dargelegt, wegen der unklaren Phasenlage bei solcherart Gegenkopplung.
Phasenschieber S. schrieb: > Max H. schrieb: > Ist dir klar, dass die Verstärkerstufe um die es hier geht, ein Vorstufe > ist die im A-Betrieb läuft? Vorstufe ja, Endstufe auch. In Instrumentenverstärkern, auf die Du und ich mich beziehe ist aber eher selten Class-A. Schiebst Du Leistung in die Speaker, dann bricht die Spannung ein. Ganz normal. Der Effekt wird noch verstärkt, wenn Du ein Röhrengleichrichter mit entsprechend hohem Innenwiderstand einsetzt. > In richtig dicken Verstärkern habe die Vorstufen sogar eine eigene > Stromversorgung über eine zusätzliche Trafo-Wicklung. Hifi, ja. Instrumentenverstärker eher nicht. Dort sind die Vorstufen und der Phase Splitter über RC Glieder leicht gepuffert damit der Einfluss des Spannungseinbruchs nicht komplett durchgreift. > Mann....da kommen Leute und wollen ihren Senf abladen und haben keinen > Schimmer von dem was sie absondern. ORLY? Ich häng mal ein Bild von meinem Gitarren Preamp an.
Edi M. schrieb: > EIne Triode OHNE Gegenkopplung, eigentlich der Normalfall, ist für gute > Wiedergabe möglich, und wird auch angewandt, sogar in HiFi- Endstufen. Hier war die Rede von 'über-alles-Rückkopplung' eines kompletten Verstäkers, nicht von einer Stufe! Karl B. schrieb: > Von diesem Zwang zur Gegenkopplung sollte man sich zunächst beim > Röhrenverstärker verabschieden. Genau! Wenn überhaupt dann nur eine ganz schwache. Voraussetzung: gute Dimensionierung und Abblocken der Versorgung der einzelnen Stufen. Gerade bei einem Röhrenverstärker würde ich die Rückkopplung nur so stark machen wie notwendig. Edi M. schrieb: > Hohe Verstärkung UND Gegenkopplung läßt den Klang überhaupt nicht > leiden. Stimmt so leider nicht. Das ist ein generelles, systembedingtes Problem: das zurückgekoppelte Signal vom Ausgang kommt zwangsläufig mit Verzögerung am Eingang an, das (korrigierte) Signal durchläuft den Verstärker erneut, wird zurückgekoppelt, usw ... Rückkopplung, Mitkopplung, Gegenkopplung ... im Zusammenhang ist klar was gemeint ist. Hier soll nicht ein Oszillator gebaut werden. Rückkopplung ist der Oberbegriff.
Max H. schrieb: > Ich häng mal ein Bild von meinem Gitarren Preamp an. Tolles Ding! Auch schön klassisch aufgebaut, mit freier Verdrahtung und Lötösenleisten. Saubere Arbeit, macht Freude das Bild anzusehen. Nur eine Frage: der Kuhschwanzregler ist ganz am Ausgang, nicht gebuffered. Wieso hast Du ihn nicht nach innen gelegt, Stufen hast Du doch genug?
Karl B. schrieb: > Schaltungstechnisch findet man in den "Single-Ended-Endstufen" und > älteren Röhrenradios eben doch diese teils abenteuerlichen RC-Netzwerke > bis zum Fußpunkt es Lautstärke Potis. Diese Dinge haben Hersteller > ausgefeilt, um eben die Effizienz der Geräte zu verbessern. Sprich: > Möglichst wenig "Eisen", aber trotzdem viel Lautstärke. > Das meinte ich eigentlich nicht. Nix "abenteuerlich" ! Die beschriebenen Schaltungskniffe, Abgreifen von Endstufe, meist Ausgangsübertrager- Sekundärwicklung, RC -> Lautstärkesteller- Fußpunkt oder Kathode der NF- Vorröhre findet man in Millionen Röhrenradios. Das sind immer GEGENKOPPLUNGEN. Die sind nicht dazu da, um die Lautstärke zu erhöhen, oder Eisen einzusparen.
Mohandes H. schrieb: > Max H. schrieb: >> Ich häng mal ein Bild von meinem Gitarren Preamp an. > > Tolles Ding! Auch schön klassisch aufgebaut, mit freier Verdrahtung und > Lötösenleisten. Saubere Arbeit, macht Freude das Bild anzusehen. Danke. War eine Schweinearbeit. Ich hab noch mal ein weiteres Bild angehängt wo man mehr sieht. > Nur eine Frage: der Kuhschwanzregler ist ganz am Ausgang, nicht > gebuffered. Wieso hast Du ihn nicht nach innen gelegt, Stufen hast Du > doch genug? Oh, da ist noch ein Fender Style Clean Preamp, der auf dem Schaltungsteil nicht zu sehen ist. Damit ist leider keine Triode mehr frei gewesen. Hinter dem Channel Switch geht es dann mit dem Signal dann eh einen OpAmp Buffer für den Effekt Loop. Insofern konnte ich auf den Röhren Buffer gut verzichten. Ich will den Thread aber nicht kapern. Wollte nur diese rüde Anmache nicht auf mir sitzen lassen.
Mohandes H. schrieb: > Stimmt so leider nicht. Das ist ein generelles, systembedingtes Problem: > das zurückgekoppelte Signal vom Ausgang kommt zwangsläufig mit > Verzögerung am Eingang an, das (korrigierte) Signal durchläuft den > Verstärker erneut, wird zurückgekoppelt, usw ... Urbane legende, HiFi-hi-end-Mythos, Nonsens - sucht Euch was Passendes aus.
michael_ schrieb: > Schon falsche Masseführung kann dich in die Verzweifelung treiben. Wichtiger Punkt! Die (gute) Masseführung ist in der Praxis einer der entscheidensten Punkte! Also zentraler (!) Massepunkt an der richtigen Stelle (Nähe Eingang). Ausreichende Querschnitte. Keine Brummschleifen. Heizungsleitungen immer verdrillt.
Edi M. schrieb: > Das sind immer GEGENKOPPLUNGEN. > > Die sind nicht dazu da, um die Lautstärke zu erhöhen, oder Eisen > einzusparen. Korrekt. Auf diese Weise läßt sich z.B. im Radio das Grundbrummen der im A-Betrieb laufenden EL84 verringern, dafür kann man wieder an den Netzteilelkos sparen.
Mohandes H. schrieb: > Du mißt noch etwas unsytematisch. Hier habe ich mal aufgezeichnet wie > ich das messen würde. > > Alle Spannungen (mit einem hochohmigen Meßgerät!) gegen Masse! Daraus > dann die Ströme Ia und Ik berechnen. Dann das Ganze noch mal in die > Kennlinie einzeichnen. Die Werte sollten plausibel sein. Seit wann tut man in so einer Schaltung die Gitterspannung am Gitter messen? Und die Jugend glaubt auch noch deinen Quatsch.
michael_ schrieb: > Seit wann tut man in so einer Schaltung die Gitterspannung am Gitter > messen? > Und die Jugend glaubt auch noch deinen Quatsch. Die Gitterspannung mißt man natürlich am Kathodenwiderstand! Das war nur symbolisch, zum Gesamtverständnis gemeint. Meine Jugend ... ist schon eine Weile her - ich bin noch mit Kosmos Radiomann aufgewachsen und daher auch meine Leidenschaft für HF, Elektronik und auch Röhren. Man 'tut' übrigens nicht messen. Und "alles Quatsch, wer braucht heute noch Röhren, alle keine Ahnung" - statt immer nur negative Kommentare vielleicht mal etwas produktives zur Sache?
Du hast es falsch eingezeichnet. Punkt. Mohandes H. schrieb: > vielleicht mal etwas produktives zur Sache? Da kann ich gleich für ihn alles neu vorkauen. Muß sowieso alles auf Neu. Eine Röhre, die max. 250V an der Anode verträgt, kann man nicht im Betrieb mit 250V befeuern. Die Beispiele, welche ich im Netz gefunden habe, wurden mit 100V betrieben. Vielleicht für die USA konzipiert.
Ich wollte keine Kopie aus dem großen Radiobastelbuch machen. Aber hier gefunden. Eine Schaltung ohne Schnickschnack. http://www.roehrenkramladen.de/Historisches/4W_nfverstaerker.htm
michael_ schrieb: > Seit wann tut man in so einer Schaltung die Gitterspannung am Gitter > messen? Mohandes H. schrieb: > > Die Gitterspannung mißt man natürlich am Kathodenwiderstand! Das war nur > symbolisch, zum Gesamtverständnis gemeint. Die Spannung am Steuergitter kann man durchaus messen- zumindest für die Gitterspannumngsgewinnung per Anlauf. Und zwar mittels des Stroms durch den Gitterwiderstand, und dann ausrechnen, oder als Spannung an einem bekannten Teil des Gitterwiderstands, üblicherweise Reihenschaltung zweier Widerstände, einer als Meßpunktgeber. Oder -habe ich zum Vergleich gemacht- direkt am Steuergitter. Setzt jedoch ein äußerst hochohmiges Meßinstrument, äußerst kapazitätsarm angekoppelt, voraus. Für Oszillator- und Mischschaltungen wurden solche Messungen in den Datenblättern vorgeschlagen, und der Strom durch den Gitteranlauf- Widerstand, oder die Anlaufspannung am Steuergitter angegeben ! Möglich sind sie natürlich auch in anderen Schaltungen, die mit Gitteranlauf arbeiten. Mit einem sehr hochohmigen Instrument kann man -Ukg auch bei Vorhandensein einer Kathodenkombination messen- ja, das kann sinnvoll sein, nämlich bei Fehlersuche.
Vielleicht geht das. Mit einem Spannungsmesser mit 100MOhm pro Volt. Hat ja jeder Bastler in der Schublade. Gehts noch? Du setzt mit solchen Äußerungen den Neulingen Flöhe ins Ohr. Bei Schaltungen mit Gitteranlaufstrom wie der EABC80 kann man nichts messen. Bei einem Gitterwiderstand von 5 - 10 MOhm. Mindestens nicht mit Hausmitteln.
So, ich habe das System nun soweit dass hinten etwas raus kommt, dass sich nach Musik anhört. Die Verstärkung ist ebenfalls ausreichend. Ich habe beide Systme der 6N6P parallel geschalten. Habe dadurch keine nennenswerten Verbesserungen ereichen können. Ich vermute, dass die Primärimpedanz der Übertrager einfach zu hoch ist. Werde mich mit dem Wickeln von AÜ´s etwas beschäftigen. Wie kann ich nun die tatsächliche Ausgangsleistung ermitteln? Und wie beurteile ich die Gesamtqualität? Welche harmonische Oberwellen will man haben und wieviel davon? Nichtlineare Verzerrungen hat man ja auch in einem Konzertsaal. Die sind dann ja gewollt, oder?
Edi M. schrieb: > Die sind nicht dazu da, um die Lautstärke zu erhöhen, oder Eisen > einzusparen. Hi, was man nicht vergessen sollte, die gesamte Auslegung der damaligen Röhrenendstufen erfolgte meistens unter Berücksichtigung der Gesamtgerätekonstruktion. Sprich: Waren auf die klassischen Röhrengeräte mit Holzgehäuse, eingebauten Lautsprechern, etc. zugeschnitten. Die Optimierung des Klangergebnisses wurde dann mit den - und ich bleibe bei der Formulierung - "abenteuerlich" anmutenden "Kunstschaltungen" mit RC-Gliedern, mehreren Abgriffen am Lautstärkepotensiometer (nicht nur für "gehörrichtig") etc. im Fine-Tuning in den Gegenkopplungsbauteilen erreicht. Wie ich drauf komme mit "Eisen" sparen, was bedeutet, das Material für den Ausgangsübertrager möglichst optimiert einzusetzen: Grundig TK25 hatte in den Service Unterlagen angegeben, die Gegenkopplungsbeschaltung für jeweils unterschiedliche B.V.s von Ausgangsübertragern anzupassen. Und mit fortschreitendem Produktionsjahr wurden immer kleinere AÜs eingebaut. Was es bedeutet, den "falschen" AÜ zu verwenden bei nicht angepasster Gegenkopplung, habe ich selber bei einer Reparatur bemerkt: Das Gerät fängt an zu schwingen mit ca. 20 kHz. Das bemerkt man dann an verzerrter Wiedergabe und "Pumpen" ab einer bestimmten Wiedergabelautstärke über den eingebauten Lautsprecher. ciao gustav
michael_ schrieb: > Du setzt mit solchen Äußerungen den Neulingen Flöhe ins Ohr. Nein. Das tut der, der die Messung der Spannung an einem Röhren- Steuergitter als "geht nicht" komplett ausschließt. Das geht, und- wie geschrieben- wurde das auch angewandt. Man sollte sich vergegenwärtigen, WAS an der Röhre passiert, und dann kann man daraus schließen, ob es möglich/sinnvoll ist, zu messen. Einem Neuling sollte man dann vielleicht erklären, WAS man mißt, Wie man mißt, und Warum man mißt. Sonst heißt es "wer viel mißt, mißt viel Mist". Neu L. schrieb: > Wie kann ich nun die tatsächliche Ausgangsleistung ermitteln? Mit einem Sinussignal am Eingang, z. B. 1 KHz, und einem Oszillopskop am Ausgang, an einem Widerstand in der Größe der Lautsprecherimpedanz als Last. Lautsprecher geht auch, aber das wird bei dicken Verstärkern doch etwas laut. P = Uquadrat / R Oszilloskop: Wert nach der Skalenteilung ermitteln. Z. B. eingestellt 1 V/Teilstrich, abgelesen 7 Teilstriche von Mittellinie nach oben/ unten = 7 V. Ein Oszillograph zeigt die Spitzenspannung, wir brauchen die Effektivspannung, die ist U mal Wurzel aus 2 = U mal 0,707. Beispiel: U = 7 V. 7 x (Wurzel aus 2) = 7 x 0,707 = 4,9 V eff. 4,9 zum Quadrat = 24,5 Vquadrat 24,5 Vquadrat / 5 Ohm = 4,9 W. [Ohm ist U x I = Volt x Ampére. Einmal V(U) auf dem Bruchstrich, einmal drunter- kürzt sich weg, bleibt V(U) . A(I)] Das geht auch mit einem Wechselspannungs- Voltmeter anstelle Oszillograph. Es muß klar sein, ob das Voltmeter Spitzen- oder Effektivwert anzeigt.
Edi M. schrieb: > Mit einem Sinussignal am Eingang, z. B. 1 KHz, und einem Oszillopskop am > Ausgang, an einem Widerstand in der Größe der Lautsprecherimpedanz als > Last. Lautsprecher geht auch, aber das wird bei dicken Verstärkern doch > etwas laut. Top, danke dir. Einfaches Oszilloskop ist vorhanden. Ich werde das nachher mal testen. Wie hoch stellt man denn die Spannung für das Sinussignal ein?
Neu L. schrieb: > Einfaches Oszilloskop ist vorhanden. > Ich werde das nachher mal testen. Wie hoch stellt man denn die Spannung > für das Sinussignal ein? Dann kannst Du ja auch an allen wichtigen Punkten die Verläufe anschauen. Z.B. ob/wann das Ausgangssignal in Begrenzung geht (Klirr) und die Arbeitspunkte einstellen. Neu L. schrieb: > beide Systme der 6N6P parallel geschalten. Habe dadurch keine > nennenswerten Verbesserungen ereichen können. Dann stimmt die Anpassung nicht. Bei zwei parallelen Systemen muß sich die Leistung verdoppeln. Die Impedanz ist ü^2*4Ohm (+ Cu-Widerstand) mit ü=N1/N2 Wicklungsverhältnis. Das entspricht dann dem Ra (Widerstandsgerade in Kennlinie).
Neu L. schrieb: > Und wie beurteile ich die Gesamtqualität? > Welche harmonische Oberwellen will man haben und wieviel davon? > Nichtlineare Verzerrungen hat man ja auch in einem Konzertsaal. Die sind > dann ja gewollt, oder? Eigentlich... sollen KEINE Verzerrungen/ Oberwellen da sein. Ein Verstärker ist kein Verstärker, kein Verzerrer. Daher der Name. (Ja, es gibt auch Verzerrer- etwa für Gitarren). Verzerren wird ein Verstärker trotzdem, Röhren- A- Endstufen mehr, Gegentakt weniger, moderne Verstärker extrem gering, bis an die Grenze des Meßbaren. Ein Eintakt- Röhren- A- Verstärker bis zu 10 % bei voller Power ! Das ist auch schon deutlich hörbar. Mit 5 % oder darunter ist er gut. Bei mittlerer Lautstärke ist das 1-2 %, und das ist normaler, guter Klang. Radios mit Röhren hatten vor dem Krieg 10%., nach dem Krieg 5 - 2%. Trotz der Nachteile der Eintakt- A- Stufen gibt es Fans, die auf den "weichen Röhrenklang" dieser Endstufen schwören, auch ich. Dabei sollen Trioden die Königinnen sein, etwa die berühmten RE604, AD1(beide Vorkrieg), heute 300B, 2A3. Für die Bewertung gibt es Möglichkeiten: NF- Generator und Klirrfaktor- Meßgerät Oszillograph- eine gerade sichtbare Sinus- Verzerrung ist etwa 1%. PC und Soundkarten- Anschluß, dazu entspr. Software, z. B. "Audiotester". Letztrere Meßmethode kann den Klirrfaktor nach Frequenzen aufdröseln (K1, K2 usw.) > Nichtlineare Verzerrungen hat man ja auch in einem Konzertsaal. Die sind > dann ja gewollt, oder? Das sind eher Abweichungen im Frequenzgang. Verzerrungen... das wäre ja schon böse. Das ist aber Sache von Tontechnikern und Architekten, siehe Konzertsaal in der Hamburger "Elbphilharmonie", da hat man den Konzertsaal sehr aufwendig entworfen, getestet und korrigiert.
Neu L. schrieb: > Einfaches Oszilloskop ist vorhanden. > Ich werde das nachher mal testen. > Wie hoch stellt man denn die Spannung für das Sinussignal ein? Da es keine Leistungsvorgabe gibt: So, daß das Signal ein schöner Sinus bleibt. Plus soviel, daß es sich immer noch gut anhört. Übliche Eingangsspannungen liegen im Bereich einiger Millivolt bis etwa 100 mV.
Hi, warum man den Gitteranschluss möglichst nicht direkt antasten sollte, hat mehrere Gründe. Das Steuergitter ist der empfindlichste Punkt der Röhre. Gerade bei den Enstufenröhren ist ein "Gridstopperwiderstand" (R4) nötig, um ungewolltes Verhalten (HF-Schwingungen) zu verhindern. Wenn überhaupt, dann vor diesem Widerstand ein Messgerät anschließen. Lieber "indirekt" messen. So wie im Bild wurde die -Ug im Video gemessen. Das DVM hätte mir ja sonst auch die NF bedämpft. ciao gustav
Das ist eine Messung des Frequenzgangs und Klirrfaktor eines Radio,s erstellt mit PC- Soundkarte und Software "Audiotester", "über alles", also mit Meßmikrophon am Lautsprecher. Klirrfaktor ist die untere Kurve, diese ist spiegelbildlich zur Frequenzgang- Kurve. Je besser die Übereinstimmung ist, um so besser ist die Messung, denn bei keiner Frequenz sollte der Klirr höher sein.
Edi M. schrieb: > Neu L. schrieb: >> Und wie beurteile ich die Gesamtqualität? >> Welche harmonische Oberwellen will man haben und wieviel davon? >> Nichtlineare Verzerrungen hat man ja auch in einem Konzertsaal. Die sind >> dann ja gewollt, oder? > > Eigentlich... sollen KEINE Verzerrungen/ Oberwellen da sein. Ein > Verstärker ist kein Verstärker, kein Verzerrer. Daher der Name. > (Ja, es gibt auch Verzerrer- etwa für Gitarren). > Ehrlich gesagt, halte ich nicht so viel von den absolut cleanen Sachen. Aus meiner Sicht gibt es Oberwellen die mag unser Ohr, andere wiederum nicht. Das merkt man bei Klavier spielen recht deutlich. Die dritte klingt zum Beispiel immer etwas komisch. Bringt man aber eine Gitarrensaite (Akustikgitarre) in eine perfekte Schwingung, so bringt diese alle Oberwellen mit. Diese sind dann harmonisch abfallend. Da es E-Gitarren gibt, muss es meiner Meinung nach auch Verstärker geben, die das auch können. Da sich der Klirrfaktor aus der Summe aller Oberwellen ergibt, ist auch das kein Echter Indikator für Qualität. Zumindest sehe ich das so.
Edi M. schrieb: > Neu L. schrieb: >> Einfaches Oszilloskop ist vorhanden. >> Ich werde das nachher mal testen. >> Wie hoch stellt man denn die Spannung für das Sinussignal ein? > > Da es keine Leistungsvorgabe gibt: So, daß das Signal ein schöner Sinus > bleibt. Plus soviel, daß es sich immer noch gut anhört. > Übliche Eingangsspannungen liegen im Bereich einiger Millivolt bis etwa > 100 mV. Ich habe gestern mal 1V drauf gegeben und hatte am Ausgangen eine Spannung von 2,7V
Karl B. schrieb: > So wie im Bild wurde die -Ug im Video gemessen. Das DVM hätte mir ja > sonst auch die NF bedämpft. Warum bringst du so ein komisches Bild, was den Anfänger verwirrt. Und ist auch noch falsch. Wenn der Schleifer R1 am oberen Ende ist, dann liegen die -27V voll am Gitter an. Halt, auch falsch. Man muß ja noch die Spannung vom Kathodenwiderstand dazurechnen. Warum eigentlich 2x Kathodenwiderstand? Besserer Klang?
Hi, und die Rechnung unten korrespondiert mit der Markierung in der Zeichnung. -UG ist doch an der Stelle, wo der grüne Pfeil hindeutet...natürlich n i c h t die tatsächliche Spannung an der Röhre. Es ging darum, die Feststellung zu untermauern, möglichst nicht direkt am Gitter zu messen, lediglich die Zusammenhänge einigermaßen zu verdeutlichen. Und ich hätte eigentlich die Gegenfrage erwartet, wie hast Du dann im Video mit dem DVM gemessen, mit den langen unabgeschirmten Strippen. Nochmals: Das Gitter ist extrem empfindlich. Das kann man schon daran merken, wenn man langsam mit dem Finger sich nähert. Es brummmt schon in relativ "größerer" Entfernung. Also ab ca. 3 cm. Der Gridstopper wurde direkt an der Fassung angelötet und so montiert, dass er so nah wie möglich die Abschirmwirkung des Chassis bekommt. Da ist auch noch 'ne Ferritperle mit eingeschrumpft. michael_ schrieb: > Warum eigentlich 2x Kathodenwiderstand? Besserer Klang? Nein, das war die "Ausbügelung" der Doppeldeutigkeiten in verschiedenen Dablas. Hatte tatsächlich zuerst nur einen R drin. Dann die Hälfte des Widerstands. (einfach Parallelschaltung) In einigen Datenblättern steht "gemeinsamer" Widerstand für zwei Röhren. In anderen pro Röhre. Jetzt ist tatsächlich nur ein Widerstand drin. 270 Ohm. Hatte die Zeichnung noch nicht aktualisiert. Sorry, Korrektur kommt noch. ciao gustav
Edi M. schrieb: > Effektivspannung, die ist U mal Wurzel aus 2 = U mal 0,707. Wurzel aus 2 sind 0,707 ?
Hatte mich schon etwas gewundert ;-) Deine Beiträge sind echt gut, ich lese gerne mit. Dabei lerne ich auch noch das eine oder andere von euch, da ich noch nicht so lange mit Röhrenschaltungen dabei bin. Dafür ein danke.
Karl B. schrieb: > michael_ schrieb: >> Warum eigentlich 2x Kathodenwiderstand? Besserer Klang? > > Nein, das war die "Ausbügelung" der Doppeldeutigkeiten in verschiedenen > Dablas. Hi, nicht jedes Dabla ist so schön mit Schaltbild. Dann wird das klarer. Jetzt könnte man einwenden, wieso nur ein Kondensator. ciao gustav
Neu L. schrieb: > Ich habe gestern mal 1V drauf gegeben und hatte am Ausgangen eine > Spannung von 2,7V Nicht sehr empfindlich- aber sicher nutzbar. Die 2,7 V ist ja immerhin die Spannung an einer niederohmigen Last. Wäre ja knapp 1 Watt. Zum Vergleich: Angenehme Zimmerlautstärke ist 50 MILLIWATT, das sind am 4 Ohm- Lautsprecher gerade mal 0,6 V Spite = 0,45 V effektiv, also gerade mal ein halbes Volt. Die Zimmerlautstärke 50 mW war früher die Bezugsgröße für die Empfindlichkeit von Rundfunkempfängern. Ich höre gern mal auf meinen Röhren- Oldies Orgelmusik, an externen Boxen- da ist meist um 2 Watt die beste Einstellung- die meisten Röhrenradioos haben um 4 Watt Ausgangsleistung (Röhre EL84 Eintakt- A). Orgelmusik hat eine enorme Dynamik, bei höherer Einstellung würden laute Passagen verzerren.
Edi M. schrieb: > Neu L. schrieb: >> Ich habe gestern mal 1V drauf gegeben und hatte am Ausgangen eine >> Spannung von 2,7V > > Nicht sehr empfindlich- aber sicher nutzbar. > Die 2,7 V ist ja immerhin die Spannung an einer niederohmigen Last. > Wäre ja knapp 1 Watt. Mir ist noch nicht ganz klar, ob es realistisch ist 1Volt, oder auch mehr auf den Eingang zu geben.
Hier mal einige Möglichkeiten einer Endstufe mit einer Triode. Gitterspannungsgewinnung per Gitter- Anlauf, Direkt- Kopplung, und Gitterspannungsgewinnung mit Kathodenkombination.
Karl B. schrieb: > Sorry, Korrektur > kommt noch. Hi, versprochen ist versprochen... Ähhm, noch ein Tip: R7 zum Schutz vor Durchknallen, wenn kein Lautsprecher angeschlossen. Sowas vergisst man oft. Was so eine Röhrenendstufe nämlich garnicht mag ist im Gegensatz zur Transistorendstufe der Leerlauf. ciao gustav
Ben schrieb: > Deine Beiträge sind echt gut, ich lese gerne mit. Danke ! Neu L. schrieb: > Mir ist noch nicht ganz klar, ob es realistisch ist 1Volt, oder auch > mehr auf den Eingang zu geben. Wie ist die Schaltung ? Welche Röhren ? Welche Spannungen an wichtigen Punkten ? Entscheidend ist, ob am Ausgang ein sauberer Sinus herauskommt. Wenn 1 V zu unempfindlich ist, muß eben eine Stufe davorgesetzt werden. Möglicherweise läßt sich die Treiberstufe auch "gut zureden", also etwas "aufbohren". Wenn 1 Watt am Lautsprecher zu wenig ist, muß die Endstufe entsprechend bemessen werden, das kann dann auch andere Röhren, höhere Spannungen, oder auch eine andere Schaltungsweise bedeuten.
Das fehlte am Bild -Beitrag 16.10.2020 11:58 - noch. Gitterspannungsgewinnung durch Gitterspannungszuführung einer negativen Spannung vom Netzteil (unterer 1 MOhm), und per Gitteranlauf. Die obere Schaltung ist eine, die die "Audiophilen" lieben- die RE604, Vorläufer der AD1, ist einer der "Klang- Königinnen", einfache Eintakt- A. Und- es ist ein Klangfilm- Verstärker, der Name "Klangfilm" macht Teile und Geräte heute in Ebay zu Dauerbrennern.
Edi M. schrieb: > Entscheidend ist, ob am Ausgang ein sauberer Sinus herauskommt. Ich werde die Spannung mal nachher soweit erhöhen, bis das Signal anfängt zu Clippen. Wobei mir auch 1 Watt völlig ausreicht. Soll für meine PC-Arbeitsplatz sein. Ich sitze also direkt vor den Lautsprechern. Bei einem Watt bekomme ich daher um die 90dB auf die Ohren. Das ist mir zu laut. Ich will Musik höhren und nicht taub werden. ;)
Karl B. schrieb: > Ähhm, noch ein Tip: > R7 zum Schutz vor Durchknallen, wenn kein Lautsprecher angeschlossen. > Sowas vergisst man oft. Habe dran gedacht. Trotzdem eine sehr wichtige Info, wie ich finde. Wird offt nur beiläufig erwähnt.
Neu L. schrieb: > Habe dran gedacht. Das ist eine Schaltung für Penthode. Und richtigen Schutz gegen Fehlen des Lautsprechers bietet er nicht, eher bei Fehlen der Primärwicklung des Ausgangstrafos, da übernimmt das Schirmgitter einen großen Teil des Anodenstroms, und der Schirmgitterstrom wird dann auf einen mäßigen Wert begrenzt- überlastet wird es trotzdem noch. Der Ausgangsübertrager sollte IMMER eine Last haben, es "feuert" sonst bei Lautstärkespitzen in der Röhre. Gleiches bei Triode.
Neu L. schrieb: > Edi M. schrieb: >> Entscheidend ist, ob am Ausgang ein sauberer Sinus herauskommt. > Ich werde die Spannung mal nachher soweit erhöhen, bis das Signal > anfängt zu Clippen. > Wobei mir auch 1 Watt völlig ausreicht. Vielleicht reicht auch die Ausgangsspannumng der Soundkarte aus- am Kopfhörerausgang kann durchaus 1 V anstehen. Probieren. Hier ein freier Software- Sinusgenerator: https://www.chip.de/downloads/Audio-SweepGen_12993635.html Bitte mal die Schaltung zeigen.
Edi M. schrieb: > Der Ausgangsübertrager sollte IMMER eine Last haben, es "feuert" sonst > bei Lautstärkespitzen in der Röhre. > Gleiches bei Triode. Hi, R7 eher zum Schutz des AÜ. (Bezieht sich auf diese Zeichnung Nummerierung geändert. https://www.mikrocontroller.net/attachment/476165/Messpunkte_.jpg) Ich sehe das so: Röhren kann man zur Not schnell tauschen, Ausgangsübertrager nicht so leicht. Habe das selber einmal ausprobiert. Das alte Radio hat zwei Lautsprecher, hatte den Mittel-Tieftöner abgeklemmt, um zu sehen, wie sich der Tweeter bei höheren Lautstärken verhält. Keine 10 Sekunden, dann kam Rauchzeichen aus AÜ. R ist keine echte "Last" im Nf-technischen Sinne. Das ist ja schon klargestellt worden. Nur ein Schutz. Und die Werte variieren. So zwischen 150 Ohm bis 10 Ohm. Ich hatte mich für 10 Ohm entschieden. ciao gustav
Karl B. schrieb: > Keine 10 Sekunden, dann kam Rauchzeichen aus AÜ. Das kann so nicht sein. Keine oder geringe Ansteuerung, Lautsprecher abgeklemmt, was passiert ? NICHTS. Auch ganz ohne den Widerstand vor dem Schirmgitter passiert beim Abklemmen des Lautsprechers NICHTS. Auch nach Stunden nicht. Nur bei voller Ansteuerung feuert's kräftig in der Lampe. (kann, muß nicht, man hört aber dann den AÜ Musik machen- Alarmzeichen.) Wenn der AÜ dann raucht- da hat's die Lampe dann aber innerlich bereits gekillt. Allerdings ohne Primärwicklung... da leuchtet das Schirmgitter sofort schön hell auf. Da ist die Lampe -mit oder ohne Widerstand - recht schnell über'n Jordan.
Edi M. schrieb: > Nur bei violler Anteuerung feuert's kräftig in der Lampe. Schau mal den Thread nochmal an. Drück mal den Refresh button. Es geht um den Widerstand an der Sekundärwicklung des AÜ. Den habe ich von R8 auf R7 umnummeriert. Es gibt Probleme, wenn kein LS (oder andere Last) da angeschlossen ist. Und die Lautstärke voll aufgedreht wird. Die Funktion des Widerstandes in der Schirmgitterleitung war hier nicht gemeint. Obwohl das auch eine interessante Diskussion wäre. ciao gustav
Sorry... habe die geänderte Grafik übersehen. R Parallel zur Sekundär- Wicklung- Habe ich so noch nirgends in freier Wildbahn gesehen. Ist auch keine besonders gute Lösung. Eigentlich eine schlechte Lösung.
Edi M. schrieb: > Ist auch keine besonders gute Lösung. Eigentlich eine schlechte Lösung. Hi, full Ack. Wobei da richtiger Wildwuchs im I-Net bei den Schaltungsvorschlägen zu existieren scheint. Einige arbeiten mit "Snubbern". Andere weisen nicht darauf hin, dass die Overall-NFB und der Ausgangs-Schutz-R zusammenwirken, also bei Änderung das eine nicht ohne das andere isoliert zu betrachten ist. ciao gustav
Karl B. schrieb: > Edi M. schrieb: >> Ist auch keine besonders gute Lösung. Eigentlich eine schlechte Lösung. > Hi, > full Ack. > Wobei da richtiger Wildwuchs im I-Net bei den Schaltungsvorschlägen zu > existieren scheint. Einige arbeiten mit "Snubbern". Andere weisen nicht > darauf hin, dass die Overall-NFB und der Ausgangs-Schutz-R > zusammenwirken, also bei Änderung das eine nicht ohne das andere > isoliert zu betrachten ist. > ciao > gustav Gustav, könnten Sie Texte in unserer Landessprache schreiben ? Gibt ja noch deutsche Mitleser, wie mich. "Snubber" und "Overall-NFB" sagt mir nichts, und immer nach englischen Ausdrücken, für die es eine deutschen Ausdruck, oder eine treffende Umschreibung gibt, suchen zu müssen, mag ich auch nicht so. Danke. Ansonsten begründe ich die Lösung als schlecht, weil der Widerstand ja IMMER einen großen Leistungsanteil zur Erwärmung der Umgebung verwendet- und dafür gibt es geeignetere Geräte, als Verstärker. Einen zuschaltbaren Widerstand, der wirksam wird, wenn man eine externe Lautsprecherbox herauszieht, ware sinnvoller, und ich meine, sowas gesehen zu haben. Bei Festverdrahtungen ist dieser Widerstand unsinnig.
Mal sehen, was der TE nun liefert, weitere Berichte wären schön. Das Ding ist nicht superempfindlich, die Leistung gering- aber für seinen Zweck wohl ausreichend. Da fällt mir noch eine Schaltung ein, die ein Amerikaner entwickelt hat, der hat 2 Vorröhren, und 10- 20 (!) parallel geschaltete Endröhren, kleine Doppeltrioden, und KEINEN TRAFO, das Ding hat auch die Eckwerte, wie beschrieben. Hört sich verschwenderisch an- ist aber auch eine Anregung- immerhin gibt es manche Röhren in irren Mengen, fast als Schüttgut, etwa die alten Fernsehröhren, Penthoden kan man als Triode schalten, und so hat man genug Ausgangsmaterial.
Edi M. schrieb: > Mit einem Sinussignal am Eingang, z. B. 1 KHz, und einem Oszillopskop am > Ausgang, an einem Widerstand in der Größe der Lautsprecherimpedanz als > Last. Lautsprecher geht auch, aber das wird bei dicken Verstärkern doch > etwas laut. > Das Maximum, was ich einstellen kann sind 4Volt am Ausgang. Danach fängt die Sinuskurve an zu verzerren. Der Lastwiderstand inkl. Kabel hat 4,2Ohm. Demnach wären das 1,9Watt.
In deinem Schaltplan fehlt der G1-Widerstand und der Kathodenwiderstand der beiden Endröhren ist viel zu hoch.
Brauchst Du keinen Gitterwiderstand gegen GND? OK. Einer war schneller...
Neu L. schrieb: > Das Maximum, was ich einstellen kann sind 4Volt am Ausgang. > Danach fängt die Sinuskurve an zu verzerren. > Der Lastwiderstand inkl. Kabel hat 4,2Ohm. > Demnach wären das 1,9Watt. Erst mal Glückwunsch, das ist doch gar nicht so schlecht. Die Kathodenwiderstände kommen mir etwas hoch vor, aber wenn die Arbeitspunke erreicht werden, ist das ok. Sinus sieht auch gut aus- ist die obere Kurve die Eingangsamplitude ? Das wäre schon ziemlich unempfindlich für Pmax. Die meisten Verstärker verwenden aber Vorstufe/ Treiber/ Endstufe, also 3 Röhren. Wenn der Sinus über die Frequenz so sauber ist, und die Ausgangsleistung reicht, würde ich gar nichts mehr ändern, das würde vielleicht "verschlimmbessern", sondern eine Vorstufe in Erwägung ziehen. Interessant wäre noch, mal den Frequenzgang zu testen, einige Meßpunkte reichen.
Edi M. schrieb: > Einen zuschaltbaren Widerstand, der wirksam wird, wenn man eine externe > Lautsprecherbox herauszieht, ware sinnvoller, und ich meine, sowas > gesehen zu haben. Hi, die Schaltbuchsen am Lautsprecherausgang machen Sinn. Wie sehen die aus, habe noch keine gesehen, bis auf die obsoleten DIN. Man sieht aber häufig die "Bananenbuchsen". (ohne Schalter) Neu L. schrieb: > Das Maximum, was ich einstellen kann sind 4Volt am Ausgang. Doch, recht sauberes Ergebnis. Glückwunsch. (Der Ripple kommt vom Oszi.) ciao gustav
Karl B. schrieb: > die Schaltbuchsen am Lautsprecherausgang machen Sinn. > Wie sehen die aus, habe noch keine gesehen, bis auf die obsoleten DIN. > Man sieht aber häufig die "Bananenbuchsen". (ohne Schalter) Bilder habe ich nicht zur Hand. Ich kenne auch die Bananen mit Schalter und die DIN, aber ich beschäftige mich auch nur mit alten Geräten. Heute verzichtet man sicher auf diese Maßnahme, die modernen IC's und Power- FET's können den Betrieb ohne Last verknusen. Ob Röhrenverstärker, die ja noch gebaut werden, sowas haben, weiß ich nicht.
Edi M. schrieb: > R Parallel zur Sekundär- Wicklung > Bei Festverdrahtungen ist dieser Widerstand unsinnig. Doch, ist schon sinnvoll! Ich habe es auch schon erlebt wie ein Ausgangsübertrager anfing zu qualmen weil der Lautsprecher versehentlich nicht angeschlossen war. Tod durch Hochspannungsüberschläge und ein AÜ ist teuer. (Betrifft vermutlich eher Leistungsverstärker als eine 5W-Endstufe im Radio). Ein Widerstand von 10-47R schützt. Gustav hatte ja auch geschrieben mit vollem Signal: Karl B. schrieb: > Es gibt Probleme, wenn kein LS (oder andere Last) da angeschlossen ist. > Und die Lautstärke voll aufgedreht wird. Edi M. schrieb: > Gustav, könnten Sie Texte in unserer Landessprache schreiben ? Gibt ja > noch deutsche Mitleser, wie mich. "Snubber" Tja, was wäre denn hier ein adäquater deutscher Ausdruck? Boucherot-Glied ist auch nicht gerade ein deutsches Wort, RC-Löschkombination hört sich seltsam an. Es gibt eben in der Technik Wörter, für die es keine treffende (und präzise) Entsprechungen gibt - bei Snubber weiß jeder was gemeint ist.
Neu L. schrieb: > Das Maximum, was ich einstellen kann sind 4Volt am Ausgang. > Danach fängt die Sinuskurve an zu verzerren. > Der Lastwiderstand inkl. Kabel hat 4,2Ohm. > Demnach wären das 1,9Watt. Glückwunsch! Edi M. schrieb: > Interessant wäre noch, mal den Frequenzgang zu testen, einige Meßpunkte > reichen. Dss würde ich machen! Du hast doch ein Oszi.
Edi M. schrieb: > Wenn der Sinus über die Frequenz so sauber ist, und die Ausgangsleistung > reicht, würde ich gar nichts mehr ändern, das würde vielleicht > "verschlimmbessern", sondern eine Vorstufe in Erwägung ziehen. Ja, ich werde es auf jeden Fall so lassen. Habe aktuell noch ein wenig mit Gegenkopplung gespielt. Den Unterschied müsste man sich wirklich mal anhören. Klaut natürlich Leistung.
Neu L. schrieb: > Hier die Schaltung. Wenn die Pegel nicht reichen: Du hast ja noch ein System der 12AX7 übrig. Zwischen die beiden Systeme kannst Du dann auch den Klangregler setzen ('Kuhschwanz'). R5 ist zu groß. Da würde ich mir noch mal die Kennlinie(*) anschauen (Arbeitspunkt). Und C2 ist viel zu klein, sollte ein Elko sein (Frequenzgang). Natürlich Gitterwiderstand für die 6N6P. (*) Die Kennlinie sieht natürlich anders aus: zwei Systeme parallel = halber Ri.
Mohandes H. schrieb: > Edi M. schrieb: >> R Parallel zur Sekundär- Wicklung >> Bei Festverdrahtungen ist dieser Widerstand unsinnig. > > Doch, ist schon sinnvoll! Hi, es ging um die Festverdrahtung, die praktisch so ohne Weiteres nicht einfach steckbar/lösbar ist. Habe mir das Schaltbild eines Grundig NF10 angeguckt: Da fehlen in der Tat die Lautsprecherausgangsschutzwiderstände. Die jetzt so kursierenden Röhren-Endstufen sind aber meistens "solo" als Baugruppe mit extern anschließbaren Lautsprechern. Wenn Maßnahmen zum versehentlichen Trennen getroffen werden, dann kann man sich den Widerstand wohl schenken. Er frisst tatsächlich Leistung. Oder man findet einen gangbaren Kompromiss zwischen Schutz und Leistungsverlust in der Dimensionierung. ciao gustav
Mohandes H. schrieb: > Tja, was wäre denn hier ein adäquater deutscher Ausdruck? > Boucherot-Glied ist auch nicht gerade ein deutsches Wort, > RC-Löschkombination hört sich seltsam an. Es gibt immer Möglichkeiten, in Deutsch auszudrücken, und nicht mal umständlich- eher präzise. Eine RC- Kombination an einem Schalter wäre eine "RC- Löschkombination", und genau das hatte irgendwo jemand als "Snubber" definiert. Ein "Boucherot- Glied" IST Deutsch ! "Boucherot" ist der (französische) Name des Erfinders, "Glied" der Teil einer Kette (von Bauteilen). Eine Zusammensetzung eines eines Namens oder Familiennamens mit einem deutschen QWort IST ein deutsches Wort. Es gibt eben in der Technik > Wörter, für die es keine treffende (und präzise) Entsprechungen gibt - > bei Snubber weiß jeder was gemeint ist. Bei "Snubber" eben nicht- Sie haben es ja anders angewandt. Allerdings--- steht bbei Wikipedia auich, das Snubber auch als BG gesehen werden kann. Boucherot- Glied ist für mich ein Audiotechnik- Fachausdruck- der für mich absolut eindeutig ist. Wäre schon schön, die hier gültige Landessprache zu verwenden. "Denglisch" ist hier im µC- ja schon enorm vertreten, man lese nur die Überschriften der Themen- greulich. Ich find's zum Kotzen. Gegenfrage: Haben sie eine solch massive Verwendung DEUTSCHER Ausdrücke schon in anderen Sprachen gesehen ??? Ich mag übrigens andere Sprachen, habe wegen Arbeit englisch, holländisch und -leider wenig erfolgreich- gälisch gesprochen, ich finde, jede Sprache hat schöne Seiten, jeder hat SEINE Sprache, und das soll so bleiben. Mohandes H. schrieb: > Doch, ist schon sinnvoll! Ich habe es auch schon erlebt wie ein > Ausgangsübertrager anfing zu qualmen weil der Lautsprecher versehentlich > nicht angeschlossen war. Tod durch Hochspannungsüberschläge und ein AÜ > ist teuer. (Betrifft vermutlich eher Leistungsverstärker als eine > 5W-Endstufe im Radio). Ja, das ist aber trotzdem eine SCHLECHTE LÖSUNG. Eine Unterbrechung zum Lautsprecher sollte nicht vorkommen. Ein Widerstand an einem Lautsprecher- Schaltkontakt ist die richtige Lösung- weil es normal unsinnig ist, einen großen Teil Ausgangsleistung als Zimmerheizung zu verwenden, die ja auch der Ausgangsleistung abgeht. (Auch wenn ich Heizungen bei vielen Projekten mit drin habe, da heizen auch schon mal 10 und mehr Röhren in Aufbauten...)
Karl B. schrieb: > Habe mir das Schaltbild eines Grundig NF10 angeguckt: > Da fehlen in der Tat die Lautsprecherausgangsschutzwiderstände. Ich kenne keinen festverdrahteten "Schutzwiderstand", wirklich nie gesehen. Kann sein, daß es sowas gibt. Aber daß ein Entwickler einen unnötigen Leistungsfresser mit einbaut... Also ich würd' den feuern. :-) Einen solchen Ersatz- Lastwiderstand am Lautsprecher- SCHALTkontakt - wie geschrieben, irhgendwo gesehen, weiß nicht mehr, an welchem Gerät, sicher ein moderneres.
Edi M. schrieb: > Interessant wäre noch, mal den Frequenzgang zu testen, einige Meßpunkte > reichen. Anbei die Messungen.
Mohandes H. schrieb: > Wenn die Pegel nicht reichen: Du hast ja noch ein System der 12AX7 > übrig. Zwischen die beiden Systeme kannst Du dann auch den Klangregler > setzen ('Kuhschwanz'). Das ist eine gute Idee- aber ich würde eine eigene Röhre vorsehen, wegen eventueller Kapazitäten/ Rückwirkungen der Systeme ! Da kann man sich schnell Probleme einbauen. Es gibt spezielle Doppeltrioden, die gegeneinander sehr geringe Kapazitäten, manche Abschirmungen zwischen den Systemen besitzen. > R5 ist zu groß. Da würde ich mir noch mal die Kennlinie(*) anschauen > (Arbeitspunkt). Hatte ich auch festgestellt. Ich würde dennoch erst mal nicht an dem bisherigen Aufbau rumbasteln. Wenn eine Vorstufe vorgesetzt wird, ist das nicht nötig- hohe Gegenkopplung bringt ja kleineren Klirrfaktor. > Und C2 ist viel zu klein, sollte ein Elko sein Isses wohl- da stehr "uf", sollte wohl 1 µF sein, 1 nF wäre arg klein. > (Frequenzgang). Natürlich Gitterwiderstand für die 6N6P. Oh ja, habe ich übersehen- Asche auf mein Haupt... aber da es funktioniert, hat der TE den wohl vergessen.
Neu L. schrieb: > Anbei die Messungen. Sehr schön! Was auffällt: bei den tiefen Frequenzen unter 50 Hz ist das Ausgangssignal schon fast ein Sägezahn (Kondensatoren). Edi M. schrieb: > Es gibt immer Möglichkeiten, in Deutsch auszudrücken, und nicht mal > umständlich- eher präzise. Grundsätzlich sind wir ja nicht verschiedener Meinung, ich würde es aber - gerade im technischen Bereich - nicht übertreiben. Snubber ist ein Beispiel, ist weit verbreitet und jeder weiß was gemeint ist. Sorry für off-topic, hat hier eigentlich nichts zu suchen.
Neu L. schrieb: > Anbei die Messungen. Sieht schon mal nicht übel aus. "Unten" verbesserungswürdig, aber besser, erst mal die Empfindlichkeit hinzubekommen, haben Sie schon getestet, ob der Eingangspegel, den Ihre Audioquelle liefert, ausreicht ? Mit einem Klangstellernetzwerk zwischen Vorstufe und Treiberstufe würde ja auch noch was gehen.
Edi M. schrieb: >> Und C2 ist viel zu klein, sollte ein Elko sein C5 und C2 sind beide Elkos. und 100uF nicht nF. Sorry.
Mohandes H. schrieb: > Neu L. schrieb: >> Anbei die Messungen. > > Sehr schön! Was auffällt: bei den tiefen Frequenzen unter 50 Hz ist das > Ausgangssignal schon fast ein Sägezahn (Kondensatoren). In der Tat, könnten die Tiefen akustisch etwas besser sein. Wie würdest du die Kondensatoren dimensionieren?
Neu L. schrieb: > In der Tat, könnten die Tiefen akustisch etwas besser sein. > Wie würdest du die Kondensatoren dimensionieren? Ich fürchte da macht der Trafo schlapp! Sonst sehe ich da keine Tiefpässe in der Schaltung welche die Bässe begrenzen würden. Für Bässe unter 50 Hz reicht ein Standard-Trafo einfach nicht aus, auch eine Rückkopplung kann da wenig ausrichten. Bässe brauchen Metall im Trafo. Sieh Dir mal z.B. bei Reinhöfer https://www.roehrentechnik.de/ an was da für Aufwand getrieben wird (und was die kosten)! https://www.roehrentechnik.de/html/ausgangstrafos.html
Mohandes H. schrieb: > Für Bässe unter 50 Hz reicht ein Standard-Trafo einfach nicht aus, auch > eine Rückkopplung kann da wenig ausrichten. Eine Gegenkopplung. Aber richtig- das bestimmende Bauteil dürfte der Trafo sein. Den kann man ja später in einer besseren Ausführung besorgen.
Mohandes H. schrieb: > Neu L. schrieb: >> In der Tat, könnten die Tiefen akustisch etwas besser sein. >> Wie würdest du die Kondensatoren dimensionieren? > > Ich fürchte da macht der Trafo schlapp! Sonst sehe ich da keine > Tiefpässe in der Schaltung welche die Bässe begrenzen würden. Das wäre auf jeden Fall plausibel. Den Trafo. habe ich selbst gewickelt. Das Blechpaket ist etwas knapp bemessen. Rein rechnerisch müsste etwas höher gehen, hatte aber nur ein M74 da. Ich habe aber nochmal alles nachgemessen und einige Werte angepasst. Anbei die aktuelle Schaltung. Sauber sind die Tiefen immer noch nicht, aber spitzer. Das hört man auch in den Lautsprechern. Der Bass kommt jetzt deutlich knackiger.
Jetzt hat die Endröhre keinen Kathodenelko mehr. Soll das so sein ? Onne den sollen die Tiefen "knackiger" sein ? Wie sehen die denn auf dem Oszi aus ? Ich würde erst mal testenn, ob die Eingangsspannung Ihrer Audioquellen reicht. Wenn nicht- Vorstufe. Dann ist genug Leistungsreserve da, um an der Gegenkopplung zu drehen.
Nebenbei, ohne jetzt alle Lyrik gelesen zu haben: Ein guter Ausgangstrafo hat verschachtelte Wicklungen und die Schaltung eine geeignete Gegenkopplung über den Trafo.
oszi40 schrieb: > Ein guter Ausgangstrafo hat verschachtelte Wicklungen und die Schaltung > eine geeignete Gegenkopplung über den Trafo. Ersteres: Wenn man HiFi will. Zweites: Es gibt Röhrenverstärker der Teuerklasse (ich meine: Richtig oberteuer), die haben keine, etwa der "Gaku-on", anfangs 500.000 Dollar, jetzt wohl preiswerter, die Hälfte. Bei Trioden ist das eher unüblich. Dafür werden oft 2 Trioden im Gegentakt angeworfen. Auch ohne Gegenkopplung.
Edi M. schrieb: > Jetzt hat die Endröhre keinen Kathodenelko mehr. Soll das so sein ? Ich habe damit große Probleme gehabt. (Clipping) Habe verschiedene Werte getestet. Nichts gebracht.
Für die, die's interessiert: Hier 3 Verstärker- Teile von Radios, die ich -mit- als die Besten vom Klang her beurteile. Sind von DDR- Geräten- ichn habe hauptsächlich solche, "Konkurrenz- West" auch, aber noch nicht restauriert. Ich nehme an, daß diese (z. P Philips, SABA) gleichwertig sind. Die Grundschaltungen sind nicht einmal kompliziert, Klangstell- Netzwerke machen diese Schaltungen so aufwendig. Ob die Wicklungen geschachtelt sind, ist nicht immer vermerkt. Alle 3 mit der El84- obwohl eigentlich Massenröhre, ist sie der krönende Abschluß der Röhrenentwicklung: Trioden RE134 -> RE604 -> AD1 -> RES964 -> AL4 -> EL11/12 -> EL41 -> EL84. In der 4 Watt- Klasse gibt es mit den letzten Noval- Röhren- Standard- Bestückungen der Radios wohl auch keine bessere Röhren mehr.
Neu L. schrieb: > Ich habe damit große Probleme gehabt. (Clipping) > Habe verschiedene Werte getestet. Nichts gebracht. Womit Probleme ? Mit oder ohne Elko ? Die Werte werden sich im Frequenzgang äußern, und auch nicht besonders, denke ich- ich hatte uralte Radios auf dem Tisch, deren Kahodenelkos nur noch Reste von Kapazität haben, und die klingen immer noch gut. Wie geschrieben, möglichst nicht verschlimmbessern- ich hab' da auch schon Erfahrungen.
Neu L. schrieb: > Ich habe damit große Probleme gehabt. (Clipping) Dann hast du jetzt durch den fehlenden Kondensator deine Gegenkopplung! Das nimmt dir allerdings Verstärkung weg. Wenn du dein Eingangssignal soweit reduzierst, dass kein Clipping mehr auftritt, hast du bei gleicher Ausgangsleistung eine deutlich grössere Eingangsempfindlichkeit.
Edi M. schrieb: > Neu L. schrieb: >> Ich habe damit große Probleme gehabt. (Clipping) >> Habe verschiedene Werte getestet. Nichts gebracht. > > Womit Probleme ? Mit oder ohne Elko ? Mit.
Phasenschieber S. schrieb: > Dann hast du jetzt durch den fehlenden Kondensator deine Gegenkopplung! Hier ein guter Artikel zu verschiedenen Möglichkeiten der Gegenkopplung bei Röhrenschaltungen: http://www.audioelektronik-shop.de/gegenkopplungen.html Noch eine Frage: sind die 10k primär beim Trafo der gemessene Cu-Widerstand oder die über ü^2 transformierten 4 Ohm des Lautsprechers?
Beitrag #6443916 wurde von einem Moderator gelöscht.
Mohandes H. schrieb: > Phasenschieber S. schrieb: >> Dann hast du jetzt durch den fehlenden Kondensator deine Gegenkopplung! > Noch eine Frage: sind die 10k primär beim Trafo der gemessene > Cu-Widerstand oder die über ü^2 transformierten 4 Ohm des Lautsprechers? Ist die Angabe aus der Artikelbeschreibung.
Neu L. schrieb: > Edi M. schrieb: >> Jetzt hat die Endröhre keinen Kathodenelko mehr. Soll das so sein ? > > Ich habe damit große Probleme gehabt. (Clipping) > Habe verschiedene Werte getestet. Nichts gebracht. Und die 100nF sind auch noch drin. Deine Schaltung wird immer furchtbarer! Weit weg von deinem Anspruch, alles berechnen zu wollen. Wo ist deine Berechnung zur ECC83 mit dem 100K R zu 250V? Ich glaube, die wird furchtbar gequält. Neu L. schrieb: > Den Trafo. habe ich selbst gewickelt. > Das Blechpaket ist etwas knapp bemessen. > Rein rechnerisch müsste etwas höher gehen, hatte aber nur ein M74 da. Nö! Zu groß für die geringe Leistung. Da fehlen die hohen Töne. Wie hast du den geschachtelt? Welches Blech? Du überschätzt vollkommen deine Fähigkeiten. Anstatt erst mal etwas nachbauen, wird irgendwas zusammengemurkst. Weitere Hinweise sind sinnlos, da beratungrsistent.
... ursprüngliche Vorlage umgesetzt, Nachrtäge noch einfügen .. :-) die 6n6p gelistet in https://gist.github.com/chanmix51/6947361 und hier . https://www.diyaudio.com/forums/tubes-valves/243950-vacuum-tube-spice-models-132.html . http://www.intactaudio.com/forum/viewtopic.php?t=523 und noch ein paar Anmerkungen von Adrian_Immler zur 6n6p http://www.hifi-forum.de/viewthread-111-5538.html gutes Tutorial zu LTspice: (Stand: 18.02.2020) http://www.gunthard-kraus.de/LTSwitcherCAD/LTSpice%20XVII_Tutorial_korr.pdf Das kostenfreie Programm LTspice von der Quelle: https://www.analog.com/en/design-center/design-tools-and-calculators/ltspice-simulator.html
Edi M. schrieb: > El84- obwohl eigentlich Massenröhre, ist sie der krönende Abschluß der > Röhrenentwicklung: Trioden RE134 -> RE604 -> AD1 -> RES964 -> AL4 -> > EL11/12 -> EL41 -> EL84. In der 4 Watt- Klasse ... Die EL84 ist eine oft unterschätzte Röhre! Ende der 50er war sie in jedem 2. Radio. Das Arbeitspferd unter den Röhren. Und sie 'klingt' einfach gut. Wird bis heute gebaut, AÜs gibt es auch jede Menge, wäre also für einen kleinen Verstärker meine 1. Wahl. Die AD1 ist ja unbezahlbar. Ich habe hier noch 6C33C liegen, Doppeltrioden mit richtig Power. Aber vernünftige AÜs dafür sind sehr teuer. Ist noch ein 'Schubladenprojekt' von mir. Minimalistisch aufgebauter Verstärker in Class-A, beide Systeme der 6C33C parallel, die steile ECC85 in der Vorstufe. Oben eine Schaltung, das wurde von einer französischen Firma produziert. Vor 20 Jahren gab es mal einen Testbericht in einer Hifi-Zeitschrift. Hier ein paar Daten und Schaltungen zur 6C33C: http://www.jogis-roehrenbude.de/Verstaerker/6C33C.htm Mal eine ganz andere Frage in die Runde (dazu habe ich noch nie etwas gefunden): Pentoden rauschen ja mehr als Trioden, Heptoden noch mehr. Wenn ich nun eine Pentode als Triode schalte (also G2 an Anode oder sogar noch G3), wie verhält es sich dann eigentlich mit dem Rauschen? Also wie ist das Rauschen einer als Triode geschalteten Pentode?
Edi M. schrieb: > Für die, die's interessiert: Hier 3 Verstärker- Teile von Radios, die > ich -mit- als die Besten vom Klang her beurteile. Hi, soweit ich das überblicke -> kein Ultralinear. Noch nicht einmal Gegentakt. Edi M. schrieb: > Aber richtig- das bestimmende Bauteil dürfte der Trafo sein. Das Problem hatten die Konstrukteure doch schon gekannt: Wie bekommt man Gleichstrom(vor)magnetisierung des AÜ beseitigt. (Ausgangsübertrager) Bei Single Ended. Warum das Rad neu erfinden? Konsequenz: Etliche Sabas in der Zeitspanne und Kategorie hatten Gegentakt und EL84. OT: Edi M. schrieb: > Wäre schon schön, die hier gültige Landessprache zu verwenden. Ja das Binnen Gap Bäcker*innen, Raumfahrer*innen etc. Edi M. schrieb: > Ich find's zum Kotzen. Genau. /OT ciao gustav
Karl B. schrieb: > Ultralinear. Noch nicht einmal Gegentakt. Karl B. schrieb: > Konsequenz: > Etliche Sabas in der Zeitspanne und Kategorie hatten Gegentakt und EL84. Mit dem richtigen AÜ klappt das. Gibt Konzepte, die ganz bewußt die EL84 (oder andere) nicht im Gegentakt oder gar Ultralinear betreiben sonder aus klanglichen Gründen in Class-A. Bei den alten Radios hatte es vermutlich weniger klangliche als finanzielle Gründe eine Röhre einzusparen: Röhren waren damals sehr teuer!
Michel M. schrieb: > und noch ein paar Anmerkungen von Adrian_Immler zur 6n6p > http://www.hifi-forum.de/viewthread-111-5538.html Da sind interessante, teils exotische Röhren dabei (z.B. auch ein Nuvistor), danke für den Link! Die Modelle sehen auch sehr exakt aus. Hier die Übersicht: http://adrianimmler.simplesite.com/440956786
Karl B. schrieb: > Edi M. schrieb: >> Aber richtig- das bestimmende Bauteil dürfte der Trafo sein. > Das Problem hatten die Konstrukteure doch schon gekannt: > Wie bekommt man Gleichstrom(vor)magnetisierung des AÜ beseitigt. > (Ausgangsübertrager) > Bei Single Ended. > Warum das Rad neu erfinden? > Konsequenz: > Etliche Sabas in der Zeitspanne und Kategorie hatten Gegentakt und EL84. Karl B., es geht um das Projekt des TE, das IST Eintakt- A. Mohandes H. schrieb: > Mit dem richtigen AÜ klappt das. Gibt Konzepte, die ganz bewußt die EL84 > (oder andere) nicht im Gegentakt oder gar Ultralinear betreiben sonder > aus klanglichen Gründen in Class-A. Genau das- es sind nicht unbedingt solche Maßnahmen nötig- bei geeigneter Bemessung geht es ohne dies ! Beispiel der sauteure Japaner. Für die geliebte Triode AD1 gibt es eine Klirrkompensation zweier gewöhnlicher Stufen hintereinander- die Bemessung macht hier die Musik: http://edi.bplaced.net/?Grundlagen___AD1-_Endstufe-_Triode_vor_Endtriode-_Klirrkompensation Recht schnell erkannte man, daß die erste 4W- Penthoden- Endröhre, die gegengekoppelte AL4, der AD1 das Wasser reichen kann. Und die EL84 ist eigentlich eine Traum- Lampe- in Eintakt oder Gegentakt. Mohandes H. schrieb: > Mal eine ganz andere Frage in die Runde (dazu habe ich noch nie etwas > gefunden): > Pentoden rauschen ja mehr als Trioden, Heptoden noch mehr. Wenn ich nun > eine Pentode als Triode schalte (also G2 an Anode oder sogar noch G3), > wie verhält es sich dann eigentlich mit dem Rauschen? > > Also wie ist das Rauschen einer als Triode geschalteten Pentode? Ich kann mir nicht vorstellen, daß das einer Untersuchung bedarf- eine Endröhre, die hörbar rauscht, würde ich wegschmeißen. Mohandes H. schrieb: > Die AD1 ist ja unbezahlbar. Man kann sie durchaus ersetzen- es gibt geeignete Trioden, oder auch triodisierte Penthoden. Der irre Preis ist Voodoo. Eine schöne Lampe ist sie aber. Foto: AD1 in Siemens "Schatulle 76 W". Der Filzwickel war um die Röhre gewickelt- Klingschutz, Maßnahme einer Siemens- Reparatur im Herstellerwerk- da war ich noch nicht geboren. Ob sie gut klingt- beurteilt selbst. (Audio oben) Hier singt sie- WAV, 55 MB. Das Rauschen kommt von der Live- Aufnahme in der Kirche. Direktabnahme an einer externen Box, direkt an den Lautsprecherklemmen. Der externe Ausgangstrafo ist mangels Trioden- AÜ ein sher guter EL84- AÜ mit verschachtelter Wicklung.
Hier mal als Beispiel der Eintakt Konzertmeister aus dem Radio RIM Katalog. Damals gab es für die Röhrenverstärker noch Namen wie: Tonmeister, Gigant, Organist, Musikant oder Herkules mit 150 Watt Mono und mit vier EL34 bestückt.
Hier noch der Plan der NF- Stufen des Gerätes zum Audio im vorletzten Beitrag. Nachtrag: Wenn ich die Aufnahme als Stream abhöre, schwankt die Lautstärke. Bitte zum Abhören am besten herunterladen, da scheint es ok zu sein. Edi
Ralf L. schrieb: > Hier mal als Beispiel der Eintakt Konzertmeister aus dem Radio RIM > Katalog. Sieht verdammt ähnlich, wie der von mir genannte 4-W Verstärker aus dem Großen Radiobastelbuch. Ist eben ein Standard, wo es nicht viel dran rum zu doktoren gibt. Edi M. schrieb: > Hier noch der Plan der NF- Stufen des Gerätes zum Audio im vorletzten > Beitrag. Interessant die Abschirmung am Gitter der Treiberstufe. Das kann einen Anfänger in den Wahnsinn treiben.
michael_ schrieb: > Interessant die Abschirmung am Gitter der Treiberstufe. > Das kann einen Anfänger in den Wahnsinn treiben. Nun ja... Röhreneingänge sind hochohmig, und empfindlich gegen Einstreuungen. Wenn man mit solchen Bauelementen arbeitet, muß man diese Eigenschaften beachten. Die Abschirmleitung ist lang, sie geht nämlich zur Anode des magischen Auges, welches die 1. NF- Vorstufe stellt, da ist Abschirmung nötig. Gleichfalls das Gitter der Vorstufe, welches ebenfalls einen langen Weg zum Lautstärkesteller hat. Abschirmmaßnahmen sind für Röhrenschaltungen empfehlenswert, oft nötig.
Wunderbar, wunderschön für mich, solche alten Baupläne nochmal zu sehen. Ist für mich eine Zeitreise! Jedoch muss ich mittlerweile Zweifel anmelden, ob der TO überhaupt weiss worum es hier noch geht. Für uns Alten ist es selbstverständlich was hier besprochen wird, aber der TO will das alles erstmal lernen. Wie ich sehe, wird das schwierig werden.
Phasenschieber S. schrieb: > Für uns Alten ist es selbstverständlich was hier besprochen wird, aber > der TO will das alles erstmal lernen. > Wie ich sehe, wird das schwierig werden. Na, der TE kann gern fragen. Ok, ich weiß nicht alles, aber ich find' raus, wo's steht... :-)
Phasenschieber S. schrieb: > Für uns Alten ist es selbstverständlich was hier besprochen wird, aber > der TO will das alles erstmal lernen. > Wie ich sehe, wird das schwierig werden. Der TO wollte aber von Grund auf alles neu berechnen. Und auch z.Bsp. den Ausgangstrafo selbst wickeln. Das ist ein zentrales Bauteil eines NF-Verstärkers. Die Hohe Schule. Auswahl des Bleches, Drahtstärke, Lagenaufbau, Schachteln, usw. In meiner Lehrzeit wurden noch Trafos und Spulen in der Fa. hergestellt. Ich habe die Männer noch vor Augen, die da im Akkord geschachtelt haben. Mit zerschnittenen, Heftpflaster umwickelten Fingern. Nichts für heutige Feministinnenhändchen. Später wurde das in Polen gefertigt. Die waren damals schon leidensfähiger :-( Mit einer Presse und viel Geschick, um die entsprechende Anzahl Bleche in das Paket zu kriegen. Im Bastelkeller und ohne Erfahrung unmöglich. Und auch noch M-Kern wie vom TO. Nicht umsonst haben solche AÜ einen stolzen Preis. Der aber gerechtfertigt ist.
michael_ schrieb: > Nicht umsonst haben solche AÜ einen stolzen Preis. ...und wie so oft, kommt das Geld bei den steineklopfenden Kinderhänden leider nicht an... Gute Nacht, Rainer
In Deutschland wird es nicht gar so schlimm sein. Reinhöfer sitzt auf der Wolke und schaut nur noch zu. Schade. Viel zu früh ist er gegangen. Aber dort wird sicher nicht im Akkord gearbeitet. Und es wird sich auch manches technisch verbessert haben. Trotzdem sind AÜ Präzisionsteile. In der Röhrenzeit hat es die Menge gebracht. Bei den Chinateilen ....
Na, immerhin hat er seinen Verstärker hin bekommen. Wenn ich überlege wie ich angefangen habe: auf Pertinax-Tischplatten aufgebaut, was nicht funktionierte kam in die Ecke. Erst später fing ich an zu verstehen wie die Schaltungen funktionierten. Neuling, jetzt könntest Du die Schaltung noch optimieren (Arbeitspunkte). Vor allem der Ausgang würde etwas bringen. Edi M. schrieb: >> Also wie ist das Rauschen einer als Triode geschalteten Pentode? > > Ich kann mir nicht vorstellen, daß das einer Untersuchung bedarf- eine > Endröhre, die hörbar rauscht, würde ich wegschmeißen. Doch, mich interessiert das! Geht nicht um Endstufen, das Problem hatte ich mal bei einer HF-Vorstufe. Ist aber eine generelle Frage. Ich habe keine Möglichkeit das vernünftig zu messen.
michael_ schrieb: > Der TO wollte aber von Grund auf alles neu berechnen. > Und auch z.Bsp. den Ausgangstrafo selbst wickeln. > Das ist ein zentrales Bauteil eines NF-Verstärkers. > Die Hohe Schule. > Auswahl des Bleches, Drahtstärke, Lagenaufbau, Schachteln, usw. Ja, soll er doch machen, warum nicht? Wenn ich alle Materialien die ich in meinem Leben unnötigerweise aus Unkenntnis zusammengetragen und verbastelt habe, auf einen Haufen werfen würde, käme ein ganzer Container zusammen. Das ist eine Schule die sehr einprägsam ist.
Phasenschieber S. schrieb: > wunderschön für mich, solche alten Baupläne nochmal zu sehen. > Ist für mich eine Zeitreise! Ja, die Baumappen von RIM waren spitze! Eine echte Zeitreise wäre es, einen kompletten Bausatz zu bekommen - ist ja bald Weihnachten. Die Trafos (Netz & AÜ) waren von der Fa. Engel, die es heute nicht mehr gibt. Nachfolger ist die Fa. HGSM. Ansonsten gibt es eben richtig gute AÜs bei Reinhöfer, kosten aber auch richtig Geld.
Mohandes H. schrieb: > Doch, mich interessiert das! Geht nicht um Endstufen, das Problem hatte > ich mal bei einer HF-Vorstufe. Ist aber eine generelle Frage. Ich habe > keine Möglichkeit das vernünftig zu messen. In NF- Vorstufen verwendet kaum einer triodisierte Penthoden, weilman da genug preiswerte, gute Röhren bekommt, für HF- Vorstufen gibt es ausgesucht rauscharme Röhren- Trioden UND Penthoden. Da hilft wohl nur selbst Aufbauten machen und gehörmäßig, ggf. meßmäßig bewerten. Eine aufwendige Sache, wenn man das im Vergleich machen will, ein Vergleich Penthode/ Triode wäre ein Vergleich Apfel/ Birne, und verschiedene Trioden und triodisierte Penthoden vergleichen, ist nur bei nahezu gleicher Kennlinie sinnvoll. HF- Rauschmessungen sind auch für Techniker mit etwas Ausstattung machbar. Bei NF kann man sie einfach durch Spitzenwertgleichrichtung durchführen, oder eben... per Ohr. Edit: Eine einfache Meßmöglichkeit zeigt Jogi: http://www.jogis-roehrenbude.de/Leserbriefe/Rabus-VV/rausch/rauschc.htm
Edi, nimms mir nicht übel, aber das h in der Pentode tut mir physisch weh.
Phasenschieber S. schrieb: > Edi, nimms mir nicht übel, aber das h in der Pentode tut mir physisch > weh. Zähne zusammenbeißen. Was einen nicht umbringt, macht hart. Warnung: Prof. Rudolph von RMorg verwendet die Schreibweise auch. @Mohandes: Schon früher selektierte man HF- Vorröhren nach Rauschen, und trickste gelegentlich auch. Ich habe einen Großsuper (EAK97/51WS), der wurde mit der HF- Vorstufenröhre EF13 bestückt, die schon damals an die Grenze des Möglichen gegangen sein soll. In einigen Serien wurde -vom Hersteller- auch die Penthode der EBF11 verwendet.
Edi M. schrieb: > Da hilft wohl nur selbst Aufbauten machen ... Darauf wird es wohl hinauslaufen. Daß es gute Trioden für alle Zwecke gibt ist klar, ich mache gerade Versuche an batterietauglichen Bleistiftröhren (Heizung 1,2V/13mA), die es eben nur als Pentoden gibt.
Phasenschieber S. schrieb: > Edi, nimms mir nicht übel, aber das h in der Pentode tut mir physisch > weh. Hi, die einen sagen, das zusammengestzte Wort müsste "Fünfwegeröhre" heißen. Im Griechischen also "Penta" für fünf und "Hodos" für Weg. Andere z.B. Wiki leitet die Zusammensetzung von "Fünfelektrodenröhre" ab. Also wieder "penta" und "ode" als Wortbestandteil von Elektrode. Ich bevorzuge letztere Schreibweise. Weil sich das auch leichter auf andere Röhrenkategorien übertragen lässt. Keiner sagt Hexhode sondern alle einhellig Hexode. Also, wer ist da inkonsequent, stelle ich die Frage? Edi M. schrieb: > Warnung: Prof. Rudolph von RMorg verwendet die Schreibweise auch. Auch Professoren können sich irren. Er ist kein Sprachwissenschaftler sondern Dr. Ing. etc. ciao gustav
Karl B. schrieb: > Also, wer ist da inkonsequent, stelle ich die Frage? Tja, ich nehme die Inkonsequenz der Vorfahren eben als gegeben hin. Und meinen Röhren isses wurscht. Hab' se gefragt. :-) Mohandes H. schrieb: > ich mache gerade Versuche an batterietauglichen > Bleistiftröhren (Heizung 1,2V/13mA), die es eben nur als Pentoden gibt. Was sind das für Typen ? Solche Submiaturröhren habe ich auch noch- allerdings für dicke Batterien, russisches Militärzeug. Die mit der niedrigen Heizspanung sind sicher direkt geheizt ? Solche Röhrchen haben doch schon als Penthode denkbar geringe Ströme. Ob das überhaupt sinnvoll ist, die als Trioden zu benutzen ?
Interessant ist der 2te Beitrag von oben: https://www.tube-town.de/ttforum/index.php/topic,6205.15.html?PHPSESSID=lnnqs9jvok1vv26q90ddg78j43
Edi M. schrieb: > Was sind das für Typen ? Das sind 1SH24B (auch 1J24B, je nachdem wie man das russische transkribiert). Die gab es mal für 0,50 bei Pollin. Ja, sind auch noch direkt geheizt was die Sache nicht leichter macht. Aber 13mA bei 1,2V Heizung, Anodenspannungen bis 60V, das macht sie für Batteriebetrieb interessant. Ich baue damit den Oszillator eines Grid-Dipmeters (Thread im HF-Forum), anderes Thema. Steilheit ca 1mA/V. Vermutlich betreibe ich sie doch als Pentoden, Versuche laufen noch.
Ben schrieb: > Interessant ist der 2te Beitrag von oben: Pentode oder Penthode, völlig egal. Ist einfach Definitionssache. Die Funktion bleibt. Sind oft Wörter die aus dem Griechischen kommen, wo ein 'ph' für das 'f' drin sitzt: Phono, Delphin, früher Elephant, usw. Bei der Pentode hat es eigentlich nichts zu suchen. Pende = griech. fünf. Mir persönlich tut das 'Pent(h)ode' auch in den Augen weh.
Mohandes H. schrieb: > Ben schrieb: >> Interessant ist der 2te Beitrag von oben: > > Pentode oder Penthode, völlig egal. Ist einfach Definitionssache. Die > Funktion bleibt. Eben, darauf wollte ich auch hinaus. Ich finde, dass ist Jacke wie Hose. Aber gut, jedem wie es gefällt ;-)
Mohandes H. schrieb: > Na, immerhin hat er seinen Verstärker hin bekommen. Wenn ich überlege > wie ich angefangen habe: auf Pertinax-Tischplatten aufgebaut, was nicht > funktionierte kam in die Ecke. Erst später fing ich an zu verstehen wie > die Schaltungen funktionierten. Bis her der einzige, der sich soweit zurück erinnern kann. Ich habe das ebenfalls schon früher so gemacht und praktiziere es heute noch so. Ich fange einfach an und versuche zu verstehen warum das passiert, was passiert. > Neuling, jetzt könntest Du die Schaltung noch optimieren > (Arbeitspunkte). Vor allem der Ausgang würde etwas bringen. Tatsächlich würde ich das System erst mal so belassen. Sowohl messtechnisch, als auch akustisch ist es aus meiner sich ein ganz gutes Stück Audio geworden. Das nächste Projekt wird sicherlich besser und das nächste noch besser, usw. Ein ganz normaler Lernprozess also. ;)
Phasenschieber S. schrieb: > Wenn ich alle Materialien die ich in meinem Leben unnötigerweise aus > Unkenntnis zusammengetragen und verbastelt habe, auf einen Haufen werfen > würde, käme ein ganzer Container zusammen. > > Das ist eine Schule die sehr einprägsam ist. Ich denke, das kennt jeder. Wie sonst soll man lernen?
Ben schrieb: > Aber gut, jedem wie es gefällt ;-) Getreu Pippi Langstrumpf-Prinzip-. Mir persönlich würde "Fünfelektrodenröhre" viel besser paasen. Dann braucht man sich auch nicht doof anlabern zu lassen von wegen Fremdwörter. Oder besser gesagt Ausdrucksweisen, die für die Leute, für die sie gemacht wurden, selbstverständlich sind. Edi M. schrieb: > Gustav, könnten Sie Texte in unserer Landessprache schreiben ? Gibt ja > noch deutsche Mitleser, wie mich. Bitteschön: Fünfelektrodenröhre. Ohne h. ;-) ciao gustav
Helfer schrieb: > TO = Thread Opener Ja, das isst es wieder... Leute, denkt doch mal, in welchem Land wir sind- im Zweifelsfall helfen Ausweis, Paß und Globus. Ich vermeide das nach Möglichkeit- hier in dieser BEITRAGSFOLGE (nicht "Thread") schreibe ich "TE" = Themen- Ersteller/ Thema- Ersteller. Ich würde mich ja anders belehren lassen, wenn in anderen europäischen Foren "Faden" oder "Beitragsfolge" stehen würde. Oder andere Fachwörter. Deutsche Fachwörter in anderen Sprachen gibt es sicher irgendwo, ich fand das noch nicht, es ist sicher sehr selten. Überhaupt- warum dann mit Englisch ? Das hat doch gar keine Zukunft- Lehrer forderten schon zum Lernen von Farsi, Türkisch oder Hocharabisch auf... In der Umgebung meiner Arbeitsstellen dürfte Kisuaheli (= Suaheli, Bantu) oder Afrikaans eine Option sein. Lest mal die Überschriften der Themen in diesen Foren, und vergleicht die mit englischsprachigen Elektronik-/ Radioforen. Kein anderes Land verschandelt die eigene Sprache so sehr ! Sorry für das OT.
Karl B. schrieb: > Bitteschön: > Fünfelektrodenröhre. > Ohne h. ;-) > > ciao > gustav Ja, Danke. Geht doch... :-) Übrigens findet man in der Grundlagenliteratur ein fast gleiches Wort sehr oft: Fünfpolröhre.
Edi M. schrieb: > Solche Submiaturröhren habe ich auch noch- allerdings für dicke > Batterien, russisches Militärzeug. In der R126, dem "Taschenradio" unter den Funkgeräten.
Geht das schon wieder los %-\ ... was hat das mit Röhren zu tun? Wäre ja auch zu schön, wenn man beim Thema Röhren bliebe!
michael_ schrieb: > In der R126, dem "Taschenradio" unter den Funkgeräten. Na, ich beschäftigte mich mit dem erwachsenen Funkgerät- R123. Haben die Russen auf 25 Kg hochgefüttert. Nette Kiste, wenn man reinschaut, sieht's nach Telefunken, 40er Jahre auis, viele Baugruppen auf gelblicher Keramik, ähnlich oder gleich Calit. Unverwüstlich.
Mohandes H. schrieb: > Geht das schon wieder los %-\ ... was hat das mit Röhren zu tun? Wäre ja > auch zu schön, wenn man beim Thema Röhren bliebe! Mohandes, es geht auch um Verständlichkeit.
Edi M. schrieb: > Mohandes, es geht auch um Verständlichkeit. Sag´ das mal unseren Politikern! Die müllen unsere Sprache doch voll mit Anglizismen, als gäbe es keine deutschen Ausdrücke. Ansonsten wollen sie (gender)geschlechtergerechte Sprache, aber wer keine Anglizismen benutzt, gilt als blöde. Das ist aber noch nicht alles, wenn wenigstens die englischen Ausdrücke richtig angewandt würden, nein, da wird (ge)cancelt und dass die meisten Wörter die auf y enden, im Plural in englisch mit ie, wie z.B. Hobbies geschrieben werden, kümmert auchnicht. So, ich gehe jetzt in die Fussgängerinnenzone spazieren.
Phasenschieber S. schrieb: > So, ich gehe jetzt in die Fussgängerinnenzone spazieren. Aber mit großem "I" !!! Und/ oder Stern ! Ansonsten stimme ich Ihnen voll zu. Wird aber wohl nichts nützen; Ich werde mich mal brainstormen, wie ich meine Postings changen kann. Damit's nicht so ganz abdriftet, hier eine sehr schöne Endröhre, die wurde so gebaut, wie sie hier zu sehen ist. Gitter- Anode, gewickelt. Neudeutsch "Mesh Plate", macht Röhren ja besonders beliebt (ich weiß nicht, ob gewickelt anders benannt wird). Gute Heizleistung, gemütliche Lichtfarbe.
michael_ schrieb: > Der TO wollte aber von Grund auf alles neu berechnen. > Und auch z.Bsp. den Ausgangstrafo selbst wickeln. > Das ist ein zentrales Bauteil eines NF-Verstärkers. > Die Hohe Schule. > Auswahl des Bleches, Drahtstärke, Lagenaufbau, Schachteln, usw. Also Ausgangstrafos habe ich aktuell noch nicht gewickelt. Bis her habe ich mich vorerst an Netztrafos versucht. Diese werden recht gut. Bitte nicht anfangen mir den Unterschied zu erklären. ;) Der ist mir bekannt. Ich bin mir aber trotzdem sicher dass ich mit etwas Übung auch einen AÜ gut auf die Reihe bekomme. Ich finde übrigens dass die Preise für gute AÜs nicht unbedingt zu hoch sind. Wenn man das Material, plus die Arbeit für das Wickeln berücksichtigt, ist das ok. Natürlich gibt es auch in diesem Markt utopische Preise. Aber das ist in jeder Branche der Fall, solange es einen Käufer gibt. Auf einer Messe wurde mir mal Audiokabel aus echtem Silber angeboten. Als ich mich mit dem Ingenieur darüber unterhalten habe, musste er selber lachen. An dieser Stelle auch nochmal einen großes Dankeschön, an alle die mich hier produktiv unterstützt haben.
Neu L. schrieb: > Also Ausgangstrafos habe ich aktuell noch nicht gewickelt. > Bis her habe ich mich vorerst an Netztrafos versucht. > Diese werden recht gut. > > Bitte nicht anfangen mir den Unterschied zu erklären. ;) > Der ist mir bekannt. So, so? Du hast von einem fertigen M74 AÜ gesprochen. Mit was betreibst du denn da deinen Aufbau?
michael_ schrieb: > Du hast von einem fertigen M74 AÜ gesprochen. Ich denke dass ich Dich falsch verstanden habe. Sorry. Gemeint wr der Netztrafo. > Mit was betreibst du denn da deinen Aufbau? Als AÜ, habe ich was ganz einfaches. Gebraucht im Netz. P.S. Ich habe gestern mal nach AÜs gesucht und bin auf folgendes Produkt gestoßen: 2 Stück Eintakt-Ausgangsübertrager ATR 10 für 1 x EL84 Ich will hier keine Links posten, aber wenn man die Zeile nach google kopiert, findest man es sofort. Kennt jemand die Arbeit von diesem Hersteller? Laut Beschreibung sollten die wohl was taugen. Für das Geld würde ich mir die Arbeit nicht machen. Wenn die was taugen, ist das fast geschenkt. Die Eingangsimpedanz würde für mein Projekt auch gut passen.
Neu L. schrieb: > 2 Stück Eintakt-Ausgangsübertrager ATR 10 für 1 x EL84 Hi, alle meine neueren Netztrafos und AÜs sind von dieser Troisdorfer Firma. Ganz prima. Kann ich nur empfehlen. Vor allem steht bei Netztrafos da auch ein EN 61558 Norm-Hinweis drauf. Achte auch auf Ta40 nicht höher. Sind die alle, glaube ich und bleiben im Betrieb "eiskalt". Dabei wollte ich Dir gerade einen AÜ aus der AEG Bimbinette für EL95 andrehen für geringes Entgeld plus Porto. ciao gustav
Karl B. schrieb: > Neu L. schrieb: >> 2 Stück Eintakt-Ausgangsübertrager ATR 10 für 1 x EL84 > > Hi, > alle meine neueren Netztrafos und AÜs sind von dieser Troisdorfer Firma. > Ganz prima. Kann ich nur empfehlen. > Vor allem steht bei Netztrafos da auch ein EN 61558 Norm-Hinweis drauf. > Achte auch auf Ta40 nicht höher. Sind die alle, glaube ich und bleiben > im Betrieb "eiskalt". Habe mir die 2 mal bestellt. Probiere ich einfach mal aus. > Dabei wollte ich Dir gerade einen AÜ aus der AEG Bimbinette für EL95 > andrehen für geringes Entgeld plus Porto. Trotzdem vielen Dank. Wie sind denn die Gegentakt Übertrager? So wie ich gesehen habe. werden die in einer Kammer gewickelt? Macht sich das irgendwie bemerkbar?
P.S. Ich lese immer wieder, dass eine Triode für den HiFi Bereich besser geeignet ist, als eine Pentode zum Beispiel. Ist da was dran?
Neu L. schrieb: > Wie sind denn die Gegentakt Übertrager? > So wie ich gesehen habe. werden die in einer Kammer gewickelt? Hi, der Hersteller in Troisdorf macht dazu auf seiner eigenen Webseite (nicht nur Ebay) https://www.tbtroehrentrafo.com/ folgende Ausführungen -> siehe Textfile im Anhang. Neu L. schrieb: > P.S. Ich lese immer wieder, dass eine Triode für den HiFi Bereich besser > geeignet ist, als eine Pentode zum Beispiel. Ist da was dran? Hi, man wählt eher häufig einen Kompromiss in der sog. "Ultralinearschaltung" über Anzapfungen am AÜ, wo sich die ganze Chose dann mehr in Richtung "Triode" bewegt. Wozu überhaupt ein Schirmgitter? OK. Extrem kurzer Erklärversuch: Sollte wie eine Konstantstromquelle wirken. ciao gustav
Phasenschieber S. schrieb: > Ansonsten wollen sie (gender)geschlechtergerechte Sprache, OT Hi, das "Gendern" (interessanterweise ein englisches Unwort) ist etwas, was mich so etwas von anätzt. Und dann, haben Politiker nichts anderes zu tun, als sich um solche Petitessen zu streiten? Zitat: Der Bitte des Innenministeriums um sprachliche Überarbeitung ist das Justizministerium dennoch nachgekommen. Allerdings nicht, weil man deren Sichtweise teile. Vielmehr habe man eingelenkt, um die Gesetzesänderung schnell auf den Weg bringen zu können..." Quelle: https://www.tagesschau.de/inland/insolvenzrecht-generisches-maskulinum-101.html /Zitat soviel noch zu dem offtopic /OT ciao gustav
(gender ... geht schon wieder los %-|?) Neu L. schrieb: > Ist da was dran? Das ist letztlich Geschmackssache. Jedes hat seinen Sound. Verbreitet sind Ultralinear-Verstärker mit Pentoden (Abgriff am AÜ auf Schirmgitter). Mir gefällt am besten ein Class-A mit Trioden. Nachteil ist der schlechte Wirkungsgrad, es reichen aber schon kleine Leistungen <10W an guten Lautsprechern. Muß man hören bzw. ausprobieren, da wird jeder was anderes sagen (und dann kommt wieder die Halbleiter-Fraktion ...). Ein Röhrenverstärker wird von den Meßwerten nie an einen Verstärker mit Halbleitern herankommen - aber hört sich ein Verstärker mit idealen Meßwerten auch zwangsläufig gut an?
Mohandes H. schrieb: > Mir gefällt am besten ein Class-A mit Trioden. Nachteil ist der > schlechte Wirkungsgrad, es reichen aber schon kleine Leistungen <10W an > guten Lautsprechern. Class-A, besser gesagt A1 wäre auch mein Interesse. An dieser Stelle mal eine Frage an alle mit einem Röhrensystem. Wieviel Leistung habe eure Systeme? ich habe im Wohnzimmer Lautsprecher stehen, die sind mit 92bB Wirkungsgrad schon ganz gut denke ich. Wenn ich also meine 2 Watt Pro Kanal voll aufdrehe, kann ich mein eigenes Wort nicht mehr verstehen. Das hat doch nichts mehr mit Musik hören zu tun. Ich frage mich also immer wieder wohin mit 10Watt, oder sogar noch mehr?
Mohandes H. schrieb: > Ein Röhrenverstärker wird von den Meßwerten nie an einen Verstärker mit > Halbleitern herankommen - aber hört sich ein Verstärker mit idealen > Meßwerten auch zwangsläufig gut an? So wie jedes Musikinstrument seine ganze eigene Klangcharakteristik hat, ja sogar gleiche Musikinstrumente klingen nicht gleich (und erst die Musiker...), haben auch Verstärker ihre charakteristischen Eigenschaften. Man liebt das eine oder andere, oder beides oder mag es garnicht, oder....
Neu L. schrieb: > Ich frage mich also immer wieder wohin mit 10Watt, oder sogar noch mehr? Wenn mal einer einem Cello voll in die Saiten greift, sind deine 10W ganz schnell aufgebraucht!
Phasenschieber S. schrieb: > Wenn mal einer einem Cello voll in die Saiten greift, sind deine 10W > ganz schnell aufgebraucht! Guten Einwand. Ist mir bis her nicht so aufgefallen.
10 Watt sind genug für gutes Hören! Phasenschieber S. schrieb: > Wenn mal einer einem Cello voll in die Saiten greift, sind deine 10W > ganz schnell aufgebraucht! Deswegen gut, wenn ein Verstärker Reserven hat. Deswegen auch das Netzteil: immer mit Reserven.
Nunja, das vorliegende Konzept sieht so garnicht nach HiFi aus. Ich bin bisher davon ausgegangen, dass hier nu ein bisschen Gequake aus dem Lautsprecher kommen soll, so nach Mittelwellenübertragungs-Klang. Wenn wir jetzt von HiFi-Ansprüchen reden, oder wenigstens von Musik, dann muss ein komplett anderes Design her.
Hi, der hohe Dämpfungsfaktor von Transistorendstufen verlangt nach dafür geeigneten Lautsprechern. Andersherum mit weniger Leistung -> siehe hier: http://www.audioelektronik-shop.de/lautsprecher.html ciao gustav
Phasenschieber S. schrieb: > Nunja, das vorliegende Konzept sieht so garnicht nach HiFi aus. > Ich bin bisher davon ausgegangen, dass hier nu ein bisschen Gequake aus > dem Lautsprecher kommen soll, so nach Mittelwellenübertragungs-Klang. Also es klingt schon um einiges besser als Mittelwelle. :) Ich denke mit ein paar guten Übertragern, wird es noch um einiges besser. > Wenn wir jetzt von HiFi-Ansprüchen reden, oder wenigstens von Musik, > dann muss ein komplett anderes Design her. Meist Du eine komplett andere Schaltungsart, oder komplett andere Röhren?
Neu L. schrieb: > Meist Du eine komplett andere Schaltungsart, oder komplett andere > Röhren? Beides. Deine Schaltung hat dich jetzt mal so ein bisschen an die Röhrentechnik heran geführt, aber ist meilenweit davon entfernt als ernsthaftes Wiedergabegerät für Musik gehandhabt zu werden.
Phasenschieber S. schrieb: > Neu L. schrieb: >> Meist Du eine komplett andere Schaltungsart, oder komplett andere >> Röhren? > > Beides. Die Schaltungen, die ich mir so angeschaut habe, sehen sehr ähnlich aus. > Deine Schaltung hat dich jetzt mal so ein bisschen an die Röhrentechnik > heran geführt, aber ist meilenweit davon entfernt als ernsthaftes > Wiedergabegerät für Musik gehandhabt zu werden. Ist mit den Röhren kein HiFi möglich?
Hier mal aus dem RIM Katalog ein Röhrenverstärker RLE 40 mit Gegentaktendstufe und mit 4x EL84 und ultralinearem Ausgangsübertrager. Man sieht die dafür zuständigen Anzapfungen am Übertrager für die Schirmgitter. Wenn jetzt noch die Wicklungen beim Selbstwickeln des Übertragers mehrfach verschachtelt werden, dann würde der Hochtonbereich noch spritziger klingen.
Bin der Meinung, die Lautsprecherauswahl ist auch erwähnenswert: Beitrag "Re: Röhrenverstärker Berechnen" Mal akustisch. Der gedämmte (für Transistorendstufen gedachte) Lautsprecher im Bild (2-Wege 150 W / 6 Ohm)ist erst einmal leiser am Röhrenverstärker. (Tonquelle DAB+ Radio) ciao gustav
Karl B. schrieb: > Bin der Meinung, die Lautsprecherauswahl ist auch erwähnenswert: > Beitrag "Re: Röhrenverstärker Berechnen" > Mal akustisch. > Der gedämmte (für Transistorendstufen gedachte) Lautsprecher im Bild > (2-Wege 150 W / 6 Ohm)ist erst einmal leiser am Röhrenverstärker. > (Tonquelle DAB+ Radio) Ich finde dass die Leistungsangabe bei Lautsprechern nicht sehr aussagekräftig ist. Mit einem schlechten Wirkungsgrad, muss ich entsprechend mehr Leistung in das System bringen.
Neu L. schrieb: > Die Schaltungen, die ich mir so angeschaut habe, sehen sehr ähnlich aus. 'So ähnlich' sehen die alle aus - die Feinheiten liegen in der Dimensionierung und in den Bauteilen! Deine Triode ist ja auch keine Endstufenröhre, auch wenn sie ein paar Watt Verlustleistung verträgt. Die EL84 ist eine gute Wahl, zumal Du schon die passendem AÜs ins Auge gefaßt hast. Bei diesen AÜs sind auch Anzapfungen für das Schirmgitter. Du kannst also: 1. Ultralinearschaltung, 2. Class-A mit der EL84 als Pentode oder als Triode (Schirmgitter an Anode) ausprobieren! Das sind klanglich ganz andere Dimensionen als mit einer Vorstufenröhre! P.S. Doch, Hifi geht. Die Anforderungen sind aber gering und heute kein Maßstab mehr.
Mohandes H. schrieb: > Die EL84 ist eine gute Wahl, zumal Du schon die passendem AÜs ins Auge > gefaßt hast. Bei diesen AÜs sind auch Anzapfungen für das Schirmgitter. > Du kannst also: > > 1. Ultralinearschaltung, > 2. Class-A mit der EL84 als Pentode oder als Triode (Schirmgitter an > Anode) > > ausprobieren! Das sind klanglich ganz andere Dimensionen als mit einer > Vorstufenröhre! Na dann machen wir das doch. :) Ist denn die 12AX7WC als Vorröhre ok, oder besser die 6N6P? Eine 6N6P-I habe ich hier auch noch liegen. > P.S. Doch, Hifi geht. Die Anforderungen sind aber gering und heute kein > Maßstab mehr. Genau das ist ja das Problem. Die alte Norm die es dazu gibt, sagt in der heutigen Zeit nichts mehr aus. So hat jeder seinen eigenen Hi-Fi-Anspruch. Eine Diskussion über das Thema wird daher immer ins Leere führen.
Neu L. schrieb: > Na dann machen wir das doch. :) Das finde ich jetzt gut. Mir juckt es auch in den Fingern soetwas nochmal zu erstellen. Das Netz ist ja immernoch voll von guten Bauplänen und solche wurden auch schon hier im Faden genannt/gezeigt.
Phasenschieber S. schrieb: > wurden > auch schon hier im Faden genannt/gezeigt. Oh,, jetzt in Deutsch- vorbildlich, Danke ! Verwirrt den TE nicht mit dem Fachchinesisch- und daß eine Penthode eine Konstantstromquelle sein soll... wen interessiert sowas- der Begriff an sich ist ja esrt in den letzten Jahrzehnten aufgekommen, und manche Leute bauen auch Konstantstromquellen (ala Bauteil) ein- ich erachte solche Sachen als unnötig. 1. HiFi und schöner Klang- das ist nicht dasselbe. HiFi ist eine willkürliche Festlegung, schöner Klang der persönliche Eindruck. Dazu muß ein Verstärker nicht HiFi sein. AD1 und El84 können die Hifi- Norm sowieso nicht erfüllen, weil die Leistung vorgeschrieben ist. 2. Ältere Röhren können aber top klingen- im Zimmer reichen da 2- 4 Watt. Im Vergleich: Die maximal NÖTIGER Leistung eines Vertärkers wäre... 70 Watt- das ist die Gesamt- Schalleitung eines Orchesters. Im Konzertsaal. Im Zimmer reicht weit weniger. 3. Trioden und Penthoden haben verschiedene Eigenschaften, und solange sie nennenswerte Verzerrungen erzeugen, und das tun sie in althergebrachten Schaltungen- haben sie verschiedenen Klang. Da liegt der Hase im Pfeffer. Telegramm- Beschreibung: Trioden- vorwiegend geradzahlige Harmonische (Obertöne) -> angenehmer Klang Penthoden -ohne Gegenkopplung !!!- vorwiegend ungeradzahlige Harmonische (Obertöne) -> unharmonischer Klang. Penthoden kann man aufgrund ihrer Verstärkung stark gegenkoppeln- damit macht man den Nachteil wett. Transistoren, FET's und IC lasse ich mal weg. Weiter oben war ein Beispiel für eine sehr gute Triode- allerdings in einer über 80 Jahre alten Radio- Endstufe. Klingt "gut". "Sehr gut" kann sie nicht- es sind Frequenzgang- Korrekturen drin, die nur diese Radios haben. Ohne diese Korrekturen würde da noch etwas mehr gehen. Vermutlich bis "sehr gut". Ich könnte ein Röhrenradio vom Ende der Röhren- Ära zum Vergleich bieten- Klang für mich "sehr gut". Ich habe einen älteren Transistor- Verstärker (ca. 1978)- der ist nun die Kröung- keine Verzerrungen, die ich noch messen könnte- kristallklare Wiedergabe, kein "Klang". Manche sagen "klingt hart", Röhre eben "weich". Dann habe ich einen moderneren Verstärker (ca. 2000)- ich höre keinen Unterschied mehr. Das muß mir jemand vormachen, einen Unterschied zu hören. Trotzdem klingen einige Geräte, die noch meßbare Verzerrungen haben, sehr schön- eben der "Röhrenklang". Geräte, die damals aufwendig gebaut wurden, tun sich da hervor- es ist eben ein Unterschied, ob ein billiger Ausgangstrafo, oder ein sorgfältig gewickelter verwendet wird, und eine sorgfältige Bemessung der Arbeitspunkte und Frequenzgänge (weiter oben beschrieben) tut weiteres dazu.
Phasenschieber S. schrieb: > Neu L. schrieb: >> Na dann machen wir das doch. :) > > Das finde ich jetzt gut. Mir juckt es auch in den Fingern soetwas > nochmal zu erstellen. > Das Netz ist ja immernoch voll von guten Bauplänen und solche wurden > auch schon hier im Faden genannt/gezeigt. Ich glaube es wäre super, wenn man bei Null anfangen und alle bauteilen selbst bestimmen würde. Das wäre ein großer Lernwefolg für jeden Neuling. ;)
Neu L. schrieb: > Ich glaube es wäre super, wenn man bei Null anfangen und alle bauteilen > selbst bestimmen würde. Das wäre ein großer Lernwefolg für jeden > Neuling. ;) Nicht unbedingt- nur wenige Sachen sollte man berechnen. Das haben Entwickler früher auch so gemacht- viele Schaltungen folgten Empfehlungen der Bauteile- Hersteller, wurden lediglich angepaßt. Ich empfehle, Selbstbauten aus bewährten Schaltungen zusammenzustellen, nach Materiallage, und die Schaltungen aufeinander anzupassen. Bewährte Schaltungen funktionieren auf Anhieb. das ist dann schon eine Freude, wenn die Endstufe -vielleicht nur mit Treiber- als erstes funktioniert. Dann eben Klangstellglieder. Vorstufen, usw.
Edi M. schrieb: > Ich empfehle, Selbstbauten aus bewährten Schaltungen zusammenzustellen, > nach Materiallage, und die Schaltungen aufeinander anzupassen. Finde ich gut. Lernen durch handeln macht zudem auch mehr Spaß. Ich habe hier noch 2 ECC81, die ich für ein Projekt aus einem Buch nehmen wollte. Leider erwies sich das Buch als nicht sehr lehrreich. Die würde ich gerne hierfühn verwenden. Lässt sich da eine gute Beispielschaltung finden? Ich lese häufig, dass es eine gute Audio-Röhre sein soll.
Diese 2x 10 Watt Stereo Endstufe mit 10 fach verschachtelten ültralinearen Schnittbandkern-AÜ (UL687) von Raphael, habe ich damals nachgebaut. Klanglich ist diese Endstufe perfekt und von einer Transistorendstufe, oberflächlich betrachtet, nicht mehr zu unterscheiden. Lediglich die Optik macht noch mehr her. Und genau aus diesem Grund würde ich so eine Endstufe nicht nochmal bauen müssen. Es ist so wie Edi M. schon sagte. Dann schon eher eine Eintakt-Triodenschaltung (Konzertmeister). Da sind wenigstens die harmonischen Oberwellen noch zu hören. Das macht ja gerade den typischen Röhrensound aus.
Edi M. schrieb: > Verwirrt den TE nicht mit dem Fachchinesisch- und daß eine Penthode eine > Konstantstromquelle sein soll... wen interessiert sowas- Hi, ich habe nirgends behauptet, das eine Pentode eine Konstantstromquelle sei. Lediglich die Funktion des zweiten Gitters, des Schirmgitters, ganz grob mit einem Vergleich zu verdeutlichen versucht. Karl B. schrieb: > Wozu überhaupt ein Schirmgitter? OK. > Extrem kurzer Erklärversuch: Sollte wie eine Konstantstromquelle wirken. Aber falls man es präziser möchte: Zitat: "...Es sorgt durch eine gegenüber der Kathode möglichst konstante Spannung für eine gleichbleibende Beschleunigung der Elektronen Richtung Anode. Durch diese Entkopplung wird der Anodenstrom weitestgehend unabhängig von der Anodenspannung..." /Zitat Quelle: https://de.wikipedia.org/wiki/Schirmgitter ciao gustav
Ralf L. schrieb: > Und genau aus diesem Grund würde ich so eine Endstufe nicht nochmal > bauen müssen. Es ist so wie Edi M. schon sagte. Dann schon eher eine > Eintakt-Triodenschaltung (Konzertmeister). Da sind wenigstens die > harmonischen Oberwellen noch zu hören. Das macht ja gerade den typischen > Röhrensound aus. Genau das lese ich immer wieder. Also muss doch was dran sein. Die 300B ist doch auch eine Triode. Aus meiner Sicht sind die Harmonische Oberwellen ganz wichtig, wenn man echte Musik genießen will. Das braucht unser nichtlineares Gehör.
Soweit ich weiß, werden Konzertsäle so konstruirt, dass die Oberwellen harmonisch abfallen sind (also nichtlinear). Und einen guten Transistor habe ich schon. Ich bräuchte nicht unbedingt was vergleichbaren. ;)
Hi, das führt uns zu der Frage, wieso überhaupt noch ein Gitter zwischen Steuergitter und Anode von den Konstrukteuren eingeführt wurde. Für mehr Leistung.... Interessante Diskussion: Man kann beides haben. https://www.tube-town.de/ttforum/index.php?topic=8034.0 ciao gustav
Auf Jogis Röhrenbude gibt es eine Schaltung mit der ECC81 und der ECC99 als Gegentakt. Das wäre als Eintakt sehr interessant. Die ECC99 hat doch ähnliche Eigenschaften wie die 300B.
Karl B. schrieb: > Lediglich die Funktion des zweiten Gitters, des Schirmgitters, ganz grob > mit einem Vergleich zu verdeutlichen versucht Wir müssen nicht Gleichnisse bemühen, das hat einst ein Hobby- Rabbi aus einem kleinen Wüstenkaff gemacht. Und das endete böse. :-| Die Wiki- Erklärung ist gut und ausreichend. Neu L. schrieb: > Genau das lese ich immer wieder. Also muss doch was dran sein. > Die 300B ist doch auch eine Triode. > Aus meiner Sicht sind die Harmonische Oberwellen ganz wichtig, wenn man > echte Musik genießen will. > Das braucht unser nichtlineares Gehör. Eigentlich... nicht- es ist eine Veränderung des Signals. Wenn eine Röhre als Verstärker arbeiten soll, dann eben nicht in verändernder Weise. Tut sie aber. Ich sage es mal so: "Wenn Klang, dann Röhrenklang". Neu L. schrieb: > Soweit ich weiß, werden Konzertsäle so konstruirt, dass die > Oberwellen > harmonisch abfallen sind (also nichtlinear). Konzertsaal als Klangverbesserer ? Das muß man Tontechniker und Architekten befragen- aber die haben ihre Geheimnisse und Rezepte, die sie in Stein gemeißelt haben- eine Unterhaltung kann da schnell in die Hose gehen (eigene Erfahrung). Neu L. schrieb: > Finde ich gut. Lernen durch handeln macht zudem auch mehr Spaß. > > Ich habe hier noch 2 ECC81, die ich für ein Projekt aus einem Buch > nehmen wollte. Leider erwies sich das Buch als nicht sehr lehrreich. > Die würde ich gerne hierfühn verwenden. > Lässt sich da eine gute Beispielschaltung finden? > Ich lese häufig, dass es eine gute Audio-Röhre sein soll. ECC81 war als HF- Röhre gedacht. Wird nur gelegentlich für NF verwendet- manche bemängeln die Linearität der Kennlinie. Andere schwören auf die kleine Lampe. Irgendjemand hier findet bestimmt eine Schaltung, bei Google finden man etliche Anwendungen, Suchkriterium: "ECC81 Preamp". Da ist die manchmal als Zwischenstufe verbaut- aber das ist ja schon hilfreich- es wird ja nur ein Anhalt gesucht. Ich persönlich würde eine Röhre, die für einen anderen Verwendungszweck gedacht ist, verwenden- aber: Alles genau berechnen. Das wollen Sie ja. Möglicherweise ist ECC81 die ideale Vorröhre für "ihre" bestimmte Endröhre, so daß sich die Nichtlinearitäten der Kennlinie aufheben. http://edi.bplaced.net/?Grundlagen___AD1-_Endstufe-_Triode_vor_Endtriode-_Klirrkompensation
Beitrag "Re: Röhrenverstärker Berechnen" https://www.mikrocontroller.net/attachment/476633/20201019_143559.jpg Hi, genau diese Schaltung links im Bild wurde bei "Jogi" gelegentlich in der Luft zerrissen. Warum? Bei Kontaktproblemen beim Poti für -Ug sind gleich beide Röhren in Gefahr. Sie arbeiten ja im Fixed Biasing (erkennbar auch an relativ niederohmigen Katodenwiderständen), stabilisieren ihren Arbeitspunkt nicht über RKat. Als denkbare Lösung für Kontaktprobleme wurden Parallelwiderstände über Poti oder gleich für jede Röhre separate -Ug Zuführung vorgeschlagen. Also, man sollte nicht gleich alles blind nachbauen. ciao gustav
Neu L. schrieb: > Auf Jogis Röhrenbude gibt es eine Schaltung mit der ECC81 und der ECC99 > als Gegentakt. > Das wäre als Eintakt sehr interessant. Die ECC99 hat doch ähnliche > Eigenschaften wie die 300B. Warum kein Link ?
Karl B. schrieb: > Als denkbare Lösung für Kontaktprobleme wurden Parallelwiderstände über > Poti oder gleich für jede Röhre separate -Ug Zuführung vorgeschlagen. > Also, man sollte nicht gleich alles blind nachbauen. Bild sagt mehr als Worte. ciao gustav
Karl B. schrieb: > Fixed Biasing Ausländisch. Kenn' ich nicht. (Wirklich nicht !) Bitte Erklärung in unserer Sprache. Auch für den Neuling. Karl B. schrieb: > Als denkbare Lösung für Kontaktprobleme wurden Parallelwiderstände über > Poti oder gleich für jede Röhre separate -Ug Zuführung vorgeschlagen. Separate wäre besser, ok. Allerdings eine Schaltung gleich zerreißen... ich würde ein geeignetes Bauteil ohne Kontaktprobleme vorschlagen. Ja, sowas gibt es auch. > Also, man sollte nicht gleich alles blind nachbauen. Absolut Zustimmung.
Edi M. schrieb: > Warum kein Link ? War unterwegs. http://www.jogis-roehrenbude.de/Leserbriefe/Moppert-ECC99-Amp/ECC99-PP.htm
Diese Schaltung habe ich aus einem Buch und finde sie eigentlich recht interessant. Da ich sie aber nicht komplett nachvollziehen kann, habe ich sie nicht gebaut.
Edi M. schrieb: > Karl B. schrieb: >> Fixed Biasing > > Ausländisch. Kenn' ich nicht. (Wirklich nicht !) > Bitte Erklärung in unserer Sprache. Auch für den Neuling. Hi, geht klar, nur diese Begriffe tauchen da immer wieder auf: http://www.lundahl.se/wp-content/uploads/datasheets/amplifier_30wpp.pdf wenn ein Röhrenarbeitspunkt über eine extra negative Spannungsversorgung einjustiert wird, dann spricht man von fester Gittervorspannungserzeugung eben "fixed". {Einige Kennzeichen sind die "relativ hohe" Negativspannung und ein relativ kleiner Widerstandswert für den Widerstand in der Katodenleitung gegen Schaltungsnullpunkt.} Anders sieht das bei der automatischen Gittervorspannungserzeugung aus ("automatic biasing"). Dabei produziert der Strom über den "relativ großen" Widerstand in der Katodenleitung einen so großen Spannungsfall, dass das Gitter relativ negativ wird. Zieht die Röhre jetzt mehr Strom, wird die Gitterspannung in Richtung negativer und damit in Richtung "Zumachen" der Röhre gezogen. Somit wird die Röhre "automatisch" in den für sie sicheren Bereich gefahren. Das Datenblatt gibt dann Aufschluss über die Größe der Widerstandswerte für Katodenwiderstand und Gitterableitwiderstand für die jeweilige Röhre. ciao gustav
Neu L. schrieb: > Da ich sie aber nicht komplett nachvollziehen kann, habe ich sie nicht > gebaut. - Mit dem 500R Tandempoti stellst du den Arbeitspunkt der Endröhre ein. - Der Anschluss GK (Gegenkopplung) kommt an das obere Ende des Übertragers am Ausgang. - Das 47k Tandempoti ist für die Lautstärkeeinstellung, wobei der zweite Potiteil mit dem 47n Kondensator eine Klangkorrektur darstellt.
wow, hier gehts ja richtig ab :-) ist man mal gerade ein paar Minuten wech.... Die Röhre ist also noch nicht tot. Edi M. schrieb: > Oh,, jetzt in Deutsch- vorbildlich, Danke ! Ja, ich bin noch lernfähig geblieben und bin diesbezüglich deiner Meinung. Bei dir scheint jedoch die Lernfähigkeit etwas gelitten zu haben, denn das h in der Pentode scheint für dich Ausdruck deiner Individualität zu sein. Gibs zu, jetzt erstrecht ;-) Sei es drum, das Thema ist sehr interessant. Zum Themenersteller und Berechnungen: Schau dir ein paar Grundschaltungen an und baue sie nach. Zur Feinabstimmung mache es wie ich schonmal geschrieben habe, bei Vorstufen mit reinem R als Arbeitswiderstand, stelle die Anodenspannung auf die halbe Betriebsspannung ein, das passt immer. Bei Endstufen mit induktivem Arbeitswiderstand geht das natürlich nicht, da hälst du dich streng ans Datenblatt, sonst Rauch. Da findest du den richtigen Arbeitspunkt an der Kathodenspannung, was auch gleich dem Anodenstrom entspricht.
Neu L. schrieb: > Ich glaube es wäre super, wenn man bei Null anfangen und alle bauteilen > selbst bestimmen würde. Das wäre ein großer Lernwefolg für jeden > Neuling. ;) Jaa ... aaaber: ich würde das so nicht machen! Ich würde mir die empfohlenen Betriebswerte im Datenblatt anschauen und das erstmal so aufbauen. Später dann verändern/verbessern (Arbeitspunkte, Klangreglung, Rückkopplung). Mit Messungen und Studium der Kennlinien usw. Warum? Die Leute damals hatten sehr viel Erfahrung, sie kannten ihre Röhren und wußten ganz genau was sie taten! Es wäre auch schade, bei den teuren Bauteilen (Trafos, Röhren) irgendwo entscheidend an Klang zu verlieren, nur weil ein Arbeitspunkt etwas daneben liegt weil ein Widerstand 'mal so' genommen wurde. Das bedeutet ja nicht, eine Schaltung 1:1 nachzubauen. Lernen wirst Du ohnehin genug. Mißerfolge, Fehler - daraus lernt man ebenso wie aus Erfolgen. Ich hänge hier mal den Plan des Fender Champ II an. Das ist ein Gitarrenverstärker der sehr puristisch aufgebaut ist. Kein HiFi! Als Anlage würde er grausam klingen. Aber die grundlegenden Prinzipien bleiben: - Gute Bauteile (Röhren, Trafos, Kondensatoren im Signalzweig). - Gute Spannungsversorgug. Alle Stufen von grob - mittel - fein (End-, Treiber- & Vorstufe). - Minimalistisches Schaltungskonzept. Kein Bauteil zu viel. Alles großzügig dimensioniert (Spg.-Festigkeit). - Freie Verdrahtung. Also kein Layout sondern frei verdrahtet. Mit Lötösen, die Fassungen der Röhren dienen auch als Stützpunkte. Diesen Fender habe ich vor fast 40 Jahren für 400,- Mark gekauft, heute ist er das doppelte in Euro wert aber ich würde ihn nicht hingeben! Ich glaube, er hat 15 Watt aber ich drehe ihn selten auf. Lautsprecher hart aufgehängt Vorstufe und Treiber: 2x Doppeltriode 7025 (aka 12AX7 aka ECC83). Endstufe: 2x 6L6GC in Push-Pull. Die 'wilde Verdrahtung' hat Vorteile: man kommt an alle Bauteile dran, Änderungen sind ohne Probleme möglich, die Masseführung (zentraler Massepunkt und dicke Querschnitte) ist solide. Nachteilig sind parasitäre Kapazitäten, die sind aber Teil des Gesamtkonzeptes. Neu L. schrieb: > Aus meiner Sicht sind die Harmonische Oberwellen ganz wichtig, wenn man > echte Musik genießen will. > Das braucht unser nichtlineares Gehör. Stichwort: k2, k4, usw werden subjetiv als angenehm empfunden; k3, k5, usw eher als disharmonisch. Ultralinear und Trioden Class-A erzeugen, bedingt durch die Kennkine, mehr k2, k4, usw. Da gibt es aber wieder endlose, zu nichts führende Diskussionen. Die einen bevorzugen einen Verstärker mit Gesamtklirrfaktor <0,1%. Für andere (mich auch) ist ein Verstärker quasi ein Instrument in der gesamten Kette. Schließlich hören wir Musik und keine Sinustöne. Den mit Abstand größten Anteil an Verzerrungen und Nichtlinearitäten im Frequenzgang haben sowieso die Lautsprecher. Zu Deinem Konzept: mit der ECC83/12AX7 als Vorstufe und der EL84 kannst Du eigentlich nichts verkehrt machen (außer mal irgendeinen Widerstand zu nehmen). Und wie gesagt: mit den AÜs kannst Du dann auch Ultralinear, Class-A, Pentoden- & Triodenbetrieb ausprobieren. Mohandes
Phasenschieber S. schrieb: > Sei es drum, das Thema ist sehr interessant. Ich komme eigentlich aus der Mikrokontrolle-Ecke. Das Thema Röhren ist wie schon gesagt sehr neu für mich, aber sehr interessant. >> Zum Themenersteller und Berechnungen: Schau dir ein paar > Grundschaltungen an und baue sie nach. Zur Feinabstimmung mache es wie > ich schonmal geschrieben habe, bei Vorstufen mit reinem R als > Arbeitswiderstand, stelle die Anodenspannung auf die halbe > Betriebsspannung ein, das passt immer. > Bei Endstufen mit induktivem Arbeitswiderstand geht das natürlich nicht, > da hälst du dich streng ans Datenblatt, sonst Rauch. > Da findest du den richtigen Arbeitspunkt an der Kathodenspannung, was > auch gleich dem Anodenstrom entspricht. Ich werde mir am Wochenende erst mal ein Testboard aufbauen. Nach ein paar Tagen Bastelei, ist mir das einfach zu viel Chaos auf dem Tisch. Und auch nicht ganz ungefährlich. Ist ja kein TTL Pegel wie beim uC. Das Messen war auch nicht so optimal.
Karl B. schrieb: > wenn ein Röhrenarbeitspunkt über eine extra negative Spannungsversorgung > einjustiert wird, dann spricht man von fester > Gittervorspannungserzeugung eben "fixed". Danke für die Erklärung des "fixed biasing". Dachte ich mir, was Sie schreiben- aber ich kenne solche Fachausdrücke oft nicht. Wozu auch. "Feste Gittervorspannung" ist ein seit ...zig Jahrzehnten eindeutiger Begriff- da muß ich nicht ausländische Begriffe benutzen, um mich als besonders schlau darzustellen. Im Prinzip ist das bei der angegebenen Schaltung in Anwendung- der Einsteller ist jedoch kein "Bias- Steller", wie oft in Verstärkern üblich. Das sind üblicherweise zwei. Hier ist es ein Ausgleichs- bzw. Balance- Steller, der lediglich auf gleiche Kathodenströme eingestellt wird, egal, wo der eigentlich günstige Arbeitspunkt ist. Spar- Lösung, nur ein Steller nötig. Phasenschieber S. schrieb: > Ja, ich bin noch lernfähig geblieben und bin diesbezüglich deiner > Meinung. > Bei dir scheint jedoch die Lernfähigkeit etwas gelitten zu haben.. Kann sein. Als Opa darf ich das. :-) Mohandes H. schrieb: >> Aus meiner Sicht sind die Harmonische Oberwellen ganz wichtig, wenn man >> echte Musik genießen will. >> Das braucht unser nichtlineares Gehör. > > Stichwort: k2, k4, usw werden subjetiv als angenehm empfunden; k3, k5, > usw eher als disharmonisch. Ultralinear und Trioden Class-A erzeugen, > bedingt durch die Kennkine, mehr k2, k4, usw. Das ist richtig- bei heutigen Verstärkern sind diese Obertöne aber so gering, daß es Voodoo ist, da noch was zu hören. Erst recht, die Geräte nach "Klang" zu erkennen. Soviel ich weiß, hat dazu noch niemand einem nach wissenschaftlichen Maßstäben durchzuführendem Test zugestimmt. Bei Eintakt- A- Endstufen klassischer Bauart spielt das eine Rolle. Aber selbst die bekommt man mit hochwertigen BAuiteilen und top abgestimmten Schaltungen auf Traumwerte, so daß Obertöne eigentlich keine Rolle spielen sollten. Aber es gibt ja immer wieder Leute mit Dumbo- Ohren, die bei einer Live- Konzertübertragung aus Peking einen miesen Oberton durch die abgebroche Spitze einer im Konzertsaal fallengelassenen Nähnadel ausmachen können. Mohandes H. schrieb: > Zu Deinem Konzept: mit der ECC83/12AX7 als Vorstufe und der EL84 kannst > Du eigentlich nichts verkehrt machen (außer mal irgendeinen Widerstand > zu nehmen). Und wie gesagt: mit den AÜs kannst Du dann auch Ultralinear, > Class-A, Pentoden- & Triodenbetrieb ausprobieren. Das ist ein bewährtes Konzept, und für einen Kleinverstärker wirklich die besten Röhren.
Edi M. schrieb: > Das ist richtig- bei heutigen Verstärkern sind diese Obertöne aber so > gering, daß es Voodoo ist, da noch was zu hören. Erst recht, die Geräte > nach "Klang" zu erkennen. > Soviel ich weiß, hat dazu noch niemand einem nach wissenschaftlichen > Maßstäben durchzuführendem Test zugestimmt. Wer sollte da zustimmen? Da brauche ich niemanden um Erlaubnis zu fragen ... Nur zur Klarstellung: dabei sprach ich von Gitarrenverstärkern. Wobei das natürlich sinngemäß auch für HiFi-Verstärker gilt. Einem Röhrenverstärker würde ich ich im Gegensatz zu einem Transistorverstärker einen Klirr von 1% zugestehen, und dann lieber k2, k4, usw. Anders als bei Transistorverstärkern wo der Klirr ab einer berstimmten Leistung rapide steigt geht ein Röhrenverstärker langsam in die Verzerrung. Das ist beim Gitarrenverstäker erwünscht. Mein Fender Champ ist für Gitarrenverhältnisse eher 'clean'(*) (typisch Fender). Wenn ich Distortion(*) haben möchte, dann schalte ich eine Stufe davor. Erstens bringt diese Vorstufe die Eingangsröhre des Fender langsam in die Verzerrung, zweitens kann die Vorstufe als Effektgerät selber übersteuern. Da ich das selber baue habe ich alle Möglichkeiten. Ich habe einige Distortion(*) gebaut, mit OPs, mit Transistoren, mit Röhren und gemischt. Gerade baue ich ein Ibanez TS-9 nach, besteht aus zwei OPs die Verzerrung und Klangreglung machen, jeweils ein Transistor als Puffer am Ein- und Ausgang. Das TS-9 wird seit 40 Jahren fast unverändert gebaut bzw. immer wieder neu aufgelegt weil es klanglich so überragend ist. Nachbau lohnt sich eigentlich nicht, alleine das Gehäuse ist aufwendig. Lohnt sich aber doch, denn ich kann am Klang tüfteln bis er für mich perfekt ist! War jetzt ein wenig off-topic aber sinngemäß gilt das ja auch für Verzerrungen beim HiFi-Verstärker. (*) Und nun bitte nicht wieder diese gender-deutsch-englisch-Debatte. Die Begriffe 'wet' und 'clean' sind unter Musikern üblich - niemand würde 'naß' und 'trocken' sagen. 'Booster', 'Overdrive', 'Distortion', 'Fuzz' u. a. (hier mit steigendem Eskalationsgrad) stehen auch für bestimmte, aber in Details unterschiedliche Effekte die mit dem Wort 'Verzerrung' absolut unzureichend beschrieben werden.
Neu L. schrieb: > Ich komme eigentlich aus der Mikrokontrolle-Ecke. > Das Thema Röhren ist wie schon gesagt sehr neu für mich, aber sehr > interessant. Ich hingegen weiß wenig über Mikrokontroller (außer ein wenig fast vergessenem Assembler, den Prozessor kennt kaum noch jemand). Finde ich auch interessant aber man kann nicht auf allen Gebieten gut sein. Analogtechnik hat schon ihren Reiz!
Neu L. schrieb: > Diese Schaltung habe ich aus einem Buch und finde sie eigentlich recht > interessant. Da ich sie aber nicht komplett nachvollziehen kann, habe > ich sie nicht gebaut. Die Mühe würde ich mir aber schon machen. Die Schaltung ist doch simpel. Es macht Sinn, eine gute Schaltung im Detail nachzuvollziehen, sie zu berechnen bzw. in den Kennlinien einzuzeichnen. Sonst: einfach fragen, sind ja ein paar kompetente Leute hier. Es ist immer gut, sich von anderen Schaltungen inspirieren zu lassen. Bevor ich etwas baue schaue ich mir so viel wie möglich andere Schaltungen an. Warum hat dieser Widerstand dort diesen Wert? Wieso ist da ein Kondensator? Und mit anschauen meine ich nicht, sich viele Schaltungen im Schnelldurchlauf anzusehen. Sondern besser, sich erstmal eine Schaltung vorzuknöpfen und diese dann so lange zu studieren bis man sie geistig durchdrungen hat!
Phasenschieber S. schrieb: > Man liebt das eine oder andere, oder beides oder mag es garnicht, > oder.... Wenn wirklich Du (als eindeutiger "Röhren-Möger") diese Einstellung voll und ganz vertrittst, ist das sozusagen "wirklich wunderbar". Meist polarisiert das Thema so stark, daß offene, harte Gefechte mit teils völlig übertriebenen Schimpfwort-Salven ausgetragen werden. Phasenschieber S. schrieb: > Wenn mal einer einem Cello voll in die Saiten greift, sind deine 10W > ganz schnell aufgebraucht! Geringe Aussteuerung sorgt auch für hohe Klangtreue - auch oben/unten. Da es bei Röhren eh nicht um hohen Wirkungsgrad geht, könnte man alles weit unter der Belastungsgrenze betreiben, für maximale Dynamik.
Mohandes H. schrieb: > Wer sollte da zustimmen? Da brauche ich niemanden um Erlaubnis zu fragen > ... Was soll den das jetzt ? Der Satz, auf den sich das bezieht, eine ganz allgemeine Feststellung, deutschlandweit, europaweit... sonstwas. Es geht um die Behauptung an sich, Unterschiede bei niedrigstem Klirr zu hören. Vielleicht gibt es inzwischen auch eine solche Untersuchung- ich kenne keine. Ich bin auch überzeugt, wenn das geht, muß es sich messen lassen, wenn nicht, ist der Meßtechniker zu doof. In den Kreisen der Audio- Voodoo- Priester kann man aber auch nicht Meßbares hören. Da gibt es reelrechte "Glaubenskriege". > Anders als bei Transistorverstärkern wo der Klirr ab einer berstimmten > Leistung rapide steigt geht ein Röhrenverstärker langsam in die > Verzerrung. Das ist beim Gitarrenverstäker erwünscht. Gitarrenverstärker sind eher nicht gefragt- aber ja- Gitarristen mögen Verstärker mit deutlichem "Klang". Deren Wortschatz interessiert mich nun wenig. Die Bezeichnungen kenne ich teilweise. Ich spiele übrigens auch Instrumente- und benenne z. B. beim Dudelsack den Tonerzeuger aöls "Reed", die auf 2 tiefere Harmonische abgestimmten Tonerzeuger/ Resonanzkörper als "Bass- Drones und Tenor Drones", usw. Ich spiele auch auf dem Keyboard oder Synthesizer- aufgrund der vielen Instrumentenstimmen fand man wohl kein passenderen Namen- Heimorgel paßt nicht wirklich, es sein denn, für ein Harmonium, das hat aber schon seinen Namen. Und nenne ein Transistor auch so, wissend, daß die Bezeichnung aus dem Englischen kommt. Das sind alles Eigennamen. Und der bleibt so. Haben wir in der 1. Klasse schon gelernt. Mohandes, sie sind doch sonst nicht so schwer von Begriff. Im Deutschen gibt es absolut genug Worte und Begriffe, etliche bereits als feststehender Begriff vorhanden (wie vorhin Vorspannung/ Bias), so daß man keinen englich- deutschen, denglischen oder sonstwelchen Kauderwelsch brabbeln muß- und wie schon zweimal geschrieben- nirgends wird die eigene Sprache so versaut. Das beginnt aber schon bei den Lehrern. Sehe ich oft, wenn ich in Schulen arbeite. Bleiben wir bei dem Konzept, was vorgeschlagen wurde- ECC83 und EL84 gewährleisten bei sorgfältigem Aufbau ein gutes Ergebnis, das ist mit entsprechenden Bauteilen naoch enorm "aufzubohren" bis hin zu zigfach geschachtelten Ausgangsübertragern mit Voll- Silberdraht, Spezialkondensatoren und auf's Mü selektierten Röhren, und zum Schluß natürlich den feinsten Lautsprechern... geschweige denn dem ganzen Voodoo- Kram. Und bei anderer Materiallage, wie der TE vorschlägt, ECC81, schnappt man sich Stufe für Stufe, und berechnet Arbeitspunkte, Pegel und Gegenkopplungen, Frequenzgänge, Rauschen, u.v.m., testet das, macht Messungen, und verwirft die Sache, oder ist zufrieden. Schon sowas ist -im Gegensatz zum sturen Nachbauen, eine tolle Sache, und wenn man das gut hinbekommt, hat man sich selbst einen Wertgegenstand geschaffen. Hier schon angesprochen, NF- Verstärker ohne AÜ, mit zwei Händen voller Kleinleistungsröhren, parallel geschaltet, sowas kommt in ein Radio- Projekt bei mir rein- sowas wurde industriell nie in einem Radio verbaut, ebenfalls ein Gegentakt- Demodulator aus den 30er Jahren, 5 Dreifach- Drehkos, mechanisch gekoppelt, Quecksilberdampf- Gleichrichter, u. v. m., alles Schaltungen, die überholt und unsinnig sind. Ich will eben was Eigenes, nicht stur nachbauen- was ich mit vorgefertigten Baugruppen mühelos könnte. Ich hoffe, der TE macht sein Gerät weiter fit- ich bin gespannt.
Edi M. schrieb: > Und nenne ein Transistor auch so, wissend, daß die Bezeichnung aus dem > Englischen kommt. "Latein"-Anteile sind eh mehr oder weniger weit verteilt in Europa.
Edi M. schrieb: > Hier schon angesprochen, NF- Verstärker ohne AÜ, mit zwei Händen voller > Kleinleistungsröhren Das interessiert mich auch sehr. Ich hatte bereits nach "Röhrenverstärker ohne Ausgangsübertrager" und ähnlichem gesucht, aber bisher keine Schaltung finden können. Hat jemand eine Schaltplan dafür oder einen link zu mehr Informationen?
Luftmangel schrieb: > Da es bei Röhren eh nicht um hohen Wirkungsgrad geht, könnte man alles > weit unter der Belastungsgrenze betreiben, für maximale Dynamik. Zu kurz gehupft! Es ist ein Unterschied, ob man zwei oder drei Röhrenstufen hat. Eine Triode kann nicht die Verstärkung bringen, im Gegensatz zu einer Pent(h)ode. Deshalb braucht man dann eine Stufe mehr. Und warum schielen viele Neubastler gern auf Schaltungen mit Trioden oder Tetroden in der Endstufe? Weil die von den Amis kommen, weil ja dort alles besser ist. Dazu sollte man aber etwas die Geschichte kennen. Es gab einen Rechtsstreit zwischen amerikanischen und europäischen Röhrenherstellern. Die Europäer (Philips, Telefunken...) durfte die Tetrode nicht nachbauen. Mit Trioden aber konnte die Qualität und Leistung für NF-Endstufen nur schwer erreicht werden. Deshalb wurde dann die Endpentode erfolgreich entwickelt. Fazit, im Amiland durfte keine Endpentode entwickelt werden und in Europa keine Endtetroden. So habe ich es mal gelesen. Nochwas zur 2xEL84 und fester Gittervorspannung. Die Entwickler und Produzenten müssen ja unwissend, dumm, dämlich, ... gewesen sein. Weil sie die feste Gittervorspannung nur zu Meßzwecken gestattet haben. Schade, dass sie alle tot sind und sich nicht von den Neubastlern hätten belehren lassen.
Ben schrieb: > Ich hatte bereits nach "Röhrenverstärker ohne Ausgangsübertrager" und > ähnlichem gesucht, aber bisher keine Schaltung finden können. Da hast du aber ganz schlecht gesucht. Schau dir mal den VE301 an, und seine Nachkömmlinge. Bei Freischwinger-Lautsprechern brauchte man den nicht. Die Impedanz war hoch genug. Bei Dyn. Lautsprechern geht das aus technischen Gründen nicht. Deshalb ein AÜ.
Ich hatte mich eigentlich hierauf bezogen: Edi M. schrieb: > Da fällt mir noch eine Schaltung ein, die ein Amerikaner entwickelt hat, > der hat 2 Vorröhren, und 10- 20 (!) parallel geschaltete Endröhren, > kleine Doppeltrioden, und KEINEN TRAFO, das Ding hat auch die Eckwerte, > wie beschrieben. Da geht es ja darum, dass durch die besagten parallel geschalteten Röhren, der Übertrager nicht benötigt wird. Das ist ja was anderes als beim VE301. Ist vielleicht Spielerei aber dennoch interessiert es mich. Zum Basteln und rumprobieren gut geeignet ;-)
Ben schrieb: > Das ist ja was anderes als beim VE301. Ist nicht anders. Wichtig ist die Impedanz. Mit seiner Schaltung mit mehreren Röhren wrd ein niedrigerer Innenwiderstand erreicht. Am Ende der Röhrenzeit gab es eine Serie für Autoradios mit nur 12V. Evtl. könnte man damit experimentieren. Lautsprecher mit 16Ohm sind nicht unrealistisch.
Ben schrieb: > Röhrenverstärker ohne Ausgangsübertrager" und ähnlichem gesucht, aber > bisher keine Schaltung finden können. > Hat jemand eine Schaltplan dafür oder einen link zu mehr Informationen? Such mal nach 'OTL'. Output TransformerLess. Das sind Konzepte die ohne AÜ auskommen. Ist aber nicht ohne und hat einige Nachteile. Problem: Röhren sind generell hochohmig, d.h. das geht nur mit wenigen Typen oder mit massiver Parallelschaltung.
Hier habe ich was auf die Schnelle gefunden. http://www.jogis-roehrenbude.de/Bastelschule/Autosuper/Autoradio.htm Da wird eine Endröhre 12K5 genannt.
Mohandes H. schrieb: > Problem: Röhren sind generell hochohmig, d.h. das geht nur mit wenigen > Typen oder mit massiver Parallelschaltung. Und mit einem Wirkungsgrad, der gegen Null geht :-)
michael_ schrieb: > Schau dir mal den VE301 an, und seine Nachkömmlinge. Den VE301 kannst Du nicht mit heutigen Schaltungen vergleichen, schon alleine wegen des Freischwingers. Aber als Empfänger mit wenigen Bauteilen ist der VE schon spitze. Das war damals High-Tech. Da steckt viel Erfahrung drin. Auch eine Form von Minimalismus.
michael_ schrieb: > Und mit einem Wirkungsgrad, der gegen Null geht :-) Das stimmt, aber wer fragt bei Röhren schon nach Wirkungsgrad?
Heutige Schaltungen gibt es nicht, die wären mindestens 50 Jahre alt. Einen Freischwinger kann man locker mit 8Ohm realisieren. Mit modernen Materialien vielleicht auch einen guten Klang. Ist aber leider kein Bedarf da.
Mohandes H. schrieb: > Das stimmt, aber wer fragt bei Röhren schon nach Wirkungsgrad? Deine Haushaltskasse, wenn ein Großsuper mit 150 Watt als Küchenradio den ganzen Tag dudelt.
@michael_ (Gast): Danke für den link, super. Obwohl ich Jogi´s Seite kenne, hatte ich die Schaltung noch nicht gesehen. Mohandes H. schrieb: > Such mal nach 'OTL'. Output TransformerLess. Super, danke auch dir, das nach dem OTL suchen war ein guter Tipp.
Mohandes H. schrieb: > und dann lieber k2, > k4, usw. Ich galube das wäre sehr angenehm auf den Ohren. Wie bekommt man das technisch umgesetzt?
Mohandes H. schrieb: > Neu L. schrieb: >> Ich komme eigentlich aus der Mikrokontrolle-Ecke. >> Das Thema Röhren ist wie schon gesagt sehr neu für mich, aber sehr >> interessant. > > Ich hingegen weiß wenig über Mikrokontroller (außer ein wenig fast > vergessenem Assembler, den Prozessor kennt kaum noch jemand). Finde ich > auch interessant aber man kann nicht auf allen Gebieten gut sein. > Analogtechnik hat schon ihren Reiz! Spannend finde ich, wie unterschiedlich doch die zwei Wellten sind. In der Digitaltechnik ist alles schon recht klar definiert. Alles ist berechenbar. In der Röhrentechnik ist das irgendwie nicht so. Man muss messen, kontrollieren und immer wieder nachjustieren. Ohne Erfahrung echt schwierig. Ein uC ist auch fest eingeplant. :) Ich denke da an einen digitalen Audioumschalter, dezente LED-Beleuchtung, ein kleines Display, eventuell eine Fernbedienung für lautstärke und Umschalter.
Denke ich werde die SE-Geschichte aus dem Buch einmal nachbauen und schauen was da messtechnisch bei rum kommt. Eventuell würde ich noch einen Kuhschwanzfilter mit einbauen. Wie kann ich den am besten schaltbar machen? Sodass ich den im Bedarfsfall überbrücken kann.
Ich habe gestern noch ein wenig in einem Buch geblättert. Dort wird häufig eine Kaskadenschaltung gezeigt und gelobt. Macht es Sinn sowas für die erste Stufe zu nutzen?
Neuling N. schrieb: > Ich habe gestern noch ein wenig in einem Buch geblättert. Dort > wird > häufig eine Kaskadenschaltung gezeigt und gelobt. > Macht s Sinn sowas für die erste Stufe zu nutzen? Meinst Du Kaskade oder Kaskode? https://de.wikipedia.org/wiki/Kaskode ciao gustav
Neuling N. schrieb: > Wie kann ich den am besten > schaltbar machen? Sodass ich den im Bedarfsfall überbrücken kann. Warum willst du den schalten? Wenn die Regler mittig stehen, solltest du einen linearen Frequenzgang haben. Hier eine Seite wo du dir viele Ideen und Anregungen holen kannst: http://www.roehrenkramladen.de/default.html Ganz super find ich so eine Aussteuerungsanzeige mit Röhre, wie in manchen Schaltplänen da gezeigt, macht optisch viel daher. Ich sehe gerade: Kaskodenschaltung ist in den Plänen des Links auch enthalten.
Karl B. schrieb: > Meinst Du Kaskade oder Kaskode? > https://de.wikipedia.org/wiki/Kaskode Kaskode. Sorry. Wi Anhang also.
Neuling N. schrieb: > Macht es Sinn sowas für die erste Stufe zu nutzen? Kaskodenschaltungen rauschen weniger bei gleichzeitig hoher Verstärkung. Werden hauptsächlich für rauscharme Vorstufen eingestzt.
Phasenschieber S. schrieb: > Ganz super find ich so eine Aussteuerungsanzeige mit Röhre, wie in > manchen Schaltplänen da gezeigt, macht optisch viel daher. Ich habe schon ein paar Veruche mit der EM80 gemacht. Bin schwer angetan von dieser Röhre. Die kommt auf jeden Fall mit. Aber das hat noch etwas Zeit denke ich.
Phasenschieber S. schrieb: > Neuling N. schrieb: >> Macht es Sinn sowas für die erste Stufe zu nutzen? > > Kaskodenschaltungen rauschen weniger bei gleichzeitig hoher Verstärkung. > > Werden hauptsächlich für rauscharme Vorstufen eingestzt. Hohe Verstärkung und weniger Rauschen hört sich doch gut an.
Neuling N. schrieb: > Mohandes H. schrieb: > >> und dann lieber k2, >> k4, usw. > > Ich galube das wäre sehr angenehm auf den Ohren. > Wie bekommt man das technisch umgesetzt? Trioden verwenden. Tun Sie ja. Das ist ja, was Triodenverstärkern nachgesagt wird- daß sie bevorzugt geradzahlige Harmonische erzeugen. Nur- soll ein Verstärker eben KEINE anderen Töne erzeugen. Und- man bekommt heute beide, Triodenverstärker und Penthodenverstärker, auf so geringe Klirrfaktoren getrimmt, daß eigentlich kein "Klang" entstehen sollte. Wie ist der jetzige Status des Eigenbaus (aktueller Schaltplan mit Spannungsangaben) ? Mit welchen Röhren ? Funktioniert jetzt gut ? Oder doch lieber andere Röhre(n) ?
Edi M. schrieb: > Und- man bekommt heute beide, Triodenverstärker und Penthodenverstärker, > auf so geringe Klirrfaktoren getrimmt, daß eigentlich kein "Klang" > entstehen sollte. Irgendwie schade. Aber beides ist ja möglich. Also kann jeder selbst entscheiden was er möchte. > Wie ist der jetzige Status des Eigenbaus (aktueller Schaltplan mit > Spannungsangaben) ? > Mit welchen Röhren ? > Funktioniert jetzt gut ? > Oder doch lieber andere Röhre(n) ? Ich würde das aktuell Konzept nicht weiter verfolgen und stattdessen den Aufbau aus dem Buch nehmen. Diese ist schaltungstechnisch fast identisch aufgebaut. Ich würde eventuell für die erste Stufe eine Kaskodenschaltung aufbauen. Muss mir das nochmal genau nachlesen. Sowie es im Buch beschrieben war, ist wohl nicht kede Röhre dafür geeignet. Als Endstufe würde ich die ECC99 nehmen und beide Systme parallel schalten. Die AÜs die ich bestellt habe würden dazu auch gut passen. Das mal so als Grungidee. Alles andere muss man dann mal ausprobieren.
Neuling N. schrieb: > Irgendwie schade. > Aber beides ist ja möglich. > Also kann jeder selbst entscheiden was er möchte. Man kann ja eine historische Schaltung, evtl. mit historischen Teilen (Röhren, AÜ) bauen. Dann hat man den "Klang". Und- manche lieben den genau so. Neuling N. schrieb: > Ich würde das aktuell Konzept nicht weiter verfolgen und stattdessen den > Aufbau aus dem Buch nehmen. Diese ist schaltungstechnisch fast identisch > aufgebaut. Welchen Aufbau (Schaltung) ? Neuling N. schrieb: > Ich würde eventuell für die erste Stufe eine Kaskodenschaltung aufbauen. > Muss mir das nochmal genau nachlesen. Sowie es im Buch beschrieben war, > ist wohl nicht kede Röhre dafür geeignet. Bietet m. E. für einen NF- Verstärker keine Vorteile- die übliche Vorröhre ECC83 tut's perfekt- die von Ihnen angedachte ECC81 wird es -mit Anpassung- auch tun. Neuling N. schrieb: > Als Endstufe würde ich die ECC99 nehmen und beide Systme parallel > schalten. > Die AÜs die ich bestellt habe würden dazu auch gut passen. Sicher ? Üblicherweise haben Trioden- AÜ's geringere Impedanzen als solche Penthoden. Etwa AD1: 1,5 -2,5 KOhm, EL84: 4- 5 KOhm. Vielleicht sollten Sie die erforderliche Impedanz für 2 parallele Trioden nachrechnen- aber die Auswahl an Trioden- AÜ's ist sowieso begrenzt. Es gibt aber genug AÜ's für Trioden und Penthoden, Eintakt und Gegentakt. Hier ist eine gute Auswahl, und nicht besonders teuer: http://askjanfirst.de/dindex.htm?/atrafo.htm Gut geeignet für Eintakt- Triode: ATRA0238, geschachtelt, vakuumgetränkt. 38 Eu ist ok. Ich bin kein Verstärkerbauer, kenne ihn nur vom Katalog, ich habe auch nur weinige Geräte mit Endtrioden.
Edi M. schrieb: > Neuling N. schrieb: >> Ich würde das aktuell Konzept nicht weiter verfolgen und stattdessen den >> Aufbau aus dem Buch nehmen. Diese ist schaltungstechnisch fast identisch >> aufgebaut. > > Welchen Aufbau (Schaltung) ? Ich mache nachher mal eine Skitze und poste sie dann. > Bietet m. E. für einen NF- Verstärker keine Vorteile- die übliche > Vorröhre ECC83 tut's perfekt- die von Ihnen angedachte ECC81 wird es > -mit Anpassung- auch tun. Ich meine in der Schaltung aus dem Buch war auch die ECC83 beschrieben. Dann könnte ich ja meine 12AX7 dafür nutzen. > Sicher ? Auch diese Schaltung habe ich aus einem Buch. Ich würde diese erst mal genau so aufbauen. Optimieren kann man immer noch.
Edi M. schrieb: > Üblicherweise haben Trioden- AÜ's geringere Impedanzen als solche > Penthoden. Etwa AD1: 1,5 -2,5 KOhm, EL84: 4- 5 KOhm. Ich habe das mal nachgerechnet. Ein 2,5k Übertrager würde tatsächlich besser passen. Warum wird denn hier ein 5,2K eingesetzt? Eventuell wegen der Parallelschaltung?
Hi, da hier gerne dimensioniert und berechnet wird, ist mir gerade ein File über den Weg gelaufen. Es ist aber um 90 Grad gedreht dargestellt, scheint normal da. Tafelwerk wohl deswegen, da Exceltabellen(tafeln). https://roehrenfibel.files.wordpress.com/2008/07/tafelwerk1.pdf ciao gustav
Karl B. schrieb: > Hi, > da hier gerne dimensioniert und berechnet wird, ist mir gerade ein File > über den Weg gelaufen. Es ist aber um 90 Grad gedreht dargestellt, > scheint normal da. > Tafelwerk wohl deswegen, da Exceltabellen(tafeln). > > https://roehrenfibel.files.wordpress.com/2008/07/tafelwerk1.pdf > Habe mal die Seiten gedreht. :) Schönes Dokument. Danke.
Neuling N. schrieb: > Warum wird denn hier ein 5,2K eingesetzt? > Eventuell wegen der Parallelschaltung? Parallelschaltung würde die Impedanz halbieren! Nicht verdoppeln.
Phasenschieber S. schrieb: > Neuling N. schrieb: >> Warum wird denn hier ein 5,2K eingesetzt? >> Eventuell wegen der Parallelschaltung? > > Parallelschaltung würde die Impedanz halbieren! > Nicht verdoppeln. Plausibel. Die Stromaufnahme würde sich verdoppeln (Ruhestrom). Richtig?
Phasenschieber S. schrieb: > Parallelschaltung würde die Impedanz halbieren! > Nicht verdoppeln. Ja, ist aber eine ECC88 im Parallelberieb, da passen die 5k2 wieder.
Mohandes H. schrieb: > Ja, ist aber eine ECC88 im Parallelberieb, da passen die 5k2 wieder. Jo, aber ich denke er sollte umdesignen, eine ECC88 hatte ich mal als Empfängereingangsstufe; als Endstufe ist sie etwas zu schmalbrüstig, auch bei Parallelbetrieb.
Mohandes H. schrieb: > Phasenschieber S. schrieb: >> Parallelschaltung würde die Impedanz halbieren! >> Nicht verdoppeln. > > Ja, ist aber eine ECC88 im Parallelberieb, da passen die 5k2 wieder. Würde dann aber nicht mehr Leistung bedeuten, oder?
Neuling N. schrieb: > Habe mal die Seiten gedreht. Seite 14 wurde nicht mitgedreht. Aktualisierung anbei.
Mohandes H. schrieb: > Ja, ist aber eine ECC88 im Parallelberieb, da passen die 5k2 wieder. Ich würde auch eine recht hohe Impedanz für den Trafo annehmen- die ECC88 ist ja gar keine Endröhre. Würde ich auch gar nicht erst durchrechnen- dann lieber gleich für eine geeignetere Röhre. WIe geschrieben, der beim Wüstenjan angebotene Trafo dürfte alle Wünsche für eine Eintakt- Trioden- Endstufe erfüllen, auch wenn er für AD1, 2A3 oder 300B gedacht ist. Vakuumtränkung und geschachtelte Wicklungen sind schon mal wertig, und zwei Impedanzen werden ja geboten. Auch wenn die Impedanz vielleicht berechnungsmäßig übereinstimmt- besser, als ein Penthoden- AÜ dürfte der sein, und wenn der Verstärker gut läuft, kann man ja später durchaus auf eine der genannten Endtrioden wechseln. Übrigens kann man solche Sachen auf ein Modulchassis bauen, und die Stufen einzeln ausbauen, umarbeiten und wieder einsetzen, habe ich auch schon ausgeführt (Foto)
Edi M. schrieb: > WIe geschrieben, der beim Wüstenjan angebotene Trafo dürfte alle Wünsche > für eine Eintakt- Trioden- Endstufe erfüllen, auch wenn er für AD1, 2A3 > oder 300B gedacht ist. > Vakuumtränkung und geschachtelte Wicklungen sind schon mal wertig, und > zwei Impedanzen werden ja geboten. Mir gefällt bei dem Übertrager nicht, dass er verschweißt ist. Das ist eher negativ für ein homogenes Magnetfeld.
Edi M. schrieb: > die ECC88 ist ja gar keine Endröhre. Das wollte ich auch gerade schreiben. Die ECC88 ist ja eigentlich eine Vorstufen- oder Treiberröhre. Auch bei Parallelbetrieb bleibt eine grobe Fehlanpassung. Neuling, Du hast doch schon die Trafos für die EL84, oder ins Auge gefaßt. Dann würde ich gleich Nägel mit Köpfen machen und die Endstufe mit EL84 aufbauen. Dann kannst Du sie im Pentoden-, Trioden- und Ultralinearbetrieb testen. Du wirst erstaunt sein, was das für ein klanglicher Unterschied zu einer Doppeltriode a la Eccxx ist. Die EL84 ist eine der glücklichstichen Konstruktionen aus den 50er-Jahren und wird bis heute gebaut! Trotz der kleinen Kolbens kann sie 5W als single ended und 15W in push-pull. Und klanglich ist die EL84 einfach klasse! Edi M. schrieb: > Übrigens kann man solche Sachen auf ein Modulchassis bauen Das sieht gut aus! Klassischer Aufbau von Radios bis Anfang der 60er. Unten vermutlich mit Lötleisten bzw die Fassungen als Lötstützpunkte? Gibt's auch ein Bild von unten oder ist das erst der Rohbau?
Hier noch mal die empfohlenen Betriebswerte der Doppeltrioden ECC81,
ECC82 & ECC83 für eine Ub von 250V. Ist ganz praktisch so eine Tabelle
als Übersicht im Blick zu haben.
Man sieht sofort daß eine ECC83 mit einem Innenwiderstand von 62,5k
absolut nicht als Endstufenröhre geeignet ist. Hingegen ist sie als
Vorstufenröhre prädestiniert.
Als Treiber ebenfalls die ECC3, aber besser die ECC81 oder ECC82.
Mit den ECC81/82/83 hat man Röhren für alle Zwecke zur Hand. Sind
gedacht als NF-Verstärker und für HF bis ca. 200 MHz. Letztens habe ich
mir ECC81 von Tesla/JJ bestellt (für ein HF-Projekt), die scheinen
qualitativ sehr gut.
Kosten neu so etwa €10. Für NOS ('New Old Stock') werden Wahnsinnspreise
bis an die €100 oder mehr verlangt, ist natürlich völlig idiotisch! Da
werden Begriffe wie 'smooth plate', 'ribbed plates', 'Berlin code',
'diamond', 'silver corner' ... verwendet. Wenn dann noch die
Telefunken-Raute im Glasboden ist, dann verdoppeln sich die Preise
nochmals. Ein Paar Telefunken ECC83 'matched pair' habe ich gerade für
€399,- gesehen! Eine andere, einzelne von Siemens soll sogar €529
kosten!
Scheint so einträglich zu sein, daß tatsächlich neue Röhren umgestempelt
und als NOS verkauft werden. Wie sagte meine Oma: "Jeden Tag steht ein
Dummer auf"!
Mohandes H. schrieb: > Die EL84 ist eine der glücklichstichen Konstruktionen aus den > 50er-Jahren und wird bis heute gebaut! Trotz der kleinen Kolbens kann > sie 5W als single ended und 15W in push-pull. Und klanglich ist die EL84 > einfach klasse! Die Übertrager habe ich bestellt. Die EL84 auch. Ich will das zumindest mal getestet haben und mir das mal anhöhren.
Mohandes H. schrieb: > Edi M. schrieb: >> Übrigens kann man solche Sachen auf ein Modulchassis bauen > > Das sieht gut aus! Klassischer Aufbau von Radios bis Anfang der 60er. > Unten vermutlich mit Lötleisten bzw die Fassungen als Lötstützpunkte? > Gibt's auch ein Bild von unten oder ist das erst der Rohbau? Halb. Ich bin noch nicht fertig, aber die wichtigsten Stufen funktionieren. Dicker Massedraht und Bauteile Masse -> Fassungen, es sind mehrere Keramik- Lötstützpunkte drin. Oben die Bilder von der Herstellung: Aluminium- Winkelschiene, 3 Dreiecke ausgesägt, Schiene 3mal gebogen, geht leicht. die 4. Ecke mit einem kleinen Aluwinkel verschraubt. Dann Platte drauf, Löcher durchgebohrt und verschraubt. Platte vorlackiert, mattschwarz. Röhrenfaassungs- Löcher macht man supersauber mit Schraubstanze, 38 oder 40mm für die alten Außenkontakt- Röhrenfassungen (Topfsockel). Das Gerät wurde komplizierter, als angedacht, hätte ich das voerher gewußt, hätte ich die Chassis-Oberplatte noch weiter unterteilt. Heute gibt's alles im Baumarkt. Ich habe alles mit Flex, Akkuschrauber und Anschlagwinkel gemacht. Feile und Entgrater sind auch sehr nützlich. Aluwinkel Baumarkt, die Oberplatte eine 1,5 mm Eisenplatte, von irgendwas. Schrauben- meist Baumarkt. Nur die schönen blanken Ständerschrauben habe ich mal irgendwo abgegriffen, aber auch kriegt man im Internet. Lackiert mit gewöhnlichem Mattschwarz, Baumarkt. Bau- Zeitaufwand etwa 2 Stunden. Mohandes H. schrieb: > Für NOS ('New Old Stock') werden Wahnsinnspreise > bis an die €100 oder mehr verlangt Ja, das ist heute so. Ich baue gern mit Teilen, die nun gar keiner haben will. Da gibt's nie Mangel, etwa Allstrom- Röhren- alte Rens 18xx-, B-, C-, U- oder P- Röhren. Wenn ich immer das Geseire lese... ist ja soooo gefährlich... So'n Zeug war früher Alltag. Und Leichenberge von Allstromradio- Betreibern sind mir nicht bekannt. Außerdem muß man sich nicht so saublöd anstellen- ein fertiges Allstromgerät bekomme ich in 5 Minuten berührungssicher ! Mit einem Trenntrafo 230V zu 230 V. Kostet je nach Leistung 27- 50 Euro. Ok, der Trafo heizt dann eben Heizvorwiderstand UND Heizfäden. Na und ? Ich schreib' ja immer: Mir ist Wirkungsgrad vollkommen Rille. Wenn ein Gerät 60- 80 W schluckt, und Ausgangsleistung 2 W- ist das für mich ok. Die meisten alten Großsuper haben 100- 120 W zu 2- 4 W. Hat früher kein Mensch drüber gejammert. Wie geschrieben- Trafolos und ein Haufen Röhren parallel- will ich auf jeden Fall versuchen- bis zu 20 Lampen zusammengeschaltet. Aber soweit bin ich nicht- ich versuche gerade mein LAbornetzteil für Anodenspannungen zu reparieren- ich verzweifle an der Kiste...
Mohandes H. schrieb: > Hier noch mal die empfohlenen Betriebswerte der Doppeltrioden ECC81, > ECC82 & ECC83 für eine Ub von 250V. Ist ganz praktisch so eine Tabelle > als Übersicht im Blick zu haben. Vielen Dank. Tabellen sind immer gut. Ein Paar Telefunken ECC83 'matched pair' habe ich gerade für > €399,- gesehen! Eine andere, einzelne von Siemens soll sogar €529 > kosten! Ich denke die sind von schwedischen Jungfrauen im Mondlicht verlötet worden. Daher der Preis.
Neuling N. schrieb: > Die Übertrager habe ich bestellt. Die EL84 auch. Ich will das zumindest > mal getestet haben und mir das mal anhöhren. Damit kannst du im Prinzip nichts falsch machen. Das wird gut funktionieren. Wenn du deine ECC8X im Eingang als Kaskode beschaltest, einen Kuhschwanzentzerrer einbaust, einen Treiber, z.B. EL95 und dann die Endstufe EL84 als Push-Pull nimmst, hast du schon ein Sahneschnittchen.
Neuling N. schrieb: > Ein Paar Telefunken ECC83 'matched pair' habe ich gerade für >> €399,- gesehen! Eine andere, einzelne von Siemens soll sogar €529 >> kosten! Russische 6N2P, die PAralleltype zur ECC83 (russische Schrift 6H2П), kosten 5- 7 Euro !!! Da kauft man ein paar mehr, und sucht sich die besten aus. Bei den Militärdingern ist das nicht mal nötig- die sind schon bessere Qualität. https://www.musikding.de/6N2P-EV
Edi M. schrieb: > Phasenschieber S. schrieb: >> Die Übertrager habe ich bestellt. > > Welche ? https://www.tbtroehrentrafo.com/produktseite/2-st%C3%BCck-eintakt%C3%BCbertrager-atr-10-f%C3%BCr-1x-el84-o-%C3%A4
Edi M. schrieb: > Neuling N. schrieb: >> Ein Paar Telefunken ECC83 'matched pair' habe ich gerade für >>> €399,- gesehen! Eine andere, einzelne von Siemens soll sogar €529 >>> kosten! > > Russische 6N2P, die PAralleltype zur ECC83 (russische Schrift 6H2П), Ist das Gegenstück dazu nicht die 12AX7?
Edi M. schrieb: > Phasenschieber S. schrieb: >> Die Übertrager habe ich bestellt. Nö, ich habe nichts bestellt!
Phasenschieber S. schrieb: > Neuling N. schrieb: >> Ist das Gegenstück dazu nicht die 12AX7? > > Ist sie! Ja. Russisch 6N2P = amerikanisch 12AX7. Iwan heizt die Fäden parallel, der Ami in Reihe. Nur damit man nicht dasselbe macht.
Edi M. schrieb: > Phasenschieber S. schrieb: >> Neuling N. schrieb: >>> Ist das Gegenstück dazu nicht die 12AX7? >> >> Ist sie! > > Ja. Russisch 6N2P = amerikanisch 12AX7. > Iwan heizt die Fäden parallel, der Ami in Reihe. Nur damit man nicht > dasselbe macht. Gut zu wissen. Trotzdem interessant dass es die 12AX7 von Sovtek gibt.
Phasenschieber S. schrieb: > Wenn du deine ECC8X im Eingang als Kaskode beschaltest Hier ist das Problem, dass der Heizkreis der oberen Röhre auf unzulässig hohes Potential kommt. Am "sichersten" wäre ein zweiter separater Heizkreis. Ich wollte es nur erwähnt haben... :-) Gruß Rainer
Neuling N. schrieb: > Phasenschieber S. schrieb: > >> Nö, ich habe nichts bestellt! > Ich habe von mir gesprochen. :) Da hatte jemand unsauber zitiert.
Rainer V. schrieb: > Hier ist das Problem, dass der Heizkreis der oberen Röhre auf unzulässig > hohes Potential kommt. Am "sichersten" wäre ein zweiter separater > Heizkreis. Kannst du das mal bitte näher erläutern? Normalerweise sind Heizkreise von der Kathode entkoppelt, d.h. auch wenn die Kathode auf höherem Potential liegt, tangiert das den Heizkreis nicht. Es gibt aber auch uralt Röhren wo die Heizung auf Kathodenpotential liegt, oder besser ausgedrückt, wo die Heizung gleich Kathode ist. Das ist bei den hier besprochenen Röhren aber nicht der Fall.
Phasenschieber S. schrieb: > Normalerweise sind Heizkreise von der Kathode entkoppelt, d.h. auch wenn > die Kathode auf höherem Potential liegt, tangiert das den Heizkreis > nicht. Doch ! Das ist es ja ! Kaskode ist eine Reihenschaltung zweier Röhren, die Röhren praktisch "übereinander". Anode der "unteren" Röhre an Kathode der "oberen" Röhre- Heißt: angenommen gleiche Röhren und Steuerspannungen ist es ein fifty- fifty- Spannungsteiler. Also an der "oberen" Anode die Anodenspannung, an der Verbindung A-K die halbe Anodenspannung. Bei z. B. 300 V Ua hätte die Kathode der "oberen" Röhre also 150 V "über Masse". Der Heizdraht hat aber nahezu Massepotential. Es gibt also eine hohe Spannung zwischen Kathode und ihrem eigenen Heizfaden. Und für die gibt es in den Röhrendatenblättern den Wert Ufk = Spannung Faden- Kathode (auch Ufkmax). Wird die eben überschritten -> Faden- Kathoden- Überschlag, bleibender Faden- Kathoden- Schluß. Kann u. U. Schaden anrichten. Klassiker- Fehler bei Bildröhren, deren Kathode immer "hoch liegt", manchmal will die Funzel nach Jahrzehnten das nicht mehr, ist dann nicht mehr Hell- steuerbar, meist bleibt sie voll hell. Abhilfe: eigener Trafo für die "hochgelegte" Röhre, wie RainerV. schon bemerkte. Trennt Heizkreis und Kathode. Übrigens: Allstrom- (= Serienheiz-) Röhren kommen mit diesen Bedingungen klar- die sind dafür gebaut.
Edi M. schrieb: > Doch ! Das ist es ja ! Danke Edi...obwohl ich der Ansicht bin, dass auch ein Anfänger auf dieses Problem stossen könnte! Aber schaun wir mal weiter... Gruß Rainer
Soweit ich es verstanden habe, ist es nur bei direkter Heizung ein Problem. Richtig?
Edi bei allem Respekt, was du dazu schreibst, ist für Leute die mit Röhren arbeiten Allgemeinwissen. Soviel solltest du hier im Thread schon herausgelesen haben, dass ich kein Anfänger bin, dem man das erklären muss. Ich habe Ende der 60er Jahre schon die ECC88 in Kaskodeschaltung am Eingang meines 2m-Empfängers benutzt und Funkamateure die zu dieser Zeit aktiv waren, kennen noch den Nogoton, nochgenannt "Norddeutscher Rauschgenerator", selbiger hatte im Eingang ebenfalls die ECC88 in Kaskodeschaltung. Also bitte keinen kalten Kaffee aufwärmen. Ich freue mich, dass hier einige Veteranen unterwegs sind, du gehörst auch dazu, die mit viel Kompetenz diesen Thread, der mittlerweile schon über 360 Posts verzeichnet, am Leben halten. Jedoch muss man nicht immerwieder bei Adam und Eva anfangen. Zum TO: Du hast mittlerweile einiges erfahren, wie wäre es, wenn du jetzt Nägel mit Köpfen machen würdest? Schöne rauscharme Vorstufe, Klangregler, Treiber und Endstufe. Klassisches Design. Wenn du dazu noch handwerklich begabt bist, dann kann das ein Schmuckstück werden. Stufe für Stufe aufgebaut, kompetente Unterstützung hast du ja hier, und dem ganzen Unterfangen einen krönenden Abschluss geben, indem du ein wunderschönes Chassis dazu gestaltest.
Neuling N. schrieb: > Soweit ich es verstanden habe, ist es nur bei direkter Heizung ein > Problem. Richtig? Eben und bei allen Röhren die hier besprochen wurden, ist das nicht der Fall. Solche Einwürfe bringen nichts, ganz im Gegenteil, sie blähen nur den Thread unnötig auf.
Natürlich ist die ECC88 eine sehr steile Vorstufenröhre. Deshalb schwingfreudig. Aber hier: https://www.reichelt.de/magazin/how-to/kopfhoererverstaerker-mit-e88ccecc88-roehren/ Er verwendet Übertrager mit 16KOhm. Realistisch. Aber der Herr Professor befeuert die mit 200V, obwohl im Betrieb nur 120V zulässig sind. Warum vergewaltigen die Neubastler immer diese armen Röhren?
Phasenschieber S. schrieb: > Schöne rauscharme Vorstufe, Klangregler, Treiber und Endstufe. > Klassisches Design. So machen wir das. Geht nur nicht von jetzt auf gleich. :) Baue mir erst mal ein kleines Testboard auf, damit ich vernünftig arbeiten kann. > Stufe für Stufe aufgebaut, kompetente Unterstützung hast du ja hier, und > dem ganzen Unterfangen einen krönenden Abschluss geben, indem du ein > wunderschönes Chassis dazu gestaltest. Das Gehäuse werde ich fertig bestellen und es mir entsprechend anpassen. Die gibt es mittlerweile in echt guter Alu-Optik. Finde ich super.
Neuling N. schrieb: > Baue mir erst mal ein kleines Testboard auf, damit ich vernünftig > arbeiten kann. Also ehrlich, das kannst du dir sparen. Das wird funktionieren, da kann man eigentlich nichts falsch machen. Gleich in die Vollen gehen, das spart viel Zeit. Entwerfe dir ein schlüssiges Konzept, eine schöne Optik für das Erscheinungsbild und leg los.
Hier hast du schon mal eine Leiterplatte. https://www.ebay.de/itm/EL-84-SE-Amp-Tubeland-Leiterplatte/163635688429?_trkparms=aid%3D1110006%26algo%3DHOMESPLICE.SIM%26ao%3D1%26asc%3D225078%26meid%3D49cd930432144427b8bd0599d2bad590%26pid%3D100010%26rk%3D3%26rkt%3D12%26sd%3D163623198390%26itm%3D163635688429%26pmt%3D0%26noa%3D1%26pg%3D2047675%26algv%3DDefaultOrganic&_trksid=p2047675.c100010.m2109
michael_ schrieb: > Natürlich ist die ECC88 eine sehr steile Vorstufenröhre. Es geht nicht darum, dass sie "steil" ist, es geht darum, dass das "µ" weitgehend konstant bleibt! Neuling N. schrieb: > Richtig? Nein! Die Potentiale im Gebilde sind ausschlaggebend. Und eine Röhre auf z.B. 200V "hochzulegen" beeinflußt eben alles andere! Das hat mit direkt beheizt oder indirekt beheizt wenig zu tun! Gruß Rainer
Phasenschieber S. schrieb: > ist für Leute die mit > Röhren arbeiten Allgemeinwissen. > Soviel solltest du hier im Thread schon herausgelesen haben, dass ich > kein Anfänger bin, dem man das erklären muss. Die Ausführungen waren ja auch nicht für Sie bestimmt, ziehen Sie nicht den Schuh an, wenn Sie wissen, daß er nicht paßt. :-) Und ausführlichere Erklärungen sollten schon sein, wenn Nichtfachleute mitlesen- Kaskode ist das eine, aber man muß eben auch so Nebenbei- Sachen wie Ufkmax beachten. So entkoppelt sind Heizkreise nun auch wieder nicht- Röhren in TV- Kaskodetunern rissen auch gelegentlich mit F/K- Schluß die Hufe hoch. Davon abgesehen, dürfte Kaskode für einen einfachen NF- Verstärker kaum nötig sein. Der "Nordeutsche Rauschgenerator"... den Namen kannte ich für die Dinger nicht. Einen Nogoton habe ich auch in einem "Markstein Super", den Vorläufer Hoboton sogar noch Solo, beides noch nicht angefaßt. Werde ich mal machen, falls ich mal Rauschen brauche...
Neuling N. schrieb: > Soweit ich es verstanden habe, ist es nur bei direkter Heizung ein > Problem. Richtig? Nein, das gilt auch für Röhren mit indirekter Heizung! Im Datenblatt ist Uf/k_max angegeben, die maximale Spannung zwischen Heizung und Kathode. Bei der SRPP wird diese oft überschritten - da hilft ein 2. Heizkreis oder das Hochlegen der Kathode. Uf/k_max: ECC81 = 90V ECC82 = 180V ECC83 = 180V ECC85 = 90V E82CC = 100V E83CC = 200V. Hängt vermutlich vom konstruktiven Aufbau ab. Muß man im Datenblatt nachschauen.
Phasenschieber S. schrieb: > Ende der 60er Jahre schon die ECC88 in Kaskodeschaltung Die ECC88 hat Uf/k_max = 150V.
Mohandes H. schrieb: > SRPP Den Begriff -und dessen nicht gerade selbsterklärende Bedeutung- sollten Sie erklären- Sie antworten dem Neuling. Und da es sowohl Vor- als auch Endstufen damit gibt, warum und wieso, Vorteile, usw.
Phasenschieber S. schrieb: > Schöne rauscharme Vorstufe, Klangregler, Treiber und Endstufe. > Klassisches Design. > > Wenn du dazu noch handwerklich begabt bist, dann kann das ein > Schmuckstück werden. > > Stufe für Stufe aufgebaut, kompetente Unterstützung hast du ja hier, und > dem ganzen Unterfangen einen krönenden Abschluss geben, indem du ein > wunderschönes Chassis dazu gestaltest. Das ist eine passende Einstellung dazu - "Wegschmeiß-Testschaltungen" sind eher bei kostengünstigerer Halbleiter-Schaltungstechnik gängig. Du mußt wirklich nicht "erst durch Schaden klug werden" - zwar kann auch Mißerfolg lehrreich sein, aber vermeide ihn dabei möglichst. Testschaltungen braucht man zwingend nur bei unerprobtem Konzept. Und so eines ist Dir nicht wirklich ans Herz zu legen. Außer man besitzt/bekommt billig viele Röhren diversen Zustandes - die guten aber würde ich zuvor auch noch aussortieren. Und die doch noch verlorenen Teile (Fassungen? Oder alle Pins zugleich richtig heiß machen fürn Wechsel - oh je.) würden mich trotzdem stören.
Luftmangel schrieb: > Du mußt wirklich nicht "erst durch Schaden klug werden" Öfter als gedacht, wird man eben nicht durch Schaden klug. Bei der momentan diskutierten SRPP kommt der Schaden in windeseile und man hat Schaden und "klug" ist nicht zu sehen. Im Übrigen bin ich hier auch der Ansicht, dass der Anfänger wohl kaum diese SRPP_Schaltung braucht! Eine ECC83 im Eingangskreis reicht völlig! Gruß Rainer
michael_ schrieb: > Hier hast du schon mal eine Leiterplatte. > > https://www.ebay.de/itm/EL-84-SE-Amp-Tubeland-Leiterplatte/163635688429?_trkparms=aid%3D1110006%26algo%3DHOMESPLICE.SIM%26ao%3D1%26asc%3D225078%26meid%3D49cd930432144427b8bd0599d2bad590%26pid%3D100010%26rk%3D3%26rkt%3D12%26sd%3D163623198390%26itm%3D163635688429%26pmt%3D0%26noa%3D1%26pg%3D2047675%26algv%3DDefaultOrganic&_trksid=p2047675.c100010.m2109 Danke für den Link. Die Platine würde ich mir dann selber herstellen.
Neuling N. schrieb: > Danke für den Link. > Die Platine würde ich mir dann selber herstellen. Moin allseits, ist ja alles Geschmackssache. Mein Geschmack wäre es nicht, solch ein Retro-Konzept mit modernen PCBs auszustatten. Das wäre für mich Stilbruch. Ich würde ganz herkömmlich die Bauteile selbsttragend mit Hilfe von Lötösen-Leisten oder Lötinseln aufbauen. Da ist es auch viel einfacher mal ein Bauteil auszuwechseln. Die Lötösen kannst du hunderte Mal mit dem Lötkolben bearbeiten, wogegen Leiterbahnen das sehr schnell übel nehmen. Gerade bei deinem Wissensstand wird es ganz sicher erforderlich werden, hier und da Korrekturen vorzunehmen.
Phasenschieber S. schrieb: > ist ja alles Geschmackssache. Das sehe ich auch so. Im grunde finde ich beides gut. Ein Platine ist tatsächlich nicht notwendig, bei den wenigen Bauteilen. Für mein Testaufbau habe ich bis her Keramiklötleisten verwender. Das ist "wie Du schon sagst" echt praktisch. Final würde ich dann aber doch eine Platine nehmen.
Ich ahbe mir nochmal das Datenblatt (Diagramme) der EL84 angesehen. Und muss sagen dass mir die Kurvenverläufe nicht so gut gefallen. Die ist mehrt auf Leistung getrimmt, als auf Klang. Muss ich mir aber trotzdem erstmal anhöhren. Bei der 300B dagegen sieht das echt schick aus. Die 300B hat ja einen sehr geringen Innenwiderstand. Unter einem Kilo. Ist das ein Vorteil bei einer Röhre?
Eine SRPP muß man heutzutage nicht erklären, offensichtlich haben wir alle Internet. Auch wenn nicht alles stimmt was dort steht. Ich würde auch keine Kaskode im Eingang machen sondern eine ECC83, dann den Klangregler und dahinter das zweite System ECC83. Ich habe noch keine SRPP aufgebaut, die soll sich super anhören aber z.B. bei Alterung der Röhren leiden. Hier https://www.frihu.com/roehrentechnik/spannungspotential-roehrenheizung/ wird das Phänomen mit der Uf/k_max beschrieben und auch wie man einen Heizkreis durch einen simplen Spannungsteiler hochlegen kann. Das habe ich selber erst vor kurzer Zeit gelesen. Ich vermute das geht bei vielen durch pures Glück gut und weil die Röhren mehr verzeihen als im Datenblatt steht. Auch daß das bei den ECC81/82/83 so unterschiedlich ist, hätte ich nicht gedacht. Also Datenblätter lesen! Die waren gut, die Leute die damals diese Röhren entwickelt haben. https://www.frihu.com/roehrentechnik/ ist sowieso eine Fundgrube für Röhrenfreaks, da schreibt einer der Ahnung hat. Platine oder freie Verdrahtung? Ist wieder Geschmackssache, ich würde bei Röhren immer frei verdrahten, da ist man flexibel und so ein sauber aufgebauter Verstärker hat schon eine besondere Ästhetik.
Neuling N. schrieb: > muss sagen dass mir die Kurvenverläufe nicht so gut gefallen. Die ist > mehrt auf Leistung getrimmt, als auf Klang. Und das siehst Du aus der Kennlinie??
Mohandes H. schrieb: > Neuling N. schrieb: >> muss sagen dass mir die Kurvenverläufe nicht so gut gefallen. Die ist >> mehrt auf Leistung getrimmt, als auf Klang. > > Und das siehst Du aus der Kennlinie?? Du nicht? ;) Mir gefallen einfach die Verläufe bei den Trioden. Ist reine Intuition, keine Wissenschaft.
Mohandes H. schrieb: > Ich würde auch keine Kaskode im Eingang machen sondern eine ECC83, dann > den Klangregler und dahinter das zweite System ECC83. So ein Modell habe ich die Tage noch in einem Buch gesehen. Ich finde das Schaltungsprinzip seht interessant. Wenn das gut funktioniert, würde ich das eventuell so machen.
Mohandes H. schrieb: > Ich würde auch keine Kaskode im Eingang machen sondern eine ECC83, dann > den Klangregler und dahinter das zweite System ECC83. P.S. Ich lese immer wieder (auch bei erprobten Schaltungen), dass man die Klangregelung schaltbar machen soll. Sollte man das tun? Und wie würde es dann in dieses Schaltungskonzept passen? Überbrückt man die Klangregelung, hat man 2 Systeme hintereinander geschaltet.
Mohandes H. schrieb: > Das habe ich selber erst vor kurzer Zeit gelesen. Ich vermute das geht > bei vielen durch pures Glück gut und weil die Röhren mehr verzeihen als > im Datenblatt steht. Solche SRPP-Schaltungen waren Anno dazumal sehr verbreitet und das nichtnur aus purem Glück! Ich kann dir noch mehr alte Schaltpläne liefern, sofern gewünscht.
Phasenschieber S. schrieb: > Ich kann dir noch mehr alte Schaltpläne liefern, sofern gewünscht. Oh, das ist interessant. Dass die Anzeige über einen eigenen Übertrager gesteuert wird, habe ich bis her noch nicht gesehen. Dachte die werden direkt an die Anode angeschlossen.
Neuling N. schrieb: > Ich habe mir nochmal das Datenblatt (Diagramme) der EL84 angesehen. Und > muss sagen dass mir die Kurvenverläufe nicht so gut gefallen... Hi, 6BQ5 und EL84 mal verschiedene Dablas durchstöbern. Die genannten Kurven stammen wovon? Könnten sich eventuell noch Unterschiede ergeben. "...Typisierungsschlüssel der US-amerikanischen Radio Electronics Television Manufacturers Association hat sie die Bezeichnung 6BQ5..." Aber das wohl hervorstechendste "Manko" der EL84 ist die "relativ" höhere Betriebstemperatur, die nach Keramikfassungen verlangt. In einem Datenblatt wird ausdrücklich davon abgeraten, Fassungen aus Pertinax zu verwenden. Neuling N. schrieb: > Das Gehäuse werde ich fertig bestellen und es mir entsprechend anpassen. > Die gibt es mittlerweile in echt guter Alu-Optik. Finde ich super. Bloß kein dünnes Alu Blech. Also das biegt sich durch, wenn Du die "schweren" Trafos und Übertrager drauf montierst. Und da kommen wir bei dem Knackpunkt an. Das Chassis. 1,5 mm Stahlblech hat meins. War vorgefertigt: Aber die "vorgestanzten" Löcher mussten zum Teil mit der Feile nachbearbeitet werden. (Scheint mit Plasmaschneider vorgefertigt zu sein. Trotzdem nicht maßhaltig.) Und den zusätzlichen Ausschnitt für den Netzttrafo hinzukriegen, war richtige Knochenarbeit. Wieviel Bohrer mir da abgebrochen sind, weiß ich schon garnicht mehr. Aber ich will Dich dadurch nicht abschrecken. Es gibt Chassishersteller, die echt nach Wunsch bearbeiten. Und das auch bezahlbar. ciao gustav
Phasenschieber S. schrieb: > Ich kann dir noch mehr alte Schaltpläne liefern, sofern gewünscht. Nein, glaube ich Dir auch so, da hast Du bestimmt mehr Erfahrung. Während Du das gebaut hast, habe ich noch an meinem Kosmos Radiomann gebastelt. Zur Schaltung oben: laut Datenblatt verkraftet die 6SN7GT auch 200V zwischen Kathode und Heizung. Bei einer ECC81 wäre das eben nur 'durch Glück' gut gegangen. Wie gesagt, das wußte ich früher auch nicht. Und ECC81 ist diesbezüglich auch nicht E81CC.
Neuling N. schrieb: > Dachte die werden direkt an die Anode angeschlossen. Ja, auch das ist möglich.
Karl B. schrieb: > Bloß kein dünnes Alu Blech. Das Gehäuse wird aus 3mm Alu sein. Die Frontplatte 8mm. Ich würde generell nichts an die obere Platte befestigen. Sowohl Übertrage, als auch Röhren nicht. Sondern immer am Boden, mit Abstand. Sodass die oben entsprechen rauschauen.
Mohandes H. schrieb: > Bei einer ECC81 wäre das eben nur 'durch > Glück' gut gegangen. Wie gesagt, das wußte ich früher auch nicht. Und > ECC81 ist diesbezüglich auch nicht E81CC. Wir haben die Röhrenbezeichnungen mehrfach durcheinander gebracht, einmal war die ECC81, ein andermal die ECC83 und einmal die ECC88 im Gespräch. Ich habe jetzt extra nochmal in meinen Unterlagen geblättert und gesehen, die von mir verwendete Röhre war die E88CC. Natürlich ist es angebracht, vor Erstellung eines Bauplanes sich die Spezifikationen im DB anzuschauen. Ich wollte eigentlich nur herausstellen, dass SRPP-Schaltungen nichts exotisches sind/waren. Als Anfänger braucht man solche Kniffe natürlich nicht.
Neuling N. schrieb: > Mohandes H. schrieb: > >> Ich würde auch keine Kaskode im Eingang machen sondern eine ECC83, dann >> den Klangregler und dahinter das zweite System ECC83. > P.S. Ich lese immer wieder (auch bei erprobten Schaltungen), dass man > die Klangregelung schaltbar machen soll. Sollte man das tun? Und wie > würde es dann in dieses Schaltungskonzept passen? > Überbrückt man die Klangregelung, hat man 2 Systeme hintereinander > geschaltet. Wie sieht es denn hiermit aus? Hat da jemand Erfahrung?
Mohandes H. schrieb: > Neuling N. schrieb: >> muss sagen dass mir die Kurvenverläufe nicht so gut gefallen. Die ist >> mehrt auf Leistung getrimmt, als auf Klang. > > Und das siehst Du aus der Kennlinie?? Er hat gerade seine Glaskugel aus der Überholung zurückbekommen. :-) Phasenschieber S. schrieb: > Neuling N. schrieb: >> Danke für den Link. >> Die Platine würde ich mir dann selber herstellen. > > Moin allseits, > > ist ja alles Geschmackssache. > Mein Geschmack wäre es nicht, solch ein Retro-Konzept mit modernen PCBs > auszustatten. > Das wäre für mich Stilbruch. Aber mit Alten PCB. Sieh mal hier: http://www.radiomuseum-bocket.de/wiki/index.php?title=Stern-Radio_Rochlitz_T%C3%BCrkis_Stereo_1131.052 Unten siehst du modulare Leiterplatten für die einzelnen Stufen. Ist dir das Radio nicht alt genug?
Neuling N. schrieb: > Wie sieht es denn hiermit aus? Ein Klangregler, wie der Kuhschwanz, hat eine gewisse (konstruktionsbedingte) Durchgangsdämpfung. Wenn du den einfach durch Schalter umgehen würdest, bekämest du einen gewaltigen Lautstärkesprung. Eventuell würde dir die Lautsprechermembran davon fliegen. Du müsstest parallel zum K. einen Spannungsteiler bauen, der ebenfalls aus der gleichen Quelle sein Signal bezieht und dann könntest du den Eingang der zweiten Verstärkerstufe zwische K. und Spannungsteiler umschalten. Wenn ein Schenlel des Spannungsteilers ein Poti ist, kannst du den Pegel genau anpassen.
Phasenschieber S. schrieb: > Wir haben die Röhrenbezeichnungen mehrfach durcheinander gebracht, > einmal war die ECC81, ein andermal die ECC83 und einmal die ECC88 im > Gespräch. Nicht "wir". Ich nicht. Und manche denken sowieso, wenn hinten die Zahl größer ist, dann ist die Röhre moderner, besser, klingt besser, schönere Kennlinie...
Ich sehe immer wieder solche Schaltungen. Ist das schon eine komplette Vorstufe, oder eher eine aktive Klangregelung?
Neuling N. schrieb: > Ich sehe immer wieder soche Schaltungen. Ist das schon eine komplette > Vorstufe, oder eher eine aktive Klangregelung? Ohne nachgerechnet zu haben, schätze ich, dass die von dir gezeigte Schaltung eine aktive Klangregelung ist, die eventuell eine 0dB Durchgangsdämpfung aufweist (Mittenstellung). Die Röhren gleichen nur die Dämpfung aus. Das kann man so machen. Ein Umschalter müsste somit die ganze Schaltung bypassen.
Neuling N. schrieb: > st das schon eine komplette Vorstufe, oder eher eine aktive > Klangregelung? Beides. Je nachdem wie sie verstärkt. Die Klangreglung verliert ca Faktor 10, das mußt Du über die Verstärkung wieder reinholen. Eine Vorstufe mit 2x ECC83 ist ja eh besser als nur 1 System. Und dazwischen der Kuhschwanz. Die Pegel und Gesamtverstärkung kannst Du berechnen oder abschätzen, später messen (Eingangspegel z.B. 250mV, wie stark soll die Endröhre angesteuert werden ==> Verstärkung Vorstufe. Schaltbar machen kannst Du sie auch, dann den Pegelsprung beachten und durch Spannungsteiler ausgleichen.
Phasenschieber S. schrieb: > Neuling N. schrieb: >> Ich sehe immer wieder soche Schaltungen. Ist das schon eine komplette >> Vorstufe, oder eher eine aktive Klangregelung? > > Ohne nachgerechnet zu haben, schätze ich, dass die von dir gezeigte > Schaltung eine aktive Klangregelung ist, die eventuell eine 0dB > Durchgangsdämpfung aufweist (Mittenstellung). Das würde in den Fall ja eine Röhre pro Kanal mehr bedeuten? Wo würde man dieses Gebilde platzieren? Noch vor der Vorstufenröhre?
Bitte nochmal, auch wenn's einigen Schreibern nicht gefällt: Schreibt so, daß man nachvollziehen kann. Ich würde keine Schaltungen mit PCB = polychlorierten Biphenylen bauen, das ist hochgiftig. Ahhhh... das sooll ein "Prited circuit board" sein. Leiterplatte sagt aber jedem was. SRPP- Warum heißt das so ? Wenn man den Namen übersetzt- weiß man noch gar nichts. Mohandes- Das sollte man schon nicht nur nachquatschen, sondern erklären. Und vor allem, welche Eigenschaften diese Schaltungen für welche Aufgaben besonders geeignet erscheinen lassen. Und ob es für die hier besprochene Aufgabe eine Option ist. Die Schaltungen von @Phasenschieber sehen recht gut aus. Da noch eine Vorstufe und ein Klangregelnetzwerk- perfekt. Allerdings kann man eine Röhre einsparen, eine normale Treibertriode reicht eben völlig, es sein denn, man verspricht sich etwas von dem erhöhten Aufwand für eine Kaskodestufe- ohne Klangsteller davor kann das ja aufgrund der Gegebenheiten (Pegel Impedanz- Anpassungen) nötig sein. @Neuling: Man kann eine reine Endstufe bauen, oder einen kompletten Verstärker, gibt es beides so zu kaufen. Die Endstufe benötigt dann aber ein Vor- Gerät zur Klangbeeinflussung, oder Quell- Geräte, die bereits Klangbeeinflussung gestatten- das ist eher selten der Fall. Ein Verstärker mit Klangstellgliedern ist vernünftig- mein Vorschlag wäre Vorröhre, dazwischengeschaltetes Klangstellnetzwerk, Treiberröhre und Endstufe. Das Klangstellnetzwerk so gestalten, daß es zwischen Anode Vorröhre und Gitter Treiberröhre "eingeschleift" ist. Das hat den Vorteil, daß man es einfach überbrücken oder gegen einen einfachen Spannungsteiler (Pegelgleichheit bei 1 KHz) umschalten kann. Alternativ geht natürlich auch Stellung aller Klangsteller auf Mitte, dann sollte das Klangstellnetzwerk keinen EInfluß haben. Erfahrung: Ich habe kein einziges Gerät, bei dem die Mittelstellung aller Klangsteller ohne Einfluß ist, dies ist möglich, aber nicht bei Mittelstellung. Dann noch einen schaltbaren Hochpegeleingang zum Gitter der Treiberstufe, dann nutzt man bei Bedarf NUR die Endstufe. Das alles ist mit den hier vorgeschlagenen Schaltungen alles gut machbar.
Phasenschieber S. schrieb: > Neuling N. schrieb: >> Wo würde man dieses Gebilde platzieren? > > Immer nach der Vorstufe! OK. Welche potis nimmt man für die Klangregelung. Linear, oder logarithmisch? Pauschal hätte ich lineare genommen.
Hier eine Klangsteller- Schaltung zum Dazwischensetzen habe ich zugeschickt bekommen, Quelle unbekannt), da gibt es unzählige, solche und eine Konzeption, wie im vorletzten Beitrag beschrieben, findet man auch hier: http://www.jogis-roehrenbude.de/Verstaerker/Klangregel.htm
Neuling N. schrieb: > Welche potis nimmt man für die Klangregelung. > Linear, oder logarithmisch? > > Pauschal hätte ich lineare genommen. Nur linear! log geht garnicht. @Edi, du beschwerst dich über international gültige Bezeichnungen, aber mutest uns deine Pent(h)ode zu. Da sag´ ich es mal mit deinen eigenen Worten: Zähne zusammen beissen, da musst du durch. Nix für ungut...
Neuling N. schrieb: > Pauschal hätte ich lineare genommen. Damit hat man -wenigstens theoretisch- in Mittelstellung keine Wirkung des jeweiligen Stellers. Es gibt aber auch Schaltungen mit logarithmischen Potis.
Edi M. schrieb: > Mohandes- Das sollte man schon nicht nur nachquatschen, sondern > erklären. Edi, ich quatsche hier nichts nach. Wenn Du meinst das ist nötig, dann erkläre Du die Kaskode. Man kann schon etwas über den Tellerrand schauen und wer liest weiß das PCB = Leiterplatte (ich benutze auch eher letzteres). Ich bin ganz gut in Sprachen aber Russisch kann ich nicht. Trotzdem habe ich so viel gelernt daß ich kyrillische Datenblätter einigermaßen lesen kann. Das Lesen englischer Datenblätter gehört heute zur Allgemeinbildung. Die SRPP hatte ich hier auch ausdrücklich nicht empfohlen sondern nur als Beispiel für die Uf/k_max angeführt. Also 'friß oder stirb' ... die Leser leben ja auch mit Deiner Kat(h)ode ohne ständig darauf herumzureiten, was zum Thema nichts beiträgt.
Mohandes H. schrieb: > die Leser leben ja auch mit Deiner Kat(h)ode > ohne ständig darauf herumzureiten, was zum Thema nichts beiträgt. Nun- eine andere Schreibweise ist nicht das Gleiche, wie eine Bezeichnung, die man einfach so in den Raum wirft. Phasenschieber S. schrieb: > @Edi, > du beschwerst dich über international gültige Bezeichnungen, Nein, sondern über unqualifizierte Verwendung englischer Begriffe, erst recht nichtselbsterklärender Begriffe. Schon zweimal geschrieben: Nirgends sonst wird die eigene Sprache in die Tonne getreten. Warum muß man das ??? Die Penthode... eben alte Schreibweise. Gar nicht so lange her, das ging man durch Thüren und Thore, und rutschte auf den Knieen. Und für mich ist ein Fonograf furchtbar. Na ja, vielleicht gibt es einen Adligen, der ein Gut des Namens Fono besitzt. So wie Graf Oszillo: https://wolfgang-naeser-marburg.lima-city.de/htm/oszillo.htm Phasenschieber S. schrieb: > Zähne zusammen beissen, da musst du durch. Genau. :-)
Edi M. schrieb: > die man einfach so in den Raum wirft. > ... erst recht nichtselbsterklärender Begriffe. SRPP = shunted regulated push pull und das ist Allgemeinwissen! Kaskode ist der Überbegriff für solche Schaltungen, SRPP der Spezialfall, gibt noch andere Kaskoden. Soviel zu präziser Sprache. Die moderne Elektronik benutzt einfach englische Begriffe für die es nicht immer deutsche Entspechungen gibt. Ich bin nicht einer der zwanghaft englische Wörter benutzt ohne daß es nötig ist. Die deutsche Sprache ist so schön und kraftvoll, daß sie sich nicht von ein paar Anglizismen aus der Fassung bringen läßt. Und wenn ich hier und anderswo so lese: viele können anscheinend nicht mehr richtig gut Deutsch schreiben, die Rechtschreibung ist oft eine Katastrophe. Durch die Rechtschreibreform und die reformierte Reform ist es nicht besser geworden, die armen Schüler! So, Thema Sprache fini (für mich)! Röhrenthread oder sollte ich Lampenfaden sagen? Zähne zusammenbeißen ...
Edi M. schrieb: > http://www.jogis-roehrenbude.de/Verstaerker/Klangregel.htm Guter Artikel, da wird ja alles erklärt: wie ein Klangregler funktioniert, wo man ihn einfügt, usw.
Edi M. schrieb: > Die Penthode... eben alte Schreibweise. Aber uralte. 1930 gab es die. Ab 1950 hab ich die in der Literatur nicht mehr gefunden. Man muß doch nicht dickköpfig an ewiggestrigen festhalten. Nur um bewundert zu werden. Neuling N. schrieb: > Ich sehe immer wieder solche Schaltungen. Kannst du nicht mal Schaltungen in DIN-Darstellung zeigen? Man kriegt ja davon Augenkrebs. Außerdem ist es eine Bastlerschaltung, Koppelkondensatoren zu groß und weiteres. Du kramst immer unmögliche Sachen heraus und wirst nie fertig. Fang endlich mal praktisch an!
michael_ schrieb: > Man muß doch nicht dickköpfig an ewiggestrigen festhalten. > Nur um bewundert zu werden. Man muß auch nicht hohes Wissen mit -oft nicht verstandenen oder unangebrachten- Fremdworten vortäuschen, nur um bewundert zu werden. Mohandes H. schrieb: > SRPP = shunted regulated push pull und das ist Allgemeinwissen! In englischsprachigen Ländern kann das so sein. Umgekehrt: Mit "Rückkopplungsaudion" ist es ebenso. Das entsprechende Wort entspricht dem wörtlich nicht, meint aber dasselbe. Mohandes H. schrieb: > Und wenn ich hier und anderswo so lese: viele können anscheinend nicht > mehr richtig gut Deutsch schreiben, die Rechtschreibung ist oft eine > Katastrophe. Durch die Rechtschreibreform und die reformierte Reform ist > es nicht besser geworden, die armen Schüler! Absolut richtig ! Die Gründe dafür sind allerdings... richtig mies. Es geht nicht mehr um Rechtschreibung, die Reformen haben andere Gründe. Das ist aber ein ganz anderes Thema. > Die moderne Elektronik benutzt einfach englische Begriffe für die es > nicht immer deutsche Entspechungen gibt. Ich bin nicht einer der > zwanghaft englische Wörter benutzt ohne daß es nötig ist. Für PCB gibt es eine, Kaskode ist bereits ein Oberbegriff, für die meisten hier verwendeten Anglizismen gibt es sehr gute Entsprechungen- und wenn nicht... ...läßt man sich welche einfallen. > Die deutsche Sprache ist so schön und kraftvoll, daß sie sich nicht von > ein paar Anglizismen aus der Fassung bringen läßt. Wow, Mohandes, sehr schöner Satz. Allerdings... dem zweiten Teil kann ich nicht (mehr) zustimmen. > Röhrenthread oder sollte ich > Lampenfaden sagen? Mohandes, da helfe ich doch gern... "Eigenbau- Röhrenverstärker- Diskussion (-sfaden)" dürfte der eindeutigste Ausdruck sein. Edi لولهکش :-)
Mohandes H. schrieb: > Edi M. schrieb: >> http://www.jogis-roehrenbude.de/Verstaerker/Klangregel.htm > > Guter Artikel, da wird ja alles erklärt: wie ein Klangregler > funktioniert, wo man ihn einfügt, usw. Das noch zum Ende, ich denke auch, diese Konzeption wäre Anfänger- freundlich, weil leicht zu überblicken, und leicht zu ändern. Selbst Stufen mit anderen Röhren bestücken und in die Konzeption einwechseln, wäre gut machbar. EIne Überbrückung / Umschaltung des Klangstellerteils, sowie Treiber- Eingang herausgeführt, wie vorgeschlagen, dann wäre der Verstärker universell einsetzbar.
Hier einige der hier besprochenen Vorschläge, aus denen man kombinieren könnte, sowie einer mit EL84 als Triode.
...und um den Neuling vollends voll zu stopfen: Solch ein Röhrenverstärker braucht unbedingt auch einen Phono-Entzerrer, noch genannt RIAA-Entzerrer, oder für Edi, Plattenspielervorverstärker. Denn um diesen Lampenverstärker endgültig zum Sahneschnittchen zu erheben, gehört da auch ein Plattenspieler als Tonquelle dran. Im Bild ist solch ein Phonoverstärker zu sehen.
Phasenschieber S. schrieb: > RIAA-Entzerrer, oder für Edi, Plattenspielervorverstärker. Ha ! Erwischt ! Ist nur die halbe Miete. Plattenspielervorverstärker gibt es, UND welche, die einen RIAA- Entzerrer beinhalten. Nämlich einen "Schneidkennlinien- Entzerrer". Da gibt es lange Beitragsfolgen in Foren von Vinyl- und Schellack- Fans (ich habe beides). Es gibt nämlich auch mehrere Schneidkennlinien, die sog. RIAA- Kennlinie kan man aber als Standard betrachten. https://ms-vint-audio.de/riaa-standard/ Und ja- wäre als Zusatz- Baugruppe eine sinnvolle Option für einen hochwertigen Verstärker. Danke für die Ergänzung ! Edi
Phasenschieber S. schrieb: > ...und um den Neuling vollends voll zu stopfen: > > Solch ein Röhrenverstärker braucht unbedingt auch einen Phono-Entzerrer, > noch genannt RIAA-Entzerrer, oder für Edi, Plattenspielervorverstärker. > Denn um diesen Lampenverstärker endgültig zum Sahneschnittchen zu > erheben, gehört da auch ein Plattenspieler als Tonquelle dran. > > Im Bild ist solch ein Phonoverstärker zu sehen. Schallplatte finde ich super, RIAA-Entzerrer ist daher fest eingeplant. Eventuell auch einer, der nach den unterschiedlichen Standards entzerren kann, die es fruher so gab. Aber das im Nachgang. Schritt für Schritt. :)
Amplificatore con EL84 a triodo ... nun noch Spanisch :-) Diese Schaltung finde ich aber am besten wenn man beginnt. ECC83 im Eingang, zwischen den Systemen der Klangregler. EL84 am Ausgang. Davor ein Vorverstärker mit RIAA-Entzerrung, da sollte man direkt noch eine ECC83 vorsehen, kann man ja später nachrüsten. Mit Plattenspieler + Vinyl, das wird und klingt super. Bei Phono sind die Pegel klein, also ist gute Masseführung angesagt, kurze Verbindungen, ggf. abgeschirmt. Zentraler Massepunkt ganz am Phono-Eingang. Neuling, mit so einer bewährten Schaltung mit 2x ECC83 & EL84 kannst Du nichts falsch machen. Ich würde die Bauteilwerte erstmal übernehmen, später kannst Du immer noch optimieren (soweit es bei einer ausgereiften Schaltung noch etwas zu optimieren gibt). Oder eine andere Endstufe bauen.
Schön, jetzt sind wir uns (fast) alle einig....und wenn du noch den Rat befolgst, keine PCB, Verzeihung Leiterbahnenplatten, stattdessen Lötösenstreifen oder Lötinseln zu benutzen, dann kannst du jederzeit daran herumlöten und optimieren. Alles wird gut.....
Phasenschieber S. schrieb: > Schön, jetzt sind wir uns (fast) alle einig....und wenn du noch den Rat > befolgst, keine PCB, Verzeihung Leiterbahnenplatten, stattdessen > Lötösenstreifen oder Lötinseln zu benutzen, dann kannst du jederzeit > daran herumlöten und optimieren. > Alles wird gut..... Für die eigentliche Verstärkerstufe bietet sich das ja an. Die restliche Elektronik (Gleichrichter, uC, Umschalter, usw.) würde ich auf jeden Fall mit Leiterplatten aufbauen.
Abschätzung der der Output Impedance etc. mit LTspice ... http://www.homecookingwithvalves.com/Triodescircuits-and-Simulations/Triode-Circuit-Simulation-with-Spice.html und der Filter poulpetersen.dk/notes/lt_filters.html
Edi M. schrieb: > michael_ schrieb: >> Man muß doch nicht dickköpfig an ewiggestrigen festhalten. >> Nur um bewundert zu werden. > > Man muß auch nicht hohes Wissen mit -oft nicht verstandenen oder > unangebrachten- Fremdworten vortäuschen, nur um bewundert zu werden. Wir alle sind zu jung, als dass man diese alte Bezeichnungen in der Schule gelernt hätte. Nach der Deutschen Rechtschreibung seit 70 Jahren. Danach nennt man es Pentode. Der eine schraubt sich einen Spoiler auf den Trabi und der andere sagt Kathode. Bei dir steht am Büro sicher auch Contor dran. Und hast einen Contordrucker und Contorklammern. Hier wurde auch diskutiert: https://wumpus-gollum-forum.de/forum/thread.php?board=15&thread=289&page=1
Edi bemängelt fremde Begriffe- das ärgert... das Thema läßt wohl einige Leute nicht in Ruhe, und nun muß man was finden. michael_ schrieb: > Bei dir steht am Büro sicher auch Contor dran. > Und hast einen Contordrucker und Contorklammern. Nein. Contor/ Kontor sind eigentlich eher Bankschalter, daher der Name. Bis Ende der 70er Jahre gab es eine Sparkassenfiliale in der Berliner Karl Marx- Allee, mit der Bezeichnung "Berliner Stadtkontor". Die historische Bezeichnung für ein (Schreib-) Büro wäre eher "Bureau". Tatsächlich wurde früher im Deutschen die französische Schreibweise verwendet, findet man gelegentlich in alten Büchern. > Wir alle sind zu jung, als dass man diese alte Bezeichnungen in der > Schule gelernt hätte. > Nach der Deutschen Rechtschreibung seit 70 Jahren. > Danach nennt man es Pentode. Tja, da haben einige was gefunden: Der Edi sagt "Penthode". "PENTHODE" !!! Der blanke Wahnsinn ! Zeter ! Mordio ! Ab nach Sibirien ! Nun- wenigstens verwende ich noch ein Wort, welches mal gebräuchlich war, wenn auch nicht lange. Und- weie geschrieben, ein Uni- Prof benutzt es auch, vielleicht auch andere Opas, wie Edi. Und es sind nur wenige solcher veralteten Begriffe, die ich noch verwende. Aber suchen Sie mal -und DAS war war ja das Thema- nach "Denglisch"- Begriffen (schlecht eingedeutschte Englisch- Fachwörter), englischen Fachwörtern, für die es bereits Begriffe im Deutschen gibt, und solchen, die auch noch falsch angewendet werden. Trotz Penthode: Wie wäre es denn damit, die EIGENE Sprache zu achten ?!
Edi M. schrieb: > Tja, da haben einige was gefunden: Der Edi sagt "Penthode". > "PENTHODE" !!! > Der blanke Wahnsinn ! > Zeter ! Mordio ! > Ab nach Sibirien ! EDI...hallo....hier Erde...ERDE an EDI...komm runter! Wir lassen dir ja die Penthode; Sie gehört DIR! Jedoch bist DU derjenige, der einen Rückfall in archaische Ausdrucksweise verlangt. Deine Penthode war bisher nur eine Bemerkung wert, mehr nicht, aber DU forderst permanent eine längst vergangene Ausdrucksweise ein, merkst du das nicht? Nix für ungut, ich bin mit Sicherheit genauso alt wie du, weshalb ich mir anmaße, dich zu duzen.
Neuling N. schrieb: > Eventuell auch einer, der nach den unterschiedlichen Standards entzerren > kann, die es früher so gab. Yep: Siehe Bild. Suche die Quelle und den Link noch raus. ciao gustav
Karl B. schrieb: > Neuling N. schrieb: >> Eventuell auch einer, der nach den unterschiedlichen Standards entzerren >> kann, die es früher so gab. > > Yep: > Siehe Bild. > Suche die Quelle und den Link noch raus. > > ciao > gustav Sehr interessant. Danke für die Schaltung.
So langsam kommt die Geschichte für den Neuling einer Dissertation gleich ;-)
Phasenschieber S. schrieb: > Wir lassen dir ja die Penthode; Sie gehört DIR! > Jedoch bist DU derjenige, der einen Rückfall in archaische > Ausdrucksweise verlangt. > > Deine Penthode war bisher nur eine Bemerkung wert, mehr nicht, aber DU > forderst permanent eine längst vergangene Ausdrucksweise ein, merkst du > das nicht? Was ich einfordere, ist die Verwendung UNSERER Sprache. Unsere eigene Sprache -auch in Fach- Diskussionen- zu verwenden, ist eine "archaische Ausdrucksweise" ??? Da sollten Sie mal drüber nachdenken. (fremde Fachausdrücke eben nur, wenn es keine deutschen Begriffe gibt, aber selbst dann kann man Fakten in unserer Sprache beschreiben). Phasenschieber S. schrieb: > Nix für ungut, ich bin mit Sicherheit genauso alt wie du, weshalb ich > mir anmaße, dich zu duzen. Also diese Erklärung nötigt mir auch eine Bemerkung ab: Jeden, der gleich alt ist, darf man ungefragt duzen ? Auch darüber sollten Sie mal drüber nachdenken. Empfehlung: Bei persönlichem Gegenüberstehen sollte man so etwas besser lassen. Karl B. schrieb: > Siehe Bild. > Suche die Quelle und den Link noch raus. Recht gute Sache, wenn man wirklich jede Entzerrung verwenden können will. Es gibt auch Listen, welche Plattenhersteller/ Herstellungsjahre welche Entzerrung benötigen. Für Perfektionisten. Ich finde, es hat keinen nennenswerten Nutzen für den Aufwand, die Unterschiede sind zu gering.
Phasenschieber S. schrieb: > Nix für ungut, ich bin mit Sicherheit genauso alt wie du, weshalb ich > mir anmaße, dich zu duzen. Edi M. schrieb: > Jeden, der gleich alt ist, darf man ungefragt duzen ? Wenn ich in einen Verein gehe, für Modelleisenbahnen oder für Häkeln oder was auch immer und alle dort duzen sich, dann würde es ziemlich arrogant erscheinen auf Dauer alle zu Siezen. Den Respekt den ich jemanden gegenüber bringe hat nichts mit Du oder Sie zu tun. Und (auch da ich etwa so alt wie Du bin) ist es für mich keine Anmaßung Dich zu duzen!
Mohandes H. schrieb: > Den Respekt den ich jemanden gegenüber bringe hat nichts mit Du oder Sie > zu tun. Doch. Nicht umsonst nannte man die "Sie- Form" früher "Höflichkeitsform, auch wenn sie distanziert. So habe ich das noch in dere Schule gelernt. Mohandes H. schrieb: > Wenn ich in einen Verein gehe, für Modelleisenbahnen oder für Häkeln > oder was auch immer und alle dort duzen sich, dann würde es ziemlich > arrogant erscheinen auf Dauer alle zu Siezen. Daß sich die Mitglieder untereinander duzen, ist etwas anderes, als sich als Fremder dorthin zu begeben. Geschweige denn, einander unbekannte Menschen treffen sich. Und @Phasenschieber machte eine generelle Aussage. Ich weiß, ich bin da etwas pingelig, gerade wenn es um unsere Sprache geht, aber wer denn sonst... ? Traurig, wie es heute ist. *************************** Mal was, um von dieser Sache wegzukommen: Meine Arbeitsplatz- Leuchte ging vor einigen Tagen kaputt, das Plastik- Gehäuse des Unterteils war gebrochen. Im Inneren ein Gußeisen- Teller, der war aber auch verrostet. Die Leuchte ist lang, schwer zu halten, eine Zeit hatte ich sie im Tisch- Schraubstock, das ist aber unpraktisch, kann man nicht wegstellen. So fiel mir ein Trafo ein, der bei mir herumsteht- der sieht noch recht gut aus, und ist groß und schwer. War mal Netztrafo eines riesigen Wobbelgerätes (es steht hinter der Leuchte !). Hat trotz Vakuumtränkung mehrere Durchschläge und Unterbrechungen. Eigentlich Schrott. Nun hat er eine neue Aufgabe. Und ich finde, das sieht micht mal übel aus. Und ich kann's auch: Für die, die's unbedingt neudeutsch mögen, heißt sowas wohl "Steampunk".
Edi M. schrieb: > Geschweige denn, einander unbekannte Menschen treffen sich. Edi, wie hälst du es nur in diesem Forum aus? Aber nochmal mit deinen Worten: Zähne zusammen beissen..... Edi M. schrieb: > So fiel mir ein Trafo ein, der bei mir herumsteht- der sieht noch recht > gut aus, und ist groß und schwer. War mal Netztrafo eines riesigen > Wobbelgerätes (es steht hinter der Leuchte !). Hat trotz Vakuumtränkung > mehrere Durchschläge und Unterbrechungen. > Eigentlich Schrott. Jetzt dachte ich schon, du hättest den in eine Röhrenendstufe eingebaut... hmmm...Netztrafo mit Unterbrechungen....und jetzt befeuert er eine Lampe.... Was mag uns Edi hiermit nur sagen?
Er will uns damit sagen, dass er den Trafo nicht zum befeuern der Lampe benutzt, sondern nur als Standfuß ;-)
Ben schrieb: > Er will uns damit sagen, dass er den Trafo nicht zum befeuern der Lampe > benutzt, sondern nur als Standfuß ;-) Ahhhh....jetzt ....Briefbeschwerer... Mann bin ich schwer von Begriff.... naja, bin ja auch nichtmehr der Jüngste ;-) Ich suche gerade den Bezug zu Röhrenverstärkern und kann ihn nicht finden, kannst du mir da auch aufs Pferd helfen?
Phasenschieber S. schrieb: > naja, bin ja auch nichtmehr der Jüngste ;-) Ich muss sagen, dass ich auch schon zu der älteren Generation gehöre (Baujahr 1964). Aber gerade deswegen verstehe ich nicht, warum du ihn so stichelst. Wir sollten doch schon alt genug sein, um auch andere Meinungen respektieren zu können. Jeder Mensch hat nun mal seine eigene Meinung zu diversen Sachen. Deine Meinung wird ja auch respektiert :-) Ist doch alles gut. Und was die Röhrentechnik betrifft, so gehörst du auch zu den Profis. Ihr alle habt hier viele gute Tipps gegeben, die einen Anfänger sicherlich gut voranbringen werden. Ich denke, man sollte so einen Fred dann nicht durch persönliche Vorlieben (wie z.B. Anglizismen zu benutzen oder auch nicht) runterziehen. Bleibt alle gesund.
... Hauptsache die Suchmaschienen finden beide Begriffe .. oder noch mehr :-)
Ben schrieb: > Er will uns damit sagen, dass er den Trafo nicht zum befeuern der Lampe > benutzt, sondern nur als Standfuß ;-) So isses- der Trafo hat ein Ding weg, den kann man zwar anwerfen, aber das wäre nun wirklich etwas pervers, siehe Wicklungsplan. Der ist also wirklich Lampenbeschwerer. Phasenschieber S. schrieb: > Ich suche gerade den Bezug zu Röhrenverstärkern und kann ihn nicht > finden, kannst du mir da auch aufs Pferd helfen? Ja, ok... war nur eine Krücke, um mal wieder von dem anderem Thema wegzukommen. Hatte bloß nichts Verstärker- mäßiges zur Hand.
Obwohl... wenn ich so überlege... DAS hier habe ich mal verfaßt, Die Sätze sind eigentlich nur eine Zusammenstellung von Satzteilen, die in HiFi- Zeitschriften genau so verwendet werden, ich habe sie umgestellt und angepaßt. Grundlage sind aber die 3 existierenden Geräte. Wenn's gefällt, zeige ich die Gerate. ************* Tuner B, Vollverstärker C, Horn E329 Mit dem B- Tuner wurde ein Gerät geschaffen, das viele Möglichkeiten und gute Klangqualität kombinieren soll, ohne unnötig viel Raum zu belegen. Das Klirrniveau lag dabei zu jeder Zeit erfreulich niedrig und in Sachen Rauschabstand verdient sich der Tuner mit seinen gemessenen ein dickes Lob. Mit dem haptisch sehr angenehmen Regler an der Front lässt sich die Sendereinstellung sehr gut dosieren, auch wenn untenherum zunächst noch etwas weniger passiert, bevor der er dann in der oberen Hälfte der Skala richtig zupackt. Auch die Lautstärkerregelung ist dank Aufteilung in 0,5 dB-Schritte recht präzise, wodurch größere Veränderungen jedoch etwas länger dauern können. Auch hohe Ansprüche werden also erfüllt und der B- Tuner kann so praktisch alle auf dem Markt befindliche Musik feinstauflösend darstellen. Der C- Vollverstärker ist extrem feinauflösend und seidig texturiert, sehr dynamisch, transparent und hochauflösend, vom Bass bis in den Hochton. Im Superhochton leicht verrundet. Er bietet dank höchster Reinheit und erstklassigem Auflösungsvermögen eine klangfarbliche Echtheit und ein 3-D-haftes Bühnenbild, wie man es nicht alle Tage erleben kann. Tonal gibt’s eine leichte Tendenz ins Wärmere, nicht zuletzt dank des substanziellen, farbigen, halbtrockenen Tieftons.Die Plastizität, der „rabenschwarze“ Hintergrund, die Klarheit sind seine großen Stärken. Die sphärischen E329- Hornlautsprecher wurden mit komplexen mathematischen Algorithmen präzise berechnet . Sie arbeiten als eine Art Super–Frequenzweiche, die völlig verlust- und artefaktfrei ausschließlich mit dem Medium Luft arbeitet. Aufgrund der Ausgestaltung des Hornmundes kann auf die Verwendung einer Frequenzweiche vollständig verzichtet werden und wiedergegeben wird ein „full range“. Signal ohne jegliche passiven Bauelemente im Signalweg. Perfekt! EH329- Hornlautsprecher besitzen eine große dynamische Bandbreite, geringe Verzerrungen und hohe Auflösung- das hat entscheidende Auswirkungen auf den Klang. Bei allen Lautstärken bleibt der Klang kristallklar, rein und völlig unverzerrt. Diese Hornlautsprecher haben ein System, das auf große Kraft bei minimalen Bewegungen der Membran optimiert ist. D.h. auch bei geringen bis sehr geringen Lautstärken wird jede mikroskopische Schwingung sauber in Schallwellen umgesetzt. Stellen Sie sich vor, Sie machen Yoga und haben im Hintergrund leise Mantrengesänge laufen. Mit sphärischen E329- Hornlautsprecher hören Sie keinen Klangbrei, der im Hintergrund plätschert, sondern jeder einzelne Ton ist kristallin und hat die Kraft jede Zelle Ihres Körpers zu durchdringen. Fantastisch. *****************
Hier noch ein Audioaufnahme des beschriebenen Verstärkers, aber an einen anderen Lautsprecher.
Ben schrieb: > Aber gerade deswegen verstehe ich nicht, warum du ihn so stichelst. > Wir sollten doch schon alt genug sein, um auch andere Meinungen > respektieren zu können. Naja, ein bisschen sticheln tut er ja auch....und dann muss er auch den Gegenwind aushalten. Das ändert nichts an der Tatsache, dass ich Edi fachlich sehr respektiere; das Eine hat mit dem Anderen nichts zu tun, das muss er aushalten :-) Vielleicht sind wir Älteren aus einem etwas härteren Holz geschnitzt, nicht so verweichlicht wie die gegenwärtige Generation ;-) Vom Alter her, könntest du mein Sohn sein. Aber jetzt solls auch gut sein, wenden wir uns wieder dem Thema zu.
Ahhh....während ich schrub ;-) hat sich einiges im Faden getan. ....oder ist das garkein Faden, sondern ein Gewinde? Das muss ich mir jetzt erstmal reinziehen....
Phasenschieber S. schrieb: > Aber jetzt solls auch gut sein, wenden wir uns wieder dem Thema zu. Super :-) Edi M. (edi-mv) schrieb: Grundlage sind aber die 3 existierenden Geräte. Wenn's gefällt, zeige ich die Gerate. Gerne.
OK- Da sind sie- Voilá. Baujahr... 1925. Die Beschreibung ist... Quatsch. Habe ich mir aus den Fingern gesaugt. Einiges stimmt aber, etwa die Abstufung des Lautstärkestellers, die Haptik, und einiges. Für die Beschreibung habe ich verbale Prügel bezogen- HiFi- Enthusiasten mögen sowas gar nicht... Dabei ist der Klang eigentlich nicht übel. Ich habe mich geirrt, die Audioaufnahme ist nicht von den gezeigten Geräten Tnner/ Verstärker, sondern einem Nachfolgemodell- 4 Jahre jünger, ich habe die Aufnahme der gezeigten Geräte leider gelöscht- und die Bezeichnung war wegen eines Tests kodiert. Ich werde die Aufnahme aber nochmal machen- ich habe ein Parallelgerät davon, gleiche Schaltung, und amerikanisches Gerät, welches es baugleich in Deutschland gab. Die Leistung ist beachtlich. Zweihundertfünfzig. Milliwatt. :-) Ich finde den Klang gar nicht so schlecht- wenn man die allerersten Geräte mit guten Audioquellen füttert, kommt an einem guten AÜ und Lautsprecher auch was Schönes raus. Ich habe sehr große Boxen mit empfindlichen Lautsprechern, ich bekomme eine angenehme Lautstärke, den Klang, so wie hier zu hören, richtig Dampf geht in dieser Leistungsklasse natürlich nicht. Das Gerät, von dem das Audio stammt, besitzt auch einen Audioanschluß- allerdings ist es ein Problem, beim heutigen Stromnetz etwas störungsfrei anzuschließen, es ist nämlich ein Gleichstromgerät mit 4V- direktgeheizten Röhren ! Auf jeden Fall Verstärker- Thema, und unterstützt die Aussage, daß es nicht superteure Verstärker mit allem Brimborium sein müssen- gute Musik kann man auch mit geringer Leistung und einfachen Schaltungskonzepten hören.
Edi M. schrieb: > michael_ schrieb: >> Bei dir steht am Büro sicher auch Contor dran. >> Und hast einen Contordrucker und Contorklammern. > > Nein. > > Contor/ Kontor sind eigentlich eher Bankschalter, daher der Name. > Bis Ende der 70er Jahre gab es eine Sparkassenfiliale in der Berliner > Karl Marx- Allee, mit der Bezeichnung "Berliner Stadtkontor". > > Die historische Bezeichnung für ein (Schreib-) Büro wäre eher "Bureau". In der Kaiserzeit war die Bezeichnung üblich. Nochwas zur Penthode. Diese Bezeichnung ist gestorben. Ich habe heute mal recherchiert. In einem Allei (Die Firma muß ich dir nicht erklären) -Bastelbuch Nr.1 1939 wird noch von der Fünfpolröhre (Penthode) gesprochen. Der Begriff war bis dahin in Deutschland üblich. Im Heft Nr.9 ist nichts mehr von "ausländischen" Bezeichnungen zu sehen. Nur noch Dreipolröhren, Fünfpolröhren, Siebenpolröhren usw. Nach dieser braunen Zeit ist die Pentode wieder auferstanden. Bis heute. Nun gebe ich Ruhe damit.
michael_ schrieb: > Diese Bezeichnung ist gestorben. Dank Edi lebt diese Totgeglaubte länger. :-) > Nun gebe ich Ruhe damit. OK. Danke für die Recherche !
Edi M. schrieb: > Mohandes H. schrieb: >> Den Respekt den ich jemanden gegenüber bringe hat nichts mit Du oder Sie >> zu tun. Nicht falsch, daß Du das so siehst. Ich benutze auch lieber das "Du", weil mir unter fachlich gleich-, und manchmal menschlich vergleichbar, gesinnten Menschen die Distanzierung oft als unnötig erschienen war. "Sie" benutze ich also - wie Du - praktisch niemals zum "Schulzweck" wie von @Edi beschrieben: > Doch. Nicht umsonst nannte man die "Sie- Form" früher "Höflichkeitsform, > auch wenn sie distanziert. > So habe ich das noch in dere Schule gelernt. Auch ist nicht jedes "Sie" wirklich höflich gemeint. Denn es besteht die Möglichkeit, ich sage mal unangebrachte Worte auf höfl. Anrede folgen zu lassen - zur Vorgabe von Distanzwahrung und/oder Respekt, natürlich unter offen gezeigter Ignoranz der wahrsch. Erkennung. Wer so etwas an falscher Stelle macht (wo Respekt angebracht/nötig - zum Beispiel inmitten einer Diskussion mit feindl. Warlords oder anderen Menschen mit der Macht, einem diversen Schaden zuzufügen), braucht natürlich eher weniger mit so etwas wie Gnade zu rechnen. Und zuletzt: Höfliche Umgangsformen kann man sogar ganz ohne "Siezungen" zeigen. :)
Luftmangel schrieb: > Denn es besteht > die Möglichkeit, ich sage mal unangebrachte Worte auf höfl. Anrede > folgen zu lassen - Joschka Fischer: "Mit Verlaub, Herr Präsident, Sie sind ein A...loch". Nochmal zu den wunderschönen Röhrenverstärkern, leider kann ich keine soo alten Geräte wie sie Edi besitzt vorweisen, habe aber hier im Shack ein Grundig 2006W aus dem Jahr 1951/52 stehen. Ein sehr schönes altes Radio in hervorragendem Zustand. Es gab in der Röhrentechnik auch einige Exoten, z.B. der Ionenhochtöner eines Herrn Braun aus Saarbrücken. http://www.hifimuseum.de/otto-braun-saarbruecken.html Dieser Herr Braun hat seinerzeit, das war so Anfang 70er Jahre, in der HiFi-Szene einen Hype ausgelöst. Kleine Episode am Rande: Ich saß bei besagtem Herrn Braun im Studio und hörte mir seine Vorführungen an, die er blumig als das Nonplusultra des Hörgenusses anpries, als plötzlich ein vorbeifahrender CB-Funker aus dem Lautsprecher quakte. Kurzum, als dann mal jemand auf die Idee kam, das Ding auf EMV zu überprüfen, was katastrophale Werte hervorbrachte, verschwand das Ding ganz schnell wieder in der Versenkung. Bis dahin hatte Herr Braun aber schon mächtig abgesahnt.
Luftmangel schrieb: > Und zuletzt: > Höfliche Umgangsformen kann man sogar ganz ohne "Siezungen" zeigen. :) Der Name ist Programm- Luftmangel führt manchmal zu solchen Ansichten. Bei fremden Menschan sollte man sich das schon überlegen. Dazu noch die Erfahrung: Ich habe schon erlebt, daß eine gegensätzliche Meinung zu purem Haß umschlägt, wenn man "auf Du" ist- von dem per "Sie" distanzierten Menschen wird diese akzeptiert. Das betrifft meist politische Diskussionen, aber gelegentlich auch in Diskussionen mit Elektronikern. Phasenschieber S. schrieb: > Es gab in der Röhrentechnik auch einige Exoten, z.B. der Ionenhochtöner > eines Herrn Braun aus Saarbrücken. Ja, Funkenstrecken- Hochtöner, heute Ionen- oder Plasma- Hochtöner- habe ich schon irre Konstruktionen in Youtube gesehen, besonders die im Takt der Musik mitwackelnden violetten Lichtbögen sind super: https://www.youtube.com/watch?v=cEeWtBAE5LY https://www.youtube.com/watch?v=SYiBNLAe0aU Aber wenn man beim Orchester jedes Instrument zentimetergenau an seinem Platz orten kann- dafür nimmt man Ozonwolken gern hin. Und beim Camping grillt das Ding ja vielleicht noch Mücken. :-) Klanglich machen die Dinger in den Videos aber was her- deutlich und verzerrungsfrei, allemal besser, als die mit Schrauben festgeballerten Spinnen der Pappmembranen einiger Modelle, die ich in meinen Geräten habe. In Natura habe ich die noch keinen solcher Hochtonfunken gehört, ich habe aber ein Radio mit elektrostatischem Hochtöner- da hat man direkt vor dem Gerät "zwitschernde" Höhen- ein schöner Effekt.
Edi M. schrieb: > Klanglich machen die Dinger in den Videos aber was her- deutlich und > verzerrungsfrei, Also das mit der "Reinheit" des Tones kann ich nicht nachvollziehen. Das spielt sich wohl eher auf der psychologischen Ebene ab, denn der Treiber eines solche Lichtbogens unterliegt genau den gleichen physikalischen Gesetzen wie ein herkömmlicher Röhrenverstärker. Noch nichteinmal der AÜ entfällt, denn den braucht er für seine Hochspannungsfunkenstrecke. Einzig die Lautsprechermembran entfällt. Naja, ich bin schon froh wenn ich heutzutage noch bis 7kHz hören kann ;.)
Phasenschieber S. schrieb: > Das spielt sich wohl eher auf der psychologischen Ebene ab, Kann sein. Ist auch ein schlechter Vergleich mit sehr alten Papptröten... jedenfalls hatte ich etliche, die dermaßen zwangsgedämpft waren, daß nicht mehr erkennbar war, WAS die da wiedergeben- ein diffuses Klangbild. HiFi ist wohl größtenteils psychologische Ebene. Selbst erlebt: Ein Fernseher mit Stereo- Bildwiedergabe plus ein guter Verstärker und Lautsprecher, muß nicht die Oberklasse sein- da ist durch den intensiven Bildeindruck die Täuschung perfekt- und das Gehirn wird nicht ansatzweise noch Nuancen identifizieren, welche die Wiedergabe als "unecht" ausweisen. ! Für MICH, Edi, ist die beste Wiedergabequalität nicht HiFi nach der Din-Norm o. ä., sondern dann, wenn ich mit geschlossenen Augen denke, der Sprecher ist vor mir, oder ich sitze in einer Bankreihe der Kirche. Erlebnis dazu: Ich komme ins Zimmer, mache da irgendwas, jemand spricht mich an, ich drehe mit unwillkürlich um, weil ich tatsächlich dachte, jemand wäre hinter mir. War es auch- meine Musiktruhe, als ich reinkam, war gerade Stille, und dann eben ein Sprecher. Die Musiktruhe (125 Kg !) ist aus den 50ern, Mono, und nicht mal in der Nähe der DIN45500. Einige Radios können das Stück, welches ich hier als Teststück verwende, sehr schön über auf dem Boden stehende, große Boxen wiedergeben, man merkt durch den Bodenkontakt den Bodenschall deutlich, mit geschlossenen Augen bin ich in der Kirche. Dabei muß es nicht einmal Stereo sein- auch am Standort der Orgel hat man diffuse Reflektionen, nur bei sehr großen Orgeln kann man evtl. die Richtung einzelner Pfeifen ausmachen, oft sind sie gedrängt und übereinander, daß eine Ortung aus der Sitz- Entfernung nicht möglich ist.
So, wieder alle versöhnlich, finde ich gut! Es waren ja auch keine bösen Worte dabei, ein wenig Provokation und die Reaktion darauf. Nun weiß ich nicht: Sie oder Du ... ich 'flüchte' mich mal in die 3. Person (was ich persönlich unhöflicher finde als eine direkte Anrede). Im persönlichen Gespräch würde ich nie Du sagen wenn jemand auf das Sie besteht. Andererseits sind wir hier 'unter uns' und ausnahmslos alle duzen sich. Edi sollte noch mal darüber nachdenken. Sonst "Zähne zusammenbeißen" ... der Spruch bleibt. Hier sind einige Oldies oder Veteranen und es macht Spaß in so einem Thread zu lesen und zu schreiben. Das Thema Röhren scheint ja nur bei wenigen vorhanden und so sind die Beiträge auch sehr gut - Lob an alle Beteiligten! Ich habe großen Respekt vor jemandem wie Edi der so alte Röhrengeräte fachkundig und liebevoll restauriert, so daß man auch hören kann wie vor fast 100 Jahren so ein Gerät klang. Sowas ist selten. Tolle Geräte! Mohandes
Edi M. schrieb: > Es gibt auch Listen, welche Plattenhersteller/ Herstellungsjahre > welche Entzerrung benötigen. > Für Perfektionisten. > Ich finde, es hat keinen nennenswerten Nutzen für den Aufwand, die > Unterschiede sind zu gering. Hi, eine bestimmte Serie von Grundig Röhren-Tonbandkoffern hatten sich ehemals zum Ziele gesetzt, gänzlich ohne Induktivitäten in den Bandvor"ver"zerrungen für verschiedene Bandgeschwindigkeiten auszukommen. Es tauchte hie und da mittlerweile wieder ein soweit ich weiß in Vergessenheit geratenes Wunderschaltungsprinzip "Gyrator" auf. Hier hat wohl diese "Mono"-Schaltung Pate gestanden. Soviel nur zum Hintergrund. ciao gustav
Mohandes H. schrieb: > Ich habe großen Respekt vor jemandem wie Edi der so alte Röhrengeräte > fachkundig und liebevoll restauriert, so daß man auch hören kann wie vor > fast 100 Jahren so ein Gerät klang. Sowas ist selten. Tolle Geräte! Dito :-)
Phasenschieber S. schrieb: > Es gab in der Röhrentechnik auch einige Exoten, z.B. der Ionenhochtöner > eines Herrn Braun aus Saarbrücken. > ... > Dieser Herr Braun hat seinerzeit, das war so Anfang 70er Jahre, in der > HiFi-Szene einen Hype ausgelöst. > > Kleine Episode am Rande ... Das ist spannend! Vom Plasmahochtöner habe ich gelesen, keine Ahnung wie es sich anhört aber schon die Technik ist interessant. Solche 'Freaks' wie dieser Herr Braun sind selten geworden. Als ich in den 70ern ein Jahr Praktikum machte, da war ich im Labor auch bei so einem Freak. Der hat z.B. einen AD-Wandler aus diskreten Transistoren gebaut und ähnliche Sachen. Der Herr Oswald, etwas schrullig, er war auch schon älter und von ihm habe ich viel über Elektronik gelernt. Vorher hatte ich nur gebastelt, ab da begann ich zu verstehen. Die eigentliche Lust auf Elektronik die dann zur Leidenschaft wurde (und auch zum Beruf) kam bei mir ein paar Jahre vorher mit dem 'Radiomann' und mit dem 1. selbstgebauten Audion. Das war noch der alte mit OC612 und EF98. Das Anleitungsheft und ein paar historische Teile wie der 'Quetscher' haben die Jahre überlebt. Später gab es dann weitere Kästen von Kosmos wo man auch Superhet bauen konnte.
Auch die EF98 des Radiomanns hat die Zeiten überlebt. Die war im Experimentierkasten nicht dabei, die mußte man separat kaufen. Aber jeder Radioladen an der Ecke hatte damals ein Riesensortiment. ECC85 - ECH81 - EF98 - EABC80 - EL84 - EM80 - so sah die typische Bestückung eines Radios Ende der 50er Jahre aus. Als Kind fand ich schon immer das magische Auge faszinierend. Ich studiere gerne Schaltpläne aus dieser Zeit. Alleine der Tuner mit ECC85, scheinbar simpel, da steckt so viel Erfahrung drin. Temperaturkompendsation durch verschiedene Kondensatoren damit der Sender nicht wegläuft. Die ECC85 in Zwischenbasisschaltung, mit Kompensation der Miller-Kapazität. Usw. Schöne Technik. Und alles ohne EDV. Die Entwickler damals waren schon gut. (Genug in alten Zeiten geschwelgt, zurück zum Thema): so ein magisches Auge wäre das Sahnehäubchen auf einem Röhrenverstärker.
Phasenschieber S. schrieb: > Exoten, z.B. der Ionenhochtöner eines Herrn Braun aus Saarbrücken. Müßte man hören. Es gibt bei Lautsprechern ja ein generelles, physikalisches Problem: Wenn ich nur eine Membran benutze, dann unterliegen höhere Töne unweigerlich dem Dopplereffekt durch die Bewegungen der Membran der tiefen Töne. Wenn ich dann mehrere Lautsprecher verwende, wird das weniger, aber es kommen Probleme mit den Weichen. Und kein Lautsprecher ist perfekt. Deswegen ein Kompromiss mit 2 oder 3 Frequenzbereichen und Weichen. Aber die Physik läßt sich nicht überlisten und da hilft auch der beste Verstärker nichts. Wie so ein Plasma- oder Ionenlautsprecher das macht werde ich mal nachlesen. Wenn man die Ionen (oder einen anderen Träger) so mit der Frequenz modulieren könnte daß sie unabhängig voneinander schwingen, könnte das ein idealer Lautsprecher sein. Theoretisch.
Vielen Dank für die Zusprüche ! :-) Ich kann nur empfehlen, sich mit Röhrentechnik und Transis zu befassen- da ist viel erhaltenswertes Wissen, und wie ich feststellte, gibt es noch Sachen, die man noch heute "erforschen" kann- auch wenn manche Bauteile längst vergessen sind. Solche Sachen wären z. B. Audion mit den Spitzentransistor. der hat nämlich einen extzrem weichen Schwingungseinsatz, und eigenartiges Verhalten kurz vor diesem Punkt. Aber der Spitzentransi hatte eben Nachteile, darum verschwand er in der Versenkung- man bekommt solche jedoch gelegentlich über Ebay. Oder Pendelempfänger für die Rundfunk- Verwendung auf den AM- Bereichen- die es industriell nie gab, vielleicht bei KW- Amateuren, und nur auf sehr hohen Frequenzen. Es gibt einige Veröffentlichungen- ich bekam nach langer Suche ein Buch aus den USA, das sich damit befaßt- und ich konnte es erfolgreich umsetzen. Bei Audio wären es eisenlose Endstufen in ungewöhnlichen Schaltungskonzepten, die eine Röhre umgekehrt betreiben, Anode als Eingang. Viele Röhren parallel, um die Ausgangsimpedanz für einen Lautsprecher zu bekommen. Oder auch das Gleiche mit bekannten Röhren- Endstufenschaltungen. Es geht immer was- ich bin mal entwicklungsmäßig rückwärts gegangen, und habe ein CB- Funkgerät für den FM- Betrieb mit einer ZF versehen, die NIOCHT begrenzt, und einem Phasendiskriminator, der ja -im Gegensatz zum Ratiodetektor- keine Begrenzerwirkung hat. Es war etwas schwierig einzustellen, das Ergebnis aber hervorragend- das sonst nur Rauschsperre wegzuschaltene hochpegelige Rauschen ohne Signal.. war passé. Na klar hat man dann keine AM- Unterdrückung- die ist aber auch nicht nötig, und wenn auf der Autobahn ein Moped ohne geschirmten Zündkerzenstecker vorbeiknattert, hat man eben kurzzeitig das Knattern, aber nicht mehr das nervige Rauschen. Und bei Audio geht sicher auch einiges- mit heutigen Mitteln kann man vergessene Kanzepte wieder aufleben lassen. SChließlich muß es nicht wirtschaftlich sinnvoll sein.
Mohandes H. schrieb: > so ein magisches > Auge wäre das Sahnehäubchen auf einem Röhrenverstärker. Wie wäre es denn mit einer Glimmröhre ? Nannte sich in den 30er Jahren "Resoröhre", wurde als Abstimmanzeige verwendet, siehe Fotos, Radio Blaupunkt "5W86". Die Skalenanzeige dazu war übrigens ein in einem Magnetfeld schwebender... blauer Punkt. https://www.ebay.de/itm/Glimmstab-Glimm-Anzeigerohre-DGL-ORB-175/203086732287?hash=item2f48e99bff:g:lZ4AAOSw1ZRfQ3DJ https://www.youtube.com/watch?v=x0NJhbx9IYM https://www.instructables.com/Analog-IN-13-bargraph-Nixie-tube-thermometer/ Suchkriterien "IN-13 Nixie" oder "Bargraph nixie tube"
Edi M. schrieb: > Die Skalenanzeige dazu war übrigens ein in einem Magnetfeld > schwebender... blauer Punkt. Was es alles gibt! Die haben sich schon tolle Sachen einfallen lassen. Sowas finde ich schöner als irgendein LCD-Display. Wird dann der schwebende blaue Punkt durch das Magnetgeld in der Höhe gesteuert? Aber ... > Ebay-Artikel Nr. 203086732287 ... die Preise weniger schön. Direkt darunter ein magisches Auge EM34 für €139,-. Gibt zum Glück noch magische Augen für reelle Preise wenn man sich umschaut. Ich habe auch noch welche, teils nagelneue aus den 50ern, die darauf warten verbaut zu werden.
Mohandes H. schrieb: > Es gibt bei Lautsprechern ja ein generelles, > physikalisches Problem: Wenn ich nur eine Membran benutze, dann > unterliegen höhere Töne unweigerlich dem Dopplereffekt durch die > Bewegungen der Membran der tiefen Töne. Das alleine ist noch nicht das Problem, kürzere akustische Wellenlängen erzeugen auf einer grösseren Membran Longitudinal-Wellen, d.h. die Membran "sieht aus" als hätte man einen Stein in ein ruhiges Wasser geworfen. Das kann man sogar mit ganz feinem Quarzsand sichtbar machen. Deshalb gab es diese ganzen Anstrengungen die Membran, hauptsächlich im Hochtonbereich, so gut es geht masselos zu gestalten. Dann kam die Zeit der Bändchenlautsprecher und Elektrostaten. Letzteres riesige Kisten, die das statische Feld erzeugten, jedoch einen miserablen Wirkungsgrad hatten. Soviel ich weiss, hatten die auch einen Hochvolt-Antrieb. Zu der Zeit hat die Stromrechnung noch keine so grosse Rolle gespielt, da gab es noch Nachtspeicherheizungen. Apropos Magisches Auge, da kommt mir gerade die sagenhafte Wurlitzer Musikbox in den Sinn....Mords Röhrenverstärker drinne und einen Mords-Sound... Ich muss aufhören....das wird sonst endlos ;-)
Mohandes H. schrieb: > Edi M. schrieb: >> Die Skalenanzeige dazu war übrigens ein in einem Magnetfeld >> schwebender... blauer Punkt. > > Was es alles gibt! Die haben sich schon tolle Sachen einfallen lassen. > Sowas finde ich schöner als irgendein LCD-Display. Wird dann der > schwebende blaue Punkt durch das Magnetgeld in der Höhe gesteuert? Na ja... da wird ein Magnet, den man nicht sieht, vom Skalenseil (Stahl !) bewegt, daneben läuft der blaue Punkt in einer Glasröhre. Manchmal fällt der runter, dann kurbelt man den Senderwahlknopf linksherum, und sammelt ihn wieder vom Boden auf. Der Wellenschalter betätigt übrigens die aufrecht stehende Trommel der "Litfaßsäulen- Skale" per Kettenantrieb. Die Skale ist hoch, hat dadurch eine gute Länge, dadurch eine gute Feineinstellung. > Aber ... >> Ebay-Artikel Nr. 203086732287 > ... die Preise weniger schön. Direkt darunter ein magisches Auge EM34 > für €139,-. Das ist ja nun eine historische Resoröhre. Die IN-13 vom sowjetischen Genossen ist deutlich preiswerter, und tut's genauso, Link war ja bei. > Gibt zum Glück noch magische Augen für reelle Preise wenn man sich > umschaut. Ich habe auch noch welche, teils nagelneue aus den 50ern, die > darauf warten verbaut zu werden. Auf jeden Fall gibts die russischen, und die sind so preiswert, daß man da einige beiseite legen kann. 6E5C (auch als 6E5S transskribiert) sieht auch ganz nett aus, Ersatz für EM11 und Co. der 30er bis 50er Jahre. Soll wohl nicht so haltbar sein, aber die gibt's oft noch günstiger, da nimmt man dann eine mehr.
Mohandes H. schrieb: > ECC85 - ECH81 - EF98 - EABC80 - EL84 - EM80 - so sah die typische > Bestückung eines Radios Ende der 50er Jahre aus. Da ist ein Zahlendreher drin, es muß EF89 heißen. Die EF98 war speziell für kleine Anodenpannung (Autoradios). Andere häufige Bestückung: ECC81 - ECH81 - EBF89 - EAA91/2GA113 - ECL81/ECL86
Mein Grundig 2006W aus dem Jahr 1951 ist bestückt: ECH42, 2X EF41, EB41, EM34, EBC41, EL41
Neu L. schrieb: > Mohandes H. schrieb: >> > Den Trafo. habe ich selbst gewickelt. > Das Blechpaket ist etwas knapp bemessen. > Rein rechnerisch müsste etwas höher gehen, hatte aber nur ein M74 da. Der M74 Kern ist ja wohl dann einer ohne Luftspalt. Das ist in der Anwendung in einer Eintakt-Endstufe ein Kardinalfehler, da dieser in die magnetische Sättigung gehen wird. So wird das nichts mit der Basswidergabe!
Hallo, @TE: laß das mit dem SRPP sein. SRPP funktioniert nur wie gedacht, wenn sich eine definierte niederohmige Last am Ausgang befindet (bei der 6SN7 so um die 20k) und dann ist die Verstärkung gar nicht mehr so hoch. Außerdem neigen SRPP-Stufen zu Störgeräuschen wegen der recht hohen Ufk. MfG Willi
mark space schrieb: > Neu L. schrieb: >> Mohandes H. schrieb: >>> >> Den Trafo. habe ich selbst gewickelt. >> Das Blechpaket ist etwas knapp bemessen. >> Rein rechnerisch müsste etwas höher gehen, hatte aber nur ein M74 da. > > Der M74 Kern ist ja wohl dann einer ohne Luftspalt. Das ist in der > Anwendung in einer Eintakt-Endstufe ein Kardinalfehler, da dieser in die > magnetische Sättigung gehen wird. So wird das nichts mit der > Basswidergabe! Missverständnis. War aus den Netztrafo. bezogen. Steht weiter oben. ;)
Willi schrieb: > Hallo, > > @TE: laß das mit dem SRPP sein. SRPP funktioniert nur wie gedacht, wenn > sich eine definierte niederohmige Last am Ausgang befindet (bei der 6SN7 > so um die 20k) und dann ist die Verstärkung gar nicht mehr so hoch. > Außerdem neigen SRPP-Stufen zu Störgeräuschen wegen der recht hohen Ufk. > > > MfG > Willi OK. Ich will aber auch nicht beide Kanäle durch eine Röhre schicken. Dann muss ich beide Systeme in Reihe, oder parallel schalten.
Ich glaube, jetzt wird es Zeit für mich, mich zu verabschieden. Danke an alle Beteiligten, es war mir eine grosse Freude, hat mir sehr viel Spass gemacht. Dem TO wünsche ich gutes Gelingen und viel Freude mit seinem Projekt. Ich bin dann mal weg.
Phasenschieber S. schrieb: > riesige Kisten, die das statische Feld erzeugten Der elektrostatische Hochtöner hat aber den Vorteil, dass er direkt ohne Ausgangsübertrager an die Endröhren angeschlossen werden kann. Für den Mittel-Tieftonbereich braucht man aber trotzdem noch einen AÜ.
Neuling N. schrieb: > OK. Ich will aber auch nicht beide Kanäle durch eine Röhre schicken. > Dann muss ich beide Systeme in Reihe, oder parallel schalten. Ist das eine Frage? Oder eine Aussage? Du solltest schon etwas präziser sein. Und besser Dich auf ein Konzept fokussieren und dann mehr in die Tiefe gehen (Datenblätter, Kennlinien). Kleine Anmerkung von mir, wollte ich die Tage schon schreiben. P.S. Ich würde mir mal eine Kennlinie ausdrucken und die Arbeitsgerade(n) einzeichnen (Ra), den Arbeitspunkt, usw.
Mohandes H. schrieb: > Neuling N. schrieb: >> OK. Ich will aber auch nicht beide Kanäle durch eine Röhre schicken. >> Dann muss ich beide Systeme in Reihe, oder parallel schalten. > > Ist das eine Frage? Oder eine Aussage? Beides! > > Du solltest schon etwas präziser sein. Und besser Dich auf ein Konzept > fokussieren und dann mehr in die Tiefe gehen (Datenblätter, Kennlinien). Ich komme aktuell nicht zum basteln. Daher verfolge ich das hier im Grunde nur so mit. Habe ja auch noch andere Hobbys, wie Familie, Job, usw. :) > > Kleine Anmerkung von mir, wollte ich die Tage schon schreiben. > > P.S. Ich würde mir mal eine Kennlinie ausdrucken und die > Arbeitsgerade(n) einzeichnen (Ra), den Arbeitspunkt, usw. Kleine Anmerkung von mir. Das war ursprünglich mein plan. ;) Ich denke es ist keine schlechte Idee das ganze erstmal einzuzeichen und zu berechnen. Schaue mir die Kennlinien gleich mal an.
Mohandes H. schrieb: > P.S. Ich würde mir mal eine Kennlinie ausdrucken und die > Arbeitsgerade(n) einzeichnen (Ra), den Arbeitspunkt, usw. Dazu mal eie Frage. Wie ermittle ich P2, also Ia max? Betriebsspannung / Anodenwiderstand Richtig?
Im Umkehrschluss würde ich am Beispiel der ECC99 auf Rund 8kOhm Ra kommen. Bei Ub 300V. Passt das in etwa?
@Neuling- ich enpfehle, erst mal eine kleine Schaltskizze zu machen, auch per Hand, damit wir überhaupt wissen was geplant ist ! Von rechts beginnend, weil man in der Reihenfolge Stück für Stück alles zum Laufen bekommt. Geht wirklich so, ich baue alle meine Projekte so. Mit Stricheln getrennt, innerhalb der Strichelungen kann man z. B. eine ganz andere Treiberstufe einbauen, z. B. anstelle Triode eine Kaskode. Alles Mono links, die rechte Seite wäre identisch, das versteht sich von selbst. 1. Rechts unten: Netztrafo/ Gleichrichter, Lade- und Siebelko. Klar, damit man Saft hat. Evtl. Gitterspannungserzeugung, wenn die im Netzteil erbracht wird, und eine eigene Wicklung dafür da ist. 2. Rechts oben: Die fette Flasche, die Endröhre, AÜ, Lautsprecher, evtl. Gitterspannungsgewinnung mit Kathodenkombination. Nun kann man die Sache schon anwerfen ! 3. Links neben Endstufe: Die Treiberstufe. Jetzt... hat man schon einen Endstufenblock, der an sich schon ein betriebsfähiges Gerät ist ! Hier kann man gleich eine Einspeisebuche ansetzen, damit man das Gerät so verwenden kann. 4. Weiter links: Das Lautstärke- und Klangsteller- Netzwerk. Da kann man auch schon einspeisen, es ist aber von Impedanz und wegen der Verstärkungsminderung nur zum Testen. 5. Weiter links: Vorstufe. 5. Weiter links: Eingang mit Buchsen und Quellenwahlschaltern. Jetzt hat man einen richtigen Heimverstärker. 6. Unter den Schaltplan: die Extras: Aussteuerungsanzeige. 7. Unter dem Schaltplan- RIAA- Verstärker (ich empfehle, den extra zu bauen, und vor der Treiberstufe wahlweise zu verwenden) Usw. So, daß man eben jederzeit umdisponieren kann.
So, habe mich wieder an die Schaltung gemacht. Hier die Vorstufe mit Spannungswerten.
Sieht ja schon gut aus- ich rechne nun nicht nach... nun die anderen Baugruppen- eine Gesamtübersicht wäre schon super. Und Bau dann in der Reihenfolge, wie beschrieben.
Hier mal ein Plan- Beispiel von meinet Projekte- das Gerät funktioniert schon etliche Monate, teils im Dauerbetrieb, die Baugruppen links unten und rechts oben sind noch nicht realisiert, betrieben wird das Gerät mittels "Audio- Eingang" an der 2. Röhre, dadurch mit höherem Eingangspegel, kommt von einem Vorverstärker (Transistorradio). Die violetten Pfeile zeigen auf Oszillogramme, die ich noch nicht eingebunden habe.
Habe die Schaltung noch ein wenig angepasst. Die Werte passen jetzt noch besser. Zeichne gleich mal die EL84 ein.
So habe ich mir das vorgestellt. Ich baue das mal auf und mache ein paar Messungen.
Fang endlich an, etwas praktisch zu bauen! Ist ja nicht mehr auszuhalten deine immer neuen wirren Schaltungen. Wie kommst du nur bei der EL84 auf 340V? Hattest du da eine Eingebung von einem Rosa Pferd? Wirf deine 4-Achsen-CNC an, um das Chassis zu fräsen. Darauf sind wir hier alle neidisch.
michael_ schrieb: > Wie kommst du nur bei der EL84 auf 340V? Ja, es läuft wohl aus dem Ruder der Vernunft! Bin raus... Rainer
Ist doch ein guter Anfang. Der Arbeitspunkt (Ug=-4V, Ua=150V, Ia=18mA) ist ja der, der auch im Datenblatt empfohlen wird: > S = 9,5 mA/V > Ri = 2k3 > Ra = 10k Mit v = S*Ri*Ra/(Ri+Ra) kommt man etwa auf v=18 pro Stufe. Das ist ok, übliche Gitarrenverstärker mit der ECC83 haben mehr als das doppelte. Gesamtverstärkung also gut 300. Die ECC99 ist eine ziemlich steile Röhre (9,5mA/V), ich habe mit der keine Erfahrungen aber ich würde unbedingt vor beide Stufen einen Gridstopper setzen wie Du es auch bei den ersten Plänen hattest! 1k oder bis zu 10k. Die parasitären Kapazitäten der ECC99 sind angegeben mit etwa (übliche Werte bei Trioden): > Cg/k = 5 pF > Cg/a = 5 pF Daraus Cges = Cg/k+Cg/a*(v+1) = 105 pF. Diese 105p kannst Du Dir vorstellen wie ein Kondensator vom Gitter zur Kathode. Der Gridstop Rgrid bildet mit Cges einen Tiefpass der hochfrequentes Schwingen verhindert. Diese Schwingungen können auch kleine Amplituden haben und müssen auf dem Oszillogramm nicht unbedingt sichtbar sein, können aber den (guten) Klang kaputt machen! Ich weiß nicht ob es da nötig ist, würde ich aber auf jeden Fall einbauen weil schadet auch nicht! Tiefpass, wie üblich, sollte natürlich >20 kHz sein: fmax = 1/(2*pi*Rgrid*Cges) Ich hoffe, ich habe mich nicht verrechnet, bitte noch mal nachrechnen. Mohandes P.S. 340V ist viel zu viel!! Ist das die Leerlaufspannung? Schau mal ins Datenblatt der EL84 ('empfohlene Betriebswerte und max. Werte'). Und Du brauchst natürlich ein Lautstärkepoti (log). Oder einen Klangregler, hat Edi oben gezeichnet). Bestimmt noch was vergessen aber das fiel mir jetzt so ein.
Edi M. schrieb: > Hier mal ein Plan- Beispiel von meinet Projekte ... Balancemodulator. Mal eine Frage dazu (der Plan ist ja eh noch unvollständig): Was passiert denn an der CF7? Da wird der 'Audio-Eingang' über das Brems -Gitter moduliert, verstehe ich das richtig?
Mohandes H. schrieb: > Ist doch ein guter Anfang. Deine Ausführungen sind super und sehr hilfreich. Vielen Dank dafür. Ich werde den Gridstopper nachher mal einsetzen. Die Spannung ist ein echtes Problem. Wenn ich mit der Spannung runter gehe, komme ich sehr schnell aus dem Optimalbereich der ECC99.
@Neuling, ich habe jetzt nicht die Schaltungsdetails bewertet, ich habe selbst sehr viel zu tun... aber die Einwürfe betreffs der Anodenspannung sind schon richtig- das würde ich mir aber sowas von überlegen- das fängt ja schon beim, Netzteil an, Trafo, Elkos, dann die Spannung an den noch nicht voll geheizten Röhren, wenn das Netzteil gleich die Ua stellt (Si- Dioden), das kann in den Röhren richtig "feuern"- und wenn man mal bei der Bastelei "eine gewinkt kriegt"... fliegt man durch den Raum. Für eine kleine Endstufe reichen 250- 300 V max. weniger normalerweise aus. Mohandes H. schrieb: > Mal eine Frage dazu (der Plan ist ja eh noch unvollständig): Der Schaltplan ist vollständig- nur die beiden Neben- Baugrupen sind nicht realisiert, der obere Teil ist bereits in Betrieb. > Was passiert denn an der CF7? Da wird der 'Audio-Eingang' über das > Brems -Gitter moduliert, verstehe ich das richtig? Nein, umgekehrt, das Bremsgitter wird vom Audio- Eingang moduliert. :-) Wenn man am Bremsgitter einer Penthode eine Vorspannung anlegt, ändert sich der Anodenstrom, damit könnte man modulieren, ist bekannt. Dabei ändert sich aber nicht nur der Anodenstrom, sondern auch der Schirmgitterstrom. Und zwar gegensinnig. Es gibt dann einen Punkt, an dem ist Ia = Ig2. Die Differenz ist null. Steuert man g1 mit dem Träger, moduliert auf G3 mit dessen Vorspannung, und hat in Anoden- und Schirmgitterleitung eine Gegentakt- Spule, ist die HF dann weg- unterdrückter Träger, nur die Seitenbänder sind noch da. Nun geht man ein Stück weg vom diesem Punkt, Vorspannung am g3 höher, hat man keine Trägerunterdrückung, da hat man dann eine schön linear modulierte HF. Nun muß man sich eine geeignete Röhre suchen, bei der dieser lineare Bereich schön ausgeprägt ist. Hier half mir der Erbauer des RoeTest, Herr Heigl, mit Messungen- die kann ich auch mit Stift und Millimeterpapier an meinem "Funke"- RPG machen, da sitzt man aber ewig. Nachteil. der Ausgangspegel der HF ist gering, aber sehr saubere Modulation, und -das war mein Hauptkriterium- hohe Bandbreite ist machbar.
Neuling N. schrieb: > Wenn ich mit der Spannung runter gehe, komme ich sehr schnell aus dem > Optimalbereich der ECC99. Wenn nur 1 Röhre hohe Ua benötigt, dann muß das Netzteil so gebaut werden, daß nur diese mit der hohen Ua betrieben wird, die anderen nicht ! Bitte ALLE Schaltungsdetails auf EIN Blatt, damit man hier nicht alles zusammensuchen muß !
Hallo zusammen, hallo Neuling. Ich bin weiss Gott kein Röhrenexperte und will hier gar nicht gross mit dskutieren. So ein Teil, wie du, habe ich vor 50 Jahren mit einer EC92 und EL84 gebaut. Hat lange Jahre gute Dienste getan. Aus eigener Erfahrung zur Anodenspannung für die EL84: 250V o.ä. ist ok; jenseits von 300V bekommt sie rote Backen! 73 Wilhelm
Wilhelm S. schrieb: > Aus eigener Erfahrung zur Anodenspannung für die EL84: > 250V o.ä. ist ok; jenseits von 300V bekommt sie rote Backen! Hi, habe eine Schaltung bis auf ein paar Änderungen nachgebaut. Da ist als UB Anode 320V angegeben. Nun ja... Es gibt eine nicht zu vernachlässigende Überlegung: Und da wären wir beim wichtigen Arbeitsschritt: dem Netzteil. Die meisten Netzteile sind nicht stabilisiert. Das heißt, die Anodenspannung schwankt mit der Belastung. Sprich Anodenstrom und eben der möglichst konstant zu haltende (oder gehaltene) Schirmgitterstrom. (Siehe Diskussion oben...) Das bedeutet, die Spannung wird je nachdem, ob alle Röhren eingesteckt sind, doch innerhalb gewisser Grenzen schwanken. Habe einmal ein Diagramm aufgetragen gültig für EL84 (Gegentakt) das Messpunkteschema oben vorausgesetzt. https://www.mikrocontroller.net/attachment/476165/Messpunkte_.jpg Man sieht, die "Anodenspannung", genauer UB+ (Siebelko) liegt zwischen 340 V und 273 V. Und das nur bei einer Mono Endstufe. Kommt jetzt die zweite Stufe (Stereo) dazu, ändern sich die Werte sicherlich. Fazit: Bei der Dimensionierung des Netzteils nicht zu kleinlich sein. Dabei spielt die Rolle des Netztrafos eine der wichtigsten Rollen: Zum Beispiel: 2 x Heizspannungen. (6,3V) (4A, 2A) 1 x Gittervorspannung (45V, 200mA) 1 x Abgriff Anodenspannung bei 250V (250mA) ciao gustav
Als Schüler hatte ich mir mal einen Ultra Exquisit für 20,-M gekauft. https://www.radiomuseum.org/r/gerufon_ultra_exquisit_57w.html Schon beeindruckend, was der aus der EL84 rausgeholt hat. Ein großer Breitbänder, 2 Mitten/Höhen in 45° Winkel und ein Elektrostat. Die Klangeregistertasten Bass und Diskant habe ich gedrückt. Die Entwickler haben damals monatelang an den Klangnetzwerken gerechnet (mit Tafelwerk, Rechenschieber). Ich hab dann in einen Reisewecker mit gebrochener Weckfeder einen Kontakt eingesetzt und in das Radio ein 6V~ Schütz + Heiztrafo eingebaut. So habe ich keinen Schulanfang verpaßt. Als Bastler habe ich es schließlich zerlegt, war ja auch sehr sperrig. Vor ein paar Jahren habe ich mir schöne Quadral Standboxen gekauft. Deren Wirkungsgrad ist so mittel, d.h. als Treiber ist ein Onkyo mit 130W gerade richtig. Die Klang ist so gut, daß er mich an die sonore Stimme des RIAS-Sprechers aus dem Gerufon erinnert hat. Die Klangsteller sind natürlich auf neutral. Eine gute Amp/Speaker Kombination darf keine Klangsteller benötigen. Die Quellen sind nur noch digital (Internetradio, Toslink). So hat man keine Probleme mit Erdschleifen, Schaltknackser und sonstigen Störquellen.
Karl B. schrieb: > habe eine Schaltung bis auf ein paar Änderungen nachgebaut. > Da ist als UB Anode 320V angegeben. Karl B., es geht hier um ein Projekt eines Verstärker- Neulings ! An Sie: Nachbauten irgendwelcher Bastler sind KEIN MAßSTAB !!! Wenn die EL84 in allen Datenblättern Ua max als Grenzwert mit 300 V benennen, ist 320 V im Dauerbetrieb bedenklich. Und gerade dann, wenn die Anodenspannung sofort beim Einschalten da ist- dann steht an der EL84 schon mal über 400 V Leerlaufspannung an ! Das letzte Milliwatt aus der Lampe quetschen, ist sicher nicht nötig. Und- wie geschrieben- unnötig hohe Spannungen durch Verheizen abbauen, ist suboptimal. Karl B. schrieb: > Und da wären wir beim wichtigen Arbeitsschritt: dem Netzteil. > Die meisten Netzteile sind nicht stabilisiert. ... > Das bedeutet, die Spannung wird je nachdem, ob alle Röhren eingesteckt > sind, doch innerhalb gewisser Grenzen schwanken. Ein Netzteil muß nicht zwingend stabilisiert sein. Millionen Netzteile für Röhren waren das nicht. Im Betriebn wird wohl niemand ständig Röhren herausziehen. Also Quatsch, sich mit diesem Fall zu befassen. Berechnet wird natürlich immer für die Gesamtbelastung. Peter D. schrieb: > Die Quellen sind nur noch digital (Internetradio, Toslink). So hat man > keine Probleme mit Erdschleifen, Schaltknackser und sonstigen > Störquellen. Digital bedeutet nicht automatisch Super- Qualität. Internetradios holen ihre Musik von oft von Festplatten- und da liegt das Quellmaterial oft in weit herunterkomprimierter Form drauf.
Edi M. schrieb: > Berechnet wird natürlich immer für die Gesamtbelastung. Hi, das ist die Aussage. Also die Grundkonzeption schon mal planen. Leider fängt man irgendwann mit einem Kanal an, will den austesten und dann ist die Spannung zu hoch. Also das beim Netzteil beachten. Für die Tests halte ich eine Menge von verschiedenen 20W-Widerständen bereit, um mit dem passenden die Ua+ (Siebelko) auf dem Wert zu halten. Die 320V Angabe bei der Schaltung im Bild ist wohl ein ganz übler Druckfehler. Also, natürlich höchstens die 250 V. Das mit der Pent(h)ode in der Vorstufe habe ich n i c h t gemacht. ciao gustav
Karl B. schrieb: > Die 320V Angabe bei der Schaltung im Bild ist wohl ein ganz übler > Druckfehler. Die ist wohl ernst gemeint, auch am Schirmgitter stehen ja schon 315 V. Und wenn Sie 250 V Ua verwendet haben. müßten Sie ja alles umgerechnet haben ? So richtig gefallen will mir die Schaltung nicht- Direktkopplung, gerade die muß ja für 250 V dann umdimensioniert werden- aber hat ja bei Ihnen funktioniert. Aber ich bin nun auch kein Verstärkerbauer- ich habe ...zig Verstärkerstufen in Radios, 2 sauschwere "Kölleda" mit EL34 Gegentakt als Band- Hintergrundverstärker, werde die aber abgeben, haben sich nicht bewährt, die dicken Röhren sind neu, taugen aber nichts ("feuern"), und neue werde ich nicht investieren. Sind ja auch keine ausgesprochenen HiFi- Kisten, sind für Beschallung, gehen auf Trafo (200 Ohm/ 100 V- Technik) raus, und brauchen nochmal einen Trafo für niederohmige Lautsprecher ! Die machen Krach als Hintergrund, reicht. Die Lautsprecherleitungen sind übrigens... Stahldraht !!! Ich habe einige Transistorkisten, ich brauche keinen Verstärker- besser als die Transikisten wird kaum möglich sein, aber selbst, wenn man es meßtechnisch schafft, und ich zweifle, daß man 0,07 % Klirrfaktor (Loewe) und 0,008% (Onkyo) mit einem Röhrenverstärker unterbieten kann... das wird man überhaupt nicht hören können. Ok... manche WOLLEN Triodenverstärker, eben wegen deren besonderen -durch Klirrfaktor/ Oberwellen- bestimmten- "Klang". Aber das ist es ja- ein Verstärker SOLLTE nicht "klingen". Ich habe einige Trioden- Endstufen in historischen Radios, einst die absolute Oberklasse, und sie klingen heute noch gut- aber mit den EL84 der End- 60er- Radios können die sich aber bei weitem nicht messen. Aber... man kann die alten Trioden mit guten Schaltungen und heutigen, weit besseren Bauteilen zur Hochform auflaufen lassen. Nun ja... Mit meinen alten Schlappohren ist das alles kein Thema mehr. Mal sehen, was der TE nun weiter bekannt gibt bzw. baut.
So, habe die Schaltung und auch das Netzteil etwas umgebaut. Ist natürlich quatsch eine der Art hohe Spannung auf die EL84 zu geben. Hatte ich wohl nicht so recht beachtet. Mit der aktuellen Schaltung sieht es ganz gut aus. Ein paar grobe Messungen waren sehr positiv. Leider kann ich keine aussagekräftigen Messungen machen, da die AÜs noch nicht da sind. Habe nur ganz einfache Übertrager mit 10k Eingangsimpedanz hier. Klanglich aber trotzdem schon recht gut.
Das ist hier ein Fischen im Trüben. Glaskugel war mal... Netzteil ? Wie konnte das so schnell geändert werden ? Bitte Komplett- Schaltung ! Wie sieht's denn aus mit Foto vom Aufbau ?
Edi M. schrieb: > Das ist hier ein Fischen im Trüben. Glaskugel war mal... > > Netzteil ? Wie konnte das so schnell geändert werden ? > Bitte Komplett- Schaltung ! > > Wie sieht's denn aus mit Foto vom Aufbau ? Das Netzteil für die Hochspannung habe ich mal aus einem Buch nachgebaut. Die Heizspannung kommt vom Labornetzteil.
Karl B. schrieb: > Die 320V Angabe bei der Schaltung im Bild ist wohl ein ganz übler > Druckfehler. Manche glauben an den Weihnachsmann, Osterhasen und die Wahrheit im Internet. Einfach links liegenlassen und nicht noch hier solche Müllschaltungen präsentieren. Ich habe hier etwas zum nachbauen. Mal was anderes mit der ECH81 als Phasenumkehrstufe. https://www.gfgf.org/GFGF-Schaltplandienst/SternRadioRochlitz_11E913D_sch.pdf
michael_ schrieb: > Ich habe hier etwas zum nachbauen. Mal was anderes mit der ECH81 als > Phasenumkehrstufe. Der 11E91 ist der "Stradivari 1" von Stern- Radio Rochlitz (DDR), die Stradivaris waren Großsuper, zu ihrer Zeit immer das Ende der Fahnenstange, der Klang absolut top. der "Stradivari 4" kann es durchaus mit Transistor- und IC- Stereoradios aufnehmen. Mit 4 Lautsprechern ist die 3D- Variante reichlich bestückt, wobei 2 gegenphasige Hochtöner für den 3D- Effekt sind. So ein "Stradivari 1" und ein "Stradivari 2"stehen in meiner Restauratioms- Warteschlange. ein "Stradivari 4" ist an PC und großen Boxen ständig im Einsatz. Die Schaltung des "Stradivari 1" ist nicht besonders kompliziert, wäre wirklich gut nachzubauen. Hier ist kein angezapftes Poti verwendet worden. Positiv: Die abschaltbare LC- Kombination am AÜ- Primär. Ich habe sie an einigen ausgezeichneten Geräten, aber fest dran- da bringt sie natürlich einen Frequenzgang- Einbruch. Mischröhre als Phasenumkehr ist allerdings nicht neu, das kam nach dem Krieg auf, da hätten Trafos die Geräte zu teuer gemacht, und Doppeltrioden gab es in DE kaum (EDD11, KDD11). "Wenn Röhren mischen können, können die auch audiomäßig was zusammenrühren !", sagten sich die Entwickler, und nahmen alles, was 2 Steuergitter hatte, Oktoden, Trioden- Hexoden, usw. http://edi.bplaced.net/?Edi%60s_Specials___Special%3A_Mischroehren_als_Treiber_fuer_Gegentakt-_Endstufen Ich denke mal, der Einwurf mit dieser Schaltung ist falsch bzw. zu spät hier- der TE möchte Eintakt bauen, und hat die Trafos bestellt.
Neuling N. schrieb: > Das Netzteil für die Hochspannung habe ich mal aus einem Buch > nachgebaut. Wenn ich den fliegenden Aufbau so sehe ... Du denkst schon daran, daß der Umgang mit so hohen (Gleich-) Spannungen gefährlich ist! Muß nochmal auf die Gridstopper zurück kommen: die sollten ganz nah (also direkt an der Röhre) liegen, mit so langen Leitungen könnte er sich da was einfangen. Für den späteren Aufbau: da kann man sich gut an alten Radios orientieren. Da wurden, vor allem in der HF-Stufe, alle Bauteile direkt ganz kurz am Sockel verlötet. Das grobe Konzept steht ja jetzt, wenn die Trafos anrollen kann es ja konkret werden, super. Edi M. schrieb: > Nein, umgekehrt, das Bremsgitter wird vom Audio- Eingang moduliert. > :-) > Wenn man am Bremsgitter ... Interessant. Daß man mit dem Bremsgitter modulieren kann ist klar aber auf diese Weise hatte ich das noch nie gesehen. Man lernt nie aus!
Mohandes H. schrieb: > Neuling N. schrieb: >> Das Netzteil für die Hochspannung habe ich mal aus einem Buch >> nachgebaut. > > Wenn ich den fliegenden Aufbau so sehe ... Du denkst schon daran, daß > der Umgang mit so hohen (Gleich-) Spannungen gefährlich ist! Ja, ich denke daran. > Muß nochmal auf die Gridstopper zurück kommen: die sollten *ganz nah* > (also direkt an der Röhre) liegen, mit so langen Leitungen könnte er > sich da was einfangen. Das lese ich immer wieder und werde den Punkt final natürlich beachten. Ich denke dass finale Messungen, auch im finalen System gemacht werden müssen. Also im Gehäuse, usw. Trotzdem kann ich hier schon recht gut die Qualität beurteilen. > Für den späteren Aufbau: da kann man sich gut an alten Radios > orientieren. Da wurden, vor allem in der HF-Stufe, alle Bauteile direkt > ganz kurz am Sockel verlötet. Final werde ich Leiterplatte verwenden. Aber auch hier kann man ja die Bauteile sehr nah an ein Pin setzen. Sollte daher kein Problem werden. > Das grobe Konzept steht ja jetzt, wenn die Trafos anrollen kann es ja > konkret werden, super. Wenn die Trafos da sind, werde ich die Schaltung vermutlich noch ein wenig anpassen müssen, da sich die Eingangsimpedanz ändert. Die Leistung ist aktuell auch etwas schwach. Kann das am falsche AÜ liegen?.
Edi M. schrieb: > Wenn die EL84 in allen Datenblättern Ua max als Grenzwert mit 300 V > benennen, ist 320 V im Dauerbetrieb bedenklich. Im Datenblatt (Telefunken) der EL84 sind als Max-Werte angegeben: > Ua = 300 V > Ug2 = 300 V > Ua0 = 550 V > Ug20 = 550 V Die Werte von 550V sind, vermute ich, ohne Belastung gemeint (also Ia und Ig2 = 0). Die EL84 verträgt also einiges. Trotzdem würde ich sie nicht ohne Not bis zu den Grenzwerten belasten. 250V sind empfohlen. Noch etwas steht im Datenblatt: > Am Röhrenboden können im Betrieb Temperaturen bis 120° auftreten. > Dies ist bei der Fassung zu beachten. Neuling N. schrieb: > Die Spannung ist ein echtes Problem. > Wenn ich mit der Spannung runter gehe, komme ich sehr schnell aus dem > Optimalbereich der ECC99. Habe ich immer noch nicht verstanden. Optimalbereich? Verzerrungen? 150V Ua sollten doch passen und stehen auch im Datenblatt. Oder hat sich das inzwischen erledigt? Hattest Du eigentlich mal die Betriebsspannung im Leerlauf und unter Last gemessen?
Mohandes H. schrieb: > Habe ich immer noch nicht verstanden. Optimalbereich? Verzerrungen? 150V > Ua sollten doch passen und stehen auch im Datenblatt. Oder hat sich das > inzwischen erledigt? Die Kennlinie ist bei einer höheren Spannung etwas flacher. Aus meiner Sicht ist das optimaler. Mit 250V sieht aber auch alles gut aus. Ichdenke solange die Röhre nicht über- oder untersteuert wird, ist alles ok. Die Werte habe ich ja nach Datenblatt eingestellt. Sollte also passen. > Hattest Du eigentlich mal die Betriebsspannung im Leerlauf und unter > Last gemessen? Was meinst Du mit Leerlauf? Netzteil ohne Verbraucher, oder Röhren ohne Signal? Die Spannungsangabe in der Schaltung, ist natürlich mit angeschlossenen Röhren, aber ohne Signal (also ohne Last). Das Netzteil ohne Last (also ohne Röhren) gibt etwas mehr als 270V raus.
Beitrag #6452897 wurde von einem Moderator gelöscht.
Mohandes H. schrieb: > Interessant. Daß man mit dem Bremsgitter modulieren kann ist klar aber > auf diese Weise hatte ich das noch nie gesehen. Man lernt nie aus! Hi, was noch nicht erwähnt wurde, aber gerade bei AFU-Anhängern sich gewisser Beliebtheit erfreut(e), war bzw. ist noch die Anoden-Schirmgitter-Modulation einer EL34 (alias 807) als Senderöhre. NF-Modulationsspannung auf das Schirmgitter und mit R auf Steuergitter. Damit dessen dünne Wendel nicht kaputtgehen. https://www.frihu.com/roehrentechnik/schirmgitter-ansteuerung/ ciao gustav
Ach Du grüne Neune schrieb im Beitrag #6452897: > Es gibt doch für Eintaktverstärker auch Übertrager, die noch eine > Zusatzwicklung haben um die Vormagnetisierung, die durch den Ruhestrom > entsteht, kompensieren zu können. Hi, so etwas in der Art wurde früher gerne eingesetzt als "Siebdrossel"-Ersatz. Hat nur den Nachteil, dass es auch in den Pausen etwas brummt. https://www.mikrocontroller.net/attachment/476588/Ausguebertr_Bimbi_.jpg ciao gustav
Neuling N. schrieb: > Das Netzteil ohne Last (also ohne Röhren) gibt etwas mehr als 270V raus. Das meinte ich mit 'Leerlauf'. Also Netzteil ohne Last . Die Spannung sollte durch die Z-Dioden ja einigermaßen stabil bleiben unter Last. 270V ist ja auch im grünen Bereich. Neuling N. schrieb: > Die Kennlinie ist bei einer höheren Spannung etwas flacher. Aus meiner > Sicht ist das optimaler. Hmm ... ist das wieder eine von Deinen 'intuitiven Erkenntnissen' :-)? Da würde ich mich nicht täuschen lassen. Oder: schau Dir mal die Eingangskennlinie Ia = f(Ug) im Arbeitspunkt an. Oder: auch Röhren mit 'krummen' Kennlinien können wunderbar klingen. Im Zweifel würde ich mich immer erstmal an die empfohlenen Betriebswerte halten, die haben schon ihren Grund. Feintuning geht immer noch.
Mohandes H. schrieb: > Hmm ... ist das wieder eine von Deinen 'intuitiven Erkenntnissen' :-)? Nein, diesmal nicht. :) Ich denke einfach nur, dass die Parallelverschiebung der Kennlinie besser funktioniert, wenn sie flacher ist. Aber vielleicht denke ich einfach zu linear. > Im Zweifel würde ich mich immer erstmal an die empfohlenen Betriebswerte > halten, die haben schon ihren Grund. Feintuning geht immer noch. Ja das denke ich auch. Der Hersteller wird sein Produkt ja gut kennen.
Ach Du grüne Neune schrieb im Beitrag #6452897: > Es gibt doch für Eintaktverstärker auch Übertrager, die noch eine > Zusatzwicklung haben um die Vormagnetisierung, die durch den Ruhestrom > entsteht, kompensieren zu können. Das sollte man bei der Bestellung > vielleicht noch berücksichtigen, sonst wird eine Halbwelle mit einer > höheren Sättigung gefahren! > Bei Gegentakt gibt es dieses Problem ja nicht. Der TE hat "seine" Trafos bereits bestellt. @Neuling, Mal einige Anregungen von Praktiker: Schon daran gedacht, den gemachten Aufbau genau so zu verwenden ? Ja ! Das geht nämlich auch. Wenn der Aufbau richtig gut funktioniert, kann man das durchaus machen. Geht so: Unter die Grundplatte eine Blechplatte, etwas größer wäre vorteilhaft. Damit hat man schon mal eine Abschirmung von unterhalb. Oberes Gehäuseteil: Kastenaufbau, der höher ist, als das höchste Bauteil. Trafos müssen nötigenfalls eben liegen (ggf. Winkelblech). Die Röhren sind hinten- das ist ok. Da bekommt das Gehäuse eine rechteckige Aussparung. Duie Röhren schauen dann schräg heraus, daß sie von vorn oben noch zu sehen sind (Chassis- Skizze und Foto). Die Potis an die Vorderseite. In der Frontmitte ggf. eine Aussteuerungsanzeige. Dahinter ggf. der Plattenspieler- Verstärker. Es müßten also die Trafos plaziert werden, die Verdrahtung ordentlich, geschirmte Leitungen zu Potis, mit Blechplatte drunter sollte genug Mass- Schirm da sein, daß der Aufbau brummfrei arbeitet. Trafos natürlich entspr, Abstand zu EInstreu- empfindlichen Stellen. Diese Lösung hat den Vorteil, daß Sie schon an dem Gerät bauen, welches nach Fertigstellung dann nur noch ein Gehäuse übergestülpt bekommt. Größe sollte ja nicht die Rolle spielen. Im Gegenteil, da kann man ja ggf. noch ändern, oder Extras nachsetzen. Die Anordnung der Röhren gewährleistet, daß diese schön Luft bekommen, sichtbar sind, aber geschützt in ihrer Gehäuseaussparung. Eine solche Röhrenanordnung gab es einst bei Körting (Foto). Das Chassis ist gerade lackiert, die Röhrenfassungen noch abgeklebt (Masseleitung nicht vergessen).. Die Frontseite kann eine Extra- Platte sein, die im U- förmigen Gehäuseoberteil eingepaßt ist. Das Gehäuseoberteil kann Sperrholz sein, innen mit Stanniolfolie beklebt. Dann Abstand Holz zu zu den heißen Röhren. Meines Wissens gibt es die Röhrenanordnung so in keinem Verstärker, da hätten Sie sogar ein Unikat.
Edi M. schrieb: > Schon daran gedacht, den gemachten Aufbau genau so zu verwenden ? Vielen Dank für Deine Ausführungen. Für mich ist das alles immer sehr hilfreich. Über das Gehäuse habe ich mir noch nicht viele Gedanken gemacht. Kann auch noch nicht sagen welche Materialien ich verwenden werde. Generell mag ich den Vintage Stil ganz gerne, bin aber auch sehr für was modernes. Da meine Schaltung noch nicht final ist, werde ich mit der Gehäuseplanung noch warten.
Neuling N. schrieb: > Vintage Stil Was ist "Vintage Stil" ??? Die im Internet gezeigten Röhrenverstärker mit Trafos und offenen Röhren drauf sind eine recht moderne Erfindung, nur ganz am Anfang, in den 20er Jahren baute man offen. Ich würde sowas nur mit einem Glas- oder Plexiglasgehäuse bauen- ungeschützte Chassis bei den oft heftig teuren Geräten... suboptimal.
Edi M. schrieb: > Neuling N. schrieb: >> Vintage Stil > > Was ist "Vintage Stil" ??? Das ist Vintage!
Ok... 70er/ 80er Jahre- Stil Echt Vintage wäre das: https://i.ebayimg.com/images/g/dWcAAOSw3CdcbmKL/s-l1600.jpg Das hier ist moderner, sieht schick aus. Eben offen, verstaubt, leicht, und die Röhren oft nicht geschützt: https://www.red-carparts.de/media/images/org/taga-homeaudio-verstaerker-roehrenverstaerker-heimkino-bluetooth-TTA-1000-6.jpg https://www.computerbild.de/test-vergleich/wp-content/uploads/roehrenverstaerker-vergleich.jpeg
Neuling N. schrieb: > Vintage Stil. Hauptsache es kommt keiner auf die Idee, die Röhren von unten mit LEDs zu beleuchten. Das haben echte Röhrenverstärker nicht nötig, das ist nur bei Fakeverstärkern mit Alibiröhre notwendig. Obwohl: erlaubt ist was gefällt und jedem das seine (aber mir keine LEDs an die Röhren).
Mohandes H. schrieb: > Neuling N. schrieb: >> Vintage Stil. > > Hauptsache es kommt keiner auf die Idee, die Röhren von unten mit LEDs > zu beleuchten. LEDs sind fest eingeplant.
Bei der RV12P2000 könnte man sogar Teelichte mit lebender Flamme oben drauf stellen :-) Das wäre chick.
Edi M. schrieb: > Wenn die EL84 in allen Datenblättern Ua max als Grenzwert mit 300 V > benennen, ist 320 V im Dauerbetrieb bedenklich. Und gerade dann, wenn > die Anodenspannung sofort beim Einschalten da ist- dann steht an der > EL84 schon mal über 400 V Leerlaufspannung an ! Eine EL84 ist mir in Radioschaltungen noch nie gestorben, die ist super zuverlässig. Die PCL85 war dagegen in Fernsehern das Sorgenkind. Ne blaue PCL85 und die Sache war klar.
Peter D. schrieb: > Edi M. schrieb: >> Wenn die EL84 in allen Datenblättern Ua max als Grenzwert mit 300 V >> benennen, ist 320 V im Dauerbetrieb bedenklich. Und gerade dann, wenn >> die Anodenspannung sofort beim Einschalten da ist- dann steht an der >> EL84 schon mal über 400 V Leerlaufspannung an !> Eine EL84 ist mir in Radioschaltungen noch nie gestorben, die ist super > zuverlässig. Die PCL85 war dagegen in Fernsehern das Sorgenkind. Ne > blaue PCL85 und die Sache war klar. Ich weiß jetzt nicht, was der Einwurf soll... mit 340 V wird eine EL84 m. W. in keinem Radio betrieben. Und das mit der PCL85 war eine Herstellersache.
Neuling N. schrieb: > Mohandes H. schrieb: >> Neuling N. schrieb: >>> Vintage Stil. >> Hauptsache es kommt keiner auf die Idee, die Röhren von unten mit LEDs >> zu beleuchten. > LEDs sind fest eingeplant Bei meinem Verstärker mit 2x 6L6GT an 350V leuchten nicht nur die Heizfäden orange sondern auch die Anodenbleche violett. Kommt von den hochenergetischen Elektronen die darauf prallen. Vermutlich entsteht dort sogar weiche Röntgenstrahlung.
Edi M. schrieb: > mit 340 V wird eine EL84 > m. W. in keinem Radio betrieben. Stimmt, die Nennspannung beträgt lt. Datenblatt 250V. 400V beim Einschalten sind aber zulässig. Ein Selen oder eine AZ11 liefern ja sofort Spannung.
Beitrag #6453541 wurde von einem Moderator gelöscht.
Ach Du grüne Neune schrieb im Beitrag #6453541: > Ob man wohl mit einer PL519 (aus einem Fernseher) einen > Eintaktverstärker bauen kann? > > Neuling N. schrieb: >> LEDs sind fest eingeplant > > Dann würde ich RGB LEDs einsetzen, um an verschiedenen Tagen die > entsprechende Farbstimmung erzeugen zu können. Das wiederum wäre nichts für mich. Ich würde bei reinem Gelb bleiben und auch nur ganz dezent einsetzen. Das Glimmen der Röhren sollte noch ganz deutlich erkennbar sein. Ich finde das echt klasse. Bei RGB müsste ich mit PWM-Signalen arbeiten. Das sind Frequenzen, die ich lieber vermeiden würde.
Ach Du grüne Neune schrieb im Beitrag #6453541: > Ob man wohl mit einer PL519 (aus einem Fernseher) einen > Eintaktverstärker bauen kann? > Dann würde ich RGB LEDs einsetzen, um an verschiedenen Tagen die > entsprechende Farbstimmung erzeugen zu können. Man kann, sogar mit Senderöhren, etwa RL12P35, oder kommerzielle Senderöhren, einen halben Meter hoch. Alles im Netz zu finden. Einige dieser Röhren sind direktgeheizt, die leuchten anständig, schönes warmes Licht, keine LED's nötig, und nebenbei heizen die mit 150 Watt Heizleistung und 400 Watt Anodenverlustleistung (pro Röhre !) die ganze Bude.
Edi M. schrieb: > Ach Du grüne Neune schrieb im Beitrag #6453541: >> Ob man wohl mit einer PL519 (aus einem Fernseher) einen >> Eintaktverstärker bauen kann? >> Dann würde ich RGB LEDs einsetzen, um an verschiedenen Tagen die >> entsprechende Farbstimmung erzeugen zu können. > > Man kann, sogar mit Senderöhren, etwa RL12P35, oder kommerzielle > Senderöhren, einen halben Meter hoch. Alles im Netz zu finden. > Einige dieser Röhren sind direktgeheizt, die leuchten anständig, schönes > warmes Licht, keine LED's nötig, und nebenbei heizen die mit 150 Watt > Heizleistung und 400 Watt Anodenverlustleistung (pro Röhre !) die ganze > Bude. Die Abwärme lässt sich doch super nutzen. Da ergeben sich ganz neue Möglichkeiten. :)
Hier sind solche Boliden. https://cdn.shortpixel.ai/spai/w_917+q_lossy+ret_img+to_webp/https://www.fidelity-online.de/wp-content/uploads/2019/12/amplifon-audio-set-140-single-ended-triode-amplifier-10.jpg https://upload.wikimedia.org/wikipedia/commons/0/05/AM_Radio_Glow.jpg?1603648838426 https://i.pinimg.com/originals/60/b6/3a/60b63ab4655f96b9a3e7c49ac8a621e5.jpg https://i.pinimg.com/originals/73/f9/e5/73f9e58cde3f140715a7d974aa701a0e.jpg http://www.6moons.com/industryfeatures/vsac03/electronluv0.5.jpg Der Treiber dazu: http://www.6moons.com/industryfeatures/vsac03/electronluv8.jpg Die Boxen und die Verstärker: http://www.6moons.com/industryfeatures/vsac03/electronluv16.jpg
Beitrag #6453580 wurde von einem Moderator gelöscht.
Ach Du grüne Neune schrieb im Beitrag #6453580: > Ein Eintaktverstärker mit einer PL519 ist noch ein Traum von mir. Aber > die Zeit dafür habe ich leider erst, wenn ich in Rente bin. Ich weiß nicht, wie lange das bei Ihnen ist- ich kann nur sagen: Beginnen Sie es jetzt- das Rentenalter wird immer weiter nach hinten geschoben ! Bei mir hat die Rentenversicherung seit meiner ersten Rentenmitteilung schon 2 Jahre "aufgekohlt" ! Sonst ist nach der Rente vielleicht nur noch einige Tage Zeit.
Beitrag #6453627 wurde von einem Moderator gelöscht.
Ach Du grüne Neune schrieb im Beitrag #6453580:
> Ein Eintaktverstärker mit einer PL519 ist noch ein Traum von mir.
Was willst du mit so einem Vehikel von Röhre?
Außer das sie groß, fett ist und tierisch Strom verbraucht, bringt sie
keine Bienchen.
Mit einem Verbrauch von 200W eignet sie sich ideal für einen
Kopfhörerverstärker.
Ach Du grüne Neune schrieb im Beitrag #6453580: > Ein Eintaktverstärker mit einer PL519 ist noch ein Traum von mir. Aber > die Zeit dafür habe ich leider erst, wenn ich in Rente bin. Mach! Ich schreibe das, sehr ernsthaft, weil mein Vater genauso gedacht hatte. Immer sagte er "wenn ich in Rente bin dann mache ich dies ..." - er starb ein Jahr nachdem er in Rente war. Und die Zeit: der Tag hat 24 Stunden und die kann man vergeuden oder nutzen. Muß man sich also nehmen wenn man Interesse hat. Warum sollte ein Verstärker mit der PL519 nicht funktionieren. Ist eine sehr niederohmige Röhre für kleine Anodenspannungen. Kennlinien sehen gut aus. Könnte vielleicht schwer werden dafür einen AÜ zu finden.
Mohandes H. schrieb: > Warum sollte ein Verstärker mit der PL519 nicht funktionieren. Ist eine > sehr niederohmige Röhre für kleine Anodenspannungen. Kennlinien sehen > gut aus. Könnte vielleicht schwer werden dafür einen AÜ zu finden. Wenn man es mit der Leistung nicht übertreibt, dürfte ein Penthoden- AÜ um 4- 5 Kohm reichen. So jedenfalls einige Angaben- müßte man vielleicht nachrechnen, dürfte aber nicht so kritisch sein. Ich habe schon in normalen Radios Trafos Kernschnitt EI84, z. B. im "Erfurt 1" einen recht hochwertigen, geschachtelten dieser Größe, der reicht leistungsmäßig allemal. Merkwürdigerweise waren die ersten Radios dieser Serie noch mit so großen AÜ bestückt, danach kleiner. Beim Wüsten- Jan wird man ja auch fündig, ich hatte ja schon Links angegeben.
Mal was anderes. Was machen ich mit Lautsprechern die mit 6 Ohm angegeben sind? Betreibe ich die an 4, oder besser an 8 Ohm?
Neuling N. schrieb: > Mal was anderes. > Was machen ich mit Lautsprechern die mit 6 Ohm angegeben sind? > Betreibe ich die an 4, oder besser an 8 Ohm? Es geht eben etwas "verloren". Röhren nehmen die Fehlanpassung klaglos hin, und das Projekt ist ja nun auch kein Hochleistungsverstärker, der bis an die Grenze ausgereizt wird. Wenn man will, kann man die Differenz etwas mit der Kabellänge ausgleichen. Den Verlust am Lautsprecher ändert's nicht.
So, habe die Übertrager heute bekommen und kurz angetestet. Anbei die aktuelle Schaltung. Wie erwartet ein ziemlicher Unterschied. Auch bei 16Hz ist ein gutes Sinus zu sehen. Die Leistung liegt bei rund 8Watt. Mache die Tage mal ein paar genauere Messungen. Ein Problem ist dazugekommen. Ohne Signal bekomme ich ein 100Hz Brummer auf den Ausgang. Kann das Vom Netzteil kommen? Oder wäre die Ursache wo anders zu suchen?
Zwei quasiparallel geschaltete Eingangstrioden, was soll das denn bewirken? quasiparallel, weil die g1 irgendwie seltsam in Reihe angesteuert werden. Wenn du schon die Anoden und Kathoden aufeinander legst, würde auch jeweils ein einzelner Widerstand reichen. Gegenkopplung kurzgeschlossen durch den C9, also unwirksam. Vorstufen sollte gegen Endstufe versorgungsmässig entkoppelt werden, dann verschwindet auch dein 100Hz-Brumm
Mohandes H. schrieb: > Warum sollte ein Verstärker mit der PL519 nicht funktionieren. Ist eine > sehr niederohmige Röhre für kleine Anodenspannungen. Kennlinien sehen > gut aus. Könnte vielleicht schwer werden dafür einen AÜ zu finden. Den mußt du schon selbst erfinden und wickeln lassen. Bei 1A Anodenstrom und rund 100V.
@Neuling,, Wenn Sie schon Hilfe hier wollen, dann bitte auch etwas Sorgfalt ! KOMPLETTER PLAN ! Alle Baugruppen, nicht ausgeführte etwas separiert. Wie weiter oben beschrieben. Dann- nehme ich stark an, daß die Schaltzeichnung vergeigt ist- siehe 1. Plan und jetzigen Plan des Verstärkerteils. Wie der Mitleser im vorletzten Beitrag merkte, eine zweifelhafte Parallelschaltung, deren Sinn nicht zu ergründen ist. Dann scheinen Siebwiderstände zu fehlen, damit, wie in dem Vorbeitrag beschrieben, die Entkopplung. Wenn die Schaltzeichnung immer mieser wird, und man dann selbst auch noch so schaltet- wird das Ergebnis dementsprechend sein.
Beitrag #6455075 wurde von einem Moderator gelöscht.
In Kürze: - Wieso jetzt beide ECC99 parallel? Zur Ansteuerung der EL84 reicht ein System dicke, zwei Systeme unsinnig. - Hinter C7 Widerstand ca 1k damit Vor- & Endstufe entkoppelt sind. - R13 = 80 Ohm? Sollte etwa doppelt so groß (EL84 Datenblatt). - Gegenkopplung durch C9 unwirksam! Muß noch ein Widerstand zur Kathode (Spg.-Teiler, unten das C, oben die Gegenkopplung). - R10? Ist das ein Ultralineartrafo? - Welchen Sinn hat R1 hinter dem Poti? - 100Hz-Brumm siehe Aufbau. Zu lange Leitungen, Vorstufe nicht entkoppelt.
Mohandes H. schrieb: > In Kürze: > > - Wieso jetzt beide ECC99 parallel? Zur Ansteuerung der EL84 reicht ein > System dicke, zwei Systeme unsinnig. Die Röhre ist nun mal da und muß vertan werden. Nachdem sie als Endstufe ungeeignet war, muß sie nun zur Strafe in die Vorstufe. Neuling N. schrieb: > Die Leistung liegt bei rund 8Watt. Dafür kriegst du den Nobelpreis.
Gestern vergessen: - Heizleitungen verdrillen - Poti 100 Ohm zwischen f+ und f-, Mittelabgriff an Masse (hum balance) Beides für AC Heizung.
michael_ schrieb: > Neuling N. schrieb: >> Die Leistung liegt bei rund 8Watt. > > Dafür kriegst du den Nobelpreis. Da hat er Recht, ich würde die EL84 nicht bis an die Grenzen ausreizen, ist weder dem Klang noch der Lebensdauer förderlich. Schau Dir mal die Eingangskennlinie Ia = f(-Ug) an. Die soll um den AP sehr gerade sein. Sobald du den linearen Bereich verläßt geht das Signal in die Verzerrung!
Hi, Bei Gegentakt heben sich die Brummspannungen auf der Anodenspannung idealerweise gegenseitig auf, bei Single Ended, Eintakt eben nicht. Ich hatte oben schon darauf hingewiesen. Beitrag "Re: Röhrenverstärker Berechnen" OK. Die alten Radios hatten die Drosselersatzwicklung am AÜ. Und da lief auch noch der Anodenstrom der anderen Stufen drüber. Hat man jetzt nur den Strom der Endstufe, dann ist der Restbrumm (100 Hz) weniger. Aber im Prinzip immer noch schwach vorhanden. Jetzt kommts: Warum keinen ganz dicken Elko nehmen? OK. Ich habe bei mir 2 x 220 µF/ 450 V drin. Dazwischen ein 100 Ohm Hochlastwiderstand. Dann nur die Endröhren (Gegentaktschaltung) geprüft und versehentlich ein Katodenwiderstand falsch angeklemmt. Es schnarrt. Durch die Asymmetrie. Je dicker der Elko, desto kleiner der Stromflusswinkel, desto sirrender wird das 100 Hz Brumm, bzw. man hört die Oberwellen. Also. Schau mal, ob der AÜ richtig angeschlossen ist. Normalerweise die UB+ vom Siebelko an irgendeine "Mittelanzapfung". Nicht am Ende. Damit eine "Gegenphasigkeit" des Restbrumms erst zustandekommen kann. Die Sache mit den Heizungen wurde ja schon erwähnt. Bei mir haben End- und Vorstufen separate Heizkreise am Trafo. 2 x 100 Ohm Widerstände an GND. Zur Symmetrierung. Dann jede Röhre bekommt ihre eigene verdrillte Leitung bis zum Trafo. Mindestquerschnitt 0,75 qmm. Und nach Möglichkeit hitzebeständige Verdrahtung. Hatte PTFE-Kabel genommen, momentan leider nicht mehr lieferbar. Und da wir gerade bei der Verdrahtung angekommen sind: Habe noch extra Isolierschläuche für die Anodenspannungsversorgungsdrähte genommen. etc. pp. hohe Durchschlagfestigkeit und Hitzebeständigkeit sind die Kriterien. Die Leitungen zum AÜ wurden abgeschirmt. Gibt's nicht zu kaufen, muss selber "gefrickelt" werden. ciao gustav
Ich hatte ja schon was am 26.10.2020 22:47 geschrieben. > @Neuling, > Wenn Sie schon Hilfe hier wollen, dann bitte auch etwas Sorgfalt ! > KOMPLETTER PLAN ! > Alle Baugruppen, nicht ausgeführte etwas separiert. > Wie weiter oben beschrieben. > Dann- nehme ich stark an, daß die Schaltzeichnung vergeigt ist- siehe 1. > Plan und jetzigen Plan des Verstärkerteils. Wie der Mitleser im > vorletzten Beitrag merkte, eine zweifelhafte Parallelschaltung, deren > Sinn nicht zu ergründen ist. > Dann scheinen Siebwiderstände zu fehlen, damit, wie in dem Vorbeitrag > beschrieben, die Entkopplung. Der TE sieht wahrscheinlich nicht mehr durch- entweder der Schaltplan beschiccen herausgezeichnet,... oder planlos herumverdrahtet, und keinen Durchblick mehr, was er da nun zusammengeschustert hat. Ein Hilfe- Tip noch: Eine Bestückungszeichnung machen ! Also Skizze des Experimentierbretts von oben, auf der Zeichnung oben die Röhren, darunter die Keramikleisten für die Bauteile, die an die Röhren gehen. Das Steckbrett weg. Leitungsführung, usw. einzeichnen. Der Aufbau kann durchaus gut funktionieren, um eingehaust als Endgerät verwendet zu werden. Dazu die gegebenene Hinweise beachte. Wie geschrieben, Blech- Masse/ Abschirmplatte unter das Experimentierbrett. Siebung, Verdrillen, Abschirmungen, usw. Damit kann man dann selbst die Schaltung nachvollziehen. Kurze Skizze dazu oben, schnell handgemalt, und ein Verdrahtungsplan aus einem alten BAstelbuch. Es gibt solche Pläne für ausgeführte Audio- Verstärker auch im Netz. Bauteile numerieren, dann findet man später auch sofort das Bauteil nach dem Schaltplan. Hier ein Verstärker mit Lötösenleisten, also konventionelle Bauweise, Bauplan mit Bestückungsplan der Lötleiste, so ungefähr sollte das aussehen- wie geschrieben, das bisherige Grundbrett in einem Metallgehäuse kann funktio0nieren. http://www.frozenfrog.de/5e3/5e3_content.html
Karl B. schrieb: > 2 x 100 Ohm Widerstände an GND. Zur Symmetrierung. Oder 100R-Poti, wie oben geschrieben. Karl B. schrieb: > Warum keinen ganz dicken Elko nehmen? Das, und ganz wichtig: Vorstufe(n) entkoppeln von der Endstufe! Je ein 1k-Widerstand, gefolgt von einem Elko. 100n keramisch parallel gegen HF kann nie schaden. Dicke Drossel 1-10 Henry ganz vorne ist auch gut, notfalls tut es auch ein Trafo. Edi M. schrieb: > Der TE sieht wahrscheinlich nicht mehr durch ... oder planlos > herumverdrahtet, und keinen Durchblick mehr ... Könnte sein. Wo kommt auf einmal die Parallelschaltung der ECC99 her, die überhaupt keinen Sinn ergibt (die EL84 wird praktisch leistungslos angesteuert, da ist die niederohmige Ansteuerung Unfug)!
Mohandes H. schrieb: > Könnte sein. Wo kommt auf einmal die Parallelschaltung der ECC99 her, > die überhaupt keinen Sinn ergibt (die EL84 wird praktisch leistungslos > angesteuert, da ist die niederohmige Ansteuerung Unfug)! Da ergibt etliches keinen Sinn. War vorher schon eigenartig. Die Gegenkopplung gehört an die Kathode der Treiberrröhre, die natürlich allein gehört, ohne parallelgeschaltete Röhre. Ich hoffe , daß der TE wieder reinliest, und das vernünftig zeichnet/ schaltet. Sind ja etliche Hinweise gegeben worden. Ich habe gerade ein Netzteil mit einem wirklich höllischen Fehler... ja, sowas gibt's auch, nicht eben "nur ein Netzteil". Das Gerät benötige ich aber... darum bin ich erst mal raus.
Hier mal beispielhaft die Versorgung eines Gitarrenverstärkers mit Entkopplung von Vor-, Treiber- & Endstufe und hum balance der Heizung. Auch gut: 4x 20n parallel zu den Gleichrichterdioden gegen HF-Störungen.
Auch ich würde mich an dieser Stelle verabschieden und in einem anderen Forum weiter machen. Nicht weil ich keine Lust mehr habe, oder mein Projekt einstelle, sondern weil mich die Sache hier nicht weiterbringt. Abgesehen davon, dass viele Aussagen sehr widersprüchlich sind, helfen mir auch die ganzen Anmerkungen nicht weiter. Wirklich zum Thema ist hier nicht viel dabei. Es sind nun mehr als 500 Post und immer noch werden Sprüche gemacht. Schon weiter oben habe ich darauf hingewiesen, dass es nicht hilfreich ist. Aber das ist ein anderes Problem. Was eine Parallelschaltung von Röhren bewirkt, lässt sich sowohl in Büchern, als auch in Zeitschriften wie Elektor nachlesen. Was passiert, wenn man beide Signale durch eine Röhre schickt ist ebenfalls bekannt. Auch meine Gegenkopplung habe ich mir nicht Ausgedacht. Usw… Trotz all dem, sind hier gute Tipps dabei. Vielen Dank daher, an alle die das hier ernst genommen haben. Ich hätte es gut gefunden, wenn man das Ding hier gemacht hätte, auch wenn es 1000 Posts geworden wären.
Neuling N. schrieb: > Auch ich würde mich an dieser Stelle verabschieden und in einem anderen > Forum weiter machen. Nicht weil ich keine Lust mehr habe, oder mein > Projekt einstelle, sondern weil mich die Sache hier nicht weiterbringt. > Abgesehen davon, dass viele Aussagen sehr widersprüchlich sind, helfen > mir auch die ganzen Anmerkungen nicht weiter. Wirklich zum Thema ist > hier nicht viel dabei. Es sind nun mehr als 500 Post und immer noch > werden Sprüche gemacht. Schon weiter oben habe ich darauf hingewiesen, > dass es nicht hilfreich ist. Oh jetzt stampft der Bub aber mit dem Fuß auf. Mal ne ordentliche Zeichnung machen und die die vielen fachkundigen Hinweise einfach mal umzusetzen ist offensichtlich zu viel verlangt.
Neuling N. schrieb: > und in einem anderen > Forum weiter machen. Hi, Welches Forum? Gollum? Jogi? Tube Town? ciao gustav
Mohandes H. schrieb: > hum balance Wir sind immer noch in DEUTSCHLAND. Da nennt man das einfach... (Heizungs-)Entbrummer. Schon seit 91 Jahren. (Schaltplanausschnitt, (Philips 2511, 1929) Neuling N. schrieb: > Was eine Parallelschaltung von Röhren bewirkt, lässt sich sowohl in > Büchern, als auch in Zeitschriften wie Elektor nachlesen. Was passiert, > wenn man beide Signale durch eine Röhre schickt ist ebenfalls bekannt. Na ja. Wenn 'ne technische Leiche große Töne spuckt... :-)
Neuling N. schrieb: > verabschieden und in einem anderen Forum weiter machen. Na dann viel Freude! Du hast hier echt gute und fachkundige Tipps bekommen, schade daß Du einiges ignorierst. Zwei Beispiele: > Was eine Parallelschaltung von Röhren bewirkt, lässt sich sowohl in > Büchern ... Dazu braucht es weder Bücher noch Zeitschriften. Eine Parallelschaltung ist sinnvoll zur niederohmige Ansteuerung (Trafo). Bei der leistungslosen Ansteuerung macht sie überhaupt keinen Sinn. > Auch meine Gegenkopplung habe ich mir nicht Ausgedacht. 'Deine' Gegekopplung ist Standard. Nur so wie Du sie gezeichnet hast kann sie nicht funktionieren weil sie durch den Kathodenelko gegen Masse kurzgeschlosden ist. Das sind keine Meinungen sondern Fakten über die man nicht diskutieren braucht und die man nicht ignorieren sollte. Viel Erfolg im anderen Forum wünsche ich Dir.
Edi M. schrieb: > Wir sind immer noch in DEUTSCHLAND. Edi, ich lebe mit der Pent(h)ode, da werden andere mit der hum balance leben müssen. Zähne zusammenbeißen ... Ich lebe auch (gerade) in Deutschland aber ich schaue mir auch fremdsprachige Dokumente an. Außerdem bin ich Kosmopolit. Da müssen wir also auch nicht ständig drüber diskutieren.
Mohandes H. schrieb: > Deine' Gegekopplung ist Standard. Nur so wie Du sie gezeichnet hast > kann sie nicht funktionieren weil sie durch den Kathodenelko gegen Masse > kurzgeschlosden ist. Genau das hatten wir schon ganz am Anfang. Es geht wieder von vorne los. Mohandes H. schrieb: > Du hast hier echt gute und fachkundige Tipps > bekommen, schade daß Du einiges ignorierst. Er ignoriert nichtnur einiges, sondern alles Wesentliche. Er hat eben nichts, aber auch garnichts, aus all den guten Posts hier gelernt.
Mohandes H. schrieb: > Hier mal beispielhaft die Versorgung eines Gitarrenverstärkers mit > Entkopplung von Vor-, Treiber- & Endstufe und hum balance der Heizung. > Auch gut: 4x 20n parallel zu den Gleichrichterdioden gegen HF-Störungen. So leid es mir tut, das ist genauso abgeschaut und nicht verstanden. Die Entkopplung kann ich nachvollziehen. Eine Induktivität ist bei meinem Netzteil nicht nötig. 2 der 20n sind komplett überflüssig. In manchen Fällen sogar schädlich.
Neuling N. schrieb: > So leid es mir tut, das ist genauso abgeschaut und nicht verstanden. So, das ist für mich die Fanfare hier auch auszusteigen ... "abgeschaut und nicht verstanden" - alles klar! Du verstehst es besser? Ich baue über 30 Jahre an Röhrenverstärkern und das ist zu 80% eine Frage der Erfahrung, nicht aus Büchern. Dann mach mal.
Mohandes H. schrieb: > Edi, ich lebe mit der Pent(h)ode, da werden andere mit der hum balance > leben müssen. Zähne zusammenbeißen ... Es gibt schon einen Unterschied zwischen deutschen Begriffen in alter Schreibweise und nichtdeutschen Begriffen- für die es nicht mal eine Notwendigkeit gibt ! Leute, die ständig mit fremdsprachigen Begriffen um sich werfen, sind üblicherweise Nichtskönner, die Unwissen hinter komplizierten Phrasen verstecken; Oft wissen sie nicht mal, was die Begriffe bedeuten- und benutzen sie falsch. > Ich lebe auch (gerade) in Deutschland aber ich schaue mir auch > fremdsprachige Dokumente an. Außerdem bin ich Kosmopolit. Da müssen wir > also auch nicht ständig drüber diskutieren. Ich kann sehr gut Englisch, ich habe sogar eigene Übersetzungen auf meinen Seiten, um Grundlagen zu erklären- ich mag es aber nicht. Und politische Ansichten und Bezeichnungen haben in technischen Diskussionen auch nichts verloren. In Abwandlung eines Spruchs, den ich hier las: "Wenn Du in Rom bist, sprich wie ein Römer !" Tja, Mohandes, wenn Ihnen jetzt der Schädel brummt, hilft kein Balancer für irgendwas- ein Entbrummer schon. :-)
Karl B. schrieb: [..] > Anoden-Schirmgitter-Modulation einer EL34 (alias 807) als Senderöhre. > NF-Modulationsspannung auf das Schirmgitter und mit R auf Steuergitter. > Damit dessen dünne Wendel nicht kaputtgehen. > https://www.frihu.com/roehrentechnik/schirmgitter-ansteuerung/ > > ciao > gustav Nichtdoch, eine EL34 ist kein bisschen eine 807, nicht mal als Alias. Eine 807 ist eine als Senderöhre ertüchtigte 6L6 (Anode oben, spannungsfesterer Sockel) und keine Pentode.
Gittersteg schrieb: > Nichtdoch, eine EL34 ist kein bisschen eine 807, nicht mal als Alias. Na ja, schon ein bisschen größer: Obs taugt, will ich erst garnicht ausprobieren. Mach NF und nicht HF. ciao gustav
Abschließend möchte ich doch noch etwas sagen, speziell an Dich, Neuling. Wir haben alle mal klein angefangen. Und viele Fehler gemacht und daraus gelernt. Der größte Fehler wäre aber ignorant zu sein! Gutes Beispiel: die Rückkopplung. Du denkst, es würde funktionieren aber da wird Dich die Realität einholen. Die Rückkopplung liegt durch den Elko an Masse, das kann nicht gehen - die Naturgesetze sind nicht verhandelbar. Dein Konzept. Erst die Trioden parallel, dann in Reihe, dann wieder parallel, dazwischen SRPP. Da wirst Du Dich entscheiden müssen. Ein anderes Forum? Hier weht manchmal ein (unnötig) harter Wind. Aber in einem anderen Forum werden sie Dir das gleiche erzählen, wenn sie Ahnung haben und Dir nicht nach dem Mund reden. Insgesamt hast Du hier sehr gute Tipps bekommen, von Leuten die echt Ahnung haben und Erfahrung, teils über Jahrzehnte. Erfahrung ist nicht durch Bücherwissen zu ersetzen, auch wenn man möglichst viele gute Bücher lesen sollte. Internet hatten wir früher nicht, das erleichtert vieles, aber die Vielfalt und die Masse ist auch nicht unbedingt hilfreich. Ich finde es gut, daß Du so einen Röhrenverstärker baust und damit experimentierst. Aber: siehe oben. Gutes Gelingen wünsche ich Dir! Mohandes
Ich denke Du (Ihr) sollte meinen Text nochmal lesen. Von welchem rauen Wind sprichst Du? Falls Du die ganzen dummen Sprüche meinst, dann sind es Dinge die mich keineswegs interessieren, oder aus der Ruhe bringen. Sämtliche konstruktive Kritik habe ich jedoch sehr gerne angenommen. Ob ich das genau so umsetze, ist jedoch eine andere Sache. Und damit meine ich nicht die Rückkopplung, die einfach nur falsch eingezeichnet war, aber richtig aufgebaut. So wie sicherlich viele andere Dinge die Falsch waren und ich verbessert habe. Genau dafür sind solchen Foren da. Dieses leider nicht. Deine Reaktion auf meine Antwort zu Deiner Gleichrichterschaltung zeigt mir auch, dass Du keines Wegs mit Kritik umgehen kannst. Erst heute lese ich in einem Buch die folgenden Zeilen: ZITAT Man nimmt die alten Datenblätter der Röhrenhersteller und deren Applikationen her. Wenn dann darin ein bestimmter Anodenwiderstand R a steht, ist das für viele ein unumstößliches Dogma. R a wurde früher so festgelegt, daß möglichst viel Leistung aus den Röhren herausgeholt werden konnte ohne Rücksicht auf die Zusammensetzung des Klirrfaktors. ZITAT ENDE Da musste ich doch gleich an diesen Beitrag denken. :) Deine Schaltung hat vielleicht vor 30 Jahren Sinn gemacht. Aus heutiger Sicht erfüllt sie nicht den Zweck, den Du versuchst zu beabsichtigen. Versuche es mal mit 2 Kondensatoren (rechts) weniger, sekundär ein 100n gegen Masse und primär jeweils einen 10Ohm R. Das hält Dir auch die hohen Frequenzen fern, die heute im Stromnetz SEHR dominant sind. Zu Deinem Abschlusssatz möchte ich noch sagen: Ja, ich habe hier absolut gute Tipps bekommen und werde auch viele davon umsetzen. Das ist aber nicht meine einzige Informationsquelle. Mein Konzept mit der Parallelschaltung ist wunderbar. Wer heute noch SRPP baut, oder sogar ein Stereosignal durch eine Röhre schickt, der hat es aus meiner Sicht mit den Ohren und sollte keine Musik hören. P.S. Nach meinem letzten Post hatte ich übrigens das Gefühl, dass zu lange Texte hier nicht so gut funktionieren. Die meisten Antworten bezogen sich auf die letzten 3 Zeilen. Ich müsste verrückt sein, um von solchen Menschen Tipps anzunehmen.
Neuling schrieb: > Deine Schaltung hat vielleicht vor 30 Jahren Sinn gemacht. > Aus heutiger Sicht erfüllt sie nicht den Zweck, den Du versuchst zu > beabsichtigen. So so die Schaltung macht keinen Sinn. Die Schaltung mach sehr wohl Sinn auch heute noch. Namhafte Hersteller von Röhrenamps verwenden Schaltungen die genau so aufgebaut sind. Dafür das Du röhrentechnisch noch recht grün bist trägst Du die Nase mehr als hoch. Neuling schrieb: > die einfach nur falsch eingezeichnet war, > aber richtig aufgebaut. Da gäbe es doch die Möglichkeit dies zu korrigieren. Aber Du hast es nicht nötig mal eine ordentliche Schaltzeichnung abzuliefern. Edi, der außerordentlich erfahren ist, hat dies mehrfach eingefordert um Dir zu helfen. Aber offensichtlich willst Du keine Hilfe. Neuling schrieb: > Mein > Konzept mit der Parallelschaltung ist wunderbar. Dein Konzept mit der Parallelschaltung ist kein Schaltungskonzept für Vorstufe, sondern ist wohl eher das Resultat unstrukturierten Arbeitens. Ich arbeite seit 50 mit Röhren, aber so etwas was Du da in der Vorstufe fabriziert hast habe ich in noch keiner Schaltung gesehen und selbst auch noch nicht gebaut. Parallelschaltung macht man in Endstufen um eine höhere Leistung zu erreichen. Zudem ist Deine Parallelschaltung noch nicht einmal korrekt gemacht. Wenn man so etwas macht, dann macht man das anders. Werd mir hier aber weiteres sparen, da Du eh beratungsresistent bist. Geh ruhig in ein anderes Forum und stelle dort mal Deine Schaltung vor, aber sei nicht enttäuscht, wenn Du mit dieser Schaltung nicht wirklich ernst genommen wirst.
Neuling schrieb: > Sämtliche konstruktive Kritik habe ich jedoch sehr gerne angenommen. Ob > ich das genau so umsetze, ist jedoch eine andere Sache. Ja nee...is klar... Du bist der Champ! Oh weh....558 Posts, were blown in the wind... öhmmm...was war noch gleich die Eingangsfrage? Schade, dass der Thread so endet.
Gab es da nicht mal einen Dunald Krüger (o.ä.?). Seit 50 Jahren hat sich keine Industrie, Labore, Entwickler usw. ernsthaft der Entwicklung von Röhenschaltungen beschäftigt. Nur noch neuernannte Bastlerexperten.
Edi M. schrieb: > Dazu noch die Erfahrung: Ich habe schon erlebt, daß eine gegensätzliche > Meinung zu purem Haß umschlägt, wenn man "auf Du" ist- von dem per "Sie" > distanzierten Menschen wird diese akzeptiert. > Das betrifft meist politische Diskussionen, aber gelegentlich auch in > Diskussionen mit Elektronikern. Zugegeben: Ich möchte überhaupt nicht bestreiten, daß jenes Siezen eventuell deeskalierend wirken kann in so einem Fall. Allerdings hat diese (bis zu dem Punkt -wie gesagt- schlüssige) Argumentation gar nicht durch Vorwürfe, Unterstellungen oder Beleidigungen gestützt werden müssen - ihr war auch so einfach zu folgen. Sogar meine ja offenbar (laut Ihrer Feststellung, der ich voll und ganz vertraue) stark gestörte Denkmurmel hatte das geschafft. Edi M. schrieb: > Der Name ist Programm- Luftmangel führt manchmal zu solchen Ansichten. Ganz ehrlich, ich werde künftig darauf achten, je ein Tütchen Luft für jeden denkbaren Notfall (sogenannte "Luftnummern" - wie mancher Menschen Höflichkeit zum Beispiel) bei mir zu tragen - hoffentlich merke ich es künftig rechtzeitig, sonst wird's ja immer schlimmer. Medizinischen Dank, L. M.
Naja, ich fange jetzt nicht wieder an über Fakten zu diskutieren %-|. Zum ordentlichen Arbeiten und Planen gehört ein exakter Schaltplan (der sich während der Entwicklung ändert), sonst ist es Bastelei. Ich mache gerne Handskizzen, das hat den Vorteil daß ich beim Zeichnen Zeit zum Nachdenken habe. A propos Selbstkritik: oben hatte ich geschrieben daß Röhren oft bläulich leuchten und daß ich vermute daß dabei auch weiche Röntgenstrahlung entsteht. Das kann nicht sein, auch nicht bei 400V Anodenspannung (für 2x 6L6GT im Gegentakt). Röntgenstrahlung beginnt bei ca 10nm/120eV. Dafür sind Spannungen von mehr als 25kV notwendig, Röntgengeräte arbeiten mit Spannungen bis zu 150kV. Nach allem was ich gelesen habe handelt es sich um Fluoreszenz oder um Tscherenkow-Strahlung https://de.wikipedia.org/wiki/Tscherenkow-Strahlung, auf alle Fälle um eine Wechselwirkung zwischen den hochenergetischen Elektronen und dem Glaskörper. Auf jeden Fall ein schöner Effekt, und ganz ohne LEDs. Sorgen sollte man sich machen wenn die Anodenbleche beginnen zu glühen! Dafür ist fast immer ein defekter Koppelkondensator verantwortlich - der Arbeitspunkt verschiebt sich, Gitterspannung ist positiv.
Mohandes H. schrieb: > Zum ordentlichen Arbeiten und Planen gehört ein exakter Schaltplan (der > sich während der Entwicklung ändert), sonst ist es Bastelei. Erst das Konzept: Mono oder Stereo? Was will ich erreichen? wieviel Ausgangsleistung brauche ich? Welche Lautsprecher habe ich, welche Anpassung dafür brauche ich? Wie hoch sind die zu verstärkenden Pegel? Wie hoch muss die Gesamtverstärkung sein? Brauche ich eine Klangregelung? Brauche ich einen RIAA-Entzerrer? Wenn das Konzept steht, Erstellung eines Schaltplanes, dann Auswahl der Bauteile und deren Beschaffung. Lötkolben anwerfen und los gehts.
Mohandes H. schrieb: > Röntgenstrahlung beginnt bei Ist zwar OT aber vielleicht interessant Hi, die Röhren-Ferseher trugen einen Hinweis bezüglich Röntgenstrahlungsverordnung. Jetzt heißt das nicht, dass vorne aus der Bildröhre starke Röntgenstrahlung rauskommt. Nein, die Verordnung bezieht sich eher auf die im Innern schön im Blechkasten richtig ausgerichtet montierte verkleidete Ballaströhre. Die bei Helligkeitsschwankungen ihre Aktion entfaltet und tatsächlich relativ zur Bildröhrenstrahlung etwas höhere Röntgenstrahlung abgibt. Basteln an diesen alten TV-Geräten ist in der Tat mit Risiko verbunden. /OT ciao gustav
Karl B. schrieb: > Jetzt heißt das nicht, dass vorne aus der Bildröhre starke > Röntgenstrahlung rauskommt. Ich habe mal gehört, dass die Röntgenstrahlen im TV hinten an der Kathodenstrahlerzeugung entstehen und nach hinten abgestrahlt werden, also quasi durch die Wohnzimmerwand zum Nachbarn rüber geschossen werden. Wenn man da heute, in der LCD-Zeit, so drüber nachdenkt, bekommt man ein richtig schlechtes Gewissen. Wobei, der Nachbar ja eigenlich mit seinem eigenen Buntfernseher genau genommen auch zurückgeschossen hat.
Hey, wie sieht es hier eigentlich aus? Mich würde interessieren, wie weit das Projekt ist und was daraus geworden ist. Vielleicht kann der TO hier mal seine Ergebnisse posten.
Das hätte mich auch interessiert, aber soweit ich mich erinnere hat der TO sich 'besseren' Foren zugewandt. Schade, es gab gute Tipps hier. Aber seine LED-beleuchteten Röhren waren ihm wichtiger als Berechnungen zum richtigen AP. Oder die unnötigen Paralltrioden als Treiber, usw. Steht ja alles oben.
Ja, die Beiträge habe ich gelesen. Der Ton war nicht immer nett. Aber das ist ja ein generelles Problem zu sein, wenn man sich hier mal die Beiträge durchliest. Mit hätte vor allem der Gehäusebau interessiert.
EinBastler schrieb: > Mit hätte vor allem der Gehäusebau interessiert. Ohne Plasmaschneider wird das nichts. Zumindest eine halbwegs gute Ständerbohrmaschine. Und Stahlblech. Bei Alu biegt sich das Chassis schon durch das Gewicht des Netztrafos durch. ciao gustav
Karl B. schrieb: > Bei Alu biegt sich das Chassis schon durch das Gewicht des Netztrafos > durch. Dann hast du wohl noch nie einen Röhrenverstärker komplett aufgebaut. Hier `mal ein Beispiel: Beitrag "Re: Zeigt her eure Kunstwerke (2016)"
G. O. schrieb: > Hier `mal ein Beispiel https://www.mikrocontroller.net/attachment/327705/Uebernahme.PNG Zumindest ehrlich der Kollege. Das passiert halt wenn man über Jahre hinweg den Meister aus dem Bergischen Land ignoriert.
plandemie schrieb: > Zumindest ehrlich der Kollege. Naja, was man da sieht ist die hoffnungslose Übersteuerung eines Verstärkers. Da sind Übernahmeverzerrungen logisch, außer bei Class-A. Das ist aber nicht röhrenspezifisch sondern bei Transistoren genauso. Röhren gehen prinzipbedingt (Kennlinie) viel früher in die Verzerrung, der Übergang ist fließend. Sie produzieren dann aber eher geradzahlige Oberwellen die subjektiv als weniger unangenehm empfunden werden als 'kratzige' ungradzahlige. Ohne jetzt wieder eine Grundsatzdiskussion beginnen zu wollen: Röhrenverstärker werden von den reinen Meßwerten (Verzerrungen Rauschen) immer unterlegen sein. Sie 'klingen' eben besonders - entweder man mag es oder nicht. Wer hört schon reine Sinustöne?
G. O. schrieb: > Hier `mal ein Beispiel: > Beitrag "Re: Zeigt her eure Kunstwerke (2016)" Das sieht aber höllisch eng aus, wird wohl sehr heiß werden. Erinnert mich an sowjetische Funkgeräte für MIGs, die mußten auch sehr kompakt gebaut sein. Innen hat ein 400Hz Lüfter die Luft umgewälzt und das Gehäuse hatte außen Kühlrippen.
Mohandes H. schrieb: > Naja, was man da sieht ist die hoffnungslose Übersteuerung eines > Verstärkers. Da sind Übernahmeverzerrungen logisch, außer bei Class-A. > Das ist aber nicht röhrenspezifisch sondern bei Transistoren genauso. Nö. Ein übersteuerter Verstärker begrenzt, macht dann aber keine Übernahmeverzerrungen. Wenn doch, ist das ein klarer Konstruktionsfehler. > Röhren gehen prinzipbedingt (Kennlinie) viel früher in die Verzerrung, > der Übergang ist fließend. Ich sehe da keinen Unterschied zwischen Schutzgitterröhren und Transistoren. Wie kommst du auf deine Behauptungen?
plandemie schrieb: > Ein übersteuerter Verstärker begrenzt, macht dann aber keine > Übernahmeverzerrungen. Wenn doch, ist das ein klarer > Konstruktionsfehler. Etwas genauer: Ein übersteuerter Verstärker begrenzt symmetrisch und macht dabei keine Übernahmeverzerrungen. ...
Schätze mal es wird dieses Konzept sein: http://www.hifi-archiv.info/Experience/Experience%201993/Experience93_26.jpg richtig?
Neuling N. schrieb: > Oh, es tut sich wieder was. > Interessant. :) Definitiv. Beachte die erprobte und vielfach bewährte Lichtbogensignalisierung beim Ausschalten der 510V. ;)
plandemie schrieb: > Wie kommst du auf deine Behauptungen? Auf diese 'Behauptungen' komme ich weil ich die Kennlinien sehr umfangreich untersucht habe und auch Messungen und Simulationen gemacht habe. Eine generelle Aussage ist sinnlos. Siehe Triode-Pentode, Class-A, Class-(A)B, Push-Pull, mit/ohne Rückkopplung, usw.
Mohandes H. schrieb: > Auf diese 'Behauptungen' komme ich weil ich die Kennlinien sehr > umfangreich untersucht habe und auch Messungen und Simulationen gemacht > habe. An fehlerhaften Schaltungen. > Eine generelle Aussage ist sinnlos. Siehe Triode-Pentode, Class-A, > Class-(A)B, Push-Pull, mit/ohne Rückkopplung, usw. Ich sage dir generell, dass ein Verstärker der beim übersteuern die gezeigten Übernahmeverzerrungen macht, fehlkonstruiert ist. Was ist an dieser Aussage jetzt sinnlos?
plandemie schrieb: > Ich sage dir generell, dass ein Verstärker der beim übersteuern > die gezeigten Übernahmeverzerrungen macht, fehlkonstruiert ist. > Was ist an dieser Aussage jetzt sinnlos? Jau, jetzt wird's wieder interessant! Aber ich will diese lächerliche Aussage nicht kommentieren. Allerdings würde ich schon gern einen Verstärker sehen, der bei Übersteuerung solche Übernahmeverzerrungen n i c h t macht. Gruß Rainer
Karl B. schrieb: > EinBastler schrieb: >> Mit hätte vor allem der Gehäusebau interessiert. > > Ohne Plasmaschneider wird das nichts. > Zumindest eine halbwegs gute Ständerbohrmaschine. Und Stahlblech. > Bei Alu biegt sich das Chassis schon durch das Gewicht des Netztrafos > durch. OMG - Geht das wider los. :))) Wer nutzt denn heute noch einen Plasma??? :) Mein Gehäuse wird aus Alu und Holz.
Rainer V. schrieb: > Allerdings würde ich schon gern einen > Verstärker sehen, der bei Übersteuerung solche Übernahmeverzerrungen n i > c h t macht. Dann guck ihn dir doch an. So viele Röhrenschaltungstechnikseiten gibt es ja nicht. ;)
Da hast du einen sogar mit Erklärung. Aber was du damals nicht verstanden hast, verstehst du heute genau so wenig. Beitrag "(NF-Verstärker-Technik) Ein Altvorderer plaudert aus dem Nähkästchen."
> Beitrag "(NF-Verstärker-Technik) Ein Altvorderer plaudert aus dem > Nähkästchen." Der Thread ist richtig geil. Schade, dass die beiden Foren Jogis Röhrenbude und Guckis Pranger vom Netz sind. Leider ist Jogi leider vor kurzem gestorben, er schrieb hier als Bodega(Gast). Also ein erhaltenswertes Zeitdokument. Schnell mal sichern. :)
plandemie schrieb: > Da hast du einen sogar mit Erklärung. War ja klar, dass dieser Link auch kommen muß. Ich verabschiede mich daher... Rainer
Mohandes H. schrieb: > plandemie schrieb: >> Zumindest ehrlich der Kollege. > > Naja, was man da sieht ist die hoffnungslose Übersteuerung eines > Verstärkers. Da sind Übernahmeverzerrungen logisch, außer bei Class-A. > Das ist aber nicht röhrenspezifisch sondern bei Transistoren genauso. > > Röhren gehen prinzipbedingt (Kennlinie) viel früher in die Verzerrung, > der Übergang ist fließend. Sie produzieren dann aber eher geradzahlige > Oberwellen die subjektiv als weniger unangenehm empfunden werden als > 'kratzige' ungradzahlige. > > Ohne jetzt wieder eine Grundsatzdiskussion beginnen zu wollen: > Röhrenverstärker werden von den reinen Meßwerten (Verzerrungen > Rauschen) immer unterlegen sein. Sie 'klingen' eben besonders - entweder > man mag es oder nicht. Wer hört schon reine Sinustöne? Um Deine Nicht Grundlagendiskussion mal weiter auszuführen: Nein. Röhrenverstärker werden nicht immer unterlegen sein, es ist eine reine Frage das Aufwandes den man betreiben möchte für ein Ergebnis das Einen mehr oder weniger begeistert. Halbleiterverstärker der Ende 70er, Anfang 80er Jahre waren teilweise so schlecht das ein einfacher Amp mit EL84 in Klasse A die Dinger auslachen könnte, von der Leistung her sicher nicht..wobei wir dann wieder ganz schnell bei den Kennempfindlichkeiten früherer und heutiger Lautsprecher wären, aber das ist ein Thema für sich. Man kann allerdings auch mit Röhren in Gleichspannungs- (strom)gekoppelten Verstärkern ohne den den Frequenzgang und die Verzerrungen stark beeinflussenden Ausgangstransformator Lautsprecher direkt treiben (OTL) was einerseits kräftige Röhren und andererseits gigantische Verlustleistungen bedingt, an den gemessenen Parametern wirst Du aber kaum was aussetzen können. Was erreicht man damit? Aus eigener Erfahrung: Das Ganze klingt wie jede 08-15 Transistor HIFI Anlage auch, bei lockerer Verzehnfachung des Preises. ...wers braucht sollte sich hier umsehen, das ausgewählte Modell ist nur ein Beispiel: http://www.atma-sphere.com/en/ma-1.html Seltsamerweise stehen viele Menschen auf den "warmen Klang" von Röhrengeräten, sicher ist da Einiges an Placebo-Effekt dabei, aber für das menschliche Ohr klingen bestimmte Verzerrungen "voll und rund", anderer wiederum nicht. Das ist der Grund der Beliebtheit von Eintakt Tiodenverstärkern, die haben einen hohen Anteil an K2, er sich bei Gegentaktverstärkern prinzipbedingt im Ausgangstrafo aufhebt und nicht bis zum LSP kommt. Geradzahlige Oberwellen sind Harmonische des Grundwelle und das heißt nicht ganz ohne Grund so ..das hat eine Harmonie. K3 ist nicht harmonisch sondern klingt beschissen. Die ganze Sache sollte locker gesehen werden, es gibt kein "besser". Wenn der Amp der HIFI Norm nicht genügt, dann sieht man ihn einfach als Musikinstrument an und Alles ist gut. Ich habe öfter mit Musikern zu tun (repariere deren Kram ob nun Rörehnamp oder Synthie), einige davon glauben nur mit dem Equipment wie es beispielsweise AC/DC hat auch auf diesem Level spielen zu können, es liegt immer am Equipment das dazu führt das ein Tausender nach dem Anderen zu den Läden wandert das das entsprechende Klientel bedient...wenn man etwas älter ist weiß man allerdings das ein guter Gittarist auch ohne Marshall oder Orange Röhrenamp-Wand mit einer Akustikgitarre alleine Mucke machen kann... Ich habe mehrere Röhrenamps selbst gebastelt, weit über meinen Bedarf hinaus und seit mindestens 3 Jahren ist ein auf dem V69 basierendes EL12 Projekt im entstehen (sehr langsam). Warum? weils Spaß macht. Ein Tanz- oder Kegelclub wird auch nicht hinterfragt. Jedem Tierchen sein Plaisierchen. Gruß, Pille
Pille schrieb: > Ich habe mehrere Röhrenamps selbst gebastelt, weit über meinen Bedarf > hinaus und seit mindestens 3 Jahren ist ein auf dem V69 basierendes EL12 > Projekt im entstehen (sehr langsam). Wird auch wieder eine Gummischaltung. Richtig?
plandemie schrieb: > Pille schrieb: >> Ich habe mehrere Röhrenamps selbst gebastelt, weit über meinen Bedarf >> hinaus und seit mindestens 3 Jahren ist ein auf dem V69 basierendes EL12 >> Projekt im entstehen (sehr langsam). > > Wird auch wieder eine Gummischaltung. Richtig? Na freilich, für Leute wie Dich die mit einem Pariser über der Birne herumlaufen müssen.. Pille
Pille schrieb: > seit mindestens 3 Jahren ist ein auf dem V69 basierendes EL12 > Projekt im entstehen (sehr langsam). Warum? http://www.jogis-roehrenbude.de/Leserbriefe/AndreasS-6L6-Amp/6L6.htm Ja, Gummischaltung und Intermodulationsgenerator. Und, auch wieder Schaltungsfehler, die Vorröhren müssen auf Steilheit selektiert werden. Also immer mal nach kontrollieren, weil das die instabilste Röhreneigenschaft ist. Viel Spaß. ;)
plandemie schrieb: > Ja, Gummischaltung und Intermodulationsgenerator. Klingt eher wie Neid der Besitzlosen. OK, madig machen kann jeder. Mir drängt sich auf, hast Du Dich jemals echt praktisch mit dieser Technik auseinandergesetzt? Also, bei mir hat das ohne irgendwelche Probleme geklappt. Demhingegen die Reparatur eines 70 W Transistor Vollverstärkers nicht. Die Schwingneigung killt mir schon direkt nach dem Einschalten die Endstufentransistoren. Die Exemplarstreuungen der Bauteile haben fatale Folgen. Da muss Ruhestrom und Mittenspannung exakt eingestellt werden, sonst macht es beim Lautsprecher "Bumms" mit DC-Anteil. Letzteres brauche ich bei meinem Röhrenamp nicht zu befürchten -> Ein Trafo am Ausgang trennt sicher DC vom Lautsprecher ab. OK. Das DAB+ Radio vermatscht mir so wie so den Klang. Wurde hier als Audioquelle genommen.(Entstalinisierte Fassung von ABBA) ;-) ciao gustav
Karl B. schrieb: > Mir drängt sich auf, hast Du Dich jemals echt praktisch mit dieser > Technik auseinandergesetzt? Ja sicher. Deshalb erkenne ich die Schaltungsfehler. Zu deinem Anhang: Macht lala.
plandemie schrieb: > Pille schrieb: >> seit mindestens 3 Jahren ist ein auf dem V69 basierendes EL12 >> Projekt im entstehen (sehr langsam). Warum? > > http://www.jogis-roehrenbude.de/Leserbriefe/AndreasS-6L6-Amp/6L6.htm > > Ja, Gummischaltung und Intermodulationsgenerator. > Und, auch wieder Schaltungsfehler, die Vorröhren müssen auf > Steilheit selektiert werden. Also immer mal nach kontrollieren, > weil das die instabilste Röhreneigenschaft ist. > > Viel Spaß. ;) Ich sehe in der Schaltung 4 grobe Konstruktionsfehler. Mal sehen, ob von euch jemand die erkennt!
plandemie schrieb: > Ich sehe in der Schaltung 4 grobe Konstruktionsfehler. Hi, sieht mir eher aus wie ein Prinzipschaltbild. Was förmlich Augenkrebs bei mir verursacht: Die Schirmgitter zusammenschalten und nur an einen Vorwiderstand, davon dann noch die Spannung für die Vorstufenanodenspannung abzapfen. Und nur ein Elko. Was passiert, wenn Röhren nicht exakt gematcht sind? Streuungen gibt es immer. Auch bei sogenannten "matched quads". Und noch so ein paar Kleinigkeiten. ciao gustav
Karl B. schrieb: > Die Schirmgitter zusammenschalten und nur an einen Vorwiderstand Gut, sehe ich auch so. Jedes Schirmgitter über 470K und den Kondensator zwischen die Schirmgitter. Jetzt bleiben noch drei Fehler.
plandemie schrieb: > Pille schrieb: >> seit mindestens 3 Jahren ist ein auf dem V69 basierendes EL12 >> Projekt im entstehen (sehr langsam). Warum? > > http://www.jogis-roehrenbude.de/Leserbriefe/AndreasS-6L6-Amp/6L6.htm > > Ja, Gummischaltung und Intermodulationsgenerator. > Und, auch wieder Schaltungsfehler, die Vorröhren müssen auf > Steilheit selektiert werden. Also immer mal nach kontrollieren, > weil das die instabilste Röhreneigenschaft ist. > > Viel Spaß. ;) Du schließt offenbar von Dir selbst auf Andere..ziehe Dir Deinen Pariser über und laß es gut sein. Dumm lamentiert hast Du schon ausreichend. Den Amp von Andreas kenne ich und auch den Tisch auf dem er steht/liegt ..und nein, das was ich gebaut habe ist doch etwas anderes. Pille
plandemie schrieb: > Pille schrieb: >> seit mindestens 3 Jahren ist ein auf dem V69 basierendes EL12 >> Projekt im entstehen (sehr langsam). Warum? > > http://www.jogis-roehrenbude.de/Leserbriefe/AndreasS-6L6-Amp/6L6.htm > > Ja, Gummischaltung und Intermodulationsgenerator. > Und, auch wieder Schaltungsfehler, die Vorröhren müssen auf > Steilheit selektiert werden. Also immer mal nach kontrollieren, > weil das die instabilste Röhreneigenschaft ist. > > Viel Spaß. ;) Du schließt offenbar von Dir selbst auf Andere..ziehe Dir Deinen Pariser über und laß es gut sein. Dumm lamentiert hast Du schon ausreichend. Den Amp von Andreas kenne ich und auch den Tisch auf dem er steht/liegt ..und nein, das was ich gebaut habe ist doch etwas anderes. Pille plandemie schrieb: > Karl B. schrieb: >> Die Schirmgitter zusammenschalten und nur an einen Vorwiderstand > > Gut, sehe ich auch so. > Jedes Schirmgitter über 470K und den Kondensator zwischen die > Schirmgitter. > > Jetzt bleiben noch drei Fehler. Nö. Schirmgitter werden von Emmitterfolgern gespeist, aber Du kannst ja Gummi in die Ohren Stopfen bis Du voll Gummi bist. Pille
Pille schrieb: > Schirmgitter werden von Emmitterfolgern gespeist, Schlimmer geht immer. Du lässt dir gerade einen Diffamp entgehen. > aber Du kannst ja > Gummi in die Ohren Stopfen bis Du voll Gummi bist. Sei nicht wütend und beratungsresistent. Du schadest dir so nur selbst.
Pille schrieb: > Du kannst ja Gummi in die Ohren Stopfen bis Du voll Gummi bist. > Pille Nicht "voll Gummi" sondern "Vollgummi" Es heißt ja auch nicht "Ein Wand frei" sondern "einwandfrei" 😄
plandemie schrieb: > Pille schrieb: >> Schirmgitter werden von Emmitterfolgern gespeist, > > Schlimmer geht immer. > Du lässt dir gerade einen Diffamp entgehen. > >> aber Du kannst ja >> Gummi in die Ohren Stopfen bis Du voll Gummi bist. > Sei nicht wütend und beratungsresistent. Du schadest > dir so nur selbst. Ich lasse mir gar nichts entgehen, Du weißt nur nix und schwingst ne dicke Lippe. Google nach "Best Pentode" und Blöhbaum, kostet für Kommerz allersing Geld weil patentiert. Pille
Ich bin sicher für geistige Überflieger wie Dich die mir grundlos derartig blöd kommen reicht das Bild im Anhang. Pille
Pille schrieb: > Ich bin sicher für geistige Überflieger wie Dich die mir grundlos > derartig blöd kommen reicht das Bild im Anhang. > > Pille Ja, reicht. Die Blöhbaumcascode im Eingang bringt dir gar nichts. Du hast dich damit um einen Differenzverstärker gebracht! Gut finde ich, dass du den zweiten Fehler beseitigt hast. Jede Röhre hat ihre eigene Katodenkombi bekommen. :) Zwei Fehler habt ihr noch nicht entdeckt.
Jetzt schiebt er Frust. Wird er einen Differenzverstärker mit Schirmgitterkopplung für einen Gegentaktverstärker aus falschem Stolz und Trotz sausen lassen? Ich fürchte ja. Aber mal schauen.
Neuling N. schrieb: > So, habe die Übertrager heute bekommen und kurz angetestet. > Anbei die aktuelle Schaltung. ... Bin leider zu spät dazu gestoßen. Bist du noch da und ist die Schaltung noch aktuell?
plandemie schrieb: > Zwei Fehler habt ihr noch nicht entdeckt. Wenn es sich dabei um diese Schaltung handelt, könnte man noch eine extra negative einstellbare Gittervorspannung vorsehen, die auch noch einen Balancetrimmer hat, um bei einer Nichtselektion der Röhren, die Vorspannung besser aufteilen- und Differenzen besser ausgleichen zu können.
Michael M. schrieb: > Wenn es sich dabei um diese Schaltung handelt, könnte man noch eine > extra negative einstellbare Gittervorspannung vorsehen, die auch noch > einen Balancetrimmer hat, um bei einer Nichtselektion der Röhren, die > Vorspannung besser aufteilen- und Differenzen besser ausgleichen zu > können. Ich halte die separaten Katodenkombis von Pille für die bessere Alternative, weil wartungsfrei und selbst angleichend.
plandemie schrieb: > Ich halte die separaten Katodenkombis von Pille für die bessere > Alternative, weil wartungsfrei und selbst angleichend. PS: wenn es Klasse A sein soll, Bipolarkondensator zwischen die Katoden oder den Minusknoten der Elkos über einen z.B. 10K an GND.
Es fehlen Schwingschutzwiderstände vor dem g1 der Endröhren. Die 68k/56R Gegenkopplung mit Koppel-C gleichstromfrei machen. Mit den 56R Katodenwiderständen der 6SJ7 dürfte die Gittervorspannung viel zu gering sein.
Volker S. schrieb: > Es fehlen Schwingschutzwiderstände vor dem g1 der Endröhren. Ja, die "Gridstopper", das meinte ich oben mit "Kleinigkeiten". plandemie schrieb: > Ich halte die separaten Katodenkombis von Pille für die bessere > Alternative, weil wartungsfrei und selbst angleichend. Ja, unter anderem auch Stichwort: "automatic biasing" versus "fixed bias". Die Vorstufenröhre bekommt wie wie negative Spannung am Steuergitter? Wie hochohmig ist der Eingangsübertrager? Der Katodenwiderstand, wenn auch positiv durch R 68k gespeist, reicht da nicht aus zur automatischen Gittervorspannungserzeugung. Und Bremsgitter müsste dann an GND, um bei hoher Aussteuerung die Sekundärelektronen zuverlässiger vom Schirmgitter weg zu bekommen. Sonst verzerrt's mehr. BTW: Wie hoch darf Spannung zwischen Heizfaden und Katode werden? So um 100V oder? ciao gustav
Volker S. schrieb: > Mit den > 56R Katodenwiderständen der 6SJ7 dürfte die Gittervorspannung viel zu > gering sein. http://bilder.hifi-forum.de/max/857335/telefunken-v69_646189.png Ich tippe mal auf 560 Ohm. Tippfehler. Karl B. schrieb: >... bei hoher Aussteuerung ... Da hat sich Pille mit der Cascode sowieso ins Knie geschossen. Er kann mit der Anodenspannung nicht in einen verstärkungstechnisch günstigen Arbeitspunkt runter. Volker S. schrieb: > Die 68k/56R Gegenkopplung mit Koppel-C gleichstromfrei machen. Die Gegenkopplung von der Anode der End(!)röhre abzugreifen ist der dritte Konstruktionsfehler. Kostet so richtig PSRR und bringt Brummintermodulation.
plandemie schrieb: > Ich tippe mal auf 560 Ohm. Tippfehler. Dann kommt aber kaum noch Leistung raus.
Michael M. schrieb: >> Ich tippe mal auf 560 Ohm. Tippfehler. > > Dann kommt aber kaum noch Leistung raus. Ich bin jetzt bei den Katodenwiderständen der Treiberröhren.
plandemie schrieb: > Ich bin jetzt bei den Katodenwiderständen der Treiberröhren. Ach ja, jetzt sehe ich es auch. Bei den Endröhren hatten wir uns auf zwei getrennte 150R Widerstände mit je einem parallel geschalteten 100uF Elko geeinigt.
plandemie schrieb: > Volker S. schrieb: > > Karl B. schrieb: >>... bei hoher Aussteuerung ... > > Da hat sich Pille mit der Cascode sowieso ins Knie geschossen. Eher in Dein Knie..gib mal hier ein paar Ausführungen dazu, warum das überhaupt eine Kaskode sein soll Darius. Die Transistoren hängen am Schirmgitter. > Er kann mit der Anodenspannung nicht in einen verstärkungstechnisch > günstigen Arbeitspunkt runter. Ich habe nicht vor im Keller Musik zu hören. Erwarte von mir keine vernünftigen Antworten, eher spiele ich Dich ganz freundlich ein Bisschen kaputt. Pille
Pille schrieb: > Die Transistoren hängen am > Schirmgitter. ... Collector an Anode. Damit steht zur Aussteuerung nur der Spannungsbereich zwischen Schirmgitter und Betriebsspannung zur Verfügung. Bei der Pentode steht zur Aussteuerung der Bereich zwischen überspanntem Bereich, das ist wo die Kennlinien nach links unten abknicken, und Betriebsspannung zur Verfügung. Also deutlich mehr. :) Du erzielst mit der Pentode daher eine höhere Verstärkungsziffer als mit Cascode oder der von dir und ... so bezeichneten Pille schrieb: > "Best Pentode" Dadurch kannst du dir einen höheren Spannungsabfall am Arbeitswiderstand erlauben was mit höherer Verstärkung und größerer Aussteuerbarkeit einher geht. Ob dem was ich hier schreibe Jemand folgen kann? Ich lasse mich mal überraschen!
plandemie schrieb: > Pille schrieb: >> Die Transistoren hängen am >> Schirmgitter. > > ... Collector an Anode. Damit steht zur Aussteuerung nur der > Spannungsbereich zwischen Schirmgitter und Betriebsspannung > zur Verfügung. Ja, und? Für die projektierte Leistung ist das bei EL12N am Ausgang nicht relevant. > > Du erzielst mit der Pentode daher eine höhere Verstärkungsziffer > als mit Cascode oder der von dir und ... so bezeichneten .."so patentierten".. > > Pille schrieb: >> "Best Pentode" > > Dadurch kannst du dir einen höheren Spannungsabfall am > Arbeitswiderstand erlauben was mit höherer Verstärkung > und größerer Aussteuerbarkeit einher geht. > > Ob dem was ich hier schreibe Jemand folgen kann? > Ich lasse mich mal überraschen! Ach, was ich nicht Alles kann. Was kannst Du? Pille plandemie schrieb: > Pille schrieb: >> Die Transistoren hängen am >> Schirmgitter. > > ... Collector an Anode. Damit steht zur Aussteuerung nur der > Spannungsbereich zwischen Schirmgitter und Betriebsspannung > zur Verfügung. Ist bekannt und stört im Design nicht. Der Spannungshub an den Anoden der Treiber ist nicht begrenzend bei projektierter Leistung. > > Bei der Pentode steht zur Aussteuerung der Bereich zwischen > überspanntem Bereich, das ist wo die Kennlinien nach links > unten abknicken, und Betriebsspannung zur Verfügung. > Also deutlich mehr. :) Ja und? Wen interessiert das? > > Du erzielst mit der Pentode daher eine höhere Verstärkungsziffer > als mit Cascode oder der von dir und ... so bezeichneten ..so patentierten.. > > Pille schrieb: >> "Best Pentode" > > Dadurch kannst du dir einen höheren Spannungsabfall am > Arbeitswiderstand erlauben was mit höherer Verstärkung > und größerer Aussteuerbarkeit einher geht. Muß ich aber nicht, das ist kein VV für Moving Coil Plattenspielersysteme. > > Ob dem was ich hier schreibe Jemand folgen kann? > Ich lasse mich mal überraschen! Da Du nur irrelevantes und zusammenhangloses Zeuch schwafelst Darius, wird das Niemand nachvollziehen wollen. Geh und bau Koppeltrioden! Pille
Pille schrieb: > Geh und bau Koppeltrioden! > > Pille Oha, die röhrenden Hirsche bekriegen sich wieder um die letzten Geheimnisse des Triodelingtons! Für die unkundigen Leser der Generation 50-: Hierbei geht es um die brennende Frage, wie man mit zwei Bauteilen, die zusammen 150 Jahre alt sind, etwas bauen kann, das vor 100 Jahren noch niemand kannte.
Mark S. schrieb: > Pille schrieb: > >> Geh und bau Koppeltrioden! >> >> Pille > > Oha, die röhrenden Hirsche bekriegen sich wieder um die letzten > Geheimnisse des Triodelingtons! > Für die unkundigen Leser der Generation 50-: Hierbei geht es um die > brennende Frage, wie man mit zwei Bauteilen, die zusammen 150 Jahre alt > sind, etwas bauen kann, das vor 100 Jahren noch niemand kannte. Servus Mark. Ich bekriege mich nicht, ich lache aus. Pille
Mark S. schrieb: > Oha, die röhrenden Hirsche bekriegen sich wieder um die letzten > Geheimnisse des Triodelingtons! > Für die unkundigen Leser der Generation 50-: Hierbei geht es um die > brennende Frage, wie man mit zwei Bauteilen, die zusammen 150 Jahre alt > sind, etwas bauen kann, das vor 100 Jahren noch niemand kannte. Als Generation 50+ würde ich dafür 10 Punkte vergeben, wenn ich könnte. Ich weiß bloß noch nicht, wer sich hinter Pille verbirgt? Vielleicht der Erfinder der "Best Pentode"? Die Cascode Schaltung vereint das geringere Rauschen der Triode mit der höheren Verstärkung der Pentode! Und war jahrelang das Standard Frontend von VHF Tunern.
Mark S. schrieb: > Oha, die röhrenden Hirsche bekriegen sich wieder um die letzten > Geheimnisse des Triodelingtons! > Für die unkundigen Leser der Generation 50-: Hierbei geht es um die > brennende Frage, wie man mit zwei Bauteilen, die zusammen 150 Jahre alt > sind, etwas bauen kann, das vor 100 Jahren noch niemand kannte. Als Generation 50+ würde ich dafür 10 Punkte vergeben, wenn ich könnte. Ich weiß bloß noch nicht, wer sich hinter Pille verbirgt? Vielleicht der Erfinder der "Best Pentode" oder ein gescheiteret Koch, der sich an Röhren statt am Herd die Finger verbrennt? Die Cascode Schaltung vereint das geringere Rauschen der Triode mit der höheren Verstärkung der Pentode! Und war jahrelang das Standard Frontend von VHF Tunern.
Volker S. schrieb: > Mark S. schrieb: > >> Oha, die röhrenden Hirsche bekriegen sich wieder um die letzten >> Geheimnisse des Triodelingtons! >> Für die unkundigen Leser der Generation 50-: Hierbei geht es um die >> brennende Frage, wie man mit zwei Bauteilen, die zusammen 150 Jahre alt >> sind, etwas bauen kann, das vor 100 Jahren noch niemand kannte. > > Als Generation 50+ > würde ich dafür 10 Punkte vergeben, wenn ich könnte. > Ich weiß bloß noch nicht, wer sich hinter Pille verbirgt? Mußt Du nicht wissen, sonst hieße ich nicht Pille. Darius wirds wissen. > Vielleicht der Erfinder der "Best Pentode"? Nö. > > Die Cascode Schaltung vereint das geringere Rauschen der Triode mit der > höheren Verstärkung der Pentode! > Und war jahrelang das Standard Frontend von VHF Tunern. Ja, die [CK]ascode macht das, ist aber halt nicht das was "Best Pentode" darstellt. Gruß, Pille
Pille schrieb: > Du weißt nur nix und schwingst ne > dicke Lippe. Google nach "Best Pentode" und Blöhbaum, kostet für Kommerz > allersing Geld weil patentiert. > > Pille https://linearaudio.net/article-detail/2236 Ich habe für Euch die BestPentode (=BlöhbamumCascode) in LTspice der klassischen Pentodenschaltung und der üblichen Cascode gegenübergestellt. Macht mal 0,5Vs drauf. ;) Ich will die zusätzlichen Transen nicht in dem V69 haben wollen.
Erkläre doch mal an welcher Stelle das eine Kaskode ist, das Du das seit Jahren vor Dich her laberst, steht außer Frage, nur wirds dadurch nicht wahrer. Ansonsten noch mein Beileid zur Simulation von Pentodenschaltungen in Spice.. Pille
Edi M. schrieb: > Hier eine Klangsteller- Schaltung zum Dazwischensetzen habe ich > zugeschickt bekommen, Quelle unbekannt), da gibt es unzählige, solche > und eine Konzeption, wie im vorletzten Beitrag beschrieben, findet man > auch hier: Dies Klangregelschaltung hat aber den Nachtteil, das, wenn alle Regler am unteren Ende sind, das Signal dann kurzgeschlossen ist, d.h. Du hast gar kein Signal mehr. Dieser Designfehler der Schaltung ist bekannt und ich meine da irgendwo auch mal eine angepasste Schaltung gesehen zu haben, die diese Manko umgeht.
Pille schrieb: > Erkläre doch mal an welcher Stelle das eine Kaskode ist, Bei etwa 70V. > Ansonsten noch mein Beileid zur Simulation von Pentodenschaltungen in > Spice.. Danke für das Lob, das spornt an. :) Bei der Simu ist alles dabei, nichts geheim, nachvollziehbar. Ich habe auch den Verbesserungsvorschlag von McCoy aus Jogis Röhrenbude hinzugefügt. Respekt, das ist tatsächlich eine bessere Pentode weil die Stromübernahme zum g2 im überspannten Bereich nun dem Arbeitsstrom hinzuaddiert wird. Also ganz ehrlich. Nach den Bildern, BestPentode --> Tonne.
Du begreifst es nicht, die Tonne die Du da aufstellst, tu da Dein EF86 Modell rein, das paßt da hin, das die Modelle nichts taugen war schon in Jogis Röhrenbude bekannt, allerdings bist Du auch nicht gerade als Blitzmerker verschrien gewesen. Wenn Du wenigstens was gemessen hättest.. Ich sag doch, bau Koppeltrioden, der Unterhaltungseffekt liegt deutlich höher.. Pille
Pille schrieb: > das die Modelle nichts taugen war schon in > Jogis Röhrenbude bekannt Blöhbaum's patentierte BestPentode verknickt mit ihrer der Collector- Basis-Diode schon eine Widerstandsgerade. Die Cascode auch.
Pille schrieb: > Spielt alleine weiter, ist mir zu doof hier. Das kann man nur unterstreichen! Ein eigentlich interessantes Thema kaputtgeredet, weil sich gewisse Personen aufblustern müssen, beratungsresistens sind und / oder den Oberlehrer machen. Redeit ihr so auch mit euren Kollegen?
Volker S. schrieb: > Ich weiß bloß noch nicht, wer sich hinter Pille verbirgt? > Vielleicht der Erfinder der "Best Pentode" oder ein ... Ich auch nicht. Onkel Frihu ist das sicher nicht. Frihu ist weder käuflich noch ein Geheimniskrämer.
Etwas Lesestoff: https://www.frihu.com/roehrenverstaerker/selbstbau/breitband-pentoden/3/ Zitat: "Wichtige Richtigstellung: Die Schirmgitterspannung habe ich nur der Einfachheithalber genommen. Idealerweise liegt die Schirmgitterspannung nach Abstimmung in der Nähe der Anodenspannung." Zitat Ende. Bei der Cascode und BestPentode mit Abstand zur Aussteuerung und Streuung darüber. Damit ist die patentierte BestPentode nur da anwendbar, wo man eine Cascode einsetzen kann bzw. so auszulegen. Für die Mehrzahl der Pentodenschaltungen ist sie leider nicht geeignet. Pille schrieb: > Du begreifst es nicht Jetzt hab ich's. Sieht aus wie eine Cascode, benimmt sich wie eine Cascode, also ist das eine BestPentode. ;) Wieviele Finger siehst du? (1984)
plandemie schrieb: > Etwas Lesestoff: > https://www.frihu.com/roehrenverstaerker/selbstbau/breitband-pentoden/3/ > Zitat: > "Wichtige Richtigstellung: > Die Schirmgitterspannung habe ich nur der Einfachheithalber genommen. > Idealerweise liegt die Schirmgitterspannung nach Abstimmung in der Nähe > der Anodenspannung." > Zitat Ende. > Ich bin nicht Frihu.. kann mir reichlich egal sein was da steht. > Bei der Cascode und BestPentode mit Abstand zur Aussteuerung und > Streuung darüber. Häh? > Damit ist die patentierte BestPentode nur da anwendbar, wo man > eine Cascode einsetzen kann bzw. so auszulegen. > Für die Mehrzahl der Pentodenschaltungen ist sie leider nicht geeignet. > Ich weiß nicht was Du hier schon wieder schwafelst, hast Du Hallus? > Pille schrieb: >> Du begreifst es nicht > > Jetzt hab ich's. > Sieht aus wie eine Cascode, benimmt sich wie eine Cascode, > also ist das eine BestPentode. ;) > > Wieviele Finger siehst du? (1984) Ich sehe symbolisch einen Teller Erbrochenes der mir hier serviert werden soll, keinerlei irgendwie geartete Expertise, nur irgendwelche Behauptungen und uninteressante Zitate. Pille
Pille schrieb: > Erwarte von mir keine vernünftigen Antworten, eher spiele ich Dich ganz > freundlich ein Bisschen kaputt. Ja ja, toll machst du das. ;) :)))
Anbei der Vorverstärker eines Grundig TK120 mit EF86. Da würde ich gerne eine BestPentode draus machen, um das Rauschen zu mindern. Die Herausforderung ist aber: Die Schirmgitterspannung ist höher als die Anodenspannung. An die Experten hier, habt ihr Vorschläge im BestPentode-Stil dafür?
Mein Vorschlag ist die AC-gekoppelte Schirmgitter-Cascode. Schaltplan und asc-Datei im Anhang. Weiteres dazu folgt ...
Pille schrieb: > gib mal hier ein paar Ausführungen dazu, warum das > überhaupt eine Kaskode sein soll Gerne, https://www.labjc.com/?p=4195 Zitat: "i would describe his circuit as a type of hybrid cascode structure specific for pentodes." Zitat Ende. Und ich bin weder verwand noch verschwägert noch bekannt mit dem Autor. Pille schrieb: > Geh und bau Koppeltrioden! Pille schrieb: > ich lache ich auch: https://www.labjc.com/wp-content/uploads/2017/11/Screen-shot-2017-11-19-at-5.53.45-PM.png Schenkelklopfer: In den Patentansprüchen unter Punkt 3 hat er sich diese Koppeltrioden-Variation schützen lassen. :))) Pille schrieb: > Google nach "Best Pentode" und Blöhbaum, kostet für Kommerz > allersing Geld weil patentiert. https://patentimages.storage.googleapis.com/22/06/a1/d088e5f9254810/DE102008017678A1.pdf Für die AC gekoppelte Schirmgittercascode greifen die Patentansprüche nicht. :) Sie ist frei, auch für Kommerz! Nicht nur, dass sie es möglich macht die Anodenspannung unter die Schirmgitterspannung auszusteuern. Das ist das große Manko bei der sog. "BestPentode"; Auch der Schirmgittervorwiderstand, durch den das Schirmgitter seinen Strom bekommt, kann bleiben. Der simple Vorwiderstand stabilisiert die Schaltung und macht das Servogedöns von Blöhbaum System überflüssig. Lässt sich der Begriff "BestPentode" steigern? ;)
Bevor Ihr alle komplett durchdreht, hier mal eine Frage aus der wirklichen Welt. 😉 Die Frage ist einfach… WAS PASIERT HIER??? Die Messgeräte sind natürlich ausgeschaltet… 😉
> WAS PASIERT HIER???
Ich würde sagen, das ist ein Albrecht Dürer: Stillleben mit
ausgeschalteten Messegeräten.
... Kurz vor der Kontrolle, ob die Berechnungen stimmen. Freut mich, dass du so gut ausgestattet bist. :) Der zweite Taskopf fehlt noch um festzustellen wieviel Eingangsspannung man zur Vollaussteuerung braucht. Extra Leiterplatten dafür gemacht. Jetzt verstehe ich, warum du so lange nicht geschrieben hast.
Neuling N. schrieb: > Bevor Ihr alle komplett durchdreht, Wieso Alle? Hier gibts nur Einen der frei dreht, den muß amn aber nicht ernst nehmen. > hier mal eine Frage aus der wirklichen Welt. 😉 > Die Frage ist einfach… > > WAS PASIERT HIER??? > > Die Messgeräte sind natürlich ausgeschaltet… 😉 Nix. Pille
Ach kommt Leute, das könnt ihr doch besser. Bei den ganzen Hellsehern, die hier unterwegs sind, hätte ich wirklich mehr erwartet. 😊
Neuling N. schrieb: > Ach kommt Leute, das könnt ihr doch besser. Wirf mal dein Scope an und messe. Dann zeige ich dir wo der wo der Frosch die Locken hat. Ein DMM, 1Meg und 100nF ist auch noch hilfreich.
plandemie schrieb: > Ich habe für Euch die BestPentode (=BlöhbamumCascode) in LTspice > der klassischen Pentodenschaltung und der üblichen Cascode > gegenübergestellt. Die Simulation der BestPentode ist fehlerhaft, statt einer Spannungsquelle V4 für Ug2 muß man Z-Diode und Widerstand an V1 nehmen, dann sollte die Kennlinie auch ordentlich aussehen. So wirkt g2 als Anode solange U1<U4 ist.
Leute, der TO wollte einen popeligen Röhrenverstärker! Und trotzdem haben wir es tatsächlich auf über 650 Beiträge gebracht...Alles nur wegen dieser dämlichen "BestPentode" Diskussion. Sowas von überflüssig! Rainer
Rainer V. schrieb: > Und trotzdem > haben wir es tatsächlich auf über 650 Beiträge gebracht...Alles nur > wegen dieser dämlichen "BestPentode" Diskussion. Sowas von überflüssig! > Rainer Das ist doch normal, das im µC.net Beiträge sich verselbständigen und ganz andere User ohne TE weiterdiskutieren.
Volker S. schrieb: > Die Simulation der BestPentode ist fehlerhaft, Was mit der Pentode geht, soll auch für die BestPentode gehen. Aber bitte, korrigiere die Simu und wir schauen uns das Ergebnis an. Ich meine das bringt Verzerrungen mit deiner Z-Diode. Ich sehe im Ramen der Patentansprüche keine Rettungsmöglichkeit für die BestPentode. > So wirkt g2 als Anode solange U1<U4 ist. Ja so ist das bei galvanisch gekoppelten Cascodeschaltungen und der BestPentode. Ich sehe keine Rettungsmöglichkeit für die BestPentode im Rahmen Patentansprüche. Und das ist doch eine gute Nachricht, oder? :) plandemie schrieb: > Mein Vorschlag ist die AC-gekoppelte Schirmgitter-Cascode. Oder die von Dieter (McCoy in der RB) mit den Stromspiegeln. Spannende Diskussion übrigens.
Patente für Röhrenschaltungen kann man sich sparen. Damit läßt sich kein müder Euro mehr verdienen. Man hat nur die Arbeit und die Kosten. Das Rauschen war noch nie ein Problem. In AM-Radios hatte man die EF89 als HF-Vorstufe und für FM die ECC85. Für die NF nahm man die rauscharme EF86. Da war dann eher die Mikrofonie das Problem, d.h. die Fassung der EF86 mußte auf Gummipuffer montiert werden. Und in Kondensatormikrofonen nahm man die VF14 in Triodenschaltung.
Beitrag #6867368 wurde von einem Moderator gelöscht.
Rainer V. schrieb: > Leute, der TO wollte einen popeligen Röhrenverstärker! Und trotzdem > haben wir es tatsächlich auf über 650 Beiträge gebracht...Alles nur > wegen dieser dämlichen "BestPentode" Diskussion. Sowas von überflüssig! > Rainer Reality check please. Es wird hier seit 25.10 von dieser Sache gesprochen, hauptsächlich nur von "plandemie" der seine untauglichen Argumente auch schon in der Rörehnbude vor Jahren genauso breit gelatscht hat. Zähle also mal die Posts und hinterfrage mal Dein "alles nur". Was hier überflüssig ist, entscheidest übrigens nicht Du. @Peda: In wie fern ein Patent sinnvoll ist oder nicht mußt Du schon dem Inhaber zur Entscheidung überlassen, das kostet schließlich auch Geld und Frank Blöhbaum war bereit es auszugeben, er wird seine Gründe gehabt haben. EF85,89 und ECC85 oder gar noch die VF14 als Gipfel aller Entwicklungen ansehen zu wollen ist ziemlich daneben, auch wenn Du für Dich festgelegt hast das Dich nun nichts Anderes mehr interessiert. @Darius: Du bist gut darin Dich zu wiederholen, das ist schon Alles. Mir war von vornherein klar wohin die Diskussion läuft als das Wort "Blöhbaumcascode" fiel, man weiß ja wen man da so vor sich hat, da kann man aufhören sachlich zu diskutieren weil nur noch dummes Geschwalle kommt, deswegen habe ich das auch unterlassen. Fragen bist Du nicht bereit zu beantworten, nicht mal die grundsätzliche warum Du diese Schaltung als Cascode bezeichnest, wo sie doch so gar nicht die Struktur einer Cacodenschaltung hat und auch nicht deren Eigenschaften. Das die Pentodenmodelle aus Koren Tubes Nichts taugen, ist seit mehr als 10 Jahren bekannt. Das hindert Dich aber nicht daran Deine Pseudowissenschaft auf deren Basis hier zu produzieren. Deine Ignoranz ist ein Fakt der bereits mehrfach dazu geführt hat das Deine Accounts in Foren gecancelt wurden weil Du Dich an belegten Fakten auch nicht weiter störst. Mach nur weiter, koche Du im eigenen Saft, ich weiß welchen Troll ich da vor mir habe. Pille
Peter D. schrieb: > Patente für Röhrenschaltungen kann man sich sparen. Damit läßt sich kein > müder Euro mehr verdienen. Ach wirklich? Kurze Google-Suche: https://www.hifimueller.de/produkt/vincent-sa-t7-roehrenvorstufe/ Zitat: "Herkömmliche, klassische Schaltungstechniken schöpfen das Potenzial einer Röhre nicht aus. Mit der SA-T7 haben wir einen Vorverstärker entwickelt, der die unverfälschte Verstärkung wertvoller Musiksignale auf ein mit Röhren bislang nicht für denkbar gehaltenes Niveau hebt. Dank der neu entwickelten BestPentode-Schaltung (von Dipl.-Ing. Frank Blöhbaum), ist das bisher für Pentoden typische Stromverteilungsrauschen kein Thema mehr." Zitat Ende. Du musst bedenken, dass es die Cascode-Schaltung bis dahin nicht gab. ;)
Dieser Thread verursacht bei mir unangenehme Erinnerungen an ähnlich frucht- und sinnlose Diskussionen unter den Begriffen "Koppeltrioden" bzw. "Konstantstromquelle", wobei es genaugenommen keine Diskussionen waren, sondern Einige argumentierten und Einer ignorierte und monologisierte (oder phantasierte)...
plandemie schrieb: > https://www.hifimueller.de/produkt/vincent-sa-t7-roehrenvorstufe/ Ich glaub nicht, daß bei dem Preis nennenswert Stückzahlen verkauft werden, damit auch nur ein Bruchteil der Patentkosten wieder reinkommt. Leider fehlen in der Werbung die mit Abstand wichtigsten Angaben, d.h. welche ICs im Digitalzweig verbaut werden. DACs haben genügend hohe Ausgangspegel, damit das Rauschen der nachgeschalteten Röhren keine Rolle mehr spielt. Z.B. PCM1789: 8Vpp plandemie schrieb: > Zitat: > Zitat Ende. Ja, das typische Geschwurbel der Röhrenfraktion, wie man es sattsam schon kennt. Gähn. Techniker wollen nachprüfbare Meßwerte und kein Geschwurbel.
Anbei die Schaltbilder einer AC-gekoppelten Cascode Schaltung und einer dc-gekoppelten Cascode aus dem Buch von DL1QK. Also es gab beides, die wechselstromgekoppelte Cascode war zuerst. Beachtet die Fußnote, das Bremsgitter soll bei der Cascode mit der Anode verbunden werden. Na sowas! Die Pentode unten, die Triode oben. ;
..und wo genau gleicht nun der Schaltungsausschnitt aus Deiner Schaltung den beiden angeführten Beispielen? Putze mal Deine Brille. Pille
Pille schrieb: > die [CK]ascode Cascode ist korrekt, wie du bei DL1QK nachlesen kannst. Aber Korona mit K wie Kommunismus. ;) Pille schrieb: > Putze mal Deine Brille. Wieso bezeichnest du die Patentschaltung von Blöhbaum mit Darius? Finde ich unfair gegenüber dem Erfinder. Wenn du Ähnlichkeiten nicht erkennst, ist das dein Ding. Andere Menschen erkennen da die Cascode-Struktur, Beitrag "Re: Röhrenverstärker Berechnen" du halt nicht. Und der Mensch im Link da macht einen kompetenten Eindruck. Pille schrieb: > das Wort > "Blöhbaumcascode" fiel Ehre wem Ehre gebührt. Die gleichstromgekoppelte Schirmgittercascode hat Blöhbaum erfunden patentiert und gebaut.
plandemie schrieb: > Ehre wem Ehre gebührt. Die gleichstromgekoppelte Schirmgittercascode > hat Blöhbaum erfunden patentiert und gebaut. Das mag ja sein, aber Cascoden-Schaltung ist halt so alt, wie die Röhrentechnik selbst. Es gibt immer mal wieder "Erfindungen", die patentiert werden, obwohl man vergeblich nach der patentfähigen Idee sucht. Das ist halt so...ich erinnere an das Patent vom Herrn Pfleid, der es geschafft hat, die Kette Vorverzerrer, Endstufe und Lautsprecher zum Patent anzumelden. Peter D. schrieb: > Techniker wollen nachprüfbare Meßwerte und kein Geschwurbel. Genau das ist es! Wie auch schon vorher gesagt, ist es ja gar nicht ausgemacht, dass die angepriesene Rauscharmut tatsächlich an der Cascode liegt. Bei sowas, kann man echt nur selbst messen...falls man denn Interesse hat! Gruß Rainer
plandemie schrieb: > Pille schrieb: >> die [CK]ascode > Cascode ist korrekt, wie du bei DL1QK nachlesen kannst. > Aber Korona mit K wie Kommunismus. ;) ..und ich muß das glauben obwohl ich das Gegenteil sehe? Träume weiter. > > Ehre wem Ehre gebührt. Die gleichstromgekoppelte Schirmgittercascode > hat Blöhbaum erfunden patentiert und gebaut. Du hast evtl eine gleichstromgekoppelte Enddarmkaskode in der Birne... Pille
Rainer V. schrieb: > Wie auch schon vorher gesagt, ist es ja gar nicht > ausgemacht, dass die angepriesene Rauscharmut tatsächlich an der Cascode > liegt. Bei sowas, kann man echt nur selbst messen...falls man denn > Interesse hat! Also die Sache mit der Rauscharmut gegenüber der Pentodenschaltung ohne Cascode wurde schon von verschiedenen Leuten bestätigt. Ich habe das auch schon getestet und ja die Patentschaltung funktioniert. Einen hörbaren Unterschied zwischen klassischer Cascode und Schirmgitter Cascode konnte ich nicht ausmachen. Man muss dafür ja nur einen Draht umlegen um von der einen zur anderen Schaltung zu kommen. Während des Schaltvorgangs musste ich den Verstärker dahinter stumm schalten. ;) Übrigens lässt sich das Unterdrücken des Verteilungsrauschens sehr schön in LTspice zeigen.
plandemie schrieb: > Übrigens lässt sich das Unterdrücken des Verteilungsrauschens sehr > schön in LTspice zeigen. Na wenn du meinst...mehr als "funzt prinzipiell" würde ich allerdings mit Spice nicht machen! Gerade auch bei so Dingen wie Rauschmessung. Natürlich ist das in Echt richtig aufwändig (deshalb ist Schwurbeln ja auch so beliebt) aber wenn ichs wirklich wissen will, dann geht es nur so...und ja, bei einer einigermassen "guten" Schaltung hörst du natürlich nichts :-) Gruß Rainer
Rainer V. schrieb: > plandemie schrieb: >> Übrigens lässt sich das Unterdrücken des Verteilungsrauschens sehr >> schön in LTspice zeigen. > > Na wenn du meinst...mehr als "funzt prinzipiell" würde ich allerdings > mit Spice nicht machen! Gerade auch bei so Dingen wie Rauschmessung. > Natürlich ist das in Echt richtig aufwändig (deshalb ist Schwurbeln ja > auch so beliebt) aber wenn ichs wirklich wissen will, dann geht es nur > so...und ja, bei einer einigermassen "guten" Schaltung hörst du > natürlich nichts :-) > Gruß Rainer Wobei ich anzumerken hätte das die Rauscharmut der Schaltung in meinem Verstärker nicht der Grund für den Einsatz war, ist zwar willkommen..aber relativ uninteressant. Interessanter für mich ist, das die Versorgung der Schirmgitter mit gleicher Spannung gut symmetrische Verhältnisse schafft, selbst wenn die EF12 im Eingang von ihren Daten her nicht sonderlich gut übereinstimmen. Pille
Was du da https://www.mikrocontroller.net/attachment/533976/bp.png machst, kann ein banaler Schirmgittervorwiderstand besser. Und gerade die Applikationen mit der hohen Verstärkung kann die Patentschaltung nicht weil Ua<Ug2. Und den g2-Vorwiderstand der der Schaltung stabilisiert, der lässt sich bei der fälschlicherweise so genannten "BestPentode" nicht anwenden. Obendrein kostet dich die Patentschaltung einen DIFFERENZVERSTÄRKER! Ich denke die stillen Mitleser wissen was ich meine. ;)
plandemie schrieb: > Und gerade die Applikationen mit der hohen Verstärkung Ups, Bild vergessen. Im Anhang das Datenblatt zur EF12 mit Typischen Applikationen.
Was Du nicht Alles weißt. Man sollte Dich eigentlich in Laberbach umtaufen.... Pille
Neuling N. schrieb: > Bevor es langweilig wird. :) > https://www.youtube.com/watch?v=JMEJHEtNjwE Zu spät!
Neuling N. schrieb: > WAS PASIERT HIER??? ... die Fassungen der Nixies LC-516 von Dolam sind auch passend für die 5lo38..
Thomas K. schrieb: > Neuling N. schrieb: > ... die Fassungen der Nixies LC-516 von Dolam sind auch passend für die > 5lo38.. Danke für den Tipp. Sehr hilfreich.
Thomas K. schrieb: > Neuling N. schrieb: >> WAS PASIERT HIER??? > > ... die Fassungen der Nixies LC-516 von Dolam sind auch passend für die > 5lo38.. Der Fachmann spricht auch von Lochfra^h^h^h^h^h^h^hDuodecal Fassung (B12A). Gruß, Pille
Neuling N. schrieb: > Bevor es langweilig wird. :) > https://www.youtube.com/watch?v=JMEJHEtNjwE Im Internet kursieren ja schon lange die Oszilloskope-Music-Videos. Genial! Sehe ich zum ersten mal. Danke für den Tipp.
Pille schrieb: > Der Fachmann spricht auch von Lochfra^h^h^h^h^h^h^hDuodecal Fassung > (B12A). http://www.jogis-roehrenbude.de/Roehren-Geschichtliches/Nixie/LC-516.htm Fassung U11...
Neuling N. schrieb: > Bevor es langweilig wird. :) > https://www.youtube.com/watch?v=JMEJHEtNjwE Jetzt werden die übriggebliebenen Oszi-Röhren für solche Spielereien verbraten, schade drum!
Volker S. schrieb: > Neuling N. schrieb: >> Bevor es langweilig wird. :) >> https://www.youtube.com/watch?v=JMEJHEtNjwE > > Jetzt werden die übriggebliebenen Oszi-Röhren für solche Spielereien > verbraten, schade drum! Was willst Du sonst damit machen? Zurück in die Zukunft schauen? :) Full HD wird wohl kaum möglich sein. Aus meiner Sicht, die einzig richtige Verwendung... ;)
Neuling N. schrieb: > Was willst Du sonst damit machen? Genau...zuschaun, wie das Teil verstaubt. Hatte eine richtig große Textronics-Speicherröhre im Institut "abgestaubt". Die Dinger wurden damals tatsächlich alle 2 Jahre vorsorglich ausgetauscht. Letztlich habe ich das Teil für die Symbolische 1Mark plus 50Mark Versandkosten verscherbelt... Gruß Rainer
So, falls noch jemand Bock auf ein paar Ergebnisse hat, hier ein kleines Feedback. ;) Alle Platinen sind weitestgehend final, also habe ich schon mal mit der Gehäuseplanung angefangen.
plandemie schrieb: > Darf ich die finale Schaltung sehen und mich dazu äußern? Natürlich kannst Du die Schaltunge sehen. Aber von Äußerungen habe ich genug. ;)
Beim Klangregler würde ich eher sowas wie im Anhang machen, und die zweite Triode der ECC83 auch noch nutzen. Den 470K Widerstand am Ausgang dann durch ein Poti ersetzen für die Lautstärke.
Thomas K. schrieb: > Beim Klangregler würde ich eher sowas wie im Anhang machen, und > die > zweite Triode der ECC83 auch noch nutzen. Den 470K Widerstand am Ausgang > dann durch ein Poti ersetzen für die Lautstärke. Auf eine aktive Klangregelung (Kuhschwanz) habe ich bewusst verzichtet und stattdessen nur eine Klangblende (Loudness) eingebaut. Das gibt mir einen sehr schönen alten Röhrensound. Die Nutzung des zweiten Systems habe ich in verschiedenen Varianten versucht. Alles hat die Klangqualität eher reduziert. Aus dem Grund habe ich das zweite System komplett auf Masse gezogen.
Thomas K. schrieb: > Beim Klangregler würde ich eher sowas wie im Anhang machen Ja, aber der Klangregler kommt zwischen die 2 Trioden, also die VA1 des Neuling kommt vor den Klangregler. Einspeisung des Eingangssignals direkt in den Klangregler ist eher unüblich, genauso wie die Klangregelung direkt am Eingang des Verstärkers - wird auch in der Literatur nirgends gemacht. @Neuling: Wozu soll der 220pF vom Gitter der Triode nach Masse gut sein? So etwas braucht man definitiv nicht. Habe ich in der Literatur so auch noch nicht gesehen. Was hast Du mit dem Bremsgitter der EL84 vor? Warum ist das an einen Lötstützpunkt geführt? Bei der EL84 ist das Bremsgitter gar nicht separat herausgeführt, sondern intern mit Kathode verbunden. Lesen der Datenblätter hilft hier. Der Kondensator am Lautstärkeregler ist bstimmt keine 470µF - wird wohl wieder mal einer Deiner üblichen Tippfehler sein und es muß wohl 470nF heißen. Würde zwar nicht schaden, aber übliche Größen für Koppelkondensatoren bei NF-Röhrenverstärkern liegen so in der Größenordnung von 20nF bis 100nF. Ausnahme der Auskoppelkondensator einer Kathodenbasisstufe, der kann schon mal bis in den µF-Bereich gehen, denn der soll ja mit dem Innenwiderstand der Kathodenbasisstufe keinen /hörbaren) Hochpaß bilden. Wäre schon ganz gut gewesen, wenn Du Dich mal belesen hättest, wie man Röhrenstufen dimensioniert. Aber das scheint ja nicht Dein Ding zu sein. Neuling N. schrieb: > Eine Röhrenschaltung stumpf nachzubauen ist einfach > nichts für mich. Dazu kommt, dass auch in Büchern nicht alles steht. Und ja es steht in den Büchern. Als Röhren noch envogue waren gab es mehr als ein Fachbuch, wo genau beschrieben wurde, wie man eine Röhrenschaltung richtig dimensioniert, aber man muß diese eben auch studieren wollen. Das hat dann auch nichts mehr mit stumpfen Nachbauen zu tun.
Neuling N. schrieb: > Das gibt mir einen sehr schönen alten Röhrensound. Das ist Käse. Wenn der "schöne alte Röhrensound" mit einem Kuhschwanzregler weg ist, dann ist der Klangregler und/oder die Verstärkerstufe falsch dimensioniert. Ich habe als Jugendlicher ein Röhrenmischpult mit 8 Eingängen gebaut und da hat jeder Eingang seinen Kuhschwanzregler und es ist trotzdem Röhrensound. Marshall baut(e) ebenfalls Kuhschwanzregler in seine Verstärker und die haben so was von einem Röhrensound, das glaubst Du gar nicht. Neuling N. schrieb: > Die Nutzung des zweiten Systems habe ich in verschiedenen Varianten > versucht. Alles hat die Klangqualität eher reduziert. Aus dem Grund habe > ich das zweite System komplett auf Masse gezogen. Und auch das ist Käse hoch drei. Bei richtiger Dimensionierung wird da keine Klangqualität reduziert. Man macht es sogar eher so das man lieber mehr Stufen mit geringerer Verstärkung wählt. Wäre schon gut gewesen, wenn Du Dir mal eine Industrieschaltung angeschaut hättest, einfach nur um zu sehen wie die das machen.
Habe mich schon gewundert, dass es so lange gedauert hat. :))) Genau diese unsinnigen Fragen habe ich von euch Datenblatt und Literatur-Fanatikern erwartet. Ihr solltet mal langsam anfangen selber zu denken und euch nicht alles abzugucken. Denn dann wundert man sich wenn man Dinge sieht, die man im Buch nicht findet, die aber sehr gut funktionieren. Bitte lest meine Kommentare. Ich habe euch nicht um Ausführungen gebeten. Die Schaltung läuft super. Alleine im fliegenden Aufbau habe ich sehr gute Messungen machen können. (Spektrum, Oberwellen, usw.) C9 macht ABSOLUT SINN. Wenn Dir das nicht klar ist, dann kann ich Dir auch nicht helfen. Und wenn Du dich mit Röhre auskennen würdest, würdest du nicht fragen was der offene Pin an der EL84T bedeutet. Die Schaltung ist komplett selbst berechnet und durch Messungen optimiert. Ihr konntet mir nicht mal eine Formel dazu nennen, da ihr ja nur nachbauen könnt. 😊 Sorry, ihr seid Dummschwätzer und wisst es einfach nicht besser. Aber nur zu, ich finde es sehr amüsant euren Schwachsinn zu lesen… 😊😊😊
Neuling N. schrieb: > Aber nur zu, ich finde es sehr amüsant euren Schwachsinn zu lesen… > 😊😊😊 Also doch! C9 = 22p C1 Drahtbrücke R16 = 15K R13 = 270R R1 = 1K R5 = 100R R17 = 10K Übertrager 3,5K In Reihe zur Signalquelle noch 2K2. Ich kann jeden Wert begründen. Statt eine Halbe Röhre tot zu legen, kannst Du für Stereo eine ECC für beide Kanäle benutzen. Evtl. noch etwas Aikido (Broskie).
Neuling N. schrieb: > Genau diese unsinnigen Fragen habe ich von euch Datenblatt und > Literatur-Fanatikern erwartet. Das hat überhaupt nichts mit Fanatismus zu tun. Das Datenblatt eines elektronischen Bauelementes ist nun mal das Maß der Dinge. Das gilt nicht nur für Röhren sonder auch für alle anderen Baauelemente. Der Hersteller weis in aller Regel schon recht genau was man dem von ihm hergestellten Bauelement zumuten kann und was nicht. Es war früher durchaus üblich das viele Hersteller von Bauelementen früher in den Datenblättern auch oft Anwendungsempfehlungen in Form von typischen Beschaltungen gegeben haben. Datenblätter zu ignorieren zeugt nur davon, das Dir noch viel Wissen fehlt um diese zu verstehen.Das ist ja erst mal nicht weiter schlimm - man muß es halt lernen. Neuling N. schrieb: > Bitte lest meine Kommentare. Ich habe euch nicht um Ausführungen > gebeten. Die aber dringend nötig sind, damit der nächste so einen Mist nicht nach baut. Neuling N. schrieb: > Ihr solltet mal langsam anfangen selber zu denken und euch nicht alles > abzugucken. Denn dann wundert man sich wenn man Dinge sieht, die man im > Buch nicht findet, die aber sehr gut funktionieren. Für den Scheiß den Du da verzapfst, trägst Du die Nase ganz schön hoch. Neuling N. schrieb: > Und wenn Du dich mit Röhre auskennen würdest, würdest du nicht fragen > was der offene Pin an der EL84T bedeutet. Die EL84T ist eine Sonderbauform mit herausgeführtem Bremsgitter. Soweit ich recherieren konnte wird die Röhre wohl nur in den USA hergestellt. Die bekannten Röhrenhersteller wie Valvo, Philips, Telefunken etc. haben diese Röhre nicht in ihrem Sortiment und werden wohl auch wissen warum das so ist. Dennoch, ja das T habe ich übersehen. Wenn ich mir die Schaltung so anschaue, dann würde ich daraus schließen das Du vor hast, das Bremsgitter evtl. mit Anodenspannung zu verbinden (Anordnung der Pads). Aber auch das wäre falsch. Im Gegensatz zu Dir bin ich mir nicht zu fein mich zu belesen und in den Quellen die ich gefunden habe, wird das Bremgitter mit einer Widerstandkombination auf Masse gelegt oder halt mit der Kathode verbunden. Was das Auskennen mit Röhren betrifft, lass Dir gesagt sein das ich mittlerweile seit knapp 50 Jahren mit Röhren bastle und in dieser Zeit wohl weitaus mehr Röhrenverstärker (Vor- und Endverstärker) gebaut habe als Du jemals in Deinem Leben bauen wirst. Bin auch gerade dabei einen Retroverstärker zu bauen. Neuling N. schrieb: > Alleine im fliegenden Aufbau habe ich sehr > gute Messungen machen können. (Spektrum, Oberwellen, usw.) > C9 macht ABSOLUT SINN. Ja wenn der Aufbau Scheisse ist kann es schon sein das man solche Kunstgriffe machen machen muß. Bei korrekter Dimensionierung und Afbau sind solche Kunstgriffe nicht erforderlich. Neuling N. schrieb: > Die Schaltung ist komplett selbst berechnet und durch Messungen > optimiert. Ja so sieht sieht sie auch aus. Das Berechnen einer Röhrenstufe ist nun wirklich keine Raketenwissenschaft. Dummerweise kommen, wenn man die Arbeitspunkte richtig legt, bei allen Schaltungen Werte heraus die sich nur geringfügig unterscheiden und da macht Deine Schaltung keine Ausnahme. Aber man sieht an einigen Details, z.B den teilweise viel zu groß dimensionierten (Koppel-) C's das hier kein Profi am Werke war. Das ist ein typischer Anfängerfehler, die meinen viel hilft viel. Wenn man es richtig berechnen würde, wären die viel kleiner als in Deiner Schaltung. Schau Dir einfach mal, sofern es nicht unter Deiner Würde ist, einen klassischen Röhrenverstärker (z.B. den guten alten MV3) an, wie man das in der Industrie gelöst hat. Der MV3 klingt übrigens richtig schön röhrig. Neuling N. schrieb: > Ihr konntet mir nicht mal eine Formel dazu nennen, da ihr ja > nur nachbauen könnt. 😊 > > Sorry, ihr seid Dummschwätzer und wisst es einfach nicht besser. Es waren hier einige, allen voran Pille, die Dir gesagt haben wie man so etwas richtig macht. Man hat Dir sogar gesagt, wie man mit einer Kennlinie und dem Datenblatt eine Röhrenstufe richtig berechnet. Der Neuling weis es aber besser und meint es besser als das Datenblatt - sprich der Hersteller - zu wissen und schlägt auch sonstige Ratschläge in den Wind. Wenn Du alles weist, warum hast Du dann überhaupt hier gefragt?
Zeno schrieb: >> Sorry, ihr seid Dummschwätzer und wisst es einfach nicht besser. > Es waren hier einige, allen voran Pille, :)))
plandemie schrieb: > Neuling N. schrieb: >> Aber nur zu, ich finde es sehr amüsant euren Schwachsinn zu lesen… >> 😊😊😊 > > Also doch! > C9 = 22p > C1 Drahtbrücke > R16 = 15K > R13 = 270R > R1 = 1K > R5 = 100R > R17 = 10K > Übertrager 3,5K > In Reihe zur Signalquelle noch 2K2. > > Ich kann jeden Wert begründen. > > Evtl. noch etwas Aikido (Broskie). C9 mit 22p macht sogar Sinn. Das muss ich nochmal ausprobieren. R16 mit 15k scheint mir etwas zu hoch, oder? Mein Übertrager hat 5,2k, dadurch ergeben sich die Werte. Wenn ich mit 3,5k rechne, scheint mir R13 etwas zu hoch, oder? > Statt eine Halbe Röhre tot zu legen, kannst Du für Stereo > eine ECC für beide Kanäle benutzen. Ich habe die Kanaltrennung in verschiedenen Doppeltrioden gemessen. Das war nicht sehr gut.
Neuling N. schrieb: > R16 mit 15k scheint mir etwas zu hoch, oder? Ich habe mal 100KHz als Grenzfrequenz (gegen HF-Störungen) angesetzt. > Mein Übertrager hat 5,2k, dadurch ergeben sich die Werte. Ich würde ohne Gegenkopplung mit zwei mal ri der Triode anpassen wollen. Das ist klanglich genau meins. > Wenn ich mit 3,5k rechne, scheint mir R13 etwas zu hoch, oder? Im Gegenteil. Die 270R werden übrigens für die Triodenschaltung empfohlen und sie passen mit der Praxis gut zusammen. Wenn Du die 14W Verlustleistung voll ausschöpfen willst, müsstest Du mit der Anodenspannung rauf.
Neuling N. schrieb: > Ich habe die Kanaltrennung in verschiedenen Doppeltrioden gemessen. Das > war nicht sehr gut. Das liegt dann definitiv am Aufbau. Die Anodenbleche in 1cm Abstand können das wirklich nicht schuld sein. Es gibt Stereoverstärker mit ECC83 und ELL80. Selbst da gibt es kein hörbares übersprechen. Auch nicht an wirkungsgradstarken Lautsprechern und Ohr direkt dran.
Übrigens messe ich die optimalen Werte an der Schaltung aus und grob vorher am Röhrenprüfgerät. Inzwischen hat mit mir LTspice viel Arbeit abgenommen. ;)
plandemie schrieb: > Neuling N. schrieb: >> R16 mit 15k scheint mir etwas zu hoch, oder? > > Ich habe mal 100KHz als Grenzfrequenz (gegen HF-Störungen) > angesetzt. Plausibel. Soweit habe ich garnicht gedacht. :) >> Wenn ich mit 3,5k rechne, scheint mir R13 etwas zu hoch, oder? > > Im Gegenteil. Die 270R werden übrigens für die Triodenschaltung > empfohlen und sie passen mit der Praxis gut zusammen. Danke für den Tipp. Das probiere ich mal. > Wenn Du die 14W Verlustleistung voll ausschöpfen willst, müsstest > Du mit der Anodenspannung rauf. Aktuell messe ich 4 Watt an 4 Ohm bei 1kHz. Bei 20Hz, sind es immer noch 2 Watt. Das ist für mich völlig ausreichend. Meine lautsprecher haben 95dB mit einem Watt pro Meter. Ich will nicht taub werden, sondern Musik genießen. ;) Leistung ist für mich daher nicht so wichtig.
Neuling N. schrieb: > Aktuell messe ich 4 Watt an 4 Ohm bei 1kHz. > Bei 20Hz, sind es immer noch 2 Watt. > Das ist für mich völlig ausreichend. > > Meine lautsprecher haben 95dB mit einem Watt pro Meter. > Ich will nicht taub werden, sondern Musik genießen. ;) > Leistung ist für mich daher nicht so wichtig. Ja, richtig. Ich habe an einem Arbeitstisch einen Monacor SP300GI EL84 als Triode an einem PL84 Übertrager und als Treiber eine EF80 in Triodenschaltung. Das problem bei der Messung ist, dass wenn Du den Generator aufdreht, Du die Steuerspannung am Gitter klemmst. Dadurch bekommst Du beim Messen einen anderen Arbeitspunkt als beim Hören. Das meinte ich weiter oben mit der Gummischaltung.
Neuling N. schrieb: > Aber von Äußerungen habe ich genug. ;) Kein Wunder, die Schaltung ist und bleibt Bullshit. Ich weiß gar nicht, mit welchem Fehler ich anfangen soll. Zwischen C4, C5 fehlt der Siebwiderstand für die Vorstufenspannung, usw. KLangregler mit einem Poti habe ich nie gemocht. Man konnte damit den Klang nur dumpfer machen. War wohl für AM-Empfang zur Störausblendung gedacht.
Peter D. schrieb: > Kein Wunder, die Schaltung ist und bleibt Bullshit. Ich weiß gar nicht, > mit welchem Fehler ich anfangen soll. Das wird nun aber völlig sinnfrei zwischen "plandemie, Neuling und Pille" abgekaspert. Leider ist der reine Unterhaltungswert mehr als mies...da habe ich mir mehr versprochen! Trotzdem...wenn ihr schon von Ausgemessen sprecht, dann veröffentlicht doch einmal die Meßwerte. "Übersprechen war grottenschlecht" und ich sage: "die Maus ist ein Nagetier". Bei passablen Röhrenmodellen würde ich auch mit einer Schaltung in LT-Spice zufrieden sein! Aber was rede ich... Gruß Rainer
Peter D. schrieb: > Zwischen C4, C5 fehlt der Siebwiderstand für die Vorstufenspannung, usw. Du kennst sein Netzteil? https://www.mikrocontroller.net/attachment/477267/Netzteil.png Rainer V. schrieb: > Bei passablen Röhrenmodellen würde ich auch mit einer > Schaltung in LT-Spice zufrieden sein! Aber was rede ich... > Gruß Rainer Was ändert denn das passable Röhrenmodell? Kommt damit die Cascode unter die Spannung am zweiten Gitter? Beitrag "Re: Röhrenverstärker Berechnen" Dein passables Modell ist ein Betrugsmodell, richtig? Der Neuling hat euch schon richtig eingeschätzt. BOSHEIT fehlt dabei noch!
Neuling N. schrieb: > C9 macht ABSOLUT SINN. Naja. Es HAT bestenfalls Sinn. :-) Eine ECC83 ist nun kein HF-Wunder, was man mit Kerkos am Gitter ruhigstellen müßte. Ansonsten würde ich empfehlen, R4 leistungsmäßig deutlich zu verkleinern, im Fehlerfall (Schluß in der Röhre) soll ja der und nicht der Ausgangstrafo abrauchen. Zwischen C4 und C5 sollte noch ein Siebwiderstand eingefügt werden. Zu Deinen Messungen und Deiner Schaltung: wie kriegst Du denn 4W aus der EL84 in Triodenschaltung heraus? Philips ist da anderer Ansicht: https://frank.pocnet.net/sheets/010/e/EL84.pdf
plandemie schrieb: > BOSHEIT Na endlich mal wieder mit Großbuchstaben... plandemie schrieb: > Was ändert denn das passable Röhrenmodell? Es ändert den Blödsinn, den ein unpassendes Röhrenmodell simuliert! Aber lassen wir das... Gruß Rainer
plandemie schrieb: > Das liegt dann definitiv am Aufbau. Die Anodenbleche in 1cm Abstand > können das wirklich nicht schuld sein. > Es gibt Stereoverstärker mit ECC83 und ELL80. Selbst da gibt es > kein hörbares übersprechen. Auch nicht an wirkungsgradstarken > Lautsprechern und Ohr direkt dran. Laß man der Neuling weis es besser.
Peter D. schrieb: > KLangregler mit einem Poti habe ich nie gemocht. Man konnte damit den > Klang nur dumpfer machen. War wohl für AM-Empfang zur Störausblendung > gedacht. Kann man schon machen, kommt eben darauf an was man möchte. Am Eingang, so wie beim TO, ist es aber Mist. Das gehört entkoppelt, eine Triode wäre ja sogar noch übrig. Die könnte man locker als Vorstufe einsetzen. Man muß ja dann auch die Verstärkung nicht übermäßig groß machen. Man könnte sogar, wenn man im 2. System noch Reserven hat, über eine Kathodenbasisstufe nachdenken, denn die wäre eingangsseitig hochohmig und würde eine niederohmige Quelle für den Klangregler bilden. Peter D. schrieb: > Zwischen C4, C5 fehlt der Siebwiderstand für die Vorstufenspannung, usw. Ist mir auch schon aufgefallen, leider erst nach dem ich meinen Beitrag geschrieben hatte.
Neuling N. schrieb: > Danke für den Tipp. Das probiere ich mal. Warum wiollst Du da probrieren, Du hast es doch berechnet und durch Messen optimiert. Ist wohl doch doch nicht so optimal? Würde mich nicht wundern.
Willi schrieb: > Eine ECC83 ist nun kein HF-Wunder, > was man mit Kerkos am Gitter ruhigstellen müßte. Der ist dafür da, damit die Gegenkopplung korrekt arbeiten kann. Erklärung dazu: Du hast knapp 2pF zwischen Katode und Steuergitter. Oft ist die Beschaltung am Gitter recht hochohmig. Dann wird die Gegenkopplungsspannung über die Kapazität Cgk auch auf das Gitter gekoppelt und mit steigender Frequenz zunehmend unwirksam. Damit das nicht passiert habe ich die Kapazität von Gitter nach Masse um den Faktor 10 größer gewählt. Zeig mir mal bitte das Buch in dem das erklärt wird. ;) Rainer V. schrieb: > Es ändert den Blödsinn, den ein unpassendes Röhrenmodell simuliert! Aber > lassen wir das... > Gruß Rainer Ne, lassen wir nicht. Selbst mit Diode und Widerstand begreifst du das nicht. Aber hochtrabend über Röhrenmodelle faseln. :)))
Willi schrieb: > Zu Deinen Messungen und Deiner Schaltung: wie kriegst Du denn 4W aus der > EL84 in Triodenschaltung heraus? Philips ist da anderer Ansicht: Nein, da ist die Sprechleistung ohne Gegenkopplung angegeben.
Plandemie schrieb: > Nein, da ist die Sprechleistung ohne Gegenkopplung angegeben. Wozu sollte diese Angabe denn gut sein??
Plandemie schrieb: > Der ist dafür da, damit die Gegenkopplung korrekt arbeiten > kann. Cdyn ist an der Stelle maßgeblich und viel größer, außerdem erfolgt keine hochohmige Ansteuerung. Ob Gegenkopplung oder nicht spielt für die Ausgangsleistung so gut wie keine Rolle. Das was in den Röhrenlisten steht, wird ohne Verluste im Ausgangstrafo ermittelt, ist also schon reichlich optimistisch.
Rainer V. schrieb: > Wozu sollte diese Angabe denn gut sein?? Um Endröhren vergleichen zu können. Willi schrieb: > Ob Gegenkopplung oder nicht spielt für die Ausgangsleistung so gut wie > keine Rolle. Aber sicher spielt die Gegenkopplung eine Rolle. Um die Sprechleistung bei 20% unverzerrt nutzen zu können zum Beispiel.
Willi schrieb: > Cdyn ist an der Stelle maßgeblich und viel größer, außerdem erfolgt > keine hochohmige Ansteuerung. Das ist vorher nicht klar. Außerdem ist die geplante Verstärkung der Stufe weit geringer was auch Cdyn stark verringert. Kann sein, dass man sich für eine Pentode entscheidet. Und wenn die Umgebnung niederohmig ist, stören die 22pF nicht. Also bei Gegenkoplung ist man damit immer damit gut beraten. Praktisch leistet das schon eine abgeschirmte Zuleitung zum Gitter.
Mein Vorschlag für eine Triodenendstufe mit EL84 anbei. Mit 270R Katodenwiderstand und 3K5 für den Übertrager komme ich unter Nutzung der vollen Anodenverlustleistung auf: 448V-175V=273Vs 273Vs/2=136,5Vs 136,5Vs/Wurzel2=96,5Veff (vermute den Schritt hat N. vergessen ?) 96,5Veff*96,5Veff/3500R = 2,7W (Sinus) Das ist keine Gummiendstufe dank Hilfsdiode. Die kann man eigentlich fast überall nachrüsten, wenn der zusätzliche Spannungsabfall am zweiten Katodenwiderstand vertretbar ist. Beim Neubau plant man das Netzteil passend.
Willi schrieb: > Neuling N. schrieb: > Zu Deinen Messungen und Deiner Schaltung: wie kriegst Du denn 4W aus der > EL84 in Triodenschaltung heraus? Philips ist da anderer Ansicht: > https://frank.pocnet.net/sheets/010/e/EL84.pdf Hinter dem AÜ, an 4 Ohm, messe ich eine Spannung von 5,68V Spitze Spitze. Veff = Vss / 2 * wurzel2 Veff = 5,68 / 2 * 1,41 Veff = 4 P = Veff * Veff / Rlast P = 4 * 4 / 4 P = 4
Neuling N. schrieb: > Veff = Vss / 2 * wurzel2 > Veff = 5,68 / 2 * 1,41 > Veff = 4 Veff = 5,68 / (2 * 1,41) Veff = 2 Dein Elektronenrechner hat die Wurzel 2 auf den Bruchstrich gesetzt.
Plandemie schrieb: > Neuling N. schrieb: >> Veff = Vss / 2 * wurzel2 >> Veff = 5,68 / 2 * 1,41 >> Veff = 4 > > Veff = 5,68 / (2 * 1,41) > Veff = 2 > > Dein Elektronenrechner hat die Wurzel 2 auf den Bruchstrich gesetzt. Hmm - jetzt wissen wir wie die Schaltung berechnet wurde.
Plandemie schrieb: > Dein Elektronenrechner hat die Wurzel 2 auf den Bruchstrich gesetzt. Nein, der dusselige User! Schon die Formel so blödsinnig hinzuschreiben, ist eine Leistung...und klar, man mag sich also die "Berechnung" der Schaltung gar nicht mehr vorstellen :-) Gruß Rainer
Rainer V. schrieb: > Nein, der dusselige User! Warum seid Ihr so bösartig? Ich unterscheide auch zwischen Bruchstrich/ und Geteilt durch: . https://netmath.vcrp.de/downloads/Einheiten/HSWildau/bk-mathe/frame_102_maincontent.html Zitat: "Ein Bruchstrich wirkt wie eine Klammer - eine Klammer muss gesetzt werden, wenn der Bruchstrich durch : ersetzt wird bzw. wenn mehrere Brüche auf einem Bruchstrich zusammengefasst werden!" Zitat Ende. Der Fehler liegt beim Taschenrechner und den muss man erstmal kennen lernen. Eigentlich gehört der Doppelpunkt auf die Taste.
Was ist denn das für ein asozialer Umgang??? Reiner und Zeno, wenn Ihr euch nicht auf einer menschlichen Ebene verständigen könnt, dann verpisst Euch aus diesem Trade. Ihr habt hier nichts verloren. Ihr alten Säcke gehört doch in die Klapse. Ich hoffe Ihr habt euch schon impfen lassen, dann dauert es nicht mehr lange. Hat man Euch als Kinder schlecht behandelt, oder was ist mit Euch passiert???
Hallo, Plandemie schrieb: > Der Fehler liegt beim Taschenrechner und den muss man erstmal kennen > lernen. Nee, der Fehler liegt beim Benutzer des Taschenrechners weil er die Formel falsch eingibt. Die Eingabe der Formel lautet nämlich nicht "Veff = Vss / 2 * wurzel(2)", sondern "Veff = Vss 2 wurzel(2)". Oder, wie bereits geschrieben, Veff = "Vss / (2 * wurzel(2)). Aber dann muss man Klammern setzen. > Zitat: "Ein Bruchstrich wirkt wie eine Klammer - eine Klammer muss > gesetzt werden, wenn der Bruchstrich durch : ersetzt wird bzw. wenn > mehrere Brüche auf einem Bruchstrich zusammengefasst werden!" Zitat Ende. Stimmt, aber wenn man die richtigen Taschenrechner benutzt, braucht man noch nicht einmal Klammern. Aber das ist ein ganz anderes Thema... rhf
Neuling N. schrieb: > Veff = Vss / 2 * wurzel2 Nach meinem bescheidenen Verständnis gibt es in dieser Formel keinen Bruchstrich! Wo habt ihr das nur her? Kopfschüttel :-) Rainer
EinBastler schrieb: > Was ist denn das für ein asozialer Umgang??? Dann schau Dir mal an wie der TO die Leute hier voll gerotzt hat. EinBastler schrieb: > Ihr habt hier nichts verloren. Das entscheidest Du eben nicht. EinBastler schrieb: > Ihr alten Säcke gehört doch in die Klapse. > Ich hoffe Ihr habt euch schon impfen lassen, dann dauert es nicht mehr > lange. Du wirfst Rainer und mir schlechten sozialen Umgang vor - fasse Dich an Deine eigene Nase. Arbeite erst mal an Deinem Umgang bevor Du die Leute hier dumm an machst.
EinBastler schrieb: > Was ist denn das für ein asozialer Umgang??? > > Reiner und Zeno, wenn Ihr euch nicht auf einer menschlichen Ebene > verständigen könnt, dann verpisst Euch aus diesem Trade. Selber einer! Muß man dir das erst erklären?
Rainer V. schrieb: > Nach meinem bescheidenen Verständnis gibt es in dieser Formel keinen > Bruchstrich! Naja das ist wohl Ansichtskarte.Üblich ist ja durchaus die folgende Schreibweise und da wäre schon ein Bruchstrich.
Ist aber am Ende wurscht, weil mathematisch der Bruchstrich letzendlich eine Division ist.
Zeno schrieb: > Üblich ist ja durchaus die folgende > Schreibweise und da wäre schon ein Bruchstrich. ...aber wenn ich keine Formeln in meinem Text hinkriege, dann gehört für mich - egal ob"/" oder ":" da einfach eine Klammer drum! Und wenn ich nochmal wiederholen darf. Jemand, der behauptet, seinen Verstärker berechnet zu haben und dann sowas abliefert, dem kann man mit einigem Recht die gerunzelte Stirn zeigen oder direkt den Vogel. Aber was reg ich mich auf... Guts Nächtle, Rainer
Rainer V. schrieb: > Zeno schrieb: >> Üblich ist ja durchaus die folgende >> Schreibweise und da wäre schon ein Bruchstrich. > > ...aber wenn ich keine Formeln in meinem Text hinkriege, dann gehört für > mich - egal ob"/" oder ":" da einfach eine Klammer drum! Und wenn ich > nochmal wiederholen darf. Jemand, der behauptet, seinen Verstärker > berechnet zu haben und dann sowas abliefert, dem kann man mit einigem > Recht die gerunzelte Stirn zeigen oder direkt den Vogel. Aber was reg > ich mich auf... > Guts Nächtle, Rainer Deine Meinung will hier niemand wissen. Leg dich einfach hin und bleib da liegen. Du bist wohl mit einer Röhre im Arsch gebohren worden und konntest alles ohne was lernen zu müssen.
Zeno schrieb: > Rainer V. schrieb: >> Nach meinem bescheidenen Verständnis gibt es in dieser Formel keinen >> Bruchstrich! > Naja das ist wohl Ansichtskarte.Üblich ist ja durchaus die folgende > Schreibweise und da wäre schon ein > Bruchstrich.VRMS=12⋅2–√⋅Vp−p{V_{RMS}}={\frac{1}{2\cdot\sqrt{2}}}\cdot{V_ {p-p}}Ist > aber am Ende wurscht, weil mathematisch der Bruchstrich letzendlich > eine Division ist. Auch deine Meinung interessiert hier niemanden... Sie trägt kein bischen zum Vortschritt bei, sondern hällt hier nur auf. Ohne euch asozialen Schwachmaten, hätte man dem TO hier wirklich mal was beibringen können.
EinBastler schrieb: > hätte man dem TO hier wirklich mal was > beibringen können. Wäre schön, wenn er die Schaltung mit der Hilfsdiode verwendet. Könnte Pille übrigens auch aber ... na ja.
Man muss sich halt inspirieren lassen. Die AC-gekoppelte Schirmgittercascode war die Teilnahme am Thread auf jeden Fall wert.
EinBastler schrieb: > Deine Meinung will hier niemand wissen. > Leg dich einfach hin und bleib da liegen. > Du bist wohl mit einer Röhre im Arsch gebohren worden und konntest alles > ohne was lernen zu müssen. EinBastler schrieb: > Auch deine Meinung interessiert hier niemanden... > Sie trägt kein bischen zum Vortschritt bei, sondern hällt hier nur auf. > Ohne euch asozialen Schwachmaten, hätte man dem TO hier wirklich mal was > beibringen können. Oh jetzt zieht aber einer mal vom Leder und beweist außerordentliche Sozialkompetenz - ich bin beeindruckt. 5 Beiträge hier geschrieben, wenig fachlicher Inhalt aber dafür rum motzen auf unterster Schublade. Und ja man hätte dem TO was beibringen können, einige haben das ja auch versucht, der ist aber recht beratungsresident
Impfpandemie schrieb: > Man muss sich halt inspirieren lassen. > Die AC-gekoppelte Schirmgittercascode war die Teilnahme am Thread > auf jeden Fall wert. Zweifelsohne, obwohl ich das das eine Spezialspielerrei von Plandemie ist. Der ist hier (mit anderem Nick) und in anderen Foren schon, sagen wir mal, mit etwas ungewöhlichen Schaltungen aufgetreten. Das ist jetzt völlig wertfrei, da diese Schaltungen nicht beurteilen kann, weil ich so etwas selbst nie aufgebaut habe. Kaskode mit Pentoden ist auch eher selten und ich wüßte auf Anhieb auch kein Industriegerät wo so etwas zum Einsatz kommt. Die Kaskodee als Vorstufe mit Trioden ist da schon eher bekannt und wird auch in der Literatur (z.B. Streng "abc der Niederfrequenztechnik") beschrieben. Sie soll sich durch eine hohe Verstärkung bei gleichtzeitiger Rauscharmut auszeichnen. Ich habe es nicht ausprobiert und bin eigentlich immer mit einer "normalen" Beschaltung hingekommen. Es gibt ja auch rauscharme Pentoden, die eine hohe Verstärkung erlauben und ausreichend rauscharm sind. In Industrieschaltungen ist die Kaskode auch eher selten anzutreffen. Ansonsten kenne ich AC gekoppelte Röhrenstufen nur von Analogrechnern (hier ein Beispiel http://www.analogmuseum.org/library/rar_1.pdf). Da sind sie allerdings auch zwingend notwendig, weil ja Gleichspannung übertragen werden muß.
Zeno schrieb: > Und ja man hätte dem TO was beibringen können, einige haben das ja auch > versucht, der ist aber recht beratungsresident Du verwechselst gerade den TO mit Pille. ;)
Impfpandemie schrieb: > Du verwechselst gerade den TO mit Pille. Nö nicht wirklich. Der Pille weis schon recht genau was er tut. War auch nur ein Beispiel. Hätte auch den Edi, Mohandes oder Michael benennen können. Alle genannten haben durchaus Hilfestellung gegeben. Anfangs hat das ja auch ein bischen funktioniert und der TO hat Hilfe angenommen. Das finale Endergebnis was er nun präsentiert hat ist hingegen nicht so pralle, da sind einige Dinge die Röhrenbastlern die Haare zu Berge stehen lassen und der TO wurde auch von mehreren Leuten darauf hingewiesen. An Stelle mal über den einen oder anderen Post nachzudenken kommt so etwas: Neuling N. schrieb: > Ihr solltet mal langsam anfangen selber zu denken Neuling N. schrieb: > Ich habe euch nicht um Ausführungen > gebeten. Neuling N. schrieb: > Sorry, ihr seid Dummschwätzer und wisst es einfach nicht besser. Mit der Bergründung er habe alles berechnet und optimiert, präsentiert er dann noch vollmundig eine aus der Spitzenspannung am Lastwiderstand gemessene Leistung, wobei ihm noch ein gravierendender Rechenfehler bei einer wirklich einfachen Berechnung (die könnte man sogar mit hinreichender Genauigkeit im Kopf rechnen) unterläuft. Nachdem er von mehreren Leuten darauf hingewiesen wurde ist nunmehr Schweigen im Walde. Das legt dann schon verschiedene Rückschlüsse nahe.
EinBastler schrieb: > Sie trägt kein bischen zum Vortschritt bei, sondern hällt hier nur auf. Obwohl ich auf Dünnschiß von Gästen normal nicht reagiere, möchte ich in diesem Fall aber zumindest darauf hinweisen, dass kein Fortschritt bei Vortschritt und wenn hier einer aufhällt, dann er nu mal. Und klar, auf der MissPiggy-Tastatur der kleinen Tochter die kleinen Tastenfelder nicht getroffen mit den Wurstfingern :-) Rainer
Impfpandemie schrieb: > Zeno schrieb: >> Und ja man hätte dem TO was beibringen können, einige haben das ja auch >> versucht, der ist aber recht beratungsresident > > Du verwechselst gerade den TO mit Pille. ;) Du bist ein arthesischer Brunnen nutzloser Information Darius. Gruß, Pille
Zeno schrieb: > Impfpandemie schrieb: >> Du verwechselst gerade den TO mit Pille. > > Nö nicht wirklich. Darfst du dir ruhig so denken. AC und DC verwechselst du ja auch noch. > Der Pille weis schon recht genau was er tut. War auch > nur ein Beispiel. Hätte auch den Edi, Mohandes oder Michael benennen > können. Alle genannten haben durchaus Hilfestellung gegeben. Anfangs hat > das ja auch ein bischen funktioniert und der TO hat Hilfe angenommen. > Das finale Endergebnis was er nun präsentiert hat ist hingegen nicht so > pralle, Also von Neuling gibt es eine saubere Schaltung, Bilder vom Aufbau und er hat die Maximale Spannung am Lastwiderstand berechnet. Was er da gemessen hat ist plausibel und ich sehe keinen Grund warum sein Verstärker nicht sauber spielen soll. Nebenbei hat er noch ein Oszlloskop gebaut und ist mit allem ausgestattet was man braucht. Bei Pille, der seit drei Jahren an seinem Clone arbeitet, ... ich lasse es besser, seht selbst weiter oben. Bis auf Edi kenne ich niemanden hier, und von dem Sie-zer auch nur die Webseite. Klopft euch mal schön gegenseitig auf die Schulter, den Neuling macht ihr nicht platt. Der macht sein Ding und hat die richtige Einstellung. Bin leider zu spät hier reingekommen.
Impfpandemie schrieb: > Also von Neuling gibt es eine saubere Schaltung, Bilder vom Aufbau > und er hat die Maximale Spannung am Lastwiderstand berechnet. > Was er da gemessen hat ist plausibel und ich sehe keinen Grund > warum sein Verstärker nicht sauber spielen soll. Offensichtlich "Neuling-Fan-Club"...man du kannst also auch nicht rechnen. Das euch das nicht sauber peinlich ist, verstehe ich nicht! Rainer
Rainer V. schrieb: > Impfpandemie schrieb: >> Also von Neuling gibt es eine saubere Schaltung, Bilder vom Aufbau >> und er hat die Maximale Spannung am Lastwiderstand berechnet. >> Was er da gemessen hat ist plausibel und ich sehe keinen Grund >> warum sein Verstärker nicht sauber spielen soll. > > Offensichtlich "Neuling-Fan-Club"...man du kannst also auch nicht > rechnen. Das euch das nicht sauber peinlich ist, verstehe ich nicht! > Rainer Reiner warum hältst du nicht einfach deine scheiß Fresse, genauso wie dein Kumpen Zeno. Euer dummes Gelaber will hier niemand hören. Es geht hier darum dem TO was beizubringen. Wenn du daran kein Interesse hast, dann geh in deinen Keller und bleib da für den rst deines Lebens. Das dürfte nicht mehr so lange sein. Dein Leben ist offensichtlich das reine Kotzen, sonst würdest du schwächere nicht so behandeln. Macht euch einfach einen eigene Trade auf und pisst euch gegenseitig an, ihr asozialen Schwachmaten…
Rainer V. schrieb: > Impfpandemie schrieb: >> Also von Neuling gibt es eine saubere Schaltung, Bilder vom Aufbau >> und er hat die Maximale Spannung am Lastwiderstand berechnet. >> Was er da gemessen hat ist plausibel und ich sehe keinen Grund >> warum sein Verstärker nicht sauber spielen soll. > > Offensichtlich "Neuling-Fan-Club"...man du kannst also auch nicht > rechnen. Das euch das nicht sauber peinlich ist, verstehe ich nicht! > Rainer P.S. Ich hoffe ihr seid geimpft... Das würde mich sehr freuen. :)
Neuling N. schrieb: > Hinter dem AÜ, an 4 Ohm, messe ich eine Spannung von 5,68V Spitze > Spitze. Das das keine 4W ergeben kann man ohne Rechner schon so abschätzen: Bei 4W an 4 Ohm brauche ich 4V und 1A, Us ist dann ca 6V, Uss = 12V. Mit Uss ca 6V erreicht man die Hälfte,ca 2W.
EinBastler schrieb: > Es geht hier darum dem TO > was beizubringen Talking about the blind leading the blind...wie der Engländer so treffend sagt. Gruß Rainer
EinBastler schrieb: > P.S. Ich hoffe ihr seid geimpft... > Das würde mich sehr freuen. :) Leider sind die mehr und machen uns das Leben schwer.
Impfpandemie schrieb: > EinBastler schrieb: >> P.S. Ich hoffe ihr seid geimpft... >> Das würde mich sehr freuen. :) > > Leider sind die mehr und machen uns das Leben schwer. Ja, leider. Ich hätte großeß Interesse an diesem Projekt. Aber diese Alten Rentner-Schwachköppfe können einfach nicht die Schnauze halten. Aber es wir bei denen nicht mehr lange dauern, da bin ich mir sicher... :)
Impfpandemie schrieb: > Darfst du dir ruhig so denken. AC und DC verwechselst du ja auch noch. Hab's auch eben bemerkt das mir da ein Fehler unterlaufen ist. Impfpandemie schrieb: > Also von Neuling gibt es eine saubere Schaltung Da ist ga nichts sauber. Es wurden von verschieden Leuten die Schwachstellen benannt. Impfpandemie schrieb: > und er hat die Maximale Spannung am Lastwiderstand berechnet. Nö die hat er nicht berechnet, er hat sie lt. eigener Aussage (Beitrag "Re: Röhrenverstärker Berechnen") gemessen und daraus die Leistung an 4Ohm berechnet - leider falsch. Impfpandemie schrieb: > Nebenbei hat er noch ein Oszlloskop gebaut Ist schon toller Hecht. Ist halt ne nette Spielerei, die man eigentlich nicht braucht, aber "jedem Tierchen sein Plasierchen". Wenn er Spaß dran hat ist es doch gut. Impfpandemie schrieb: > ist mit allem > ausgestattet was man braucht. Ist natürlich ein Alleinstellungsmerkmal, bei der Ausstattung von Neuling dürfte schon der eine oder andere hier neidisch werden. Aber hier verwechselt Du halt was: "Austattung mit allen was man braucht" erzeugt eben nicht automatisch ein gutes Ergebnis. Es kommt eben immer darauf an wer vor der Ausstattung sitzt. Impfpandemie schrieb: > Bei Pille, der seit drei Jahren an seinem Clone arbeitet, ... Ja und, gut Ding will halt Weile haben. Manche Leut haben halt nicht die Zeit den ganzen Tag am Basteltisch zu sitzen und man hat zwischendurch auch noch andere Projekte und dann setzt man halt Prioritäten. Impfpandemie schrieb: > Klopft euch mal schön gegenseitig auf die Schulter Haben wir gar nicht nötig. Impfpandemie schrieb: > Der macht sein Ding und hat die > richtige Einstellung. Darf er auch, es hindert ihn hier keiner daran. Impfpandemie schrieb: > Bin leider zu spät hier reingekommen. Och nicht so schlimm. Volker S. schrieb: > Bei 4W an 4 Ohm brauche ich 4V und 1A, Us ist dann ca 6V, Uss = 12V. > Mit Uss ca 6V erreicht man die Hälfte,ca 2W. So ist es, obwohl die 12V schon etwas grob sind, es sind eher 11V aber die Größenordnung passt schon.
Impfpandemie schrieb: > Leider sind die mehr und machen uns das Leben schwer. Ihr seid echt zu bedauern.
Zeno schrieb: > Impfpandemie schrieb: >> Leider sind die mehr und machen uns das Leben schwer. > > Ihr seid echt zu bedauern. Dann verpiss dich.
Zeno schrieb: > Impfpandemie schrieb: >> Leider sind die mehr und machen uns das Leben schwer. > > Ihr seid echt zu bedauern. OMG! Was ist denn hier los? Hey Zeno, warum musst du denn so arrogant sein? Habe ich dir irgenwas getan? Was ist los mit dir???
Zeno schrieb: > Impfpandemie schrieb: >> Bei Pille, der seit drei Jahren an seinem Clone arbeitet, ... > Ja und, gut Ding will halt Weile haben. Manche Leut haben halt nicht die > Zeit den ganzen Tag am Basteltisch zu sitzen und man hat zwischendurch > auch noch andere Projekte und dann setzt man halt Prioritäten. Der arbeitet ja nicht seit 3 Jahren an dem Amp, so ist es nicht, Pille bekommt es seit 3 Jahren aus unterschiedlichen Gründen nicht auf die Reihe mal eine CAD Zeichnung für den Lasercutter einer "befreundeten" 4ma zu machen (hab ich repariert als der Hersteller es nicht mehr konnte) damit die Blechteile mal werden. Die Elektronik ist seit Jahren fertig und auch gemessen. Daran muß nichts mehr geändert werden. Die Wickelgüter stammen noch von Reinhöfer selbst, das Projekt ist also nicht so ganz neu und auch nicht so ganz dringend wie die pandemische Röhrenlage das uns hier weis machen möchte. Unterschiedliche Gründe sind u.A. Hauskauf, Ausbau der Bude und nicht zuletzt nebenbei arbeiten gehen als Selbständiger.. Gruß, Pille
EinBastler schrieb: > Zeno schrieb: >> Impfpandemie schrieb: >>> Leider sind die mehr und machen uns das Leben schwer. >> >> Ihr seid echt zu bedauern. > > Dann verpiss dich. Freundchen, mir wird jetzt Dein frecher Ton zu blöde. Du bist dumm wie ein Sack Holz und dabei unheimlich hochnäsig und voreingenommen. Ich prophezeie Dir das Du damit an einer Wand geräuschvoll aufschlägst. Ehe Du weiter schulmeisterst mach Dich mal kundig was ein Trade und was ein Thread ist, Du machst Dich hier mir Regelmäßigkeit zum Fallobst. Pille
Ist gut, ist gut... Ich möchte mich an dieser Stelle bei allen, die ich nicht sehr nett angesprochen habe entschuldigen. Sorry Leute, bin wohl über die Enge geschlagen. Ich finde es nur echt mies, dass man wegen solcher Menschen hier nicht weiter kommt. Aus dem Projekt hätte bestimmt was werden können. Un wenn der TO Fehler macht, dann muss man doch nicht so reagieren. Wie gesagt: Tut mir leid für meine Ausdruckwahl.
Pille schrieb: > Die Elektronik ist seit Jahren > fertig und auch gemessen. Daran muß nichts mehr geändert werden. Es ist aber von Vorteil. Und wenn man nicht gerade dafür eine Leiterplatte hat machen lassen, kann man das leicht machen. Bei der Schaltung mit der Hilfsdiode juckt es dir nicht in den Fingern? > Die Wickelgüter stammen noch von Reinhöfer selbst Fein. :)
Pille schrieb: > Pille Pille, kannst Du deine Schaltung mal reinstellen? Würde mich sehr interessieren.
Pille schrieb: >> Ich weiß bloß noch nicht, wer sich hinter Pille verbirgt? > > Mußt Du nicht wissen, sonst hieße ich nicht Pille. > Darius wirds wissen. > >> Vielleicht der Erfinder der "Best Pentode"? > > Nö. Holm.
Impfpandemie schrieb: > Pille schrieb: >>> Ich weiß bloß noch nicht, wer sich hinter Pille verbirgt? >> >> Mußt Du nicht wissen, sonst hieße ich nicht Pille. >> Darius wirds wissen. >> >>> Vielleicht der Erfinder der "Best Pentode"? >> >> Nö. > > Holm. Du mußt an Demenz erkrankt sein, anderenfalls hätte das nicht so lange gedauert. Pille
Pille schrieb: > Du mußt an Demenz erkrankt sein, anderenfalls hätte das nicht so lange > gedauert. > > Pille Ich hätte nie gedacht, dass Du dich anonymisierst. Hast doch kein Schreibverbot hier. Herzlichen Glückwunsch zum Hauskauf.
Pille, mich würde deine Schaltung auch interessieren. Ich überlege grade von der 12AX7 weg zu gehen und stattdessen die EF86 zu verwenden. Die würde ich dann als Triode nutzen. Was meint Ihr dazu? Die Doppeltriede war wohl keine gute Idee.
EinBastler schrieb: > Sorry Leute, bin wohl über die Enge geschlagen. Das war ein reinigendes Gewitter EinBastler schrieb: > Pille, kannst Du deine Schaltung mal reinstellen? > Würde mich sehr interessieren. Beitrag "Re: Röhrenverstärker Berechnen" Impfpandemie schrieb: > Ich hätte nie gedacht, dass Du dich anonymisierst. Und wenn du obendrein noch geimpft bist, ist meine Menschenkenntnis =0 .
Impfpandemie schrieb: > EinBastler schrieb: >> Sorry Leute, bin wohl über die Enge geschlagen. > > Das war ein reinigendes Gewitter > Naja, vielleicht etwas zu dolle. Blöd von mir... :(
Neuling N. schrieb: > Die würde ich dann als Triode nutzen. Was meint Ihr dazu? Meine Meinung dazu habe ich schon kund getan: Beitrag "Re: Röhrenverstärker Berechnen"
Impfpandemie schrieb: > Meine Meinung dazu habe ich schon kund getan: > Beitrag "Re: Röhrenverstärker Berechnen" Die EF86 hätte ich da. Daher die Frage.
Ich sehe in vielen Schaltungen, dass der Widerstand für die GK mir einem 10pF überbrückt wird. Kann mir jemand sagen warum das gemacht wird?
Neuling N. schrieb: > Die EF86 hätte ich da. Auf jeden Fall. Mir wäre sie an dieser Stelle zu schade. Die EF86 würde ich mir für einen Phono-Entzerrer aufheben. Aber sie ist ja gesteckt. Nur zu. :)
EinBastler schrieb: > Pille schrieb: > >> Pille > > Pille, kannst Du deine Schaltung mal reinstellen? > Würde mich sehr interessieren. Nachdem Du nun allen "alten Säcken" hier so an die Karre gefahren bist? Für mich hat das keine Vorteile, aber die pandemische Lage in Solingen gegeüber der Pizzaria wird sich einen abarbeiten um zu beweisen warum das Ding gar nicht funktionieren kann. Von mir aus, seis drum. Es wird für Dich nur nicht allzu nützlich sein, weil Reinhöfer keine Trafos mehr liefert seit mein Kumpel Gert da weg ist (die wissen nicht mehr wie man die macht) und von der Stange wirds da Nichts geben, speziell bei den Eingangsübertragern mit Nickelblechen, der angegebene 54.13 war mal da drin, ist aber durch besser Passendes ersetzt worden und davon gibts genau 4 Stück für 2 Geräte. https://www.tiffe.de/roehren/EL12PP.pdf Hier die vorgesehenen "Platinen" ..solche Schaltungen müssen nicht auf Platinen sein. Stahlröhrenfassungen machen sich einfach blöde auf Platinen. https://www.tiffe.de/roehren/EL12PP.jpg Wie ich selbst gesehen habe gibts das nicht seit 3 Jahren, sondern schon seit 2016. Das liegt da schon die ganze Zeit auf dem Webserver herum, ich habe aber das PDF gerade nochmal aktualisiert auf die letzte Version. In welcher Umzugskiste mein Experimatalaufbau noch ist, weiß ich im Moment gar nicht. Viel Spaß damit. Pille
Pille schrieb: > die pandemische Lage in Solingen > gegeüber der Pizzaria wird sich einen abarbeiten um zu beweisen warum > das Ding gar nicht funktionieren kann. Von mir aus, seis drum. Warum sollte sie das tun? Du bist voll Hass.
Impfpandemie schrieb: > Pille schrieb: >> die pandemische Lage in Solingen >> gegeüber der Pizzaria wird sich einen abarbeiten um zu beweisen warum >> das Ding gar nicht funktionieren kann. Von mir aus, seis drum. > > Warum sollte sie das tun? Du bist voll Hass. Nö, voller Erfahrung, speziell mit Dir. Pille
Pille schrieb: > Nö, voller Erfahrung, speziell mit Dir. Dein Hass frisst dich auf. Schade. Neuling N. schrieb: > Ich sehe in vielen Schaltungen, dass der Widerstand für die GK mir > einem > 10pF überbrückt wird. Kann mir jemand sagen warum das gemacht wird? Weil die Gegenkopplung sonnst schwingt oder zum Schwingen neigt. Z.B. weil C9 fehlt.
Pille schrieb: > und von der Stange wirds da Nichts geben, > speziell bei den Eingangsübertragern mit Nickelblechen, der angegebene > 54.13 war mal da drin, ist aber durch besser Passendes ersetzt worden > und davon gibts genau 4 Stück für 2 Geräte. ...wollte ja nicht mehr lästern, aber es geht einfach nicht...zu köstlich hier! Rainer
Rainer V. schrieb: > Pille schrieb: >> und von der Stange wirds da Nichts geben, >> speziell bei den Eingangsübertragern mit Nickelblechen, der angegebene >> 54.13 war mal da drin, ist aber durch besser Passendes ersetzt worden >> und davon gibts genau 4 Stück für 2 Geräte. > > ...wollte ja nicht mehr lästern, aber es geht einfach nicht...zu > köstlich hier! > Rainer ..kann ich da aber nicht nachvollziehen. Die 54.13 sind sind hochpermeable Ferrit Schalenkerne, die jetzigen EÜs sind von Gert P. bei Reinhöfer 2016 gewickelt worden auf von mir besorgte Nickelblech Kerne.. was daran ist köstlich? Pille
Impfpandemie schrieb: > Sach jetzt nichts falsches Rainer. ;) Aaahh, die Wissenden unter sich. Ganz offensichtlich hat er gar Nix zu sagen. Die 54.13 sind 1:1,5+1,5, die jetzt eingebauten IMHO 1:2:2 oder 1:3:3, das ist Alles. Ich müßte bei Gert nachfragen. Pille
Beitrag #6876017 wurde von einem Moderator gelöscht.
Nichtverzweifelter schrieb im Beitrag #6876017: > Nein, nur ein Viertel der Leistung. > > Halbe Spannung ergibt auch nur halben Strom durch den Lastwiderstand. Stimmt, da hab ich abgeschrieben statt selber zu rechnen.
Pille schrieb: > https://www.tiffe.de/roehren/EL12PP.pdf Au Weia, eine "Best-Pentode" Schaltung, das gefällt Darius bestimmt nicht. Pille schrieb: > https://www.tiffe.de/roehren/EL12PP.jpg Die DDR "Ölpapierkondensatoren" sind aber ein Stilbruch, das kann einfach nicht gut klingen. Die müssen schon von Siemens (Klangfilm) sein, notfalls geht vielleicht noch Hydra.
Pille schrieb: > Der arbeitet ja nicht seit 3 Jahren an dem Amp, so ist es nicht, Pille > bekommt es seit 3 Jahren Ist doch alles OK, Du muß t Dich nicht rechtfertigen. Ich habe ja auch kein Problem damit. Neuling N. schrieb: > Hey Zeno, warum musst du denn so arrogant sein? > Habe ich dir irgenwas getan? > Was ist los mit dir??? Fühlst Du Dich da angesprochen? der von Dir zitierte Post hat doch nicht mit Dir zu tun. Du kannst von mir aus tun und lassen was Du willst, hatte ich doch geschrieben. Wenn Du allerdings hier Dinge veröffentlichst, dann mußt halt auch mit der Kritik leben können. Im übrigen der Plandemie und neuerdings der Impfpandemie kann man nicht anders begegnen. Der Typ ist schon aus mehreren Foren rausgeflogen, bei µC-Net offensichtlich nun auch, deshalb schreibt er jetzt als Gast. Pille schrieb: > https://www.tiffe.de/roehren/EL12PP.pdf 2x EL12N - wie geil ist das denn. Ich habe noch 3 alte Kölleda mit je 2xEL12N da stehen, habe auch noch ein paar EL12N auf Lager die auf eine Verwurstung warten. Die EF12K ist auch tolle Röhre. Habe hier noch einen Mikrofonverstärker mit 3xEF12K (Sonderanfertigung) für Neumann Kondensatormikro. Leider habe ich nicht das Mikro dazu. Volker S. schrieb: > Die DDR "Ölpapierkondensatoren" sind aber ein Stilbruch, das kann > einfach nicht gut klingen. Die müssen schon von Siemens (Klangfilm) > sein, notfalls geht vielleicht noch Hydra. Die klingen super und die passen auch gut zur EF12K und EL12N. SChau Dir mal die Schaltungen alter Kölledas an.
Zeno schrieb: > Wenn Du allerdings hier Dinge veröffentlichst, dann mußt > halt auch mit der Kritik leben können. Aber meist Du nicht, dass ich mich genau deshalb an dieses Forum gewandt habe? Fast jeder Beitrag beginnt in diesem Forum mit einer Entschuldigung. Die Leute entschuldigen sich für eine Frage. Sorry, aber das ist echt nicht normal. Wenn jemand einen Fehler macht, dann muss man nicht so aufdrehen und sich auch noch lustig machen. Und wenn Du so bist wie Du bist, dann ist das auch ok. Ich kenne Dich nicht und nehme sowas auch nicht persönlich. Es ist also nicht mein Problem. Es gibt nun mal solche Menschen, das kann man nicht ändern. Ich würde Euch dann nur bitten, den überflüssigen Kram für euch zu behalten. Wenn man auf Fehler hinweist und sie einfach nur korrigiert, anstatt sich darüber auszulassen dass der TO nichts kann usw. dann führt das nicht zum Ziel und bläht diesen Beitrag nur unnötig auf. Mag sein, dass meine Fehler für dich wie eine Kleinigkeit erscheinen, weil Du alles weißt. Für mich ist es aktuell noch ein schwieriges Thema.
Zeno schrieb: > Pille schrieb: >> https://www.tiffe.de/roehren/EL12PP.pdf > 2x EL12N - wie geil ist das denn. Ich habe noch 3 alte Kölleda mit je > 2xEL12N da stehen, habe auch noch ein paar EL12N auf Lager die auf eine > Verwurstung warten. Die EF12K ist auch tolle Röhre. Habe hier noch einen > Mikrofonverstärker mit 3xEF12K (Sonderanfertigung) für Neumann > Kondensatormikro. Leider habe ich nicht das Mikro dazu. Ja, ich habe damals als Heinze Coburg zu machte seinen Restbestand EL12N gekauft, was über zwanzig Stück, sind zwar mit RSD gelabelt, aber man kann nicht Alles haben :-) Einen Nachteil haben die Lampen: Sie sind vom Hersteller nicht für den Betrieb mit fester Gittervorspannung zugelassen und deshalb in der V69 Schaltung suboptimal. Die EF12K sind mir zugelaufen zusammen mit EL34 der ziemlich ersten Serien im lila Karton. Alles nagelneu (freu). Die Kölleda Amps mit EF12/EL12N kenne ich, hatte auch mal einen und habe den Gerd Reinhöfer gegeben, da war noch Einer. Was daraus geworden ist, keine Ahnung. Der war aber schon ziemlich marode, die Messingniete an den Fassungen usw. fielen auseinander. Irgendwie waren da ungewöhnliche Gleichrichterröhren drin. 2 Stück V25 und 2 wohl V125 mit EL34 habe ich auch noch, dazu ein bulgarisches Lizenzprodukt namens PV880, ist das Selbe und sieht genauso aus. > > Volker S. schrieb: >> Die DDR "Ölpapierkondensatoren" sind aber ein Stilbruch, das kann >> einfach nicht gut klingen. Die müssen schon von Siemens (Klangfilm) >> sein, notfalls geht vielleicht noch Hydra. > Die klingen super und die passen auch gut zur EF12K und EL12N. SChau Dir > mal die Schaltungen alter Kölledas an. Müßig darüber zu diskutieren, da da eine EYY13 drin ist, kann das Ding eh nicht funktionieren. Pille
Impfpandemie schrieb: > Pille schrieb: >> Du mußt an Demenz erkrankt sein, anderenfalls hätte das nicht so lange >> gedauert. >> >> Pille > > Ich hätte nie gedacht, dass Du dich anonymisierst. > Hast doch kein Schreibverbot hier. > Herzlichen Glückwunsch zum Hauskauf. Ich habe meinen ursprünglichen Account wegen Stalkern hier gelöscht und schreibe seit dem anonym unter wechselnden Accounts. Es ist hier nicht opportun eine eigene auch noch vom allgemeinen Impf- und Klimahype abweichende Meinung zu haben und diese auch noch öffentlich zu vertreten. Ich habe einen anderen Account, den ich nur wenig nutze, wurde vor Kurzem auch "enttarnt"..na und? Dann gibts halt neue Nicks und einen neuen Account. Pille
Volker S. schrieb: > Au Weia, eine "Best-Pentode" Schaltung Reicht, wenn man das hier einmal durchkaut. Ist ja nicht gelöscht. Michael M. schrieb: > die auch noch > einen Balancetrimmer hat Ich bin über Proxy(!) rein und habe mir die besser lesbare Version angesehen. Das Blöhbaum mit RV1 so einen Bock schießt und Pille das in 5 Jahren trotz "Messung" nicht erkennt - und ihr schwingt euch auf Neuling anzumachen?! Da muss ich ja mal laut Lachen. Das zur Treiberstufe.
Impfpandemie schrieb: > Das Blöhbaum mit RV1 so einen Bock schießt und Pille das in > 5 Jahren trotz "Messung" nicht erkennt Welcher RV1 und was für einen Bock ???
Neuling N. schrieb: > Ich überlege grade von der 12AX7 weg zu gehen und stattdessen die EF86 > zu verwenden. Die würde ich dann als Triode nutzen. Was meint Ihr dazu? > Die Doppeltriede war wohl keine gute Idee. Was ist das Problem mit der ECC?
Warum bist Du der Meinung das Blöhbaum da einen Bock geschossen hätte? Da stehen noch 2 weitere Leute auf dem Papier. Ist aber auch egal, Sowas in der Art hatte ich ja erwartet und die Schaltung tut erwiesenermaßen exakt das was sie soll, auch RV1, sonst wäre der nicht da. Gruß, Pille
Willi schrieb: > Neuling N. schrieb: >> Ich überlege grade von der 12AX7 weg zu gehen und stattdessen die EF86 >> zu verwenden. Die würde ich dann als Triode nutzen. Was meint Ihr dazu? >> Die Doppeltriede war wohl keine gute Idee. > > Was ist das Problem mit der ECC? Naja, ich finde es ist keine gute Lösung ein Stereosignal durch eine Doppeltriode zu schicken. Die Kanaltrennung soll nicht so gut sein. Bevor es wieder los geht: Das habe ich mir nicht ausgedacht, sondern aus Büchern. Die Frage ist also wohin mit einer Hälfte? Auf Masse legen ist eine Option. Habe aber irgendwo gelesen, dass es nicht so gut ist wenn die Röhre nur beheizt wird. Ausserdem ja auch Verschwendung. Man könnte natürlich die zweite Hälfte auch in der Vorstufe nutzen. Ist aber glaube ich für eine EL84 nicht nötig, oder? Ausserdem denke ich dass die EF86 eine gute Audiröhre ist. Wegen der Abschirmung.
Neuling N. schrieb: > Habe aber irgendwo gelesen, dass es nicht so gut ist wenn die Röhre nur > beheizt wird. Du kannst auch nur eine Hälfte beheizen. Kanalweise je das andere System. Dann kann man mal hin und her tauschen.
Pille schrieb: > die > Schaltung tut erwiesenermaßen exakt das was sie soll, auch RV1, sonst > wäre der nicht da. Schau dir nochmal die oben verlinkte TFK-Schaltung an. Impfplandemie schrieb: > Du kannst ... war von mir.
Impfpandemie schrieb: > Pille schrieb: >> die >> Schaltung tut erwiesenermaßen exakt das was sie soll, auch RV1, sonst >> wäre der nicht da. > > Schau dir nochmal die oben verlinkte TFK-Schaltung an. > > Impfplandemie schrieb: >> Du kannst ... > war von mir. Ich finde keine oben verlinkte TFK Schaltung, Du weißt wohl nicht wi man Links innerhalb des Forums setzt? Außerdem ist mir die prinzipiell egal, RV1 dient der Angleichung von 2 Kanälen, ich glaube nicht, das TFK jemals eine Schaltung veröffentlicht hätte die das realisiert mit EF12 und Trafo als Phasensplitter. Pille
Ich versuche mir grade ein kleines Excel Tool für die Kathoden-Basis Schaltung zu bauen. Irgendwie passen meine Werte nicht zum Datenblatt. Könntet Ihr einen Blick drauf werfen bitte?
Neuling N. schrieb: > Naja, ich finde es ist keine gute Lösung ein Stereosignal durch eine > Doppeltriode zu schicken. Die Kanaltrennung soll nicht so gut sein. Ach was. Das haben auch Hersteller anerkannt hochwertiger Geräte genau so gemacht, völlig ohne Probleme. Wenn Dir eine Doppeltriode die Kanaltrennung ruiniert, ist Deine Schaltung bzw. deren Aufbau faul. Schau Dir mal die Kapazitäten der Systeme gegeneinander an: https://frank.pocnet.net/sheets/082/e/ECC83.pdf
Willi schrieb: > Wenn Dir eine Doppeltriode die Kanaltrennung ruiniert, ist Deine > Schaltung bzw. deren Aufbau faul Wir sind hier halt von Spezialisten umzingelt! Und überhaupt die Idee, von einer Doppeltriode nur ein System zu nutzen ist unterirdisch! Auch wenn zumindest doch der Hinweis kam, dass man die beiden Systeme ja auch einzeln Heizen kann...das unbenutzte System also gar nicht mitheizen muß!! Na Gott sei Dank... Rainer PS. erinnert mich ganz vage an die tollen japanischen Transistorradios mit der pralerischen Aufschrift "5-Transistor", wobei 2 oder 3 auf der Platine nicht mit der Schaltung verbunden waren. OK war in den frühen 80ern letzten Jahrhunderts, aber da muß man erst mal frech genug sein!
Pille schrieb: > Sie sind vom Hersteller nicht für den > Betrieb mit fester Gittervorspannung zugelassen und deshalb in der V69 > Schaltung suboptimal. Meinst Du mit fester Gittervorspannung die Versorgung über eine separate Versorgung und Einstellung selbiger mit Poti? Das das nicht erlaubt ist mag ich nich glauben, da meine Kölledas die genau so machen. Allerdings sind die EL12 von RFT, könnte sein das die die Grenzwerte anders definiert haben. Pille schrieb: > Irgendwie waren da ungewöhnliche > Gleichrichterröhren drin. In dem einen war ne AZ12, im zweiten eine EZ12 und der dritte hatte Selengleichrichter. Neuling N. schrieb: > Ausserdem denke ich dass die EF86 eine gute Audiröhre ist. > Wegen der Abschirmung. Die EF 86 ist schon gut, aber Du könntest auch die Vorstufe mit 2 Stufen machen und zwar vor Deine Klangblende zwecks Entkopplung.
Pille schrieb: > Ich finde keine oben verlinkte TFK Schaltung, Du weißt wohl nicht wi man > Links innerhalb des Forums setzt? Das es daran liegt, dass du den nicht findest, ist selbstredend ausgeschlossen. > Außerdem ist mir die prinzipiell egal Du baust halt das was dir Blöhbaum vorsetzt. > RV1 dient der Angleichung von 2 > Kanälen, Bei TFK hat das 1K Poti eine andere sehr wichtige Aufgabe. Aber prinzipiell egal. ;) > ich glaube nicht, das TFK jemals eine Schaltung veröffentlicht > hätte die das realisiert mit EF12 und Trafo als Phasensplitter. [Ironie] Stimmt! Da ist ja eine EF804s drin. Das ist natürlich ganz was völlig anderes. Das kann man überhaupt nicht vergleichen noch sich dran orientieren. [/Ironie] Neuling N. schrieb: > ein kleines Excel Tool Pardon, keine Ahnung von.
Zeno schrieb: > Meinst Du mit fester Gittervorspannung die Versorgung über eine separate > Versorgung und Einstellung selbiger mit Poti? Das das nicht erlaubt ist > mag ich nich glauben, da meine Kölledas die genau so machen. Allerdings > sind die EL12 von RFT, könnte sein das die die Grenzwerte anders > definiert haben. In der "Radio und Fernsehen" 1/1956 findet sich die ausführliche Information zur EL12N. Für den Gegentakt-AB-Betrieb sind in der Tat nur (getrennte) Katodenwiderstände vorgesehen. Wenn man aber aus zwei EL12N bis zu 42W herauskneten will, ist feste Gittervorspannung (Gegentakt-D-Betrieb) vorgesehen. Ob das nur als Möglichkeit gezeigt wurde, weiß ich nicht. Gleich darunter steht nämlich: "Bei Gegentaktschaltungen müssen getrennte Katodenwiderstände verwendet werden." Mir sind auch keine Geräte bekannt, in denen mit EL12N derart hohe Leistungen erzielt wurden. Die mir bekannten Verstärker vom Funkwerk Kölleda, die mit EL12(N) bestückt wurden (RK49, NV4147), hatten aber Katodenwiderstände.
Impfpandemie schrieb: > Pille schrieb: >> Ich finde keine oben verlinkte TFK Schaltung, Du weißt wohl nicht wi man >> Links innerhalb des Forums setzt? > > Das es daran liegt, dass du den nicht findest, ist selbstredend > ausgeschlossen. Kein Link und ich gebe mir keinerlei Mühe, das schließt es zu 99% aus das ich den Finde. Du gibts Dir ja auch keinerlei Mühe den zu verlinken. > >> Außerdem ist mir die prinzipiell egal > > Du baust halt das was dir Blöhbaum vorsetzt. Danke für die Blumen, aber so isses wohl eher nicht. > >> RV1 dient der Angleichung von 2 >> Kanälen, > > Bei TFK hat das 1K Poti eine andere sehr wichtige Aufgabe. > Aber prinzipiell egal. ;) > Genaaaauuuu... >> ich glaube nicht, das TFK jemals eine Schaltung veröffentlicht >> hätte die das realisiert mit EF12 und Trafo als Phasensplitter. > > [Ironie] > Stimmt! Da ist ja eine EF804s drin. Das ist natürlich ganz was völlig > anderes. Eben.. > Das kann man überhaupt nicht vergleichen noch sich dran orientieren. > [/Ironie] > Wieso ist das ironisch? Hat eine Ost EF12K was mit einer West EF804 zu zun? (Im Osten gabs die nicht). Hatte Ich Dir schon mal gesagt das es recht aussichtslos ist ständig zu versuchen mich heiraten zu wollen? Du kannst versuchen Dich selbst zu besteigen wenn Du willst, aber zu mir kommst Du gar nicht erst hoch. Pille
Ich habe jetzt ne Viertelstunde gesucht bis ich die V69 Schaltung hatte. Dort symmetriert das 1K Poti wechselspannungsmäßig die Vorröhren. Schön. Wenn Du nicht immer nur über die BP Schaltung lamentieren und dummes Zeug erzählen, sondern die auch mal testen, wüßtest Du das Du Dir die Aktion da kneifen kannst. Das 1K Poti stellt da nur die Verstärkung ein und genau dazu isses in meiner Schaltung auch da. Kannst Du natürlich nicht wissen. Pille
Willi schrieb: > Zeno schrieb: >> Meinst Du mit fester Gittervorspannung die Versorgung über eine separate >> Versorgung und Einstellung selbiger mit Poti? Das das nicht erlaubt ist >> mag ich nich glauben, da meine Kölledas die genau so machen. Allerdings >> sind die EL12 von RFT, könnte sein das die die Grenzwerte anders >> definiert haben. > In der "Radio und Fernsehen" 1/1956 findet sich die ausführliche > Information zur EL12N. Für den Gegentakt-AB-Betrieb sind in der Tat nur > (getrennte) Katodenwiderstände vorgesehen. > > Wenn man aber aus zwei EL12N bis zu 42W herauskneten will, ist feste > Gittervorspannung (Gegentakt-D-Betrieb) vorgesehen. Ob das nur als > Möglichkeit gezeigt wurde, weiß ich nicht. Gleich darunter steht > nämlich: "Bei Gegentaktschaltungen müssen getrennte Katodenwiderstände > verwendet werden." > Mir sind auch keine Geräte bekannt, in denen mit EL12N derart hohe > Leistungen erzielt wurden. > > Die mir bekannten Verstärker vom Funkwerk Kölleda, die mit EL12(N) > bestückt wurden (RK49, NV4147), hatten aber Katodenwiderstände. Aus 2 EL81 kann man auch über 25, bis zu 30Watt rausquetschen, aber das ist dann wirklich B Betrieb. D Betrieb bedeutete damals AB bei niedriger Leistung, B bei hoher, also gleitender Arbeitspunkt. Mit den RFE Unterlagen meinst Du sicher das hier: https://www.tiffe.de/roehren/EL12-Daten/ Gruß, Pille
Zeno schrieb: > Pille schrieb: >> Sie sind vom Hersteller nicht für den >> Betrieb mit fester Gittervorspannung zugelassen und deshalb in der V69 >> Schaltung suboptimal. > Meinst Du mit fester Gittervorspannung die Versorgung über eine separate > Versorgung und Einstellung selbiger mit Poti? Das das nicht erlaubt ist > mag ich nich glauben, da meine Kölledas die genau so machen. Allerdings > sind die EL12 von RFT, könnte sein das die die Grenzwerte anders > definiert haben. Ich weiß es nicht für die EL12, aber für die EL12N ist das so angegeben, deswegen hab ichs zähneknirschend berücksichtigt und nur einen kleinen Teil zwecks Symmetrierung "fest" gemacht. Das Kölleda das trotzdem anderes macht, wundert mich nicht, international haben sich viele Hersteller irgendwelcher Amps nicht an die Vorgaben der Röhrenhersteller gehalten, der VOX AC30 zerkochte regelmäßig seine EL84.. Im Endeffekt hat der Amp-Hersteller die Rübe dafür hinzuhalten das das funktioniert und ggf Röhren zu ersetzen die verfrüht ausfallen, oder muß halt Spezialversionen vom Hersteller ordern. Ich sehe das eigentlich nicht so verbissen (also ähnlich wie Kölleda), Röhren sind eher hart im nehmen, aber hier wollte RW Mühlhausen wohl nicht die Hand ins Feuer legen. > > Pille schrieb: >> Irgendwie waren da ungewöhnliche >> Gleichrichterröhren drin. > In dem einen war ne AZ12, im zweiten eine EZ12 und der dritte hatte > Selengleichrichter. EZ12 wars, vor Allem sah die vom Kolben her wie eine EL12N oder EYY13 aus und nicht wie eine AZ12. Ich glaube die war auch halbindirekt geheizt. > > Neuling N. schrieb: >> Ausserdem denke ich dass die EF86 eine gute Audiröhre ist. >> Wegen der Abschirmung. > Die EF 86 ist schon gut, aber Du könntest auch die Vorstufe mit 2 Stufen > machen und zwar vor Deine Klangblende zwecks Entkopplung. Die EF86 ist mehr oder weniger für Mirkofonvorstufen gedacht, klar geht die auch vor der EL84, aber die ECC tuts auch, macht nur eigentlich für heutige Audiopegel auch zu viel Verstärkung. Auch eine EF80 als Triode wird gut funktionieren, die findet sich meist massenweise in den Schachteln und ist von Audiophools deutlich unterschätzt. Nicht umsonst war die massenweise in den Fernsehern und auch manchen Radios (RT50). Gruß, Pille
Rainer V. schrieb: > Willi schrieb: >> Wenn Dir eine Doppeltriode die Kanaltrennung ruiniert, ist Deine >> Schaltung bzw. deren Aufbau faul > > Wir sind hier halt von Spezialisten umzingelt! Und überhaupt die Idee, > von einer Doppeltriode nur ein System zu nutzen ist unterirdisch! Ja ist auch Quatsch. Die Kanaltrennung jedes Plattenspielerabtastsystems ist schlechter als das was eine ECC83 ausrichten kann, von dem was aus Stereodecodern kommt mal ganz abgesehen. Wenn man Lust hat, kann man auch die massenweise verfügbare russische 6N2P nehmen, das ist im Prinzip eine (gute) ECC83 mit parallel geschalteten Heizungen so das da heizen nur mit 6,3V geht, der freie Pin ist dafür mit einem Schirmblech zwischen den Systemen verbunden. Was Ähnliches gabs mal im Westen als ECC808, hat aber ne deutlich andere Anschlußlage und ist heute faktisch Unobtanium. Da nun aber kaum Röhren auf dem Kuchenblech sind, warum nicht 2 EF80? Gruß, Pille
http://www.audiodesignguide.com/New2A3/ETF06TS.pdf https://www.tiffe.de/roehren/ef80pentode_as_triode.pdf Pille
Heute V. schrieb: > Ich habe jetzt ne Viertelstunde gesucht bis ich die V69 Schaltung > hatte. strg+f telefunken oder V69 > Dort symmetriert das 1K Poti wechselspannungsmäßig die Vorröhren. Schön. Absolut notwendig weil das ein Gegentaktverstärker und kein Differenzverstärker ist. > Wenn Du nicht immer nur über die BP Schaltung lamentieren und dummes > Zeug erzählen, sondern die auch mal testen, wüßtest Du das Du Dir die > Aktion da kneifen kannst. Oh man. Das ist auch mit der dämlichen Blöhbaumcascode nur ein Ggentaktverstärker. Mache einen Diffamp draus. > Das 1K Poti stellt da nur die Verstärkung ein > und genau dazu isses in meiner Schaltung auch da. Kannst Du natürlich > nicht wissen. Ich habe euren Bock sofort gesehen und mir vor Lachen auf die Schenkel geklopft. Vor Allem als ich gelesen habe, wer da mit von der Partie ist. Sonnst ist man hier ja immer ganz schnell dabei Schaltbilder ins Forum zu laden. Sei froh, dass du hier soviel Rückendeckung hast.
Heute V. schrieb: > Da nun aber kaum Röhren auf dem Kuchenblech sind, warum nicht 2 EF80? strg+f EF80
Impfpandemie schrieb: > Heute V. schrieb: >> Ich habe jetzt ne Viertelstunde gesucht bis ich die V69 Schaltung >> hatte. > > strg+f telefunken oder V69 In Deiner unendlichen Weisheit hattest Du aber TFK geschrieben.. > >> Dort symmetriert das 1K Poti wechselspannungsmäßig die Vorröhren. Schön. > > Absolut notwendig weil das ein Gegentaktverstärker und kein > Differenzverstärker ist. Absoluter Unfug, weil der Eingangsdifferentverstärker Kathodengekoppelt ist. > >> Wenn Du nicht immer nur über die BP Schaltung lamentieren und dummes >> Zeug erzählen, sondern die auch mal testen, wüßtest Du das Du Dir die >> Aktion da kneifen kannst. > > Oh man. Das ist auch mit der dämlichen Blöhbaumcascode nur ein > Ggentaktverstärker. Mache einen Diffamp draus. Du wirst es kaum glauben, das bleibt wie es ist. > >> Das 1K Poti stellt da nur die Verstärkung ein >> und genau dazu isses in meiner Schaltung auch da. Kannst Du natürlich >> nicht wissen. > > Ich habe euren Bock sofort gesehen und mir vor Lachen auf die Schenkel > geklopft. Vor Allem als ich gelesen habe, wer da mit von der Partie ist. > Sonnst ist man hier ja immer ganz schnell dabei Schaltbilder ins Forum > zu laden. Sei froh, dass du hier soviel Rückendeckung hast. Ja Darius, es freut mich außerordentlich Dir eine Freude gemacht zu haben. Du darfst Deine Meinung haben, das wars dann aber auch. Mir werden Die Parallelen zwischen Dir und Lauterbach langsam unheimlich. Pille
Heute V. schrieb: >> Absolut notwendig weil das ein Gegentaktverstärker und kein >> Differenzverstärker ist. > > Absoluter Unfug, weil der Eingangsdifferentverstärker Kathodengekoppelt > ist. Netter Versuch, in die Pegelregelung deines Verstärkers eine Katodenkopplung zu interpretieren. Glaubt das hier jemand? Daran erkennt man, dass dies nicht so ist: R11 bzw. R10 haben nur die Hälfte des Kehrwertes der Steilheit 1/s und liegen an Masse GND. So ist das kein Eingangsdifferenzverstärker, sondern ein Gegentaktverstärker mit Übersprechen. :))) Es gibt diverse Möglichkeiten einen Eingangsdifferenzverstärker draus zu machen. Mit jedem weiteren Posting dazu von dir, drück ich dir eine aufs Auge. Bin gespannt, wie lange deine Truppe sich weigern kann die Schaltung hier ins Forum zu ziehen.
Impfpandemie schrieb: > EF80 Impfpandemie schrieb: > Heute V. schrieb: >>> Absolut notwendig weil das ein Gegentaktverstärker und kein >>> Differenzverstärker ist. >> >> Absoluter Unfug, weil der Eingangsdifferentverstärker Kathodengekoppelt >> ist. > > Netter Versuch, in die Pegelregelung deines Verstärkers > eine Katodenkopplung zu interpretieren. > Glaubt das hier jemand? Ob Du es irgendwann mal mitkriegst? Es ist für mich extrem uninteressant für wie wahrscheinlich oder unwahrscheinlich speziell Du hier etwas hältst. > > Daran erkennt man, dass dies nicht so ist: > R11 bzw. R10 haben nur die Hälfte des Kehrwertes der > Steilheit 1/s und liegen an Masse GND. > So ist das kein Eingangsdifferenzverstärker, sondern ein > Gegentaktverstärker mit Übersprechen. :)))A Blah.. "Gegentaktverstärker mit Übersprechen"..oder einstellbarer Gegenkopplung? "Ich bin so voll Hass".. ja klar, und Du bist bis zum Anschlag voller Scheiße. Pille
...ich kriege ja manchmal schon Panik, wenn sich ein Faden den 150 Beiträgen nähert...aber hier jetzt...unglaublich und mit welchem Informationswert!? Solche irrenlange Fäden kenne ich sonst nur von den diversen HiFi-Selbstbau-Foren. Und die sind oft auch sowas von unergiebig...so ähnlich wie die millionen Youtube-Videos (jetzt mach ichs mir selbst) wo jemand ungerührt 20 Spaxe in ein Brett schraubt :-) Gruß Rainer
Impfpandemie schrieb: > Es gibt diverse Möglichkeiten einen Eingangsdifferenzverstärker > draus zu machen. > > Mit jedem weiteren Posting dazu von dir, > drück ich dir eine aufs Auge. Ein weiterer Vorschlag wie man aus dem Gegentaktverstärker einen Diffamp macht: Volker S. schrieb: > Die 68k/56R Gegenkopplung mit Koppel-C gleichstromfrei machen. Ich denke, das wird es bringen. Mal, ganz on Topic, den Röhrenverstärker berechnen: Spannungsabfall an R18 plus R27 371V-180V=191V Strom durch die Röhre 191V/231K = 0,8mA Strom durch die Gegenkopplung 431V/102K = 4,2mA Strom durch die Katodenwiderstände R10 bzw. R11 4,2mA + 0,8mA = 5mA Spannung an der Katode 510R*5mA = 2,6V Wenn die Gegenkopplung gleichstromfrei wird, entfallen die 4,2mA. Damit ergibt sich ein neuer Wert für die Katodenwiderstände. 2,6V/0,8mA = 3,3K für R10; R11 Das hat richtig viel gebracht. :) Auch R5 und RV1 müssen neu berechnet werden. Die Gegenkopplung arbeitet auf (R11+R10)||(R5+RV1) macht 638R. Mit den 3,3K Widerständen muss R5+RV1=706R sein. Also Beispielsweise ein RV1=470R Poti mit R5=270R. Mit diesen Werten wird das der ersehnte katodengekoppelte Eingangsdifferenzverstärker. Und die sog. "BestPentode", die auf Gedeih und Verderb verwendet werden muss, kann so erhalten bleiben. Schaltplan da runterladen: Beitrag "Re: Röhrenverstärker Berechnen"
Alter Schwede! Was ist denn das hier für ein Asoziales Forum? Ich muss schon sagen Hut ab Leute. :)
Bitte melde dich an um einen Beitrag zu schreiben. Anmeldung ist kostenlos und dauert nur eine Minute.
Bestehender Account
Schon ein Account bei Google/GoogleMail? Keine Anmeldung erforderlich!
Mit Google-Account einloggen
Mit Google-Account einloggen
Noch kein Account? Hier anmelden.





































































































































