So die Herren Gesangsverein... Ich komme (nach dem Siebelko) auf 20 Bauteile. Das waren jetzt 5 Minuten mit Papier und Stift. Dieses NT hat mit den hier Vorgestellten kaum was gemein. Modern ist sicher auch noch was Anderes, aber wenigstens nicht von vor Jahrzehnten, so wie die hier vehement verteidigten Schaltungen. Es gibt eine Referenzspannungserzeugung mit Shuntregler, zwei Potis, die daraus die Sollspannungen machen, die beiden Fehlerverstärker (sehr schnelle OPs), die LEDs, den milliohm-Shunt, einen schnellen Längstransistor und einen winzigen Ausgangs-Kerko. Sieht fast aus wie ein symbolischer Schaltplan, und genau so einfach ist es eigentlich auch. Und das Ganze ist problemlos für 30V und 10A auslegbar, nicht 1A und 12V, oder was für ein Püppikram oben genannt wurde. Das Teuerste wird je nach Leistung der Längstransistor. Würde man so ein altmodisches Labornetzteil überhaupt benötigen, so würde man bei aktuellen HF-Transistoren suchen, nicht nach oxydierten Darlingtons. Die beiden OPs beginnen mit LT oder AD, zur Not auch MAX oder OPA. Den völlig unspektakulären Schaltplan veröffentliche ich gern, sobald hier irgendwer ernsthafte Anstalten macht, ein brauchbares NT zu bauen. Solange hier dieser durch und durch morbide Geruch herrscht, sehe ich nicht ein, auch nur solche Standardschaltungen zu zeigen.
Possetitjel wollt noch einen Stromeinstellungsdrucknopf der genauso wie beim E3611A funktioniert. Dort wird das so gemacht, daß das digitale Strominstrument mittels Umschalter die Stromvorgabespannung vom Stromeinstell Poti mißt anstatt des Spannungsabfall am Strommeßwiderstand. Das finde ich sehr elegant weil man zur Stromvorgabe nicht den Ausgang kurzschließen muß. Würde vorschlagen diese Methode zu adoptieren.
Scrat schrieb: > Solange hier dieser durch und durch morbide Geruch herrscht, sehe ich > nicht ein, auch nur solche Standardschaltungen zu zeigen. Tut mir leid, daß Du Dir die Nase zuhalten mußt:-) Aber es ist schön von Dir noch mitzumachen. Du hast übrigens vergessen anzugeben ob Du einen MOSFET oder BJT Für den Längstransistor einsetzen willst.
Michael B. schrieb: > Possetitjel schrieb: >> Reihenschaltung geht fast immer, wenn die Spannungen >> galvanisch getrennt und erdfrei sind (was fast immer >> der Fall ist). > > Na ja, fast immer bei professionellen Netzteil, Das war gemeint, ja. > weil deren Erbauer daran denken. Logisch. Aber wenn die das können, dann können wir das wohl auch, oder? > Damit ist aber Versorgung aus einer gemeinsamen Trafowicklung > oder einem Schaltnetzteil verboten, Steuerung bzw. > Strom/Leistung/Spannungsanzeige über einen einzelnen (mit > Analogeingängen versehenen) Microcontroller unmöglich, man > braucht meistens dann 4 extra potentialfreie Versorgungen > für die üblichen ICL7107 Stimmt; sehr gute Einwände. Versorgung: * Trafos mit (zwei gleichen) Wicklungen sind üblich; alternativ kann man auch zwei gleiche Trafos nehmen. Wer (wie ich) die Möglichkeit zur Reihenschaltung haben will, wird den Aufwand treiben; wer es nicht will, kann sich das Leben leichter machen und dieselbe Rohspannung am Lade-Elko verwenden. * Dasselbe gilt für Schaltnetzteile; wer tatsächlich nur sein altes Laptop-NT pimpen will, wird erstmal mit einem Kanal zufrieden sein (schätze ich). Erweiterung auf zweites SNT und zweiten (potenzialfreien) Kanal ist ganz einfach. --> Meine Schlussfolgerung: Man sollte den Regelkreis so auslegen, dass er für Reihen- wie auch für Parallelschaltung tauglich ist. Wer das nicht braucht, hat nichts verloren; wer es aber haben will, muss mit der komplizierteren Stromversorgung leben. Die anderen Argumente sind auch berechtigt, führen aber nach meiner Ansicht nicht zu Showstoppern. >> Parallelschaltung geht aber fast nie, weil das einen >> Eingriff in den Regelkreis erfordert, der beim Entwurf >> vorgesehen worden sein muss. > > Jein, wenn die Steuerung der Spannung durch uC erfolgt, > kann der beide einfach auf dieselbe Spannung einstellen. Naja, wie schon gesagt: Mein uraltes Statron 3205 kann es; da wird intern irgendwas umgeschaltet. Habe den Schaltplan noch nicht studiert, wie das funktioniert. > Bleibt aber, siehe oben, das Problem wie man die Netzteil- > hälften steuert, wenn sie nicht galvanisch verbunden sind. Optokoppler. Würde ich sowieso machen, wenn ich das haben wollte, insofern ist das kein Zusatzaufwand. > Man müsste externe D/A-A/D Wandler auf jedes Netzteil setzen Oder je Kanal einen eigenen µC verwenden. Das sind ja nun wirklich nicht solche Wertgegenstände, als dass man da sparen müsste. > (was sich, weil 10 bit eher nicht ausreichen Wieso? 0V bis 25V, 10 bit --> 25mV je Digit. Ist doch mehr als ausreichend.
Hier ist noch die neueste Agilent LNG App-Note 90B https://archive.org/details/DC_Power_Supply_Handbook_Agilent_Technologies_Application_Note_90B
Gerhard O. schrieb: > Vielleicht wäre es ein guter Zeitpunkt die ganzen in Frage > kommenden Designs in einer Excel Tabelle im Detail zu > katalogisieren um die nötige Übersicht nicht zu verlieren. > Dazu wäre es grundsätzlich wichtig auf Details acht zu > geben wie uC Interface Möglichkeiten. Auch wäre ein Design > Dokument/Pflichtenheft nicht schlecht, welches alle hier > schon aufgeführten Wünsche berücksichtigt. Ja. Im DIN-Sprech würde man wohl sagen: Wir sollten ein Lastenheft ("Wunschzettel") und ein Pflichtenheft (Lösungsideen) zusammenschreiben. > Wie meine ich das? [...] Zu den technischen Details schreibe ich (hoffentlich) noch mal extra, das wird sonst zuviel hier. > Da hier viele "Köche" sozusagen mitmischen ist es wichtig, > daß wir es irgendwie schaffen das gemeinsame Ziel, ein > nachbauwürdiges Design, im Fokus zu behalten und nicht der > großen Versuchung verfallen nur auf eigene Wünsche zu > trachten. Hmm. Ich schlage vor, das Ganze etwas stärker Optimierungsprozess zu sehen und weniger als (fast unerreichbares) Ziel, das man vielleicht doch erreicht, wahrscheinlich aber nicht. Leitmotiv wäre für mich die Frage: Wie müsste ein "elegantes" Grundkonzept für ein Netzteil aussehen -- also eins, das mit möglichst wenig Aufwand und wenig Krampf auf die hier gewünschten Anwendungsfälle anpassbar ist? > Ich weiß das ist verdammt schwer und macht mir Angst, daß > wir uns am Ende verzetteln. Ich möchte für den Gedanken werben, dass sich die hier Beteiligten gar nicht alle EINIGEN müssen. Es muss nicht DAS EINE Gerät geben, das alle lieben. Es ist völlig ausreichend, wenn am Ende ein solider, robuster Kompromiss herauskommt, der die Basis für das persönliche Wunschgerät bildet. Ich glaube daran, dass das viel leichter zu erreichen ist. > So schwer wie mir es fällt die Frage zu stellen, wie > realisieren wir also das "Projektmanagement"? Wir sammeln, sortieren und strukturieren... 1. alles, was wir bis jetzt schon wissen und 2. alle offenen Fragen. > Wir müssen also erfolgreich zu einem Design Konzept kommen. Ja. > Da ist es wichtig, zuerst versuchen rauszufinden welches > Endziel erwünscht ist. Jein: Wir müssen feststellen,... - in welchen Punkten weitgehende Einigkeit besteht, - in welchen Punkten Varianten gewünscht werden, die miteinander verträglich sind und - in welchen Punkten Wünsche bestehen, die sich gegenseitig ausschließen. Nur bei den sich ausschließenden Wünschen sind verbindliche Entscheidungen notwendig. > Da wir wahrscheinlich alle der Meinung sind, alle Komponenten > müssen von den üblichen Verdächtigen im Handel erhältlich > sein, Davon gehe ich aus, ja. > Hier könnte man ein Einplatinen Design konzipieren wo > alle Komponenten auf einer großen Platine sitzen und ein > Standard Design, vielleicht mit Vorkehrungen für einen > Einsteck uC wie ein Arduino oder sonst was. Die Idee ist nicht schlecht, aber mMn etwas verfrüht. Es ist viel leichter, alles auf eine Platine zu werfen, was ursprünglich als getrennte Module mit klaren Schnittstellen projektiert war, als umgekehrt eine Schaltung, bei der alles mit jedem verbunden ist, auseinanderzuposamentieren. > Die Wahl des Designs wird also nicht einfach sein. > > Dann kommt noch die Wahl des PCB CAD Programms dazu. Jeder > ist sein Programm schon gewöhnt. Diese Frage wird > wahrscheinlich schwierig zu lösen zu sein. Ach, das sehe ich beides nicht kritisch. Es darf doch mehrere Varianten geben, da ist doch nix Schlimmes dran. > Wie denkt ihr über meine Bedenken? Wie fassen wir das Projekt > am Besten an und kommen auf einen gemeinsammen Nenner? In Anbetracht der Arbeit, die Du schon investiert und der vielen Fragen, die Du aufgeworfen hast, möchte ich Brecht zitieren: "Aber rühmen wir nicht nur den Weisen Dessen Name auf dem Buche prangt! Denn man muß dem Weisen seine Weisheit erst entreißen. Darum sei der Zöllner auch bedankt: Er hat sie ihm abverlangt."
Gerhard O. schrieb: > Du hast übrigens vergessen anzugeben ob Du einen MOSFET oder BJT Für den > Längstransistor einsetzen willst. Ist in der Schaltung quasi egal. Aber bei hohen Spannungen/kleinen Strömen wäre ein Bipolartrans. besser, und umgekehrt würde man einen Mosfet nehmen. Habe übrigens mal eben gescrollt, wer den Thread überhaupt ausgegraben hat. Es war genau so einer, der hier einen "tollen" Schaltplan gefunden hat und gleich eine Platine gemacht hat. Und nun ein Netzteil besitzt, das reif für den Schrott ist. Und dabei hatte er noch einen der "moderneren" Pläne erwischt, inzwischen ist die Qualität ja noch weiter abgerutscht. Hier sind sogar ein, zwei Pläne dabei, die versteht man glatt erst nach 10 Minuten (und erschrickt). Sowas muss nun wirklich nicht sein, das normale Prinzip Soll-Istspannungsvergleich mit je einem OP genügt völlig. Das ganze Gelumpe mit regelrechten Ketten von Verstärkern und Transistoren stammt von irgendwelchen längst verstorbenen Bastelbuben, die wochenlang "geht - geht nicht" gemacht haben, bis es halbwegs funktionierte.
Gerhard O. schrieb: > Du hast übrigens vergessen anzugeben ob Du einen MOSFET oder BJT Für den > Längstransistor einsetzen willst. Spielt doch keine Rolle, seine mal eben hingekritzelten 20 Bauteile funktionieren doch in der Praxis sowieso nicht.
MaWin schrieb: > Spielt doch keine Rolle, seine mal eben hingekritzelten 20 Bauteile > funktionieren doch in der Praxis sowieso nicht. Was ich selber denk und tu, trau ich auch den Andren zu.
Gerhard O. schrieb: > Wir müssen also erfolgreich zu einem Design Konzept kommen. > Da ist es wichtig, zuerst versuchen rauszufinden welches > Endziel erwünscht ist. Ich versuche mal eine Zusammenfassung dessen, was ich bisher als Konsens herausgelesen habe: Kerneigenschaften: ================== 1) Ziel sind Schaltungsunterlagen für ein Labornetzteil mit den (üblichen) Eigenschaften: * einstellbare Ausgangsspannung * einstellbarer Maximalstrom * automatische Umschaltung Konstantspannungs-/Konstantstrom- betrieb * dauerkurzschlussfest * stabil (= frei von Schwingneigung). Die Wünsche für U_a_max gehen von 15V bis 30V; I_a_max soll bei 1A liegen. 2) Die Bauteile sollen für Privatleute leicht erhältlich sein; es sollen nur Teile verwendet werden, die als Standardbauteile angesehen werden können. 3) Die Schaltung soll nachbausicher sein. (Was das im Detail bedeutet, ist noch zu diskutieren.) Von einzelnen Teilnehmern bzw. Teilnehmergruppen wird noch gewünscht: Zusätzliche Eigenschaften: ========================== 4) Fernsteuerung durch externen Mikrocontroller sollte möglich sein. 5) Reihenschaltung bzw. Parallelschaltung zur Spannungs- bzw. Stromerhöhung sollte möglich sein. 6) Es sollten Varianten mit höherem Maximalstrom existieren. (Habe ich irgendwas vergessen? Aussagen falsch wiedergegeben?)
@Possetitjel [...] Die Zusammenfassung finde ich schon mal sehr ansprechend. Der Stromeinstellknopf ist ein "Muss haben" - Den hattest Du vergessen:-) Es ist wahrscheinlich zu früh die Entscheidung zwischen "fliegender" oder Masse bezogener Regelelektronik. Bei fliegender Elektronik könnte ein DC Wandler das übernehmen. Der Trafo sollte elektronisch umgeschaltet werden. Das adoptieren wir von HP. Die Verlustleistungsersparniss ist es wert. Die Schaltung ist ganz einfach und sicher. Zur Kühlung wäre wie schon von jemand vorgeschlagen ein CPU Lüfter ideal. Zur Anzeige suchen wir LCD Module. Ich habe in der Bucht einige ansprechende Digitalanzeigen gesehen. Es gibt eine vierstellige LED Anzeige für 0-30V. Oder wir nehmen einen uC. Pro-Mini + LCD. Die Schnittstelle für den uC müsste zusammen mit der Analog Elektronik durchdacht werden. Auch ist eine galvanische Trennung des uC Communications Interface notwendig. PWM ist vielleicht zu grob. Aber da habe ich nicht viel darüber nachgedacht. Zulange sollten wir mit diesen Überlegungen nicht warten. Mehr fällt mir im Augenblick nicht ein.
MaWin schrieb: > Gerhard O. schrieb: >> Du hast übrigens vergessen anzugeben ob Du einen MOSFET oder BJT Für den >> Längstransistor einsetzen willst. > > Spielt doch keine Rolle, seine mal eben hingekritzelten 20 Bauteile > funktionieren doch in der Praxis sowieso nicht. Naja, neugierig bin ich schon. Wäre nicht schlecht wenn Scrat uns vielleicht doch Einblick in die Schaltung geben würde. Mich würde es jedenfalls interessieren. Allerdings finde ich die erwähnten schnellen OPVs Overkill. Da könnte man sich bei schlechten Aufbau auch Überraschungen einhandeln. Abgesehen lege ich keinen großen Wert auf 5us Ausreglung. Ich habe mich mal umgeschaut bei HP und die verwenden im E3611A Regelteil TL074 und TL072 OPVs. Auch Alte Bekannte wie den LM358 findet man dort. Im E3611A sind LF411 drin. Der TL074 hat 13V/us Slew Rate und 3Mhz fT. Damit ist er schon eine Klasse schneller wie der LM324. Allerdings weiß ich nicht ob der Ein-und Ausgangsbereich für die hier vorgestellten LNGs ausreichend ist. HP betreibt sie mit Split Versorgung wo es keine Rolle spielt. Ich habe mir die Specs vom E36311-13 angesehen. So überwältigend sind sie nicht. Die älteren LNGs sind da teilweise besser oder gleichwertig. Nur der Bedienungskomfort und Schnittstelle ist halt toll.
Gerhard O. schrieb: > Hier ist noch ein interessantes LNG Design mit fliegendem Regler und > Elektronischem Temperaturschutz: > > https://www.element14.com/community/thread/12710/l/diy-os-psu-build?displayFullThread=true Hallo Gerhard, hast Du auch das kleingedruckte gelesen: Here is the full pdf...http://www.elv-downloads.de/Assets/Produkte/2/225/22532/Downloads/22532_Universelle_Netzteilplatine_um.pdf Die Schaltung ist von ELV, der Download ist aber inzwischen geschützt. Volker
Scrat schrieb: > Den völlig unspektakulären Schaltplan veröffentliche ich gern, sobald > hier irgendwer ernsthafte Anstalten macht, ein brauchbares NT zu bauen. > Solange hier dieser durch und durch morbide Geruch herrscht, sehe ich > nicht ein, auch nur solche Standardschaltungen zu zeigen. Auf gut deutsch: Alles geflunkert und du hast gar keinen Schaltplan. Schlecht gebrüllt, Löwe.
Gerhard O. schrieb: > Ich habe mich mal umgeschaut bei HP und die verwenden im E3611A > Regelteil TL074 und TL072 OPVs. Auch Alte Bekannte wie den LM358 findet > man dort. Natürlich, das sind altbekannte Gefährten und reichen auch heute noch mehr als aus. Kein Mensch braucht ein LNG, dass 5 us Ausregelzeit hat. Wer für eine Schaltung so ein LNG braucht sollte seine Schaltung mal überdenken. Ich mein, wir reden hier über LNGs, nicht über "Frequenzgeneratoren".
Gerhard O. schrieb: > Ich habe mir die Specs vom E36311-13 angesehen. So überwältigend sind > sie nicht. Die älteren LNGs sind da teilweise besser oder gleichwertig. > Nur der Bedienungskomfort und Schnittstelle ist halt toll. Ich find die Bedienung für ein Tischnetztel zum Entwickeln ziemlich ungeeignet. Am Anfang muß man das Handbuch bemühen um die Kiste wieder aus der OCP zu bekommen. Eingängig ist da nichts, ich hab da Anfangs echt geflucht. Die Steuerung über Serielle/GPIB ist alerdings gut, und man kann schön Strom/Spannung mitloggen.
Hallo an alle! Möchte hier nicht die Ambitionen miesmachen, aber ein paar Kritikpunkte von mir seien mir erlaubt: So wie es bis jetzt zusammengefaßt wird kommt halt doch wieder nur eine Abwandlung von 100erten bereits gebauten LNGs zustande. Ich möchte einen anderen Ansatz zur Diskussion stellen. Da ich als Elektroniker zwar gerne mit Oszi und Lötkolben arbeite aber weniger gene mit Bohrmaschine und Feile, würde ich gerne den mechanischen Aufwand so gering als möglich halten. Auch das Thema elektrische Sicherheit ist hier noch nicht erwähnt worden, das auch für Anfänger erwähnt werden muß. Daher mein Vorschlag: Gekapseltes fertiges Laptopnetzteil getrennt vom zum entwickelden LNG nennen wir es einmal DCLNG. Das DCLNG sollte mit möglichst kleinem Kühlkörper auskommen und ist, da fremdgespeist, sicherheitstechnisch unkritisch. Da wird man ohne Vorregelstufe nicht durchkommen um nur in Summe ein paar Watt bei jedem Betriebszustand zu verbraten. Vielleicht gibt es ja soetwas oder ähnliches schon, dann mal her mit den Schaltplänen. Wenn nicht wäre das ein guter Ansatz wenn sich da alle hier anwesenden Spezialisten den Kopf über Schaltungskonzepte zerbrechen.
Weiter oben wurde ein Printtrafo angedacht. Dabei gebe ich zu bedenken, dass dieser eine Menge (relativ) teurer Platinenfläche verbraucht. Weil bei den chinesischen Fertigern PCBs bis 10x10cm sehr preiswert sind, größere Formate aber drastisch teurer werden, plädiere ich dafür, die Platinenfläche auf 10x10cm, oder noch besser auf 10x8cm zu begrenzen. Dafür, falls nötig, besser 2 Platinen. Beispiel Elecrow: 10x10cm 9€ 10x16cm 44€ (inkl. EUSt) Klar gibt es für 44€ gleich 5 Platinen im Euroformat, wenn ich aber nur ein Netzteil nachbaue, habe ich davon nicht viel.
Possetitjel schrieb: > Ich muss das noch etwas begrübeln, aber das Brett vor meinem Kopf > wird allmählich dünner. Beitrag "Re: V ref des lm723"
Hallo, > Kerneigenschaften: > ================== > (Habe ich irgendwas vergessen? Aussagen falsch > wiedergegeben?) - Ausgangsspannung abschaltbar - intuitive, analoge Bedienbarkeit mit Drehknöpfen für Spannung und Strom rhf
Erwin E. schrieb: > Weiter oben wurde ein Printtrafo angedacht. Dabei gebe ich zu bedenken, > dass dieser eine Menge (relativ) teurer Platinenfläche verbraucht. Weil > bei den chinesischen Fertigern PCBs bis 10x10cm sehr preiswert sind, > größere Formate aber drastisch teurer werden, plädiere ich dafür, die > Platinenfläche auf 10x10cm, oder noch besser auf 10x8cm zu begrenzen. > Dafür, falls nötig, besser 2 Platinen. > > Beispiel Elecrow: > 10x10cm 9€ > 10x16cm 44€ (inkl. EUSt) > > Klar gibt es für 44€ gleich 5 Platinen im Euroformat, wenn ich aber nur > ein Netzteil nachbaue, habe ich davon nicht viel. Den Regelteil auf 10*8 cm zu bringen ist kein Problem. Im Anhang mal einen Screenshot von meinem Selbstbau. Die Regelplatine ist 10*5 cm, und da ist auch Endstufe und der Atmega samt RS232 usw. drauf. Einen Printtrafo würde ich nur nehmen wenns um kleine Ströme geht, < 1.5A, wie bei mir (1.3 A). Meine Trafoplatine ist 10*8 cm. Wenn man bis 3 A oder noch mehr will ist IMO ein Printtrafo Quatsch.
M. K. schrieb: > 3 A oder noch mehr will ist IMO ein Printtrafo Quatsch. Und zwar nicht so sehr, weil bei grossen Platinen mehr Geld rüberwächst, sondern weil das Gerät sonst nach dem nächsten Schlagloch Schrott ist. Schwere Trafos fixiert man am Gehäuse, nicht auf einer Platine.
Einen Knopf (ein-aus-Schalter) an der Frontplatte zum Zu- und Abschalten der geregelten Ausgangsspannung fände ich ganz praktisch. Den auch gleich noch beleuchtet, Ausgangsspannung liegt an den Klemmen an = Knopf leuchtet. An - und Abstöpseln oder gar An- und Abschrauben ist nicht nur lästig, sondern auch fehlerträchtig. Blackbird
A. K. schrieb: > M. K. schrieb: >> 3 A oder noch mehr will ist IMO ein Printtrafo Quatsch. > > Und zwar nicht so sehr, weil bei grossen Platinen mehr Geld rüberwächst, > sondern weil das Gerät sonst nach dem nächsten Schlagloch Schrott ist. > Schwere Trafos fixiert man am Gehäuse, nicht auf einer Platine. Das, denke ich, ist ein Grund über den dabei noch niemand nachgedacht hat. Es ist sicher auch ein guter, weiterer, Grund aber nicht der Grund. Es macht schlicht keinen Sinn 100 Quadratzentimeter oder mehr Platinenfläche nur für einen Trafo zu opfern. Platinen sind dazu da, elektronische Schaltungen zu tragen, nicht zum Schleppen von Trafos. Bis zu einer gewissen Größe kann ein Printtrafo ja Sinn machen aber irgendwo ist die Grenze, gefühlt bei 50 VA Trafos.
Blackbird schrieb: > An - und Abstöpseln oder gar An- und Abschrauben ist nicht nur lästig, > sondern auch fehlerträchtig. So ein Schalter ist nett, keine Frage. An- und Abstöpseln ist fehlerträchtig, ja, aber dagegen hilft auch kein Schalter. Wenn man falsch anstöpselt hat man ganz andere Probleme.
F.Seuhs schrieb: > Da wird man ohne Vorregelstufe nicht durchkommen um nur in Summe ein > paar Watt bei jedem Betriebszustand zu verbraten. Laptop-Netzteile liefern meist 19V. Für mehr als ca. 15V wirst du einen Vorregler nicht so sehr der Watt wegen einbauen wollen, sondern eher als Booster für mögliche 30V Ausgangsspannung. Strom sparen ist löblich. Aber bei 08/15 Labornetzteilen in gelegentlichem Hobby-Betrieb sehe ich das nicht als wichtiges Kriterium an. Und die mechanische Hauptarbeit eines ansprechenden Gehäuses ist näherungsweise unabhängig von der Verlustleistung, weil Frontplatte mit Knöpfen, Displays und Anschlüssen. Wenn es wirklich um Watt oder Wärme geht, ist ein Linearnetzteil von vorneherein der falsche Ansatz.
M. K. schrieb: > So ein Schalter ist nett, keine Frage. An- und Abstöpseln ist > fehlerträchtig, ja, aber dagegen hilft auch kein Schalter. Wenn man > falsch anstöpselt hat man ganz andere Probleme Der Schalter muß nicht zwingend am Ausgang sitzen. Der kann U_soll oder I_soll auf Null setzen, somit spart man das lästige An- und Abklemmen.
A. K. schrieb: > F.Seuhs schrieb: >> Da wird man ohne Vorregelstufe nicht durchkommen um nur in Summe ein >> paar Watt bei jedem Betriebszustand zu verbraten. > > Laptop-Netzteile liefern meist 19V. Für mehr als ca. 15V wirst du einen > Vorregler nicht so sehr der Watt wegen einbauen wollen, sondern eher als > Booster für mögliche 30V Ausgangsspannung. > Ja Vorregler als buck oder buck-boost usw. ist ja nur mal ein Denkansatz, kommt darauf an was man genau will. > Strom sparen ist löblich. Aber bei 08/15 Labornetzteilen in > gelegentlichem Hobby-Betrieb sehe ich das nicht als wichtiges Kriterium > an. Und die mechanische Hauptarbeit eines ansprechenden Gehäuses ist > näherungsweise unabhängig von der Verlustleistung, weil Frontplatte mit > Knöpfen, Displays und Anschlüssen. Ich möchte primär nicht Strom sparen, sondern Kühlkörper sowie einen temperaturgeregelten Ventilator. Das spart schon einiges an Mechanik und zur Bedienung ein Touchdisplay mit einem Drehregler. Ich denke eben ein 08/15 LNG neu zu erfinden macht keinen Sinn. > > Wenn es wirklich um Watt oder Wärme geht, ist ein Linearnetzteil von > vorneherein der falsche Ansatz. Wenn man aber CU CI Ulim Ilim einstellbar haben will gehts praktisch nur mit Linearteil an der Ausgangsstufe.
Tany schrieb: > Der Schalter muß nicht zwingend am Ausgang sitzen. Der kann U_soll oder > I_soll auf Null setzen, somit spart man das lästige An- und Abklemmen. Uh, DA würde ich ihn mit Sicherheit nicht installieren. Also wenn, dann doch wirklich vor die Ausgangsklemmen.
Tany schrieb: > Grund? Weil das Netzteil beim Einschalten dann erst hoch regeln muss. Finde ich jetzt nicht soo gut.
Regeln muss das Netzteil immer. Es ist nicht anders als wenn man mit dem Poti die Spannung /den Strom auf NULL dreht
Tany schrieb: > Regeln muss das Netzteil immer. Es ist nicht anders als wenn man mit dem > Poti die Spannung /den Strom auf NULL dreht Du kannst das Poti so schnell drehen, dass von 0 V auf z.B. 12 V grad mal 1 ms vergeht? Respekt. (Stichwort: Einschaltüberschwinger ;), das Netzteil wird so erstmal Gas geben bis die Sollspannung bzw. der Sollstrom erreicht ist)
Hallo, > ...das Netzteil wird so erstmal Gas geben bis die Sollspannung > bzw. der Sollstrom erreicht ist) Das fände ich auch nicht so gut. Deshalb gehört der Ein/Aus-Schalter direkt an die Ausgangsbuchsen. rhf
Egal was du da für Gründe findest. Du willst das nicht verstehen. Und wer den Einschaltüberschwinger nicht im Griff bekommt, der sollte lieber nicht von Labornetzteil reden.
das hier nochmal Video für dich zur Anschaung, was ich damit meinte: https://www.eevblog.com/forum/testgear/e36300-series-programmable-dc-power-supplies-(e36311a-e36312a-e36313a)/
Tany schrieb: > Egal was du da für Gründe findest. Du willst das nicht verstehen. > Und wer den Einschaltüberschwinger nicht im Griff bekommt, der sollte > lieber nicht von Labornetzteil reden. Ich würde nur nicht an die Regelung/Steuerung gehen sondern direkt die Ausgänge wegschalten. Was bitte ist daran falsch? Und Einschaltüberschwinger hat man zwangsläufig wenn man den Schalter so einsetzen würde wie du es vorschlägst (Sollwerte zu 0 setzen) ansonsten hast du nicht verstanden, wie die Regelung eines Labornetzteils funktioniert.
M. K. schrieb: > Was bitte ist daran falsch? Habe ich etwa geschrieben, dass es falsch ist? Tany schrieb: > Der Schalter muß nicht zwingend am Ausgang sitzen.
Guten Morgen!(für mich hier in W-Kanada) Las gerade Eure Sachen die sich übernacht angesammelt hatten. Ich habe ganz vergessen, dass es der Vollständigkeit halber noch diesen Beitrag von mir gibt: Beitrag "Nachbausicheres Klein Labornetzgeraet" Ich habe das LNG30 schon seit damals im täglichen Betrieb. Ich bin immer sehr damit zufrieden. Bis jetzt hat es sich als sehr zuverläßig erwiesen. Es ist auch Dauerkurzschlussfest. Mein Muster ist für 0-30V und 0.005-2.5A ausgelegt. Falls jemand zum Nachbau interessiert ist, weil alle Arbeit schon getan ist, es sind alle Design Files im Thread hinterlegt. Prinzipiell braucht ihr Euch nur die Platine machen lassen und bestücken und verdrahten. Funktioniert beim ersten Einschalten. Ich weiß zumindest von einem erfolgreichen Nachbau. Sehts Euch an. Ich glaube inmitten dieser Diskussion sollte man diese Möglichkeit in Betracht ziehen. Das LNG30 hat diesen DC Schalter. Funktioniert ohne Überschwinger. Für digitale Instrumente hat die Leiterplatte schon alle Kalibrierungs Komponenten und Poties drauf. Die HP Methode für die Stromvoreinstellung habe ich dort auch schon vorgesehen gehabt, obwohl es im vorgestellten Design nicht verwendet wird. Wie die Oszi Bilder belegen, hat es keine Einschalt und Ausschaltüberschwinger was mir sehr wichtig ist. War das nicht sehr unverschämt von mir, so viel Reklame für das LNG30 zu machen?:-)
Tany schrieb: > M. K. schrieb: >> Was bitte ist daran falsch? > > Habe ich etwa geschrieben, dass es falsch ist? > > Tany schrieb: >> Der Schalter muß nicht zwingend am Ausgang sitzen. Beim LNG30 Sitzt der Schalter am Treibertransistor. Die BE Strecke wird kurzgeschlossen. Die Regelschaltung hat damit keine Probleme ohne Transienten die Ausgangsspannung wieder auf den Sollwert zu bringen. Andere Möglichkeiten habe ich noch nicht untersucht.
M. K. schrieb: > Blackbird schrieb: > An - und Abstöpseln oder gar An- und Abschrauben ist nicht nur lästig, > sondern auch fehlerträchtig. > > So ein Schalter ist nett, keine Frage. An- und Abstöpseln ist > fehlerträchtig, ja, aber dagegen hilft auch kein Schalter. Wenn man > falsch anstöpselt hat man ganz andere Probleme. Der Schalter macht Sinn während der Erprobung einer Schaltung, wenn laufend an- und abgestöpselt wird. Nicht bei der Erstinbetriebnahme einer Schaltung. Und auch Bananenstecker und -buchsen sind nicht immer gleich im Durchmesser und erfordern verschiedene Steckkräfte. Da ist ein Schalter eine große Hilfe. Tany schrieb: > M. K. schrieb: > So ein Schalter ist nett, keine Frage. An- und Abstöpseln ist > fehlerträchtig, ja, aber dagegen hilft auch kein Schalter. Wenn man > falsch anstöpselt hat man ganz andere Probleme > > Der Schalter muß nicht zwingend am Ausgang sitzen. Der kann U_soll oder > I_soll auf Null setzen, somit spart man das lästige An- und Abklemmen. Der Schalter muß am Ausgang sitzen, er soll die Schaltung galvanisch vom LNG trennen. Was anderes ist das An- und Abstöpseln ja auch nicht. Blackbird
Korrektion: Den DC Schalter habe ich dann später zwischen Referenzspannung und Eingang vom U-Einstellpoti gelegt weil das noch besser funktioniert hatte.
Gerhard O. schrieb: > Abgesehen > lege ich keinen großen Wert auf 5us Ausreglung. Darum geht's ja nicht nur. Sondern auch um den kleinstmöglichen Kondi am Ausgang. Der Idealfall wäre, wenn man die nackte Laserdiode zerstörungsfrei an das auf 30V hochgedrehte Netzteil klatschen kann. Auch wird die Bedämpfung der Regelung einfacher, statt schwieriger. Es gibt inzwischen 100x bessere OPs und 30x bessere Transistoren, als die verstaubten Dinger oben. Damit verringert man den Ausgangs-C locker auf 1/20 und hat es immer noch mit einer total gutmütigen Regelung zu tun, weil der Ausgangs-C für die sehr schnelle Regelung "riesig" ist. Die Gegenkopplung besteht voraussichtlich nur je aus einem C mit 100p oder so, mehr nicht. Keine gewaltigen Netzwerke mit Mikrofarads und hier und da noch einem fein abgestimmtem R usw. Wenn das erst nötig wird, ist die Schaltung reif für die Tonne bzw. völlig fehldimensioniert. Auch von den ständigen 78xx als Referenzspannungsquelle ist Abstand zu nehmen. Die Dinger sind selbst als Stromversorgung gedacht, werden nur von Bastlern als Referenz missbraucht. Da gibt es bessere Lösungen, die weder komplizierter, noch teurer sind.
Blackbird schrieb: [...] > > Der Schalter muß am Ausgang sitzen, er soll die Schaltung galvanisch vom > LNG trennen. Was anderes ist das An- und Abstöpseln ja auch nicht. > > Blackbird Das hätte allerdings ohne besondere Maßnahmen den kleinen Nachteil durch den extra Verdrahtungswiderstand die Genauigkeit der Spannungsmessung vom Regler zu verschlechtern. Bei den meisten LNGs sind die +S und -S Leitungen zur Vermeidung von Spannungsabfällen direkt an den Buchsen angeschlossen. ..
Das fällt hier aber nicht auf, weil nur 1A maximal fließen. Bei größeren Strömen gebe ich Dir Recht. Blackbird
Scrat schrieb: > Darum geht's ja nicht nur. Sondern auch um den kleinstmöglichen Kondi am > Ausgang... Jetzt verstehe ich von woher Du kommst und respektiere das. Ich habe da auch einige Erfahrung mit der Entwicklung von $5K Laserdioden Treiberschaltungen. Ich hatte um 2000 viel damit zu tun und verstehe Deine Einwände praxisnahe. Trotzdem bin ich der Meinung, daß zwischen Laser-Treiber und LNGs Welten dazwischen liegen. Die Anforderungen überschneiden sich nur geringfügig und bei LNG sind andere Maßstäbe anzuwenden.
Muß jetzt einige Stunden weg - von mir, Funkstille von jetzt an:-) Muß mich mit langweiligen Dingen wie Winterreifen Wechsel befassen... Schönen Abend noch.
Gerhard O. schrieb: > den extra Verdrahtungswiderstand die Genauigkeit der Spannungsmessung > vom Regler zu verschlechtern. ...und bei hoher Spannung und Strom und insbesondere großem Ausgangskondensator entsteht Lichtbogen, ob die Kontakte lange leben würden? Im Prinzip kann jeder machen wie ihm es passt, ich habe nur eine von Möglichkeiten erwähnt, ohne die andere "schlecht" zu reden. Gerhard O. schrieb: > Den DC Schalter habe ich dann später zwischen Referenzspannung und > Eingang vom U-Einstellpoti gelegt weil das noch besser funktioniert > hatte. Ich habe auch nicht anders erwartet, bei mir wurde ebenfalls erfolgreich umgesetzt. Nun sehe ich doch ein kleines Dilemma beim Netzteil ohne Info über eingestellte Spannung und Strom im "ausgeschalteten" Zustand. Daher war auch der Grund meiner Anregung mit µC.
Scrat schrieb: > Sondern auch um den kleinstmöglichen Kondi am > Ausgang. Der Idealfall wäre, wenn man die nackte Laserdiode > zerstörungsfrei an das auf 30V hochgedrehte Netzteil klatschen kann Laserdiode habe ich kein. Ein normaler LED habe ich mit 36V von meinem Netzteil "versorgt", der hat überlebt. ;-)
Die Laserdiode war nur ein extremes Beispiel. Aber in die Richtung sollte ein modernes Linearnetzteil schon gehen, sofern man von modern überhaupt noch reden darf. Ich zumindest habe seit sicher zwei Jahrzehnten keine linearen Netzteile mehr und bin froh drüber. Bei einem Funkamateur kann das anders aussehen, aber auch fast nur bei ihm. 99% aller Verbraucher können sowohl mit dem leichten Ripple, als auch mit den leichten Störungen von Schaltnetzteilen sehr gut leben.
Hallo, Sag mal, warum diskutierst du hier eigentlich mit? Das was hier im Moment angedacht wird ist deiner Meinung nach rückständig weil nicht neueste Bauteile verwendet werden. Mit diesen Bauteilen ist es angeblich viel einfacher ein hochwertiges Labornetzteil zu bauen wie du ja schon innerhalb von 10 Minuten skizziert hast. Selbige Skizze stellst du hier aber nicht zur Diskussion weil ja erst mal die anderen was zeigen sollen. Und jetzt stellt sich noch raus das du eigentlich gar kein Labornetzteil brauchst, denn > 99% aller Verbraucher können sowohl mit dem leichten Ripple, > als auch mit den leichten Störungen von Schaltnetzteilen sehr > gut leben. Was willst du eigentlich? rhf
Wenn man ohne oder nur mit einem kleinen Kondensator am Ausgang auskommen will, wird es schwierig, bzw. man macht Kompromisse bei der Stabilität. Es geht wenn es sein muss, dann eher mit negativer Hilfsspannung und mit viel Aufwand und auch nicht mehr so wirklich Nachbausicher (weil sehr schnell). Die Variante mit Emitterfolger kommt für die Spannungsregelung ggf. ohne den Elko am Ausgang aus - braucht ihn aber ggf. für eine Stabile Stromregelung. Das andere Problem bei der Emitterfolger Variante ist, dass die Strombegrenzung leicht recht langsam wird und man dann ggf. recht heftige Stromspitzen von der Regelschaltung bekommt - ggf. mehr als von Kondensator. Die allermeisten kommerziellen LNGs haben irgendwas zwischen etwa 100 und 1000 µF am Ausgang. Viel kleiner muss nicht. So wie ich es sehe hat man einige Varianten zur Auswahl, jeweils mit ihrern spezifischen schwächen: 1)Einfacher Emitterfolger mit shunt an Masse und Diode für min Spannung: Hier ist die Stromregelung relativ langsam und die Strommessung ggf. nicht super präzise. Dafür ist die Schaltung einfach (fast nach Lehrbuch). Die Spannung ist mit einfachen OPs (z.B. LM358) auf etwa 25 V begrenzt. Mit leichten Abwandlungen kann man die Stromregelung ggf. etwas beschleunigen - den "Strompeak kriegt man aber eher nicht ganz weg, sondern kann ihn nur begrenzen. 2) Ähnlich dem ELO Netzteil2: d.h. mit Shunt am Emitter = pos. Ausgang. Hier kann die Strombegrenzung etwas schneller sein, hat aber einen fliegenden Bezugspunkt. Das macht die digitale Messung / Steuerung kompliziert und braucht dafür ggf. eine Hilfsspannung. Zur Not tut es eine -0,5 V Hilfsspannung über eine Diode in Reihe. 3) Als Emitterfolger und mit Stromregelung als Kaskadenregler - so ähnlich wie in der Schaltung ganz oben gedacht, bzw. als Banggood Bausatz, der die OPs mit viel zu viel Spannung versorgt. Das Schaltungsprinzip dürfte eine recht langsame Stromregelung haben, dafür aber einen sehr guten Übergang CC-CV mode. Es dürfte schwer werden ohne negative Hilfsspannung (ggf. per Ladungspumpe). 4) Die klassische HP Schaltung (etwa wie das ELV Natzteil oben): Hier braucht man eine 2. Spannung als Hilfsspannung. Wenn man aufpasst ist die Stromregelung relativ schnell und der Strompeak ist kein echtes Problem, auch weil die Spannungsregelung eher etwas langsamer ist. Man braucht eher mehr Kapazität am Ausgang - wie viel ist aber eine Frager der Geschwindigkeit und Auslegung. Je schneller desto kritischer und weniger Nachbausicher - wenn es sein muss kommt man in der Simulation auf 1 µF, real wird das auch eher schwer. Die Schaltung ist sehr flexibel und könnte mit der gleichen Platine (nur andere Widerstände / Leistungstransistoren) hohe oder niedrige Spannungen erlauben. 5) ggf. eine LDO Schaltung ohne Hilfssspannung. Hier haben Strom und Spannungsteil ggf. verschiedene Bezugspunkte und die Stabilität kann es etwas trickreich werden. Bei den Varianten 1-3 wird man neben der eher langsamen Stromregelung noch eine schnelle, aber nur grobe (ggf. feste) Strombegrenzung brauchen. Auch wenn man nur einen kleinen Strom eingestellt hat, muss man damit rechnen dass der Regler bei einem Kurzschluss kurzzeitig etwas mehr als das volle Stromlimit liefert. Das Problem bekommt man wenn man eine schnelle Spannungsregelung mit relative langsamer Stromregelung zusammenbringt - um das zu vermeiden / reduzieren müsste man wohl die Spannungsregelung verlangsamen. Meine 2 Favoriten sind die Varianten 1) für ein eher einfaches LNG und entsprechend eher ohne µC Steuerung (auch wenn das Möglich wäre) und 4) für ein eher besseres LNG. Ein Entwurf in der Simulation ist nicht so aufwändig (bzw. hätte ich teils schon für 1,2,4). D.h man könnte den Vergleich der Varianten auch an Hand konkreter Schaltungen in der Simulationen machen.
Tany schrieb: > Gerhard O. schrieb: >> den extra Verdrahtungswiderstand die Genauigkeit der >> Spannungsmessung vom Regler zu verschlechtern. > > ...und bei hoher Spannung und Strom und insbesondere > großem Ausgangskondensator entsteht Lichtbogen, ob die > Kontakte lange leben würden? Ja, das ist das Problem. Ich habe nochmal nachgedacht. Ich glaube mich zu erinnern, dass ich diese separaten Lastschalter vorwiegend bei Netzteilen für höhere Spannungen (>100V) bzw. mäßige Spannungen (>30V) und höhere Ströme gesehen habe. Aufgrund der winzigen Schalterchen, die da verbaut wurden, gehe ich davon aus, dass nur die Steuerspannung geschaltet wurde und der Regler dann elektronisch abgeregelt hat. Ich finde das auch recht elegant so. > Im Prinzip kann jeder machen wie ihm es passt, ich habe > nur eine von Möglichkeiten erwähnt, ohne die andere > "schlecht" zu reden. Ja, ich begrüße das ausdrücklich. So lange sich die Ideen und Vorschläge technisch nicht widersprechen, sollte man offen bleiben. Einen Leistungsschalter, wie M. Köhler ihn wünscht, kann man jederzeit direkt vor den Ausgang setzen; für Spannungen kleiner 30V ist das vielleicht wirklich eine einfache und brauchbare Lösung. Das erfordert keine Änderung am Regler. Ich bevorzuge allerdings auch eine "elektronische" Ab- schaltung; das muss man dann aber in das Konzept des Reglers von vornherein einarbeiten. > Nun sehe ich doch ein kleines Dilemma beim Netzteil > ohne Info über eingestellte Spannung und Strom im > "ausgeschalteten" Zustand. Hmm... guter Punkt. -- Mist. > Daher war auch der Grund meiner Anregung mit µC. Ja. Im ersten Moment dachte ich auch "So ein Quark -- was soll denn ein Mikrocontroller im Labornetzteil?", aber so einfach ist das nicht. Michael B. hat auch schon zu Recht darauf hingewiesen, dass der ganze Anzeigenkrempel noch Potenzial für Probleme hat.
So. Obwohl das mit Sicherheit von vielen belächelt wird, habe ich das Blockschaltbild von gestern etwas modifiziert und erweitert. Ich bin ein visueller Typ; mir hilft es, das Gesamtkonzept in Form eines solchen Schemas vor Augen zu haben. Erstmal der einfache Teil. Referenzspannungsquelle und Stellmöglichkeit für die Soll-Spannung sind mental zu einem Block zusammengefasst. Die Gründe sind einfach die, dass wirklich jedes Labor- netzteil über diese beiden Dinge verfügt; andererseits ist das eine quasi natürliche Schnittstelle: Man macht keinen Fehler, wenn man sich vorstellt, dass dort ein Spannungssignal herauskommt, das dann als Führungsgröße für den Spannungsregler dient. Das könnte ein Normsignal (0-10V z.B.) sein, muss aber nicht. Wie das Signal erzeugt wird, ist für das Gesamtkonzept wumpe -- denkbare bzw. bereits genannte Möglichkeiten sind: - Poti (Wendelpoti, Doppelpoti), - Digitalpoti - DAC - PWM-Signal. Es soll nicht verschwiegen werden, dass hinter den kindischen Strichen, die mit OpenOffice gemalt wurden, Designentscheidungen stecken: Spannungseinstellung durch Poti auf der Ausgangsseite ist ebenso ausgeschlossen wie ein stellbarer Widerstand irgendwo in der Schaltung, der einen Steuerstrom erzeugt. Falls mein Vorschlag voreilig war, bitte ich um fundierte Kritik. Weiter. Es gibt in bestem DIN-Amtsdeutsch den Block "Rohspannungs- erzeugung" mit den Komponenten "netzgespeiste Spannungs- quelle" und "Schaltregler". Idee dahinter: Die Mehrzahl der Diskutanten scheint ein einfaches Konzept ohne Vorregler zu bevorzugen; allerdings taucht die Idee, einen Schaltregler vorzusetzen, auch immer wieder auf. (Diejenigen, die keinen Schaltregler wollen, stellen sich an dessen Stelle bitte einen einfachen Draht vor :-) Der Schaltregler könnte ungesteuert als StepUp arbeiten, z.B. um die Spannung aus einem Laptop-NT hochzusetzen; er könnte auch gesteuert als echter Vorregler arbeiten, um die Verlust- leistung am Längstransistor zu reduzieren. Auch für netzgespeiste Quelle gibt es verschiedene Vorschläge: Laptop-Netzteil, Printtrafo, Ringkerntrafo. Bei jeder Variante gibt es sehr gute Gründe dafür wie auch dagegen; ich schlage deshalb vor, die Rohspannungserzeugung als Teilthema anzusehen, das ganz unabhängig von der Regler- topologie diskutiert wird. Im Prinzip ist ja die Rohspannung auch eine natürliche Schnittstelle; wichtig sind nur die Höhe, die Belastbarkeit (und ggf. die Restwelligkeit). Sollte sich die Diskussion vom Konzept weg und auf eine konkrete "Referenzimplementierung" hin verlagern, so gehe ich davon aus, dass sich eine Variante herauskristallisieren wird, die von vielen mitgetragen wird. Soweit erstmal für den Moment. (Zum Thema "Reglertopologie" bei Gelegenheit ein paar Gedanken. Ich bitte wie immer um sachliche Anmerkungen zu den Vor- schlägen.
Tany schrieb: > ...und bei hoher Spannung und Strom und insbesondere großem > Ausgangskondensator entsteht Lichtbogen, ob die Kontakte lange leben > würden? Naja, bei den Spannungen und Strömen beim LNG wäre das schon erschreckend wenn die das nicht lange mitmachen. Wir reden ja nicht davon 5 kW abzuschalten, wir reden ja hier von nicht mal 100 W, vielleicht auch 200 W aber das wars dann. Tany schrieb: > Nun sehe ich doch ein kleines Dilemma beim Netzteil ohne Info > über eingestellte Spannung und Strom im "ausgeschalteten" Zustand. Stichwort: Pulldown, hat man ja quasi schon drin mit dem Poti ;) Gerhard O. schrieb: > Den DC Schalter habe ich dann später zwischen Referenzspannung und > Eingang vom U-Einstellpoti gelegt weil das noch besser funktioniert > hatte. Geht bei dir da dein Netzteil ja auch recht gutmütig die Spannung hoch/runter fährt. Hab im andern Thread die Oszi-Bilder gesehen. Mit rund 50 ms ist das natürlich nicht sehr schnell (aber natürlich völlig OK). Mein LNG macht das Abschalten in weniger als 300 us (was meiner Meinung nach immer noch etwas lahm ist), das Einschalten wäre ähnlich fix wenn nicht der Vorregler (LM2576) das LNG auf rund 20 ms bremsen würde (lasse die Eingangsspannung des LNGs auf ca. 4 V über der Ausgangsspannung des LNG vorregeln, daher reicht mir auf der Endstufe ein SK104 KK von Fischer). Scrat schrieb: > Darum geht's ja nicht nur. Sondern auch um den kleinstmöglichen Kondi am > Ausgang. > ... Wir warten immer noch auf deinen Schaltungsvorschlag der ja schon seit Gestern auf deinem Schreibtisch liegt. Ich fände den ernsthaft interessant, stelle ihn doch mal zur Diskussion. Würde auch deine Glaubwürdigkeit erhöhen.
M. K. schrieb: > Tany schrieb: >> ...und bei hoher Spannung und Strom und insbesondere >> großem Ausgangskondensator entsteht Lichtbogen, ob die >> Kontakte lange leben würden? > > Naja, bei den Spannungen und Strömen beim LNG wäre das > schon erschreckend wenn die das nicht lange mitmachen. > Wir reden ja nicht davon 5 kW abzuschalten, wir reden ja > hier von nicht mal 100 W, vielleicht auch 200 W aber das > wars dann. Du unterschätzt das Problem dramatisch. Bei Spannungen größer/gleich ca. 30V können stehende Lichtbögen auftreten (--> Schweisstrafo).
Possetitjel schrieb: > Bei Spannungen größer/gleich ca. 30V können stehende > Lichtbögen auftreten (--> Schweisstrafo). Sogar schon bei kleineren Spannungen. Ich habe als Kind mit den Kohlestiften aus Flachbatterien und dem Modelleisenbahn-Stelltrafo (12V) Bogenlampen gebaut. Später dann Schaltnetzteile für industrielle Bogenlampen wie HBO, XBO und andere. Die haben Brennspannungen um 15V.
Die einfachere Möglichkeit den Ausgang zu trennen sollte es sein einfach nur die Ausgangsstufe abzuschalten. Wenn man das vorsieht ist das auch nicht so schwer. Ggf. bleibt ein eher hochohmiger Widerstand / Teiler für das Feedback und die Messung und der Ausgangskondensator über. Einfach nur die Ref. Spannung auf 0 zu schalten ist eher nicht ausreichend. Man braucht so eine Abschaltung z.B. damit während des eine / Ausschaltens (etwa wenn die Spannung noch nicht für die OPs ausreicht) kleine unkontrollierte Spannung raus kommen. Auch wenn man am Ausgang tatsächlich ein Relais hat, wird man zusätzlich die Endstufe ausschalten und kann so auch das Problem mit Lichtbögen vermeiden.
Possetitjel schrieb: > Bei Spannungen größer/gleich ca. 30V können stehende > Lichtbögen auftreten (--> Schweisstrafo). Und was für ein Strom fließt bei nem Schweistrafo dabei? 3 A wie beim LNG? Oder doch eher > 30 A? Bei den Leistungen eines LNGs ist das überhaupt kein Problem. Die meisten Schalter, die man so nachgeworfen bekommt, sind für Ströme um 10 A ausgelegt. Wenn die also keine 3 A trennen können gehören die in die Tonne.
M. K. schrieb: > Possetitjel schrieb: >> Bei Spannungen größer/gleich ca. 30V können stehende >> Lichtbögen auftreten (--> Schweisstrafo). > > Und was für ein Strom fließt bei nem Schweistrafo dabei? Nee, Du missverstehst mich. Der Verweis auf den Schweisstrafo steht da, weil ich auf die typischen Spannungen aufmerksam machen wollte (Leerlauf um die 50V; Brennspannung am Bogen ungefähr 30V.) > 3 A wie beim LNG? Oder doch eher > 30 A? Vom Strom hängt nur ab, welche Wärmeleistung umgesetzt wird. > Bei den Leistungen eines LNGs ist das überhaupt kein Problem. > Die meisten Schalter, die man so nachgeworfen bekommt, sind > für Ströme um 10 A ausgelegt. Wenn die also keine 3 A trennen > können gehören die in die Tonne. Nein, Du verstehst nicht. Die üblichen Schalter sind für 250V/10A WECHSELSPANNUNG! Das geht, weil dort der Stromfluss alle 10ms unterbrochen wird und der Bogen verlischt. Du darfst KEINESFALLS auf die Idee kommen, damit auch nur 100V/5A Gleichstrom schalten zu wollen!
Hallo, da bin ich wieder;-) ich habe in der Zwischenzeit noch schnell zwei Bilder von der LNG30 DC Ein/Aus Funktion geknippst. Die Ausschaltzeit ohne Last ist natuerlich viel laenger wie die Einschaltzeit. Diser Schalter trennt einfach die Verbindung des Spannungseinstell Poties mit der 10V Referenzsapnnungsquelle. Wie zu erwarten gibt es mit der Reglung keine Probleme weil sich ja nur das "Einstell Poti" sehr schnell dreht;-)
Possetitjel schrieb: > Nein, Du verstehst nicht. > > Die üblichen Schalter sind für 250V/10A WECHSELSPANNUNG! Menno, zumindest24 Volt sind ja noch normales kfz-Gedöns mit dem der Brummifahrer allen möglichen selbstgefrickelten Scheiß von der Weihnachtsbeleuchtung bis Kaffeemaschine und E-Heizgebläse bestromt. daß da massenhaft die Schalter abbrennen ist mir noch nicht zu Ohren gekommen. Ganz davon ab, hast du jetzt echt noch kein LabNg? Versuch doch da mal bei 30V 2A nen Lichtbogen zu ziehen - da passsiert nüscht, nüscht, janüscht aufgrund der Strombegrenzung. Bis auf den etwas nerfigen Scart war dat hier bisher so nett interessant zu lesen, hört doch bitte auf euch jetzt über so Banalitäten zu streiten, bitte!
M. K. schrieb: > Naja, bei den Spannungen und Strömen beim LNG wäre das schon > erschreckend wenn die das nicht lange mitmachen. Wir reden ja nicht > davon 5 kW abzuschalten, wir reden ja hier von nicht mal 100 W, > vielleicht auch 200 W aber das wars dann und wir reden nicht vom Dauerstrom, sondern von kurz auftretendem Strom beim Einschalten. Das kann im Abhängigkeit von Kapazität und Ladespannung des Ausgangskondensators im Extremfall 3 stellige von Ampere betragen.
Possetitjel schrieb: > Das geht, weil dort der Stromfluss alle 10ms unterbrochen > wird und der Bogen verlischt. Du darfst KEINESFALLS auf die > Idee kommen, damit auch nur 100V/5A Gleichstrom schalten > zu wollen! Dann sind die Datenblätter wohl falsch, z.B. von diesem chicken Kippschalter: http://de.farnell.com/apem/637h-2/kippschalter-einpolig-tast-aus/dp/1607961 oder von diesem netten Kameraden: http://de.farnell.com/arcolectric/c3950bbaaa/schalter-dpst-16a-250vac/dp/7674295 Natürlich gibts auch Schalter, die nur für 100 mA geeignet sind, keine Frage. Man muss dann schon den richtigen Schalter raus suchen. Aber einen Schalter zu finden, der die 3 A DC trennen kann, ist jetzt echt kein Kunstwerk. Tany schrieb: > und wir reden nicht vom Dauerstrom, sondern von kurz auftretendem Strom > beim Einschalten. > Das kann im Abhängigkeit von Kapazität und Ladespannung des > Ausgangskondensators im Extremfall 3 stellige von Ampere betragen. Das wird ja immer besser...das LNG will ich sehen, dass bei max 3 Ampere beim Einschalten über 100 A liefert. Und nen Lichtbogenproblem beim Einschalten dieser Leistung...also echt, jetzt wird wirklich lächerlich. Gerhard O. schrieb: > ich habe in der Zwischenzeit noch schnell zwei Bilder von der LNG30 DC > Ein/Aus Funktion geknippst. Dank dir nochmal dafür. Flott ists ja bei dir. Wie groß ist deine Kapazität an den Ausgangsklemmen? Aufgrund der langen Abschaltdauer vermute ich mal was größer 100 uF, 220 uF vielleicht?
M. K. schrieb: > jetzt wird wirklich lächerlich. noch lächerlicher wenn man nicht weiß, das die Strombegrenzung nicht greift, wenn der Ausgangskondensator entlädt.
icke mal schrieb: > da passsiert nüscht, > nüscht, janüscht aufgrund der Strombegrenzung. Selber für dich!
M. K. schrieb: > Wie groß ist deine > Kapazität an den Ausgangsklemmen? Aufgrund der langen Abschaltdauer > vermute ich mal was größer 100 uF, 220 uF vielleicht? 100uF. Allerdings war keine Last daran. Mit Last duerfte es entsprechend schneller gehen. Siehst Du einen speziellen Grund warum es schneller gehen sollte? Mir war das bis jetzt nicht wichtig.
Tany schrieb: > noch lächerlicher wenn man nicht weiß, das die Strombegrenzung nicht > greift, wenn der Ausgangskondensator entlädt. Hab ich auch nie behauptet. Dennoch bleibts dabei: Man kann auch problemlos mit einem Schalter auch die Ausgangsklemmen zu- und wegschalten bei den hier besprochenen LNGs. Mit dem richtigen Schalter, der den Sollstrom des LNGs schalten kann, wird schlicht absolut nichts passieren. Gerhard O. schrieb: > 100uF. Allerdings war keine Last daran. Mit Last duerfte es entsprechend > schneller gehen. Siehst Du einen speziellen Grund warum es schneller > gehen sollte? Mir war das bis jetzt nicht wichtig. Nö, ich finde auch, dass es durchaus schnell genug ist.
M. K. schrieb: > Dennoch bleibts dabei: Man kann auch > problemlos mit einem Schalter auch die Ausgangsklemmen zu- und > wegschalten bei den hier besprochenen LNGs. Mit dem richtigen Schalter, > der den Sollstrom des LNGs schalten kann, wird schlicht absolut nichts > passieren. Und auch wie du siehst, da steht keine Oberschwingungen beim Ein- und Ausschalten. Selbst bei meinem NT mit nur 1µF am Ausgang nicht feststellbar. Also wir sind uns einig: Das steht jedem frei, was der macht.
Beim Abschalten der Ausgangsspannung durch Eingriff in die Regelstrecke: wohin entlädt sich der Ausgangselko und die vielleicht in der Versuchsschaltung vorhandene Elkobatterie? Also ich bevorzuge die galvanische Trennung, auch z.B. mit Relais. Und einen möglicht kleinen Elko am Ausgang. Blackbird
M. K. schrieb: > Possetitjel schrieb: >> Das geht, weil dort der Stromfluss alle 10ms unterbrochen >> wird und der Bogen verlischt. Du darfst KEINESFALLS auf die >> Idee kommen, damit auch nur 100V/5A Gleichstrom schalten >> zu wollen! > > Dann sind die Datenblätter wohl falsch, z.B. von diesem chicken > Kippschalter: > > http://de.farnell.com/apem/637h-2/kippschalter-einpolig-tast-aus/dp/1607961 ??? Ich kann Dir nicht folgen. Dort steht doch genau das, was ich die ganze Zeit behaupte: Schaltstom: 10A Kontaktspannung AC: 250V Kontaktspannung DC: 24V (!!!) Ich hab's weiter oben schonmal geschrieben (ist Dir vmtl. nicht aufgefallen): Wer mit Ausgangsspannungen unter 30V zufrieden ist, für den ist sicher ein Trennschalter direkt im Ausgang eine einfache und gute Lösung. Ich würde nur gern erreichen, dass der Regelbaustein, den wir hier diskutieren, auch für Reihen- und Parallelschaltung geeignet ist. Zwei mal 30V in Reihe sind aber schon 60V, und das verträgt der Schalter nicht. Deswegen ist mir die Möglichkeit der elektronischen Abschaltung wichtig. Wer es nicht will, lässt es weg, das ist ja kein Thema -- aber generell unnötig oder überflüssig es es deswegen noch lange nicht.
Blackbird schrieb: > Beim Abschalten der Ausgangsspannung durch Eingriff in die > Regelstrecke: wohin entlädt sich der Ausgangselko und die > vielleicht in der Versuchsschaltung vorhandene Elkobatterie? Berechtigte Frage. > Also ich bevorzuge die galvanische Trennung, auch z.B. mit > Relais. Und einen möglicht kleinen Elko am Ausgang. Hmmja... in der Sache widerspreche ich Dir ja gar nicht. Trennung mittels Kontakt hat was für sich. Nur fürchte ich, es wird entweder - Pfusch oder - teuer oder - monströs riesig. Hmm. Im Moment ist ja keine Entscheidung nötig. Sollten wir im Auge behalten und weiter bedenken.
(Scheisse.) Nachtrag: M. K. schrieb: > oder von diesem netten Kameraden: > > http://de.farnell.com/arcolectric/c3950bbaaa/schalter-dpst-16a-250vac/dp/7674295 > Der ist besser. Der ist explizit für 72V/7A spezifiziert. Dir wird aufgefallen sein, dass dieser Schalter WESENTLICH größer ist als der erste. Nur als Anmerkung. > Aber einen Schalter zu finden, der die 3 A DC trennen kann, ist > jetzt echt kein Kunstwerk. Es geht nicht darum, dass er 3A DC trennen kann, sondern es geht darum, dass er 3A DC BEI MEHR ALS 30V trennen kann. Das ist der Punkt. Und nur zur Sicherheit sei es nochmal wiederholt: Wer garantiert unter 30V bleibt, den tangiert dieses Problem nicht.
icke mal schrieb: > Menno, zumindest24 Volt sind ja noch normales kfz-Gedöns mit dem der > Brummifahrer allen möglichen selbstgefrickelten Scheiß von der > Weihnachtsbeleuchtung bis Kaffeemaschine und E-Heizgebläse bestromt. daß > da massenhaft die Schalter abbrennen ist mir noch nicht zu Ohren > gekommen. Klar, diese Schalter sind geeignet konstruiert (auf schnelles Öffnen hin) und verwenden abbrandfestes Kontaktmaterial. > Versuch > doch da mal bei 30V 2A nen Lichtbogen zu ziehen - da passsiert nüscht, > nüscht, janüscht aufgrund der Strombegrenzung. Nimm 2 Kohlestäbe und schließe sie an 30 V an, mit 2 A Begrenzung. Dann langsam auseinanderziehen, und es wird sehr hell, das kann ich Dir versichern.
Lurchi schrieb: > Ein Entwurf in der Simulation ist nicht so aufwändig (bzw. hätte > ich teils schon für 1,2,4). D.h man könnte den Vergleich der > Varianten auch an Hand konkreter Schaltungen in der Simulationen > machen. Ja, das wäre super. Mach mal, bitte.
Hallo Bernhard, > Nimm 2 Kohlestäbe und schließe sie an 30 V an, mit 2 A Begrenzung. Dann > langsam auseinanderziehen, und es wird sehr hell, das kann ich Dir > versichern. Ich glaube dir. Allerdings kommt auch sicherlich niemand auf die Idee die Abschaltung des Netzteilausgangs mittels zweier Kohlestabkontakte, die langsam auseinander gezogen werden, zu realisieren. Es wird sicherlich Schalter oder Relais geben, die 2A bei 30V problemlos trennen können. In sofern halte ich die momentane Diskussion bezüglich dieses (meiner Meinung nach ziemlich belanglosen Details) für etwas übertrieben. rhf
Possetitjel schrieb: > Es geht nicht darum, dass er 3A DC trennen kann, sondern es geht > darum, dass er 3A DC BEI MEHR ALS 30V trennen kann. Das ist der > Punkt. Seit wann ist es Thema dass er die 3 A bei mehr als 30 VDC trennen können muss? Mal ganz davon ab können das beide von mir verlinkte Beispiele. Possetitjel schrieb: > Dir wird aufgefallen sein, dass dieser Schalter WESENTLICH > größer ist als der erste. Nur als Anmerkung. Ins Datenblatt der Schalter hast du nicht wirklich reingeschaut, oder? Dir muss doch sonst aufgefallen sein, dass bei gleicher Ausführung beide Typen gleich groß sind. Du hast doch jetzt nicht ernsthaft den einpoligen Schalter vom ersten Beispiel mit dem dreipoligen Schalter des zweiten Beispiels verglichen? Possetitjel schrieb: > Zwei mal 30V in Reihe sind aber schon 60V, und das verträgt > der Schalter nicht. Ja wenn man genügend LNGs zusammen schaltet wird nicht nur für den Schalter eng. Ich sagte oben ja schon, dass man einen passenden Schalter auswählen muss. Wenn man jetzt als Anforderung 60 V hat dann muss man sich auch einen raus suchen, der 60 V kann. Und wenn man 100 V hat dann eben einen der 100 V kann. Auch sinnvoll kann es sein mit dem Schalter ein Relais zu schalten. Ach, es gibt da so viele Möglichkeiten aber wem erzähl ich das? Das weißt du ja selbst.
M. K. schrieb: > Possetitjel schrieb: >> Es geht nicht darum, dass er 3A DC trennen kann, sondern >> es geht darum, dass er 3A DC BEI MEHR ALS 30V trennen kann. >> Das ist der Punkt. > > Seit wann ist es Thema dass er die 3 A bei mehr als 30 VDC > trennen können muss? Mal ganz davon ab können das beide von > mir verlinkte Beispiele. Der von Dir zitierte Beitrag ist ausdrücklich nur als Nachtrag gekennzeichnet; lies meine ursprüngliche Antwort. Da steht alles; ich habe keine Lust, alles dreimal zu tippen.
So. Vor zwei Tagen hatte ich angekündigt, zu den technischen Details noch mal extra etwas schreiben zu wollen. Hier kommt es. Gerhard O. schrieb: > Vielleicht wäre es ein guter Zeitpunkt die ganzen in Frage > kommenden Designs in einer Excel Tabelle im Detail zu > katalogisieren um die nötige Übersicht nicht zu verlieren. Ja, auf jeden Fall. Freiwillige werden noch gesucht... :) > Auch wäre ein Design Dokument/Pflichtenheft nicht schlecht, > welches alle hier schon aufgeführten Wünsche berücksichtigt. Dafür gibt es ja schon einen Entwurf (den ich noch ergänzen muss. Dank an alle für das Feedback.) > Wie meine ich das? Z.B. Beim ELO Design ist der Strombezugs- > punkt an Plus Out und der Spannungsbezugspunkt auf Masse. Das > kompliziert das Leben für diejenigen, die dirses Design. It > einem uC verbinden wollen. > > Bei einem anderen hier vorgestellten Design sind sowohl U und > I auf Masse und der Strommesswiderstand am Masse Eingang vom > Gleichrichterteil. Hier ist uC Interface günstiger. Wir reden, wenn ich das richtig sehe, vom ELO2 (Beitrag von Wilhelm Schürings) im Vergleich zum LN2 (Beitrag von Ralf Leschner). Genauso interessant wie die Unterschiede sind ja die Gemeinsam- keiten: 1. Der Spannungsregler arbeitet als nicht-invertierender Verstärker mit V>1. Das hat die angenehme Folge, dass U_a_max größer sein kann als U_ref. Man kann beides mehr oder weniger unabhängig wählen. 2. Der Längstransistor ist ein Spannungsfolger zum OPV. U_a_max wird durch die maximale Ausgangsspannung des OPV beschränkt. Mehr als ca. 25V ist also nicht so einfach drin. 3. Die Ausgangsspannung wird durch die mit einem Poti geteilte Referenzspannung festgelegt. 4. Der Stromregler greift direkt am Längstransistor an. Das hat die Folge, dass der Spannungsregler voll aufdreht, wenn der Stromregler abregelt. (Führt das zu Überschwingen, wenn die Last schlagartig kleiner wird? Vermutlich.) Die rustikale Brückenschaltung zur Strommessung im ELO mit der 1N4148 als Spannungreferenz finde ich etwas... grobschlächtig. Letztlich scheint es für die Stromerfassung nur die beiden Möglichkeiten zu geben: Shunt hinter Längstransistor oder Shunt in Masseleitung. Oder gibt es noch weitere? Interessant wäre, ob es Unterschiede im dynamischen Verhalten zwischen beiden Varianten gibt -- und wenn ja, warum. > Beim HP (Fliegender Regler) sind die Regelbezugspunkte auf > dem Plus Sense/Ausgang. Auch hier ist uC Steuerung und > Überwachung einfach. Kannst Du das mal bitte näher erläutern? Du hast das HP-Design schon öfter erwähnt, aber ich kann mir nichts rechtes darunter vorstellen. Weiterführend: ArnoR hat öfter eine Topologie erwähnt, die für den Spannungsregler einen INVERTIERENDEN Verstärker verwendet. Ich bemühe mich noch, da durchzusteigen, aber interessant wäre, ob das grundsätzlich neue Möglichkeiten bietet. Lurchi hat Topologien erwähnt, die eine Hilfsspannung erfordern, aber auch da verlässt mich die Vorstellungskraft. Ich bin für Erleuchtung dankbar. > Dann kommt noch die Wahl des PCB CAD Programms dazu. Jeder > ist sein Programm schon gewöhnt. Diese Frage wird wahrscheinlich > schwierig zu lösen zu sein. Für Variantenvergleich und Simulation müssten erstmal Schaltpläne erfasst werden. Das könnte ich schon tun -- aber ich kann erstmal nur geda/gschem anbieten. Kann man das irgendwie konvertieren bzw. in KiCAD importieren? Welche Möglichkeiten gibt es noch? Ich bitte um Feedback.
Der Shunt an der Masse und der Shunt am Ausgang sind die beiden besseren Möglichkeiten. Es geht im Prinzip auch der Shunt am Kollektor bzw. dann besser Drain. Dies hat aber vor allem den Nachteil, dass man das Stromsignal noch einmal von der High side auf die low side bringen muss - im Prinzip ja, aber es macht die Sache nur schwieriger und mit BJTs auch noch ungenauer. Der Shunt direkt am Emitter hat den Vorteil, dass man für die Parallelschaltung von mehr Transistoren dort sowieso einen Widerstand braucht. Eine Hilfsspannung bracht die klassische LDO Regler-Schaltung, etwas das oben verlinkte ELV Netzteil. Auch viel HP Netzteile und andere kommerzielle sind so aufgebaut. Wenn man eine wirklich universelle Schaltung / Platine entwickeln will, wäre das auch die beste Wahl. Im Prinzip ginge die gleiche Platine für 5 V oder 500 V. Die Endstufe arbeitet da als invertierender Verstärker. Die Schaltung braucht als LDO aber einen deutliche Kapazität am Ausgang. Bei den kommerziellen Geräten sind da einige 100 µF üblich - und kaum einer stört sich dran. Die Frage wäre eher, ob es nicht auch einfacher (insbesondere ohne die Hilfsspannung) und ggf. mit weniger Kapazität am Ausgang geht. Das geht im Prinzip mit Schaltung als Emitterfolger.
Possetitjel schrieb: > Der von Dir zitierte Beitrag ist ausdrücklich nur als Nachtrag > gekennzeichnet; lies meine ursprüngliche Antwort. Da steht alles; > ich habe keine Lust, alles dreimal zu tippen. 1. Meinen Post hättest du auch komplett lesen können 2. Kein Problem: Possetitjel schrieb: > Ich würde nur gern erreichen, dass der Regelbaustein, den wir > hier diskutieren, auch für Reihen- und Parallelschaltung geeignet > ist. Zwei mal 30V in Reihe sind aber schon 60V, und das verträgt > der Schalter nicht. Deswegen ist mir die Möglichkeit der > elektronischen Abschaltung wichtig. Wer es nicht will, lässt es weg, > das ist ja kein Thema -- aber generell unnötig oder überflüssig es > es deswegen noch lange nicht. Und nochmal: Seit wann ist die Reihenschaltung Thema? Also vor deinem Post bzgl. der Schalter? Hab ich definitiv verpasst. Und mir ist noch was gekommen: Grade die Reihenschaltung spricht gegen die Lösung die Sollwertvorgabe auf 0 zu setzen. Grund hierfür ist recht eindeutig: Bleiben wir bei den 60 V, jetzt will man abschalten und drückt bei einem Netzteil den Knopf DC Off, dann wird mit eurer Lösung nur das Netzteil auf 0 V gefahren, d.h. an der Schaltung liegen dann immer noch 30 V an. Das "abgeschaltete" Netzteil ist dann lediglich ein Kurzschluss, das Netzteil, dass noch an ist, kann immer noch Leistung in die angeschlossene Schaltung pumpen. Jetzt klar, man wird sagen man muss ja auch immer beide Netzteile schalten: Der Mensch ist von Natur aus faul, dieser "Fehler" sollte auf jeden Fall berücksichtigt werden. Nichts für ungut, ich finde das toll was du hier machst. Und zur Erinnerung, nicht dass sich noch jemand ungut fühlt: Ich sage ja nicht, dass die Lösung des Wegschaltens durch 0 setzen der Ansteuerung blödsinn ist, ich meine nur, dass ich mich dabei nicht wohl fühlen würde und lieber die Ausgänge direkt wegschalten würde. Und wem ein Schalter zu unsicher ist der nimmt ein Relais dafür.
Entschuldigung, einmal blöd gefragt: Ich lese oft "Ausgang wegschalten". Zu meinem Verständnis nehme ich an, daß der Ausgang direkt an den Klemmen geschaltet wird, und das eigentliche NG noch voll an Netzspannung hängt - Hat dies irgendeine Bewandtnis, warum nicht die Eingangsseite im Allgemeinen vom Netz getrennt wird? MfG Eppelein
Eppelein V. schrieb: > Ich lese oft "Ausgang wegschalten". > Zu meinem Verständnis nehme ich an, daß der Ausgang direkt an den > Klemmen geschaltet wird, und das eigentliche NG noch voll an > Netzspannung hängt - > > Hat dies irgendeine Bewandtnis, warum nicht die Eingangsseite im > Allgemeinen vom Netz getrennt wird? Na das dauert ja ewig bis das Netzteil die Siebelkos lädt und die Ausgangsspannung wieder hochregelt, zudem neigen manche primitiven Designs (NGRU 45 und NGSM 32/10, HMC8043 von Rhode&Schwarz) dazu bei Ein- oder Ausschalten eine Spannungsspitze zu erzeugen die die angeschlossene Schaltung himmelt. Auch stellt man gerne bei abgeklemmtem Ausgang den Maximalstrom ein bevor man ihn auf die Last loslässt. Ein einfacher primitiver Schalter am Ausgang tut es, zusätzlich wäre dabei eine Umschaltung auf Stromanzeige im Kurzschlussfall nett.
Hallo Mal was zum wegschalten der Ausgangsspannung. Ich dreh meine Strombegrenzung immer auf null. Geht schnell und ich muss keine Stecker ziehen. Beim wieder hochdrehen seh ich sofort ob die Aufnahme ok ist. Keine Lösung für Euch?
Manfred H. schrieb: > Keine Lösung für Euch? Es spielt doch überhaupt keine Rolle, es geht hier um ein Selbstbaugerät das jeder so bauen kann wie er will, da musst du deinen dir ausreichenden Workaround nicht als Alleweltheilmittel erzwingen. Lass sie doch so bauen wie sie wollen. Daß ein Netzteil bei schlarartigem anlegen der Last gutmütig raufregeln muss, ist Pflicht. Es muss das auch beim Ein/Ausschalten des Netzschalters tun.
Beitrag #5181671 wurde von einem Moderator gelöscht.
Michael B. schrieb: > Eppelein V. schrieb: >> Ich lese oft "Ausgang wegschalten". >> Zu meinem Verständnis nehme ich an, daß der Ausgang direkt an den >> Klemmen geschaltet wird, und das eigentliche NG noch voll an >> Netzspannung hängt - >> >> Hat dies irgendeine Bewandtnis, warum nicht die Eingangsseite im >> Allgemeinen vom Netz getrennt wird? > > Na das dauert ja ewig bis das Netzteil die Siebelkos lädt und die > Ausgangsspannung wieder hochregelt, zudem neigen manche primitiven > Designs (NGRU 45 und NGSM 32/10, HMC8043 von Rhode&Schwarz) dazu bei > Ein- oder Ausschalten eine Spannungsspitze zu erzeugen die die > angeschlossene Schaltung himmelt. Auch stellt man gerne bei abgeklemmtem > Ausgang den Maximalstrom ein bevor man ihn auf die Last loslässt. > > Ein einfacher primitiver Schalter am Ausgang tut es, zusätzlich wäre > dabei eine Umschaltung auf Stromanzeige im Kurzschlussfall nett. Danke für die Erkärung. Daß heißt dann quasi, zuerst den Ausgang freischalten und anschließend die Netzspannung. Noch nie bei einem NG, sei es in den Laboren, Funkern oder sonst wo gesehen. MfG Eppelein MfG Eppelein
Possetitjel schrieb: > ArnoR hat öfter eine Topologie erwähnt, die > für den Spannungsregler einen INVERTIERENDEN Verstärker > verwendet. Ich bemühe mich noch, da durchzusteigen, aber > interessant wäre, ob das grundsätzlich neue Möglichkeiten > bietet. Ich sehe da keine grundsätzlich neuen Möglichkeiten. Die Unterschiede sind so wie immer bei invertierend/nichtinvertierend. Der invertierende Verstärker hat den Vorteil der konstanten Gleichtaktspannung, das war der Grund für die Wahl. Wer möchte, kann die Schaltung auch nichtinvertierend betreiben. Man muss nur Offseteingang und Steuereingang vertauschen. Man bekommt dann aber eine ausgangsspannungsabhängige Gleichtaktaussteuerung. Der Vorteil beider Schaltungen ist die Einstellbarkeit der Ausgangsspannung bis praktisch 0V ohne negative Hilfsspannung und dabei die Möglichkeit eine Schaltung oder einen OPV zu verwenden, die eingangsseitig nicht bis 0V arbeiten können.
Sind ihr noch bei der einfachen, robusten und nachbausicheren Linear-Netzteilschaltung mit 20V / 1A oder plant ihr hier das weltraumtaugliche, atomwaffensichere, voll scalierbare Super-Duper-Universalnetzteil, was alle Industriegeräte in den tiefschwarzen Schatten stellt? Reihenschaltung von Netzteilen ist ein Sonderfall, wer sowas braucht, ist hier im Thread falsch. Meine Meinung. Blackbird
Für 0-20V und Max 1A kann man doch auch prima sowas hier nehmen: https://de.aliexpress.com/item/0-30V-DC-Regulated-Power-Supply-DIY-Kit-Continuously-Adjustable-Short-Circuit-Current-Limiting-Protection-DIY/32807410415.html
Chinamann schrieb: > Für 0-20V und Max 1A kann man doch auch prima sowas hier nehmen: > https://de.aliexpress.com/item/0-30V-DC-Regulated-Power-Supply-DIY-Kit-Continuously-Adjustable-Short-Circuit-Current-Limiting-Protection-DIY/32807410415.html Das wäre zu einfach... Du solltest mit Vorschlägen so lange warten, bis sich die Koniferen in diesem Thread auf eine Abschaltung der Nutzspannung geeinigt haben. Dauert höchstens noch 24 Seiten. Dein von dir verlinktes Netzgerät hat aber zumindest eine (gute) Bewertung, die ich euch nicht vorenthalten möchte: diese schaltung spannung kann von 0 v, ausgangsstrom kann ma 2-3 a stufenlos einstellbar, den ausgangsstrom, wenn die experiment schaltung der überschreitet strom (einschließlich kurzschluss), die schaltung schutz sofort, nicht verursachen gefahr wie brenn gerät, es ist elektronische herstellung der rechte hand. es ist nie angst vor der feuerwerk! wie machen alle arten von audio schaltung freund, oft aufgrund der unterschiedlichen betriebsspannung und schaltung haben kopfschmerzen, diese schaltung kann auch zwei in eine dual netzteil, können die bedürfnisse von alle arten von verwenden.
Mal ein Vorschlag: U: 0-30V I: 0-4A Oft werden höhere Ströme -->2A benötigt und da macht es schon Sinn, wenn man genügend Reserven nach oben hat. Etwaig könnte man das NG so konzipieren, daß eine Erweiterung schaltungstechnisch für mehr I möglich ist, jeder einzelne jedoch selbst darüber entscheiden kann, wie er sein NG letztendlich auslegt. Eine "Grundschaltung" wäre nicht übel zu konzipieren und darauf dann aufbauen.... Würde hinsichtlich ja gerne anfangen, jedoch fehlt mir das nötige Wissen! MfG Eppelein
Achim B. schrieb: > es ist nie angst vor der > feuerwerk! Ich auch nie Angst vor Feuerwerk -weil: Baue ich solide Apparat mit rechte Hand! Audio-Schaltung-Freund Paul
Das Aus Ali-express verlinkte Netzteil ist wohl ein verbreiteter Bausatz. Nicht ganz schlecht, aber mit dem üblichen chinesischen Übertreibungen. Für reduzierte Leistung (ca. 15-20 V und 2 A) ggf. akzeptabel. Wegen der OPs darf die Versorgungsspannung bei weitem nicht so hoch werden wie im Angebot beschrieben. Zu der Schaltung finden sich ausführliche Diskussionen mit einiges an kleineren Variationen. Ein Seite mit Diskussionen dazu findet sich etwa hier: http://electronics-lab.com/community/index.php?/topic/40835-0-30v-0-3a-latest-data/ Die Schaltung hat schon auch einige gute Punkte und wäre vom Prinzip ein Startpunkt. Die Frage wäre dort welche der vielen Varianten. Für die Negative Hilfsspannung per Ladungspumpe wird die Versorgung per Trafo benötigt. Ein Relais am Ausgang wäre ggf. hilfreich, aber wegen DC Strom ggf. nicht ganz trivial . Für eine einfaches Netzteil ließe sich das Funken-problem lösen, indem man zusätzlich die Endstufe ausschaltet. Maximal hat man dann die Energie aus dem Ausgangskondensator - bei 2 in Reihe bliebe noch die Spannung des anderen Netzteils oder man müsse da auch einen zusätzliche Kopplung haben um beide zusammen auszuschalten. Für nicht so hohen Strom könnte man ggf. einfach 2 Kontake in Reihe nutzen und so auch eine etwas höhere Spannung trennen.
Dieses Netzteil ist von Siemens 1968 entwickelt worden, es enthält also keine Germaniumtransistoren mehr :) Durch Ersetzen des Spannungsteilers 2k und 1k2 durch ein Poti und die 4V7 durch eine 6V2 Z-Diode (weil automatisch temperaturstabil), kann man ein regelbares Netzteil von 5 bis 30 Volt ohne OPV und nur aus diskreten Bauelementen herstellen. Der 0R82 Widerstand wird durch einen 1R5 ersetzt, dann kann man die Strombegrenzung von 0,5 bis 2 Ampere einstellbar machen. Desweiteren werden die Transistoren durch modernere Typen ersetzt (BC337 und BC327) und statt zwei einzelne Längstransistoren wird ein kompakter Darlington ähnlich BD643 eingesetzt. Das ist nur ein Vorschlag, bitte nicht schimpfen (Immerhin konstruktiver als sich über Schalter zu unterhalten)
Michael M. schrieb: > Das ist nur ein Vorschlag, bitte nicht schimpfen Doch. > Spannungsteilers 2k und 1k2 durch ein Poti und die 4V7 durch eine 6V2 > Z-Diode (weil automatisch temperaturstabil), kann man ein regelbares > Netzteil von 5 bis 30 Volt ohne OPV und nur aus diskreten Bauelementen > herstellen. Kaum, wenn man die Z-Diode durch 6V2 ersetzt, kann man erst ab 7V regeln. Und auch die Z-Diode an der LED ist .... verschlimmbessernd. Michael M. schrieb: > und statt zwei einzelne Längstransistoren wird ein kompakter > Darlington ähnlich BD643 eingesetzt. Tunlichst nicht, weil du dann keine 2k2 anschliessen kannst, die machen nämlich das runterregeln schneller. Solche nur-Transistor Netzteile sind manchmal nett weil sie schneller regeln als alte OpAmps. Aber die Stabilisierung und vor allem der Übergang Strom/Spannungsregelung ist sehr weich, als Labornetzteil wurde das schon damals nicht bezeichnet, sondern asl Akkulader, und so sollte es auch bleiben. > dann kann man die Strombegrenzung von 0,5 bis 2 Ampere einstellbar machen. Wenn man das 100R Poti durch 25 Ohm Festwiderstand und 75R Poti ersetzt, sonst kann man leider höher regeln als die Transistoren aushalten. > Desweiteren werden die Transistoren durch modernere Typen ersetzt (BC337 > und BC327) und statt zwei einzelne Längstransistoren wird ein kompakter > Darlington ähnlich BD643 eingesetzt. Erschreckend daß Siemens damals den 2N3055 empfahlen, obwohl in der restlichen Schaltung nur proprietäre Siemens Transistoren stecken. Konnten die etwa nichts was 2A bei 30V im SOA aushält ?
Michael B. schrieb: > Erschreckend daß Siemens damals den 2N3055 empfahlen, obwohl in der > restlichen Schaltung nur proprietäre Siemens Transistoren stecken. > Konnten die etwa nichts was 2A bei 30V im SOA aushält ? Siemens hatte ebenfalls den 2N3055 hergestellt. Ansonsten nimmst du eben den BD182.
Blackbird schrieb: > Reihenschaltung von Netzteilen ist ein Sonderfall, wer sowas braucht, > ist hier im Thread falsch. Meine Meinung. Michael M. schrieb: > (Immerhin konstruktiver als sich über Schalter zu unterhalten) Da muß ich (aus meiner Sicht) widersprechen. Ich persönlich würde ein Design, das dies zumindest ermöglicht, anstreben. (Wegen des höheren Spannungsbereiches, und zusätzlich der Möglichkeit einer symmetrische Versorgung mit variabler Spannung und Strombegrenzung.) Oben war mehrfach (!) die Rede davon, und im Gegensatz zu M. K. schrieb: > Seit wann ist die Reihenschaltung Thema? Also vor deinem > Post bzgl. der Schalter? Hab ich definitiv verpasst. hatte ich das Thema Reihenschaltung nicht nur nicht verpaßt, sondern bis vor wenigen Posts noch als sicher (es wurde stark thematisiert) gesehen. Erste Erwähnung: Beitrag "Re: Labornetzgerät - Fragen zum Schaltplan" Lurchi schrieb: > bei 2 in > Reihe bliebe noch die Spannung des anderen Netzteils oder man müsse da > auch einen zusätzliche Kopplung haben um beide zusammen auszuschalten. Na ja... man könnte doch diese Möglichkeit der Reihenverschaltung auf der Platine grundsätzlich haben. Denn ein paar Sachen nicht zu bestücken / zu montieren, wenn man´s nicht braucht, ist nicht schwer. Umgekehrt aber... :-(
Gerade hier ein neuer Tag für mich... Nach Lesen der neuesten Beiträge über die DC Abschaltung und die möglichen Probleme damit, kam mir noch ein Gedanke wie das mit mehreren selbstgebauten LNGs problemfrei machbar wäre und zur Debatte stellen möchte. Ich persönlich bevorzuge die elektronische Abschaltungs Methode ähnlich wie ich es bei mir gemacht hatte. Um so ein Prinzip gleichzeitig auf mehrere LNGs ausdehnen zu können, müßte man einen "Abschaltbus" zur Koordination einführen welche die LNGs in Wired OR Manier zusammen linkt. Wie wäre es damit: Jedes LNG erhält auf der Rückseite zwei Buchsen die mit der internen Trennungsschaltung in Verbindung steht und so ausgeführt ist, bei Kurzschluß zweier Drähte die Abschaltung zu aktivieren. Diese Buchsen erlauben dann die LNGs in Daisy Chain Topologie zusammenzuschalten. Diese beiden Buchsen sind natürlich in Parallel geschaltet und mit den Schaltern auf der LNG Frontplatte verbunden. Diese Abschalt Schnittstelle muß natürlich galvanisch getrennt sein. Sobald die Buchsen auf irgendeinen LNG kurzgeschlossen werden, schalten alle LNGs gleichzeitig aus. Dieses Konzept gefällt mir weil jedes LNG die Abschaltung ohne Rücksicht auf die anderen LNGs vornehmen kann. Es gibt also keinen MASTER. Durch die galvanische Isolation ergeben sich keine Rückwirkungen auf die Funktion der einzelnen LNGs. Wegen der möglichen Gefahren einer Lichtbogenbildung mit Schaltkontakten möchte ich zur Verwendung elektronischer Methoden plädieren. Comments Invited:-) oder was denkt ihr darüber? Ist nur ein Vorschlag.
Michael B. schrieb: > Kaum, wenn man die Z-Diode durch 6V2 ersetzt, kann man erst ab 7V > regeln. Negativ. Es kommen zwar noch die 0,7V vom BCY59 dazu, aber genauso müssen auch wieder 1,4V (Darlington) abgezogen werden. Also 5,5V. Michael B. schrieb: > Und auch die Z-Diode an der LED ist .... verschlimmbessernd. Korrekt. Kann (muss) weggelassen werden! Michael B. schrieb: > Tunlichst nicht, weil du dann keine 2k2 anschliessen kannst, die machen > nämlich das runterregeln schneller. Lass ich gelten. Michael B. schrieb: > Wenn man das 100R Poti durch 25 Ohm Festwiderstand und 75R Poti ersetzt, > sonst kann man leider höher regeln als die Transistoren aushalten. Richtig. Oder besser 33R und 100R Poti A. K. schrieb: > Siemens hatte ebenfalls den 2N3055 hergestellt. Ansonsten nimmst du eben > den BD182. Im Urschaltplan war auch keine 1N5401 drin und vermutlich war sogar tatsächlich der BD182 oder ein BDX-Typ drin. dfg schrieb: > Da muß ich (aus meiner Sicht) widersprechen. Ich persönlich würde ein > Design, das dies zumindest ermöglicht, anstreben. Ein Doppelnetzteil ist in der Tat anzustreben, weil die Monoschaltung dann einfacher gestaltet werden kann. Durch Reihen- oder Parallelschalten wird das Endprodukt vielseitiger einsetzbar.
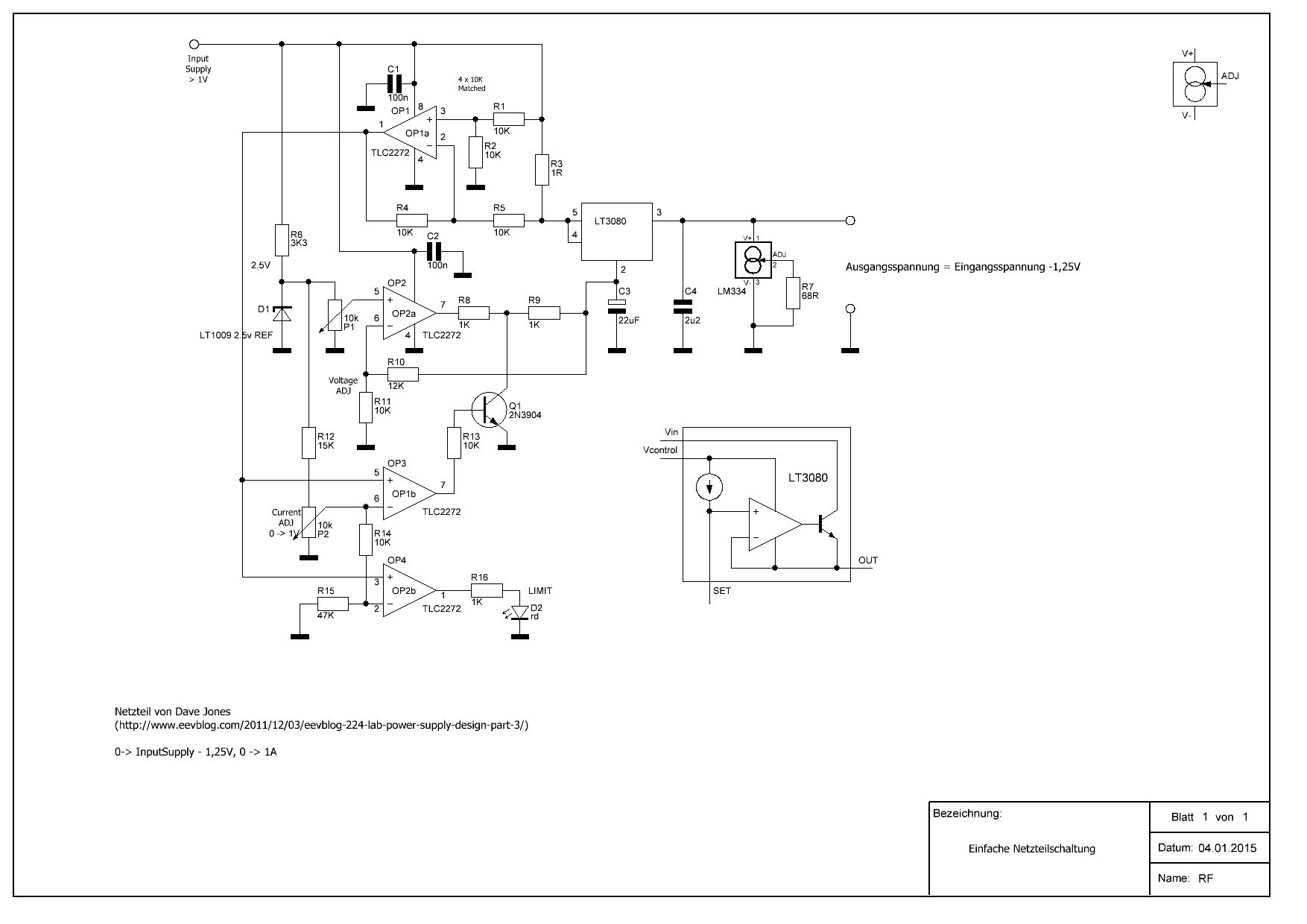
Blackbird schrieb: > Reihenschaltung von Netzteilen ist ein Sonderfall... Reihenschaltung ist kein wirkliches Thema solange jedes einzelne in Frage kommende LNG eine Verpolungsdiode ausreichender Größe parallel zum Ausgang hat, so daß kein LNG durch Fehlfunktion eine externe Falschpolung erleidet. In der HP App Note 90 ist das genau beschrieben.
Michael M. schrieb: > Dieses Netzteil ist von Siemens 1968 entwickelt worden... Ich mag diese alten nostalgischen diskret ausgeführten Schaltungen. Ein damaliger Klassiker. Allerdings wäre ein LM723 dafür auch gut geeignet oder ein L200.
Eppelein V. schrieb: > Oft werden höhere Ströme -->2A benötigt... Die meisten Designs lassen sich ohne Große Probleme etwas skalieren. Man muß halt hauptsächlich die Leistungsteile anpassen.
Possetitjel schrieb: >> Vielleicht wäre es ein guter Zeitpunkt die ganzen in Frage >> kommenden Designs in einer Excel Tabelle im Detail zu >> katalogisieren um die nötige Übersicht nicht zu verlieren. Das ginge eigentlich als kooperatives Unterfangen nur in der Cloud oder Dropbox, Github. Weiß eigentlich nicht wie das gruppenmäßig hier am Besten machbar ist.
Gerhard O. schrieb: > Die meisten Designs lassen sich ohne Große Probleme etwas skalieren. Man > muß halt hauptsächlich die Leistungsteile anpassen. Du sagst aber selbst: "hauptsächlich"... Das meinte ich oben mit "auch für Anfänger". Der Anfänger ist sich - trotz eventuell einfacher Lösung - oft unsicher, welche Auswirkung welche Schaltungsveränderung mit sich bringt. Deswegen erwähnte ich, daß verständliche Erklärungen, was man wie löst, hilfreich wären. Was dabei wie genau funktioniert. Und folglich, welche Änderung keine, und wenn doch, welche Auswirkungen genau mit sich bringt. Damit sich "der Skalierende" wirklich sicher sein kann, vermeidbare Beeinträchtigung(en) zu vermeiden, sowie unvermeidbare auf ein Minimum zu reduzieren. (Und deren Größenordnung einschätzen zu können.) Also ähnlich sicher, als hätte er die Schaltung unverändert übernommen. (Ich kenne nämlich so einige Threads in diversen Foren, in denen genau das ellenlang diskutiert wurde. Und es werden mehr.) Dazu ist allerdings nicht unbedingt jetzt die richtige Zeit. Nur wollte ich den Gedanken nochmal "schriftlich festhalten".
Michael M. schrieb: > Michael B. schrieb: >> Kaum, wenn man die Z-Diode durch 6V2 ersetzt, kann man erst ab 7V >> regeln. > > Negativ. Es kommen zwar noch die 0,7V vom BCY59 dazu, aber genauso > müssen auch wieder 1,4V (Darlington) abgezogen werden. Also 5,5V. Nein, weil ja der Darlington in der Regelschleife liegt. Die Spannung hinter dem Darlington, am auf 0 gestellten Poti, muss die Spannung der Zenerdiode + die UBE des Transistors übersteigen können sonst wird nicht runtergeregelt, also 7V Miniumum einstellbar. Für einen Bleiakkulader gerade eben nicht mehr ok weil man dann keine 6V Akkus mehr mit 6.9V dauerladen kann, für ein Labornetzteil ein no-go, das sollte schon ab 0 (oder zumindest wenigen Millivolt) starten können. Heute baut man solche Regelschleifen mit einem TL431 auf, der ersetzt den BCY und die Z-Diode. Michael M. schrieb: > Oder besser 33R und 100R Poti Ja, passt sicher.
Gerhard O. schrieb: > Possetitjel schrieb: >>> Vielleicht wäre es ein guter Zeitpunkt die ganzen in Frage >>> kommenden Designs in einer Excel Tabelle im Detail zu >>> katalogisieren um die nötige Übersicht nicht zu verlieren. > > Das ginge eigentlich als kooperatives Unterfangen nur in der Cloud oder > Dropbox, Github. Weiß eigentlich nicht wie das gruppenmäßig hier am > Besten machbar ist. Wiki. Viel universeller und viel einfacher lesbar.
Michael B. schrieb: > Gerhard O. schrieb: >> Possetitjel schrieb: >>>> Vielleicht wäre es ein guter Zeitpunkt die ganzen in Frage >>>> kommenden Designs in einer Excel Tabelle im Detail zu >>>> katalogisieren um die nötige Übersicht nicht zu verlieren. >> >> Das ginge eigentlich als kooperatives Unterfangen nur in der Cloud oder >> Dropbox, Github. Weiß eigentlich nicht wie das gruppenmäßig hier am >> Besten machbar ist. > > Wiki. > > Viel universeller und viel einfacher lesbar. Oh. Danke. Das kam mir überhaupt nicht in den Sinn.
Michael B. schrieb: > Erschreckend daß Siemens damals den 2N3055 empfahlen, obwohl in der > restlichen Schaltung nur proprietäre Siemens Transistoren stecken. > Konnten die etwa nichts was 2A bei 30V im SOA aushält ? A. K. schrieb: > Siemens hatte ebenfalls den 2N3055 hergestellt. Hi, SH heißt Siemens und Halske? https://www.mikrocontroller.net/attachment/303565/Siemens_2N3055_equ_BD130.jpg ciao gustav
dfg schrieb: > Nur wollte ich den Gedanken nochmal "schriftlich festhalten Die Skalierung sollte idealerweise von Anfang ab in parallel zum Design erfolgen. Auch sollte man sich Gedanken zum Verlustleistungs Management machen. Beim Original Anatek LNG (LM324 Version) wurde im Handbuch die ganzen verschiedenen Komponenten Werte gelistet um den Bereich von 1A bis 10A und 10V bis 100V abstrecken zu können. Da könnten wir genauso machen. Für ein 1-2A LNG mit, sagen wir 0-30V, hätte ich noch ein Konzept zum Umschalten der Trafowicklungen. Mit zwei Ringkerntrafos von jeweils 2x 22V (1A) und 2x 7V kann man mit drei Relais die Spannungen in der Folge 7, 14, 22, 29 und 36V umschalten. Da ist dann die Verlustleistung immer unterhalb von 10W. Ein Tiny könnte die Relaissteuerung übernehmen. Mit den Nachteilen von Relais Schalten kann man in der Praxis meist leben. Warum diese Spannungsfolge? Weil die für oft vewendete Ausgangsspannung minimale Verlustleistung verursacht. Bei 5V am Ausgang ist nur die 7V Wicklung aktiv. Bei 12V nur die 14V, Bei 15V nur 22V Bei 24V nur die 29V Der Tiny uC könnte dann noch die Differenzspannung messen und notfalls wenn es eng wird auf den nächst höheren Bereich schalten. Irgendwie finde ich das günstig.
Gerhard O. schrieb: > Ein Tiny könnte die Relaissteuerung übernehmen. Da würde ich lieber einen Schmitt-Trigger nehmen für. So ein Tiny kann sich ja auch mal Aufhängen... Gerhard O. schrieb: > Bei 5V am Ausgang ist nur die 7V Wicklung aktiv. > Bei 12V nur die 14V, > Bei 15V nur 22V > Bei 24V nur die 29V Nur 2 V über dem, was man am Ausgang haben will...wird das nicht etwas eng? Ich mein so ein 2N3055 braucht doch schon etwas Power über Kollektor-Emitter damit er auch 1/2/3 Ampere liefern kann. Dann geht noch was für den Gleichrichter ab und den Ripple der Siebung ist auch nicht unbedingt ohne. Ich hätte da jetzt eher was um die 4 V über der maximalen Ausgangsspannung erwartet.
M. K. schrieb: > Nur 2 V über dem, was man am Ausgang haben will...wird das nicht etwas > eng? Oh Schreck, nach dem Lichtbogenschalter der nächste riesige Konfrontationspunkt zwischen Theorie und Praxis. Ick mach den Anfang: Vernünftiger Trafo und fetter Ladeelko sind Voraussetzung, dann gibts null Problem.
M. K. schrieb: > Gerhard O. schrieb: >> Ein Tiny könnte die Relaissteuerung übernehmen. > > Da würde ich lieber einen Schmitt-Trigger nehmen für. So ein Tiny kann > sich ja auch mal Aufhängen... > > Gerhard O. schrieb: >> Bei 5V am Ausgang ist nur die 7V Wicklung aktiv. >> Bei 12V nur die 14V, >> Bei 15V nur 22V >> Bei 24V nur die 29V > > Nur 2 V über dem, was man am Ausgang haben will...wird das nicht etwas > eng? Ich mein so ein 2N3055 braucht doch schon etwas Power über > Kollektor-Emitter damit er auch 1/2/3 Ampere liefern kann. Dann geht > noch was für den Gleichrichter ab und den Ripple der Siebung ist auch > nicht unbedingt ohne. Ich hätte da jetzt eher was um die 4 V über der > maximalen Ausgangsspannung erwartet. Wenn ich die Trafos selber wickeln würde, dann hätte ich diese Probleme von Haus aus nicht. 8-9V wäre da günstiger. Das ist klar. Praktisch hatte ich hier diesbezüglich aber hier noch keine Probleme bei solch knappen Werten. Wie Du schon sagst, Das ist der Nachteil von NPN Emitterfolgern. Bei PNP kann man sich in der Hinsicht weit mehr erlauben. Ich habe mir meistens für meine LNGs die Trafo selber gewickelt oder umgewickelt. Übrigens, bei uns sind die Trafos meist noch für 115V ausgelegt, die Netzspannung liegt aber um 120V. Da ist schon die Lehrlaufspannung über 8V. 2x 24V (26 wäre besser) sollte auch kein Problem sein, 2x9V müsste auch erhältlich sein. Man müsste mal recherchieren. Idealerweise sollten die Trafos nach Maß berechnet und gewickelt werden. Aber wer hat schon diese Möglichkeit. Abgesehen davon, dan müßte halt der Spannungs Diskriminator in solchen Fällen bei ungenügender Differenzspannung eben die nächsthöhere Stufe einschalten. Übrigens beim LNG30 gibt es dieses Problem schon von Haus aus auch deswegen nicht weil die spezielle Endstufenschaltung den Basisstrom des Emitterfolgers von der höheren Versorgungs Spannung bereitstellt und der NPN damit fast in den Sättigungsbereich getrieben werden kann. Schau Dir mal das Anatek Manual für die LM324 Version an. Naja, man müsste das ganze mal ausarbeiten Visavis den erhältlichen Trafos um eine günstige Abstufung erzielen zu können.
Da ich auch ein Netzteil (0-40V) brauche mal meine Frage: Hat jemand auch einen Plan für ein vom PC einstellbares Netzteil? Oder wenigstens einen Tipp! Im Grunde sowas wie das HM8142 suche ich, halt nur viel günstiger und mit USB / Serial. VG, Peter
icke mal schrieb: > Vernünftiger Trafo und fetter Ladeelko sind > Voraussetzung, dann gibts null Problem. Der Trafo wurde schon genannt. Ich rechne dir mal vor am von Gerhard geschrieben Beispiel mit den 5 V am Ausgang und der 7 V Trafo-Wicklung: 7 V AC Trafo macht ca. 7.9 V Pulsierende Gleichspannung nach dem Gleichrichter den ich mit 2 V Flussspannung bei 3 A Nennstrom annehme. Und hier können wir quasi schon das Rechnen einstellen: Ein 2N3055 braucht, um 1.5 A treiben zu können, eine Spannung über Kollektor-Emitter von deutlich mehr als 1 V, aus Erfahrung kann ich sagen dass 3 V schon knapp werden können...vorausgetzt natürlich mal will auch nicht in die Sättigung kommen was ja bei einem LNG mit Sicherheit der Fall ist (man will ja schnell reagieren können). Und jetzt noch den Ripple der gleichgerichteten Spannung dazu packen und es wird mit den 5 V am Ausgang verdammt eng mit der 7 VAC Wicklung. Und dass das Netz auch mal 10% weniger hat haben wir auch noch nicht berücksichtigt dabei. Gerhard O. schrieb: > Idealerweise sollten die Trafos nach Maß berechnet und gewickelt werden. > Aber wer hat schon diese Möglichkeit. Sehe ich ähnlich und denke auch, dass was von der Stange hier besser wäre für das angestrebte Projekt.
M. K. schrieb: > Und nochmal: Seit wann ist die Reihenschaltung Thema? > Also vor deinem Post bzgl. der Schalter? Hab ich > definitiv verpasst. Seit meinem ersten wirklich sachbezogenen Beitrag in diesem Faden; das war am 18.10. Dort schrieb ich: "Nun denn. Klopfen wir doch ein paar Eckpunkte fest. Meine Vorschläge: a) zweikanalig, reihen- und parallelschaltbar, b) Umax irgendwo zwischen 20V und 30V, c) Imax 1A..2A Begründung zu a): Reihen- bzw. Parallelschaltung vergrößert die Reichweite des Netzteiles drastisch, weil man die Wahl hat, doppelte Spannung, doppelten Strom oder zwei unabhängige Spannungen zu erzeugen -- aber das muss eben beim Entwurf der Schaltung vorgesehen werden. Später nachrüsten ist nicht. Mein Statron 3205 kann das, und es ist super." Die Eignung zur Reihenschaltung beim Entwurf vorzusehen ist natürlich ein VORSCHLAG, kein Dogma. Ich halte das aber für vernünftig, weil es einfacher ist, eine Sache wegzulassen (oder zu ignorieren), die man nicht braucht, als sie hinterher dranzupfuschen, wenn man sie doch benötigt. > Und mir ist noch was gekommen: Grade die Reihenschaltung > spricht gegen die Lösung die Sollwertvorgabe auf 0 zu setzen. > Grund hierfür ist recht eindeutig: Bleiben wir bei den 60 V, > jetzt will man abschalten und drückt bei einem Netzteil den > Knopf DC Off, dann wird mit eurer Lösung nur das Netzteil > auf 0 V gefahren, d.h. an der Schaltung liegen dann immer > noch 30 V an. Stimmt. Deswegen die Idee, ein Doppelnetzteil als Option vorzusehen -- dort kann man die Steuerknöpfe passend ver- drahten, so dass bei Reihenschaltung beide Kanäle abgeschaltet werden. > Nichts für ungut, ich finde das toll was du hier machst. Danke. > Und zur Erinnerung, nicht dass sich noch jemand ungut fühlt: > Ich sage ja nicht, dass die Lösung des Wegschaltens durch 0 > setzen der Ansteuerung blödsinn ist, ich meine nur, dass ich > mich dabei nicht wohl fühlen würde und lieber die Ausgänge > direkt wegschalten würde. Und wem ein Schalter zu unsicher > ist der nimmt ein Relais dafür. Nein... das ist schon alles in Ordnung so. Ich kann sowieso nicht festlegen, wie andere Leute ihre Netzteile aufbauen sollen :) (Und ich bin mir auch noch gar nicht sicher, wie ich die Abschaltung bei meinem eigenen Netzteil lösen würde.) Ich versuche nur, die verschiedenen Ideen und Wünsche zusammenzustellen und die Konsequenzen für das Gesamtkonzept zu bedenken. Andere können das gern anders sehen, aber für mich sind die Grenzwerte im Datenblatt bindend.
Mit einer zum Strom passenden 2V(3V?)-Wicklung, auf die man den Rest drauf setzt, lösbar? Würde die Gesamtverhältnisse verschieben, die günstigen Abstufungen blieben. (Übr. auch eine Möglichkeit für geringe neg. Hilfs-Spng.) Nur eine Idee, 2V sind schnell gewickelt (und passen meist leicht noch darauf) - wenn man hin kommt.
M. K. schrieb: > Sehe ich ähnlich und denke auch, dass was von der Stange hier besser > wäre für das angestrebte Projekt. Die zusätzlichen Wicklungsanzapfungen und Relaiskontakte mit dem ganzen Drahtverhau schreckt den unerfahrenen Selbstbauer doch nur ab. Natürlich ist das vom Wirkungsgrad besser, aber noch besser wäre ein LNG mit zwei Drähte rein und zwei Drähte raus mit einem fertig beschrifteten Platinenlayout, das der Selbstbauer einfach und sicher bestücken und nachbauen kann.
M. K. schrieb: > 7 V AC Trafo macht ca. 7.9 V Pulsierende Gleichspannung nach dem > Gleichrichter den ich mit 2 V Flussspannung bei 3 A Nennstrom annehme. 2V bei 3A sind ganz schön viel. Trotzdem, im Prinzip haste bei so kleinen Spannungen recht. Abba bei 29 V Trafo kannste mit locker 42 Volt am Elko rechnen, reicht für fett für 35 Volt am lng ausgang.
Michael M. schrieb: > besser wäre ein LNG mit zwei > Drähte rein und zwei Drähte raus mit einem fertig beschrifteten > Platinenlayout, das der Selbstbauer einfach und sicher bestücken und > nachbauen kann. Find ick doof! Da kannste nen Bausatz kaufen. Hier sollte auch verstanden werden was gelötet wird.
icke mal schrieb: > Abba bei 29 V Trafo kannste mit locker 42 Volt Hö...also 29 * SQRT(2) gibt bei mir 41 Volt. Wenn man dann statt 230 V nur 220 V hat, was ja durchaus zulässig ist, wirds ja selbst mit 40 V am Siebelko eng. Aber OK, für 35 V bei Netznennspannung genügt das. Michael M. schrieb: > Die zusätzlichen Wicklungsanzapfungen und Relaiskontakte mit dem ganzen > Drahtverhau schreckt den unerfahrenen Selbstbauer doch nur ab. Das ist sicher richtig, daher könnte man das ja als Option vorsehen. Soll ja was Modulares werden ;) Possetitjel schrieb: > Seit meinem ersten wirklich sachbezogenen Beitrag in diesem > Faden; das war am 18.10. Hab ich in der Tat überlesen.
Peter schrieb: > Hat jemand auch einen Plan für ein vom PC einstellbares Netzteil? http://www.heise.de/ct/artikel/Kleinkraftwerk-291224.html http://www.thoralt.de/wiki/index.php/DCG (30V/1A digital einstellbar) http://avrs-at-leipzig.de/dokuwiki/projekte/labornetzteil (digital kontrolliert: 10nF an Q4 sicher falsch, D3/D4 als 1N4004 fehldimensioniert)
M. K. schrieb: > Hö...also 29 * SQRT(2) gibt bei mir 41 Volt. Ja, bei mir wars nur ne grobe Schätzung, SQRT(2) kann ich nich, nehme immer 1,5. :-))
Eppelein V. schrieb: > Daß heißt dann quasi, zuerst den Ausgang freischalten und > anschließend die Netzspannung. Nee. Spannung wegschalten -- Testschaltung umlöten -- Spannung wieder einschalten. Netzteil bleibt die ganze Zeit angeschaltet, und es wird nicht daran herumgestellt. Ist kein Killerfeature, aber recht bequem, wenn man es hat.
Michael B. schrieb: > http://avrs-at-leipzig.de/dokuwiki/projekte/labornetzteil (digital > kontrolliert: 10nF an Q4 sicher falsch, D3/D4 als 1N4004 > fehldimensioniert) Guckste dir noch das Foto an: http://avrs-at-leipzig.de/dokuwiki/_media/projekte/labornetzteil/innenansicht_hardy.jpg?cache=&w=900&h=705 Klara Fall: Wer digital kontrollör und so gut kann, der kann fast nie elektrik.
icke mal schrieb: > Michael B. schrieb: >> http://avrs-at-leipzig.de/dokuwiki/projekte/labornetzteil (digital >> kontrolliert: 10nF an Q4 sicher falsch, D3/D4 als 1N4004 >> fehldimensioniert) > > Guckste dir noch das Foto an: > http://avrs-at-leipzig.de/dokuwiki/_media/projekte/labornetzteil/innenansicht_hardy.jpg?cache=&w=900&h=705 > Klara Fall: Wer digital kontrollör und so gut kann, der kann fast nie > elektrik. Naja, immerhin funktioniert das Netzteil von denen und den Oszi-Bildern nach ist es nicht mal so übel ;)
ArnoR schrieb: > Possetitjel schrieb: >> ArnoR hat öfter eine Topologie erwähnt, die >> für den Spannungsregler einen INVERTIERENDEN Verstärker >> verwendet. Ich bemühe mich noch, da durchzusteigen, aber >> interessant wäre, ob das grundsätzlich neue Möglichkeiten >> bietet. > > Ich sehe da keine grundsätzlich neuen Möglichkeiten. Okay, vielen Dank. Die Frage invertierender/nichtinvertierenden Spannungsregler hat also keine tiefergreifenden Auswirkungen auf den Rest der Schaltung. Die Sollwertvorgabe wird natürlich im Detail anders, und man muss dafür sorgen, dass man bei kleinen Ausgangsspannungen den Strom durch den Rückkoppelwiderstand irgendwo loswird. Ansonsten ändert sich nix Gravierendes. Danke. Wollte nur sichergehen.
Possetitjel schrieb: > Eppelein V. schrieb: > >> Daß heißt dann quasi, zuerst den Ausgang freischalten und >> anschließend die Netzspannung. > > Nee. > > Spannung wegschalten -- Testschaltung umlöten -- Spannung > wieder einschalten. > Netzteil bleibt die ganze Zeit angeschaltet, und es wird > nicht daran herumgestellt. > > Ist kein Killerfeature, aber recht bequem, wenn man es hat. Merci für die Erklärung MfG Eppelein
Gerhard, anfangs wolltest Du noch ein nachbausicheres Netzteil mitbauen. Mittlerweile bist Du schon beim Netzteil mit zwei Ringkerntrafos und vom ATTiny gesteuerter Windungsumschaltung. Das halte ich nicht für nachbausicher. Du und andere Cracks schreiben viel über Nebenthemen, aber ein Beispiel zum konkreten Aufbau des Kerns, der Spannungs- und Stromregelung nämlich, habe ich immer noch nichts gefunden. Ich finde es nicht schlimm, ein mittelmäßiges Netzteil zu benutzen, wenn man mir erklärt, wo die Schwächen liegen und worauf ich achten muss. Einen ausgangsseitigen Ein/Aus-Schalter habe ich mit einem simplen mechanischen Schalter beim ct-Netzteil realisiert. Ich habe jetzt gelernt, dass bei 30V und 2-3A die Schalter abbrennen. Wie schnell, wieviele Zyklen? Ist das relevant? So einen Schalter habe ich schnell aus- und eingelötet und kann einen defekten Schalter auch als Anfänger diagnostizieren. Natürlich ist eine elektronische Schaltung des Ausgangs schicker. Ich suche nicht den Porsche Cayenne sondern den Toyota Hilux (oder so ähnlich) für die dritte Welt. Halt mit Blattfedern und Handkurbel für die Fensterscheibe, dafür aber simpel und hoffentlich von mir selbst reparierbar - mit Teilen, die mir als Amateur in Afrika zugänglich sind, also Reichelt, Conrad und alle, die von mir keinen Firmen- oder Studinachweis verlangen.
Hier ging die Diskussion von einem einfachen Netzteil aus. Als auch für Anfänger taugliches Projekt ist es schon gut die Leistung zu begrenzen. Bis etwa 20 V (ggf. auch 25-30 V) kann man die Varianten mit Ausgangsstufe als Emitterfolger (oder ähnlich) einfach nutzen und kommt auch ohne wesentliche Hilfsspannung aus. Das macht die Schaltung einfacher und erlaubt wohl auch einen relativ kleinen Ausgangskondensator. Die Einschränkungen auf etwa 25 V kommt von der Versorgung üblicher OPs. Wegen der Verlustleistung wäre ab etwa 50 W eine Umschaltung der Rohspannung / Trafowicklung eine gute Idee. Wenn man sich auf etwa 1-2 A beschränkt kann der Teil der Einfachheit halber entfallen. Wer unbedingt will kann die Schaltung natürlich auch auf mehr Leistung auslegen - braucht dann aber mehr Kühlung und ggf. spezielle OPs für hohe Spannung. Als wirklich flexible Schaltung gibt es die LDO variante mit fliegendem Regler - da ist aber der Aufwand etwas größer wegen Hilfsspannung und auch die Erklärung ist nicht mehr so ganz einfach. Der Ausgangskondensator muss auch eher größer werden. Diese Form würde ich erst einmal außen vor lassen. Die Abschaltung würde ich auch eher elektronisch machen, wenn man wegen zu hoher Spannung Angst um die Kontakte hat. Wenn man die volle Trennung haben will halt auch beide Abschaltungen zusammen - dann sollten auch die Kontakte kein Problem mehr sein. Ein symmetrischer Bus für die Abschaltung wäre ggf. Aufwändig - mit definierter Richtung wird es einfacher. Als Doppelnetzteil hätte man sowieso ein Kopplung - eine klare Zuordnung Master und Slave macht die Sache einfacher und wird für den parallelen Mode bzw. Symmetrisch als +- xxV sowieso benötigt.
Lurchi, Du hast viele Beiträge kommentiert und bewertet. Könntest Du Deine einfache Version in einen Schaltplan fassen und veröffentlichen? Du kannst ja dazu schreiben, was mit der einfachen Version nicht so gut geht.
Peter M. schrieb: > Ich habe jetzt gelernt, dass bei 30V und 2-3A die Schalter abbrennen. Kommt auf den Schalter an. Nimmst du den richtigen dann brennt der auch nicht ab.
Peter M. schrieb: > anfangs wolltest Du noch ein nachbausicheres Netzteil mitbauen. Das passiert so leicht. Nicht? Ich würde auch vorschlagen, uns auf einfachere Designs zu begrenzen und gewisse Anwendungsklassen festzulegen, so daß die entsprechenden Schaltungen bestmöglich gewählt werden können. Einige der hier vorgestellten Designs könnte man schon mal ins Rennen bringen. Ein Problem ist die spätere Erweiterung auf uC Steuerung. Hier ist auf alle Fälle ein Design angebracht wo U und I Vorgabe einen gemeinsamen Bezugspunkt, entweder Masse oder +Ausgang haben. Das ELO Design ist da weniger günstig weil U-Einstellung an Masse liegt und die I-Einstellung am +Ausgang. Allerdings mit Optocoupler und PWM vielleicht doch machbar. Dann sollte man die in Frage kommenden Design neu mit Standard Komponenten aufbauen, nach Möglichkeit auch mit LTSpice auf Herz und Nieren prüfen und dann nach Möglichkeit durchmessen und optimieren. Auch verschiedene Leistungsklassen müßten getestet werden. Bei den nicht fliegenden Schaltungen stößt man leider auf eine Spannungsgrenze. Referenzdioden sollte man wegen der guten Erhältlichkeit mit TL431C ersetzen. 1N823 und Co sind da wesentlich teurer heutzutage, glaube ich. Irgendwelche neue Designs von Euch "Mitarbeitern" sollten natürlich auch in der selben Weise behandelt werden bis sich klare Gewinner herauskristallisieren. Dann bleibt (Vorsicht: Eigenwerbung) die Anatek LM324 Version (und nicht die MC1466L) und mein LNG30, daß schon fix und fertig nachbaufähig (CAM/Gerber) vorliegt. Für es spricht, daß alle Arbeit schon getan ist. Aber, leider vielleicht etwas zu aufwendig. Alle PCB Teile sind von Digi-Key erhältlich und normalerweise auf Lager. Die Platine, obwohl bei mir zweiseitig ausgeführt und gefertigt, ist als einseitige Platine konzipiert (das obere Layer ist nicht notwendig) und läßt sich daheim ätzen. Das LNG30 kann leicht auf uC Steuerung erweitert werden. Hatte ich alles schon vorbereitet. Stromvoreinstellung ist auch schon mit im Design. Weil wir schon dabei sind: Was sind in Euren Augen die Vor- und Nachteile des LNG30? Ich sage das nur weil wie gesagt die ganzen Unterlagen detailliert schon vorhanden sind und viel Arbeit getan wurde und es sich bis jetzt im Labor bewährt hat. Dann könnte man noch das Anatek MC1466L nachbauen, welches sehr einfach gehalten ist und ordentlich funktioniert. Nachteil ist halt, daß man den MC1466L in der Bucht kaufen muß. Ich machte das und testete sie im Anatek und sie funktionieren im Original Anatek genauso gut wie die Originale. Für einen einzelnen Hobbynachbau ist dieser Weg tragbar. Ich könnte Euch eine Leiterplatte dafür auslegen und hier veröffentlichen. Die ließe sich billig kommerziell herstellen wenn man eine Standardgröße nimmt. Das FS12/73 wurde ja schon zu Genüge besprochen. Mein FS12/73 mit einigen kleinen Verbesserungen hat sich auch Jahrzehnte bei mir gut bewährt und ohne Ausfälle. Die ELO Designs müßte ich sonst selber mal ausprobieren. Ich habe da keine Geräte dieser Art Zuhause und kann nicht vergleichen. Es wäre halt schön alle diese Design meßtechnisch unter Standardbedingungen (wie in App Note 90 Beschrieben) zu unterziehen und die Meßwerte gegen den "Goldstandard" zu vergleichen. Letztlich müssen wir auch Maßnahmen für verschiedene Leistungsbereiche dokumentieren und testen. So. Und nun muss ich weg und werde mich wahrscheinlich erst morgen wieder melden koennen. Schoenes Wochenende noch, Gerhard
Ich bin zwar nicht Gerhard, aber... Peter M. schrieb: > anfangs wolltest Du noch ein nachbausicheres Netzteil > mitbauen. Das ist immer noch der Plan, ja. Der erste Schritt war, eine Zielvorstellung zusammen- zuschreiben. Das habe ich neulich versucht, und ich habe das Gefühl, dass mein Vorschlag (mit einigen Ergänzungswünschen) recht allgemein akzeptiert wird. (Aktualisierte Fassung des Textes folgt hoffentlich bald.) > Du und andere Cracks schreiben viel über Nebenthemen, Jein :-) Die Reihenfolge muss ja sein: 1. Problem benennen, 2. Lösungsvarianten finden, 3. Lösungsvarianten bewerten, 4. Entscheidung fällen. Ich kann nicht für die anderen sprechen, aber für mich ist das der logische zweite Schritt: Welche Wünsche an das fertige Endprodukt könnten zu Showstoppern führen? Wo können Probleme lauern? Michael hat darauf hingewiesen, dass die Versorgung der digitalen Panelmeter zu bedenken ist. Kein Drama, aber eben zu bedenken. Das Problem der Lastabschaltung ist mit Blick auf die gewünschte Reihen- bzw. Parallelschaltung diskutiert worden. Wenn die häufig verwendete Konfiguration als Spannungsfolger verwendet wird, ist U_a_max auf ca. 25V beschränkt, weil gängige OPVs nicht mehr können. Schließlich wurde völlig zu Recht erwähnt, dass man vielleicht die Speisung des Reglerbausteins aus einem Laptop-SNT vorsehen sollte. Zumindest die vernünftigeren unter den Laien haben nämlich keine Lust haben, mit Netzspannung herumzumachen. Alles Punkte, die zu bedenken sind. > aber ein Beispiel zum konkreten Aufbau des Kerns, der > Spannungs- und Stromregelung nämlich, habe ich immer noch > nichts gefunden. Natürlich nicht -- das ist ja auch erst der fünfte Schritt :) Der dritte - jetzt fällige, nächste -- Schritt sollte meiner Meinung nach der sein, den Gerhard und andere vorgeschlagen haben: die denkbaren Regler-Topologien zusammenzustellen. (Dazu nehme ich gerade Anlauf; das kann aber noch einen Moment dauern.) Vierter Schritt wäre, Beispielschaltungen zu simulieren und einen Variantenvergleich zu machen. (Hier wird das Problem der Bauelementeauswahl und der Beschaffbarkeit wichtig.) Als fünften Schritt würde ich mir vorstellen, eine Beispiel- konfiguration mal komplett durchzudimensionieren. > Ich habe jetzt gelernt, dass bei 30V und 2-3A die Schalter > abbrennen. Wie schnell, wieviele Zyklen? Ist das relevant? Das hängt von vielen Bedingungen ab, die wir nicht wissen können. Das Problem muss aber erstmal FORMULIERT sein, damit man es bedenken und Lösungsvorschläge nennen kann. > So einen Schalter habe ich schnell aus- und eingelötet > und kann einen defekten Schalter auch als Anfänger > diagnostizieren. Es gibt auch geeignete Schalter, sogar bei Reichelt. Man muss aber erstmal wissen, worauf man achten muss -- von den über 80 Kippschlaltern, die Reichelt anbietet, kommen nämlich nur eine Handvoll in Frage. > Halt mit Blattfedern und Handkurbel für die Fensterscheibe, > dafür aber simpel und hoffentlich von mir selbst reparierbar - > mit Teilen, die mir als Amateur in Afrika zugänglich sind, > also Reichelt, Conrad und alle, die von mir keinen Firmen- oder > Studinachweis verlangen. Ja, das ist immer noch das Ziel.
Possetitjel schrieb: > Es sollten Varianten mit höherem Maximalstrom existieren. Nun, Ralph Berres hat so was mal probiert http://public.hochschule-trier.de/~berres/Bauanleitungen%20Messtechnik/Labornetzteil%200-30V%200-25Amp/ das gibt es dann auch in kleiner http://public.hochschule-trier.de/~berres/Bauanleitungen%20Messtechnik/Labornetzteil%200-30V%200-4Amp/
Hier mal eine minimale Version als Similationsschaltung. Die Spannungsreferenz und Details zu den Potis sind nicht dabei - der Teil sollte aber keine Probleme machen. Zu beachten ist hier das die beiden Sollwerte eine verschiedene Masse haben - nicht so schön für eine µC Steuerung, aber auch kein wirkliches Problem weil die Sollwerte sich langsam ändern. Die Schaltung funktioniert im wesentlichen schon nicht so schlecht - die Stromregelung ist aber noch nicht gut, eher recht langsam. Neben der Schaltung ist eine Simulation für Strom-Transienten 10mA - 800 mA - 10 mA. Nach der AC Simulation sollte der Regler auch mit kapazitiver Last gut klar kommen.
So. Inzwischen seid ihr bei Stromregelungen angelangt, die von Transistoren übernommen werden und auf deren BE-Spannung basieren. Sowie Schaltungen, die auf Zenerdioden als "Referenz" bauen. Weiter oben diese drei, vier kindischen Gäste hatten zufällig recht, ich gehöre hier tatsächlich nicht her. Also dann noch alles Gute beim schlechten Kopieren veralteter Schaltungen.
So, mal ne kleine Zusammenfassung, um wieder auf den Teppich zu kommen: 1. nachbaubar von fast jedermann, also keine Bauteile, die man nur als Gewerblicher kriegt. Bauteilbezug über Ebay, TME oder Reichelt/Conrad und ähnliche Verdächtige OK, hier scheint es konsens zu geben 2. Ausgangsdaten: nur ein Ausgang bzw. Modul mit 0 bis 15 Volt, 0 bis 1 Ampere Ist einigen zu wenig. Nun, reden wir dann von 0 bis 20 Volt? wobei 0 bis 1 Ampere bleibt Thema: Frei skalierbare Module.. Also, wenn so ein Ding mechanisch klein und ausreichend billig ist, dann kann man sich davon auch 2 oder 3 bauen und gut isses - bis auf die Fernsteuerbarkeit des einen durch das andere. Aber das ist nix für den kleinen Bastler. 3. Stromversorgung: möglichst Print-Trafo, 15..18 VA. Notfalls Ringkern. Das mit dem Printtrafo hat einen anderen Grund, als ihn auf eine Leiterplatte zu schrauben. (Wäre ja auch Platzverschwendung) Nämlich: a) Printtrafos sind normalerweise voll vergossen und haben zumeist ne Qualifikation als VI (vollisoliert). Für alle anderen Trafos gilt das erstmal nicht. b) Printtrafos mit 15..18 VA kann man mit 4 Plastiktreibschrauben problemlos kopfüber am Boden des Gehäuses festschrauben. Für Ringkern braucht es dazu noch die Kreisbleche mit Gummizwischenlage und Zentralbolzen und es hängen die Anschlußdrähte lose herum. Das kriegen wir als Bastelobjekt nie und nimmer VI-gerecht. Nur eine Ausgangswicklung, allenfalls 2 in Reihe. Kein Spezialtrafo mit mehreren Sekundärwicklungen. Die eine Sekundärwicklung scheint (Not-)Konsens zu sein Netzkabel zweipolig, Netzschalter im Gerät, also Netz-Seite so gut isoliert, daß man das verantworten kann. Der Netzschalter IST ein Problem. Eigentlich muß er weit weg von der Frontplatte sein, obendrein MUSS die ganze Primärseite so weit weg von allem Kleinspannungskram sein, daß auch ein Dussel beim Nachbauen nicht seine Großmutter erledigt. Für ein Gemeinschaftsprojekt ist das wichtig. Deshalb die Plastik-Schubstange. 4. kein Schalt-Vorregler Scheint so lala Konsens zu sein 5. Gehäuse: billiges Plastikgehäuse voll geschlossen (sicherheitshalber). Hier tun sich Probleme auf. Bopla ist mir zu teuer für das, was die bieten. Ein robustes und hübsches Metallgehäuse würde ich auch nett finden, aber 2 Dinge sprechen dagegen: Preis und Isolation. 6. Frontplatte und Benutzung: 2 Schraub-Klemmen als Ausgang, 4mm Buchsen sind zwar möglich, setzen aber Bananenstecker voraus, also ungünstig. Also, um Mißverständnisse zu beseitigen: Ich kenne Schraubklemmen, die in der Mitte ein 4mm Loch für die Banane haben, rote und blaue Drehkappen und in die man seitlich nen Draht einklemmen kann. Sowas meine ich. Spannungs- und Stromanzeige digital über chinesisches LED-Modul Spannungseinstellung per 10 Gang Poti Stromeinstellung über einfaches Poti Hier scheint es nen halben Konsens zu geben. Die Idee mit dem umschaltbaren Strombereich ist gut. Kenne ich von meinem Statron 3222. Dort gibt's 0..150 mA und 0..1.5 Ampere umschaltbar. Netzschalter an der Frontplatte, alternativ weiter drinnen und Betätigung per Plastik-Schubstange mit Knopf drauf siehe oben. Anzeige U/I-aktiv per 2 LED's Scheint auch Konsens zu sein 7. konkrete Schaltung: noch zu diskutieren. Hier nur so viel von mir: Ich stelle mir durchaus eine LP vor, die quasi als Modul durchgehen kann, also mit davon abgesetzten Buchsen, Potis, Leistungstransistoren und Anzeigen Was die Bauelemente betrifft, so haben wir es mit einem Grundsatzproblem zu tun: Wenn man die Regelung nicht auf den schwimmenden Pluspol setzt (wofür separate Versorgung nötig ist), dann muß man die Regelung auf eine der beiden Rails setzen und zum Betreiben der Endstufe braucht man dann den Zugriff von diesem Rail bis zur anderen Seite. Bei alten OpV's, die 30..36 Volt abkönnen, geht sowas durchaus, bei neueren OpV's mit geringerer "Grätsche" tut sich da ein Problem auf. Was die viel diskutierte Abschaltung betrifft, da hab ich so lange kein Problem damit, wie die eigentliche Regelung noch arbeitet. Das sollte entweder so lange erfolgen, bis die Siebelkos ausreichend leer sind oder - wie in vielen Statron-Netzteilen so gemacht - der Ausgang mit nem zündenden Thyristor beglückt wird, sobald entweder die Ausgangsspannung höher als ein paar Prozent über der Sollspannung kommt oder ein paar Halbwellen der Netzspannung fehlen. Das alles ist aber für das angepeilte Ziel OVERKILL. 8. CPU-Kühler für den/die Leistungstöppe Ich meine, daß CPU-Kühler erstens noch am ehesten erhältich sind und zweitens, daß man deren Leistungs - verbrat - abführ - Fähigkeiten noch am ehesten abschätzen kann. Wer sich ne gefingerte Rückwand aus dem Vollen fräsen kann, hat natürlich andere Vorstellungen. Noch was Grundsätzliches: Alle Fragen, eben auch die nach Gehäuse und Frontplatte sind durchaus essentiell, damit möglichst kein Bastelpfusch passiert. Bloß eine Modul-LP machen und jeder macht was Anderes draus, ginge - aber nur unter Leuten, die so gut sind, daß sie das alles selber können - und dann wäre so ein Projekt überflüssig. Ich denke mal, so ein Projekt wie das von Gerhard gezeigte, ist für das hier angedachte zu groß. sowohl elektrisch als auch vom mechanischen Aufbau her. Ich denke da eher an was viel kleineres aus Material, das man notfalls auch mit dem Bastel-Cuttermesser und ähnlichem Busch-Werkzeug bearbeiten kann. W.S.
Scrat schrieb: > So. Inzwischen seid ihr bei Stromregelungen angelangt, Nee. "Wir" sind überhaupt nirgends "angelangt". Wir haben bisher 1. unsere Wunschvorstellungen diskutiert und (nach meinem Empfinden) einen weitgehenden Konsens gefunden und 2. einige potenzielle Problempunkte angerissen und Lösungs- varianten dafür gesammelt. Lurchi hat dankenswerterweise den nächsten Schritt in Angriff genommen, hat sich eine einfache Prinzipschaltung als Ausgangs- punkt gesucht und hat simuliert. > die von Transistoren übernommen werden Es wird Dir nicht völlig bewusst sein, aber bei vorsichtig geschätzt 100% der modernen Elektronik sind Transistoren beteiligt. > Weiter oben diese drei, vier kindischen Gäste hatten zufällig > recht, ich gehöre hier tatsächlich nicht her. Das ist Deine freie Entscheidung. So lange Du Dich auf irgend einer Ebene konstruktiv beteiligen kannst, bist Du hier gern gesehen. > Also dann noch alles Gute beim schlechten Kopieren veralteter > Schaltungen. Werden wir haben; vielen Dank. Schönes Wochenende.
Scrat schrieb: > So. Inzwischen seid ihr bei Stromregelungen angelangt, die von > Transistoren übernommen werden und auf deren BE-Spannung basieren. Sowie > Schaltungen, die auf Zenerdioden als "Referenz" bauen. Immerhin ein Anfang mit knapp 20 Bauelementen. :-) ich persönlich würde mich sehr über deine Schaltung/Vorschlag freuen. ERNST gemeint.
Die Schaltung hat 2 Stromlimits: einmal ein genaues über den OP und zusätzlich ein schnelles, dass tatsächlich die Basis-Emitterspannung des Transistors als Referenz nutzt. Das schnelle Limit muss aber auch nicht genau sein - das wird nicht einmal mit der Einstellung des Stromlimits angepasst. Die Funktion ist es nur in den ersten bis zu 100 µs den Strom zu begrenzen - so lange bräuchte nämlich ein LM324 um von Anfangs 20-30 V runter auf nahe 0 zu kommen. Die recht langsame Stromregelung ist auch noch der wesentliche Schwachpunkt der Schaltung. Wenn man will kann man das schnelle Stromlimit weglassen, muss dann aber im Kurzschlussfall mit einem noch höheren Puls im Strom leben. Es gibt auch Schaltungsvorschläge die das machen - sogar als Bausatz, aber da werden auch TL081 mit bis zu 45 V gequält. Die Schaltung ist auch nichts wirklich neues. Abgesehen vom kritierten Transistor, einer zusätzlichen Diode, der Kompensation ist das sehr ähnlich dem oben schon mal gezeigten alten Doppelnetzteil. So ähnlich hätte man es etwa gebaut als der LM324 neu war. Die reine Spannungsregelung sieht schon gut aus (auch mit langsamen OP), den Übergang vom der Strombegrenzung zur Spannungsregelung kann man noch besser machen (relativ einfach). Die Stromregelung in der Schaltungsform deutlich schneller zu machen ist aber trickreich - in der Simulation hab ich da schon eine Lösung, allerdings schon an der Grenze wo einem die parasitären Effekte einen Strich durch die Rechnung machen können.
W.S. schrieb: > So, mal ne kleine Zusammenfassung, um wieder auf den > Teppich zu kommen: ??? > 1. nachbaubar von fast jedermann, also keine Bauteile, die > man nur als Gewerblicher kriegt. Bauteilbezug über Ebay, > TME oder Reichelt/Conrad und ähnliche Verdächtige > > OK, hier scheint es konsens zu geben Ja, scheint so. Können wir so festhalten. > 2. Ausgangsdaten: > nur ein Ausgang bzw. Modul mit 0 bis 15 Volt, 0 bis > 1 Ampere > Ist einigen zu wenig. Nun, reden wir dann von 0 bis 20 Volt? > wobei 0 bis 1 Ampere bleibt Hmm. Ganz offen gestanden: Was hängt von dieser Entscheidung ab? Warum müssen wird das hier und jetzt allgemeinverbindlich festlegen? Ich finde dieses Vorgehen ungeschickt. Ungefähr bei U_a_max = 25V gibt es, wie Du selbst weiter unten schreibst, eine objektive Grenze, weil dann die verbreitete Konfiguration "OPV+Spannungsfolger" nicht mehr so einfach funktioniert. Unterhalb von 25V sehe ich solche objektiven Grenzen aber nicht. Es genügt doch vorläufig vollkommen, wenn wir sagen: U_a_max ist auf jeden Fall kleiner 30V, aber zu groß für einen LM317. Analoges gilt für den Strom. Ob das nun 1A, 1.5A oder 2.5A sind, ändert kaum etwas am Grundkonzept. Es hat doch keinen Sinn, willkürlich an 1A festzuhalten, wenn das Konzept 3A problemlos hergeben würde. > Das mit dem Printtrafo hat einen anderen Grund, als ihn auf > eine Leiterplatte zu schrauben. (Wäre ja auch > Platzverschwendung) > > Nämlich: > a) Printtrafos sind normalerweise voll vergossen und haben > zumeist ne Qualifikation als VI (vollisoliert). Ja, das ist durchaus so angekommen. (Dazu gleich noch mehr.) > Nur eine Ausgangswicklung, allenfalls 2 in Reihe. [...] > Netzkabel zweipolig, Netzschalter im Gerät, [...] Du fokussierst nach meinem Empfinden stark auf die geräte- technische Seite, weniger auf die Regelelektronik an sich. Das ist gleichermaßen berechtigt wie verdienstvoll -- ohne die gerätetechnische Seite gibt's halt kein fertiges Gerät. Deine Argumente sind gut und berechtigt -- aber Dein Ausschluss-Verfahren macht mir Bauchschmerzen: Du sagst: "Nur eine Ausgangswicklung" -- aber warum? Trafos mit zwei gleichen Wicklungen sind üblich und ermöglichen die (von mir favorisierte) Variante als Doppelnetzteil mit zwei komplett unabhängigen Kanälen. (Ich kann und darf das auch so aufbauen --> Elektrofachkraft.) Du sagst: "Netzschalter im Gerät" -- aber warum? Weiter oben kam der Vorschlag, als Rohspannung ein ausrangiertes Laptop-Netzteil (ca. 19V) zu erwägen. Im ersten Moment dachte ich "Saublöde Idee. Was für ein Pfusch." Gottseidank habe ich das nicht geschrieben -- denn inzwischen finde ich diese Idee WIRKLICH gut, weil das einen ganzen Haufen Probleme vermeidet. > 4. kein Schalt-Vorregler > Scheint so lala Konsens zu sein Hier geht's weiter: Für mein Empfinden ist dieses Thema noch gar nicht ernsthaft diskutiert worden -- dabei gibt es mindestens drei gute Gründe, das mal zu tun. Nur kann ich dazu wenig beisteuern; Schaltregler sind nicht mein Thema. Vielleicht lässt sich M. Köhler (sylaina) doch noch durch Schmeichelworte dazu überreden, seine Schaltung mit Vorregler hier zu zeigen... Für alte HP-Drucker gab's komplett gekapselte Netztrafos (meines Wissens medizingerätetauglich); auch auf sowas könnte man aufbauen. Die von Gerhard und anderen diskutierte Trafo-Umschaltung ist ja schon eine Urform eines Vorreglers. Was ich sagen will: Ich bin im Moment auf das Thema I/U-Regelkreis fixiert. Falls jemand in die Themen "Rohspannungserzeugung" und "mechanische Gestaltung) Übersicht hineinbringen will -- jede Hilfe ist willkommen. Denkbare Varianten gibt es viele; aus meiner Sicht sollten die mal zusammengestellt und in ihren Vor- und Nachteilen bewertet werden. Ich bin aber eine sequenzielle Maschine -- ich kann nur ein Thema zur Zeit bearbeiten :)
Michael M. schrieb: > M. K. schrieb: >> Sehe ich ähnlich und denke auch, dass was von der Stange >> hier besser wäre für das angestrebte Projekt. > > Die zusätzlichen Wicklungsanzapfungen und Relaiskontakte mit > dem ganzen Drahtverhau schreckt den unerfahrenen Selbstbauer > doch nur ab. Ja, mag sein -- aber wir als die Entwickelnden müssen doch den Nachbauern nicht gerade die Entscheidungen abnehmen, die sie wirklich selbst treffen können: Wem die Variante mit Trafo-Umschaltung zu kompliziert ist, der baut eben eine Variante ohne Trafo-Umschaltung! Natürlich sollten wir vorrangig EINE Variante (und zwar die einfachste) verfolgen -- aber es besteht überhaupt kein Zwang, andere Varianten AUSZUSCHLIESZEN -- warum denn auch?!
> Also dann noch alles Gute beim schlechten Kopieren veralteter > Schaltungen. Tja, was soll man machen wenn solche Genies wie du uns ihre genialen Schaltungskonstrukte vorenthalten. rhf
Possetitjel schrieb: > wir als die Entwickelnden müssen doch... Wat jenau hast DU bis jetz hier eigentlich entwickelt? Ausser merkwürdigen Powerpoint geraffel und den längsten Texten des Fadens? Nich dass du son Managerheini bist der hier Ideen abgreift und am Ende behauptet ER hätte entwickelt und det janze noch als Bausatz verkloppt.. Mein Freund, ick sage dia..!! Possetitjel schrieb: > Ich bin aber eine sequenzielle Maschine -- ich kann nur ein Thema > zur Zeit bearbeiten Oh ja, jut - mach ma! Und welchet Thema jenau ist das jetze?
Bin wieder da. Mir kam gerade ein Gedanke wie man vielleicht das Gehäuse und Teilebeschaffungsproblem lösen könnte. Da nicht jeder Erbauer des LNG ideale Werkstatts Resourcen sein Eigen nennt, sollte die mechanische Arbeit nicht zu aufwendig werden. Jetzt mache ich mal einen ketzerischen Vorschlag zur Debatte: Warum nicht die Bucht und/oder deutsche Anbieter nach einem billigen LNG zu durchstöbern und ein Modell finden, das die folgenden Bedingungen erfüllt: Gutes und ansprechend lackiertes Metallgehäuse und wünschenswerte Größe. Da einige dieser Billigstgeräte oft recht grottig funktionieren braucht man sich vor einem Neubau mit einigen de Teile nicht zu scheuen. Vorteile: Geringer Preis, vielleicht unter 50 Euro Man hat schon ein brauchbares Gehäuse, stabil und lackiert Netzkabel und IEC320 Netzbuchse, Sicherungshalter, Netzschalter Netztrafo, Gleichrichter, Elko Messinstrumente oder DVM Module Poties, LEDs Frontplatten Schalter und Buchsen Nachteile Frontplatte läßt sich möglicherweise schwer individualisieren Man hätte dann meistens genug Platz für eigene Elektronik Ein gutes Gehäuse kostet wahrscheinlich mehr wie das chinesische Opfer Modell. Manche dieser Import billig Geräte funktionieren nicht unbedingt zufriedenstellend und könnten dann die Basis für eine Verbesserung durch eigene Elektronik sein. Hier ist das erst beste Beispiel: https://www.ebay.com/itm/15V-2A-Adjustable-DC-Power-Supply-Precision-Variable-Dual-Digital-Lab-Test-110V-/182765874857?hash=item2a8db1eea9:g:S9QAAOSwZcZZuFvS https://www.ebay.com/itm/30v-5a-power-supply-with-handle-variable-regulated-adjustable-linear-dc-lab-/222629534656?epid=2254406603&hash=item33d5c11bc0:m:mCCUAYTeyo-sDym1cjigutQ Was meint ihr? Wert zum Diskutieren?
Beitrag #5182470 wurde von einem Moderator gelöscht.
W.S. schrieb: > Ich denke mal, so ein Projekt wie das von Gerhard gezeigte, ist für das > hier angedachte zu groß. sowohl elektrisch als auch vom mechanischen > Aufbau her. Ich denke da eher an was viel kleineres aus Material, das > man notfalls auch mit dem Bastel-Cuttermesser und ähnlichem > Busch-Werkzeug bearbeiten kann. > > W.S. Selbst wäre ich schon für ein größeres NG, in der Richtung Gerhard`s NG. Die "kleinen" Dinger könnte man dann auch fertig erwerben, was für einen Bastler wie mich keinen Sinn wie Spaß macht. Weiter wäre eine Überlegung, negative Spannungsgrößen mit einfließen zu lassen, falls noch nicht angemerkt worden ist. MfG Epelin
icke mal schrieb: > Possetitjel schrieb: >> wir als die Entwickelnden müssen doch... > > Wat jenau hast DU bis jetz hier eigentlich entwickelt? Ein bisher unerreichtes Maß an Geduld. Schönes Wochenende!
Eppelein V. schrieb: > Weiter wäre eine Überlegung, negative Spannungsgrößen mit > einfließen zu lassen, falls noch nicht angemerkt worden ist. Ist kein Problem. Der I/U-Regler, wie er den meisten hier wohl vorschwebt, ist (natürlich) potenzialgetrennt und erdfrei. Man kann also problemlos "Plus" auf GND legen und am "Minus" eine negativen Spannung abnehmen. Das funktioniert so mit allen vernünftigen Labornetzteilen, die ich kenne. Spannungseinstellung, Strombegrenzung usw. funktionieren uneingeschränkt.
Eppelein V. schrieb: > Weiter wäre eine Überlegung, negative Spannungsgrößen mit einfließen zu > lassen, falls noch nicht angemerkt worden ist. Ist einfach: du benötigst ein zweites Netzteil. Eins für die positive, und eins für die negative Spannung. In der "Mitte" ist Masse. Oder Null. Das dürften sogar zwei strunzen verschiedene Netzteile sein, vorausgesetzt, sie haben kein gemeinsames "Potential", was aber üblicherweise so gegeben ist. Gleiches güldet auch für das hier ellenlang diskutierte "Problem" mit der Reihenschaltung von zwei (oder mehr) Netzteilen.
Possetitjel schrieb: > Ist kein Problem. Epperlein schrob aber was von "mit einfließen zu lassen"... Was immer er darunter verstehen mag... Er möchte nach meinem Verständnis ein Netzteil mit positiver Ausgangsspannung, an dem er "irgendwo" eine negative Spannung abgreifen kann. Könnte man machen. Wird aber schwiersam, wenn die negative Spannung ernsthaft belastbar und sogar einstellbar sein soll, und die positive Spannung dadurch nicht beeinflusst werden darf.
Preislich lohnt der Selbstbau eines einfachen Labornetzgerätes heute eher nicht mehr. Auch die billigen Geräte für 30-50 EUR sind nicht so schlecht (oft hat man etwas optimistische Angaben über den maximalen Strom - bis 2/3 des versprochenen Stromes passt es aber oft), und dafür kann man kaum die Einzelteile kaufen. Ein Eigenbau ist aber immer noch ein interessantes Projekt an man einiges lernen kann und ggf. auch alte Teile (z.B. Notebook-netzteil) nutzen kann. Der Preis ist auch nicht alles - schließlich ist das für viel ein Hobby, und der der Weg das Ziel. Umso wichtiger ist die Erklärung. Für mich ist es erschreckend wie viel hier im Forum um völlig ungeeignete Schaltung auf Basis eines LM317 diskutiert wird um so eine Art LNG zu erhalten. Die Schaltung sollte entsprechen einfach und leicht verständlich sein, um solche "Konkurrenz" zurück zu drängen. Entsprechend sehe ich Dinge wie an ein Relais / Schalter am Ausgang oder die Vorkehrungen zur Parallelschaltung eher als nachgeordnet an - das sind Teile die man ggf. später hinzufügen kann. Die Möglichkeit das ganze per µC zu steuern ist nicht unbedingt nötig, aber für einige ggf. schon ein Pluspunkt. Die Einstellung der Spannung über die Rückkopplung, etwa so wie man es am LM317 macht ist sowieso nicht so gut. Daher ist bei vielen Schaltungen die Vorgabe über Spannungswerte und damit die Möglichkeit zur Steuerung per µC gegeben. Zurück zum eigentlichen Regler: Für eine eher einfache Schaltung sollten wir nicht versuchen damit bei den Eigenschaften um jeden Preis schneller zu werden als die kommerziell erhältlichen Geräte. Es ist eine Abwägung zwischen schneller Regelung und Schwierigkeiten das ganze auch zu reproduzieren. Je kritischer man die Auslegung wählt desto eher kommen parasitäre Kapazitäten und Induktivitäten mit rein - in der Theorie und ggf. auch auf einigen Platinen funktioniert es dann sehr gut, aber mit anderem Layout oder auch nur OPs einer anderen Charge oder einem anderen Shunt hat man einen Oszillator. Allerdings sind nicht alle Schritte die den Regler schneller / besser machen kritisch. Ein Problem dass man etwa bei vielen einfachen Schaltungen hat, ist das der nicht aktive Regler weit über das Ziel hinausschießt. In der klassischen Regelungstechnik nutzt man dort eine Art Anti Windup - bei den meisten LNG Schaltungen scheint das noch kein Standard zu sein, ließe sich aber zumindest näherungsweise realisieren. Für die einfache Reglerschaltung lässt sich mit wenig Aufwand für den Spannungsregler eine Art einfaches Anti-Windup (mehr eine Windup Begrenzung) hinzufügen, und so der Übergang von der Strombegrenzung zu Spannungsregelung deutlich verbessern. Als Anhang die so erweitere Schaltung.
Wenn Q3 schon unbedingt sein muss, täte ich ihm wenigstens einen Vorwiderstand an der Basis spendieren. So wird Q3 seinen Dienst eher schlotternd verrichten: "Kurzschluss ja, aber nicht zu doll!"
Da nun die Schaltungsgestaltung beginnt, ist es wohl notwendig, einige immer wiederkehrende falsche Behauptungen und „Grundsätze“ zu korrigieren. Meine langjährige Erfahrung in diesem Forum zum Thema Labornetzteil zeigt, dass man sich vor allem auf quasistatische Dinge wie Stromversorgung von OPV (schwimmend, oder nicht), Emitterfolger/Emitterschaltung, Potentialleitungen, usw. konzentriert, die viel wichtigere dynamische Stabilität aber meist vernachlässigt bzw. mit großem Unverständnis behandelt. So verwundert es auch nicht, dass in praktisch allen Netzteilthreads über das (Über-) Schwingen der Schaltungen geklagt wird. Beispielsweise wird oft behauptet, dass ein Ausgangskondensator der dynamischen Stabilität (also der Stabilisierung gegen Schwingen/Überschwingen) dient, und kleine Kapazitäten (z.B. 1µF) bzw. ganz fehlende die Stabilität der Schaltung verschlechtern. Das ist falsch. Ein Verstärker mit kapazitiver Last erfährt in seiner Rückkoppelschleife eine durch Ausgangswiderstand und Lastkapazität bedingte Phasendrehung, die mit zunehmender Kapazität größer wird bzw. bei niedrigeren Frequenzen einsetzt, die Phasenreserve des Reglers aufbraucht und damit die Schaltung instabiler macht. Ein Verstärker ohne bzw. mit kleiner Lastkapazität ist meist ganz „von allein“ stabil. Entscheidend für die Stabilität ist nicht wie klein der Lastkondensator sein darf, sondern wie groß! In den nachfolgenden Simulationen soll anschaulich gezeigt werden, wie sich die Stabilität in Abhängigkeit von der Lastkapazität verhält. Eine Frequenzgangkorrektur wird hier noch nicht diskutiert, da zunächst mal die grundsätzlichen Zusammenhänge und Problemursachen dargestellt werden sollen. Bild 1a zeigt eine übliche Schaltung aus OPV mit nachfolgendem Darlington-Emitterfolger. Der 1k-Kondensator hebt die AC-Gegenkopplung auf, so dass die Schaltung für AC mit offerer Schleife arbeitet. Man erkennt die Leerlaufverstärkung von etwa 100dB und den ersten internen Pol des OPV bei etwa 10Hz. Wenn man zunächst die Kurve mit Lastkapazität=0 betrachtet, sieht man den gleichmäßigen Abfall der Leerlaufverstärkung des OPV mit -20dB/dec und die zugehörige konstante Phasendrehung von -90°. Die Schaltung hat also eine Phasenreserve (=der Abstand zu -180° Phasendrehung) von 90° und ist daher auch mit geschlossener Schleife ohne Überschwingen stabil. Schließt man nun eine Lastkapazität an den Ausgang an, steigt die Phasendrehung durch den Ausgangspol (fp=1/(2*Pi*Ausgangswiderstand*Lastkapazität)) um weitere 90° an und der Frequenzgang fällt entsprechend mit -40dB/dec. Mit zunehmender Kapazität nimmt die Polfrequenz proportional ab. Die blaue waagerechte Linie zeigt die mit dem Rückkoppelteiler eingestellte Verstärkung. Bei dieser Verstärkung muss die Phasenreserve mindestens 60° betragen, um in der geschlossenen Schleife Überschwingen zu vermeiden. Wie man sieht, ist das nur bei der Kurve ohne Lastkapazität gegeben. Bei allen anderen Werte ist die Phasenreserve praktisch 0° und daher unbrauchbar klein. Bild 1b zeigt nun das Verhalten bei geschlossener Schleife, also genau so, wie die Schaltung praktisch betrieben wird. Man erkennt, was sich oben schon abzeichnete. Bei allen kapazitiven Lasten tritt Überschwingen auf, welches mit der Kapazität zunimmt. Einzig ohne Lastkapazität ist die Schaltung stabil. Bild 1c zeigt nochmal den direkten Vergleich der offenen und der geschlossenen Schleife. An den Stellen, an denen die Verstärkungskurven der offenen Schleife die eingestellte Verstärkung von 3 (10dB) schneiden, ist die Schleifenverstärkung =1. Im Falle der geschlossenen Schleife ist die Phasenreserve zu klein und es kommt zum schwingen. Zu beachten ist, dass das Verhalten in der Praxis vom gezeigten mehr oder weniger stark abweicht, da der Ausgangswiderstand der Schaltung stark von den Betriebsbedingungen (Laststrom, Lastwiderstand) abhängt. Als Fazit ergibt sich, wie oben schon gesagt, dass nicht der Ausgangs- oder Lastkondensator die Stabilität der Schaltung sicherstellt, sondern diese durch andere Maßnahmen erreicht werden muss. An einem solchen Kondensator kommt man aber nicht vorbei, weil ein Labornetzteil Schaltungen mit großen Glättungs- oder Abblockkondensatoren versorgen können muss. Die üblichen Maßnahmen zur Stabilisierung solcher Schaltungen (Integrationskondensator vom Ausgang des OPV zum – Eingang) zielen darauf ab, die rote Kurve (CL=0) in Bild1a so weit nach links zu verschieben, dass die Schleifenverstärkung bei kapazitiver Last unter 1 abgesunken ist, bevor die Phasenreserve zu klein ist. Man tauscht auf diese Weise Bandbreite, also Regelgeschwindigkeit, gegen maximale Lastkapazität ein. Wegen der sich daraus ergebenden geringen Regelgeschwindigkeit haben viele Netzteile große Ausgangskondensatoren, um pulsartige Laststromanforderungen bedienen zu können, zu denen der korrigierte Regler zu langsam ist.
Nochwas zur dynamischen Stabilität. Im vorigen Beitrag war zu sehen, dass die Lastkapazität in Verbindung mit dem Ausgangswiderstand die Schwierigkeiten macht. Idealerweise hätte man eine Schaltung mit Ausgangswiderstand =0, dann macht die Lastkapazität keine Probleme mehr. Natürlich kann man das nicht erreichen, aber man kann in die Richtung gehen und sich die Frequenzgangkorrektur vereinfachen und gleichzeitig einen viel schnelleren Regler bekommen. Ein deutlicher Schritt dazu wäre, den npn-Darlington durch einen Komplementär-Darlington zu ersetzen. Der hat nämlich unter gleichen Betriebsbedingungen einen sehr viel kleineren Ausgangswiderstand als der nicht komplementäre. In der Simu haben die komplementären TIP2955/3055 vollkommen identische Modellparameter-Werte, so dass die Ergebnisse direkt vergleichbar sind.
Und nochwas. Falls sich jemand fragen sollte wieso ich immer die Frequenzgänge zeige, wo doch von z.B. Schwingen am Oszi (also dem Zeitbereich) die Rede ist, dann sollte das angehängte Bild die Sache klären. Beides ist zueinander äquivalent, und die AC-Simu ist um viele Größenordnungen schneller als die Transientenanalyse. Bildquelle: Tietze/Schenk, Halbleiter-Schaltungtechnik
ArnoR schrieb: > Natürlich kann man das nicht > erreichen, aber man kann in die Richtung gehen und sich die > Frequenzgangkorrektur vereinfachen und gleichzeitig einen viel > schnelleren Regler bekommen. Leider nicht, weil Labornetzteile ja strombegrenzt sein sollen und eine extra Stromregelschleife besitzen. Wenn da 1000uF am Ausgang sind, wird das bei 1A Strombegrenzung eben 10ms dauern bis der auf 10V aufgeladen ist, egal wie schnell der Regler auch ist. Die übliche Situation ist ja auch nur, daß ein Regler bei einer bestimmten Kapazität von..bis instabil ist, daher baut man mindestens bis an den Ausgang, damit auch bei hinzufügen weiterer Kapazitäten nichts ins Schwingen kommt. Es sei denn, man schliesst eine Spule an. Bei stromversorgten Schwingkreisen hoher Güte wird es eben schwingen, aber bei einem gut gedämpften Regler langsam abklingen.
Michael B. schrieb: > ArnoR schrieb: >> Natürlich kann man das nicht >> erreichen, aber man kann in die Richtung gehen und sich die >> Frequenzgangkorrektur vereinfachen und gleichzeitig einen viel >> schnelleren Regler bekommen. > > Leider nicht, weil Labornetzteile ja strombegrenzt sein sollen und eine > extra Stromregelschleife besitzen. > > Wenn da 1000uF am Ausgang sind, wird das bei 1A Strombegrenzung eben > 10ms dauern bis der auf 10V aufgeladen ist, egal wie schnell der Regler > auch ist. Der Betrieb in der Strombegrenzung ist ein anderer Fall. Wenn man unterhalb der eingestellten Stromgrenze bleibt, ist nur der Spannungsregler aktiv und der kann dann eben schneller auf Laständerungen reagieren.
Nachdem hier so viele Vorschläge zum Schaltungsdesign eines Labornetzteils gemacht worden sind, möchte ich auch mal einen Vorschlag unterbreiten. Vorweg: ich bin kein Experte für lineare Schaltungstechnik und bin deshalb nicht in der Lage alle die Unwägbarkeiten dieses Vorschlags zu überblicken. Es gibt von Linear Technology einen Spannungsreglerbaustein, LT3080/LT3081. http://www.linear.com/product/LT3081 Die Eckdaten (aus dem Datenblatt): - Extended Safe Operating Area - Maximum Output Current: 1.5A - Stable with or without Input/Output Capacitors - Wide Input Voltage Range: 1.2V to 36V - Single Resistor Sets Output Voltage - Output Current Monitor: IMON = IOUT/5000 - Junction Temperature Monitor: 1μA/°C - Output Adjustable to 0V - 50μA SET Pin Current: 1% Initial Accuracy - Output Voltage Noise: 27μVRMS - Parallel Multiple Devices for Higher Current or Heat Spreading - Programmable Current Limit - Reverse-Battery and Reverse-Current Protection - <1mV Load Regulation Typical Independent of VOUT Wenn ich richtig sehe, erfüllt der Baustein den größten Teil der bisher gestellten Forderungen. Es gibt von LT dazu eine Beispielschaltung, die ein komplettes Labornetzteil beschreibt: http://cds.linear.com/docs/en/lt-journal/LTJournal-V24N2-02-df-BenchSupply-Szolusha.pdf (siehe Seite 14) Diese Schaltung ist sicherlich zu komplex, aber man muss ja vielleicht alle Baugruppen so aufbauen: - wenn ich die Schaltung richtig verstanden habe ist der LT8612 nebst Außenbeschaltung ein Schaltnetzteil, das Vout + 1,7V aus 10-40V Vin erzeugt. Das könnte man ja auch durch einen Trafo, Gleichrichter und Siebelkos ersetzen. - Der LTC3632 ist offensichtlich eine Stromsenke, die wohl für eine Mindestlast am Ausgang der Schaltung sorgen soll. Ich denke das kann man auch einfacher realisieren (siehe auch EEVBLOG-Video weite unten) - und mit dem LT3092 Schaltungsteil hat man auch eine Umschaltmöglichkeit für die max. Ausgangsspannung - Die 3A Ausgangsstrom werden durch parallel schalten zweier LT3081-Bausteine erreicht, wenn 1,5A reichen würde sogar nur ein Baustein reichen Ich habe zu diesem IC folgende Informationen gefunden. Zunächst nochmal die Unterlagen von LT selbst: Datenblatt: http://www.linear.com/product/LT3081 Labornetzteil: http://cds.linear.com/docs/en/lt-journal/LTJournal-V24N2-02-df-BenchSupply-Szolusha.pdf Applikationsschaltungen: http://cds.linear.com/docs/en/application-note/an142f.pdf Dave Jones hat sich ebenfalls damit beschäftigt: https://www.youtube.com/watch?v=CIGjActDeoM https://www.youtube.com/watch?v=6Otr1I0OR18 https://www.youtube.com/watch?v=8-qar5vgnbc (Ich habe seine Schaltung aus Folge 3 mal abgezeichnet, siehe Anhang) In "THE ART OF ELECTRONICS" (Ausgabe3, Seite 612) findet man ebenfalls eine kleine Schaltung mit diesem Baustein. Bestechend finde ich die Einfachheit einer Netzteilschaltung. Allerdings vermag auch nicht zu erkennen wo eventuell verdeckte Schwierigkeiten lauern, die unter Umständen nicht tragbar sind. Nachteilig sind der Preis des Bausteins, die Tatsache das man sich auf einen Hersteller festlegt und das durch die Integration vieler Funktionen im IC der Erkenntnisgewinn für Laien relativ klein ist. rhf
Roland F. schrieb: > - wenn ich die Schaltung richtig verstanden habe ist der LT8612 nebst > Außenbeschaltung ein Schaltnetzteil, das Vout + 1,7V aus 10-40V Vin > erzeugt. Das könnte man ja auch durch einen Trafo, Gleichrichter und > Siebelkos ersetzen. Leider landet man dann bei 30V rein und wenigen Volt raus schon bei 0,4A in der Begrenzung vom LT3081 und muss also bereits für 1A gleich 3 Stück einplanen. Das Teil ist deutlich aufwändiger zu kühlen, dank 125°C max (2N3055: 200°C). Die vielen Anschlüsse gepaart mit der hohen Anzahl an LTs erwingen eine direkte Kopplung einer Ansteuerplatine mit einem grossen Kühlkörper, will man allzu viel Kabelsalat vermeiden. Ohne Umschaltung der Eingangsspannung ist das also unpraktisch.
A. K. schrieb: > > Leider landet man dann bei 30V rein und wenigen Volt raus schon bei 0,4A > in der Begrenzung vom LT3081 und muss also bereits für 1A gleich 3 Stück > einplanen. > Missverständnis: http://cds.linear.com/docs/en/lt-journal/LTJournal-V24N2-02-df-BenchSupply-Szolusha.pdf Gemäß Figure 1 macht der Schaltregler LT8612 aus jeder Eingangsspannung eine Spannung Vout +1,7V. Damit wird der LT3081 versorgt. Damit hat dieser bei jeder Ausgangsspannung eine max. Verlustleistung von 1,7V * Iout. Also max. 1,7V * 1,5A = 2,55W.
Generell kann man bei einem Längsglied mit implizitem SOA-Schutz ein kleines Problem im Konstantstrom-Modus bekommen, wenn man eine Art Vorregelung oder Eingansspannungsumschaltung verwendet: Bei hohem Strom und anfänglich hoher Ausgangsspannung wird bei einem massiven Spannungseinbruch interessant. Bis die Eingangsspannung runter geregelt oder geschaltet hat, liegt volle Power über dem Längsglied. Ein 2N3772 kann über 100ms das doppelte seiner nominellen Leistung wegstecken. Da bleibt genug Zeit fürs Runterfahren vom Input. Bei einem Längsglied mit statischem SOA-Schutz muss das Glied bei voller Eingangsspannung noch innerhalb der SOA liegen, sonst bricht der Strom ein. An dieser Stelle wirds auch für 2N3055 Freunde interessant. Denn genau das unterschiedet die heutige Version von der usprünglichen. Der 2N3055 ist bei doppelter Last schon nach 1ms platt, der 2H3055A (OnSemi) erst nach 100ms.
Bernd K. schrieb: > Missverständnis: Nope. Das war eine Antwort auf Roland, der den Vorregler einsparen will.
Achim B. schrieb: > Eppelein V. schrieb: >> Weiter wäre eine Überlegung, negative Spannungsgrößen mit einfließen zu >> lassen, falls noch nicht angemerkt worden ist. > > Ist einfach: du benötigst ein zweites Netzteil. Eins für die positive, > und eins für die negative Spannung. In der "Mitte" ist Masse. Oder Null. > Das dürften sogar zwei strunzen verschiedene Netzteile sein, > vorausgesetzt, sie haben kein gemeinsames "Potential", was aber > üblicherweise so gegeben ist. > > Gleiches güldet auch für das hier ellenlang diskutierte "Problem" mit > der Reihenschaltung von zwei (oder mehr) Netzteilen. Auch danke für den Hinweis. Die ganzen Jahre einm ebensolches in Betrieb wenn gebraucht. Könnte man etwaig in die neue Planung mit einfließen lassen, dann wäre alles kompakt beieinander, nu mal so ein Gedanke. MfG Eppelein
Bin hier interessiert am Mitlesen und finde die Idee mit einem nachbaubaren, "modernes" LNG recht gut. Aber, das bitte nicht negativ aufnehmen, das soll konstruktiv werden, braucht es wirklich ein weiteres 15V 1A LNG? Das packt jeder LM317. Pro: - Einfache Materialbeschaffung - 230V Part ausgeklammert, durch Trafo oder SNT vorgeschaltet - Abschaltbare Ausgänge - Stromeinstellung ohne Kurzschließen der Ausgänge Contra: - Warum kein µC und nur Potis? - Warum keine Reihen-/Parallelschaltung? - 15V 1A ist Geschmackssache, wären mir etwas wenig und wieder, das kann jeder lm317 Ich denke 1 µC pro Kanal und ein Weiterer zur Steuerung sind ein Muss. Und kein ATMega/Arduino, aufgrund der fehlenden DACs. Das erlaubt dann auch das anschließen über RS232/USB/Ethernet (falls man es braucht). Eventuell einen PSoc, da könnte man einige features in der Programmierbaren Hardware abbilden. Strom und Spannung lässt sich präzise und genau über das Display einstellen oder per Schnittstelle vom PC aus. Ausgangsabschaltung über Relais oder Sollwerte auf 0V setzen (müsste man Vor- und Nachteile abwägen). Weitere Vorteile, die "einfach" in Software hinzugefügt werden können: Ladekurven für Akkus (evtl. mit optionalem Balancing modul für LiPos), Zyklen fahren, Zeitabschaltung, rauschen simulieren, etc. Für die Reihen-/Parallelschaltung wären 2 Dinge notwendig, galvanische Trennung und loadbalancing. Eingangs seitig braucht man pro Kanal ein Netzteil um die Kanäle zu trennen. Per Optokoppler die Daten zwischen den Kanälen austauschen und dadurch das loadbalancing realisieren. Was Spannung und Strom angeht, da wären meiner Meinung nach 30V 5A recht schön, da lässt sich dann auch fast alles mit erschlagen. Von einfachen Blinklichtern über high power LEDs bis hin zu Motorschaltungen. Sollte es doch mal nicht ausreichen -> Reihen-/Parallelschaltung. Wenn man das ganze "perfekt" aufbauen wollen würde, dann würde man ein regelbares SNT+PFC vor den LNG teil setzen und das SNT 3V höher als den LNG teil regeln. Damit hätte man dann ein effizientes und kühles Netzteil mit (dank µC) einem Haufen Funktionen und wenn man es etwas modular gestaltet, sogar eine erweiterbare Plattform.
Achim schrieb: > Bin hier interessiert am Mitlesen und finde die Idee mit einem > nachbaubaren, "modernes" LNG recht gut. > Aber, das bitte nicht negativ aufnehmen, das soll konstruktiv werden, > braucht es wirklich ein weiteres 15V 1A LNG? Das packt jeder LM317. Du hast offensichtlich den Kommentar von lurchi oben nicht gelesen. > Contra: > - Warum kein µC und nur Potis? Wegen der Nachbausicherheit. Schau' Dir einfach das DCG im ct-lab an, das ist nicht mehr nachbausicher. > - Warum keine Reihen-/Parallelschaltung? Das ist nicht ausgeschlossen. > - 15V 1A ist Geschmackssache, wären mir etwas wenig und wieder, das kann > jeder lm317 Kommentar siehe oben > Ich denke 1 µC pro Kanal und ein Weiterer zur Steuerung sind ein Muss. > Und kein ATMega/Arduino, > aufgrund der fehlenden DACs. > Das erlaubt dann > auch das anschließen über RS232/USB/Ethernet (falls man es braucht). Einfach mal das ct-lab angucken, da gibt den von Dir ausgeschlossenen AtMega und auch die von Dir gewünschte Konnektivität. Alleine der Ethernet-Baustein kostet EUR 60,-. > Eventuell einen PSoc, da könnte man einige features in der > Programmierbaren Hardware abbilden. > Strom und Spannung lässt sich präzise und genau über das Display > einstellen oder per Schnittstelle vom PC aus. > Ausgangsabschaltung über Relais oder Sollwerte auf 0V setzen (müsste man > Vor- und Nachteile abwägen). > Weitere Vorteile, die "einfach" in Software hinzugefügt werden können: > Ladekurven für Akkus (evtl. mit optionalem Balancing modul für LiPos), > Zyklen fahren, Zeitabschaltung, rauschen simulieren, etc. Der Ruf nach der eierlegenden Wollmilchsau passt nicht zur Nachbausicherheit und garantiert ein frühes Ende des Projekts. > Für die Reihen-/Parallelschaltung wären 2 Dinge notwendig, galvanische > Trennung und loadbalancing. Lies Dir den ct-Artikel zum DCG durch. > Eingangs seitig braucht man pro Kanal ein Netzteil um die Kanäle zu > trennen. Per Optokoppler die Daten zwischen den Kanälen austauschen und > dadurch das loadbalancing realisieren. > > Was Spannung und Strom angeht, da wären meiner Meinung nach 30V 5A recht > schön, da lässt sich dann auch fast alles mit erschlagen. Von einfachen Ich fände 50A noch schöner. > Blinklichtern über high power LEDs bis hin zu Motorschaltungen. Sollte > es doch mal nicht ausreichen -> Reihen-/Parallelschaltung. > > Wenn man das ganze "perfekt" aufbauen wollen würde, dann würde man ein Mit "man" sind offensichtlich die anderen gemeint, denn Du hast ja keinen Schaltplan bisher vorgelegt. > regelbares SNT+PFC vor den LNG teil setzen und das SNT 3V höher als den Super. Zeig' mal Deinen Schaltplan. Es gibt übrigens Gründe auf den Einsatz von Schaltnetzteilen zu verzichten. Bis jetzt ist jeder in seiner Spannungsversorgung frei. > LNG teil regeln. Damit hätte man dann ein effizientes und kühles > Netzteil mit (dank µC) einem Haufen Funktionen und wenn man es etwas > modular gestaltet, sogar eine erweiterbare Plattform. Diese Plattform gibt es schon, sie heißt ct-lab. Deine Maximalforderungen finde ich überhaupt nicht zielführend. Alleine um die Probleme von Überschwingern beim ct-lab DCG in den Griff zu kriegen, brauchte es mehrere Schaltplanrevisionen, das war für den Author richtig zeitaufwendig. "Konstruktivität" die Du ja suggerierst, geht anders!
Ich finde die posts von ArnoR zum Innenwiderstand der Endstufe sehr interessant. Warum ist dann der NPN Typ 3055 zum "Quasi-Standard" in vielen Selbstbaunetzteilen geworden? Gab es z.B. früher einfach keine passenden PNP Leistungstransistoren um komplementär Darlingtons aufzubauen oder wurde immer nur kopiert? Der von Roland Franz ins Spiel gebrachte LT3081 hat übrigens genau so einen komplementär Darlington als Endstufe. Mit meinem begrenzten regelungstechnischen Verstand meine ich zu erkennen, dass die Phasenreserve beim Komplementärdarlington für C = 1 mikroF kleiner ist als z.B. bei 10mikroF. Lässt sich daraus z.B. ein Kompromiss für eine mindest grösse am Ausgang des Ausgangs C erkennen. Was sagt die Simulation z.B. für 10n oder 100n am Ausgang?
Timo S. schrieb: > meine ich zu > erkennen, dass die Phasenreserve beim Komplementärdarlington für C = 1 > mikroF kleiner ist als z.B. bei 10mikroF. Ja das ist so, weil bei den dort höheren Frequenzen weitere interne Pole des OPV und des rel. langsamen Komplementär-Darlington zu wirken beginnen. > Lässt sich daraus z.B. ein > Kompromiss für eine mindest grösse am Ausgang des Ausgangs C erkennen. Nein. In dem Bereich und ganz ohne Frequenzgangkorrektur lässt sich die Schaltung nicht vernünftig betreiben. Die Mindestgröße ist 0. OPV oder Verstärker schwingen mit kapazitiver Last, nicht ohne. > Was sagt die Simulation z.B. für 10n oder 100n am Ausgang? Irrelevant, weil in der Praxis nicht machbar, die Schaltung muss für die maximale Kapazität korrigiert werden, so kleine Werte bewirken dann gar nichts.
Gerhard O. schrieb: > Was meint ihr? Wert zum Diskutieren? Die Idee ist auf den ersten Blick verführerisch. Aber bei allen Standorten außerhalb Chinas krieg ich Bauchschmerzen: Preis: US $78,47 (ca. EUR 66,57) Versand: US $33,99 (ca. EUR 28,84) Einfuhrabgaben: US $21,24 ...(EU-Zölle müßte ich nachschlagen) kurzum, man landet in der EU bei geschätzten 120..130 Euro und dafür kann man sich was Fertiges kaufen. Ich mach nachher oder morgen mal ein Bild von einer Alternativkonstruktion. Nicht zum Nachbau, sondern zum Finden einer konsensfähigen Gehäuseversion. W.S.
Wow, mein erster Beitrag in diesem Thread und gleich werde ich so angegangen, weil keine Schaltung drin ist (bei grundsätzlichen Fragen/Ideen).... wüsste ich nicht, das das hier die höfliche Umgangsform ist, würde ich mich fragen, ob ich im falschen Film wäre. @Peter M.: Erklär mir doch bitte mal, was du unter Nachbausicher verstehst? Alles DIP? In diesem Zusammenhang, was spricht gegen einen µC? Auch schön, dass du mich immer auf das DCG vom ct-lab verweist. Aber das schwingt nach deiner Aussage doch und genau solche Schwinger kommen doch idr. vom Analog Teil und den wolltest du dann auch noch kopieren? Und glaubst du wirklich, das man nicht mehrere Versionen braucht um das ganze von der Simulation auf eine Leiterplatte zu bekommen? Alleine die üblichen Bauteiltoleranzen werden da noch das ein oder andere Kopfzerbrechen verursachen.
Timo S. schrieb: > Warum ist dann der NPN Typ 3055 zum "Quasi-Standard" in vielen > Selbstbaunetzteilen geworden? Gab es z.B. früher einfach keine passenden > PNP Leistungstransistoren um komplementär Darlingtons aufzubauen So ist es. Es gab anfangs zum 2N3055 keinen vergleichbaren PNP. Und der war dann schnell so populär, dass er zum Quasi-Standard wurde. Die frühen Herstellungstechniken bevorzugten eine bestimmte Art. Bei Germanium war es PNP, bei Silizium NPN.
ArnoR schrieb: > Beispielsweise wird oft behauptet, dass ein Ausgangskondensator der > dynamischen Stabilität (also der Stabilisierung gegen > Schwingen/Überschwingen) dient, und kleine Kapazitäten (z.B. 1µF) bzw. > ganz fehlende die Stabilität der Schaltung verschlechtern. Das ist > falsch. Deine Simulationen sind ja ganz nett, aber bedenke doch bitte mal, daß du NIE NIE NIE weißt, was im Betrieb da an den Ausgang kommt. Ich sag's mal ganz locker: wenn der Ausgangskondensator von 100µF bis unendlich variieren kann, dan ist das weniger und folglich besser beherrschbar als wenn er von 100nF bis unendlich variieren könnte. Also sollte man durchaus einen nicht grad kleinen Kondensator am Ausgang vorsehen, quasi als kapazitive Grundlast. De Diskussion wäre dann darüber zu führen, welche Güte dieser haben sollte. Hintergrund: schließe mal eine Schaltung über 2 Meter (1 plus, 1 minus) Litze an, die als allererstes nen fetten Keramikkondensator von 22..100µF mit Güte >200 enthält. Da wird das Netzteil leicht zum Clapp-Oszillator, wenn da keine dämpfenden Un-Güten am Ausgang mitspielen, die der Schwingneigung entgegenwirken. W.S.
W.S. schrieb: > Ich sag's mal ganz locker: wenn der Ausgangskondensator von 100µF bis > unendlich variieren kann, dan ist das weniger und folglich besser > beherrschbar als wenn er von 100nF bis unendlich variieren könnte. Warum liest du nicht einfach was oben steht. Unendlich ist aber eh nicht machbar, alles würde unendlich lange dauern. Die Schaltung interessiert sich nur für die maximale Kapazität und muss für die maximale Kapazität korrigiert werden, dann ist es egal, ob die minimale 100µ oder 100n ist.
Achim schrieb: > Wow, mein erster Beitrag in diesem Thread und gleich werde ich so > angegangen Nö. du wurdest überhaupt nicht "angegangen". Wenn hier jemand mal ne echte Standpauke abkriegt, dann liest sich das GANZ anders. Kannste mir glauben. Aber: Ich verstehe ja, daß wir hier in einem Mikrocontroller - Board sind und deswegen selbiger überall hineinleuchtet - doch hier im Speziellen geht es um eine Labornetzteil-Konstruktion, die eigentlich 3 Kriterien genügen soll: 1. schaltungstechnisch OK sein 2. bescheiden im Bauteileumfang und in der Kompliziertheit 3. nachbaubar auch vom blutigen Anfänger, der außer einem Bastel-Lötkolben, Cuttermesser, Kneifzange und anderem Baumarktwerkzeug aus der Grabbelkiste nix hat. Und zwar ohne daß er nen Stromschlag kriegt oder sich oder seine Schaltung räuchert. Achim schrieb: > braucht es wirklich ein weiteres 15V 1A LNG? Das packt jeder LM317. Erstens ist das 15V/1A-LNG genau das, was bei Bastelanwendungen etwa 90% aller Fälle abdeckt. Zweitens ist deine flapsige Meinung über den LM317 falsch. Ein LNG soll eben auch mal 1 Volt bei vollem Strom (hier 1A) dauernd liefern können. Den LM317 und seinen Kühlkörper will ich sehen, der dann die restlichen 14 Watt auf Dauer verheizen kann. Präzise gesagt, würden die 14 Watt nicht reichen, denn man müßte den Headroom des LM317 noch dazurechnen. Und wie kommst du beim LM317 auf 1 Volt oder darunter? W.S.
W.S. schrieb: > Erstens ist das 15V/1A-LNG genau das, was bei Bastelanwendungen etwa > 90% aller Fälle abdeckt. Wenn man sich auf diese 90%-Bastelfälle beschränkt, ist man mit einem 50€ Chinateil 0-15V/2A auch bedient. Mehr als Lerneffekt kommt dann bei Selbstbau nicht raus - und beim Bau wird man merken, dass man eigentlich schon eines braucht, um das neue in Betrieb zu nehmen. Wenn es also um den Lerneffekt geht, dann ist ein LM317/L200 schon deshalb sinnarm, weil man daraus kaum etwas lernt. Da lernt man mit einem Regler in Emitterschaltung mehr, denn bis der mal in allen Lebenslagen stabil ist... Wenn es andererseits um Minimierung des Aufwands geht, dann tut es der LM317. Weniger als 1,2V ist selten. Ich hatte in der Taschengeldphase ein 7805 mit untergesetztem Poti verwendet (70er, der LM317 war wohl zu frisch). Das war dann ziemlich lang im Einsatz. Wenn mehr Strom gebraucht wurde, dann hatte ich eigentlich immer was für Festspannung rumliegen, das den liefern konnte.
A. K. schrieb: > Ich hatte in der Taschengeldphase Kenn ich, kenn ich. Mein erstes Bastelnetzteil hatte ein "geeichtes" Lautstärkepoti aus nem alten Radio als Spannungseinstellung, ein Dreheisen-instrument als Strommesser und die Schaltung war komplett diskret ausgeführt, im Prinzip Differenzstufe wie beim OpV, PNP Ausgangsvorstufe, dann NPN Leistungstransistor. Herrje, ich hatte nur ein geschenktes 100µA-Drehspulinstrument mit Vorwiderständen als Spannungsmesser. Aber ein solides Blechgehäuse aus 1mm verzinktem Stahlblech... Kopf nach vorn und die Toten ruhen lassen. W.S.
W.S. schrieb: > Erstens ist das 15V/1A-LNG genau das, was bei Bastelanwendungen etwa > 90% aller Fälle abdeckt. Hast Du schon mal bedacht, daß möglicherweise nicht jeder Bastler 90% in diesem Bereich verbringen könnte - sondern z.B. meine 90% eher innerhalb 2 x 30V / 3A lägen? Ich hätte nichts gegen ein Gerät mit 12V/1A. Nur bräuchte ich dann noch 2x12/15/18/20/24V/3A, 48V/2A, und noch 60V/0,5A. Was dann?
W.S. schrieb: > 3. nachbaubar auch vom blutigen Anfänger, der außer einem > Bastel-Lötkolben, Cuttermesser, Kneifzange und anderem Baumarktwerkzeug > aus der Grabbelkiste nix hat. Und zwar ohne daß er nen Stromschlag > kriegt oder sich oder seine Schaltung räuchert. Wenn ich dich da mal zitieren darf: "3. Stromversorgung: möglichst Print-Trafo, 15..18 VA." Du willst also einen DAU auf 230V los lassen? Dachte der soll keinen Stromschlag bekommen. Für einen DAU reicht auch das hier: https://www.pollin.de/p/regelbares-labornetzgeraet-quatpower-ln-3003-0-30-v-0-3-a-351425 Nicht perfekt, ein SNT mit riesigem C am Ausgang, aber sicher und für 90% der Fälle ausreichend, ohne das man einen Schlag bekommt und seine Schaltung räuchert, bei richtiger Bedienung. Fürs lernen reicht, wie schon gesagt wurde, ein LM317 und den kann man immer noch hinter das Pollin NT hängen. W.S. schrieb: > Ein LNG soll > eben auch mal 1 Volt bei vollem Strom (hier 1A) dauernd liefern können. > Den LM317 und seinen Kühlkörper will ich sehen, der dann die restlichen > 14 Watt auf Dauer verheizen kann. Das liegt aber in der Natur eines LNG, dass alles was vorne rein und hinten nicht wieder raus kommt, als Hitze verbraten wird. Wird einer zu warm, schaltet man halt mehrere parallel. Genauso wie man es bei jedem anderen LNG auch machen muss. Oder man braucht eine gute Kühlung (CPU Kühler wurden hier auch schon von dir angesprochen).
Scrat schrieb: > So. Inzwischen seid ihr bei Stromregelungen angelangt, die von > Transistoren übernommen werden und auf deren BE-Spannung basieren. Sowie > Schaltungen, die auf Zenerdioden als "Referenz" bauen. > > Weiter oben diese drei, vier kindischen Gäste hatten zufällig recht, ich > gehöre hier tatsächlich nicht her. Also dann noch alles Gute beim > schlechten Kopieren veralteter Schaltungen. Was sollen wir denn machen wenn uns dein genialer Schaltungsentwurf nicht vorliegt? Wir können halt nur dumm sterben wenn uns niemand den richtigen Weg weist. Zurück zum Thema: Ich hab mal alles nur grob überflogen seit gestern. Im Anhang mal meine Schaltung bzgl. Labornetzteil mit dem LM324. Das war mein erster Schaltungsentwurf auf dessen Basis ich ein LNG aufgebaut hab. Nachteil ist dabei die Strommessung. Die Widerstände müssen hierbei schon gut aufeinander abgestimmt sein sonst kann es zu vergleichsweise großen Fehlern bis hin zum Messen eines negativen Stroms kommen. Daher gabs in einer späteren Variante (Layout oben) die Strommessung mit einem INA122/INA126 und der Spannungs- und Stromregler wurde durch einen LM358 ersetzt. Das Netzteil lässt sich problemlos mit einem uC steuern und wer keinen uC verwenden will muss sich lediglich die Poti-Beschaltung überlegen. Das Netzteil habe ich in mehreren Varianten aufgebaut, von 12V/0.8A bis hin zu 30V/2A, es ist also sehr leicht auch skalierbar.
Habt ihr Euch schon auf eine bestimmte Art festgelegt. Hätte da noch ein industrielles Netzteil 0-20V, 4A mit LM723. Layout ist fertig. Spannung und Strom einstellbar.
M. K. schrieb: > Was sollen wir denn machen wenn uns dein genialer Schaltungsentwurf > nicht vorliegt? Wir können halt nur dumm sterben wenn uns niemand den > richtigen Weg weist. Man fängt an, das Problem zu zerlegen und jeden Teil einzeln und logisch zu lösen. Hier liegen folgende Teilprobleme vor, die mit zb. SCILAB oder LTSPICE bearbeitet werden können (das Blockschaltbild ist weiter oben entnommen worden) und auch zeigen, wie diese Probleme gelöst und die Entscheidungen für/gegen getroffen werden. 1. Im BSB nicht enthalten: Netzfilter. Brauchen wir ein SiFi? oder ist ein Eigenbau möglich? Wie messen wir netzgebundene Störungen? Welche Topologie ist erforderlich? Welche Dämpfung? 2. Rohspannungserzeugung: OpenFrame Netzteile? Trafokonzepte? Laptopnetzteile? 3. Stellglieder: IGBT/Bipolar/Mosfet? Paralellschaltung? Ansteuerung? 4. Regelung: Analog (Opamps) oder digital (AVR oder Sam? Der ARM-Arduino hat sogar DAC, die können für eine Regelung interessant werden) 5. Kommunikation nach aussen: CAN? GPIB? USB? 6. Visualisierung: Fluoreszenz? LCD? LED7Segment? einzelne LED? 7. Spannungsüberwachung per Senseleitungen, weitere Möglichkeiten? 8. Lastabwurf? 9. Betrieb als Konstantspannungs/Stromquelle? schaltbar? 10. Symmetrisches NT? Einzelne Teile zum Zusammenschalten? 11. Thermische Überwachung des NT und der Last? 12. n.n. 2bc
Der LM317 hat eine feste Strombegrenzung und lässt sich nur schwer auf eine kleinere erweitern. Wenn dann schon der L200, da könnte man wenigstens per Stufenschalter den Strom in wenn auch groben Stufen einstellen und ggf. fein per Poti trimmen. Der LM317, L200 und auch die LT3080 sind allerdings Spannungsregler und bei der Regelung nicht unbedingt darauf ausgelegt auch mit 100 µF oder 1000 µF am Ausgang noch ohne große überschwinger zu regeln. Dazu kommt das die Spannung am Ausgang des Reglers und nicht an der Buchse geregelt wird. Der Schaltungsversuch von Dave Jones den LT3080 um eine feine Stromregelung zu ergänzen ist genau eines der schlechten Beispiele für eine Netzteilschaltung die nicht richtig funktioniert - je nach Variante instabil oder extrem langsam oder beides. Die Endstufe mit komplementär-Darlington hat gewisse Vorteile, wenn man auf den niedrigen Ausgangswiderstand angewiesen ist. Allerdings braucht man in der LNG Schaltung auch noch einen Shunt um den Strom zu messen und begrenzen. Der Shunt oder ein anderer Widerstand hat auch noch einen Vorteil für die Stabilität des Reglers. Der sorgt dafür dass der Ausgangswiderstand der Endstufe bei höheren Frequenzen gutmütig bleibt und nicht schon für sich instabil wird und dann ggf. schon mit 10 nF schwingen würde. Der Widerstand mach die Sache im kHz Bereich etwas schwieriger aber im MHz Bereich einfacher. Der Komplementär Darlington kann auch schon für sich instabil werden, insbesondere mit Kapazitiver Last - da wird auch schon der Reihenwiderstand quasi benötigt. Man kann die Kompensation auch so auslegen, dass man nicht auf einen so niedrigen Ausgangswiderstand angewiesen ist. Der Widerstand in Reihe zum Kondensator am OP ist so eine Methode. Für ein Stellglied mit niedrigem Ausgangswiderstand geht es ggf. ohne, aber man kann die Methode trotzdem nutzen. Ich benutzen der 2N3055 in der Simulation, einfach weil das einer der wenige Leistungstransistoren ist, die bei LTSpice als Modell mit dabei sind. Die konkrete Wahl der Transistoren ist dann ein späterer Schritt, etwa wenn man festlegt ob man 1 A oder 3 A Ausgangsstrom erlauben will. In der Schaltung mit Emitterfolger braucht die Spannungsregelung keine Kapazität am Ausgang, jedenfalls keine große. Um sich nicht mehr um den Bereich über 1 MHz groß kümmern zu müssen hilft es aber doch einen Kondensator zu haben. Sehr hilfreich ist dabei einen Kondensator mit etwas Serienwiderstand (aber nicht sehr viel), weil der in einem begrenzten Bereich auch eine Resonanz dämpfen kann. Etwas vereinfacht kann ein reiner Kondensator durch eine parallele Induktivität unwirksam (hochohmig) werden - bei einem Kondensator mit Serienwiderstand kann das nur begrenzt passieren. Bei der Betrachtung im Zeitbereich kümmert sich die Kapazität für die Zeitskala wo der Reglerteil noch nicht reagieren kann. Die Stromregelung braucht ggf. etwas Kapazität, bzw. eine RC Kombination am Ausgang. Zumindest in der von mir simulierten Form reicht da aber auch wenig Kapazität (z.B. 100 nF, ggf. 1 µF wenn man es langsam macht).
Lurchi schrieb: > Der Komplementär Darlington > kann auch schon für sich instabil werden, insbesondere mit Kapazitiver > Last Ja, man kann den in der Emitterleitung des Eingangstransistors (mit ein paar Ohm) gegenkoppeln und stabilisieren.
R. F. schrieb: > Brauchen wir ein SiFi? Klar, SiFi-Patrone brauchste imma! http://www.qc-teichfilter.de/ Oda meinste G-SiFi? https://www.bundesbank.de/Navigation/DE/Service/Glossar/_functions/glossar.html?lv2=32032&lv3=322094#322094
Scrat schrieb: > So. Inzwischen seid ihr bei Stromregelungen angelangt, die von > Transistoren übernommen werden und auf deren BE-Spannung basieren. Sowie > Schaltungen, die auf Zenerdioden als "Referenz" bauen. > > Weiter oben diese drei, vier kindischen Gäste hatten zufällig recht, ich > gehöre hier tatsächlich nicht her. Also dann noch alles Gute beim > schlechten Kopieren veralteter Schaltungen. Ne Du gehörst hier nicht her. Moserst nur rum, behauptest so was Einfaches hat man in Null Komma Nix konstruiert und bleibst uns schon seit einer gefühlten Ewigkeit die Präsentation Deiner Wunderschaltung schuldig. Insofern kann ich mich nur einigen meiner Vorreder anschließen - alles nur heiße Luft.
icke mal schrieb: > R. F. schrieb: >> Brauchen wir ein SiFi? > > Klar, SiFi-Patrone brauchste imma! > http://www.qc-teichfilter.de/ > Offen gesagt: SiFi war auch mir unbekannt. Erst nach intensivem googeln habe ich was gefunden, das passen könnte: https://www.ebay-kleinanzeigen.de/s-anzeige/endstoerfilter-siemens-sifi-d-b84114-d-b10/714243022-168-2743 Es handelt sich aber um einen Endstörfilter statt Entstörfilter. Es wird also am Ende gestört. Das ist ja endsetzlich.
SiFi / Si-Fi = "Siemens-Filter". Reihe heute bei EPCOS / TDK. Ein Schaffi / Schurti tut´s übrigens auch. Bei Bedarf! ;-)
R. F. schrieb: > 2. Rohspannungserzeugung: OpenFrame Netzteile? Trafokonzepte? > Laptopnetzteile? Sicherlich ist es schlau, eine Netzteilregelplatine so zu gestalten, daß die Versorgung aus Eisenkerntrafo, Gleichrichter und Siebelko möglich ist, die sind sowieso so gross daß sie mit Netzschalter, Lampe, Sicherung und Netzbuchse ausserhalb der Platine (bzw. auf einer eigen entworfenen zweiten Platine passend gross für die Grösse seiner Bauteile) unterzubringen sind, dann muss man bedenken, daß die Eingangsspannung um 1:1.5 schwankt also braucht man genügend Spannungsfestigkeitsreserve nach oben, oder aus einem Schaltnetzteil, das liefert dann vorgeregelt konstante aber verrauschte Eingangsspannung, theoretisch geht dann auch ein Laptopnetzteil wenn man mit dessen geringer Leistung auskommt. All diese Varianten bedeuten aber, daß man mit EINER Versorgungsspannung auskommen müsste, und damit wären alle floating Regler (von manchen hier "HP Konzept" genannt) aussen vor. Also müsste man mindestens vorsehen, daß neben der Hauptstromversorgung auch eine Hilfsstromversorgung (zweiter Trafo, DC/DC Wandler) möglich ist um diese floating Regler zu versorgen. Lösungen wie bei Ralph Berres mit 6 verschiedenen Versorgungsspannungen sind dann aber raus, Lösungen mit Trafoumschaltung zur Verlustleistungsreduzierung auch, Lösungen die aus einer Trafowechselspannung die (negative) Hilfsspannungen per Villard-Schaltung machen schwierig: Wer keine Trafoversorgung (sondern Gleichstrom) hat müsste dann einen DC/DC Wandler spendieren. Klingt für mich, als gibt es zwei Reglerkonzepte (Emitterfolger und "HP Konzept") die beide nicht vereinbar sind, also müsste man beide weiter betrachten, und sich von Trafoumschaltung oder Thyristorvorregelung verabschieden. Jeder baut dann, was er will. Emitterfolger wird einfacher (nur 1 Versorgungsspannung, kein Problem mit hochschnellender Ausgangsspannung, kaum Stabilitätsprobleme, aber Ausgangsspannung stark von Spannungsfestigkeit der OpAmps abhängig, kaum mehr als 30V bei normalen OpAmps ereichbar) aber "HP Konzept" erlaubt unabhängigeren Ausgangsspannungsbereich (locker 300V), dafür zumindest 2 Versorgungsspannnungen und weit kritischer in der Auslegung, ohne Oszilloskop kaum selbst aufzubauen, zumindest nicht wenn man andere Bauteile als schon ausprobierte nehmen will. > 3. Stellglieder: IGBT/Bipolar/Mosfet? Paralellschaltung? Ansteuerung? Sicher bipolare weil einfacher parallelschaltbar und schneller und die angeblich grössre SOA eines MOSFETs auch nur Humbug ist. Mehr als 50 Watt bekommt man linear aus einem einzelnen (TOP3) Transistor nicht realistischb raus, für mehr braucht es also Parallelschaltung. > 4. Regelung: Analog (Opamps) oder digital (AVR oder Sam? Der ARM-Arduino > hat sogar DAC, die können für eine Regelung interessant werden) Sicher analog, denn es sollte auch ohne uC funktionieren, zudem sind alle uC zu langsam. Und der eine Doppel-OpAmp, den das kostet, der kann nicht zu viel sein. > 5. Kommunikation nach aussen: CAN? GPIB? USB? Im Kern wohl seriell, leicht mit FT232R (auch fertige Chinamodule) in USB umsetzbar, und wer will/muss kann CAN oder GPIB dann einfach selbst dranstricken (und das Extra-Modul mit Software hier posten: :-). > 6. Visualisierung: Fluoreszenz? LCD? LED7Segment? einzelne LED? Jeder wie er will: Einfache 'retro' Analoginstrumente, digitale ICM7107 Anzeige, Anzeige per uC mit ADC erfassen auf LEDs oder LCD ausgeben so wie es die fertigen Module aus China machen, und wohl kaum VFD Anzeigen. > 7. Spannungsüberwachung per Senseleitungen Sinnvollerweise vorzusehen, wer es nicht will, kann ja verbinden. > 8. Lastabwurf? ?!? Meinst du damit den Ausgangsspannungsschalter ? > 9. Betrieb als Konstantspannungs/Stromquelle? Sicher, sonst wäre es kein Labornetzteil. > 10. Symmetrisches NT? Einzelne Teile zum Zusammenschalten? Eine halbwegs universelle Konstruktion würde das ermöglichen, daß man mehrere Regelmodule als positive und negative oder parallel zusammenschaltet. > 11. Thermische Überwachung des NT und der Last? Sicherlich Kühlkörper thermisch überwachen, aber das geht einfach per Bimetall-Thermoschalter, da muss kein Sensor mit elektronischer Auswertung dran. Ob man den Trafo auch überwacht, hängt wohl von dessen Leistung ab. Ein ausreichend dimensionierter kann vom strombegrenzten Labornetzteil nicht überfordert werden, es sei denn die Luftzirkulation ist behindert. Ein Schaltnetzteil ist sowieso schon fertig, kaum jemand wird es selber aufbauen. All diese Fragen lassen sich also nur auf eine Art beantworten: Jeder will was anderes. Also kann man nur Module - Reglermodul (in Variante Emitterfolger und Variante floating, ohne Netzteil ohne Leistungstransistoren auf Kühlkörper denn die sind beide stark abhängig von der gewünschten Auslegung) - Anzeigedisplay (z.B: 2 x ICL7107 oder 1 x uC mit 8 7-Segment Anzeigen) - uC Steuerung (Incrementaldecoder, Tastatur, Display, seriell/USB, ggf. Arbiträrsignalerzeugung und Aufzeichnung über Zeit und Leistungsberechnung (Watt, Wattstunden, Gesamtladung in Akku)) konzeptionieren, der eine baut Netztrafo, Gleichrichterbrücke, Siebelko dran der anderee Schaltnetzteil, der eine baut Potis an die Reglerplatine für manuelle Bedienung, der andere schliesst die uC-Steuerung stattdessen an für USB Parametrisierung, der dritte baut eine Anzegeplatine der andere kauft sich ein Chinamodul der nächste nimmt 2 fertige Panelmeter.
Hallo Michael, > Also müsste man mindestens vorsehen, daß neben der Hauptstrom- > versorgung auch eine Hilfsstromversorgung (zweiter Trafo, DC/DC > Wandler) möglich ist um diese floating Regler zu versorgen. Aber was wäre daran so schlimm? Wenn ich so sehe was einige hier noch für ganz andere Forderungen an ein LNT-Konzept haben (Regelung per MC, Nutzung als Ladegerät per MC-Steuerung, u.s.w.), scheint mir der Aufwand für eine zusätzliche Stromversorgung der Regeleinheit vernachlässigbar klein. Wenn ich es richtig verstanden habe, würden sich dadurch die Möglichkeiten aber erheblich erweitern. rhf
Wollen wir nicht erst mal kleine Brötchen backen? Wenn das eingangs erwähnte 20V/1A Labornetzgeräte-Modul nachbausicher und in kleinen Grenzen skalierbar fertig ist, kann das nächste LNT-Modul drankommen. Einen Schritt nach dem anderen. So wie ich das sehe, schlägt hier alle 5 Beiträge einer auf, der dieselbe alte Leier wiederholt: "... ich will aber mehr!". Der Konsens vom Eingang des Threads wird damit aufgegeben und dieser Thread endet wie alle: ohne Ergebnis. Oder geht's auch mal anders? Blackbird
Blackbird schrieb: > Wenn das eingangs erwähnte 20V/1A Labornetzgeräte-Modul nachbausicher > und in kleinen Grenzen skalierbar fertig ist, kann das nächste LNT-Modul > drankommen Beispiel dazu hab ich gestern gepostet ;)
Roland F. schrieb: >> Also müsste man mindestens vorsehen, daß neben der Hauptstrom- >> versorgung auch eine Hilfsstromversorgung (zweiter Trafo, DC/DC >> Wandler) möglich ist um diese floating Regler zu versorgen. > > Aber was wäre daran so schlimm? Na ja, es gibt halt viele Varianten: Ein Trafo, zwei Wicklungen Zwei Trafos. Ein Schaltnetzteil, ein DC/DC Wandler. Ein Design welches für mehrere Leute nachbaubar sein sollte, müsste in den Varianten aufbaubar sein, also vielleicht auf der Platine Platz für Gleichrichter und Siebelko und Spannungsregler für Trafohilfsversorgung bereithalten, der wahlweise überbaut werden kann mit einem DC/DC-Wandlermodul oder den Strom von einem Wandlermodul anderer Bauart von aussen zuführen kann. Im wesentlichen sollte man dann nur bedenken, daß die Hilfsspannung überwacht sein muss: Ohne ausreichende Hilfsspannung keine Ausgangsspannung. Blackbird schrieb: > Wollen wir nicht erst mal kleine Brötchen backen? Eben. Trafowicklungsumschaltung oder Thyristorvorregelung wäre ein grosses Brot, zumal es harte Anforderungen an die benötigten Bauteile stellt, nicht jeder will sich einen Trafo wicklen lassen. Also erst mal ein Design, welches alle überflüssige Leistung in Wärme verbrät. D.h. maximal 50W bei einem Transistor. D.h. 30V/3A nur mit Parallelschaltung. Nur eine Platine ind die eine Eingangsspannung (nach Siebelko bzw. aus Schaltnetzteil) rein geht, Anschlüsse für Leistungstransistor drauf sind (einer will TO3, der andere Plastiktransistoren wofür sich E C B Pins am Rand gut eignen so daß der Kühlkörper dahinter stehen kann, der nächste 4 parallel schalten) und Anschlüsse für Strom- und Spannungspoti und Strommessinstrument und Spannungsmessinstrument drauf sind, in einer Form, die auch von einem uC-Board bedient werden könnte, d.h. mit vernünftigem Potentialbezug.
Michael B. schrieb: > ... > Also erst mal ein Design, welches alle überflüssige Leistung in Wärme > verbrät. D.h. maximal 50W bei einem Transistor. D.h. 30V/3A nur mit > Parallelschaltung. > > Nur eine Platine ind die eine Eingangsspannung (nach Siebelko bzw. aus > Schaltnetzteil) rein geht, Anschlüsse für Leistungstransistor drauf sind > (einer will TO3, der andere Plastiktransistoren wofür sich E C B Pins am > Rand gut eignen so daß der Kühlkörper dahinter stehen kann, der nächste > 4 parallel schalten) und Anschlüsse für Strom- und Spannungspoti und > Strommessinstrument und Spannungsmessinstrument drauf sind, in einer > Form, die auch von einem uC-Board bedient werden könnte, d.h. mit > vernünftigem Potentialbezug. Keine Überschwinger, rückstromfest und nachbausicher. Wurde aber schon mehrfach geschrieben. Das wird schon schwer genug werden. Blackbird
M. K. schrieb: > Blackbird schrieb: > Wenn das eingangs erwähnte 20V/1A Labornetzgeräte-Modul nachbausicher > und in kleinen Grenzen skalierbar fertig ist, kann das nächste LNT-Modul > drankommen > > Beispiel dazu hab ich gestern gepostet ;) Kannst Du die Schaltungsfetzen zusammenhängend zeichnen und eine kurze Angabe zu den Eckdaten geben? Die Mikrocontrollerschaltung ist Standard und hier optional. Blackbird
Hi, das ist mir aufgefallen, die Schaltung ähnelt sehr stark der des AF3007. https://www.mikrocontroller.net/attachment/344795/Ladegeraet_12V_mit_Strombegrenzung.jpg Wobei die Variation der Ausgangsspannung sehr eng toleriert ist. Daher praktisch als Labornetzteil kaum zu gebrauchen. Nur, ich wollte noch den Trick mit der Kurzschluss-Sicherung vorstellen. Bei sattem Kurzschluss am Ausgang über ca. 1 sec. bleibt die Ausgangsspannung so lange nahe 0V, bis der Ladeelko nach Abschalten der Netzspannung entladen ist und nach ca. 30 sec wieder ans Netz gehen kann. So wird verhindert, dass im Kurzschlussfalle das Gerät ständig auf Maximalleistung fährt. Man könnte sagen, das ist ein "Dreckeffekt" der Regelung. Aber geschickt ausgenutzt hier. Es wurde von Forumsmitgliedern mehrfach gesagt, T3 ist falsch herum gezeichnet. Und noch etwas, wer könnte nun die genaue Funktion von T3 einem Laien erklären? Bin schon gespannt auf Eure schlauen Antworten.;-) ciao gustav
Ich habe mal versucht alle Vorteile und Wünsche unter dem Hut der Eier legenden Wollmilchsau unterzubringen. Grundschaltung von Ralf Leschner, 2-fach OPV von Lurchi, Nachrüstbarkeit eines µC, nur Standardbauelemente (Widerstandsreihe E6). Es werden insgesamt nur 18 verschiedene elektronische Bauelemente benötigt (Widerstände mit gleichen Werten können mehrfach vorkommen). Für ein schnelleres Regelverhalten enthält der BD643 bereits interne Widerstände. Die 5-polige Steckerleiste (Conrad Best.-Nr. 741230 ) für den Anschluss eines µC (sollte auf dem Layout vorhanden sein) kann im Bedarfsfall auch einfach unbestückt bleiben, die Schaltung muss für die Funktionsfähigkeit nicht geändert werden. Der TL431 könnte auch durch einen 10V Festspannungsregler 78L10 ersetzt werden, das würde eine Einsparung von 3 Widerständen bedeuten, allerdings werden dann wiederum 2 Abblockkondensatoren benötigt. Die Schaltung ist noch nicht erprobt!
Bitte melde dich an um einen Beitrag zu schreiben. Anmeldung ist kostenlos und dauert nur eine Minute.
Bestehender Account
Schon ein Account bei Google/GoogleMail? Keine Anmeldung erforderlich!
Mit Google-Account einloggen
Mit Google-Account einloggen
Noch kein Account? Hier anmelden.


















