Forum: HF, Funk und Felder Ostern- Vielleicht mal wieder Detektorempfänger ?


Announcement: there is an English version of this forum on EmbDev.net. Posts you create there will be displayed on Mikrocontroller.net and EmbDev.net.
von Edi M. (edi-mv)


Angehängte Dateien:

Lesenswert?

Josef L. schrieb:
> Grade habe ich aus meiner
> Altteilekiste drei Kondensatoren vermessen - einer war hinüber, hatte
> einen hohen Innenwiderstand. Der zweite hatte 4.7nF, der dritte passt
> genau, hat 1.55nF und tut bis weit über 2 MHz seinen Dienst. SABA war
> halt Qualität.

Gratuliere, Sie haben Max gefunden !

Keine Qualität.
Wenn ein Kondensator 1,55 nF statt 1 nf hat, ist er bereits Schrott.
Der scheinbar höhere Kapazitätswert entsteht durch schlecten 
Isolationswert.
Das ist kein Kondensator mehr, sondern eine RC- Parallelschaltung.

Im Detektorempfänger spielt es keine Rolle, Kondensatoren zwischen Anode 
und Steuergitter -Koppelkondensatoren oder solche in Klangsteller- 
Kombinationen- killen Endröhren.

Max' Heldentaten:

http://edi.bplaced.net/?Lustiges%2C_Schoenes%2C_Nachdenkliches___Der_Kondensator-_ein_Sommermaerchen

Wow- das ist Beitrag Nr. 2000 in diesem Thema !

von Josef L. (Gast)


Lesenswert?

Edi M. schrieb:
> Das ist kein Kondensator mehr, sondern eine RC- Parallelschaltung.

Hallo Sheriff, gaaanz so schlimm ist es wohl nicht, da mein Multimeter 
im 20 Megohm-Bereich noch "Überlauf" anzeigt. Und das kann man im 
Detektor sicher verschmerzen. Dass die Kapazität höher wird liegt wohl 
im Schrumpfen der Isolationsfolien. An der Dämpfungskurve (hier: 
Kondensator als Hochpass) sieht man jedenfalls, dass er als Kondensator 
noch gut seinen Dienst versieht.

von Edi M. (edi-mv)


Lesenswert?

Josef L. schrieb:
> Hallo Sheriff, gaaanz so schlimm ist es wohl nicht, da mein Multimeter
> im 20 Megohm-Bereich noch "Überlauf" anzeigt.

Dann liegt der Widerstand vielleicht bei 21 MOhm. Oder höher. Und der 
Widerstand wird mit der Zeit immer niedriger.

Hier mal einige Angaben zum Iso- Widerstand- Soll. Und das sind DDR- 
Kondis !

http://edi.bplaced.net/?Bauteile-_Daten___Papier-_und_Kunststoff-_Kondensatoren_KOWEG_%3D_VEB_Kondensatorenwerk_Goerlitz_%3D_RFT905_VEB

EIn Güte- Meßgerät würde den Kondensator als Schrott ausweisen.

Ein solcher Kondensator ist Schrott- schon die ABweichung sollte zu 
denken geben- ein Kondensator bekommt nicht mehr Kapazität in solcher 
Höhe. Manche Exemplare haben 300% % und mehr "Zuwachs"- das ist einfach 
ein Meßfehler, Kapazitätsmeßgeräte sind nicht dazu gedacht, RC- 
Parallelschaltungen zu messen.

Sie könnten mal versuchen, welcher Parallelwiderstand zu einem modernen 
1nF eine Erhöhung auf 1,55 nF bewirkt.

Josef L. schrieb:
> Dass die Kapazität höher wird liegt wohl
> im Schrumpfen der Isolationsfolien.

Da schrumpft nichts.
Güteverschlechterung machen auch Keramik- Kondensatoren. Die denken 
schon mal gar nicht ans Schrumpfen.

http://edi.bplaced.net/?Grundlagen___Ach%2C_Du_meine_GUeTE..._%21_%3A-%29_Kondensatoren_mit_mieser_Guete&search=g%C3%BCte

Josef, alte Papierkondensatoren sind zu 100% Schrott- ich habe etliche 
Kartons mit Restaurations- Leichen, Teer- und Wachs- vergossene Kollegen 
von Max Tubekiller. Ich fand nicht einen einzigen Papierkondensator, der 
auch nur in die Nähe des ursprünglichen Nenn- Isolationswiderstands 
kommt.

Und das kann man im
> Detektor sicher verschmerzen.

Dazu habe ich geschrieben !
Edi M. schrieb:
> Im Detektorempfänger spielt es keine Rolle, Kondensatoren zwischen Anode
> und Steuergitter -Koppelkondensatoren oder solche in Klangsteller-
> Kombinationen- killen Endröhren.

von Zeno (Gast)


Lesenswert?

Edi M. schrieb:
> Dann liegt der Widerstand vielleicht bei 21 MOhm. Oder höher. Und der
> Widerstand wird mit der Zeit immer niedriger.

Er muß den Widerstand bei Nennspannung messen. Wenn ich das richtig sehe 
hat der Kondensator 500V. Wenn er bei dieser Spannung misst wir der 
Widerstand wohl nicht mehr so gut sein.
Die Messspannung des Multimeters reicht einfach nich um hier den 
Isolationswiderstand vernünftig zu messen.
Ich würde auch sagen der Kondensator ist Schrott. Wenn ich es richtig 
sehe ist der doch mit Teer vergossen, da ist bestimmt schon Feuchtikrit 
rein gezogen.

von Josef L. (Gast)


Lesenswert?

Edi M. schrieb:
> alte Papierkondensatoren sind zu 100% Schrott
> auch nur in die Nähe des ursprünglichen Nenn- Isolationswiderstands

Ja, natürlich hast du da recht. Ich will ihn auch nicht in hochohmigen 
und gefährlich hochvoltigen Röhrenschaltungen einsetzen, sondern ine 
einem Detektor. Da besteht ja auch nach deiner Übereinstimmung keine 
Gefahr.

Aber ich wollte es jetzt doch etwas quantifizieren. Mein Multimeter hat 
im 200/2000mV-Bereich einen Innenwiderstand von 10 MΩ. Wenn ich eine 
bekannte Spannungsquelle über einen unbekannten Widerstand anschließe, 
kann ich am Spannungsabfall am Multimeter, der mir direkt angezeigt 
wird, den unbekannten Widerstand ermitteln. 92 MΩ zeigen z.B. 476 mV an, 
736 MΩ 64.4 mV (bei 5V).

Der Siemens Styroflex zeigt meist 0.0 mV an, hüpft gelegentlich auf 0.1, 
selten 0.2; das wäre also ein Minimum von 250 GΩ. Der SABA geht nur bis 
auf 8.0 mV runter, das wären 6 GΩ - mir reicht das als Isolation. Aber 
deine Aussage ist bestätigt, das ist erheblich weniger als ein guter 
Kondensator haben sollte.

Ist ja nachhaltig, wenn das Schrott-Teil doch noch eine Verwendung 
findet.

von Josef L. (Gast)


Lesenswert?

Zeno schrieb:
> Er muß den Widerstand bei Nennspannung messen. Wenn ich das richtig sehe
> hat der Kondensator 500V. Wenn er bei dieser Spannung misst wir der
> Widerstand wohl nicht mehr so gut sein.

Lieber zeno, bitte keine Sterbehilfe! Wenn ich das tue was du 
vorschlägst, ist das Teil mit Sicherheit hin, weil es die 500V für die 
es vor 70 Jahren spezifiziert war besttimmt nicht mehr aushält. Für den 
beabsichtigten Einsatz in einer Schaltung, in der nie mehr als 1% dieser 
Spannung erreicht wird, ist die Isolation von 6 GΩ mehr als ausreichend. 
Im übrigen vermute, ich dass viele der staubkorngroßen 
SMD-Vielschichtkerkos auch keine wesentlich besseren Werte aufweisen. 
Aber ich könnte mich ja schlau machen. Aha: "Ihr Isolationswiderstand 
beträgt mindestens 10 Giga-Ohm." sagt 
https://www.itwissen.info/Keramikkondensator-ceramic-capacitor.html

Spaßeshalber grade so einen 1.6mm-Winzling gemessen, kommt auf 2.0mV, 
also etwa 24 GΩ. Laßt die Kirche im Dorf!

von Edi M. (edi-mv)


Lesenswert?

Josef L. schrieb:
> Laßt die Kirche im Dorf!

Wir lassen die Kirche ja im Dorf.

Es geht darum, Meßergebnisse zu interpretieren, und danach ein Bauteil 
zu beurteilen.
1,55 nF statt 1nF ist schon eine Menge.
Damit ist ein üblicher Kondensator sowieso schon weit außer Toleranz.

Es ist nicht Gesetz, daß miese Kondensatoren bei niedrigen Spannungen 
noch brauchbar sind- siehe die benannten Keramikkondensatoren mit 
Gütefehler, die arbeiten in ZF- Kreisen, die Spannung an der ZF- 
Kreisspule ist denkbar gering, der Isowiderstand noch hoch, die 
Kapazität sogar noch innerhalb der Toleranz, dennoch sind Geräte mit 
diesen Defektteilen "taub". Die genannte Bauform mit einer Keramik- 
"Wanne" ist bekannt für diese Fehlererscheinung.

Bei Restaurationen fliegen bei mir eine hAndvoll Papierkondensatoren- 
mit jedem Kondensatr steigt die Leistung- die Minderleistungen 
summierten sich ja, und durch die Stufenverstärkung wurde der Einfluß 
schlechter Teile noch verstärkt.

Wie geschrieben, Meßgeräte, die die Güte messen können, weisen solche 
Teile als Schrott aus.

Ob Ihr Kondensator brauchbar ist... probieren Sie einfach ihren Kondi- 
und vergleichen Sie mit einem einwandfreien Exemplar.

von Josef L. (Gast)


Lesenswert?

Edi M. schrieb:
> Ob Ihr Kondensator brauchbar ist... probieren Sie einfach ihren Kondi-
> und vergleichen Sie mit einem einwandfreien Exemplar.

Ich messe es gerne nach, weil's mich interessiert, aber zuerst eine 
einfache Rechnung:
300  Hz  350 kΩ  175 Ω / 700 MΩ
3   kHz   35 kΩ   18 Ω /  70 MΩ
150 kHz  700 Ω   0.35Ω / 1.4 MΩ
1.5 MHz   70 Ω   0.04Ω / 140 kΩ

Bei den interessierenden NF- und HF- (MW-)Frequenzen (Spalte 1) ergeben 
sich die in der 2. Spalte stehenden Impedanzen, und bei einer Güte von Q 
= 2000 bei der jeweiligen Frequenz dürfte ein interner Serienwiderstand 
nicht höher sein als der Wert der 3. Spalte, ein Parallelwiderstand 
müsste größer sein als der Wert der 4. Spalte. Da mein Kondensator 24 GΩ 
hat, würde das bei 300 Hz die Güte von 2000 auf 1940 senken, bei 3 kHz 
auf 1994. Ich denke das merkt keiner!

Aber ich habe einen anderen Kandidaten hier, von "ELKONDA", ein 
"P.-Kondensator" mit "2500/500-", braune Papphülse, mit Teer vergossen, 
der geht bei höheren Frequenzen nicht auf 0 dB, sondern -10dB, der hat 
nicht nur schlechte Isolation, sondern auch einen beträchtlichen 
Innenwiderstand.

von Zeno (Gast)


Lesenswert?

Josef L. schrieb:
> Da mein Kondensator 24 GΩ
> hat, würde das bei 300 Hz die Güte von 2000 auf 1940 senken, bei 3 kHz
> auf 1994

Verstehe ich nicht! Dein Kondensator hat lt. Messung 24GOhm, das ist 
doch deutlich größer als der Wert in Spalte 4, dann müßte der Gütewert 
eigentlich steigen. Serienwiderstand sollte beim C  eigentlich keine 
Rolle spielen.

von Josef L. (Gast)


Lesenswert?

Zeno schrieb:
> Serienwiderstand sollte beim C  eigentlich keine Rolle spielen.

schon. Auch wenn immer mal wieder belächelt, grade wikipedia ist beim 
Kondensator sehr ausführlich:
https://de.wikipedia.org/wiki/Kondensator_(Elektrotechnik)

Schau da mal auf halber Höhe unter "Normung und Ersatzschaltbild". R 
isol bzw. R leak ist das, was parallel zum Kondensator auftritt und 
einen ständigen Stromfluss zulässt. ESR ist der Serienwiderstand, ESL 
die Serieninduktivität durch Wickel und Anschlüsse. Weiter unten steht 
dann, dass der Verlustfaktor bzw. die Güte (ausschließlich) von ESR 
abhängt: Z = 1/ωC, 1 / Q = tan δ = ESR / Z. Wenn man R isol dazunimmt, 
müsste man schreiben

1 / Q = tan δ = ESR / Z + Z / Risol [da ESR seriell, R isol parallel]

Im Beispiel selbst bei 300 Hz ist Z=350k, ESR=175, Risol=24G
1 / Q = 175/350k + 350k/24G = 0.0005 + 0.0000146 = 0.0005146
daher Q = 1943

von Edi M. (edi-mv)


Lesenswert?

Josef, ist ja schön mit Ihrer Nachhaltigkeit, aber etwas daneben.

Ist wie  Auto mit Uralt- Reifen fahren, die so porös sind, daß sie 
langsam luft entweichen lassen. Da können Sie auf Ihrem Grundstück 
langsam herumtuckern. Irgendwann werden die gar keine Luft halten, aber 
das kann dauern. Aber wenn man ide auf einer Straße mit Tempo belastet, 
dann... hat man schnell ein Problem.

Sie können noch so viel rechnen- das ist vertane Zeit.
Probieren Sie den Kondi am echten Gerät aus, vergleichend mit einem 
einwandfreien Kondi, Hören und Messen. da darf normalerweise kein 
Unterschied hörbar und meßbar sein.
Wenn der Kondi andere Ergebnisse bringt -> Vitrine oder Tonne.

Das gilt für Papierkondensatoren mit Wachs- und Teerverguß, sowie 
genannte Bauarten von Keramikkondis, Kunstfolienkondensatoren haben 
solche Effekte nicht.
Eine Ausnahme sind keramische Röhrchen "Sikatrop" mit Papier- 
Dieeelektrikum, die manchmal nur gering außer Toleranz sind, wobei ich 
bei denen noch keinen einzigen fand, der elektrisch unbrauchbar war, 
wenn, dann waren die mechanisch beschädigt.
Es gibt "Sikatrop" mit Kunstfolie-Innenleben- die sind gleich mit 
modernen Kunststoffkondensatoren.
Diese Kondensatoren haben seitlich Metallkappen, und sind größer, das 
schränkt den Einsatz etwas ein.
Ich verwende "Sikatrop" für meine Projekte, wenn der Platz reicht.

http://edi.bplaced.net/?Bauteile-_Daten___Sikatrop-_Kondensatoren_%28Keramik%29&search=sikatrop

Übrigens gibt es Uralt- Kondensatoren, die wirklich "für die Ewigkeit 
gebaut" sind- Telefunken hat in den 20er Jahren Glimmerkondensatoren in 
dunkel- rotbraunes Bakelit "eingebacken", verbaut als in Bronzefedern 
einsteckbare Bauteile, Werte einige 100 pF bis etwa 5000 pF, nach fast 
100 Jahren hat es kein Molekül Luft oder Wasser geschafft, durch die 
Masse zu diffundieren- so sind die Kondensatoren noch in der Toleranz !

von Zeno (Gast)


Lesenswert?

Josef L. schrieb:
> Zeno schrieb:
>> Serienwiderstand sollte beim C  eigentlich keine Rolle spielen.
>
> schon. Auch wenn immer mal wieder belächelt, grade wikipedia ist beim
> Kondensator sehr ausführlich:
> https://de.wikipedia.org/wiki/Kondensator_(Elektrotechnik)  ....
Ja das Ersastzschaltbild bei Wikipedia ist schon in Ordnung wenn man 
alles berücksichtigt. Allerdings sollte der Serienwiderstand sehr gering 
sein. Wenn da was signifikante feststellt, dann ist entweder die 
Kontaktierung der Anschlüsse extrem schlecht oder die Anschlußdrähte 
haben selbst einen nennenswerten Widerstand. In beiden Fällen wäre das 
Teil für mich Schrott. Induktivität maximal beim gewickelten Kondensator 
und HF. Beim Keramikkondensator auch eher nicht.
Ich seinerzeit mein Ingenieurpraktikum in einem Betrieb gemacht die 
Keramikkondensatoren und Scheibentrimmer hergestellt haben. Der 
Serienwiderstand und die Induktivität waren dort kein Thema. Lediglich 
der Isolationwiderstand, also der Parallelwiderstand, wurde dort 
geprüft.

von Josef L. (Gast)



Lesenswert?

Zeno schrieb:
> Allerdings sollte der Serienwiderstand sehr gering sein.

- natürlich! Schau dir doch mal mein Beispiel an. 300Hz-3000Hz wird dir 
nicht untergekommen sein, und im Bereich MHz darf der Serienwiderstand 
keine nennenswerten Ohmwerte haben, damit Q im üblichen Rahmen liegt. 
Trotzdem ist er entscheidend für Q, nicht der Isolationswiderstand!

@edi & zeno
Siehe beigegebene Grafiken - natürlich habt ihr recht, ich gebs ja zu, 
aber es iat alles quantifizierbar! Ich habe meinen nanoVNA angeschmissen 
und die neulich gewickelte MW-Ringkernspule mit 3 Kondensatoren 
getestet:

- Bild 1 mit zwar auch altem, aber wie neu aussehendem Styroflex von 
Siemens mit 1500pF und Ringkernspule, bringt Q=200.
- Dieselbe Spule mit dem SABA 1000pF hat dieselbe Resonanzfrequenz, 
kommt aber nur auf Q knapp 14
- und mit altem 1n5-Kerko kommt man auf Q=160.

Styroflex zu Q=2000 angenommen, hat die Spule Q=222; dann hat der 
SABA-Kondensator Q=15 und der Kerko Q=570. Tonne, ich komme - heute ist 
Restmüll geleert worden, Platz en masse!

von Josef L. (Gast)


Lesenswert?

Mit Zusammenlöten des Detektors bin ich noch nicht weitergekommen, heute 
war ja die Sonnenfinsternis, für uns die erste seit 6 Jahren, da war ich 
mit Aufnahmen gefordert (siehe http://sternwarte-wuerzburg.de ), und 
abends hatten wir der ersten Stammtisch seit Oktober, trotz drohendem 
Gewitter im Freien. Edmonton war da außen vor, die Finsternis fing bei 
Sonnenaufgang erst in Ontario an, war aber sogar von hinter dem Nordpol 
bis in die Toskana zu sehen. Ich denke ich kann das erwähnen, da die 
Sonne ja ursächlich für E- und F-Schicht ist, oder?

Mittags gabs noch einen Schreck - der Gärtner war da und hätte beinahe 
mit dem Rasenmäher meine Antenne gehäckselt, die ich aus Vorsicht 
(Gewitter) gekappt hatte und die im Rasen lag. Er ist aber in meinem 
Alter und konnte sich noch zusammenreimen, wozu so ein Draht dienen 
könnte.

von Gerhard O. (gerhard_)


Lesenswert?

Josef L. schrieb:
> Edmonton war da außen vor, die Finsternis fing bei
> Sonnenaufgang erst in Ontario an,

Ich hab's nur im Fernsehen beobachten können. In Edmonton regnet es 
schon den ganzen Tag...

von Gerhard O. (gerhard_)


Lesenswert?

Josef L. schrieb:
> Mittags gabs noch einen Schreck - der Gärtner war da und hätte beinahe
> mit dem Rasenmäher meine Antenne gehäckselt, die ich aus Vorsicht
> (Gewitter) gekappt hatte und die im Rasen lag. Er ist aber in meinem
> Alter und konnte sich noch zusammenreimen, wozu so ein Draht dienen
> könnte.

Hüte Dich immer vor Gärtner; der Reinhard Mey kann nämlich ein Lied 
davon singen;-)

von Edi M. (edi-mv)


Lesenswert?

Gerhard O. schrieb:
> Er ist aber in meinem
>> Alter und konnte sich noch zusammenreimen, wozu so ein Draht dienen
>> könnte.

Das ist schon nachdenkenswert- Wer heute würde sich einen Reim auf den 
Draht machen können...

von Gerhard O. (gerhard_)


Lesenswert?

Josef L. schrieb:
> heute
> war ja die Sonnenfinsternis...

Hier ein Photo aus Canada:

https://www.ctvnews.ca/in-pictures-solar-eclipse-seen-in-parts-of-canada-1.5464611

von Zeno (Gast)


Lesenswert?

Josef L. schrieb:
> - natürlich! Schau dir doch mal mein Beispiel an. 300Hz-3000Hz wird dir
> nicht untergekommen sein, und im Bereich MHz darf der Serienwiderstand
> keine nennenswerten Ohmwerte haben, damit Q im üblichen Rahmen liegt.
> Trotzdem ist er entscheidend für Q, nicht der Isolationswiderstand!

300Hz-3KHz ist HF technisch gesehen Gleichstrom. WEnn es da beim 
Kondensator schon eine Serieninduktivität und einen Serienwiderstand 
geben sollte, dann ist der schlichtweg Schrott.
HF und dann vielleicht noch im GHz-Bereich ist was anderes, da ist ein 
Stück gerader Draht schon eine Spule und da wirken sich dann auch solche 
Sachen wie der Skineffekt aus. Das was wir mit unseren Mitteln messen 
können ist der Parallelwiderstand, also der Isolationswiderstand.
Ich bin ja grad dabei mit meinem Schwager ein RLC-Meter zu bauen mit dem 
man auch die Güte bestimmen kann. Um alle Komponenten heraus zu bekommen 
muß man quasi eine Kennlinie des Bauelementes aufnehmen Z=f(f), also die 
Impedanz in Abhängigkeit von der Frequenz und das beginnend bei f=0.

von Josef L. (Gast)


Lesenswert?

Dreh doch deinen Satz mal um, dann weißt du warum es einen 
Serienwiderstand geben kann. Eben weil die Impedanz eines Kondensators 
bei niedrigen Frequenzen viel höher ist als der ohmsche 
Serienwiderstand. Da kommt dann der Isolationswiderstand ins Spiel. Bei 
höheren Frequenzen , wo die Impedanz des Kondnesators immer kleiner 
wird, da wird die Bedeutung des Serienwiderstands immeh größer und 
bestimmt die Güte. Man darf schon den Angaben in der Fachliteratur 
gleuben, die haben das nicht aus Jux und Dollerei geschrieben.

Abgesehen vom schlechten Deutsch ist alles auch unter
https://www.electronics-tutorials.ws/de/kondensatoren/kondensatoreigenschaften.html
gut beschrieben, auch wie die einzelnen Eigenschaften zustandekommen. 
Schau mal auf die Seite bei WIMA
https://www.wima.de/de/produkte/metallisierte-kondensatoren-im-rm-7-5-52-5-mm/mks-4/
Am Seitenende sind die Kurven "Scheinwiderstand in Abhängigkeit von der 
Frequenz", jer jeweils minimale Widerstand ist der serielle ohmsche 
Widerstand ESR. Die sich daraus ableitenden RLC-Werte stehen auch in den 
SPICE-Modellen so drin. Natürlich sind die üblichen ESR-Werte meist 
deutlich unter 1 Ohm. Z.B. 1500pF mit Eigenresonanz bei 85MHz, hat 
ESR=0.35Ω, bei 20 MHz einen Scheinwiderstand von 5.3Ω, also nur noch Q = 
15, bei 2 MHz aber Q=150. Nun ist MKS ja nicht gerade der Spitzenreiter 
bei Gütewerten.

von Zeno (Gast)


Lesenswert?

Josef L. schrieb:
> Dreh doch deinen Satz mal um, dann weißt du warum es einen
> Serienwiderstand geben kann. Eben weil die Impedanz eines Kondensators
> bei niedrigen Frequenzen viel höher ist als der ohmsche
> Serienwiderstand. Da kommt dann der Isolationswiderstand ins Spiel. Bei
> höheren Frequenzen , wo die Impedanz des Kondnesators immer kleiner
> wird, da wird die Bedeutung des Serienwiderstands immeh größer und
> bestimmt die Güte. Man darf schon den Angaben in der Fachliteratur
> gleuben, die haben das nicht aus Jux und Dollerei geschrieben.
Dann lehne Dich mal ganz entspannt zurück und lese mal ganz genau was 
ich geschrieben habe. Ich habe vom Sinn her genau das gleiche 
geschrieben.
Noch mal in dem von Dir genannten Frequenzbereich spielen spielen weder 
Serienwiderstand noch -induktivität irgendeine Geige.

Josef L. schrieb:
> Man darf schon den Angaben in der Fachliteratur
> gleuben, die haben das nicht aus Jux und Dollerei geschrieben.
Ich habe weder gesagt, daß es nicht stimmt was in der Fachliteratur noch 
das sie es aus Jux und Dallerei geschrieben haben.
Ich habe es bewertet und geschriebeb das es für den von Dir genannten 
Frequenzbereich von 300Hz-3kHz keine Geige spielt - mehr nicht.

von Josef L. (Gast)


Lesenswert?

Zeno schrieb:
> für den von Dir genannten
> Frequenzbereich von 300Hz-3kHz keine Geige spielt

Na dann ist ja alles gut, und du brauchst dein RLC-Meter nicht bei 0Hz 
beginnen lassen, zumindest nicht im C-Bereich, oder? Das wäre aber doch 
die Methode mit Lade- bzw. Entladevorgang, also nur 
Ein-/Ausschaltvorgang bzw. Rechteckschwingung und Messung der Spannung 
beim Umschalten bzw. Intergation.

von Zeno (Gast)


Angehängte Dateien:

Lesenswert?

Edi M. schrieb:
> Das wäre auch ein Projekt, für das durchaus eine Trafo- Anfertigung
> eines 4V- Trafos lohnen würde.
So mein Trafo ist gerade angekommen und der macht einen sehr guten 
Eindruck (s.Bild).
Schau mir den heut Nachmittag mal genauer an. Heizwicklung ist 6,3V, 
aber bei dem guten Zustand sollte es möglich ein paar Windungen zu 
entfernen und dann passt der perfekt.

von Josef L. (Gast)


Lesenswert?

Anstaltsleiter schrieb:
> bei kleinen Leistungen kann man mit 10 Windungen pro Volt rechnen

Zeno, so wie ich das sehe ist das ein M85a (33mm Blechpaketdicke) mit 
80W (oder doch 85b mit 46mm, 90W??); der 85a hat 4.1 Windungen/V (85b 
nur 2.8 Wdg/V) und 86% Wirkungsgrad. Für so einen habe ich die 
Windungszahlen in dem schon gezeigten Büchlein, allerdings für 220V/50Hz 
gerechnet (heute würde man 230V nehmen, denke ich), und zwar 869 
Windungen für 220V, 1310 Wdg für 300V (wären 987 für 250V) und nur 27 
Windungen für die 6.3V; das wären 17 Wdg für 4V, es sind also 10 
Windungen abzuwickeln. Aber ich nehme an es sind 2 Wicklungen drauf, 
möglicherweise je 2 Drähte parallel? Das musst du dir ansehen, aus einem 
PC-Netzteil habe ich neulich einen Trafo ausgebaut, der hatte Wicklungen 
mit bis zu 8 Drähten parallel damit 1 Lage exakt ausgefüllt ist und die 
Drahtstärke gering bleibt.

von Zeno (Gast)


Lesenswert?

Josef L. schrieb:
> Zeno, so wie ich das sehe  ...
Es ist ein M85a. Da ist ein Spannungswähler dran, den ich erst mal auf 
240V eingestellt habe. Damit liefer der Trafo 2x225V~ und einmal 1x7,1V~
 - alles ohne Last gemessen. Zusätzlich hat er noch eine Schirmwicklung.
Damit ist der Trafo ideal für mein Projekt. Ich werde ihn erst mal von 
dem Metallwinkel befreien und reinigen. Dann schaue ich mal ob ich ein 
paar Windungen von der Heizwicklung weg nehmen kann. Es ist auch nur 1 
6,3V Wicklung und auch nicht 2 Drähte parrallel. Letzteres habe ich bei 
Netztrafos auch noch nicht gesehen, aber es gibt nichts was es nicht 
gibt.

von Josef L. (Gast)


Lesenswert?

Aber du weißt ja sicher dass man für die Gleichrichterröhre gern eine 
eigene Heizwicklung gemacht hat, wegen Netzbrumm und so. Der Sockel 
nebendran war sicher für eine EZ80. Wenn du was abgewickelt hast, gehen 
vielleicht 17 sepate Windungen für die AZ drauf, bei 1.1A und der 
zulässigen Stromdichte von 3 A/mm² brauchst du 0.33 mm², das wäre ein 
Drahtdurchmesser von 0.65 mm, also mit 0.7 mmCuL bist du auf der guten 
Seite, die Wicklung wäre dann 13 mm breit.

von Edi (Gast)


Lesenswert?

Josef L. schrieb:

> Styroflex zu Q=2000 angenommen, hat die Spule Q=222; dann hat der
> SABA-Kondensator Q=15 und der Kerko Q=570. Tonne, ich komme CC heute ist
> Restmüll geleert worden, Platz en masse!

Wegschmeissen muessen Sie den SABA nicht, entweder in die Vitrine oder 
leeren und neu befuellen.

Frage
Wie kommen Sie auf die 3 Diagramme, gibt es eine Schaltung, ich wuerde 
das gern auf meinen Seiten zeigen.

Ich habe Probleme mit dem PC, nutze zur Zeit Linux von CD, mit 
amerikanischem Tastaturlayout.

von Zeno (Gast)


Lesenswert?

Josef L. schrieb:
> Aber du weißt ja sicher dass man
Auf dem Trafo ist nur eine Heizwicklung drauf. Von der 
Gleichrichterröhre ging es direrekt zu den anderen Röhren - der Rest von 
der verdrillten Heizleitung war noch dran.
Habe jetzt den Metallwinkel abgebaut , da war auch noch ein Elko. Das 
ist alles in den Schrott geflogen. Den Spannungswähler habe ich auch 
abgebaut und alles so velötet, das es es eingangsseitig auf 240V 
eingestellt ist.
Die Heizwicklung liegt zu oberst und hat 31 Windungen für 6,3V. Daraus 
kann man ausrechnen 19,6Wdg. für 4V. Ich mach also erst mal 11 Windungen 
weg und schaue dann ob es passt. Evtl. muß noch eine runter.

von Zeno (Gast)


Lesenswert?

So, habe jetzt 11 Windungen abgewickelt und jetzt hat er 4,4V im 
Leerlauf das ist 10% über Nennwert, das passt auch zum alten 7V Wert bei 
6,3V Nennwert.
Damit habe ich alles für den Nachsetzerverstärker zusammen und kann 
demnächst mit dem Zusammenbau beginnen.

von Edi M. (edi-mv)


Angehängte Dateien:

Lesenswert?

So, mein neuer Detektor ist angekommen.
Hat ein Radiofreund für mich angefertigt, der Mann hat kunsthandwerklich 
echt was drauf.
Ohne Kristall, aber dafür eine mit Adapter aufgeschraubte, oxydierte 
Zinkplatte.
Dazu mitgeliefert Halteklammern für einen natürlichen Kristall, 
Ersatzfedern und Ersatz- Stahlnadeln als Kontaktpunkt.
Ein natürlicher Kristall ist bestellt.
Morgen werde ich den künstlichen Kristall testen.

von Detektorempfänger (Gast)


Lesenswert?

Edi M. schrieb:
> der Mann hat kunsthandwerklich
> echt was drauf.

Da kann man nur zustimmen sieht echt toll aus.

von Josef L. (Gast)


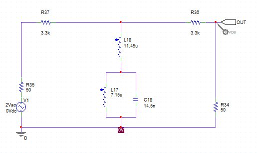
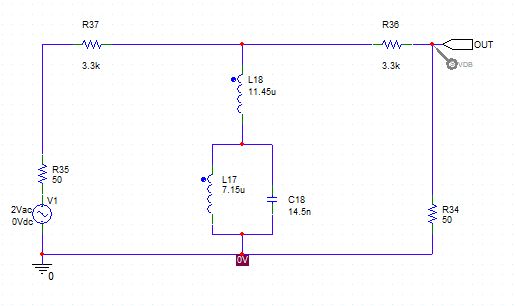
Lesenswert?

Edi schrieb:
> Wie kommen Sie auf die 3 Diagramme

Edi, das ist das S21/S11-Diagramm, das das PC-Programm des nanoVNA 
liefert. Der Kondensator ist zusammen mit der Ringkernspule als 
Parallelschwingkreis zwischen (Generator-)Ausgang und 
(Spektrumanalysator-)Eingang geschaltet und wirkt daher als Sperrkreis 
(Notchfilter). Damit messe ich die Resonanzfrequenz und kann, wenn ein 
Wert bekannt ist, den anderen berechnen. Dann - hier nicht gezeigt - 
enge ich den Frequenzbereich ein, zB hier auf 10 oder 20 kHz um den 
Mittelwert und messe die 3dB-Bandbreite. Damit habe ich die Gesamtgüte 
bei der gemessenen Frequenz. Die Ringkernspule habe ich mit einem 
Dutzend Styroflex zwischen 20 und 10000 pF gemessen. Mit separatem 
Generator und HF-Voltmeter oder Oszi geht das exakt genauso, selbst wenn 
man die Frequenz von Hand durchdrehen muss. Das muss ich letztlich auch, 
indem ich mit der Maus den Cursor die Kurve entlang fahre. Es gibt auch 
Programme die das automatisch auswerten können, ich hab's lieber simpel 
und mache es von Hand, da weiß ich was ich tue. Zur schnellen Auswertung 
verwende ich meist das Programm RF-Filter von Iowa Hills Software.

Natürlich kann ich den Kondensator auch alleine messen, er wirkt dann ja 
einfach als Hochpass worüber ich die Kapazität einfach ablesen kann, 
aber die Güte bekommt man nicht so einfach. Q ist halt bei guten Teilen 
sehr groß, damit die Phasenverschiebung sehr klein. Es geht sicher auch, 
ich habe es noch nicht probiert. Eine 3dB-Bandbreite messen ist dagegen 
trivial und geht ausreichend genau. Aber man hat halt Q beider Bauteile 
zusammen, nach dem Motto 200 + 200 = 100.

Ja, und dein Detektor, das ist ja ein Riesenteil! Wie breit? 15 cm? Da 
kannst du ja einen ganzen Kristallberg drauf laden!

von Edi M. (edi-mv)



Lesenswert?

Der Detektor ist nicht so riesig, 50 x 120 mm Grundfläche.
Kleines Leckerli nebenbei: Die Anschlüsse sind beschrifet !
Die Anschlüßdrähte auf der Unterseite laufen in gefrästen Kanälen !

Grundsätzlich funktioniert der Detektor mit dem Zink- Blättchen, aber er 
ist sehr empfindlich gegen Erschütterungen.
Je nach Position der Nadel auf dem Kristall ist er sehr empfindlich, 
manchmal weniger empfindlich, manchmal sogar mikrofonisch.

Auch die Selektivität wird durch die Position der Nadel beeinflußt.

Sogar die Reaktion auf eine Vorspannung wird beeinflußt.
Die Polarität der Vorspannung spielt manchmal keine Rolle !

Oszillieren konnte ich (mit L/C parallel) noch nicht erreichen.

Video: Empfang auf Langwelle. Einige Träger und Baken, der Musiksender 
ist der R&S SMLR, den ich auf LW 200 KHz eingestellt habe, kommt über 
einen halben Meter Meßleitung im Detektorempfänger an.

von Zeno (Gast)


Lesenswert?

Edi M. schrieb:
> Der Detektor ist nicht so riesig, 50 x 120 mm Grundfläche.
> Kleines Leckerli nebenbei: Die Anschlüsse sind beschrifet !
> Die Anschlüßdrähte auf der Unterseite laufen in gefrästen Kanälen !
Der Detektor sieht hübsch aus. Was nicht so toll ist, sind die 
verdrückten Schraubenschlitze für die Befestigung (Bild Dsci0189). Bei 
einem ansonsten sehr schön gemachten Teil schmälert so etwas den 
Gesamteindruck. Dabei ist es doch gar nicht so schwer so etwas zu 
vermeiden, man muß nur einen Schraubenzieher mit passender Klinge 
nehmen.

von Josef L. (Gast)


Angehängte Dateien:

Lesenswert?

@Edi
Das ist wie "First Light" bei einem Astronomen, mit einer neuen Optik. 
Immer ein ganz besonderes Erlebnis. Und hoffentlich keine Enttäuschung 
wie beim Weltraumteleskop, weil alles unscharf war da der Spiegel falsch 
geschliffen war. Es schwingt also auch immer ein bißchen Angst mit, ob 
auch alles klappt!

Ich habe inzwischen die beiden Anpaßschalter für den Schwingkreis 
verdrahtet, schaut schon fast aus wie Leuna (siehe 
https://radiomephisto.de/sites/default/files/styles/max_width_article/public/atoms/images/imageimg_7234bb.jpg 
).

@gerhard
Wir hatten so eine Finsternis wie am Donnerstag in Kanada bei uns am 31. 
Mai 2003, siehe Bild. Sonnenaufgang als schmale Sichel, sehr 
unwirklicher Anblick!

von Edi M. (edi-mv)


Lesenswert?

Josef L. schrieb:
> @Edi
> Das ist wie "First Light" bei einem Astronomen, mit einer neuen Optik.
> Immer ein ganz besonderes Erlebnis. Und hoffentlich keine Enttäuschung
> wie beim Weltraumteleskop, weil alles unscharf war da der Spiegel falsch
> geschliffen war.


Keine Enttäuschung- warum denn ? Der Detektor funktioniert doch !

Zeno schrieb:
> verdrückten Schraubenschlitze

Ich denke mal, Jean hat ganz schön Kraft aufwenden müssen, die weichen 
Messingschrauben einzudrehen- die Grundplatte ist nämlich solide Eiche.

Außerdem sagt der Berliner:
"Eenem jeschenkten Gaul schaut man nich ins Maul !"

Jean hat mir den Hinweis gegeben, daß es nicht so einfach ist, mit dem 
Detektor einen Schwingkreis oszillieren zu lassen- das LC- Verhältnis 
ist zu beachten.
Da habe ich aufgrund gegebener Bauteile ein Problem.
Ich bleibe dran.

von Zeno (Gast)


Lesenswert?

Edi M. schrieb:
> Zeno schrieb:
>> verdrückten Schraubenschlitze
>
> Ich denke mal, Jean hat ganz schön Kraft aufwenden müssen, die weichen
> Messingschrauben einzudrehen- die Grundplatte ist nämlich solide Eiche.
Klar Eiche ist schon sehr hartes Holz, da muß man passend vorbohren und 
den passenden Schraubenzieher nehmen.
Man glaubt gar nicht welche Drehmomente man auch mit einer 
Schlitzschraube übertragen kann. Unsere Feinmechaniker hatte zu jeder 
Schraube den passenden, meist selbst gefertigten, Schraubenzieher. Damit 
angezogene Schrauben hat man i.d.R. mit dem damals handelsüblichen 
Werkzeug nicht beschädigungslos auf bekommen. Hinzu kommt das Elektriker 
und Elektroniker mit einem Schraubenziehe von M3 bis M10 alles machen. 
Bei uns wurden ja auch sämtliche verdrückte Schrauben vor dem Versand 
des Gerätes ausgewechselt - es sieht einfach nicht gut aus und trübt den 
Gesamteindruck.

Edi M. schrieb:
> Außerdem sagt der Berliner:
> "Eenem jeschenkten Gaul schaut man nich ins Maul !"
Das ist wohl wahr. Eigentlich müßte der Jan sich drüber ärgern.

von Zeno (Gast)


Lesenswert?

Josef L. schrieb:
> Ich habe inzwischen die beiden Anpaßschalter für den Schwingkreis
> verdrahtet, schaut schon fast aus wie Leuna
Auf alle Fälle kann es da vom Querschnitt her strömen.

von Josef L. (Gast)


Angehängte Dateien:

Lesenswert?

Zeno schrieb:
> Auf alle Fälle kann es da vom Querschnitt her strömen.

Ich will jedenfalls nicht dass es so aussieht wie das im web grade 
gefundene Tohuwabohu! Strömen? Klar, der Draht hält in freier Luft 10A 
aus, bei 10kΩ  Schwingkreisimpedanz dürfen es gerne 100kV an der Antenne 
sein - ich weiß ja nicht was mein Nachbar so auf seiner Antenne 
einspeist in 50m Entfernung. War nicht ganz ernst gemeint ;-)

von Bernd M. (berndma)


Lesenswert?

Hallo Edi,
aaahhhhhh, ein Kleiderhakendetektor - auf sowas bin ich noch nicht 
gekommen. Das wäre mir aber auch zu groß.
Geht als Schwingdetektor nicht auch Zinkit, das was die Polen auf den 
Mineralienbörsen anbieten - das die gelben bis grünlichen 
Hochofenschlotkristalle. Wobei die grünlichen bei mir im normalen 
Detektor nicht funktionieren.

Hallo Josef,
oder auch wie beim Betonstahlgeflecht.
Ich hätte für solche Versuche aber steckbare Waben und Flachspulen mit 
Spulenschwenker genommen.
Vorteil: kaum Verdrahtung und stufenlos , unterbrechungsfrei einstellbar
Nachteil: etliche verschiedene Spulen notwendig.

Aber egal, ich verfolge das hier mit Spannung weiter.

Viele Grüße
Bernd

von Zeno (Gast)


Lesenswert?

Josef L. schrieb:
> Ich will jedenfalls nicht dass es so aussieht wie das im web grade
> gefundene Tohuwabohu!
War ja auch nicht bös gemeint.
Ich habe bei meinem kleinen Detektor 0,8mm Cu-Lackdraht genommen, der 
ist auch ausreichend stabil.

Habe gerade noch am großen Detektor bischen was mechanisches gemacht. 
Aber so richtig Lust habe ich heute nicht - habe heute gerade einen 
meiner Wuffs wieder in die Tierklinik gebracht. Das zieht einen schon 
ganz schön runter, zumal er nach einem halben Jahr (Bandscheibenvorfall 
mit Querschnittslähmung) schon wieder ordentlich Fortschritte gemacht 
hatte und gut gelaufen ist. Das ist wieder ein herber Rückschlag.

von Edi M. (edi-mv)


Angehängte Dateien:

Lesenswert?

Und wieder ein Erfolg- ich habe den Eigenbau- Kristallersatz gegen einen 
natürlichen Kristall ausgetauscht, Dank der Adapter- Konstruktion des 
Kristallhalters von Jean schnell möglich, jetzt dudelt da ein kleines 
Stück Pyrit = Schwefelkies = Eisenkies ("Katzengold", "Narrengold", 
"Idiotengold"), - chemisch FeS2.

Das Zeug geht los wie 'ne Rakete- der Pyritkristall liefert richtig Saft 
am Ausgang- und zieht jetzt gleich mit der Hitachi- Diode 1S79.
Zur Trennschärfe kann ich noch nichts sagen, ich habe jetzt einen 
breitbandigen Störteppich von den Nachbarhäusern, zeitweise von extrem 
hohen, maschinengewehrmäßig "knallenden" Signalen überlagert, eventuell 
über das Netz übertragende Steuersignale.

von Edi M. (edi-mv)


Lesenswert?

Bernd M. schrieb:
> Geht als Schwingdetektor nicht auch Zinkit, das was die Polen auf den
> Mineralienbörsen anbieten - das die gelben bis grünlichen
> Hochofenschlotkristalle. Wobei die grünlichen bei mir im normalen
> Detektor nicht funktionieren.

Das Blättchen, was im Detektor montiert war, war Zink, über einer 
Bunsenbrennerflamme oxydiert, das entstehende Zinkoxyd ist Detektor- 
tauglich, und Rotzinkerz = Zinkit ist eigentlich auch nur das, nur mit 
einem Kristallgitter und Verunreinigungen.

Ich habe bereits  Detektor- taugliches Rotzinkerz bestellt.

von Josef L. (Gast)


Angehängte Dateien:

Lesenswert?

@zeno
So ist's richtig! Erst das Tier, dann der Mensch.

Den Ausgangsübertrager (2x110:2x6) habe ich auch an den entsprechenden 
Schalter gelötet, sowie den Batteriehalter für die Detektorvorspannung 
ans Poti. Da habe ich das 5k noch gegen ein 10k lin ausgetauscht, hat 
tatsächlich etwa 13.5k in Endstellung. Bei 4.5V gäbe das 3.3 mA, ob das 
ausreicht, wird ein Test ergeben. Fehlt noch die Spule mit ihren 7 
Anschlüssen.

von Bernd M. (berndma)


Lesenswert?

Edi M. schrieb:

> Das Blättchen, was im Detektor montiert war, war Zink, über einer
> Bunsenbrennerflamme oxydiert, das entstehende Zinkoxyd ist Detektor-
> tauglich, und Rotzinkerz = Zinkit ist eigentlich auch nur das, nur mit
> einem Kristallgitter und Verunreinigungen.

Ja, darum habe ich es ja geschrieben. Auf deinem Plättchen liegt das 
Oxid in winzigen Kristallen(weißes Pulver) vor. Eine hauchdünne Schicht 
hat wohl noch etwas Haftung auf dem Blech. Das frickliche besteht halt 
darin, daß Du diese dünne Schicht sehr schnell durchstichst, was bei 
einen großen Kristall nicht passiieren kann.

Hast Du Rotes bestellt? Wo gibt es sowas grß genug und am Besten ohne 
Stein?

Viele Grüße
Bernd

von Josef L. (Gast)


Lesenswert?

Der Mineralienladen bei uns in der Innenstadt ist eher klein. Siehht man 
auch daran, dass momentan nur 4 Personen gleichzeitig rein dürfen. In 
den letzten Jahren (außer 2020) waren wir jeden Herbst für ein paar Tage 
in Jena (Panetarium!) und da gibt es im benachbarten Weimar einen sehr 
schönen großen Laden:
https://www.ebay.de/itm/124372747966?hash=item1cf53186be:g:jkAAAOSwR09ffxgb
https://www.ebay.de/itm/124370656765?hash=item1cf5119dfd:g:TAcAAOSw2RdffeJl

Hat natürlich auch kleinere Stücke, es sind halt die, die den Aufwand 
fürs Internet lohnen. Trotzdem werde ich diese Woche unseren Laden mal 
besuchen.

von Josef L. (Gast)


Lesenswert?

Grrr! Planetarium natürlich! Und um Vermutungen vorzubeugen: Ein 
"Panetarium" ist sowas wie eine Sushi-Bar, aber mit verschiedenen Brot- 
statt Fisch-Kreationen.

von Zeno (Gast)


Lesenswert?

Josef L. schrieb:
> in Jena (Panetarium!)
Ja da ist sehr schön. Wohne ich gar nicht soweit weg davon.

von Zeno (Gast)


Angehängte Dateien:

Lesenswert?

Habe doch noch ein bischen in der WErkstatt gefummelt - das lenkt 
wenigstens ein bischen ab.
Die Motageplatte für meinen großen Detektor ist fast fertig und ich habe 
schon mal die wesentlichen Bedienelemente probeweise montiert.

von Josef L. (Gast)


Lesenswert?

So - alles zusammengelötet, alle Spulenanzapfungen, Antenne/Erde dran, 
Verstärker ebenso. Esist was zu hören, auf maximaler Lautstärke, aber 
alles Durcheinander. Umschaltungen Ausgangsübertrager merke ich 
Unterschiede, aber vor allem hinsichtlich Frequenzgang 
(dumpf/normal/hell). Poti Vorspannung kratzt, Vorspannung hat kaum 
Wirkung, zuviel wird es leiser. Anzapfungen Umschalten hat Wirkung, bei 
2 Stellungen nacheinander am Besten.

Nur: Drehko hat keinerlei Wirkung, alle Sender kommen auf einmal rein. 
Mal sehen was ich da zusammengelötet habe. Kann aber auch sein, dass ich 
infolge der Anzapfungen Windungsschlüsse eingebaut habe, da ich an drei 
Stellen außen den Lack abgeschabt habe und Drähte angelötet. Wenn es das 
ist - eine neue Spule mit richtigen Anzapfungen ist schnell gewickelt.

von Gerhard O. (gerhard_)


Lesenswert?

Hier ist eine kleine Ablenkung falls Du bei der Fehlersuche etwas 
Ausgleich suchst:

https://emperoroftestequipment.weebly.com/

https://www.bartelsos.de/_media/oszillator/gedanken_ueber_oszillatoren.pdf

Bei meinem Detektor-RX konnte ich vier Stationen ausreichend gut 
trennen. Ich würde auch alles noch einmal überprüfen. Da man fast immer 
die eigenen Fehler nicht sieht, wirdˋs schwierig, aber irgendwo muß sich 
der Hund doch versteckt haben;-)

Ich vermute irgendwie intuitiv fast einen schlechten Drehko Kontakt.

von Dieter P. (low_pow)


Angehängte Dateien:

Lesenswert?

Ein Detektor japanisch, etwas mitgenommener Zustand, Empfang
mit Kristallohrhörer abends, man glaubt etwas zu hören.
Mit nachgeschaltetem Transistorverstärker im Kopfhörer
dann Wellensalat.Detektordiode ist eine 1N60 von NEC, Germanium,
keine neuere Diode mit der gleichen Bezeichnung.
Diese sind Schottkydioden, Daten zur GE-Diode wurden nicht gefunden.
Stammt vor langer Zeit vom Elektronikschrott, hätte also
eigentlich schon lange entsorgt sein sollen.

Ein größerer und scheinbar leistungsfähiger Detektor,
Betrieb nur mit Vorspannung... ATLAS-Detektor

>Gerhard O.
Mir hätte schon gereicht einen einfachen Detektor richtig in
Software zu simulieren, wahrscheinlich wird man dazu dann ähnliches
Equipment wie R&S auffahren müssen.
Neben Messtechnik sind eben auch die Rechenmodelle der
Halbleiter das Problem.

von Edi M. (edi-mv)


Lesenswert?

Dieter P. schrieb:
> Mir hätte schon gereicht einen einfachen Detektor richtig in
> Software zu simulieren, wahrscheinlich wird man dazu dann ähnliches
> Equipment wie R&S auffahren müssen.
> Neben Messtechnik sind eben auch die Rechenmodelle der
> Halbleiter das Problem.

Mit dem gleichen Kristall kann ich mehrere Modi im Detektorempfänger 
bewerkstelligen- hohe Trennschärfe, Empfang etwas leiser, ich nehme an, 
der Detektor arbeitet hochohmiger, oder laut, der Empfang scheint dabei 
"breiter" zu sein. Der Detektor dürfte niederohmiger arbeiten, und mit 
dem angeschlossenen Übertrager den Schwingkreis -etwas- mehr belasten.

Verschiedene Punkte auf dem Kristall ergeben auf dem Kennlinienschreiber 
mehr oder weniger steile Kennlinien, manchmal ist sogar die Form der 
Kennlinie abweichend.

Das ist im Simulator nun kaum darstellbar.

Ebenso gibt es andere Einflüsse, die ain Simulator sicher verarbeiten 
kann- man muß sie aber selbst erst einmal erkennen, und der Simulator 
muß sie in seinen Berechnungen berücksichtigen können.

Für eine bestimmte Schaltungskonfiguration ist ein Simulator ein gutes 
Hilfsmittel- das Universalgenie ist er aber sicher nicht.

Ich schlage vor, an den realen Geräten zu schrauben, und die Geräte 
zeigen und hören lassen, und wenn man Verbesserungen eingebaut hat, und 
die wirken, eben wieder.

von Zeno (Gast)


Lesenswert?

Gerhard O. schrieb:
> https://emperoroftestequipment.weebly.com/
Gleich das erste Netzteil ist ja extrem schnuckelig.
Ist das Dein Messlabor? :-)

von Karl B. (gustav)


Lesenswert?

Hi,
was oben zu hören war ab Sekunde 2 etwa.
https://www.mikrocontroller.net/attachment/520732/DSCI0186.AVI.mp4
Burg bei Magdeburg
DCF39
139,0 kHz
FSK 200 Baud

(Ehemaliger Deutscher Soldatensender, der andere noch stehengebliebene 
Mast davon.)

ciao
gustav

von Josef L. (Gast)


Angehängte Dateien:

Lesenswert?

@gerhard
Ist das deine Seite?? Wie groß ist die Scheune? Verlangst du Eintritt?

Danke für die Tipps, ich werde sie nacheinander abarbeiten. Ich habe 
mich abgelenkt, indem ich erstmal vier Holzklötzchen gesägt und in die 
Kiste geklebt habe, damit die Frontplatte richtig sitzt. Mit einer 
Uralt-Tube UHU Hart (das Zeug, das andere zum Schnüffeln verwendet 
haben), noch mit DM-Aufkleber.

Die Bilder zeigen die aktuelle Verdrahtung, im 2. farblich 
hervorgehoben: grün die Masseleitung von der Schwarzen Erdungs-Buchse 
zum Drehko (außen), von da zum unteren Anschluß der Spule; in orange vom 
oberen Ende der Spule zum Drehko (isolierter Stator). Links außen ist 
die Antennenanpassung, dann die Detektoranpassung, rechts außen das 
Vorspannungspoti und unter dem Trafo der (aktuell etwas 
überdimensionierte) Umschalter für die 4 verschiedenen Kombinationen des 
Übertragers (2x110:6, 2x110:2x6, 110:6, 110:2x6). Ja, und der 
SABA-Kondensator. Ich vertraue auf die alte Qualität!

von Detektorempfänger (Gast)


Lesenswert?

Josef L. schrieb:
> Trafo der (aktuell etwas
> überdimensionierte) Umschalter für die 4 verschiedenen Kombinationen des
> Übertragers (2x110:6, 2x110:2x6, 110:6, 110:2x6)

Ist der neue Trafo auf den Bildern besser, als der von Dir hier 
beschriebene Trafo.

Gruß und schönen Sonntag noch.

von Josef L. (Gast)


Lesenswert?

@Detektorempfänger
Das verstehe ich jetzt nicht ganz - ist das als Frage gemeint, bzw. 
worauf beziehst du dich? Ja, ich habe viel weiter vorne schonmal einen 
kleinen Netztrafo als Ausgangsübertrager verwendet, das war ein 220:2x6 
mit 3VA. Anhand weitere Überlegungen sind wir ja zu dem (sicher in 
höheren Kreisen längst bekannten) Schluß gekommen, dass der Übertrager 
für einen brauchbaren Frequenzgang nicht groß genug sein kann, die Größe 
hängt praktisch von der maximal zu transformierenden Impedanz 
(Widerstandswert) dividiert durch die minimal zu übertragende Frequenz 
(-3dB) ab. Momentan hatte ich da eben nichts Besseres als den 2x110:2x6, 
der dann 3 verschiedene Übertragungsverhältnisse bietet, das mittlere 
dann mit 2 verschiedenen Wicklungsinduktivitäten.

Den Trafo habe ich am  30.05.2021 14:20 beschrieben und damals auch mit 
dem nano gemessen. Die beiden 6V-Wicklungen haben zusammen 15mH und eine 
Eigenresonanz bei 129kHz, die 2x110V haben zusammen 2.3H und eine 
Eigenresonanz etwa 9kHz. Letzeres kann ich mit dem nanoVNA nicht messen, 
ich sehe nur ab 50kHz den vom kapazitiven Anteil 80pF herrührenden 
Anstieg. In Serie eingeschleift verhält sich die Wicklung ja wie ein 
Notchfilter.

von Detektorempfänger (Gast)


Lesenswert?

Josef L. schrieb:
> bzw.
> worauf beziehst du dich?

Hatte mich auf die beiden Bilder bezogen und dachte das der im Text 
beschriebene Trafo da schon wieder getauscht worden ist.

Der auf den Bildern hat 2x110 Volt und 2x12 Volt.

Deshalb die Frage ob dieser besser ist als der zuvor verwendete.

Gruß und schönen Sonntag noch.

von Gerhard O. (gerhard_)


Lesenswert?

Josef L. schrieb:
> @gerhard
> Ist das deine Seite?? Wie groß ist die Scheune? Verlangst du Eintritt?

> Gerhard O. schrieb:
> https://emperoroftestequipment.weebly.com/
> Gleich das erste Netzteil ist ja extrem schnuckelig.
> Ist das Dein Messlabor? :-)

Keine Spur. Ich vermute, es ist eine USA Seite. Ich fand es aber 
berufsbezogen ganz nett weil ich vor über vierzig Jahren im "Engineering 
Lab" unserer Telecom tätig war wo wir auch ziemlich gut ausgerüstet 
waren und auch mit Eigenentwicklung spezieller Anwendungen 
verantwortlich waren. War eine schöne Zeit. (Für meine Selbstbau AFU 
Ambitionen ein Eldorado;-) )

Mir ist noch ein Gedanke bezüglich Deines Abstimmproblems gekommen. 
Vielleicht war bei Dir einfach die Antennenankopplung zu stark. Versuch 
mal die Antenne über einen kleinen Drehko kapazitiv an den Schwingkreis 
anzukoppeln. Beim Audion muß man deswegen auch sehr aufpassen. Weniger 
ist hier besser. Bei diesen Empfängern muß man ein Jongleur sein;-)

Heute wirdˋs bei uns heiß werden...

von Josef L. (Gast)


Lesenswert?

Gerhard O. schrieb:
> die Antenne über einen kleinen Drehko kapazitiv an den Schwingkreis
> anzukoppeln

Das habe ich ja mit drin. Der erste 12x Schalter sit so beschaltet, dass 
er 6x die Antenne direkt auf eine der 5 Anpafungen oder das heiße Ende 
der Spule schaltet, die anderen 6x mit dazwischengeschaltetem 
210pF-Drehko.

Momentan wickle ich die Spule neu bzw. schleife echte Anzapfungen raus 
statt angelötete. Neuer Test heute abend.

@Detektorempfänger

Danke für deinen Beitrag, da hast du mich auf einen Fehler aufmerksam 
gemacht. Ich bin mit all den Daten schon ganz wirr im Kopf. Drei Trafos:
1) 220V:2x6V/3VA
2) 220V:12V/3VA
3) und der jetzt verwendete 2x110V:2x12V - das mit den 6V habe ich mit 
dem ersten der beiden anderen verwechselt. Mal draufschauen bzw. aufs 
Foto hätte genügt. Damit hat eine der beiden 12V-Wicklungen dieses 
Trafos 15mH/100pF und eine 110V-Wicklung 1H/80pF, beide hintereinander 
60mH/4H etwa (sind ja auf einem Kern, daher doppelte Windungszahl = 
vierfache Induktivität).

von Gerhard O. (gerhard_)


Lesenswert?

Josef L. schrieb:
> Momentan wickle ich die Spule neu bzw. schleife echte Anzapfungen raus
> statt angelötete. Neuer Test heute abend.

Kann man nicht mit einem stumpfen Messer die Windungen am Anzapfpunkt 
etwas wegschieben und dann mit farblosen Lack imprägnieren? Vielleicht 
hilft es einen Spulenneubau zu ersparen.

Nachtrag:

Wie bezeichnet man in D Deine verwendete Holzplatte. Bei uns heissen die 
Masonite.

von Dieter P. (low_pow)


Angehängte Dateien:

Lesenswert?

So einfach ist Detektorempfang jetzt dann auch nicht.Eigener
Bastel-Detektor mit nachgeschaltetem NF-Verstärker bringt eine
Station, der beste Empfang ist ohne Drehko!Das gleiche Programm
mit anderen Radios dann 3 mal auf Kurzwelle gefunden, nicht auf MW.
Frequenzen 11.03x MHz, 14,42x MHz und 15,34x MHz, genauer wird
nicht angezeigt.Außer 15,34x MHz wohl außerhalb der üblichen
Runkfunkbänder, beim websdr twente keine Einträge.
Typisch auch das langsame Fading wie auf Kurzwelle bemerkbar.
Die Audiobeispiele sind nicht vom Detektor.

von Josef L. (Gast)


Angehängte Dateien:

Lesenswert?

@gerhard
Nein, das ist nur eine "Hartfaserplatte", Vorderseite glatt, Rückseite 
mit Muster vom Pressen. Dicke knapp 5mm (3/16"). Ist nur verleimt, also 
etwas hygroskopisch, nicht ganz so stabil wie Pertinax. Dein Masonit 
kenne ich, da habe ich irgendwo noch ein Erinnerungsstück aus USA 
rumliegen, das ist ähnlich wie Pertinax. Zweifarbig und Schrift 
reingefräst.

https://de.wikipedia.org/wiki/Masonit
https://www.frischeis.at/produkte/platte-konstruktiv/mdf-hdf-hartfaserplatte

Bei der Spule habe ich die unteren 12 Windungen neu aufgebracht und 
weiter oben um die beiden Stellen mit Auflötungen je 2 Windungen 
rausgeschnitten und neu aufgewickelt, jetzt habe ich 2 Anzapfungen mehr, 
verwende aber davon nur 6. Die Spule ist getestet, hat 192 µH, Q ist 
etwas niedriger als bei der letzten Messung, aber ich habe auch längere 
Anschlüsse jetzt.

von Gerhard O. (gerhard_)


Lesenswert?

Mir ist gerade eingefallen, daß man früher gerne Baumwolle umsponnenen 
Draht verwendet hat. Da ist der Windung zu Windungsabstand zueinander 
etwas größer und soll etwas mehr Q ermöglichen und die Eigenkapazität 
der Spule etwas erniedrigen, obwohl dann wahrscheinlich HF-Litze noch 
viel bessere Ergebnisse bringen könnte. Aber ich bin fast der Meinung, 
daß sich HF-Litze durch die Kopplungsfaktoren und Arbeitswiderstand 
sowieso nicht wirklich lohnt. Da darf man den Kreis nur so wenig wir 
möglich belasten was auf Kosten der Lautstärke geht.

Na, da bin ich mal gespannt wo der Hase im Pfeffer sitzt. Man sollte 
meinen, das bei Dir alles richtig gemacht worden ist. Vielleicht 
übersiehst Du einfach irgend was; manchmal sieht man ja den Wald vor 
lauter Bäume nicht.

Danke noch für den Link.

von Josef L. (Gast)


Lesenswert?

@gerhard
Ja, dein letzter Absatz... Natürlich hätte ich die Spule, in der letzten 
Version, mit aufgelöteten Anzapfungen, mal mit dem nanoVNA durchtesten 
können. Wozu habe ich das Teil da? Stattdessen nur der Gedanke im Kopf, 
dass ich mit dem Multimeter keinen Windungsschluss erkennen könnte! Und 
ebenso hätte ich sie ja nach dem Ausbau, vor dem Neuwickeln testen 
können! Hätte mir dan Neuwickeln erspart - gut, ist jetzt mit nanoVNA 
getestet und für OK befunden, und nach dem Einbau: Ergebnis wie vorher! 
Drehko hat keine Wirkung, es kommen mehrere Sender auf einmal rein, 
sogar aktuell , bei uns ist jetzt 20:30 Sommerzeit, Sonne steht noch 6° 
über dem Horizont, trotzdem Fernempfang! Das lauteste ist offenbar 
rumänisch, aber die Rumänen senden nur mit 400kW (855kHz), könnte Ungarn 
sein (2000kW, 540kHz). Ist auch noch relativ viel Schwund momentan, sehr 
langperiodisch, also gefühlt 15-30 Sekunden wo es lauter und leiser 
wird.

Ich vermute, ich habe irgendwo bei den Eingangs-Umschaltern einen 
Kurzen. Ist schwierig rauszufinden, Schalter und Spule hängen eben 
überall zusammen...

von Zeno (Gast)


Lesenswert?

Gerhard O. schrieb:
> Wie bezeichnet man in D Deine verwendete Holzplatte. Bei uns heissen die
> Masonite.
In der Ostzone war das Presspappe.

von Josef L. (Gast)


Lesenswert?

Zeno schrieb:
> Presspappe.

Die Unterschiede sind wohl die:
1) Grundmaterial Pappe, Papier-/Zellstoffasern, Holzfasern
2) Leim auf Wasserbasis, auf Kunststoffbasis, Epoxydharz
Und das gibt es in allen möglichen Kombinationen. Kaltgepresst, 
heißgepresst, fast wie Olivenöl ;-)
Hauptsache kein Formaldehyd oder ähnliches.

von Bernd M. (berndma)


Lesenswert?

Hallo Josef,

kopple doch erstmal die Antenne loser an und auch eventueell noch den 
Detektor - womöglich wird dein Schwingkreis nur zu stark belastet.

Viele Grüße
Bernd

von Josef L. (Gast)


Angehängte Dateien:

Lesenswert?

Bernd M. schrieb:
> womöglich wird dein Schwingkreis nur zu stark belastet

Danke für den Tip, aber die Antenne ist es wahrscheinlich nicht. Ich 
kann ja über die Schalter wählen: Anzapfung bei 7.5/12.5/20.5/31.5/45.5 
Windungen oder komplett alle 62.5 Windungen, direkt oder über den 
kleinen Drehko. Der Detektor ebenso jede dieser Möglichkeiten (ohne 
Drehko). Ich vermute, es ist der Trafo, und baue noch die Möglichkeit 
ein, die Diode über 3 oder 4 Widerstände (10k/30k/100k/evtl. 300k) gegen 
Masse bzw. das Poti mit der Vorspannung zu schließen, und den Ausgang 
daran zu legen, weil das sicher fürs Anschließen eines Verstärkers 
günstiger ist. Siehe neues Schaltbild!

Aber heute nach 3 EM Fußballspielen und Kochen (Dorade mit Spargel) 
lasse ich es etwas ruhiger ausklingen. Die Lötkolbenspitze ist auch 
schon wieder 1cm kürzer, und das neue Lot taugt nicht allzuviel. 
Vermutlich bleifrei!

von Josef L. (Gast)


Angehängte Dateien:

Lesenswert?

Ich habe jetzt testhalber mal einen Widerstand 100k mit Klemmen zwischen 
Diode und Ausgang geschaltet und den Schalter auf eine Leerstellung 
gebracht. Das ist erstens bedeutend lauter am Verstärker (ITT Touring), 
und mit ein, zwei Anzapfungen tiefer auch trennschärfer. Wegen der 
relativ breiten Durchlasskurve ist es am guten Lautsprecher des ITT ein 
super Klang. Der Sender ist übrigens Rumänien, 855 oder 909 kHz. Die 
Senderansage kam noch, nur hieß es vorher an der Kamers "Die 
Akkukapazität ist erschöpft!" - die 300 AUfnahmen während der 
Sonnenfinsternis am Donnerstag waren wohl eine zuviel.

von Karl B. (gustav)


Lesenswert?

Dieter P. schrieb:
> Das gleiche Programm
> mit anderen Radios dann 3 mal auf Kurzwelle gefunden, nicht auf MW....
> Typisch auch das langsame Fading wie auf Kurzwelle bemerkbar.
> Die Audiobeispiele sind nicht vom Detektor.

Hi,
wenn das nicht Radio Romania (mit 300 kW) auf KW ist, will ich Ottokar 
heißen.
Dieselbe Art Rumunske Vlaska Musik bei Antennenumschaltpause des DLF 
gegen 20:00 MEZ von Brasov auf Langwelle 153 kHz gerade in den 
Wintermonaten zu hören gewesen. So bis Ende 2015.
Wie gesagt, Kurzwelle "schlägt" manchmal durch. Siehe:
Beitrag "CRI auf Mittelwelle ?"

ciao
gustav

von Bernd M. (berndma)


Lesenswert?

Hallo Josef,

so bequem es mit der Umschalterei sein mag, der Nachteil ist, daß Du dir 
da mit Schalter und Verdrahtung zusätzliche Koppelkapazitäten 
einhandelst.
Wie schon gesagt ein Spulenschwenker mit Steckspulen hat die Nachteile 
nicht. Wenn Du keine Flachspulen hast, kannst Du auch drei 
Zylinderspulen ineinander schieben. Dann kannst Du auch noch einen 
Ferittstab mit zum Einsatz bringen.
Was hast Du eigentlich für einen Hörer im Einsatz? Um Vergleiche zu 
ziehen sollte Din NF-Lastwiderstand der Impedanz des Hörers entsprechen.
Die optimale Impedanz kannst Du mit einem Poti als Lastwiderstand und 
einen hochohmigen Verstärker ermitteln - ohne NF-Übertrager direkt 
hinter dem Detektor.
Ich habe zwar zur Zeit keine Zeit zum Mitbasteln, aber ähnliche Versuche 
habe ich vor Jahren, als es noch deusche Sender auf MW gab gemacht. Aber 
nicht mit Verstärker, sondern einen Sound-Powered-Hörer mit etwa 30kOhm 
Impedanz - einen Anpaßtrafo hatte ich noch nicht.

Viele Grüße
Bernd

von Dieter P. (low_pow)


Lesenswert?

> Karl B. (gustav)
An CRI auf MW kann ich mich schon erinnern vor einigen
Jahren, wie dort im Beitrag "CRI auf Mittelwelle ?" erwähnt.
Ein Superhet für Mittelwelle ist schon ein aufwendiges
Projekt, auch wenn die ZF-Filter bereits fertig sind.
Im MW-DYI-Empfänger wird zur AM-Demodulation eine
HF-Schottkydiode verwendet, die auch trickreich mit
Vorspannung betrieben wird.Empfangsmäßig ist hier auf MW
tagsüber nur 540 KHz sehr dünn im Rauschen hörbar, ( nicht mit
einem Detektorradio ) das wars dann schon.
Auf KW gibts derzeit wohl noch einige Programme,
der Unterschied zu MW ist auch, das auf KW oft nur stundenweise
Sendebetrieb ist, nach Fahrplan.

von Josef L. (Gast)


Angehängte Dateien:

Lesenswert?

@Bernd M.
Schau dir kurz mein Schaltbild vom  13.06.2021 23:57 (5 Beiträge zurück) 
an. Ich habe heute die Widerstände eingelötet und die Masseverbindung 
zum oberen Höreranschluß. Allerdings habe ich 5 Widerstände 
4k7/15k/47k/150k/470k angelötet und kann jetzt entweder mit Hörer oder 
Verstärker arbeiten. Einen Hörer der empfindlich genug ist habe ich 
nicht, stattdessen nur den ITT in TA/TB Stellung. Die 4 
Schalterstellungen mit dem Übertrager bringen zwar unterschiedliche 
Lautstärke und unterschiedlichen Frequenzgang, aber mit den Widerständen 
als Abschluss ist es erheblich lauter. Welcher jetzt der beste ist muss 
ich noch ausprobieren. Nach meinen bisherigen Messungen und Simulationen 
müsste ja der höchste Widerstand die höchste Spannung bringen, da ich ja 
nicht Leistungsanpassung machen muss.

Bei Sound-Powered-Hörer mit etwa 30kOhm brauchst du auch keine Anpassung 
durch Übertrager. Da man normalerweise eh einen kleinen Kondensator 
parallelschaltet, liegt die optimale Anpassung bei den meisten Ge-Dioden 
zwischen 15 und 50k Ohm.

Vormittags war kein Empfang, gegen 16 Uhr ein rumänischer Sender, war 
bei Drehko in Minimalstellung am lautesten, aber gefühlte Bandbreite 
1MHz.

Aktuell gehe ich jetzt nochmal die ganze Verdrahtung durch. 
Schätzungsweise können da nicht mehr als 0.2-0.3µH Induktivität des 
Schaltdrahtes dazukommen, selbst mit Q=1 würde das die Gesamtgüte nur 
maximal um 2% senken. Ich teste das Abstimmverhalten auch nochmal mit 
dem nanoVNA - Ergebnis siehe 2. Bild, Schwingkreis zwischen Aus- und 
Eingang eingeschleift wirkt als Notchfilter (rote Kurven), der 
Abstimmbereich liegt momentan also zwischen 495 und 2600 kHz. Ich nehme 
mal die Diode raus und schleife die komplette Schaltung zwischen Antenne 
und Detektoranschluss ins nano ein.

von Josef L. (Gast)


Angehängte Dateien:

Lesenswert?

Möglicherweise empfängt mein Detektor aktuell tatsächlich auch auf KW 
statt primär auf MW. Natürlich will ich nicht alle 6x12 möglichen 
Kombinationen (bzw. noch mehr wenn man den Antennendrehko mitrechnet) 
durchprobieren geschweige denn zeigen, außerdem ist die Belastung des 
Schwingkreises mit 50 Ohm nicht typisch. Aber auf etwa 650kHz 
eingestellt bekomme ich z.B. den im Bild sichtbare Dämpfungsverlauf mit 
einer schwachen Resonanz bei 650kHz, einem Dämpfungspol, und dann 
steiler Wiederanstieg. Letszeres dürfte nicht sein, es müsste immer 
weiter nach unten gehen. Und die Resonanz müsste deutlich höher 
ausfallen. Wenn ich unterschiedliche Anzapfungen einstelle, rückt der 
Dämpfungspol näher an die Resonanz oder weiter raus bis über 3MHz.

Grübel, grübel...

von Edi M. (edi-mv)


Lesenswert?

Josef L. schrieb:
> Vormittags war kein Empfang, gegen 16 Uhr ein rumänischer Sender, war
> bei Drehko in Minimalstellung am lautesten, aber gefühlte Bandbreite
> 1MHz.

Das heißt, der Sender war auf 2/3 der Skale zu hören ?
Das nenne ich wirklich Trenn- unscharf. da kann man sich ja den 
Schwingkreis fast sparen, und wenn die Anzapfungen nichts bringen... 
also irgendwas liegt da im Argen.

Was mir auffällt: Der Kondensator hinter der Diode ist mit 1,5 nF 
angegeben, das soll doch Ihr SABA- Kondensator sein- warum geben Sie die 
"gemessene" Kapazität an ?
Der ist doch auf dem Foto 1 nF, und eigentlich wissen Sie doch, daß sich 
die Plattengröße eines Festkondensators nicht erhöhen kann.

Ich schlage vor, hinter der Diode testweise nur einen Lastwiderstand, 
etwa 100 kOhm, und über dem abgegriffen und zum Verstärker. Und 
verschiedene Diodentypen testen- der Gleichrichter beeinflußt nicht 
unwesentlich die Trennschärfe !

https://www.radiomuseum.org/forum/die_trenneigenschaften_des_empfangsgleichrichters.html

Zum Vergleich: Mein Gerät empfängt auf Langwelle tagsüber 7 Baken und 
Träger auf LW, auf MW 2- 3, nachts auf MW wesentlich mehr, da ist dann 
nötig, die Antenne loser zu koppeln.

von Bernd M. (berndma)


Lesenswert?

Hallo Josef,

direkt mit 50Ohm messen ist hier Mist, er Schwingkreis wird zu stark 
bedämpft.
Besser in den Ausgang ein paar pF einschalten und beim Eingang auch.

Damit kannst Du zwar nicht genau messen, siehst aber die Tendenz ohne 
den Schwinggkreis nennenswert zu verstimmen.
Die Cs immer so klein , wie möglich, aber groß genug, daß noch eiine 
Kurve dargestellt wird. Ist der Eingang zu unempfindlich halt noch einen 
Verstärker zwischenschalten.

Der Anstieg bei hoher Frequenz ist der Kapazität deiner Verdrahtung 
geschuldet.
Du kannst beim ausmessen ruhig mal die Diodezuschalten. An Hand der 
Vergrößerung der Bandbreite kannst Du die Belastung/Anpassung 
einschätzen.

Viele Grüße
Bernd

von Josef L. (Gast)


Lesenswert?

Edi M. schrieb:
> das soll doch Ihr SABA- Kondensator sein- warum geben Sie die
> "gemessene" Kapazität an ?

Ich wollte einen 1.5nF einsetzen, und der SABA ist zu 1.5nF gemessen 
worden. Immerhin stand schon 20% drauf, moderne Kerkos haben -20/+80.

@Bernd M.
Klar bedämpft 50 Ohm den Schwingkreis stark. Trotzdem dürfte es den 
Dämpfungspol und anschließenden steilen Anstieg nicht geben, das kann 
man durch keine Leitungskapazitäten erklären. Selbst wenn das in 
Verbindung mit der Spule 192µH zustandekommen sollte, bräuchte man 43pF 
für die Resonanz bei 1.75MHz. Die gesamte Spule hat keine 2pF!

Das mit den Kondensatoren probiere ich noch aus. Aber der Krimi geht 
noch bis 1 Uhr...

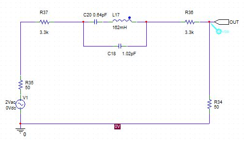
von Josef L. (Gast)


Angehängte Dateien:

Lesenswert?

Ich habe das schnell mal simuliert, mit 2x 2.2pF wäre sehr wenig 
rausgekommen, als nächsten hatte die Kiste 6.8pF zu bieten. Stattdessen 
hätte man auch 2x 2.7k Widerstände einsetzen können. Anbei einmal 
gemessen ohne, dann mit den Trennkondensatoren. Es geht um mehr als 10dB 
rurück, aber die Dämpfung steigt durch die geringere Belastung auf das 
Doppelte (von 15 auf 30dB), theoretisch müssten es 45dB sein (simuliert 
mit 5MΩ statt 50Ω). "Simuliert" bedeutet hier: Wenn ich die Werte so 
nehme, dass mit 50Ω die 15dB rauskommen und mit 2x 6.8pF zusätzlich 
30dB, und dann 5MΩ in die Schaltung einsetzen würde, wäre zwischen 
Resonanzmaximum und Dämpfungsminimum etwa bei 1.5MHz ca. 45dB Abstand. 
Aber diese geringe Belastung ist ja nicht zu erreichen.
Soweit ich das jetzt sehe, ist das die Einstellung, bei der Ein-und 
Ausgang am heißen Ende des Schwingkreises liegen. Bild 3 ist dann 
Eingang auf 1 Anzapfung tiefer, also 45/62 Windungen. Die Resonanzspitze 
geht etwas zurück, aber die Dämpfung ist insgesamt stärker. Bandbreite 
müsste ich separat messen - jetzt nicht mehr, ist zu spät.
Trotzdem: Da ist doch Trennschärfe da, warum haut der eine Sender so 
durch??

Ja, Schwenkspule, vielleicht wäre es besser gewesen...

von Josef L. (Gast)


Angehängte Dateien:

Lesenswert?

Muss mich doch nochmal melden - hier die Simulation des Frequenzgangs, 
Ein-Ausgang 50Ω, dann je 6.8pF, und dazwischen den Parallelschwingkreis 
mit 192µH + 180pF, 5Ω seriell mit der Spule. Sieht schon so aus wie das 
was ich gemessen habe, also müsste alles in Ordnung sein??

von Edi M. (edi-mv)


Lesenswert?

Josef L. schrieb:
> Ich wollte einen 1.5nF einsetzen, und der SABA ist zu 1.5nF gemessen
> worden. Immerhin stand schon 20% drauf, moderne Kerkos haben -20/+80.

1,5 nF ist aber +50%. Und physikalisch nicht möglich.

Josef L. schrieb:
> Muss mich doch nochmal melden - hier die Simulation des Frequenzgangs,
...
> Sieht schon so aus wie das
> was ich gemessen habe, also müsste alles in Ordnung sein??

Sie schreiben "gefühlt 1 MHz Bandbreite", also doch schon ganz schön 
unscharf, damit würde ain stärkerer Sender also 2/3 der Skale 
beanspruchen,  so stark wäre bestenfalls eine Senderantenne in optisch 
sichtbarer Entfernung, also im unmittelbaren Nahbereich, das sollte 
eigentlich nicht sein, da ist also noch was zu tun.
Wollen Sie einen Simulator optimieren, oder Ihren realen Empfänger ?

von Karl B. (gustav)


Lesenswert?

Gerhard O. schrieb:
> Mir ist gerade eingefallen, daß man früher gerne Baumwolle umsponnenen
> Draht verwendet hat.

Hi,
Du meinst nicht die HF-Litze z.B. 25 x 0,07 oder so?
https://oppermann-electronic.de/html/hf-draht_litze.html

Dieter P. schrieb:
> Empfangsmäßig ist hier auf MW
> tagsüber nur 540 KHz sehr dünn im Rauschen hörbar

Hi, das ist mit ca. 2 MW Leistung der stärkste Mittelwellensender 
Europas.
Solt, Ungarn auf 540 kHz. Tagsüber reicht Bodenwelle sogar bis in die 
Niederlande (mit SDR twente zu empfangen).
http://detlef-meis.de/2018/06/28/mittelwellen-sender-in-europa/

ciao
gustav

von Josef L. (Gast)


Lesenswert?

Edi M. schrieb:
> 1,5 nF ist aber +50%. Und physikalisch nicht möglich.

Punkt 1 stimmt.
Punkt 2 ist deine Ideologie - aber es gibt nichts, was es nicht gibt, 
Edi, und Sie werden selbst mathematisch die "Nichtexistenz eines 
Kondensators, der sich im Verlauf von xx Jahren über mehr als seine 
Nennkapazität plus aufgedruckte Toleranz verändert" nicht nachweisen 
können. Ist mathematisch erwiesen, dass man das nicht kann, und 1 
Beispiel genügt, und das habe ich vorliegen. Wozu gibt es RLC-Meter? 
Damit man feststellen kann was aufgedruckt ist? Sicher nicht... Übrigens 
- ich hab da auch dazugelernt.

Und mit dem Simulator - nein! Ich will nicht den Simulator optimieren! 
Ich will einfach herausfinden was meine Schaltung tut, und wenn die nach 
dem gezeichneten Schaltbild beim Messen mit dem nanoVNA das ergibt was 
die Schaltungssimulation zeigt, und die Schaltung OK ist, dann sollte 
sie auch funktionieren! Hier sehe ich eben keine 1MHz Bandbreite, 
sondern Messung und Simulation in schöner Übereinstimmung, Frequenzen 
unterhalb des MW-Bandes 35dB und mehr gegen Resonanzmaximum gedämpft, 
Frequenzen mehr als 30kHz von der eingestellten Frequenz (um 750kHz) 
mehr als 30dB gedämpft.

Allerdings sind 30dB nicht viel. Wenn alle anderen 120 Sendeplätze 
gleich stark senden würden, würden sie zusammen auf 1/8 der Leistung 
kommen. Ein starker Sender kann da durchschlagen.

von Josef L. (Gast)


Angehängte Dateien:

Lesenswert?

Das "Scheunentor" ist gefunden - nur noch nicht die Ursache. Ich habe 
mal den Messbereich auf bis zu 36 MHz erweitert, und die Schaltung mit 
je 3.3kΩ Vorwiderstand zwischen die nanoVNA-Porte eingeschleift. Das 
müsste eine Grunddämpfung von etwa 42 dB ergeben, da sind noch 40dB 
Dynamik nach unten.

Die Messung zeigt, dass jenseits von MW der komplette KW-Bereich von 7 
bis 24 MHz stärker reinkommt als die eine ausgewählte MW-Frequenz! Der 
steile Anstieg ab 2 MHz entspricht einem Hochpass, bestehend aus einem 
einzelnen Kondensator von etwa 70-100pF zwischen Ein-und Ausgang. Das 
ist nicht mit Schaltungskapazitäten zu erklären. Vielleicht ist irgendwo 
bei den Schaltern etwas über Kreuz verlötet oder berührt sich.

von Josef L. (Gast)


Angehängte Dateien:

Lesenswert?

Grade hatte ich "bad request" und kann alles neu schreiben...

Als (vor)letzte Möglichkeit - nachdem die Analyse der Verdrahtung nur 
erbracht hat, dass alles korrekt verdrahtet ist - habe ich alle 
Anzapfungen abgelötet und nur Spule+Drehko mit 2x 3.3kΩ mit dem nano 
gemessen (weiße Grafik) und mit PSpice simuliert (schwarze Grafik). 
Zuvor noch einen Denkfehler beseitigt: die 3k3 am Eingang gehen in den 
Innenwiderstand vom Sender, man muss für die Dämpfung nur die 3k3 im 
Ausgang berücksichtigen, die Grunddämpfung der Meßschaltung beträgt 
daher 20 * log ((3300 + 50) / 50) = 36.5 dB und das sieht man recht gut 
in den Bildern. Andereseits ist bei 2.7MHz (niedrigste Drehko-Stellung) 
der Resonanzwiderstand des Schwingkreises bereits 3k3, man bekommt also 
nur eine Güte Q = 1, auch das ist zu sehen. Am Ende des MW-Bereiches 
wären es 1k9, für eine Bandbreite von 8kHz dürfte die Last mind. 400kΩ 
betragen.

Bis auf den Anstieg zu höheren Frequenzen bei der Kurve mit minimaler 
Resonanzfrequenz kann die simple Schaltung das Verhalten sehr gut 
erklären, das wäre also in Ordnung. Also ist das, was jetzt abgelötet 
ist, für das nicht so tolle Scheunentor im KW-Bereich verantwortlich.

Notfalls kann ich ja einen Tiefpass davorschalten!

von Edi M. (edi-mv)


Lesenswert?

Josef L. schrieb:
> Edi M. schrieb:
>> 1,5 nF ist aber +50%. Und physikalisch nicht möglich.
>
> Punkt 1 stimmt.
> Punkt 2 ist deine Ideologie -

Keine Ideologie, sondern Physik und Logik. Wie auch der 
Energieerhaltungssat, der manchmal auch als "Erfahrungssatz" bezeichnet 
wird.

> aber es gibt nichts, was es nicht gibt,

Ja, das (oder das "Hamlet"- Zitat) höre/ lese ich von technischen 
"Voodoo- Priestern" auch immer wieder.

> Edi, und Sie werden selbst mathematisch die "Nichtexistenz eines
> Kondensators, der sich im Verlauf von xx Jahren über mehr als seine
> Nennkapazität plus aufgedruckte Toleranz verändert" nicht nachweisen
> können.

Natürlich nicht. Weil ich keine Lebenszeit für die Nichtexistenz von 
Blödsinn verschwenden möchte.

> 1 Beispiel genügt, und das habe ich vorliegen.

Ja klar.

Wozu gibt es RLC-Meter?
> Damit man feststellen kann was aufgedruckt ist? Sicher nicht...

Dann habe ich wohl was falsch gemacht- ich hielt das immer für einen 
Einsatzzweck solcher Geräte, ich nannte sowas Messen und Prüfen.
Und dachte, Hersteller von RLC- Metern Kenntnis setzen die Fähigkeit 
voraus, Meßergebnisse zu interpretieren.

von OMG (Gast)


Lesenswert?

Josef L. schrieb:
> Grade hatte ich "bad request" und kann alles neu schreiben...

Das hättest aber nicht extra machen müssen.....

von Edi M. (edi-mv)


Lesenswert?

Josef L. schrieb:
> Also ist das, was jetzt abgelötet
> ist, für das nicht so tolle Scheunentor im KW-Bereich verantwortlich.

Nicht unbedingt.
Wenn ich mich recht entsinne, ist Ihre Antenne ja sehr niedrig... 
schnappen Sie sich ihr Gerät, gehen Sie hinaus in die Wildnis, und 
ziehen mal eine Strippe in angemessener Höhe und Länge von Baum zu Baum.

von OMG (Gast)


Lesenswert?

Edi M. schrieb:
> ziehen mal eine Strippe in angemessener Höhe und Länge von Baum zu Baum.

Gute Idee aber das kann er ja auch erstmal mit den Bäumen Simulieren 
....

http://www.forst-rast.de/pflrechner10.html

von Josef L. (Gast)


Angehängte Dateien:

Lesenswert?

OMG, haben Sie auch was Konstruktives, oder ist ihr Kürzel programm?

Edi, weißt was, ich schicke Ihnen den SABA-Kondensator. Er ist mit 
Sicherheit nicht das Problem, da er beim aktuellen Test überhaupt nicht 
beteiligt ist, und er hat mit Sicherheit aktuell 1550pF ± 50pF und einen 
Isolationswiderstand von über 20GΩ. Könenn Sie nachmessen. Vielleicht 
wurde er vor 70 Jahren ja falsch bedruckt?

Und was soll das mit der Antenne, schauen Sie 1000 Beiträge zurück, ich 
kenne die elektrischen daten der Antenne. Und wenn ich nur den 
Schwingkreis alleine teste, spielt die auch keine Rolle.

Nachgemessen sind es etwa 13cm Verdrahtung zwischen Spule und Drehko, 
und wenn ich das als 130nH in die Schaltung einplane, liefert die 
Simulation ziemlich exakt die Messung, siehe oben 1. Grafik. Wenn ich 
dann in der Simulation den Innenwiderstand der Quelle und den 
Lastwiderstand auf 1M erhöhe und die 86dB Dämpfung rausrechne, bekomme 
ich Bild 2 - so muss sich also mein Schwingkreis verhalten, wenn er 
nicht belastet wird. Ich bekomme eine 3dB-Nadbreite 4kHz bei 500kHz und 
36kHz bei 2.7MHz. Das ist in etwa das was ich für die Spule alleine 
schon vor Wochen gemessen habe. Und von Durchlass bei KW-Frequenzen 
keine Spur!

von Edi M. (edi-mv)


Lesenswert?

Josef L. schrieb:
> Edi, weißt was, ich schicke Ihnen den SABA-Kondensator. Er ist mit
> Sicherheit nicht das Problem, da er beim aktuellen Test überhaupt nicht
> beteiligt ist, und er hat mit Sicherheit aktuell 1550pF ± 50pF und einen
> Isolationswiderstand von über 20GΩ. Könenn Sie nachmessen. Vielleicht
> wurde er vor 70 Jahren ja falsch bedruckt?

Josef, behalten Sie Ihr SABA- Schätzchen, ich habe einige Kartons 
solcher Kondensatoren -ich schmeiße Restaurations- Leichen nicht weg- , 
die auf einem Kapazitätsmeßgerät eine höhere Kapazität angezeigt 
bekommen.
Ich vermute mal, da ist keiner falsch bedruckt.

Und auch andere Elektronikfreunde haben ja schon solche Meßergebnisse 
von Papierkondensatoren in Foren veröffentlicht- der Effekt ist nun 
wirklich sattsam bekannt.

Wie geschrieben, im Detektorempfänger wird der wohl noch eine Weile 
funktionieren, ich würde allerdings keine solch zweifelhaften Bauteile 
verwenden, oder diese eben neu befüllen- eben weil das defekte Bauteil 
kein Kondensator, sondern eine RC-Parallelschaltung ist.

Josef L. schrieb:
> Und was soll das mit der Antenne, schauen Sie 1000 Beiträge zurück, ich
> kenne die elektrischen daten der Antenne. Und wenn ich nur den
> Schwingkreis alleine teste, spielt die auch keine Rolle.

War ein Vorschlag. Aufgrund Ihrer Bemerkung, daß die Bandbreite gefühlt 
1 MHz ist- woraus ich schließe, daß ein Sender sehr "breit" auf der 
Skale erscheint.

Daß die Trennschärfe im oberen Bereich schlechter ist, ist zu erwarten, 
aber nicht so hoch.
Also dürfte etwas nicht ok sein. Ich hatte ja angegeben, daß ich -auf 
LW- einiges empfangen kann, wenngleich die Trennschärfe aufgrund eben 
vorhandener Bautele nicht hervorragend ist, ist sie wenigstens 
ausreichend.

Damit sollten Sie alles am realen Gerät untersuchen- der Schwingkreis 
ist ja offensichtlich ok.
Daß Sie die Daten der Antenne kennen... haben Sie ein Antennenmeßgerät ? 
Oder mit dem Nano bestimmt ?
Ich habe meine Antenne in einem Berechnungsprogramm 4NEC2 eingegeben, 
und das gibt dazu z. B. Impedanz- Werte aus, die den Werten, die in 
aufgrund der Literatur erwartete, nicht entsprechen- allerdings nehme 
ich das auch nicht so bierernst.

von Josef L. (Gast)


Angehängte Dateien:

Lesenswert?

Edi M. schrieb:
> Daß Sie die Daten der Antenne kennen... haben Sie ein Antennenmeßgerät ?
> Oder mit dem Nano bestimmt ?

Letzteres - Messkurve des Frequenzgangs anbei, die blaue Linie 
obendrüber ist die Eichkurve ohne Antenne. Die Zahlen habe ich auch mit 
Phase und danach die Bauteilewerte der Antennen-Ersatzschaltung wie aus 
Ihren ersten Beiträgen so angepasst, dass das Verhalten zwischen 0 und 3 
MHz so genau wie möglich wiedergegeben wird.

Natürlich probiere ich es weiter mit Antenne usw., aber erstmal möchte 
ich das völlig unübliche Verhalten deuten können, das sich ergibt, wenn 
ich eine Anzapfung benutze. Während die Simulation dann das zeigt was zu 
erwarten ist, nämlich steilere Kurven mit geringerer Bandbreite und 
höherer Weitabdämpfung, bekomme ich bei der Messung etwas, das an einen 
grottenschlechten Quarz erinnert (siehe Bild 2 - Anzapfung 12 Windungen 
von unten), aber in Serie zwischen Ein- und Ausgang geschaltet! Das 
Ersatzschaltbild wäre Spule und Kondensator in Serie, dazu parallel noch 
ein Kondensator. Das Verrückte ist, dass über den ganzen mit dem Drehko 
durchstimmbaren Bereich 495-2800kHz sich die Frequenzen mit dem 
Dämpfungsminimum und Resonanzmaximum wie 1.28 : 1 verhalten, also 
Frequenzverhältnis bleibt konstant!

Ich muss mal überlegen wie das ausschaut, wenn man die Serien- in eine 
Parallelschaltung umwandelt. Vielleicht ist das der gordische Konten. 
Aber momentan werde ich erstmal bei der EM etwas Ablenkung suchen. Aber 
auch das sehe ich nicht so bierernst.

von Edi M. (edi-mv)


Angehängte Dateien:

Lesenswert?

Josef L. schrieb:
> Ich muss mal überlegen wie das ausschaut, wenn man die Serien- in eine
> Parallelschaltung umwandelt. Vielleicht ist das der gordische Konten.

Jetzt bin ich etwas von der Rolle... Ihr Schaltplan im Beitrag vom 
13.06.2021 23:57 zeigt doch eine L/C- Parallelschaltung... !?

Eine Reihenschaltung funktioniert aber auch- siehe Schaltplan 
(Eingangsschaltung Westinghouse Tuner RA), hier wird über der Spule die 
Eingangsspannung abgegriffen.
(Um immer ein einigermaßen günstiges L/C- Verhältnis zu erreichen, wird 
mit der als Variometer gestalteten Spule abgestimmt, und auf der selbsen 
Achse sitzt der Drehkondensator !)

von Josef L. (Gast)


Lesenswert?

Edi M. schrieb:
> zeigt doch eine L/C- Parallelschaltung... !?

Das ist schon klar! Ich messe ja den Schwingkreis als 
Parallelschwingkreis, Sie müssen sich das so vorstellen, dass er unten 
an Masse, oben über einen 3.3k Widerstand am Eingang des Analysegerätes, 
und der Generator ebenfalls über 3.3k oben an den Schwingkreis 
angeschaltet war. Da verhält der Schwingkreis sich normal, nur dass eben 
die Belastung zu hoch ist, was sich in einer geringen Güte 
niederschlägt. Aber die Messung ist eindeutig nachvollziehbar.

Aktuell sind die beiden 3.3k-Widerstände mit der 2. Anzapfung von unten 
verbunden, und da ist mir das Verhalten völlig unerklärlich, es 
entspricht einfach nicht den Erwartungen.

Leider ist der Schwingkreis kein Beamter, ich würde ihm einfach 
erklären, wenn er so weitermacht wird er nicht befördert, und dann...

von Gerhard O. (gerhard_)


Angehängte Dateien:

Lesenswert?

Moin,

ich habe mal ganz schnell meinen schon gezeigten Detektor-RX 
behelfsmäßig mit der Hand durchgemessen um die Abstimmkurve zu erfassen.
(Das ist der damals gezeigt Holzbrettempfänger mit Pappspule und den 
vielen Anzapfungen.

Der Meßsender war über einen 3.3K Ohm an die erste Anzapfung (20%) 
angeschlossen. Die Detektor Diode am 30% Punkt.

Der Messender war abstimmbar im Bereich 0.45-1MHz mit 50%, 1kHz 
AM-moduliert und 230mVrms. Ich überwachte die Messsender-EMF mit einem 
zweiten Voltmeter. Es ergab sich über den Meßbereich keine Schwankungen 
am R1 Anschlußpunkt.
Mit dieser Einstellung ergab sich am NF Ausgang wiederum 230mV und war 
bei 700kHz mein dB Referenzpunkt. Die Frequenz wurde jeweils bei 3dB 
Änderung aufgezeichnet und auf Excel übertragen.

Gruss,
Gerhard

Nachtrag: Beim letzten Diagram normalisierte ich die Kurve. Der -3dB 
Punkt ist dann um 0.707 herum. Das Q ist ca. 12 (Q=f/b, 700/60=11.6)

An Moderator: Bitte V1 und V2 Diagramme löschen. Danke.

von Josef L. (Gast)


Angehängte Dateien:

Lesenswert?

@gerhard
Das entspricht etwa meiner Kurve im unteren Bereich! Ich hatte vorhin 
noch von 0.1-1.9 MHz aufgenommen, allerdings mit der niedrigsten mit dem 
Drehko erreichbaren Frequenz von knapp 0.5 MHz. Da entsprechen dann 0.7 
MHz dem Bereichsende von 1 MHz in deinen Grafiken. In diesem Bereich ist 
bei mir die Dämpfung 33dB unter Maximum. Das wären 2.2% bzw. in deiner 
Skala 0.005, das würde man aber noch als Linie über der Nullinie sehen. 
Danach geht aber meine Messung rasant nach oben und lässt ab etwa 8-9MHz 
praktisch alles durch. Aber nur, wenn ich eine Anzapfung benutze - 
sobald ich die Spule oben am heißen Ende anpacke, ist alles OK, nur 
lässt sie sich natürlich nicht so belasten.

von Gerhard O. (gerhard_)


Lesenswert?

Josef L. schrieb:
> @gerhard
> Das entspricht etwa meiner Kurve im unteren Bereich! Ich hatte vorhin
> noch von 0.1-1.9 MHz aufgenommen, allerdings mit der niedrigsten mit dem
> Drehko erreichbaren Frequenz von knapp 0.5 MHz. Da entsprechen dann 0.7
> MHz dem Bereichsende von 1 MHz in deinen Grafiken. In diesem Bereich ist
> bei mir die Dämpfung 33dB unter Maximum. Das wären 2.2% bzw. in deiner
> Skala 0.005, das würde man aber noch als Linie über der Nullinie sehen.
> Danach geht aber meine Messung rasant nach oben und lässt ab etwa 8-9MHz
> praktisch alles durch. Aber nur, wenn ich eine Anzapfung benutze -
> sobald ich die Spule oben am heißen Ende anpacke, ist alles OK, nur
> lässt sie sich natürlich nicht so belasten.

Bei meinem RX habe ich auch eine langsam ansteigende KW Empfindlichkeit 
bemerkt um bei 7MHz ein Maximum zu erreichen. Diese Kurve steigt von 
1MHz ab langsam und gleichmaessig an. Bei 7Mhz ist die demodulierte 
Spannung genauso groß wie bei 0.7MHz.

Nachtrag: Bei 0.912Mhz habe ich ähnlich wie bei Dir ein Minimum, aber 
lange nicht so ausgeprägt.

von Josef L. (Gast)


Angehängte Dateien:

Lesenswert?

Danke, Gerhard. Jedenfalls beseitigt das einige Zweifel an mir 
meinerseits ;-)

Vielleicht ist es ein grundsätzliches Problem mit Anzapfungen? Nach dem 
EM-Auftakt unserer Mannschaft habe ich nochmal PSpice angworfen, weil 
mich die Ähnlichkeit der letzten Messungen mit Quarzen nicht losgelassen 
hat. Genauer gesagt mit winzigen Keramikfiltern aus einer Fritz-Box, 
hatte denke ich 41 MHz. Ich habe jetzt eine ganz simple 
Quarz-Ersatzschaltung, ohne Widerstand, mal simuliert, mit den 
3.3k-Widerständen (1 mit 6.6k hätte da auch gereicht), un d siehe da, 
mit den passenden Bauteilewerten bekommt man den Bereich bis 1.9MHz, 
vielleicht bis 5MHz sehr genau hin (mit nur 3 Bauteilen!), danach ist es 
immerhin der grobe Verlauf, von Nebenresonanzen abgesehen, vergleiche 
mit  16.06.2021 00:33 und der 2. Kurve von 15.06.2021 21:12.

Jetzt muss man nur noch diese Pi-Schaltung (Längszweig) in eine 
T-Schaltung (Querzweig) umwandeln... Weiß einer auf die Schnelle wie das 
geht? Jedenfalls hat die Spule mit Sicherheit keine 162mH und der Drehko 
keine 0.64pF - der Schwingkreis ist auch nicht in Reihe, sondern 
parallel zum Eingang. Ich hab da momentan eine Blockade...

von Josef L. (Gast)


Angehängte Dateien:

Lesenswert?

Wie die Schaltung ausschauen muss weiß ich schon, nur die Werte nicht. 
Und die Spulen einzeln, ohne Kopplung???

von Edi M. (edi-mv)


Lesenswert?

Josef, haben Sie einen normalen HF- Generator ?

Die Spitze nach unten kann ich mir so nicht erklären- das könnte an den 
Meßbedingungen des Nano liegen- "Kurvenverbiegungen" habe ich am Wobbler 
auch, wenn ich ungünstig einstelle- etwa, wenn Hub und/ oder 
Durchlauffrequenz zu hoch sind- diese müssen so langsam wie möglich 
sein.

Versuchen Sie es mal "von Hand".

von Josef L. (Gast)


Angehängte Dateien:

Lesenswert?

Edi M. schrieb:
> normalen HF- Generator ?

leider nicht, der war vor 20-30 Jahren im Bau (Bild siehe meinen Beitrag 
vom 09.04.2021 01:24), nur der NF-Teil ist fertig, geht bis 400kHz 
(sinus-dreieck-rechteck-wobbler).

Nein, das hat alles seine Ordnung, das ist offenbar Physik! Ich habe 
heute nacht noch die Werte rausbekommen, siehe Schaltung oben. SO 
verhält sich der Schwingkreis mit Anzapfung bei 20% von unten, wenn 
eigentlich L = 192µH und C = 540 pF ist. Die Anzapfung wäre etwa bei 7 - 
8 µH, das ist die untere Induktivität, und der Rest davon transformiert 
sich über die Übersetzung 1:5 --> 1 : 25 für RLC-Werte auf den 
"Rest-Schwingkreis" oben, und der hat diese unmöglichen Eigenschaften 
aufgrund des total ungünstigen L:C-Werts!!! Wenn R sich transformiert, 
dann ebenso C (nach oben) und L (nach unten)!

Ich probiere das nochmal bei einer anderen Anzapfung. Es sieht so aus, 
als würde man sich mit der Anzapfung zwar das Problem 
Schwingkreisbelastung zum Teil vom Hals schaffen, aber dafür hat man 
andere Unannehmlichkeiten an eben demselben Hals. Du kriegst es nicht 
weg!

von Josef L. (Gast)


Lesenswert?

Nochmal: Die Schaltung von heute nacht, 01:32, resultiert aus meiner 
beobachtung, dass die Messkurve vom Schwingkreis mit ANzapfung starke 
Ähnlichkeit mit der eines Quarzes (in Serie eingeschleift) hat. Dessen 
Ersatzschaltbild ist ein LC-Serienschwingkreis, parallel dazu die 
Halterungskapazität. Diese ist es, die den Dämpfungspol nach der 
Resonanz erzeugt und auch den steilen Anstieg danach bis zum völligen 
Durchlass bei hohen Frequenzen. Kurzschluss durch Kondensator eben!

Dann habe ich mein vergrabenes Wissen wieder hervorgekramt - wo sind 
übrigens die Besserwisser? - und das lautet so: Man transformiert ein 
LC-Filter in PI-Schaltung in eines in T-Schaltung, indem man aus allen 
Kondensatoren Spulen und umgekehrt sowie aus allen Serien- 
Parallelschaltungen und umgekehrt macht. Widerstände bleiben 
Widerstände. Auch die Werte transformieren sich dabei irgendwie, wohl 
mit 1/x, das ist jetzt zweitrangig.

Also wird aus dem LC-Serienkreis ein LC-Parallelkreis, aus der 
paralellgeschalteten Halterungskapazität eine in Serie zum Schwingkreis 
geschaltete Induktivität, und das Ganze ist jetzt nicht in Serie 
zwischen Ein-und Ausgang zu schalten, sondern Ein- und Ausgang sind zu 
verbinden und die Baugruppe gehört parallel zu Ein- und Ausgang.

Ich messe jetzt nochmal 2 Anzapfungen durch. Jedenfalls bin ich insofern 
beruhigt, dass alles seine Ordnung hat, physikalisch erklärbar ist, dass 
es nicht an der etwas überdimensionierten Verschaltung liegt usw. - 
sonst wären damals vor 100 Jahren die Monster mit einem halben Dutzend 
Umschalter suw. gar nicht erst aufgekommen.

Aber die Messungen und Simulationen können schon einen Sinn machen, 
indem man die Grenzen erkennt, z.B. wie weit runter man mit den 
Anzapfungen gehen darf, bevor man das Scheunentor im KW-Bereich 
aufmacht. An sich ist der Dämpfungspol ja so verkehrt nicht: schmälere 
Durchlassbandbreite, wesentlich höher Nahdämpfung, nur halt mit Null 
Weitabdämpfung. Entscheidend ist: WIE weit ist weit? Sind das Sender und 
wenn ja wieviele?

Ich hoffe immer noch, dass man dem durch einen Tiefpass vor oder nach 
dem Schwingkreis oder in der Antennenzuleitung beikommt!

von Detectorempfänger (Gast)


Lesenswert?

Josef L. schrieb:
> Dann habe ich mein vergrabenes Wissen wieder hervorgekramt - wo sind
> übrigens die Besserwisser?

> - und das lautet so: Man transformiert ein
> LC-Filter in PI-Schaltung in eines in T-Schaltung, indem man aus allen
> Kondensatoren Spulen und umgekehrt sowie aus allen Serien-
> Parallelschaltungen und umgekehrt macht. Widerstände bleiben
> Widerstände. Auch die Werte transformieren sich dabei irgendwie, wohl
> mit 1/x, das ist jetzt zweitrangig.

Könntest das mal bitte anhand von Skizzen oder weiterführenden Links 
verdeutlichen.

Habe mich letztens hiermit beschäftigt, fand ich sehr nützlich und 
Informativ.

https://www.wolfgang-wippermann.de/koppler.pdf

von Josef L. (Gast)


Lesenswert?

Detectorempfänger schrieb:
> Könntest das mal bitte anhand von Skizzen oder weiterführenden Links
> verdeutlichen.

Mache ich heute noch. Da muss ich einige Bücher und auf dem PC 
gespeicherte PFDs durchgehen, da habe ich ein Dutzend Filterhandbücher. 
Wenn man im Internet nach "Serien- in Parallelkreis umwandeln" sucht 
bekommt man nur Tutorials für Schwachstrom-Elektriker, die das für 1 
Frequenz lösen, und nicht nach dem Filterkonzept.

Aktuell habe ich den Schwingkreis mit Anzapfungen bei 13 - 20 - 33 - 50 
- 73 - 86 - 97 - 98.5 - 100% gemessen. Vielleicht messe ich noch 3 und 
6%. Man kann schön die zunehmende Änderung des Verhaltens sehen, aber 
bereits die oberste Anzapfung (1 Windung weniger - genauer: ich habe 
eben 1 mehr aufgebracht) verschlechtert das Verhalten dramatisch, der 
Dämpfungspol aufgrund der parasitären Spulenkapazität, der bei 22MHz 
liegt (Cp = 0.27 pF) geht auf 10 MHz runter, bei 2 Windungen von oben 
auf 7.9 MHz. Obwohl da noch kaum ein Vorteil bezüglich Belastung des 
Schwingkreises besteht.

von Josef L. (Gast)


Lesenswert?

Die Umrechnung von Tiefpass in Hochpass, Bandpass, Bandsperre steht in 
Kapitel 71 von "The Circuits and Filters Handbook", Download von
http://doc.xdevs.com/doc/_Books/OpAmp/The%2520Circuits%2520and%2520Filters%2520Handbook%2520%2528Chen-2003%2529.pdf
(falls zerbrochen, wieder kitten) - Achtung, hat 118MB!

Was ich noch suche, ist Umrechnung von T- in Π-Schaltung, aber das geht 
im Prinzip wie Tief- in Hochpass bzw. Bandpass in Bandsperre (jeweils: 
und umgekehrt), nur dass aus einem Längs- ein Querzweig wird. Also: 
Kondensator oben quer wird zu Spule von oben nach unten (und umgekehrt).

So in etwa auf
https://www.elektroniktutor.de/analogtechnik/filter.html
ziemlich weit unten unter "Eingliedrige LC-Grundketten".

von Josef L. (Gast)


Angehängte Dateien:

Lesenswert?

Hier nun die Messungen, ich bringe die in zwei Frequenzbereichen 
(0.1-1.9 und -36.1MHz), obwohl ich noch bis 100 und 640MHz gemessen 
habe. Jetzt bitte keine Diskussion, dass 3.3kΩ eine viel zu hohe Last 
für den Schwingkreis usw, untypisch etc. - ich weiß das alles und ich 
messe auch keinen Mist!
- Die Induktivität der Spule ist durch Messung mit verschiedenen 
Styroflexkondensatoren 1% zu 192µH bestimmt, was auch ganz gut mit dem 
aus Formeln oder Nomogrammen ermittelten Wert für eine Spule mit 64mm Ø 
aus 0.7 mm CuL übereinstimmt.
- Der Wert von etwa 540pF des Drehkos ergibt sich zwanglos aus der 
Induktivität und der Resonanzfrequenz von ca. 495kHz.
- Der Wert der parasitären Spulenkapazität ergibt sich aus der Resonanz 
von 22MHz mit der Spuleninduktivität.
- die Anzapfungen sind gezählt und in Prozentwerte (von 62.5 Windungen) 
umgerechnet, zu beidem bin ich gerade noch fähig

Wichtigste Erkenntnis: Schon bei einer Anzapfung von 1 Windung von oben, 
die noch überhaupt nichts bringt was die Anpassung anbelangt, ist die 
Weitabdämpfung hin! 15 dB schlechter! Bei 8 Windungen (86%), also 
Widerstandstranformation 1/0.86² ca. 1.4:1 sind MHz-breite Bereiche auf 
derselben Höhe wie die eigentliche Resonanz im MW-Bereich! Je tiefer die 
Anzapfung sitzt, umso näher wird der Dämpfungspol durch die 
Spulenkapazität sowie der danach folgende Anstieg zu niedrigeren 
Frequenzen transformiert.

Ich werde das noch quantifizieren, d.h. Induktivitäten und Kapazitäten 
der Ersatzschaltung ermitteln und zeigen, wie das zusammenhängt.

Abhilfemöglichkeiten:
- keine Anzapfung! Schwingkreis in Rückkopplungsaudion!
- wenn Anzapfung: - Spule mit extrem niedriger Eigenkapazität
                    (Korb, Wabe, ...)
                  - oder Tiefpass im Eingang,
                    der Frequenzen > 1.6 MHz sperrt

von Josef L. (Gast)


Angehängte Dateien:

Lesenswert?

Hatte die Grafiken vergessen, und nachträglich anhängen wird mit 
"Internal Error" quittiert...

von Josef L. (Gast)


Angehängte Dateien:

Lesenswert?

Auch wenn ich wieder mal den Alleinunterhalter gebe - Edi wird arbeiten 
oder von meinen Simualtionen genug haben - die während EM-Fußball 
nebenher gelaufenen Rechnungen. Bild 1 ist die Simulation von Bild 1 vom 
letzten Beitrag, Bild 2 vereint die beiden weiteren. Gerechnet mit Güte 
unendlich, d.h. Schwingkreis ohne Verluste (sieht man daran, dass im 
Bild 1 der Messungen die drei schmälsten Resonanzkurven nicht bis 
-36.5dB hochgehen, während sie das in der Simulation tun. Den Widerstand 
R kann ich auch noch einfügen (Güte Q = 150-200). Ich sehe fast exakte 
Übereinstimmung in Bild 1, und in Bild 2 bis etwa 5 MHz, danach 
tendenziell, aber gestört durch Nebenresonanzen.

Das Ganze mit der Schwingkreisbeschaltung von 16.06.2021 10:40, wobei 
für den Schwingkreis einzusetzen ist (Anzapfung bei 100%):
Co = 540 pF, Lo = 192 µH, Ls = 0.10 µH (mit Co = C18, Lo = L17, Ls = 
L18)

Ls ist die (parasitäre) Schaltkapazität.

Näherungsweise lassen sich die gemessenen Kurven folgendermaßen 
interpretieren, wenn man den Anzapfungsfaktor a nennt ( a = 
Windungszahl/Gesamtwindungszahl):

L17 = a² * Lo, C18 = Co * L17 / Lo, L18 = Ls + L17  2  (1 - a)²

Wobei die Formeln für L17, C18 einfach bedeuten, dass als effektive 
Kreisinduktivität NUR die Induktivität der Teilspule bis zur Anzapfung 
zählt, und die Kreiskapazität entsprechend hochtransformiert wird. Die 
Formel für L17 ist nur eine Näherungsformel, kommt aber auf 10% hin. C18 
ist trivial, da die Resonanzfrequenz von Lo*Co abhängt, das Produkt mus 
also konstant sein.

Bei der Formel für L18 bin ich noch nicht ganz sicher, ich finde 
nirgends eine entsprechende Herleitung! (1 - a)² ist der Faktor für die 
Teilkapazität der restlichen Spulenwindungen, aber wieso Faktor 2? Da 
muss ich im Internet nochmal tiefer graben.

Es sieht jedenfalls danach aus, als ob sich die Spule mit Anzapfungen so 
verhält, als wäre die Teilinduktivität bis zur Anzapfung die wirksame 
Kreisinduktivität, und der Rest der Spule wird ebenfalls als eigene 
Spule gewertet, mit den restlichen Windungen als wirksame Spule, und 
anteilig mit a² reintransformiert - wirkt sozusagen exakt so wie eine 
drastisch erhöhte parasitäre Induktivität! Maximum ist wegen a*(1 - a) 
bei 50% Anzapfung, in diesem Fall lauten die ermittelten Werte fürs 
Ersatzschaltbild:

L17 = 54 µH, C18 = 2160 pF, L18 = 23.5 µH

weil es halt nicht exakt 50% sind. Man sieht aber bei den Messungen 
auch, dass die Kurven mit 50% bis 18 MHz am höchsten liegen (Bild 2).

Zurücknehmen muss ich das mit der parasitären Spulenkapazität, die hat 
für die generelle Kurvenform keinen Einfluss, allenfalls für die 
Nebenmaxima ab 10 MHz. Ob und wie sich die tatsächlich vorhandene 
Leitungsinduktivität - hier 0.10 µH - tatsächlich transformiert, weiß 
ich noch nicht. Es könnte ja einer, der schon immer über alles Bescheid 
wusste, helfen, aber sicher hat er vor 1852 Beiträgen den entscheidenden 
Hinweis geliefert und redet seither nicht mehr mit uns.

von Edi M. (edi-mv)


Lesenswert?

Josef L. schrieb:
> Auch wenn ich wieder mal den Alleinunterhalter gebe - Edi wird arbeiten
> oder von meinen Simualtionen genug haben

Beides richtig, ich bn weit weg von zu Hause. und von Simulationen halte 
ich wenig, richtig.
Zudem habe ich keine angezapfte Spule in meinen Geräten. Ich hatte 
lediglich testweise den Detektor an eine nicht benutzte (Rückkopplungs-) 
Wicklung angeschlossen, was erwartungsgemäßß eine höhere Trennschärfe 
bei wesentlich geringerer NF- Ausgangsspannung brachte. Eine 
WObbelmessung mit Frequenzen bis 30 MHz habe ich dazu nicht 
durchgeführt, da ich keine Probleme hatte, die Bandbreite ist am oberen 
BAndende der MW und LW eben höher, wie zu erwarten, aber nicht extrem 
breit, und STörungen durch Kurzwelensender habe ich keine feststellen 
können.

Spule mit Anzapfung kann ich am Wochenende evtl. machen, und meinem 
Wobbler anwerfen, der kann ja ebenfalls bis in den UHF- Bereich 
arbeiten.

von Josef L. (Gast)


Lesenswert?

Danke, Edi, für die unaufgeregte Antwort. Um der Sache weiter 
nachzugehen, werde ich jetzt dasselbe mit einer 7mm-ZF-Spule mit 
eingebautem Kondensator und Anzapfung testen sowie mit einem 
selbstgewickelten Ringkern mit Anzapfung. Dann habe ich die minimal 
mögliche Verdrahtung, also Schaltinduktivität und kann genau sehen, 
woran es liegt. Außerdem geht es bei den Spulen mit Kern sehr exakt nach 
der n²-Regel beim Induktivitätswert, während die Luftspule ja gerade an 
den Enden, wo die Anzapfungen sitzen, ein schwächeres Feld hat und die 
Formel nicht exakt gilt.
Wenn es aber tatsächlich so sein sollte, dass eine Anzapfung bei 50% so 
wirkt, als hätte man die Spule über 25m Drahtleitung angeschlossen - 
wobei die nicht als Antenne wirken sondern so, als ob sie in einem 
Faraday'schen Käfig liegen - dann macht das wenig Sinn: Zwar ist die 
Trennschärfe im MW-Bereich dann besser, dafür ist der ganze KW-Bereich 
ungefiltert offen.

Aber ich teste erstmal die kleinen Spulen.

von Josef L. (Gast)



Lesenswert?

Hier erstmal die Messkurven, gemessen wieder mit einem Ende des 
Schwingkreises an Masse, und der andere Anschluss mit je 3k3 an 
Generatorausgang bzw. Messeingang (vom nanoVNA).

Gemessen wurde zwei ZF-Filter mit eingebautem Schwingkreiskondensator: 
ein 7mm/10.7MHz sowie ein 10mm/455kHz:
Rot: Messung am heißen Ende (kompletter Schwingkreis)
Grün: Messung an Anzapfung, weniger Windungen zum kalten Ende
Blau: Filter gedreht, Messung an Anzapfung mit mehr Windungen

Die Messbereiche sind etwa so gewählt (ich habe nicht neu kalibriert, 
daher mit den vorhandenen abgespeicherten Bereichsgrenzen vorlieb 
genommen), dass sie in etwa dasselbe bei den beiden Filtern zeigen. Wie 
zu erwarten ist die rote Kurve im Resonanzmaximum die höchste und 
breiteste, und es gibt einen konstanten Abfall bis zum Dämpfungspol mit 
der Schaltungsinduktivität (das sollten etwa 4cm sein). Die grüne Kurve 
mit der Anzapfung bei wenigen Windungen ist schmäler, aber tiefer, die 
Blaue mit umgekehrtem Windungsverhältnis liegt dazwischen.

Wie schon bei der Messung der Detektorspule rauscht aber bei den 
Anzapfungen der Dämpfungspol sehr nahe an die Resonanzfrequenz heran, 
und danach steigt es steil an. Beim 455kHz-Filter zwar nicht so hoch wie 
bei der Detektorspule, beim UKW-Filter aber schon.

von Josef L. (Gast)


Angehängte Dateien:

Lesenswert?

Die Filterdaten habe ich jetzt auch, das 455k-Filter mit einem 
Parallel-Styroflex 750p/2.5% sowie das 10.7M mit 30 und 83pF, Ergebnis:
455k: 348µH/197pF, parasitäre Induktivität 26.6nH
10.7M: 3.60µH/55pF, parasitäre Induktivität 28.3nH
Der "Parasit" sind die ca. 3 cm Draht zwischen den Anschlüssen, siehe 
Bild.

Die nicht ganz tabellenmäßigen Resonanzfrequenzen von 604kHz bzw. 
11.3MHz resultieren daraus, dass jeweils der Ferritkern bis zum Anschlag 
ans Abschirmgehäuse herausgedreht war, ich hab das so gelassen nachdem 
ich die ersten Messungen im Kasten hatte, die Frequenzen sind ja an sich 
egal.

von Edi M. (edi-mv)


Lesenswert?

Josef, es heißt nicht umsonst: "wer viel mißt, mißt viel Mist !".

Die Messergebnisse an der großen Spule mit zahlreichen Anzapfungen sind 
schon bemerkenswert, so hohe Werte häte ich nicht erwartet.

Ist aber auch nicht unbedingt unerklärlich- wenn man den Aufbau mit den 
Drähten zum Umschalter sieht, erkennt man leicht, daß man ein 
Ersatzschaltbild aus mehreren Schwingkreisen malen kann- der Kondensator 
jeweils einige Spulenwindungen, zusemmen mit "ihrem" Abgriff- Draht als 
Schwingkreiskondensator. Ähnliche Erstzsachaltbilder gibt es ja auch für 
Antennen.
So findet man eben etliche Resonanzen im MHz- Bereich, eigentlich 
parasitäre Resonanzen.

Vermute ich jedenfalls.

So verwundert es nicht, daß manche Hersteller auf Anzapfungen 
verzichteten, und anstelle dessen dann Spulenschwenker/ Spulenkoppler 
und Variometer verwendeten, oder versuchten, möglichst verlust- und 
kapazitätsarme Aufbauten hinzubekommen.

Es lohnt sich vielleicht, das Phänomen weiter zu untersuchen, und andere 
Aufbauten zu versuchen, verlustarme Spulenkörper, kapazitätsarmer 
Aufbau, usw.

Ich hatte keinen negativen Effekt, weil ich keine Anzapfungen habe.

Und Abhilfe kann ja auch mit schaltungstechnischen Maßnahmen geschaffen 
werden, falls die Weitabselektion an Ihrem Standort so fiese Störungen 
gibt- Bandpaß, Sperr-/ Leitkreis, solch ein Detektor ist z. B. von VE7SL 
gebaut worden, aber der ist dann eben nicht mehr 1- kreisig, und besitzt 
jede Menge Abstimmittel.

Hier zu finden (etwa Mitte Seite):

http://edi.bplaced.net/?Edi%60s_Specials___Special%3A_Detektorempfaenger_und_ihre_Schaltungstechnik-_Schaltungssammlung___Kristall-_Detektor-_Empfaenger-_Schaltungen_und_Bilder%2C_Teil_2

Wie geschrieben, ich werde Messungen machen- allerdings müßte ich ja 
dann einen ähnlichen Aufbau erstellen, um die Schaltkapazitäten 
hinzubekommen.

Ein Empfänger mit nur 1 Abstimmkreis auf Höchstleistung zu trimmen,
ist eben nicht so einfach.

Ich empfehle für weitere Versuche einen geeigneten NF- Übertrager, um 
die Schwingkreisbelastung zu minimieren, auch das kann helfen, auf 
Anzapfungen zu verzichten.
Ich hatte ja 2 in Detektorfreunde- Kreisen bekannte Trafos genant, den 
KPB-2, den ich verwende, einen Trafo von Bogen, oder alternativ ein 
hochohmiger Widerstand, etwa 100 KOhm, über dem deinen hochohmigen 
Verstärker- Eingang, oder auch ein spezieller hochohmiger, 
hochempfindlicher Kopfhörer ("sound powered") oder Kristallhörer.

von Josef L. (Gast)


Lesenswert?

Edi M. schrieb:
> wenn man den Aufbau mit den Drähten zum Umschalter sieht

Luft raus, Edi: Die gezeigte Messung ist komplett ohne die Umschalter, 
lediglich mit den Verbindungen von der Spule zu Masse und zum Drehko! 
Beides sind etwa 10 cm und liegt zum Teil noch im Nahfeld der Spule. 
Alle Anschlüsse zu den Anzapfungen waren gekappt, und zum Messgerät 
immer nur 1 Anzapfung sowie ein Spulenende angeschlossen, jeweils 
weniger als 8 cm.

Mittlerweile glaube ich aber schon, dass dieser Anstieg im KW-Bereich, 
bzw. die verursachende hohe parasitäre Induktivität, wohl doch eher von 
den Schaltinduktivitäten herrührt, nur wie?

Die Daten des 455k-Filters mit Anzapfung habe ich jetzt beisammen, und 
zwar:

Anzapfung von unten: L=36µH, damit Anzapfungs-Faktor a = √(348/36) = 
0.32, die Kapazität transformiert sich auf C=1904pF, und die parasitäre 
Induktivität beträgt 1.17µH, wobei der noch ein R = 130Ω 
parallelzuschalten ist.  Für die Spulengüte sind den 36µH noch 1.3Ω in 
Reihe zu schalten.

Masse am anderen Ende bedingt a = 1- 0.32 = 0.68, damit C = 348µH * 
0.68² = 160µH und genau das zeigt die Simulation auch. Hier 
transformiert sich C=428.5pF, und ich bekomme eine parasitäre 
Induktivität von 0.94µH mit R=150Ω parallel; zu den 160µH in reihe 5.5Ω.

Der Schwingkreis am heißen Ende hat wie gesagt L=348µH (mit 12Ω in 
Reihe) und C=197pF, parasitär 28.3nH (50Ω parallel).

Diese Daten geben die Messungen bis etwa 20MHz ganz gut wider, danach 
flacht die Simulation ab, während in der Realität die Durchlasskurve 
etwas weiter ansteigt. Das liegt aber daran, dass es ein sehr einfaches 
Modell ist und die Verluste auch frequenzabhängig sind, was nicht 
berücksichtigt wurde.

Jetzt muss ich nur noch klären, wie sich die parasitären Induktivitäten 
berechnen, dazu habe ich ja auch noch die Daten des 10.7-MHz-Filters und 
die der Detektorspule.

von Edi M. (edi-mv)


Lesenswert?

Sie machen sich Gedanken um Schen, die eigentlich gar nicht so relevant 
sind.
Jede Spule, jedes Filter mit dem irren Frequenzbereich des Nano 
befeuern, möglicherweise mit unrealen Pegeln... wozu ?
üblicherweise werden Filter und Spulen in realen Schaltungen nicht mit 
diesen Freqenzen befeuert- dafür sorgt man ja zweckmäßigerweise in der 
Vorselektion. Bei einfachen Geräten reichten die genannten Maßnahmen, 
Sperr- und Leitkreise, wenn es durch starke Sender nötig war- die gibt 
es ja heute kaum noch.

So ganz sinnlos sind die Meßorgien aber nicht- Interessant für den 
Detektor wäre ein Vergleich verschiedener Wickelarten: Kreuzwickel, der 
soll ja besonders kapazitätsarm sein, Korbbodenspulen, Honigwabenspulen, 
kleine Kern- Bauformen und natürlich einlagige Zylinderspulen.
Das ist ja eine Sache, die mit der Auflösung des Nano gut darstellbar 
sein sollte.

Die Messungen im oberen Kurzwellenbereich erachte ich als kaum nötig, 
und ohne Anzapfungen scheinen ja auch keine solche Resonanzen zu 
entstehen.
Oder vllt. mit einer Anzapfung, sagen wir bei 1/3., um einen Vergleich 
zu haben, denn jeder nachvollziehen kann.

Zwecks Vergleichbarkeit schlage ich vor, die damals übliche Antennen- 
Nachbildung zu verwenden, ich habe mir die in ein altes ZF- Filter 
eingebaut- diese bildet die damals üblichen Langdrahtantennen ab, und 
paßt damit den niedrigen Ra des Wobblers an den Empfängereingang an.

von Josef L. (Gast)


Lesenswert?

Edi, es sind keine (Meß)Orgien. Da hätte meine Frau was dagegen :-)

Das läuft alles so neben dem Einleben ins Rentnerdasein so nebenher. PC 
auf dem Wohnzimmertisch, freier Blick zum TV. Momentan 28°C innen und 
31° außen.

Das nanoVNA tut schon was es soll, man muss nur die Grenzen kennen. 
Genauso wie es die Simulation tut. Dass alles seine Richtigkeit hat 
sieht man ja daran, dass sich die Messungen schon zum Großteil durch die 
einfache Ersatzschaltung erklären lassen. Ich habe jetzt nochmal im Web 
nach "Anzapfungen" und "Spartrafo" gesucht, bei letzterem taucht in 
wikipedia ganz weit unten eine Ersatzschaltung auf, allerdings völlig 
unkommentiert. Da muss ich vielleicht in den Fußnoten schauen, und die 
gibt es dann nur auf Papier in der Unibibliothek, und die ist 
geschlossen :-(

Die nehmen halt nicht das Anzapf-Verhältnis sondern das 
Übersetzungsverhältnis ü, aber ich schaue mal ob ich mit dieser 
Information die Bauteilewerte so berechnet bekomme wie sie gemessen 
wurden.

Fakt ist: Es wurden vor 100 Jahren Geräte mit ähnlich ausufernder 
Verdrahtung, vielen Anzapfungen und Umschaltern gebaut. Waren die Mist 
oder was haben die getan, um parasitäre Induktivitäten von über 10% der 
Spulenkapazität zu vermeiden? Das 455k-Filter hat mit der Anzapfung nur 
1/3 % Schaltkapazität! Klar ist: höhere Kreisinduktivität ist von 
Vorteil, weil dann von vorneherein das Verhältnis der Induktivitäten 
günstiger ist.

von Josef L. (Gast)


Lesenswert?

Auf meiner Suche nach Literatur zu "Spartransformator! bin ich auf 
folgende lesenswerte Publkation gestoßen, die ich in dieser 
Beitragsfolge noch nicht gefunden habe:

https://www.ak-modul-bus.de/cat/documentation/Detektor-Manual_DE_V.0.1.8.pdf

Hier werden alle Teile eines Detektorempfängers einzeln besprochen und 
Hinweise zur Dimensionierung gegeben. Wenn mir auch Einzelnes nicht so 
gefällt bzw. ich gerne einige Anmerkungen geben würde, kann ich es 
empfehlen!

Es wird zB willkürlich ein Unterschied von 50% als Minimum zwischen 
Durchlass- und Sperrstrom für Eignung als Detektor bei einer Diode 
gesetzt, was mir nicht ganz einleuchtet, aber dynamischer Widerstand und 
Anpassung sind gut erklärt. Von Anzapfungen wird abgeraten, besser sei 
korrekte Anpassung an den Schwingkreis. Damit wären ja meine aktuellen 
Probleme beseitigt, nur was mache ich dann mit den Löchern in der 
Frontplatte ;-)

von Edi M. (edi-mv)


Lesenswert?

Josef L. schrieb:
> Hier werden alle Teile eines Detektorempfängers einzeln besprochen und
> Hinweise zur Dimensionierung gegeben. Wenn mir auch Einzelnes nicht so
> gefällt bzw. ich gerne einige Anmerkungen geben würde, kann ich es
> empfehlen!

Ich habe das auch schon gelesen.

> Es wird zB willkürlich ein Unterschied von 50% als Minimum zwischen
> Durchlass- und Sperrstrom für Eignung als Detektor bei einer Diode
> gesetzt, was mir nicht ganz einleuchtet, aber dynamischer Widerstand und
> Anpassung sind gut erklärt.

Wie das mit den Detektoren und Dioden funktioniert, haben WIR doch nun 
gefunden- in dem PDF kommen die nah ran, interessant wäre der Bereich 
UNTER den Werten, die dort angegeben sind- auch da gibt es ja einen 
-geringen- Unterschied der Durchlaß- und Sperrströme, der aber immer 
noch eine Gleichrichtung ermöglicht.
Die Kunst beim Detektor ist, mit dem verfügbaren Material das Mögliche 
zu erreciehn. Das machte man vor 100 Jahren schon hervorragend.

Selbst der Detektor selbst hat ja bereits Einfluß auf die Trennschärfe, 
wie Prof. Rudolph schon beschrieb:

https://www.radiomuseum.org/forum/die_trenneigenschaften_des_empfangsgleichrichters.html

Und eine Auswahl an Detektoren/ Dioden ist unbedingt ratsam, weil selbst 
innerhalb einer Diodentype schon Unterschiede feststellbar sind. Wie 
beschrieben, haben Kristalldetektoren und die Uralt- Spitzendioden der 
50er/ 60er da die Nase vorn.

 Von Anzapfungen wird abgeraten, besser sei
> korrekte Anpassung an den Schwingkreis. Damit wären ja meine aktuellen
> Probleme beseitigt, nur was mache ich dann mit den Löchern in der
> Frontplatte ;-)

Ich schrieb ja- andere Hersteller nutzten Spulenschwenker und 
Variometer.
muß man aber alles nicht- wenn Sie Probleme durch ihre Schaltungsart und 
starke Sender haben, sind die sicher auch lösbar, eben so wie man das 
auch damals schon bewerkstelligte, Sperr-/ Leitkreise, angepaßte 
Antennen, usw.
Komplett umschaltbare Fest- Spulen sind eine Möglichkeit- es gibt viele 
Möglichkeiten, kapazitätsarme Kreise und Selektionsmittel zu verwenden 
und vor den Detektor zu bringen- die aufwendigen kommerziellen 
Detektorempfänger zeigen es ja.

Wird ein heißer Arbeitstag heute, die Werkstatt zu Hause ist unter dem 
Dach, sicher aufgeheizt- morgen soll es im Norden etwas kühler werden, 
evtl. Regen- da werde ich vielleicht noch zu Messungen kommen.

von Josef L. (Gast)


Lesenswert?

Edi M. schrieb:
> Wird ein heißer Arbeitstag heute

Dem und allem anderen was Sie geschrieben haben kann ich nur zustimmen. 
Wir haben gerade innen und außen 26.0°, die Vorhersage gibt 32°, und 
Regen/Gewitter erst ab Sonntag. Bei Ihnen soll es heute und Sonntag noch 
heißer werden als bei uns - verdrehte Welt!

Mit der Berechnung, wie sich diese parasitäre Induktivität berechnet bin 
ich noch nicht weitergekommen, und das 10.7MHz-Filter verhält sich auch 
nicht ganz so formelmäßig exakt wie das 455k-Filter. Die Filterfrequenz 
ist eben selbst schon in dem Bereich, in dem bei der Detektorspule 
Probleme auftreten. Trotzdem kommt es quantitativ etwa hin.

Filter gesamt gemessen L=3.60µH, C=55pF, Ls=26.6nH zeigt ziemlich genau 
die Messkurve. L=0.27µH, C=733pF, Ls=150nH folgt der Messkurve an der 
Anzapfung. Damit ist das L-Verhältnis 0.075 und das Anzapf- bzw. 
Windungszahlenverhältnis √0.075 = 0.27

Das Filter vom Anzapf zum anderen Ende gemessen wäre dann ein Verhältnis 
von 1 - 0.27 = 0.73 und ein Induktivitätsverhältnis von 0.73² = 0.53, 
man würde L=0.53 * 3.6µH = 1.9µH erwarten, beste Übereinstimmung ergibt 
aber
L=2.2µH, C=104.3pF, Ls=110nH.

Die Ls sind der Messung entnommen, sie ergeben sich ja direkt aus dem 
ermittelten Wert für L und der Frequenz des Dämpfungspols, genauer 
gesagt dem Frequenzverhältnis Dämpfungspol:Resonanzfrequenz nach der 
Formel

Ls = L / ((fp/fr)² - 1)

So kann man es aus der Messung ablesen - nur warum fp bei dieser 
Frequenz liegt bzw. Ls diesen Wert hat, das ist mir noch schleierhaft.

von Karl B. (gustav)


Lesenswert?

Josef L. schrieb:
> Die nicht ganz tabellenmäßigen Resonanzfrequenzen von 604kHz bzw.
> 11.3MHz resultieren daraus, dass jeweils der Ferritkern bis zum Anschlag
> ans Abschirmgehäuse herausgedreht war...

Hi,
was mir insbesondere bei den 7,5 mm- und 10 mm- Filterspulen auffiel, 
dass die Kopplung nicht unabhängig vom Resonanzoptimum verstellt werden 
kann.
Diese Filtersätze sind auf die jeweilige ZF bzw. ihren Oszillatorbereich 
von Hause aus bereits vorabgeglichen. Nur ein geringfügiges Nachgleichen 
über den Kern ist IMHO erforderlich.
Das merkt man besonders bei der Oszillatorspule, die so ausgelegt ist, 
dass eine Frequenzverstellung von mindestens 1:2 nur über die 
Parallelkapazität (Drehko) erreicht werde soll.
Beim Selberwickeln einer Spule für niedrigere Frequenzen hatte ich 
massive Probleme, die sich so äußerten, dass die Schwingung des 
selbstschwingenden Mischer/Oszillators gegen Bandende abriss, oder die 
Schaltung zum Sperrschwinger wurde am anderen Bandende.
Es hat sicher seine Gründe, wieso die Empfänger früher solche Filter 
verwendeten, mit deren Anordnung die "Kopplung" auch noch (besser) 
einstellbar gemacht wurde.
http://www.schulheft-ottakring.eu/vane/Schule/Unterrichtsmittel/HFT/Laborbuch/ZF-Bandfilter.pdf
Evtl. kann man damit experimentieren und zu besseren Empfangsergebnissen 
kommen.

ciao
gustav

von Josef L. (Gast)


Angehängte Dateien:

Lesenswert?

@gustav
Die Kopplung hat bei meiner Messung ja zum Glück keine Rolle gespielt, 
weil ich nur die Seite mit dem Schwingkreis gemessen habe. Ich habe das 
nochmal im Schaltplan oben verdeutlicht. Koppelwicklung bleibt offen, 
Schwingkreis immer oben und unten mit demselben (im Filter verbauten) 
Kondensator abgeschlossen, und zwischen dem jeweils herausgeführten 
Anschluss und Masse gemessen, also der Verbindung von 
Generator:Messgerät parallelgeschaltet, mit jeweils 3.3k 
Innenwiderstand.

Anmerkung: Höher wollte ich nicht gehen, weil das bezüglich 50 Ohm schon 
36dB Dämpfung sind und die Dynamik des nanoVNA bei Mittelung über 2 
Messungen nur etwa bis -85dB geht, wenn man bei 1000 Frequenzen misst. 
Bei Mittlung über 20 Messungen dann 10dB genauer, aber halt auch 10x 
längere Messdauer pro Frequenzgang. Daher ginge es auch mit 10k oder 33k 
Innenwiderstand, mit entsprechend längerer Messdauer. Da ich kein 
Produktionsbetrieb mit Zeitdruck bin, könnte ich das natürlich machen. 
Da wäre es schön, wenn das Programm nach Messung eines Frequenzgangs 
anhalten und Klingeln würde, tut es aber nicht, es überschreibt die 
Messung mit einer neuen usw.

von Edi M. (edi-mv)


Lesenswert?

So, wieder zu Hause. Einen Vorteil hatr die Hitze: Das Auto ist 
leichtgängig, der Verbrauch weitaus geringer, als bei kühleren 
Temperaturen. Als ich noch mit dem (3- Zylinder-) Zweitakter herumdüste, 
war das noch andersherum- bei kühler Luft  ging der richtig ab, und war 
auch wesentlich sparsamer.

Ich mache heute abend noch Messungen.

Ich wage mal eine Voraussage: Ich denke, die "Kurve nach unten" wird 
nicht so tief abfallen, die kann ich mir auch nicht wirklich erklären.
Die höheren Frequenzen werden wohl durchschlagen, aber mit 
Antennennachbildung ebenfalls nicht so hoch, da ja auch die Antenne Teil 
der Selektion ist.
Ein rein ohmscher Widerstand 3KOhm zwischen Generator und 
Detektorempfänger... das halte ich nicht für die Methode, das bildet 
nicht annähernd eine Antenne ab- die Antennennachbildung hatte schon 
einen SInn, und wurde darum recht einheitlich verwendet.

von Josef L. (Gast)


Lesenswert?

Edi M. schrieb:
> Ein rein ohmscher Widerstand 3KOhm zwischen Generator und
> Detektorempfänger

Das soll auch niemand für einen Test am echten Detektor nachmachen! Für 
die Simulation mit Antennen-Ersatzschaltung auch nicht, aber da würde 
ich eben den Ausgang, wo NF gemessen wird, mit dem Widerstand des Hörers 
abschließen. Wie realistisch es ist, sozusagen an der Antennenspitze mit 
50 oder Null Ohm einzuspeisen weiß ich nicht. Bei der Messung des 
Schwingkreises einzeln habe ich das nur gemacht, um die Daten des 
Schwingkreises bei 3.3k Last zu bekommen. Jetzt kann ich die 
Eigenschaften bei beliebig gewählten Lastwiderständen ansehen und 
quantifizieren. Ich kann auch die Antennennachbildung davorsetzen, nur 
ist die halt nur bis etwa 7 MHz brauchbar. Danach bekomme ich - wegen 
der Länge 13m - entsprechende Minima, die Messkurve habe ich ja schon 
gezeigt, zuletzt 15.06.2021 21:12. Da wird alles von 7-11 MHz 
durchgelassen, also 41 und 31 m-Band.

von Edi M. (edi-mv)



Lesenswert?

Josef L. schrieb:
> Das soll auch niemand für einen Test am echten Detektor nachmachen!

Auch nicht am "unechten Detektor".

Ich habe einen Aufbau erstellt, und mit dem richtigen Meßequipment 
durchgezappelt.
Mit Antennennachbildung- es ist ja ein realer Empfänger, also sollte er 
die kriegen.
Detektor ist der geräteeigene Detektor des Wobblers. Ich erwarte keine 
größeren Unterschiede bei Verwendung einer guten Diode.
Spule: 60 Wdg., Durchm. 65 mm, Kunststoff- Spulernkörper, das ist 
irgendein Klempner- Teil, Anzapfungen bei 20 und 40 Wdg.
Drehko: Radiodrehko 500 pF, Uralt- Neuteil.

Wie erwartet- es gibt weitere Resonanzen, aber weit unter dem, was Ihre 
Meßaufbauten und Simulationen zeigen.
Vor allem die Spitze nach unten, direkt hinter der Hauptresonanz- das 
habe ich bei korrektem Wobbelhub überhaupt nicht. Die ist auch absolut 
unlogisch.
Wie entsteht sowas ? Ganz einfach: Der Schwingkreis wird durch hohen Hub 
einfach "überfahren".
Die Einspeisung über den ohmschen Widerstand kann auch dazu beitragen.

DIe Ergebnisse des Nano spiegeln nicht die Realität, und sind m. E.- 
Meßfehler.

Ich weiß nicht, ob das an Ihrem Nano liegt- die Kurven des Uralt- 
Equipments sind jedenfalls so, wie ich sie erwarte, lehrbuchmäßig und 
plausibel.

Fotos:
DSCI0214 Aufbau, links oben AnNtennenachbildung

DSCI0227 Schwingkreis, Antenne und Detektor am oberen Ende der Spule, 
Hub volle 50 MHz

DSCI0229 weiter aufgelöst, um die 1. Marke, 1 MHz, die mkleine Kurve 
links ignorieren, die EMK- Linie (oben) hat eine Nullstelle (die 
Schwebung, F ausg = 0 Hz), alles rechts der Nullstelle ist Meßergebnis.
Die Resonanz ist durch die Kapazitäten von Einspeisuzng und Detektor 
tief, etwa 500 KHz.

DSCI0218 Schwingkreis, Antenne und Detektor an 20 Wdg.- Anzapfung, Hub 
volle 50 MHz
Resonanz bei 1 MHz aufgehellt, wegen der schnellen Umschaltung zweier 
Kurven, der EMK und der Meßkurve, hat der Fotoapparat Schwierigkeiten, 
beide voll hell zu erfassen.

DSCI0222 weiter aufgelöst, um die 1. Marke, 1 MHz

von Josef L. (Gast)


Lesenswert?

Edi, was zeigen die Bilder jeweils: Spannung oder dB?

Die Kurven vom nano sind in dB, und 40dB unter Maximum wäre 1/00, das 
wäre in linearer Darstellung nicht von der Grundlinie zu unterscheiden. 
Und ein Nebenmaximum 10dB oder 20dB unter der Hauptresonanz läge bei 30 
bzw 10% vom Maximum, schaut also nach sehr wenig aus!

von Edi M. (edi-mv)


Lesenswert?

Josef L. schrieb:
> Edi, was zeigen die Bilder jeweils: Spannung oder dB?

In dB.
Aber das ist ja nun wirklich Rille... wenn der Nano Kurven in nahezu 
Höhe der Resonanz anzeigt, dann sind die eben in V, dB oder sonstwas 
nahezu gleich hoch.
Wenn kleinere Werte künstlich vergrößert werden, um sie sichtbar zu 
machen,,, kann für einige Untersuchungen nützlich sein, hier ist es eine 
nutzlose Einstellung.

Solche Tricks mit der Normierung findet man öfter, besonders in 
Abhandlungen über Bandbreite... ein Empfänger empfängt aber real, nicht 
normiert.

Die Spitze der Resonanzkurve ist etwa 30 dB über der kleineren Anhebung 
bei 8 MHz im 3. Bild.
Resonanzspannung etwa 100 mV (Spitzenspannung).

Ich werde auch noch Audio/ Videoaufnahmen vom Betrieb mit/ ohne 
Anzapfung machen, aber wohl nicht mehr heute.

von Josef L. (Gast)


Angehängte Dateien:

Lesenswert?

Edi M. schrieb:
> DIe Ergebnisse des Nano spiegeln nicht die Realität, und sind m. E.-
> Meßfehler.

Mit Sicherheit nicht, auch wenn es kein Uralt-Equipment ist! Ich glaube 
fast, ich muss mir woanders Beistand holen, hier sind einfach zuwenig 
Leute unterwegs die das gerät kennen und würdigen können.

Edi M. schrieb:
> so, wie ich sie erwarte, lehrbuchmäßig und plausibel.

"Lehrbuchmäßig" ist immer verdächtig, es gibt keine lehrbuchmäßigen 
Meßergebnisse mit einem realen Aufbau! D.h. die gibt es schon, wenn man 
alle parasitären Effekte berücksichtigt. Und die sind sicher da - Ihre 
Spule und die Verdrahtung sind meinem Aufbau ja sehr ähnlich. Da ist 
eine parasitäre Leitungsinduktivität von bestimmt 0.1µH vorhanden, und 
die sollte zu einem Dämpfungspol ähnlich wie bei mir im höheren 
2-stelligen MHz-Bereich führen! Das ist nicht wegzudiskutieren! Die 
liegt bei meiner Messung aber 60dB unter der Resonanz, und selbst bei 
100MHz ist der Anstieg danach noch 40dB unter der Resonanz. Aber nur die 
komplette Spule, nicht mit Anzapfung.

Sobald Sie eine Anzapfung machen, ist die wirksame 
Schwingkreisinduktivität nur noch die zwischen Anzapfung und Erde, und 
das Verhältnis zur parasitären Induktivität wird kleiner, folglich 
wandert der Dämpfungspol näher an die Resonanzfrequenz. Zumindest ist 
das meine Sicht. Wenn Sie keine Dämpfungspole sehen, ist Ihr Equipment 
nicht empfindlich genug. Das nanoVNA kann bis -100dB, also 1/100000 der 
Maximalspannung messen, wenn man etwas Zeit mitbringt. Ich kann die 
Messkurven mit nur 3-4 Bauteilen zwanglos erklären - nur nicht, warum 1 
von den 4 Bauteilen seinen Wert hat.

Im Bild sind die Messungen zusammen mit unterlegten Kurven aus der 
Nachbildung des Schwingkreises mit parasitärer Induktivität. Mehr 
Übereinstimmung kann man doch zwischen Messung und Rechnung nicht 
fordern?

von Edi M. (edi-mv)


Lesenswert?

Josef L. schrieb:
> ! Ich glaube
> fast, ich muss mir woanders Beistand holen, hier sind einfach zuwenig
> Leute unterwegs die das gerät kennen und würdigen können.

Ja, ich denke das auch.
Allerdings ist das hier keine Beitragsfolge zum Thema Nano.
Und zu den Themen  Schwingkreise/ Filter, Meßtechnik und Anwendung des 
Nano sollten Sie sich etwas einlesen, mit Sicherheit gibt es Hinweise zu 
Zubehör und Meßaufbauten.

von Josef L. (Gast)


Lesenswert?

Alles gut, aber die Messerbgebnisse sind ja überhaupt nicht 
vergleichbar. Ich hatte natürlich zuerst auch den kompletten Detektor, 
aber wegen mangelnder Selektivität alles abgeklemmt bis zum Schluss nur 
noch die nackte Spule und der Drehko übrig war. Jeweils immer nur die 
betrachtete Anzapfung mit dem Drehko verlötet! Und nochmal zum 
Verständnis: Die 3k3 Widerstände sind KEIN Blödsinn! Der auf der 
generatorseite erhöht den Innenwiderstand der Quelle von 50 auf 3350 
Ohm, der auf der Auswerteseite erhöht deren Innenwiderstand auf 3350 
Ohm, zulasten der Empfindlichkeit, da die Grundlinie dadurch von 0dB auf 
-36dB sinkt. Die Dynamik reicht aber immer noch 60dB weit, und das ist 
für die Messungen gut genug!

Und messen will ich ausschließlich das Verhalten des Schwingkreises, 
nicht noch zusätzlich irgendeine Anpassschaltung. Obwohl man die, wenn 
die daten bekannt sind, rechnerisch mit berücksichtigen kann. Aber es 
verkompliziert die Sache nur.

Sehen Sie es doch mal so: Das Gerät misst den Schwingkreis völlig 
korrekt, sofern ich an der kompletten Spule abgreife. Wieso sollten die 
Messungen falsch sein, sobald ich eine Anzapfung von bereits 1 Windung 
unter dem heißen Ende nehme? Insbesondere, wenn auch diese Messung mit 
genau derselben Schaltung wie die Komplettspule erklärt werden kann, nur 
mit einer höheren parasitären Induktivität? Ich habe nur das Problem, 
dass ich diesen Wert noch nicht erklären kann. Qualitativ schon: Bei den 
kleinen ZF-Filtern betrug der Wert ohne Anzapfung unter 30nH, bei der 
Detektorspule aber mehr als das 3-4-fache. Bei Ihnen sehe ich noch viel 
längere Strippen bis zum Meßgerät.

Ja, was hat das überhaupt für einen Eingangswiderstand? 1 Megohm? Ich 
will's nur verstehen...

von Zeno (Gast)



Lesenswert?

Ich habe heute abend nicht gemessen, sondern an meinem großen Detektor 
weiter gearbeitet. Alle Bedienelemente und Bauelemente sind jetzt 
positioniert. Alles ist jetzt mechnisch so weit fertig.
Bei probeweisen ZUsammenbau habe ich gemerkt, daß ich beim Positionieren 
des 2-fach-Drekos und des Hauptabstimmdrekos gepennt habe und die etwas 
zu nah aneinander positioniert habe. Konnte es aber noch retten, indem 
ich beim 2-fach-Dreko die Befestigung leicht versetzt habe. Den Rest hat 
die Feile gebracht, indem ich am Gehäuseblech noch vorsichtig etwas weg 
genommen habe. Jetzt passt alles perfekt.
Jetzt wird noch mal alles auseinander genommen, damit ich die 
Holzplatten mit Schellack lackieren kann. Danach wird dann alles final 
zusammengebaut und verdrahtet.
Auf dem Grundbrett ist ja auch noch etwas Platz, so daß man z.B. noch 
einen Übertrager unter bringen könnte.
Habe mal ein Foto von vorn und von hinten mit angehangen.

von Edi M. (edi-mv)


Lesenswert?

Josef, wir finden keinen gemeinsamen Nenner, wenn Sie Ihre Ergebnisse 
schönreden.

Auch wenn Sie "ausschließlich das Verhalten des Schwingkreises, nicht 
noch zusätzlich irgendeine Anpassschaltung" wobbeln, was Sie da zeigen, 
ist alles Mögliche, nur nicht das, was zu erwarten ist. Warum das schon 
bei einere WIndung so ist, und was sonst noch... fragen Sie doch Nano- 
Experten.

von Zeno (Gast)


Lesenswert?

Josef L. schrieb:
> Mit Sicherheit nicht, auch wenn es kein Uralt-Equipment ist! Ich glaube
> fast, ich muss mir woanders Beistand holen, hier sind einfach zuwenig
> Leute unterwegs die das gerät kennen und würdigen können.
Josef keiner will Dir hier Deinen Nano madig machen, aber es besteht 
schon ein deutlicher Unterschied zwischen einem Gerät, welches speziell 
für den Abgleich eines analogen Empfängers entworfen wurde  und einem 
Vektor-Netzwerkanalysator.
Es hierbei auch völlig egal ob es sich um Uralttechnik oder neue Technik 
handelt. Das geht schon bei den Generatoren zur Erzeugung des Signales 
los. Bei Edis Gerät sind das definitiv echte Sinusgeneratoren die einen 
sauberen oberwellenarmen Sinus erzeugen. Da bin ich mir beim Nano VNA 
nicht so sicher ob das da auch so ist.
Edis Gerät wird das Messsignal auch impedanzmäßig sauber bereit stellen. 
Ich bezweifle das dies der nano auch tut. Das Manual zumindest schweigt 
sich darüber aus.
Gute Wobbler kosten auch heute noch ne Stange Geld und das hat auch 
seinen Grund.
Mit dem Nano kann man sicherlich ne Menge machen und für die meisten 
Amateurbelange ist er sehr wahrscheinlich auch ausreichend. Er wird aber 
niemals einen professionellen Wobbler ersetzen können - ist auch nicht 
Sinn und Zweck des Gerätes.

von Josef L. (Gast)


Angehängte Dateien:

Lesenswert?

Zeno, hier werden pauschal meine Messergebnisse angezweifelt, obwohl die 
mit der Simulation bis aufs i-Tüpfelchen erklärt werden können? 
Simuliere die Schaltung oben und bu bekommst den von mit mit dem nano 
gemessenen Frequenzgang! Edi redet sich heraus indem er dann auch noch 
die Simulationsergebnisse anzweifelt! Das ist doch albern! Und nur weil 
ein VNA nicht für einen ganz speziellen zweck entworfen wurde - das 
Ausmessen von Antenennanlagen, Sendern, verstärkern, Filtern IST das 
Einsatzgebiet, für das er gedacht ist!

Ich schlafe jetzt mal drüber und probiere morgen mal einige andere 
Spulen aus. Grade habe ich die mit 102mm Durchmesser genommen - die 
Ergebnisse sind noch verheerender. Allerdings mit 2x 10 cm 
Anschlussdrähten. Die kürze ich morgen noch auf 2x5 und 2x2,5 cm, mal 
sehen, ob es daran liegt. An irgendetwas muss el liegen. Ich ändere auch 
die Vorwiderstände mal auf 10k, aber - siehe oben (und Erläuterung der 
Funktionsweise einige Posts vorher) - dass es daran liegt ist extrem 
unwahrscheinlich. Bei Frequenzen ab 30MHz vielleicht, wenn es 
Kohleschichtwiderstände sind, aber sicher nicht bis 10 MHz.

Bei deinem schönen Aufbau sind die Spulen ja deutlich kleiner und daher 
die Effekte, so sie real sein sollten, nicht so gravierend.

von Edi M. (edi-mv)


Lesenswert?

Josef L. schrieb:
> Edi redet sich heraus indem er dann auch noch
> die Simulationsergebnisse anzweifelt!

Edi redet sich damit heraus, daß der Simulator mülliige Ergebnisse 
liefert, wenn man eine müllige Meßschaltung simuliert.  Immerhin ist das 
ja schon mal was.

Edi hat eine Voraussage aufgrund Lehrbuchwissen gemacht, und das Uralt- 
Equipment hat es so geliefert.
Und Josef findet;" Josef L. schrieb:
> "Lehrbuchmäßig" ist immer verdächtig, es gibt keine lehrbuchmäßigen
> Meßergebnisse mit einem realen Aufbau!

Fürwahr eine Top- Ausssage.
Nennt man "Totschlag- Argument".
Ja, da kann ich nichts mehr zu sagen.
Werde ich auch nicht mehr.

Nochmal: Das ist hier keine Beitragsfolge zum Thema Nano.
Und zu den Themen  Schwingkreise/ Filter, Meßtechnik und Anwendung des
Nano sollten Sie sich etwas einlesen, mit Sicherheit gibt es Hinweise zu
Zubehör und Meßaufbauten.

von Zeno (Gast)


Angehängte Dateien:

Lesenswert?

So ich hab jetzt mal meinen X1-48 (Russenwobbler 0,1Mhz - 100MHz) 
angeworfen. Der hat leider ein paar Startschwierigkeiten, aber nach 
30min hatte ich dann ein Bild.
Ich habe dann mal meinen kleinen Detektor angeschlossen. Das 
Ausgangssignal des Wobblers habe ich über 100pF am Antenneneingang 
eingekoppelt. Zur Demodulation habe ich die im Detektor eingebaute Diode 
benutzt, d.h. ich habe den Eingang des Wobblers direkt an den Ausgang 
des Detektors angeschlossen.
Kurz noch mal zum Aufbau des Detektors. Die Spule hat ca. 80 Windungen 
auf einem Stiefelkern mit Ferritkern (Daten unbekannt). Der Kern ist 
voll eingedreht. Als Schwingkreiskondensator dient mein 
Eigenbauquetscher 0,xxpF - 320pF. Die Gleichrichterdiode ist an einer 
Anzapfung bei ca. 25Wdg. vom kalten Ende der Spule angschlossen. Der 
Ausgang des Demodulators ist mit 500pF und 100kOhm abgeschlossen.

Zu den Wobbelbildern:
Das erste Bild ist bei maximaler Kapazität des Kondensators aufgenommen. 
Die erste Marke liegt bei 100kHz. Damit ergibt sich bei maximaler 
Kapazität eine Resonanz bei etwas über 450kHz.
Das zweite Bild ist ebenfalls mit maximaler Kapazität gemacht, das 
Oszillogramm ist nach links verschoben. Die erste Marke ist 400kHz, die 
rechte Marke am Rand ist 900kHz.
Im dritten Bild habe ich die Kapazität verringert bis fast keine 
Änderung der Resonanz mehr feststellbar war. Die Resonanzfrequenz liegt 
jetzt bei ca. 850kHz.
Auffällig war, das die Resonanzamplitude sich fast verdoppelte als ich 
die Platte auseinandergeklappt habe und somit hauptsächlich Luft als 
Dielektrikum wirkt, was zu einer höheren Güte führt. Im 
zusammengeklappten Zustand (max.Kapazität) bildet der Lack das 
Dielektrikum. Diesen Pegelanstieg kann man in den Bildern nicht sehen, 
da ich die Verstärkung des Wobblers zurück genommen habe , damit man die 
vollständige Kurve sehen kann.
Ich bin mit diesen Ergebnissen sehr zufrieden, zumal ich den Empfänger 
frei Schnauze aufgebaut habe. Da ist auch nichts optimiert, aber ich 
denke, daß sich das Ergebnis sehen lassen kann.

von Zeno (Gast)


Lesenswert?

Josef L. schrieb:
> Zeno, hier werden pauschal meine Messergebnisse angezweifelt, obwohl die
> mit der Simulation bis aufs i-Tüpfelchen erklärt werden können?
> Simuliere die Schaltung oben und bu bekommst den von mit mit dem nano
> gemessenen Frequenzgang! Edi redet sich heraus indem er dann auch noch
> die Simulationsergebnisse anzweifelt! Das ist doch albern!
Naja so ganz unrecht scheint der Edi aber nicht zu haben. Schau Dir mal 
meine Wobbelergebnisse meines kleinen Detektors an. Der hat sehr 
ausgeprägte Resonanzpunkte. Die Resonanzkurve wandert auch schön 
gleichmäßig, wenn ich den Abstimmkondensator verändere. An der Steilheit 
der Resonanzkurve verändert sich dabei fast nichts. Ich habe auch keine 
Nebenmaxima, das sieht alles komplett sauber aus und das obwohl die 
Spule eine Anzapfung hat und an dem Ding nichts optimiert wurde.

Josef L. schrieb:
> Edi redet sich heraus indem er dann auch noch
> die Simulationsergebnisse anzweifelt!
Naja - ich habs ja auch nicht so mit Simulationen, weil die halt nur so 
gut sein können wie die Modelle die dahinter stehen. Simulationen sind 
für mich eher eine Ergänzung. Wirklich brauchen tue ich sie nicht und 
nach meinen Negativerfahrungen bin ich eher skeptisch und vertraue der 
Simulation nicht blind.
Wie gesagt es dibt durchaus Dinge, wo eine Simu nützlich ist , das will 
ich gar nicht in Abrede stellen.

Josef L. schrieb:
> Und nur weil
> ein VNA nicht für einen ganz speziellen zweck entworfen wurde - das
> Ausmessen von Antenennanlagen, Sendern, verstärkern, Filtern IST das
> Einsatzgebiet, für das er gedacht ist!
Ja eben und das ist etwas anders als das Ausmessen eines Empfängers. Du 
kannst auch nicht von einem Billigteil die Leistungsfähigkeit teuren 
Messsenders/Wobblers erwarten. Der Nano VNA ist ein Bastlerteil und von 
einem Profigerät weit entfernt.

von Edi M. (edi-mv)


Angehängte Dateien:

Lesenswert?

Hier das Video vom Meßaufbau.

Das Ding funktioniert gut, sogar besser als mein Aufbau mit der DoX- 
Spule, deren Bereich geht ja nur bis etwa 1,3 MHz.
Ein Sender ist sehr stark und breit, aber im unteren MW- Bereich. Der 
Sender ist sogar ohne Antenne deutlich da.

Jetzt mit Diode GAZ16, an Anzapfung 20 Wdg.

Allerdings mit Kondensator 25 pF am oberen Schwingkreispunkt, an den 
Anzapfungen funktioniert es nicht vernünftig, da ist der Störsender 
stark da, die anderen Sender kaum zu hören, und ohne Kondensator auch 
keine Trennschärfe.

von Edi M. (edi-mv)


Lesenswert?

Zeno schrieb:
> Ich bin mit diesen Ergebnissen sehr zufrieden, zumal ich den Empfänger
> frei Schnauze aufgebaut habe. Da ist auch nichts optimiert, aber ich
> denke, daß sich das Ergebnis sehen lassen kann.

Auf jeden Fall- und die Durchlaßkurven sind auch einwandfrei.

Kann das Gerät auch höher ? Bei 1215 KHz ist "Absolute Radio", 
wenigstens ein Sender, den man gut empfangen kann- ich mag allerdings 
nicht den permanent eingeschalteten Hall bei Sprache.

von Edi M. (edi-mv)


Angehängte Dateien:

Lesenswert?

Hier noch die Skizze vom Versuchsaufbau.

Wobbelversuch mit dem eigenene Detektor des Wobblers, Empfang mit Diode, 
die Antennennachbildung ist dann natürlich abgeklemmt.
Auf einen niedrigen Lastwiderstand habe ich verzichtet- es wären 
ausgangsseitig niedrigere Pegel zu erwarten.
Da es um die Verwendung in einem Empfänger geht, habe ich eine korrekte 
Antennennachbildung und einen Detektor/ Diode verwendet- "den 
Schwingkreis allein messen" ist hier Quark.

Ich habe alle Varianten der Anzapfungen und Einspeisung probiert, diese 
erwiesen sich als beste Varianten.
In keinem Fall gab es extrem hohe Resonanzen oder Einbrüche auf höheren 
Frequenzen.

Wie nicht anders zu erwarten, ist das Herangehen an den Hochpunkt des 
Schwingkreises mit dem Nachteil verbunden, da der Schwingkreis durch die 
Antenne verstimmt, sowie durch Detektor/ Dioden- und Lastwiderstand- 
Impedanz bedämpft wird.

Wie nicht anders zu erwarten, ist das Zuführenen der Antenne an Spulen- 
Anzapfungen mit dem Nachteil verbunden, daß der Empfänger kaum noch 
nennenswerte NF liefert, und ein starker Sender "durchschlägt".

Wie nicht anders zu erwarten, ist das Anschalten des Detektors/ der 
Diode an Spulen- Anzapfungen mit dem Vorteil verbunden, daß der 
Empfänger trennschärfer wird, aber die Ausbeute an NF sinkt.

Das sind alles bekannte und physikalisch begründete Tatsachen.

Ich habe geeignetes Meßequipment verwendet.
Die Durchlaßkurven entsprechen dem, was man üblicherweise erwartet.
Gleiches gilt für @Zenos Aufbau und Meßergebnisse.

Wenn ein anderes Meßequipment extrem abweichende Durchlaßkurven zeigt, 
ist evtl. dessen Meßverfahren ursächlich, oder das Meß Zubehör/ die 
Meßanordnung ist ungeeignet.
Insbesondere sind Spannungsformen der HF, Pegel- Verhältnisse, Anpaß- 
Zubehör und die Meßablauf- Einstellungen des Meßgerätes zu untersuchen.

Fazit:

- Ein Detektorempfänger ist kein Hexenwerk.

- Ein 1- kreisiger Detektorempfänger hat gewisse Eigenheiten, die man
   hinnehmen muß, oder  man erweitert den Empfänger.

- Es ist ratsam, einen Detektor mit mehreren Möglichkeiten der Antennen-
  Einkopplung und  Detektor- Ankopplung zu versehen,  Anzapfungen,
  Schiebespulen, mehrere koppelbare Schwenkspulen und Variometer-
  Konstruktionen, sowie Koppel- Drehkondensatoren stehen zur Wahl.

- Reichen die vorgenannmten Maßnahmen nicht, kann man weitere
  Schwingkreise verwenden,   solche auf Resonanz mit der gleichen
  Empfangsfrequenz, womit der 1- kreisige   Detektorempfänger
  zum Mehrkreiser wird, oder zum Sperren/ Ableiten
  unerwünschter   Sender, die den Empfang stören.

von Zeno (Gast)


Angehängte Dateien:

Lesenswert?

Edi M. schrieb:
> Kann das Gerät auch höher ? Bei 1215 KHz ist "Absolute Radio",
> wenigstens ein Sender, den man gut empfangen kann- ich mag allerdings
> nicht den permanent eingeschalteten Hall bei Sprache.
Da müßte ich dann den Kern der Spule herausdrehen, dann sollten auch 
höhere Frequenzen drin sein.

Ich habe gestern Nacht, bevor ich den Wobbler ausgeschalten habe, noch 
mal eine Messung mit anderen Einstellungen gemacht, so das man den 
gesamten Bereich sehen kann. Desweiteren habe ich beide 
Kondensatoreinstellungen mit gleicher Y-Verstärkung gemacht.  Man sieht 
jetzt sehr schön den Anstieg der Schwingkreisgüte, sobald Luft das 
Hauptdielektrikum ist. Dieser deutliche Anstieg der Amplitude - Güte - 
setzt sehr schnell ein, der Kondensator muß nur wenig aufgeklappt sein.

von Zeno (Gast)


Lesenswert?

Edi M. schrieb:
> Hier noch die Skizze vom Versuchsaufbau.
>
> Wobbelversuch mit dem eigenene Detektor des Wobblers, Empfang mit Diode
So ähnlich war mein Versuchsaufbau auch. Ich habe halt keine 
Kunstantenne genommen sondern, direkt über 100pF eingespeist. An Stelle 
des Verstärkers war bei mir halt der Eingang des Wobblers angeschlossen.

Achja, bei der letzten Messung hatte ich die Amplitude 
derAusgangsspannung auf -30dB eingestellt.

von Forist (Gast)


Lesenswert?

Hat schon mal jemand auf den Titel geguckt?

Ostern ist VORBEI

von Zeno (Gast)


Lesenswert?

Forist schrieb:
> Hat schon mal jemand auf den Titel geguckt?
>
> Ostern ist VORBEI
Es geht auch ohne Schlauberger.

von Josef L. (Gast)


Lesenswert?

@zeno
Was zeigen deine Meßkurven? Wieso ist die "Resonanz" nach unten? Ist das 
linear oder in dB? Entschuldige, ohne Skalenteilung kann ich damit 
nichts anfangen. Meine Messergebnisse sind immer unten Frequenz in MHz, 
links Dämpfung in dB, mit negativen Werten, also nach unten weniger.

Finde ich sehr nett dass Ihr mit euren Messungen mir auf die Sprünge 
helfen wollt, ich habe halt nur diesen Mini-Meß"park" und muss damit 
leben.

Ich messe jetzt die große Spule nochmal
a) mit 10k Vorwiderständen
b) mit verkürzten Anschlüssen
c) offen, um die Eigenkapazität zu ermitteln.
Ich habe den starken Verdacht, dass es an b+c liegt. Jedenfalls hat ein 
verbiegen der 10cm Anschlussdrähte während der Messung überhaupt nichts 
gebracht, die Kurven sahen gleich aus. Und übrigens: Auch bei dieser 
Spule konnte ich aus den ermittelten L/C-Werten die Kurven mit der 
Anzapfung bei 9% und umgekehrt bei 91% sauber ausrechnen, die 
Vorabsimulation hat nahezu exakt die Messkurven vorhergesagt - bis auf 
den Dämpfungspol, der war nur sehr ungenau getroffen. Ich baue auch noch 
Anzapfungen bei 1/3 und 1/2 ein, und ich messe auch noch mit 100pF und 
500pF.

Heute kann man eh nichts anderes machen bis zur Fußballübertragung, hat 
bereis 29°, Wocheneinkauf schon erledigt...

von Edi M. (edi-mv)


Lesenswert?

Josef L. schrieb:
> Finde ich sehr nett dass Ihr mit euren Messungen mir auf die Sprünge
> helfen wollt, ich habe halt nur diesen Mini-Meß"park" und muss damit
> leben.

Das kann man vielleicht auch- wenn man ihn entsprechend anpaßt.

Josef L. schrieb:
> die
> Vorabsimulation hat nahezu exakt die Messkurven vorhergesagt -

Daß bedeutet aber nicht, daß die Meßergebnisse brauchbar sind, sondern 
daß Sie IHRE Meßsituation gut eingegeben haben.

Josef L. schrieb:
> @zeno
> Was zeigen deine Meßkurven? Wieso ist die "Resonanz" nach unten?

Was ist das Problem...  vielleicht ist die Polarität des Eingangssignals 
an dem Russending falsch eingestellt. Das kann ich bei meinem Wobbler 
auch bestimmen.
Wichtig ist, daß es EINE (Haupt-) Resonanz ist, keine weiteren 
Resonanzen auftauchen.

Josef L. schrieb:
> Ich messe jetzt die große Spule nochmal
> a) mit 10k Vorwiderständen

SIe mit Ihren Vorwiderständen- was soll das ???
Messen Sie doch einfach so, wie es in der Realität ist- da haben Sie 
auch keine 10K- Vorwiderstände.

Schalten Sie statt dessen einen Drehko in die Antennenleitung/ HF- 
Einspeisung sowie den 50 Ohm- Ausgang, wenn der Nano einen hat,  da 
können Sie gut probieren. Anfangen mit niedriger Kapazität.

Bei meinem Wobbler funktioniert es auch ohne Antennennachbildung, ggf. 
sind die Pegel aufgrund der Bedämpfungssituation anders.

Eine Langdraht nahm man DAMALS übrigens zwischen etwa 400 Ohm bis um 1 
KOhm an, darum die Antennen- Nachbildung, meine Haupt- Langdraht (40m, 
5m hoch) hat laut Berechnungsprogramm 4NEC2 etwa 600 Ohm + j.

2 Meßaufbauten zeigen vernünftige, plausible Durchgangskurven, ohnme 
hohe Nebenresonanzen, Spitzen nach unten, usw., so wie es eigentlich 
sein sollte
 (Lehrbuchwissen, ja ! Ich traue aber auch nur Schulmedizinern, ukeinen 
Quacksalbern.)

Wenn Ihr Aufbau etwas anderes zeigt,  dürfte da irgendwo etwas im Argen 
liegen.

Kann durchaus sein, daß es am Nano liegt, wenn der für andere Sachen 
konzipiert ist, etwa mit Rechteckimpulsen arbeitet, und die Ergebnisse 
durch Berechnung erarbeitet, wie einer schrieb- aber ich kenne mich nun 
nicht mit diesen Geräten und deren Methodik aus.

von Dieter P. (low_pow)


Angehängte Dateien:

Lesenswert?

Mit der Schaltung Sim-Serie-3p-werte kann ich nichts anfangen,
die Resonanz ist etwa bei 500 kHz.Es ist so kein
Detektor-Parallelschwingkreis ( Serien L ).

Die Kurven von Edi M. und Zeno habe ich kurz angesehen, würde ich so
in etwa erwarten.
Mit Antennenanpassung habe ich selber keine Erfahrung, deshalb keine
Beiträge dazu.Einzige Idee, die vorhandene Antenne an einem anderen
Empfänger zu probieren, was damit dann auf MW zu hören ist.
Manche normale Empfänger werden mit einer Langdrahtantenne allerdings
überfordert.

von Detektorempfänger (Gast)


Lesenswert?

Hallo,

eigentlich wollte ich auch schon längst ein paar Bilder von meinen 
Aufbau zeigen. Leider ist mein Drehko mit Feintrieb bis Heute nicht 
angekommen.Ein anderer soll Heute endlich kommen.Verschiedene Dioden hab 
ich nun auch da.

Dafür verfolge ich hier mit Spannung den Thread und bin beeindruckt von 
den Messaufbauten die Ihr hier so zeigt.

Was mir besonders aufgefallen ist ,dass hier auch mal alles echt Super 
gut Dokumentiert wird und mit Interessanten Bildern und Videos dazu auch 
für Hobby-Bastler verständlich erklärt wird,Danke mal dafür.

Josef L. schrieb:
> ich habe halt nur diesen Mini-Meß"park" und muss damit
> leben.

Da dies für mich ja auch nur Hobby ist bin natürlich auch nicht so gut 
Ausgerüstet wie Edi und Zeno, aber ich bin ganz sicher die ersten 
Detektorempfänger Bastler hatten weniger zur Verfügung wie Du.

Gruß und schönes Wochenende.

von Zeno (Gast)


Lesenswert?

Josef L. schrieb:
> @zeno
> Was zeigen deine Meßkurven? Wieso ist die "Resonanz" nach unten? Ist das
> linear oder in dB? Entschuldige, ohne Skalenteilung kann ich damit
> nichts anfangen. Meine Messergebnisse sind immer unten Frequenz in MHz,
> links Dämpfung in dB, mit negativen Werten, also nach unten weniger.
Nö, oben ist die Null. Der Eingangsverstärker ist invertierend und aus 
dem Detektor kommt positive Spannung.
Die Teilung in Y dürfte linear sein. Das ist ein ganz normaler 
Wobbelmessplatz der 80'er Jahre, da hat man i.d.R. keine logarithmischen 
Verstärker eingebaut.
Die untere Linie sind Frequenzmarken. Ganz links ist 100kHz und dann 
alle 100kHz eine Marke. Wenn man die zählt dann kommt man rechts bei 
900kHz an.
Hatte ich eigentlich schon alles geschrieben.
So ein Wobbelmessplatz ist auch nicht dazu gedacht Amplituden bis auf mV 
genau anzuzeigen. Der dient halt dazu Durchlasskurven zu bestimmen und 
zu optimieren - i.d.R. auf möglichst große Steilheit.
Desweiteren möchte man mit so einem Messplatz die Selektivität prüfen, 
also das nur das Gewünschte durch gelassen wird und es möglichst keine 
unerwünschten Nebenresonanzen gibt.

Edi M. schrieb:
> Was ist das Problem...  vielleicht ist die Polarität des Eingangssignals
> an dem Russending falsch eingestellt. Das kann ich bei meinem Wobbler
> auch bestimmen.
Da ist nix falsch eingestellt, das Ding ist einfach nur invertierend und 
das kann ich auch nicht ändern. Wenn ich den zum Wobbler gehörigen 
Messkopf nehme ist es halt anders herum. Ich kann bei dem Ding auch 
keine kalibrierte Empfindlichkeit des Y-Einganges einstellen. Da gibt es 
nur einen nichtkalibrierten Regler mit dem ich das Signal abschwächen 
kann, damit man auf dem Bildschirm auch was sieht. Das Teil ist wohl 
eher für qualitative Signalanalysen und nicht für Quantitative 
vorgesehen.

Edi M. schrieb:
> Schalten Sie statt dessen einen Drehko in die Antennenleitung/ HF-
> Einspeisung sowie den 50 Ohm- Ausgang, wenn der Nano einen hat
Das ist es ja gerade beim Nano, da weiß man nicht ob es 50Ohm sind. Ich 
habe mir gestern mal das Manual rein gezogen, aber bezüglich Ein- und 
Ausgangsimpedanzen schweigen die sich aus.
Bei meinem Wobbler weis ich das der 50Ohm Ausgangsimpedanz hat. Der 
Eingang wird vermutlich hochohmig sein - müßte ich mal nach schauen.

Detektorempfänger schrieb:
> aber ich bin ganz sicher die ersten
> Detektorempfänger Bastler hatten weniger zur Verfügung wie Du.
So ist es. Die haben die Dinger nach Erfahrungswerten zusammen gelötet 
und das in aller Regel funktioniert. Wir haben halt das Pech das auf den 
für Detektorempfang interessanten Bändern leider nicht mehr viel los ist 
und man erst auf die Abendstunden warten muß, um überhaupt was zu 
empfangen.

von Edi M. (edi-mv)


Lesenswert?

Dieter P. schrieb:
> Mit der Schaltung Sim-Serie-3p-werte kann ich nichts anfangen,

Damit ist auch nichts anzufangen- 14,5 nF || 7µH, in Reihe mit 11 µH, 3 
K in Reihe mit dem Generator...
Aber es bildet auch so eine katastrophale Kurve mit einer Spitze nach 
unten ab.
Bleiben Sie bei realistischen Sachen, diese Betrachtungen sind 
Zeitverschwendung.

Ich denke, Josef hat einen Störer, der breitbandig hereinkommt, wie ich 
auch im Video vom 19.06.2021 02:38 zeige, aber er zieht falsche 
Schlußfolgerungen, die durch falsche Messung und deren Abbildung im 
Simulator noch unterstutzt werden, aber nicht der Realität entsprechen.

von Josef L. (Gast)


Angehängte Dateien:

Lesenswert?

Zeno schrieb:
> Das ist es ja gerade beim Nano, da weiß man nicht ob es 50Ohm sind.

Doch, das weiß man. Dazu ist ja der Kalibrierset da! Und der ist genau 
genug - wenn ich den 50Ω Abschlußwiderstand vom Hameg benutze kommt 
dasselbe raus. Und wenn ich einen Spannungsteiler 50 Ohm 6dB 
dazwischenschalte bekomme ich bis zu höheren Frequenzen eine waagrechte 
Linie bei -6dB. Was soll das ganze Gemecker, wenn ihr das Gerät nicht 
kennt? Außerdem wird es gerade für Antennen- und Filtermessungen 
angepriesen. Ich wüßte nicht, dass alle Käufer unzufrieden sind weil nur 
Mist herauskommt, hört euch doch mal um, auch hier im Forum!

Und wegen der 3k3 oder 10k Widerstände: Das Gerät ist von Eingang auf 
Ausgang geeicht, beide haben 50Ω, und wenn ich an meinen Schwingkreis 2 
Widerstände anschließe, dann ist das einfach ein Spannungsteiler! Und 
wenn ich das so in die Simulation einsetze, kommen vernünftige Daten 
raus! Ich habe jetzt gerade mal den Schwingkreis (als 
Parallelschwingkreis) in Serie zwischen Ein- und Ausgang geschaltet, da 
wirkt er als Notchfilter, aber man kann die Daten genauso ablesen. Da 
kann man natürlich mit den 50Ω direkt arbeiten!

Aber falls ich doch einen Knoten im Hirn habe: Ich eiche das Gerät auch 
mal mit den 3.3k-Widerständen statt mit 50Zeno schrieb im Beitrag 
#6731853:
> Das ist es ja gerade beim Nano, da weiß man nicht ob es 50Ohm sind.

Doch, das weiß man. Dazu ist ja der Kalibrierset da! Und der ist genau 
genug - wenn ich den 50Ω Abschlußwiderstand vom Hameg benutze kommt 
dasselbe raus. Und wenn ich einen Spannungsteiler 50 Ohm 6dB 
dazwischenschalte bekomme ich bis zu höheren Frequenzen eine waagrechte 
Linie bei -6dB. Was soll das ganze Gemecker, wenn ihhr das Gerät nicht 
kennt?

Und wegen der 3k3 oder 10k Widerstände: Wenn Ihr das nicht versteht, 
dann zweifle ich langsam. Das gerät ist von Eingang auf Ausgang geeicht, 
beide haben 50Ω, und wenn ich an meinen Schwingkreis 2 Widerstände 
anschließe, dann ist das einfach ein Spannungsteiler! Und wenn ich das 
so in die Simulation einsetze, kommen vernünftige Daten raus! Ich habe 
jetzt gerade mal den Schwingkreis (als Parallelschwingkreis) in Serie 
zwischen Ein- und Ausgang geschaltet, da wirkt er als Notchfilter, aber 
man kann die Daten genauso ablesen. Da kann man natürlich mit den 50Ω 
direkt arbeiten!

@Dieter P.
Die Daten in dieser Schaltung sind die, die mit der Anzapfung bei 20% 
ermittelt wurden! Und warum ist das kein Schwingkreis? Unten ist ein 
ganz normaler Parallelschwingkreis, bestehend aus der anteiligen 
Induktivität bis zur Anzapfung und die herauftransformierte 
Kreiskapazität, das oben ist die herauftransformierte 
Leitungsinduktivität bzw. alle parasitären Effekte zusammen. Für den 
Schwingkreis könnte man rechts auch die Restinduktivität für die übrigen 
80% der Spule einsetzen, das wären 192µH * (1 - √7.15/192) = 125µH, und 
als C3 bleiben die 540pF. Die beiden Teilspulen müssen richtig 
angeordnet und gekoppelt sein. Aber nicht mit der Schaltinduktivität 
oben. Dann kommt exakt dieselbe Kurve raus. Das zumindest ist angewandte 
Physik!

Wenn Sie den Schwingkreis ohne Anzapfungen testen wollen: L3 = 192µH, C3 
= 540pF, und L1=0.10µH - das sollten normale Bauteilewerte sein, bei ca. 
10cm Verdrahtung (1nH pro Millimeter).

Und nochmal: Wenn man einem Verhalten auf den Grund gehen will, dann 
reduziert man die Meßschaltung auf das Wesentliche. Keine Antenne, keine 
Antennen-nachbildung, keinen Gleichrichter usw. - alles raus! Und die 
Widerstände sind bei Messung Parallel nötig, um die Belastung des 
Schwingkreises zu mildern, denn bei 50 Ohm Last würde nicht Vernünftiges 
rauskommen.

von Karl B. (gustav)


Angehängte Dateien:

Lesenswert?

Josef L. schrieb:
> Wenn man einem Verhalten auf den Grund gehen will, dann
> reduziert man die Meßschaltung auf das Wesentliche. Keine Antenne, keine
> Antennen-nachbildung, keinen Gleichrichter usw. - alles raus!

Hi,
Soll 60 kHz.
Man kann "Ripple" gut sehen.
Der Sägezahnabgriff am Oszi hat fixe Rate.
Am VCF-Eingang des Generators muss dann ein passender Spannungsteiler 
rein, damit der "Hub" klein bleibt.
(Da gab es hier einmal einen Thread dazu, wie man Filter bei 
Kurzwellenempfängern am besten nachgleicht.)
Das Problem wurde oben schon angesprochen:

Edi M. schrieb:
> Vor allem die Spitze nach unten, direkt hinter der Hauptresonanz- das
> habe ich bei korrektem Wobbelhub überhaupt nicht. Die ist auch absolut
> unlogisch.
> Wie entsteht sowas ? Ganz einfach: Der Schwingkreis wird durch hohen Hub
> einfach "überfahren".
Man muss dem Schwingkreis eben "Zeit lassen", um "einzuschwingen".

ciao
gustav

von Josef L. (Gast)


Lesenswert?

Edi M. schrieb:
> Damit ist auch nichts anzufangen- 14,5 nF || 7µH, in Reihe mit 11 µH, 3
> K in Reihe mit dem Generator...
> Aber es bildet auch so eine katastrophale Kurve mit einer Spitze nach
> unten ab.
> Bleiben Sie bei realistischen Sachen, diese Betrachtungen sind
> Zeitverschwendung.
>
> Ich denke, Josef hat einen Störer, der breitbandig hereinkommt, wie ich
> auch im Video vom 19.06.2021 02:38 zeige, aber er zieht falsche
> Schlußfolgerungen, die durch falsche Messung und deren Abbildung im
> Simulator noch unterstutzt werden, aber nicht der Realität entsprechen.

Edi, lesen Sie nicht was ich schreibe? die 7.15µH sind die paar 
Windungen bis zur Anzapfung. Diese ergeben mit den restlichen Windungen 
und dem Kondensator den Schwingkreis. Den kann man modellmäßig entweder 
darstellen NUR durch einen Kondensator, dessen Kapazität aber um das 
Quadrat des Übersetzungsverhältnisses herauftragsformiert ist (das sind 
die 14.5nF), ODER durch die Induktivität der restlichen Windungen, das 
ist aber NICHT die Differenz der Induktivitäten, sondern errechnet sich 
wieder aus der Rest-Windungszahl, sowie dem unveränderten 
Kondensatorwert, wobei die beiden teilspulen miteinander gekoppelt sind. 
Elektrisch ist das gleichwertig! Ich nehme aber an, dass Ihnen die 2. 
version besser gefällt, da sie näher an der Realität ist. Und gegen die 
Schaltungsinduktivität werden Sie doch auch nichts einzuwenden haben? 
Die muss sich übrigens genauso transformieren, von den paar 
Anzapfungswindungen aus gesehen! Beim Ausgangsübertragen haben Sie doch 
auch keine hemmungen von Widerstandstransformation zu sprechen? das ist 
für Induktivitäten und Kondensatoren exakt dasselbe! Leugnen Sie doch 
nicht die Physik!

Das mit dem Störer halte ich ebenfalls für an den haaren herbeigezogen, 
aber ich kann meine Spule ja mal weiträumig in einen Blechkasten 
stecken, in die Mikrowelle zum Beispiel!

von Karl B. (gustav)


Lesenswert?

Karl B. schrieb:
> Da gab es hier einmal einen Thread dazu, wie man Filter bei
> Kurzwellenempfängern am besten nachgleicht.

Hi,
hier noch der Link:
Beitrag "Re: Abgleich und Anpassung der Keramik- und Quarzfilter"

Karl B. schrieb:
> Man muss dem Schwingkreis eben "Zeit lassen", um "einzuschwingen".

ciao
gustav

von Edi M. (edi-mv)


Lesenswert?

Josef L. schrieb:
> Edi, lesen Sie nicht was ich schreibe?

 Nein, nicht mehr, ich denke, das ist Zeitverschwendung.

von Zeno (Gast)


Angehängte Dateien:

Lesenswert?

Josef L. schrieb:
> Doch, das weiß man. Dazu ist ja der Kalibrierset da! Und der ist genau
> genug - wenn ich den 50Ω Abschlußwiderstand vom Hameg benutze kommt
> dasselbe raus. Und wenn ich einen Spannungsteiler 50 Ohm 6dB
> dazwischenschalte bekomme ich bis zu höheren Frequenzen eine waagrechte
> Linie bei -6dB. Was soll das ganze Gemecker, wenn ihr das Gerät nicht
> kennt?
Sorry Josef, man weiß es nicht - woher auch. Selbst auf der Nano VNA 
Seite schweigt man sich über die Ausgangsimpedanz des Gerätes aus.
Ausgangsimpedanzen werden normalerweise auch nicht kalibriert, die sind 
durch die Schaltungstechnik fest gelegt. Mit Deinem Abschlußwiderstand 
aus dem Kalibrierset fummelst Du das Ding hin bis es passt oder anders 
ausgedrückt, Du bringst dem Ding bei die Ergebnisse gerade zu rechnen. 
Das Du das mit einem Abschlußwiderstand machst der 50Ohm hat bedeutet 
noch lange nicht, das der Nano einen definierten Widerstand von 50Ohm 
hat. Das da irgendwas an Deinem Messaufbau nicht stimmt zeigen Deine 
Messungen im Vergleich zu den Messungen von Edi und mir. Ich befürchte 
mal das der Messschrott durch ein unsauberes Signal vom Nano verursacht 
wird.
Schalte mal zwischen Nano und Schwingkreis einen ordentlichen Tiefpass. 
Ich behaupte dann mal das Deine Messungen dann deutlich besser sind. Mit 
einer Luftspule und einem Kondensator kann man nicht so arg viel falsch 
machen.

Der Nano ist ganz sicher ein tolles Gerät, aber für solche Messungen 
offensichtlich nicht wirklich zu gebrauchen - er wurde halt auch nicht 
dafür gemacht.
Du pflügst mit einem PKW auch kein Feld, obwohl das mit bestimmten PKW 
sicher machbar ist, aber es ist Krampf - man nimmt für so etwas eben 
einen Trecker.

Noch mal zu meinen Messungen. Ich habe jetzt mal noch meinen Oszi 
parallel zum Wobbler mit angeschlossen, um mal ein paar 
Signalgrößenordnungen zu haben. Der Ausgang des Wobblers ist auf -40dB 
eingestellt. Da mit dem Oszi (C1-55) kein XY-Betrieb möglich ist - 
zumindest nicht mit den Einschüben die ich habe- , habe ich am Oszi so 
gut es ging die Ablenkung auf die Wobbelfrequenz und auf das 
Sägezahnsignal (X-Ablenkung des Wobblers) synchronisiert.
Am ersten Eingang des Oszis habe ich die Spannung am heißen Punkt des 
Schwingkreises eingespeist. Der zweite Eingang ist mit dem Ausgang des 
Detektordemodulators verbunden, der seinerseits an an einer Anzapfung 
(ca. 25-30% vom kalten Ende weg) des Schwingkreises angeschlossen ist.
Die Empfindlichkeit beider Kanäle ist auf 10mmV/Teilung eingestellt.
Werten wir mit diesen Daten das Bild mal aus. Am linken Rand sieht man 
das das Signal mit ca. 5mV eingespeist wird. Im Resonanzpunkt kommt es 
zu einer deutlichen Überhöhung (Faktor mindestens 8, eher etwas mehr) 
des Signales. Man sieht auch das Demodulatorsignal sehr schön. Das ist 
knapp  1/3 des überhöten Signals was exakt dem Windungszahlenverhältnis 
der benutzten Spule entspricht.
Ich kann es nur noch mal wiederholen - ich bin mit diesem 
Detektorempfänger sehr zu frieden, mehr ist aus so einem einfachen Gerät 
ohne Optimierungen nicht heraus zu holen.

von Josef L. (Gast)


Lesenswert?

@zeno
> Sorry Josef, man weiß es nicht - woher auch. Selbst auf der Nano VNA
Seite schweigt man sich über die Ausgangsimpedanz des Gerätes aus.

Es interessiert auch nicht die Webseite sondern die Doku zum Gerät und 
das Kalibrierset. Wenn ich kalibriert habe und den HAMEG-50-Ohm 
Widerstand dazwischenschalte erhalte ich einen exakten 50:50 
Spannungsteiler. Noch Fragen?

ich will die erhitzte Luft etwas rauslassen, ist bei 34°C etwas 
schwierig, auch wenn grade Halbzeit ist. Gemessen habe ich noch:

a) Messaufbau in die Mikrowelle, Ergebnisse exakt dieselben
Ich kann's auch noch mit dem Backofen versuchen ;-)

b) Zuleitungsdrähte auf die Hälfte gekürzt, und schon sind die 
Nebenresonanzen 20dB tiefer! Das ist das Ganze Gesumse außenherum! Ich 
habe die Drähte zuvor nur je 10cm belassen, um die Verdrahtung im Gerät 
nachzubilden, aber ohne die ganzen Schalter. Ich messe dann nochmal mit 
den minimal möglichen Verbindungsdrahtlängen von etwa 4-5 cm.

Bitte seht ein, dass das Nano ein zuverlässiges Meßgerät ist! Und 
ebenso, dass eine Simulation realitätsnahe Ergebnisse liefert, wenn man 
den Meßaufbau so genau wie möglich nachbildet.

Wenn ihr die Modelle für SMD-Spulen zB von Vishay anschaut, da sind zum 
Teil bis zu 20 RLC-Kombinationen verschaltet, um das Verhalten der par 
Millimeter Draht zwischen 1MHz und 3GHz abzubilden. Edi, das ist 
Realität! Einfach nur den L-Wert reicht eh nicht aus, es gibt eine 
interne Kapazität, die Güte muss durch einen frequenzabhängigen 
Widerstand beschrieben werden bzw. wie oben durch viele RLC-Schaltungen, 
letztlich sowas wie die Antennen-Ersatzschaltung.

von Detektorempfänger (Gast)


Lesenswert?

Josef L. schrieb:
> a) Messaufbau in die Mikrowelle, Ergebnisse exakt dieselben

Also jetzt würden mich mal Bilder und oder Videos von diesem Messaufbau 
in der Mikrowelle Interessieren.

Josef L. schrieb:
> b) Zuleitungsdrähte auf die Hälfte gekürzt, und schon sind die
> Nebenresonanzen 20dB tiefer!

Haben sich nach dem kürzen, die Werte der Spule geändert ?

von Edi M. (edi-mv)


Lesenswert?

Josef L. schrieb:
> b) Zuleitungsdrähte auf die Hälfte gekürzt, und schon sind die
> Nebenresonanzen 20dB tiefer!

Josef L. schrieb:
> Wenn ihr die Modelle für SMD-Spulen zB von Vishay anschaut, da sind zum
> Teil bis zu 20 RLC-Kombinationen verschaltet, um das Verhalten der par
> Millimeter Draht zwischen 1MHz und 3GHz abzubilden. Edi, das ist
> Realität!

Und daß mein Aufbau sauber arbeitet, meßmäßig und auch als Empfänger, 
obwohl ich -mit Absicht- auch lange Zuleitungen verwendet habe, ist auch 
Realität.
Für @Zenos Gerät gilt das genauso.

Ihre Angaben betreffs Trennschärfe kann ich nicht nachvollziehen, und 
das Video zeigt, daß es mit Spule und Anzapfungen einwandfrei 
funktioniert- sicher nicht in allen Varianten- man muß eben die 
günstigste Variante suchen- dazu haben unsere Altvorderen jede Menge 
Kreisschalter und Umschalter verwendet, und das ist heute nicht anders, 
wenn man vernünftig hören will.

2 einkreisige Detektorempfänger funktionieren, und bringen auch genau 
die zu erwartenden Durchlaßkurven.
Wenn es bei Ihnen anders ist, ist irgendwo was faul.
Das ist sicher zu finden- aber mit dem richtigen Equipment und/ oder dem 
richtigen Meßaufbau.

Josef L. schrieb:
> Bitte seht ein, dass das Nano ein zuverlässiges Meßgerät ist!

Um Ihre Aussage zu bestätigen, bzw. ein Urteil zu fällen, müßte ich das 
Gerät selbst verwenden, oder Ihrerseits was kommen- aber is nich- 
entweder kann es das Gerät nicht, durchaus möglich, oder Sie bekommen 
den erforderlichen Meßaufbau nicht gebacken.
Ich tippe auf Letzteres.
Das ist nicht mal schlimm- aber fehlerhafte Ergebnisse mit 
Totschlagargumenten zu verteidigen, ist nicht so toll.

Josef L. schrieb:
> Und
> ebenso, dass eine Simulation realitätsnahe Ergebnisse liefert, wenn man
> den Meßaufbau so genau wie möglich nachbildet.

Ja klar, wenn der Meßaufbau schlecht ist, wird ein guter Simulator...
... schlechte Ergebnisse zeigen.

von Zeno (Gast)


Lesenswert?

Josef L. schrieb:
> Es interessiert auch nicht die Webseite sondern die Doku zum Gerät
Josef, auf der Website bibt es die Doku zum Gerät und genau die habe ich 
durchgearbeitet.
Du kanns da noch so viel hin und her kalibrieren, Ein- und 
Ausgangsimpedanzen werden nicht kalibriert, die sind durch die 
Schaltungstechnik vorgegeben und da gibt es nur 2 Varianten, entweder 
sie passen oder sie passen eben nicht.

Josef L. schrieb:
> a) Messaufbau in die Mikrowelle, Ergebnisse exakt dieselben
> Ich kann's auch noch mit dem Backofen versuchen
Probiere es auch noch mal im Trockner.

Nein Spaß beseite, ich glaube Du verrennst Dich hier in was und jetzt 
stampfst Du auf wie ein bockiges kleines Kind. Du benutzt schlichtweg 
das falsche Equipment und versuchst das jetzt schön zu reden. Vielleicht 
muß man nur was bei der Beschaltung des Nano beachten und dann 
funktioniert es, aber da kann ich Dir nicht helfen und Edi auch nicht, 
da muß Du andere Quellen anzapfen.

Schau Dir mein Bild mit dem Oszi an. Der zeigt es doch eigentlich sehr 
schön was da ab geht und so ein Oszi ist nun wirklich kei super duper 
Equipment - zumindest heute nicht mehr. Vor 45 Jahren hatte ich so etwas 
auch nicht da mußte ich mich mit einem Taschenvoltmeter und einen 
kleinen Signalverfolger zu frieden geben. Etwas später hatte ich dann 
einen Vielfachmesser III (Edi kennt den  ganz bestimmt) - man was war 
ich stolz.Erst viel viel später, lange nach der Wende, hatte ich einen 
alten Oszi - einen EO213.
Wieder zurück. Der Oszi zeigt auch genau das was der Wobbler sonst 
anzeigt. Vom Wobbler kommt nur noch das eingespeiste Signal. Es ist 
schon auffällig das der Oszi so ziemlich das Gleiche anzeigt und das 
sogar in der richtigen Polarität. Was will ich damit sagen, bei mir gibt 
es keine Nebenmaxima und schon gar nicht in die andere Richtung.
Das verrauschte Geraffel nach Deinem (Resonanz)Maximum kannst Du getrost 
weg lassen. Das kommt vom Nano. Wo es genau her kommt kann ich natürlich 
nicht sagen. Aber man könnte ja das Signal auch noch mal mit einem ganz 
normalen Oszi abgreifen, der auf die Wobbelfrequenz des Nano 
synchronisiert wird. Notfalls geht es auch ohne Synchronisation, dann 
muß man halt die Ablenkung des Oszi möglichst genau auf die 
Wobbelfrequenz einstellen.

Heut abend oder morgen schau ich mir al die Spule von meinem großen 
Detektor an. Ich bin mir ziemlich sicher, das ich dort das gleiche 
messe.

von Edi M. (edi-mv)


Lesenswert?

Zeno schrieb:
> Vielleicht
> muß man nur was bei der Beschaltung des Nano beachten und dann
> funktioniert es, aber da kann ich Dir nicht helfen und Edi auch nicht,
> da muß Du andere Quellen anzapfen.

Genau das.

Zeno schrieb:
> Vielfachmesser III (Edi kennt den  ganz bestimmt)

Die "Bunte Kuh"... klar. Schönes Teil, handlich, zuverlässig, 
ausreichend genau, praktisch- das mochte ich.
Irgendwann lege ich so ein Gerätchen wieder zu.

Ich denke auch, man sollte sich etwas geeignetes Equipment zulegen, 
wenigstens einen HF- Generator, einen NF- Generator, ein Oszi, ein 
Netzteil (oder mehrere), ein paar Sanduhren (Vielfachmesser). Vielleicht 
Meßköpfe für NF, HF, Hochspannung... was man braucht.

Muß nicht mal digital sein. Das kriegt man heute oft billig bei Ebay.
Ich habe mehrere Digitalvoltmeter (DM2020)... alle kaputt- und 3 DDR- 
Röhrenvoltmeter... die sind nicht tot zu kriegen- nur die Röhren 
verschleißen. Für alle Fälle ein Ziffernvoltmeter höchster Genauigkeit, 
aber Ende der 60er Jahre, 300 Germaniumtransistoren, 100 Dioden, das ist 
nicht wirklich digital.

HF- Frequenzgänge kann man mit Generator und Volmeter messen, dauert 
länger, ist aber auch genau.
Nur NF- Frequenzgänge messe ich mit der Soundkarte des PC oder Laptop.

von Dieter P. (low_pow)


Lesenswert?

> Bild sim_serie.png
Die Spulen L1 11,45uH und hier L3 7,15uH im Beispiel sind nicht
miteinander gekoppelt, das muss man dann schon eingeben mit K.

von Zeno (Gast)


Angehängte Dateien:

Lesenswert?

Edi M. schrieb:
> Die "Bunte Kuh"... klar. Schönes Teil, handlich, zuverlässig,
> ausreichend genau, praktisch- das mochte ich.
> Irgendwann lege ich so ein Gerätchen wieder zu.
Meine bunte Kuh ist leider defekt. Da ist irgendwann mal der 
Seitenschneider aus einem guten Meter Höhe neben dem Gerät gelandet, 
wodurch der Zeiger gebrochen ist. Den konnte ich ja noch reparieren - 
ich hatte mir da aus einer kleinen Glaspipette einen neuen gezogen - das 
ging besser als ich dachte. Ein Jahr später ist das Spannband gerissen.
Habe mir vor ein paar Jahren so was ähnliches von den Russen auf dem 
Flohmarkt geholt, das tut auch.

Ob man sich nun wegen eines Detektors einen umfangreichen Messgerätepark 
zulegen sollte, da kann man geteilter Auffassung sein. Ein so einfaches 
Gerät sollte man auch so hin bekommen.
Wenn man nicht das passende hat, dann muß man zum einen versuchen die 
Ergebnisse richtig zu interpretieren und zum anderen sollte man dann 
auch die Kirche im Dorf lassen und nicht mit Erbsen zählen anfangen, 
weil das dann meist in die Sackgasse führt und die ist manchmal verdammt 
lang.

So habe jetzt gerade meine Spule (s.hier 
Beitrag "Re: Ostern- Vielleicht mal wieder Detektorempfänger ?") vom großen 
Detektor vermessen. Die Beschaltung habe ich auf das Nötigste reduziert. 
Normalerweise gibt es bei dem von mir geplanten Detektor eine Abstimmung 
im Antennenkreis (s. hier 
Beitrag "Re: Ostern- Vielleicht mal wieder Detektorempfänger ?"). Die habe 
ich komplett weg gelassen. Signal wird direkt über die Antennenspule 
eingespeist, Anschluß L der Spule auf Masse, Signal über 100pF an 
Antennenanschluß 6.
Als Diode habe ich eine gerade greifbare OA7=x genommen, Abschluß mit 
100kOhm und 470pF.
Das erste Bild zeigt meinen Versuchsaufbau.
Zu den Oszillogrammen:
Die unter Linie zeigt die Frequenzmarken, alle 100kHz die etwas größere 
Marke ist 1MHz. Bild 6L zeigt die Durchlasskurve bei voll eingedrehten 
Dreko = max.Kapazität(500pF). 6H ist bei minimaler Drekokapazität = 
30pF. Beide Messungen am Antennenanschluß 6.
Jetzt habe ich die Einspeisung an den Antennenanschluß 5 gesteckt. Der 
Pegel ist deutlich größer geworden. Ich habe dann noch ein zweites Bild 
mit minimaler Kapazität angehangen, wo ich den Y-Eingangspegel des 
Sichteiles etwas abgeschwächt habe. Mit dieser Konfiguration gibt es bei 
höheren Frequenzen einen 2. Resonanzpunkt, den man in der Abildung 
allerdings nicht sieht. Das wird vermutlich an der fehlenden Abstimmung 
des Antennenkreises liegen, die hier eigentlich vorgesehen ist.
Im nächsten Schritt erfolgt die Signaleinspeisung an Atennenanschluß 4. 
Das Signal ist nochmals größer geworden und man sieht jetzt bereits auch 
sehr schön die 2.Resonanzstelle.
Ich werde mich aber für's erste da nicht verrückt machen und warte erst 
mal den vollständigen finalen Aufbau ab. Mit der Abstimmung des 
Antennenkreises läßt sich definitiv noch was raus holen und vielleicht 
verschwindet dann auch die zweite Resonanzstelle. Die könnte auch davon 
herrühren das ich hier mit -10dB eingespeist habe., damit ich halbwegs 
Signal habe. Aber auch hier wurde nichts optimiert ich habe 
bauteilemäßig genommen was die Wühlkiste auf dem Arbeitsplatz her 
gegeben hat.
Ich hatte auch hier den Oszi parallel mit dran und auch hier gibt es 
eine sehr schöne Überhöhung im Resonanzpunkt. Man bekommt also auch mit 
dieser Spule das hier 
Beitrag "Re: Ostern- Vielleicht mal wieder Detektorempfänger ?" gezeigte Bild.

von Zeno (Gast)


Angehängte Dateien:

Lesenswert?

Ich habe jetzt die finale Schaltung für meinen großen Detektor erstellt.

Im Antennenkreis sind die Schalter S3, S4 und S6 hinzu gekommen. Mit dem 
Schalter S3 kann ich die gemeinsame Einstellung der Resonanzfrequenz und 
der Fußpunktkapazität auftrennen, so das ich Abstimmung und 
Fußpunktkapazität getrennt einstellen kann.
Mit dem Schalter S4 läßt sich die Fußpunktkapazität komplett abschalten. 
Mit S6 wird die Abstimmung im Antennenkreis abgeschalten.

Neu hinzugekommen sind auch der Schalter S5 und die 2 Buchsen 7 und 8. 
Mit dem Schalter kann ich Röhre als Demodulator herausnehmen und dafür 
auf die 2 Buchsen eine andere Diode, Kristall etc. stecken und somit 
verschiedene DEmodulatorvarianten ausprobieren.

Die Änderungen bedeuten ich muß noch mal mechanisch ran da weder der 
Schalter S6 noch S5 mit den Buchsen bisher vorgesehen ist. S6 wird mit 
auf die Fronplatte kommen, während S5 mit den 2 Buchsen auf einem 
kleinen Subchassis (das wird wohl Pertinax werden) in der nähe der Röhre 
montiert werden wird. Die alternativen Demodulatoren kann man dann von 
oben aufstecken.

Für den Hauptabstimmdreko habe ich noch eine Beleuchtung der Skale mit 
einer kleinen weißen LED vor gesehen.

von Detektorempfänger (Gast)


Lesenswert?

Zeno schrieb:
> Ich habe jetzt die finale Schaltung für meinen großen Detektor erstellt.

Interessant Schaltung, wenn ich mich nicht täusche sollte die ja auch 
ohne Anodenspannung Funktionieren. Ist das so geplant das mit und ohne 
Anodenspannung getestet werden kann.

von Zeno (Gast)


Lesenswert?

Detektorempfänger schrieb:
> Interessant Schaltung, wenn ich mich nicht täusche sollte die ja auch
> ohne Anodenspannung Funktionieren. Ist das so geplant das mit und ohne
> Anodenspannung getestet werden kann.
Die funktioniert ohne Anodenspannung - habe ich schon getestet mit genau 
der dafür vorgesehenen Röhre 75 
(Beitrag "Re: Ostern- Vielleicht mal wieder Detektorempfänger ?"). 
Anodenspannung ist hier auch nicht vorgesehen

von Edi M. (edi-mv)



Lesenswert?

Hier ziehen Wolken auf, Gewitter ist angesagt, ob es bis hierher kommt, 
ist noch nicht klar.
Aber Detektorempfängerfreunde, bitte an die Sicherheit denken.
"Vergessen Sie nicht, Ihre Antenne zu erden !"

von Edi M. (edi-mv)


Angehängte Dateien:

Lesenswert?

Die Gewitterwolke kam, wie angesagt- schob sich wie eine rollende Walze 
übers Haus.
Ich erde ich die Antenne, mache alles dicht.
Dann... tröpfelt es- die Erde wird nicht mal naß, weil das Wasser sofort 
verdunstet.
Und das war's aber auch schon.

von Zeno (Gast)


Lesenswert?

Edi M. schrieb:
> Die Gewitterwolke kam, wie angesagt- schob sich wie eine rollende Walze
> übers Haus.
> Ich erde ich die Antenne, mache alles dicht.
> Dann... tröpfelt es- die Erde wird nicht mal naß, weil das Wasser sofort
> verdunstet.
> Und das war's aber auch schon.
Ein schönes Foto vom Wetter.

von Zeno (Gast)


Lesenswert?

Die Holzplatten vom großen Detektor sind jetzt geschliffen und das erste 
Mal mit verdünnten Schellack gestrichen.
Jetz heißt es erst mal warten bis alles durchgetrocknet ist und dann 
schleifen, nächster Anstrich. Das ganze 3-4 mal ergibt dann am am Ende 
eine schöne Oberfläche.

von Josef L. (Gast)


Lesenswert?

Detektorempfänger schrieb:
> Josef L. schrieb:
>> a) Messaufbau in die Mikrowelle, Ergebnisse exakt dieselben
>
> Also jetzt würden mich mal Bilder und oder Videos von diesem Messaufbau
> in der Mikrowelle Interessieren.

Da ich keine Schleichwerbung für ein 20 Jahre altes Gerät machen will: 
Die Spule (Papprohr 10cm Durchmesser, 10cm hoch mit Spule vom oberen 
Ende her) auf den Glas-Drehteller gestellt, Kabel aus der Türe 
rausgeleitet, Nano + Laptop auf Arbeitsplatte danebengestellt, wo ist 
das Problem?

> Josef L. schrieb:
>> b) Zuleitungsdrähte auf die Hälfte gekürzt, und schon sind die
>> Nebenresonanzen 20dB tiefer!
>
> Haben sich nach dem kürzen, die Werte der Spule geändert ?

Leider nein, Ergebnis fast exakt dasselbe. Die erste Messung war der 
Bereich 10-640MHz, also weit oberhalb der Schwingkreisresonanz, daher 
hatte ich nicht bemerkt dass der Schwingkreiskondensator sich gelockert 
hatte und nur die Spule alleine mit ihrer parasitären Kapszität von 
2.7pF gemessen wurde.

von Josef L. (Gast)


Lesenswert?

@zono
> Bilder bei  19.06.2021 19:53

Wieso gehen die Kurven nach der resonanz nicht wieder auf Null?

von Josef L. (Gast)


Lesenswert?

Dieter P. schrieb:
>> Bild sim_serie.png
> Die Spulen L1 11,45uH und hier L3 7,15uH im Beispiel sind nicht
> miteinander gekoppelt, das muss man dann schon eingeben mit K.

Dieter, das sollen sie auch nicht! Das eine (7.15µH) ist die 
Teilinduktivität bis zur Anzapfung, die in der gemessenen Schaltung 
wirksam ist. Das andere sind irgendwelche parasitären Effekte, die sich 
wie eine Induktivität verhalten. Diese sind nicht mit der 
Spuleninduktivität gekoppelt.

Eine Spule mit Anzapfung ist ein Spartransformator, siehe 
https://de.wikipedia.org/wiki/Spartransformator

Man kann das entweder so betrachten, dass man nur die Teilinduktivität 
bis zur Anzapfung sieht, dann muss man für die Berechnung die 
Schwingkreiskapazität um das Induktivitätsverhältnis 
"hinauftragsformieren" - so wie man beim Ausgangsübertrager Widerstände 
transformiert. Oder man teilt die Induktivität auf, dann kommt die 
Restinduktivität der übrigen Windungen auf die Seite der Kapazität, die 
ihren tatsächlichen Wert behält, und die beiden Teilinduktivitäten 
werden miteinander gekoppelt.

Die 7.15µH resultieren aus dem Anzapfungsverhältnis. Daraus ergibt sich 
mit der Resonanzfrequenz die Kondensatorkapazität. Die 11.45µH ergeben 
sich aus den 7.15µH und dem Verhältnis von Frequenz des gemessenen 
Dämpfungspols zur gemessenen Resonanzfrequenz.

Das alles ist doch nicht wegzudiskutieren, strittig sind allein die 
Messungen selber! Allerdings: Die Messkurven sind durch diese paar 
Bauteilewerte zwanglos zu erklären - was mich wundern würde, wenn das 
Meßgerät würfeln würde.

von Zeno (Gast)


Lesenswert?

Josef L. schrieb:
> Wieso gehen die Kurven nach der resonanz nicht wieder auf Null?
Könnte es sein das daß erst weiter rechts passiert?
Ich schrieb ja das ich mit dieser Spule Nebenresonanzen habe, d.h. die 
Doppelspule hat bei hohen Frequenzen ein anderes unerwünschtes 
Verhalten. Warum das so ist weis ich noch nicht. Das können zum einen 
Koppeleffekte sein oder aber eben auch die im Versuchsaufbau 
unvollständige Beschaltung ohne Antennenabstimmung.
Ich mache mich da aber erst mal nicht heiß es ist halt wie es ist und 
ich warte erst mal den vollständigen Aufbau. Da kann ich ja noch mal 
messen. Schlußendlich ist für mich allerdings die finale Hörprobe 
interessant, wenn die gut ausfällt ist das für meine Zwecke völlig 
ausreichend. Ich will mit dem Detektor ja keine Wobbelbilder schauen 
sondern Radio hören. Vielleicht stört ja auch der lose Messaufbau.
Und nein ich werde die Spule auch nicht in eine vorhandene Mikrowelle 
stellen, da dies an der Realität völlig vorbei geht.
Vielleicht würde ja sogar eine ordentliche Antennennachbildung schon 
Besserung bringen.

Josef, Deine nicht erwartungsgemäßen Messergebnisse, kommen weder von 
den Anzapfungen der Spule noch von irgendwelchen Störungen, so daß der 
Messaufbau in einen Faraday'schen Käfig muß. Die Ursache liegt an der 
Messmethode. Prinzipiell wird eine Messung mit Nano möglich sein, 
allerdings nicht mit dem Aufbau wie Du ihn gemacht hast.
Du wirst um eine Antennennachbildung (z.B. hier 
https://www.radiomuseum.org/forum/ersatz_antenne_fuer_lmk_dummy_antenna.html) 
nicht herumkommen. Evtl. ist am Ausgang des Nano auch noch ein Tiefpass 
erforderlich. Die Frequenzen im Nano werden sehr wahrscheinlich digital 
erzeugt und da sind die Signale eher oberwellenreich.
Wie man das mit dem Nano richtig macht kann ich Dir nicht sagen, da mußt 
Du Leute fragen die sich mit dem Nano bis ins kleinste Detail auskennen.
Es muß eine Ursache haben das Du keine scharfe Selektionskurve 
hinbekommst bzw. Das Du einen zweiten verrauschten Resonanzpunkt siehst 
der zudem noch anders herum ist.
Selbst bei meinen oben gezeigten Kurven, da wo es nicht auf Null geht, 
kommt noch mal eine ausgeprägte Resonanzspitze. Danach geht es dann auf 
Null. Ich hätte es darstellen können aber dann sieht man die unten 
eingeblendeten Referenzmarken nicht mehr richtig.

von OMG (Gast)


Lesenswert?


von Josef L. (Gast)


Lesenswert?

Zeno schrieb:
> Es muß eine Ursache haben das Du keine scharfe Selektionskurve
> hinbekommst bzw. Das Du einen zweiten verrauschten Resonanzpunkt siehst
> der zudem noch anders herum ist.

Erstens habe ich eine scharfe Resonanz. Sie ist nur durch die Bedämpfung 
mit dem Vorwiderstand etwas verbreitert. Ist doch logisch! Aber je höher 
ich den Vorwiderstand mache, umso niedriger ist zwar die Belastung, umso 
weniger wird die Spulengüte verschlechtert, aber umso niedriger ist auch 
die Eingangsspannung, umso verrauschter die Ergebnisse! Deswegen messe 
ich normalerweise den Parallelkreis in Serie und kann die Resonanz an 
S11 ablesen.

Das mit dem "andersrum" ist doch nicht unverständlich! Die Hauptresonanz 
ist die Parallelresonanz zwischen den beiden Schwingkreiselementen. Die 
Nebenresonanz ist die Resonanz mit der Streuinduktivität, und das ist 
eine Serienresonanz! Dadurch wird die Schaltung niederohmig, und das ist 
so wie es geschaltet ist ein Kurzschluss, die Eingangsspannung und damit 
was gemessen wird geht runter fast auf Null. Im normalen Aufbau kann man 
da immer einige 10nH ansetzen. Frage ist: Warum wird das bei Anzapfungen 
immer höher und ist bei 50% am höchsten? Wund warum bei jeder Spule 
irgendwie anders?

OMG schrieb:
> Hier geht es wieder um das nano Problem......

Ich wollte das alles jetzt hier raus haben und die Beitragsfolge auf den 
ursprünglichen Sinn zurückführen. Also wenn, dann dort 
weiterdiskutieren!

Da ich an meine Messungen glaube, und alle ausprobierten Schwingkreise 
OHNE Anzapfungen völlig normale Messungen liefern, und zwar umso 
genauer, je kleiner die Spulen sind, und zwar unabhängig davon ob im 
Faradaykäfig oder auf dem Wohnzimmertisch (Holz/Keramik), werde ich den 
Detektor so umbauen, dass die Spule keine Anzapfung hat. Detektordiode 
wird am heißen Ende angebracht und eine mit dem passenden 
Innenwiderstand benutzt bzw. mit einer Vorspannung auf einen 
Arbeitspunkt gebracht, der diesem idealen dynamischen Widerstand 
entspricht. Die Antenne wird über den kleinen Drehko entweder auch am 
heißen Ende angebracht - das ist das was ihr Spezialisten "schwache 
Ankopplung" nennt, oder über eine Schwenkspule. Obwohl, die könnte ja 
auch wieder Probleme bringen, aber auch das lässt sich vorher messen.

von Edi M. (edi-mv)


Lesenswert?

Josef L. schrieb:
> Da ich an meine Messungen glaube,

Josef, Messen ist keine Glaubensfrage. "Messen ist Wissen, sagt Lenin !"
(Spruch meines Lehrmeisters). Für Glaubensfragen gibt es Götter im 
Himmel und deren "Bodenpersonal".

Wenn 2 Meßgeräte Durchlaßkurven liefern, die man erwartet, scharfe 
Resonanz, Nebenresonanzen, wenn überhaupt, dann sehr niedrig- aber Ihres 
nicht- ist was faul.
Wie geschrieben- ich denke, sie haben entweder ein ungeeignetes Gerät, 
oder -meine Vermutung- einen ungeeigneten Meßaufbau,
Rein ohmsche Vorwiderstände 3,3 k und 10 KOhm sind schon mal falsch- und 
so verrennen Sie sich.
Die simulierte "Ersatzschaltung" ist eine Krücke, mit der Sie zwar ihre 
Annahme bestätigen können, aber die Annahme beruht eben auf einem 
Meßfehler, den Sie nur vorbildlich genau... simulieren.

Tip: Filter- bzw. Schwingkreis- Resonanzkurven nehme ich mit 2 
Kondensatoren 2pF auf. Nicht ideal, aber ausreichend.
Bei Widerständen kann schon die Wendelung miese Effekte verursachen !

Josef L. schrieb:
> alle ausprobierten Schwingkreise
> OHNE Anzapfungen völlig normale Messungen liefern, und zwar umso
> genauer, je kleiner die Spulen sind,

Eigentlich müßte es umgekehrt sein. Größere Spulen waren in den 20ern 
üblich, ich kenne Zylinderspulen bis etwa 100 mm Durchmesser in einigen 
Röhrenradios, darüber noch ein Alubecher, der gehörigen Abstand zur 
SPule einhalten mußte, das waren 150 mm- Becher !
Und mein T31G hat 120mm Korbboden- Spulen, ganz unten, im boden 
eingebaut.

Die Riesenspulen machte man damals nicht umsonst, Ferrit war noch nicht 
erfunden, und die Trennschärfe war mit den Riesendingern schon recht 
gut, es gab Geräte mit richtig gewaltigen Spulen. Gelegentlich auf 
verlustarmen Körpern, manchmal sogar ohne (Luft).
Die besseren Werte der historischen Riesenspulen sind in der 
Durchlaßkurve dann auch nachweisbar- spitzere und höhere Resonanzspitze.
Daß Nebenresonanzen auftreten können, ist ja möglich.
Das spielte selten eine Rolle, da solche Geräte weitere Abstimmittel 
hatten.

Josef L. schrieb:
> werde ich den
> Detektor so umbauen, dass die Spule keine Anzapfung hat.

Das können Sie selbstverständlich tun- es gibt aber m. E. keinen Anlaß 
dazu.

> Detektordiode wird am heißen Ende angebracht und eine mit dem passenden
> Innenwiderstand benutzt...
> Die Antenne wird über den kleinen Drehko entweder auch am
> heißen Ende angebracht

Sie haben ja meine Durchlaßkurven gesehen, vielleicht das Video 
angesehen... Antenne UND Diode zusammen an der Anzapfung, und diese ist 
weit unten, bei 20 Wdg. von 60, also 1/3, und eine absolut einwandfreie 
Trennschärfe. Ohne Vor- Drehko oder Kondensator.
Bei Ankopplung der Antenne am heißen Ende und höherer Drehko- 
Kapazitäts- Einstellung haben Sie dann doch schon eine ziemliche 
Verstimmung des Schwingkreises.

> Schwenkspule. Obwohl, die könnte ja
> auch wieder Probleme bringen, aber auch das lässt sich vorher messen.

Für die Antenne besimmt eine gute Wahl, und Probleme dürfte es kaum 
geben.
Ich prophezeihe: bei ungeeignetem Meßaufbau werden Sie Probleme sehen, 
die gar nicht das sind.

von Josef L. (Gast)


Lesenswert?

Edi M. schrieb:
> Die simulierte "Ersatzschaltung" ist eine Krücke, mit der Sie zwar ihre
> Annahme bestätigen können, aber die Annahme beruht eben auf einem
> Meßfehler, den Sie nur vorbildlich genau... simulieren.

Solange Sie kein nanoVNA selber in der Hand haben werden Sie es wohl nie 
glauben...

von Edi M. (edi-mv)


Angehängte Dateien:

Lesenswert?

Josef, versuchen Sie mal diese Schaltung. Anstelle Generator den 
Nano-Ausgang, statt Oszi den Nano- Eingang.

Mit diesem Adapter teste ich unbekannte Filter und Schwingkreise, mit 
dem Wobbelsichtgerät, es geht aber auch mit Generator und Oszi, bei 
Resonanz gibt es eben eine schöne Spannungserhöhung 
("Resonanzüberhöhung").

von Edi M. (edi-mv)


Lesenswert?

Josef L. schrieb:
> Solange Sie kein nanoVNA selber in der Hand haben werden Sie es wohl nie
> glauben...

Josef, Ihr Nano zeigt was an, und ich glaube Ihnen, daß er genau das 
anzeigt, was Sie hier beschreiben- aber 2 andere Meßgeräte zeigen das 
an, was zu erwarten ist- also ist was faul.
Da die beiden anderen Geräte das anzeigen, was wir gelernt haben, und 
auch aus der Praxis genau so kennen, ist die Schlußfolgerung, daß Ihr 
Gerät oder der Meßaufbau ungeeignet sind.

von Zeno (Gast)


Lesenswert?

Josef L. schrieb:
> Da ich an meine Messungen glaube,
Genau das ist Dein Problem.

Josef L. schrieb:
> und alle ausprobierten Schwingkreise
> OHNE Anzapfungen völlig normale Messungen liefern, und zwar umso
> genauer, je kleiner die Spulen sind, und zwar unabhängig davon ob im
> Faradaykäfig oder auf dem Wohnzimmertisch (Holz/Keramik) ....
Du suchst Fehler an Stellen wo keine sind. Es liegt an Deinem Messaufbau 
der für diese Messungen ganz offensichtlich ungeeignet ist. Das sagen 
nicht nur Edi und ich, sondern auch alle Leute in diesem Thread 
Beitrag "Kann man einen Parallelschwingkreis mit einem nanoVNA ausmessen und die Ergebnisse nachvollziehen?". Die 
geben Dir sogar sehr detailiert Hinweise woran es liegen könnte. Statt 
die Hinweise ernst zu nehmen ignorierst Du beharrlich alle Hinweise und 
versuchst Deine Messungen schön zu reden. Sieh es endlich ein, der 
Hauptfehler ist nicht Deine Spule mit den Anzapfungen, der Fehler 
scheint wie so oft vor dem Monitor zu sitzen.
Das auch Spulen mit Anzapfungen astrein funktionieren, zeigen meine 
Messungen (s.hier Beitrag "Re: Ostern- Vielleicht mal wieder Detektorempfänger ?") 
an meinem kleinen Detektor und das komplett ohne irgendwelche 
Optimierungen.

von Edi M. (edi-mv)



Lesenswert?

Edi M. schrieb:
> Mit diesem Adapter teste ich unbekannte Filter und Schwingkreise, mit
> dem Wobbelsichtgerät, es geht aber auch mit Generator und Oszi, bei
> Resonanz gibt es eben eine schöne Spannungserhöhung
> ("Resonanzüberhöhung").

Dazu Bilder.

Ein Schwingkreis eines FM- ZF- Bandfilters ist an den Meßaufbau 
angeschlossen, es wird mit einem kleinen 2 pF- Kondensator eingekoppelt, 
ein zweiter 2 pF koppelt die HF aus, am Verbindungspunkt ist der 
Schwingkreis des Filters angeschlossen, der andere Anschluß nach Masse.

(die Kondensatoren können natürlich auch größer bemessen werden, sofern 
sie nicht die Resonanz stark verschieben)

von Hp M. (nachtmix)


Lesenswert?

Edi M. schrieb:
> Kapazitätsmeßgeräte sind nicht dazu gedacht, RC-
> Parallelschaltungen zu messen.

Richtige RLC-Meßbrücken können auch das, aber eben nicht die Billigware 
aus dem Baumarkt, die auch einen Kapazitätsbereich hat und in 
Wirklichkeit mittels Sägezahngenerator die Ladezeit des Prüflings bis 
auf eine bestimmte Spannunng misst.

von Zeno (Gast)


Lesenswert?

Hp M. schrieb:
> Richtige RLC-Meßbrücken können auch das, aber eben nicht die Billigware
> aus dem Baumarkt, die auch einen Kapazitätsbereich hat und in
> Wirklichkeit mittels Sägezahngenerator die Ladezeit des Prüflings bis
> auf eine bestimmte Spannunng misst.

Na klar können die das, aber die gibt es eben nicht, wie Du schon 
geschrieben hast, für n'en Appel und ein Ei.
Das ist wie Nano VNA und ein Messgerät von R&S für den gleichen 
Einsatzzweck.

von Josef L. (Gast)


Lesenswert?

Edi M. schrieb:
> Josef, versuchen Sie mal diese Schaltung. Anstelle Generator den
> Nano-Ausgang, statt Oszi den Nano- Eingang.

Edi, das ist lieb gemeint, danke für das bemühen meinem Verstand auf die 
Beine zu helfen. Aber: Mit Sicherheit hat ihr Oszi 1Megohm+30pF am 
Eingang. Oder auch weniger pF. Aber keine 50 Ohm!

Die 2pF + 2pF bilden einen frequenzabhängigen Spannungsteiler:

100kHz  800kOhm
1MHz     80kOhm
10MHz     8kOhm
100MHz  800Ohm

Das 455k-Filter mit 200pF Kreiskondensator hat in Resonanz eine Impedanz 
von 1.75kOhm, bei einer Güte von 70 mit Resonanzüberhöhung ca. 120kOhm, 
während die beiden 2pF-Kondensatoren je 175kOhm mitbringen. Wirksam ist 
nur die Last auf der generatorseite, die Güte des Schwingkreises wird 
durch die Parallelschaltung der 175k zu den 120k auf etwa 40 gesenkt. 
Auf der Osziseite sind ja die 1Megohm des Oszis mit drin, das ist ein 
Spannungsteiler 1M:1.175M.

Das von mir gemessene 10.7MHz-Filter hat 55pF und damit in Resonanz 270 
Ohm, bei angenommener Q=70 dann 19kOhm mit Spannungsüberhöhung, die 
beiden 2pF wirken wie 7.4kOhm. Hier wird das Filter stärker bedämpft, Q 
sinkt auf 20 ab. Der Spannungsteiler 1M:1.0074M ist praktisch 1.

Mit dem nano und seinem 50Ohm-Eingang ist es was anderes, hier bekomme 
ich am Eingang einen Spannungsteiler von 50:120050 bzw. 50:7450 Ohm, 
also Reduzierung um 67.6 bzw. 43.0dB - beides ist mit dem gerät machbar, 
ich messe das und stelle es hier vor, auch wenn ich es eigentlich hier 
raushalten wollte. Aber ich bin für den Vorschlag sehr dankbar.

von Zeno (Gast)


Angehängte Dateien:

Lesenswert?

Josef L. schrieb:
> Edi, das ist lieb gemeint, danke für das bemühen meinem Verstand auf die
> Beine zu helfen. Aber: Mit Sicherheit hat ihr Oszi 1Megohm+30pF am
> Eingang. Oder auch weniger pF. Aber keine 50 Ohm!
Hallo Josef,
die Tastköpfe des Wobblers sind nicht so hochohmig wie Du glaubst. Ich 
habe gerade mal in den Unterlagen zu meinem Wobbler nachgeschaut. Da 
gibt es orginal 2 Detektorköpfe. Der eine hat direkt 50Ohm am Eingang , 
dann kommt die Gleichrichterdiode und ein Glättungskondensator - 
praktisch also ein Detektorempfänger. Der zweite TK ist etwas 
hochohmiger aber auch noch deutlich unter 1MOhm (das Schaltbild von dem 
TK habe ich mal mit angehangen). Mit dem "hochohmigen" TK habe ich die 
Filterkurve eine 10,7Mhz Keramikfilters aufgenommen (2.Bild) Ausgang des 
Woblers (50Ohm) direkt an den Filtereingang und den "hochohmigen" TK 
direkt an den Ausgang des Filters.
Beim Wobbler ist die Eingangskapazität des Y-Verstärkers eher von 
untergeordneter Bedeutung. Dieser Eingang bekommt ja i.d.R. nur das 
Demodulatorsignal also eine Gleichspannung. Der Y-Verstärker ist bei 
meinem Wobbler auch nicht sehr aufwendig gemacht. Eigentnur ein 
einfacher OPV. Der Frequenzgang ist auch nicht berauschend. Der schafft 
keine 100kHz. Braucht er auch nicht, die Wobbelfrequenz beträgt bei 
meinem Wobbler maximal 10Hz. Mit anderen Worten der Frequenzbereich wir 
eher gemächlich durchfahren.
Das bloß mal so, damit mal eine Vorstellung von den Größenordnungen 
bekommst.

von Zeno (Gast)


Lesenswert?

Zeno schrieb:
> Eigentnur

= Eigentlich

von Josef L. (Gast)


Lesenswert?

Zeno schrieb:
> Der eine hat direkt 50Ohm am Eingang ,

Das must du bitte genauer erklären: Ist da ein echter 50-Ohm-Widerstand 
vom Eingang gegen Masse geschaltet und daran die Diode? Oder meinst du 
nur, dass da eine BNC- oder was auch immer für eine 50-Ohm-genormte 
Buchse dran ist, von der aus es mit der Diode weitergeht? Das sind dann 
nämlich keine 50 Ohm, sondern grob ein T-Tiefpass mit je 10nH 
Induktivitäten zu beiden Seiten und einer Kapazität von 0.5pF gegen 
Masse (Werte grob geschätzt, findet man aber in der Literatur, die 
Verbindungen sind ja genormt. Die Buchse ist sozusagen ein 
Durchführungskondensator mit je einer Mini-Induktivität bestehend aus 
den anteiligen Teilen des Röhrchens. Nur weil da ein mit 50 Ohm gnormtes 
teil da ist, ist nicht alles gleich 50 Ohm. Wie gesagt, ich gehe davon 
aus dass du das weißt, aber es kann Mitleser geben denen das noch was 
bringt.

von Zeno (Gast)


Lesenswert?

Josef L. schrieb:
> du bitte genauer erklären: Ist da ein echter 50-Ohm-Widerstand
> vom Eingang gegen Masse geschaltet und daran die Diode?

Ja genau so ist es. Denk Dir bei der hier 
Beitrag "Re: Ostern- Vielleicht mal wieder Detektorempfänger ?" 
gezeigten Schaltung alles weg, bis auf D1, D2 und C2. Die Diode D1 
ersetze dann durch einen 50Ohm Widerstand und schon ist der Tastkopf 
fertig. Der hat nur 3 Bauelemente.

von Zeno (Gast)


Angehängte Dateien:

Lesenswert?

Josef L. schrieb:
> Oder meinst du
> nur, dass da eine BNC- oder was auch immer für eine 50-Ohm
Ich mache schon noch (immer) einen Unterschied zwischen einer 50Ohm 
Buchse und einer echten 50Ohm Impedanz. 50Ohm Buchsen kann ich überall 
dran bauen, das hat mit 50Ohm erst mal wenig zu tun.
Falls es Dich interessiert habe ich mal 2 Fotos von dem Teil angehangen. 
Alles sehr massiv. Da kann man wahrscheinlich mit dem Panzer drüber 
fahren

von Josef L. (Gast)


Lesenswert?

Zeno schrieb:
> Ich mache schon noch (immer) einen Unterschied zwischen einer 50Ohm
> Buchse und einer echten 50Ohm Impedanz.

Ich habe grade mal die vorhandenen Abschlusswiderstände mit dem düwi 
gemessen: Hameg 50.1Ω, nano 50.4Ω, Eigenbau (Metallfilm 1%) 49.9Ω. Und 
ich bin ziemlich sicher, dass die oft diskutierten Qualitätsunterschiede 
zum Großteil in den Bereich "Verschwörungsmythen" ala vergoldete 
Lautsprecherstecker gehören. Durchmesser Innen/Außenleiter lassen sich 
nachmessen, Dielektrizitätskonstanten unterscheiden sich bei den 
verwendeten Materialien wenig, und die Größe spielt ja auch eine Rolle. 
Auf den 1-2 cm tut sich nicht viel. Zumindest nicht bei Frequenzen bis 
30MHz. Darüber spielt vor allem der Widerstand und seine 
Frequenzabhängigkeit eine Rolle. Wer natürlich bei über 3GHz unterwegs 
ist (das nano geht bis 4.4GHz) braucht schon was Besseres.

von Edi M. (edi-mv)


Lesenswert?

Josef L. schrieb:
> Edi, das ist lieb gemeint, danke für das bemühen meinem Verstand auf die
> Beine zu helfen. Aber:

Josef, das kein Update für Ihren Verstand, und statt einem Aber und dem 
Text hätten Sie das mal schnell zusammenstöpseln können.

Warum sollten Sie das tun ?
Weil Ihr Nano ja nicht mal bei einem Filter saubere Durchlaßkurven 
hinbekommt.
Geschweige denn den Detektor mit angezapfter Spule.

Ihrer Beschreibung nach ist angezapfte Spule schlecht.
Die Durchlaßkurve des Uralt- Equipments und Zenos auch nicht greda 
neeuem Geräts sagt was anderes, und mein Video können Sie ja mithören- 
es funktioniert top.

von Zeno (Gast)


Lesenswert?

Josef L. schrieb:
> Ich habe grade mal die vorhandenen Abschlusswiderstände mit dem düwi
> gemessen: Hameg 50.1Ω, nano 50.4Ω, Eigenbau (Metallfilm 1%) 49.9Ω.
Solange die Widerstände induktivitäts- bzw. kapazitätsarm - auch bei 
hohen Frequenzen - sind, ist doch alles gut. Auf 0,1Ohm hoch oder runter 
kommt es doch auch nicht an, zumindest nicht im Amateurbereich.
Alles was über ein GHz ist da schon ine andere Hausnummer, da spielt 
jeder Schnippel (mm) Draht ne Rolle, weil das bei diesen Frequenzen 
schon eine nennenwerte Intuktivität oder in Verbindung mit einer 
Metallfläche eine Kapazität darstellt.
Wenn man mal einen Antennenverstärker für UHF-Fernsehfunk gebaut hat, 
dann sollte das eigentlich klar sein. Da ist die 
"Spulenwickelvorschrift" eine mechanische Bauanleitung die man auch 
tunlichst einhalten sollte. Schau die mal einen alten UKW-Tuner an - 
Spulen mit 2 Wdg. CuAg. Wenn man da eine Windung leicht verdrückt ist 
der Sender weg.
Schau Dir die Bilder von dem TK an den ich gepostet habe. HF-dichtes 
Metallgehäuse und auch die verbauten Bauelemente dürften relativ 
verlustarm sein. Die Diode (das Glasteil) dürfte da noch die meisten 
Verluste haben und die Güte runter ziehen. Der C (rechts) ist schon 
recht nah an unseren heutigen SMD-Bauelementen. Wie gesagt das Teil 
Anfang der 80'ziger gebaut.

von Zeno (Gast)


Lesenswert?

Edi M. schrieb:
> Weil Ihr Nano ja nicht mal bei einem Filter saubere Durchlaßkurven
> hinbekommt.
> Geschweige denn den Detektor mit angezapfter Spule.
Ein paar Dinge sind ja jetzt in einem anderen Thread mehr oder weniger 
geklärt worden. Die Kurven von Josef sehen ga nicht so schlecht aus, 
wenn mal den Messbereich etwas einschränken würde - 100MHz für ein 
455kHz Filter ist einfach daneben. Für so hohe Frequenzen ist das Teil 
nicht ausgelegt und da kommen dann Effekte zum tragen die man nicht 
irklich haben möchte. Dann müßte man die Kurven noch etwas glätten und 
so das Rauschen wegnehmen, dann wären die Kurven gar nicht so schlecht.
Zum Einkoppeln in das Filter dann noch an Stelle des R einen kleinen C 
und alles wäre gut.

von Edi M. (edi-mv)


Lesenswert?

Zeno schrieb:
> Die Kurven von Josef sehen ga nicht so schlecht aus,
> wenn mal den Messbereich etwas einschränken würde - 100MHz für ein
> 455kHz Filter ist einfach daneben. Für so hohe Frequenzen ist das Teil
> nicht ausgelegt und da kommen dann Effekte zum tragen die man nicht
> irklich haben möchte.

Dem kann ich nur zustimmen.
Vor allem schreibt genau das auch der Hersteller des Uralt- Wobblers, 
und wahrscfheinlich auch der Hersteller Ihres Wobblers: Der hub sollte 
ausreichend gering sein.
Faustregel(BWS1- Wobbler): Der Hub ist richtig, wenn sich die Höhe der 
wobbelkurve nicht mehr (oder nur gering) ändert.
Logisch- bei großem Hub hat der Schwingrkreis zu wenig Zeit, sich 
einzuschwingen- eine Kurve wird aber immer noch dargestellt.
Und Frequenzen weit über der Frequenz eines Filters sollten ja schon mal 
nicht vorkommen. Und auch beim Detektor sorgt man ja eigentlich dafür- 
schon mal mit der Antenne- und im Störungsfalle durch starke Sender eben 
durch Hilfsmittel.

Und die Beschaltung einer Testanordnung sollte den Verhältnissen 
Rechnung tragen- induktionsarme Widerstände sind eine Option- und eben 
auch die korrekte Bemessung.
Weil ich damit Schwierigkeiten hatte, nahm ich die einfache 
Testschaltung, und die funktioniert, sowohl mit dem Uralt- Gerät, als 
such mit dem W&G- Transistor- Pegelmeßplatz/ Wobbler "PSM5" (der 
allerdings auch schon sehr betagt ist), sowie mit HF- Generator (R&S 
"SMLR").

von Josef L. (Gast)


Lesenswert?

Edi M. schrieb:
> ...hätten Sie das mal schnell zusammenstöpseln können.

Das kommt noch!

> Weil Ihr Nano ja nicht mal bei einem Filter saubere Durchlaßkurven
> hinbekommt. Geschweige denn den Detektor mit angezapfter Spule.

Wo haben Sie das gesehen? Wo sind bei meinen Messungen "keine sauberen 
Durchlasskurven"? Bitte zeigen!

@zeno
> 100MHz für ein 455kHz Filter ist einfach daneben.
Es geht doch nicht primär um das ZF-Filter. Bei bandfiltern herrschen 
evtl. andere Verhältnisse, die habe ich nicht getestet und das würde zu 
weit vom Thema weggehen. Ausgangspunkt war die Spule im Detektor, mit 
Anzapfung. Die beiden ZF-Filter habe ich doch nur gemessen weil es grade 
vorhandene Spulen mit Anzapfung waren! Natürlich ist die Spule im 
Detektor aktuell nur für den MW-Bereich gedacht und sollte dort 
funktionieren, und meine Messungen zeigen da - auch wenn Edi es nicht 
wahrhaben will - aufs i-Tüpfelchen das erwartete Verhalten, die 
Gesamtspule betrachtet. Sogar bis 100 MHz, auch wenn sie da gar nicht 
gebraucht wird. Mit Anzapfung tut sie aber nicht was sie soll, 
allerdings lässt sich das Verhalten durch eine größere 
Schaltinduktivität erklären. Wenn die tatsächlich vorhanden ist, nützt 
die ganze Selektivität im MW-Bereich nichts, weil über die Antenne und 
den Schwingkreis ein mehere MHz breiter Empfansbereich im KW-Gebiert auf 
die Diode einströmt und nicht wegzubekommen ist. Das war meine Vermutung 
und ist durch die Messung bestätigt worden! Wieso sollte ich keine 
Messung über den Bereich, für den die Spule gedacht ist, hinaus machen 
dürfen? Weil sich dann zeigt, dass sie dafür nicht geeignet ist, was wir 
alle schon wußten?

von Zeno (Gast)


Lesenswert?

Josef L. schrieb:
> Sogar bis 100 MHz, auch wenn sie da gar nicht
> gebraucht wird. Mit Anzapfung tut sie aber nicht was sie soll,

Löse Dich bei der Detektorspule von den 100Mhz, es sei denn Du willst 
einen UKW-Detektor bauen.
Die Spule wird auch mit Anzapfung das tun was sie tun soll, wenn man sie 
in dem Bereich betreibt, für den sie vorgesehen ist - in Deinem Fall 
also MW.

Edi hat schon recht, wenn er schreibt:
Edi M. schrieb:
> Und die Beschaltung einer Testanordnung sollte den Verhältnissen
> Rechnung tragen- induktionsarme Widerstände sind eine Option- und eben
> auch die korrekte Bemessung.

von Edi M. (edi-mv)


Lesenswert?

Josef L. schrieb:
> Wenn die tatsächlich vorhanden ist, nützt
> die ganze Selektivität im MW-Bereich nichts, weil über die Antenne und
> den Schwingkreis ein mehere MHz breiter Empfansbereich im KW-Gebiert auf
> die Diode einströmt und nicht wegzubekommen ist. Das war meine Vermutung
> und ist durch die Messung bestätigt worden!

Und warum funktioniert mein Aufbau -den ich ja extra für Sie zum 
Vergleich aufgebaut habe- einwandfrei ???

Ich kann nur vermuten, daß an Ihrem Aufbau, wahrscheinlicher jedoch an 
Ihrem Meßaufbau etliches nicht stimmt.

Sie versuchen jedoch, durch Messungen mit ungeeignetem Aufbau oder 
Equipment einen Fehler zu bestätigen, der wahrscheinlich nicht 
existiert, und dazu noch mit Simulationen, die genauso ungeeignet sind.
Wie schon mit Ihren Kondensator, wo sie eine bekannte Fehlmessung als 
absolut korrekt und umumstößliche Tatsache präsentieren, und dazu noch 
in die Simulation einen Kondensator einsetzen, der seine Plattengröße 
einfach mal so erhöht hat.
Genauso messen Sie nun falsch, mit schlechtem Meßaufbau -widerstände, 
hoher Widerstandswert, und noch schlechteren Einstellungen, nämlich 
riesigem Hub und damit hohen Frequenzen.
Gleiches bei den Filtern. Resonanzkurve, danach Spitze nach unten, bei 
hohen Frequenzen.
Die Simulation mit dem riesigen Kondensatorwert 10nF, die Begründung der 
Kapazitäts- Transformation... was ist das ? Das ist keine Simulaton 
eines realen Aufbaus, sondern einer Zusammenstellung, die das Verhalten 
liefert, was Sie wollen. Das ist genauso Quark, wie der gewachsene 
Papierkondensator..

Lassen Sie Nano und Simulator beiseite, beschäftigen Sie sich mit dem 
Detektorempfänger. Das haben schon unsere Vorfahren gemacht- Basteln 
ohne sowas.

Daß die Anzapfung der Detektorspule aufgrund der geringeren Dämpfung 
eine besserer Kreisgüte, und damit eine höherere Trannschärfe bewirkt, 
dürfte außer Ihnen kaum jemand bestreiten. Und im Video ist es auch gut 
zu hören.
Und auch die Durchlaßkurve sieht gut aus.

So trennscharf sollte sein, gern besser.
Das sollten Sie ja auch erreichen können- vielleicht mit anderen Anzapf- 
Punkten, und verschiedenen Punkten für Antenne und Detektor, auch bei 
mir funktionierte es nicht mit allen möglichen Varianten.
Und Sie können die schon beschriebenen Hilfsschaltungen einsetzen, die 
man schon vor 100 Jahren verwendete.

von Josef L. (Gast)


Lesenswert?

Edi M. schrieb:
> Daß die Anzapfung der Detektorspule aufgrund der geringeren Dämpfung
> eine besserer Kreisgüte, und damit eine höherere Trannschärfe bewirkt,
> dürfte außer Ihnen kaum jemand bestreiten.

DAS genau habe ich nie bestritten! Wo denn? Wegen der höheren 
trennschärfe und besseren Anpassung habe ich doch die 2 Schalter mit je 
6 Stellungen und eine Spule mit 6 Anzapfungen gebaut!

Ich sage nur, dass bei meinem Aufbau, sobald ich eine Anzapfung der 
Spule benutze, Nebenresonanzen reinkommen. An den Messungen die ich 
gezeigt habe ist eindeutig zu erkennen, dass die gewünschte und 
eingestellte Resonanzkurve viel schmäler wird, dass aber bei höheren 
Frequenzen die Durchlasskurve wieder ansteigt.

Wenn Sie das nicht messen können, dann messen Sie entweder aus Prinzip 
nicht den fraglichen Frequenzbereich, oder Ihr Aufbau ist besser als 
meiner. Das kann ja auch sein.

von Edi M. (edi-mv)


Lesenswert?

Josef L. schrieb:
> Wenn Sie das nicht messen können, dann messen Sie entweder aus Prinzip
> nicht den fraglichen Frequenzbereich, oder Ihr Aufbau ist besser als
> meiner. Das kann ja auch sein.

Ich habe bis 50 MHz gemessen- das müßten Sie schon 2mal gelesen haben.
Noch höher wäre ja nun völlig daneben.

Aber ich denke, Sie packen Nano und Simulator beiseite, und machen das, 
was Detektorempfänger seit 100Jahren machen: Störungen eliminieren.
Sonst diskutieren wir noch bis zum nächsten Osterfest über Nano und 
Simulator.

Nächste Woche habe ich Urlaub, da werde ich Feldversuche -im Freien- mit 
den Detektoraufbauten machen, der neue Kristall für weitere Versuche 
("negativer Widerstand") ist bestellt, aber das dauert noch.

Dieser Beitrag ist gesperrt und kann nicht beantwortet werden.