Forum: Projekte & Code Transistortester AVR


Announcement: there is an English version of this forum on EmbDev.net. Posts you create there will be displayed on Mikrocontroller.net and EmbDev.net.
von Karl-Heinz K. (kubi48)


Lesenswert?

Hallo zusammen,
ich habe den Transistortester von Markus F. (Version 2.1) erfolgreich 
nachgebaut.
Da ich mich etwas mit der AVR-Programmierung auskenne, habe ich den 
Quellcode analysiert und verändert.

Die wichtigsten Änderungen sind:

Entfernung aller Texte und Parameterdaten aus dem EEprom in den 
Programmspeicher.(Vorteil: Programmierung in einem Rutsch, es kann nicht 
mehr dazu kommen, daß EEprom und Flash-Speicher nicht zueinander passen)

Für die Kapazitätsmessung wird die Zeitmessung mit dem Timer1 des AVR 
zusammen mit dem Komparator durchgeführt. Speziell für kleine 
Kapazitäten konnte ich so eine deutliche Steigerung der Messgenauigkeit 
erzielen.

Die Bestimmung des Verstärkungsfaktors bei Transistoren (hFE) wird
gegebenenfalls (kleine Verstärkungsfaktoren bei Leistungstransistoren)
auch in den Kollektorschaltung (Emitterfolger) bestimmt.

Aus dem geänderten Quelltext kann immer noch eine abgespeckte Version
für 4K Flash Speicher gebaut werden.

Ich würde gerne die Version für andere Interessierte zur Verfügung 
stellen. Vielleicht hat jemand Tipps für mich, wie ich das machen kann.

Viele Grüße
K.-H. Kübbeler

von Elektor (Gast)


Lesenswert?

Hier veröffentlichen ?

von Karl-Heinz K. (kubi48)


Lesenswert?

Selbstverständlich würde ich auch hier veröffentlichen.

Die Frage ist nur wie?
Einfach als gepackter tar-File als Anhang?

Die C-Files scheinen mir doch etwas lang zu sein.

Allerdings habe ich den Quellcode nicht komplett neugeschrieben, halt 
nur verändert!!

Karl-Heinz

von ... (Gast)


Lesenswert?

Karl-Heinz Kübbeler schrieb:
> Einfach als gepackter tar-File als Anhang?

ZIP-Format ist wohl deutlich verbreiteter ...

von bingo (Gast)


Lesenswert?

ZIP dürfte jeder entpacken können. TAR ist in der Windows-Welt nicht 
sehr verbreitet, 7-ZIP kann das aber auch.

von Karl-Heinz K. (kubi48)


Angehängte Dateien:

Lesenswert?

Hier habe ich mal die Zip-Datei meines Sourcecode-Pfades.
Die übersetzten Objekt-Dateien und Hex-Dateien für ATmega8 in deutscher
Version sind auch dabei.

Ich übersetze mit GCC in einer cycwin Umgebung.
Lediglich zum Brennen benutze ich das AVR-Studio 4.

Bisher konnte ich längst nicht alle Funktionen testen, da es mir an 
Bauteilen mangelt. Mein TRIAC erreicht offenbar nicht den nötigen 
Haltestrom. Einige FETs habe ich gar nicht usw.

Getestet habe ich mit einem 4x20 LCD-Display.
Es kann sein, daß ein paar Ausgaben zu lang sind, ich glaube bei den 
Dioden wird bei der Erkennung die Anzahl vorweggeschrieben. Muß ich 
gelegentlich noch mal ändern.
Ich vergaß noch zu erwähnen, dass bei der Widerstandsmessung auch Potis 
angeschlossen werden können. Der sinnvolle Meßbereich für Widerstände 
beträgt etwa 5 Ohm bis 50 MOhm.
Getestet habe ich mit einem ATmega8L mit 1MHz internem Taktgenerator.

von Alexander S. (esko) Benutzerseite


Lesenswert?

Optimal wäre es, sich mit Markus Frejek abzusprechen, und die Änderungen 
ins SVN einzupflegen:
http://viewvc.coremelt.net/viewvc/avr/semiconductor_tester/

Kontakt Markus Frejek (5volt):
http://www.mikrocontroller.net/user/show/5volt

von Hubert G. (hubertg)


Lesenswert?

Ich habe die SW mal getestet, sieht soweit gut aus. Allerdings habe auch 
ich nicht alles zum probieren.
Ein Problem habe ich allerdings mit den Kapazitäten. Mit fünf 
verschiedenen Mega8 bekomme ich fünf unterschiedliche Werte.
Kondensator 33,2n
Ergebnis 35,84n, 35,09n, 35,74n, 33,07n, 33,92n
Ein 100µ Elko zeigt von 115µ bis 104µ an mit ähnlicher Abstufung.
Könnten da Oszillatortoleranzen mitspielen?

Ich habe versucht die Werte für die Kondensatoren im AVR-Studio 
anzupassen, es lässt sich allerdings nicht kompilieren.
../ReadCapacity.c:18:39: error: expected ')' before 'ovcnt'
../ReadCapacity.c:22:27: error: expected ')' before 'HighPin'

Habe allerdings noch nicht nachgeschaut wo es spießt.

von Karl-Heinz K. (kubi48)


Lesenswert?

Hallo Hubert G.
Die Toleranzen bei der Kapazitätsmessung liegen neben der Toleranz des 
Oszillators auch an der Toleranz der internen Spannungsreferenz
(nominell 1.3V), die vom Komparator verwendet wird.
Die Oszillator-Toleranz ließe sich mit der Verwendung eines externen 
Quarzes kleiner halten. Die Toleranz der internen Referenz kann leider
nur durch Anpassung im Quelltext (main.c) ausgeglichen werden.
Da es sich aber um Exemplarstreuung handelt, muss man das hoffentlich
nur einmal machen.
Das mit dem Quelltextfehler tut mit leid, mein gcc 4.1.2 hat den
Quelltext so gefressen.
Ich habe aber auch noch zahlreiche Debug-Ausgaben im Quelltest
(meist auf Zeilen 3 und 4) die mit #defines in main.c eingeschaltet 
werden können.
Die Sequenzen mit #if DebugOut .... #endif können ohne Funktionsverlust
aus dieser Testversion entfernt werden.

mfg
Karl-Heinz

von Vlad T. (vlad_tepesch)


Lesenswert?

Karl-Heinz Kübbeler schrieb:
> Entfernung aller Texte und Parameterdaten aus dem EEprom in den
> Programmspeicher.(Vorteil: Programmierung in einem Rutsch, es kann nicht
> mehr dazu kommen, daß EEprom und Flash-Speicher nicht zueinander passen)

da gibts wohl clevere Varianten. Zb vorhalten von defaults im Flash, die 
bei corruptem EEPROM geschrieben werden.

Karl-Heinz Kübbeler schrieb:
> Ich würde gerne die Version für andere Interessierte zur Verfügung
> stellen. Vielleicht hat jemand Tipps für mich, wie ich das machen kann.

warum postest du das nicht in dem Transistortester-Thread.
sinnvolle Änderungen werden sicherlich auch in die "offizielle" Version 
übernommen.

von Karl-Heinz K. (kubi48)


Lesenswert?

Noch ein kleiner Nachtrag,

ich habe meine Testversion um eine Kapazitätsmessung von Einzeldioden in 
Sperr-Richtung ergänzt.
Die gemessenen Werte schwanken je nach gemessener Diode zwischen
7pF (1N4148) und 5039pF (Basis-Emitter von BU508A).

Grüße
Karl-Heinz

von Michael D. (mike0815)


Lesenswert?

Hallo Karl-Heinz,
ist in deiner Version auch die Spanungsanzeige(nach jeder Messung) für 
Akku, bzw. Batteriebetrieb implementiert?
Das mit dem externen Takt hatte ich schon mal vorgeschlagen, hatte aber 
keinen "Anklang" gefunden! :-(
Es gibt jetzt zig SW-Versionen, eine fortlaufende Versionsnummer als 
Anzeige und File würde mehr Übersicht verschaffen!

Gruß Michael

von Karl-Heinz K. (kubi48)


Lesenswert?

Hallo Michael,
die Spannungsausgabe der Versorgungsspannung erfolgt zu Beginn der 
Messung, überbrückt also die Zeit bis zum Vorliegen des Messergebnis vom 
angeschlossenen Bauteil.
Ich verwende bei meiner Version zur Speisung einen Ready To Use NI-MH
 9 Volt Block (mit geringer Selbstentladung).
Da ich den Standard Spannungsregler 78L05 durch einen MCP1702 (Low 
Droput Voltage) Regler ersetzt habe, würde der Mikrocontroller noch bei 
einer Eingangsspannung von 5.3V die volle Betriebsspannung bekommen.
Damit wäre der Akku im Tiefentladebereich.

Grüße
Karl-Heinz

von Karl-Heinz K. (kubi48)


Lesenswert?

Das mit den Softwareversionen tut mir leid.
Ich hatte begonnen, meine Ideen umzusetzen, ohne mich vorher 
abzusprechen.
Ich fand es aber schade, wenn meine Arbeit an der Weiterentwicklung nur 
von mir selbst genutzt werden sollte.
Vielleicht gibt es ja doch einen Weg, wieder eine Gesamt-Version zu 
bauen.
Die Ausgabe einer Versionsnummer ist sicherlich für dem ATmega8 kein 
Problem, für einen Mikrocontroller mit nur 4K Programmspeicher kämpft 
man aber bald um jedes Byte.

Grüße
Karl-Heinz

von Karl-Heinz K. (kubi48)


Lesenswert?

Hallo Vlad Tepesch,
mir ist auch bei längerem Nachdenken kein wirklicher Vorteil der EEprom 
Lösung eingefallen. Sicherlich hat das EEprom gegenüber dem Flash eine 
um Faktor 10 höhere Schreibzyklen-Zahl. Aber wie realistisch ist es , 
daß jemand nur das EEprom ändert.
Sinnvoll wäre eine EEprom Lösung für Einstell-Parameter dann, wenn der 
Mikrocontroller in der Lage wäre sich selbst abzugleichen.

Den zweiten Kritikpunkt nehme ich voll auf meine Kappe.
Ich habe viel zu spät versucht, meine Ideen in das Projekt einfließen zu 
lassen. Ich war zu sehr vertieft in meine Umbauarbeit und wollte 
eigentlich nur sehen, wie weit ich den Tester verbessert bekomme.
Trotz erweiterter Funktionen brauche ich weniger Flash-Speicher.
Ich habe jetzt aber versucht mit Markus Frejek Kontakt aufzunehmen.

Grüße
Karl-Heinz

von Michael D. (mike0815)


Lesenswert?

Karl-Heinz Kübbeler schrieb :
> Hallo Michael,
> die Spannungsausgabe der Versorgungsspannung erfolgt zu Beginn der
> Messung, überbrückt also die Zeit bis zum Vorliegen des Messergebnis vom
> angeschlossenen Bauteil.
Klasse, ich bin begeistert und werde das später mal testen! :-)

Ich würde die Software beim Mega8 belassen, da geht eben mehr rein.
Wenn schon, denn schon, wer möchte abgespeckte Versionen bzw. µC mit zu 
wenig Speicher einsetzen?

Weiter oben hattest du beschrieben, das du ein 4x20 Display benutzt?
Muß der Code für ein 2x16 abgeändert werden?
>
> Grüße
> Karl-Heinz

Gruß Michael

von Karl-Heinz K. (kubi48)


Lesenswert?

Michael D. schrieb:

> Klasse, ich bin begeistert und werde das später mal testen! :-)
>
> Ich würde die Software beim Mega8 belassen, da geht eben mehr rein.
> Wenn schon, denn schon, wer möchte abgespeckte Versionen bzw. µC mit zu
> wenig Speicher einsetzen?
>
> Weiter oben hattest du beschrieben, das du ein 4x20 Display benutzt?
> Muß der Code für ein 2x16 abgeändert werden?

>
> Gruß Michael

Hallo Michael,

der Code für das 4x20 Display mußte nicht sonderlich angepaßt werden.
Das hängt wohl eher vom eingebauten Controller ab.
Ursprünglich hatte ich vor, ein 2x16 OLED-Display einzusetzen, hat aber 
leider nicht funktioniert, weil die Stromaufnahme des OLED-Displays den 
AVR bei der Arbeit stört. Alle Versuche, das durch zusätzliche 
Kondensatoren abzublocken sind fehlgeschlagen. Vielleicht würde das 
OLED-Display mit dem AVR zusammenarbeiten, wenn es eine getrennte 
Spannungsversorgung bekäme.
So war das 4x20 LCD Display erst mal eine Notlösung, wobei ich die
Zeilen 3 und 4 für Debug-Ausgaben intensiv benutzt habe.

Ich würde gerne die Anpassungen für 4K Programmspeicher weglassen,
da es immer wieder schwierig ist, den Code in 4K zu bringen.
Dabei hätte ich durchaus noch Ideen für weitere Verbesserungen.

Gruß
Karl-Heinz

von Hannes L. (hannes)


Lesenswert?

Karl-Heinz Kübbeler schrieb:
> mir ist auch bei längerem Nachdenken kein wirklicher Vorteil der EEprom
> Lösung eingefallen.

Die Texte waren anfangs im Flash, wurden aber ins EEP ausgelagert, damit 
man ohne Neucompileren verschiedene Sprachversionen realisieren kann. 
Denn der Tester erfreut sich inzwischen internationaler Beliebtheit.

...

von Karl-Heinz K. (kubi48)


Lesenswert?

Hannes Lux schrieb:
> Karl-Heinz Kübbeler schrieb:
>> mir ist auch bei längerem Nachdenken kein wirklicher Vorteil der EEprom
>> Lösung eingefallen.
>
> Die Texte waren anfangs im Flash, wurden aber ins EEP ausgelagert, damit
> man ohne Neucompileren verschiedene Sprachversionen realisieren kann.
> Denn der Tester erfreut sich inzwischen internationaler Beliebtheit.
>
> ...

Hallo Hannes,

den Vorteil sehe ich ein.
Die Änderungen in meiner Programmversion betreffen allerding längst 
nicht nur die Verlagerung des Textes in den Flash-Speicher.
Das ich bei meiner Version die Texte (und Parameter) aus dem 
Flash-Speicher
verbannt hatte, lag daran, daß es mir mit meinem DIAMEX ALL-AVR 
Programmer nicht gelungen war, das EEprom zu beschreiben. Ich weiß auch 
nicht warum.
Ich habe es mit mehreren ATmega8L probiert, es hakelte immer. Es ist 
nicht so, das es gar nicht geht, aber es hakt immer an praktisch den 
gleichen Stellen. Meine Änderung diesbezüglich war keine Böswilligkeit.
Ich habe nur mit Erstaunen festgestellt, dass die Belegung im Flash nach 
meiner Änderung nicht knapper wurde.

Grüße
Kark-Heinz

von Ralph W. (ralph_w16)


Lesenswert?

Karl-Heinz Kübbeler schrieb:
> Ursprünglich hatte ich vor, ein 2x16 OLED-Display einzusetzen, hat aber
> leider nicht funktioniert, weil die Stromaufnahme des OLED-Displays den
> AVR bei der Arbeit stört. Alle Versuche, das durch zusätzliche
> Kondensatoren abzublocken sind fehlgeschlagen. Vielleicht würde das
> OLED-Display mit dem AVR zusammenarbeiten, wenn es eine getrennte
> Spannungsversorgung bekäme.

Hallo Karl-Heiz,
wie hat sich der Fehler bei der oled ausgewirkt?
Bei mir hat sich alles verschoben, eine Erklärung habe ich leider 
hierfür nicht.

Gruß
Ralph

von Karl-Heinz K. (kubi48)


Lesenswert?

Ralph W. schrieb:
> Karl-Heinz Kübbeler schrieb:
>> Ursprünglich hatte ich vor, ein 2x16 OLED-Display einzusetzen, hat aber
>> leider nicht funktioniert, weil die Stromaufnahme des OLED-Displays den
>> AVR bei der Arbeit stört. Alle Versuche, das durch zusätzliche
>> Kondensatoren abzublocken sind fehlgeschlagen. Vielleicht würde das
>> OLED-Display mit dem AVR zusammenarbeiten, wenn es eine getrennte
>> Spannungsversorgung bekäme.
>
> Hallo Karl-Heiz,
> wie hat sich der Fehler bei der oled ausgewirkt?
> Bei mir hat sich alles verschoben, eine Erklärung habe ich leider
> hierfür nicht.
>
> Gruß
> Ralph

Hallo Ralph,
meine derzeitige Testversion hängt sich nach der Batterie-Spannungs 
Anzeige
auf. Es erfolgt kein Timeout, nichts mehr. Ich habe gerade versucht, was 
passiert, wenn ich den Watchdog-Timer früher starte. Das ändert aber 
nichts. Das Display zeigt alles korrekt an, aber der AVR will einfach 
nicht.
Meine letzte Version der Software versucht die AVR interne 
Referenzspannung
für den Komparator, mit dem ich die Kapazitätsmessung mache, auszumessen 
und daraus die Faktoren für die Kapazitätsmessung anzupassen.
Ich gehe hierbei davon aus, daß die Streubreite der 5V Regler prozentual
deutlich kleiner ist, als die der internen 1.3V des AVR's.
Dann geht natürlich auch die Taktfrequenzgenauigkeit mit ein, hier wäre 
ein externer Quarz vielleicht eine deutliche Verbesserung gegenüber dem 
internen RC-Generator. Ich glaube, daß diese beiden Faktoren die 
Hauptursache der Messungenauigkeit für Kondensatoren sind. Die Auflösung 
der Kapazitätsmessung für kleine Kapazitäten ließe sich durch eine 
Erhöhung der Taktfrequenz noch verbessern.


Grüße
Karl-Heinz

von Karl-Heinz K. (kubi48)


Angehängte Dateien:

Lesenswert?

Alexander Schmidt schrieb:
> Optimal wäre es, sich mit Markus Frejek abzusprechen, und die Änderungen
>
> ins SVN einzupflegen:


Hallo Alexander Schmidt,
hallo experimentierfreudige Transistortester Nutzer,

ich habe versucht mit Markus Frejek Kontakt aufzunehmen, allerdings
bisher keine Reaktion erhalten.
Da bei meiner Testversion immer noch Arbeit zu tun ist, entwickle ich
derweil weiter.
So habe ich eine neue Version fertiggemacht, die ich hier kurz
vorstelle:

 Die neue SW läuft mit 1MHz Takt und auch mit 8Mhz Takt.
 Das Programm wird dadurch nicht schneller, aber die Kondensator
 Messung hat mit 8Mhz Takt eine Auflösung von ca. 1pF.

 Bei Messung einer Einzeldiode wird zusätzlich die Kapazität in
 Sperrichtung bestimmt.

 Die Entlade-Funktion für Kondensatoren hat jetzt eine Zeitbegrenzung,
 eine entsprechende Warnmeldung ist geplant.

 Das Ausgabeformat für Kapazitäten wurde optimiert.

 Die große Exemplarstreuung der 1,3V Spannungsreferenz wird 
berücksichtigt,
 setzt aber vorraus, daß die 5V Versorgung des AVR genau ist.

 neue Version misst deutlich schneller (10mF Kapazität in ca. 6s)

 ...

Ich kann nur nochmal betonen, daß es sich um eine Testversion handelt,
ich gebe keinerlei Gewährleistung auf die Funktionen der Software.
Getestet und optimiert habe ich für meinen ATmega8L.
Während der Entwicklung habe ich bisher weder einen ATmega8L noch ein
sonstiges Bauteil zerschossen!
Zusätzliche Informationen habe ich in eine ReadMe.txt in das gleiche
Verzeichnis wie die Makefile gepackt. Bitte die dortigen Hinweise
zur Benutzung der 8 MHz Version beachten.

Die Software läuft derzeit definitiv nicht auf ATmega88 oder ähnlich.
Diejenigen, die meine erste Version schon runtergeladen haben, sollten
besser mit der Neuen testen und probieren.
Ich habe der neuen .zip File an den Namen je zwei Ziffern für Jahr,Monat
und Tag angehängt. Die Suche nach der Quelle der verbliebenen Fehlers
bei der Kapazitätsmessung ist noch nicht abgeschlossen.

Eine Rückmeldung von Nutzern meiner SW (sowohl positiv als auch negativ)
ist mir willkommen. Vielleicht kommen so ja noch Anregungen zur 
Verbesserung
und insbesondere Fehlerbeseitigung zustande.

Zuletzt will ich nochmal betonen, daß ich die Arbeit von Markus Frejek
anerkenne und respektiere. Meine Arbeit hat damit begonnen, daß ich
bei meinem AVR das EEprom nicht fehlerfrei beschreiben konnte und meinen
aufbebauten Transistortester irgendwie in Betrieb nehmen wollte.

Grüße
Karl-Heinz

von Hannes L. (hannes)


Lesenswert?

Karl-Heinz Kübbeler schrieb:
> Meine Arbeit hat damit begonnen, daß ich
> bei meinem AVR das EEprom nicht fehlerfrei beschreiben konnte

Dann solltest Du Dir lieber mal Gedanken über die Tauglichkeit Deines 
Equipments machen... Mit einem Programmer, der das EEP nicht (sauber) 
unterstützt, könnte ich mich nicht abfinden.

...

von Karl-Heinz K. (kubi48)


Angehängte Dateien:

Lesenswert?

Hannes Lux schrieb:
> Dann solltest Du Dir lieber mal Gedanken über die Tauglichkeit Deines
>
> Equipments machen... Mit einem Programmer, der das EEP nicht (sauber)
>
> unterstützt, könnte ich mich nicht abfinden.

Hallo Hannes Lux,
Hallo Transistortester-Freunde,

ja, ich gebe zu dass ich manchmal eine unkonventionelle Art habe mit
Schwierigkeiten umzugehen. Aber ich gebe ungerne Geld aus, wenn ich
die Ursache der Schwierigkeiten nicht überblicke. Ich habe keine
Anhaltspunkte dafür, ob die Probleme mit dem EEprom schreiben an einer
schlechten Serie von AVR's oder an meinem Programmer liegt. Ich habe
vor das demnächst mit einem AVR-Programm zu testen, das zunächst
zusammen mit der eep-Datei in den Flash geschrieben wird und dann die
Programmierdaten für das EEprom selbst ins EEprom schreibt. Mal sehen,
ob danach ein verify mit dem Programmer gelingt. Beim Auslesen des
EEproms hatte ich noch keine Fehlermeldungen.

Doch nur zur Transistortester-Software:
Ich habe inzwischen eine neue Version mit eingebauter 
Selbsttest-Funktion
erstellt. Nähere Informationen dazu und zu meinen Änderungen habe ich in
eine PDF-Datei als Anhang gepackt.

Wenn ihr die Info gelesen habt, könnt ihr euch ein Urteil erlauben, ob 
es
wirklich besser gewesen wäre, ich hätte mich um mein Equipment 
gekümmert.

Mir wäre es immer noch lieber, wenn meine Arbeit und die Software von
Markus Frejek irgendwie zusammenfließen würde, denn auch ich bin gegen
einen Wildwuchs von verschiedenen Versionen.

Viele Grüße
Karl-Heinz

von Heinz (Gast)


Lesenswert?

Karl-Heinz Kübbeler schrieb:

> Ich habe keine Anhaltspunkte dafür, ob die Probleme mit dem EEprom
> schreiben an einer schlechten Serie von AVR's ...

Wahrscheinlichkeit geht gegen 0.

> ... oder an meinem Programmer liegt.

Wahrscheinlichkeit geht gegen 1.

von Alexander S. (esko) Benutzerseite


Lesenswert?

Karl-Heinz Kübbeler schrieb:
> Mir wäre es immer noch lieber, wenn meine Arbeit und die Software von
> Markus Frejek irgendwie zusammenfließen würde, denn auch ich bin gegen
> einen Wildwuchs von verschiedenen Versionen.

Michael G. schrieb:
> Wer selber Zugaben hat soll sie bitte an Markus oder mich senden,
Kontakt Michael G.
https://www.mikrocontroller.net/user/show/linuxgeek

Oder die Mail von Markus, die hier angegeben ist:
http://frickelpower.bplaced.net/index.php?page=impressum

von M. K. (sylaina)


Lesenswert?

Karl-Heinz Kübbeler schrieb:
> Entfernung aller Texte und Parameterdaten aus dem EEprom in den
> Programmspeicher.(Vorteil: Programmierung in einem Rutsch, es kann nicht
> mehr dazu kommen, daß EEprom und Flash-Speicher nicht zueinander passen)

Du meinst, du hast suboptimiert indem du relativ "nutzlosen" 
EEPromspeicher frei gemacht hast um damit relativ wertvollen 
Flashspeicher zu belegen?
Der EEPromspeicher ist eigentlich genau dafür da, Daten die sich zur 
Laufzeit nicht bzw. selten ändern zu speichern. ;)

von Michael D. (mike0815)


Lesenswert?

Hallo Karl-Heinz,
ich finde es schon mal sehr schön, das du deine Arbeit in einem PDF-File 
dokumentiert hast.
Ausserdem ist es auch bemerkenswert, das du dir die Mühe machst den 
TTester noch zu otimieren, mal ein Lob (nicht immer nur Tadel) an dieser 
Stelle! ;-)

Ich weiß nicht wann ich dazu komme, mal deine Fw. zu testen, vielleicht 
demnächst, dann bekommst du ein Feedback.
Ich nehme mal, das du den Code mit dem AVR-Studio kompiliert hast?
Wenn dem so ist, könntest du die "aps" in deine Zip-Files packen?
Ich hatte mit der Erzeugung eines neuen Projekts im Studio mal mächtig 
Probleme!

Gruß Michael
und mach weiter...

von Karl-Heinz K. (kubi48)


Lesenswert?

Michael D. schrieb:
> Ich nehme mal, das du den Code mit dem AVR-Studio kompiliert hast?
>
> Wenn dem so ist, könntest du die "aps" in deine Zip-Files packen?
>
> Ich hatte mit der Erzeugung eines neuen Projekts im Studio mal mächtig
>
> Probleme!

Hallo Michael,
leider benutze ich AVR-Studio 4 nur zum Brennen der Software.
Ich benutze zum Entwickeln die Gnu-Tools in einer cycwin Umgebung.
Cycwin bildet unter Windows eine Linux Umgebung nach.
Ich habe auf meinem Windows7 Rechner auf dem Desktop den Eintrag für ein 
Cygwin Terminal. Wenn ich das anklicke geht blitzschnell ein Terminal 
Fenster auf, auf dem ich dann mit einer Linux-Shell arbeiten kann.

Die erstellten Dateien sind aber auch auf dem Windows-System sichtbar,
bei mit unter c:\Cycwin\home\kub , wobei kub meine Benutzerkennung ist.
Man müßte soweit ich weiss die Dateien unter Windows editieren können 
und
dann in der Linux-shell nur make aufrufen.

Grüße
Karl-Heinz

von Karl-Heinz K. (kubi48)


Lesenswert?

Heinz schrieb:
> Ich habe keine Anhaltspunkte dafür, ob die Probleme mit dem EEprom
>
>> schreiben an einer schlechten Serie von AVR's ...
>
>
>
> Wahrscheinlichkeit geht gegen 0.
>
>
>
>> ... oder an meinem Programmer liegt.
>
>
>
> Wahrscheinlichkeit geht gegen 1.

Hallo Heinz,

und wie erklärst Du Dir , das ich mit dem gleichen Equipment die EEprom 
Daten auf einem ATmega88 laden kann?

Grüße,
Karl-Heinz

Nachtrag zu meiner Software 0.9k:
Ich habe gerade einen ersten Test gemacht, ob die Software auf einem 
ATmega88 läuft.
Es gibst einen Fehler bei der Ausgabe der Batterie-Spannung am Anfang.
Die Werte sind zu hoch. Die Referenz-Spannung ist bei mit extrem 
niedrig.
Wahrscheinlich ist dannn auch die 2.56V Referenz viel zu niedrig.
Ich werde als 1. Versuch wahrscheinlich die 5V bei der Messung der 
Batteriespannung als Referenz nehmen. Das hat natürlich den Nachteil, 
das wenn die 5V aufgrund der leeren Batterie nicht ok ist, die Messung 
nicht mehr funktioniert.
Außerdem scheint es ein Problem bei der Messung kleiner Kapazitäten zu 
geben. Das Gerät meldet im leeren Zustand einen Kondensator.

Grüße
Karl-Heinz

von Michael D. (mike0815)


Lesenswert?

> Es gibst einen Fehler bei der Ausgabe der Batterie-Spannung am Anfang.
> Die Werte sind zu hoch. Die Referenz-Spannung ist bei mit extrem
> niedrig.
Das ist klar, der ATMega88 braucht da eine andere Aussenbeschaltung!
Schaust du hier:
// ATMEGA8 R = 10k / 1,5kOhm
// ATMEGA88 R = 10k / 600 Ohm

Warum möchtest du denn den 88er verwenden? Ist auf dem Atmega8 kein 
Platz mehr?

Gruß Michael

von Karl-Heinz K. (kubi48)


Lesenswert?

An alle Transistortester-Freunde

Nachtrag zu den Problemen beim 1. Test mit ATmega88

Beim ATmega88 ist die Bandgap-Referenz mit 1,1V und nicht mit 1,3V 
spezifiziert. Das muß in der Software noch berücksichtigt werden.
Außerdem misst der ADC als interne Referenz entweder gegen VCC oder 1,1V 
und nicht wie der ATmega8 gegen 2,56V!
Auch hier muß die SW auf jeden Fall noch angepaßt werden.
Aber nicht mehr heute.
Also mit der 0.9k SW nur auf einem ATmega8 testen!

mfg
Karl-Heinz

von Karl-Heinz K. (kubi48)


Angehängte Dateien:

Lesenswert?

Michael D. schrieb:
> Hallo Karl-Heinz,
> ich finde es schon mal sehr schön, das du deine Arbeit in einem PDF-File
> dokumentiert hast.
> Ausserdem ist es auch bemerkenswert, das du dir die Mühe machst den
> TTester noch zu otimieren, mal ein Lob (nicht immer nur Tadel) an dieser
> Stelle! ;-)
>
> Ich weiß nicht wann ich dazu komme, mal deine Fw. zu testen, vielleicht
> demnächst, dann bekommst du ein Feedback.
> Ich nehme mal, das du den Code mit dem AVR-Studio kompiliert hast?
> Wenn dem so ist, könntest du die "aps" in deine Zip-Files packen?
> Ich hatte mit der Erzeugung eines neuen Projekts im Studio mal mächtig
> Probleme!
>
> Gruß Michael
> und mach weiter...

Mach ich auch,
hier ist mal wieder ein Update, sowohl der Doku, als auch der SW.

Die neue Version führt die Batteriespannungs-Messung mit der 5 Volt 
Referenz durch, da das bei schwacher Batterie problematisch ist, weiss 
ich noch nicht, ob's bei der Lösung bleibt.
Bei der Doku habe ich eine Fehler- / Arbeitsliste ergänzt.

mfg
Karl-Heinz

von Alexander S. (esko) Benutzerseite


Lesenswert?

Transistortester09k.pdf
> Die original AD-Wandler Routine (ReadADC) liest den
> Wandler zwanzig Mal, addiert die Ergebnisse und dividiert danach durch
> 20. Damit ist die Auflösung wieder 5000mV/1023 . Wenn ich nun den
> AD-Wandler statt 20 Mal 22 Mal lesen lasse, das Ergebnis nochmal
> verdopple und danach durch 9 dividiere ist mein Maximalwert
> 22*2*1023/9=5001 was prima zu der gewünschten mV Anzeige passt.

Wo genau ist da der Vorteil deiner Version? Bei beiden muss man etwa 20 
Mal addieren und einmal dividieren. Bei dir noch einmal schieben, aber 
das dürfte nicht auffallen.

> So habe ich beispielsweise die Warteschleifen durch Aufrufe einer selbst
> entwickelten Assembler-Warteschleifenroutine ersetzt,

Ob das in Hinblick auf Wartbarkeit so gut ist, glaube ich eher nicht.

> Die Widerstandsmessung wurde so erweitert, das auch Potis oder Trimmer
> angeschlossen werden können.

Super

> 2. [...] Nachteil des Softwarezählers ist, dass die Schleifenzeit
> (Anzahl der Befehle für einen Durchlauf) selbstverständlich in die
> Berechnung einfließt. Ich habe diese Lösung durch eine technische
> Möglichkeit des AVR's ersetzt,

Das ist sehr gut.

> 6. Das Format der Pin-Angabe bei Dioden (A:  K:) habe ich durch eine
> Symboldarstellung ersetzt

Echt gut.

> Selbsttest-Funktion

Für Neulinge, die den Tester zum ersten Mal aufbauen, sicher eine 
Bereicherung.

> Bei den Tests werden nur Messergebnisse dargestellt.

Optimal wäre es, wenn er zusätzlich ausgibt Test OK / nicht OK

> Besonders in der mega88 Version ist mir aufgefallen, das die
> Bauelemente Erkennung noch nicht zuverlässig arbeitet.

Das ist natürlich schlecht. Markus F. schrieb einmal, dass er jede neue 
veröffentlichte Version mit allen Bauteilen, die erkannt werden können, 
testet.

von Karl-Heinz K. (kubi48)


Lesenswert?

Alexander Schmidt schrieb:
> Wo genau ist da der Vorteil deiner Version? Bei beiden muss man etwa 20
>
> Mal addieren und einmal dividieren. Bei dir noch einmal schieben, aber
>
> das dürfte nicht auffallen.

Hallo Alexander,
ich hatte geglaubt, mich klar ausgedrückt zu haben.
Aber nochmal die Vorteile:
Wenn ich mit ReadADC fertig bin, habe ich das Ergebnis direkt in mV.
Dadurch brauche ich für Ausgaben nicht mehr unmzuskalieren (ausser in 
ASCII) und die Abfragen im Programm sind verständlicher, weil direkt in 
mV.

Ausserdem gewinne ich ein paar Bits zum Interpolieren der ADC-Schritte.
Das funktioniert jetzt teilweise auch schon, wenn die Werte zwischen 
zwei Schritten liegen z.B. 400 und 401, dann bestimmt die Häufigkeit der 
400 bzw. 401 das Ergebnis. Das funktioniert nur nicht, wenn alle Werte 
gleich sind. (Deshalb die Idee mit dem Rauschen in meiner Arbeitsliste).
Bei 400 ergibt meine Routine 1955mV, bei 401 entsprechend 1960mV.
Jenachdem wie häufig die 400 bzw 401 vorgekommen sind ergeben sich aber 
auch Zwischenwerte.
Das ist das, was ich als Zwischeninterpolation verstehe.

Grüße
Karl-Heinz

von Karl-Heinz K. (kubi48)


Lesenswert?

Alexander Schmidt schrieb:
>> Selbsttest-Funktion
>
>
>
> Für Neulinge, die den Tester zum ersten Mal aufbauen, sicher eine
>
> Bereicherung.
>
>
>
>> Bei den Tests werden nur Messergebnisse dargestellt.
>
>
>
> Optimal wäre es, wenn er zusätzlich ausgibt Test OK / nicht OK
>
>
>
>> Besonders in der mega88 Version ist mir aufgefallen, das die
>
>> Bauelemente Erkennung noch nicht zuverlässig arbeitet.

Nochmal Hallo Alexander,

der Test ist nicht nur für Neulinge interessant, da natürlich besonders,
sondern auch immer dann wenn ich Zweifel an der Funktionstüchtigkeit des
Testers habe. Es könnte z.B. durch einen unentladenen Kondensator einer 
der Pin-Eingänge beschädigt sein.

Die Kondensator-Routine ist noch in Arbeit, implementiert ist derzeit 
nur die Umskalierung von nF auf µF, um den sonst eintretenden Overflow 
der 32Bit zu verhindern.

Es ist derzeit sicherlich nur eine Testversion!
Grüße
Karl-Heinz

von Alexander S. (esko) Benutzerseite


Lesenswert?

Vorweg: Kannst du beim zitieren bitte die Leerzeichen entfernen. Diese 
entstehen, wenn man den Internet-Explorer beim posten benutzt.

Karl-Heinz Kübbeler schrieb:
> Wenn ich mit ReadADC fertig bin, habe ich das Ergebnis direkt in mV.
> Dadurch brauche ich für Ausgaben nicht mehr unmzuskalieren (ausser in
> ASCII) und die Abfragen im Programm sind verständlicher, weil direkt in
> mV.

Du wolltest sagen, dass du die Division von main in readADC verschoben 
hast. Das hat dort Vorteile, wo man den Messwert in mV braucht. Beim 
berechnen des hfe zum Beispiel braucht man ihn aber nicht in mV. 
Insgesamt dürfte es häufiger in mV gebraucht werden.


Diese Zeile ist zwar syntaktisch korrekt, aber nicht sehr leserlich:
1
if(j!=0)adcx += ADCW;
Besser ist: (meine bevorzugte Version)
1
if (j != 0) {
2
   adcx += ADCW;
3
}
Oder:
1
if (j != 0)
2
   adcx += ADCW;

von Karl-Heinz K. (kubi48)


Lesenswert?

Alexander Schmidt schrieb:

>
> Diese Zeile ist zwar syntaktisch korrekt, aber nicht sehr leserlich:
> [c]
> if(j!=0)adcx += ADCW;


Hallo Transistortester-Freunde, hallo Alexander,

ich glaube, das es wieder einmal Zeit ist, meine letzte Version zu 
veröffentlichen.
Ich habe nicht nur das Format des Quellcodes geändert, es haben sich 
auch einige Dinge
geändert.
Ich habe weitere Messbeispiele in den Anhang der Dokumentation 
aufgenommen.
Die Kondensator-Messung wurde noch einmal überarbeitet.
Meine Entwicklungsumgebung ist nun Linux (Ubuntu).
Der Quarz-Betrieb ist nun möglich und für ATmega8 und ATmega88 getestet.
Die Programmierung der entsprechenden Fuses des ATmega wird in der 
Makefile
berücksichtigt (Aufruf make fuses oder make fuses-crystal).
Die Ursache der Messprobleme beim ATmega88 (Wartezeit bei 
Referenzspannungsbenutzung)
wurde gefunden und beseitigt.
Das EEprom wird jetzt per Makefile-Option wieder benutzt.
...

Grüße
Karl-Heinz

von Karl-Heinz K. (kubi48)


Angehängte Dateien:

Lesenswert?

Nachtrag, die Dateien

Karl-Heinz

von Alex H. (hoal) Benutzerseite


Lesenswert?

Hallo Karl-Heinz,

ich habe deine Version des Transistortesters noch nicht ausprobiert, 
sondern bisher nur in die Doku reingeschaut und über die vielen 
Verbesserungen gestaunt.

In der Ausewrtung der Messergebnisse stimmt etwas nicht. Schau dir z.B. 
die Angaben zur relativen Abweichung für die Widerstände mit 22, 44 und 
50 kΩ auf Seite 8 an. Ebenso die relativen Abweichungen des Mega8 @8MHz 
bei der Kapazitätsmessung.

Wie erklärt sich die unterschiedliche Verstärkung des BC556B mit der 
Mega8 und Mega88 Version?

Und dann wäre da noch Vgs = 1152mV beim IRFU9024. Wie wird Vgs bestimmt? 
Kommt mir sehr niedrig vor.

von Karl-Heinz K. (kubi48)


Lesenswert?

Alex H. schrieb:
> Hallo Karl-Heinz,
>

>
> In der Ausewrtung der Messergebnisse stimmt etwas nicht. Schau dir z.B.
> die Angaben zur relativen Abweichung für die Widerstände mit 22, 44 und
> 50 kΩ auf Seite 8 an. Ebenso die relativen Abweichungen des Mega8 @8MHz
> bei der Kapazitätsmessung.
>
> Wie erklärt sich die unterschiedliche Verstärkung des BC556B mit der
> Mega8 und Mega88 Version?
>
> Und dann wäre da noch Vgs = 1152mV beim IRFU9024. Wie wird Vgs bestimmt?
> Kommt mir sehr niedrig vor.

Hallo Alex,
die Widerstandsmessung ist in Version 0.92k noch nicht viel 
überarbeitet,
da ist in der nächsten Version vielleicht noch eine Verbesserung zu 
erwarten. Die Messung der mittleren Widerstandswerte ist problematisch, 
da diese weder zum 680 Ohm noch zum 470 KOhm Widerstand passen.
Die Kapazitätsmessung finde ich eigentlich oK, mit Ausnahme der 
Originalsoftware, die allerdings ohne Anpassung der Bewertungsfaktoren 
erfolgt ist. Die Werte sind alle zu hoch, wenn man die Faktoren in der 
Software anpassen würde, blieben auch hier die Abweichungen noch im 
Rahmen.
Warum der ATmega88 höhere Verstärkungsfaktoren bei den Transistoren 
liefert, habe ich noch nicht näher untersucht, möglicherweise spielen 
die Abweichungen beim Selbsttest 6 eine Rolle.
Die Merkwürdigkeit mit den niedrigen Vgs Werten werde ich als 
Arbeitspaket aufnehmen und untersuchen.
Der Selbsttest hat in der derzeitigen Version noch einen Fehler, der 
Test 9 bleibt hängen, kann also nur mit Betriebsspannungsunterbrechung 
beendet werden. Sobald die 0.93k Version stabil ist, werde ich die 
wieder hochladen.

Grüße
Karl-Heinz

von Nobuyuki N. (Firma: Japan) (nobu)


Lesenswert?

Hallo Karl-Heinz und alle.

 Ich bin aus Yokohama in Japan. Da ich nicht verstehe überhaupt Deutsch, 
bin ich von Google Übersetzung (deutsch-englisch) geholfen. Obwohl also 
viel Zeit benötigt wird, um diesen Artikel und Dokumente zu lesen, und 
es gibt ein wenig Teilen, die eine Bedeutung nicht verstehen kann, 
genieße ich mich.
 Es tut mir leid, dass mein Artikel ist seltsam.

 Obwohl ich deine Verbesserung Version (0.91k und 0.92k) versucht, vor 
allem war ich an der Messstelle im Bereich von C und R, und Verbesserung 
der Genauigkeit überrascht.
 Ich berichte das Ergebnis der 0.92k von meinem T-Tester.
(1) Das Problem der Selbsttest T9
 Obwohl es über das Phänomen gestoppt besorgt, war T9 umgangen im 
Quellcode jetzt.

(2) Die Abweichung der Widerstandsmessung
 Das Ergebnis der Widerstandsmessung für den Widerstand, die ich habe, 
ist wie folgt. Obwohl die Abweichung von 47k vergleichsweise groß ist, 
gibt es keine Tendenz für die Abweichung zu sein, mittleren Bereich 
groß.

 Widerstand(Ohm)   Messung(Ohm)      Abweichung(%)   Anmerkung
 (Genauigkeit 1%)  (mega8 @INT8MHz)
     100            100              0
     470            470              0
     1k             997              -0,3
     4.7k           4706             +0,1
     10k            10.02k           +0,2            *
     47k            46,4             -1,3            *
     100k           99.6k            -0,4            *
     470k           472.8k           +0,6
     (Anmerkung) *: manchmal Erkennung Ausfall

(3) Nachweis Versagen in Widerstandsmessung
 10k, 47k, 100k und manchmal werden Erkennung Ausfall. Ein Ergebnis wird 
als "No, unknown, or damaged part" angezeigt. Dieses Problem tritt nicht 
in andere Werte auftreten.
 Dies kann ein Problem eigentümlich mein T-Tester zu sein. Es wird 
überprüft, ein wenig mehr erforderlich.

 Wie auch immer, ich schätze Ihre Bemühungen und Freundlichkeit. Ich 
freue mich auf die Freigabe der weiteren Verbesserung der funktionalen 
und der stabilen Version.

 sehr dank

von Karl-Heinz K. (kubi48)


Lesenswert?

Nobuyuki Nagashima schrieb:
> Hallo Karl-Heinz und alle.
>


> (3) Nachweis Versagen in Widerstandsmessung
>  10k, 47k, 100k und manchmal werden Erkennung Ausfall. Ein Ergebnis wird
> als "No, unknown, or damaged part" angezeigt. Dieses Problem tritt nicht
> in andere Werte auftreten.
>  Dies kann ein Problem eigentümlich mein T-Tester zu sein. Es wird
> überprüft, ein wenig mehr erforderlich.
>
>  Wie auch immer, ich schätze Ihre Bemühungen und Freundlichkeit. Ich
> freue mich auf die Freigabe der weiteren Verbesserung der funktionalen
> und der stabilen Version.
>
>  sehr dank

Hallo Nobuyuki,

the problem with Resistor-measurement is fixed (I hope so).
The reason was the repitition of measurement and the comparison of that 
measurement. This is nessasary to distinguish to diodes or capacitors.
Next release will use (if wanted) an autoscale ADC. The ADC will use an 
internal reference of about 1,1V if possible. Otherwise the 5V Supply 
will be used. Unfortunaly this will only be possible with atmega168 or 
atmega88.
The atmega8 uses an optional 2,54V reference only.

Thanks for your reply
Karl-Heinz

von supermario (Gast)


Lesenswert?

Hallo an alle die mittlerweile dieses Projekt (weiter)entwickeln und 
nachgebaut haben!

Auch ich habe es - vorerst auf dem Breadboard - nachgebaut und noch 
bevor ich es auf Lochraster oder richtigem Layout bis ins Gehäuse 
bringe, möchte ich dennoch die schon vor längerer Zeit aufgekommen Frage 
nach der ESR Messung von Elkos in Erinnerung rufen.
Ich habe dazu was interessantes gefunden, dass sich meiner Meinung auch 
in dieses Projekt integrieren ließe.

members.ozemail.com.au/~bobpar/k7214.pdf

Das Prinzip der ESR Messung in dieser Schaltung beruht auf der Tatsache 
dass der noch leere Kondensator praktisch keinen Widerstand hat. Somit 
kann im Moment des Aufschaltens eines Ladestromes auf den Kondensator, 
der Spannungsabfall über dem ESR gemessen werden.

Das müsste doch mit den 680 Ohm Widerständen als Ladewiderstand und 
einer schnellen Messung mit dem ADC prima klappen, oder denk ich da 
falsch?
Freilich würde ich lieber die fertige Lösung hier präsentieren, da ich 
aber erst seit wenigen Monaten AVRs programmiere und gerade mal über die 
Fallstricke fehlerhaft gesetzter Fuses drüber bin, müsstet ihr noch 
länger darauf warten :D

Ich werde mich aber schon mal mit einer Ersatzschaltung für obigen 
Bausatz versuchen, diesmal aber AVR statt Zilog. Es gibt bei dieser 
Schaltung nämlich noch einen unschätzbaren Vorteil: In-Circuit-Messung!

Hoffe dennoch meine Anregung bringt diesem Projekt etwas.

Grüße
Mario

von Alexander S. (esko) Benutzerseite


Lesenswert?

supermario schrieb:
> Das müsste doch mit den 680 Ohm Widerständen als Ladewiderstand und
> einer schnellen Messung mit dem ADC prima klappen, oder denk ich da
> falsch?

5V / 680Ω = 7,4 mA
Bei einem ESR von 1Ω ergibt das 7,4 mV. Die Auflösung des ADC des 
ATmega8 ist aber nur 10 Bit und damit 5V / 2^10 = 5V / 1024 = 4,88 mV.
Man könnte also einen ESR unterhalb einiger Ohm gar nicht messen. Das 
ist aber gerade der interessante Bereich.

von supermario (Gast)


Lesenswert?

Tja, da ist er schon wieder, mein Fallstrick.... jetzt ist mir klar dass 
es doch nicht so einfach geht. In der o.g. Schaltung wird das Signal zur 
Auswertung auch vorher verstärkt und danach eine AD Wandlung über den 
Komparator durchgeführt.
Wie schon erwähnt werde ich trotzdem versuchen die Schaltung als 
Standalone ESR zu realisieren - natürlich mit etwas mehr 
Zusatzbeschaltung und Komparator-C AD.
Werd mein Ergebnis dann reinstellen.... also so bis nächstes Jahr :D

Grüße
Mario

von Eyk B. (eyk)


Lesenswert?

Hallo zusammen,

seit langer Zeit verfolge ich diesen und auch andere Themenverwandte 
Threads.
Alleine durch das lesen bekommt man eine Ahnung wie viel Spaß ihr alle 
mit dem experimentieren und weiterentwickeln dieser Schaltung habt.  Da 
ich nun mir nun endlich einen kleinen Fleck im Haus für mein 
Elektrohobby sichern konnte (mit "Erlaubnis" der Frau), möchte ich mich 
nun auch an den Tester wagen. Hierzu habe ich aber ein paar Fragen. Ich 
hoffe ihr könnt mir weiterhelfen!?

Leider besitze ich keinen AVR-Brenner, da ich bisher nur mit dem PIC
gearbeitet habe. Einen Brenner alla Sprut habe ich mir vor langer Zeit 
mal aufgebaut.
Meine Fragen:
Welcher PIC ist vergleichbar mit dem ATMega8? (eine Handvoll 16F877-20/P 
habe ich hier noch rumliegen)
Hat jemand den Tester schonmal mit einem PIC aufgebaut?
Leider spreche ich nur wenig C, meine Muttersprache ist eher Basic. Hat
eventuell sogar jemand eine Übersetzung für mich (zwecks Anpassung an 
den Pic)?

OK, zuviel zu meinen Fragen. Ich hoffe jemand teilt mein PIC-Problem.

Grüße
Eyk

von Karl-Heinz K. (kubi48)


Angehängte Dateien:

Lesenswert?

Hallo Transistortesterfreunde,

hier mal wieder eine neue Version meiner Transistortestersoftware,
sowie ein Update der Doku.
Neben der Fehlerbeseitigung (Selbsttestfunktion 9) und Verbesserungen
bei der Bauteileerkennung ist diesmal die Widerstandsmessung 
überarbeitet
sowie auch die Messung von Kondensatoren mit mehr als ca. 50µF anders
gelöst.
Die Programmierdaten im default Verzeichnis sind für einen ATmega168 in
einer 8MHz Version!!!
Fertige Programmierdaten für den ATmega8 sind in Unterverzeichnissen von
Sourcecode/default, ebenfalls in einer 8MHz Version.
Siehe dazu auch die ReadMe.txt File im Unterverzeichnis 
Sourcecode/default.

Viele Grüße
Karl-Heinz

von Hardy F. (hardyf)


Lesenswert?

Nur mal so, Karl-Heinz

Dankeschön !

von Karl-Heinz K. (kubi48)


Lesenswert?

Hallo Transistortesterfreunde,

noch ein Nachtrag zu meiner Software 0.93k:

Der Fehler bei der Bestimmung der Vt Spannung bei P-E-MOS Transistoren 
wurde gefunden.
Im Quelltext CheckPins.c muss es in Zeile 258 heissen:
   gthvoltage += (1023 - ADCW);  // Add Tristatepin-Voltage
anstelle der falschen Anweisung:
   gthvoltage += (U_VCC -ADCW); ...

Wer ohnehin neu kompiliert, sollte die Anweisung entsprechend ändern!
Der Fehler ist auch schon in den älteren Versionen.

Grüße
Karl-Heinz

von Michael R. (michi42)


Lesenswert?

Nach ein paar "Startschwierigkeiten" funktioniert er nun.

Hatt sonst noch jemand das Problem mit "Batterie Leer?"
Bei mir dauert es lt. Oszi bis zu 300 ms bis die Betriebsspannung hinter 
dem Spannungsregler sauber anliegt.
Da hat der Mega schon UB gemessen und möchte wieder schlafen gehen.
Ich hatte aber auch nicht den bc557 sonden einen anderen Feld-Wald und 
Wiesen PNP verwendet +  100uf Stütz-Elko hinter dem Regler.

Vorschlag:
Ein kleiner 300 ms Sleep vor der UB-Bestimmung nach power-on oder 
Brownout sollte helfen.

von Karl-Heinz K. (kubi48)


Lesenswert?

Michael R. schrieb:
> Hatt sonst noch jemand das Problem mit "Batterie Leer?"
> Bei mir dauert es lt. Oszi bis zu 300 ms bis die Betriebsspannung hinter
> dem Spannungsregler sauber anliegt.

Ursache ist mit sehr hoher Wahrscheinlichkeit der Stützelko von 100µF.
Ein 100nF keramischer Kondensator sollte reichen. Bis zu 10µF sind auch 
noch OK. Ansonsten prüfen, ob bei den AVR-Fuses die Startverzögerung auf 
65ms steht.

Grüße
Karl-Heinz

von Nobuyuki N. (Firma: Japan) (nobu)


Lesenswert?

hello Mr. Karl-Heinz and all.

 I am sorry in English, since I cannot understand German.
 I tried the new version 0.93k on my transistor tester. As a result, the 
problem occurred.
(1) My transistor tester is using the fundamental circuit without an 
automatic power OFF function, and has the external crystal oscillater 
(8MHz).

(2) In case of ATmega8 (AUTO_REF, SELFTEST)
 The problem (The self test T9 and the detection failure at the 
resistance measurement) of 0.92k is solved and operates normally.

(3) In case of ATmega88P (AUTO_REF, AUTOSCALE, and Hfuse=0xdc, 
Lfuse=0x7f)
 After pushing a "TEST" push button and displaying a result, a tester 
freezes. It is the same even when the component for measurement are not 
connected.
 However, if "TEST" is immediately (less than about 2 seconds) pushed 
after a display, measurement will be performed continuously. It seems 
that a measurement result is a normal value. Even if it repeals 
AUTOSCALE, it is in the same situation. Moreover, it is in the situation 
same as ATmega168P.
 Furthermore, a situation is the same also in the original 
TransistorTestNew.hex file (German version) attached to 
transistortester120330.zip.

 Since I would like to try the AUTOSCALE function which is a wonderful 
function of 0.93k, please give me someone advice.

Sincerely yours

von Karl-Heinz K. (kubi48)


Lesenswert?

Nobuyuki Nagashima schrieb:

>
>  Since I would like to try the AUTOSCALE function which is a wonderful
> function of 0.93k, please give me someone advice.
>

Hallo Mr. Nobuyuki,

I am sorry about your problems with my software.
The software is still under development and it is possible, that
not all functions works well.
In your description of your environment you noted the Lfuse of ATmega88 
as 0x7f.

I hope that this is only a typing error.
If you use a 8MHz crystal oscillator, the Lfuse must be 0xf7 (see my 
Makefile).

Bit 7: CKDIV8 must be 1 (no clock divide by 8)
Bit 6: CKOUT must be 1  (no Clock Output)      Table 28-9 of ATMEL 
document, Page 301

Bit 5,4: SUT1..0 must be 11 and Bit 0: CLKSEL0 must be 1  (Crystal 
Oscillator, slowly rising Power)
     Table 9-6 on Page 32

Bit 3-1: CKSEL must be 011  (Full swing Crystal Oscillator)  Table 9-5 
on Page 31

But it is possible, that your problem has another reason.
I have implemented the option PULLUP_DISABLE in the Makefile, that 
switch off all internal pull up resistors of the ATmega.
This was done to avoid the influence of pull up resistors at measurement 
pins.
If an Port is switched from Output to Input, the pull up resistor switch 
on automatically, when the Output is 1. It is not possible to switch 
from Output to Input and to switch the Output value from 1 to 0 at the 
same time.
But an pull up resistor is required for the reset (Pin 1) and PD7 (Pin 
13).
The RESET Pin has an external pull up resistor, but the PD7 has not.
Therefore I had suggested a resistor between Pin 13 (PD7) and Pin 12 
(PD6), which is used as software Power On. But now I think it is better 
to put the additionally resistor betweens Pin 13 (PD7) and VCC (Pin 7 
for instance).
A workaround for that problem is to compile new with internal Pull up 
resistors enabled.

I hope that my explanation was helpful and you can solve your problem.

Many thanks for your reply, I had tested the software only with 
automatic power OFF functionand I had no problems.

I hope that my next release 0.94k is ready in a little while.

Sincerely yours
Karl-Heinz

von Karl-Heinz K. (kubi48)


Angehängte Dateien:

Lesenswert?

Hallo Transistortesterfreunde,

es ist mal wieder so weit. Das nächste Update ist fertig.
Neben Fehlerbeseitigung habe ich weiter optimiert, so dass eine ATmega8 
Version wieder mit Selbsttestfunktion in den 8k Speicher passt.
Leider muß man auf die AUTOSCALE_ADC Funktion verzichten.
Die bringt aber bei diesem Prozessor nicht so viel wie bei dem
ATmega168, da der mega168 als interne ADC-Referenz die 1,1V benutzt, der
mega8 aber eine interne 2,56V. Da bringen 1,1V in 1024 Schritten halt 
die bessere Auflösung.
Siehe dazu die Messtabelle B2 in der PDF-File.

Grüße
Karl-Heinz

von Michael D. (mike0815)


Angehängte Dateien:

Lesenswert?

Hallo Karl-Heinz,
schön das du bei diesem Projekt dran bleibst und deine Energie hier rein 
steckst.
Wir haben noch ein modifiziertes Layout mit der Abschaltung gebaut.
Ich habe zwar schon ein Exemplar, was sehr gute Dienste leistet, werde 
aber noch eine 2. Variante aufbauen.
Ein Future wäre noch eine Dimmfunktion für die Displaybeleuchtung mit 
Transistor an Pin27(PC4). Ist es möglich das in deine Software mit 
einzubauen?

Ich habe noch ein Problem mit dem Kompilieren im Studio4.18.
Mit deinem Makefile und dem Mega168, funktioniert das Problemlos.
Shot 1
Gebe ich in deinem Makefile den Mega8 (m8) an, bekomme ich 
Fehlermeldungen.
Es könnte sein, das der Mega8 überläuft?
Shot 2

Anbei mal die Bilder, damit du das besser nachvollziehen kannst.

Gruß Michael

von Karl-Heinz K. (kubi48)


Lesenswert?

Michael D. schrieb:
> Es könnte sein, das der Mega8 überläuft?
> Shot 2

Hallo Michael,

ja, das ist bei Dir auf jeden Fall ein Überlaufproblem.
Du must auf jeden Fall die AUTOSCALE_ADC Funktion in der Makefile für 
den
ATmega8 abschalten (auskommentieren) siehe dazu auch Punkt 20 bei den 
Features in der PDF.
Ich bekomme mit meinem gcc Version 4.5.3 auch einen Überlauf von 352 
Byte gemeldet, wenn ich diese Funktion wähle.

Hier meine Programmlängen (ohne AUTOSCALE_ADC) bei verschiedenen 
Optionen:

8150 Byte : WITH_AUTO_REF, REF_KORR=14, LCD_CYRILLIC

8130 Byte : WITH_AUTO_REF, REF_KORR=14

8126 Byte : WITH_AUTO_REF

Wie hattest Du Dir die Bedienung Deiner geplanten Dimmfunktion 
vorgestellt?
Hast Du bei deinem Layout den Quarz mit vorgesehen?
Generell spricht natürlich nichts gegen eine Erweiterung.
Schön wäre natürlich auch, wenn man statt der Abschalt-Transistoren die 
sleep-Funktion des ATmega benutzen könnte. Den Spannungsregler müßte man
durch einen MCP1702 ersetzen, der nur ca. 1µA Ruhestrom hat. Das Display 
müßte dann natürlich vom AVR eingeschaltet werden.
Was bleibt, ist das Problem mit der Batterie-Spannungsmessung.
Der Teiler braucht zu viel Strom (höhere Widerstandwerte?).

Mit freundlichen Grüßen
Karl-Heinz

von Simone (Gast)


Angehängte Dateien:

Lesenswert?

Hi Karl,

i have a working copy of the circuit attached, it works with orignal 
transistortester and your software 0.94k on atmega8.

if i try to put the software compiled for atmega168 on a atmega168 the 
circuit stop working, it poweroff immediatelly after i release the 
pushbutton.

I have checked settings and fuses more and more but i get always the 
same result.

I have also addedd the 8 mhz crystal, the 10k pullup resistor is already 
on the circuit as you can see.

Have you an idea ? may be something wrong in the skematic ?

TYA
Simone

von Simone (Gast)


Lesenswert?

i want to add that i have not installed c9 and c6 becouse i know they 
can cause issues.

von Simone (Gast)


Lesenswert?

well, i changed hfuse from dc (like in makefile) to d9 and it works now.

von Karl-Heinz K. (kubi48)


Lesenswert?

Hi Simone,
at your diagram I noticed some differences to the original of Markus 
Frejek:
your R11 (3.3k) is in original 33k (R10)
your R10 (2.7k) is in original 27k (R7)
your C4 is missing in original
your C2 is missing in original
your P7 is in original LED1
your R8 (1.5k) is in original 3.3k
you have installed D1 for battery input
you have installed L1 for AVCC powering.

The R8 will only affect battery voltage measurement.
The R11 and R10 combination will wast more current than required.
Have you installed an LED on P7? If not, it is possible, that you can 
not restart measuring before auto power off occured.
I assume, that you have istalled a push button on P2.

I don't see why the installed C4 and C2 should cause problems.
The L1 can make problems, if it produce a voltage difference between VCC 
and AVCC input of the AVR. The port C is driven from AVCC, port B from 
VCC.
But these problems can only occur by measuring.
What kind of developement environment did you use?
I use the GNU tool chain of a linux operating system.
If you use linux too, and use the sequence make, make install and make 
fuses (or make fuses-crystal), I dont believe that your problem is 
caused from software.
If you have an voltage meter, you can check the voltage at pin 12 of AVR 
(R15 or C5 is also possible to use). At this measurement point you can 
check, if PD6 is switched to 5V if you press the start button.
If PD6 does not swing to 5V, software does not start correctly.

I had also removed the 100nF C1 at the AREF pin and did not notice any 
change of measurements. Only switching of ADC reference (AUTOSCALE_ADC) 
is done quicker.
I still installed a 1nF capacitor after that tests.

If I have another idea, I will tell you about.

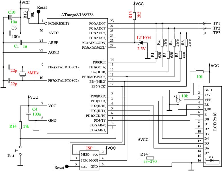
Karl-Heinz

von Nobuyuki N. (Firma: Japan) (nobu)


Lesenswert?

>In your description of your environment you noted the Lfuse of ATmega88
>as 0x7f.

>I hope that this is only a typing error.


Hello, Karl-Heinz.

Thank you for an quick reply and the suitable advice.
Lfuse was 0xf7. That 0x7f of my article is a typo. I am sorry.

(1) The problem that a tester freezes after displaying a result
 I tried the advice about your PULLUP_DISABLE instantly.

   - Tester : ATmega88P, without automatic power OFF, and pull-up Pin13 
to Vcc
   - Software : 0.93k, #CFLAGS+=-DPULLUP_DISABLE
   - Result : The problem that a tester freezes was solved. All of 
ATmega8, ATmega88, and ATmega168 are operating normally.

(2)  Resistance measurement by the new version 0.94k
 I checked the result of the resistance measurement by the difference in 
a setup of AUTOSCALE_ADC.
  - Tester : ATmega88P, and others are the same as the above.
    - Software : 0.94k
  - Result : shown below.

  <1> In case of #AUTOSCALE_ADC, #NO_AREF_CAP, Cap.(21Pin)=100nF
      R:10kΩ 1%  →10.21kΩ
      R:47kΩ 1%  →46.3kΩ
      R:100kΩ 1% →99.2kΩ
  <2> In case of AUTOSCALE_ADC, NO_AREF_CAP, Cap.(21Pin)=100nF
      R:10kΩ 1%  →19.98kΩ
      R:47kΩ 1%  →26.0kΩ
      R:100kΩ 1% →54.5kΩ
  <3> In case of AUTOSCALE_ADC, #NO_AREF_CAP, Cap.(21Pin)=100nF
      R:10kΩ 1%  →10.19kΩ
      R:47kΩ 1%  →46.3kΩ
      R:100kΩ 1% →98.7kΩ
  <4> In case of AUTOSCALE_ADC, NO_AREF_CAP, Cap.(21Pin) was removed
      R:10kΩ 1%  →10.01kΩ
      R:47kΩ 1%  →47.1kΩ
      R:100kΩ 1% →100.5kΩ

 From the result, I understood that it was necessary to validate 
AUTOSCALE_ADC and NO_AREF_CAP and to remove the capacitor of 21Pin in 
resistance measurement. And the accuracy of resistance measurement has 
been improved significantly.

 Thank you very much for your kindly advice and new version.
 This weekend is the best time to see of a cherry blossoms in here in 
Yokohama. I refresh my head with cherry blossom viewing, and will try to 
read your documents thoroughly.

Sincerely yours

von Simone (Gast)


Lesenswert?

tnks for all your info Karl, but as i have written here 
Beitrag "Re: Transistortester AVR" i have changed 
changed hfuse from dc (like in makefile) to d9 and it works now. I cant 
explain why but it works, have you an idea ?

von Karl-Heinz K. (kubi48)


Lesenswert?

Hallo Simone,
if you use a ATmega88, ATmega168 with this hfuse 0xd9, you use a 
unspecified area of BODLEVEL (reserved), my hfuse 0xdc specifies a 
BODLEVEL 4.1V to 4.5V.
Did you have a problem with the 5V supply voltage? The BODLEVEL 
specifies the supply voltage at which a reset is triggered.
A hfuse value of 0xdd would specify a BODLEVEL of 2.5V to 2.9V.
What kind of power supply do you use? Batterie?
After stabilizing the voltage to 5V the area 4.1V to 4.5V should never 
reached.

Greeting and Happy Easter!
Karl-Heinz

von Karl-Heinz K. (kubi48)


Angehängte Dateien:

Lesenswert?

hallo friends of the TransistorTester,

I have translated und updated my PDF documentation for software
version 0.94k in english language.
I hope that my text is understandable.
My english knowledge isn't very good.
I hope anyway that this document can help the user,
who has difficulty to understand the german text.

Happy Easter
Karl-Heinz

von Nobuyuki N. (Firma: Japan) (nobu)


Lesenswert?

It seems that the value of the capacitor of Pin21 has a little 
influences on resistance measurement.

 From my above-mentioned report.
  <4> In case of AUTOSCALE_ADC, NO_AREF_CAP, Cap.(21Pin) was removed
      R:10kΩ 1%  →10.01kΩ
      R:47kΩ 1%  →47.1kΩ
      R:100kΩ 1% →100.5kΩ

 If Cap. (21Pin) is set to 1.2nF.
  <5> In case of AUTOSCALE_ADC, NO_AREF_CAP, Cap.(21Pin)=1.2nF
      R:10kΩ 1%  →9927Ω
      R:47kΩ 1%  →47.4kΩ
      R:100kΩ 1% →101.1kΩ


Hello, Karl-Heinz
Thank you for having a document of 0.94k of an English version released.
Google translation (from German to English) had many incomprehensible 
portions, and I was not fully able to understand it. In addition, 
Japanese translation is full of puzzle.

Thank you very much.

von Simone (Gast)


Lesenswert?

Karl-Heinz Kübbeler schrieb:
> Hallo Simone,
> if you use a ATmega88, ATmega168 with this hfuse 0xd9, you use a
> unspecified area of BODLEVEL (reserved), my hfuse 0xdc specifies a
> BODLEVEL 4.1V to 4.5V.
> Did you have a problem with the 5V supply voltage? The BODLEVEL
> specifies the supply voltage at which a reset is triggered.
> A hfuse value of 0xdd would specify a BODLEVEL of 2.5V to 2.9V.
> What kind of power supply do you use? Batterie?
> After stabilizing the voltage to 5V the area 4.1V to 4.5V should never
> reached.
>
> Greeting and Happy Easter!
> Karl-Heinz

I use a professional power supply regulated at 9.5 volt and i mesuared 
the voltage at the output pin of the 78L05, it is 4,91 volt so it is 
within the range of 4.1 to 4.5.

I tried with hfuse = 0xdd and it still work so my situation its :

hfuse = 0xdc = no go
hfuse = 0xdd = go
hfuse = 0xd9 = go

von Michael D. (mike0815)


Lesenswert?

Hi Simone,
wich PCB-Layout you have?
In case, you have to change the Resistor for the Voltage-Measure!
The best methode to figured out wich Resistor you need, is a Poti.

For example, my Resistor-Value was 3k25

Michael

von Simone (Gast)


Lesenswert?

Michael D. schrieb:
> Hi Simone,
> wich PCB-Layout you have?
> In case, you have to change the Resistor for the Voltage-Measure!
> The best methode to figured out wich Resistor you need, is a Poti.
>
> For example, my Resistor-Value was 3k25
>
> Michael

To the scheme that you can see here 
Beitrag "Re: Transistortester AVR" i have made the 
following modification:

R10 was 3,3k
Led was installed on P2
push-button was installed on p7
removed c9 and no c6 capacitors
installed 8mhz crystal between pin9 and pin 10
22pf capacitor between pin 9 and gnd (is it necessary?)
22pf capacitor between pin 10 and gnd (is it necessary?)

von Karl-Heinz K. (kubi48)


Lesenswert?

Simone schrieb:
> I tried with hfuse = 0xdd and it still work so my situation its :
>
> hfuse = 0xdc = no go
> hfuse = 0xdd = go
> hfuse = 0xd9 = go

Hi Simone,

nice to hear, that hfuse = 0xdd works too.
The circuit of the tester is not my own design.
It ist possible, that there is one problem, which cause your problem.

The output of pin PD6 (12) is direct connected to C5 (100nF).
If the ATmega tries to switch to VCC, the current is not limited by any
external resistor. This can cause a short period breakdown of power 
voltage, which will be detected by the BODLEVEL logic.

Workaround:
Add C6 capacitor (>= 100nF) and make a new test.

If your L1 will be shortend by a wire strap, the additional C3 would
help to stabilise the power. Probably additional capacitor(s) at the
LCD module can also help to stabilise.

Better is to limit the current of the output PD6 with a external
resistor.
Probably the R16 can be moved to the pin output!

Karl-Heinz

von Simone (Gast)


Lesenswert?

Hi Karl, after your suggestion i have shortened L1 and now the tester 
works with hfuse = 0xdc. That a good news.

A bad news is tha i have tested some components and it seeme to measure 
correctly all parts except single diode when the AUTOSCALE_ADC is on.

for example there are some measure :

1n4148 - autoscale on - 256mV
1n4007 - autoscale on - 247mV

1n4148 - no autoscale - 704mV
1n4007 - no autoscale - 690mV

von Karl-Heinz K. (kubi48)


Angehängte Dateien:

Lesenswert?

Simone schrieb:
> Hi Karl, after your suggestion i have shortened L1 and now the tester
> works with hfuse = 0xdc. That a good news.
>
> A bad news is tha i have tested some components and it seeme to measure
> correctly all parts except single diode when the AUTOSCALE_ADC is on.
>
> for example there are some measure :
>
> 1n4148 - autoscale on - 256mV
> 1n4007 - autoscale on - 247mV
>
> 1n4148 - no autoscale - 704mV
> 1n4007 - no autoscale - 690mV

Hallo frieds of Transistor Tester,
Hallo Simone,

I have taken some screen shots from my scope:

The problem, which Simone had with the start procedure is
shown in picture C5_pow.png.
Channel 1 (yellow) shows the voltage at C5 capacitor.
Channel 2 (blue) shows the 5V near ATmega, the break down is in my
equipment OK, but you can see the problem!

Picture AREF2VCC.png shows the switching of voltage at the AREF pin
for the AUTOSCALE_ADC function from 1.1V to VCC.
Picture AREF2_1V.png shows the switching of voltage at the AREF pin
for the AUTOSCALE_ADC function from VCC to 1.1V.

In both cases the capacitor at the AREF pin has a value of only 1nF.
You can notice, that switching back to 1.1V is much slower!
The horizontal scale (Time) of both measurements is not equal!

If you have installed a 100nF capacitor at the AREF pin,
the load time is much longer!
In this case you may not use the Makefile option NO_AREF_CAP!!!
This is also noted as feature list number 17 of the PDF document.

Is this the problem with the diode measuring?

Karl-Heinz

von Simone (Gast)


Lesenswert?

> If you have installed a 100nF capacitor at the AREF pin,
> the load time is much longer!
> In this case you may not use the Makefile option NO_AREF_CAP!!!
> This is also noted as feature list number 17 of the PDF document.
>
> Is this the problem with the diode measuring?
>
> Karl-Heinz

Hi Karl tnks again for your effort, finally i got a working circuit.
The problem with diode measurement was caused by a mistake replacing the 
aref capacitor (i have replaced the bad one).

Now it works like expected with hfuse 0xdc, 8 mhz crystal and 
AUTOSCALE_ADC turned on.

Once again i want to tnks you for your effort in to help people and 
still working on this project that i like very much.

Another tnks goes to you for the englis version of the pdf much 
apprecciated.
I hope you still update the english version and add that it would be 
very nice if in future the code is also commented in English. This would 
be very useful for me to deepen my knowledge.

Keep it up!

von Dirk W. (psychodirk)


Angehängte Dateien:

Lesenswert?

Hallo an alle.
Ich habe hier noch ein Layout gefunden!!!
Allerdings in Kicad und kommt ohne Transen aus.
Vieleicht mal einen Blick `drauf werfen.

Danke

Dirk

von Dirk W. (psychodirk)


Lesenswert?

Was ist los? Keine reaktion auf die Dateien?

Dirk

von Karl-Heinz K. (kubi48)


Lesenswert?

Hallo Dirk,
ich hatte mir auch vor Deiner Nachricht Deine Dateien angesehen, hatte 
aber Schwierigkeiten, den Schaltplan zu lesen.
Ich benutze Ubuntu linux, habe KiCad als Paket installiert (Build 
2011-05-25), aber die Anschlüsse des Mega8 passen bei mir nicht zum 
übrigen Schaltplan.
Einige Anschlüsse (wire) hängen in der Luft!
Soweit ich aber erkennen kann, benutzt die Schaltung einen Spezialtrick 
zum Einstellen des Kontrastes.
Hier kann ich nicht beurteilen, ob das bei allen LCD-Versionen 
funktioniert.
Außerdem ist die Display-Beleuchtung ohne Vorwiderstand angeschlossen, 
das wäre in jedem Fall illegal.
Der Kondensator am AREF Anschluss ist mit 100nF so gross, das die 
Umschaltung der Referenzspannung
wegen der notwendigen langen Wartezeit Probleme bereitet.
Ich selbst benutze für meinen Tester hauptsächlich einen ATmega168, der 
für die AUTOSCALE_ADC Funktionin meiner Software die günstigere Spannung 
der internen ADC-Referenz hat (1,1V statt 2,56V).
In den bisherigen gelesenen Informationen wird immer ein Kondensator am 
AREF Pin empfohlen, aber keine bisher gelesene Doku sagt etwas über die 
erforderliche Größe. Bei meinen Tests habe ich auch keine großen 
Nachteile feststellen können, wenn man den Kondensator ganz weglässt. 
Zur Sicherheit
habe ich derzeit einen 1nF Kondensator installiert.
Für meine Software ist es auch günstiger, eine externe Quarz 
Clockversorgung vorzusehen.
Notwendig ist dazu auf jeden Fall der 8MHz Quarz, ich betreibe (wegen 
Nachrüstung!) den Quarz ohne die beiden 22pF Kondensatoren nach GND. Mit 
Quarz kann ein Messfehler für die Kapazitätsmessung
von seiten der Ladezeitmessung vernachlässigt werden.
Für eine vollständige Beurteilung wäre es aber notwendig, das ich den 
Schaltplan richtig mit KiCad einlesen kann.
Die Beantwortung Deiner Email vom 11.4. kam als unzustellbar zurück.
Ich habe die Antwort Email über diese Plattform als Benutzernachricht 
nochmal geschickt. Die Kopie habe ich erhalten! ???

Grüße
Karl-Heinz

von Herbert K. (avr-herbi)


Lesenswert?

Hallo,
wäre es möglich, den Schaltplan, um den es gerade geht, mal in ein PDF 
zu drucken und hier zu posten? Nicht jeder hat/bzw. will sich jedes 
verfügbare Layout Programm installieren. Danke!
Viele Grüße Herbi

von Dirk W. (psychodirk)


Lesenswert?

O.k.
Werde ich, als wenig-Benutzer von Kicad einstellen.
Suchen--- Speichern   als PDF.. sollte unter Kicad klappen.
Geht morgen  los.

Ich bin halt Target Nutzer, und modeliere das Layout um.
Wenn einige wire in der Luft hängen sollten...  sind Brücken.
Bei KiCad dat rote..

Abwarten. Versuche in PDF.
Dirk

von Simone (Gast)


Lesenswert?

Hi Karl,

about the two 22 pf capacitor on crystal pins to gnd, i have them in my 
circuit, should i remove them ? arent they needed or what ?

TYA, Simone

von Karl-Heinz K. (kubi48)


Lesenswert?

Simone schrieb:
> Hi Karl,
>
> about the two 22 pf capacitor on crystal pins to gnd, i have them in my
> circuit, should i remove them ? arent they needed or what ?
>


Hi Simone,
iT's better to install the two 22pF capacitors to put the crystal to the 
correctly frequency. But difference is not great. I have never noticed, 
that the oscillator don't work.

Karl-Heinz

von Karol B. (johnpatcher)


Lesenswert?

Hi,

danke dir Karl-Heinz für deine Mühen. Es scheint ja fast so, dass Markus 
nicht mehr aktiv am Projekt arbeitet. Insofern ist es umso schöner, wenn 
jemand versucht in seine Fußstapfen zu treten.

Ich habe mir in den letzten Tagen den ursprünglichen Thread sowie deinen 
durchgelesen. Die letzten Beiträge zielen ja tatsächlich darauf ab am 
Aufbau selbst etwas zu verändern.

Da ich das Ganze gerne nachbauen würde, frage ich mich gerade was der 
von dir empfohlene Aufbau ist. Du scheinst ja aufgrund des "besseren" 
ADC Werks den ATmega168 zu favorisieren und auf einen externen Quarz zu 
setzen. Gibt es sonst noch Veränderungen, welche du empfehlen würdest? 
Vielleicht wäre es auch sinnvoll mal einen kompletten Schaltplan, so wie 
du ihn empfiehlst, zusammen zu stellen und mit in die PDF Datei zu 
packen.

Ansonsten frage ich mich auch noch, ob bzw. inwiefern es Sinn machen 
würde, einen 40-poligen ATmega einzusetzen (einen ATmega32 z.B.), um je 
Leitung noch einen weiteren Widerstand irgendwo zwischen den 680 Ohm und 
470k Ohm zu verwenden. Preislich dürfte das ja - zumindest bei 
Einzelanfertigungen - ziemlich egal sein. Die Diskussion kam glaube ich 
im ursprünglichen Thread schon einmal auf, aber konkrete Umsetzungen gab 
es dann glaube ich doch nicht.

Der Nachteil wäre halt, dass man damit den bereits vorhandenen Quellcode 
nicht wirklich verwenden könnte bzw. stark anpassen müsste. Vorteil 
hingegen wäre eine bessere Genauigkeit. Was hältst du von einer solchen 
Idee? Außerdem könnte man dann die Pinbelegung problemlos so wählen, 
dass das UART benutzt werden könnte. Zur Zeit bedarf das ja auch 
größerer Umbauarbeiten, da die eingesetzten Dateien lcd-routines.c bzw. 
lcd-routines.h ja einen ganzen Port erwarten, oder?

Jedenfalls nochmals, vielen Dank!

Mit freundlichen Grüßen,
Karol Babioch

von Michael R. (michi42)


Angehängte Dateien:

Lesenswert?

Hi,

ich habe gerade die neuest Firmware draufgeflasht.
An dieser Stelle mal einen "Vielen Dank dafür!"

So nun noch was zum lachen;-)

Den 100u Stützelko hab ich raus, brachte aber keine Verbesserung.
Dann hatte ich die Dimensioniering der Basiswiderstände für den 
Auto-Power-Off Teil im Verdacht.
An der Basis des PNP ist lt. Originalplan R7 27K.
Damit bekomme ich den Transi nicht auf, wie es scheint.

Auch der Lebenserhaltungs-Transi T1 scheint mit 27k Basisvorwiederstand 
R8 nicht genügend weit aufzugehen.
Ich habe mal versuchsweise beide auf 2,2K reduziert, und schon klappt es 
zumindest ansatzweise. (Ganz auf ist er wohl noch immer nicht - Am 
Spannungsregler stehen jetzt aber schon 6V)
Aber mit derart Brechstangen-Ansteuerung musste noch irgendwas anders im 
Argen sein.
Gesucht- Gefunden: Transistortester und Datenblatt sind über die 
Pinbelegung des pnp's einer Meinung - Eagle lag daneben. PNP Transistor 
andersrum einlöten und alles geht.

von Karl-Heinz K. (kubi48)


Lesenswert?

Karol Babioch schrieb:
> Hi,
>
> Da ich das Ganze gerne nachbauen würde, frage ich mich gerade was der
> von dir empfohlene Aufbau ist. Du scheinst ja aufgrund des "besseren"
> ADC Werks den ATmega168 zu favorisieren und auf einen externen Quarz zu
> setzen. Gibt es sonst noch Veränderungen, welche du empfehlen würdest?
> Vielleicht wäre es auch sinnvoll mal einen kompletten Schaltplan, so wie
> du ihn empfiehlst, zusammen zu stellen und mit in die PDF Datei zu
> packen.
>
> Ansonsten frage ich mich auch noch, ob bzw. inwiefern es Sinn machen
> würde, einen 40-poligen ATmega einzusetzen (einen ATmega32 z.B.), um je
> Leitung noch einen weiteren Widerstand irgendwo zwischen den 680 Ohm und
> 470k Ohm zu verwenden. Preislich dürfte das ja - zumindest bei
> Einzelanfertigungen - ziemlich egal sein. Die Diskussion kam glaube ich
> im ursprünglichen Thread schon einmal auf, aber konkrete Umsetzungen gab
> es dann glaube ich doch nicht.
>
Hallo Karol,
Der ATmega168 oder (ungetestet) ATmega328 sind als Prozessor sicher 
keine schlechte Wahl. Ich verwende derzeit immer noch den ursprünglichen 
Schaltungsentwurf.
Ich habe lediglich den Kondensator am AREF Pin auf 1nF verringert, einen 
8MHz Quarz
nachgelötet und einen externen Pull Up Widerstand an PD7 (Pin 13) 
nachgerüstet.
Wenn man ein neues Design macht, sollte der Schaltausgang PD6 (Pin 12) 
einen Widerstand zum 100nF Kondensator besitzen. Hier kann 
wahrscheinlich der 27k, der zur Basis des NPN Transistor weiterführt 
versetzt werden.
Ich hatte bei der Bestückung der Spannungsregler durch einen low drop 
MCP1702 Regler ersetzt (vorsicht, andere Anschlußbelegung)!
Derzeit bin ich dabei, die Widerstandsmessung nochmal zu überarbeiten 
und auf 0,1 Ohm Auflösung zu bringen. Da sieht man den Widerstandswert 
der Anschlüsse (Probes).
Da hierfür die Ausgaberoutine angepasst werden muß, wird's mit dem Platz 
auf dem ATmega8 immer enger. Da es mit allen Tricks so aussieht, dasman 
eine Messgenauigkeit von ca. 1% bei den Widerstandsmessungen hinbekommt, 
wenn man wie ich 0,1% Messwiderstände einsetzt, würde das nicht für ein 
neues Design sprechen.
Für ein neues Design müsste man wahrscheinlich einen neuen Softwarezweig 
beginnen.
Es kamen ja auch schon Vorschläge, einen PIC zu nehmen. Nach einer 
ersten Sichtung der Datenblätter möchte ich wegen dem anspruchslosen und 
genügsamen ADC's doch beim AVR bleiben.
Ein ganz anderes Thema ist die Dokumentation, deren letzte Version ich 
ja in Englisch umgeschrieben habe. Da ich die Arbeit jetzt schon mal 
gemacht habe, würde ich gerne nur die englische Version weiterpflegen, 
wenn das keine Proteste auslöst.

Grüße
Karl-Heinz

von orange h. (Firma: N/A) (orange_hand)


Lesenswert?

Hallo Karl-Heinz,

wäre es möglich einmal einen aktuellen Schaltplan sowie ein das 
veränderte Layout von Deiner Schaltung zu veröffentlichen ? Ich bin noch 
Anfänger, würde das aber gerne nachbauen. Es wäre super, wenn das ginge 
!

Danke & Grüße
Matthias

von Karl-Heinz K. (kubi48)


Angehängte Dateien:

Lesenswert?

Hallo Transistortester Freunde,
Hallo friends of the Transistor Tester,

the new version of my software is ready.
A important feature of the new version is that the resolution of 
resistor values is now 0.1 Ohm.
Additionally the range of resistors, for witch the 680 Ohm resistor is 
used
is enlarged, so that a accuracy of about 1% can be reached with all 
options for a ATmega168.
Please see the updated table B2 in the documentation.
Note that cables can cause significant offsets, if you measure resistors 
below 10 Ohm.
A low cost Strip with alligator clips with a length of 50cm has about 1 
Ohm!
With an new option the tester can be configured to repeat measurements.
My compiled version for ATmega168 has enabled this feature and will 
power off after six measurements without any found part.
The updates are described in the pdf documentation.
I have only updated the english version of the pdf.
The documentation within the source code is now also in english.

Ich hoffe, das auch die deutschen Nutzer kein Problem mit den
englischen Texten und vor allen Dingen mit meiner Software haben.
Wenn das nicht zu vielen Protesten führt, würde ich gerne nur die
englische Version weiterpflegen.

Karl-Heinz

Nachtrag an Matthias,
ich habe leider kein neues Layout, überlege derzeit auch noch welche 
Software ich verwenden soll.
Ich weiss auch noch nicht, ob ich eine Version mit dieser Prozessorlinie 
oder mit einem grösseren ATmega aufbaue.
Der Hardwareentwurf und die ersten Softwareversionen stammen ja von 
Markus Frejek!
Ich hatte meine Platine fertig kaufen können, ist aber jetzt 
ausverkauft!

von Karl-Heinz K. (kubi48)


Angehängte Dateien:

Lesenswert?

Hallo,

something was wrong with the upload, perhaps is was too late

Karl-Heinz

von Simone (Gast)


Lesenswert?

tnks you very much for this updated versione and for the english 
translation

von Asko B. (dg2brs)


Lesenswert?

Hallo Matthias

Ich bin gerade dabei ein bestehendes Layout an Quarz usw anzupassen.
Momentan hab ich ein Problem, ich wollte auch gleich den
Spannungsregler LM7805 gegen den von Karl-Heinz vorgeschlagenen
Low-drop Regler austauschen. Bloss find ich bei Eagle solch Teil
nicht, und die MCP15xx haben auch wieder eine andere Pinbelegung.

@Karl-Heinz
welchen Wert hast Du denn bei Deinem Pull-up Widerstand verwendet ?

Die Leiterplatte wird einseitig, ohne SMDs und ohne 
Durchkontaktierungen.
So wie sie eigentlich schon war.
Auf die zweite Leiterseite, also die Oberseite setze ich einen
ISP-Stecker. Denn Karl-Heinz wird uns doch hoffentlich weiter
mit updates und verbesserungen versorgen.

Aber noch bin ich nich so weit.

Bis denne...Asko.

von orange h. (Firma: N/A) (orange_hand)


Angehängte Dateien:

Lesenswert?

Hallo Asko,

danke das hört sich gut an. Ich hatte mir auch einmal das Datenblatt zum 
Spannungsregler angesehen. Den gibt es doch auch im standard TO-92 
Gehäuse. Und dieses Element ist doch bestimmt im Eagle vorhanden.

Grüße
Matthias

von Asko B. (dg2brs)


Angehängte Dateien:

Lesenswert?

Hallo @ alle

Leider ist mir nicht alles so gelungen, wie ich mir das vorgestellt 
habe.
(vielleicht kommt das ja noch, bin naemlich noch am lernen mit Eagle)
Aber vielleicht kann der eine oder andere damit was anfangen.
Schaltplan mit den Aendereungen/Vorschlaegen von Karl-Heinz.
Dazu noch ein Eagle-Board, einseitig (nicht getestet).
Die Platinenoberseite mit Top-Layer ist sozusagen "Bonus" und
beinhaltet wirklich nur den ISP-Anschluss.
Dann ist wenigstens eine Durchkontaktierung notwendig.
Die anderen fuenf sind nur zum besseren loeten.
(So das man das Ding auch in einer konspirativen Wohnkueche hinkriegt).
Spannungsregler ist immernoch der LM7805.
Wer dem MCP1702 einsetzen moechte, muss halt die Beinchen verbiegen.

Jetzt bin ich gespannt, ob das jemanden weiterhilft.

Gruss Asko.

von orange h. (Firma: N/A) (orange_hand)


Lesenswert?

Danke Asko,

das mit dem Beinchen verbiegen ist wohl keine optimale Lösung. Da wäre 
es besser ein TO-92 Element parallel zum 7805 zu setzen, so das man sich 
entscheiden kann was man einbauen möchte ...

Grüße
Matthias

von Asko B. (dg2brs)


Lesenswert?

Hi Matthias

Das wollte ich eigentlich auch....bloss...
Bei meinen Eagle-Bibliotheken gibt es kein MCP1702.
Und der MCP15xx hat WIEDER eine andere Anschlussbelegung.
(dort ist Power-In und Power-out vertauscht)#
Und so firm bin ich noch nicht, das ich eigene Lib´s
kreieren kann.

Auch bin ich noch nicht damit klargekommen fuer die
Oberseite eine durchgehende Masseflaeche zu erzeugen.
Fuer die Unterseite hats komischerweise funktioniert.

erst wenn ich das hinbekommen habe (evtl auch vorher)
werde ich selber eine Platine aetzen.
Bloss ich wollte nicht sinnlos Cu in der Aetzloesung loesen.

Gruss Asko.

von Karl-Heinz K. (kubi48)


Lesenswert?

Hallo Asco,
ich habe einige Anmerkungen zum neuen Schaltbild:

1.) den Kondensator C3 auf 10nF veringern und direkt an die Basis des
  Transistors Q2 anschliessen.
2.) den Widerstand R7 auch direkt an die Basis von Q2. Sonst könnte es 
die gleichen Probleme wie bei Simone geben!

3.) In der Software liegt auf dem Pin PC3 der Ausgang eines Software 
UARTs (serielle Schnittstelle). Ich benutze die zwar auch nicht und habe 
die Software daraufhin nicht getestet, aber vielleicht ist es ja doch 
für später interessant.

4.) Für den freien Eingang PC4 habe ich schon mal den Anschluss einer 
2,5V Präzisions-Spannungsreferenz (z.B. LM4040 oder LM1029AC) 
vorgesehen.
Wenn ich mich nicht irre, werden die angeschlossen wie Zehnerdioden.
Die Powerversorgung des Vorwiderstandes könnte vom Pin PD6 erfolgen.

Habe heute meine Steuererklärung fertig gemacht und wenig Zeit.

Grüße
Karl-Heinz

von Karl-Heinz K. (kubi48)


Lesenswert?

Hallo Asko,

Der Fehlerteufel hat in deinem Schaltbild zugeschlagen!
Der Taster muß oberhalb der LED1 an den Widerstand R5 (27k) 
angeschlossen werden!
Der Widerstandswert von R16 ist unkritisch, kann aber ruhig höher 
gewählt werden, da er sonst überflüssig Strom braucht. Die internen Pull 
Up Widerstände sind auch nur etwa 30k .

Sollten die nicht benutzten LCD Data Anschlüsse nicht besser auf GND 
gelegt werden?
Für die Kontrasteinstellung könnte man (als Alternative?) ein Poti 
vorsehen.

Grüße
Karl-Heinz

von Asko B. (dg2brs)


Lesenswert?

Hallo Karl-Heinz

Auwei...Fehler sind grosser Mist...
Ich hab lange beide Treads betreffs des Schaltplan durchsucht.
Und ich dachte, ich hab die richtige Schaltung gefunden.
Ich hab ja nix "erfunden" sondern mit meinem bissel
Energie ein wenig hinzugefuegt.

Beim Widerstand sollten also 27-33kOhm ok sein ?

Die unbenutzten Dateneingaenge hab ich absichtlich
nicht auf irgendein Pegel gelegt.
Ich hab bei einer anderen Schaltung deswegen schon mal
ganze 5 Tage den Fehler gesucht.
Soweit ich gelesen habe, haben moderne LCD-Module
dort sowieso Pull-ups drinnen.

Das mit dem Poti fuer die Kontrasteinstellung kommt auf
meine "sofort-to-do-Liste".

Bis denne ... Asko.

von orange h. (Firma: N/A) (orange_hand)


Lesenswert?

Hi Asko,

für den Low Drop Spannungsregler kannst Du doch ein generischen 
Transistor (mit dem Gehäusetyp TO-92) verwenden. Du benötigst nicht 
immer ein "maßgeschneidertes" Bauteil...
Ansonsten finde ich die Idee mit dem Poti für den Kontrast auch gut !

PS: Würdest Du mir auch eine Platine anfertigen, selbstverständlich 
gegen Bezahlung ?

Grüße
Matthias

von Asko B. (dg2brs)


Lesenswert?

Hi Matthias

Kannste gerne haben...
Aber , ... und jetzt kommt´s.
Ich kann nur ne Platine machen, also unverinnt,
ohne Durchkontaktierungen, und von Loetstopplack ganz zu schweigen.

Gruss Asko.

von Michael D. (mike0815)


Lesenswert?

Hallo Karl-Heinz,
du bist äusserst fleißig, was das Projekt betrifft, man kommt mit dem 
flashen ja garnicht mehr nach!
Jedenfalls bleibt es hier sehr spannend! Ein Mitstreiter und ich waren 
zwecks Schaltplan u. Layout nicht untätig, wenn es soweit ist, dann 
werden wir das hier veröffentlichen inkl. "optionaler" Dimmfunktion, 
wenn da der Mega168 verwendet wird(hatten wir ja schon mal 
angesprochen).
Der Mega8 platzt ja schon fast aus allen Nähten...

Ihr zwei da oben (Asko u. orange hand), wenn ihr noch etwas Geduld übt, 
könnt ihr auf das neue Layout zählen.

Ich bin darauf gespannt, wie deine neue Widerstandsmessung funktioniert, 
werde dann berichten!
An dieser Stelle noch mal ein Lob für deine tolle Arbeit!!!

EDIT: Das Dumme hier ist wirklich die fehlende Versionsverwaltung der 
Schaltbilder, was ab jetzt ein Ende haben wird, versprochen!

Gruß Michael

von Karl-Heinz K. (kubi48)


Lesenswert?

Michael D. schrieb:
> EDIT: Das Dumme hier ist wirklich die fehlende Versionsverwaltung der
> Schaltbilder, was ab jetzt ein Ende haben wird, versprochen!

Hallo Michael,

ja das stimmt mit der Versionsverwaltung. Meine Version scheint ziemlich 
nahe an der veröffentlichten Version von Markus F. zu sein, nur der 
6-Pol
ISP Stecker ist zusätzlich. Es scheint aber auch Varianten der 
Spannungsteilerbestückung für die Batteriespannungsmessung zu geben. Ich 
weiss nicht ob und wozu jemand den Software UART Ausgang PC3 benutzt.
Bisher krankt die Messung von Kondensatoren daran, daß keine der 
Spannungen (5V Versorgung  und interne Referenz (1,1V oder 1,3V) 
wirklich verlässlich ist (temperaturabhängig und relativ große 
Streuung). Was hältst Du von der Idee, am PC4 Eingang eine 
Präzisionsspannungsquelle anzuschliessen?
Man könnte natürlich auch den AREF Eingang direkt mit einer 
Präzisions-Spannung versorgen, aber wenn man die (extern) umschaltbar 
machen würde, steigt der Aufwand. Meine Idee würde so funktionieren, 
dass ich die Präzisions-Spannungsquelle (z.B LM4040, 2,5V TO92) über den 
Pin Ausgang PD6 über Vorwiderstand versorge. In der Software könnte ich 
durch einen Test prüfen (Spannung gegen VCC messen, über Ausgang PD6 
kurz abschalten und prüfen ob die Spannung gegen 0 geht) ob die 
Erweiterung vorhanden ist. Der Test müsste so kurz sein, dass die VCC 
Versorgung noch nicht abschaltet. Eventuell muß man mit einer Diode am 
Ausgang PD6 verhindern, daß der Kondensator an der Basis des 
Schalttransistors vom Ausgang PD6 mit auf GND gezogen wird.
Zusatzkosten für den LM4040 ca. 0,60€ bis 1€ je nach Klasse plus einen 
Widerstand und vielleicht eine Diode. Das wäre es mir auf jeden Fall 
wert, wenn man damit den Tester präziser hinkriegte.

Grüße
Karl-Heinz

Nachtrag: Vielleicht kriegt man ja auch eine Sammelbestellung bei einem 
professionellen Platinenhersteller hin. Bei größerer Menge wird das ja 
auch nicht so teuer?

von orange_hand (Gast)


Lesenswert?

Hallo Michael,
also ich kann mich noch gedulden. Es waere doch schoen wenn wir ein 
neues Boarddesign hinbekommen wuerden.
Gruesse
Matthias

von Dirk W. (psychodirk)


Lesenswert?

Das ist alles toll.

Ich mache mir Gedanken, um ein Einseitiges Layout zu basteln,
dann wieder eine Idee im Forum. (Oder auch mehere)

Mach auch nichts, aber jetzt wird es ein wenig wuschig.

Nun warte ich bis Montag ab. (Habe viel Arbeit und am Wochenende eine 
Gruppe von Anglern zu betreuen).

Mal sehen, was noch kommt. Weiter so.

Die Idee, Profi-Platinen, ist nicht verkehrt.

Aber unter 20€/Stück wird es nichts, außer man bestellt 500 Stück.
Was utopisch ist. Lerne aber gerne dazu, wenn Quelle billiger ist.


LG
Dirk

von Asko B. (dg2brs)


Angehängte Dateien:

Lesenswert?

Hi Michael

...lass mich doch auch mal nen bisschen ueben... ;-)

Ich dachte ja, ich bekomme das ohne Durchkontaktierungen hin.
Aber das war nen Wunschtraum von mir.
Schon der Low-drop-regler mit seinem "komischen" Anschluessen
hat mir da einen Strich durch die Rechnung gemacht.
Also hab ich auf der Platine ein wenig "geschoben" und "gequetscht",
um Platz fuer die Praezisionsspannungsquelle zu schaffen.
Ist aber noch nicht drauf.
Jetzt bin ich erst mal am suchen von einem ganz normalen
Einstellregler. Aber Eagle scheint solch profanes Ding gar nicht
mehr zu kennen. Oder aber, ich bin zu bloed sowas zu finden.
Auch hab ich irgendwo gesehen, das jemand den Kontrastpin mit
einer einfachen Diode gegen Masse geschaltet hatte (=0,7V).
Weiss aber nichtmehr wo das war.

@ Karl-Heinz
Schau mal drauf, ob jetzt der Schaltplan korrekt ist.

Wenn man meine Platine einseitig herstellt hat man kein ISP.
Und wenn dann der Low-drop-Regler verwendet wird muss man EINE
Drahtbruecke machen. Ich dachte da an die low-budget-version, die
man am heimischen Kuechentisch zwischen zwei Brotkruemeln
mal so ebend schnell aufbaut. ;-)

Gruss Asko.

von Jörn P. (jonnyp)


Lesenswert?

Hab mir grad den File (eagle) vom 18.04. runter geladen und kurz 
reingeschaut.
Dabei fällt mir auf, der µC ist falsch. Da er offensichtlich von der 
cadsoft download Seite stammt, sei hier mal gesagt, das jeder dort seine 
Sachen hochladen darf, die ABER NICHT VON CADSOFT GEPRÜFT WERDEN! Ein 
Blick ins Datenblatt hilft. Stichwort ist hier Agnd, den es nicht gibt.
Imo hatte Mike0815 doch mal sein layout hochgeladen??
Naja, jetzt gibt es mal wieder eine neue Version. Jeder meckert, das man 
durcheinander kommt, aber keiner schreibt mal "tester-vers3.6" oder 
ähnliches und sie Soft bezieht sich auf vers.xx.
Ist ja auch so verdammt kompliziert.
Es wurde hier vorgeschlagen eine externe Referenz zu verwenden. Ok, aber 
warum die nicht an AREF anschließen, wo sie hingehört?
Da ja der AD-Wandler verwendet wird, sollte AVCC auch über eine 
LC-Kombination versorgt werden, wie das von Atmel vorgeschlagen wird.
Betreffs des layouts ist mir nicht klar, warum die große Fläche 
t-restrict,
es wird doch der top layer verwendet und ich verstehe nicht, warum das 
Display auf der Rückseite ist. Imo gehört das ganze layout "gespiegelt".

von Asko B. (dg2brs)


Lesenswert?

Hallo Jörn

Das LCD ist auf der Rueckseite, damit beide Platinen
Ruecken an Ruecken zusammenpassen.
Jetzt wo Du mich so mit der Nase draufstoesst, faellt mir
natuerlich auch auf, das ja dann die LED, der Taster und
die Messpins auf der Rueckseite (von der Anzeige her betrachtet)
sind, und somit nicht zugaenglich waeren.
Wenn man das ganze in ein Gehaeuse baut, wird man aber eh
dort Draehte ranmachen muessen um Schalter, Buchse und LED
nach jeweiligen gusto anzuschliessen.

Ich bin gerade am lesen vom LM4040-Datenblatt.
Was mir noch absolut unklar ist, wieviel Strom sollte man
denn da nun durchfliessen lassen ?
Die Spanne reicht ja von 150µA bis 10mA.

Warum der Aref-Anschluss nicht verwendet wird, kann ich
als Programmierblindgaenger nicht sagen.
Da bin ich immer froh, das es solche Leute wie Markus oder
Karl-Heinz gibt die mir sowas sozusagen Mundgerecht vorlegen.

Gruss Asko.

von Jörn P. (jonnyp)


Lesenswert?

Hi Asko, Taster, LED und ISP haste doch in Richtung Display sehen 
lassen.
(Ich vermeide hier mal Begriffe wie top/bottom, sonst weiß keiner mehr, 
was Sache ist), das ist doch imo OK. Nur hätte ich es konventionell 
aufgebaut, das Display, Taster, LED und ISP auf der (echten) top Seite 
und den anderen Kram auf die Rückseite gespiegelt.
Lt. Datenblatt "Analog to Digital Converter", gibt 'n Bild Figure 22.1 
bei mir, wird per soft REDFS1 ausgewählt zwischen AVCC und interner Ref 
in Richtung ADC. In diesem Fall ist AREF ein "Ausgang" der gewählten 
Ref-Spannung, vorausgesetzt das mit REFS0 durchgeschaltet ist. Beide 
REFS müssen expizid gesetzt werden. Nach einem Reset ist demnach AREF 
ein Eingang.

Lt. Gesangbuch 4040 brauchen die je nach Typ 60-100µA um in die Gänge zu 
kommen. Keine Ahnung was der ADC an Ref-Current braucht, aber ich würd 
halt den nächsten besten Widerstand nehmen, der ca. 3-5mA zulässt, das 
sollte satt reichen. Wenn nicht, kann man immer noch nachheizen ,-)

Asko B. schrieb:
> Jetzt bin ich erst mal am suchen von einem ganz normalen
> Einstellregler. Aber Eagle scheint solch profanes Ding gar nicht
> mehr zu kennen. Oder aber, ich bin zu bloed sowas zu finden.
> Auch hab ich irgendwo gesehen, das jemand den Kontrastpin mit
> einer einfachen Diode gegen Masse geschaltet hatte (=0,7V).

Meinst du ein Trimmpoti? Gibbet in der RCL /Rtrimm, ist imo auch am 
Besten, weil du mit Festwerten je nach Display und Neigewinkel nie 
richtig hinkommst.

von Asko B. (dg2brs)


Lesenswert?

Hi Jörn

Der Vorwiderstand fuer den 4040 waere 2500 Ohm bei 1mA.
Also nehm ich 2,2k und fertig iss.

Den ganz schnoeden liegenden Einstellregler (Bg05) hab ich ebend
nicht gefunden. Da find ich nur Spindelregler usw.
Und in der Piher.lib da gibts gar nur ein paar Potis.

Ich muss auch zugeben, ich hab bestimmt 15 oder 20 Jahre mich
nicht mehr mit CAD befasst. Und frueher war´s bei mir
OrCad und sogar LayCad (das passte sogar auf eine 1,44er
Diskette !).
Und jetzt hab ich ebend Lust und laune mich mal wieder ein wenig
mit der Materie zu befassen.
Und wenn dann vielleicht sogar noch was sinnvolles bei
herauskommt ... prima.

Zu der Referenzspannung - Karl-Heinz wollte ja extra
eine externe Referenzspannung benutzen um Exemplarstreuungen
und Temperatureinfluesse zu vernachlaessigen.

Bald ist das kein Tester mehr, sondern wird zu Messgeraet. ;-)

Gruss Asko.

von Dirk W. (psychodirk)


Lesenswert?

Zu der Referenzspannung - Karl-Heinz wollte ja extra
eine externe Referenzspannung benutzen um Exemplarstreuungen
und Temperatureinfluesse zu vernachlaessigen.


Ich bin nun kein Profi, aber vieleicht geht es damit:


http://www.datasheetcatalog.com/datasheets_pdf/T/L/4/3/TL431C.shtml


Dirk

von Jörn P. (jonnyp)


Lesenswert?

Klar geht auch eine TL431, kommt drauf an, wie hoch man die Genauigkeit 
treiben will, bzw. wie genau es werden kann ;-)

von Michael D. (mike0815)


Lesenswert?

Hallo Karl-Heinz,

> ja das stimmt mit der Versionsverwaltung. Meine Version scheint ziemlich
> nahe an der veröffentlichten Version von Markus F. zu sein, nur der
> 6-Pol ISP Stecker ist zusätzlich.
Es gibt eine Versionsverwaltung der Schaltungen? Bisher sind mir nur 3 
Vers. bekannt: 1x ohne Abschaltung, 1x mit Abschaltung und eine 
SMD-Version!
Ein Layout mit Spannungsregler ohne Abschaltung, ist von mir. Das wäre 
dann die vierte.
Ist ja auch jetzt wurscht, wir machen da jetzt "Nummern" dran, dann muß 
nicht immer nachgefragt werden, was hier die letzten oder aktuellen 
Layout's sind. Wenn keiner was dagegen hat, nehmen Jörn u. ich das in 
die Hand. Mein Vorschlag wäre, ein Layout "uns" per PN zukommen zu 
lassen und diese nach Prüfung eine Vers.Nr. erhält, dann bleibt da 
Schaltungs-Chaos aus! ;-)
BtW. vorsicht mit der ISP-Beschaltung! Diese hat in der Vergangenheit 
bei vielen Usern ein verfälschtes Messergebnis geliefert, da dort ja 
eben unsere "Messknechte" hängen! Gerade bei der Kapazitätsmessung, die 
ja jetzt um einiges weiter unten anfängt(50pF), entstehen durch die 
zusätzlichen Leitungen, kapazive Störungen. Bitte mich korrigieren, wenn 
ich da falsch liegen sollte ;-)
> Es scheint aber auch Varianten der
> Spannungsteilerbestückung für die Batteriespannungsmessung zu geben. Ich
> weiss nicht ob und wozu jemand den Software UART Ausgang PC3 benutzt.
Müsste jetzt nicht unbedingt benutzt werden...
> Bisher krankt die Messung von Kondensatoren daran, daß keine der
> Spannungen (5V Versorgung  und interne Referenz (1,1V oder 1,3V)
> wirklich verlässlich ist (temperaturabhängig und relativ große
> Streuung). Was hältst Du von der Idee, am PC4 Eingang eine
> Präzisionsspannungsquelle anzuschliessen?
Mit der 5V Spannungsversorgung, gebe ich dir Recht, diese sollte schon 
sehr stabil sein, jedenfalls darf diese nicht zu sehr absacken. Meine 
Erfahrung ist, das da der z.B.M8 ziehmlich tollerant reagiert, ausser er 
kommt an die 4V Grenze während der Messung, dann ist es ungenau.
Bist du dir sicher,das die interne Ref. nicht verlässlich ist? Ich bin 
der Meinung, das diese auf Band-Gap Basis arbeiten!?!

Übrigens habe ich soeben deine neuen Softver. getestet. Also die 
"SElftest" und die "Auto" Versionen.
Da ich noch einen alten Aufbau mit 5%lern u. internen 8MHz Takt 
betreibe, bin ich, abgesehen von der Frequenzschwankung mangels Quarz, 
schon über die Genauigkeit des Testers überascht! Trotz meiner 
spartanischen Layoutbestückung, liefert das Teil gute Ergebnisse.
Wir werden die nächste Schaltung mit anderen(genaueren)Bauteilen 
bestücken, das sollte dann passen. Denn schon jetzt überzeugt deine
0,1 Ohm Messung! Bsp.5,6 Ohm 1% u. 2,0 Ohm 1%, werden auch als diese 
gemessen!
Man könnte ja die Ref. mit dem 4040 optional im Layout berücksichtigen. 
Vorher sollte das aber eben getestet werden, ob dadurch die 
Messgenauigkeit gesteigert wird, oder nicht.

Gruß Michael

von orange h. (Firma: N/A) (orange_hand)


Lesenswert?

Na, das ist doch mal eine Prima Idee :-)

von Dirk W. (psychodirk)


Lesenswert?

Dann bitte ALLE Versionen mit dem Layout-Prg. markern!

Zur Zeit sind Eagle, Kicad, usw. vorhanden.

Ist besser, der Übersicht wegen.

Idee perfeckt....  entwirrt den Wirrwar.

Dirk

von Asko B. (dg2brs)


Angehängte Dateien:

Lesenswert?

Hallo

Juuti, dann ist meine Version also Nr5

Karl-Heinz

Willst Du die Praezisionsspannungsquelle schaltbar machen ?
Oder warum sonst per Vorwiderstand an PD6.
Ginge nicht auch einfach an die stabilisierte Versorgungsspannung ?

Gruss Asko.

von Karl-Heinz K. (kubi48)


Lesenswert?

Hallo Asco,
ich hatte heute leider noch keine Zeit, habe aber inzwischen
Deine Eagle Dateien zwischengenommen.
Bin leider noch nicht fertig, das Ganze als Alternative mal umzubauen.
Inwieweit ist die Lage der Bauteile zwingend?
Gibt es eine Vorgabe für Befestigungsbohrungen oder so?
Da ich mit der Eagle Freeware 6.2 ganz und gar unerfahren bin (habe ab 
und an mal mit Vorgängerversionen gearbeitet), wie kann man die PDF 
Dateien zum Veröffentlichen und diskutieren umwandeln?
Ist es richtig, das der LCD-Stecker kein 100mil (2,54mm) Raster hat?
Eagle habe ich unter Windows 7 laufen, da die Installation unter Linux 
wegen Bibliotheksunverträglichkeit Probleme machte und ich keine Lust 
darauf hatte, mich drum zu kümmern.
Hast Du oder irgend jemand schon eine Eagle Bibliothek mit den fehlenden 
Bauteilen?

Grüße
Karl-Heinz

Nachtrag:
Die Versorgung der Präzisions-Spannungsquelle über Schaltausgang hatte 
ich als Idee vorgesehen, um das Vorhandensein des Bauteils testen zu 
können.
Das geht aber auch, wenn ich den Eingang PC4 kurzzeitig auf Ausgang (0V) 
schalte und schaue, ob die Spannung wiederkehrt.

von Karl-Heinz K. (kubi48)


Angehängte Dateien:

Lesenswert?

Nachtrag, ich habe herausgefunden, wie man die PDF erstellen kann.

Hab hier mal meinen Entwicklungsstand!
Ich habe den zusätzlichen Spannungsregler und die 
Präzisionsspannungsquelle
noch nicht integriert.
Habe aber ein paar zusätzlich Abblock-Kondensatoren vorgesehen.
Die Plazierung einiger Bauteile wurde verändert und der Schaltplan so 
gestaltet, das man die Bezeichnungen besser lesen kann.

Die GND-Masse Flächen habe ich noch nicht generieren lassen.
Ich leide im Moment etwas darunter, das ich hier unter Windows arbeite,
die Datenblätter habe ich aber unter Linux downgeloaded.
Ich bin also noch nicht fertig!!!

Grüße
Karl-Heinz

von Michael D. (mike0815)


Lesenswert?

@Dirk
> Dann bitte ALLE Versionen mit dem Layout-Prg. markern!
> Zur Zeit sind Eagle, Kicad, usw. vorhanden.
> Ist besser, der Übersicht wegen.
> Idee perfeckt....  entwirrt den Wirrwar.
Eben, dann fangen wir doch am WE gleich damit an, damit hier mal eine 
Struktur rein kommt ;-)

@Asko
Component_test_v5_1. sieht ja schon mal gut aus. Vielleicht sollten wir 
bei "TTester-v5.1." bleiben? Was meint ihr?
Ja sag' mal, ein grösseres Poti hattest du nicht gefunden?  :-/

@Karl-Heinz
Das mit der Eagle 6.2er Ver. ist keine so gute Idee. Besser wäre die 
5.11, die kann auch jeder öffnen.
Der Jörn ist da absoluter EagleCad Spezialist und kann das bestätigen.

Du hast ja schon genug mit der Software zutun, lass uns doch die 
Aufgaben hier verteilen, da mußt du dich nicht noch mit dem Layout 
rumschlagen!
Was hälst du davon?

Gruß Michael

von Asko B. (dg2brs)


Lesenswert?

Hallo

Michael, das Poti kam mir auch "riesig" vor.
Ich hab das mal ausgedruckt...und siehe da, es passt.
Das sieht nur in Eagle si gross aus.
Ich hab nen 24"-Monitor, da kannst Du Dir sicher vorstellen was
mich da fuer ein "Monster" angrinste.

Karl-Heinz, ich bin ja auch noch am ueben.

Wenn Ihr moechtet, kann ich ja meinen letzten "Erguss"
hier einstellen. Es fehlt eigentlich nur der LM4040.
Ansonsten sind alle Vorschlaege von Karl-Heinz beruecksichtigt.
Ich seh grad, die Diode hab ich nicht drinne.

Gruss Asko.

von Asko B. (dg2brs)


Angehängte Dateien:

Lesenswert?

Hallo

Ich hab noch schnell die Diode eingefuegt.

Anbei die Boardfiles aus Eagle 6.1.0.

Gruss Asko.

von Karl-Heinz K. (kubi48)


Angehängte Dateien:

Lesenswert?

Hallo Asko,

Ich will mich ja nicht aufdrängen, aber als Beitrag möchte ich doch 
meine Bestückungsvariante als PDF (leider mit Eagle 6.2) kundtun.

Wie gesagt, alternativer Spannungsregler und Präzisions-Spannungsquelle 
fehlen. Nur zur Verdeutlichung, was die geänderte Plazierung bringt!
Ich bin kein Profi im Layouten.

Trans2_BP ist der Bestückungsplan,
Trans2_BS ist die Bestückungsseite
Trans2_LS die Lötseite.

Grüße
Karl-Heinz

PS: Die Bauteilebezeichnungen beziehen sich auf meinen schon 
veröffentlichten Schaltplan!

von Michael D. (mike0815)



Lesenswert?

hallo Karl-Heinz,
jetzt haben wir bei deinem Layout leider TOP u. Bottom-Layer.
D.h. wir müßten eine doppelt beschichtete Platine herstellen, das könnte 
für manchen hier schwierig werden.
Jörn u. ich haben einige Tage an diesem Layout gearbeitet und jetzt habe 
ich noch mal deine Bauteilwerte übernommen sowie ergänzt. Die Platine 
ist einseitig mit einigen Brücken gehalten, also quasi 
"Nachbaufreundlich".

Ich setze mal die Pics hier rein, Kritik ist natürlich erwünscht.
Der Schaltplan ist soweit dokumentiert, damit Veränderungen sofort 
nachvollziehbar sind.
Natürlich ist das jetzt nur ein Vorschlag von mir(uns)!
Wenn es nicht gefällt, das verwerfen wir das.

Gruß Michael

von Asko B. (dg2brs)


Lesenswert?

Hallo Karl-Heinz

Dein Layout sieht ordentlich aufgeraeumt aus, gefaellt mir.
Aber wie Michael bemerkte ist eine Doppelseitige Platine ein MUSS.
Ich bin bis jetzt davon ausgegangen, KANN, aber nicht MUSS .

Ich hab meine so gestaltet, das man eigentlich mit einer einfachen
Leiterseite auskommt. Bloss muss man dann auf den ISP verzichten.
Und sollte man den MCP1702 einsetzen, statt dem LM7805 ist eine
einzige Drahtbruecke notwendig.

Die restlichen zusaetzlichen Leiterzuege auf der Platinenoberseite
sind nur Bonus, also doppelt. Je wie man moechte kann man LED,
Taster und Testpins auf beiden seiten anloeten.
Genau wie die Messwiderstaende, die beidseitig verloetbar sind.

Wie Michael schon schrieb, soll es ja Nachbaufruendlich sein.
Als ich mir das Layout mal ausgedruckt hatte, um den Trimmer
zu kontrollieren, hab ich mich echt erschrocken wie filigran die
Leiterzuege sind.
Also ich, fuer meinen Fall werd die Leiterzuege noch etwas
"verstaerken". Evtl sogar noch die Pad´s der R´s und C´s groesser 
machen.
Man wird ja nicht juenger, und sehen und loeten moechte ich das
selber ja auch noch. (grins)

Gruss Asko.

von Karl-Heinz K. (kubi48)


Lesenswert?

Hallo Michael,

ich habe mir die letzten Layouts mal angesehen, sieht ja soweit ganz gut 
aus. Für fast einseitig, alle Achtung!
Leider ist das mit der Diode D3 so nicht in Ordnung, dafür müsste der 
R17 und C6 direkt an die Basis des Schalttransistors T2.
Die einfachste Änderung ist aber jetzt, die Diode durch einen 270 Ohm 
Widerstand zu ersetzen. Es geht einfach darum, den Strom beim Schalten 
zu begrenzen, damit die Betriebsspannung nicht zusammenbricht.
Bei einer Batterieversorgung ist die Spule L1 überflüssig und kann 
überbrückt werden.
Was habt Ihr mit dem Software-Dimmer (R18/T3) vor? Bisher unterstützt 
keine mir bekannte Software einen Dimmer. Da der ja per Software 
implementiert werden müßte, sehe ich darin eine Störung der Meßaufgabe.
Das ginge, wenn die Funktion mit einem Timer/Counter erledigt werden 
könnte, aber die entsprechenden Ausgänge sind leider belegt.
Das in der Software implementierte Software UART (PC4) stört die 
Meßaufgabe nicht, da das UART nur bei der Ausgabe der Ergebnisse 
mitbedient werden muß. Ich weiß immer noch nicht wofür das Software UART 
gedacht war und wer es nutzt.
Aus meiner Sicht wäre da die Präzisions-Spannungsreferenz nützlicher.

Grüße
Karl-Heinz

von testy (Gast)


Lesenswert?

Alexander Schmidt schrieb:
> Autor:
>
>         Alexander Schmidt
>         (esko)
>

>       Datum: 09.02.2012 16:04

>       Optimal wäre es, sich mit Markus Frejek abzusprechen, und die Änderungen
> ins SVN einzupflegen:
> http://viewvc.coremelt.net/viewvc/avr/semiconductor_tester/
>
> Kontakt Markus Frejek (5volt):
> http://www.mikrocontroller.net/user/show/5volt

Super ne Por*o Seite!
Mann könnte es auch Liebesspiele nennen :D
Was fürn SVN....

von Dirk W. (psychodirk)


Lesenswert?

testy schrieb:
> Alexander Schmidt schrieb:
>> Autor:
>>
>>         Alexander Schmidt
>>         (esko)
>>
>
>>       Datum: 09.02.2012 16:04
>
>>       Optimal wäre es, sich mit Markus Frejek abzusprechen, und die Änderungen
>> ins SVN einzupflegen:
>> http://viewvc.coremelt.net/viewvc/avr/semiconductor_tester/
>>
>> Kontakt Markus Frejek (5volt):
>> http://www.mikrocontroller.net/user/show/5volt
>
> Super ne Por*o Seite!
> Mann könnte es auch Liebesspiele nennen :D
> Was fürn SVN....


Ist nicht nur hier im MC-Net
Da sind viele Links! Im Web

Weiterklicken und schon kommt Geld...aber nicht für dich!

Dirk

von Karol B. (johnpatcher)


Lesenswert?

Karl-Heinz Kübbeler schrieb:
> Ich weiß immer noch nicht wofür das Software UART
> gedacht war und wer es nutzt

Ich glaube, dass es da nicht allzu viele Benutzer gibt. Vor allem war 
das ja eh nur eine Notlösung, weil es ohne Pegelwandler nicht wirklich 
standardkonform ist.

Die Funktionalität wurde ja auch beim ursprünglichen Projekt schon stark 
kritisiert und macht meiner Meinung nach auch keinen Sinn. Man müsste ja 
die Bauteile in irgendeiner Form nummerieren, um sie nachher wieder 
erkennen zu können. Eine "einfache" Liste mit allen Messwerten 
jedenfalls dürfte nicht wirklich etwas bringen. Außerdem war es ja in 
seiner ursprünglichen Form eher als Testgerät gedacht und nicht als 
Präzisionsmessgerät.

Ich behaupte einfach mal, dass man diese Funktionalität getrost 
weglassen kann. Das spart sicherlich ein paar Bytes ein. Alternativ 
könnte man es natürlich richtig machen und die PINs anders belegen. Wenn 
ihr gerade am Layout sitzt, dann wäre wohl jetzt der richtige Zeitpunkt 
dafür. Bleibt halt nur die Frage, ob es vernünftige Anwendungsfälle für 
UART gibt und wie diese aussehen würden.

von Jörn P. (jonnyp)


Lesenswert?

Ouuuuuuuuuuuu Mann.
Jetzt waren wir uns doch einig, die versionen zu nummerieren.
@Asco
Toll deine zip V5-1, aaaaaaaaaaaaber was steht drin???
Richtig, wieder Tester OHNE Nummer. Ist imho nicht so das Wahre, den 
wenn ich das auspacke und meine alten Dateien überschreibe, handle ich 
mir u.U. Mist ein. (Soll nicht heißen das du Mist baust) ;-)
@kubi48
Du hast dich ja nun wirklich rein geknieht in  diesen Tester. Da muß man 
mal sagen: "Hut ab und (hoffentlich) weiter so".
Weil ich jetzt gerade schon am Meckern bin, eine Bitte: Poste immer 
alles zusammen, also Schaltplan und Bord (mit Nummer), auch wenn das 
Zeug schon mal gepostet wurde. Der original Fred wurde so schon versaut 
und dieser kriegt vielleicht gerade noch die Kurve. Bei der Software 
schreib bitte einen Satz mit rein, z.B. "bezieht sich auf Version xyz". 
Dann sollte alles klaro sein.
@all
Die Erfahrung hat doch gezeigt, das die threads nicht immer in 
Reihenfolge ankommen, also sollten wir einen klaren Bezug schaffen.
@ betreffs Kicad: ich hab mal kurz in die Schaltung geschaut: Es ist die 
Basic Tester Schaltung. Leider hängen einige Leitungen in der Luft und 
es ist imo die einzige Schaltung hier mit Kicad.
Betr. EAGLE
Bisher  waren die Schaltungen mit eagle5 gezeichnet.
Seit neuestem ist jetzt eagle6.2.0 offiziell raus. Der Trara in der 
eagle newsgroup ist fast abgeklungen, so das man mit der Version wohl 
endlich arbeiten kann.
Die Frage ist jetzt: Gehen wir auf auf eagle6, oder bleiben wir 
vorläufig noch auf eagle5???
Hier sollten sich mal ein paar Leute zu Wort melden, wenn sie nicht auf 
eagle6 umsteigen wollen, damit sie nicht ausgeschlossen werden.
Falls sich hier für eagle5 entschieden wird, wäre ich bereit eine 
version6 auf version5 umzuzeichnen. Darft aber auch gerne jemand anderes 
machen;-)

Ich wäre auch dafür, das wir das Ding Component-Tester (DE oder 
EN)taufen, denn es testet ja nicht nur Transitoren ,-))

@Mike0815
Also bring Ordnung in den Schuppen;-)
Mach einen Neuanfang mit 6.x oder7.x.

von Karl-Heinz K. (kubi48)


Lesenswert?

Jörn Paschedag schrieb:
> Es wurde hier vorgeschlagen eine externe Referenz zu verwenden. Ok, aber
> warum die nicht an AREF anschließen, wo sie hingehört?
> Da ja der AD-Wandler verwendet wird, sollte AVCC auch über eine
> LC-Kombination versorgt werden,

Hallo Jörn,

ich will zu später Stunde doch Mal auf Deine Anmerkung antworten.

Wenn man an den AREF eine externe Versorgung anschliesst, vergibt man 
sich die Möglichkeit, die Referenzspannung umzuschalten. Die hier von 
mir gewählte Möglichkeit (AUTOSCALE_ADC) für die Umschaltung in 
kritischen Mess-Situationen hat man damit nicht mehr. Um die gleiche 
Funktionalität wie intern vorhanden zu bekommen, müßte man zwei 
Präzisions-Spannungsreferenzen mit einem Präzisionsumschalter umschalten 
können.
Das halte ich doch für übertriebenen Aufwand, da der interne AD-Wandler 
mit 10 Bit sowieso seine Grenzen hat.
Die zweite Idee, die AVCC zusätzlich mit L abzublocken, muß ich sagen, 
das ich nicht weiss, wo die Störung herkommen sollte, die hier 
abgeblockt werden soll. Das mag ja sinnvoll sein, um Störungen von 
digitalen Schaltsignalen fernzuhalten, aber hier wird während der 
Messung nichts geschaltet. Außerdem wird hier ein Mittelwert über viele 
Messungen gebildet, da wäre ein wenig Rauschen sogar nützlich.
Lies Dir mal die ATMEL Doku "AVR121: Enhancing ADC resolution by 
oversampling"   durch.

Grüße
Karl-Heinz

von Karl-Heinz K. (kubi48)


Lesenswert?

Hallo Transistortester Freunde,

nur mal schnell zwischendurch eine Erfolgsmeldung:
Habe gerade meine Software 0.95k auf einem ATMEGA328P-PU,
Device Signature 1e950f  ausprobiert.

Lief auf Anhieb, hier waren also offensichtlich keine Fallstricke 
ausgelegt.

Mit den Möglichkeiten begrenzt ist man also durch fehlende Eingänge und 
Ausgänge, nicht durch Speichermangel.
Wer also noch beschaffen muß und einen ergattern kann, ich habe unter 5€ 
das Stück (internet shop) bezahlt.

Grüße
Karl-Heinz

von Michael D. (mike0815)



Lesenswert?

@Jörn
> Also bring Ordnung in den Schuppen;-)
> Mach einen Neuanfang mit 6.x oder7.x.
bin gerade dabei...

@Karl-Heinz
anbei die "Comp-Tester6.1." mit den vorgeschlagenen Änderungen.
Auf dem Comp-Tester6.1.SCH Pic, ist alles soweit dokumentiert.
R17/100K u. C6/10n sind jetzt direkt an der Basis von T2
R1/0R wurde optional zu L1/10µH gesetzt.
Für die Störunterdrückung von L1 sollte man diese vielleicht als Option 
belassen, falls man doch mal ein Steckernetzteil anschliesen möchte, 
wenn die Batterie leer gelutscht ist?!?
T3 (PC4/Pin27)für den angedachten Dimmer, wurde entfernt.
Der Header mit Jumper X2 wurde gelassen, damit die Beleuchtung 
abschaltbar bleibt.
T4 ist so geblieben, da es einige Displays gibt, die doch durch die 
Beleuchtung fast 100mA benötigen, wenn diese benutzt wird.
D2 ist eine Shottky für den Verpolungsschutz.
Hoffe, ich habe da nicht's vergessen.

So wie ich das jetzt mitbekommen habe, ist der UART in der Software 
garnicht implementiert? Ob der nötig ist, darüber lässt sich ja 
streiten.
Auf der anderen Seite, hätte man eine praktische Messlatte.
Wenn darunter die Resourcen leiden, geht natürlich die Präzision vor, 
was jetzt beim Mega168 nicht der Fall wäre, da der ja erst halb voll 
ist!

Gruß Michael

von Karl-Heinz K. (kubi48)


Lesenswert?

Michael D. schrieb:
> @Jörn
>> Also bring Ordnung in den Schuppen;-)
>> Mach einen Neuanfang mit 6.x oder7.x.
> bin gerade dabei...
>
>
> So wie ich das jetzt mitbekommen habe, ist der UART in der Software
> garnicht implementiert? Ob der nötig ist, darüber lässt sich ja
> streiten.

Hallo Michael,
das Software UART ist immer noch in der Software drin, allerdings von 
mir völlig ungetestet! Man kann es derzeit über eine Makefile-Option 
abwählen (spart ein paar Bytes). Der Speicherbedarf für den ATmega168 
(ATmega328) geht allerdings durch den Compiler deutlich in die Höhe. 
Verursacht wird das durch die Verwendung von JMP und CALL anstelle von 
RJMP und RCALL wegen dem größeren Speicher. Also ist dann doch nicht 
mehr so viel Speicher übrig, wie man zunächst glaubt.
Das Layout habe ich mir mal angesehen. Sieht soweit ganz gut aus.
Wenn ich es richtig beurteile, wäre sogar noch etwas Platz für die 
Spannungs-Referenz, oder zumindest einen rausgeführten Pin-Header.
Der Vorteil meines doppelseitigen Entwurfes wäre natürlich die kürzere 
Leiterbahnführung vom AVR zu den Testpunkten.
Aber da wird man sehen, wie viel das ausmacht.
Denkbar wäre ja auch beide Entwürfe als Wahlmöglichkeit.
Eine low cost Version zum Selberätzen und eine Luxusversion mit 
Lötstopp-Maske und Durchkontaktierungen vom Profi hergestellt.
Dazu sollten natürlich beider Versionen wenigstens die gleiche Schaltung 
verwenden. Ich hatte bei meinem Entwurf angefangen, die 
nBauteilebezeichnungen an den Ursprungsentwurf von Markus F. anzupassen.

Grüße
Karl-Heinz

von Michael D. (mike0815)


Lesenswert?

Karl-Heinz Kübbeler schrieb:
>
> Hallo Michael,
> das Software UART ist immer noch in der Software drin, allerdings von
> mir völlig ungetestet! Man kann es derzeit über eine Makefile-Option
> abwählen (spart ein paar Bytes).
Ich teste das mal heute Abend für dich über einen Pegelwandler mit 
Terminal.
Mal schauen, ob das in der Form brauchbar und/oder zweckmässig ist!!!

> Der Speicherbedarf für den ATmega168
> (ATmega328) geht allerdings durch den Compiler deutlich in die Höhe.
> Verursacht wird das durch die Verwendung von JMP und CALL anstelle von
> RJMP und RCALL wegen dem größeren Speicher. Also ist dann doch nicht
> mehr so viel Speicher übrig, wie man zunächst glaubt.
Also nach dem Kompilieren, waren gerade mal 58,2% vom Flash befüllt.
Ich denke mal, das da soviel Code nicht mehr dazu kommt, oder?

> Das Layout habe ich mir mal angesehen. Sieht soweit ganz gut aus.
> Wenn ich es richtig beurteile, wäre sogar noch etwas Platz für die
> Spannungs-Referenz, oder zumindest einen rausgeführten Pin-Header.
Selbstverständlich, kein Problem!

> Der Vorteil meines doppelseitigen Entwurfes wäre natürlich die kürzere
> Leiterbahnführung vom AVR zu den Testpunkten.
> Aber da wird man sehen, wie viel das ausmacht.
Jain. Den Weg mit Drahtbrücken zu realisieren, ist ja nicht's Anderes.

> Denkbar wäre ja auch beide Entwürfe als Wahlmöglichkeit.
> Eine low cost Version zum Selberätzen und eine Luxusversion mit
> Lötstopp-Maske und Durchkontaktierungen vom Profi hergestellt.
Von mir aus...nur sollte das Ganze auch noch bezahlbar sein, was dann 
von der Stückzahl der Platinen abhängt.
BtW. Ich habe jetzt kein Problem damit, doppelseitig zu ätzen, wenn es 
sein muß. Ich habe da schon einige Übung drin.

> Dazu sollten natürlich beider Versionen wenigstens die gleiche Schaltung
> verwenden. Ich hatte bei meinem Entwurf angefangen, die
> nBauteilebezeichnungen an den Ursprungsentwurf von Markus F. anzupassen.
Das sollte natürlich der Fall sein!
Also, 1x Doppellayer u. 1x Singlelayer mit Drahtbrücken.
Aber bitte die Versionsverwaltung einhalten, damit kein Chaos entsteht.
Auch bei nur einer winzigen Änderung, bitte hochzählen, damit das alles 
nachvollziehbar ist!
EAGLECad:
Wir sollten bei der 5.11er Version bleiben, die kann wenigstens Jeder 
öffnen und/oder bearbeiten, weil diese auch weiter verbreitet ist.
>
Gruß Michael

von Simone (Gast)


Lesenswert?

Hi Karl,

can you add please on makefile an option to compensate the voltage drop 
of the protection diode when misure the battery voltage ?

von Karl-Heinz K. (kubi48)


Lesenswert?

Simone schrieb:
> Hi Karl,
>
> can you add please on makefile an option to compensate the voltage drop
> of the protection diode when misure the battery voltage ?

I have add this request to the "to do" list.

so long
Karl-Heinz

von Simone (Gast)


Lesenswert?

Karl-Heinz Kübbeler schrieb:
>
> I have add this request to the "to do" list.
>
> so long
> Karl-Heinz


Tnks you!

von Jörn P. (jonnyp)


Lesenswert?

Hallo Karl-Heinz

Karl-Heinz Kübbeler schrieb:
> Wenn man an den AREF eine externe Versorgung anschliesst, vergibt man
> sich die Möglichkeit, die Referenzspannung umzuschalten. Die hier von
> mir gewählte Möglichkeit (AUTOSCALE_ADC) für die Umschaltung in
> kritischen Mess-Situationen hat man damit nicht mehr.

War ein Vorschlag, aber mach wie du denkst.

Karl-Heinz Kübbeler schrieb:
> Die zweite Idee, die AVCC zusätzlich mit L abzublocken, muß ich sagen,
> das ich nicht weiss, wo die Störung herkommen sollte, die hier
> abgeblockt werden soll.

Ich hab die Spule immer drin, gehört bei mir zum Standart ;-)
Etwas später bei Bedarf nachzupfriemeln ist immer mit Ärger verbunden.
Wenn jemand durch die immensen Kosten in den Bankrott getrieben wird 
kann man L1 brücken oder gar nicht vorsehen. Alles kein Beinbruch ;-)

von Tomas Starcok (Gast)


Lesenswert?

Hello, could it be possible to meassure ESR in capacitors or add other 
component detection for "coil" ? Thank you for your answer.

Tomas Starcok

von Karl-Heinz K. (kubi48)


Lesenswert?

Tomas Starcok schrieb:
> Hello, could it be possible to meassure ESR in capacitors or add other
> component detection for "coil" ? Thank you for your answer.
>
> Tomas Starcok

Hallo Tomas,

I had not yet analysed, if both measurements are possible.
The pulse answer of coils are not so easy to analyse as capacitors.
I believe, that neather of the both measurements is ready in the next 
releases.
I have to do some bugfixes like inaccurate Battery voltage measurement 
and watch dog timer handling with ATmega168 series.
More and better documentation is planned too.
But it is in my "to do" list.

Karl-Heinz

von Asko B. (dg2brs)



Lesenswert?

Hallo

Ich hab an diesem Weekend mich mal weiter mit Eagle befasst.
Sri, ich hab nur V6.1.0.

Bei meiner version (zZ 5.1.4) ist jetzt statt dem LM78L05
(nicht mehr zusaetzlich) der MCP1702 als Spannungsregler drauf.
10µF Drossel in der Versorgungsleitung und zusaetzliche
Abblockkondensatoren.
Dann noch an PC4 (Pin27) der von Karl-Heinz vorgeschlagene
LM4040-2.5.
Den UART-Anschluss hab ich weggelassen.
Wie es ausschaut hat den eh noch niemand verwendet.
Und wer den Verwenden moechte, muss eh ein Kabel anloeten
und einen MAX232 oder so extern ranbasteln.
Die Leiterzuege fuer LED, Taster und Testpin sind auf beiden
Seiten vorhanden. So kann man die Sache anloeten wie man moechte.
Wenn man eine einseitige Platine macht, laesst man einfach
die ISP-Buchse unbestueckt, oder muss ebend 4 Schaltdraehte
anloeten. Was aber auch nicht der Hit ist, man sieht sie nachher
ja nichtmehr, da ja LCD und Testerplatine Ruecken an Ruecken kommen.

Ich hab zwei Bilder angehangen, einmal zeiseitig und einmal
die einseitige Variante.
Ich bin gespannt was Ihr meint. (Schrott ? <-> gut ?)

Gruss Asko.

von Asko B. (dg2brs)


Lesenswert?

Hallo

Jetzt wollte ich die Sache selbst aetzen um dann das
Ergebnis stolz hier per Bild zu praesentieren.
Denkste ... genau JETZT muss Das Netzteil von meinem
Drucker kaputtgehen.
Hat jemand nen Schaltplan von einem IBM 4028 ?
Oder kennt jemand einen, der einen kennt....
Google..ich weiss....aber ich frag trotzdem erstmal.

Gruss Asko.

von Dirk W. (psychodirk)


Lesenswert?

Perfekt.
Allerdings sehe ich im Single-Teil keine Drahtbrücken oder Null-Ohmer.
Haste ne Ebene vergessen?

LG
Dirk

von Asko B. (dg2brs)


Lesenswert?

Hallo Dirk
Das "Single" Layer ist ja eigentlich nur das weglassen
von Top-Layer.
Beim Single-Layer UND ISP muss man ebend ein paar
Schaltdrahtstuecke auf der Leiterseite anbringen.
Ich persoenlich hab gar keine einseitig beschichteten
Leiterplatten da.
Wieso sollte ich da ne ganze Schicht wegaetzen.
Waere ja Cu in die Ammoniumpersulfatloesung geworfen.
Oder wie man das nennt...
Aber jetzt hadere ich erst mal mit meinem heissgeliebten
Uralt-Drucker. Der kann *.PS und *.HPGL
Ausserdem hatte ich dem erst vor kurzem eine neue
Tonereinheit spendiert. War nich gerade billig.
Somit aergert mich das fast doppelt.

Gruss Asko.

von Jörn P. (jonnyp)


Lesenswert?

Hi Asko, wann sonst sollte denn dein Drucker kaputt gehen, wenn nicht an 
einem Tag wo alle Läden dicht sind ...

Kannst du auch mal die eagle files hier reinstellen?

von Asko B. (dg2brs)


Angehängte Dateien:

Lesenswert?

Hi Jörn

Selbst wenn alle Laeden offen haetten, solch einen
Laserdrucker krieg ich nie wieder.
Ich hatte absichtlich die Boardfiles hier nicht eingestellt.
1. - Ich hab nur Eagle 6.xx (ist hier nicht das Mass der Dinge).
2. - (und viel wichtiger) Karl-Heinz hatte schon bemerkt
das bei der ganzen um-modelei/um-zeichnerei die Bauteilbezeichnung
voellig aus dem Ruder gelaufen ist. Zumindest bei mir.
So einen schoen aufgeraumten, lesberen Schaltplan wie
Karl-Heinz erstellt hat, hab ich nicht.
Aber wenn Du es moechtest, mach ich es natuerlich.
Ich hoffe das die Bauteile (gerade LM4040-2.5V und MCP1702-5002)
auch bei Dir richtig angezeigt werden.
Ich hatte mir naemlich zum testen extra eine Asko.lib erstellt.
Laut Eagle-Handbuch muss man die LIB´s jedoch nicht weitergeben.
Genau das wuerde mich auch mal interessieren.
Also interessiert mich eine Aussage von Dir.
... Oder von anderen Usern ...

Gruss Asko.

von Dirk W. (psychodirk)


Lesenswert?

Asko B. schrieb:
> Laut Eagle-Handbuch muss man die LIB´s jedoch nicht weitergeben.
> Genau das wuerde mich auch mal interessieren.
> Also interessiert mich eine Aussage von Dir.
> ... Oder von anderen Usern ...


Klappt alles... Morgen wird geäzt.

Dirk

von Jörn P. (jonnyp)


Lesenswert?

Hi Asko

Asko B. schrieb:
> Selbst wenn alle Laeden offen haetten, solch einen
> Laserdrucker krieg ich nie wieder

Das glaub ich dir gern. Vielleicht hast du eine Chance von einem anderen 
user ein Netzteil zu bekommen.

Betr.: Eagle
Auf meine Frage hier im Fred betreffs der eagle Version, hab ich via PM 
ein paar Meinungen bekommen, die, aus welchen Gründen auch immer, 
vorläufig lieber gerne eagle5 hätten.
Wir würden ja zwangsläufig diese Leute ausgrenzen.

Du sagst, das du nur die Version6 hast. Imo kannst du mit der 6er Lizenz 
aber auch eagle5 fahren.
Das Problem ist ja, das man nicht rückwärts konvertieren kann.
Wenn wir jetzt mit eagle5 zeichnen, können wir das später problemlos 
nach V6 übernehmen und wir würden jetzt niemanden abhängen.
Wennich morgen Zeit habe, werde ich versuchen, eine 5er Version mit 
einer 6er Lizenz zu aktivieren.
Falls das schon jemand gecheckt hat, sollte er/sie hier posten, dann 
kann ich die Arbeit sparen ;-)

von Tomas Starcok (Gast)


Angehängte Dateien:

Lesenswert?

My single sided layout, PCB dimensions are the same as LCD.

I tested the new program and works very well with 8 MHz internal RC 
oscillator...

Once again I thank the author of this new program, I appreciate his 
efforts to improve program. Keep it up and good luck in programming.

Tomas Starcok

von Tomas Starcok (Gast)


Lesenswert?

Hello

Could someone tell me how big is the difference in measurement accuracy 
when  uC using the internal RC oscillator or external crystal and 
internal reference or external reference (Uref = 2.5V)? And what is the 
accuracy/tolerance of the A/D converter in the ATmega8A ?

Thanks for answers.

Tomas Starcok

von Jörn P. (jonnyp)


Lesenswert?

IMHO some people performing tests with different frequencies and 
components.I'm sure the results will be posted here.

von Karl-Heinz K. (kubi48)


Lesenswert?

Tomas Starcok schrieb:
> Could someone tell me how big is the difference in measurement accuracy
> when  uC using the internal RC oscillator or external crystal and
> internal reference or external reference (Uref = 2.5V)? And what is the
> accuracy/tolerance of the A/D converter in the ATmega8A ?

Hello Tomas,

the internal RC oscillator works well at the temperature of about 25°C.
The accuracy of the clock frequency affects only the measurement of 
capacities. If you take a clock frequency of 8MHz instead of 1MHz, you 
get a better resulution of capacity measurement results, which has 
benefit to the measurement of small capacities.
The internal reference (bandgap) is taken for measurement of big 
capacities (>50µF) and is used also for measurement of low voltages, if 
you use the option AUTOSCALE_ADC.
Uref = 2.56V is used only by ATmega8, the other controller line 
ATmega168 uses a reference voltage of 1.1V!
Because this low reference voltage results in a better resolution of ADC 
for low voltages, I recommend to use the newer processor-line ATmega168 
or ATmega328 (See my PDF-documentation appendix B2).
The specification of ATmega8 ADC declares , that absolute accuracy if 
+/- 2LSB, which is 9.8mV at 5V reference or 0.2% relative to full scale.

The accuracy of ADC affects the resistor measurements and the 
measurement of big capacity values. Measurements if smaller capacities 
uses the analog comparator, which directly use the internal bandgap 
reference.
The breakdown voltages of semiconductor are temperature affected, you 
should not analyse the mV units ot LCD-output here.
After all the accuracy of 5V usually has a bigger difference 
(influence).

Karl-Heinz

von Asko B. (dg2brs)


Lesenswert?

Hallo @alle

KOMMANDO ZURUECK !!!!

ACHTUNG !!!

Wer mein File (Version 5.1.4) heruntergeladen hat, muss bei
der Bestueckung aufpassen. Der bestueckungsaufdruck vom
MCP1702 ist VERKEHRT !!!
Also um 180° gedreht einbauen.

Mir ist bei meinen Versuchen bei/mit Eagle ein Fehler unterlaufen.
Also unbedingt vor der Bestueckung kontrollieren !
Ich weiss nicht passiert, wenn GND und OUT vertauscht werden.
Bevor Ihr Euch die Bauteile kaputt macht, nochmal
auf logischer Verschaltung kontrollieen !

Gruss Asko.

von Asko B. (dg2brs)


Lesenswert?

Hallo

Dem Layout tut das erst mal gar nix.
Das ist so wie es ist, nur der Bestueckungsaufdruck passt nicht.
Beim Vorwiderstand fuer die Praezisionsspannungsquelle fehlt
auch noch ein Leiterzug von 0,0xx mm.
Ich werd die Sache erst mal bearbeiten muessen.

Gruss Asko.

von Asko B. (dg2brs)


Angehängte Dateien:

Lesenswert?

Hallo

Mit oben <-> unten und rechts <-> links kann man sich
ganz schoen verhauen.
Ich hoffe ich hab das jetzt richtig "rum".
Anbei die Bestueckung als "richtig".
Wenn dann, wie bei mir ebend, die Rechneruhr eine Stunde
vorgeht, kann alles leicht ins auge gehen.
Aber jetzt sollte alles stimmen.

@ Dirk
Hattest Du die Platine gemacht, geloetet, ATmega geflasht ?
Spielt der aufbau ?

Gruss Asko.

von Dirk W. (psychodirk)


Lesenswert?

Asko B. schrieb:
> @ Dirk
> Hattest Du die Platine gemacht, geloetet, ATmega geflasht ?
> Spielt der aufbau ?

Nein, noch nicht. Du hast PM.

Was soll da passieren...

Musste noch einen Kunden betreuen... Datensicherung...

Hätte es bemerkt, da Import nach Target und Prüfung gemeckert hätte. 
(Ich)
Soweit war ich noch nicht. Und mecker sowieso nicht.
Nur Hinweis.

Wenn Zeit, dann Antwort. PM bitte.

LG
Dirk

von Tomas Starcok (Gast)


Lesenswert?

Hello, today I tested the new atmega168 with 8MHz crystal, but program 
for atmega168 with system clock set to 8MHz don´t work, maybe I can´t 
correctly set the fuses..

How do you set fuses for atmega168 with 8Mhz crystal? Thank you.

Tomas Starcok

von Karl-Heinz K. (kubi48)


Lesenswert?

Tomas Starcok schrieb:
> How do you set fuses for atmega168 with 8Mhz crystal? Thank you.

Hi Tomas,
if you can use avrdude as programmer interface, you can use the
"make fuses-crystal" call.
You can also see how Makefile build the fuses for different options.
In your case (8 MHz crystal) hfuse is 0xdc and lfuse is 0xf7 (same for 
m168 and m168p).

Karl-Heinz

von orange h. (Firma: N/A) (orange_hand)


Lesenswert?

Hi,

nachdem das Layout ja nun fertig zu sein scheint, kann mit vielleicht 
jemand 2 Platinen mitätzen (gegen Bezahlung versteht sich) ? Das wäre 
toll.

Grüße
Matthias

von Jörn P. (jonnyp)


Angehängte Dateien:

Lesenswert?

Hi Asko,
du hattest ja die eagle files V5_1_4 hier hochgeladen. Da gibt es 
offensichtlich ein paar kleine Probleme mit libraries. Wenn du sowas 
editierst, solltest du drauf achten, das das Bauteil auf der 0.0 
Koordinate sitzt, denn der ist später der "Anfasspunkt" (orign).
Beiliegend hast du hier eine lib mit dem MCP1702 und LM4040. Die lib ist 
im eagle-5 Format, so das praktisch jeder sie nutzen kann.
Weil wir gerade dabei sind: Eagle-5 läßt sich auch mit einer 6er-Lizenz 
betreiben! Hab das heute morgen mal getestet.

von Asko B. (dg2brs)


Lesenswert?

Hallo Jörn

Wie ich schon geschrieben hatte, war das mein erster Versuch
neue Bauteile anzulegen. Warum auf einmal der Origin daneben
lag, obwohl ich der Meinung war den genau auf´s Kreuz gelegt
zu haben, war mir auch nicht klar.
Jedoch dachte ich, das es kein Beinbruch ist.
Schlimmer war die Verwechselung des Bestueckungsaufdruck.
Im Datenblatt ist das Bauteil in bottom-view und in Eagle
hat man ja top-view.
Du schreibst, man kann Eagle-5 auch mit einer 6er Lizenz
betreiben. Kann dann das Eagle-5 auch das neue XML-Format
der Files einlesen ?
Deine Library hab ich mir natuerlich gleich "einverleibt".
Danke

Gruss Asko.

von Jörn P. (jonnyp)


Lesenswert?

Hi Asko
Das ist ja gerade das Problem mit eagle: Du kannst mit der neusten 
Version alle Vorversionen öffnen, aber nicht umgekehrt!
Da regen sich zwar viele drüber auf, übersehen dabei aber manches.
Ein schlechtes (und falsches) Beispiel: Du hast mit einer neueren 
Version ein 16 layer layout und willst es mit einer alten Version, die 
nur 8 layer kennt, diese Datei öffnen. Folglich hast du einen 
Datenverlust, weil die zusätzlichen layer nicht "bekannt" sind. Es gab 
da ein paar Tricks, aber imo ist das mit dem neuen XML-Format jetzt 
nicht mehr möglich.
Vielleicht schreibt jemand mal ein ULP...

von Dirk W. (psychodirk)


Lesenswert?

@all

> Schlimmer war die Verwechselung des Bestueckungsaufdruck.
> Im Datenblatt ist das Bauteil in bottom-view und in Eagle
> hat man ja top-view.

Na, ist doch nicht so schlimm.

Ich hatte gestern auch noch 4mal geschaut um sicher zu sein.
Target hatte gemeckert... Luftlinien Hmm. Drehen und gut ist.
(geht bei Target einfacher).

> Du schreibst, man kann Eagle-5 auch mit einer 6er Lizenz
> betreiben. Kann dann das Eagle-5 auch das neue XML-Format
> der Files einlesen ?

Nicht, das ich Info`s habe.

Ein kleiner Umweg über Target könnte klappen.
Target kann über die ULP(intern) Im-und Export.(Wird immer 
aktuallisiert)

Habe keine 5xer Version, ansonsten könnte ich es testen!!!

Bin am Targetlayout für das Teil.

Ist so, wie das Layout von Asko. Ist einfach und Toll!!!  Glatte 1+.
Ich mag aber etwas dickere Leiterbahnen und Pads. Kann nie schaden.
(bei meinen Bohrkünsten)

Sollte Interesse bestehen, schiebe ich das in das Forum.
Ist kein EAGLE Import!!! Alles zu dünn unter Target.

LG
Dirk

von Dirk W. (psychodirk)


Lesenswert?

orange hand schrieb:
> Hi,
>
> nachdem das Layout ja nun fertig zu sein scheint, kann mit vielleicht
> jemand 2 Platinen mitätzen (gegen Bezahlung versteht sich) ? Das wäre
> toll.

Vieleicht doch eine Sammelbestellung?

Schau mal hier. Preise o.k. Auf einer 160x100 bekommt man 3 `rauf.
(ca.53x80)/Stück
Lötstopp braucht man nicht... aber bohren..!(Ist billig)

http://www.platinenbelichter.de/index.html

Nur eine Idee

Lg
Dirk

von Karol B. (johnpatcher)


Lesenswert?

Dirk Willner schrieb:
> orange hand schrieb:
>> Hi,
>>
>> nachdem das Layout ja nun fertig zu sein scheint, kann mit vielleicht
>> jemand 2 Platinen mitätzen (gegen Bezahlung versteht sich) ? Das wäre
>> toll.
>
> Vieleicht doch eine Sammelbestellung?

Ich wäre auch interessiert. Sowohl an einer Sammelbestellung als auch an 
einer Einzelanfertigung gegen Bezahlung. Wäre jemand mit genug Erfahrung 
daran interessiert das Ganze zu organisieren?

Mit freundlichen Grüßen,
Karol Babioch

von orange h. (Firma: N/A) (orange_hand)


Lesenswert?

Hi,

wird denn noch die letzte Version im Eagle Format hier hochgeladen. Ich 
muß doch zum Platinenhersteller die Eagle Dateien senden...

Danke & Grüße
Matthias

von Asko B. (dg2brs)


Angehängte Dateien:

Lesenswert?

Hallo Matthias

Wenn Du das mit dem Platinenhersteller organisierst, hier
meine letzte Variante.

Gruss Asko.

von orange h. (Firma: N/A) (orange_hand)


Lesenswert?

Danke Asko,

ich muß mich da erstmal informieren, habe das auch noch nie gemacht und 
zudem lebe ich in England, da macht es wenig Sinn eine Sammelbestellung 
für Deutschland zu organisieren ...

Grüße
Matthias

von orange h. (Firma: N/A) (orange_hand)


Lesenswert?

Und noch eine weitere Frage, wo ist denn die aktuellste Software zu 
finden ?

von Karl-Heinz K. (kubi48)


Lesenswert?

orange hand schrieb:
> Und noch eine weitere Frage, wo ist denn die aktuellste Software zu
> finden ?
Hallo Matthias,
wenn Du die Software und nicht die Daten für die Platinenherstellung 
meinst,
dann kannst Du die Software hier im thread finden (Datum 17.April 2012).
Es ist die Version "0.95k". Die vorläufige Doku zu dieser Version ist 
nur in Englisch (leider kann ich es nicht so gut!) verfügbar.
Derzeit bin ich dabei, die PDF-Doku zu einer Bedienungsanleitung (user 
manual) umzubauen. Das kostet mich viel Zeit, da ich diese Doku auch in 
Englisch schreibe und ein anderes Programm (pdftex) benutze. Daher komme 
ich derzeit noch nicht dazu, die Software weiterzuentwickeln.
Sobald ich eine brauchbare Version habe, werde ich sie natürlich wieder 
hier veröffentlichen.

Grüße,
Karl-Heinz

von Michael D. (mike0815)


Lesenswert?

hier der Link zur aktuellen FW von Karl-Heinz
Beitrag "Re: Transistortester AVR"
funktioniert prima, vorallem das neue Messverfahren für die R's!
Sehr gute Arbeit!!!
Ich werde heute Abend, wenn ich endlich dazu komme, meinen alten Tester 
mit den neuen Widerständen u. externen Quarz bestücken, dann testen.
Bin selber ganz gespannt, das Teil wird immer besser!
Ein riesen Lob noch mal an Karl-Heinz!!!

Gruß Michael

von Ingolf O. (headshotzombie)


Lesenswert?

...und was wird nun mit einer PCB-Bestellmöglichkeit oder gar eines Kits 
inkl. bereits geproggtem AVR?
Auch von mir ein Lob an KHK!

von Michael D. (mike0815)


Lesenswert?

boahhh, Ingolf...
Hobby? selber herstellen? Selber bauen? Selber programmieren?
Sonst könnten wir ja gleich noch ne' Firma aufmachen!
Du kannst dir ja ausrechnen, was da an Kosten anfallen würde, quasi 
unbezahlbar...

Gruß Michael

von Ingolf O. (headshotzombie)


Lesenswert?

Ach, Michael, dann sind all diejenigen, die sich eine einzelne PCB nicht 
herstellen können o. wollen, Stümper, Faulpelze etc.?
Zu einfach, wie Du es Dir hier machst!
In diversen Foren sind solche Möglichkeiten einer Sammelbestellung 
vorbildlich gelöst und niemand kommt finanziell zu Schaden - ich weiß 
also absolut nicht, was Deine unrealistische und abwertende Aussage 
soll!
Dich wird nunmehr keiner anbetteln, worauf Du aber sicher nicht 
abzieltest...

von Karl-Heinz K. (kubi48)


Lesenswert?

Ingolf O. schrieb:
> ...und was wird nun mit einer PCB-Bestellmöglichkeit oder gar eines Kits
> inkl. bereits geproggtem AVR?

Hallo Ingolf,
ich hatte meine Platine (Version 2.1) mit Lötstoppmaske bei 
www.it-wns.de (Thomas Heldt) für 19,99€ bestellt.
Die Variante ist aber ausverkauft. Vieleicht legt dieser Händler ja noch 
Mal eine kleine Serie der neuen Platine auf. Dazu wäre es natürlich 
wichtig zu wissen, das das neue Layout einwandfrei funktioniert.

Grüße
Karl-Heinz

von Ingolf O. (headshotzombie)


Lesenswert?

Ja doch, KH, aber meine Motivation hat doch eindeutigen finanziellen 
Background, dass eine PCB-Mehrfachbestellung die Gesamtkosten um einiges 
günstiger gestaltet, schliesslich gilt:Je höher die Abnahmestückzahl, um 
so niedriger der Stückpreis einer PCB! Davon können doch die zahlreichen 
Interessenten profitieren, oder nicht?
Es gilt aber auch:Wo keine Wille, da auch kein Weg!

Das es Ausnahmen gibt und das ohne Gewinnsucht desjenigen, zeigt diese 
Webseite -> http://deine-sammelbestellung.de/lsqr3/
Da werden sogar Reichelt-Warenkörbe für Newbies angelegt, um die 
BE-Bestellung zu vereinfachen...

von Dirk W. (psychodirk)


Lesenswert?

Sodele, liebe Bauteile-Tester Gemeinde.

Wer die Möglichkeit und Fähigkeit besitzt, um die Platine Homemade 
herzustellen, der soll es bitte machen. (ich ätze auch selber).

Aber, nach ein wenig gockeln habe ich folgendes gefunden:

Platine 1,5mm, doppelseitig, Lötstoplack, bohren, zuschneiden.
(Aufdruck weis nicht... muß man anfragen)

Preis/e:

100x160mm doppelt   13,80€
Lötstop            16,00€
bohren             03,00€
schneiden          00,40€
Versand            02,50€
sind rund          36,00€, wenn man einen Nutzen ätzen lässt
kein Probl. man kann noch 10mm die Platine von links nach rechts 
stauchen.
Da ist genug Platz.

Das durch 4 plus Vesand per Brief ca. 10€/Platine
Billiger geht es nicht.
Oder hat Jemand etwas besseres?

Ob es noch billiger werden könnte, hängt von der Anzahl der Bestellungen 
ab!

Hier der Link:

http://www.platinenbelichter.de/index.html

Eventl. kann ich mich darum kümmern.
Wenn Interesse besteht..... dann aber wirklich nur ernst gemeinte Mails.

LG
Dirk

von orange_hand (Gast)


Lesenswert?

Hi Dirk,
danke fuer Deine Recherche. Also ich sehe mich nicht in der Lage an dem 
Layout was zu stauchen. Ich wuerde das Layout so wie es ist zum 
Platinenhersteller senden und mir 2 Stueck herstellen lassen. Wenn aber 
jemand anderes eine Sammelbestellung aufstellen wuerde, dann wuerde ich 
diese unterstuetzen und meine beiden Platinen dort bestellen.
Da ich auch keinen Programmer habe wollte ich auch nochmal nachfragen, 
ob mir jemand 2 Controller mit der Software fertig machen koennte ?
Gruesse
Matthias

von orange h. (Firma: N/A) (orange_hand)


Lesenswert?

Hallo Asko,

ich wollte gerade mal eine Bauteileliste fertig machen, kann jedoch die 
*.sch Datei nicht öffen (habe die falche Eagle Version). Vielleicht 
kannst Du ein Bild von dem Schaltplan hier anhängen. Mir ist aufgefallen 
das die Bezeichnungen der Widerstaende auf dem Board nicht ganz richtig 
ist (z.B. 680R, 10uH). Auf der rechten Seite ist ein Transistor ohne 
Beschreibung ...

Danke & Grüße
Matthias

von Dirk W. (psychodirk)


Lesenswert?

orange hand schrieb:
> Hallo Asko,
>
> ich wollte gerade mal eine Bauteileliste fertig machen, kann jedoch die
> *.sch Datei nicht öffen (habe die falche Eagle Version). Vielleicht
> kannst Du ein Bild von dem Schaltplan hier anhängen. Mir ist aufgefallen
> das die Bezeichnungen der Widerstaende auf dem Board nicht ganz richtig
> ist (z.B. 680R, 10uH). Auf der rechten Seite ist ein Transistor ohne
> Beschreibung ...


@ orange hand

Mit der Bauteile-Liste und Adler 6.2 klappt das auch nicht bei mir.

Bezeichnungen sind o.k.

680R ist einfach 680 Ohm, 2K2 ist 2200 Ohm usw.

Transi rechts ist ein LDO MCP 1702-5002 5V (Besserer Spannungsregler)
Alternativ geht auch ein 7805 in TO92 (Achtung: Anschlüsse beachten.

Für den LM4040 geht auch ein LM336... ist nicht so Gut aber kann man 
immer noch tauschen.

Die Bezeichnung ist im Layout enthalten...einfach auf Groß und man sieht 
sie.
Zieh dir doch die aktuelle Eagle-Version und alles wird gut.

LG
Dirk

von orange h. (Firma: N/A) (orange_hand)


Angehängte Dateien:

Lesenswert?

Danke Dirk,

ich konnte den Wert von dem Widerstand auf der rechten Seite nicht 
einordnen der ist mit 10uH angegeben ?
Ich habe mir gerade ein Buch für Eagle 5 gekauft und möchte jetzt nicht 
version 6 installieren.
Anbei ist die Stückliste, in der ich die unklaren Dinge markiert habe. 
Wo bekommt man denn den Spannungsregler "LDO MCP 1702-5002 5V" her ?

Grüße
Matthias

von orange h. (Firma: N/A) (orange_hand)


Angehängte Dateien:

Lesenswert?

ok, nun habe ich den Spannungsregler doch noch gefunden.

von Dirk W. (psychodirk)


Lesenswert?

orange hand schrieb:
> ok, nun habe ich den Spannungsregler doch noch gefunden.


10µH ist eine Induktivität mini-spule, sieht aus wie Widerstand. Kannste 
aber auch überbrücken.

Ist für entkribbeln bei Netzteilbetrieb. Wenn Bttr. dann brauchste ihn 
nicht.

LM 4040 und MCP 1702xxxxx zur Zeit nur bei Reichelt. (weiter habe ich 
nich geluschert).
Conrad, Pollin und mein Örtlicher (der letzte in Kiel) haben den laut 
Internet nicht.

Aber Ersatz hatte ich schon geschrieben. Wegen Erfolgserlebnis...

LG
Dirk

von Dirk W. (psychodirk)


Lesenswert?

orange hand schrieb:
> ok, nun habe ich den Spannungsregler doch noch gefunden.


10µH ist eine Induktivität mini-spule, sieht aus wie Widerstand. Kannste 
aber auch überbrücken.

Ist für entkribbeln bei Netzteilbetrieb. Wenn Bttr. dann brauchste ihn 
nicht.

LM 4040 und MCP 1702xxxxx zur Zeit nur bei Reichelt. (weiter habe ich 
nicht geluschert).
Conrad, Pollin und mein Örtlicher (der letzte in Kiel) haben den laut 
Internet nicht.

Aber Ersatz hatte ich schon geschrieben. Wegen Erfolgserlebnis...

LG
Dirk

von orange h. (Firma: N/A) (orange_hand)


Angehängte Dateien:

Lesenswert?

Hi Dirk,

danke für die Erklärung. Anbei die aktualisierte BOM. Jetzt muß man nur 
noch mal sehen ob die Rastermaße für folgende Komponenten richtig ist:
- Poti
- Sockel für uController
- LED

Grüße
Matthias

von Dirk W. (psychodirk)


Lesenswert?

orange hand schrieb:
> Hi Dirk,
>
>
> - Poti

Poti, ??? ist 5mm unten L--->R und nach oben 10mm
 - Sockel für uController
Wenn Du extern proggen kannst.. dann direkt auf die Platine.

Sockel ist nicht gleich Sockel!!!
Es existieren gedrehte und gesteckte.

Die billiegen Sockel... dann schiebst du die Kontackte beim `reinwürgen 
ein bischen wieder `raus Dadurch können kapazitive entstehen. Die 
richtige Bezeichnung hatte ich einmal. Zumindest hast du keinen 
100%tigen kontackt, und es könnte zu Fehlfunktionen kommen. Muß nicht, 
aber möglich....!


LED:was vorhanden ist  //Farbe/3mm/5mm egal  besser 2mA bei Bttr.


LG
Dirk

von orange h. (Firma: N/A) (orange_hand)


Angehängte Dateien:

Lesenswert?

So,

ich habe die Stückliste nochmal angepaßt. Jetzt sind nur noch folgende 
Komponenten zu überprüfen:

- IC Sockel 28 polig (Rastermaß 15,24 mm)
- Platinensteckverbinder gerade, braun, 2-polig

Den Taster hatte ich noch vergessen, den muß man sich dann nach Bedarf 
aussuchen.

Bei beiden Komponenten muß das Rastermaß stimmen. Das sollte nochmal 
jemand prüfen... Wenn die Stückliste dann paßt, kann ich auch gerne 
einen öffentlichen Warenkorb bei Reichelt machen, dann geht's mit der 
Bestellung ja auch einfacher :-)

Grüße
Matthias

von Egon (Gast)


Lesenswert?

Hallo,

ist die Platine auch als PDF verfügbar?
Ich kann in Polen sowas für ca. 2 Euro das Stück herstellen lassen.
Zugeschnitten, gebohrt, ohne Aufdruck, nicht versiegelt aber absolut
sauber und für zu Hause 100%ig verwendbar.
Grüße

von Oliver S. (oliver_s)


Lesenswert?

Eine andere Möglichkeit wäre noch der Platinensammelservice 
(Beitrag "Platinensammlung-FAQ") von Jakob.
Die wären im Gegensatz zum Platinenbelichter auch durchkontaktiert und 
mit Bestückungsdruck.

Olli

von Dirk W. (psychodirk)


Lesenswert?

Egon schrieb:
> Hallo,
>
> ist die Platine auch als PDF verfügbar?
> Ich kann in Polen sowas für ca. 2 Euro das Stück herstellen lassen.
> Zugeschnitten, gebohrt, ohne Aufdruck, nicht versiegelt aber absolut
> sauber und für zu Hause 100%ig verwendbar.

PDF musste wandeln. Mach dich schlau.
ASKO fragen. Es gibt ein FreePDF Programm.
Unter Linux kein Probl. Mein Mein Apfel ist aber nicht aktiv, da 
Renovierung.

Wenn Dein Angebot o.k. ist 4 x Platine....


Dirk

von Michael D. (mike0815)


Lesenswert?

Hallo Dirk,

> LED:was vorhanden ist  //Farbe/3mm/5mm egal  besser 2mA bei Bttr.
Die LED sollte keine Low Current sein, sie erfüllt in dieser Schaltung 
einen anderen Zweck und wird nicht leuchten!

Mit dem ISP solltet ihr euch überlegen, den über 3xJumper(ausser RES) so 
nah wie nur möglich an die "Messknechte" zu legen, da die Leitungen das 
Messverhalten beeinträchtigen(parasitäre Kapazitäten)können!
Durch das Tuning von Karl-Heinz, ist der Tester ja noch empfindlicher 
geworden.
Hast du die L1 10µH für den Restripple berechnet? Da gehört 
normalerweise noch ein kleiner Elko dahinter, dann könnte das passen mit 
dem Bypass.
Normaler Weise kommt doch sowas vor die Reglerschaltung?!?
Ich selber habe gestern Abend u.A. auch den Regler getauscht, da ich 
fast nur mit dem 9V-Block-Akku arbeite. Verbaut habe ich einen LowDrop 
LM2940-5, das Teil geht erst ab 5,5V in die Knie, also absolut 
brauchbar.

Gruß Michael

von orange_hand (Gast)


Lesenswert?

if valid_offer(Egon)
{
  add(me, 4)
}
else
  order_elsewhere(me, 2)
}

von Dirk W. (psychodirk)


Lesenswert?

Michael D. schrieb:
> Hallo Dirk,
>
>> LED:was vorhanden ist  //Farbe/3mm/5mm egal  besser 2mA bei Bttr.
> Die LED sollte keine Low Current sein, sie erfüllt in dieser Schaltung
> einen anderen Zweck und wird nicht leuchten!

Wenn die nicht leuchtet, kann man auch etwas anderes verlöten.
LED`s haben auch Streuung.

>
> Mit dem ISP solltet ihr euch überlegen, den über 3xJumper(ausser RES) so
> nah wie nur möglich an die "Messknechte" zu legen, da die Leitungen das
> Messverhalten beeinträchtigen(parasitäre Kapazitäten)können!

Da ist das Wort: parasitäre Kapazitäten. Hatte ich bei meinem 
Lab-Netzteil.
Billigsockel und nie auf Null runter. Sockel raus und Atmega auf 
Platine.
Läuft perfekt.!!!

> Durch das Tuning von Karl-Heinz, ist der Tester ja noch empfindlicher
> geworden.

Wenn Karl-Heinz weiter so mit der Soft/Firmware "macht" wird es das 
Gerät der Geräte. Ich habe nichts billigeres und besseres im Web 
gefunden.
Dank an ALLE, die dieses Projekt weiterführen.

> Hast du die L1 10µH für den Restripple berechnet? Da gehört
> normalerweise noch ein kleiner Elko dahinter, dann könnte das passen mit
> dem Bypass.

1µ Elko vor und hinter wird manchmal gefordert...
aber nicht zwingend. Dient ja auch nur zur Pufferung.


> Normaler Weise kommt doch sowas vor die Reglerschaltung?!?

Dann gehen wir aber langsam in Richtung SMD.
Sollte aber doch lieber bei diskreten Bauteilen bleiben.

> Ich selber habe gestern Abend u.A. auch den Regler getauscht, da ich
> fast nur mit dem 9V-Block-Akku arbeite. Verbaut habe ich einen LowDrop
> LM2940-5, das Teil geht erst ab 5,5V in die Knie, also absolut
> brauchbar.

Layout von ASKO und DIR vereinigen, überarbeiten und los geht es.
Ich helfe gerne mit.

Warum auch nicht.... Der Fred läuft echt toll.

Bitte weitere Infos

Dirk

von Asko B. (dg2brs)


Angehängte Dateien:

Lesenswert?

Hi

Weil hier Fragen bezueglich der Bauelemente aufkamen
habe ich mal eine Liste mit den Bestellnummern gemacht.
Bis auf das LCD hab ich alles bei Reichelt herausgesucht.
Beim LCD ist Pollin guenstiger.

Gruss Asko.

von MeinerEiner (Gast)


Lesenswert?

Warum macht ihr keinen oeffentlichen Warenkorb, damit man nicht alles 
abtippen muss ?

von Asko B. (dg2brs)


Lesenswert?

Hallo MeinerEiner

...ganz einfach....weil ich nicht weiss, wie das geht.
Und die meisten werden sowieso Widerstaende, Kondensatoren
und LED´s usw. in Ihrem Bastelfundus haben.

Gruss Asko.

von Dirk W. (psychodirk)


Lesenswert?

Sammelbestellung?

ich bekomme im Landeshauptdorf Kiel keinen LM-4040 oder MCP-1702-5002.

Nicht einmal beim blauen C !!!

Sollte etwas mehr bestellt werden... denkt an mich.

Dirk

von MeinerEiner (Gast)


Lesenswert?

Asko B. schrieb:
> ...ganz einfach....weil ich nicht weiss, wie das geht.

Ueber myReichelt. Aktuellen Warenkorb speichern und oeffentlich machen. 
Link posten.

von Dirk W. (psychodirk)


Lesenswert?

MeinerEiner schrieb:
> Warum macht ihr keinen oeffentlichen Warenkorb, damit man nicht alles
> abtippen muss ?

Einfach: 1 Fenster Reichelt, 2te Fenster Liste.

Markieren und dann bei Reichelt einfügen. Suchen und Warenkorb.
Spart viel tippen...
Ach so, der Atmega bitte nur als Atmega und nicht µ davor..

Dirk

von MeinerEiner (Gast)


Lesenswert?

Dirk Willner schrieb:
> Spart viel tippen...

Was ist das fuer eine Logik ? Ihr sucht die Teile auf Reichelt, kopiert 
die in ein txt - file um sie dann wieder bei Reichelt rein zu kopieren. 
Sehr Sinnvoll.

von orange_hand (Gast)


Lesenswert?

Hi,

das ist ja lustig. Ich habe ja schon eine Excel Tabelle gemacht und 
diese weiter oben im Thread angehaengt. Warum habt ihr die nicht 
genommen ? Dort sind neben den Links die Reichelt IDs aufgefuehrt, womit 
man die gesamte Liste bei Reichelt hochladen kann und schon ist der Korb 
voll.... Naja, da habe ich mir die Arbeit wohl umsonst gemacht....

Gruesse
Matthias

von MeinerEiner (Gast)


Lesenswert?

orange_hand schrieb:
> Naja, da habe ich mir die Arbeit wohl umsonst gemacht....

Ja, weil es so viel einfacher ist. Erstellt nach Asko B. (dg2brs)

https://secure.reichelt.de/index.html?;ACTION=20;LA=5010;AWKID=576207;PROVID=2084

Wannenstecker 6pol gewinkelt  WSL 6W Nicht Lieferbar.

Ich lasse den Warenkorb 2 Tage auf, den kann ja jemand leicht 
uebernehmen.

Keine Garantie fuer Richtigkeit, dass ist euer Problem. Ich habe den 
Tester nach der alten Version schon und der ist so wie er ist, perfekt.

von Asko B. (dg2brs)


Angehängte Dateien:

Lesenswert?

Hallo

Wenn der Wannenstecker nicht lieferbar ist, ist das natuerlich dumm 
gelaufen. Ich hatte hier bei mir auf die Tuete geguckt und die
Nummer abgeschrieben.

Michael hatte geschrieben, das die ISP-Leitungen kritisch sind.
Da sie ja direkt an den "Mess-Pin´s" haengen.
Also hab ich mal wieder ein wenig "gemalt" und versucht die
ISP-Buchse so nah als moeglich an den ATmega zu bringen.
Demzufolge schon wieder eine neue Versionsnummer. V 5.2.1

Und da scheinbar Bedarf an PDF´s besteht hab ich die auch mal gemacht.
Vielleicht ist das ja fuer die User voellig ohne Eagle oder mit
einer anderen Version interessant.
Ob die aber nun aus jedem x-beliebigen Drucker 100% Massstabsgetreu
herauskommen entzieht sich meiner Kenntnis.
Zu finden im ZIP unter Print.
Die Bottom-Side ist bereits zum ausdrucken gespiegelt.

Gruss Asko.

von MeinerEiner (Gast)


Lesenswert?

Naja, eagle laeuft ja nun unter jedem OS und kostenlos ist es auch noch.
Bei PDFs habe ich immer das Problem das mein Drucker das nicht sauber 
und dunkel genug auf Folie bekommt. Ueber Eagle aber kein Problem.

von Bert 0. (maschinist)


Lesenswert?

Tomas Starcok schrieb:
> My single sided layout, PCB dimensions are the same as LCD.


@Tomas:
Could you please share your layout data with us as the provided JPEG is 
not easily reproducable for creating PCBs?

Thanks in advance... Bert

von Tomas Starcok (Gast)


Angehängte Dateien:

Lesenswert?

Hello, I added my layout for this component tester...

von Engy (Gast)


Lesenswert?

Hello.
  There is a bug in v0.95k with mega8.

#ifdef PULLUP_DISABLE
  MCUCR = (1<<PUD);    // disable Pull-Up Resistors
#endif

PUD is not in MCUCR register but in SFIOR.

von Dirk W. (psychodirk)


Lesenswert?

How long to be a guest?

Registration and anyone can write to you ... probs. or other things.!!!

It`s so easy..... Try it..


Dirk

von Michael D. (mike0815)


Angehängte Dateien:

Lesenswert?

So, damit ihr schon mal seht, was schon die alte Version des Testers 
leistet in Sachen Resistor-Messung, anbei mal 2Pic's.
Den Rest packe ich mal zusammen.
Die nachgerüstete Austattung des alten Model's ist, externer Takt inkl. 
C's, macht zum internen Takt von der Genauigkeit her, keinen großen 
Unterschied(laut meinen Test's)
LDO LM2940-5, schaltet per Soft erst ab 5,7V ab(Code angepasst), 
Messungen sind in dem Bereich noch zuverlässig.
Kleiner Bug in der Soft: Auf dem 1.Pic ist zu sehen, das das Display den 
Messpin 1-1 statt 1-3 oder 1-2, anzeigt. Das passiert erst nach einigen 
Messung mit verschiedenen R's. Wenn die Schaltung Stromlos gemacht wird, 
werden die Messpins wieder richtig erkannt. Nach einer Weile taucht der 
Bug aber wieder auf.
Anbei noch eine Messung mit einem selbstgebauten SMD-Adapter.
Zu empfehlen sind mehrere Messpins auf die Platine unterzubringen, damit 
man mit den verschiedenen Bauteilen flexibel ist.
Messstrippen sind für solche Messungen absolut ungeeignet!!!

Gruß Michael

von Karl-Heinz K. (kubi48)


Lesenswert?

Engy schrieb:
> Hello.
>   There is a bug in v0.95k with mega8.
>
> #ifdef PULLUP_DISABLE
>   MCUCR = (1<<PUD);    // disable Pull-Up Resistors
> #endif
>
> PUD is not in MCUCR register but in SFIOR.

Hallo Engy,
you are right for the ATmega8 processor.

For the Atmega168 family my code was right.
This will be respected in the next version!

Thanks
Karl-Heinz

von Karl-Heinz K. (kubi48)


Lesenswert?

Michael D. schrieb:

> Die nachgerüstete Austattung des alten Model's ist, externer Takt inkl.
> C's, macht zum internen Takt von der Genauigkeit her, keinen großen
> Unterschied(laut meinen Test's)
> LDO LM2940-5, schaltet per Soft erst ab 5,7V ab(Code angepasst),
> Messungen sind in dem Bereich noch zuverlässig.
> Kleiner Bug in der Soft: Auf dem 1.Pic ist zu sehen, das das Display den
> Messpin 1-1 statt 1-3 oder 1-2, anzeigt. Das passiert erst nach einigen
> Messung mit verschiedenen R's. Wenn die Schaltung Stromlos gemacht wird,
> werden die Messpins wieder richtig erkannt. Nach einer Weile taucht der
> Bug aber wieder auf.

Hallo Michael,
der externe Takt spielt seine Vorteile erst dann aus, wenn sich der 
Tester außerhalb einer Temperatur von 20°C bis 25°C befindet.
Innerhalb dieses Bereiches ist der ATmega bei konstanter 
Betriebsspannung auch mit dem RC-Generator befriedigend abgeglichen.
Der Takt wirkt sich nur auf die C-Messungen aus.
Der Low-Drop Regler bekommt in der nächsten Version eine 
Makefile-Option.

Bei Fehlermeldungen wie die fehlerhafte Messpin-Anzeige wäre es 
hilfreich,
wenn man den verwendeten Prozessor wüsste.
Die Codes für die ATmega8 und ATmega168 sind nicht kompatibel.
Siehe auch den PUD-Fehler für den ATmega8!

Grüße und vielen Dank,
Karl-Heinz

von MeinerEiner (Gast)


Lesenswert?

Da treibt ihr solch einen Aufwand, der meiner Meinung nach nichts bringt 
und baut nichtmal einen Quarz ein ? Kein Platz ? Zu teuer ?

von Asko B. (dg2brs)


Lesenswert?

Hallo MeinerEiner

Dannn hast Du die letzten Beitraege in diesem Thread nicht
richtig gelesen/angeschaut.

Gruss Asko.

von Michael D. (mike0815)


Lesenswert?

Karl-Heinz Kübbeler schrieb:
> Michael D. schrieb:
>
> Hallo Michael,
> der externe Takt spielt seine Vorteile erst dann aus, wenn sich der
> Tester außerhalb einer Temperatur von 20°C bis 25°C befindet.
> Innerhalb dieses Bereiches ist der ATmega bei konstanter
> Betriebsspannung auch mit dem RC-Generator befriedigend abgeglichen.
> Der Takt wirkt sich nur auf die C-Messungen aus.
Das dachte ich mir! Werde demnächst Vergleichsmessungen mit diversen C's 
machen, mit internen u. ext. Takt. Werde dann berichten.
> Der Low-Drop Regler bekommt in der nächsten Version eine
> Makefile-Option.
Wie wird das aussehen? Mit Angabe der Abschaltspannung?
Das im Code abzundern, war jetzt nicht so schwer. ;-)
>
> Bei Fehlermeldungen wie die fehlerhafte Messpin-Anzeige wäre es
> hilfreich,
> wenn man den verwendeten Prozessor wüsste.
> Die Codes für die ATmega8 und ATmega168 sind nicht kompatibel.
> Siehe auch den PUD-Fehler für den ATmega8!
Im Studio4.18, wurde da bisher kein Fehler ausgegeben, soweit ich weiß.
Bei mir ist noch der Mega8 verbaut(siehe Pic), da das Teil ja schon über 
1 Jahr in gebrauch ist.
Ich baue ja noch eine Version auf, mit allem Drum u. Dran.
Wenn mir bis dahin der Mega168 zur Verfügung steht, wird der dann 
engesetzt.
an dieser Stelle noch mal ein Lob für deine geniale Arbeit!!!
>
> Grüße und vielen Dank,
> Karl-Heinz

Gruß Michael

von Michael D. (mike0815)


Lesenswert?

MeinerEiner schrieb:
> Da treibt ihr solch einen Aufwand, der meiner Meinung nach nichts bringt
> und baut nichtmal einen Quarz ein ? Kein Platz ? Zu teuer ?
Hä? Wie kommst du denn darauf? Ist doch alles da, siehe Text!
Ich mußte das noch nachrüsten, klebt alles unter der Platine direkt am 
Mega8!

Gruß Michael

EDIT: Der ISP auf dem Pic ist nicht angeschlossen, hatte mir die 
Messungen versaut! Zum proggen kommt der Mega8 immer raus aus dem 
Sockel.

von Dirk W. (psychodirk)


Lesenswert?

Moin,
habe heute ein Angebot vom Platinen-Belichter erhalten.

Bei Abnahme vom 12 mal Platine kostet dann eine Platine inkl. Porto und 
Verpackung 10.-€

Doppelseitig, 70µ, verzinnt, Lötstop, gebohrt und geschnitten.

6 sind schon weg.
Fehlen noch 6.

Bei Interesse würde ich die Bestellung übernehmen, und dann die Posten 
weiterleiten.

Man könnte auch die polnische Variante nehmen, aber da tut sich im 
Moment nichts.

Dirk

von Christian F. (cmf) Benutzerseite


Lesenswert?

Würde vllt. auch eine nehmen. Welches Layout ist den das aktuelle?

von Dirk W. (psychodirk)


Lesenswert?

Christian F. schrieb:
> Würde vllt. auch eine nehmen. Welches Layout ist den das aktuelle?


Dieses

Component-Tester_V_5_2_1.zip

von Hubert G. (hubertg)


Lesenswert?

Könnte jemand die aktuelle Schaltung als *.png oder dergleichen hier 
hereinstellen, habe kein Eagle6.

von Dirk W. (psychodirk)


Lesenswert?

Dirk Willner schrieb:
> 6 sind schon weg.
> Fehlen noch 6.

 7 sind weg, Fehlen noch 5

von Dirk W. (psychodirk)


Lesenswert?

Dirk Willner schrieb:
> Dirk Willner schrieb:
>> 6 sind schon weg.
>> Fehlen noch 6.
>
>  7 sind weg, Fehlen noch 5


8 sind bestellt  4 mal noch zu haben.

Langsam werde ich mich mal um die Buchhaltung kümmern müssen (:-)))

von Dirk W. (psychodirk)


Lesenswert?

Dirk Willner schrieb:
> Dirk Willner schrieb:
>> Dirk Willner schrieb:
>>> 6 sind schon weg.
>>> Fehlen noch 6.
>>
>>  7 sind weg, Fehlen noch 5
>
>
> 9 sind bestellt 3 mal noch zu haben.
>
> Langsam werde ich mich mal um die Buchhaltung kümmern müssen (:-)))

von Dirk W. (psychodirk)


Lesenswert?

2 x Platine noch zu haben.

Dirk

von orange h. (Firma: N/A) (orange_hand)


Lesenswert?

Hi,

die letzten 2 Platinen würde ich nehmen :-). Dann paßt es ja ....

Grüße
Matthias

von Christian R. (cris06)


Lesenswert?

Falls noch jemand will:

Dirk und ich haben jeweils 2 Platinen, wovon wir beide eine abgeben 
würden, heißt:

Noch 2 Verfügbar...

von Asko B. (dg2brs)


Angehängte Dateien:

Lesenswert?

Hallo

Daran, mein verwendetes Schaltbild in das *.zip auch als *.png
zu legen hab ich echt nicht gedacht.
Meins sieht leider nicht so aufgeraeumt aus, wie das von
Karl-Heinz gepostete. Ist aber elektrisch das selbe.
Eigentlich sollte bei der verwendung vom Layout V5.2.1
das dazugehoerige Bestueckungsbild ausreichen.
Vor allem wenn man fertige Platinen benutzt wie sie Dirk
organisiert. Bauteilwerte entsprechend plazieren - festloeten - fertig.

Ich haenge hier nochmal den Bestueckungsplan und den
Schaltplan an.

Gruss Asko.

von Dirk W. (psychodirk)


Lesenswert?

Cris R. schrieb:
> Falls noch jemand will:
>
> Dirk und ich haben jeweils 2 Platinen, wovon wir beide eine abgeben
> würden, heißt:
>
> Noch 2 Verfügbar...


Eine nur noch.... Cris Du bestellst nur eine.


Dirk

von orange h. (Firma: N/A) (orange_hand)


Lesenswert?

Ich bedanke mich hier nochmal bei all den Mitstreitern, die dieses 
Projekt weiter gemacht haben. Ich denke das geht schon weit über den 
Hobbybereich hinaus ... Danke !

Grüße
Matthias

von Asko B. (dg2brs)


Lesenswert?

Hallo

In einem aelteren Schaltplan von Markus habe ich geshen,
das die Widerstandskombination 33k/27K am pnp-Transistor
gegen 3,3K/2,7K getauscht war. Ich hab die Abschaltautomatik
hier mal auf einem Steckbrett probiert. Ausser, das etwas
mehr Strom fliesst, bringt es keine vorteile. Selbst bei
3,3k/2,7k und Low-current-LED glimmt diese bloss leicht.
Bringt also keine Vorteile. Getestet hab ich mit SF816C als
pnp-Transistor und SC237E als npn-Transistoren.
Aus dem Bauch heraus, wuerde ich sagen, da kann man "Wald und Wiese"
nehmen. So lange der pnp-Transistor mehr als 100mA abkann.
Denn die LCD-Hintergrundbeleuchtung wird ja mitgeschaltet.
Der Vorwiderstand von 220 Ohm fuer die LED-Hintergrundbeleuchtung
sollte VORHER mit dem verwendeten LCD getestet werden.
Da es ja unzaehlig viele verschiedene Displays gibt wird da
ein Allgemeinwert ziehmlich kritisch sein.
Ich lasse den Widerstand einfach weg, denn da es bei mir ein
Batteriebetriebenes Geraet wird, moechte ich die zusaetzliche
Stromaufnahme vermeiden. Das kann ja auch jeder halten wie
er gerne moechte.
Bei dem 2,2k Vorwiderstand fuer die Praezisionsspannungsquelle
fliessen ein wenig mehr als 1mA. Wer noch weiter runter moechte
kann den Widerstandswert erhoehen. Aber groesser als 19kOhm
sollte der Wert nicht sein, denn dann wuerden weniger als
150µA fliessen.

Dirk
Hast Du das Layout in Target umgezeichnet, oder nimmt Dein
Leiterplattenfertiger das Eagle-File so wie es ist ?

Gruss Asko.

von Dirk W. (psychodirk)


Lesenswert?

Asko B. schrieb:
> Hallo
>
> In einem aelteren Schaltplan von Markus habe ich geshen,
> das die Widerstandskombination 33k/27K am pnp-Transistor
> gegen 3,3K/2,7K getauscht war. Ich hab die Abschaltautomatik
> hier mal auf einem Steckbrett probiert. Ausser, das etwas
> mehr Strom fliesst, bringt es keine vorteile. Selbst bei
> 3,3k/2,7k und Low-current-LED glimmt diese bloss leicht.
> Bringt also keine Vorteile. Getestet hab ich mit SF816C als
> pnp-Transistor und SC237E als npn-Transistoren.

Ist halt eine Anpassung. Software... KHK fragen.
Egal ob 3k3 oder 2,7 macht sich nichts... zumindest bei mir nicht.

Mega 8 und ohne Quarz!
wenn die neue Platine vor Ort ist, kann man beides vergleichen.

> Aus dem Bauch heraus, wuerde ich sagen, da kann man "Wald und Wiese"
> nehmen. So lange der pnp-Transistor mehr als 100mA abkann.
> Denn die LCD-Hintergrundbeleuchtung wird ja mitgeschaltet.
Joo...
> Der Vorwiderstand von 220 Ohm fuer die LED-Hintergrundbeleuchtung
> sollte VORHER mit dem verwendeten LCD getestet werden.
> Da es ja unzaehlig viele verschiedene Displays gibt wird da
> ein Allgemeinwert ziehmlich kritisch sein.

Wenn die Pollin-Teile verwendet werden   ..  kein Probl. zumindest nicht 
bei mir.

> Ich lasse den Widerstand einfach weg, denn da es bei mir ein
> Batteriebetriebenes Geraet wird, moechte ich die zusaetzliche
> Stromaufnahme vermeiden. Das kann ja auch jeder halten wie
> er gerne moechte.

Erfahrung posten...

> Bei dem 2,2k Vorwiderstand fuer die Praezisionsspannungsquelle
> fliessen ein wenig mehr als 1mA. Wer noch weiter runter moechte
> kann den Widerstandswert erhoehen. Aber groesser als 19kOhm
> sollte der Wert nicht sein, denn dann wuerden weniger als
> 150µA fliessen.

So lassen... tut nicht weh.

> Dirk
> Hast Du das Layout in Target umgezeichnet, oder nimmt Dein
> Leiterplattenfertiger das Eagle-File so wie es ist ?

So wie der Herr des Layout`s es in das Forum eingestellt hat.

Da passen 12 x auf Nutzen. (deswegen auch die Anzahl) musste man viel 
`rummachen.

Target-Layout habe ich ein wenig angepasst.
Aber immer noch ASKO..(:-))

Import: und zu dünn die Leiterbahnen!
Pads verändert...viel nicht mehr   ....  noch nicht.

Dirk

von Asko B. (dg2brs)


Lesenswert?

Hi Dirk

Ich fragte, weil ich noch nie sowas gemacht habe.
Haette ja sein koennen, der Leiterplattenfertiger will
Gerberfiles oder sowas haben. Oder HPGL oder weiss der
Geier was. Deswegen hatte mich das interessiert.

Als Anzeige moechte ich gerne dieses hier verwenden
 - 
http://www.pollin.de/shop/dt/MzE2OTc4OTk-/Bauelemente_Bauteile/Aktive_Bauelemente/Displays/LCD_Modul_POWERTIP_PC1602_E.html
Ich weiss aber noch nicht, wo ich einen entsprechenden
Folienstecker herbekomme.
Wie ich schon geschrieben hatte, moechte ich ein Batterieversorgtes
Geraetchen aufbauen. Und wenn die LCD-Hintergrundbeleuchtung
den Hauptteil des Stromverbrauchs darstellt, finde ich das
kontraproduktiv. Das ist zumindest meine Meinung.
Natuerlich macht ein leuchtendes LCD "was her".
Aber das ist bei dem Geraet ja nicht der Zweck der Uebung.

Gruss Asko.

von Christian F. (cmf) Benutzerseite


Lesenswert?

Asko B. schrieb:
> Als Anzeige moechte ich gerne dieses hier verwenden
>  -
> 
http://www.pollin.de/shop/dt/MzE2OTc4OTk-/Bauelemente_Bauteile/Aktive_Bauelemente/Displays/LCD_Modul_POWERTIP_PC1602_E.html
> Ich weiss aber noch nicht, wo ich einen entsprechenden
> Folienstecker herbekomme.

Wieso nicht dieses hier?

http://www.pollin.de/shop/dt/OTc1OTc4OTk-/Bauelemente_Bauteile/Aktive_Bauelemente/Displays/LCD_Modul_TC1602E_01.html

Mit ohne doofem Folienstecker

von Asko B. (dg2brs)


Lesenswert?

Hi Christian

Haha ... reingefallen ... haette ich beinahe gesagt.
Man darf den Bildern bei Pollin nicht immer 100% trauen.

Erstens hat das auch eine Hintergrundbeleuchtung.
Und zweitens, was VIEL relevanter ist, es hat eine
andere Anschlussbelegung.
Die blaue Variante davon passt jedoch.
Ich hab hier beide varianten vorliegen.
Ich hatte auch schon ueberlegt, die Leiterplatte so zu gestalten,
das beide Anschlussvarianen passen. Aber dann ist nix mehr
mit der Moeglichkeit die Leiterplatte auch als einseitige
zu benutzen. Und breiter wird sie auch, was aber sicherlich nicht
DAS Problem waere.

Gruss Asko.

von Dirk W. (psychodirk)


Lesenswert?

Platinen-Bestellung

Nun ist es fast soweit.....

Folgende User haben gemehlt:

cris06           1x

cmf              1x

hummel           1x

head             1x

source           1x

orange           2x

hans_h           1x

flex             1x

sati             1x

psychodirk       1x/2x. Kann noch eine abgeben!

Sollte ich Jemand/in vergessen haben---> mail an dirk.

Frage ist nur noch:  Express oder warten?
Cris hat Zeit....

Was meint Ihr dazu?

Eine ist noch frei.

Dirk

von Christian F. (cmf) Benutzerseite


Lesenswert?

Also ich habe Zeit.

cmf

von Dirk W. (psychodirk)


Lesenswert?

Christian F. schrieb:
> Asko B. schrieb:
>> Als Anzeige moechte ich gerne dieses hier verwenden
>>  -
>>
> 
http://www.pollin.de/shop/dt/MzE2OTc4OTk-/Bauelemente_Bauteile/Aktive_Bauelemente/Displays/LCD_Modul_POWERTIP_PC1602_E.html
>> Ich weiss aber noch nicht, wo ich einen entsprechenden
>> Folienstecker herbekomme.
>
> Wieso nicht dieses hier?
>
> 
http://www.pollin.de/shop/dt/OTc1OTc4OTk-/Bauelemente_Bauteile/Aktive_Bauelemente/Displays/LCD_Modul_TC1602E_01.html
>
> Mit ohne doofem Folienstecker

Ich mag diese gerne... klappt alles..

http://www.pollin.de/shop/dt/ODc1OTc4OTk-/Bauelemente_Bauteile/Aktive_Bauelemente/Displays/LCD_Modul_TC1602A_08.html


Dirk

von Dirk W. (psychodirk)


Lesenswert?

Dirk Willner schrieb:
> Christian F. schrieb:
>> Asko B. schrieb:
>>> Als Anzeige moechte ich gerne dieses hier verwenden
>>>  -
>>>
>>
> 
http://www.pollin.de/shop/dt/MzE2OTc4OTk-/Bauelemente_Bauteile/Aktive_Bauelemente/Displays/LCD_Modul_POWERTIP_PC1602_E.html
>>> Ich weiss aber noch nicht, wo ich einen entsprechenden
>>> Folienstecker herbekomme.
>>
>> Wieso nicht dieses hier?
>>
>>
> 
http://www.pollin.de/shop/dt/OTc1OTc4OTk-/Bauelemente_Bauteile/Aktive_Bauelemente/Displays/LCD_Modul_TC1602E_01.html
>>
>> Mit ohne doofem Folienstecker
>
> Ich mag diese gerne... klappt alles..
>
> 
http://www.pollin.de/shop/dt/ODc1OTc4OTk-/Bauelemente_Bauteile/Aktive_Bauelemente/Displays/LCD_Modul_TC1602A_08.html

Hat Reichelt auch. Aber Pollin hat auch das in Grün ohne Beleuchtung für 
1,95€

Wenn Display über Atmega, bekommt man auch Platinenverbinder, 
Stiftleisten.
(38mm Höhe)

Ist dann ganz easy zum löten...
>
>
> Dirk

von Asko B. (dg2brs)


Lesenswert?

Hi Dirk

Denkbar waere ein gewinkelter Wannenstecker fuer den
Displayanschluss. Dann muss man zwar ein Flachbandkabel
an das Display machen, hat aber den Vorteil das man
das Display positionieren kann, wie man moechte.
Hinter der Leiterseite, ueber der Bauelementeseite,
abgesetzt davon, Linksrum, Rechtsrum ... usw.

Gruss Asko.

von Dirk W. (psychodirk)


Lesenswert?

Asko B. schrieb:
> Hi Dirk
>
> Denkbar waere ein gewinkelter Wannenstecker fuer den
> Displayanschluss. Dann muss man zwar ein Flachbandkabel
> an das Display machen, hat aber den Vorteil das man
> das Display positionieren kann, wie man moechte.

Ja und Nein. min. 10Pol, dann löte bitte dieses Kabel an das Display.
Habe ich 15mal gemacht. Nervt.  Einmal drehen und ein Äderchen ist ab.
Kannste löten wie Du möchtest, wenn es klappt o.k.

Die Flachband-Kabel haben 1.27mm zwischen den Adern!
Display hat 2.54mm!
Also jede 2te Ader "wegkneifen"

Aufwand?

Aber ich mag es nicht mehr. Stiftleiste, Layout anpassen und gut ist.

Jeder, so wie die Erfahrungen helfen, um vieleicht etwas zu ändern.

Gerne Tip`s und Tricks erwünscht...

Gruß

Dirk

von Asko B. (dg2brs)


Lesenswert?

Hi Dirk

Ich hab mir das mit dem Wannenstecker nochmal ueberlegt.
Ist eigentlich bloed.
Wer nen Kabel ranmachen will, kann das Kabel auch jetzt
direkt anloeten.
Mit den abgebrochenen Anschluessen hab ich auch schon
gekaempft. Man muss wirklich aufpassen, das man kein
Draht sondern Litze erwischt.
Ich spleisse sozusagen die enden des Flachbandkabels auf.
Sprich, ich trenne die einzelnen Adern ein wenig mit
einem Cuttermesser auf. So kann man die Litze auch gut
handhaben. Also verdrillen/verzinnen. und muss nicht
jede zweite Ader rauskneifen. Was ja sowieso nicht
funktionieren wuerde, wenn am anderen Ende eine Wannenbuchse
angequetscht ist.

Gruss Asko.

von Dirk W. (psychodirk)


Lesenswert?

Dirk Willner schrieb:

Platinen-Bestellung

es ist soweit...

Damit habe ich nicht gerechnet.

Einmal mal Part Eins... Top hat geklappt

Folgende User haben gemehlt:

 cris06           1x

 cmf              1x

 hummel           1x

 head             1x

 source           1x

orange           2x

 hans_h           1x

 flex             1x

 sati             1x

 psychodirk        1x

Dirk-b             1x

Sollte ich Jemand/in vergessen haben---> mail an dirk.

habt ihr alles gelesen, keinen vergessen...  dann per mail Privat.


Frage ist nur noch:  Express oder warten?
 Cris hat Zeit....

Ich auch

Was meint Ihr dazu?

Ich warte noch eine Stunde und dann Überweisungen.
Je schneller desto besser!

Info kommt per mail...

Die Mehrheit gewinnt...
Dirk

von Thilo (Gast)


Lesenswert?

Hi,

kann ich mich noch mit einer Platine dran hängen? Haben den Thread 
leider eben erst entdeckt.

Grüße Thilo

von Dirk W. (psychodirk)


Lesenswert?

Thilo schrieb:
> Hi,
>
> kann ich mich noch mit einer Platine dran hängen? Haben den Thread
> leider eben erst entdeckt.
>
> Grüße Thilo


Jain, die 12 ist dicht. (Einen Nutzen)

Ich habe nicht damit gerechnet, das so ein Interesse an Platinen 
besteht.

Finde ich toll. Ich hatte eine Platine vom PLATINEN-BELICHTER hier vor 
Ort gesehen (in Kiel, nicht in der Firma vom PB)

Absulut 1A+++

Sollte Interesse bestehen, werde ich gerne weiter für Alle netten und 
tollen User ein weiteres Paket anstoßen!

Ich habe nichts davon. Möchte ich auch nicht. Nur Alle, die Freude am 
Fred und Weiterentwiklung unterstützen, einfach zu helfen.

Dirk

ob die polen da mithalten....  testen


Dirk

Dirk

von Dirk W. (psychodirk)


Lesenswert?

Probleme mit MC-Forum.

Bitte mail an d-willner@t-online.de


Platine T-Tester


Dirk

von Thilo (Gast)


Lesenswert?

@Dirk, ok, kein Ding. Kannst du die Gerber/Eagle/wasauchimmer-Dateien 
der Platine hochladen? Dann lasse ich sie mir von Jakob aka. 
Platinensammler machen.

Grüße Thilo

von Asko B. (dg2brs)


Lesenswert?


von Dirk W. (psychodirk)


Lesenswert?

Thilo schrieb:
> @Dirk, ok, kein Ding. Kannst du die Gerber/Eagle/wasauchimmer-Dateien
> der Platine hochladen? Dann lasse ich sie mir von Jakob aka.
> Platinensammler machen.

Hatte Probs. mit Router und Linux.

ASKO hat aber geantwortet...

So ist es im Forum.

Dirk


>
> Grüße Thilo

von Dirk W. (psychodirk)


Lesenswert?

Dirk Willner schrieb:
> Probleme mit MC-Forum.

Router und Linux.
Klappt aber wieder... Kein System ist perfekt!!

Wer noch nicht angemailt wurde, Überweisung bitte mail.
Daten kommen.


 Bitte mail an d-willner@t-online.de


 Platine T-Tester

von Michael D. (mike0815)


Lesenswert?

Was hier los ist...
@Karl-Heinz
Hast du eigendlich die externe REF. schon in der letzten FW-Version 
implementiert oder kommt das noch? Hatte da bisher nix gefunden...

Asko B. schrieb:
> Wie ich schon geschrieben hatte, moechte ich ein Batterieversorgtes
> Geraetchen aufbauen. Und wenn die LCD-Hintergrundbeleuchtung
> den Hauptteil des Stromverbrauchs darstellt, finde ich das
> kontraproduktiv. Das ist zumindest meine Meinung.
> Natuerlich macht ein leuchtendes LCD "was her".
> Aber das ist bei dem Geraet ja nicht der Zweck der Uebung.
eben, dann hier malein paar Werte:
Der Tester benötigt 20mA. Mit konventioneller Beleuchtung(Reichelt 162er 
Serie) und 22 Ohmler sind das 67mA!
Die China Displays (mit einer LED)schlagen da mit selbiger Bestückung, 
mit 20mA zu, also gesamt 40mA.

Ich habe meine Beleuchtung zuschaltbar bzw. mit einem Jumper versehen.
Nach einem "Schlachtfest" bzw. Bauteilesortierung, die schon etwas 
länger dauern kann, nehme ich entweder einen fetten Akkupack mit 8xAA 
/2Ah oder ich knalle ein Steckernetzteil dran, dann habe ich immer noch 
die Option, ob ich Licht brauche oder nicht.

Gruß Michael

von Asko B. (dg2brs)


Lesenswert?

Hallo

Beinahe haette ich mir meinen mega168 zerschossen.
Ich hatte doch geschrieben, das die Widerstandskombination
33k/27k oder 3,3k/2,7k bei mir keine Rolle spielte.
Da hatte ich als "Last" aber nur eine kontroll-LED dran.
Dann habe ich mir einen ATmega168 mit dem hex-File von
Karl-Heinz geflasht und die gesamte Schaltung auf ein
Steckbrett gepinnt.
Als Display ein blau/weisses mit festverdrahteter
Hintergrundbeleuchtung.
Alles war maechtig duster, und auch der Kontrast liess
sich nicht richtig einstellen.
Spannung am Kontroller gemessen ... 3,5 Volt.
War halt ein bischen wenig. Beim einschalten brach
die Spannung hinter dem pnp-Widerstand auf knapp ueber
4 Volt ein. Also hab ich die Widerstandskombination
3,3k/2,7k gesteckt. Als ich jetzt einschaltete steuerte
der Transistor richtig durch. 9,1 Volt vor dem
Transistor ergab jetzt 8,5 Volt hinter Ihm.
Aber was war passiert ? Auf einmal war hier alles
so hell !!
Spannung am Display gemessen, uups ganze 8,3 Volt.
Spannung am Kontroller gemessen, 8,3 Volt.
Also schnell ausgeschaltet.
Dann den Ausgang von einem 78L05 gemessen, 8,3 Volt.
Als ich den jetzt als "defekt" entsorgen wollte ist
mir aufgefallen, das ich den verkehrt herum betrieben
hatte. Als ich den richtig herum eingesetzt hatte,
kamen auch genau 5 Volt am Kontroller und
Display an. Das war mal ein "Stresstest" fuer alle
Bauteile. Nichts ist kaputtgegangen, selbst nach der
ca 20-30 sek. Ueberspannung.

Gleich mal ein paar Transistoren reingesteckt, die ich
hier vom testen noch liegen hatte ... Geraet funktioniert.

Prima Sache, ich bin begeistert. Nochmal ein Lob an
Karl-Heinz und Markus.

Bloss mit Kondensatoren, da klappt gar nichts.
Das das alles an meinem fliegenden Aufbau liegen sollte
kann ich mir nicht vorstellen.
unter 4,7nF wird gar nix erkannt. Und zB bei 47nF
wird 6081pF angezeigt. Ein Elko von 470µF mutiert
zu 63µF.
Das kapier ich nicht wirklich.
Nur allein durch mein Drahtverhau kann das ja eigentlich
nicht sein. Das es dadurch zu Fehlern kommt ist mir
schon klar. Aber solche Werte ?

Ich benutze ATmega168 mit 8MHz Quarz und der HEX aus dem
Verzeichnis vom 17.4.2012 von Karl-Heinz.
 /default/TransistorTestNew.hex

Karl-Heinz viellicht kannst Du mir ja einen Tip geben.

Gruss Asko.

von Karl-Heinz K. (kubi48)


Lesenswert?

Asko B. schrieb:
> Bloss mit Kondensatoren, da klappt gar nichts.
> Das das alles an meinem fliegenden Aufbau liegen sollte
> kann ich mir nicht vorstellen.
> unter 4,7nF wird gar nix erkannt. Und zB bei 47nF
> wird 6081pF angezeigt. Ein Elko von 470µF mutiert
> zu 63µF.

Hallo Asco,
hast Du die Fuses richtig gesetzt?
Für mich sieht das nach einem Taktraten-Fehler aus.
Der Fehler beträgt immer ca. Faktor 8.
Wenn der Takt immer noch auf 1MHz steht, zählen die Zeitmessungen
nicht weit genug, wenn der Zähler viel langsamer getaktet wird.
Der Mega168 hat einen Clockteiler. Der kann selbst bei 8MHz Quarz
nur mit 1MHz takten.
Meine Makefile benutzt zum Programmieren das Programm avrdude,
wenn man make upload, make fuses oder make fuses-crystal aufruft.
Wenn man nicht mutwillig die Einstellungen der Makefile ändert,
kann so eigentlich nichts schiefgehen. Wenn ich in der Makefile
8MHz Betrieb einstelle, wird die Software neu übersetzt, bevor der
make upload zur Wirkung kommt. Wenn ich die Taktrate ändere, muß ich 
natürlich noch den make fuses Aufruf starten oder den make 
fuses-crystal, wenn Quarzbetrieb gewünscht. Auch bei installiertem Quarz 
ist
der RC-Clock Betrieb weiter möglich.
Der umgekehrte Fehler ist fatal: wenn ich ohne Quarzbestückung den 
Quarzbetrieb anwähle, kann ich den Prozessor mangels Takt nicht mehr 
herkömmlich über ISP programmieren.

Viel Erfolg
Karl-Heinz

von Asko B. (dg2brs)


Lesenswert?

Hallo Karl-Heinz

Ich hatte nicht gedacht, das noch jemand wach ist.
In der zwischenzeit kam ich auch auf den gedanken
mit den Fuses, und hab mir das im AVRstudio nochmal
angesehen.
Da stand tatsaechlich noch intern und /8
Also auf extern Crystal >8MHz gestellt und den Teiler weg.
aber nun startet gar nichts mehr.
Auch das Display wird nicht mehr initialisiert.
Hattest Du irgendo mal die Fuses aufgeschrieben ?
bei mir sind jetzt
EXTENDET 0xF9
HIGH     0xDF
LOW      0xFF

aber irgendwie will´s nicht.

Gruss Asko.

von MeinerEiner (Gast)


Lesenswert?

0xDD
0xBF

von Christian F. (cmf) Benutzerseite


Lesenswert?

Ich muss meine Bestellung leider stornieren, weil meine Eltern das Geld 
nicht  vorab  überweisen wollen :(. Entschuldigung nochmal für den 
Aufwand, Thilo kann ja meine Platine übernehmen.

von Thilo (Gast)


Lesenswert?

Hi,

das ist ja doof. Wenn ich das oben richtig gelesen habe kostet die 
Platine ca. 10€, da ist sich das Risiko mehr als überschaubar. Rede doch 
noch mal mit deinen Eltern.

Ich wünsche euch einen schönen ersten Mai.

Grüße Thilo

P.S. Solltest du tatsächlich stornieren müssen, werde ich die Platine 
nehmen.

von Dirk W. (psychodirk)


Lesenswert?

Thilo Du bist dabei.

Ist schon lustig, wegen 10€. Aber wenn die Eltern nicht wollen!

Komm mal per PM mit deiner Anschrift.

d-willner@t-online.de

Dirk

von Thilo (Gast)


Lesenswert?

Ich habe dir eine mal geschickt. Habe gerade nur rudimentäres mobiles 
Internet, hoffe sie ist angekommen.

Grüße Thilo

von Karl-Heinz K. (kubi48)


Lesenswert?

Asko B. schrieb:
> Hattest Du irgendo mal die Fuses aufgeschrieben ?
> bei mir sind jetzt
> EXTENDET 0xF9
> HIGH     0xDF
> LOW      0xFF

Hallo Asco,
für den mega168 mit 8MHz Quarzbetrieb benutze ich in meiner Makefile:

lfuse (LOW) = 0xF7
hfuse (HIGH) = 0xDC
efuse (Extended) = 0xF9  (wird nicht verändert)

Die Einstellungen werden weiter hinten in der Makefile gesetzt:

ifeq ($(PARTNO),m168)
MCU = atmega168
ifeq ($(OP_MHZ),8)
FUSES_INT = -U lfuse:w:0xe2:m -U hfuse:w:0xdc:m
# -U efuse:w:0xf9:m
FUSES_CRY = -U lfuse:w:0xf7:m -U hfuse:w:0xdc:m
# -U efuse:w:0xf9:m
else
FUSES_INT = -U lfuse:w:0x62:m -U hfuse:w:0xdc:m
# -U efuse:w:0xf9:m
# Betrieb mit 8MHz Quarz und :8 Teiler
FUSES_CRY = -U lfuse:w:0x77:m -U hfuse:w:0xdc:m
# -U efuse:w:0xf9:m
endif
endif

FUSES_INT ist die Versorgung für den internen RC-Takt
FUSES_CRY entsprechend die Versorgung für den Quarzbetrieb
Die oberen Versorgungen sind für 8MHz, die unteren für 1MHz Betrieb.
Die gleiche Konstruktion gibt es natürlich auch für andere Prozessoren!

Grüße und viel Erfolg
Karl-Heinz

von Asko B. (dg2brs)


Lesenswert?

Hallo Karl-Heinz

Es ist schon erstaunlich. Kaum macht man es richtig,
funktioniert es auch ...

Das Makefile hatte ich nicht benutzt. Ich hab nur
mit AVRstudio das Hexfile geflasht. Oder besser gesagt,
die elf-Datei. Nun dachte ich, durch die werden auch
die Fuses mitgesetzt.
Also standen die Fuses zu anfang noch auf orginal
interner Takt und /8. Deswegen auch die groben Messfehler.
Ein einfaches setzen der Fuses funktionierte nicht.
Da ging dann gar nichts mehr.
Dann hab ich mal die PID ueberprueft, und genau da
lag der Hase im Pfeffer. Ich hatte ATmega168P angeklickt
weil ich einen ATmega168-20PU benutze.
Umgestellt auf den ATmega168 und schon stimmt die ID
zum eingestellten Prozessor, und auch das Programm
funktioniert hervorragend.
Klasse, selbst bei dem Drahtverhau hier.
Das kann ja auf einer Leiterplatte nur noch besser werden.

Gruss Asko.

von Asko B. (dg2brs)


Lesenswert?

Hallo Christian

Von dem von Dir vorgeschlagenen Display kann ich
nur abraten. Nicht nur, das die Anschluesse nicht
passen. Die Hintergrundbeleuchtung von dem genehmigt
sich mal so satte 100mA. !!! (wenns richtig
leuchten soll) Damit duerften 78L05 oder MCP1702
bereits mehr als "bediehnt" sein.
Ohne Hintergrundbeleuchtung habe ich jetzt einen
Stromverbrauch von 16mA. Das sieht schon mal gut
aus, denke ich.
Bei dem Blau/weissen Display 
http://www.pollin.de/shop/dt/Nzc1OTc4OTk-/Bauelemente_Bauteile/Aktive_Bauelemente/Displays/LCD_Modul_TC1602A_09.html
kommen dann noch 40mA dazu. Ohne Hintergrundbeleuchtung
ist das aber nicht so wirklich gut abzulesen.
Ein LCD ohne Beleuchtung hat immernoch den besten
Ablesekontrast. Und es wird ja kaum jemand die
Bauteile im dunkeln testen wollen ;-)
Also werd ich wohl weiter nach einer kontaktmoeglichkeit
fuer die Folienleiter suchen.

Gruss Asko.

von Alexander S. (agentbsik)


Lesenswert?

Man kommt mit der Entwicklung des Transistortester irgendwie nicht mehr 
hinterher, falls man hier die ganze Zeit nicht mitgelesen hat. Eventuell 
wäre eine aktualisierung des Artikels ( 
http://www.mikrocontroller.net/articles/AVR-Transistortester ) sinnvoll?

Welche Platine (Layout, Schaltplan) wird hier für 10€ angeboten?


Grüße,
Alex

von Dirk W. (psychodirk)


Lesenswert?

Alexander Sewergin schrieb:
> Man kommt mit der Entwicklung des Transistortester irgendwie nicht mehr
> hinterher, falls man hier die ganze Zeit nicht mitgelesen hat.

Auch wenn die Augen schmerzen, das lesen lohnt.
So bekommt man mit, wie sich das langsam zu einem Gerät der Profiklasse 
bei min. Kosten entwickelt.

Eventuell
> wäre eine aktualisierung des Artikels (
> http://www.mikrocontroller.net/articles/AVR-Transistortester ) sinnvoll?

der Artikel bezieht sich auf einen Testaufbau, obwohl der bestens 
funktioniert.
Weiterentwicklung, Soft/Hardware wurden von einigen Usern gepflegt.

Also lesen.....!!!

> Welche Platine (Layout, Schaltplan) wird hier für 10€ angeboten?

Etwas weiter Oben ist ein Link für "Thilo" von Asko... da ist das 
Layout.

Platinenbestellung Part 1 abgeschlossen.

Sollten sich noch 12 User finden, bin ich gerne bereit Part 2 
anzustoßen.

Für 10.-€ ätze ich nicht selber, inkl. verzinnen, bohren, Lötstopp, 
schneiden, Versand!!!

Dirk
>
> Grüße,
> Alex

von Michael D. (mike0815)


Lesenswert?

Hallo Asko,
hast du hier nicht gelesen?
Beitrag "Re: Transistortester AVR"

Die Werte sind mit angeschlossen Display (Reichelt 162-LED) mit (67mA) 
u. ohne(20mA) Beleuchtung!
Ich kann deine gemessenen Werte nicht nachvollziehen. da stimmt doch was 
nicht.
Unter Anderem, habe ich auch diese hier in Benutzung, haben nur eine LED 
für die Beleuchtung, also insges. 40mA inkl. µc!
...waren innerhalb von einer Woche im Kasten!

http://www.ebay.de/itm/250992793010?ssPageName=STRK:MEWNX:IT&_trksid=p3984.m1497.l2649

Gruß Michael

von MeinerEiner (Gast)


Lesenswert?

Asko B. schrieb:
> Bei dem Blau/weissen Display
> http://www.pollin.de/shop/dt/Nzc1OTc4OTk-/Baueleme...
> kommen dann noch 40mA dazu.

Lt. Datenblatt sind es 18mA

> Ohne Hintergrundbeleuchtung ist das aber nicht so wirklich gut abzulesen.

Ohne Hintergrundbeleuchtung sieht man garnichts.

von Asko B. (dg2brs)


Lesenswert?

Hallo

@MeinerEiner
stimmt, ich hatte mich hier vertan
Und sehen kann man auch nur was wenn der Kontrast
voellig verstellt ist. Ober besser gesagt, man kann
was erkennen. Von ablesen koennen  will ich nicht
reden. Aber 18 mA sind zu verschmerzen.

@Michaael
Die gruen/gelben bei Pollin sind wirklich andere.
Die haben auch die Anschluesse seitlich, und nicht
wie auf dem dortigen Verkaufsbild.
und auch im dazugelieferten Datenblatt steht
4,2 Volt typ. 100 mA

Ich hab mal versuchsweise den 78L05 gegen einen
Schaltregler TRACO POWER TSR 1-2450 ausgetauscht.
Jetzt hab ich eine stromaufnahme von 12 mA fuer den
Transistortester ohne Hintergrundbeleuchtung
und ohne angeschlossenes Bauteil.
Das ganze funktioniert dann bis runter zu 6,5 Volt
Eingangsspannung. Bloss da schaltet die Software
sofort wieder ab.

Gruss Asko.

von Karol B. (johnpatcher)


Lesenswert?

Scheint als ob ich die erste Bestellung der Platinen verpasst hätte. 
Wäre jedenfalls an einer Bestellung interessiert.

Dirk soll man dir nochmal gesondert schreiben, oder reicht das bereits 
als Registrierung für den nächsten Schub ;)?

von Dirk W. (psychodirk)


Lesenswert?

Dann fehlen noch 10..... für den 2ten Schub an Platinen.

Macht Reklame... Ich verdiene nichts daran..

Kein Rabatt und keine finaziellen Vorteile.

Habe einfach Spaß an der Sache.

Dirk

von Michael D. (mike0815)


Lesenswert?

Asko B. schrieb:
> @Michaael
> Die gruen/gelben bei Pollin sind wirklich andere.
> Die haben auch die Anschluesse seitlich, und nicht
> wie auf dem dortigen Verkaufsbild.
Das ist schon klar, wiso willst du unbedingt die Anschlüsse an der Seite 
haben?
> und auch im dazugelieferten Datenblatt steht
> 4,2 Volt typ. 100 mA
hust hust...sehr ökonomisch, ist da noch ein Taschenwärmer dabei?
>
> Ich hab mal versuchsweise den 78L05 gegen einen
> Schaltregler TRACO POWER TSR 1-2450 ausgetauscht.
> Jetzt hab ich eine stromaufnahme von 12 mA fuer den
> Transistortester ohne Hintergrundbeleuchtung
> und ohne angeschlossenes Bauteil.
das ist beachtlich, noch mal 8mA weniger, für den Batt-Betrieb zählt 
jedes mA
> Das ganze funktioniert dann bis runter zu 6,5 Volt
> Eingangsspannung. Bloss da schaltet die Software
> sofort wieder ab.
Siehe hier:
Beitrag "Re: Transistortester AVR"
habe die Abschaltung auf 5,7V im Code geändert. Es ginge evtl. noch 
runter bis 5,3V mit dem LM2940, das wäre dann aber die absolute Grenze.
Wenn ich morgen dazu komme, teste ich mal, wie weit man runter gehen 
kann ohne das die Messung leidet.

Gruß Michael

von Heiner (Gast)


Lesenswert?

Asko B. schrieb:

> Also werd ich wohl weiter nach einer kontaktmoeglichkeit
> fuer die Folienleiter suchen.

http://vps-6332.united-hoster.de/200/cgi-bin/portal.dll?AnbieterID=2&bnr=016-F10P14ok

von Asko B. (dg2brs)


Lesenswert?

Hallo Heiner

Danke fuer den Link ... spitze.

Gruss Asko.

von Dirk W. (psychodirk)


Lesenswert?

Dirk Willner schrieb:
 Platinen-Bestellung

 es ist soweit...

 Damit habe ich nicht gerechnet.

 Einmal mal Part Eins... Top, hat geklappt

 Folgende User haben gemehlt: und Geld auf "Konto".

  cris06           1x

  (Thilo)          1x (warten habe mail)...

  hummel           1x

  head             1x

  source           1x Bezahlt.

  orange           2x Bezahlt.

  hans_h           1x

  flex             1x

  sati             1x

  psychodirk        1x Bezahlt.

  Dirk-b            1x Bezahlt.

  dyna              1x Bezahlt.


Sollte ich Jemand/in vergessen oder doppelt habe---> Mail an Dirk.
Kontodaten???

Wer hier nichts bekommt... Part 2 läuft.
Nur noch 9, bzw. 8 (Thilo) aber abwarten....

Dirk

von Michael L. (michaelx)


Lesenswert?

Hallo erst mal.

Vor ca. 3 Jahren hab ich den Tester von Markus nachgebaut, aber die 
Entwicklung aus verschiedenen Gründen nicht weiter verfolgt.
Mehr durch Zufall, und leicht überrascht, bin ich auf diesen Thread 
gestoßen. Schön zu sehen, dass es immer weiter geht ... :-)

Meine Fragen/Ideen:

1. Gibt es irgendwo eine Übersicht, welche Bauelemente und Parameter 
erkannt bzw. ermittelt werden? Da sind auch ein paar Punkte, die mir mit 
der Zeit immer mehr fehlen, z.B. die fehlende Uf bei Doppeldioden.
Das Thema ESR wurde damals auch diskutiert, ist aber wohl nicht machbar.

2. Mein Problem war damals, dass ich nur LCDs mit negativer 
Kontrastspannung hatte. Ich habe mir diese vom AVR erzeugen über einen 
freien Port-Pin erzeugen lassen, aber dazu musste ich jedes Mal den 
Quelltext anpassen. Wäre es denkbar/möglich/wünschenswert, diese Option 
dauerhaft zu integrieren?

3. Ich hatte meinem Tester damals einen zusätzlichen Anschluss für 
4-polige Bauelemente spendiert, um z.B. Gleichrichter-Brücken zu prüfen. 
Was haltet ihr davon, mehr als 3-polige Bauteile zu testen? (Leider 
finde ich den Code nicht mehr, hatte ihn wohl mit einem Update von 
Markus überbügelt.)
Allerdings wäre da wohl inzwischen ein größerer AVR fällig, weil PB6/7 
für den Quarz drauf geht.

4. Externe Uref klingt prinzipiell erst mal gut. Aber wie groß ist der 
Gewinn an Genauigkeit durch diese und den Quarz eigentlich?

Grüße. Michael

von Karl-Heinz K. (kubi48)


Lesenswert?

Michael L. schrieb:
> Meine Fragen/Ideen:
>
> 1. Gibt es irgendwo eine Übersicht, welche Bauelemente und Parameter
> erkannt bzw. ermittelt werden? Da sind auch ein paar Punkte, die mir mit
> der Zeit immer mehr fehlen, z.B. die fehlende Uf bei Doppeldioden.
> Das Thema ESR wurde damals auch diskutiert, ist aber wohl nicht machbar.
>
> 2. Mein Problem war damals, dass ich nur LCDs mit negativer
> Kontrastspannung hatte. Ich habe mir diese vom AVR erzeugen über einen
> freien Port-Pin erzeugen lassen, aber dazu musste ich jedes Mal den
> Quelltext anpassen. Wäre es denkbar/möglich/wünschenswert, diese Option
> dauerhaft zu integrieren?
>
> 3. Ich hatte meinem Tester damals einen zusätzlichen Anschluss für
> 4-polige Bauelemente spendiert, um z.B. Gleichrichter-Brücken zu prüfen.
> Was haltet ihr davon, mehr als 3-polige Bauteile zu testen? (Leider
> finde ich den Code nicht mehr, hatte ihn wohl mit einem Update von
> Markus überbügelt.)
> Allerdings wäre da wohl inzwischen ein größerer AVR fällig, weil PB6/7
> für den Quarz drauf geht.
>
> 4. Externe Uref klingt prinzipiell erst mal gut. Aber wie groß ist der
> Gewinn an Genauigkeit durch diese und den Quarz eigentlich?

Hallo Michael,
zu Deinem 1. Punkt empfehle ich die Doku zu der letzten Version 0.95k.
Leider habe ich die Doku nur noch in Englisch weitergeführt. Ich bin 
derzeit dabei, die Doku neu aufzubauen, aber zunächst auch nur in 
Englisch.
Doppeldioden werden mit Symbol und Spannungen angezeigt. Bei 
Einzeldioden zusätzlich auch die Kapazität in Sperrichtung. Ob ESR geht, 
ist noch nicht geklärt.
Zum 2. Punkt habe ich eine Gegenfrage: Wie hoch muss die negative 
Spannung denn sein für das LCD. Kann man die nicht eventuell von der 
Batteriespannung abzwacken, indem man die Masse des ATmega mit einer 
Diode gegenüber dem Minuspol der Batterie hochlegt. Mit modernen 
Low-Drop 5V Reglern sollte genug Spannung da sein. Das wäre bei Dir nur 
eine Hardware-Anpassung!
Zum 3. Punkt: Die Anschlüsse eines intakten Brückengleichrichters finde 
ich mit meinem Tester auch bei 3 Anschlüssen mit einer Messung heraus.
Wenn ich auch die Funktion überprüfen will, muß ich noch eine Messung 
machen. Den Aufwand für einen weiteren Messport halte ich eigentlich für 
zu groß. Meine Arbeit bezog sich darauf, den Messbereich und die 
Messgenauigkeit zu steigern.
Zum 4. Punkt: Die Taktrate beeinflusst die Kapazitätsmessung, da die auf 
einer Zeitmessung beruht. Da ich mittlerweile bei 8Mhz Takt arbeite, 
habe ich eine Auflösung von ca. 1pF. Bei 20°C bis 25°C ist auch der 
interne RC-Taktgenerator schon brauchbar. Der Quarz gibt aber einfach 
mehr Sicherheit gegen Temperatureinflüsse. Selbstverständlich ist aber 
auch ein Betrieb ohne Quarz möglich. Die externe Uref ist für zukünftige 
Arbeiten vorgesehen, da auch die Spannung einen wesentlichen Einfluss 
auf die Kapazitätsmessung hat.

Ich arbeite derzeit vorwiegend mit mega168 (oder mega328) Prozessoren,
mega8 geht aber auch noch.

Grüße
Karl-Heinz

von Dirk W. (psychodirk)


Lesenswert?

Status Geldeingang:

Ingolf.O
Dirk B.
Dirk W.
Math. B.
Olli R.
Jos. S.
Peter Z.
Sebast. D.

@(Thilo)  Du bist dabei, da Orange h. auf eine verzichtet.

Es ist Ja möglich, das einige Banken nicht so schnell sind.

Aber der Rest, der Besteller möchte doch bitte überweisen soweit es noch 
nicht geschehen ist!
Wenn Daten fehlen: Bankdaten oder stornieren  alles o.k.

Mailt mich an!!!
Und nicht über Forum. Muß ja keiner mitlesen, wenn es nicht klappt mit 
Geld usw.

Das Angebot ist nur 14 Tage gültig!!!
Ich würde gerne Montag kommender Woche bestellen. Aber nicht last 
minute...
Sehr guter Kontakt zum PB.

Habe auch bei Anderen PCB-Herstellern "geluschert"....da kostet es bis 
zu 24.-€.

Lasst mich nicht hängen, obwohl einige auch 2 Platinen nehmen würden!!!
In Vorleistung gehe ich nicht, da ich schon 2 x gelinkt wurde.
Auch wenn ich die Platinen weitergeben könnte.

So, dann bitte Antwort.
Ist nicht böhse gemeint..   neeee  aber ich habe nichts außer Aufwand 
davon...,
der mir Spaß macht......wenn man sich an die Regeln hält.

FÜR EUCH

LG
Dirk

von Dirk W. (psychodirk)


Lesenswert?

Danke, an Alle die gemailt haben.

Mittlerweile sind mehr geordert, wie betellt!!!

Damit kann ich leben und bestellen.

Ich warte aber noch auf die Zahlungseingänge bis Montag 18:00 Uhr!
(4 fehlen noch)

Alle, die in der Bestellung-1 bezahlt haben, bekommen die Platine.

Sollten sich noch mehr (max 24 Platinen melden) Part1/Part2

6, bzw. 7 sind noch frei   in Richtung 24xPlatine

Mailen... an psychodirk

Dann wäre es noch einfacher.

Muß aber schnell gehen, da ich Samstag nicht im Hause bin, und Kein 
Handy mitführe.

Gedanken machen!!!

Dirk

von Michael L. (michaelx)


Angehängte Dateien:

Lesenswert?

Hallo Karl-Heinz,

danke für deine ausführliche Antwort.

Karl-Heinz Kübbeler schrieb:
> zu Deinem 1. Punkt empfehle ich die Doku zu der letzten Version 0.95k.
> ...
Hab hier nur eine 0.94k in DE und EN gefunden, dürfte aber erst mal 
genügen.

> Doppeldioden werden mit Symbol und Spannungen angezeigt. Bei
> Einzeldioden zusätzlich auch die Kapazität in Sperrichtung.
Das klingt sehr gut.
Probleme bereiteten die sogenannten Digital-Transistoren, viel mir grad 
noch ein. Kann man in dieser Richtung was machen?

> Zum 2. Punkt habe ich eine Gegenfrage: Wie hoch muss die negative
> Spannung denn sein für das LCD. Kann man die nicht eventuell von der
> Batteriespannung abzwacken, indem man die Masse des ATmega mit einer
> Diode gegenüber dem Minuspol der Batterie hochlegt. Mit modernen
> Low-Drop 5V Reglern sollte genug Spannung da sein. Das wäre bei Dir nur
> eine Hardware-Anpassung!
Uf einer Diode wäre wohl zu wenig. Die Villard-Schaltung an PC4 macht 
bei mir ca. 3,5 V "unter Last" ;-), auch wenn ich das nicht ganz 
ausreizen muss. Da das Projekt per Makefile parametrierbar ist, wäre die 
Option immerhin einfacher als damals bei Markus zu integrieren. Im 
Prinzip muss der Portpin nur ein wenig "zappeln". Ich habe das mit Timer 
+ ISR gemacht, und an kritischen Stellen kurz den Interrupt 
abgeschaltet. Ich werde es mir das mal anschauen.

> Zum 3. Punkt: Die Anschlüsse eines intakten Brückengleichrichters ...
> Den Aufwand für einen weiteren Messport halte ich eigentlich für
> zu groß. ...
Naja, man kann ja mal träumen. Andererseits willst du mal noch 
Optokoppler testen ... ich hätte sogar für 6 oder 8 Pins noch gute 
Ideen. ;-)

> Zum 4. Punkt: Die Taktrate beeinflusst die Kapazitätsmessung, da die auf
> einer Zeitmessung beruht. Da ich mittlerweile bei 8Mhz Takt arbeite,
> habe ich eine Auflösung von ca. 1pF. Bei 20°C bis 25°C ist auch der
> interne RC-Taktgenerator schon brauchbar. Der Quarz gibt aber einfach
> mehr Sicherheit gegen Temperatureinflüsse. Selbstverständlich ist aber
> auch ein Betrieb ohne Quarz möglich. Die externe Uref ist für zukünftige
> Arbeiten vorgesehen, da auch die Spannung einen wesentlichen Einfluss
> auf die Kapazitätsmessung hat.
Wenn das wirklich so viel bringt, ist es eine gute Sache. Und es ist ja 
auch wieder nur eine Option ...

> Ich arbeite derzeit vorwiegend mit mega168 (oder mega328) Prozessoren,
> mega8 geht aber auch noch.
Ich kann noch von mega8 auf 168 oder mehr aufrüsten, da gesockelt.
Den Selbsttest braucht man im Normalfall nur am Anfang, zum prüfen der 
Schaltung. Evtl. könnte man aber mit einem erweiterten Selbsttest noch 
Parameter zur Kalibrierung gewinnen, und diese dann in die finale 
Version einkompilieren.
Die serielle Schnittstelle würde ich momentan wohl auch nicht wirklich 
nutzen, aber zur Verwendung kann ich mir schon was vorstellen (Merkhilfe 
bei der Selektion von Bauteilen). Doch da gibt es wohl kein spezielles 
Programm dafür, nur das nackte Hyper-Terminal. Aber falls es keinen zu 
großen Aufwand in der Programmpflege bedeutet, und da es als Option 
wählbar ist, würde ich es drin lassen.

So, hab noch meine Schaltung ausgegraben und angehängt. Das soll dann 
für heute erst mal genügen.

Grüße. Michael

PS: Sorry wegen dem doppelten Schaltplan, kann das bitte ein Admin 
bereinigen? Danke.

von Karl-Heinz K. (kubi48)


Lesenswert?

Hallo Michael,
1.) Die angegebene Doku (0.95k) ist im Thread am 17.April zu finden.
2.) Dann habe ich noch eine interessante Zusammenstellung der 
LCD-Displays gefunden unter www.sprut.de/electronic/lcd .
Hier wird eine Schaltung für die negative Spannungsversorgung mit einem 
ICL7660 angegeben. Die Schaltung kommt mit 4 Bauteilen aus.
Für eine Universallösung müßte man noch ein Jumper-Feld für die 
Umschaltung auf positive Spannung vorsehen. Ich werde Deinen Vorschlag 
aber trotzdem prüfen, es wäre natürlich schöner gewesen, wenn ein 
Timer-Ausgangspin für diesen Zweck frei wäre.
3.) Den Optokoppler wollte ich mit einer Brücke zwischen Ein- und 
Ausgangs-Seite verbinden und damit zum 3-Pin werden lassen.

Zu den Digital-Transistoren habe ich Doku gefunden, habe aber keine 
Testexemplare. Die könnte ich natürlich nachbilden. Vielleicht hat aber
auch jemand ein paar interessante Testexemplare für mich übrig?

Grüße
Karl-Heinz

von Dirk W. (psychodirk)


Lesenswert?

Hallo, Dank an Alle, die überwiesen haben.

Super "......", Namen nenne ich nicht!!!, die dafür gesorgt haben, das 
ich nicht auf 4 Platinen "sitzen" bleibe.

Nein, es könnte auch der 2te Nutzen geordert werden....

Werde erst einmal 12 ordern, um zu testen.
Layout könnte eventl. von ASKO oder mir geändert werden.

Da noch eine Mail kam, werde ich bis Montag warten....  Aber wer noch 
nicht überwiesen hat kommt auf die schwarze Liste im Web!!!!!

Erst ordern, und dann nichts mehr?

Das tut weh...

Aber es sind genug im Forum um es zu kompensieren....

Gruß
Dirk

von Asko B. (dg2brs)


Lesenswert?

Hallo Michael

Du hattest geschrieben: " fuer den Batteriebetrieb
zaehlt jedes milliAmpere "

Ich hab mein Steckbrettaufbau nochmal gemessen.
- ATmega 168 mit 8 MHz Quarz
- keine LCD-Beleuchtung
- kein Bauteil angeschlossen
- Eingangsspannung 9,0 Volt
- H-Fuse 0xDF , L-Fuse 0xFF

mit TO92-Spannungsregler 78L05 16,3 mA
mit Schaltregler Traco 1-2450  11,8 mA

einen MCP1702 zum testen hab ich leider (noch)
nicht hier.

bei H-Fuse 0xDC und L-Fuse 0xF7 , also Quarz
im Full-Swing-Modus sind es jeweils fast 1 mA mehr.
Genauso wenn der interne Oszillator verwendet wird.

Der Schaltregler spart also gegenueber dem 7805
ganze 4,5 mA ein.
Aber von preiswert kann man bei diesem Bauteil
nicht gerade sprechen.
Bei mir funktioniert das bis herunter zu einer
Eingangsspannung von 6,5 Volt.
Da wird "Bat. 6,5V schwac" angezeigt. das letzte
"h" passt nicht mehr auf das 16-Zeichen Display. ;-)
Bei unter 6,5 Volt wird zB "Bat. 6,4V leer !"
angezeigt und schaltet sich sofort wieder ab.

Gruss Asko.

von Dirk W. (psychodirk)


Lesenswert?

Platinenbestellung:

Part-1 und Part-2 erst einmal dicht.

Es kamen doch einige Anfragen. (So muß ASKO nicht 6 nehmen)

Part-1 wird Expressbestellung (72 Std).
Die ~ 20.-€ übernehme ich erst einmal. Wir wollen doch schnell löten.

Part-2: Bitte keine mails mehr... wenn noch etwas frei, maile ich hier 
im Forum.

Kosten zu Part-2 kann ich noch nicht nennen. Frage gerade an. Da in der 
Regel eine Folgebestellung günstiger ist, kann ich die Auslage Express 
kompensieren.

Also bitte im laufe des Tages noch mal ins Forum schauen...dann kann ich 
mehr sagen.
Ich hoffe, das die Zahlungsmoral besser wird...


LG
Dirk

von Dirk W. (psychodirk)


Lesenswert?

Platinenbestellung:

da am Wochenende überwiesen wurde kann ich erst morgen sehen wer beahlt 
hat.

Aktuelle Zahlen Montag ca.18:00

Dirk

von Oliver S. (oliver_s)


Lesenswert?

Leider ist der Platinenbelichter krank geworden, so schnell wird das mit 
den Platinen nichts, siehe Homepage:

> Leider können wir aus Gesundheitlichen Gründen vom  07.05.12 für ca. 2-3 Wochen 
>keine weiteren Aufträge mehr an nehmen

>Wir bitten um euer Verständnis

>Gruß Platinenbelichter

von Ingolf O. (headshotzombie)


Lesenswert?

Schlussendlich könnte man beide Frames zusammenfassen und u.U. bei einem 
anderen Hersteller (z.B. PCB-Pool o. Q-Print) fertigen lassen! 
Allerdings kann ich deren Preise nicht anführen...

von Dirk W. (psychodirk)


Lesenswert?

PLATINEN:

Nein er ist nicht mehr krank.

Die Platinen werden Freitag (Part-1) per Einschreiben verschickt.

Wenn alles klappt gehen die Samstag in Eure Richtung.
Dann darf gelötet werden.

Olli, keine Gerüche in die Küche (:-)))

Bis 18:00 warte ich noch auf Überweisungen von Freita/Samstag, dann
schreibe ich  User aus Part-2 an (nach Datum Maileingang).

Danach noch freie Stückzahl Part-2.

Die würde der PB sogar am kommenden Wochenende fertigstellen und Anfang 
der kommenden Woche versenden.  Preise muß ich dann je ob Express oder 
normal ausrechnen...

Sodele, die Beine schön stillhalten.
Es klappt doch!

Dirk

von Dirk W. (psychodirk)


Lesenswert?

Ingolf O. schrieb:
> Schlussendlich könnte man beide Frames zusammenfassen und u.U. bei einem
> anderen Hersteller (z.B. PCB-Pool o. Q-Print) fertigen lassen!
> Allerdings kann ich deren Preise nicht anführen...


Ca. 24.-€/Stück   Wartezeit bis zu 4-Wochen.
Hätten Alle bezahlt, war ja genug Zeit, dann wäre alles schon in 
Betrieb.


Dirk

von Dirk W. (psychodirk)


Lesenswert?

PLATINEN-BESTELLUNG PART-1

Fertig!!!

Folgende Einzahlungen verbucht:

Ingolf O., Dirk B., Dirk W., Matthias B., Olli R., Josef S., Peter Z., 
Asko,

Sebastian D., Chris R., Sascha F.
(Matthias hat 2 bestellt)  = 12 x Platine.

Sobald die Platinen bei mir, sofort in Eure Richtung.

Dank an die "Lückenbüßer"

Preise und erhaltene Mails (Bestellung) für Part 2 kommen in ca.30 
Min...

Dirk

von Dirk W. (psychodirk)


Lesenswert?

PLATINEN-BESTELLUNG PART-2

Bestellt haben:

K.H Kübbeler     2x (Herr der Software--->Weiterentwiklung)

Erhard L.        1x

erazor?          1x   fehlt noch Adresse

Paul W.          2x

Dirk W.          1x

Asko             Rest!?!  muss aber nicht sein.


Preis: 11.-€ mit eventl. Schnell-Versand.
Einen besseren Preis kann ich nicht machen...

Da packe ich auch noch etwas dazu..
Spenden willkommen....

Bitte schnell überweisen! Dann klappt es besser wie im Teil 1!!!

Sollten Alle 12 Platinen (geordert bis Mittwoch) dann vieleicht Versand 
kommende Woche Mittwoch...

Abwarten Zahlungsmoral.
Wer zuerst kommt kann löten

Sollte ich Jemanden vergessen haben ---Mail mit Betreff Part-2

Wie schon OBEN ...  Überweisungen noch heute und es klappt...

Dirk

von Dirk W. (psychodirk)


Lesenswert?

Karol. B ist auch dabei.

Dann fehlen nur noch 4...

Dirk

von Dirk W. (psychodirk)


Lesenswert?

Udo K. dabei, fehlen nur 3

Dirk

von Hans .. (Firma: Private) (erty21)


Lesenswert?

noch 2 da ??
wenn ja sind die gebucht !!

grusz Hans

von Dirk W. (psychodirk)


Lesenswert?

Dann Pm....


Jetzt muß ich auch mal schauen...##

Schlag den Dirk...


Part III noch?


maile.. PM mit Adresse.. Dann warten   muss wirklich einmal schauen

Bist dabei    .. by the hope..

Dirk

von Dirk W. (psychodirk)


Lesenswert?

Olli. S. dabei. Part II. Ich verzichte, mein Fehler..Dirk

Jetzt abwarten... Überweisungen.


Sollte es klappen  dann Part III.

Eventl. könnte ich da Hilfe gebrauchen.

Dirk

von Dirk W. (psychodirk)


Lesenswert?

Platinen-Bestellung Teil-2.   (fast)Fertig.

Mail... o.k.

Überweisung bis Freitag, dann kann ich es schnell weiterleiten.

Wer da noch nicht überweisen konnte, (Geld auf meinem Konto, ist nur ein 
Durchläufer)

Hat Pech....

3 Tage reichen, um zu das Geld zu überweisen......


Aktuelle Daten am Dienstag ab 18:00...

Wie im Part-1    Nee, nicht noch einmal...


So, ist nicht böhse gemeint

 Gute Nacht

Dirk

von Thomas K. (thomas_k92)


Lesenswert?

Moin,

kann ich noch 2 Platinen mitbestellen?

Gruß Thomas

von Hubert G. (hubertg)


Lesenswert?

Hallo
Eine Frage an Karl Heinz
Ich habe für den Mega8 die Version 0.95 Auto und Selftest probiert.
Zwischen diesen beiden Versionen habe ich zum Teil krasse Unterschiede 
im Messergebnis.
Der größte Unterschied ist beim Elko, 100µ Selftest, 146µ Auto
Transistor Selftest B=204 Uf =763, Auto B=188 Uf=562
Habe ich da was überlesen?
An der Schaltung ist zwischen den Tests nicht geändert worden. Nur über 
ISP die jeweils andere Version eingespielt, Programmer natürlich 
abgesteckt.

Grüße Hubert

von Karl-Heinz K. (kubi48)


Lesenswert?

Hubert G. schrieb:
> Hallo
> Eine Frage an Karl Heinz
> Ich habe für den Mega8 die Version 0.95 Auto und Selftest probiert.
> Zwischen diesen beiden Versionen habe ich zum Teil krasse Unterschiede
> im Messergebnis.
> Der größte Unterschied ist beim Elko, 100µ Selftest, 146µ Auto
> Transistor Selftest B=204 Uf =763, Auto B=188 Uf=562
> Habe ich da was überlesen?
> An der Schaltung ist zwischen den Tests nicht geändert worden. Nur über
> ISP die jeweils andere Version eingespielt, Programmer natürlich
> abgesteckt.
>
> Grüße Hubert

Hallo Hubert,

das liegt mit großer Wahrscheinlichkeit an dem Kondensator am AREF Pin 
(Pin 21).
Wenn der zu groß ist, müssen Wartezeiten bei der Umschaltung der 
Referenzspannung berücksichtigt werden. Übersetzt war meine Version mit 
der Option NO_REF_CAP in der Makefile. Dann darf der Kondensator am AREF 
Pin maximal 1nF sein oder auch ganz fehlen.
Zum Ausprobieren gibt es zwei Möglichkeiten:
1.) Kondensator entfernen oder ersetzen.
2.) Option in der Makefile ändern und neu übersetzen.
Ich würde die erste Version favorisieren!

Grüße
Karl-Heinz

von Hubert G. (hubertg)


Lesenswert?

Danke Karl-Heinz, das war es.
Funktioniert prächtig, danke für deine Bemühungen.
Grüße Hubert

von Dirk W. (psychodirk)


Lesenswert?

Platinenbestellung Part-II!

Nichts geht mehr.

Ich habe nach Datum, Uhrzeit (Maileingang) sortiert.
Unabhängig vom Geldeingang, da nicht alle Online überweisen.

Ich hoffe, keinen übersehen zu haben!
Wenn Ja, mail an d-willner@t-online.de

Dann fallen die späteren `raus und landen in Part-III.

Hier die Namen:

K.H.Küb. 2,   Karol 1,  Olli S. 1,  Erazor 1,  Erhard l. 1,  Hans Harn. 
2

Paul W 1,  Heiner W. 1,  Ronny H. 1,  Alex S. 1..............--->12 
Platinen.

Keine Sorge... Ich stoße Part-III an. Allerdings sind schon 5 Platinen 
vorbestellt.

Also, wenn Interesse bitte an d-willner@t-online  mit Betreff Part-3.

Part-2 bestelle ich noch heute, im Vertrauen, das alle überweisen.
Ansonsten rutschen die Vorbesteller Part-3 nach. Ist aber kein 
Freibrief.

Wir kriegen euch alle...(:-)))

LG
Dirk

von Dirk W. (psychodirk)


Lesenswert?

An Alle:  ....PLATINE.... Bauteiletester

Part-2 ist bestellt, überwiesen.

Kommt nach Info PB auch schnell.

Leider muß Frank (PB) 2 Wochen Behandelt werden (Herzkasper)
Also nicht meckern, wenn Part-3 nicht so schnell fertig werden sollte.

Wenn Probs., dann bitte mail an Dirk  <---> d-willner@t-online.de

UND BITTE NICHT über Forum-Link.

Geht alles schneller.

So, dann Geld auf Konto und Ware kommt.

Erazor fehlt immer noch.......
Keine mail, usw.

Dirk

von Dirk W. (psychodirk)


Lesenswert?

Dirk Willner schrieb:
> An Alle:  ....PLATINE.... Bauteiletester
>
> Part-2 ist bestellt, überwiesen.
>
> Kommt nach Info PB auch schnell.
>
> Leider muß Frank (PB) 2 Wochen Behandelt werden (Herzkasper)
> Also nicht meckern, wenn Part-3 nicht so schnell fertig werden sollte.
>
> Wenn Probs., dann bitte mail an Dirk  <---> d-willner@t-online.de
>
> UND BITTE NICHT über Forum-Link.
>
> Geht alles schneller.
>
> So, dann Geld auf Konto und Ware kommt.
>
> Erazor fehlt immer noch.......

Mail-Fehler:   Erazor ist dabei.
Top, so macht es Spaß


> Dirk

von Lothar M. (Firma: Titel) (lkmiller) (Moderator) Benutzerseite


Lesenswert?

Dirk Willner schrieb im Beitrag #2669729:
> Wenn ich etwas schreibe, Platinen...usw. hat es auch Hintergrund.
Jeder hat im Prinzip auf seine Art Recht. Es ist in diesem Thread 
wirklich ziemlich umständlich, sachliche Informationen zum Gerät 
zwischen den Bestell- und Buchungsvorgängen herauszupicken. Ich schätze 
einen Wirkungsgrad von ca. 60%...

Daher mein Vorschlag: in Zukunft wird die kaufmännische Ecke per mail 
oder  PN abgewickelt. Oder wenigstens im Markt Forum. Dafür isses 
da...

von Ingolf O. (headshotzombie)


Lesenswert?

Konstruktive und begründete Kritik ja, aber nicht mit Pöbelei a la 
MeinerEiner gewürzt!

von Dietmar S. (zabex)


Lesenswert?

Ich verfolge diesen Thread so am Rande und habe einen Vorschlag für ein 
vereinfachtes Batteriemanagement:
Momentan gibt's bei Pollin den TLE4267 für 75ct.
Das ist ein 5V-Festspannungsregler (LowDrop), der mit einem Taster 
eingeschaltet (inhibit) und vom Prozessor kontrolliert abgeschaltet 
(hold) werden kann.
Im Standby verbraucht der unter einem Mikroampere (also quasi nix)!
Den Chip habe ich in meinem Turbo-Widerstandsmessgerät verbastelt. 
Funktioniert problemlos.
Doku zu dem Widerstandsmessgerät:
http://www.zabex.de/site/ohmmeter.html

von Dirk W. (psychodirk)


Lesenswert?

Achtung, Info`s Platinen jetzt unter MARKT:

------- >  Info Platinen Bauteiletester


Ich hoffe es ist jetzt Ruhe mit dem gepöbel...


Dirk

von Michael D. (mike0815)


Lesenswert?

Hallo Dietmar,
das mit dem TLE4267 ist ja eine saubere Sache, quasi All-In-One!
Leider gibt's den weder beim "C" noch beim "R", oder ich habe Tomaten 
auf den Augen...
Die zusätzliche Anzeige von der 24Reihe ist eine sehr gute Idee! Mir 
geht die Zuordnung während der Widerstandsmessung auch auf die Nüsse. 
Vielleicht möchte/will/soll, der Karl-Heinz das in seinen Code mit 
einbauen? Fände ich äusserst praktisch.

@Karl-Heinz
Die Existenz des 100nF an ARef, erklärt jetzt so manches "Messergebnis" 
:-(
Danke für den Hinweis, werde das Teil bei Gelegenheit mal tauschen, dann 
wird das auch was!
BTW. Die LM4040 Ref. könnte man durch einen günstigeren LM336 ersetzen, 
hat laut Datenblatt eine langzeit Temperaturstabilität von (1mA)20ppm 
gegenüber dem 4040 von 100ppm(ok bei 100µA +-15ppm)

@Dirk
(pöpeln an) hättest ja mal den Link posten können (pöpeln aus)

Gruß Michael

von Frank M. (ukw) (Moderator) Benutzerseite


Lesenswert?

Dirk Willner schrieb:
> Achtung, Info`s Platinen jetzt unter MARKT:
> ------- >  Info Platinen Bauteiletester

Ein Link sagt mehr als 1000 Worte:

  Beitrag "Info Platinen Bauteiletester / Transistortester"

von Dirk W. (psychodirk)


Lesenswert?

Danke

Dirk

von Michael D. (mike0815)


Lesenswert?

na, geht doch ;-)

da war der Frank schneller...

Gruß Michael

EDIT: was'n jetzt mit meinem Vorschlag? Gut oder nicht gut?

von Frank M. (ukw) (Moderator) Benutzerseite


Lesenswert?

Dirk Willner schrieb im Beitrag #2670964:
> Dank an Frank.

Das hast Du oben schon gesagt, eine Wiederholung ist unnötig.

>> EDIT: was'n jetzt mit meinem Vorschlag? Gut oder nicht gut?
>
> Joo, Michael.
> Klappt doch alles.

War das jetzt die Antwort auf Michaels Frage, ob man die LM4040 Ref. 
durch einen günstigeren LM336 ersetzen könnte? Ich habe das Gefühl, Du 
liest nicht richtig mit... das könnte an dem vielen Müll hier im Thread 
liegen...

> So, müllt man nicht alles zu... (:-)))

Bei diesem Satz musste ich jetzt echt lachen. Jetzt ist es endlich 
geschafft, die Platinengeschichte auf einen anderen Thread auszulagern, 
damit man hier endlich wieder Postings zur Sache lesen kann, da fühlst 
Du Dich berufen, auf jedes Posting Deinen Senf dazuzugeben - egal wie 
qualifiziert er ist. Du redest nicht nur über den Müll, Du machst den 
Müll :-(

> Sonst kommt MeinerEiner oder Pöbelotto oder wie er sich noch nennen
> sollte!

Halt doch bitte mal endlich die Klappe und schreib hier bitte nur, wenn 
Du auch was mitzuteilen hast. Ich musste schon oftmals den Kopf 
schütteln, als du im Sekundentakt hier den aktuellen Stand der 
Sammelbestellung reingeknallt hattest - mit sich immer wieder 
wiederholenden langen Listen. Das nervt langsam. Dafür gibts E-Mail. 
Diese respektiert auch die Privatsphäre der Leute, die Du in Deinen 
Listen aufführst.

P.S.
Zwei Tipps, um unaufdringlicher zu erscheinen:

 - Weniger multiple Satzzeichen wie "!" verwenden
 - Lektüre von deppenapostroph.de

von Dirk W. (psychodirk)


Lesenswert?

Hallo, alles im Markt.

Bestellungen nur per PM oder Mail- d-w....

So, nun bitte Ruhe.

Wenn ich hier im Forum Fehler mache... dann PM.

Habe es gut gemeint, aber jetzt werde ich Part-III eventl. nicht 
weiterführen.

Das ist langsam etwas zu blöd.

Man bemüht sich und dann das gelaber von MEiner.
So kann man vieles zerstören.

Dank an alle.

Dirk

von Dirk W. (psychodirk)


Lesenswert?

Part-3 geht weiter.

Da noch nicht alle es wissen können oder gelesen haben, hier noch einmal 
der Link:

Beitrag "Info Platinen Bauteiletester / Transistortester"


Dirk

von Michael D. (mike0815)


Angehängte Dateien:

Lesenswert?

Hallo Karl-Heinz,
der 100nF am Ref-Pin des mega8 ist gegen 1nF getauscht. Mir kommt es so 
vor, als hätte sich die Messgeschwindigkeit erhöht, kann das sein?

Ich hätte da noch einen Bug zu verzeichnen.
Beim messen von hohen Kapazitäten ab ca. 1000µF aufwärts, wird manchmal 
richtig, dann wieder falsch gemessen. Der Fehler tritt bei verschiedenen 
Exemplaren auf!
Siehe Fotos:
beim 2. Foto wird eine Kapaziätsdiode im millifaradbereich angezeigt.
Beim mehrmaligen Resetten (ohne abklemmen), tritt dieser Effekt auf.

Kann es sein, das die Software Probleme mit LowESR-Elkos hat?
Mit der alten Soft(habe ich extra getestet mit 2. mega8), werden diese 
richtig gemessen, beinahe hätte ich die in die Tonne gekloppt...

Gruß Michael

von Karl-Heinz K. (kubi48)


Lesenswert?

Michael D. schrieb:
> Hallo Karl-Heinz,
> der 100nF am Ref-Pin des mega8 ist gegen 1nF getauscht. Mir kommt es so
> vor, als hätte sich die Messgeschwindigkeit erhöht, kann das sein?
>
> Ich hätte da noch einen Bug zu verzeichnen.
> Beim messen von hohen Kapazitäten ab ca. 1000µF aufwärts, wird manchmal
> richtig, dann wieder falsch gemessen. Der Fehler tritt bei verschiedenen
> Exemplaren auf!
> Siehe Fotos:
> beim 2. Foto wird eine Kapaziätsdiode im millifaradbereich angezeigt.
> Beim mehrmaligen Resetten (ohne abklemmen), tritt dieser Effekt auf.
>
> Kann es sein, das die Software Probleme mit LowESR-Elkos hat?
> Mit der alten Soft(habe ich extra getestet mit 2. mega8), werden diese
> richtig gemessen, beinahe hätte ich die in die Tonne gekloppt...
>
> Gruß Michael

Hallo Michael,
die Messgeschwindigkeit kann sich nur erhöhen durch die Option 
NO_REF_CAP im AUTOSCALE_ADC Mode. Ohne NO_REF_CAP Option baut das 
Programm längere
Wartezeiten ein.
Die Software-Version 0.95k hat für den ATmega8 auf jeden Fall noch den 
Fehler, das das Bit PUD (Pull-Up disable) im falschen Register gesetzt 
wird (MCUCR anstelle von SFIOR). Da weiß ich nicht, welche Auswirkung 
das
hat. Der Fehler tritt nur beim ATmega8 auf!
Ich kann natürlich nicht garantieren, das alle Bauteile richtig 
angezeigt werden, bin aber sehr an solchen Fehlerkennungen interessiert.

Bei der Kondensatormessung > 50µF beobachte ich einen mit der 
Kondensatorgröße anwachsenden Fehler, dessen Ursache ich noch nicht 
kenne.
Außerdem werden Kondensatoren >40mF vor der Kondensatormessung als 
Widerstand erkannt (etwa 2 Ohm). Bei vorher erkanntem Bauteil wird keine 
Kondensatormessung mehr durchgeführt (außer Einzeldiode).
Deinen Fehler habe ich versucht mit meiner letzten Testversion 
nachzustellen, leider bisher ohne Erfolg.
Ich selbst habe kürzlich einen von einer defekten Grafikkarte 
ausgelöteten Kondensator gemessen, den mein Tester als Doppeldiode 
erkannt hat.
Ein nach dem Aufdruck 1500µF (6.3V) gleicher Kondensator wurde aber 
erkannt.
Ein Nachmessen mit meinem neu erworbenen PeakTech 2170 LCR-Meßgerät 
brachte folgende Ergebnisse:
Defekter C  :  122µF, Verlustfaktor D=1,157
Gleicher C  : 1577µF, Verlustfaktor D=0,07
Beide Messungen wurden mit 100Hz Meßfrequenz durchgeführt.

Dieses Beispiel soll aber nicht heißen, das meine Testersoftware immer 
Recht hat.
Alle anderen Messungen vor der Kondensatormessung basieren ja auch auf
Spannungsmessungen. Da kann es schon Mal vorkommen, das ein Kondensator 
den Testkriterien genügt.

Grüße
Karl-Heinz

von Paul W. (paramac)


Lesenswert?

Hallo Dirk,
 speziell dir, aber auch allen anderen, die sich konstruktiv in diesem 
Thread beteiligt haben und noch beteiligen, meinen besten Dank. Ich 
finde es toll, dass sich immer wieder Leute finden, die sich engagieren 
und sich auch von den immer wieder auftretenden Motzern nicht beirren 
lassen. Leider nehmen letztere immer mehr zu, nicht nur in diesem Forum 
:-(
Niemand ist perfekt, jeder macht auch mal Fehler, aber deswegen 
denjenigen runter machen, das ist mehr als schäbig.

Deswegen nochmals: Danke!

Gruß
Paul

von Dirk W. (psychodirk)


Lesenswert?

@Moderator
@ All

O.k.

Dann bitte alle Beiträge, Platinenbestellungen/Status/Info von Dirk 
löschen.

Habe ja die Mailadressen.

Aber ein wenig freundlicher könnte es schon laufen.

Einfach PM und Hinweis...und Gut ist es!
(Dirk, mach doch einfach einen neuen Beitrag im Markt auf)

Man kann nicht alles wissen!

Pöbeln mag ich nicht.

Und wenn (Gast) ME oder X meinen, den Fred noch unübersichtlicher zu 
machen, dann weiter so.
Leider ist PM nicht möglich. Da fehlt die Registrierung.

Ein schönes sonniges Wochenende

Dirk

von Lothar M. (Firma: Titel) (lkmiller) (Moderator) Benutzerseite


Lesenswert?

Bitte bei der Sache bleiben, man löscht sich hier ja die Finger wund... 
:-/

von Karl-Heinz K. (kubi48)


Angehängte Dateien:

Lesenswert?

Hallo Transistortester Freunde,
Hallo friends of the Transistor Tester,

the new version of my software is ready.
This time there are only little changes (bug fix).
The Battery voltage measurement has been improved and with the option 
BAT_OUT=600 you can add an offset to the LCD output, if you have 
installed a diode to preserve the tester against wrong polarity. The 
Option BAT_LOW_DROP changes the warning and the poor level of battery 
voltage to 6.3V and 5.3V.
The PUD signal is addressed right for the ATmega8 processor.
The text output of Selftest number 2 and 3 has been changed.
Since the changes are little by comparison to prior steps, I did no
full check with all standard parts.
Last but not least the PDF Dokumentation is organized completely new.
Documentation is now written with pdftex and includes a hardware 
chapter. This part was most work for this release. I hope that I will 
have more time for further developement of the next release.


Ich hoffe, das auch die deutschen Nutzer kein Problem mit den
englischen Texten und vor allen Dingen mit meiner Software haben.
Falls Fehler in meiner Doku gefunden werden, bitte an meine Email
Adresse melden, das muß nicht in den Thread. Fehler und Besonderheiten 
der Software gehören aber in den Thread, da das auch andere 
interessiert!

Grüße
Karl-Heinz

von Dirk W. (psychodirk)


Lesenswert?

Platinenbestellung Teil-4

Weiteres unter : 
Beitrag "Re: Info Platinen Bauteiletester"

Dirk

von Michael L. (michaelx)


Lesenswert?

Hallo Karl-Heinz,

sorry, dass ich erst jetzt antworte, passt halt nicht immer so...

Karl-Heinz Kübbeler schrieb:
> 1.) Die angegebene Doku (0.95k) ist im Thread am 17.April zu finden.

Jetzt doch gefunden, danke.

> 2.) Dann habe ich noch eine interessante Zusammenstellung der
> LCD-Displays gefunden unter www.sprut.de/electronic/lcd .
> Hier wird eine Schaltung für die negative Spannungsversorgung mit einem
> ICL7660 angegeben. Die Schaltung kommt mit 4 Bauteilen aus.
> Für eine Universallösung müsste man noch ein Jumper-Feld für die
> Umschaltung auf positive Spannung vorsehen. Ich werde Deinen Vorschlag
> aber trotzdem prüfen, es wäre natürlich schöner gewesen, wenn ein
> Timer-Ausgangspin für diesen Zweck frei wäre.

Also Timerausgang und Jumperfeld ist bestimmt nicht im Sinne des 
Projekts. Meine Lösung war daher, den betreffenden Ausgang per ISR 
(Timer-Interrupt) zu toggeln.
Die Lösung über den AVR-Pin, so wie sie bei mir läuft, wurde ja auch im 
alten Thread von verschiedenen Usern vorgeschlagen. Aber wenn sonst 
keine weitere Nachfrage diesbezüglich besteht, würde ich dann doch zu 
einer Hardware-Lösung für meinen Tester tendieren, und gelegentlich mal 
eine neue Platine machen. Dann kann ich wieder mit einsteigen, z.B. neue 
Versionen zu testen. Gibt ja doch ordentliche Fortschritte.

> 3.) Den Optokoppler wollte ich mit einer Brücke zwischen Ein- und
> Ausgangs-Seite verbinden und damit zum 3-Pin werden lassen.

Hm. Aber dann muss man ja schon die Pin-Belegung wissen, was ja 
zumindest ein Stück weit gegen die Aufgaben des Bauteiltesters spricht.

> Zu den Digital-Transistoren habe ich Doku gefunden, habe aber keine
> Testexemplare. Die könnte ich natürlich nachbilden. Vielleicht hat aber
> auch jemand ein paar interessante Testexemplare für mich übrig?

Die Digital-Transistoren sind mir beim prüfen untergekommen, als ich 
eine Platine reparieren und umbauen wollte, d.h. habe keine neuen auf 
Lager. Testexemplare sind sicher bei den üblichen Verdächtigen zu 
bekommen, aber eine diskrete Nachbildung wäre sicher für die Entwicklung 
einer geeigneten Meßroutine zumindest anfangs deutlich hilfreicher.

Dann bis zum nächsten Mal. Grüße.
Michael

von Michael D. (mike0815)


Lesenswert?

Hallo Karl-Heinz,

> Deinen Fehler habe ich versucht mit meiner letzten Testversion
> nachzustellen, leider bisher ohne Erfolg.
Ich weiß auch nicht, was das soll. Mal tritts auf, mal nicht. Könnte 
auch am Kontakt der Probs liegen, da ich hier 4x 
Frako-Bremmel(4x2500µF), die fast den ganzen Tisch ausfüllen und die 
Kroko-Klemen wohl nicht der Reisser sind. Nach mehrmaligen herumwackeln, 
war es dann auch nicht mehr reproduzierbar.

Ich habe deine neue Soft mit meinem alten Aufbau getestet und ebenfalls 
alle Parameter für den Mega8 gesetzt.
Funktioniert prima, allerdings mit nur einem einzigen Mega8! Alle 
anderen Exemplare, aus anderen Chargen, verfälschen die Messergebnisse, 
vorallem im Widerstandsbereich.
Als Referenz, wird mit einem Digi-Meter gemessen. 1M/1% Widerstände 
werden von einem einzigen M8 korrekt gemessen! Die Kondensatoren (z.B. 
100pF als Ref)mit deiner vorgegebenen DREF_KORR=14 ebenfalls.
Andere Prozessoren wollen da "-13" als Korrekturwert.
Ein Mega88 möchte da sogar "+70" bis der richtige Kondensatorwert 
anzeigt wird.
Hattest du eigendlich auch eine Kalibrieroption für die 
Widerstandsmessung vorgesehen, wenn ja, wo finde ich diese? Ich habe mir 
in deinem Code schon einen Wolf gesucht. Evtl. wäre das auch eine Option 
für das Makefile?!?

Btw. Manche Mega8/88 scheinen an den Eingängen (Probs)unterschiedlich zu 
messen, wärend mein einziges M8 Exemplar an jedem Prob korrekt mißt.

@Michael L.
Ich verstehe nicht, warum du nicht einfach ein anderes Display verbaust, 
das dir diese Schwierigkeiten eben nicht bereitet? Weiter oben habe ich 
einen Link gepostet, wo es 2x16er mit LED-Bel. für ganz kleines Geld 
gibt.
Ist das jetzt ein besonderes Display, weil du daran so fest hälst?

Edit:
@Karl-Heinz,
Aus deinem PDF-File:
17. Can the transistor tester act as clock generator for AVR devices, 
which can't be programmed
because of wrong fuse conguration?

Fände ich eigendlich überflüssig. Es gibt soviele Möglichkeiten einen µC 
wiederzubeleben und wenn es nur mit einem 1MHz Oszillator ist, der ja 
eben schnell angeschlossn ist.

Gruß Michael

von Michael L. (michaelx)


Lesenswert?

Michael D. schrieb:
> @Michael L.
> Ich verstehe nicht, warum du nicht einfach ein anderes Display verbaust,

Z.B. weil mein Gerät seit nun schon bald 3 Jahren fertig ist und läuft.
-> Warum nochmal neu bauen?

Willst du noch mehr Gründe?
Warum betreiben wir unser Hobby, statt fertig zu kaufen?

Grüße.
Michael

von Peter ⛄ W. (Firma: Huddel und Brassel Ltd.) (jaffel) Benutzerseite


Lesenswert?

Michael D. schrieb:
> Weiter oben habe ich einen Link gepostet, wo es 2x16er mit LED-Bel.
> für ganz kleines Geld gibt.

Das ist alles schoen und gut, aber habt ihr auch mal daran gedacht, dass 
diese Hintergrundbeleuchtungen auch Stroom brauchen ? So wie ich das 
hier mitbekommen habe, zieht allein der tester schon 20mA. Eine 
beleuchtung dazzu, sind wir schon bei 30 - 40mA. nunn kommt jemand mit 
einem Blauen LCD und wundert sich warum ein 78*L*05 abraucht.
Da habt ihr so ein riesen Board zusammengefummelt und habt keinen Platz 
fuer einen 1A 7805 ?

Zweite Frage an den Platinenentwickler. Warum hat nur bottom 
Masseflaechen ? Auf TOP ist nichts.

@Karl-Heinz Kübbeler

Das PDF habe ich natuerlich nicht ganz gelesen, aber eine tolle Arbeit 
hast Du da abgeliefert. Vielen Dank.

Vielleicht noch etwas was mir sofort aufgefallen ist.

Am Anfang koennte man die groben Daten des Geraetes hin schreiben. Das 
ist doch das Erste auf was man bei einem "Messgeraet" guckt und auch 
immer mal nachsehen will. Leider muss man sich die Funktionen und 
Tolleranzen alle aus dem Text erlesen statt sie auf einem Blick in einer 
Tabelle zu haben.
Keine Kritik, nur ein Vorschlag.

von Michael D. (mike0815)


Lesenswert?

Michael L. schrieb:
> Michael D. schrieb:
>> @Michael L.
>> Ich verstehe nicht, warum du nicht einfach ein anderes Display verbaust,
>
> Z.B. weil mein Gerät seit nun schon bald 3 Jahren fertig ist und läuft.
Das ist bei mir ja derselbe Fall, zum Glück konnte ich noch Einiges 
nachrüsten.
BtW. ich gestalte meine Schaltungen immer so, das ich, wie z.B. Displays 
oder 7Seg-Anzeigen, in allen Geräten gleich baue und diese auch 
untereinander tauschen kann, sozusagen genormt(was manchmal nicht immer 
so einfach ist).
Wie auch immer, es ist so wie es ist.

> -> Warum nochmal neu bauen?
Warum nicht?
>
> Willst du noch mehr Gründe?
> Warum betreiben wir unser Hobby, statt fertig zu kaufen?
Weil es eben Spass macht und wir ja schon ein wenig verrückt sind?
Die fertigen Werke, sind ja im Prinzip unbezahlbar, wenn du weißt, was 
ich meine?!?
>
> Grüße.
> Michael

Gruß Michael

von Peter ⛄ W. (Firma: Huddel und Brassel Ltd.) (jaffel) Benutzerseite


Lesenswert?

Michael D. schrieb:
> Die fertigen Werke, sind ja im Prinzip unbezahlbar

So teuer sind die garnicht. Bei Reichelt fangen die bei 49,95.- an. 
Dieser Tester hier kostet auch nicht viel weniger. Platine, Teile, 
Gehaeuse, Display, Porto, Mindestbestellwerte, lass das mal sehr 
guenstig (Sammelbestellungen und Co.) auf 30.- kommen. Einige werden 
deutlich mehr bezahlen.

Die Frage ist doch eher, was taugen diese Fertiggeraete gegenueber einem 
"Bastel"projekt bei dem der Quelltext offen liegt und einige Dutzend an 
eben diesem arbeiten / koennen. Bei dem Reichelt Ding bekommt man 
sicherlich kein Update, hier schon.

Also sage ich jetzt mal, es ist mehr umgedreht. Die Bastelprojekte sind 
doch eher unbezahlbar, denn hier laeuft keine Garantie ab und Updates 
gibt es auch in 100 Jahren noch.
Ich wage sogar zu behaupten, ohne das Reichelt Geraet zu kennen, das 
dieses Bastelprojekt das Fertiggeraet um laengen schlaegt. Schon die 
alte Version laeuft bei mir sehr gut.

von Michael D. (mike0815)


Lesenswert?

Hallo Peter,
> Das ist alles schoen und gut, aber habt ihr auch mal daran gedacht, dass
> diese Hintergrundbeleuchtungen auch Stroom brauchen ? So wie ich das
> hier mitbekommen habe, zieht allein der tester schon 20mA. Eine
> beleuchtung dazzu, sind wir schon bei 30 - 40mA. nunn kommt jemand mit
> einem Blauen LCD und wundert sich warum ein 78*L*05 abraucht.
Genau! Deswegen wäre es besser, eben die grünen Teile zu verwenden, 
damit man auch ohne Beleuchtung was sieht. Bei den Blauen, stehst du, im 
wahrsten Sinne des Wortes, im Dunkeln!!!

> Da habt ihr so ein riesen Board zusammengefummelt und habt keinen Platz
> fuer einen 1A 7805 ?
Ja, wenigstens einen LM2940 oder ähnlich! den habe ich verbaut so viel 
Platz, sollte sein. ;-)

> Also sage ich jetzt mal, es ist mehr umgedreht. Die Bastelprojekte sind
> doch eher unbezahlbar, denn hier laeuft keine Garantie ab und Updates
> gibt es auch in 100 Jahren noch.
Genau das meinte ich ja. Da hatte ich mich wohl falsch ausgedrückt. Mit 
den "fertigen Werken", meinte ich die Bastelprojekte.

Gruß Michael

von Michael L. (michaelx)


Lesenswert?

Peter W. schrieb:
> Michael D. schrieb:
>> Die fertigen Werke, sind ja im Prinzip unbezahlbar

Hallo Peter,

ich denke schon, dass Michael eher die Werke unseres Hobbys meint, hab 
es jedenfalls so verstanden.

Grüße. Michael

von Peter ⛄ W. (Firma: Huddel und Brassel Ltd.) (jaffel) Benutzerseite


Lesenswert?

Michael D. schrieb:
>> Da habt ihr so ein riesen Board zusammengefummelt und habt keinen Platz
>> fuer einen 1A 7805 ?
> Ja, wenigstens einen LM2940 oder ähnlich! den habe ich verbaut so viel
> Platz, sollte sein. ;-)

Ich auch, einen einfachen 7805. Tut es dann zur Not auch mit einem 100mA 
Display. So ist man jetzt quasi gezwungen ein Display ohne Beleuchtung 
zu nehmen oder zumindest eins was nicht viel Strom zieht.
Stehend, oder angewinkelt, nimmt das TO220 doch kaum mehr Platz weg.
Oder auch auf die Unterseite, ist doch sowieso ein Duallayer.

Interessant waere vielleicht auch ein Handy Grafik-LCD und drunter die 
Platine in SMD. Akku ein LiIon, dann bekommt man das so gross wie eine 
Streichholzschachtel. Ich weiss, ist jetzt gesponnen. Ich jedenfalls 
nutze den alten Tester gerne und oft. Bauteil reinstecken, Knopf 
druecken und ablesen, ist doch viel schneller und einfacher als 
umstaendlich mit Multimetern rumzumachen.
Zumindest was das TESTEN der Bauteile angeht. Ein Messgeraet sollte es 
ja von anfang an nicht werden und kann es auch nie werden.

Sollte jedenfalls in jedem SMD Haushalt vorhanden sein, es erspart 
einiges an grauen Haaren.

von Asko B. (dg2brs)


Lesenswert?

Hallo

Peter W. schrieb:
> Zweite Frage an den Platinenentwickler. Warum hat nur bottom
> Masseflaechen ? Auf TOP ist nichts.

Ich hab das in Eagle noch nicht geschnallt wie man auf beiden
Seiten die Masseflaeche darstellt. Ich hab dann vor´m ausdrucken
einfach den Layer des Ratsnest gewechselt.

Michael D. schrieb:
> Hallo Peter,
>> Das ist alles schoen und gut, aber habt ihr auch mal daran gedacht, dass
>> diese Hintergrundbeleuchtungen auch Stroom brauchen ? So wie ich das
>> hier mitbekommen habe, zieht allein der tester schon 20mA. Eine
>> beleuchtung dazzu, sind wir schon bei 30 - 40mA. nunn kommt jemand mit
>> einem Blauen LCD und wundert sich warum ein 78*L*05 abraucht.
> Genau! Deswegen wäre es besser, eben die grünen Teile zu verwenden,
> damit man auch ohne Beleuchtung was sieht. Bei den Blauen, stehst du, im
> wahrsten Sinne des Wortes, im Dunkeln!!!

Ich benutze auch ein gruenes Display ohne Hintergrundbeleuchtung.
Ich hatte bloss darauf hingewiesen, dass das von Pollin angebotene
gruene Display einen anderen Anschluss hat. Die blauen dagegen
passen dann genau auf die Anschluesse. Da muss natuerlich jeder
selber gucken, was er fuer ein Display von Welchem Lieferanten
und/oder Hersteller hat. Und ob er moechte, das es leuchten
soll oder nicht. Der Vorschlag mit dem Schalter fuer die
Displaybeleuchtung ist doch nicht schlecht.
Es wird ja immer ein Induvidualgeraet werden.
Die Eierlegendewollmilchsau wird es wohl nicht werden. ;-)
Obwohl es ja dank Karl_heinz schon maechtig in diese
Richtung geht.

Zur frage des Preises.
Das duerfte doch bei Hobbyprojekten eigentlich weniger
die Rolle spielen. Man macht das ja aus spass an der Freude.
Ich werde mir kein kommerzielles Produkt kaufen, um damit
mein Selbstbau zu kontrollieren.
Wie heisst es so schoen: Der Weg ist das Ziel.

Gruss Asko.

von Peter ⛄ W. (Firma: Huddel und Brassel Ltd.) (jaffel) Benutzerseite


Lesenswert?

Asko B. schrieb:
> Der Vorschlag mit dem Schalter fuer die
> Displaybeleuchtung ist doch nicht schlecht.

Das ist schon okay, setzt dann aber auch wieder einen dickeren Regler 
voraus, also gehoppst wie gesprungen.

>Zur frage des Preises.

Doch, jetzt wo ich weiss was das Gaeraet kann, wuerde ich mir sowas 
fertig kaufen, wenn es dieses Projekt von Michael nicht geben wuerde. 
Denn jetzt weiss ich dieses Geraet wirklich zu schaetzen und moechte 
es nicht mehr missen.
Und mal ehrlich, so eine Batterie kostet nicht mal 1.-, da hat man doch 
ein 10er Pack im Kuehlschrank :o)
Auf die Beleuchtung moechte ich naemlich ebenfalls nicht verzichten.

@Karl-Heinz Kübbeler

Was mir noch eingefallen ist. Hast Du eigentlich mal mit hoeheren 
Quarzen experimentiert ? 16, 20 oder noch drueber ? Einige ATmega8 
liefen bei mir schon mit 30MHz.
Zumindest an die 20MHz wuerde ich mal gehen, weil da sind wir ja noch im 
Grundton und das schafft der Atmega8 und Konsorten auch leicht. Grosse 
Kapazitaeten (>100µF) sind fuer mich uninteressant, die kann man auch so 
ganz gut nachsehen. Die Kleinen, im pF Bereich, aber schon eher und 
genau das scheint der AVR und das Programm ja prima zu meistern.

von Asko B. (dg2brs)


Lesenswert?

Hallo Peter

Die neueren Displays mit Beleuchtung benoetigen doch
nur ca. 20mA fuer die Hintergrundbeleuchtung.
(Wenn man mal von dem "Ausreisser" von Pollin mal absieht)
Das sind dann zusammen rund 40 mA. Das macht der 78L05
oder MCP1702 doch locker mit.

Mich wuerde eher interessieren wie Du das mit SMD-Bauteilen
machst. Loetest Du die kurz auf, oder werden die einfach
an die Kontakte gepresst ?

Da ich meine Schaltung noch auf einem Steckbrett habe, kann
ich das zu testende Bauteil ja einfach mit einstecken.
Aber ewig werden die Kontakte das auch nicht aushalten.
Da kommt mir eher die Frage auf, was nimmt man am besten
als Steckkontakt auf der Platine. Praezisionssteckkontakte
(zB wie IC-Sockel) koennen ja wieder nur "duenne"
Anschlussdraehte aufnehmen. Und nimmt man andere Kontakte
die eventuell nach einer Zeit ausleiern, muss man wieder
an der Platine rumloeten.
Hat da einer die zuendende Idee ?

Gruss Asko.

von Peter ⛄ W. (Firma: Huddel und Brassel Ltd.) (jaffel) Benutzerseite


Angehängte Dateien:

Lesenswert?

Also 40mA fuer einen 78L05 ist schon eine Menge.
Ich meinte ja auch nicht das es nicht geht, sondern das man es besser 
machen koennte. Ein 7805 waere kein Aufwand gewesen, denn dann koennte 
man das Geraet auch mit einem Hochtemperatur LCD 4x20 und Netzteil 
nutzen. Wer das nicht will, okay, der kann den 78L05 ja trotzdem in die 
Bohrungen vom TO220 stecken. Nur anders rum haben wir ein ziemliches 
Gefummel.

> Mich wuerde eher interessieren wie Du das mit SMD-Bauteilen
> machst. Loetest Du die kurz auf, oder werden die einfach
> an die Kontakte gepresst ?

Ich sammle mal die Bilder vom alten Thread ein. Meine Kontaktflaeche 
habe ich verzinnt, dass gibt nochmal besseren Kontakt. Optimal waere 
vergolden, aber man kann es auch uebertreiben.
Ich druecke das Bauteil einfachg mit dem Fingernagel auf die Flaechen. 
Der Vorteil des Geraetes ist ja, das es sich nach dem Bauteil richtet 
und ich das Bauteil nicht so anschliessen muss wie das Geraet es 
verlangt. Also muss es nur mechanisch halbwegs passen.
Wichtig ist hier auch, dass die Leitungen so kurz wie irgend moeglich 
sind.

Ich kann mir vorstellen das eine Klammer, wie beim Objekttraeger von 
einem Mikroskop ganz gut funktionieren wuerde, siehe Bild.
Evtl. ein stueck Schrumpfschlauch drueber ziehen, dass es keine Kurzen 
gibt und nicht wegflutscht.

Okay, ich will hier keine Bilder mopsen, ich verlinke infach mal.

Beitrag "Re: Transistortester mit AVR"
Beitrag "Re: Transistortester mit AVR"

Ich habe es direkt auf das Gehaeuse geklebt, durchgebohrt und mit 
Silberdraht verloetet. So baumelt es nicht rum und die Leitungen sind 
kurz.
Die Verzinnung ist mir kaputt gegangen als ich die Durchkontaktierungen 
nachschleifen wollte, sieht auf dem Foto aber schlimmer aus, als es ist.

Beitrag "Danke schoen Markus Frejek (5volt)"

Die Rillen habe ich einfach mit einer Blechtrennscheibe 0,4mm gedremelt. 
Cuttermesser sollte aber auch gehen. Aetzen halte ich fuer uebertrieben.
Bis 0402 kann ich locker testen, weiter runter braucht niemand.

von Michael D. (mike0815)


Angehängte Dateien:

Lesenswert?

ok, ich hab's natürlich übertrieben! :-)))
den Link habe ich noch gefunden, dank Peter. Scheint interessant gewesen 
zu sein, bei über 1000 Klicks :-/
Beitrag "Re: Transistortester mit AVR"

Dann habe ich hier noch ein paar Pics ,wie ich das befestigt habe.
Ich hatte mir noch ein paar Adapter für die Transen geätzt und mit 
Silberleitlack beschichtet.
Zum andrücken, ziehe ich entweder einen Latexhandschuh an oder ich tippe 
mit einem Bleistift-Radiergummi auf die SMD-Teile.
Die kleinen Adapter sind mit nur einer Schraube auf das Gehäuse 
geschraubt, sonst werden die Probpins zu beansprucht.

Die Klammern da oben bringen mich auf eine Idee, da könnte man doch was 
Ähnliches misbrauchen...

Gruß Michael

von Asko B. (dg2brs)


Lesenswert?

Hallo Peter

Ich hab mir die Bilder nochmal angeguckt. Das mit dem
kleinen "Hammer" fand ich schon immer lustig.
Ich persoenlich versuche sowieso SMD zu vermeiden.
Mittlerweile haben meine Finger sowieso ein Eigenleben
entwickelt und somit ist SMD suboptimal. ;-)
Aber fuer den Fall der Faelle werd ich mir vielleicht
solch einen Adapter wie von Michael D. vorgestellt
dazubasteln.
Ich werde mal versuchen auf die Platine einen Standard-7805
als alternativ-Bestueckung zu friemeln.
Ich weiss zwar noch nicht genau wie man das macht, aber der
Mensch an sich ist ja noch lernfaehig.

Gruss Asko.

von Michael D. (mike0815)


Lesenswert?

mit dem SMD-Testen mit dem Tester, hab' ich mir schon was den Kopp 
zerbrochen. Ruckzuck ist das Hünerfutter im ganzen Saal verteilt, wenn 
man nicht aufpasst!
@Asko,
Schreibe mir mal eine PN, vielleicht komme ich im laufe der Woche dazu, 
diverse Adapter in EagleCad zu malen, wenn Intersse besteht, setz' ich 
das dann auch hier rein.
Meine damaligen Entwürfe hatte ich mit SPlan gemalt, ist leider mit 
einem Festplattedefekt weggeflogen.

Für den Karl-Heinz, setze ich nochmal den Link hier her, damit er mich 
nicht vergisst (Anpassung der Widerstandsmessung)
 Beitrag "Re: Transistortester AVR"

Wünsche und eine gute Nacht

von Karl-Heinz K. (kubi48)


Angehängte Dateien:

Lesenswert?

Michael D. schrieb:
> Hallo Karl-Heinz,
>
>> Deinen Fehler habe ich versucht mit meiner letzten Testversion
>> nachzustellen, leider bisher ohne Erfolg.
> Ich weiß auch nicht, was das soll. Mal tritts auf, mal nicht. Könnte
> auch am Kontakt der Probs liegen, da ich hier 4x
> Frako-Bremmel(4x2500µF), die fast den ganzen Tisch ausfüllen und die
> Kroko-Klemen wohl nicht der Reisser sind. Nach mehrmaligen herumwackeln,
> war es dann auch nicht mehr reproduzierbar.
>
> Ich habe deine neue Soft mit meinem alten Aufbau getestet und ebenfalls
> alle Parameter für den Mega8 gesetzt.
> Funktioniert prima, allerdings mit nur einem einzigen Mega8! Alle
> anderen Exemplare, aus anderen Chargen, verfälschen die Messergebnisse,
> vorallem im Widerstandsbereich.
> Als Referenz, wird mit einem Digi-Meter gemessen. 1M/1% Widerstände
> werden von einem einzigen M8 korrekt gemessen! Die Kondensatoren (z.B.
> 100pF als Ref)mit deiner vorgegebenen DREF_KORR=14 ebenfalls.
> Andere Prozessoren wollen da "-13" als Korrekturwert.
> Ein Mega88 möchte da sogar "+70" bis der richtige Kondensatorwert
> anzeigt wird.
> Hattest du eigendlich auch eine Kalibrieroption für die
> Widerstandsmessung vorgesehen, wenn ja, wo finde ich diese? Ich habe mir
> in deinem Code schon einen Wolf gesucht. Evtl. wäre das auch eine Option
> für das Makefile?!?
>
> Btw. Manche Mega8/88 scheinen an den Eingängen (Probs)unterschiedlich zu
> messen, wärend mein einziges M8 Exemplar an jedem Prob korrekt mißt.

Halle Michael,
komme erst jetzt dazu, Dir zu antworten.
Zunächst ist mal interressant, welche Software-Version Du verwendest.
Die Fehlmessung mit einem 1MOhm Widerstand wundert mich allerdings. Hier 
müßten die Meßspannungen nicht im AUTOSCALE_ADC Bereich liegen, wie man 
in der Abb. 4.13 der PDF-Doku sehen kann. Schwierigkeiten könnten da 
eher bei anderen Widerstandswerten auftreten. Die Widerstandsmessung 
wird nicht kalibriert. Es werden lediglich die Innenwiderstandswerte der 
Pin Output-Schalter berücksichtigt. Die dürften aber bei 1MOhm keine 
Rolle spielen.
Die REF_KORR Option ist eher nicht geeignet um Kondensator-Meßfehler bei 
so kleinen Werten wie 100pF zu korrigieren. Das wird im Programm durch 
eine derzeit feste (aber Taktfrequenz abhängige) Konstante gemacht, die 
vom Zeitzähler abgezogen wird. Die ist natürlich Aufbau abhängig.
Mit einem ATmega88 habe ich lange Zeit nicht mehr getestet, nur mit 
Mega8L, Mega168 und Mega328.

Für jetzt mache ich Mal Schluss und werde nach dem Schlafen mal 
weitersehen.
Es wäre nett, wenn Du die fehlerhaften Meßergebnisse, Prozessor und 
Software-Version mit angibst.

Bei meiner letzten PDF-Doku hat der Fehlerteufel gleich zweimal 
zugeschlagen:
Zum einen ist beim Schaltbild PD6 und PD7 vertauscht, wie ein 
aufmerksamer Leser bereits festgestellt hat.
Den korrigierten habe ich als Anhang beigefügt.
Zum anderen fehlt die Tabelle mit den Meßergebnissen des Selbsttests.

Läuft der Selbsttest eigentlich bei Deinen Prozessoren?
Der ist eigentlich ein gutes Mittel, um Referenzspannung und 
Port-Innenwiderstände zu prüfen.

Grüße
Karl-Heinz

von Dirk W. (psychodirk)


Lesenswert?

Wer noch Stromfressende Displays liegen hat, kann auch in die Bohrungen 
für den TO-92 7805 Silberdraht löten und dann einen TO-220 7805 anlöten. 
Am besten noch den Draht isolieren um Kurzschlüsse zu vermeiden.

Dirk

von Michael L. (michaelx)


Angehängte Dateien:

Lesenswert?

Meine (SMD-)Test-Adapter habe ich, ebenso wie das Testkabel, 
austauschbar gestaltet.

Im Gehäuse sind dazu 4 Kontakte (wegen der Stabilität) aus 
Präzisionsfassungen eingelassen. Auf dem Bild fehlen die noch (unterhalb 
des Displays, habe aber grad kein aktuelles Foto), und in den Adaptern 
sind die passenden Gegenstücke eingelötet. Auf dem oberen Adapter habe 
ich zur Sicherheit verschiedene SMD-Packages eingebaut, um flexibel zu 
sein. Der untere Adapter ist mit Teilen von IC-Sockeln bestückt, so dass 
sich bedrahtete Bauteile auch recht leicht kontaktieren lassen.
Die Bauteile (SMD/TH) werden einfach leicht auf/in den Adapter gedrückt 
- Taster drücken und fertig.

Wenn Interesse besteht, mache ich gern noch ein paar Bilder.

Grüße. Michael

von Karl-Heinz K. (kubi48)


Angehängte Dateien:

Lesenswert?

Hallo TransistorTester Freunde,
Hallo friends of the Transistor Tester,

there is a bug in the PDB-Dokumentation of revision 0.96k!
The output pin PD6 and input pin PD7 is confused with each other.
The new doku should be right. Ther is no change of input or output
with the PD6 / PD7 of first circuit of Markus Frejek.
Additionally I habe added the tables for measurement results of
the selftest of ATmega8 and ATmega168.

I bag your pardon for my mistake.

Hier ist die fehlerbereinigte und ergänzte Doku für Version 0.96k .

Entschuldigung für meinen Fehler!

Grüße
Karl-Heinz

von Karl-Heinz K. (kubi48)


Lesenswert?

Peter W. schrieb:
> @Karl-Heinz Kübbeler
>
> Was mir noch eingefallen ist. Hast Du eigentlich mal mit hoeheren
> Quarzen experimentiert ? 16, 20 oder noch drueber ? Einige ATmega8
> liefen bei mir schon mit 30MHz.
> Zumindest an die 20MHz wuerde ich mal gehen, weil da sind wir ja noch im
> Grundton und das schafft der Atmega8 und Konsorten auch leicht. Grosse
> Kapazitaeten (>100µF) sind fuer mich uninteressant, die kann man auch so
> ganz gut nachsehen. Die Kleinen, im pF Bereich, aber schon eher und
> genau das scheint der AVR und das Programm ja prima zu meistern.

Hallo Peter,
ich habe bisher keine Experimente gemacht. Als mega8 benutze ich die 
mega8-L Version, die geht nur bis 8MHz, als mega88 habe ich die 
ATmega88V-10PU, die käme auch nicht in Frage. Der einzige eigene 
Prozessor wäre der mega168-20 oder der mega328P-PU, der für einen Test 
in Frage kämen. Da ich derzeit auch nur ein Board besitze, muß ich die 
Prozessoren immer umstecken. Wenn ich die neuen Boards besitze, kann ich 
bei einem den Quarz in Sockelstifte setzen, damit ich den später 
austauschen kann.
Ich glaube auch nicht, das sich die Auflösung der Kondensatormessung 
deutlich verbessern läßt. Und an eine Genauigkeitssteigerung glaube ich 
auch nicht. Die Meßgeschwindigkeit ändert sich ja kaum, da hier feste 
Wartezeiten im Programm vorgesehen sind und der Takt für den ADC sowieso 
auf 125KHz heruntergeteilt wird. Hier könnte man mal probieren, ob die 
Meßwerte leiden, wenn die ADC-Clock auf 250KHz heraufgesetzt wird. Bis 
200 KHz soll der ADC nach Herstellerangaben die volle Qualität haben.
Um die Messgenauigkeit im unteren Bereich abzugleichen, kann man die
C-Preprozessor Variable C_NULL für seinen Prozessortyp verändern.
Die Variable wird für jeden Prozessortyp in der Datei config.h gesetzt.
Beispiel für ATmega8: #define C_NULL (((46 * F_CPU) / 10000000)+4)
Zum Abgleich bin ich folgendermaßen vorgegangen:
Ich habe zwei gleiche Kondensatoren mit möglichst gleicher Kapazität 
genommen, z.B. 220pF. Die habe ich beide einzeln mit dem Tester gemessen 
und danach in Serie geschaltet gemessen. Jetzt müsste sich der 
Anzeigewert halbieren.
Wird jetzt aber zu viel angezeigt, muss der C_NULL Wert weiter erhöht 
werden. C_NULL hat nicht die Dimension pF, sondern ist die 
Zeitzähler-Auflösung. Deshalb ist der Wert auch im Wesentlichen 
Taktfrequenz abhängig (Multipliktion mit F_CPU).

Während ich die Überprüfung der Genauigkeit der Widerstandsmessung 
präzise Meßwiderstände (0.1%) genommen habe, gibt es meines Wissens 
keine Meßkondensatoren. Ich habe bisher die Vergleichswerte für die 
Fehlerangabe von einem Peaktech 3315 Multimeter genommen. Beim nächsten 
Mal werde ich mit dem Peaktech 2170 LCR-Meter die Vergleichswerte 
ermitteln.

Grüße
Karl-Heinz

P.S.  Nätürlich muß nach Veränderung des C_NULL Wertes das Programm 
übersetzt werden und das neue Programm in den ATmega geladen werden!
Z.B. mit make upload

von Thilo (Gast)


Lesenswert?

Hat schonmal wer geschaut was die ganzen Komponenten vom BOM kosten?

von B.A. (Gast)


Lesenswert?

@ Thilo

ATmega8A   (77cent wenn man bei eBay 10 Stk. kauft)
ATmega8-16 (99cent wenn man bei eBay 10 Stk. kauft)
LCD (2.20 Euro blau 16x2 bei eBay)
Quarz 8MHz (15cent bei Pollin im 10er Pack)
Klemm-Prüfspitze 55cent/80cent bei Pollin

+ Hünerfutter (ein paar cent)
+ Spannungsversorgung (LiIon-Akku + 5V StepUp + Tiefpassfilter)

Je nach dem ob du es genau so machst und wo du die Teile kaufst.

Meine Kosten beliefen sich auf ca. 7 Euro incl. Gehäuse.

von Peter ⛄ W. (Firma: Huddel und Brassel Ltd.) (jaffel) Benutzerseite


Lesenswert?

B.A. schrieb:
> Meine Kosten beliefen sich auf ca. 7 Euro incl. Gehäuse.

Und 50.- Porto.

Karl-Heinz Kübbeler schrieb:
> Als mega8 benutze ich die mega8-L Version, die geht nur bis 8MHz

Musst du nicht so eng sehen. Bei den AVRs steht das L eigentlich nur zur 
Zierde da.
Eigentlich alle die ich bisher verbaut habe, liefen sowohl mit der 
Spannung als auch mit dem Frequenzbereich der anderen Typen.
Auch der L laeuft mit 16MHz, genauso wie der ohne L auch mit 2,7V 
laeuft. Sind schon ziemlich gutmuetige Kerlchen.

von Dirk W. (psychodirk)


Lesenswert?

Part-2 und 3 verzögeren sich ein wenig.

Probs im Krankenhaus... PB

Gesundheit geht und steht über alles.

Info per mail vom PB.

Dirk

von Asko B. (dg2brs)


Angehängte Dateien:

Lesenswert?

@ alle

Ich habe heute eine Leiterplatte zugeschickt bekommen.
Man ist natuerlich erst mal hin und weg wenn man sein eigenes
"Machwerk" als kommerzielle ausfuehrung in der Hand haelt.
Wie schon in einem vorigen Beitrag bemaengelt, ist
die Bauelementeseite nicht mit einem ganzflaechigen Massepatential
versehen. Ich find es trotzdem erst mal gut.... ;-)
Aaaaaber jetzt kommts....
Das "Outline" , also der Platinenumriss ist beidseitig als
Leiterbahn dargestellt, und bildet einen Kurzschluss der Messpins !!!!
Also unbedingt kontrollieren und notfalls freikratzen oder dremeln !
Ansonsten bin ich ueber die qualitaet angenehm ueberrascht.
Ich trau mich fast nicht die Platine zu "zerloeten".

Fuer alle Nachbauer... Das Layout ist fuer einen MCP1702-5002 als
Spannungsregler gemacht. Ein blinder Ersatz durch 7805 oder 78L05
fuehrt letztendlich zum Bauelementetod.

Dagegen ist es egal ob ein LM4040 oder ein LM336 eingesetzt wird.
Der 336 ist besser, wird aber in der vorhandenen Beschaltung nur
als "standard" benutzt. Also keine Einstellbarkeit, und keine
Temperaturkompensation. Dafuer ist das Layout pingleich fuer beide 
Typen.

Jetzt werd ich mal meinen Loetkolben anwerfen und die schoene
Platine mit meinen Loetkuensten verunzieren.

Gruss Asko.

PS. Danke Dirk

von Dirk W. (psychodirk)


Lesenswert?

Toll, das die Post es doch noch auf die Reihe bekommt.

Je nach Schnitt, ist es Oben/Unten unterschiedlich.

Also bitte einmal "luschern".

Eagle bietet Umriß und Rand zum schneiden an.
Da habe ich etwas gepennt. Bzw. Target-Datei mailen. Da ist es nicht!
(Platinen-Umriss) ausblenden.

Nun ist es so.. Versuche noch die Anderen Platinen ohne Platinen-Umriss 
zu bekommen.

Wenn nicht, werde ich es vor Ort richten.

Aber Platinen einfach TOP.

Mein Teil funktioniert perfekt.... Mega 168

So Auto ist fertig gepackt...   bis Montag ca. 22:00

Schönes WochenEnde und viel Spaß mit dem Teil... wenn es ankommt..
weiteres im Markt.

Dirk

von Hans H. (hans_h)


Angehängte Dateien:

Lesenswert?

Heute angekommen, aufgebaut und funktioniert. Herzlichen Dank an
Karl-Heinz Kübbeler, Asko und Dirk.

Die Platine ist klasse geworden. Die Leiterbahnen an den Messpins musste
ich allerdings auch von Hand trennen. War aber unproblematisch.

Die Löcher für den Poti sind etwas klein, und die Spannungsversorgung
war etwas ungünstig platziert, und die Bohrungen dafür etwas weit
auseinander. Alles keine großen Sachen...

von Asko B. (dg2brs)


Angehängte Dateien:

Lesenswert?

Hallo
... an alle die von Dirk eine Leiterplatte haben.

Ich war viel zu schnell beim Aufbau.
Wegen der doch recht guten Qualitaet bin ich von
einer durchkontaktierten Leiterplatte ausgegangen.
Leider war das in meinem Fall nicht so.
Display per Stiftleiste angeloetet, und nix funktionierte.
Wie bereits geschrieben, ich war zu schnell.
Ich hatte nix kontrolliert, sondern Bauelemente
"raufgenagelt" und eingeschaltet. Ergebnis = 0
Also musste ich das Display wieder trennen. Die
Leiterplatte hat nun ein wenig gelitten.

Die Bauteile sollten also unbedingt von beiden
Seiten angeloetet werden, wenn es auf der Bauelementseite
dazu Leiterbahnen gibt. So war es von mir ja (fuer mich)
ja auch erst angedacht da ich ja selbst keine
DKL-Platinen anfertigen kann.
Relevant ist das fuer die ISP-Schnittstelle.
Und fuer Testpins, LED und Taster wie bei meiner
Ausfuehrung. Ich hab das als Kompaktgeraet aufgebaut.
Siehe Bilder im Anhang. Und die beiden Via´s neben
dem ISP-Stecker nicht vergessen.

Hans kann ja mal kontrollieren ob sein ISP-Anschluss
funktioniert. Wenn ich mir sein Bild ansehe duerfte
das nicht der Fall sein.

Bei der Kompaktversion sind also erst Stifte auf die
Leiterplatte zu loeten, dann Display aufstecken/auffaedeln
und nach befestigen mit Schrauben (M2,5) zu verloeten.
Dazu eignen sich die abgeschnittenen Drahtenden der
Widerstande, die sind sowieso uebrig.

Trotzdem, oder jetzt erst recht, viel Spass beim
aufbauen.

Gruss Asko.

von Ingolf O. (headshotzombie)


Lesenswert?

Aha, da hat jemand BE's aus Altbeständen der DDR-Produktion verbaut...

von Asko B. (dg2brs)


Lesenswert?

Hi Ingolf

...und die funktionieren sogar in einer West-Schaltung...

Gruss Asko.

von Markus (Gast)


Lesenswert?

Öhm,

was sind BEs?

von Simon K. (simon) Benutzerseite


Lesenswert?

Bauelemente

von Hans H. (hans_h)


Lesenswert?

Asko B. schrieb:
> Hans kann ja mal kontrollieren ob sein ISP-Anschluss
> funktioniert. Wenn ich mir sein Bild ansehe duerfte
> das nicht der Fall sein.

Ähm, ja. ISP geht nicht. Da ich den µC extern programmiert habe, ist mir 
das nicht aufgefallen. Alles andere scheint aber zu funktionieren. 
Zugegeben, die LED erschien mir ebenfalls etwas dunkel. Trotz allem, der 
Selbsttest läuft durch, und die gemessenen Werte erscheinen realistisch.

von Ingolf O. (headshotzombie)


Lesenswert?

Asko B. schrieb:
> ...und die funktionieren sogar in einer West-Schaltung...

Habe ich auch schon häufig unter Beweis gestellt und gemessen am noch 
vorhandenen Reservoir wird das so auch noch eine Weile anhalten! ;-)

von Asko B. (dg2brs)


Lesenswert?

Hallo Ingolf

Meine Bestaende reichen sicher ueber meine
Lebenszeit hinaus. Falls ich nicht auf den Trichter
komme die Sachen kommerziell zu vermarkten (Serie).

Hallo Hans

Das deine LED so dunkel ist, ist voellig normal.
Die LED diehnt nur als "Spannungsanfall" (also Eimer
daneben stellen..hi)
Ich habe als Spannungsteiler des pnp-Transistors
statt 33K Ohm/27K Ohm ebend 3,3k/2,7k und dazu
eine Low-Current-LED. NUR dann leuchtet die LED deutlich sichtbar.

Ich hab dann auch versucht die neueste Firmware (096k) zu
flashen. Mit "Eigenspannungsversorgung" geht das nicht.
Weil bei RESET die Selbsthalteschaltung abgeschaltet wird.
Also 9-Volt-Block abziehen und Programmer auf
"Spannungsversorgung Target" stellen. Dann gehts.
Bei meinem DIAMEX ALLAVR zeigte dann das Display 4,6V an.
Bei Displays mit mehr als 20mA Stromverbrauch fuer
die Hintergrundbeleuchtung sollte man jedoch damit
vorsichtig umgehen. Mein ALL-AVR ISP mkII kann nur
50mA "abgeben". Das passte also gerade so.

Gruss Asko.

von Bussard (Gast)


Lesenswert?

BE = BauElement(e)

von Asko B. (dg2brs)


Angehängte Dateien:

Lesenswert?

Hallo

Ich bin´s nochmal ...

Weil jetzt wieder etwas schwung in den Tread gekommen ist
habe ich mal meine Schmierblaetter abgetippt.
Das bezieht sich auf Eigenstrombedarf und Ausgangsspannung
verschiedener 5-Volt Regler.
Vielleicht interessiert das den einen oder anderen.
Dazu das angehaengte Text-File.

Karl-Heinz

Benutzt die Version 096k schon die externe
Praezisionsspannungsquelle ?

Gruss Asko.

von Karl-Heinz K. (kubi48)


Lesenswert?

Asko B. schrieb:
> Karl-Heinz
>
> Benutzt die Version 096k schon die externe
> Praezisionsspannungsquelle ?
>
> Gruss Asko.

Hallo Asko,
nein, das ist für zukünftige Versionen vorgesehen.
Werde die Versuche starten, wenn ich die neue Platine habe.
Ich will versuchen, das ohne neue Option zu implementieren.
Das Vorhandensein der Spannungsquelle will ich beim Einschalten 
automatisch festzustellen.
Die Spannungsquelle bringt aber ohnehin nur für die Kondensatormessung 
Vorteile (wenn überhaupt?).
Grüße
Karl-Heinz

von Dirk W. (psychodirk)


Lesenswert?

Hallo,

bin zurück von einem ruhigen Angelwochenende ohne Web/Tel. Anbindung.
Das geht wirklich...
Einfach mal Ruhe, da jetzt wieder die Kieler-Woche-Vorbereitungen 
anlaufen. (12-18 Stunden Tage nicht ausgeschlossen)!

Hatte dem PB (Platinen-Belichter) gemehlt, den Platinenrand 
auszublenden.

Wer es nicht kennt, ohne Durchkontaktierung ---> Flußmittel mit Rakel 
auf beiden Seiten und das Lötzinn inkl. Pads/Lötpunkte macht diese 
Platine zur einer fast unlöslichen Verbindung.

Display, kann man auch anders lösen: Buchsenleite auf Platine, 
Platinenverbinder  (sind Stiftleisten in unterschiedlichern Höhen) auf 
Display löten, und einfach stecken.

Dann kann man das Display immer wieder entfernen, oder auch auf die 
Rückseite stecken. Buchsenleiste Top oder Bottom!!!

Ich hoffe, das der Rest der Gemeinde auch die Platinen bekommen hat.

Part-2 geht noch als Polster `raus, da ich alles fertig habe inkl. 
Briefmarken.

Part-3 und 4 kommen als Brief damit es schneller geht.

Warten wir es ab.

So, werde die Kontoeingänge prüfen und dann morgen mailen, was noch frei 
ist.


LG
Dirk

von Andreas (Gast)


Lesenswert?

Hallo
ich würde das Projekt sehr gerne nachbauen da ich leider erst vor
einigen Monaten mit assembler angefangen habe fällt mir das ganze sehr
schwer und ich würde gerne auch etwas daraus lernen, auch der Schaltplan
ist für mich sehr schwer nachzuvollziehen da ich noch nie mit dem
ATMega8 gearbeitet habe. Gibt es nicht eine etwas leichtere Variante 
(abgespeckte Version) wo nur eine Auto Erkennung von NPN und 
PNP-Transistoren  und der Ermittlung des Verstärkungsfaktors und der 
Basis-Emitter-Durchlassspannung beiTransistoren.
Um schnelle hilfe würde ich mich sehr freuen

von Karol B. (johnpatcher)


Lesenswert?

Hi,

Andreas schrieb:
> auch der Schaltplan
> ist für mich sehr schwer nachzuvollziehen da ich noch nie mit dem
> ATMega8 gearbeitet habe.

wo genau hast du denn Probleme beim Verständnis? Welchen Schaltplan bzw. 
welche Beschreibung hast du dir denn angesehen? Die PDF von Karl-Heinz 
ist mittlerweile auf Englisch gehalten, vielleicht bereitet dir das 
Schwierigkeiten? Das ursprüngliche Projekte war deutsch, genauso wie der 
dazugehörige Wiki-Eintrag 
(http://www.mikrocontroller.net/articles/AVR-Transistortester).

Der Schaltplan ist ja im Prinzip auch völlig unabhängig vom verwendeten 
Mikrocontroller zu verstehen. Du kannst auch vorerst die 
"Abschalt-Automatik" außen vorlassen. Dann ist da eigentlich nicht mehr 
viel, was man nicht verstehen könnte ;).

Eine Beschreibung der Logik, wie der Tester vorgeht, findest du sowohl 
auf deutsch (im ursprünglichen Beitrag, s.o.), als auch in der von 
Karl-Heinz bereit gestellten PDF auf Englisch. Die dahintersteckende 
Idee ist eigentlich ganz einfach.

Der dazugehörige Quellcode ist mittlerweile vielleicht nicht mehr ganz 
so einfach zu verstehen. Vor allem, wenn du sonst nur mit Assembler zu 
tun hattest. Sofern du den Quellcode also verstehen willst, wirst du 
nicht drum herum kommen, dich mit C auseinander zu setzen.

Andreas schrieb:
> Gibt es nicht eine etwas leichtere Variante
> (abgespeckte Version)

Eine abgespeckte Version ist mir nicht bekannt. Du könntest dir 
höchstens die ersten Versionen des ursprünglichen Projekts ansehen. 
Diese konnten bei Weitem noch nicht soviele Bauteile erkennen wie 
aktuelle Versionen (von Karl-Heinz).

Ansonsten steht es dir natürlich frei, selber eine (abgespeckte) Version 
zu implementieren ;).

von Unlucky2012 (Gast)


Lesenswert?

Kurze Zwischenfrage: Da meine Platine wohl auch demnächst eintreffen 
dürfte, bin ich auf der Suche nach einer aktuellen Komponenten-Liste. 
Der oben aufgefährte Reichelt-Warenkorb existiert leider nicht mehr.

Da das Ganze auch nicht mehr ganz aktuell ist, habe ich den Überblick 
ein wenig verloren. Gerade was die Spannungsversorgung angeht, gibt es 
da wohl mehrere Meinungen.

Asko B. schrieb:
> Weil hier Fragen bezueglich der Bauelemente aufkamen
> habe ich mal eine Liste mit den Bestellnummern gemacht.

Inwiefern ist diese Liste, welche Asko B. oben angehängt hat, noch 
aktuell bzw. mit der bestellten Platine kompatibel? Müssen irgendwelche 
Änderungen vorgenommen werden?

von Laba X. (xiaolaba)


Lesenswert?

Karl-Heinz Kübbeler schrieb:
> Hallo Transistortester Freunde,
> Hallo friends of the Transistor Tester,
>
> the new version of my software is ready.
> This time there are only little changes (bug fix).
> The Battery voltage measurement has been improved and with the option
> BAT_OUT=600 you can add an offset to the LCD output, if you have
> installed a diode to preserve the tester against wrong polarity. The
> Option BAT_LOW_DROP changes the warning and the poor level of battery
> voltage to 6.3V and 5.3V.
> The PUD signal is addressed right for the ATmega8 processor.
> The text output of Selftest number 2 and 3 has been changed.
> Since the changes are little by comparison to prior steps, I did no
> full check with all standard parts.
> Last but not least the PDF Dokumentation is organized completely new.
> Documentation is now written with pdftex and includes a hardware
> chapter. This part was most work for this release. I hope that I will
> have more time for further developement of the next release.
>
>
> Ich hoffe, das auch die deutschen Nutzer kein Problem mit den
> englischen Texten und vor allen Dingen mit meiner Software haben.
> Falls Fehler in meiner Doku gefunden werden, bitte an meine Email
> Adresse melden, das muß nicht in den Thread. Fehler und Besonderheiten
> der Software gehören aber in den Thread, da das auch andere
> interessiert!
>
> Grüße
> Karl-Heinz


Hello Karl,

I am not either native German or the speaker.

English of heavily commented AVR source code is excellent for me, that 
is TransistorTester096k.zip

I was able to follow the links and access to your very active workdone 
here, would you please advise what is circuit diagram could be used to 
complete this project, thanks.

von Hans H. (hans_h)


Lesenswert?

Unlucky2012 schrieb:
> Inwiefern ist diese Liste, welche Asko B. oben angehängt hat, noch
> aktuell bzw. mit der bestellten Platine kompatibel? Müssen irgendwelche
> Änderungen vorgenommen werden?

Habe mich an dieser Liste orientiert, sie ist aktuell. Einzig die LED 
sollte durch eine Low-Current-LED ersetzt werden, wenn es etwas mehr 
leuchten soll. Buchsenleisten oder Stiftleisten muss man je nach Bedarf 
ergänzen.

von Unlucky2012 (Gast)


Lesenswert?

Hans H. schrieb:
> Einzig die LED
> sollte durch eine Low-Current-LED ersetzt werden

Die LED ist ja eh nicht zum Leuchten gedacht. Wollte diese daher 
eigentlich, so wie im ursprügnlichen Artikel beschrieben, durch zwei 
Dioden ersetzen. Ist das noch möglich? Ich kann mich dran erinnern, dass 
es da mal Schwierigkeiten gab?

Hans H. schrieb:
> Buchsenleisten oder Stiftleisten muss man je nach Bedarf
> ergänzen.
Danke für den Hinweis ;).

von Dirk W. (psychodirk)


Lesenswert?

Moin,

Platinen heute angekommen.
So wie es ich es sehe, hat der PlatinenBelichter den Kurzschluss an den 
Messpunkten netterweise behoben... Danke.
Aber totzdem nachschauen.

Part-2 ist um 18:30 in der Hauptpost Kiel als Warensendung aufgegeben 
wurden.

Auf Frage am Schalter, wie lange es dauert bis zur Zustellung, sagte das 
Mädel: sollten Samstag alle zugestellt sein!!!

Na, da bin ich gespannt.

Part-3 geht vermutlich am 24.05.2012 auf Reise. Muß mal schauen wie ich 
es beruflich schaffe. Werde auch stabile Briefumschläge besorgen müssen.

LG
Dirk

von Hans H. (hans_h)


Lesenswert?

Unlucky2012 schrieb:
> Hans H. schrieb:
>> Einzig die LED
>> sollte durch eine Low-Current-LED ersetzt werden
>
> Die LED ist ja eh nicht zum Leuchten gedacht. Wollte diese daher
> eigentlich, so wie im ursprügnlichen Artikel beschrieben, durch zwei
> Dioden ersetzen. Ist das noch möglich? Ich kann mich dran erinnern, dass
> es da mal Schwierigkeiten gab?
>
> Hans H. schrieb:
>> Buchsenleisten oder Stiftleisten muss man je nach Bedarf
>> ergänzen.
> Danke für den Hinweis ;).

Achso, falls man nicht selbst compilieren will, sollte man für die 
aktuelle Firmware-Version einen ATmega8 nehmen.

Das mit den Dioden kann ich nicht beantworten.

von Asko B. (dg2brs)


Angehängte Dateien:

Lesenswert?

Hallo

Hier erst mal nochmals der Bestueckungsplan im
Anhang. Also mit der alten Bauelementeliste vergleichen.
Oder letztes Bild "Bauelementeseite" ansehen.

Bis nachher, Asko.

von Jörn P. (jonnyp)


Lesenswert?

Dss ewige Gerangel um die Led geht mir langsam auf die Eier. Etliche 
Erklärungen, das es nicht um das Leuchten geht und aber immer noch 
Fragen.
Hier also noch eine Erklärung von mir:
Wenn der µC nach dem Einschalten also mit SAft versorgt ist, legt er PD6 
auf hi und schaltet damit den Transistor T2 (bei mir) ein. Dmit wird die 
Basis des BD140 auf gnd gelegt und die Schaltung "hält sich selbst". Um 
einen neuen Zyclus mit dem Taster zu starten braucht der NPN hinter dem 
Taster an seiner Basis mindestens 0,6 V. Die hat er aber nicht, weil der 
Kollektor des durchgeschalteten T2 nur ca 0,2 V hat. Was also tun?? Man 
muß den Schalter also "hochlegen" und genau das tut die LED durch ihre 
Flußspannung. Je nach FArbe erhebt sie die 0,2V des Kollektors um ca. 
1,6 bis 2,5V, was dann langt um über den Taster einen neuen Test zu 
starten. Genial einfach ;-)
Man kann also auch ein paar einfache Dioden nehmen.

von Karl-Heinz K. (kubi48)


Lesenswert?

laba xiao schrieb:
> Hello Karl,
>
> I am not either native German or the speaker.
>
> English of heavily commented AVR source code is excellent for me, that
> is TransistorTester096k.zip
>
> I was able to follow the links and access to your very active workdone
> here, would you please advise what is circuit diagram could be used to
> complete this project, thanks.

Hello,

if you wish to build the layout of the printed board yourself, you can
use the principal circuit of my PDF documentation file TTester_096k.pdf 
from 14. May 2012. not the first release from 13. May, which have the 
error of a PD6 / PD7 mismatch. The 8 MHz crystal is only needed for more 
stable capacitor measurement. All transistors are only needed for 
automatic power off function. If you don't need this function, the start 
push button can also switch the PD7 input to GND directly. You can also 
use the TLE4267 as switchable regulator, but there is no tested circuit.
The resistors connected to PC5 are used for battery voltage check only. 
This function can be deselected by a Makefile option.
The parts connected to PC4 are currently not used by the software, but 
will be used by future releases (but not required).
Resistors R1 to R6 should have the values 680 Ohm and 470kOhm.
It is possible to use other values, but you must modify the program 
source for this.
Required parts for measurement are the microcontroller (ATmega8 or 
ATmega168), 100nF capacitors at VCC and AVCC, the Resistor at RESET and 
PD7 connected to VCC, the resistors R1 to R6 and the start button .
The LCD display needs a correct CONTRL signal for contrast adjustment 
and a resistor for background LED.
The VCC and AVCC should be connected to a stable +5V signal, a inductor 
for AVCC is not needed, because there is no switching of digital ports 
during the ADC measurement. For best results of resistor measurements 
the resistors R1 to R6 should have measurement tolerance (0.1%).

Karl-Heinz

von Laba X. (xiaolaba)


Lesenswert?

Karl-Heinz Kübbeler schrieb:
> laba xiao schrieb:
>> Hello Karl,
>>
>> I am not either native German or the speaker.
>>
>> English of heavily commented AVR source code is excellent for me, that
>> is TransistorTester096k.zip
>>
>> I was able to follow the links and access to your very active workdone
>> here, would you please advise what is circuit diagram could be used to
>> complete this project, thanks.
>
> Hello,
>
> if you wish to build the layout of the printed board yourself, you can
> use the principal circuit of my PDF documentation file TTester_096k.pdf
> from 14. May 2012. not the first release from 13. May, which have the
> error of a PD6 / PD7 mismatch. The 8 MHz crystal is only needed for more
> stable capacitor measurement. All transistors are only needed for
> automatic power off function. If you don't need this function, the start
> push button can also switch the PD7 input to GND directly. You can also
> use the TLE4267 as switchable regulator, but there is no tested circuit.
> The resistors connected to PC5 are used for battery voltage check only.
> This function can be deselected by a Makefile option.
> The parts connected to PC4 are currently not used by the software, but
> will be used by future releases (but not required).
> Resistors R1 to R6 should have the values 680 Ohm and 470kOhm.
> It is possible to use other values, but you must modify the program
> source for this.
> Required parts for measurement are the microcontroller (ATmega8 or
> ATmega168), 100nF capacitors at VCC and AVCC, the Resistor at RESET and
> PD7 connected to VCC, the resistors R1 to R6 and the start button .
> The LCD display needs a correct CONTRL signal for contrast adjustment
> and a resistor for background LED.
> The VCC and AVCC should be connected to a stable +5V signal, a inductor
> for AVCC is not needed, because there is no switching of digital ports
> during the ADC measurement. For best results of resistor measurements
> the resistors R1 to R6 should have measurement tolerance (0.1%).
>
> Karl-Heinz


Hello Karl,

thank you so much about your prompt reply.

We have local hobbyist who would like to replicate this project in 
Taiwan, it is very helpful that english comment are provided.

I would like to post our project reproduction & progress via wordpress 
blog some day later, and want to mirror your source code also, it is 
going to help local hobbyist easy to follow. The reason for that because 
reading to this forum by on-line translation service, it is vital but 
still a bit difficulty for those who are not native German or speaking.

Of course, without your permission we will not mirroring your source 
code anywhere. Anyway, we are happy to provide link to this post for 
some local hobbyist.

von Hardy F. (hardyf)


Lesenswert?

Warten wir mal ab,
bis es einen neuen Universaltester Made in China auf dem Markt gibt...

Danke Karl-Heinz, das ich mir den dann nicht mehr kaufen muss.

von Ingolf O. (headshotzombie)


Lesenswert?

Tja, unser KH wird noch ein ganz Berühmter... ;-)

von Dirk W. (psychodirk)


Lesenswert?

Platinenbestellung:

Part-3 ist als Brief auf Reise.
Bitte Feedback per PM.

Gruß
Dirk

von MeinerEiner (Gast)


Lesenswert?

Du kapierst das wirklich nie.

von Hardy F. (hardyf)


Lesenswert?

MeinerEiner schrieb:
> Du kapierst das wirklich nie.

Deine konstruktiven Beiträge zu diesem Projekt sind außerordentlich 
wertvoll.

Wir danken dir und wünschen dir eine gute Reise - fort von hier.

von Karol B. (johnpatcher)


Lesenswert?

Hi,

könnte eigentlich jemand, der die Platine hat, kurz die Ausmaße 
durchsagen? Ich bin gerade auf der Suche nach einem passenden Gehäuse 
und die Platine ist leider noch nicht eingetroffen :(.

Vielen Dank!

von Ingolf O. (headshotzombie)


Lesenswert?

ca. 85x45mm

von Asko B. (dg2brs)


Lesenswert?

Hallo Karol

Die Platinenmasse sind real 46 x 85 mm.
Wenn Du nun den Transistortester so kompakt
wie auf den letzten Bildern aufbaust, wird
das ganze 25 mm hoch.

Gruss Asko.

von Asko B. (dg2brs)


Angehängte Dateien:

Lesenswert?

Hallo

Unlucky2012 schrieb:
> Kurze Zwischenfrage: Da meine Platine wohl auch demnächst eintreffen
> dürfte, bin ich auf der Suche nach einer aktuellen Komponenten-Liste.
> Der oben aufgefährte Reichelt-Warenkorb existiert leider nicht mehr.
>
> Da das Ganze auch nicht mehr ganz aktuell ist, habe ich den Überblick
> ein wenig verloren. Gerade was die Spannungsversorgung angeht, gibt es
> da wohl mehrere Meinungen.
>
> Asko B. schrieb:
>> Weil hier Fragen bezueglich der Bauelemente aufkamen
>> habe ich mal eine Liste mit den Bestellnummern gemacht.
>
> Inwiefern ist diese Liste, welche Asko B. oben angehängt hat, noch
> aktuell bzw. mit der bestellten Platine kompatibel? Müssen irgendwelche
> Änderungen vorgenommen werden?

Hier nochmal die Liste in leicht geaenderter Form.
Der Vorwiderstand fuer die Praezisonsspannungsquelle ist nun
statt 2,2k 2,7k geworden. Aber das sollte voellig egal sein.
Statt dem LM4040 ist ein LM336 in der Liste. Der hat laut
Datenblatt bessere genauigkeit und ist zudem mit 20 Cent
noch preiswerter. Zu aendern gibt es dabei nichts. Er ist
Pinkompatibel. (Adjust-Pin wird einfach nicht benutzt)
Der Spannungsteiler an der Basis vom BC557C ist jetzt
3,3k/2,7k statt vorher 33k/27k. Damit steuert der Transistor
sicherer durch. Und als LED ist jetzt eine Low-Current
in der Liste, fuer diejenigen die es leuchten sehen wollen.
Einen LM7805 als Spannungsregler einzusetzen halte ich
nicht fuer sinnvoll. Der verwendete MCP 1702-5002 kann
250mA. Das reicht dicke selbst mit Hintergrundbeleuchtung.
Mit dem Tester wird ja wohl niemand das Zimmer beleuchten wollen.

Gruss Asko.

von Laba X. (xiaolaba)


Lesenswert?

Karl-Heinz Kübbeler schrieb:
> laba xiao schrieb:
>> Hello Karl,
>>
>> I am not either native German or the speaker.
>>
>> English of heavily commented AVR source code is excellent for me, that
>> is TransistorTester096k.zip
>>
>> I was able to follow the links and access to your very active workdone
>> here, would you please advise what is circuit diagram could be used to
>> complete this project, thanks.
>
> Hello,
>
> if you wish to build the layout of the printed board yourself, you can
> use the principal circuit of my PDF documentation file TTester_096k.pdf
> from 14. May 2012. not the first release from 13. May, which have the
> error of a PD6 / PD7 mismatch. The 8 MHz crystal is only needed for more
> stable capacitor measurement. All transistors are only needed for
> automatic power off function. If you don't need this function, the start
> push button can also switch the PD7 input to GND directly. You can also
> use the TLE4267 as switchable regulator, but there is no tested circuit.
> The resistors connected to PC5 are used for battery voltage check only.
> This function can be deselected by a Makefile option.
> The parts connected to PC4 are currently not used by the software, but
> will be used by future releases (but not required).
> Resistors R1 to R6 should have the values 680 Ohm and 470kOhm.
> It is possible to use other values, but you must modify the program
> source for this.
> Required parts for measurement are the microcontroller (ATmega8 or
> ATmega168), 100nF capacitors at VCC and AVCC, the Resistor at RESET and
> PD7 connected to VCC, the resistors R1 to R6 and the start button .
> The LCD display needs a correct CONTRL signal for contrast adjustment
> and a resistor for background LED.
> The VCC and AVCC should be connected to a stable +5V signal, a inductor
> for AVCC is not needed, because there is no switching of digital ports
> during the ADC measurement. For best results of resistor measurements
> the resistors R1 to R6 should have measurement tolerance (0.1%).
>
> Karl-Heinz




Hello Karl,

I have only availabe MCU is Atmega8.

A test build for the source code 0.96k, [default] folder and the option 
of device in [makefile] is default for Atmega168, ROM code build is 
success.

In contrast, we switched the device option to m8 or m48 or m88 of which 
is means for Atmega8 and so on, build error at Linking stage as 
following, is it Flash ROM size limit? or something could be used to 
adjust to complete ROM code building if m8 is required, thanks.

----------------------
/usr/lib/gcc/avr/4.5.3/../../../avr/bin/ld: region `text' overflowed by 
262 bytes
collect2: ld returned 1 exit status
make: *** [TransistorTester.elf] Error 1
----------------------

von Karl-Heinz K. (kubi48)


Lesenswert?

laba xiao schrieb:
> Hello Karl,
>
> I have only availabe MCU is Atmega8.
>
> A test build for the source code 0.96k, [default] folder and the option
> of device in [makefile] is default for Atmega168, ROM code build is
> success.
>
> In contrast, we switched the device option to m8 or m48 or m88 of which
> is means for Atmega8 and so on, build error at Linking stage as
> following, is it Flash ROM size limit? or something could be used to
> adjust to complete ROM code building if m8 is required, thanks.
>
> ----------------------
> /usr/lib/gcc/avr/4.5.3/../../../avr/bin/ld: region `text' overflowed by
> 262 bytes
> collect2: ld returned 1 exit status
> make: *** [TransistorTester.elf] Error 1

Hallo Laba,
in the source-path are two configurations for ATmega8:
mega8_auto and mega8_selftest
You can also modify the default configuration, but if you select the 
option WITH_SELFTEST together with the option AUTOSCALE_ADC you will 
fail because you need more flash memory than available.
The mega8_auto configuration in the directory Sourcecode/mega8_auto have 
the option WITH_SELFTEST deselected.
You can modify the Makefile in this directory and call "make" (same way 
as in the default directory).
The selftest is only needed for checking the board or to get the 
internal resistor value of port output of your ATmega. Usually the 
internal resistor values are already respected by the software.

Best regards
Karl-Heinz

von Laba X. (xiaolaba)


Lesenswert?

Karl-Heinz Kübbeler schrieb:
> laba xiao schrieb:
>> Hello Karl,
>>
>> I have only availabe MCU is Atmega8.
>>
>> A test build for the source code 0.96k, [default] folder and the option
>> of device in [makefile] is default for Atmega168, ROM code build is
>> success.
>>
>> In contrast, we switched the device option to m8 or m48 or m88 of which
>> is means for Atmega8 and so on, build error at Linking stage as
>> following, is it Flash ROM size limit? or something could be used to
>> adjust to complete ROM code building if m8 is required, thanks.
>>
>> ----------------------
>> /usr/lib/gcc/avr/4.5.3/../../../avr/bin/ld: region `text' overflowed by
>> 262 bytes
>> collect2: ld returned 1 exit status
>> make: *** [TransistorTester.elf] Error 1
>
> Hallo Laba,
> in the source-path are two configurations for ATmega8:
> mega8_auto and mega8_selftest
> You can also modify the default configuration, but if you select the
> option WITH_SELFTEST together with the option AUTOSCALE_ADC you will
> fail because you need more flash memory than available.
> The mega8_auto configuration in the directory Sourcecode/mega8_auto have
> the option WITH_SELFTEST deselected.
> You can modify the Makefile in this directory and call "make" (same way
> as in the default directory).
> The selftest is only needed for checking the board or to get the
> internal resistor value of port output of your ATmega. Usually the
> internal resistor values are already respected by the software.
>
> Best regards
> Karl-Heinz



hello Karl,

this was my fault and I did not look at those sources & paths or readme 
carefully.

compilation is ok, we will flash in the chip and complete quick bread 
board soon.

von Markus (Gast)


Lesenswert?

Hallo,

auf der Wiki-Seite des Transistortesters wird auf ein SVN-Archiv 
verlinkt auf der domain "coremelt.net".
Die Links gehen nicht mehr, coremelt wurde offensichtlich von einem 
Domaingrabber übernommen, aller content ist weg. :-(

Kann jemand bitte die Links entfernen?

von Jaka (Gast)


Lesenswert?

Hi Karl,

first I have to say thank you for your effort to make this beautiful 
peace of software which is commented in English and really good 
dokumentation as well.

I was following huge thread made by Markus F. using google translator 
from German to English language when I found this thread so I've started 
to follow this one and It is really time consuming work because 
translations are in some cases really weird.
In mean time I've found out that some guys from Dangerous Prototypes 
Forum made some minor cosmetic changes on software made by Marcus F.
They have also posted Sch and Pcb in Eagle format in the same dimensions 
as standard LCD panel.

In Slovenia from where I am we have also thread about this and other so 
called Component testers on our Electrotechnics Forum where I've also 
posted link to this thread.
We also made PCBs based on Pcb file from Dangerous Prototypes.

Two days ago when I've spent few hours on this thread I've found out 
that the last version is completely in English so I've decided to try 
your software too.
For this I had to make some minor changes on PCB. I've compiled your 
sources for mega328p. And Yes I'm impressed.
Everything works except things you mentioned in your Pdf file.
Accuracy is impresive too. My personal opinion is that we don't need 
better accuracy because this is not instrument but handy tester.
I had to change only warning levels for Battery Voltages because I'm 
using 78L05 Voltage Regulator.
I've also changed your files a little bit because I've put in it 
Slovenian language.

Most of optocouplers can be tested with this tester. Depend how you 
conect diode and output transistor display shows NPN or PNP transistor 
with small amplification factor.
We need just ESR measurement and this tester will be perfect.

Exellent work!
Thank you again!

Best regards,
Jaka

von Markus (Gast)


Lesenswert?

So,

ich noch mal mit zwei Fragen:

1. Da ich nur ungern immer mittels ICSP die Software bei einem Projekt 
aktualisiere, ist ein Bootloader möglich mit dem ich aktualisierte Soft 
in den uC pumpen kann? (Der Chipboot45 soll ja ganz gut sein und 
netterweise auch umsonst, braucht aber den Hardware-UART) Somit kann ich 
ne "Updatebuchse" implementieren damit ich nicht immer das Gehäuse 
aufschrauben muss zum Flashen.

2. Was ist nun die aktuelle Version des Transistortesters, ich habe in 
dem Riesenthread keinen Überblick mehr und würde mir das ganze gerne 
Nachbauen.

.oO Jetzt noch nen Selbstbau für ein gutes LC-Meter und die Welt ist 
super in Ordnung. Oo. :D

Danke!

von Jörn P. (jonnyp)


Lesenswert?

Betreffs der Batteriespannung möchte ich hier mal einen Vorschlag zur 
Diskussion stellen: Es werden hier offensichtlich verschiedene 
Spannungsregler verwendet (warum auch nicht). Jeder dieser Regler hat 
"seine" Minimalspannung. Damit ist der Begriff "Battery low" auch 
relativ. Der Karl-Heinz macht hier einen exzellenten Job, deshalb die 
Frage an ihn und die Nachbauer, warum nicht einfach die Angabe "Battery 
= x,y Volt".
Damit wüßte jeder, wie weit die Spannung von "seinen" Reglerminimum 
entfernt ist.

von Karl-Heinz K. (kubi48)


Lesenswert?

Jörn Paschedag schrieb:
> Frage an ihn und die Nachbauer, warum nicht einfach die Angabe "Battery
> = x,y Volt".
> Damit wüßte jeder, wie weit die Spannung von "seinen" Reglerminimum
> entfernt ist.

Hallo Jörn,
Deinen Vorschlag übernehme ich für die nächste Version.
Die Option BAT_LOW_DROP wird entfallen und dafür eine BAT_POOR=xy Option 
aufgenommen, wobei der Spannungswert in cV angegeben wird. Die Angabe xy 
bedeutet dann x.y Volt Abschaltspannung, die Spannung für die 
Batterie-Warnung ist immer 1 Volt höher.

Grüße
Karl-Heinz

von Karl-Heinz K. (kubi48)


Lesenswert?

Markus schrieb:
> So,
>
> ich noch mal mit zwei Fragen:
>
> 1. Da ich nur ungern immer mittels ICSP die Software bei einem Projekt
> aktualisiere, ist ein Bootloader möglich mit dem ich aktualisierte Soft
> in den uC pumpen kann? (Der Chipboot45 soll ja ganz gut sein und
> netterweise auch umsonst, braucht aber den Hardware-UART) Somit kann ich
> ne "Updatebuchse" implementieren damit ich nicht immer das Gehäuse
> aufschrauben muss zum Flashen.
>
> 2. Was ist nun die aktuelle Version des Transistortesters, ich habe in
> dem Riesenthread keinen Überblick mehr und würde mir das ganze gerne
> Nachbauen.
>
> .oO Jetzt noch nen Selbstbau für ein gutes LC-Meter und die Welt ist
> super in Ordnung. Oo. :D
>
> Danke!

Hallo Markus,
Deinen ersten Vorschlag kann man wahrscheinlich doch nicht auf einfache 
Weise verwirklichen, da fast alle IO-Pins belegt sind. Alternativ kann 
man vielleicht den 6-Poligen ISP-Stecker per Flachband-Leitung nach 
außen legen.
Zu Deiner zweiten Frage kann ich Dir eigentlich nur Recht geben.
Leider ist der Thread sehr unübersichtlich geworden.
Ich muß mich wahrscheinlich mal um einen SVN-Zugang bemühen. Dann wird 
das hoffentlich besser.
Hier sind aber der Link zu der aktuellen Software:
Beitrag "Re: Transistortester AVR, neue Doku"

und der Link zur aktuellen Dokumentation:
Beitrag "Re: Transistortester AVR"

Die pdf-Doku im 1. Link vom 13.Mai ist leider fehlerhaft.
Die Software kann auch an den ersten Hardware-Entwurf von Markus Frejek 
angepaßt werden.

Grüße
Karl-Heinz

von Thomas S. (doschi_)


Lesenswert?

Karl-Heinz Kübbeler schrieb:
> .. Ich muß mich wahrscheinlich mal um einen SVN-Zugang bemühen.  ..

Hallo Karl-Heinz,  ein SVN-Repository kannst Du hier bekommen:
  http://www.mikrocontroller.net/articles/Hilfe:SVN
Antrag via:   http://www.mikrocontroller.net/user/show/andreas

Gruß Thomas

von Karl-Heinz K. (kubi48)


Lesenswert?

Jaka schrieb:
> I had to change only warning levels for Battery Voltages because I'm
> using 78L05 Voltage Regulator.
> I've also changed your files a little bit because I've put in it
> Slovenian language.

Hello Jaka,

the next release of software will have a option for the battery poor 
level.
So you can change the battery poor level with a Makefile option to any 
value between 5.3V and 19.0V.
If you send me the slowenian text segment, I will add the slowenian 
language as Makefile option! The textes are defined in the 
Transistortester.h and only the selected language will consume program 
space in the ATmega.
You can send me a mail to the address released with the 
pdf-dokumentation.

Best regards,
Karl-Heinz

von Markus (Gast)


Lesenswert?

Karl-Heinz Kübbeler schrieb:
> Hallo Markus,
> Deinen ersten Vorschlag kann man wahrscheinlich doch nicht auf einfache
> Weise verwirklichen, da fast alle IO-Pins belegt sind. Alternativ kann
> man vielleicht den 6-Poligen ISP-Stecker per Flachband-Leitung nach
> außen legen.

Hmm, Schade
ich Probiere mal ob ich nen paar Pins "Umschaufeln" kann. Dazu werde ich 
mir heute mal die komplette Doku reinziehen. Da ich nicht so das C-Ass 
bin hoffe ich das ich mit dem Programmcode klarkomme....

Grüße
Markus

von Markus (Gast)


Lesenswert?

Nachtrag:

Habe grade angefangen den Quelltext anzusehen, irgendwie sind da 
wirklich alle Pins "Vergeben"... Ne Möglichkeit wäre noch den Reset-Pin 
als normalen Pin zu benutzen, allerdings ist ICSP dann nicht mehr 
möglich (Wenn nen Bootloader drin ist, ist das ja dann auch ok). Leider 
fehlt dann immer noch nen Pin damit ich den zweiten Hardware-UART 
freischaufeln kann.

Laut Quellcode ist als uC auch der ATmega328 möglich, ist es vernünftig 
gleich auf diesen Umzusteigen für den Fall weiterer Programmtechnischer 
Erweiterungen? Ich möchte mir das ganze gerne als SMD aufbauen, da macht 
sich das uC Tauschen nicht so gut... :D

von Karl-Heinz K. (kubi48)


Lesenswert?

Markus schrieb:
> Laut Quellcode ist als uC auch der ATmega328 möglich, ist es vernünftig
> gleich auf diesen Umzusteigen für den Fall weiterer Programmtechnischer
> Erweiterungen? Ich möchte mir das ganze gerne als SMD aufbauen, da macht
> sich das uC Tauschen nicht so gut... :D

Hallo Markus,

bis auf die höheren Kosten sehe ich beim ATmega328 keinen Nachteil.
Die ATmega168 und ATmega328 Prozessoren benötigen für den gleichen 
Quelltext mehr Programmspeicher. Den wenigsten Programmspeicher benötigt 
der alte ATmega8. Gegen den SMD-Aufbau spricht eigentlich nur die 
fehlende Austauschmöglichkeit des Prozessors, falls man den doch mal 
z.B. mit einem nicht entladenen Kondensator zerschossen hat. Mit den von 
außen zugänglichen Mess-Ports ist der Prozessor halt mehr gefährdert als 
ein komplett in eine Schaltung integrierter Prozessor. Für die 680 Ohm 
und 470 kOhm Widerstände empfehle ich Messwiderstände mit 0.1% Toleranz. 
Da weiß ich nicht, ob es die in SMD gibt.
Außerdem ist mir nicht bekannt, ob die SMD-Versionen die gleichen 
Port-Parameter haben wie die DIP-Version. Das hier im Thread entwickelte 
Board Version 5.2.1 hat z.B. geringere Eigenkapazität wie das bisher von 
mir verwendete Entwicklungs-Board V2.1 . Die Unterschiede liegen 
manchmal in den Details.
Es kommt natürlich darauf an, für was man den Tester einsetzen will. Nur 
für die Transistorerkennung ist die hohe Genauigkeit natürlich nicht 
erforderlich.

Grüße
Karl-Heinz

von Rolle (Gast)


Lesenswert?

Hallo,

ich bin zwar nicht Markus, antworte aber trotzdem mal.
Präzisionswiderstände in SMD Habe ich gefunden bei CSD und (teilweise) 
bei ELV. Der Preis ist aber nicht wirklich schön. Ich würde in diesem 
fall lieber die "befussten" Widerstände nehmen aus Kostengründen...

von Asko B. (dg2brs)


Lesenswert?

Hallo Rolle  ... und auch andere...


Ich persoenlich habe nicht die Lust das Layout
gegen einen LM 7805 zu wechseln.
Sicherlich ... ich hab da schon eine Idee.
Aber 45 Euro-Cent fuer dieses Bauteil sollten
ja nun nicht der ausschlaggebende Teil
dieser Entwicklung sein.
Aber bei einer Platinengroesse von 46 x 85 mm
bleibt da nicht viel Spielraum.
Viel mehr lege ich persoenlichen Wert auf
"Nachbaubarkeit". Ich moechte gerne dass das
jeder auch auf dem hiemischen "Kuechentisch"
hinbekommt.
Auch eine SMD-Platine bringt meines Erachtens nicht
besonders viel.
Der ATmega328 klingt ja erst mal interessant.
Ich selber habe bei mir einen 168 eingesetzt und
dachte damit waere ich mehr als bestens bediehnt.
Da kann nur Karl-Heinz was zu sagen.
Denn in Sachen programmierung bin ich die
groesste Fehlbesetzung.
Momentan bin ich dabei die Pad´s fuer R´s und C´s
zu vergroessern. Wenn ich eine neue Platine bekomme
bin ich auch bereit ein "Kochbuch" zu schreiben
und alles bildlich zu dukumentieren.
zZ. bin ich aber beruflich in Ungarn, also koennte
sich das um 14 Tage verzoegern.

Gruss Asko.

von Christian F. (cmf) Benutzerseite


Lesenswert?

> Viel mehr lege ich persoenlichen Wert auf
> "Nachbaubarkeit". Ich moechte gerne dass das
> jeder auch auf dem hiemischen "Kuechentisch"
> hinbekommt.
Richtig!
> Auch eine SMD-Platine bringt meines Erachtens nicht
> besonders viel.
Eben.
> Denn in Sachen programmierung bin ich die
> groesste Fehlbesetzung.
:)

Ich finde auch, man sollte den Tester nicht unnötig verkomplizieren. 
Leiber etwas einfaches, funktionierendes, nachbaubares als irgendeinen 
SMD Quatsch. Kleiner würde er dadurch ja auch nicht mehr werden, da das 
Display ja so groß ist.

von Hermann (Gast)


Lesenswert?

Hallo @all,

ich habe das Projekt von Markus Frejek gebaut.
Nun finde ich diesen Treat hier und freue mich das dieses tolle Gerät 
mit viel Liebe weiterentwickelt wird :)

Meine Frage an die "Macher" :
Kann ich die neue Firmware hier auch für die Originalschaltung 
verwenden, der muss ich die Hardware komplett neu aufbauen um sie nutzen 
zu können?

bin gespannt :)

vlg

von Ingolf O. (headshotzombie)


Lesenswert?

Hallo Hermann, lese Dir doch mal den Eröffnungsbeitrag von KH genau 
durch, dort steht die Antwort auf Deine Frage doch deutlich drin!

von Hermann (Gast)


Lesenswert?

Ah, ok.
Wenn ich mir das Eröffnunsstatement hernehm

... heisst das JA :)

von Michael D. (mike0815)


Lesenswert?

hier mal mein Senf dazu:
Ich hatte meinen Tester vor einiger Zeit schon aufgebaut und dann die 
Soft vom Karl-Heinz verwendet und war begeistert.
Die Modifikation vom "Original" z.B. ohne Abschaltung(meine HW) ist kein 
Problem.
Dun kannst erstmal den internen Takt von 1MHz auf 8MHz erhöhen, das ist 
schon mal kompatibel. Evtl. müssn noch die Messwiederstände für die 
Spannungsmessung, die am Anfang angezeigt wird, angeglichen werden. Für 
die Spannungsversorgung ist ein LDO zu empfehlen, in meinem Fall ist das 
ein LM2940-5, kann dann im Makefile der letzten SW von K.H. angeglichen 
werden.
Ansonsten habe ich jetzt noch einen Quarz plus die "C's" 22pF auf die 
alte Platine direkt unter dem Mega8 gebraten, funzt wunderbar!
Ich werde aber, wenn die Zeit es erlaubt, noch eine aktuelle Platine mit 
einem Mega168 und allem drum u. dran ätzen.
Der Tester ist jeden Tag im Einsatz u. ist nicht mehr weg zu denken.
Was absolut überzeugt ist die Messung sehr kleiner Kapazitäten der 
"C's".
Zur Zeit geht's runter bis ca. 35pF. Wenn ich noch weniger messen will, 
schalte ich eine Referenz von 100pF parallel, dann ist die Auswertung 
auf das Pico genau.
Eine Idee wäre diese Referenz mit zu integrieren und bei Bedarf 
zuschalbar zu machen. Dem µC müsste man dann noch sagen, das er die 
100pF bei der Messung abziehen soll. Ich hoffe ihr könnt mir folgen. ;-)

Gruß Michael

von Karl-Heinz K. (kubi48)


Lesenswert?

Hallo Hermann,

ganz klar JA, nur nicht mit der fertig kompilierten Version.
Fertig kompilierte Versionen für den ATmega8 befinden sich in den 
Unterverzeichnissen Sourcecode/mega8_auto und Sourcecode/mega8_selftest, 
nicht im default Verzeichnis.

1.)
Wenn man den 100nF Kondensator am AREF-Pin drinläßt, muß man in der
Makefile die Option NO_AREF_CAP weglassen oder auskommentieren.
Alternativ kann man den 100nF Kondensator auch weglassen oder durch 1nF
ersetzen.
2.)
Ohne einen "pull up" Widerstand am Pin 13 (PD7) wie im 
Original-Schaltbild von Markus F. muß man auch die Option PULLUP_DISABLE 
weglassen oder auskommentieren.
Vielleicht kann man den aber auch auf der Platinen-Lötseite nachrüsten!

Auch die mega8... Unterverzeichnisse enthalten die Makefile, so daß man 
die Software-Anpassungen hier vornehmen kann.

Grüße
Karl-Heinz

von Hermann (Gast)


Lesenswert?

@ Michael

Danke für deine Infos :)

Ich habe die Schaltung mit Abschaltung und hoffe ( werd ich wohl sehen 
wenn ich den Mega8 gebrannt hab ) das auch dies keine Probleme bereitet.
Ich werde mal von 1Mhz auf die 8Mhz wechseln -> the faster..the better 
:)
und mal schauen - vielleicht rafft es mich mal und ich bau das Gerät 
auch mal neu, aber erst einmal exprimentiere ich mit dem "alten"

vlg

von Oliver R. (sourcebox)


Lesenswert?

Hallo zusammen,

ich warte aktuell noch auf einige Teile für den Tester und werde ihn 
vermutlich nächste Woche fertig aufgebaut haben.

Ein wenig ratlos bin ich noch, was die Frage eines passenden Gehäuses 
betrifft. Die meisten fertigen Gehäuse, die ich z.B. bei Reichelt finde, 
sind zu klein für mein Display (ca. 84x44mm) oder schon recht teuer.

Mich würde daher interessieren, welche kreativen Ideen ihr zum Thema 
Gehäuse hattet.

von Hermann (Gast)


Lesenswert?

@ Karl-Heinz

Danke für deine Ausführungen, und vor allem für deine Arbeit an der 
Software daumenhoch

von Karol B. (johnpatcher)


Lesenswert?

Hi,

habe heute mein Transistortester auch zusammengebaut und mit der Version 
0.96 geflasht. Vielen Dank an alle Beteiligten, vor allem aber 
Karl-Heinz für seine Mühen.

Allerdings gibt es da noch ein Problem. Nachdem ich einmal den Taster 
betätige, wird wie gewünscht ein Test durchgeführt. Unabhängig davon, ob 
nun etwas an den Pins hängt oder nicht, startet das Gerät anschließend 
aber ununterbrochen neue Tests, anstatt sich nach erfolgreicher 
Erkennung (bzw. der Anzeige, dass nichts erkannt wurde), abzuschalten.

Irgendwann (habe bisher leider noch kein System entdeckt) funktioniert 
es dann aber doch und das Gerät wird deaktiviert. Ich nehme an, dass es 
sich um ein Problem mit der Hardware handeln muss, da anderenfalls 
bestimmt schon jemand ähnliche Probleme festgestellt hätte.

Hat jemand eine Idee bzw. einen Tipp wo man den Fehler suchen könnte? 
Ich denke einmal, dass es im Bereich der Abschalt-Automatik Probleme 
gibt. Habe aber auf die Schnelle nichts finden können.

Habe die Platine so bestückt wie sie von Asko B. zuletzt (im Beitrag vom 
23.05.2012 19:39) hochgeladen wurde.

Danke vielmals!

von Karl-Heinz K. (kubi48)


Lesenswert?

Hallo Karol,

die Funktion, die Du beschrieben hast, ist so bei meinen 
Standard-Programmfiles vorgesehen.
Das ist eine Serienmessung, die aber per Makefile Option auch 
abgeschaltet werden kann.
Man muß den Eintrag "CFLAGS += -DPOWER_OFF=5" auf "CFLAGS += 
-DPOWER_OFF" ändern, um die alte Funktion zu bekommen.
Man kann aber auch so jederzeit auch abschalten, wenn man während der 
Ergebnisanzeige den Taster gedrückt läßt, bis die Time out Meldung 
erscheint und dann den Taster losläßt.
Mit der vorbesetzten Konfiguration schaltet der Tester nach 5 
aufeinanderfolgenden Leermessungen oder 10 aufeinanderfolgenden 
Messungen mit Bauteil ab.

Grüße
Karl-Heinz

von Karol B. (johnpatcher)


Lesenswert?

Alles klar, vielen Dank für deine Ausführungen. Hatte nachdem ich einige 
Stunden mit dem Aufbau beschäftigt war, einfach nur die im Archiv 
vorhandenen ".hex" und ".eep" geflasht und mich nicht weiter mit den 
Makefiles beschäftigt.

Habe das Ganze jetzt mit der von dir genannten Änderung selbst 
kompiliert und es funktioniert in der Tat wie erwartet. Da dies mein 
erstes Gerät ist, wusste ich halt einfach nicht wie das normale 
Verhalten ist.

Mir erscheint die Meldung, dass kein Teil gefunden wurde, allerdings 
etwas zu lang. Vielleicht wäre in zukünftigen Versionen eine Timeout 
Konstante direkt im Makefile eine nützliche Option.

Vielen Dank noch einmal für die schnelle Hilfe.

von Christian F. (cmf) Benutzerseite


Lesenswert?

Wie heißt das Teil denn jetzt eigentlich?

Bauteiltester

Transistortester

...


???

Ich finde, man sollte sich mal auf einen Namen einigen. Transistortester 
passt ja dank KH (Großes Lob!) nicht mehr so ganz.

von Asko B. (dg2brs)


Lesenswert?

Hi Cristian

Ich habe auf die Leiterplatte "Component-Test" geschrieben.
weil das Geraet ja mehr als R´s und C`s erkennt.

Das Geraet ist beinahe genial.
Sowas haette ich vor 30 Jahren haben wollen...
Ich kann nur eins sagen... Karl-Heinz mache weiter so.

Gruss Asko.

von Karl-Heinz K. (kubi48)


Lesenswert?

Hallo Transistortester Freunde,

es ist soweit, endlich habe ich es einmal geschafft, das SVN Archiv mit 
meiner Testversion sowie der überarbeiteten Dokumentation zu füllen.

Ich bin noch nicht ganz fertig, aber für diese Nacht reicht es mir.

Als Besonderheit ist die Doku jetzt auch wieder in deutscher Sprache 
verfügbar. Die englische Version versuche ich auch mit zu pflegen.
Die komplette Entwicklungs-Umgebung für die Erstellung der PDF-Dateien
ist im Unterverzeichnis Doku/trunk/pdftex .
Den Verzeichnisbaum kann man mit 
http://www.mikrocontroller.net/svnbrowser/transistortester/ anschauen.
Wer Lust hat, kann jetzt die Beschreibung auch in anderen Sprachen 
umschreiben, ich kann leider nur Deutsch und ein wenig Englisch!

Grüße
Karl-Heinz

von Karl-Heinz K. (kubi48)


Lesenswert?

Hallo Transistortester Freunde,

ich habe ganz vergessen zu erwähnen, daß es auch eine kurze 
Zusammenfassung der Projektweiterführung unter der Adresse 
http://www.mikrocontroller.net/articles/AVR_Transistortester gibt.
Hier ist auch der Aufbau des SVN Archivs erläutert.
Falls hier noch wichtige Ergänzungen und Korrekturen gewünscht werden, 
sollte man sich bei mir melden.
Ich möchte es aber bei einer Zusammenfassung belassen und die 
Einzelheiten weiter in den pdf-Dateien belassen.
Der letzte Entwicklungs-Stand sowie die neueste (dazu passende) 
pdf-Dokumentation befinden sich jeweils in den trunk Pfaden.

Grüße
Karl-Heinz

von Mathias B. (bzzz)


Lesenswert?

Hallo Karl-Heinz,

ich werd mir das PDF gleich mal durchlesen. Wenn du mir Schreibzugriff 
aufs SVN gibst, dann liefer ich anschließend auch eine korrigierte 
Fassung (Rechtschreibung, Zeichensetzung, etc.) ein ;)

von Ingolf O. (headshotzombie)


Lesenswert?

Apropos SVN! Kann mal jemand ´ne kurze DL-Anleitung geben, stehe auf´m 
Schlauch, da meine PDFs 5k groß sind und daher nicht funzen.

von Mathias B. (bzzz)


Lesenswert?

Lad dir den gesamten Tarball aus dem entsprechenden Ordner und öffne die 
PDF dann daraus.
Oder hol dir das komplette svn via svn checkout 
svn://mikrocontroller.net/transistortester ./ (aber das ist sicherlich n 
bisschen Overkill)

Wie man das PDF direkt öffnet hab ich vorhin auch nicht 
herausgefunden...

von IchBins (Gast)


Lesenswert?


von Karl-Heinz K. (kubi48)


Lesenswert?

Mathias B. schrieb:
> Lad dir den gesamten Tarball aus dem entsprechenden Ordner und öffne die
> PDF dann daraus.
> Oder hol dir das komplette svn via svn checkout
> svn://mikrocontroller.net/transistortester ./ (aber das ist sicherlich n
> bisschen Overkill)
>
> Wie man das PDF direkt öffnet hab ich vorhin auch nicht
> herausgefunden...

Hallo Mathias,

Ich bin ja auch ziemlich neu mit dem Umgang von SVN.
Eine einzelne Datei kann man mit svn cat herausholen.
Zum Beispiel die letzte Version der deutschen Doku mit:
"svn cat 
svn://www.mikrocontroller.net/transistortester/Doku/trunk/pdftex/german/ 
ttester.pdf  > transistortester.pdf"

Mit svn checkout kann man nur Verzeichnisse, aber auch 
Unterverzeichnisse herausholen.

Ich muß noch herausfinden wie ich Benutzer für den Schreibzugriff (svn 
commit) freigeben kann.
Bei Änderungen sollten natürlich die .tex Files geändert werden, nicht 
die pdf Files. Das pdf kann dann im german Unterverzeichnis (bzw. 
english) per make erstellt werden, wenn man pdflatex und andere Tools 
installiert hat.

Grüße
Karl-Heinz

von Dirk W. (psychodirk)


Lesenswert?

Hallo Karl,
kannst Du nicht einfach die Doku in Ger und Eng hier posten?

Ich habe auch Probs mit SVN.

LG
Dirk

von Michael D. (mike0815)


Angehängte Dateien:

Lesenswert?

...so, hier is'! War ein wenig umständlich, hatte da auch meine Last 
herauszufinden wie ich das Teil zum lesen bekomme.

Frage an Karl-Heinz:
Der Tester mist bis runter 35pF, wenn ich eine Diode messe, wieso kann 
"dann" bis runter auf 1pF gemessen werden?

Gruß Michael

von Karl-Heinz K. (kubi48)


Lesenswert?

Michael D. schrieb:
> ...so, hier is'! War ein wenig umständlich, hatte da auch meine Last
> herauszufinden wie ich das Teil zum lesen bekomme.
>
> Frage an Karl-Heinz:
> Der Tester mist bis runter 35pF, wenn ich eine Diode messe, wieso kann
> "dann" bis runter auf 1pF gemessen werden?
>
> Gruß Michael

Hallo Michael,

weil der Tester dann nicht mehr zwischen angeschlossenem Bauteil und 
leeren Anschlüssen unterscheiden muß. Messen kann der Tester bis 1pF, 
aber ist es wirklich ein Bauteil oder nur nahe zusammenliegende 
Test-Anschlüsse?

Ich hatte inzwischen zum Testen mein Windows 7 hochgefahren, weil mich 
die Zugangsmöglichkeit zum SVN-Archiv unter Windows interessiert hat.
Ich habe von heise.de den Tortoise SVN client für den Internet Explorer 
heruntergeladen und installiert. Es hat soweit funktioniert.
Bei mir erschien dabei auch ein Fenster mit Spendenaufruf.?!
Aber der Zugriff über svn://... funktioniert. Man kann sich im 
Verzeichnisbaum bewegen und ohne Probleme die PDF Doku lesen.

Grüße
Karl-Heinz

von Ingolf O. (headshotzombie)


Lesenswert?

Na ja, nun hat es doch gefunzt! Einfach im Hauptverzeichnis auf 
"Download GNU tarball" und hat man ca. 3...4MB komprimierte Daten in 
einem Zug auf der Platte, die kann man in Ruhe entpacken und die Spreu 
vom (Hefe-)Weizen trennen.
Für den Firefox soll´s ja ein SVN-Plugin geben, allerdings befinde ich 
mich bei dessen Installation in einer Endlosschleife mit dem Resultat 
Null, da man das TortoiseSVN dazu benötigt.
Gucke mir daher mal auf Heise den Tipp an.

von Andreas W. (1andy1)


Lesenswert?

Hallo
Ich bin per Zufall auf die Seite gelangt als ich Bauteiletester suchte.
Interessanter  Transistortester!

Vor lauter Querlinks, weiß ich jetzt nicht mehr wo ich bin, bzw. welche 
die Ursprungsseite war.

 Autor: Dirk Willner verkauft scheinbar Platinen ,
 Autor: Karl-Heinz Kübbeler programiert,
Markus Frejek hats erfunden ?
könnte mich jemand aufklären.

Leider habe ich keine Möglichkeit, Platinen zu ätzen, geschwiege denn 
den Chip zu programmieren.
Wäre es möglich die passenden Bauteile, zum zusammenbauen käuflich zu 
erwerben? (auch ohne Gehäuse oder Platine)
Im Forum finde ich keine Angaben zu Preise oder Bestell-links.

Vielen Dank

von Karol B. (johnpatcher)


Lesenswert?

Andreas Wein schrieb:
> Autor: Dirk Willner verkauft scheinbar Platinen ,
>  Autor: Karl-Heinz Kübbeler programiert,
> Markus Frejek hats erfunden
So ungefähr stimmt das schon. Dirk Willner organisiert halt die 
Sammelbestellungen. Die Platine wurde hier im Thread - mehr oder weniger 
gemeinsam - entwickelt.

Andreas Wein schrieb:
> Wäre es möglich die passenden Bauteile, zum zusammenbauen käuflich zu
> erwerben? (auch ohne Gehäuse oder Platine)
Die Sammelbestellungen werden seit einiger Zeit hier 
(Beitrag "Info Platinen Bauteiletester / Transistortester") organisiert. Wenn ich das 
richtig sehe, ist noch etwas zu haben.

Welche Bauteile du benötigst, wurde hier im Thread besprochen. 
Alternativ kannst du das auch dem Schaltplan bzw. dem Platinen-Layout 
entnehmen. Finden tust du die Teile dann z.B. bei Reichelt.

von Dirk W. (psychodirk)


Lesenswert?

Neue Infos unter: Markt

Beitrag "Info Platinen Bauteiletester / Transistortester"

Dirk

von smaeel (Gast)


Lesenswert?

Hello to all Transistortester friends.
I want to thank "Mr. Karl-Heinz Kübbeler" for this great work
and all his help.

Best regards
Smaeel

von Asko B. (dg2brs)


Angehängte Dateien:

Lesenswert?

Hallo

Neue Platinenversion - Version 5.2.2

Neue Version - neues Glueck, oder so aehnlich.

Im Layout hab ich die Pads fuer Widerstande und Kondensatoren groesser 
gemacht.
Die Spannungsanschluesse sind jetzt 5,08 mm auseinander, so das jetzt 
ein
Steckverbinder oder aehnliches raufpasst.
Die Bauelementeseite hat jetzt von Hause aus eine durchgehende 
Masseflaeche.
Die wichtigste Sache ist jedoch, das man jetzt alternativ auch einen 
LM7805
bestuecken kann. Die Befestigung vom Display ist auch gleich die 
Befestigung
vom Spannungsregler. Dadurch wurde aber ein weiterer Leiterzug auf der
Bauelementeseite notwendig, der dann auch unbedingt von der 
Bauelementeseite
verloetet werden muss. Beim einsatz eines MCP 1702 bleibt alles beim 
alten.
Sicherheitshalber sollte man den 7805 auf der Platinenseite isolieren 
weil
dort drunter die Pads fuer den Low-drop Regler liegen.

Jetzt kann man also als Spannungsregler verwenden:
1. MCP 1702 5V    (TO92)
2. LM 78L05       (TO92)
3. LM7805         (TO220)
4. Schaltregler wie Traco 1-2450

Die Kondensatoren sind jetzt nur noch im 2,54 mm-Raster zu bestuecken.
Das TO220-Gehaeuse vom 7805 schluckte zu viel Platz.

Im Dateianhang sind wieder die Eagle-Boardfiles, PDF´s, PNG´s
und die Bauteilliste.

Gruss Asko.

von Michael D. (mike0815)


Lesenswert?

Hallo Asko,
Der Regler ist ja Kilometer weit weg von der Einspeisung, sollte schon 
in der Nähe sein!
Für die Abschaltung, sollte auch ein mindensten 500mA Transistor 
werkeln, der BC5xx ist da etwas unterdimensioniert.
Den Starttaster solltest du etwas weiter nach rechts setzen, sonst 
kommst du evtl. mit deinen SMD-Adaptern in's Gehege.
Ein paar Testpins mehr, spendet mehr Flexibilität für versch. 
Bauteilgrössen, Widerstände, Kondensatoren, Dioden etc...

Gruß Michael

von Asko B. (dg2brs)


Lesenswert?

Michael D. schrieb:
> Der Regler ist ja Kilometer weit weg von der Einspeisung, sollte schon
> in der Nähe sein!

Das war er vorher schon und brachte keine Einschraenkungen.

> Für die Abschaltung, sollte auch ein mindensten 500mA Transistor
> werkeln, der BC5xx ist da etwas unterdimensioniert.

Meines wissens nach vertraegt der Transistor 500mA.
Uebrigens mal ne frage: Welche Zimmerbeleuchtung willst Du
damit steuern ??

> Den Starttaster solltest du etwas weiter nach rechts setzen, sonst
> kommst du evtl. mit deinen SMD-Adaptern in's Gehege.

Die Adapter plaziert man sowieso extern am Gehaeuse, somit
sehe ich da kein Problem. Aber der Hinweis ist nicht von der
Hand zu weisen.

> Ein paar Testpins mehr, spendet mehr Flexibilität für versch.
> Bauteilgrössen, Widerstände, Kondensatoren, Dioden etc...

...echtes Argument...
Ich hatte fuer mich persoenlich vor sowieso einen Adapter zu
verwenden, um ausgeleierte Steckanschluesse zu umgehen.

Was aber bis jetzt noch niemanden aufgefallen ist, das die
Praezisionspannungsquelle "vor" der Siebdrossel angeschlossen ist.

Gruss Asko.

von Jörn P. (jonnyp)


Lesenswert?

Asko B. schrieb:
> Was aber bis jetzt noch niemanden aufgefallen ist, das die
> Praezisionspannungsquelle "vor" der Siebdrossel angeschlossen ist.

Das wundert mich nicht, bei dem Zeichnungschaos ;-)

von Asko B. (dg2brs)


Lesenswert?

Hallo Jörn

Ausschlaggebender Punkt ist aber das Layout gewesen.

Der Schaltplan ist zugegebenermassen nicht der schoenste.
Aber die Funktion ist ja entscheidend.
Wenn nun spikes auf der Versorgungsspannung vom ATmega
auftreten wirken die sich nicht auf die Versorgungsspannung
von der Praezisionsspannungsquelle aus. Stabilisiert
ist sie ja bereits durch den Spannungsregler.

Auch ist die entfernung vom Spannungsregler zum Batterieanschluss
kein Thema, dort ist eh nur die Selbsthalteschaltung und die
muss nicht stabilisiert sein. Die stabilisierten 5V gehen
direkt an den µC, kuerzer duerfte kaum moeglich sein.
Bullet-Proof wird man das wohl in der groesse nicht hinkriegen.

Gruss Asko.

von Michael D. (mike0815)


Lesenswert?

hallo Asko,
ich kann den Rotz mal wieder nicht öffnen, da Eagle6-Ver. denke ich mal.
Einen aktuellen Schaltplan hast du leider nicht beigefügt, ich gehe mal 
von dem aus, was ich auf schon auf der FB habe.
Also wenn der oder ein BC557 vor dem Regler verbaut ist...

@Asko
> Meines wissens nach vertraegt der Transistor 500mA.
> Uebrigens mal ne frage: Welche Zimmerbeleuchtung willst Du
> damit steuern ??

...dann haben wir aber ein Problem! Der BC557 kann einen Kollektorstrom 
von 200mA abhaben, bei 625mW Verlustleistung kommt der aber ordentlich 
in's schwitzen, wenn dann noch optional die Beleuchtung zugeschaltet 
werden soll wird's sau-eng.
Wir gehen mal inkl. Reserve von 100mA und 5V Spannung aus, da sind wir 
schon bei ca.500mW, bei 60mA kommen wir immernoch auf ca.300mW 
Verlustleistung...und nu?

Gruß Michael

von René B. (reneb)


Lesenswert?

Hallo,

schön das an dem Transistortester weiterentwickelt wird. Ich habe mir 
2009 das ursprüngliche Gerät gebaut. Dafür hatte ich ein Direkt-Toner 
freundliches einseitiges Layout entwickelt. Das ganze ist sehr 
minimalistisch gehalten. Wenn man noch die Platinenrückseite schützt, 
kann man das Gerät direkt so verwenden:
- Platz für den 9V-Block
- zwei Testsockel (normal und Präzisionsbuchsen)
- einseitig mit nur nur drei Drahtbrücken
- LF50CV(empfohlen) oder 7805
, aber eben ohne Quarz, ohne Programmieranschluss und nicht auf ein 
Standardgehäuse eingepasst.
Insgesamt ist das Layout nicht sehr hübsch, da ich damals noch nicht so 
fit in Eagle war und ich habe jetzt auch nicht alle Schweinereien 
beseitigt. Es steht zur freien Verwendung, viel Spaß damit.

Aetzmaske und Co gibts hier: 
http://www.keinschnickschnack.de/wp-content/uploads/2011/12/Transistortester-atmega8-Reichelt-Display.zip

Ich habe es nochmal kurz überarbeitet und einen passenden Reichelt.de 
Bestellkorb angelegt unter: 
https://secure.reichelt.de/index.html?;ACTION=20;LA=5010;AWKID=595527;PROVID=2084
Die Präzisionskontakteleiste SPL32 ist Sockel für den 28pin mega8 und 3 
Pins sind für den Testsockel. Gleiches gilt für die normale 
Buchsenleiste, ein Teil fürs LCD, der andere für den zweiten Testsockel.

Es lehnt sich an das alte Projekt an und Karl-Heinz Firmware sollte 
damit laufen.

von Jörn P. (jonnyp)


Lesenswert?

Michael D. schrieb:
> ich kann den Rotz mal wieder nicht öffnen, da Eagle6-Ver. denke ich mal.

Hi Mike, lad dir die kostenlose eagle vers. 6.2.1 herunter, damit kannst 
du zumindest die Version 6 ansehen.

von H. W. (erazor)


Lesenswert?

Hallo,

100mA dürften ausreichen. Allerdings fällt am Transistor weit weniger 
als 1V ab. Verlustleistungstechnisch also kein Problem.

Gruß

von Michael D. (mike0815)


Lesenswert?

U. K. schrieb:
> Hallo,
>
> 100mA dürften ausreichen. Allerdings fällt am Transistor weit weniger
> als 1V ab. Verlustleistungstechnisch also kein Problem.
>
> Gruß

Was willst du uns jetzt damit sagen???

von Garfield (Gast)


Lesenswert?

Michael D. schrieb:
> Wir gehen mal inkl. Reserve von 100mA und 5V Spannung aus, da sind wir
>
> schon bei ca.500mW, bei 60mA kommen wir immernoch auf ca.300mW
>
> Verlustleistung...und nu?


Dass Du damit falsch liegst...

von Ulrich S. (toktok)


Lesenswert?

Ich habe den Tester nun mal nachgebaut (nach Schaltplan der SVN Doku) 
und muss sagen das Teil ist Klasse! Funktioniert auf Anhieb fehlerfrei. 
Nur die Anzeigetexte hab ich etwas an meinen Geschmack angepasst und die 
Zeit in der das Messergebnis angezeigt wird erheblich verlängert. Aber 
das ist eben mein persönlicher Geschmack.  :)
Vielen Dank für die tolle Arbeit die da drin steckt.

Gruß Uli

von Jörn P. (jonnyp)


Angehängte Dateien:

Lesenswert?

Hi Asko,
ich hab gerade einen dicken Hals (nicht deinetwegen ;-)  ) und hab als 
Entspannung mal deine letzte Schaltung etwas begradigt. (Eagle 6.x)
Es wurden nur die Bauteile im .sch verschoben und das Display hat jetzt 
"richtige" Anschlüsse für die Beleuchtung, sonst weiter nix.

@ Karl-heinz
Hast du schon Ergebnisse mit der Referez 4040?? Fühle dich durch meine 
Frage aber nicht gedrängt. Gute Dinge brauchen meist etwas Zeit ;-)

von Engy (Gast)


Lesenswert?

Hello I found a bug in Makefile. There is ANZ_MESS define but in code 
there is ANZ_MES, so this define is not working correctly.

von Asko B. (dg2brs)


Lesenswert?

Hallo Jörn

Das freut mich aber, das Du nicht wegen mir einen
dicken Hals hast. ;-)
Hoffentlich hat das nix mit un-Gesundheit zu tun.
Deinen Schaltplan hab ich noch nicht angesehen.
Mein Rechner will das 7z nichmehr extrahieren.
Da muss ich erst mal schauen.
Seit ich in Ungarn war, meckert klein&weich sowieso
ich haette eine unregistrierte Betriebssystemversion.

Ich habe mich gestern abend im Hotelzimmer
auch ein wenig "abgelenkt".
Nun ist die Version 5.2.3 fast fertig.

Der Starttaster ist jetzt ganz an den Rand gerueckt,
wie Michael es vorgeschlagen hatte. Somit duerfte
auch ein Testadapter nicht mehr im wege sein.

Zu den zusaetzlichen Messanschluessen:
Ist es evtl. sinnvoll zB. drei Anschluesse im
5mm-Raster dazuzupacken um vielleicht
zusaetzlich noch Schraubklemmenanschluesse aufzuloeten ???
Die wuerde ich einfach "druntersetzen". Wer die nicht
moechte, koennte ja den Leiterplattenstreifen
an dieser Stelle einfach absaegen.

Karl-Heinz hatte vorgeschlagen auch einen stehenden
Wannenstecker verwenden zu koennen.  Das ist jetzt
moeglich. Damit der aber auch bei nicht
durchkontaktierten Leiterplatten noch loetbar ist,
mussten drei zusaetzliche Vias her. Die man dann
auch verloeten muss. Bei verwendung eines
gewinkelten Wannensteckers sind die nicht unbedingt
noetig. Zwei Vias waren aber schon vorher noetig.
Es schadet jedoch nichts wenn man sie zusaetzlich
mit verloetet. Leider sind die Leiterzuege jetzt
nicht mehr so kurz wie vorher.

Die Abblock-Kondensatoren moechte ich noch
universeller machen. So das man wahlweise 2,5mm
oder 5mm Kondensatoren einsetzen kann.

Die Leiterplatte ist unwesentlich breiter geworden.
Jetzt guckt der Kuehlkoerper eines TO220-Gehaeuses
des Spannungsreglers nicht mehr ueber die Leiterplatte ueber.
Auf der anderen Seite entstand Platz fuer einen
zusaetzlichen Leiterzug (wegen dem ISP-Stecker).

Gruss Asko.

von Karl-Heinz K. (kubi48)


Lesenswert?

Jörn Paschedag schrieb:
> Hast du schon Ergebnisse mit der Referez 4040?? Fühle dich durch meine
> Frage aber nicht gedrängt. Gute Dinge brauchen meist etwas Zeit

Hallo Jörn,
leider bin ich noch nicht dazu gekommen. Ich habe noch etwas an der 
Widerstandsmessung verbessert, meine letzte Testversion habe ich als 
Update ins SVN Archiv gestellt. Ich konnte die Messung mit den 470k 
Widerständen verbessern, indem ich einen Offset von 700 Ohm zum Ergebnis 
hinzufüge. Erklären kann ich die Maßnahme zwar nicht so richtig, aber 
wenn ich gleichzeitig die Grenze für die Messungen mit den 680 Ohm 
Widerständen von 28kOhm auf 20kOhm senke, erziele ich besonders mit dem 
ATmega8 bessere Ergebnisse.
Die Ergebnisse im mittleren Widerstandsbereich (10k bis 100k) sind ohne 
AUTOSCALE_ADC Funktion deutlich besser, wie man in den letzten pdf-Dokus 
sehen kann.
Als nächste Aktion habe ich vor die Kapazitätsmessung noch einmal zu 
überprüfen, da ich mit einem neuen RCL-Meter hoffentlich bessere 
Vergleichswerte als mit meinem bisherigen Multimeter messen kann.

Grüße
Karl-Heinz

von Karl-Heinz K. (kubi48)


Lesenswert?

Engy schrieb:
> Hello I found a bug in Makefile. There is ANZ_MESS define but in code
> there is ANZ_MES, so this define is not working correctly.

This error is corrected in the last SVN version (trunk path).
The source code is corrected now.
Thank you for your hint.

Karl-Heinz

von Garfield (Gast)


Lesenswert?

Asko B. schrieb:
> Die Leiterplatte

Mannomann,

jetzt mach doch wegen dieser popligen Leiterplatte nicht so ein Faß auf.
Bei den paar Standardbauteilen ist das nun wirklich nichts besonderes.
Da muss man nicht nächtelang diskutieren, nur weil eine Leiterbahn 2mm 
weiter links liegt.

von Dirk W. (psychodirk)


Lesenswert?

Neue Infos Part-4 im "Markt"

LG
Dirk

von Bruno M. (brumay)


Lesenswert?

Hallo,

ich versuche diesen Code mit dem AVRStudio 5 zum Laufen zu bringen. Da 
ich aber so gut wie keine Erfahrung mit C habe, ist das natürlich etwas 
schwierig. Nun bin ich so weit, daß ich die Konfigurationseinstellungen 
mit einer eigenen Funktion integriert habe. Außerdem fehlte für das 
Studio anscheinend noch eine header datei, die ich eingefügt habe 
(inttypes.h).

Nun bin ich aber mit meinem Latein am Ende, u.z. bekomme ich zu allen 
Definitionen in Transistortester.h die Fehlermeldung "redefinition of 
xxx" und dazu die Warnung "previous definition of xxx was here", wobei 
der pointer auf die selbe Stelle zeigt.

Kann mir jemand helfen?

Bruno

von Tomas Starcok (Gast)


Angehängte Dateien:

Lesenswert?

I upgrade my previous version of this component tester. Here are 
changes:

1. Replaced 78L05 with precision LDO Regulator MCP1702-5002E
2. Added 8MHz crystal with two 22pF SMD capacitors...
3. Added external voltage reference (package TO-92)
4. Some esthetic changes :-)

My layout is still without ISP connect before I don´t need it, I 
programming microcontroller in external programmer...

von Tomas Starcok (Gast)


Lesenswert?

*My layout is still without ISP connector because I don´t need it...*

Sorry for mistakes

Tomas Starcok

von Karl-Heinz K. (kubi48)


Lesenswert?

Bruno M. schrieb:
> ich versuche diesen Code mit dem AVRStudio 5 zum Laufen zu bringen.

Hallo Bruno,
leider kenne ich mich nicht so gut mit Windows aus, weiß aber von 
mindestens einem Benutzer, das es mit WINAVR gehen soll.
Wichtig ist für meine Makefile, das sie sich in einem Unterverzeichnis 
des Quellcodeverzeichnis befindet.
Wenn ich den englischsprachigen Benutzer richtig verstanden habe, hat er 
in der avrdude Kommandozeile make aufgerufen.
Bei den Bedienoberflächen weiß man nie so recht, welche Intelligenz 
einem wieder hilfreich im Wege steht!

Grüße
Karl-Heinz

von Michael D. (mike0815)


Lesenswert?

Hallo Bruno,

Das Problem mit dem Studio5 hatte ich und Andere auch, daher sind wir 
wieder auf die 4,19 mit allen Upgrades gegangen.

Im Studio 4,19, welches ich benutze, wird ein neues Projekt
(muß "Transistortester" heißen) angelegt.
Das Studio generiert darauf hin ein neues Makefile, welches wir aber 
nicht benutzen können, da ja gerade von diesem, die ganzen Einstellungen 
der Soft abhängt!
Nach dem laden der Source u. Header-Files, muß bei "Other Files" das 
Makefile von Karl-Heinz geladen werden, auch schon allein wegen dem 
Editieren.
Vor dem Kompilieren muß noch der Pfad des Makefiles von Karl-Heinz 
angegeben werden, Beispiel: PROJEKT--> CONFIGURATION OPTIONS--> USE 
EXTERNAL MAKEFILE...und dann den Pfad angeben, es sollte dann ohne 
Probleme Kompilieren, wenn der richtige "MCU" im Makefile angegeben ist.

Hallo Karl-Heinz,
ich habe inzwischen mein 2. Board mit der Abschaltung aufgebaut. Nach 
anfänglich massiven Schwierigkeiten, das Teil zum messen zu bewegen, ist 
es fast jeden Tag in gebrauch. Ich muß sagen, mein 9V Akku, hält mit der 
automatischen Abschaltung, eine Ewigkeit!
Was etwas Probleme bereitet, ist "manchmal" die hohe Luftfeuchtigkeit, 
die dann anstatt das Bauteil, gemessen wird. Das kann daran liegen, das 
mein Layout etwas kompakter als das Vorherige ausgefallen ist und die 
Leiterbahnen eben auch etwas enger aneinander liegen.

Gruß Michael

von Bruno M. (brumay)


Lesenswert?

Hallo Karl-Heinz, hallo Michael,

herzlichen Dank für die Antworten!

Das Problem mit dem Makefile habe ich (scheinbar?) durch Einbinden einer 
h-Datei mit allen Konfigurationen gelöst. Zumindest bekomme ich dazu 
keine Fehlermeldungen.

Was AVRStudio 5 betrifft, so hätte ich das gerne vermieden, da ich auf 
meinem alten PC auch immer mit Studio 4 gearbeitet habe. Auf meinem 
neuen PC mit Win7 64bit hatte ich aber bei der Installation Probleme und 
deswegen bin ich umgestiegen. Habt Ihr dazu auch andere Erfahrungen?

Gruß Bruno

von Karl-Heinz K. (kubi48)


Lesenswert?

Michael D. schrieb:
> Was etwas Probleme bereitet, ist "manchmal" die hohe Luftfeuchtigkeit,
> die dann anstatt das Bauteil, gemessen wird. Das kann daran liegen, das
> mein Layout etwas kompakter als das Vorherige ausgefallen ist und die
> Leiterbahnen eben auch etwas enger aneinander liegen.

Hallo Michael,

wenn das Problem mit der Feuchtigkeit fortbesteht, könntest Du 
gelegentlich vielleicht mit einem Isolierspray nachhelfen. Ich würde die 
bestückte Platine trockenföhnen und dann einsprühen. Ohne eigene 
Erfahrung würde ich z.B. das Teslanol T7 Spray (Reich..) für geeignet 
halten.

Konntest Du identifizieren, woran die massiven Schwierigkeiten bei der 
Inbetriebnahme lagen?

Grüße
Karl-Heinz

von Michael D. (mike0815)


Lesenswert?

Man, Karl-Heinz...du hast Recht!!! Ausgerechnet bei dieser Platine, 
hatte ich keinen Schutzlack verwendet, der auf dem Vorgängermodel aber 
vorhanden ist, daher tritt das Problem bei dem alten Layout nicht auf!
Ich verwende für die Leiterseite normaler Weise "Plastik70", der auch 
lötbar ist und keine Kriechströme erzeugt.

> Konntest Du identifizieren, woran die massiven Schwierigkeiten bei der
> Inbetriebnahme lagen?
Selbstverständlich...nach 3 Tagen, hatte ich endlich herausgefunden, 
warum sich das Gerät einen Wolf mist und dann auf dem Display "Cell" 
ausgibt.
Das war aber bei anderen Prozessoren eben nicht der Fall, die sind dann 
meistens hängen geblieben, also war das lokalisieren des Fehlers um so 
schwieriger. Nach zig mal ein und auslöten gewisser Komponenten, die 
jetzt nicht wichtig waren, für die Funktion, sieht die Platine nicht 
mehr so schön aus :-(((
Der Übeltäter war der Regler, da muß man aber erstmal drauf kommen, denn 
die Pinausgabe des AVR's, hatte statt 50Hz, mehrere Kiloherz ausgegeben, 
was ich mir mal garnicht erklären konnte!
Kurzum, ein 220µF Elko (zusätzlich zum 100nF)nach der Regelung, hatte 
das Problem schlagartig gelöst!
Da ich mich fragte, wo denn diese Frequenz herkommen kann, kam ich mal 
auf die Idee, die Spannungsversorgung zu überprüfen und zwar nicht nach 
und vor der Batterie oder Netzteil, sondern mal eben direkt nach dem 
Regler!
Das "Ding" hat geschwungen wie verrückt, da kommt man ja erstmal nicht 
drauf, da die Schaltung ja ansich korrekt aufgebaut ist, der AVR, das 
aber mal garnicht mag.
Mein alter Aufbau hat eben auch einen 220µF Elko nach dem Regler 
drinnen, hatte ich aber nicht vermutet, das das der Grund dafür sein 
könnte.

Ich muß los...Gruß Michael

von Bruno M. (brumay)


Lesenswert?

Hallo Michael,

aufgrund Deines Kommentars habe ich meinen alten PC angeschmissen und 
meinen bereits abgeänderten Code im Studio 4 getestet. Ergebnis: 
Gleiches Fehlerbild!

Dann habe ich den von Dir beschriebenen Weg versucht und tatsächlich, 
der Debugger ist durchgelaufen.

Danach habe ich das selbe Prozedere im Studio 5 versucht, aber leider 
ohne Erfolg. Das Programm blieb schon am Makefile Line1, Column1 mit der 
Fehlermeldung "***missing separator. Stop." hängen.

Gruß Bruno

von Michael D. (mike0815)


Lesenswert?

So, wieder da...

Bruno M. schrieb:
> Hallo Michael,
>
> aufgrund Deines Kommentars habe ich meinen alten PC angeschmissen und
> meinen bereits abgeänderten Code im Studio 4 getestet. Ergebnis:
> Gleiches Fehlerbild!
>
> Dann habe ich den von Dir beschriebenen Weg versucht und tatsächlich,
> der Debugger ist durchgelaufen.
Na also, geht doch...
>
> Danach habe ich das selbe Prozedere im Studio 5 versucht, aber leider
> ohne Erfolg. Das Programm blieb schon am Makefile Line1, Column1 mit der
> Fehlermeldung "***missing separator. Stop." hängen.
Was will er denn mit einem Separator? Ich sag' ja, die 5er Version 
ist"Scheiße"!!!
Ich bin froh, das ich bei dem 4.19er Studio gerade so zurecht komme und 
jetzt kommt Atmel mit einem neuen Rotz, wo nichts mehr passt! Ich frage 
mich, was die sich dabei gedacht haben?!?
Der Jörn, z.B., hatte da auch massive Probleme mit dem Studio5, sogar 
das 6er hatte er mal installiert und nach einigen Nächten der 
Verzweiflung wieder runter geschmissen, weil die Endungen von bestimmten 
Codes z.B. nicht mehr ASM heissen dürfen usw....
>
> Gruß Bruno

Gruß Michael

von Aleks (Gast)


Lesenswert?

Tomas Starcok schrieb:
> I upgrade my previous version of this component tester. Here are
> changes

So please can post your changed eagle-files

Thank You

von Peter II (Gast)


Lesenswert?

in der Transistortester.h fehlt ein include guard. Wie es scheint wird 
sie 2mal includiert.

schreibt mal am anfang

#ifndef _TRANSISTORTESTER_H
#define _TRANSISTORTESTER_H

und am ende

#endif // _TRANSISTORTESTER_H


rein.

von Karl-Heinz K. (kubi48)


Lesenswert?

Peter II schrieb:
> in der Transistortester.h fehlt ein include guard. Wie es scheint wird
> sie 2mal includiert.

Hallo Peter,

Die Datei Transistortester.h wird ausschließlich in main.c ein einziges 
Mal includiert.
Bitte meine Makefile verwenden, keine Automatik von irgendwelchen 
Bedienoberflächen!

Grüße
Karl-Heinz

von Tomas Starcok (Gast)


Lesenswert?

Hello

To Karl-Heinz:

It would be possible to display the SW version on LCD after power on ? 
The current version of SW in tester would be displayed for 500ms 
immediately after power on, for example. I think it is practical to show 
the version of software at the beginning...


Best regards

Tomas Starcok

von Bruno M. (brumay)


Lesenswert?

Hallo Karl-Heinz,

wie schon weiter oben berichtet, hatte ich große Probleme Deinen Code im 
Studio 5 zum Laufen zu bringen. Es ging weder mit Deinem Makefile, da 
ich bei der Fehlermeldung "***missing separator. Stop." nicht weiter 
kam, noch ging es mit einem Standard Makefile, wobei ich alle 
Konfigurationen in die config.c übernommen habe. Damit hatte ich zuletzt 
mehrere Fehlermeldungen wie:

D:\Documents\Elektronik\Mikroprozessoren\GCC\Projekte\Transistortester\D
ebug/.././ReadADC.s(17,1):  R_AVR_13_PCREL against symbol `wait10ms'
defined in .text section in wait1000ms.o

Diese Fehlermeldungen waren alle ähnlich und bezogen sich auf ReadADC.S. 
Nun habe ich gelesen, daß ReadADC.c die gleichen Funktionen hat und habe 
deshalb versuchsweise RedADC.c genommen, statt ReadADC.S und siehe da es 
läuft.

Für mich stellt sich jetzt die Frage, wie sich das auf die Funktion des 
Gerätes auswirkt? Ein reines Geschwindigkeitsproblem? Oder hast Du etwa 
eine Erklärung für die Probleme?

Gruß Bruno

von Karl-Heinz K. (kubi48)


Lesenswert?

Bruno M. schrieb:
> Damit hatte ich zuletzt
> mehrere Fehlermeldungen wie:
>
> D:\Documents\Elektronik\Mikroprozessoren\GCC\Projekte\Transistortester\D
> ebug/.././ReadADC.s(17,1):  R_AVR_13_PCREL against symbol `wait10ms'
> defined in .text section in wait1000ms.o
>
> Diese Fehlermeldungen waren alle ähnlich und bezogen sich auf ReadADC.S.
> Nun habe ich gelesen, daß ReadADC.c die gleichen Funktionen hat und habe
> deshalb versuchsweise RedADC.c genommen, statt ReadADC.S und siehe da es
> läuft.
>
> Für mich stellt sich jetzt die Frage, wie sich das auf die Funktion des
> Gerätes auswirkt? Ein reines Geschwindigkeitsproblem? Oder hast Du etwa
> eine Erklärung für die Probleme?

Hallo Bruno,

zunächst kann ich wegen der Befürchtung eines Geschwindigkeitsproblem 
beruhigen. Die Assembler Version wurde nur wegen Platzproblemen beim 
ATmega8 eingeführt. Beim Beginn meiner Arbeit hatte ich auch den 
Ehrgeiz, eine Version für einen ATmega48 übersetzen zu können. Die 
Assembler Routine von ReadADC spart bei einem ATmega168 80 Bytes Code 
(Flash Speicher).
Ich entwickle unter (Ubuntu-) Linux mit einer avr-gcc Version 4.5.3 .
Mit dieser Version bekomme ich nicht einmal Warnmeldungen beim 
Übersetzen von ReadADC .
Eine mögliche Ursache für die Schwierigkeiten könnte ein rcall / call 
Problem sein. Wegen des größeren Adressraumes des ATmega168 kann ein
rcall nur eingeschränkt benutzt werden. Der rcall ist ein 
Unterprogrammaufruf mit 2 Byte Code. Der call ist ebenfalls ein 
Unterprogrammaufruf aber mit 4 Byte Code, bei dem die Zieladresse dafür 
im gesamten Speicherbereich liegen kann. Die Zieladresse wait10ms ist 
eine externe Adresse. Möglicherweise mag Deine Compilerversion keine 
kurze Adressierung für externe Adressen. Die Vorgehensweise ist auch 
riskant, da sich ja erst beim Binden der übersetzten Objekt-Module (.o) 
herausstellt, ob die kurze Adressierung überhaupt möglich ist.
Du kannst ja mal prüfen, ob sich die Fehlermeldungen alle auf rcall 
Befehle
beziehen. In diesem Fall kann man bei allen "rcall wait..." Aufrufe und 
dem "rcall __udivmodhi4" Aufruf das r entfernen (call statt rcall).
Dadurch wird dann 18 Byte mehr Code verbraucht, es verbleiben aber immer 
noch 62 Byte weniger als bei der C-Version.
Dummerweise kennt der ATmega8 den call Befehl nicht, für eine 
universelle Assemblerfunktion müßte der Code mit #IF Abfragen angepaßt 
werden.

Falls mein Tipp nicht zutreffend ist, bräuchte ich mehr Informationen:
Für welchen Zielprozessor (ATmega8 oder ATmega168) wird übersetzt?
Welche Compiler Version wird benutzt?
Auch die vollständige Fehlerliste wäre nützlich.
Um das Forum hier nicht vollzustopfen, kann man mich auch direkt unter 
meiner Email Adresse (1. Seite PDF-Doku) erreichen.

Grüße
Karl-Heinz

von Bruno M. (brumay)


Lesenswert?

Karl-Heinz Kübbeler schrieb:

>In diesem Fall kann man bei allen "rcall wait..." Aufrufe und
>dem "rcall __udivmodhi4" Aufruf das r entfernen (call statt rcall).

Alle Achtung, Volltreffer!!

Nun läuft der Code ohne Probleme.

Herzlichen Dank, Bruno

von Karl-Anton D. (rentnerd)


Angehängte Dateien:

Lesenswert?

Zuerst allen Mitarbeitern bei der Programmerstellung DANKE! für das 
tolle Messgerät!

Passend zu dem aktuellen Projekt habe ich meine Aufbau-Variante 
beschreiben.
Diese besteht aus Schaltplan, einseitigem PDF-Layout zum Selbermachen,
Bestückungsplan mit Bauteilliste, der Einbaubeschreibung ins Gehäuse und 
Tipps dazu.
Zum Schluss mein Weg, wie eine eigene Software-Variante (*.hex und 
*.eep) mit AVR Studio 4.18 erzeugt und in den ATmega168 programmiert 
werden kann.
Um diesen Thread nicht unnötig aufzublähen,findet sich alles unter
Beitrag "Transistortester AVR - Hardware"

Für Interessierte das Foto von meinem Aufbau.

Karl-Anton

von orange h. (Firma: N/A) (orange_hand)


Lesenswert?

Hi,

ich habe heute erst angefangen die Platine aus der Sammelbestellung zu 
bestücken. Ich muß sagen das die Platine eine echte Pfuscher Platine 
ist. Das man sich so etwas antun muß .... Nicht durchkontaktiert, die 
Komponentenabstände zu klein oder zu groß, der Schutzlack taugt nichts, 
die Lötpads sind teilweise zu klein, die Bohrlöcher für das Poti sind zu 
klein. Jetzt habe ich mir die Platine versaut, weil ein Lötpunkt so 
klein war das er kein Lötzinn angenommen hat. Ich kann die Platine 
wegwerfen. Dann noch die teilweise falsche Bestückungsmaske... Ich bin 
echt bedient.... Jetzt habe ich zwei Stunden verschwendet, ich hatte 
noch nie so eine Kackplatine am Start...

Grüße
Matthias

von Karol B. (johnpatcher)


Lesenswert?

Hi,

orange hand schrieb:
> ich hatte
> noch nie so eine Kackplatine am Start...
Ja, ich muss auch sagen, dass ich schon bessere Platinen verarbeitet 
habe. "Interessant" wurde es, als ich die Steckerleiste fürs Display 
nochmal entfernen musste. Aber am Ende tut sie dann doch was sie soll.

Mit freundlichen Grüßen,
Karol Babioch

von Barney Geroellheimer (Gast)


Lesenswert?

Wie jetzt, Ihr habt PCBs machen lassen und die haben keine 
Durchkontaktierungen ?

von orange h. (Firma: N/A) (orange_hand)


Lesenswert?

> Wie jetzt, Ihr habt PCBs machen lassen und die haben keine
> Durchkontaktierungen ?

Naja, darüber wurde vor der Bestellung nicht gesprochen. Ich bin davon 
ausgegangen, das die Platine durchkontaktiert wird und der Schutzlack 
Standardspezifikationen entspricht. Sonst hätte man auch gleich selber 
ätzen können. Wer geht denn schon davon aus das ein Platinenhersteller 
die Platine nicht durchkontaktiert und so einen weichen und dünnen 
Schutzlack aufträgt. Der Schutzlack ist so dünn, das man von einem 
Lötpunkt ausgehend das Lötzinn direkt weiter über die Massefläche ziehen 
kann. Das wäre ja nicht so schlimm, wenn die Pads das Lötzinn besser 
aufnehmen würden. In meinem Fall konnte ich einen Widerstand nicht 
festlöten, da das Lötzinn nicht auf dem Pad halten wollte. Es perlte 
immer nach oben ab. Ich habe dann versucht durch längeres Draufhalten 
und hin un her bewegen, das Lötzinn auf das Pad zu bekommen. Dabei bin 
ich dann abgerutscht und habe dadurch eine Brücke zwischen der 
Massefläche und einem anderen Pad erzeugt. Ich muss mal sehen ob ich das 
wieder hin bekomme.
Auch vom Konzept her ist es doch Pfusch wenn man Komponenten auf einer 
doppelseitig ausgelegten Platine von oben und unten löten muß. Der 
Sockel für den uProzessor kann dann nicht korrekt aufliegen, da dann 
kein Platz mehr zum Löten von oben vorhanden ist. Dazu hätte man die 
Pads an der Stelle größer gestalten müssen. Dann noch die 6 Pin Buchse 
für den Programmer. Wie soll man bitte das verdeckte Mittelpin von oben 
vernünftig anlöten ?
Ne, das kann ich leider nur als Pfusch bezeichnen. Ich hätte lieber 5 
EUR mehr bezahlt und dafür eine vernünftige Platine im Industriestandard 
gehabt.

Grüße
Matthias

von Konrad S. (maybee)


Lesenswert?

orange hand schrieb:
> Wer geht denn schon davon aus das ein Platinenhersteller
> die Platine nicht durchkontaktiert

War für mich keine Überraschung, weil

Oliver S. schrieb:
> Die wären im Gegensatz zum Platinenbelichter auch durchkontaktiert und
> mit Bestückungsdruck.

orange hand schrieb:
> Ich hätte lieber 5
> EUR mehr bezahlt und dafür eine vernünftige Platine im Industriestandard
> gehabt.

Ja, wäre weniger Fummelei gewesen.

von orange h. (Firma: N/A) (orange_hand)


Lesenswert?

> Die wären im Gegensatz zum Platinenbelichter auch durchkontaktiert und
> mit Bestückungsdruck.

Ja, habe ich wohl nicht gelesen, oder realisiert....

Wie auch immer, die Platine hat für mich einen billigen China Charakter. 
Werde zukünftig besser aufpassen bei solchen Aktionen. Schlimm, das wir 
deutschen auch schon anfangen zu pfuschen, sei es aus Unkenntnis oder 
Geiz .....

Grüße
Matthias

von Jörn P. (jonnyp)


Lesenswert?

Schlimm ist vor allen Dingen, das "wir Deutschen" nie selbst Schuld 
haben, sondern versuchen die eigene Dummheit anderen in die Schuhe zu 
schieben.

von orange h. (Firma: N/A) (orange_hand)


Lesenswert?

Hi Jörn,

es geht hier nicht um Dummheit oder jemand anderem die Schuld in die 
Schuhe zu schieben. Es geht hier um die Erwartungshaltung. Mir war nicht 
klar das die Leute mit derartigem Pfusch zu frieden sind. Ich dachte 
immer das auch hier im Forum ein gewisser Perfektionismus vorherrscht, 
doch da wurde ich eines besseren belehrt. Dies impliziert, das man am 
besten alles selbst macht..

Grüße
Matthias

von Jörn P. (jonnyp)


Lesenswert?

Hi orange_hand,
erst wollte ich schreiben: "Ich habs kommen sehen" (zusammen mit noch 
jemand aus dem Forum).
Die Antwort wäre dann gewesen: "Hinterher sind immer alle schlauer".

Dies ist ein ziemlich langer Fred und betreffs der hardware müßte man 
wohl ab dem oberen Drittel dieses Freds nachlesen was alles über das für 
und wider die hardware geschrieben wurde. Auch ich hab zum  ersten mal 
vom Platinenbelichter gehört und auch das er keine Durchkontaktierungen 
macht.
Auch das Konzept mit dem Display auf dem Rücken wurde besprochen, ebenso 
wurden hier größere Platinen vorgestellt, wo das Display auf der 
gleichen Seite ist.
Mike 0815 hatte hier z.B. eine einseitige Platine vorgestellt und bei 
ihm waren die Pads nicht zu klein für die Bohrungen.
Aber jeder der bestellt hat, hat die Platine vorher gesehen und der Dirk 
ist mit den Bestellungen kaum nach gekommen und imo (ich les das jetzt 
nicht nochmals nach) waren die Ersten mit der Platine zufrieden.

Bin gespannt, was andere Benutzer der Platine  schreiben.

von orange h. (Firma: N/A) (orange_hand)


Lesenswert?

Jörn,

ich denke ich muß einfach meine Erwartungshaltung runter schrauben. Bei 
den Projekten die ich bisher gemacht habe (in eimen anderen Forum), gab 
es derartige Probleme nicht. Das waren allerdings auch viel größere 
Platinen, da hätte man bei derartiger Qualität spätestens nach zwei 
Stunden den Hammer genommen....
Das lag dort wahrscheinlich an der Erwartungshaltung der Macher, die 
sich mit meiner deckt.
Es ist nur so das mir gestern echt die Hutschnur hochgegangen ist...

Grüße
Matthias

von H. W. (erazor)


Lesenswert?

orange hand schrieb:
> ich muß einfach meine Erwartungshaltung runter schrauben.


Ich denke, die überwiegende Erwartungshaltung hier war:
Hauptsache billig

von Barney Geroellheimer (Gast)


Lesenswert?

Und nicht zu vergessen, so schnell wie möglich. Deswegen wurde das 
Layout auch nichts.
Gut Ding will Weile haben, das sagte schon meine UrOma.

von Axel R. (Gast)


Lesenswert?

Mit einem Glashaarradierer war da nichts zu machen?
"Nimmt kein Zinn an" habe ich schon lange nicht mehr gehört (20Jahre), 
Flux oder in Schnaps aufgelöstest Kolophonium als Flussmittel sollte zur 
Not auch gehen, oder?.
Andererseits ist es schon bedenklich, das soetwas (bezogen auf die 
Qualität der Platinen)überhaupt vertrieben wird.
Macht doch mal ein - zwei scharfe, helle, kleine Fotos. (Bildformate :) 
)

Gruß AR

von Dirk W. (psychodirk)


Lesenswert?

Moin und "huch",

Also, ich hatte bisher nur Positive Rückmeldungen. PM oder Forum.
Ich habe 5 Teile gelötet ohne Probleme!

Vias waren --noch-- nicht vorgesehen.

Lötkolben ist auch ein Faktor!!! (Löttemp.)

Bei 70µ Kupfer und Lötschutzlack, ist der Preis Top.

Wenn wirklich der Eine oder Andere Probleme hat.. Werde ich gerne den 
Platinen-Belichter mailen, zwecks Ersatz.

Antworten bitte per PM.

LG
Dirk

von Barney Geroellheimer (Gast)


Lesenswert?

Wenn die Pads zu klein sind oder die Bauteile nicht passen, liegt das 
nicht am Belichter, sondern am bescheidenen Layout. Das musste ja alles 
ratz fatz gehen und wirklich diskutiert oder verbessert wurde hier ja 
nicht. Natürlich macht man die Pads größer, wenn man doch weiss das das 
Bleifrei verzinnt wird.
Irgendwer hat eine Platine gemacht und die musste dann vervielfältigt 
werden und das möglichst schnell und billig ohne das da auch nur eine 
mal ein Auge drauf geworfen hat. Und dann wundert man sich das sowas 
dabei raus kommt. Und das man Platinen mit DuKos bei einem Hersteller 
machen lässt, der keine DuKos machen kann ist doch wohl mehr als nur 
blöd.
Wer billig kauft, kauft zwei mal.

Damit keine Missverständnisse aufkommen. Der Platinenbelicher.de macht 
prima Platinen, wenn das Layout stimmt, das weiß ich aus Erfahrung und 
ich würde ihn jederzeit weiterempfehlen. Das er keine 
Durchkontaktierungen machen kann steht ja auf seiner Seite.

von Michael D. (mike0815)


Lesenswert?

@Jörn
> erst wollte ich schreiben: "Ich habs kommen sehen" (zusammen mit noch
> jemand aus dem Forum).
ich glaube, das war ich... ;-)
> Die Antwort wäre dann gewesen: "Hinterher sind immer alle schlauer".
leider...

@orange_hand
und NEIN! Diese Art von Ansprüchen, sehe ich als gerechtfertigt!
Da ich und noch "Jemand" aus dem Forum :-)  es eben genauso sehen, das 
dieses Projekt ein (vorsichtig ausgedrückt) professionelles Layout 
beansprucht und verdient!

Leider wurde darüber zu wenig Diskutiert und eingegangen.
Ich will Askos Arbeit bezüglich seines Layout's nicht schlecht reden, er 
hatte sein bestes gegeben und man sollte ihm auch nicht die Schuld dafür 
geben, nur wurden diverse Vorschläge eben nicht umgesetzt.
Das "Ding" genommen und ab in die Produktion, das war nicht genug 
durchdacht, jetzt ist der Ärger da...
Unter Anderem war auch der Grund dafür, die angehende 
Unübersichtlichkeit des Threads!

Wenn ich mich an ein Layout mache, dauert das Stunden, Tage oder sogar 
Wochen und trotzdem findet man selbst oder "Andere" immernoch ein paar 
Ecken u. Kanten, die es zu glätten gilt.

Gruß Michael

von H. W. (erazor)


Lesenswert?

Nu macht mal halblang:

Wenn jemandem die Platine nicht gefällt, hätte er sich nicht bestellen 
müssen. Jedenfalls wurde das Layout hier zig-mal gepostet. Jeder konnte 
sich das vorher ansehen. Wenn man selbst dazu zu faul ist, darf man sich 
hinterher nicht beschweren. Dass es nicht besonders geschickt ist, unter 
einem Wannenstecker eine Durchführung anzubringen die gelötet werden 
muss, ist ein Fehler, der in kürzester Zeit auffällt. Bei einer IC 
Fassung kann man geteilter Meinung sein. Erstens kann man auch ohne 
Sockel arbeiten und zweitens kann man vernünftige (gedrehte) Fassungen 
durchaus auf beiden Seiten löten.

Dass über das Design der Platine zu wenig diskutiert wurde, kann ich 
ebenfalls nicht nachvollziehen. Teilweise ging es tagelang nur noch um 
die Platine und die Frage, ob man da jetzt noch einen Pimmel verändern 
sollte oder nicht. Dabei muss man berücksichtigen, dass wir hier von 
einer absolut simplen Platine mit einer handvoll Bauteile reden. Alle 
Bauteile im 2,54mm Raster. Also im Grunde absolut anspruchslos.
Natürlich kann man Tage und Wochen an einer Platine zubringen, wenn 
einem langweilig ist. Oder wenn es eben ein anspruchsvolles Design ist.

Für den Vorgänger hab ich mir auch ein eigenes Layout gemacht weil mir 
keines, das ich irgendwo gefunden habe, gefallen hat. Das war in 2 
Stunden in 2 Varianten für unterschiedliche Displayanschlüsse und 
ISP-Anschluss fertig. Für die Platinenprofis, die hier jetzt ihre 
nachträglichen Kommentare abgeben, sollte das auch kein Problem sein.

Und wenn man nicht löten kann, dann ist das halt auch so eine Sache...
Im Zweifelsfall ist dann eben die Platine Schuld.

Viele Grüße

von Michael D. (mike0815)


Lesenswert?

moin,
der "Pimmel" z.B., wäre in diesem Fall, der ISP-Stecker gewesen.
Platz für ein 10-Pol wäre vorhanden und eigendlich sollte dieser von den 
Probpins getrennt werden, wegen den Parasitären...
Ein einseitiges Layout, was jetzt "keine Tage" gedauert hat ;-), wurde 
hier bereits gepostet(Ver.6.1.0)

Oder, das 10.3, würde dann nicht mehr veröffentlich.

Gruß Michael

von orange h. (Firma: N/A) (orange_hand)


Lesenswert?

Hi,

Ich habe gestern die Platine fertig gelötet, bis auf die Anschlüsse zum 
Display. Diese muss ich vorher noch prüfen, ob mein Display sich 1:1 
anschließen lässt. Und auch gestern ging es mit dem Löten nicht 
wesentlich besser.

> Und wenn man nicht löten kann, dann ist das halt auch so eine Sache...

Diesen Kommentar kann ich nicht auf mich beziehen, da ich in dem letzten 
Jahr mehrere Projekte (3 Synthesizer + Netzgerät) zusammengebaut habe. 
Jeder hatte jeweils mehr als 500 Bauteile. Die Geräte liefen all auf 
Anhieb, ohne jegliches Problem. Ich benutze einen Markenlötkolben und 
generell nur hochwertiges Werkzeug mit dem man vernünftig arbeiten kann. 
Daran kann‘s dann ja wohl nicht liegen. Von daher trifft der Kommentar 
nicht auf mich zu. Ich denke auch einige andere hier im Forum haben 
ähnliche Erfahrungen gemacht, oder gar nicht erst die Platine geordert, 
da sie diese Schwierigkeiten vorausgesehen haben.
Und ja, einen gedrehten Sockel kann man von beiden Seiten Löten, wenn 
die Pads auf der Oberseite groß genug ausgelegt sind und genug Platz zum 
Löten vorhanden ist. Ansonsten ergibt sich der Perleffekt und man erhält 
dann eine kugelförmige Lötstelle. Diese mag sogar noch leiten, aber ich 
sehe es als Pfusch an. Sorry, aber ich habe hier einen höheren Anspruch 
an meine Arbeit. Würde ein Lehrling so ein Werkstück einem Meister 
vorlegen, dann würde er es um die Ohren gehauen bekommen.

Wie auch immer, ich habe daraus gelernt und werde dieses Wissen beim 
nächsten Mal in meine Entscheidung einfließen lassen :-)

Jetzt habe ich noch eine Frage zum Programmieren des uControllers, denn 
das habe ich noch nie gemacht. Welche Optionen / Parameter (Fuses) muss 
man setzen ?

Grüße
Matthias

von H. W. (erazor)


Lesenswert?

orange hand schrieb:
>> Und wenn man nicht löten kann, dann ist das halt auch so eine Sache...
> Diesen Kommentar kann ich nicht auf mich beziehen,

orange hand schrieb:
> Ich habe dann versucht durch längeres Draufhalten
> und hin un her bewegen, das Lötzinn auf das Pad zu bekommen. Dabei bin
> ich dann abgerutscht

???


> Ich benutze einen Markenlötkolben und
> generell nur hochwertiges Werkzeug mit dem man vernünftig arbeiten kann.

orange hand schrieb:
> Wie soll man bitte das verdeckte Mittelpin von oben
> vernünftig anlöten ?

Mit vernünftigen Werkzeug geht auch das.


orange hand schrieb:
> die Bohrlöcher für das Poti sind zu klein.

Was kann man da bloß tun?

von Karl-Heinz K. (kubi48)


Lesenswert?

orange hand schrieb:
> Jetzt habe ich noch eine Frage zum Programmieren des uControllers, denn
> das habe ich noch nie gemacht. Welche Optionen / Parameter (Fuses) muss
> man setzen ?

Hallo Matthias,

das Setzen der Fuses wird von der Makefile gesteuert in Abhängigkeit von
Prozessor-Modell, Taktrate und Quarzbetrieb.
Bei Quarz Betrieb gibt es noch zwei Möglichkeiten:
Full swing Betrieb oder low power Betrieb.
Aufruf für full swing Betrieb: make fuses-crystal
Aufruf für low power Betrieb:  make fuses-crystal-lp

Voraussetzung ist ein funktionsfähiges avrdude Programm.

Wenn man unter Windows Bedienoberflächen nutzen möchte, kann man die
Hex-Werte für das lower Byte der Fuses (lfuse) und für das
high Byte der Fuses (hfuse) aus der Makefile auslesen z.B für ATmega168:

ifeq ($(PARTNO),m168)
MCU = atmega168
ifeq ($(OP_MHZ),1)
# RC operation ,CLK 1MHz
FUSES_INT = -U lfuse:w:0x62:m -U hfuse:w:0xdc:m
# -U efuse:w:0xf9:m
# Operation with 8MHz crystal and /8 divider , full swing crystal
FUSES_CRY = -U lfuse:w:0x77:m -U hfuse:w:0xdc:m
# -U efuse:w:0xf9:m
# Operation with 8MHz crystal and /8 divider , low power
FUSES_CRY_L = -U lfuse:w:0x7f:m -U hfuse:w:0xdc:m
# -U efuse:w:0xf9:m
else
# RC operation ,CLK 8MHz
FUSES_INT = -U lfuse:w:0xe2:m -U hfuse:w:0xdc:m
# -U efuse:w:0xf9:m
# Operation with 8MHz crystal and /1 divider , full swing crystal
FUSES_CRY = -U lfuse:w:0xf7:m -U hfuse:w:0xdc:m
# -U efuse:w:0xf9:m
# Operation with 8MHz crystal and /1 divider , low power
FUSES_CRY_L = -U lfuse:w:0xff:m -U hfuse:w:0xdc:m
# -U efuse:w:0xf9:m
endif
endif

Ich hoffe, das ich das nicht weiter kommentieren muß.
Die Reihenfolge der if Abfrage bezieht sich auf den trunk-Zweig
in SVN-Archiv, das letzte 0.97k Release hatte die Reihenfolge
(1 MHz und 8 MHz) noch anders herum.
Die Reihenfolge mußte wegen Test des 16 MHz Betriebs vertauscht werden!

Grüße
Karl-Heinz

von orange h. (Firma: N/A) (orange_hand)


Lesenswert?

Danke Karl Heinz,

welche Betriebsart empfiehlst Du für den Batteriebetrieb, low power oder 
ist der full swing auch möglich ?

In meinem Falle verwende ich
- µC ATmega 168
- Schwingquarz 8 MHz HC49U

Bedeutet also folgende Konfiguration:

full swing:
- lfuse = 0xf7
- hfuse = 0xdc
- efuse = 0xf9

oder low power:
- lfuse = 0xff
- hfuse = 0xdc
- efuse = 0xf9

Da ich mich noch gar nicht mit der Entwicklungsumgebung und dem 
Programmieren beschäftigt habe, muss ich mir erstmal einen Überblick 
verschaffen. Vielleicht erklärt sich ja auch jemand bereit mir einfach 
einen uController im Austausch oder gegen Bezahlung zu programmieren. 
Ich wollte mich nicht unbedingt in alle "bit and bobs" einlesen, wenn es 
nicht sein muss.

Grüße
Matthias

von orange h. (Firma: N/A) (orange_hand)


Lesenswert?

Hallo Karl-Heinz,

ich habe mir eben mal die letzte Firmware Version aus dem Archiv 
herunter geladen und die ReadMe.txt gelesen. Wenn ich das richtig 
verstanden habe, dann könnte ich einfach die version aus dem Default 
Ordner auf meinen 168 laden, denn diese enthält offensichtlich die 
Konfiguration, die ich benötige. Ist mein Verständnis richtig ?

Grüße
Matthias

von Karl-Heinz K. (kubi48)


Lesenswert?

Hallo Mathias,

ja, das hast Du richtig verstanden, der default Ordner enthält vorerst 
immer die Konfiguration für einen ATmega168 mit 8 MHz Quarz.
Lediglich die Kalibration auf das individuelle Exemplar für die 
Kapazitätsmessung kann man noch durchführen. Wenn man eine AVR 
Entwicklungsumgebung hat, werden dazu die Parameter in der Makefile 
angepaßt und mit make neu übersetzt. Im trunk Zweig 
(Entwicklungsversion) sind in der PDF-Doku die Messabweichungen 
verschiedener Exemplare graphisch dargestellt. Derzeit bin ich dabei 
auch mehrere ATmega168A zu vergleichen.

Grüße
Karl-Heinz

von Karl-Heinz K. (kubi48)


Lesenswert?

orange hand schrieb:
> Ich wollte mich nicht unbedingt in alle "bit and bobs" einlesen, wenn es
> nicht sein muss.

Nochmal Hallo Matthias,

der Full swing Betrieb des Quarzes arbeitet etwas störsicherer,
der low power Betrieb spart etwas Strom. Auf die Funktion hat das im 
allgemeinen keinen Einfluß.
Da ich noch mit Rechnern großgeworden bin, die mit einer Befehlszeile 
bedient werden, komme ich bestens mit der Linux Umgebung klar.
Wo es sinvoll ist, arbeite ich nach wie vor mit der Befehlszeile.
Fenster-Bedienoberflächen benutze ich nur da, wo es notwendig ist.
Die Software-Entwicklung ist ein zyklischer Prozeß, der aus
Editieren, Übersetzen und Programm Laden besteht.
Das klappt über die Befehlswiederholung auf Kommandozeilenebene prima.
Ich habe auch die Nebenarbeiten wie Fuses setzen in die universelle 
Makefile integriert. Die Makefiles in den default, mega8_auto und 
mega8_selftest Zweigen unterscheiden sich nur durch den gewählten 
Zielprozessor und die Optionen. Ich könnte also auch im default Zweig 
für einen ATmega8 konfigurieren. Wenn ich hier aber die anderen Optionen 
nicht gleichzeitig verändere, reicht der Speicher des Zielprozessors 
nicht.
Im übrigen sind die übersetzten Codes für die verschiedenen Prozessoren 
nicht kompatibel. Es wird aber der gleiche Quellcode (C und Assembler) 
verwendet. Wenn nötig, passt sich der Code über Preprozessor-Anweisungen 
dann selbst an. Das ist auch der Grund, warum die Makefiles in 
Unterverzeichnissen liegen. Der gemeinsame Quellcode befindet sich aus 
jedem dieser Unterverzeichnisse eine Ordnerebene höher.
Das Versenden eines fertig programmierten ATmega168 würde ich nur in 
Ausnahmefällen übernehmen. Die Entwicklung ist ja immer noch nicht 
abgeschlossen, sonst käme ich nachher gar nicht mehr zum 
Weiterentwickeln.

Wenn man überhaupt nicht mit Linux arbeiten will, weiß ich das es einige 
Nutzer geschafft haben, zumindestens den Übersetzungsvorgang mit meiner 
Makefile unter AVR Studio zu machen. Ob irgendeiner auch das Programm 
avrdude zum Laden des Programms in den ATmega unter Windows nutzt und ob 
das klappt, weiß ich nicht.
Vielleicht meldet sich ja Mal ein Windows Nutzer.

Grüße
Karl-Heinz

von Karl-Anton D. (rentnerd)


Lesenswert?

Hallo Matthias,

unter Beitrag "Re: Transistortester AVR - Hardware" im 
PDF-Dokument  (am Ende) 
http://www.mikrocontroller.net/attachment/150186/_Transistortester-Hardware.pdf 
habe ich beschrieben, wie es bei mir (unter Windows XP) mit AVR Studio 
4.18 und dem preiswerten USB-Programmer ALL-AVR geklappt hat.

Grüße

Karl-Anton

von Karl-Heinz K. (kubi48)


Lesenswert?

Hallo Karl-Anton, Hallo Matthias,

das Programm avrdude soll eigentlich auch unter Windows laufen, ich weiß 
nur nicht welche Version. Wenn das der Fall ist, müßte man eigentlich 
auch auf einer Windows Kommandozeile "make upload" oder "make 
fuses-crystal-lp" aufrufen können. Das Programmieren der richtigen Fuses 
wird dann von der Makefile gesteuert. Das Programm avrdude prüft vor dem 
Laden von Daten, ob der richtige Prozessor gewählt wurde. Da vor dem 
"make upload" immer automatisch ein "make" gemacht wird, kann man 
praktisch nichts falsch machen.
Die Programmierdaten werden immer entsprechend dem gewählten Prozessor 
neu erzeugt. Jede Änderung der Makefile erzwingt eine Neuübersetzung.
Wenn der Prozessor falsch gewählt wurde, verweigert avrdude das Laden 
der Daten.
Gefährlich ist nur, wenn man mit "make fuses-crystal-lp" einen 
Quarzbetrieb wählt, wenn kein Quarz angeschlossen ist.
Ich suche also jemanden, der auch mit Windows die volle Funktionalität 
der Makefile geprüft hat.

Im übrigen habe ich im SVN Archiv die Version 0.98k eingestellt.
Diesmal habe ich nach den Änderungen nicht ganz so gründlich einen 
Vollcheck gemacht wie sonst .

Grüße
Karl-Heinz

von orange h. (Firma: N/A) (orange_hand)


Lesenswert?

Danke Karl-Anton und Karl-Heinz für die Hinweise. Ich werde es mal 
ausprobieren, vielleicht bekomme ich es ja hin :-)

Grüße
Matthias

von Michael K. (elektronix00)


Lesenswert?

Hi @ all,

auch ich hatte schon vor langer Zeit geplant den Transistortester 
nachzubauen. Allerdings die erste Version von Markus. Die Platine hatte 
ich mir schon geätzt und nun wollte ich den ATMEGA 8 brennen und auf 
meiner selbstgebauten Entwicklungsumgebung testen. Die hex-Datei ließ 
sich ohne Problem brennen, bei der eep-Datei hatte ich Probleme, 
angeblich wäre sie zu groß. Nun muss ich aber vorweg sagen, dass ich 
eigentlich nur mit der Software BASCOM arbeite und damit meine Projekte 
programmiere. Aber auch mit dieser Software kann man fertig compilierte 
Dateien auf einen µC brennen.
Nachdem das Brennen der eep.Datei also nicht erfolgreich war, besuchte 
ich hier im Forum diese Seite und musste feststellen, dass dieses 
ursprüngliche Projekt weitergepflegt und auch weiterentwickelt wurde. 
Ich werde also nun die erste Platine schrotten und mir die neueste 
Version herstellen. Den ATMEGA 168 habe ich mir gestern bei meinem 
Händler bestellt, ich denke, dass ich die nächste Woche loslegen kann. 
Meine Erfahrungen und ggf. Änderungen werde ich natürlich mit der Kamera 
festhalten und hier ins Forum setzen.

Grüße

Michael

von Karl-Heinz K. (kubi48)


Lesenswert?

Michael Klein schrieb:
> Ich werde also nun die erste Platine schrotten und mir die neueste
> Version herstellen.

Hallo Michael,

man muß die alte Platine nicht wegschmeißen.
Auch die neue Software läuft auf dem alten Entwurf.
Auch den ATmega8 kann man problemlos durch einen ATmega168 ersetzen!

Es sind überhaupt keine Modifikationen absolut notwendig, um die
neue Software zum laufen zu bringen. Dazu müssen einige Optionen in
der Makefile anders als im Standard vordefiniert gesetzt werden.

Sinnvoll sind aber folgende Modifikationen, die man im Hardware-Kapitel
der PDF-Doku nachlesen kann. Den 8 MHz Quarz hatte ich bei meiner
alten Platine einfach auf der Lötseite an die Pins gefrickelt.
Die 22 pF Kondensatoren hatte ich weggelassen, funktioniert aber 
trotzdem.

Der Quarz-Betrieb ist allerdings nicht zwingend erforderlich!
Er wird ohnehin nur für die Kondensatormessung gebraucht.

Grüße
Karl-Heinz

von Michael D. (mike0815)


Lesenswert?

moin,
@Matthias
Ich hatte mal zwecks Studio-Kompilat, eine kleine Anleitung hier 
beschrieben, weiß gerade nicht wo...
Wenn du nicht zurecht kommst, schicke mir eine PN, dann sehen wir 
weiter.

@Michael
Mit Bascom die EEP auf den Prozessor zu bannen wird nicht funktionieren, 
da Bascom diese verfälscht überträgt!!! Dieses Problem hatten wir schon 
oft.
Ich kann dir den XtremBurner empfehlen, der ist unabhängig und schreibt 
die Daten korrekt in's Flash/EEprom.

Gruß Michael

von Karl-Anton D. (rentnerd)


Lesenswert?

Hallo Karl-Heinz,

das Übersetzen deines Programms 098k im DOS-Fenster mit
"make" im Ordner default funktioniert problemlos.

Fuses Orginalzustand mit AVR-Studio ausgelesen:
Extended:  0xF9     Soll: 0xF9
High:      0xDF           0xDC
Low:       0x62           0xFF

Wenn ich versuche, die fuses mit avrdude zu setzen, bekomme ich folgende 
Antwort.

Aufruf im DOS-Fenster: make fuses-crystal-lp
=>
make fuses-crystal-lp
D:\All-Elektronik\AVR-Studio4\ATmega168\ttester_098k\default>m
lp
avrdude -c avrisp2 -B 10.0 -p m168 -P usb  -U lfuse:w:0xff:m -
avrdude: usbdev_open(): did not find any USB device "usb"
make: *** [fuses-crystal-lp] Error 1

D:\All-Elektronik\AVR-Studio4\ATmega168\ttester_098k\default>

Wo muss ich meinen Programmer/USB festlegen? (ALL-AVR (= AVRISP mkII))

Nachdem das fuse-Brennen mit avrdude fehlgeschlagen war, habe ich diese 
mit AVR studio gesetzt und auch das Programm damit übertragen
=> alles ok!

Karl-Anton

von Karl-Heinz K. (kubi48)


Lesenswert?

Karl-Anton D. schrieb:
> Wo muss ich meinen Programmer/USB festlegen? (ALL-AVR (= AVRISP mkII))

Hallo Karl-Anton,

von der Makefile ist alles richtig konfiguriert.
Der Aufruf:
avrdude -c avrisp2 -B 10.0 -p m168 -P usb  -U lfuse:w:0xff:m ...
gibt den richtigen Programmer mit -c avrisp2 an.
Auch das Interface (Port) ist mit -P usb richtig angegeben.

Im avrdude Tutorial 
http://www.wiki.elektronik-projekt.de/mikrocontroller/avr/avrdude_tutorial 
ist davon die Rede, daß LibUSB installiert sein muß.
Liegt es vielleicht daran?
Aus dem Tutorial geht auch nicht deutlich hervor, in welcher Reihenfolge 
was installiert werden muß.

Ich selbst benutze ja Linux, aber auch bei Ubuntu lief avrdude nicht auf 
Anhieb.

Grüße
Karl-Heinz

von Barney Geroellheimer (Gast)


Lesenswert?


von Karl-Anton D. (rentnerd)


Lesenswert?

Hallo Karl-Heinz,

danke für die Hinweise.
Die Installation von LibUSB lass ich lieber sein, da ich ja keine 
Probleme habe. Nach der Beschreibung muss man einiges deinstalliern, 
dann wieder neu installiern, neuen USB-Treiber laden...
Am Ende geht bei mir dann weder USB-Tastatur noch USB-Maus und ich 
möchte auf diesem Rechner keinen Backup einspielen und dann wieder alles 
aktualisieren!

Karl-Anton

von Karl-Heinz K. (kubi48)


Lesenswert?

Karl-Anton D. schrieb:
> Die Installation von LibUSB lass ich lieber sein, da ich ja keine
> Probleme habe.

Hallo Karl-Anton,

leider konnte ich es nicht lassen, das bei meinem Windows 7 doch
auszuprobieren.
Wenn ich in einem cycwin Konsolen-Fenster avrdude wie hier angegeben 
aufrufe:
avrdude -p m168 -c avrisp2 -P usb -v

bekam ich auch die "did not find any USB device" Fehlermeldung.

Ich habe dann libusb-win32-bin-1.2.6.0 aus dem Internet geladen.
Im ausgepackten Verzeichnis habe ich den
"libusb-win32 Inf-Wizard"
ausgeführt (Doppelklick).
Mein Diamex ALL-AVR war dabei schon eingesteckt (USB).
Danach geht ein Fenster auf, wobei eine Auswahlliste von USB-Geräten 
erscheint, für die eine .inf Datei angelegt werden soll.
Hier habe ich meinen Programmer (Klone von AVR ISP MK2) ausgewählt und 
weiterinstallieren lassen.
Danach brachte der oben angeführte avrdude Aufruf die gewünschten 
Informationen über die Programmereinstellungen und die ID des 
angeschlossenen ATmega168A.
Eine Gewähr kann ich natürlich nicht geben.

Grüße
Karl-Heinz

von Michael K. (elektronix00)


Lesenswert?

Moin,

das hört sich ja gut an, dass ich die alte Platine doch noch nutzen 
kann.
Die Kondensatormessung hätte ich doch schon gerne mit drin gehabt, den 
ATMEGA 168 bekomme ich wohl nächste Woche.

Zum XtremBurner konnte ich zuerst nichts finden, unter XtremeBurner fand 
ich dann was im Netzt. Jetzt muss ich nur sehen wie ich das alles mit 
meinem selbstgebauten Parallelportprogrammer machen kann. Und welche 
Software ich dann auch noch zusätzlich installieren muss. Das ist 
nämlich auch der Grund, warum ich gleich die fertigen Dateien auf den 
ATMEGA 168 brennen wollte. Mit den Makefile Dateien kenne ich mich 
nämlich auch nicht aus, müsste ich mich dann auch noch reinlesen.

Kennt jemand eine Software mit der ich den ATMEGA direkt per 
Parallelportprogrammer brennen kann? Meine Entwicklungsumgebung ist ja 
auch selber gebaut und läuft in Verbindung mit meinem Programmer unter 
BASCOM prima.

schönen Sonntag

Michael

von Karl-Anton D. (rentnerd)


Lesenswert?

Hallo Michael,

die Programmer-Software "PonyProg2000 2.7c beta" kann man auf seriell 
oder parallel umstellen (läuft bei mir unter XP). Der ATmega 168 ist 
dabei, der ATmega 168A nicht. Ob es eine neuere Versionen gibt, habe ich 
nicht nachgeprüft.

Karl-Anton

von Michael D. (mike0815)



Lesenswert?

na dann wollen wir mal auspacken...

den eXtremburner1.1 z.B. gibt's hier:
http://extremeelectronics.co.in/avr-tutorials/gui-software-for-usbasp-based-usb-avr-programmers/
Soweit runterscrollen, bis deine gewünschte Version (u.A. auch Linux ist 
dabei) zum Download erscheint.
Es gibt noch eine 1.2 u. 1.3 Version, diese gehen dir aber auf die 
Nerven, wenn du die HEX neu kompiliert hast, wird immer nachgefragt, ob 
sie neu geladen werden soll. Bei der 1.1, geht es mit einem Button 
manuell von statten!
Der eXtrem unterstützt nur USB-ASP, den gibt's bei Ebay für um die 3€, 
für das Geld baut man keinen selbst.

Da wäre noch das myAVR ProgTool V 1.37 und unterstützt mehrere 
Programmer.
Welche das sind ist im Screenshot zu sehen.
Ich selbst, habe beides installiert und funktioniert einwandfrei!

Du brauchst jetzt nicht unbedingt den Mega168 um C's zu messen, das geht 
mit dem M8 auch wunderbar!
Bei bedarf, kann ich mein Kompilat hier hoch laden. Unterstützt wird 
Low-Drop-Regler und die Abschaltung, ansonsten sind "fast"alle Futures 
aktiviert(was relevant und wichtig ist).

Gruß Michael

von Michael K. (elektronix00)


Angehängte Dateien:

Lesenswert?

Hallo Michael,

das hast du ja sehr ausführlich beschrieben. Ich werde mir mal die 
Softwares runterladen und in Verbindung mit meinem Programmer testen. 
Für mich ist eigentlich die Kondensatormessung eher unwichtig, da ich 
ein Kapazitätsmessgerät habe. Wie du geschrieben hast, werden nicht alle 
Typen des ATMEGA 168 unterstützt. Welchen nehmen wir denn hier für 
dieses Projekt? Auch bei Reichelt habe ich verschiedene Typen finden 
können.
Als Anhang habe ich mal meinen aktuellen Schaltplan angehängt, der ist 
eigentlich soweit mit dem Ur-Schaltplan von Markus identisch. Nur die 
Bauteilewerte muss ich noch überprüfen.
Sollte ich diese Woche noch Aufträge reinbekommen und muss dann eh 
Platinen herstellen, dann werde ich mir dann doch das neuere Layout 
nehmen. Das wäre dann Version 5.2.1.?
Dann wäre ich auch für die Zukunft gewappnet, falls es Updates und 
Erneuerungen gibt. Den ISP Anschluss lasse ich aber weg, den ATMEGA kann 
ich ja auch auf meiner Umgebung brennen.

Gruß und nochmals Danke für die vielen Informationen

Michael

von Michael D. (mike0815)


Lesenswert?

moin Michael,
bei Reichelt werde ich diesen hier bestellen:
http://www.reichelt.de/Atmel-ATMega-AVRs/ATMEGA-168-20DIP/index.html?;ACTION=3;LA=2;ARTICLE=58324;GROUPID=2959;artnr=ATMEGA+168-20DIP;SID=12T3Xy4n8AAAIAABT0PlU8bccc99f6b44db843b9cfaa778ef89c9
ist die 20DIP-Ausführung, ansonsten gibt es ja noch die SMD-Ausführung 
im TQFP-32, ansonsten kenne ich keine.
Das ist ja auch wurscht, die gehen ja alle.

> Wie du geschrieben hast, werden nicht alle Typen des ATMEGA 168
> unterstützt.
Das habe nie geschrieben!?!

Den ISP-Connector würde ich auf jeden Fall mit einbauen, du wirst es 
bereuen, wenn nicht!
Allerdings würde ich dafür Jumper vorsehen, (so habe ich es gemacht) 
damit die Messungen nicht verfälscht werden.

Wenn du keine Kondensator-Messung brauchst, dann würde der Mega8 ja voll 
ausreichen. Das Future kann man nämlich per Makefile abschalten.

Schaltplan: Vor dem LF-Fuffzich, fehlt ein Elko oder wenigstens im 
Layout optional vorsehen!

Siehe hier:
Beitrag "Re: Transistortester AVR"

Gruß Michael

Gruß Michael

von Karl-Heinz K. (kubi48)


Lesenswert?

Michael Klein schrieb:
> Als Anhang habe ich mal meinen aktuellen Schaltplan angehängt, der ist
> eigentlich soweit mit dem Ur-Schaltplan von Markus identisch. Nur die
> Bauteilewerte muss ich noch überprüfen.

Hallo Michael,

den R4 würde ich kleiner wählen

die Verbindung von PD6 (12) nach C4 würde ich nicht direkt, sondern über 
einen Widerstand machen.

den C4 kann man auf 10nF verringern.

der C3 am AREF Pin sollte auf 1nF verkleinert werden.

Pin PD7 sollte mit einem Pullup Widerstand versehen sein.

Zusätzliche 100nF Kondensatoren direkt an den Versorgungs-Pins des 
ATmega können nicht schaden.

Den Quarz kann man weglassen, wenn die Kondensatormessung unwichtig ist.

Ich hoffe, daß ich jetzt nichts wichtiges vergessen habe.

Wenn man die Kondensatormessung in der Software per Option wegläßt,
misst der Tester auch keine Sperrschichtkapazität von Dioden und
auch keine Gatekapazität bei MOSFETs.

Kann Dein Kondensatormessgerät das überhaupt?
Mein LCR-Meter kann es nicht!

Grüße
Karl-Heinz

von Karl-Anton D. (rentnerd)


Lesenswert?

Hallo Michael,

entschuldige, wenn ich nörgle. Für T1 würde ich statt dem 100mA 
Transistor BC557 den stärkeren BC327/328 nehmen.
Um die Auflösung der Kontrasteinstellung zu verbessern, zwischen R12 und 
+5V einen zusätzlichen 22 k Widerstand einfügen.
C2 wie bei den Beispielen im Hersteller-Datenblatt auf 10uF erhöhen, die 
low-drop-Regler neigen zum Schwingen.
Falls möglich den 100nF C1 als SMD direkt unter dem IC-Sockel bei Pin 7 
und 8/22 auf der Lötseite platzieren.
Falls Du doch einen ISP-Sockel (10 oder 6-polig) vorsiehst, parallel zum 
Taster einen Jumper für den Programmier-Modus schalten.
Ganz gründliche Leute setzen vor den AVCC-Eingang eine Siebdrossel von 
10uH mit Abblockkondensator von 100nF.
Denk auch darüber nach, ob Du Portpin PC3 für RS232  Ausgabe nach außen 
führen willst.

Es sollte aber auch ohne diese Ergänzungen gehen...

Karl-Anton

von Michael D. (mike0815)



Lesenswert?

oder nimm das hier, ist erprobt, aufgebaut und alles druff!
Ausser der RS232 Anschluß, kann man ja noch irgendwo hin quetschen.
Statt dem BD140(war wohl etwas oversized) kann man auch, wie Karl-Anton 
schon erwähnte, den z.B. BC327 einsetzen

Gruß Michael

von Asko B. (dg2brs)


Angehängte Dateien:

Lesenswert?

Hallo Michael Klein

Die Version 5.2.1 ist zwar nicht mehr aktuell
funktioniert aber trotzdem.
Aber selbst in der letzten Version 5.2.3 ist
der LF50 nicht vorgesehen, weil der Elkos
am Ein- und am Ausgang benoetigt. Aber das laesst sich
sicher einfach realisieren.

Du kannst jedoch auch das von Karl-Anton oder
Michael D. vorgeschlagene Layout benutzen.
Funktionieren tuen sie alle gleich.

Mehr moechte ich heute nicht schreiben,
die Kirchturmuhr gongt schon maximalanzahl.

Gruss Asko.

von Barney Geroellheimer (Gast)


Lesenswert?

Michael D. schrieb:
> oder nimm das hier, ist erprobt, aufgebaut und alles druff!
> Ausser der RS232 Anschluß, kann man ja noch irgendwo hin quetschen.

Super Idee bei einem PDF einfach mal eine UART dazu zu basteln. Warum 
postest Du nicht Deine Eagle Files ?

von Peter ⛄ W. (Firma: Huddel und Brassel Ltd.) (jaffel) Benutzerseite


Lesenswert?

Das PDF ist eh nicht zu gebrauchen, weil es voller Kurzschlüsse ist.

von Michael K. (elektronix00)


Lesenswert?

Moin Freunde,

aus beruflichen Gründen komme ich leider nicht dazu den Thread mehrmals 
täglich weiterzuverfolgen. Deshalb bin ich heute morgen mal etwas früher 
aufgestanden. Schließlich bekomme ich ja von euch täglich so viele 
Informationen.

Mit der Ponyprog Software konnte ich leider meinen Programmer nicht 
ansprechen, deshalb überlege ich mir ob ich mir nicht doch einen dieser 
USB Programmer zulegen soll. Ist ja auch etwas zeitgemäßer.

Ich habe mich mal wegen dem Problem BASCOM / fremde eep-Dateien einlesen 
per Google schlau gemacht und eine Lösung gefunden. Man soll die *.eep 
einfach umbenennen in *.hex. Das habe ich gemacht und es hat 
funktioniert.

Wenn ich den Änderungen sowie Ergänzungen von Karl-Heinz und Karl-Anton 
vornehmen würde, müsste ich an meiner momentanen Platine auch 
"kosmetische" Änderungen vornehmen. Leiterbahnen auftrennen, neue 
Verbindungen legen usw.

Die Platinenversion von Michael ist bestimmt nicht schlecht aber SMD 
möchte ich vermeiden.

Ich denke, ich werde deshalb wenn ich eh wieder Platinen herstelle das 
aktuelle Board V 5.2.3 herstellen. (Danke Asko)

Zum Board V 5.2.3 hätte ich aber noch eine Anmerkung. Soweit ich weiss, 
sollen die beiden Lastkapazitäten am Quartz möglich dicht und 
gleichmäßig am Quartz liegen, also beide Leiterbahnen möglichst die 
gleiche Länge haben. Ansonsten finde ich das Layout sehr ausgereift. Ich 
werde dann statt dem 7805 den MCP1702 nehmen.

@ Karl-Heinz: Die Sperrschichtkapazität von Dioden und die Gatekapazität 
bei MOSFETs soll mein Komponententester dann doch schon können. Mein 
Kapazitätsmessgerät kann das natürlich auch nicht messen, genau wie dein 
LCR Meter.

Gruß Michael

von Michael D. (mike0815)


Angehängte Dateien:

Lesenswert?

moin,

@Barney
> Super Idee bei einem PDF einfach mal eine UART dazu zu basteln. Warum
> postest Du nicht Deine Eagle Files ?
Weil bei meinem letzten Post, sich keiner dafür interessierte und da 
viel Zeit drin steckt... da wollte ich erstmal die Resonanz abwarten.

@Peter W.
> Das PDF ist eh nicht zu gebrauchen, weil es voller Kurzschlüsse ist.
Der war gut... :-)))

@Michael Klein
Modifiziere doch erstmal deine alte Schaltung! Es müssen keine 
Leiterbahnen durchtrennt werden oder sonstiges.
Ergänzt werden ein Quarz und 2x 22pF. Desweiteren wird nur noch der 
100nF gegen einen 1nF getauscht oder kann auch weggelassen werden, muß 
aber im Makefile angegeben werden! Dann funktioniert das Teil, wie 
andere auch.

Askos Layout ist eine Double-Layer Version, meine ist einseitig mit ein 
paar Brücken.
Die SMD-Brocken sind nur die C's und können ohne große Veränderungen 
gegen bedrahtete getauscht werden, ausser C6/10nF. Der kann aber ein 
wenig verrückt werden, dann kann auch dieser als bedrahtete Version 
verbaut werden.

Gruß Michael

von Asko B. (dg2brs)


Lesenswert?

Hallo

Die Version 5.2.3 ist wie die Vorgaengervarianten
eigentlich auch eine einseitige Platine.
Nur fuer den ISP_Anschluss ist die zweite Leiterseite
beutzt. Der ISP-Anschluss funktioniert also bei
einseitiger Platine nicht. Da noch genuegend
Platz auf der Oberseite vorhanden war hab ich noch
die Leiterzuege fuer Taster, Led auf der Oberseite
gedoppelt. Auch sind alle Leitungen zu den
Messwiderstaenden und Messpins doppelt.
Doppelt haelt nun mal besser.
Funktionieren wuerde sie ebend auch einseitig.
Aber ebend ohne ISP.
Dann kam noch die wahlweise Bestueckung der
Spannungsregler dazu. Da waere dann ein einziger
kurzer Schaltdraht anzuloeten (bei 7805er).
Beim MCP 1702 nicht notwendig.
Die 5 Via´s neben dem ISP-Wannenstecker sind extra
so gross gewaehlt, das man sie bequem mit einem
Stueck Draht herstellen kann, selbst wenn man die
Platine als Einzelstueck zu Hause selbst macht
und keine Durchkontaktierungen selbst fertigen kann.
(Ich bin da von mir selbst ausgegangen)
Jetzt Passt auch ein stehender Wannenstecker, deswegen
sind es jetzt auch 5 statt vorher 2 Via´s.
Der Taster hat jetzt den Platz mit der Led getauscht,
so das es kein Problem mit einem Messadapter geben sollte.
Auch kann man jetzt die 100nF-Abblockkondensatoren im
2,5 oder wahlweise im 5mm Raster bestuecken.
Ich empfehle unbedingt eine Praezisionsfassung mit
gedrehten Kontakten fuer den AtMega.
Entgegen der "normalen" Vorgehensweise, die Widerstaende
zu erst aufzuloeten, empfehle ich die Fassung fuer
den AtMega zu erst aufzuloeten. Dann kommt man naemlich
noch prima an die Kontakte zum anloeten der Oberseite.
An die Widerstaende kommt man danach immernoch gut ran.
Selbst wenn es ein billigloetkolben aus dem Baumarkt ist.
Die Dinger zum Dachrinnenloeten sollte man jedoch nicht verwenden.  ;-)

Den Schaltplan habe ich immer noch nicht aufgeraeumt.
Schande ueber mich...
Aber durch die ganzen Aenderungen und tests ist er total unaufgeraeumt.
Bei Dieser kleinen Platine ist ja ein Schaltplan schon
fast ueberfluessig. Eigentlich sollte der Bestueckungsplan
ausreichen.

Die 22pF am Quarz haben mir selbst eigentlich auch nicht
so richtig gefallen. Ich haette sie auch gerne symmetrisch
und naeher am Quarz gehabt. Aber dann haette ich die Leiterzugbreite
und Isolationsabstaende verkleinern muessen.
Und genau das wollte ich nicht. Ich wollte es auch mit
meinen eigenen technischen Moeglichkeiten sauber hinbekommen.
Und SMD´s wollte ich sowieso nicht verwenden.

Die Idee einen Jumper zu benutzen um die Einschaltautomatik
zu ueberbruecken (beim flashen) finde ich nicht schlecht.

Mal abwarten was noch fuer Vorschlaege kommen, oder gar
fehlermeldungen. Irgendjeman schrieb mal, man kann ewig vor
selbst so einer kleinen Platine sitzen und findet immer
noch etwas zu aendern.
Dem kann ich nur zustimmen.

Das die Loetpads bei der von Dirk organisierten Platine
so klein sind, hat mich auch gewundert. Ich war der Meinung
die groesser gemacht zu haben.
Aber vielleicht lag es auch am Wandel von
Eagle-->Target--->Platinenbelichter.

Gruss Asko.

von Asko B. (dg2brs)


Lesenswert?

Zusatz

Wer eine doppelseitige durchkontaktierte Platine
der Version 5.2.2 oder 5.2.3 verwendet,
 !UND!  einen LM7805 im TO220-Gehaeuse verwendet,
sollte die Loetpads fuer den MCP 1702
unter der Kuehlflaeche des LM7805 isolieren.

Es koennte zu kurzschluessen kommen !

Bei Reglern mit TO92-Gehaeuse wie LM78L05
oder MCP 1702 ist das nicht notwendig.

Gruss Asko.

von Barney Geroellheimer (Gast)


Lesenswert?

Wenig Sinnvoll einen 1A Regler hinter einen 100mA Transistor zu 
schalten.

von Christian F. (cmf) Benutzerseite


Lesenswert?

Barney Geroellheimer schrieb:
> Wenig Sinnvoll einen 1A Regler hinter einen 100mA Transistor zu
> schalten.

Und wenn man nunmal nur einen 7805 und keinen 78L05 da hat? Soll ja mal 
vorkommen.

von Peter ⛄ W. (Firma: Huddel und Brassel Ltd.) (jaffel) Benutzerseite


Lesenswert?

Michael D. schrieb:
> @Peter W.
>> Das PDF ist eh nicht zu gebrauchen, weil es voller Kurzschlüsse ist.
> Der war gut... :-)))

Findest Du ? Ich nicht. Wofuer postest Du unnuetze Unterlagen, oder soll 
man die ganzen Bruecken rauskratzen ?

Christian F. schrieb:
> Und wenn man nunmal nur einen 7805 und keinen 78L05 da hat? Soll ja mal
> vorkommen.

Super Begruendung. Aber was wenn ich nur einen TO3 "rumliegen" habe ? 
Also passt doch bitte das Layout auch fuer einen TO3 an, denn den habe 
ich gerade rumliegen. Und ach ja, statt dem BC557 muss ich einen FET 
IRF2345 nehmen, weil ich keinen BC557 habe und ueberhaupt ist mir das 
Display mit Controller zu teuer, ich mochete eins ohne nehmen, also 
bitte auch auf einen brauchbaren AVR einigen.

von Christian F. (cmf) Benutzerseite


Lesenswert?

Peter W. schrieb:
> Super Begruendung. Aber was wenn ich nur einen TO3 "rumliegen" habe ?
> Also passt doch bitte das Layout auch fuer einen TO3 an, denn den habe
> ich gerade rumliegen. Und ach ja, statt dem BC557 muss ich einen FET
> IRF2345 nehmen, weil ich keinen BC557 habe und ueberhaupt ist mir das
> Display mit Controller zu teuer, ich mochete eins ohne nehmen, also
> bitte auch auf einen brauchbaren AVR einigen.

So wars nicht gemeint. Ich wollte nur Asko danken, dass er das gesagt 
hat und dass dieser* Kommentar eben Quatsch ist.

* Barney Geroellheimer schrieb:
> Wenig Sinnvoll einen 1A Regler hinter einen 100mA Transistor zu
> schalten.

von Michael D. (mike0815)


Lesenswert?

man Peter, komm mal wieder runter, hast du einen schlechten Tag oder 
was?
Ich dachte, du machst Spass...
Ich habe mir eben noch mal das PDF vom Bottom-Layer angeschaut und eben 
erst gesehen, das da noch der "Dummy-Layer" für das Display mit 
reingerutscht ist, also das falsche File gepostet. Da hätte ja mal 
Jemand sagen können, das da was nicht stimmt, dann hätte ich es 
korrigiert!!!

von Peter ⛄ W. (Firma: Huddel und Brassel Ltd.) (jaffel) Benutzerseite


Lesenswert?

Michael D. schrieb:
> Da hätte ja mal Jemand sagen können, das da was nicht stimmt, dann hätte
> ich es korrigiert!!!

Genau das habe ich getan.

von Bruno M. (brumay)


Lesenswert?

Super, auch mein Tester läuft prima und das mit einer einfachen 
Lochrasterplatine im Standardgehäuse.

Herzlichen Dank an Karl-Heinz.

Trotzdem wäre ich noch für Ratschläge zu 2 Problemen dankbar.

1. Wenn ich die Spannung einschalte ist die LED dunkel. Nach Drücken des 
Tasters geht die LED an. So weit OK. Das Problem ist aber, daß sie nicht 
mehr ausgeht. Das gleiche Verhalten zeigt sich auch schon ohne 
Microcontroller. Ich gehe mal davon aus, es ist einer der 3 
Transistoren, aber welcher und warum?

2. Ich schaffe es nicht, mit AVRStudio 6 das EEPROM zu brennen. Der 
Flash funktioniert. Beim EEPROM kommt jedesmal eine Fehlermeldung, daß 
er einen bestimmten Speicherplatz erwartet, aber einen anderen gefunden 
hat.Die genaue Fehlermeldung habe ich im Moment nicht vorliegen, da ich 
mit Ponyprog erfolgreich war. Damit allerdings nur wenn die Fuses im 
Originalzustand sind. Fuses programmieren kann ich wiederum nur 
anschließend mit dem Studio. Wahrscheinlich liegt das daran, daß mein 
ATMega168A bei Ponyprog nicht enthalten ist.
Natürlich gehe ich an den funktionierenden Controller nicht mehr dran 
und bei meinem Reservecontroller scheine ich bei der Testerei mit 
Ponyprog die Fuses so verstellt zu haben, daß er normal nicht mehr 
ansprechbar ist.

von Christian F. (cmf) Benutzerseite


Lesenswert?

Bruno M. schrieb:
> Super, auch mein Tester läuft prima und das mit einer einfachen
> Lochrasterplatine im Standardgehäuse.

Kannst du bitte dein Layout posten?
Ich habe auch vor mir den Tester auf Lochraster aufzubauen und vllt. ist 
dein Layout ja besser als meins?

Danke
Christian

von Bruno M. (brumay)


Lesenswert?

Christian F. schrieb:

> Kannst du bitte dein Layout posten?
> Ich habe auch vor mir den Tester auf Lochraster aufzubauen und vllt. ist
> dein Layout ja besser als meins?
>
Gerne, aber es wird noch etwas dauern, da ich bei der praktischen 
Umsetzung vom Ursprungskonzept doch etwas abgewichen bin. Muß ich also 
neu zeichnen, was ich aber sowieso vorhatte.

von Bruno M. (brumay)


Angehängte Dateien:

Lesenswert?

So, mein Controller läuft wieder. Alle Low-Fuses waren auf 0 gestellt!

Ein erneuter Programmierversuch gab wieder die gleiche Fehlermeldung 
beim verify:
1
Verifying EEPROM...Failed! address=0x0000 expected=0x01 actual=0x4f

Ich habe mir dann mal angesehen, was er programmiert hat und im 
Vergleich dazu die Ursprungsdatei(siehe Anlage).

Hat jemand eine Erklärung??

von Michael D. (mike0815)


Lesenswert?

Was für einen Programmer benutzt du denn?
und lies mal hier:
Beitrag "Re: Transistortester AVR"
alles erprobt u. funktioniert!

Gruß Michael

@Peter
bei dir weiß man nie, ob du gerade Spass machst oder es ernst meinst...
Mit der Schreiberei ist das immer so eine Sache, manches kann falsch 
rüber kommen, wenn du weißt, was ich meine?!?

Gruß Michael

von Karl-Heinz K. (kubi48)


Lesenswert?

Bruno M. schrieb:
> Ein erneuter Programmierversuch gab wieder die gleiche Fehlermeldung
> beim verify:
> Verifying EEPROM...Failed! address=0x0000 expected=0x01 actual=0x4f

Hallo Bruno,

wenn Du Dir diesen Thread ganz am Anfang durchliest oder auch das 
Vorwort bei meiner PDF-Doku, wirst Du sehen, daß genau dieses Problem 
der Grund war, warum ich überhaupt mit dem Verändern der Software des 
Transistortesters angefangen hatte.
Ich konnte mit meinem Diamex ALL-AVR Brenner nicht das EEprom eines 
ATmega8 beschreiben!
Als Lösung hatte ich damals den Code so verändert, daß ich ohne EEprom 
auskomme. Diese Fähigkeit gibt es auch noch bei der aktuellen Software.
Dazu muß in der Makefile die Zeile CFLAGS += -DUSE_EEPROM auskommentiert 
werden und natürlich neu kompiliert werden. Nachdem ich den selben 
Diamex Brenner unter Linux mit avrdude betreibe, habe ich dieses Problem 
nicht mehr. Ob avrdude unter Windows fehlerfrei läuft, weiß ich nicht 
genau. Es liegt also auf jeden Fall nicht an der Hardware oder den 
Prozessoren.
Siehe auch Beitrag "Re: Transistortester AVR" !

Die wahrscheinlichste Ursache für die Erscheinung mit der nicht 
ausgehenden LED-Beleuchtung des LCDs ist eine Hochfrequenz-Schwingung 
vom PNP-Transistor. Ich würde die Basis-Emitter Strecke mit einem 
Kondensator von 1 nF bis etwa 10 nF abblocken.

Grüße
Karl-Heinz

von Bruno M. (brumay)


Lesenswert?

Danke für die Infos! Da ich ja schon einen m168A erfolgreich 
programmiert habe, hake ich das Thema vorerst ab.

Karl-Heinz Kübbeler schrieb:

> Die wahrscheinlichste Ursache für die Erscheinung mit der nicht
> ausgehenden LED-Beleuchtung des LCDs ist eine Hochfrequenz-Schwingung
> vom PNP-Transistor. Ich würde die Basis-Emitter Strecke mit einem
> Kondensator von 1 nF bis etwa 10 nF abblocken.

Da habe ich mich offensichtlich nicht klar genug ausgedrückt. Ich meine 
nicht die LED des LCDs, sondern die Anzeige der Spannungsversorgung.

von Karl-Heinz K. (kubi48)


Lesenswert?

Bruno M. schrieb:
> Da habe ich mich offensichtlich nicht klar genug ausgedrückt. Ich meine
> nicht die LED des LCDs, sondern die Anzeige der Spannungsversorgung.

Hallo Bruno,

da der Fehler auch ohne ATmega auftritt, gehe ich davon aus, daß die
Basis von T1 (BC547) irgendwie über einen Widerstand von VCC Strom 
bekommt.
Ob das ein Isolationsproblem oder ein Verdrahtungsfehler (Lochraster) 
ist, kann ich nicht sagen. T1 ist der Transistor mit der LED am 
Kollektor.

Bitte überprüfen!

Wenn der Taster noch nicht gedrückt wurde, ist VCC 0V.
Wenn einmal eingeschaltet wurde (Taster), bleibt die VCC für immer 
eingeschaltet wenn die T1 Basis von VCC Strom bekommt.

Grüße
Karl-Heinz

von Bruno M. (brumay)


Lesenswert?

Karl-Heinz Kübbeler schrieb:

> Ob das ein Isolationsproblem oder ein Verdrahtungsfehler (Lochraster)
> ist, kann ich nicht sagen. T1 ist der Transistor mit der LED am
> Kollektor.

Problem gelöst! Eine Leiterbahn war nicht entsprechend durchgetrennt.

Danke für die Hilfe.

Gruß Bruno

von Bruno M. (brumay)


Angehängte Dateien:

Lesenswert?

Christian F. schrieb:

> > Kannst du bitte dein Layout posten?
> Ich habe auch vor mir den Tester auf Lochraster aufzubauen und vllt. ist
> dein Layout ja besser als meins?
>
Anliegend das Layout und zwei Bilder.

Gruß Bruno

von Assemblino (Gast)


Lesenswert?

Kann es sein, dass das hier eine Kopie des AVR Transistor-Testers / 
Komponenten-Testers ist, eventuell mit veränderter Firmware von den 
Chinesen?

http://www.ebay.at/itm/NEWEST-AVR-Transistor-Tester-meter-NPN-PNP-MOSFET-diode-triac-resistor-capacitor-/180942061357?pt=LH_DefaultDomain_0&hash=item2a20fcbf2d#ht_17438wt_1165

von Aleks (Gast)


Lesenswert?

Das ist er !

Es war mir von Anfang an klar, das er bald dort zu finden sein würde...

von Ingolf O. (headshotzombie)


Lesenswert?

Geänderte Firmware? Ha, ha, wenn man Resistor so falsch schreibt, wie 
auf dem Display zu sehen ist, dann ist mind. eine weitere Revision 
fällig!

von Michael K. (elektronix00)


Lesenswert?

Moin,

das ist ja wohl wirklich eine Frechheit. Da machen sich Leute hier im 
Forum sehr viel Mühe und investieren ihr Freizeit in ein Projekt und 
dann kommt jemand und schlägt Kapital daraus. Ich habe mir die Auktion 
angeschaut und auch gleich den Shop dieses Händlers besucht. Mir 
scheint, da wurden auch noch andere Projekte von privaten 
Elektronikseiten und Ideen aus Foren einfach geklaut und nachgebaut. 
Wollen wir doch nur hoffen, dass diese Kopie bei weitem schlechter ist 
als die momentane Version von unseren Machern hier im Forum. Dann bleibt 
wenigstens bei denen, die sich diesen billigen Chinaschrott gekauft 
haben die Erinnerung, dass es mal wieder eine Fehlinvestition war.

Grüße Michael

von Christian F. (cmf) Benutzerseite


Lesenswert?

Assemblino schrieb:
> Ebay-Artikel Nr. 180942061357

"Angebot ist beendet, da Artikel nicht mehr verfügbar"

Vorhin stand da noch "10 verfügbar"

Komisch

von nur ich (Gast)


Lesenswert?

Im ebay shop ist er noch zuhaben!!

von Bastler (Gast)


Lesenswert?

hallo,

die Firmware für den AVR-Transistortester kann man ja da runterladen:

-> http://frickelpower.bplaced.net/ctest/index.php?pglang=de

Wenn man die runterlädt bekommt man die Version vom Dezember 2010.

gibt es eine aktuellere Version auf der Basis des Atmega8?

Gruss

von Karl-Heinz K. (kubi48)


Lesenswert?

Bastler schrieb:
> gibt es eine aktuellere Version auf der Basis des Atmega8?

Hallo,

ja, die Eigenschaften der weiterentwickelten Version sind unter der 
Adresse http://www.mikrocontroller.net/articles/AVR_Transistortester 
kurz beschrieben. Die letzten Softwareversionen sowie die 
PDF-Dokumentationen sind im dort angegebenen svn Archiv zu finden.
Es gibt drei Unterverzeichnisse mit Programm-Daten:
atmega8_selftest  ATmega8 Version mit Selbsttest
atmega8_auto   ATmega8 Version mit Autoscale ADC Funktion, ohne 
Selbsttest
default     ATmega168 Version mit allen Funktionen

Grüße
Karl-Heinz

von Michael D. (mike0815)


Angehängte Dateien:

Lesenswert?

Hallo Karl-Heinz,
ich glaube, da ist in der SW ein kleiner Bug?!?
Es werden keine Dual-Dioden erkannt, statt dessen wird ein 
Widerstandswert ausgegeben, der jetzt nicht so hilfreich ist.
Anbei mal ein paar Pics.
Gemessen wurde mit der 2 verschiedenen Comptestern mit der Mega8 
Bestückung und deiner aktuellen SW.
Ich meine, diese Rectifiers schon früher mal gemessen zu haben, 
allerdings mit der alten Software und "Diese" als richtig erkannt 
wurden.
Kann das mal Jemand prüfen?

Gruß Michael

von Ingolf O. (headshotzombie)


Lesenswert?

Na ja, zumindest bei den dualen Dioden, wo die Pinbelegung ersichtlich 
ist, wäre das hinnehmbar, oder?
Wundern tät´s mich nur dann, wenn ein hfe-Wert etc. angezeigt würde! :D

von Peter ⛄ W. (Firma: Huddel und Brassel Ltd.) (jaffel) Benutzerseite


Lesenswert?

>Na ja, zumindest bei den dualen Dioden, wo die Pinbelegung ersichtlich
>ist, wäre das hinnehmbar, oder?

Noe, in der Originalversion von Markus funktioniert es doch.

Aber mal eine Frage am Rande. Was genau ist an dieser Version denn nun 
"besser" ? Aus dem Wiki ist nicht viel ersichtlich, da steht im Prinzip 
das gleiche drin wie im Wiki von Markus und den Thread mag ich jetzt 
auch nicht mehr komplett lesen.

Vielleicht kann mich mal jemand ueberzeugen, warum ich mir eine neue 
Platine machen sollte.

von Hubert G. (hubertg)


Lesenswert?

Das mit den Dualdioden habe ich gerade auch probiert.
Bei mir tritt das nur bei Dioden mit einer Durchlassspannung von <0,47V 
auf und , ich habe nur welche mit gemeinsamer Kathode, wenn die Kathode 
in der Mitte, also 2 ist. Lege ich die Kathode auf die Seite, 1 oder 3, 
wird richtig angezeigt.

von Dirk W. (psychodirk)


Lesenswert?

@ Peter W

Keiner soll dich überzeugen!

Warum auch? Das "alte" Layout/Platine tut es Ja.

Der Gedanke war nur eine einfache Platine für ALLE zu erstellen.
Ich habe mit vielen hier im Forum an dem Layout mitgearbeitet (12%) und 
heraus kam eine wirklich schöne und einfach zu bestückende...!

Ergo: brauchts du nicht aber viele sind dankbar für die Mühe, die einige 
geleistet haben.

Lg
Dirk

PS: Ich habe immer noch Anfragen, z.B aus Ungarn, Ö-Reich, CZ uva.

von Peter ⛄ W. (Firma: Huddel und Brassel Ltd.) (jaffel) Benutzerseite


Lesenswert?

Es ging mir weniger um die Platine als um die Software. Was genau ist 
daran nun besser ?
Ich meine dieser Thread ist ja nun Ellenlang, dass muss ja irgendeinen 
Grund haben. Und es wird ja noch immer an der Software gebastelt. Was 
kann die denn nun besser als die Originale von Markus, ausser das sie 
zusaetzlich seltsame Zeichen im Display zeigt ?

von Dirk W. (psychodirk)


Lesenswert?

Dann frage K.H. oder lese pdf im Fred.

LG
Dirk

von Peter ⛄ W. (Firma: Huddel und Brassel Ltd.) (jaffel) Benutzerseite


Lesenswert?

Sehr hilfreiche Antwort, da waere ich ohne Deinen Kommentar nicht drauf 
gekommen. Danke.

von Ingolf O. (headshotzombie)


Lesenswert?

Peter W. schrieb:
> Ich meine dieser Thread ist ja nun Ellenlang, dass muss ja irgendeinen
> Grund haben.

Ist das so schwer zu erkennen? Das große Interesse am Tester und einige, 
vermutlich trollgesteuerte, Anfragen bestimmen die Threadlänge! ;-)

von Karl-Heinz K. (kubi48)


Lesenswert?

Peter W. schrieb:
> Es ging mir weniger um die Platine als um die Software. Was genau ist
> daran nun besser ?

Der Meßbereich für Kondensatoren ist auf derzeit 25pF bis 40mF 
erweitert.
Widerstände werden einigermaßen genau von ca. 1 Ohm bis etwa 50 MOhm 
gemessen (Auflösung der Anzeige 0,1 Ohm).
Der Verstärkungsfaktor von Darlington-Transistoren wird bis über 65000 
gemessen.
Die Kapazität von Dioden in Sperrichtung wird automatisch bestimmt.

Am besten liest man aufmerksam die PDF-Doku im SVN-Archiv um den Aufwand 
bei der Softwareentwicklung abschätzen zu können!

Das WIKI http://www.mikrocontroller.net/articles/AVR_Transistortester 
ist bewußt kurz gehalten, die Meßverfahren sind in deutsch und englisch 
im PDF dokumentiert! Sogar ein Vergleich der Meßergebnisse zwischen 
alter Version und der neuen ist graphisch dargestellt.

Grüße
Karl-Heinz

von Peter ⛄ W. (Firma: Huddel und Brassel Ltd.) (jaffel) Benutzerseite


Lesenswert?

Karl-Heinz Kübbeler schrieb:
> Der Meßbereich für Kondensatoren ist auf derzeit 25pF bis 40mF
> erweitert.
> Widerstände werden einigermaßen genau von ca. 1 Ohm bis etwa 50 MOhm
> gemessen (Auflösung der Anzeige 0,1 Ohm).
> Der Verstärkungsfaktor von Darlington-Transistoren wird bis über 65000
> gemessen.
> Die Kapazität von Dioden in Sperrichtung wird automatisch bestimmt.

Genau das wollte ich wissen, vielen Dank.

Eine "Messbereichsterweiterung" oder "genauere" Messwerte brauche ich 
nicht, dass machen Messgeraete besser. Ich dachte dieser 
"Bauteiletester" hat neue Komponenten bekommen, dass waere ein Grund 
gewesen zu aktualisieren.

von Michael D. (mike0815)


Lesenswert?

zum Beispiel:

1. Die seltsamen Zeichen--> Symbole, sparen Speicherplatz im µC!
2. Die Genauigkeit ist um Einiges verbessert worden, durch den externen 
Takt (Quarz)
3. Die Widerstandsmessung geht bis unter 1 Ohm
4. Kapazitätsmessung geht jetzt ab ca. 35pF bis ...
..wahrscheinlich geht noch mehr, ausser der BUG, den ich ja weiter oben 
beschrieben habe.

Die Platine hat sich, bis auf kleine Erweiterungen, die für die Funktion 
im Moment unbedeutend sind, kaum verändert. die SW funktioniert auch mit 
der alten Version!
Das alte Layout ist bis auf Kleinigkeiten, wie Quarz und dessen C's, 
ebenfalls nachrüstbar.
Siehe hier:
Beitrag "Re: Transistortester AVR"
Der 100nF am AREF-Pin, sollte noch gegen einen 1nF getauscht werden.

Die externe Referenz ist ein Future, das in der Soft noch nicht 
implementiert ist, ob der Anton da was gemacht hat, weiß ich im Moment 
nicht. UART ist noch möglich...

Gruß Michael

von Michael D. (mike0815)


Lesenswert?

oh, Karl-Heinz war schneller :-(

Hallo Karl-Heinz,
Das hier gelesen?

Beitrag "Re: Transistortester AVR"

Gruß Michael

von Karl-Heinz K. (kubi48)


Lesenswert?

Michael D. schrieb:
> Hallo Karl-Heinz,
> ich glaube, da ist in der SW ein kleiner Bug?!?
> Es werden keine Dual-Dioden erkannt, statt dessen wird ein
> Widerstandswert ausgegeben, der jetzt nicht so hilfreich ist.

Hallo Michael,

es werden schon auch Dual-Dioden erkannt. Wenn ich z.B. einen 
Brückengleichrichter prüfe, habe ich im Prinzip auch eine Dual-Diode, 
wenn ich die beiden Wechselspannungseingänge anschließe.
Trotzdem muß ja irgend etwas schief gehen.
Wird dann eine einzelne Diode der Dualdiode erkannt?
Wenn ja, welche Parameter werden gemessen?
Ist der Kapazitätswert in Sperr-Richtung vielleicht besonders hoch?

Grüße
Karl-Heinz

von Dirk W. (psychodirk)


Lesenswert?

Moin,
langsam runterfahren!

Es ist ein BAUTEILETESTER und nicht ein MESSGERÄT!

Was bisher von vielen, und besonders von K.H. ermöglicht wurde ist doch 
einmalig.

Da ja auch die Chinies das Teil nachbauen!!!

Bitte Ruhe.

Es klappt alles.

Dirk

von Peter ⛄ W. (Firma: Huddel und Brassel Ltd.) (jaffel) Benutzerseite


Lesenswert?

Dirk Willner schrieb:
> Es ist ein BAUTEILETESTER und nicht ein MESSGERÄT!

Eben und das scheinen hier viele nicht zu begreifen, wie z.B.

>2. Die Genauigkeit ist um Einiges verbessert worden, durch den externen
>Takt (Quarz)
>3. Die Widerstandsmessung geht bis unter 1 Ohm

Wenn ich allein schon Genauigkeit lese....

Und logisch bauen die das nach, Du siehst doch das es weg geht wie warme 
Semmeln.
Ich an Markus Stelle haette da laengst den Daumen drauf gedrueckt.

von Dirk W. (psychodirk)


Lesenswert?

Ob Markus, Asko, K.H., Ich, alle die mitgwirkt haben..

Einen Gebrauch-Muster-Schutz oder Patent ist teuer...

Es ist ein GUI-Projekt.

Das soll es auch bleiben.

Was möglich ist, nur die Software von K.H zu schützen, das ist Geistiges 
Eigentum.

Mehr geht nach Recht nicht.

Dirk

von Michael D. (mike0815)


Lesenswert?

Hallo Michael,

> es werden schon auch Dual-Dioden erkannt. Wenn ich z.B. einen
> Brückengleichrichter prüfe, habe ich im Prinzip auch eine Dual-Diode,
> wenn ich die beiden Wechselspannungseingänge anschließe.
> Trotzdem muß ja irgend etwas schief gehen.
Ja, und was, eine Idee?

> Wird dann eine einzelne Diode der Dualdiode erkannt?
Ja, wird.
> Wenn ja, welche Parameter werden gemessen?
> Ist der Kapazitätswert in Sperr-Richtung vielleicht besonders hoch?
Nein, die Kapazität beträgt 0pF und manchmal 7pF.

Bei der MBR20100CT wird z.B. 485mV / 0pF angezeigt, wenn ich nur eine 
Anode u. Kathode in die Probpins stecke.

Gruß Michael

von Karl-Heinz K. (kubi48)


Lesenswert?

Michael D. schrieb:
> Nein, die Kapazität beträgt 0pF und manchmal 7pF.
>
> Bei der MBR20100CT wird z.B. 485mV / 0pF angezeigt, wenn ich nur eine
> Anode u. Kathode in die Probpins stecke.

Hallo Michael,

leider habe ich derzeit noch keine Idee. Aus dem Springen der
Kapazitätsanzeige von 0 auf 7 pF lese ich, daß Du den Tester noch
bei 1 MHz Takt betreibst. Das Wechseln auf 8 MHz ist durch
Umprogrammieren der fuses möglich, dafür braucht es keinen Quarz!
Da ich keine Schottky Dualdioden vorrätig habe, kann ich den Effekt 
leider nicht selber testen.
Das muß ich leider aufschieben. Ich werde das in die Fehlerliste 
aufnehmen.

Grüße
Karl-Heinz

von Michael D. (mike0815)


Lesenswert?

Hallo Karl-Heinz,

Der Mega8 taktet mit externen Takt
die Anzeige springt nicht von 0 auf 7pF. Das passiert nur, wenn ich die 
Diode umstecke. Benutze ich den linken u. mittigen Pin, werden 0pF 
angezeigt, auch wenn ich das Bauteil herum drehe, was ja auch ok so ist.
Messe ich mitte Pin u. rechten Pin, werden 7pF angezeigt, egal wie rum 
ich den Probanten drehe.
Also entweder habe ich was kapazives am rechten Probpin, was ich 
bezweifle, da ich die Leiterbahnseite mit Lack überzogen habe oder der 
Mega8 hat am Messpin ein internes Problem!?!
Bei Gelegenheit werde ich den M8 mal austauschen, mal sehen, wie sich 
das dann verhält.
Ich konnte endlich einen Lieferanten für den Mega328 ausfindig machen 
und habe mal gleich einen Sack voll bestellt, müsste nächste Woche 
eintreffen.
Werde den dann auch mal in den Sockel stecken und testen, werde dann 
berichten. Hattest du diesen schon getestet?

Gruß Michael

von Karl-Heinz K. (kubi48)


Lesenswert?

Michael D. schrieb:
> Ich konnte endlich einen Lieferanten für den Mega328 ausfindig machen
> und habe mal gleich einen Sack voll bestellt, müsste nächste Woche
> eintreffen.
> Werde den dann auch mal in den Sockel stecken und testen, werde dann
> berichten. Hattest du diesen schon getestet?

Hallo Michael,

den Mega328 hatte ich auch mal getestet, er verhält sich ähnlich wie der
ATmega168. Intensiver beschäftigt habe ich mich mit den mega168, 
mega168A und den mega168PA Prozessoren. Jeweils drei Exemplare habe ich 
auf die Unterschiede bei der Kondensatormessung untersucht.
Bei allen drei Reihen sind Unterschiede bei der Messung kleinerer 
Kondensatoren (< 40 µF) festzustellen.
Der Nulloffset der Kapazitätsmessung ist mit der Vorversion der 0.99k im
trunk Zweig des svn Archivs 
http://www.mikrocontroller.net/svnbrowser/transistortester/Software/trunk/ 
im Selbsttest-Zweig abzugleichen.
Allerdings wird derzeit nur ein Mittelwert aller drei Pin-Kombinationen 
berücksichtigt. Ich hatte bei einer Kombination eine Abweichung von 2 
pF, die ich in der Software zusätzlich ausgleiche. Vielleicht muß man 
die Nulloffsets doch für die einzelnen Pin-Kombination berücksichtigen.
Allerdings ist der Platz im EEprom schon knapp. Man kann zwar Texte aus 
dem EEprom in den Flash Speicher verschieben, dann wird es aber für den 
ATmega8 im Flash Speicher eng.
In der letzten Version hatte ich für den ATmega168 auch eine 
Korrekturkomponente für die Kondensatormessung eingebaut, die von der 
Anstiegsgeschwindigkeit der Spannung abhängig ist. Hier muß ich noch 
untersuchen, ob dieses Verhalten für den ATmega328P gleich ist.
Näheres zu den durchgeführten Meßreihen kann man in der PDF-Doku (im 
trunk Zweig) nachlesen inklusive der graphischen Darstellung der 
Meßfehler.

Grüße
Karl-Heinz

von Karl-Heinz K. (kubi48)


Lesenswert?

Peter W. schrieb:
> Eine "Messbereichsterweiterung" oder "genauere" Messwerte brauche ich
> nicht, dass machen Messgeraete besser.

Hallo Peter,

leider kann ich es mir nicht verkneifen, Dich doch mal zu fragen,
wie Du mit Deinen Meßgeräten die Gatekapazität eines MOSFETS oder die 
Kapazität einer Diode in Sperr-Richtung misst.
Hast Du das schon mal versucht?
Hast Du schon mal versucht einen Kondensator mit mehr als 20 mF zu 
messen, oder einen Widerstand mit mehr als 20 MOhm ?

Ich bin nach wie vor selbst begeistert von der Leistungsfähigkeit des 
TransistorTesters.
Aber wenn einer nicht will, habe ich auch nicht vor, den zu überzeugen!

Grüße
Karl-Heinz

von Karol B. (johnpatcher)


Lesenswert?

Dirk Willner schrieb:
> Einen Gebrauch-Muster-Schutz oder Patent ist teuer...
Wer hat denn davon geredet das Ganze in irgendeiner Form zu schützen? 
Auch wenn ich auf die Schnelle keine expliziten Lizenerklärungen finden 
konnte, war doch der Grundgedanke des Projekts - so behaupte ich jetzt 
einfach mal - die "freie" Entwicklung. Wie kommst du also auf diesen 
Dampfer?

Dirk Willner schrieb:
> Es ist ein GUI-Projekt.
Und wofür steht GUI hier? Die gängige Abkürzung für "Graphical User 
Interface" ergibt in diesem Zusammenhang keinen Sinn. Eine andere ist 
mir in diesem Kontext nicht bekannt und konnte ich auch nicht finden.

Dirk Willner schrieb:
> Was möglich ist, nur die Software von K.H zu schützen, das ist Geistiges
> Eigentum.
Vielleicht reagiere ich ja beim Begriff "Geistiges Eigentum" ein wenig 
zu allergisch, aber was genau gibt es denn hier schützenswertes? Gerade 
aus Sicht von Karl-Heinz, der ja im Wesentlichen "nur" die Software von 
Markus Frejek pflegt.

Damit möchte ich keineswegs Karl-Heinz bzw. seine geleistete Arbeit 
abwerten. Ganz im Gegenteil: Karl-Heinz leistet hier großartige Arbeit 
und das bleibt hoffentlich in absehbarer Zeit auch so ;). Aber jeden 
Firlefanz als "geistiges Eigentum" zu bezeichnen, halte ich für 
problematisch und mitunter als einen Grund für die vielen Patent- und 
Rechtsstreite in der Branche, die niemand anderem Schaden als uns - dem 
Verbraucher.

von H. W. (erazor)


Lesenswert?

Karl-Heinz Kübbeler schrieb:

> Ich bin nach wie vor selbst begeistert von der Leistungsfähigkeit des
> TransistorTesters.
> Aber wenn einer nicht will, habe ich auch nicht vor, den zu überzeugen!
>
Entspann Dich.
Die meisten finden das Projekt und die Arbeit hier super.
Das ist ja auch schon an den vielen Rückmeldungen zu erkennen.
Mit so wenig Hardwareaufwand so viel erreichen.
Dazu kommen noch die vielen stillen Mitleser und Nachabauer.

Leider ist es in dem Forum hier üblich, dass man kein Thema aufmachen 
kann ohne dass spätestens mit dem 3. Beitrag einer meckert.
Aber so ist das eben, in der Pubertät ...

Herzlichen Dank und viele Grüße

von Hubert G. (hubertg)


Angehängte Dateien:

Lesenswert?

Das mit dem Meckern ist so ein Problem.
Mir ist etwas durch Zufall aufgefallen.
Ein Poti angesteckt, Schleifer in der Mitte. In einer bestimmten 
Schleiferstellung ist in der Anzeige Pin 1 und 2 vertauscht.
Mich stört das nicht sonderlich aber vielleicht kann Karl-Heinz was 
damit anfangen.

von Karl-Heinz K. (kubi48)


Lesenswert?

Hubert G. schrieb:
> Mir ist etwas durch Zufall aufgefallen.
> Ein Poti angesteckt, Schleifer in der Mitte. In einer bestimmten
> Schleiferstellung ist in der Anzeige Pin 1 und 2 vertauscht.

Hallo Hubert,

es kann durchaus vorkommen, daß in der Nähe der Endstellung mal
etwas vertauscht wird. Bei der Widerstandsmessung werden separat
drei Widerstände gemessen: Pin 1:2, Pin 2:3 und Pin 1:3 .
Für die Anzeige muß der größte weggelassen werden.
Das sollte für Dein Beispiel immer die Kombination 1:3 sein.
Wenn aber in Deinem Beispiel die 2:3 als größter Widerstand gemessen 
wird, kommt es zu dem Tester_01k Beispiel.
Zur Kontrolle könntest Du in diesem Fehlerfall einfach den Pin 1 lösen 
und den dann angezeigten Widerstandswert mit dem im Fehlerfall 
angezeigten 1:3 Widerstand vergleichen. Wenn der 2:3 Widerstand größer 
oder gleich ist, ist der Fehler erklärt. Abhilfe ist nur möglich, wenn 
die Meßfehler weiter minimiert werden.
Man sieht an der Summe der beiden angezeigten Widerstände, daß die 
Messung nicht ganz stabil ist. Eigentlich sollte die Summe in allen 
Beispielen den gleichen Wert ergeben.
Bisher wird in der Software der Innenwiderstand der Port-Ausgänge nur 
als Mittelwert für alle Ports berücksichtigt. Wenn man die 
Innenwiderstände für die Port-Ausgänge einzeln berücksichtigen wollte, 
kann man das Programm nicht mehr auf einem ATmega8 laufen lassen.

Solch einen Beitrag im Thread betrachte ich nicht als Meckern. Ich bin 
nach wie vor an Fehlerbeschreibungen und Auffälligkeiten bei der 
Benutzung der Tester-Software interessiert. Ich kann beim besten Willen 
nicht alles testen. Ich bin also auf das Melden von Problemfällen 
angewiesen.


Grüße
Karl-Heinz

von Christian F. (cmf) Benutzerseite


Lesenswert?

Karl-Heinz Kübbeler schrieb:
> Wenn man die
> Innenwiderstände für die Port-Ausgänge einzeln berücksichtigen wollte,
> kann man das Programm nicht mehr auf einem ATmega8 laufen lassen.

Könnte man das nicht trotzdem als Option einführen?
Entweder so:
1
#ifdef __ATMEGA8__
2
#define bla DURCHSCHNITT
3
#elif __ATMEGA168__
4
#define bla1 xx
5
#define bla2 yy
6
#endif

Oder vllt. auch wenn mehr als 8kB vorhanden sind. (Das wird doch auch in 
einem Define mitgeliefert?)

von Michael D. (mike0815)


Angehängte Dateien:

Lesenswert?

Hallo Karl-Heinz,

> In der letzten Version hatte ich für den ATmega168 auch eine
> Korrekturkomponente für die Kondensatormessung eingebaut, die von der
> Anstiegsgeschwindigkeit der Spannung abhängig ist. Hier muß ich noch
> untersuchen, ob dieses Verhalten für den ATmega328P gleich ist.
Dieselbe Korrektur ist doch auch für den Mega8 vorhanden?!? Ich habe 
diese schon in Anspruch genommen und im Makefile editiert, oder sehe ich 
das falsch?

Jetzt habe ich allerdings noch ein anderes Problem:
Es lassen sich mit deinem Makefile alle µC kompilieren ausser der 
Mega328.
Nach einer kleinen Suche im Makefile habe ich einen kleinen Fehler 
entdeckt. Da wird der m328p ohne "p" initialisiert und das Studio 
pöpelt, das es die MCU nicht kennt:
-----------------------------------
ifeq ($(PARTNO),m328p)
MCU = atmega328p
-----------------------------------
Das "p" habe ich mal ergänzt, jetzt wird der Prozessor zwar erkannt aber 
irgendwie scheint es hier Probleme mit den lcd-routines zu geben.
Könntest du das fixen? Ich habe da mal keinen Plan...

Anbei mal ein Pic von der Fehlermeldung.
Es dreht sich hier immer um deine letzte SW-Version!

Gruß Michael

von Karl-Heinz K. (kubi48)


Lesenswert?

Christian F. schrieb:
> Könnte man das nicht trotzdem als Option einführen?
> Entweder so:#ifdef __ATMEGA8__
> #define bla DURCHSCHNITT
> #elif __ATMEGA168__
> #define bla1 xx
> #define bla2 yy
> #endif

Hallo Christian,

die Schwierigkeit besteht darin die individuellen Port-Widerstände zu 
bestimmen. Es müssen für 3 C-Ports und für 3 B-Ports jeweils die
Schaltwiderstände nach VCC und GND bestimmt werden. Das sind 12 
Widerstandwerte! Dazu kommt auch noch das Problem, daß nur die C-Port 
Widerstände so einigermaßen genau bestimmt werden können, wenn man 
annimmt, daß die B-Port Werte wohl gleich sind. Es ist ja das Ziel, daß 
der ATmega die notwendigen Messungen selbst macht. Inwieweit der 
jeweilige Widerstandswert auch noch stromabhängig ist, ist auch nicht 
bekannt.

Im übrigen bestimmt die letzte trunk Version den Innenwiderstand per 
Makefile Option AUTO_CAL als Teil der Selbsttest-Routine schon selbst, 
allerdings nur die Mittelwerte zur VCC und zur GND Seite hin.
Dafür fehlen dem ATmega8 allerdings mindestens 400 Bytes flash.

Grüße
Karl-Heinz

von Karl-Anton D. (rentnerd)


Lesenswert?

Hallo,

wenn der ATmega 8 mit seinen 8K an die Grenzen stößt, wäre es nach 
meiner Meinung an der Zeit, ihn mit einer letzten stabilen Version 
einzufrieren und mit dem ATmega 168 (A) weiterzumachen. Beim 168'er war 
bei der Version 098K im Flash mit 58% noch genug Platz für Ergänzungen.
Was ist die mehrheitliche Meinung dazu?

Karl-Anton

von Karol B. (johnpatcher)


Lesenswert?

Karl-Anton D. schrieb:
> Was ist die mehrheitliche Meinung dazu?
Von meiner Seite aus gibt es da keine Einwände. Aber da werden sich 
sicherlich genug andere finden, die damit nicht zufrieden sein werden 
;).

von Christian F. (cmf) Benutzerseite


Lesenswert?

Karl-Heinz Kübbeler schrieb:
> Im übrigen bestimmt die letzte trunk Version den Innenwiderstand per
> Makefile Option AUTO_CAL als Teil der Selbsttest-Routine schon selbst,
> allerdings nur die Mittelwerte zur VCC und zur GND Seite hin.
> Dafür fehlen dem ATmega8 allerdings mindestens 400 Bytes flash.

Ahhh. Ich dachte die müsste man selbst irgendwie messen und eintragen. 
Was spräche dagegen es beim Mega8 so zu machen wie bisher und bei den 
größeren eben "richtig"?

von Karl-Heinz K. (kubi48)


Lesenswert?

Michael D. schrieb:
> Nach einer kleinen Suche im Makefile habe ich einen kleinen Fehler
> entdeckt. Da wird der m328p ohne "p" initialisiert und das Studio
> pöpelt, das es die MCU nicht kennt:
> -----------------------------------
> ifeq ($(PARTNO),m328p)
> MCU = atmega328p

Hallo Michael,

das war so beabsichtigt in der Makefile.
Der Code ist unabhängig von der PicoPower Version (-P), die sich soweit 
ich weiß nur durch Flags BODS und BODSE unterscheiden, die hier in der 
Software nicht benutzt werden.
Die Unterscheidung in der Makefile war nur wegen der unterschiedlichen 
Prozessor-ID notwändig.

Ein einfaches Unterscheiden der -P Varianten in der Software (config.h) 
würde den Quellcode aufblähen und damit die Wartung erschweren.
Vielleicht finde ich ja noch eine akzeptable Lösung.

Die Linux-Umgebung hatte mit der bisherigen Lösung jedenfalls keine 
Probleme.

Grüße
Karl-Heinz

von Karl-Heinz K. (kubi48)


Lesenswert?

Michael D. schrieb:
> Das "p" habe ich mal ergänzt, jetzt wird der Prozessor zwar erkannt aber
> irgendwie scheint es hier Probleme mit den lcd-routines zu geben.

Hallo Michael,

die vertretbare Lösung ist gefunden!
die letzte Softwareänderung im trunc svn Archiv enthält die notwändigen 
Änderungen, damit die Picopower Versionen (-P) richtig in der Makefile 
gesetzt werden können. Das betrifft nicht nur den ATmega328P sondern 
auch die anderen Mitglieder der Processor-Familie also auch den 
ATmega168P !

Grüße
Karl-Heinz

von Michael D. (mike0815)


Angehängte Dateien:

Lesenswert?

Das aufblähen ist natürlich nicht so vorteilhaft.
Dummerweise kennt mein Studio4.19 keinen atmega328 sondern nur den "p" 
wie auf dem Pic zu sehen ist! Es werden da alle "Known" AVR-Typen 
aufgelistet, ausser der m328, sehr komisch
Vielleicht weiß Jemand abhilfe ?

Gruß Michael

EDIT:
Die letzte Sofwareänderung war am 09.06.2012 !
Hast du da zwischenzeitlich was geändert u. ich hab's nicht mitbekommen?

Aber trotzdem hätte ich gerne den m328. Das kann doch nicht sein, das da 
die Pico-Variante vorhanden ist und die normale Ausführung nicht?

von Michael D. (mike0815)


Lesenswert?

jetzt habe ich die aktuelle Soft aus dem Trunk runtergeladen und wieder 
ins Studio gepackt. Die m328p Variante ist im Makefile korrigiert
(von dir?), beim kompilieren habe ich dieselben 7 Errors wie vorher, 
siehe hier:
Beitrag "Re: Transistortester AVR"
da stimmt was mit den lcd-routines nicht.

Ich bekomme gleich nen Anfall :-(

ich geh' jetzt mal auf die Suche nach dem m328 ohne "p" für's Studio, 
muß ja irgendwo zu finden sein...

EDIT:
Bei deiner Versionsvergabe blicke ich jetzt nicht mehr durch.
Könntest du die irgendwo noch in deiner Software unterbringen? 
Vielleicht im Makefile, wäre eine Idee!?!

Gruß Michael

von Karl-Heinz K. (kubi48)


Lesenswert?

Michael D. schrieb:
> Die m328p Variante ist im Makefile korrigiert
> (von dir?), beim kompilieren habe ich dieselben 7 Errors wie vorher,

Ausversehen war in der config.h das P klein geschrieben, deswegen 
funktionierte es nicht!

Entschuldigung
Karl-Heinz

von Karl-Heinz K. (kubi48)


Lesenswert?

Michael D. schrieb:
> Aber trotzdem hätte ich gerne den m328. Das kann doch nicht sein, das da
> die Pico-Variante vorhanden ist und die normale Ausführung nicht?

Hallo Michael,

in der Transistortester Software kann man natürlich auch einen ATmega328 
(PARTNO = m328) wählen, wenn man einen ATmega328P-PU besitzt, muß man in 
der Makefile aber PARTNO = m328p wählen.
Ich weiß nicht, ob es überhaupt eine andere Version des mega328 im 
DIP-28S Gehäuse tatsächlich gibt. Definiert im Handbuch ist zwar auch 
ein ATmega328, ich habe aber derzeit noch keinen in die Hände bekommen.
Was das AVR-Studio macht, weiß ich leider nicht.
Unter Linux bekomme ich einen ATmega328 übersetzt, ob ich die Daten mit
avrdude auch in einen ATmega328 geladen bekomme, konnte ich nicht 
testen.

Grüße
Karl-Heinz

von Karl-Heinz K. (kubi48)


Lesenswert?

Michael D. schrieb:
> EDIT:
> Bei deiner Versionsvergabe blicke ich jetzt nicht mehr durch.
> Könntest du die irgendwo noch in deiner Software unterbringen?
> Vielleicht im Makefile, wäre eine Idee!?!

der trunk Zweig ist eigentlich die Entwickler-Variante.
Hier lade ich wichtige Entwicklungsschritte hoch.
Ich bemühe mich, die Doku und die Software einigermaßen konsistent zu 
halten, das ist aber hier nicht in allen Fällen möglich.
Dafür sind die Testserien zu zeitaufwändig.
Wenn man stabile Verhältnisse mit Versionsnummern haben möchte, muß man 
auf ein neues tag Release warten.
Wenn ich daran denke, trage ich die Änderungen in die changelog.txt im 
tag Verzeichnis ein.

Grüße
Karl-Heinz

von Michael D. (mike0815)


Angehängte Dateien:

Lesenswert?

mit deinem Makefile klappt ja alles im AV-Studio4.19 soweit.

Ich darf hier garnicht erzählen, was ich jetzt alles angestellt habe...

Jedenfalls, was für die Anderen hier, die mit dem Studio arbeiten evtl. 
hilfreich wäre ist der Pfad verschiedener Toolchains! Ich habe natürlich 
ettliche hier auf der Platte :-(
Angeben war die gcc.exe u.make.exe von WinAvr20090313, die eigendlich 
immer zuverlässig ihren Dienst getan hatte, nur nicht hier.
Jetzt habe ich mal die originale Toolchain in den Pfaden angegeben und 
bekomme den Mega328 "endlich" kompiliert.
Anbei 2 Pics, wie das aussieht.
Unter "Project Options" und dem Button "Custom Options" wird der Pfad 
der externen Toolchain angegeben, also gcc.exe, make.exe.

Ich denke mal, wenn meine Lieferung eingetroffen ist, das es 
Mega328(Dip28) ohne "p" sind, ich lass mich mal überraschen und werde 
dann berichten.
Der bestellte Typ ist von einem deutschen Lieferanten und ist um einges 
günstiger als der Mega168, nur mal so am Rande...

Gruß Michael

von Dirk W. (psychodirk)


Lesenswert?

Super und Danke.

Wann kommt der XMega? (:-)))


Spass beiseite. Ich hatte auch Probs. zu proggen. Mega8 klappt und der 
Mega168 wollte nicht.

Aber die letzten 2 male klappte es. Frag mich nicht warum.

Dirk

von Karl-Heinz K. (kubi48)


Lesenswert?

Michael D. schrieb:
> Der bestellte Typ ist von einem deutschen Lieferanten und ist um einges
> günstiger als der Mega168, nur mal so am Rande...

Hallo Michael,

gerade habe ich auch die ATmega328 ohne P entdeckt, und mir mal ein paar 
bestellt.
Die Warnungen beim Übersetzten wegen dem const uint16_t * habe ich bei 
mir auch, der Update des EEproms für die Autokalibration funktioniert 
aber trotzdem. Der Abgleich läuft beim Selbsttest automatisch, wenn man 
ab Test 7 nicht mehr mit dem Start-Taster vorzeitig die Wiederholungen 
abbricht.
Es sollte im Test 9 (Kapazitäts-Nullwert) die Testeinrichtung so sein, 
wie später Kondensatoren gemessen werden sollen.
Wenn die Versionsnummer ausgegeben wird, kann noch der 50 Hz Generator 
laufen (am Ende der Zeile 1 wird 50 Hz angezeigt).
Der 50 Hz Generator läuft 1 Minute, wenn er nicht durch längeres Drücken
des Start-Tasters abgebrochen wird.
Der 50 Hz Generator ist aber jetzt auch per Makefile-Option abwählbar.

Grüße
Karl-Heinz

von Michael D. (mike0815)


Angehängte Dateien:

Lesenswert?

> Hallo Michael,

> gerade habe ich auch die ATmega328 ohne P entdeckt, und mir mal ein paar
> bestellt.
Jawoll, dann können wir(natürlich du) den ja ohne Bedenken vollstopfen! 
;-)
Der Haupt-u.EEprom-Speicher ist ja 4x größer als beim Mega8, da geht 
was...

> Die Warnungen beim Übersetzten wegen dem const uint16_t * habe ich bei
> mir auch, der Update des EEproms für die Autokalibration funktioniert
> aber trotzdem. Der Abgleich läuft beim Selbsttest automatisch, wenn man
> ab Test 7 nicht mehr mit dem Start-Taster vorzeitig die Wiederholungen
> abbricht.
Da bin ich ja beruhigt, das auch bei dir die Warnings auftauchen!
Allerdings wird die "p" Variante auf keinen Fall kompiliert, egal welche 
Toolchain (gcc, make) ich einsetze, habe da jetzt alles durch.
Jetzt wird nicht mehr an den "lcd-routines" gemeckert sondern 
"ReadCapacity" (4 Errors)
Ich glaube, das liegt jetzt an der Software?

> Es sollte im Test 9 (Kapazitäts-Nullwert) die Testeinrichtung so sein,
> wie später Kondensatoren gemessen werden sollen.
> Wenn die Versionsnummer ausgegeben wird, kann noch der 50 Hz Generator
> laufen (am Ende der Zeile 1 wird 50 Hz angezeigt).
> Der 50 Hz Generator läuft 1 Minute, wenn er nicht durch längeres Drücken
> des Start-Tasters abgebrochen wird.
> Der 50 Hz Generator ist aber jetzt auch per Makefile-Option abwählbar.
Für was läuft der denn??? Ist der für die Messungen relevant?

Und noch mal ein Pic von der Fehlermeldung mit "p"

Gruß Michael

von Karl-Heinz K. (kubi48)


Angehängte Dateien:

Lesenswert?

Michael D. schrieb:
> Jetzt wird nicht mehr an den "lcd-routines" gemeckert sondern
> "ReadCapacity" (4 Errors)
> Ich glaube, das liegt jetzt an der Software?

Hallo Michael,
kann ich nicht glauben, ich habe im Anhang den trunk Zweig mit 
konfiguriertem m328p beigepackt. Die Korrektur 
Beitrag "Re: Transistortester AVR" hattest Du 
hoffentlich mitbekommen.  Der Fehler würde dann entstehen, wenn in der 
config.h die Prozessor abhängigen Zuweisungen nicht richtig gemacht 
werden.

Michael D. schrieb:
>> Der 50 Hz Generator ist aber jetzt auch per Makefile-Option abwählbar.
> Für was läuft der denn??? Ist der für die Messungen relevant?

Der 50 Hz Generator ist nur zur Überprüfung dee Verzögerungszeiten des 
ATmega mit einem Zähler oder Oszilloskop. Hier können die Warteschleifen 
und der Frequenzgenerator (Quarz oder RC) überprüft werden. Zeitfehler 
beeinflussen die Kondensatormessung. Wenn man sowieso keine Möglichkeit 
hat nachzumessen, kann man den Generator per Option weglassen.

Grüße
Karl-Heinz

von Hubert G. (hubertg)


Lesenswert?

Karl-Heinz Kübbeler schrieb:
> Solch einen Beitrag im Thread betrachte ich nicht als Meckern. Ich bin
> nach wie vor an Fehlerbeschreibungen und Auffälligkeiten bei der
> Benutzung der Tester-Software interessiert. Ich kann beim besten Willen
> nicht alles testen. Ich bin also auf das Melden von Problemfällen
> angewiesen.

Wenn es für das Verhalten mit einem Poti eine logische Erklärung gibt, 
dann ist das OK.
Deine Erklärung könnte auch die Lösung für das Fehlverhalten bei 
Duo-Schottkydioden sein. Diese haben einen gewissen Leckstrom und werden 
auf Grund dessen als Poti interpretiert. Duodioden ohne messbaren 
Leckstrom werden einwandfrei angezeigt.

Das Gerät wird von mir als "Tester" benutzt, den ich auf keinen Fall 
missen möchte. Aber es wird jedes Ergebnis kritisch betrachtet und falls 
unklar mit Gegenmessungen bestätigt.
Danke für deine großartige Arbeit.
MfG Hubert

von Michael D. (mike0815)


Angehängte Dateien:

Lesenswert?

Moin Karl-Heinz,

> Hallo Michael,
> kann ich nicht glauben, ich habe im Anhang den trunk Zweig mit
> konfiguriertem m328p beigepackt. Die Korrektur
> Beitrag "Re: Transistortester AVR" hattest Du
> hoffentlich mitbekommen.  Der Fehler würde dann entstehen, wenn in der
> config.h die Prozessor abhängigen Zuweisungen nicht richtig gemacht
> werden.
hm, natürlich nicht! Jetzt weiß ich's aber...

ich konnte es natürlich nicht lassen und habe gleich mal das Makefile 
für den m328p ausgetauscht und siehe da, das "p" Model wird kompiliert!
Jetzt ist alles hübsch.
Siehe Pic!

@Hubert
> Deine Erklärung könnte auch die Lösung für das Fehlverhalten bei
> Duo-Schottkydioden sein. Diese haben einen gewissen Leckstrom und werden
> auf Grund dessen als Poti interpretiert. Duodioden ohne messbaren
> Leckstrom werden einwandfrei angezeigt.
Dem kann ich nur zustimmen! Andere Duo-Dioden, also "Nicht-Shottky" 
werden einwandfrei auch als solche erkannt.

Gruß Michael

von Michael D. (mike0815)


Lesenswert?

So, Mega328 ist soeben eingetroffen! Es sind, wie erwartet, Exemplare 
ohne "p".
Einen habe ich gleich ausgepackt und geflasht!
Fuses gesetzt auf LF=FC u. HF=D9. Extendet u. Lock sind auf 0xFF 
geblieben.

Erster Test hat soweit funtionert.
Da habe ich doch gleich mal die Shottky-Dual eingesetzt, selbes 
Verhalten wie beim Mega8!
Manchmal schlägt die Initialisierung vom Display fehl(obere Reihe Balken 
sichtbar), könnte sein, das da noch ein Delay rein muß?
Als nächstes wird manchmal statt 14pF oder 0pF eben 14nF oder 0nF 
angezeigt, was beim Mega8 nie der Fall ist.

Gruß Michael

von olli (Gast)


Lesenswert?

Hallo Karl-Heinz,

Ich wollte den Transistortester mit einem ATmega8 nachbauen,
jedoch habe ich beim Durchforsten des Threads den Überblick
verloren. Könntest Du bitte den neuesten Schaltplan und die
neuesten Programmdateien posten?

Vielen Dank im Voraus

Gruß

olli

von Michael D. (mike0815)


Lesenswert?

ab dem 31.07.2012 gibt's gleich 2 Schaltpläne und Layout.
Software ist gerade mal 4 Posts über dir!
Man trägt noch den M8 in's Makefile ein, editiert den Rest weg, der 
nicht rein passt (ist alles im Makefile dokumentiert) und dann sollte es 
laufen.

Gruß Michael

von Karl-Heinz K. (kubi48)


Lesenswert?

olli schrieb:
> Hallo Karl-Heinz,
>
> Ich wollte den Transistortester mit einem ATmega8 nachbauen,
> jedoch habe ich beim Durchforsten des Threads den Überblick
> verloren. Könntest Du bitte den neuesten Schaltplan und die
> neuesten Programmdateien posten?
>
Hallo Olli,

die letzte Software gibt es jetzt immer im svn Archiv (Subversion),
das Wiki  http://www.mikrocontroller.net/articles/AVR_Transistortester
gibt die Informationen dazu.
Der trunk Zweig ist immer der letzte Entwicklungsstand, der zwar die 
allerletzten Verbesserungsversuche enthält, aber auch eher Fehler 
enthalten kann. Der tags Zweig enthält gepackte Dateien für eine 
herausgegebene Version.
Zugriff auf den gesamten Pfad (Doku und Software) ist unter Linux mit
"svn checkout svn://www.mikrocontroller.net/transistortester" zu 
erreichen.
Unter Windows gibt es für den Zugriff ein Plugin für den Firefox Browser 
mit der Bezeichnung "Tortoise SVN", den ich mal probeweise vom Heise 
Server installiert hatte.
Für den ATmega8 gibt es derzeit immer zwei Unterverzeichnisse 
(mega8_auto und mega8_selftest) die zwei Varianten für den ATmega8 als 
Makefile und fertige Programmierdaten enthalten. Wenn man eine 
lauffähige Entwicklungsumgebung besitzt, kann man in der jeweiligen 
Makefile seine Änderungen vornehmen, oder auch ein weiteres 
Unterverzeichnis mit einer veränderten Makefile anlegen.
Den kommentierten aktuellen Schaltplan findet man in der 
PDF-Dokumentation.
Empfohlen wird allerdings nicht mehr der ATmega8 sondern der ATmega168 
oder auch der ATmega328!

Grüße
Karl-Heinz

von olli (Gast)


Lesenswert?

Hallo Karl-Heinz,

hab mir jetzt die .pdf-Datei runtergeladen,
ist gut erklärt und versteht sogar einer wie
ich, der sich noch nicht so gut mit dem
Ganzen auskennt.
Hab leider nur den ATmega8 da und wollte es
dann gerade mit dem µC machen.
Gibt es da eigentlich Einschränkungen?

Gruß olli

von Karl-Heinz K. (kubi48)


Lesenswert?

olli schrieb:
> Hab leider nur den ATmega8 da und wollte es
> dann gerade mit dem µC machen.
> Gibt es da eigentlich Einschränkungen?

Leider ja, es sind nicht mehr alle Funktionen gleichzeitig in den 
Flash-Speicher zu bekommen.
Dies ist der Grund für die beiden Versionen mega8_auto und 
mega8_selftest.
Die mega8_auto benutzt die AUTOSCALE_ADC Funktion, kann aber nicht mehr 
gleichzeitig die Selbsttest-Routine benutzen.
Im letzten Entwicklerzweig trunk ist zu der Selbsttest-Routine eine 
wählbare Kalibrierfunktion dazugekommen. Hier wird der Innenwiderstand 
der Port-Ausgänge bestimmt und für spätere Messungen im EEprom 
festgehalten.
Das gleiche gilt auch für den Nullwert bei der Kondensatormessung.
Ohne diesen Abgleich sind nur Schätzwerte in der Software 
berücksichtigt.
Derzeit kann die Kalibrierfunktion wegen Speichermangel aber nicht für 
den ATmega8 gewählt werden.
Ein ATmega168 oder auch ein ATmega328 ist auch wegen Vorteilen bei der 
AUTOSCALE_ADC Funktion die bessere Wahl. Nebenbei bemerkt sind ja auch 
noch weitere Verbesserungen geplant.

Grüße
Karl-Heinz

von Nobuyuki N. (Firma: Japan) (nobu)


Lesenswert?

hello Mr. Karl-Heinz and all.

Request the addition of a function

I know that distinction of Dorain and Source is impossible for 
Junction-FET(JFET). If possible, please add the measurement function of 
Idss.
Idss is the current from Dorain to Source, which short-circuited Gate 
with Source.

I think that since measurement voltage of Transistor Tester is low, so 
only small FET is measurable.
But Isdd is a good parameter which gets to know the characteristic of 
small JFET. And, Idss of small JFET is well used as a constant current 
device.

Thank you for your consideration.

von Karl-Heinz K. (kubi48)


Lesenswert?

Nobuyuki Nagashima schrieb:
> Request the addition of a function
>
> I know that distinction of Dorain and Source is impossible for
> Junction-FET(JFET). If possible, please add the measurement function of
> Idss.

Hallo Friends of the TransistorTester,
Hallo Nobuyuki Nagashima,

the new Version 0.99k is ready on the svn archive, but this
requested function is only in the "to do" list.
This request was too late for this release.
The major new function of this release is the AUTO_CAL option for
the selftest section.
AUTO_CAL eliminates the zero offset for capacity measurement and
with a external capacitor connected to pin 1 and pin 3 the
offset voltage of the analog comparator can be respected.
The measurement results to more stable capacity measurement results (up 
to 40 µF) to the variance of the ATmega exemplars.
Detailed tests are added to the PDF documentation in the section 
capacity measurement.

Regards
Karl-Heinz

von Michael D. (mike0815)


Lesenswert?

Hallo Karl-Heinz,
jetzt wollte ich mal deine neue Soft(099k) testen, da bekomme ich bei 
der Auswahl des Mega328, wieder die Fehlermeldung:

"Device does not have EEPROM available."
Wo soll denn das EEPROM ausgeschaltet sein? Habe da nichts gefunden...

Beim "Mega328p" fast dasselbe Problem, nur das hier ausserdem wieder
die "lcd-routines.o" als error ausgegeben werden! :-(((

Im Log habe ich gelesen, das die Soft 16MHz-Aussentakt unterstützt. Ich 
nehme mal an, das du das schon getestet hast? Bleiben die Messungen 
stabil und lohnt es sich den Quarz zu tauschen?

Im Log steht nichts vom nF/ pF Anzeigeproblem, welches ich weiter oben 
angegeben hatte, hast du es vergessen zu fixen?

Gruß Michael

von Michael D. (mike0815)


Lesenswert?

Ich noch mal...

> jetzt wollte ich mal deine neue Soft(099k) testen, da bekomme ich bei
> der Auswahl des Mega328, wieder die Fehlermeldung:

> "Device does not have EEPROM available."
> Wo soll denn das EEPROM ausgeschaltet sein? Habe da nichts gefunden...

> Beim "Mega328p" fast dasselbe Problem, nur das hier ausserdem wieder
> die "lcd-routines.o" als error ausgegeben werden! :-(((

Vergess' das!!! Mein Studio4.19 hat mal wieder rumgezickt und wollte 
partou nicht auf die angegebene, aktuelle "Toolchain" greifen! Jetzt bin 
ich mal kurz mit dem Hammer dran ;-)

Gruß Michael

achso, das Duodioden-Problem besteht noch?

von Karl-Heinz K. (kubi48)


Lesenswert?

Michael D. schrieb:
> Hallo Karl-Heinz,
> jetzt wollte ich mal deine neue Soft(099k) testen, da bekomme ich bei
> der Auswahl des Mega328, wieder die Fehlermeldung:
>
> "Device does not have EEPROM available."
> Wo soll denn das EEPROM ausgeschaltet sein? Habe da nichts gefunden...
>
> Beim "Mega328p" fast dasselbe Problem, nur das hier ausserdem wieder
> die "lcd-routines.o" als error ausgegeben werden! :-(((
>

Hallo Michael,
leider gebe ich keine Unterstützung für die Verwendung vom AVR-Studio.
Ich empfehle Linux oder cycwin (bildet linux shell unter Windows ab).
Die Oberfläche macht nur zusätzliche Probleme!

> Im Log habe ich gelesen, das die Soft 16MHz-Aussentakt unterstützt. Ich
> nehme mal an, das du das schon getestet hast? Bleiben die Messungen
> stabil und lohnt es sich den Quarz zu tauschen?

Ja, das habe ich getestet. Es funktioniert, ich habe aber keine
Vorteile bemerkt. Die internen Berechnungen dürften schneller werden.
Ansonsten spielt es keine Rolle ob der Prozessor schneller oder
langsamer auf das Ende der ADC-Lesung oder auf den Ablauf einer
10ms Wartezeit wartet. Der Geschwindigkeitsvorteil ist so gering,
daß er unbemerkt bleibt.
Die Auflösungs-Verbesserung bei der Kondensatormessung scheitert an
der pF Darstellung. Ich glaube auch, daß das Meßverfahren keine
Dezimalstelle mehr hergibt. Da war ich eher daran interessiert, die
Meßabweichungen von mehr als 5% von einem Atmega Exemplar zu nächsten
zu beseitigen (AUTO_CAL Option).
Die Versuche, den ADC schneller zu takten (250 kHz statt 125 kHz) haben 
ergeben, daß die Genauigkeit wie im Handbuch abgegeben leidet.
>
> Im Log steht nichts vom nF/ pF Anzeigeproblem, welches ich weiter oben
> angegeben hatte, hast du es vergessen zu fixen?
>
>
Der Fehler ist bei mir bei weit über 500 Kondensatormessungen für die
PDF-Diagramme in der Doku nie aufgefallen. Wenn Du auch
Probleme bei der Initialisierung des LCD hast, könnte das Problem
auch an der Anbindung des LCD Liegen.

Michael D. schrieb:
> achso, das Duodioden-Problem besteht noch?

Ich gehe auch davon aus, daß diese Duodioden ein Reststrom Problem haben
und sich deshalb nicht messen lassen. Wieviele Exemplare hattest Du
getestet? Ich habe inzwischen keine neue Materialbestellung unternommen,
habe also noch keine 20A Doppeldioden zum testen.
Das Nachprüfen kann auch zum Ergebnis haben, daß diese Leistungsdioden 
nicht in allen Fällen getestet werden können.
Auch für viele Tyristoren oder Triacs reicht der verfügbare Meßstrom von 
ungefähr 6 mA nicht.

Grüße
Karl-Heinz

von Michael D. (mike0815)


Lesenswert?

Hallo Karl-Heinz,

> Der Fehler ist bei mir bei weit über 500 Kondensatormessungen für die
> PDF-Diagramme in der Doku nie aufgefallen.
Bei der reinen Kondensatormessung tritt dieser Fehler nicht auf!
Nur bei den besagten Duo-Shottky-Dioden.

> Wenn Du auch
> Probleme bei der Initialisierung des LCD hast, könnte das Problem
> auch an der Anbindung des LCD Liegen.
Ab u. zu tritt dieser Effekt tatsächlich auf, aber nur beim Mega328!
Beim Mega8/88 ist das noch nie vorgekommen.
Es tritt auch nur bei den Duo-Leistungsdioden auf, quasi nach der 
Messung, aber auch nicht immer.

> Ich gehe auch davon aus, daß diese Duodioden ein Reststrom Problem haben
> und sich deshalb nicht messen lassen. Wieviele Exemplare hattest Du
> getestet? Ich habe inzwischen keine neue Materialbestellung unternommen,
> habe also noch keine 20A Doppeldioden zum testen.

Ich habe ettliche getestet, die meisten sind aus ausgeschlachteten SNT's
hier ein Teil der gestesten Exemplare
Duo-Shottky:
Beitrag "Re: Transistortester AVR"

und hier das beschriebene Problem
pF / nf:
Beitrag "Re: Transistortester AVR"

Gruß Michael

EDIT: Eben habe ich einen MOS-FET 45N03LT getestet, da wird eine 
Kapazität von 2168pF gemessen, das scheint mir ein bißchen viel?!?
Ich habe darauf hin mal das Datenblatt consoltiert und angegeben sind 
Input-cap. 600pF und Output-cap. 290pF

Gruß Michael

von Karl-Heinz K. (kubi48)


Lesenswert?

Michael D. schrieb:
> EDIT: Eben habe ich einen MOS-FET 45N03LT getestet, da wird eine
> Kapazität von 2168pF gemessen, das scheint mir ein bißchen viel?!?
> Ich habe darauf hin mal das Datenblatt consoltiert und angegeben sind
> Input-cap. 600pF und Output-cap. 290pF

Hallo Michael,
das Datenblatt von Philips für den 45N03LT zeigt in Abbildung 11 den
Kapazitätsverlauf über die VDS Spannung.
Bei Spannung nahe 0V ergibt sich ein Ciss von etwa 1500pF.
Da ist doch der Transistortester gar nicht so weit weg.
Der mißt ja die Gesamtkapazität ohne VDS Spannung.
Da die Kapazität hier spannungsabhängig ist, kann man nie
so präzise Werte erwarten wie bei richtigen Kondensatoren.

Wie wäre es, wenn Du mir von Deinen Duo-Dioden ein oder
zwei zum Testen zur Verfügung stellst?
Du kannst Dich ja mal per eMail melden.

Karl-Heinz

von Michael D. (mike0815)


Lesenswert?

So, heute mal ein wenig sonne getankt, das Wetter war ja genial...

Hallo Karl-Heinz,

> das Datenblatt von Philips für den 45N03LT zeigt in Abbildung 11 den
> Kapazitätsverlauf über die VDS Spannung.
> Bei Spannung nahe 0V ergibt sich ein Ciss von etwa 1500pF.
> Da ist doch der Transistortester gar nicht so weit weg.
Ok, ich hatte es auch nur mal fix überflogen. :-(

> Der mißt ja die Gesamtkapazität ohne VDS Spannung.
Das wollte ich wissen ;-)
> Da die Kapazität hier spannungsabhängig ist, kann man nie
> so präzise Werte erwarten wie bei richtigen Kondensatoren.
Das sehe ich ein.

> Wie wäre es, wenn Du mir von Deinen Duo-Dioden ein oder
> zwei zum Testen zur Verfügung stellst?
> Du kannst Dich ja mal per eMail melden.
Selbstverständlich, kannst du von mir haben. Die bestehenden sind fast 
alle verplant. In der nächstan Zeit erwarte ich wieder ein paar SNT's 
zum schlachten, da lege ich ein paar für dich zurück.

Woran liegt das denn, das beim Mega328 manchmal das Display nicht 
richtig initialisiert wird?

Gruß Michael

von Karl-Heinz K. (kubi48)


Lesenswert?

Michael D. schrieb:
> Woran liegt das denn, das beim Mega328 manchmal das Display nicht
> richtig initialisiert wird?

Hallo Michael,
das habe ich selbst bisher nicht beobachten können.
Ich habe sowohl Mega328 als auch Mega328P mit jeweils 3 Exemplaren 
gestestet, allerdings meistens mit meinem blauen 4x20 LCD.
Ich werde bei Gelegenheit noch mal mit einem grünen 2x16 LCD testen.
Mal sehen, ob ich dann etwas feststellen kann.
Es wäre hilfreich, wenn Du Dein verwendetes LCD beschreibst.

Grüße
Karl-Heinz

von Michael D. (mike0815)


Lesenswert?

Hallo Karl-Heinz,
ich habe mehrere Exemplare von 2x16 mit u. ohne LED-Bel.
Displaytech 162D(Reichelt), HJ1602A(LED), alle HD44780 kompatibel.
Bei beiden trat das Initialisierungsproblem auf!

Jetzt hatte ich aber glatt die extendet Fuses beim Mega328 vergessen zu 
setzen, stand auf 0xFF. Diese sind ja für den Brown-out zuständig.
Ich habe die jetzt mal auf "enabled" gesetzt, also 0xFC (brown-out 
4,3V).
Komischerweise treten jetzt keine Ini-Probleme am Display auf, wie kann 
das sein? Was hat der Brown-out mit der Initialisierung des Display's 
zutun?

Gruß Michael

von Karl-Heinz K. (kubi48)


Lesenswert?

Michael D. schrieb:
> Hallo Karl-Heinz,
> ich habe mehrere Exemplare von 2x16 mit u. ohne LED-Bel.
> Displaytech 162D(Reichelt), HJ1602A(LED), alle HD44780 kompatibel.
> Bei beiden trat das Initialisierungsproblem auf!
>
> Jetzt hatte ich aber glatt die extendet Fuses beim Mega328 vergessen zu
> setzen, stand auf 0xFF. Diese sind ja für den Brown-out zuständig.
> Ich habe die jetzt mal auf "enabled" gesetzt, also 0xFC (brown-out
> 4,3V).
> Komischerweise treten jetzt keine Ini-Probleme am Display auf, wie kann
> das sein? Was hat der Brown-out mit der Initialisierung des Display's
> zutun?
>
Hallo Michael,

jetzt wird der Fehler doch klarer.
Normalerweise hat der ATmega eine Start-Verzögerungszeit von 65 ms. Ohne 
den "Brown out" level startet der ATmega aber schon bei unter 2V. Der 
Display-Controller ist für einen Spannungsbereich von 4,5V bis 5V 
ausgelegt. Der Display-Controller braucht aber selbst auch eine 
Initialisierungszeit von 10 ms nach Überschreiten der 4,5V.
Wenn jetzt die VCC Spannung langsam steigt, hat der ATmega seine 
Verzögerungszeit schon abgearbeitet bevor die 4,5V (+10ms) überschritten 
sind und versucht schon Befehle an den LCD-Controller abzusetzen, wenn 
dieser noch nicht bereit ist.
Hast Du bei Deiner Hardware zusätzliche Elkos in der VCC Versorgung?
Ich selbst habe nur die 100nF Kondensatoren bestückt, wahrscheinlich 
deshalb tritt der Fehler bei mir nicht auf.

Das Setzen des Brown out levels auf 4,3 V vermeidet den Fehler, weil 
hierdurch der ATmega bis zum Überschreiten der "Brown out" Spannung auf 
Reset festgehalten wird.

Grüße
Karl-Heinz

von Michael D. (mike0815)


Lesenswert?

eieiei,

> Hast Du bei Deiner Hardware zusätzliche Elkos in der VCC Versorgung?
> Ich selbst habe nur die 100nF Kondensatoren bestückt, wahrscheinlich
> deshalb tritt der Fehler bei mir nicht auf.
Und ja, ich habe 220µF an den Ausgang kleben müssen, da mein LDO(LM2940) 
geschwungen hat wie ein FG und das konnte der µC nicht kompensieren!
Nur so konnte ich vorerst das Schwingen unterdrücken.
Jetzt ist aber auch klar, das der Elko den Ausgang des LDO emens 
belastet.

Wahrscheinlich wäre ein LC oder RC-Filter die bessere Wahl gewesen.
Vielleicht setze ich das noch um, mal schauen welche Frequenz da ihr 
unwesen treibt! LDO's neigen sowieso dazu zu schwingen.

> Das Setzen des Brown out levels auf 4,3 V vermeidet den Fehler, weil
> hierdurch der ATmega bis zum Überschreiten der "Brown out" Spannung auf
> Reset festgehalten wird.
Oha, da kann man mal sehen, was das bewirkt. Ich wußte garnicht, das auf 
diese Weise eine Verzögerung eintritt und der Reset um diese bestehen 
bleibt. Ich hatte diese Fuseeinstellung völlig falsch interpretiert, 
jetzt bin ich um Einiges schlauer, danke für den Hinweis!

Gruß Michael

EDIT: Jetzt würde mich aber auch interessieren, wie das Schwingverhalten 
von anderen LDO's in der Comptesterschaltung ist. Hat das mal Jemand 
gemessen und würde das mal preis geben?

von Karl-Heinz K. (kubi48)


Lesenswert?

Michael D. schrieb:
> EDIT: Jetzt würde mich aber auch interessieren, wie das Schwingverhalten
> von anderen LDO's in der Comptesterschaltung ist. Hat das mal Jemand
> gemessen und würde das mal preis geben?

Hallo Michael,

mit dem MCP 1702-5002 Regler und den 100nF Kondensatoren sehe ich eine 
Einschwingzeit von etwa 1,5 ms bis zur stabilen 5V. Ein Überschwingen 
oder Schwingneigung ist nicht erkennbar.
Verwendete Platine: DG2BRS V5.2.1

Grüße
Karl-Heinz

von Simone (Gast)


Lesenswert?

Hi Karl,

It can you add an option to the makefile in order to include the eeprom 
data on the .hex file ?

What i mean is to provide an option to chenage this line:

HEX_FLASH_FLAGS = -R .eeprom -R .fuse -R .lock -R .signature

as this :

HEX_FLASH_FLAGS = --change-section-lma .eeprom=0x2000 -R .fuse -R .lock 
-R .signature
for atmega8

HEX_FLASH_FLAGS = --change-section-lma .eeprom=0x4000 -R .fuse -R .lock 
-R .signature
for atmega168

and
HEX_FLASH_FLAGS = --change-section-lma .eeprom=0x8000 -R .fuse -R .lock 
-R .signature
for atmega328

if not an option a commented line ready to uncomment would be great...


tnks

von Michael K. (elektronix00)


Lesenswert?

Hallo Karl-Heinz,

ich habe den Komponententester soweit erfolgreich aufgebaut und zwar 
zuerst mit einem ATMEGA 8 und gestern mit einem ATMEGA 168 (Platine V 
5.2.3). Alle Bauteilewerte habe ich nach deiner Doku V.99 angepasst. In 
dem heruntergelöadenen Ordner V.99 sind ja die beiden Dateien 
TransistorTester.hex sowie TransistorTester.eep enthalten. Diese sind ja 
für den ATMEGA 168 schon vorbereitet? Sind dort nun alle Funktionen 
enthalten oder muss ich unbedingt mit AVR Studio und AVR Dude noch 
Einstellungen und Veränderungen vornehmen? Unnötige Schritte wollte ich 
mir sparen, da ich hier zum Programmieren / Brennen nur ein bescheidenes 
Equipment habe.

schönen Sonntag

Michael

von Karl-Heinz K. (kubi48)


Lesenswert?

Michael Klein schrieb:
> Sind dort nun alle Funktionen
> enthalten oder muss ich unbedingt mit AVR Studio und AVR Dude noch
> Einstellungen und Veränderungen vornehmen? Unnötige Schritte wollte ich
> mir sparen, da ich hier zum Programmieren / Brennen nur ein bescheidenes
> Equipment habe.

Hallo Michael,
die .hex Datei im default Ordner ist für den flash Speicher eines 
ATmega168 konfiguriert, entsprechend die .eep für den EEprom Speicher.
Die Fuses müssen aber noch gesetzt werden, da die vorkonfigurierten 
Dateien für 8 MHz Betrieb übersetzt sind und die ATmega für 1 MHz 
Betrieb ausgeliefert werden.
Wenn ein 8 MHz Quarz bestückt ist, sollte natürlich auch der 
Quarz-Betrieb eingestellt werden.
Die Hex Werte für die Fuses sind für den ATmega168:
lfuse=0xf7, hfuse=0xdc und efuse=0xf9  (full swing crystal)
oder lfuse=0xff für low power crystal Betrieb.
Für die Kalibration sollte einmal der Selbsttest durchlaufen.
Selbsttest Nummer 10, 11 erfordert einen Kondensator (kein Elko)
100nF < C < 10µF.

Grüße
Karl-Heinz

von Michael D. (mike0815)


Lesenswert?

Hallo Karl-Heinz,
verstehe ich das richtig, das wenn ich einen Selbstest durchführe, das 
dann automatisch kalibriert wird???
Steht das in der Doku?
Wenn die Selbstest Nummer 10 erscheint, muß ich einen 100nF einstecken?
gleich 3 Fragen auf einmal...

Ps. Die Duodioden sind noch nicht eingetroffen. Gebe dir dann bescheid, 
wenn die da sind!

Gruß Michael

von Karl-Heinz K. (kubi48)


Lesenswert?

Hallo Michael,

beim Selbsttest wird der Offset des analogen Komparators für die 
Kapazitäts-messung ermittelt und somit die Kapazitätsmessung bis ca. 
45µF kalibriert.
Außerdem wird der Nullwert für die Kapazitätsmessung im Testschritt 9 
abgeglichen. Dieser Teil sollte auf jeden Fall wiederholt werden, wenn 
die
Meßeinrichtung geändert wird. Der Nullwert für die Kapazitätsmessung 
ändert sich, wenn man Meßkabel statt eines Sockels verwendet.
Im Testschritt 7 und 8 wird der Innenwiderstand der Port-Ausgänge 
gemessen und für zukünftige Messungen festgehalten.
Du hast richtig verstanden, daß man im Testschritt 10 einen Kondensator 
von mindestens 100 nF an Pin 1 und Pin 3 anschließen muß, um den 
Abgleich im Schritt 11 durchführen zu können.
Ich habe versucht, die Doku auf dem aktuellen Stand zu halten, der
Erfolg des Kondensator-Abgleiches ist mit Meßergebnissen von 15 
verschiedenen ATmega's  belegt.
Ein Abgleich für die AUTOSCALE_ADC Umschaltung auf die interne 
Spannungsreferenz befindet sich derzeit in der Testphase, hat aber 
bisher nicht den vollen Erfolg wie bei der Kondensatormessung.
Die Kalibration ist wegen des Programmumfangs nur für Prozessoren mit 
mindestens 16 KByte Programmspeicher möglich.

Grüße
Karl-Heinz

von Michael K. (elektronix00)


Lesenswert?

Moin Karl-Heinz,

dann hatte ich die Doku doch richtig verstanden. Genau so habe ich alles 
gemacht. Da ich über die Bascom-Oberfläche meinen ATMEGA 168 beschreibe, 
war ich mir mit den Fusebits nicht so sicher. Ich habe aber deine 
genannten Werte mit mit meinen Werten über 
http://www.engbedded.com/fusecalc verglichen. Ich hatte alles richtig 
eingestellt. Jetzt muss ich nur noch das Gehäuse entwerfen. Die meiste 
Arbeit ist immer eine Aussparung für das LCD zu schaffen. Dazu 
missbrauche ich meist meine Ständerbohrmaschine als Tischfräse. Kleinen 
Fräser rein und einen Anschlag auf dem Bohrteller befestigt und dann die 
Aussparung freifräsen. Den Rest mit einer feinen Feile anpassen. Für die 
Anschlüsse am Gehäuse habe ich mir Zwerg-Einbaubuchsen 2,6 mm in drei 
verschiedenen Farben besorgt. Bei R**** findet man diese unter der 
Bezeichnung EBV 26. Als Display nehme ich eines mit blauer 
Hintergrundbeleuchtung und weisser Schrift. Gibts günstig bei Eb** bei 
einem polnischen Händler. Wenn ich in den nächsten Tagen mein Gerät 
fertig habe, werde ich Bilder liefern.

Gruß und nochmals Danke

Michael K.

von Simone (Gast)


Lesenswert?

testing 99k with a IRFU110 mosfet i've got a vt of 3.20 but the 
datasheet indicate a body diode voltage of 2.5.

using an old firmware (dont remeber the version) i've got a value of 
2.5v thats why the question :

Is that a bug or misinterpretated by me ?

von Karl-Heinz K. (kubi48)


Lesenswert?

Simone schrieb:
> testing 99k with a IRFU110 mosfet i've got a vt of 3.20 but the
> datasheet indicate a body diode voltage of 2.5.
>
> using an old firmware (dont remeber the version) i've got a value of
> 2.5v thats why the question :
>
> Is that a bug or misinterpretated by me ?

Hallo Simone,

I think, that you mean the Gate-Source Threshold Voltage of the IRFU110.
This Voltage is specified for this type between 2 V and 4 V for low
drain current.
The value of 3.2 V should be O.K.
The body diode should be detected (shown with diode symbol), but no 
parameters are measured, if you connect all three pins.
You can try to measure the diode, if you short the gate with the source 
of the IRFU110 and measure the drain and source connected with any two 
pins of the TransistorTester.
But I expect a flow voltage of the diode of about 0.65 V!
A voltage of about 2.5V will require much higher current than 6 mA!

Karl-Heinz

von Simone (Gast)


Lesenswert?

tnks for the clarification Karl

von Yuri (Gast)


Lesenswert?

Dear Mr. Karl-Heinz
 I made ​​your device on ATMega8. Where it is possible to take the 
finished firmware for ATMega168, and how to make the Russian or 
Ukrainian version of your program??
 Best Regards, Yuri - Kiev, Ukraine

von Karl-Heinz K. (kubi48)


Lesenswert?

Yuri schrieb:
> Dear Mr. Karl-Heinz
>  I made ​​your device on ATMega8. Where it is possible to take the
> finished firmware for ATMega168, and how to make the Russian or
> Ukrainian version of your program??
>  Best Regards, Yuri - Kiev, Ukraine

Hallo Yuri,

You can not take the firmware compiled for ATmega168 for the ATmega8.
This types of processors are not code compatible. This devices are only
pin compatible. You can change the processor on the same board, but you 
must use the right compiled firmware.
Compiled version for ATmega8 are in the mega8_auto or mega8_selftest 
subdirectory. You can see the options selected in the Makefile of each
subdirectory.
It is possible to add other languages to the software, but Russian or
Ukrainian Versions are not ready.
I don't know, if the right character set of LCD must be first selected 
by the firmware.
You can find the text strings for different languages in the 
Transistortester.h file. You can only select the language by the option 
UI_LANGUAGE in the Makefile before you compile the source.
If you can send me the text string for other languages with email, I can 
add new languages to the source.
As I know, the cyrillic version of LCD has no Omega and micro character 
defined, so the software must load this characters as "loadable 
character".
The option LCD_CYRILLIC will use additional space in flash and EEprom 
memory.
I hope, this information will help you.

Karl-Heinz

von Michael D. (mike0815)


Lesenswert?

moin Karl-Heinz,

> The option LCD_CYRILLIC will use additional space in flash and EEprom
> memory.
Dann könnte man ja die restlichen Languages im Code auskommentieren um 
Speicherplatz zu gewinnen???

Übrigens habe ich mal den Selbstest durchlaufen lassen(Mega328), 
tatsächlich erschien eine Aufforderung zum einstecken eines 100nF! War 
da bei den Vorgänger-Versionen auch so? Kann mich garnicht daran 
erinnern.

Jedenfalls ist der Selbstest beim Mega8 auch möglich, wenn man die 
Autoscale und UART-Option weglässt, passt es gerade so in das Flash!

Achso, ist es relevant, welchen 100nF Typ man verwendet bzw. sollte 
dieser besser enge Tolleranzen aufweisen?

PS. Ich habe Info bekommen, das evtl. nächste Woche der E-Schrott bei 
mir eintrifft, so das ich dir endlich ein paar Duodioden zukommen lassen 
kann!

Gruß Michael

von Karl-Heinz K. (kubi48)


Lesenswert?

Hallo Michael,

zusätzliche Sprachen brauchen keinen Platz, da die entsprechenden Texte 
nur für die gewählte Sprache ins EEprom plaziert werden. Es kann 
lediglich sein, daß bestimmte Sprachen etwas mehr Platz benötigen, aber 
bei der geringen Zeichenzahl des LCD müssen die Texte eh kurz bleiben.
Bei der Option LCD_CYRILLIC wird lediglich auf die kyrillische LCD 
Version angepaßt, da diese Version zwei benötigte Zeichen nicht hat.
Diese Zeichen müssen als ladbare Zeichen beim Start jedesmal in den 
Display-Kontroller geladen werden. Das ist unabhängig von der gewählten 
Sprache.

Die Aufforderung, einen >100 nF Kondensator einzustecken, ist neu.
Es wird ein Offset des analogen Komparators abgeglichen. Dieser Abgleich 
mußte früher von Hand durchgeführt werden, um optimale Genauigkeit der 
Kondensatormessung unter 45 µF zu erreichen (Option REF_C_KORR). Für den 
Handabgleich benötigte man den genauen Kapazitätswert eines 
Kondensators, um den Meßfehler feststellen zu können.
Mit der Option AUTO_CAL (Selbstkalibration) kann man die REF_C_KORR 
Einstellung im allgemeinen auf den voreingestellten 12 belassen.
Der verwendete Kondensator kann irgendein Kondensator guter Güte 
zwischen 100 nF und etwa 10 µF sein. Es kommt nicht auf den 
Kapazitätswert an, sondern darauf, daß der Kondensator die Spannung 
während der Meßzeit beibehält. Elkos sollte man nach Möglichkeit nicht 
benutzen.

In der nächsten Version kann mit dem gleichen Kondensator auch die 
REF_R_KORR Option für die AUTOSCALE_ADC Umschaltung (Widerstandsmessung) 
automatisch abgeglichen werden.
Die Untersuchungen mit 9 verschiedenen ATmega168 und 6 verschiedenen 
ATmega328 Prozessoren sind aber ziemlich zeitaufwändig.
Außerdem muß ja auch die Dokumentation angepaßt werden, so daß es doch 
eine Weile braucht bis zur nächsten Version.

Die AUTO_CAL Option als Teil der WITH_SELFTEST Option kann derzeit 
leider nicht für den ATmega8 Prozessor gewählt werden. Vielleicht trenne 
ich den Kalibrationsteil und die Selbsttest-Funktion später mal.

Grüße
Karl-Heinz

von Yuri (Gast)


Angehängte Dateien:

Lesenswert?

Hallo Karl-Heinz,
Thanks for the reply. I want to use mirokontroller ATmega168 in your 
device. You wrote, that you are testing the device with the ATmega168, 
could you put HEX and EEP files for this chip? Makefile can be 
configured under the ATmega168, but I don’t know way to create a HEX 
file. Also I sending you Transistortester.h file with the addition 
version in Russian (the file is doc extension and changes are 
highlighted in yellow).
Best Regards,Yuri

von Karl-Heinz K. (kubi48)


Lesenswert?

Hallo Yuri,
you find ready to use .hex and .eep files for ATmega168 in the default 
subdirectory. This files are not configured for LCD controller with 
cyrillic character set.
You can compile the source files with a Linux system.
Additionally packages make, zip, unzip, subversion, avr-libc, avrdude, 
avrdude-doc, gcc-avr, avra and binutils-avr must be installed.
You can get a full path of latest TransistorTester software and 
documentation by typing at console or console window:
svn checkout svn://www.mikrocontroller.net/transistortester
You can then unpack any version of the ./transistortester/Software/tags/ 
subdirectory with unzip to any directory you select. The .zip files 
contain the ./trunk path of the Software directory at the stage of 
development.
Alternative to this way you can change direct to the subdirectory
./transistortester/Software/trunk/default and change your local Makefile 
copy. If you have changed the Makefile (uncomment CFLAGS += 
-DLCD_CYRILLIC), you should type "make".
If you have successfully compiled the source, and you have already 
configured your programmer in the Makefile, you can type "make 
fuses-crystal" to configure your device and type "make upload" to load 
the .hex and .eep files to your device.
If you don't have the 8 MHz crystal installed, you have to type "make 
fuses" instead of the "make fuses-crystal".
If all this steps are finished well, you can create a own subdirectory 
of the directory ./transistortester/Software/trunk and copy your 
modified Makefile to your own subdirectory. This will prevent to loss 
your Makefile changes by future updates. But you must track for new 
options or changes of existing options. There is also a way to compile 
the source with AVR Studio and Windows operating system, but I don't use 
this tool.

Your data for Russian language is difficult to integrate because the LCD 
data for cyrillic text expect 8 bit code of data. The text string expect 
ASCII data or hex code. Additionally some of your text is too long for 
the 2x16 character array.

Best Regards
Karl-Heinz

von Yuri (Gast)


Lesenswert?

Hallo Karl-Heinz,
Thanks for the detailed interpretation. I've figured out a little bit in 
the settings Makefile. To compile I use WinAVR. Of course I watch 
closely your work to improve the device. It would be interesting to add 
the device inductance measurements.
I will try to introduce the Russian language after the program run.
Thanks again for your reply.
 Best Regards, Yuri

von Konrad S. (maybee)


Lesenswert?

@Karl-Heinz

Im Handbuch (Version 0.99k) steht in Kapitel 2.1 auf Seite 5:
"wurde ein zusätzlicher 27k Widerstand an dem PD7 (Pin 12)".
PD7 ist Pin 13.

Und: Danke für deine tolle Arbeit!

von Karl-Heinz K. (kubi48)


Lesenswert?

Konrad S. schrieb:
> PD7 ist Pin 13.

Hallo Konrad,

Danke für den Hinweis. Ich hoffe, daß noch mehr Fehler von aufmerksamen 
Lesern gefunden werden. Irgendwann wird man selbst betriebsblind und 
liest immer das, was man meinte und nicht das, was geschrieben steht!
Dieser Fehler ist in der letzten trunk Version berichtigt!

Grüße und nochmals Danke,
Karl-Heinz

von smaeel (Gast)


Lesenswert?

Yuri schrieb:
> Hallo Karl-Heinz,
> Thanks for the detailed interpretation. I've figured out a little bit in
> the settings Makefile. To compile I use WinAVR. Of course I watch
> closely your work to improve the device. It would be interesting to add
> the device inductance measurements.
> I will try to introduce the Russian language after the program run.
> Thanks again for your reply.
>  Best Regards, Yuri
Dear Yuri
I know Mr. Karl-Heinz work is another issue and is great.
But maybe this page can give you an idea about:
 Using two devices together
 Using Russian language LCD
In addition It is in Russian language (I think) and has a very beautiful 
hardware design.
Thanks again Mr. Karl-Hein.
Have a nice day Yuri

Smaeel

von smaeel (Gast)


Lesenswert?

I apologize because I forgot adding address in previous post.
This is the address :
http://c2.at.ua/load/radioljubitelskie/avr_transistortester_clr2313/23-1-0-37

Regards
Smaeel

von Michael D. (mike0815)


Lesenswert?

Hallo smaeel,
ich schreibe das mal in Deutsch, damit hier Andere das auch verstehen.
So wie ich das sehe, hast du den Component-Tester u. ein 
LC-Meter(ATiniy2313) im Sandwich, in ein Gerät gepackt? Interessante 
Konstellation!
Beide benutzen dasselbe Display (LCD 2x16).
Man kann ebenfalls 1x Display für beide Prozessoren verwenden, in dem 
man beide Displayausgänge einfach parallel schaltet und den jeweils 
nicht benutzten Prozessor am Resetpin einfach auf Ground schaltet und 
umgekehrt. Dafür ist nur ein Umschalter an den jeweiligen  Resetpins 
notwendig!

Sehr schönes Projekt, ich werde später mal testen, ob sich der Code des 
LC-Meters kompilieren lässt. Hoffentlich ist eine englische 
Sprachversion enthalten?! Dann wäre es interessant beide Geräte 
miteinander zu kombinieren bzw. den Componententester damit zu 
erweitern.

In deinem Link ist der Schaltplan etwas undeutlich, könntest du eine 
höhere Auflösung hier Posten? Ich nehme an, das der Schaltplan mit 
"SPlan" erstellt wurde, wenn du auch disen posten würdest?

Gruß Michael

von smaeel (Gast)


Lesenswert?

Dear Michael
This is not my desine.
The "AVR-Transistortester" is originally desined by "Mr. Markus F" 
,although you can use more interesting version of "Mr. Karl-Heinz" with 
more features.

The "CLR-2313" is originally designed by "Mr. Akl" and you can check 
these pages for more information :
http://radiokot.ru/circuit/digital/measure/38/
http://radiokot.ru/forum/viewtopic.php?f=25&t=35654
This is a good device for measuring (Capacitance), L(Inductance) and 
R(Resistance) using ATTiny2313 microcontroller.I've made it before and I 
will be happy if I can help you.

The combination of two devices are made by "Mr. RSS" and that beautiful 
project box that you see in previous post.
You can see more about it in this address :
http://c2.at.ua/forum/2-2-1

I send these post because I think "Mr. Yuri" wants to add inductance 
measurring and Russian language for LCD display.These pages are in 
russian and lave 2x16 LCD codes for these language.

My language is not Russian nor Deutsch nor English.(you Know dear 
Karl-Heinz).Google translator is helping me.

Dear Michael you can see high resulation schematic of "CLR-2313" by 
clicking on the picture of the given page or using this :
http://c2.at.ua/_ld/0/43721197.gif

Regards
Smaeel

von Daniel L. (Gast)


Lesenswert?

Hallo,

erst einmal Hochachtung zu diesem Projekt.

Ich habe ein kleines Problem:
Den Aufbau des Transistortesters habe ich nach dem Schaltplan der 
Version 0.98k vorgenommen. Die Abschaltautomatik funktioniert 
einwandfrei und die Batteriespannung wird angezeigt. Allerdings steht 
auch die ganze Zeit "Testing..." in der zweiten Zeile des LCD-Displays, 
obwohl funktionstüchtige Bauteile angeschlossen sind.
Das .hex- und das .eep-File für meinen ATmega8 habe ich aus dem Beitrag 
vom 10.08.2012 08:31 in den Chip geladen. Das Brennen des Flash 
funktionierte problemlos aber beim EEPROM kam eine Fehlermeldung, die 
sicherlich die Ursache für das Problem darstellt. Könnte es vielleicht 
daran liegen, dass ich nicht die richtigen Fuses gebrannt habe? Wie 
müssen die eigentlich für den Mega8 sein?
Vielleicht ist es noch hilfreich zu wissen, dass ich die beiden Files 
mit dem mySmart-USB MK2-Modul programmiert habe.

PS: bitte entschuldigt meine vielleicht banale Frage, aber ich habe noch 
nicht so viel mit AVR gemacht.

Viele Grüße
Daniel

von Peter ⛄ W. (Firma: Huddel und Brassel Ltd.) (jaffel) Benutzerseite


Lesenswert?

Beschaeftigt Ihr Euch auch damit oder wird hier nur Sturr nachgebaut ?

Die Settings stehen doch alle im Makefile.

# BODLEV 4V, BODEN enabled, SUT 65ms, CLK 1MHz
FUSES_INT = -U lfuse:w:0x21:m -U hfuse:w:0xd9:m
# operation with 1MHz crystal!!!
FUSES_CRY = -U lfuse:w:0x3d:m -U hfuse:w:0xc9:m
FUSES_CRY_L = -U lfuse:w:0x3d:m -U hfuse:w:0xd9:m
else
# BODLEV 4V, BODEN enabled, SUT 65ms, CLK 8MHz
FUSES_INT = -U lfuse:w:0x24:m -U hfuse:w:0xd9:m
# Operation with 8MHz crystal
FUSES_CRY = -U lfuse:w:0x3f:m -U hfuse:w:0xc9:m
FUSES_CRY_L = -U lfuse:w:0x3f:m -U hfuse:w:0xd9:m

http://www.engbedded.com/fusecalc/

von Michael D. (mike0815)


Lesenswert?

@Daniel
In's EEprom muß unter Anderem die Sprache rein, scheint ja drinnen zu 
sein.
Was für eine Fehlermeldung wurde den ausgegeben?
Dann was du du für einen Regler verbaut? Wenn du ein Oszilloskop hast, 
mess mal, wie hoch der Ripple am ein u. Ausgang des Reglers ist (P-P)!

Gruß Michael

von Daniel L. (Gast)


Lesenswert?

Hallo,

mit den Fuses hat es geklappt. Vielen Dank.
Den Testaufbau hebe ich erst einmal mit dem Mega8 vorgenommen aber in 
der Endversion werde ich auf den Mega168 umsteigen. Auffällig war, dass 
ältere Germanium-Transistoren gleichen Typs einmal als PNP und einmal 
als P-JFET angezeigt wurden. Aber dafür muss ich erstmal sehen, ob ich 
an die Datenblätter ran komme. Falls dabei wirklich ein Konflikt 
auftreten sollte, werde ich dies hier noch einmal posten.
Ein Oszi besitze ich leider noch nicht.

Viele Grüße
Daniel

von Karl-Heinz K. (kubi48)


Lesenswert?

Daniel L. schrieb:
> Auffällig war, dass
> ältere Germanium-Transistoren gleichen Typs einmal als PNP und einmal
> als P-JFET angezeigt wurden.

Hallo Daniel,

Germanium-Transistoren neigen dazu, ohne Basis-Ansteuerung 
Kollektor-Strom zu ziehen. Wenn dieser Reststrom zu hoch ist, werden sie 
als JFET erkannt.
Je höher die Temperatur und die max. Verlustleistung des Transistors, 
desto eher tritt dieser Effekt auf. Wenn Du die Möglichkeit hast, den 
Transistor mit Kältespray zu kühlen, kannst Du vielleicht trotzdem die 
Verstärkung messen. Allerdings wird der Kollektor-Reststrom bei der 
Verstärkungsberechnung (B) nicht berücksichtigt! Damit wird B in diesem 
Fall zu hoch gemessen.

Grüße
Karl-Heinz

von Simone (Gast)


Lesenswert?

hi karl, whats about Inductance mesaurement ? it look not finished, 
isen't it ?

tnks for your awesome job!

von Karl-Heinz K. (kubi48)


Lesenswert?

Simone schrieb:
> hi karl, whats about Inductance mesaurement ? it look not finished,
> isen't it ?
>
> tnks for your awesome job!

Hi Simone,

measurement of Inductance is more difficult than measurement of 
capacity.
With capacitors we can monitor the growing of the voltage to get the
time constant. With inductors we must monitor the growing of current.
Before any measurement can start, we must be shure, that no left over 
current from previous tests remains in the inductor.
With big inductors (power transformers) I have the problem, that the 
inductance depends on the flow direction (probably be caused by residual 
magnetism).
The lowest inductance which can be measured with the current method is 
about 1mH.
But I will still try to optimise!

Karl-Heinz

von Joachim (Gast)


Lesenswert?

Hallo,
ich habe den Tester mit einem Atmega 328p nachgebaut und das begefügte 
Makefile unverändert genutzt. Der Selbsttest funktioniert und die 
Ergebnisse entsprechen weitgehend genau den angegebenen Werten. Da bei 
eine Kapazitätsmessung nur ca. 1/8 der Kapazität angezeigt wird habe ich 
den Divider/8 in den Fuses abgeschaltet, jetzt stimmt der 
Kapazitätswert. Ein nochmaliger Selbsttest zeigt allerdings teilweise 
instabile Werte. Der Kondensator an AREF ist 1nF.
Hat da jemand schon Erfahrungen gemacht ?
m.f.G. Joachim

von Karl-Heinz K. (kubi48)


Lesenswert?

Hallo Joachim,

bei den ausgegebenen Werten muß man berücksichtigen, daß die 
tatsächliche Auflösung des ADC's 4.88mV entspricht. Die angezeigte mV 
Auflösung ist durch Mittelwertbildung interpoliert. Ich würde mir erst 
dann Sorgen machen, wenn die Anzeige sich um mehr als 5 verändert.
Die Mittelwertbildung funktioniert leider nur bei verrauschtem Signal,
wenn die gemessene Eingangsspannung während einer Messung stabil bleibt, 
ist auch das Ergebnis der Mittelung identisch. Im nächsten Meßzyklus 
kann der Meßwert trotzdem verändert sein.

Grüße
Karl-Heinz

von Joachim (Gast)


Lesenswert?

Hallo Karl-Heinz

da die Mittelung über jeweil 44 Messungen statt findet deren Abstand 
zwischen 1 + 8 MHz entsprechende Aquedistanz aufweisst kann es sein das 
der Restripple meines Netzteils durch Aliasing eine Rolle spielt. Der 
sollte zwar durch den Spannungsregler ausgebügelt sein aber ich werde 
ein paar Versuche mit einer Batterie machen.
Vielen Dank für die Antwort, wenn sich etwas erwähnenswertes ergibt 
melde ich mich noch mal.

m.f.G. Joachim

von Karl-Heinz K. (kubi48)


Lesenswert?

Hallo Joachim,

nur damit kein Mißverständnis aufkommt, der Takt für den ADC wird in 
allen Fällen auf 125 kHz (8 µs) heruntergeteilt. Der ADC braucht 
mindestens 13 Takte, also 104 µs für eine Wandlung. Wenn ein für 8 MHz 
konfigurierter ATmega aber mit 1 MHz betrieben wird, verlängern sich die 
Zeiten um den Faktor 8. Damit käme ein 44er Abtastzyklus dann auf über 
37 ms, also mehr als eine 50 Hz Schwingung.

Grüße
Karl-Heinz

von Joachim (Gast)


Lesenswert?

Hallo Karl-Heinz,

bei Stromversorgung über Batterie und Unterbringung in einem HF-dichten 
Gehäuse sind die beim Selbsttest gemessenen Werte jetzt stabiler, das 
sollte in Ordung sein. Allerdings habe ich noch ein Problem. Der 
Selbsttest ist bei mir nach Step 9 beendet. Im Quelltext habe ich noch 
nicht nachgeschaut aber vieleicht liegt die Ursache ja auf der Hand.

Grüße
Joachim

von Karl-Heinz K. (kubi48)


Lesenswert?

Hallo Joachim,

wenn Du die Version 0.99k aus dem tags Zweig verwendest, ist der Test 9 
die Messung der Leerkapazität. Zu diesem Zeitpunkt sollte kein Bauteil 
angeschlossen sein. Auch die Kurzschlußbrücke muß entfernt sein.
Wenn bei diesem Test eine Leerkapazität von mehr als 70 pF gemessen 
wird, wird dieser und die nächsten Tests abgebrochen. Die Normalwerte 
liegen hier mit kurzen Meßstrippen bei 37 pF bis 40 pF.
Normalerweise würde noch Test 10 mit der Aufforderung folgen, einen 
Kondensator mit mehr als 100 nF an Pin 1 und Pin 3 anzuschließen.
Im Test 11 würde die Kalibration des Komparator-Offsets folgen.

Der Selbsttest der Entwicklerversion im trunk Zweig wurde inzwischen 
stark verändert. Es werden nur noch Test 1-6 wie bisher durchgeführt. 
Die Ausgaben sind aber jetzt für Test 2,3,5 und 6 die Abweichung zum 
erwarteten Wert in mV. Der Grund für diese Änderung ist, daß diese 
Version die Betriebsspannung VCC mit der 2.5 V Präzisionsreferenz an Pin 
PC4 bestimmen kann. Deswegen sind alle gemessenen Werte auf die 
tatsächliche Spannung bezogen und nicht mehr auf die nominellen 5001 mV.
Nach dem Test 6 wird der Widerstandswert der Port Ausgänge direkt in Ohm 
angezeigt (bisher Test 7 und 8). Das Ergebnis der Leer-Kapazitätsmessung 
wird für die drei Pinkombinationen als nächstes ausgegeben.
Danach folgt die Aufforderung, den Kondensator an Pin 1 und 3 
anzuschließen, mit der anschließenden Messung des Komparator-Offsets für 
die Kapazitätsmessung von kleinen Kondensatoren sowie die automatische 
Bestimmung eines Spannungsoffsets für die AUTOSCALE_ADC Funktion 
(REF_R_KORR).
Desweiteren wurde eine Induktivitätsmessung integriert, die sich aber 
noch im experimentellen Statium befindet. Wahrscheinlich wird diese 
Induktivitätsmessung auch zukünftig nur von eingeschränktem Nutzen sein, 
da das Meßverfahren keine qualitativ hochwertigen Ergebnisse hergibt.

Grüße
Karl-Heinz

von Marko T. (Firma: MARKONI) (vank)


Lesenswert?

Bitte, wo ist die neueste Version des Programms (HEX)?

von RGB (Gast)


Lesenswert?


von Marko T. (Firma: MARKONI) (vank)


Lesenswert?

Vielen Dank!

von Joachim (Gast)


Lesenswert?

Hallo Karl-Heinz,

vielen Dank für die Hilfe, das Gerät funktioniert jetzt einwandfrei.
Das Problem lag hauptsächlich an der Tatsache das etliche Quelltexte
mit der Version 0.99k existieren. Wahrscheinlich habe ich sie alle 
gefunden und getestet.
Zur genaueren Spezifikation währe ein revision suffix vieleicht 
hilfreich.
Ich bedanke mich für die feine Arbeit und werde euch weiter wohlwollend 
beobachten.
m.f.G. Joachim (DK3FN)

von Karl-Heinz K. (kubi48)


Lesenswert?

Joachim schrieb:
> Zur genaueren Spezifikation währe ein revision suffix vieleicht
> hilfreich.

Hallo Joachim,

die Software im trunk Zweig des svn-Archivs 
http://www.mikrocontroller.net/svnbrowser/transistortester/Software/ ist 
quasi die Entwicklerversion.
Wenn funktionsfähige Zwischenversion fertig sind, sichere ich die Arbeit 
auf den svn Server. Ich bemühe mich, die Änderungsschritte in der Datei 
changelog.txt im tags Unterverzeichnis auf dem Laufenden zu halten.
Auch der Doku Zweig auf dem svn Server hat einen trunk Zweig, der den
letzten Entwicklungsstand repräsentieren soll. Leider hinkt aber die 
Doku schon mal etwas hinterher. Jeder dieser Update-Schritte ist schon 
über den svn Server mit einer eigenen Version (derzeit 61) versehen.
Wenn man auf eine Software mit Versionsnummer Wert legt, sollte man
ausschließlich auf die Versionen in tags Unterverzeichnis im Zip Format 
zugreifen. Hier ist derzeit die letzte Version 0.99k.
Dazu paßt dann eine PDF Dokumentation mit der gleichen Versionsnummer im
Doku/tags Unterverzeichnis in deutscher oder englischer Sprache.
Die nächste Version 1.00k ist noch nicht fertig, da die Tests noch nicht 
abgeschlossen sind und auch die Doku nicht ganz fertig ist.

Grüße
Karl-Heinz

von Karl-Heinz K. (kubi48)


Lesenswert?

Hallo Transistortester-Freunde,

die Version 1.00k ist auf dem svn-Server verfügbar.
Wesentliche Neuerungen sind:

Angabe von Parametern von Verarmungs-FETs. Es wird aber nicht Idss 
gemessen, da dieser Kennstrom oftmals nicht mit dem 680 Ohm Widerstand 
erreicht wird. Es wird aber ein Kennstrom bei einer Vgs Spannung 
angegeben. Näheres dazu steht in der PDF-Doku.

Verarbeitung der Präzisionsreferenz am PC4-Pin.
Wenn die Referenz erkannt wurde, wird die VCC-Spannung in Zeile 2 vor 
dem Testen.. ausgegeben. Die Spannungsabhängigkeit der 
Kondensatormessung kann so teilweise kompensiert werden.

Wegen der internen Verarbeitung der aktuell gemessenen VCC Spannung 
werden im Selbsttest Zweig 2-6 nicht mehr die Spannung, sondern die 
Abweichung von der erwarteten Spannung ausgegeben. Die Werte sind so 
leichter zu beurteilen, da Null in allen Fällen der Idealwert 
(unabhängig von der VCC-Spannung) ist.

Messung von Induktivitäten. Die Induktivität wird aus der gemessenen 
Zeitkonstante des Stromanstiegs für Widerstande unter 2800 Ohm bestimmt.
Um kleinere Induktivitäten messen zu können, wird bei Widerständen unter 
8 Ohm ohne den 680 Ohm Widerstand gemessen. Dabei kommt es zu einer 
kurzzeitigen Überschreitung des zulässigen Stroms der Pin-Ausgänge, der 
nach meinen Erfahrungen ohne Folgen bleibt. Die kleinste von mir 
gemessene Induktivität ist 0.04 mH. Die Genauigkeit der 
Induktivitätsbestimmung ist allerdings nicht hoch.

Die automatische Kalibration im Selbsttest-Zweig kalibriert jetzt auch 
die AUTOSCALE_ADC Umschaltung. Dazu muß wie bei der Komparator-Offset 
Kalibration ein Kondensator mit mehr als 100 nF an Pin 1 und Pin 3 
angeschlossen werden. Damit braucht im Normalfall die Widerstandsmessung 
nicht mehr per REF_R_KORR nachkalibriert werden.

Grüße
Karl-Heinz

von ENGELJ (Gast)


Lesenswert?

Hi Karl,
thank you for your project and effort  to improve  it. However, I have 
several problem to discussion with you:
1)  Hardware configuration is the same as you describe in pdf file 
version 0.99k, my configuration is without any transistors and without 
voltage reference on pin PC4.
2)  Microprocessor is AT –mega 168
3)  Software is version 0.99k
Questions:
1)  Selftest values are different than you describe starting test number 
2. On the second line of LCD  there is a value only with one digit. It 
is correct?
2)  During transistor measurement seems to be everything O.K.
3)  During capacity measurement seems to be everything O.K. to.
4)  During resistor measurement up to approximately 10K the values are 
correct (more or less), but during measurement of greater values (more 
than 10k) values are very different. I think that this range is measured 
with the resistor 470k.
5)  From time to time during testing process (capacity, resistor) there 
is (on the second line of LCD) the value of voltage and information 
“Testing”. This value of voltage  is not stable and oscillate between 
4,8 up to 5,4. According this value there is a difference in resistor 
measurement of greater values (more than 10k).
What is wrong with hardware??? Is there any bag in your latest 
software???
I am sure that I load to microprocessor correct version of 0,99k 
program.
B.R. ENGEL

von Karl-Heinz K. (kubi48)


Lesenswert?

Hi B.R.

I believe, that you use a pre 1.00k version of my software. The original 
0.99k version, which is released in the Software/tags path of the svn 
archiv does not support the 2.5V voltage reference at the PC4 pin.
Therefore you should change to 1.00k version of software.

Before every measurement the software switch down the voltage at PC4 to 
GND level. Next the PC4 pin will be switched to input and after a short 
delay of 5 ms the voltage is read and checked. I have checked my 
software with the voltage reference and without the reference without 
problems. But every time the voltage is displayed ahead the "testing..", 
the software has detected a voltage reference. If my corrected 1.00k 
version, which now switch to GND correctly, does not fix the problem, 
you can connect your PC4 pin to any of GND or VCC with a resistor of 
about 5k to avoid this. The equipment, which I have used for testing has 
a 2.2k resistor connected to VCC. This may be the reason, why I had no 
problems without the reference!

The new version of selftest No. 2 to 6 shows no more the measured 
voltages in row 2. The difference to expected value is now shown in mV 
units in the second row of LCD. So values with one digit should be 
correct. This is done because the interpreting of voltage is difficult, 
when VCC voltage is not fix at 5.0V.

With the big resistor measurement there was a bug in the software, which 
I didn't detect. I an very sorry about that. For better accuracy the 
voltage is scaled with factor four during resistor measurement, but 
scale wasn't handled correctly for big resistors!

Now the corrected software 1.00k at the svn server should work better.
Thank you for reporting the bugs!

Karl-Heinz

von ENGELJ (Gast)


Lesenswert?

Karl-Heinz Kübbeler schrieb:
> Hi B.R.
>
> I believe, that you use a pre 1.00k version of my software. The original
> 0.99k version, which is released in the Software/tags path of the svn
> archiv does not support the 2.5V voltage reference at the PC4 pin.
> Therefore you should change to 1.00k version of software.
>
> Before every measurement the software switch down the voltage at PC4 to
> GND level. Next the PC4 pin will be switched to input and after a short
> delay of 5 ms the voltage is read and checked. I have checked my
> software with the voltage reference and without the reference without
> problems. But every time the voltage is displayed ahead the "testing..",
> the software has detected a voltage reference. If my corrected 1.00k
> version, which now switch to GND correctly, does not fix the problem,
> you can connect your PC4 pin to any of GND or VCC with a resistor of
> about 5k to avoid this. The equipment, which I have used for testing has
> a 2.2k resistor connected to VCC. This may be the reason, why I had no
> problems without the reference!
>
> The new version of selftest No. 2 to 6 shows no more the measured
> voltages in row 2. The difference to expected value is now shown in mV
> units in the second row of LCD. So values with one digit should be
> correct. This is done because the interpreting of voltage is difficult,
> when VCC voltage is not fix at 5.0V.
>
> With the big resistor measurement there was a bug in the software, which
> I didn't detect. I an very sorry about that. For better accuracy the
> voltage is scaled with factor four during resistor measurement, but
> scale wasn't handled correctly for big resistors!
>
> Now the corrected software 1.00k at the svn server should work better.
> Thank you for reporting the bugs!
>
> Karl-Heinz


Dear Karl,
I implemented version 1.00k, release 66 and now everything seems to be 
O.K.

Thanks ENGEL

von Michael D. (mike0815)


Lesenswert?

Hallo Karl-Heinz,
habe deine Final-1.0 aufgespielt und habe festgestellt, das ab 20k 
Widerstandsmessung, zu hohe Werte angezeigt werden.
Beispiel: 10k=10k(ok)  22k=29k   100k=138k   820k=2092k   und 
1000k=3960k

Könnte das an der eingebauten Referenzdiode liegen? Verbaut ist eine
LM336-Z2,5V äquivalent zur LM4040, die ja auch mit 2,5V werkelt aber 
eben nur 0,1% Driftet. Die LM336 ist da jetzt mit 1% Tempdrift nicht so 
genau, rechtfertigt jetzt aber nicht diese enorme Abweichung.

Zum Testen, hatte ich eben mal die 99k auf den Mega328 gebrannt um 
auszuschliesen, das da ein HW-Fehler vorliegt. Mit der 99k wird alles 
korrekt angezeigt.

Ach ja, bei der 1.0k wird im Display bei der Messung (ausser der 
BATT-Anzeige) noch "5.00V" angezeigt, ist das i.O.?

Gruß Michael

EDIT: Übrigens funktioniert die Inductormessung bei mir besser als 
erwartet!  Ich kann Messungen bis runter 10µH messen. 10µH werden auch 
als solchen Wert angezeigt, sowie 33µH und 330µH(360µH)!
Auch im oberen Bereich schlägt sich das neue Future ganz gut. Sehr 
praktisch um mal auf die Schnelle eine Spule zu messen

von Dirk W. (psychodirk)


Lesenswert?

Moin,
da noch nicht alle "Neu-Leser" die Aktion Platinen-Bestellung kennen... 
hier der

Link: Beitrag "Re: Info Platinen Bauteiletester / Transistortester"

LG
Dirk

von Mathias B. (bzzz)


Lesenswert?

Ein paar Worte oder ein nachlesbarer Thread dazu wären nett. Bilder bzw. 
Pläne ebenso. Soweit ich hier gelegentlich mitlese, kam in letzter Zeit 
nichts zum Thema Platinenverkauf. Und davor war die Rede von 
Frickelplatinen, die, übertrieben gesagt, nicht passen, weil der eine 
schlecht layoutet, der nächste schlecht kontrolliert, der dritte beim 
billigsten Anbieter bestellt, und der vierte es jeweils besser weiß, 
trotzdem bestellt, und sich dann darüber aufregt.

Ich hab ja selber keine Ahnung rund um die Platinenfertigung, aber 
reinschauen würd ich vor der Bestellung ja trotzdem gerne mal. Sofern es 
durch die Weiterentwicklung seit sagen wir einem Jahr Änderungen an der 
Verdrahtung gab: Ist das berücksichtigt? Oder wird es absehbare 
Änderungen geben, die das Layout dann direkt inkompatibel mit den 
neusten Funktionen werden lassen? Passable Qualität in Material und 
Ausführung? Mit welchem Aufwand muss man rechnen, wenn man das Display 
extern beschalten will? Es soll auf eine 19"-Blende wandern, einen 
funktionierenden Eigenbau-Tester hätte ich schon. Es ist nur fraglich, 
ob der Umbau lohnt, oder ob ich mir eben noch eine anständige Platine 
leiste und das vorhandene Modell als mobilen Tester behalte.

@Karl-Heinz: Weißt du mittlerweile genaueres, wie ich für die 
Bearbeitung der Dokumentation aufs SVN kommen könnte?

von Konrad S. (maybee)


Lesenswert?

Mathias B. schrieb:
> Frickelplatinen

Nun, wenn man die Kritik, die sich auf die von Dirk Willner organisierte 
Platine bezieht, auf die sachlichen Inhalte reduziert, mögen die Punkte 
alle stimmen. Trotzdem möchte ich hier festhalten, dass ich mit dieser 
Platine kein Problem hatte und sie auf Anhieb zum Laufen gebracht habe. 
Mit den Stichworten "keine Durchkontaktierung" und "gespiegeltes 
Display" und ordentlich nachdenken bevor man ein Teil einlötet, kann man 
die Aufgabe durchaus bewältigen.

von Dirk W. (psychodirk)


Lesenswert?

Dank an Alle, die dieses Projekt unterstützen.

Platine: Ich habe keinen Vorteil, weder Finanz oder Sonderbehandlung.

Alles was von den "Mitentwicklern", "Firmware", "Weiterentwicklung" 
Hard/Soft
geleistet wurde, ist schon ein kleiner Nobelpreis Wert!!!

Last doch die Kirche im Dorfe stehen, oder arbeitet mit an diesem Teil, 
was noch kein Ende hat.

Vieleicht sollte man ein neues Thema (Fred) eröffnen
Könnte K.H. anstoßen..  Ver. 1.0 Bauteiletester.

Da dieses wirklich etwas zu unübersichtlich wird.
Fehler meinerseits nehme ich gerne auf mein Haupt.


Aber dann bitte nicht alles in SVU oder so  sondern in den MC-Fred.
Viele können damit nichts anfangen.

Nur eine Idee


Dirk

von Michael D. (mike0815)


Lesenswert?

Also, ich frage mich jetzt, was hier nicht übersichtlich ist?!?
Ein solches Projekt zieht halt mal Einiges hinterher.
Bisher sind es gerade mal 4 Seiten, die man in angemessener Zeit sich 
reinziehen kann ohne gleich Urlaub dafür zu nehmen. ;-)

Ich werde den Karl-Heinz mal dahingehend unterstützen und poste mal die 
fertigen Kompilate hier in den Thread inkl. Datum u. Versionsnummer.
Da der Code mit seinen ganzen Futures nicht mehr so Recht in den ATMega8 
passt, würde dann erstmal der ATMega168 als Standart µC herhalten 
müssen.
Ich selber verwende den ATMega328 von dem ich letzten Monat eine Charge 
geordert hatte.

Die Dokumentation, kann man dann 1x hier posten, da Karl-Heinz ja eine 
Readme.txt über die Neuigkeiten in Kurzform erstellt, die jedem 
Codepaket beiliegt!

Wenn es da keine Einwände gibt, gehen wir es an?!?

Gruß Michael

von Karl-Heinz K. (kubi48)


Lesenswert?

Michael D. schrieb:
> habe deine Final-1.0 aufgespielt und habe festgestellt, das ab 20k
> Widerstandsmessung, zu hohe Werte angezeigt werden.
> Beispiel: 10k=10k(ok)  22k=29k   100k=138k   820k=2092k   und
> 1000k=3960k

Hallo Michael,
es kann sein, daß Du eine fehlerhafte 1. Version der 1.0k Software 
erwischt hast. Ich hatte die Version nach ein paar Tagen noch einmal 
nachgebessert, da ich einen Fehler bei der Messung mit dem 470k 
Widerstand übersehen hatte.
Da war ich wohl zu sehr mit der Induktivitätsmessung beschäftigt! Den 
Fehler hatte ein "ENGELJ" anonymer User schon in Englisch berichtet.
An dieser Stelle auch noch einmal Entschuldigung, das war keine Absicht!
Die 5.00V Anzeige vor dem Testen wird dann angezeigt, wenn die externe 
Präzisionsreferenz an Pin PC4 angeschlossen ist. Nur dann kann die VCC 
Spannung indirekt gemessen werden! Leider fiel mir auf die Schnelle kein 
besserer Platz ein, irgendwie brauchte ich aber selbst eine Kontrolle 
über die Erkennung und richtige Verarbeitung der externen Referenz.
Derzeit bin ich noch damit beschäftigt, die ESR Messung für Elkos mit zu 
integrieren. Die Meßfrequenz wird allerdings bei unter 1 kHz liegen und 
nicht wie standardmäßig bei 100 kHz gemessen. Der Meßaufbau (verwendete 
Steckkontakte, Kabel und Klemmen) ist allerdings sehr kritisch.

Grüße
Karl-Heinz

von Konrad S. (maybee)


Lesenswert?

Karl-Heinz Kübbeler schrieb:
> Der Meßaufbau (verwendete
> Steckkontakte, Kabel und Klemmen) ist allerdings sehr kritisch.

Kannst du dazu noch Tipps geben? (Ich will in den nächsten Tagen dem 
Tester sein Gehäuse verpassen.)

Noch eine Frage zum Kondensator für den "Automatischen Abgleich der 
Kondensator-Messung": Ist dafür ein WIMA MKS2 330nF geeignet? Sowas hab 
ich
in der Bastelkiste gefunden.

von Karl-Heinz K. (kubi48)


Lesenswert?

Mathias B. schrieb:
> Ein paar Worte oder ein nachlesbarer Thread dazu wären nett. Bilder bzw.
> Pläne ebenso. Soweit ich hier gelegentlich mitlese, kam in letzter Zeit
> nichts zum Thema Platinenverkauf. Und davor war die Rede von
> Frickelplatinen, die, übertrieben gesagt, nicht passen, weil der eine
> schlecht layoutet, der nächste schlecht kontrolliert, der dritte beim
> billigsten Anbieter bestellt, und der vierte es jeweils besser weiß,
> trotzdem bestellt, und sich dann darüber aufregt.
>
> Ich hab ja selber keine Ahnung rund um die Platinenfertigung, aber
> reinschauen würd ich vor der Bestellung ja trotzdem gerne mal. Sofern es
> durch die Weiterentwicklung seit sagen wir einem Jahr Änderungen an der
> Verdrahtung gab: Ist das berücksichtigt? Oder wird es absehbare
> Änderungen geben, die das Layout dann direkt inkompatibel mit den
> neusten Funktionen werden lassen? Passable Qualität in Material und
> Ausführung? Mit welchem Aufwand muss man rechnen, wenn man das Display
> extern beschalten will? Es soll auf eine 19"-Blende wandern, einen
> funktionierenden Eigenbau-Tester hätte ich schon. Es ist nur fraglich,
> ob der Umbau lohnt, oder ob ich mir eben noch eine anständige Platine
> leiste und das vorhandene Modell als mobilen Tester behalte.
>
> @Karl-Heinz: Weißt du mittlerweile genaueres, wie ich für die
> Bearbeitung der Dokumentation aufs SVN kommen könnte?

Hallo Mathias,
eine Übersicht und Beschreibung der wichtigen Eigenschaften sind in der 
online Doku http://www.mikrocontroller.net/articles/AVR_Transistortester 
veröffentlicht. Hier ist auch die Struktur des svn Archivs (Subversion) 
der Software erläutert. Die letzte Schaltplanversion ist in der pdf 
Dokumentation enthalten. Aus der Hardwareentwicklung (Platine, 
geeignetes Gehäuse usw.) habe ich mich bisher rausgehalten. Hier könnte 
man eventuell das svn Archiv erweitern. An der Hardware wurde nicht viel 
weiterentwickelt. Die Unterschiede zum ursprünglichen Entwurf von Markus 
F. sind aber in meiner PDF Dokumentation im Hardware-Kapitel und auch 
kurz in der oben genannten online Doku beschrieben. Der inzwischen sehr 
lange Thread sollte nicht als Informationsquelle genutzt werden, was 
wahrscheinlich fehlt, ist eine Veröffentlichung der Platinen-Daten!

Um die Freigabe des Zugriffs auf das svn-Archiv hatte ich versucht 
selber etwas herauszufinden, leider ohne Erfolg. Ich werde bei einem 
Moderator nachfragen!

Grüße
Karl-Heinz

von Karl-Heinz K. (kubi48)


Lesenswert?

Konrad S. schrieb:
> "Automatischen Abgleich der
> Kondensator-Messung": Ist dafür ein WIMA MKS2 330nF geeignet?

Auf jeden Fall ist der Folienkondensator geeignet! Jeder 
Folienkondensator mit mehr als 100 nF bis über 10000 nF ist geeignet, da 
hier nur die Ladeschluß-Spannung bis zur ADC-Messung gespeichert werden 
muß.

Die Übergangswiderstände sind halt bei der zukünftigen ESR-Messung 
kritisch, da mit einer Auflösung von 0.01 Ohm gearbeitet wird.
Probleme bereiten z.B. die PSK 254/3 Steckverbinder.
Wenn mit Kabeln gearbeitet wird, sollten nicht die durchgeschnittenen 
Low Cost Mini-Krokoklemmen (MK 612S rei****t) sondern eher geteilte sehr 
teure Miniaturklemmhaken (ML 6028 PRO rei****t) verwendet werden.
Ich habe allerdings noch nicht versucht, die Kabel der Low Cost 
Mini-Krokoklemmen durch bessere zu ersetzen. Der Widerstandswert einer 
Leitung von 0.73 Ohm kommt jedenfalls durch die viel zu dünne Leitung zu 
Stande.
Zum direkten Stecken von Bauteilen kann man z.B. eine entsprechend von 
20 auf 3 gekürzte Buchsenleiste BL 1X20G7 2,54 verwenden. Allerdings ist 
auch diese Buchsenleiste nicht auf häufiges Stecken ausgelegt.

Grüße
Karl-Heinz

von Mathias B. (bzzz)


Lesenswert?

Karl-Heinz Kübbeler schrieb:
> Wenn mit Kabeln gearbeitet wird, sollten nicht die durchgeschnittenen
> Low Cost Mini-Krokoklemmen (MK 612S rei****t) sondern eher geteilte sehr
> teure Miniaturklemmhaken (ML 6028 PRO rei****t) verwendet werden.
> Ich habe allerdings noch nicht versucht, die Kabel der Low Cost
> Mini-Krokoklemmen durch bessere zu ersetzen. Der Widerstandswert einer
> Leitung von 0.73 Ohm kommt jedenfalls durch die viel zu dünne Leitung zu
> Stande.

Man muss nicht gleich mit Kanonen auf Spatzen schießen, die CC 313 sind 
von passabler Qualität. Die machen auch mal 10A mit, ohne warm zu 
werden.

...dagegen kann man die MK 612S als Verbinder mit integriertem 
Strombegrenzer benutzen. Ansonsten sind die leider für jegliche auch nur 
entfernt messtechnische Aufgabe Schrott.

Oder eben Eigenbau, aber das wird auch nicht billiger und muss natürlich 
richtig gemacht werden ;)

@Buchsenleiste: Was spricht gegen SPL 32?

von Konrad S. (maybee)


Lesenswert?

Karl-Heinz Kübbeler schrieb:
>> Kondensator-Messung": Ist dafür ein WIMA MKS2 330nF geeignet?
> Auf jeden Fall ist der Folienkondensator geeignet!

Prima, danke.

> teure Miniaturklemmhaken (ML 6028 PRO rei****t)

Diese Klemmen sehen exakt so aus, wie die Klemmen an diesem "Bus Pirate 
Kabelset mit Klemmen" für 3.95€:
http://www.watterott.com/de/Bus-Pirate-Kabelset-mit-Klemmen

Allerdings sind hier die Kabel seeeeehr dünn. Aber die Klemmen lassen 
sich an ordentliche Kabel löten. Da muss also erstmal mein Bus Pirate 
Federn lassen.

> Zum direkten Stecken von Bauteilen kann man z.B. eine entsprechend von
> 20 auf 3 gekürzte Buchsenleiste BL 1X20G7 2,54 verwenden. Allerdings ist
> auch diese Buchsenleiste nicht auf häufiges Stecken ausgelegt.

Ja, so ähnliche habe ich auch hier. Evtl. kann ich die so einbauen, dass 
sie leicht auswechselbar sind, mal sehen.

von Konrad S. (maybee)


Lesenswert?

Mathias B. schrieb:
> Man muss nicht gleich mit Kanonen auf Spatzen schießen, die CC 313 sind
> von passabler Qualität.

Etwas lang, die Dinger.

> Was spricht gegen SPL 32?

Die von Karl-Heinz Kübbeler genannte
> Buchsenleiste BL 1X20G7 2,54
hat federnde Kontakte. Das ist meiner Meinung nach vorteilhaft gegenüber 
starren Löchern, wenn öfter mal gesteckt wird.
Kann dazu jemand aus eigener Erfahrung berichten?

von Mathias B. (bzzz)


Lesenswert?

Karl-Heinz Kübbeler schrieb:
> Wenn mit Kabeln gearbeitet wird, sollten nicht die durchgeschnittenen
> Low Cost Mini-Krokoklemmen (MK 612S rei****t) sondern eher geteilte sehr
> teure Miniaturklemmhaken (ML 6028 PRO rei****t) verwendet werden.

Konrad S. schrieb:
> Mathias B. schrieb:
>> Man muss nicht gleich mit Kanonen auf Spatzen schießen, die CC 313 sind
>> von passabler Qualität.
>
> Etwas lang, die Dinger.

Schnipp, schnapp, Kabel app. Die anderen werden ja auch geteilt. Immer 
noch um den Faktor 3 billiger, wenn man die Reste mal außen vor lässt.


Konrad S. schrieb:
> Die von Karl-Heinz Kübbeler genannte
>> Buchsenleiste BL 1X20G7 2,54
> hat federnde Kontakte. Das ist meiner Meinung nach vorteilhaft gegenüber
> starren Löchern, wenn öfter mal gesteckt wird.
> Kann dazu jemand aus eigener Erfahrung berichten?

Oder eine Skizze des mechanischen Aufbaus beisteuern? Googlen findet 
http://www.kontakttechnik.de , blöderweise geht bei denen die Seite mit 
den Federkontakten (zum Vergleich) nicht. Bei den Buchsenleitungen ist 
vermerkt, dass da ebenfalls eine Federung stattfindet, aber eben rund um 
das eingesteckte Beinchen statt durch zwei parallele Metallblättchen. 
Und das zeigen auch die SPL-Leisten, bei denen kann man Drähte 
verschiedener Querschnitte einstecken und sie halten. Das dürfte ohne 
ähnlichen Mechanismus ja nicht gehen. Aber was da besser ist? Billiger 
sind jedenfalls die normalen Federkontakte.

von Michael D. (mike0815)


Lesenswert?

Hallo Karl-Heinz,

> es kann sein, daß Du eine fehlerhafte 1. Version der 1.0k Software
> erwischt hast. Ich hatte die Version nach ein paar Tagen noch einmal
> nachgebessert, da ich einen Fehler bei der Messung mit dem 470k
> Widerstand übersehen hatte.
Also liegt es garnicht an meiner Ref-Diode!? War schon drauf u. dran die 
wieder auszulöten...
Den "ENGLJ" Kommentar hatte ich doch glatt übersehen... :-(
Ist das im Trunk jetzt korrigiert und kann ich das Kompilat hier 
reinsetzen? Da einige User doch Probleme haben sich dort zurecht zu 
finden, wollte ich hier eine Kopie in den Thread posten.

Gruß Michael

von Michael D. (mike0815)



Lesenswert?

Dann steuere ich mal meine Version des mechanischen Aufbaus bei.
Ich verwende kurze Präzisions-Sockel mit kleinem Durchmesser in einer 
5er Reihe, damit man auch Probanten mit grösseren Rastermaß messen kann. 
Die äusseren Pins unter dem Sockel, habe ich entfernt und quasi je an 
die Probpins 1+3 gebrückt. Auf diese Sockel, stecke ich dann weitere 
Präzisionsockel, allerding in längerer Ausführung u. mit grösserem 
Durchmesser. Diese passen "press" in die kleineren Sockel und werden 
zusätzlich mit Heißkleber stabilisiert.

Für grössere Ptrobanten, die nicht in die Sockel passen, benutze ich 
auch Grabber mit PSK Stecker, die jetzt aber nicht gerade der Reißer 
sind. Für große Elkos u. Leistungstransistoren, reichen die allemal.
Man könnte noch, um den Leitungswiderstand so gering wie möglich zu 
halten, Silikon-Messleitungen verwenden, allerding könnte es mit den 
Grabbern ein wenig eng zugehen.
Zum besseren Verständnis, siehe Fotos im Anhang!

Gruß Michael

von Karl-Heinz K. (kubi48)


Lesenswert?

Michael D. schrieb:
> Ist das im Trunk jetzt korrigiert und kann ich das Kompilat hier
> reinsetzen?

Hallo Michael,

sowohl der Software/trunk Zweig als auch die .zip File im Software/tags 
Zweig ist jetzt fehlerbereinigt.
Es waren zwei Fehler, einer bei der Mittelwertbildung für hochohmige 
Widerstände, der andere bei der Abfrage der externen Referenz. Bei der 
externen Referenz sollte der PC4 Pin kurz vor der Messung auf GND gelegt 
werden. Dies war bei der ersten Version nicht der Fall. Das fiel aber 
nur auf, wenn der Pin überhaupt nicht beschaltet ist. Ich hatte leider 
nur mit der Referenz und ohne die Referenz getestet, dabei war aber der 
PC4 Pin trotzdem mit dem 2.2 kOhm Widerstand auf VCC gelegt, also auch 
beschaltet!

Beide Fehler sind am 25.9.2012 beseitigt worden.

Der Aufbau des svn-Archivs ist in der Online-Doku 
http://www.mikrocontroller.net/articles/AVR_Transistortester
erklärt.
Die Schwierigkeiten für Windows-Benutzer liegen im allgemeinen daran, 
daß man auf die Dateien nicht mit dem Standard Browser zugreifen kann.
Für den Internet Explorer funktioniert es aber mit dem Tortoise Plugin, 
wie im  Beitrag "Re: Transistortester AVR" schon 
berichtet wurde.

Grüße
Karl-Heinz

von Simone (Gast)


Lesenswert?

Hi Karl,

i've added an external 2,5V reference to pd4 and i see 5.04v when i push 
the test button.

Is that a good value ?

von Simone (Gast)


Lesenswert?

PC4, not PD4, sorry.

von Karl-Heinz K. (kubi48)


Lesenswert?

Simone schrieb:
> Hi Karl,
>
> i've added an external 2,5V reference to pd4 and i see 5.04v when i push
> the test button.
>
> Is that a good value ?

Hi Simone,

5.04V before the "testing..." means, that with a exact 2.5V reference 
the VCC voltage is computed to 5.04V.
The difference to 5.0V is less than 1%
With my equipment the result is usually 4.98V or 4.99V.
With the external ISP-Power 5.00V or 5.02V is measured.
If you have a good voltmeter or multimeter, you can check the VCC 
voltage of your Tester.
The internal voltage is used to correct the capacity value of measured 
capacitors. Any difference of VCC voltage results to a same percentage 
error of capacity measurements values without this correction! The 
resistor measurement is nearly independent of the VCC voltage.

If you have another sample of your precision voltage reference, you can 
check this part with the tester. The tester will report a Zener diode 
with 2.49V or 2.50V . Without the external PD4 reference the result of 
the same test will change, if the VCC voltage is not exactly 5.00V.

Karl-Heinz

von Jaka57 (Gast)


Lesenswert?

Hi Karl,

the latest version (1.00) is working on m168pa but not on m328p.
On previous versions everything was OK.
- after batt voltage and "V" suppose to be space but instead of this is
  full pattern on display,
- doesn't matter what I connect to test pins I'm getting "unknown or
  damaged part,
- in test mode I'm getting strange characters on display without any
  sense.

But funny thing is if I burn m328p with flash and eeprom compiled for 
m168p everything is working as supposed to but not compiled for m328p. 
Only diference in make file is "PARTNO".

Thank you again for your effort improving the tester.

Best regards,
Jaka

von Karl-Heinz K. (kubi48)


Lesenswert?

Hi Jaka,

I have taken the software from Software/tags path with version 1.00k
and have compiled the Software with PATNO=m328p and all works well.
I have 13632 bytes flash, 127 bytes RAM and 614 bytes EEprom used with 
this version.
If I compile the same software for PARTNO=m168p the software takes 13796 
bytes flash, 127 bytes RAM and 446 bytes EEprom.
As you can see, the version for 328p takes more EEprom.
Some text parts are moved from EEprom to flash memory for the ATmega168 
version, because this microcontroller has only 512 bytes.
Are you absolutely shure, that you have programmed the ATmega328P with
the right .hex file and .eep file correctly?
The fuses must be set correctly, because the m168p software version 
works well.
Or did you use the software from the Software/trunk path?
Best regards,
Karl-Heinz

von Nelu (Gast)


Lesenswert?

Congratulations for the project.I am done with atmega328p project but 
fail to compile files.Please attach files to atmega328p (hex and eep) or 
send them by email.Thank you very much.Nelu,Romania.

von Nelu (Gast)


Lesenswert?

Nelu schrieb:
> Congratulations for the project.I am done with atmega328p project but
> fail to compile files.Please attach files to atmega328p (hex and eep) or
> send them by email.Thank you very much.Nelu,Romania.

bentanioan@yahoo.com

von Nelu (Gast)


Lesenswert?

Nelu schrieb:
 Nelu schrieb:
 Congratulations for the project.I am done with atmega328p project but
 fail to compile files.Please attach files to atmega328p (hex and eep) 
or
 send them by email.Thank you very much.Nelu,Romania.

 bentanioan@yahoo.com

von Michael D. (mike0815)


Angehängte Dateien:

Lesenswert?

Hallo Karl-Heinz,

> Beide Fehler sind am 25.9.2012 beseitigt worden.
"hatte" gleich das neue Kompilat gezogen und neu kompiliert für den 
Mega328!
Jetzt geht das wunderbar!
Die Messungen von Kondensatoren zeigen auch etwas genauere Werte 
an...kann das an der externen Ref-Diode(LM336-2,5)liegen?
BtW. Bei vollem Akku wird bei mir exakt 5V angezeigt, geht dieser zu 
Neige, so etwa ab 7,4V, habe ich immernoch 4,99V auf dem Display, das 
ist weit von der 1% Toleranz entfernt, also fast 100% würde ich mal 
behaupten.

Der Nelu, hat wahrscheinlich bei den Fuses den Brownout vergessen auf 4V 
zu setzen?!? Ich hatte doch mal dasselbe Problem, als der Brownout dann 
auf 4V stand, war dieses damit gelöst.
Ich setze mal das funktionierende Kompilat inkl."aps"(Studio4.19)für den 
Mega328 in den Anhang.

PS.: Ich warte immernoch auf meine Duodioden, habe dich nicht vergessen!

Gruß Michael

von Nelu (Gast)


Lesenswert?

Danke, Zeitplan morgen ATMEGA328.

Gruß Nelu,

von Jaka (Gast)


Lesenswert?

Hi Karl,

thank you for reply. I'm sure that I've taken right hex and eep file 
because every time I erase every file but Makefile in folder default 
before I compile it and I'm sure that I was using right fuse bytes.
In Makefile I've changed values of BAT_OUT and BAT_POOR and enabled 
WITH_AUTO_REF.
But honestly I'm not sure from where I've took software (trunk or tags) 
but I've compiled software on different computers. When it was not 
working for m328p at first try (and few more) I've took another computer 
downloaded software again and compiled it for m168p with changed values 
for BAT_OUT and BAT_POOR only.
I'll do it again tomorrow and of course I will inform you about results.


Best regards,
Jaka

von Karl-Heinz K. (kubi48)


Lesenswert?

Hi Jaka,
I have told You in my last answer, that the software version for 
ATmega328 uses more EEprom. You had noticed before, that the text output 
in the selftest part is incorrect. Most text of the selftest part is 
located in EEprom for the ATmega328. This text is located in the flash 
memory for the ATmega168.
It is possible, that one of your device programming equipment (hardware 
or software) doesn't like to program the EEprom of your ATmega328P above 
512 bytes?

Best Regards
Karl-Heinz

von Nelu (Gast)


Angehängte Dateien:

Lesenswert?

Hello, I programmed Atmega328p and works fine but I think the latest 
version of software measures and ESR CAPACITOR. Please who knows, to 
compile files in hex ​​and eep attachment and post them on the forum. 
Thanks, Nelu.

von Nelu (Gast)


Lesenswert?

Compiled for atmega328p, please.

von Karl-Heinz K. (kubi48)


Lesenswert?

Nelu schrieb:
> Hello, I programmed Atmega328p and works fine but I think the latest
> version of software measures and ESR CAPACITOR.

Hi Nelu,
the ESR measurement is still under developement, I think that it is 
better to wait for the 1.01k version. It is difficult to fix the 
resistance offset of the ESR measurement. I have to take some series of 
measurements to get a solution.

Best Regards,
Karl-Heinz

von Nelu (Gast)


Lesenswert?

Thanks for the reply, I expect the new version. Success!

Best Regards,
Nelu

von Jaka (Gast)


Lesenswert?

Hi Karl,
yes you were right. It was fault in software for USBASP 
programmer(progisp1.72). In xml file for mega328p was defined EEPROM for 
512bytes.

Best regards,
Jaka

von Justin Sergio (Gast)


Lesenswert?

Hello,

I don't speak German so I have a bit of a problem understanding what is 
going on here ;)

1.) What is the latest firmware and where is it? Is it stored here? 
http://www.mikrocontroller.net/articles/AVR-Transistortester

2.) How do we know what is the latest version of the firmware?

3.) I am under the assumption the circuit diagram hasn't changed in a 
while so the .96k version I have (think) should work for all new 
revisions?

4.) I will be compiling on a 328P. How has that been working for 
everybody? I found that site that allows you to choose your controllers 
and settings and gives you the appropiate download, but there is not 
even a compilation for the 168. Since I'm using a 328P I'm going on the 
fact that others have made it work -- is there anything fancy I need to 
be aware of (e.g. fuse bits that need to be set etc)?

5.) I think it is a good idea for me to include the ISP port to update 
faster, does this mean I'd just have to push a hex file out?

I appreciate the efforts of those involved, this is really something I 
could use and in fact I think should be "a commonly distributed item" 
for just about everybody.

von Karol B. (johnpatcher)


Lesenswert?

Justin Sergio schrieb:
> 1.) What is the latest firmware and where is it? Is it stored here?
> http://www.mikrocontroller.net/articles/AVR-Transistortester
No, because this article is for the "original" project. The firmware 
Karl-Heinz is working on is kind of an alternative. You'll find the 
latest version here 
(https://www.mikrocontroller.net/svnbrowser/transistortester/).

Justin Sergio schrieb:
> 2.) How do we know what is the latest version of the firmware?
Just take a look at the SVN regularly.

Justin Sergio schrieb:
> 3.) I am under the assumption the circuit diagram hasn't changed in a
> while so the .96k version I have (think) should work for all new
> revisions?
Yes, I don't know of any changes, although newer firmwares now make use 
of the voltage reference if it is detected, whereas older ones haven't.

Justin Sergio schrieb:
> 4.) I will be compiling on a 328P. How has that been working for
> everybody? I found that site that allows you to choose your controllers
> and settings and gives you the appropiate download, but there is not
> even a compilation for the 168. Since I'm using a 328P I'm going on the
> fact that others have made it work -- is there anything fancy I need to
> be aware of (e.g. fuse bits that need to be set etc)?
Should work pretty much out of the box. I'm not aware of any changes you 
need to make to the fuses, which would only affect the 328P.

Justin Sergio schrieb:
> 5.) I think it is a good idea for me to include the ISP port to update
> faster, does this mean I'd just have to push a hex file out?
I'm not sure whether I understand the question. The ISP is an interface 
to flash the microcontroller without the need to take it out of its 
socket. ISP doesn't change anything about the file format or anything 
like this. So what exactly is your question here?

von Karl-Heinz K. (kubi48)


Lesenswert?

Justin Sergio schrieb:
> 1.) What is the latest firmware and where is it? Is it stored here?

Hi Justin,

you have notes the first release from Markus F. !
At the end of the page you find a link to the short description of my 
software version 
http://www.mikrocontroller.net/articles/AVR_Transistortester .
There you will find a description of the svn archiv in german language.
The directory Doku/tags contains the pdf-documentation in german and 
english language.
The .zip archive of every developement stage you can find in the 
Software/tags directory.
If you download software from svn server with 
http://www.mikrocontroller.net/svnbrowser/transistortester with download 
"GNU tarball", you probably need a additional tool for windows to 
extract the .tar.gz file. One selction for this job is the freeware tool 
7-Zip!

Currently only ready compiled firmware (.hex and .eep files) for the 
ATmega168 is stored in the trunk/default subdirectory.
Additional firmware for ATmega8 can be found in trunk/mega8_auto and
trunk/mega8_selftest subdirectories. Because software can be configured 
with different options and languages, the user should compile the 
software with his own requirement.
After loading the software to the ATmega, you should make the selftest 
with self-calibration to optimize the measurement results.
You need a external capacitor at pin 1 and pin 3 with a value between 
100 nF and 10 uF to finish the self-calibration!
Please take a look to the pdf documentation for details.

Best regards
Karl-Heinz

von Justin Sergio (Gast)


Lesenswert?

Guten tag,

(I only know a few words of German, usually from either WW2 history or 
WW2 FPS games...like I know what einspritz means because I used to own 
BMWs...Certainly, better thought out (mostly), handle better and 
generally have better engines than American cars...)

Annnnnyway:

1) These lads over here 
http://dangerousprototypes.com/forum/viewtopic.php?f=19&t=3260&p=39780#p39780 
found a way to run it off two AA batteries and a boost converter, is 
there a specific reason to be using a 9V battery I was not aware of?

2) I found a schematic for the "schaltplan_ohne_abschaltung" which 
apparently means "schematic for no auto-power off"? I was thinking I 
could have a SPDT switch that toggles between auto-power off and a 
constant on mode. I'm not sure if the firmware supports such an 
operation wherein after 10 seconds the displayed/calculated result would 
be cleared and it would say "Ready..." to indicate it was ready to test 
another part. The reasoning is that if you wanted to test a bunch of 
components at once.

3) Quote follows:
"Justin Sergio schrieb:
> 4.) I will be compiling on a 328P. How has that been working for
> everybody? I found that site that allows you to choose your controllers
> and settings and gives you the appropiate download, but there is not
> even a compilation for the 168. Since I'm using a 328P I'm going on the
> fact that others have made it work -- is there anything fancy I need to
> be aware of (e.g. fuse bits that need to be set etc)?
Should work pretty much out of the box. I'm not aware of any changes you
need to make to the fuses, which would only affect the 328P."

Meaning that I should have to set some fuse bits for the 328P? Are those 
defined anywhere? (I should elaborate that I'm just getting started in 
this electronics world and I'm building this to help myself and others 
ID strange parts, particularly in the TO-92 package)

4) Quote follows:
"Justin Sergio schrieb:
> 5.) I think it is a good idea for me to include the ISP port to update
> faster, does this mean I'd just have to push a hex file out?
I'm not sure whether I understand the question. The ISP is an interface
to flash the microcontroller without the need to take it out of its
socket. ISP doesn't change anything about the file format or anything
like this. So what exactly is your question here?"

I was curious how I would update the firmware via the ISP. I was under 
the assumption I would just have to pull up AVR Studio or something like 
that and get the hex file and push it out to the ISP pins? Pardon me if 
this all doesn't make sense. :)



Thanks for all your help :)

von Jörn P. (jonnyp)


Lesenswert?

Hi Sergio

There is no sweat to write in english here ;-)

Justin Sergio schrieb:
> is
> there a specific reason to be using a 9V battery I was not aware of?

No! This was the original idea and actually i see no reason why not use 
alternate sources. In other words: Its up to you to provide the 
appropriate power for your system.

Justin Sergio schrieb:
> I found a schematic for the "schaltplan_ohne_abschaltung" which
> apparently means "schematic for no auto-power off"?

You are correct ;-)

Justin Sergio schrieb:
> I was thinking I
> could have a SPDT switch that toggles between auto-power off and a
> constant on mode. I'm not sure if the firmware supports such an
> operation wherein after 10 seconds the displayed/calculated result would
> be cleared and it would say "Ready..." to indicate it was ready to test
> another part. The reasoning is that if you wanted to test a bunch of
> components at once.

Right now a new measurement is started by activating the switch...
otherwise the software allways would have to scan the terminals...
should be not so hard to hit the switch again ;-)

Justin Sergio schrieb:
> Since I'm using a 328P I'm going on the
>> fact that others have made it work -- is there anything fancy I need to
>> be aware of (e.g. fuse bits that need to be set etc)?

You must edit the makefile to suit your needs and recompile.

Some guys have placed  328-files here a few days ago.

Justin Sergio schrieb:
> I was curious how I would update the firmware via the ISP. I was under
> the assumption I would just have to pull up AVR Studio or something like
> that and get the hex file and push it out to the ISP pins? Pardon me if
> this all doesn't make sense. :)

You need a programmer to get the hex file into the µC and of course it 
is done via ISP.

This brings me to the question: Which way you get the program into the 
µC NOW??

von Justin Sergio (Gast)


Lesenswert?

Guten tag,

(Man I could have used a Duetsch speaker five years ago when I was 
trying to make a comprehensive writeup on all things BMW E30 
clusters/instrumentation...)

As far as what I have seen in the videos, pressing the button to 
activate the testor turns it on, it scans the ports; if it sees nothing, 
it shuts down after 10 seconds or something like that? and if it does 
see something, it interprets it, displays the result, then shuts off 
after 10 seconds?

As of right now, I'll be using the Arduino to shuffle the code onto the 
uC. Of course there are other ways like ISP on a breadboard but yeah. (I 
actually tried to compile the whole thing using the Arduino IDE, until 
it came upon me that it wouldn't be able to do it: sort of like using 
TextEdit for a subsitute for a full-blown word processor or something 
specialized like Notepad++).

The reason is that I'll be probably making a tutorial/instruction sheet 
on how to make one of these. See I'll be using one of these...

https://www.adafruit.com/products/399

...as my LCD and will likely use a ATtiny85 to control the RGB colors 
via three thumbwheel potentiometers. Should be slick...


*: I was looking for a fuel economy meter last year and found the 
MPGuino. I don't know if it does L/100km for you metric folk (but I did 
set the OBC on my BMWs to the metric system so I kinda understand it) so 
I was thinking after this of building a slick uC controlled "OBC" that 
displayed stuff like instantous speed, avg fuel economy, instant fuel 
economy, RPM, etc etc. That'll be for next time ;)

von Jaka (Gast)


Lesenswert?

Hi Sergio,

just read pdf file which is written in english and you will find answers 
for your questions.
Karl, who made software for this version of component tester gave you 
link for everything what you need.

Best regards,
Jaka

von Michael D. (mike0815)


Lesenswert?

Hallo Karl-Heinz,
ab der Version:0.99k vom 14-09-2012 und 1.0k vom 24-09-2012
mit ATmega328 (Fuses-LF:0xF7-HF:0xD9-EF:0xFC),
werden die Kondensatorwerte falsch ausgelesen!
Werte bis 10µF werden noch korrekt angezeigt. Ab z.B. 47µF zeigt das 
Display 655,6µF und bei 470µF sind es 1311µF.
Habe mal das abgespeckte Kompilat(1.0m)vom Markus für Testzwecke 
aufgespielt, dort werden die Werte richtig angezeigt und natürlich bei 
deinen Vorgängerversionen.

Gruß Michael

von Karl-Heinz K. (kubi48)


Lesenswert?

Michael D. schrieb:
> Werte bis 10µF werden noch korrekt angezeigt. Ab z.B. 47µF zeigt das
> Display 655,6µF und bei 470µF sind es 1311µF.

Hallo Michael,
der Fehler, der bei Dir auftritt, ist sehr seltsam.
Ich bin erst jetzt dazu gekommen, die beiden Versionen aus dem 
Software/tags Bereich noch einmal zu überprüfen. Ich kann bei einem 
ATmega328 kein Problem feststellen.
Um den Fehler einkreisen zu können, wäre es sinnvoll, wenn Du mir Deine 
Makefile mit den gewählten Optionen an meine Email Adresse zu schicken 
würdest. Eventuell könntest Du auch die .hex und .eep Datei für einen 
Vergleich mitschicken.
Ist das Verhalten vor und nach dem Selbsttest (Selbst-Abgleich) ähnlich?
Um den Zustand vor dem Selbst-Abgleich wiederherzustellen, reicht es, 
die .eep Datei zu laden (make eeprom)!
Werden im Selbsttest außergewöhnliche Werte bei Test 1 (Ref=1070mV),
Test 7-8 (21.7 Ohm und 20.4 Ohm) sowie bei Ref_C= und Ref_R= angezeigt?

Grüße
Karl-Heinz

von Michael D. (mike0815)


Lesenswert?

Hallo Karl-Heinz,

> Hallo Michael,
> der Fehler, der bei Dir auftritt, ist sehr seltsam.
Ja, das sehe ich auch so, zumal es bei den Vorgängerversionen die 
Kapazitäten korrekt misst!

> Ich bin erst jetzt dazu gekommen, die beiden Versionen aus dem
> Software/tags Bereich noch einmal zu überprüfen. Ich kann bei einem
> ATmega328 kein Problem feststellen.
Ich habe noch mal alles platt gemacht und neu aufgespielt, mit demselben 
Ergebnis. Beim einstecken von z.B. 47µF u. 100µF, wird immer derselbe 
Wert angezeigt, nämlich 655µF...komisch.
Das letzte mal, hatten wir das bei der Widerstandsmessung. Das hattest 
du ja gefixt!

> Um den Fehler einkreisen zu können, wäre es sinnvoll, wenn Du mir Deine
> Makefile mit den gewählten Optionen an meine Email Adresse zu schicken
> würdest. Eventuell könntest Du auch die .hex und .eep Datei für einen
> Vergleich mitschicken.
Mache ich.
> Ist das Verhalten vor und nach dem Selbsttest (Selbst-Abgleich) ähnlich?
Ja, hatte es eben noch mal getestet...

> Um den Zustand vor dem Selbst-Abgleich wiederherzustellen, reicht es,
> die .eep Datei zu laden (make eeprom)!
Voher u. nachher dasselbe Verhalten.

> Werden im Selbsttest außergewöhnliche Werte bei Test 1 (Ref=1070mV),
Ref=1110mV
> Test 7-8 (21.7 Ohm und 20.4 Ohm) sowie bei Ref_C= und Ref_R= angezeigt?
21,7 Ohm u. 19,7 Ohm sowie Ref_C=-3 und Ref_R=-33

Gruß Michael

von Justin Sergio (Gast)


Lesenswert?

Hallo,

I was wondering if I ran the Arduino itself at 3.3V, would that affect 
any of the measurement characteristics in the code? As in, any 
comparator type functions, where it it compares the input to a known 
baseline?

We're running through the intial phase of figuring out how we're going 
to run it off two AA batteries. If the code more or less specs 5V we'd 
just use three AA batteries and use a DC-DC converter to bump it to 5V. 
But 3.3V would be fine, unless there would be increased risk of 
instability on the VCC line?

Danke :)

von Karl-Heinz K. (kubi48)


Lesenswert?

Hallo Justin,

the code is optimised to the VCC voltage of 5 V.
Maybe, the basic tests will also run with 3.3 V, but the tables to
compute the capacity from load time of a capacitor are build with the 
current given by the 5V supply voltage for example.
For some tests the current given with the 5 V supply voltage and the 680 
Ohm resistor is still too low (Thyristor ot Triac for example). A supply 
voltage of only 3.3 V does this make better.
If you use four AA batteries, you can stabilize the VCC voltage to 5 V 
with a low drop voltage regulator such as MCP1702-5002.
But the voltage given with four new AA batteries is too high for a 
direct connection to the supply pins of the ATmega.
I don't know, if a DC-DC converter noise can disturb the measurements of 
the ATmega. You know the rule of thumb: Never change a running system!
I had tried to use a OLED display for showing the results. I did it 
without success!

Best regards
Karl-Heinz

von Simone (Gast)


Lesenswert?

Karl-Heinz Kübbeler schrieb:
> Simone schrieb:
>> Hi Karl,
>>
>> i've added an external 2,5V reference to pd4 and i see 5.04v when i push
>> the test button.
>>
>> Is that a good value ?
>
> Hi Simone,
>
...
> If you have a good voltmeter or multimeter, you can check the VCC
> voltage of your Tester.
...
> Karl-Heinz

how good should be a voltmeter to be considered good ?

von Karl-Heinz K. (kubi48)


Lesenswert?

Simone schrieb:
> how good should be a voltmeter to be considered good ?

If your voltmeter give you a mV resolution in the working range for 5V,
you can usually trust the rounded 10mV digit.
The 0.5% accuracy class of a multimeter results to an error of up to 
25mV for the 5V range.
A instrument with a accuracy class lower than 0.2% is required to make 
shure, that the rounded 10 mV of your display value is correct!

But your 5.04V measured with the Transistortester is inside the limits!

Best regards
Karl-Heinz

von Simone (Gast)


Angehängte Dateien:

Lesenswert?

Hi karl, as you can see from pictures i've trobles trying to measure 
inductors of nominal value of 470 uH.

If i tryng lower or grater value i get a correct value.

Where is the cause of this beaviour ?

von Karl-Heinz K. (kubi48)


Lesenswert?

Hi Simone,

in the english pdf documentation of version 1.00k the description ot 
inductance measurement is not included. You can read the pdf 
dokumentation in the Doku/trunk/pdftex/english path of svn archiv.
In this document you will find, that only for inductors with a 
resistance of less than 8 Ohm a method of measurement is used without 
the current limiting 680 Ohm resistor. Without this resistor inductors 
of about 10 µH are detected. To detect a inductor with the included 680 
Ohm resistor the inductance must be much higher, since time constant of 
current growing is  inverse proportional to resistance.
This may be the reason for the missing detection.
My test coil of 1.5 mH has only 5.4 Ohm resistance!
A coil with the same inductance but less resistance would probably be 
detected.

You can test this behaviour, if you connect a previously detected 
inductor  with lower inductance together with a serial resistor of 8Ohm.

Best regards
Karl-Heinz

von Michael D. (mike0815)


Lesenswert?

Hallo Karl-Heinz,
jetzt habe ich mehrere ATMega328 mit der 1.0k programmiert und diese je 
in meine beiden Comptester gesetzt.
Der eine ist mit allen HW-Futures, der andere nur leicht modifiert, also 
ohne Abschaltung, REF-Diode und externen Pulldown Widerstand.
Beide zeigen bei den Probanten z.B.100µF, dasselbe Ergebnis an: 655µF.
Also kann man einen HW-Fehler ausschliessen!
Da ja alle Vorgängerversionen von dir einwandfrei laufen, muß der Fehler 
entweder beim Kompilieren liegen, oder...irgendwie weiß ich jetzt nicht 
mehr weiter.
Komischerweise läuft ja, nach deinen Angaben, mein Kompilat bei dir 
einwandfrei.
Vielleicht könnte Jemand mal das oben von mir gepostete File
 Beitrag "Re: Transistortester AVR"
für den Mega328 mal testen und ein Feedback bezüglich der Messungen von 
100µF preisgeben?

Gruß Michael

von Jörn P. (jonnyp)


Lesenswert?

Hallo Karl-Heinz,
ich habe den Tester mit einem Mega168 und der Version 1.0k am laufen.
Zwei Wünsche möchte ich äußern: Die Anzeigezeit des eigentlichen 
Messwerts ist imho sehr kurz. Eine Verlängerung um 50% bis 100% wäre mir 
wünschenswert.
Die Ablesbarkeit des Messwerts wäre imho besser, wenn ein Leerzeichen 
zwischen Messwert und Messart stünde, z.B "470 µF" anstatt "470µF".
Da ich ja hier nicht der einzige user bin, könnten Andere ja mal ihre 
Meinung dazu sagen. Aber auch Tips für solche Änderungen wären OK.
Und vielen Dank für deine tolle Arbeit ;-)

von Michael D. (mike0815)


Lesenswert?

So, ich noch mal...
Da ich ja fast nie aufgebe, habe ich mein Problem gefixt.
Kurze Rede, langer Sinn, ich habe in meinen Mega328 das Kompilat vom 
Mega168 geflasht und siehe da, plötzlich tut es alles so, wie es soll!
Nur komisch ist, das das 168er Kompilat auf dem 328 läuft...es müsste 
also an der Programmübertragung liegen. Ich würde gerne mal ein paar 
andere Brennprogramme testen, die unter Anderem den USB-ASP von Fischl 
unterstützt und natürlich auch den Mega328, für ein paar Vorschläge wäre 
ich dankbar.

@Karl-Heinz
Kann das sein das du "heimlich" die Duodioden-Messung gefixt hast? Diese 
werden jetzt korrekt erkannt, sehr schön!

Gruß Michael

von Michael D. (mike0815)


Lesenswert?

@Jörn
mein Vorschlag wäre, diese beiden Funktionen in die Auswahlliste des 
Makefiles mit reinzunehemen(Anzeigelänge, Platzhalter), dann könnte sich 
jeder selbst die Parameter nach seinen Bedürfnissen einstellen?!?

Gruß Michael

von Karl-Heinz K. (kubi48)


Lesenswert?

Jörn Paschedag schrieb:
> Die Anzeigezeit des eigentlichen
> Messwerts ist imho sehr kurz.

Hallo Jörg,
Die Standardwerte der Anzeigezeit können in der config.h Datei geändert 
werden. Es gibt zwei #define Anweisungen hierfür: LONG_WAIT_TIME und
SHORT_WAIT_TIME. Die längere Zeit ist auf 10000 ms vorbesetzt, die 
kürzere auf 3000 ms. Ich werde die Zeiten in der nächsten Version auf 
14s bzw 5s hochsetzen! Die längere Zeit wird immer bei der Einzelmessung 
verwendet und durch "längeres Startknopf drücken" bei der Serienmessung.

Jörn Paschedag schrieb:
> Die Ablesbarkeit des Messwerts wäre imho besser, wenn ein Leerzeichen
> zwischen Messwert und Messart stünde, z.B "470 µF" anstatt "470µF".

Hierfür ist leider der Platz auf dem Display sehr knapp. Man könnte die 
Ausgabe generell auf 3 signifikante Ziffern beschränken. Bei deinem 
Beispiel 470 µF ist die Nachkommastelle ja wahrscheinlich verzichtbar, 
da hier für die letzte Stelle nur um 0.1 % gerundet werden muß. 
Problematisch ist die Anzeige 100, hier muss um 0.5 % gerundet werden.
Bei der Software 1.00k ist natürlich bei der Kondensatoranzeige noch 
Platz, bei der nächsten Version steht aber hinter der Kapazitätsanzeige 
noch:
 Hier wird um Platz zu sparen die Vorkomma-Null weggelassen, was die 
Lesbarkeit auch nicht fördert.
Die Ausgabe von Meßergebnissen erfolgt inzwischen durch eine gemeinsame 
Funktion DisplayValue, der als Parameter der Anzeigewert, die 
Kommaposition, die Einheit und die Zahl der auszugebenden signifikanten 
Stellen übergeben wird. Wenn also eine Leerstelle zwischen Wert und 
Dimension ausgegeben würde, würde das alle Ausgaben betreffen.
Um Platz zu sparen, ist auch schon vorgeschlagen worden, den 
Dezimalpunkt durch den Dimensions-Prefix (p, µ, n, m oder k) zu 
ersetzen. Ich denke, daß das die Lesbarkeit auch nicht verbessert. So 
glaube ich, daß man hier mit einem Kompromiss leben muß.

Grüße
Karl-Heinz

von Karl-Heinz K. (kubi48)


Lesenswert?

Michael D. schrieb:
> Kurze Rede, langer Sinn, ich habe in meinen Mega328 das Kompilat vom
> Mega168 geflasht und siehe da, plötzlich tut es alles so, wie es soll!

Hallo Michael,

es freut mich, daß Du etwas weiter gekommen bist. Der ATmega328 kann den 
Code des ATmega168 ausführen, da die beiden Prozessoren weitgehend 
identisch sind. Der Unterschied besteht im größeren Flash und dem 
größeren EEprom. Wegen des größeren EEprom kann beim ATmega328 mehr Text 
in das EEprom gelegt werden. Da der ATmeg328 aber auch genug Flash 
Speicher hat, kann der Prozessor auch mit der mega168 Aufteilung leben.
Einen ähnliche Fehlerursache hatte der Benutzer jaka im Beitrag 
Beitrag "Re: Transistortester AVR" gefunden.
Hier war der EEprom Speicher für den ATmega328 in der 
Programmiersoftware zu klein spezifiziert!
Aber ein kleiner Trost:
Der Ärger mit der ISP Software war mal der Grund, warum ich mit der 
Überarbeitung und Weiterentwicklung begonnen hatte. Aus diesem Grund 
gibt es immer noch die Option USE_EEPROM in der Makefile.
Du könntest also diese Option auskommentieren und es mit dem ATmega328 
noch einmal versuchen um den Fehler weiter einzukreisen.

Die Software 1.00k hat übrigens noch einen Fehler bei der 
Induktivitätsmessung. Es wird eine Messung bei Widerständen < 2.8 kOhm 
durchgeführt, die Messung darf aber nur bei Widerständen < 2.1 kOhm 
durchgeführt werden. Durch Zufall hatte ich einen 2.2 kOhm Widerstand 
gemessen und mich gewundert, das der auch Induktivität haben soll.

Grüße
Karl-Heinz

von Jörn P. (jonnyp)


Lesenswert?

Karl-Heinz Kübbeler schrieb:
> Jörn Paschedag schrieb:
>> Die Anzeigezeit des eigentlichen
>> Messwerts ist imho sehr kurz.

Hallo Karl-Heinz,
vielen Dank für deine ausführlichen Erklärungen.
Ich sehe, du hast noch einiges in petto.
Da könnte man direkt mal über ein zukünftiges 20-stelliges Display 
nachdenken... ;-)

von Michael D. (mike0815)


Lesenswert?

Hallo Karl-Heinz,
Das ist ja wohl klar, das bis jetzt "noch" der Code in das EEProm vom 
M168 passt, nur später könnte es dafür eng werden!
Jetzt habe ich das auch endlich geschnallt, was da vorsich geht:
Der Programmer, in diesem Fall der ExtremBurner, kann das EEProm bei 
einer bestimmten Füllmenge(wir haben hier 60,4%) nicht mehr korrekt 
beschreiben, da ja der gewählte Prozessor eben (als Ersatz) der M168 
gewählt wurde!
Also würden in diesem Fall quasi nur 50% beschrieben, beim M168, wären 
das ja schon über 100%(theoretisch, was ja nicht so ganz stimmt)sind ja 
nur 88,3%.
Was ich jetzt hier garnicht verstehe ist, das die Programmierer das 
nicht mal fixen. Immerhin wird der Mega328 schon seit 2009 
Produziert...kopfschüttel

Ich habe jetzt alles in den Hauptspeicher verlagert, was jetzt aber 
nicht das Gelbe vom Ei ist.
Übrigens, wenn man das EEProm deaktiviert, wird noch eine Fehlermeldung 
ausgegeben!
Wenn ich dann diese Zeile auskommentiere:

//        per_ref = (uint8_t)MEM2_read_byte(&LogTab[per_ref]);  // 
-log(1 - per_ref/100)

dann wird kompiliert. Was hat dies für eine Auswirkung auf die 
Funktionen?

> Die Software 1.00k hat übrigens noch einen Fehler bei der
> Induktivitätsmessung. Es wird eine Messung bei Widerständen < 2.8 kOhm
> durchgeführt, die Messung darf aber nur bei Widerständen < 2.1 kOhm
> durchgeführt werden. Durch Zufall hatte ich einen 2.2 kOhm Widerstand
> gemessen und mich gewundert, das der auch Induktivität haben soll.

Also bis jetzt hatte ich damit noch keine Probleme!
Induktivitäten werden bei überraschenderweise realistrisch angezeigt.
Bei der Widerstandsmessung ist mir das bisher noch nicht aufgefallen...
Noch mal, hattest du das mit den Duodioden gefixt?

Noch was, bei meinem  Tester ohne REF-Diode, wird manchmal im Display 
5,26V beim Messen angezeigt, dann stimmt auch der nagezeigte Wert nicht, 
erst bei der 2. oder 3. Messung, dann fällt auch die Anzeige "5,xxV" 
neben "testen" weg
Bei meinem neuen Tester, wird fast immer exakt 5.00V angezeigt.

@Jörn
> Da könnte man direkt mal über ein zukünftiges 20-stelliges Display
> nachdenken... ;-)
Da gibt's schon eine Version vom Karl-Heinz! ;-)

Gruß Michael

von Karl-Heinz K. (kubi48)


Lesenswert?

Michael D. schrieb:
> Übrigens, wenn man das EEProm deaktiviert, wird noch eine Fehlermeldung
> ausgegeben!

Hallo Michael,

den Fehler bei der Übersetzung habe ich gefunden, es ist eine fehlende 
Makro-Vorbesetzung in config.h .
Wird bei der in Kürze erscheinenden nächsten Version korrigiert.

Michael D. schrieb:
> Noch was, bei meinem  Tester ohne REF-Diode, wird manchmal im Display
> 5,26V beim Messen angezeigt

Das mit den Duo-Dioden habe ich nicht bewußt geändert. Es hat sich aber 
beim Einbau der Induktionsmessung die Widerstandsmessung mit geändert. 
Vielleicht hängt es ja damit zusammen.
Das mit der fehlenden REF-Diode sollte nicht vorkommen. Der PC4 Pin wird 
kurz vor der Messung auf 0V geschaltet. Wieso kurz darauf dann eine 
Spannung von etwa 2.5 V gemessen wird, ist schon seltsam. Abhilfe sollte 
ein Widerstand (2k bis 10k) von PC4 nach GND oder VCC schaffen.
Oder hast Du vielleicht noch die erste fehlerhafte 1.00k Version, die 
dieses auf 0V Schalten nicht gemacht hat?

Grüße
Karl-Heinz

von Asko B. (dg2brs)


Lesenswert?

Hallo Michal, Jörn und Karl-Heinz

Ich habe hier mal wieder hereingeschaut, und stelle
angenehm ueberrascht fest, das sich hier ja noch
so einiges tut.
Komischerweise finde ich die Liste der Softwarevarianten
und Beschreibungen dazu nicht (mehr).
Ich bin wohl doch zu bloed...
Ich habe mir jetzt auch einen ATmega328 bestellt
um alles ausprobieren zu koennen.
Vielleicht kann Karl-Heinz mir nochmal
erklaeren wie ich als Windoofs-User das entsprechende
File finde.
Ist jetzt "default" immernoch der 168 eingestellt,
oder schon der 328 ??
Und ... ist der ATmega 328P-PU der richtige,
oder habe ich da was falsches bestellt ??

Gruss Asko.

von Karl-Heinz K. (kubi48)


Lesenswert?

Hallo Transistortester Freunde,

die Version 1.01k steht im svn Archiv.
Neu ist die ESR-Messung (Equivalent Series Resistance) von Kondensatoren 
über 2 µF Kapazität. Kleinere Kondensatoren können bei der erreichbaren 
Meßfrequenz (deutlich unter 1 kHz) nicht gemessen werden.
Da die Auflösung dieser Widerstandsmessung 0.01 Ohm beträgt, ist die 
Messung sehr schwierig. Es gehen Übergangswiderstände von 
Steckverbindungen, die Platineneigenschaft, die Exemplarstreuung des 
ATmega und natürlich auch die Widerstände von Anschlußkabeln ein.
Um den Nullwert der ESR-Messung automatisch festzulegen, wird der 
Nullwert zunächst zu hoch angesetzt (Makefile-Option).
Bei der Messung überprüft das Programm die Ergebnisse auf negative 
Ergebnisse und korrigiert den Nullwert.
Deshalb ist es erforderlich, daß für einen Abgleich ein Kondensator mit 
hoher Kapazität und möglichst niedrigem ESR-Wert gemessen wird.
Ich habe für meine Tests einen 4700 µF Elko für den Nullabgleich 
benutzt.
Der Meßvorgang sollte mehrfach wiederholt werden, da die einzelnen 
Meßergebnisse etwas variieren.

Achtung:
Nach jedem Selbsttest muß dieser Nullabgleich des ESR-Messung wiederholt 
werden, da der Nullwert beim Selbsttest auf den Anfangswert 
zurückgesetzt wird.

Weitere Einzelheiten zum Meßverfahren finded man in den neuen pdf 
Dokumentationen.

Grüße
Karl-Heinz

von Karl-Heinz K. (kubi48)


Lesenswert?

Asko B. schrieb:
> Komischerweise finde ich die Liste der Softwarevarianten
> und Beschreibungen dazu nicht

Hier noch einmal die Seite der Kurzbeschreibung: 
http://www.mikrocontroller.net/articles/AVR_Transistortester#Downloads .
Ich habe für Windows-Nutzer einen Hinweis ergänzt.
Der erste angegebene Link (svnbrowser) auf dieser Seite führt zu dem 
svnbrowser, der vom gewählten Verzeichnis ein GNU tarball runterladen 
kann.
Zum Auspacken dieses tarball (.tar.gz) benötigt Windows ein 
Entpackprogramm wie das Freeware Tool 7-Zip .
Im Prinzip kann man auch das gesamte Verzeichnis als tarball runterladen 
und auf dem eigenen Rechner entpacken. Dann hat man den kompletten 
Entwicklungs-Zweig mit allen Versionen und Beschreibungen.

Asko B. schrieb:
> Ist jetzt "default" immernoch der 168 eingestellt,
> oder schon der 328 ??
> Und ... ist der ATmega 328P-PU der richtige

Ja, default ist immer noch der ATmega168. Man kann aber die 
Programm-Dateien auch in einen ATmega328 laden, da dieser Prozessor 
aufwärtskompatibel ist. Nur die Fuses sind unterschiedlich!
Da meine Makefile zusammen mit dem Programm avrdude die Daten in den 
Prozessor laden und auch die Fuses setzen kann, muß hierbei der 
Prozessor aber richtig eingestellt sein.

Der ATmega 328P-PU ist die Picopower Version der ATmega328 und hat bei 
meinen Tests keine Nachteile gezeigt.

Viele Grüße und viel Glück beim Ausprobieren der Version 1.01k!
Karl-Heinz

von Asko B. (dg2brs)


Lesenswert?

Danke Karl-Heinz
...fuer den Link.
Ich wusste wirklich nicht wie ich sonst
an/in das SVN-Archiv gekommen waere.
Ganz abgesehen davon, das mir der Name gerade
nicht eingefallen ist.
Ich freue mich schon auf die ersten
Test´s naechstes Wochenende.
Aber erst mal geht der Broterwerb vor  ;-(

Gruss Asko.

von Michael D. (mike0815)


Lesenswert?

Hallo Karl-Heinz,

> den Fehler bei der Übersetzung habe ich gefunden, es ist eine fehlende
> Makro-Vorbesetzung in config.h .
> Wird bei der in Kürze erscheinenden nächsten Version korrigiert.
Habe ich gleich mal gesaugt(1.01k) u. neu kompiliert. Gleich mal die 
"EEProm-Option" mit getestet, es wird keine Fehlermeldung mehr 
ausgegeben! Mit dem M168 passt das allerdings nicht mehr, das war ja 
klar...du hast ihn schon fast voll bekommen!
Beim M328 geht aber noch was, hat ja auch den doppelten Speicher.
Zum Glück brauche ich diese Option nicht mehr, da ich das nächste 
Problem gelöst habe.
Zum Beschreiben des M328, gebe ich im externen 
Brennprogramm(ExtremBurner), einfach den M324 an. Der µC hat dieselbe 
Flash u. EEProm Größe wie der M328, dann passt das ja wieder und alles 
funktioniert bestens!

> Das mit den Duo-Dioden habe ich nicht bewußt geändert. Es hat sich aber
> beim Einbau der Induktionsmessung die Widerstandsmessung mit geändert.
> Vielleicht hängt es ja damit zusammen.
Könnte sein, dann brauchst du dir deswegen keinen Kopp mehr machen. Die 
Duodioden bekommst du aber trotzdem noch von mir, wenn die mal endlich 
bei mir ankommen würden :-(

> Das mit der fehlenden REF-Diode sollte nicht vorkommen. Der PC4 Pin wird
> kurz vor der Messung auf 0V geschaltet. Wieso kurz darauf dann eine
> Spannung von etwa 2.5 V gemessen wird, ist schon seltsam. Abhilfe sollte
> ein Widerstand (2k bis 10k) von PC4 nach GND oder VCC schaffen.
Ein/der Pullup?
Es könnte sein, das es noch an der Beschaltung liegt, das war ja mein 
1.Tester. Der wurde gerade mal mit dem Aussentakt u. dem 
AREF-C(1nF)aufgerüstet. Vielleicht bekommt auch dieser noch eine 
REF-Diode

> Oder hast Du vielleicht noch die erste fehlerhafte 1.00k Version, die
> dieses auf 0V Schalten nicht gemacht hat?
Nö, glaube ich nicht. Beide Tester bekommen ja jetzt immer dasselbe 
Kompilat geflasht.

Gruß Michael

von Peter ⛄ W. (Firma: Huddel und Brassel Ltd.) (jaffel) Benutzerseite


Lesenswert?

>Die Duodioden bekommst du aber trotzdem noch von mir

Und das soll nach 3 Monaten noch einer glauben ?

von Karl-Heinz K. (kubi48)


Lesenswert?

Michael D. schrieb:
>> Oder hast Du vielleicht noch die erste fehlerhafte 1.00k Version, die
>> dieses auf 0V Schalten nicht gemacht hat?
> Nö, glaube ich nicht. Beide Tester bekommen ja jetzt immer dasselbe
> Kompilat geflasht.

Hallo Michael,
da ich auch noch eine Version der Platine von Markus F. habe, kann ich 
das Verhalten ohne die PC4 Beschaltung auch testen. Bei mir wird immer 
keine Volt-Anzeige vor dem "Testing ..." ausgegeben. Wenn die Voltangabe 
fehlt, ist die Präzisionsreferenz nicht erkannt worden.
Ich kann mir bei der derzeitigen Programmversion nicht erklären, wie 
kurz nach dem auf GND Schalten wieder ungefähr 2.5 V an dem PD4 Pin 
gemessen werden kann, wenn dieser unbeschaltet ist. Es gab ein paar Tage 
eine fehlerhafte 1.00k Version, bei der das auf GND Schalten nicht 
funktionierte (ab 25.September korrigiert).
Dieser Fehler war mir beim Testen nicht aufgefallen, da ich nur die neue 
Platinenversion getestet hatte. Die Präzisionsreferenz steckt bei mir in 
einem Sockel. Ich hatte das Programm mit und ohne Referenz getestet, 
dabei zieht aber der 2.2 kOhm Widerstand den PD4 Pin auch ohne 2.5 V 
Referenz auf VCC Potential. So ist das fehlerhafte auf GND Schalten 
nicht bemerkt worden.
Wenn der PC4 Pin völlig unbeschaltet ist und vorher nicht auf ein 
Potenzial geschaltet wird, stellt sich beim Einschalten der 
Betriebsspannung offensichtlich eine Spannung von etwa 2.5 V am Eingang 
ein, wahrscheinlich durch einen internen kapazitiven Spannungsteiler.

Deswegen die Bitte an Dich, das Verhalten noch einmal mit der 1.01k und 
der alten Platinenversion zu überprüfen, da ich schon Wert darauf lege,
daß die Software auch auf den alten Platinen einwandfrei läuft!
Falls es doch zu einer Erkennung einer nicht vorhandenen 2.5 V Referenz 
kommt, müßte ich vielleicht doch eine Option zum Abschalten der Abfrage 
einbauen.

Grüße
Karl-Heinz

von Michael D. (mike0815)


Lesenswert?

Karl-Heinz Kübbeler schrieb:
>
> da ich auch noch eine Version der Platine von Markus F. habe, kann ich
> das Verhalten ohne die PC4 Beschaltung auch testen. Bei mir wird immer
> keine Volt-Anzeige vor dem "Testing ..." ausgegeben. Wenn die Voltangabe
> fehlt, ist die Präzisionsreferenz nicht erkannt worden.
Wenn sie nicht bestückt ist

> Ich kann mir bei der derzeitigen Programmversion nicht erklären, wie
> kurz nach dem auf GND Schalten wieder ungefähr 2.5 V an dem PD4 Pin
Du meinst aber PC4, PD4 hängt an RS vom Display (Korrektur wegen den 
ausländischen Mitlesern)

> gemessen werden kann, wenn dieser unbeschaltet ist. Es gab ein paar Tage
> eine fehlerhafte 1.00k Version, bei der das auf GND Schalten nicht
> funktionierte (ab 25.September korrigiert).
> Dieser Fehler war mir beim Testen nicht aufgefallen, da ich nur die neue
> Platinenversion getestet hatte. Die Präzisionsreferenz steckt bei mir in
> einem Sockel. Ich hatte das Programm mit und ohne Referenz getestet,
> dabei zieht aber der 2.2 kOhm Widerstand den PD4 Pin auch ohne 2.5 V
> Referenz auf VCC Potential. So ist das fehlerhafte auf GND Schalten
> nicht bemerkt worden.
> Wenn der PC4 Pin völlig unbeschaltet ist und vorher nicht auf ein
> Potenzial geschaltet wird, stellt sich beim Einschalten der
> Betriebsspannung offensichtlich eine Spannung von etwa 2.5 V am Eingang
> ein, wahrscheinlich durch einen internen kapazitiven Spannungsteiler.
Das könnte der Grund dafür sein! Wenn ich z.B. ein Bauteil mit den 
Fingern in die Probpins stecke(Doppeldiode oder Leistungstransistor), 
könnte sich dadurch kurzzeitig eine Kapazität aufbauen...
>
> Deswegen die Bitte an Dich, das Verhalten noch einmal mit der 1.01k und
> der alten Platinenversion zu überprüfen, da ich schon Wert darauf lege,
> daß die Software auch auf den alten Platinen einwandfrei läuft!
> Falls es doch zu einer Erkennung einer nicht vorhandenen 2.5 V Referenz
> kommt, müßte ich vielleicht doch eine Option zum Abschalten der Abfrage
> einbauen.
Also ich verwende immer deine aktuellste FW! Das Verhalten tritt bei der 
1.0k sowie bei der 1.01k auf.
Wie eben schon erwähnt, ist das ohne erkennbare Zyklen. Manchmal erst 
nach 8-10 Messungen, oder dann schon nach einer Messung.
Irgendwie kam es mir so vor, das wenn ich das Bauteil 
angefasst(Bsp.Kollektor vom Probanten habe, es genau dann auftrat
Ich denke, das der 2k2 Pullup da abhilfe schaffen wird! Diesen 
nachtzurüsten, ist ja jetzt kein großer Aufwand.
Oder du schaltest die Abfrage optional ab.

Noch was zur Duodioden Messung: Ich habe festgestellt, das die Duodioden 
nur dann korrekt erkannt werden, wenn die gemeinsame Kathode auf dem 
mittleren Probpin, also Pin2 liegt. Bei einer anderen Messkonstellation, 
werden nur 2 Widerstandswerte angezeigt...

Gruß Michael

von Simone (Gast)


Lesenswert?

Michael D. schrieb:
> Noch was zur Duodioden Messung: Ich habe festgestellt, das die Duodioden
> nur dann korrekt erkannt werden, wenn die gemeinsame Kathode auf dem
> mittleren Probpin, also Pin2 liegt. Bei einer anderen Messkonstellation,
> werden nur 2 Widerstandswerte angezeigt...
>
> Gruß Michael

For me it works also if common kathode is on pin 3 but not on pin 1.

von Johannes A. (jan007)


Lesenswert?

Hallo Karl-Heinz,

danke erst einmal für die tolle Arbeit, die Du gemacht hast. Es ist toll 
zu verfolgen, wie sich das Projekt entwickelt hat und was alles dazu 
gekommen ist. Als Amateufunkbastler schiele ich natürlich besonders auf 
die Messung von kleinen Kapazitäten und die Induktivitäten, gerade weil 
mir die damit verbundenen Schwierigkeiten bewußt sind.

Ich weiß von einigen (abgesehen von mir) die solche batteriebetriebenen 
Dinger gern mit dem TLE4267 (0,75 € bei Pollin) betreiben. Low Drop, 
Verpolschutz, Kurzschlußsicher, Übertemperaturschutz usw. usw. also 
eigentlich alles drin, was man braucht. Leider benötigt er aber genau 
umgekehrte Logik. Pin 2 (Start-Pin) hat einen internen pull-down und 
benötig High zu Starten. Pin 6 (Halte-Pin) hat einen internen pull-up 
Widerstand und benötigt ein Low um an zu bleiben, ein High schaltet ihn 
ab.
Ok, kann man entweder per Hardware anpassen, will ich aber nicht, denn 
ich will ja mit dem TLE4267 auch Teile einsparen. Man kann die Software 
anpassen, dann muss man aber bei jeder neuen Version rumpatchen und Du 
weißt ja, nichts macht der User lieber als Updates einspielen. Und das 
gibt dann immer ein gepatche und gepansche ;)

Beste und für mich einfachste Lösung: Kannst Du das bitte vielleicht im 
Makefile konfigurierbar machen? Ich weiß, ist noch einmal Fummelkram, 
ich würde Dir das auch machen, bin aber in der Materie mit den Makefiles 
nicht so drin. Wie gesagt, ich bin nicht der Einzige ich fand den 
TLE4267 auch in anderen Batterieprojekten, ist vielleicht doch nicht so 
exotisch.

Viel Erfolg beim Weitermachen ...

Gruß Johannes

von Karl-Heinz K. (kubi48)


Lesenswert?

Johannes Arlt schrieb:
> Ok, kann man entweder per Hardware anpassen, will ich aber nicht, denn
> ich will ja mit dem TLE4267 auch Teile einsparen.

Hallo Johannes,

mir ist noch nicht klar, wie die volle Funktionalität mit dem TLE4267 
ohne externe Beschaltung erreicht werden kann. Den ATmega PD6 Ausgang 
kann man natürlich in der Software invertieren, und statt einer "1" eine 
"0" ausgeben. Dann könnte dieser Pin direkt mit dem Haltepin (Pin 6) des 
TLE4267 verbunden werden. Der ATmega PD7 Eingang braucht aber noch ein 
Signal für den gedrückten Taster. Der Taster muß aber schon die 
ungeregelte Betriebsspannung auf den Startpin (Pin 2) des TLE4267 
schalten.
Soll der Startpin mit dem Gate eines N-Kanal FETs verbunden werden, der 
dann mit dem Drain einen Pullup Widerstand schaltet? So könnte der PD7 
Eingang des ATmega zu seinem Signal kommen, die Polarität bliebe so 
gleich wie bei der Standardlösung.
Oder hattest Du an eine andere Lösung gedacht?

Daneben gebe ich zu Bedenken, daß ein zusätzlicher FET (oder NPN mit 
Basiswiderstand) das Ausgangssignal des PD6 invertieren könnte. Dann 
hätte man das Problem mit der Software-Anpassung nicht mehr und damit 
eine Fehlerquelle weniger!
Ich möchte hiermit aber die "Invertier-Option" in der Software nicht 
ablehnen, es sollte nur gut überlegt sein.

Grüße
Karl-Heinz

von Johannes A. (jan007)


Lesenswert?

Hallo Karl-Heinz,

das mit dem Haltepin (Pin 6 am TLE4267) ist glaube ich klar soweit.

Mit dem Taster, vielleicht habe ich einfach über sehen, das es keine so 
gute Idee ist, die ungeregelte Betriebsspannung auf Pin12 (PD6) zu 
legen. Kann man aber sicher einfach mit einem Widerstand und eine 
Z-Diode regeln. Soweit ich das sehe ist der 27K Widerstand an Pin 12 ja 
ein Pull-Up-Widerstand. Der muss natürlich samt T2 entfallen. Eigentlich 
sollte es dann doch möglich sein über einen Vorwiderstand von Vcc an Pin 
12 des AVR und Pin 2 des TLE4267 auf High zu ziehen und die Spannung 
dabei duch eine parallele Z-Diode auf max. 5V zu begrenzen. Pin 2 am TLE 
und Pin 12 am AVR sind miteinander verbunden, der interen 
Pull-Down-Widerstand im TLE zieht die beiden dann nach Loslassen des 
Taster wieder auf Low. Hab ich jetzt irgendwas übersehen? Ich versuche 
das mal zu testen.

Einen erfolgreichen Tag
und viele Grüße

Johannes

von Karl-Heinz K. (kubi48)


Lesenswert?

Johannes Arlt schrieb:
> der interen
> Pull-Down-Widerstand im TLE zieht die beiden dann nach Loslassen des
> Taster wieder auf Low. Hab ich jetzt irgendwas übersehen?

Hallo Johannes,
damit ist das Eingangssignal am PD7 auch invertiert. Die Testersoftware 
erwartet derzeit eine 0, wenn der Taster gedrückt ist.
Im Prinzip könnte man diese Eigenschaft sogar für eine automatische 
Polaritätswahl benutzen, aber dann sind beide Varianten immer im flash 
Speicher vorhanden. Da der flash Speicher des ATmega168 schon fast 
aufgebraucht ist, sicher keine gute Idee. Eine Auswahl über eine Option 
legt vorher fest, welche Variante im flash Speicher landet.

Grüße
Karl-Heinz

von Johannes A. (jan007)


Lesenswert?

Hallo Karl-Heinz,

gestern habe ich noch im Programm die Änderungen mal probiert (ohne 
#ifdef).
An Pin 13 AVR mußte der PullUp Widerstand weg, Pin 12 AVR mit PIN 6 TLE 
verbunden. Der Taster ist auf der einen Seite über ca. 1k mit Vcc 
verbunden, die andere Seite geht auf PIN 13 AVR + PIN 2 TLE + 5V ZDiode. 
Letztere liegt mit dem anderen Bein auf Masse. Alles tut wie erwartet.
Wenn diff und patch für Dich Bekannte sind, kann ich Dir heute abend die 
Änderungen mal zuschicken, dann wird klarer was und wie ich es meine.
Betroffen sind eh nur AutoCheck.c und main.c.

Einen erfolgreichen Tag
und viele Grüße

Johannes

von Jörn P. (jonnyp)


Lesenswert?

Ich hab mal eine Frage zu dem Zwergenaufstand mit dem TLE: Wozu das 
alles??? Blos weil jemand "sein" IC verwenden möchte? Ich sehe auch 
nicht, was man groß sparen könnte. Im Gegenteil, im layout würde sich 
schon eniges ändern, wenn man den TLE nicht mit einer Luftverdrahtung 
reinhängen will.
@jan007
Du kannst ja hier mal die Schaltung mit deinen Änderungen reinstellen, 
damit jeder vergleichen kann. IMHO solltest du vielleicht besser deine 
Variante so an die bewährte Schaltung anpassen, das der Karl-Heinz nicht 
mit noch mehr variablen kämpfen muss ;-)

von Dirk W. (psychodirk)


Lesenswert?

Moin,
es ist einfach toll, wie dieses Projekt weiter gepflegt wird!
Dank an K.H

Ich habe 7 x den Tester (Platine Part 1-4) nachgebaut, gelötet.
Atmega 168 und keine Probs. gehabt. Alles klappt einfach perfekt.

Das Layout für Part-5 habe ich in Arbeit, da Asko nicht immer die Zeit 
hat. (Dank an Asko)
Ich versuche es zu optimieren, aber um den Platinenpreis zu halten wird 
es nichts mit durchkontackten!!!

Wer etwas besseres hat....  mail an Dirk.
Alles was möglich ist wird möglich.

Auch hätte ich gerne ein Feedback, ob es mit den Platinen und Aufbau 
geklappt hat.
Bitte dann per PM, damit hier nicht alles unübersichtlich wird.

Wer Probs. mit dem löten haben sollte, es sind im Forum immer Helfer 
vorhanden.

Lg
Dirk

von Johannes A. (jan007)


Lesenswert?

Hallo Jörn,

Deine Formulierung finde ich zwar entwas komisch, aber egal. Mir war 
nicht klar, das es hier einen Wächter über die Hardware/Schaltung gibt 
und war so naiv anzunehmen das auch Hardwareverbesserungen hier 
einfließen könnten ;)

Zur Sache: Man könnte ca. 10 Bauelemente einsparen und meine Idee ist es 
auch nicht. Die Leute, die ich kenne machen sowas alle auf einer 
Lochrasterplatine und da spart das vor allem Zeit.
Ich fand halt, das es von allgemeiner Interesse sein könnte. Und es gibt 
andere Projekte die das so machen.
Für mich allein egoistisch gedacht brauche ich das nicht. Ich kann den 
Kram jedesmal per Hand oder auch durch ein Patchfile mehr oder weniger 
automatisch ändern und schick ist.
Aber ich kann konfigurierbaren Änderungen auch selbst in das Makefile 
und in die beiden anderen Dateien einpflegen und auch die 
Schaltplanvariante veröffentlichen. Allerdings spare ich mir gern die 
Arbeit, wenn das es hier unerwünscht ist.
Leider kann ich Deinen Schaltplan oben nicht öffen. Meine 
Linux-Eagle-Nonprofit-Version 5.12.x sagt: "Unglültige Daten in Datei". 
(Component-Tester_v5_2_2-jp.sch).

Einen erfolgreichen Tag und
freundliche Gruße
trotzdem ;)

Johannes

von Jörn P. (jonnyp)


Lesenswert?

Hallo Johannes,
du brauchst bitte nicht auf die Ironische zu kommen. Der Tester ist 
vorerst mal fertig und der Karl-Heinz bemüht sich, aus ihm eine 
eierlegende Wollmilchsau zu machen und das mit ziemlichen Erfolg ;-)
Die meisten haben hier wohl eine Schaltung von Asko nachgebaut, der Dirk 
hat hier jede Menge Sammelbestellungen durchgeführt.
Wer von denen sollte jetzt wohl ein Interesse haben in die bestehende 
Schaltung einen anderen Chip rein zu zwingen? Mein layout hat damit rein 
gar nichts zu tun, denn ich hab eh ein anderes.
Ich hab dir ja vorgeschlagen, das du deine geänderte Schaltung hier rein 
stellst, so das wir alle die mit der bestehenden Schaltung vergleichen 
können ob das Vorteile bringt.
Dann sollen doch die user entscheiden, ob sie eventunnel eine neue 
Version bauen wollen.

von Johannes A. (jan007)


Lesenswert?

Hallo,

hat jemand vielleicht die Schaltung als Eagle- oder KiCad- o.ä. Datei, 
damit ich nicht alles neu malen muß?

Einen erfolgreichen Tag und
freundliche Gruße

Johannes

von Jörn P. (jonnyp)


Lesenswert?

IMHO hatte Asko im April die eagle files reingestellt...

von Asko B. (dg2brs)



Lesenswert?

Hallo allerseits

Weil hier nach dem Boardfiles gefragt wurde, und die
im Treat vielleicht nicht so schnell zu finden sind,
stelle ich die Files hier nochmal ein.
Erstellt mit Eagle Non-profit-Version 6.xx

Version 5.2.1
___________

...ist die "normale", also mit Low-Drop Spannungsregler MCP 1702-5
   diese Leiterplattenversion wurde von Dirk organisiert
   Bei verwendung des ISP-Steckers sind zwei Durchkontaktierungen
   zu loeten, und einige Loetstellen auf der Bauelementeseite.

Version 5.2.2
___________

...ist die Version, in der wahlweise unterschiedliche
   Spannungsregler verwendet werden koennen.
   z.B.
   1. MCP 1702 5V    (TO92)
   2. LM 78L05       (TO92)
   3. LM7805         (TO220)
   4. Schaltregler wie Traco 1-2450
   zusaetzlich gibt es jetzt einen weiteren Leiterzug
   auf der Bauelementeseite, der auch dort verloetet
   werden muss wenn man einen LM7805 einsetzt.

Version 5.2.3
___________

...ist die zZ letzte Variante
   Bauelemetebestueckung wahlweise wie bei 5.2.2
   Der Taster ist jetzt weiter von den Testpins entfernt
   damit er nicht durch einen Adapter verdeckt wird.
   Weiterhin kamen noch drei Durchkantaktierungen hinzu
   so das jetzt auch ein "stehender" Wannenstecker fuer
   den ISP-Anschluss bestueckt werden kann.



Zusatz  !!

Wer eine doppelseitige durchkontaktierte Platine
der Version 5.2.2 oder 5.2.3 verwendet,
 !UND!  einen LM7805 im TO220-Gehaeuse verwendet,
sollte die Loetpads fuer den MCP 1702
unter der Kuehlflaeche des LM7805 isolieren.

Es koennte zu kurzschluessen kommen !

Bei Reglern mit TO92-Gehaeuse wie LM78L05
oder MCP 1702 ist das nicht notwendig.


Gruss Asko.

von Jörn P. (jonnyp)


Lesenswert?

Hi Asko, imho eine gute Idee ;-)

von Dirk W. (psychodirk)


Lesenswert?

Super ASKO.

Es fehlen noch 4 Bestellungen für Part-5, neues Layout!!!

Bitte per PM oder Mail bestellen.

Dirk

von Mathias B. (bzzz)


Lesenswert?

Wie beim letzten Mal. Kein Link, keine Bilder, keine weiterführenden 
Infos, nichtmal eine Preisangabe, nix. Mal ehrlich, würdet ihr bei dem 
Informationsstand bei euch selbst einkaufen?

von Dirk W. (psychodirk)


Lesenswert?

Mathias B. schrieb:
> Wie beim letzten Mal. Kein Link, keine Bilder, keine weiterführenden
> Infos, nichtmal eine Preisangabe, nix. Mal ehrlich, würdet ihr bei dem
> Informationsstand bei euch selbst einkaufen?


Ich Ja.
Preise kann ich nur mailen, wenn ich

1. Die Anzahl der Bestellungen habe.

2. Info/Rückmeldung vom Platinenbelichter.

3. Eventl. Durchkontackten!?!

So nun hier die Hausnummer Part1-4:  ca. 11 bis 12.-€ ohne "Durch...."
Nur eine Preisangabe Stand Part 1-4.

da Ja nun ein neues Layout kommen solllll...  könnten die Kosten etwas 
höher ausfallen.

Weiteres unter: Beitrag "Info Platinen Bauteiletester / Transistortester"

von Dirk W. (psychodirk)


Lesenswert?

Dirk Willner schrieb:
> Mathias B. schrieb:
>> Wie beim letzten Mal. Kein Link, keine Bilder, keine weiterführenden
>> Infos, nichtmal eine Preisangabe, nix. Mal ehrlich, würdet ihr bei dem
>> Informationsstand bei euch selbst einkaufen?
>
>
> Ich Ja.
> Preise kann ich nur mailen, wenn ich
>
> 1. Die Anzahl der Bestellungen habe.
>
> 2. Info/Rückmeldung vom Platinenbelichter.
>
> 3. Eventl. Durchkontackten!?!
>
> So nun hier die Hausnummer Part1-4:  ca. 11 bis 12.-€ ohne "Durch...."
> Nur eine Preisangabe Stand Part 1-4.
>
> da Ja nun ein neues Layout kommen solllll...  könnten die Kosten etwas
> höher ausfallen.


Neues unter: Beitrag "Info Platinen Bauteiletester / Transistortester"

Mal schauen, ob Part-6 startet.

Dirk

von Charly B. (charly)


Lesenswert?

Dirk Willner schrieb:
> Super ASKO.
>
> Es fehlen noch 4 Bestellungen für Part-5, neues Layout!!!
>
> Bitte per PM oder Mail bestellen.
>
> Dirk

und wo kann man sich das Layout & Schaltplan ansehen / runterladen ?

vlG
Charly

von Michael D. (mike0815)


Lesenswert?

och Charly, ;-)
schau mal hier:
Beitrag "Re: Transistortester AVR"

wenn dir das nicht zusagt, dann kann ich dir meins schicken (PM)

von Charly B. (charly)


Lesenswert?

moin Michael,

die layouts hab i gesehn, so ganz blind bin i ja auch nicht ;)

nur so wie ich das verstanden habe will Dirk Platinen f. den
Tester bestellen, und das Layout/Schaltbild wollt ich sehen
bevor i da was mitbestelle............

Event. werd ich die Layouts von Asko auf SMD R & C umlayouten
(weil ich da fast alle werte habe) und ein paar Platinen
bestellen

vlG
Charly

von Dirk W. (psychodirk)


Lesenswert?

Charly B. schrieb:
> moin Michael,
>
> die layouts hab i gesehn, so ganz blind bin i ja auch nicht ;)
>
> nur so wie ich das verstanden habe will Dirk Platinen f. den
> Tester bestellen,

Habe ich bestellt.

 und das Layout/Schaltbild wollt ich sehen
> bevor i da was mitbestelle............

Mußt Du wissen.
>
> Event. werd ich die Layouts von Asko auf SMD R & C umlayouten
> (weil ich da fast alle werte habe) und ein paar Platinen
> bestellen

Das Projekt sollte normalerweise mit "bedrahtenen" Bauteilen zu frickeln 
sein. Damit jeder es nachbauen kann.

SMD... da war doch etwas aus England, wenn ich richtig liege!!!

Aber Anregungen sind erwünscht.... Mach es und dann poste es in den
"Markt-Fred".

Da kommt noch eine Info, um halt schnell auf die Layouts zuzugreifen.

LG
Dirk

von Dirk W. (psychodirk)


Lesenswert?


von Nobuyuki N. (Firma: Japan) (nobu)


Lesenswert?

Hello Karl-Heinz and all. Sorry in English.

Since I build 2nd Transistor Tester, and met with the small trouble, I 
would like to report that.
Hardware used the circuit recommended in the v101k document. I used 
ATmega168, domestic equivalent transistors and LM431 shunt regulator. 
And software is v101k.

Not a battery but constant voltage power supply was used as external 
DC9V power for an examination.

1. Situation of trouble
 (1) The function of repetition measurement and of automatic POWER-OFF 
are operating normally.
 (2) Whenever it pushes the TEST button, the indicated value of power 
supply voltage varies (about 7.4V-8.6V), and it is not stable.
 (3) When the TEST button is pushed in the situation where open or a 
component is connected to the test terminal, as a "Cell" message is 
displayed each time.
 (4) Even if the value of CFLAGS+=-DCAP EMPTY LEVEL=3 is enlarged 
(example: 50), the rate that a "Cell" message is displayed will become 
like a half.

2. Hint for solution
I worried about this trouble for one week. For me, Mr. Michael D.'s 
message (Jul 13th 2012) in this forum was the only help. (Thank you)
 (1) Added the 100uF electrolytic capacitor to the output of regulator 
TA48M05.
 (2) As a result, all troubles above were solved and operated normally.

I think it is effective and required that add a electrolytic capacitor 
to the output of a regulator when the same trouble occurs using an 
external power supply.

Anyway inductance and ESR measurement of v101k are considerably stable, 
and very useful for me.
I appreciate Mr. Karl-Heinz's great contribution. I expect the further 
progress.
Thank you very much.

von Karl-Heinz K. (kubi48)


Lesenswert?

Nobuyuki Nagashima schrieb:
> 2. Hint for solution
> I worried about this trouble for one week. For me, Mr. Michael D.'s
> message (Jul 13th 2012) in this forum was the only help. (Thank you)
>  (1) Added the 100uF electrolytic capacitor to the output of regulator
> TA48M05.
>  (2) As a result, all troubles above were solved and operated normally.

Hallo Nobuyuki,

thank you for reporting your trouble. I believe, that this trouble is 
caused by your regulator selection. The TA48M05 reports, that a output 
capacitor of 33 uF or more is required.

The standard 78L05 voltage regulator data sheet reports, that tests were 
done with 0.33 uF capacitor at input and 0.1 uF capacitor at output.

Another suggested regulator MCP1702-5002 reports, that output will be 
stable with 1.0 uF to 22 uF capacitor. I have never noticed any 
instability with the 3 x 100 nF capacitors at the output with this type 
of regulator. The input is only buffered with a single 100 nF capacitor, 
but the normally used battery buffers too. If you use a external power 
supply, it is better to add a additional electrolytic capacitor to the 
input of the regulator.


By the way, if you are interested in inductance (and ESR) measurement, 
you should change to the new 1.02k software version. The resistance 
value of a inductor can be up to 24 Ohm for measuring method without the 
680 Ohm resistor. This limit was set to 8 Ohm for the previous version. 
So the detection of inductance and the measuring of inductance value 
could be improved for the new version.

Another improvement is the support for a modified pin assignment of the 
port D, wich is better for implementing layout of strip grid boards.
A sample of a strip grid board is included to the svn archiv.
Probably other printed board layouts can take this advantage for new 
design.

Best regards
Karl-Heinz

von Whisky M. (whisky_m)


Lesenswert?

Hallo,

kann jeder Atmega 168 oder 328 mit 20MHz eingesetzt werden?

Gruß
Christian

von Karl-Heinz K. (kubi48)


Lesenswert?

Whisky M. schrieb:
> Hallo,
>
> kann jeder Atmega 168 oder 328 mit 20MHz eingesetzt werden?
>
> Gruß
> Christian

Hallo Christian,
mir ist keine Ausnahme bekannt, jede 28 Pin DIP Version sollte 
einsetzbar sein. Die -P Versionen (Picopower) unterscheiden sich in der 
Kennung, sind aber kompatibel.
Unterstützt wird von der Software aber nur der 8 MHz oder 16 MHz 
Betrieb!

Grüße
Karl-Heinz

von Whisky M. (whisky_m)


Lesenswert?

Hallo Karl-Heinz,

vielen Dank für die schnelle Reaktion!
Es spricht also nichts gegen das Exemplar für 2,45€?
http://www.reichelt.de/Atmel-ATMega-AVRs/2/index.html?;ACTION=2;LA=2;GROUPID=2959;SID=12UH65rH8AAAIAAEg1tPQad75c0b6c08258d5706b0ad08c4af89a

Danke und Gruß
Christian

von Ingolf O. (headshotzombie)


Lesenswert?

Es gibt die Möglichkeit bei Reichelt Direktlinks auf das spezielle 
Bauteil zu setzen, Christian!
--> 
http://www.reichelt.de/Atmel-ATMega-AVRs/ATMEGA-328P-PU/3//index.html?ACTION=3&GROUPID=2959&ARTICLE=119685

von Karl-Heinz K. (kubi48)


Lesenswert?

Hallo Christian,

in der PDF-Dokumentation findest Du bei den Meßergebnissen Beispiele
auch für diesen Typ. Ich habe Meßreihen für jeweils 3 Exemplare
mega168, mega168A, mega168PA, mega328 und mega328P durchgeführt.

Grüße
Karl-Heinz

von Konrad S. (maybee)


Lesenswert?

@Karl-Heinz Kübbeler

Beim "make fuses-crystal" für den ATmega328P hast du für die efuse den 
Wert 0xfc angegeben, wie das auch das Datenblatt nahelegt. Ich bekomme 
beim Verify aber 0x04 genannt (also Fehler), was zur Fußnote von 
http://www.engbedded.com/fusecalc/ passt:

"* Note that some numerical values refer to fuses containing undefined 
bits (set to '1' here). Depending on the target device these fuse bits 
will be read either as '0' or '1'. Verification errors will occur if the 
values are read back with undefined bits set to '0'. Everything is fine 
if the values read from the device are either the same as programmed, or 
the following values (undefined set to '0'): Extended: 0x04."

Gibt es da verschiedene Ausführungen vom ATmega328P oder haben alle die 
unbenutzten Bits der efuse auf Null stehen. Sollte evtl. 0x04 ins 
Makefile?

von Karl-Heinz K. (kubi48)


Lesenswert?

Konrad S. schrieb:
> Beim "make fuses-crystal" für den ATmega328P hast du für die efuse den
> Wert 0xfc angegeben, wie das auch das Datenblatt nahelegt. Ich bekomme
> beim Verify aber 0x04 genannt (also Fehler)

Hallo Konrad,
das Ändern der efuse auf den Wert 0x04 löst leider nicht das Problem.
Dann bekomme ich selbst eine Fehlermeldung, daß 0xfc zurückgelesen 
wurde.
Ich vermute mal, daß die Ursache in der Programmiersoftware avrdude bzw. 
in den Beschreibungsdaten für den ATmega328 liegt.
Soweit ich mich erinnern kann, hatte ich die Datenfile für avrdude 
entsprechend angepaßt.

Grüße
Karl-Heinz

von Karl-Heinz K. (kubi48)


Lesenswert?

Konrad S. schrieb:
> Beim "make fuses-crystal" für den ATmega328P hast du für die efuse den
> Wert 0xfc angegeben, wie das auch das Datenblatt nahelegt. Ich bekomme
> beim Verify aber 0x04 genannt (also Fehler)

Hallo Konrad,
ich habe gerade noch einmal die entsprechende Passage von 
/etc/avrdude.conf nachgesehen, bei mir steht bei der efuse für m328p

    memory "efuse"
        size = 1;
        min_write_delay = 4500;
        max_write_delay = 4500;
        read = "0 1 0 1 0 0 0 0 0 0 0 0 1 0 0 0",
               "x x x x x x x x o o o o o o o o";

        write = "1 0 1 0 1 1 0 0 1 0 1 0 0 1 0 0",
                "x x x x x x x x i i i i i i i i";
    ;

Bitte die Einstellung überprüfen!

Grüße
Karl-Heinz

von Konrad S. (maybee)


Lesenswert?

Volltreffer, genau das war es. Danke, Karl-Heinz.
Hier zwickt mich evtl. meine zu alte Linux-Distribution mit 
avrdude-5.10.

von Helmut B. (helmut55)


Lesenswert?

Hallo zusammen,

Nobuyuki Nagashima schrieb:
> 2. Hint for solution
> I worried about this trouble for one week. For me, Mr. Michael D.'s
> message (Jul 13th 2012) in this forum was the only help. (Thank you)
>  (1) Added the 100uF electrolytic capacitor to the output of regulator
> TA48M05.
>  (2) As a result, all troubles above were solved and operated normally.

Bei meinem Tester mit der Platinenversion 5.2.1 mit MCP1702 lief mit der 
Version 1.01k der Selbstest nicht durch. Nach T9 wurden noch R-high und 
R-low angezeigt. Danach schaltete sich der Tester ab. R-Messen ging. 
Beim C-messen wurde abgeschaltet. Bei einer älteren Version war mir das 
noch nicht aufgefallen. (Ich hatte aber noch nicht intensiv getestet).

Auf Grund der Mail von   Nobuyuki Nagashima habe ich kurzerhand 100µ von 
VCC nach GND eingefügt, und der ganze Spuk ist weg.

VG
Helmut

von Karl-Heinz K. (kubi48)


Lesenswert?

Helmut Bohr schrieb:
> Auf Grund der Mail von   Nobuyuki Nagashima habe ich kurzerhand 100µ von
> VCC nach GND eingefügt, und der ganze Spuk ist weg.

Hallo Helmut,
eine kurze Rückfrage an Dich, betreibst Du den Tester auch mit einem 
Netzteil oder mit der 9V Batterie?
Wäre der Fehler auch weg, wenn die Eingangsspannung mit einem 100 uF 
Kondensator direkt am Platineneingang abgeblockt würde?

Grüße
Karl-Heinz

von Helmut B. (helmut55)


Lesenswert?

Hallo Karl-Heinz,

Karl-Heinz Kübbeler schrieb:
> eine kurze Rückfrage an Dich, betreibst Du den Tester auch mit einem
> Netzteil oder mit der 9V Batterie?

Ich hatte auch mal die Batterie in Verdacht, und statt der Batterie 9V 
vom Netzteil genommen, auch da kamen immer Abschaltungen, auch mit 
leicht veränderten Spannungen.

> Wäre der Fehler auch weg, wenn die Eingangsspannung mit einem 100 uF
> Kondensator direkt am Platineneingang abgeblockt würde?

Mein uraltes selbstgebasteltes Netzteil hat 1000µ direkt an den 
Ausgangsklemmen. Bis auf die Kabel wäre das dann ja der Platineneingang.

LG
Helmut

von Michael D. (mike0815)


Lesenswert?

Ich habe ja schon des Öfteren gesagt, das der Weg von der Einspeisung 
der Platine bis zum Regler, zu lang ist.
Es kommt dann eben vor, das die parasitären Schwingungen, ihre Spuren 
bis dahin hinterlassen.
aber eigendlich ist der MCP1702 nicht so schwingfreudig, wie andere 
LDO's.


Gruß Michael

von Whisky M. (whisky_m)


Lesenswert?

Ingolf O. schrieb:
> Es gibt die Möglichkeit bei Reichelt Direktlinks auf das spezielle
> Bauteil zu setzen, Christian
> -->
> 
http://www.reichelt.de/Atmel-ATMega-AVRs/ATMEGA-328P-PU/3//index.html?ACTION=3&GROUPID=2959&ARTICLE=119685

Hallo Ingolf,
Ich wollte alle Atmega 168 und 328 in der Vergleichsansicht verlinken.
Augenscheinlich unterscheiden sie sich im Spannungsbereich und im Takt.
Der günstige ATMEGA-168A-PU wird also funktionieren?

von Peter ⛄ W. (Firma: Huddel und Brassel Ltd.) (jaffel) Benutzerseite


Lesenswert?

>Der günstige ATMEGA-168A-PU wird also funktionieren?

Ja

Nur warum nicht gleich den 328 wenn Du eh schon bestellst ? Weil er 
1,50.- teuerer ist ? Ist nicht Dein Ernst oder ?

von Karl-Heinz K. (kubi48)


Lesenswert?

Hallo Ingolf,

vielleicht sind ja meine Antworten irgendwie überlesen worden.
Hier die Link dazu: Beitrag "Re: Transistortester AVR" 
und
Beitrag "Re: Transistortester AVR"
Ich will hier nochmal versichern, daß alle mir bekannten ATmega168 und 
ATmega328 im 28 Pin DIL Gehäuse laufen.
Da das Programm aber jetzt schon den Speicher des ATmega168 fast 
komplett belegt, ist der ATmega328 schon eine Überlegung wert, obwohl 
die Entwicklung aus meiner derzeitigen Sicht fast abgeschlossen ist.

Grüße
Karl-Heinz

von Whisky M. (whisky_m)


Lesenswert?

Hallo,

Danke für die Antworten. Ich habe erst den chinesischen Nachbau und dann 
hier das Original gefunden. Ich strebe einen günstigen Nachbau an, 
eventuell auch  auf Streifenraster. Wenn der 328 Sinn macht, nehme ich 
ihn.

Danke und Gruß
Christian

von Ingolf O. (headshotzombie)


Lesenswert?

Kaufe lieber 2 zum Preis von 1 --> 
https://guloshop.de/shop/Mikrocontroller/ATmega328-P::17.html?XTCsid=lkmk60js94nqkhd8ak329o52k3

Reichelt muss nicht immer der Favorit sein!

von Mathias B. (bzzz)


Lesenswert?

Oder der 328 nicht-P für 2,00€.

Kannte den Shop gar nicht, dabei ist das Lager in zu Fuß erreichbarer 
Nähe. Abholung wird aber scheinbar nicht angeboten. Mal im Auge behalten 
- danke für den Link.

@Karl-Heinz: Ich versuch später mal den Upload der schon 
durchgearbeiteten Doku-Files.

von Peter ⛄ W. (Firma: Huddel und Brassel Ltd.) (jaffel) Benutzerseite


Lesenswert?

Ingolf O. schrieb:
> Kaufe lieber 2 zum Preis von 1 -->
> 
https://guloshop.de/shop/Mikrocontroller/ATmega328-P::17.html?XTCsid=lkmk60js94nqkhd8ak329o52k3
>
> Reichelt muss nicht immer der Favorit sein!

Bei Abnahme von min. 10 Stk und Mindestbestellwert von 25.- ohne Porto. 
Und die anderen Teile sind erst garnicht verfuegbar.

Denkt hier auch mal jemand beim Schreiben ?

von Ingolf O. (headshotzombie)


Lesenswert?

Peter W. schrieb:
>
> Denkt hier auch mal jemand beim Schreiben ?

Wat willste, Würzburger? Mach mal Brainstorming in Praxis, anstelle 
Anpflauming online!

von Karl-Heinz K. (kubi48)


Angehängte Dateien:

Lesenswert?

Hallo Freunde des Transistortesters,

ich möchte darauf aufmerksam machen, daß im svn Verzeichnis (siehe 
http://www.mikrocontroller.net/articles/AVR_Transistortester) jetzt ein 
Entwurf für eine Streifenleiter-Platine vorhanden ist.
Da der Zugriff auf das svn Archiv immer etwas umständlich ist, möchte 
ich hier die PDF-Version vorstellen.
Das Layout verwendet einen anderen Anschluß des LC-Displays als die 
Standard-Version (Port D). Deshalb ist für die Software eine spezielle 
Version im Unterverzeichnis mega168_strip_grid erforderlich.
Im svn Archiv befindet sich auch die Quelldatei für diesen Entwurf.
Der Entwurf wurde mit DIYLC http://code.google.com/p/diy-layout-creator
gemacht. Das Programm sollte unabhängig von der Betriebssystem Version 
benutzt werden können, so daß jedermann den Entwurf nach seinen 
Bedürfnissen ändern kann.
Der geänderte Schaltplan ist ebenfalls im svn Archiv im PDF Format und 
als xfig-Datei abgelegt.

Grüße
Karl-Heinz

von Whisky M. (whisky_m)


Lesenswert?

Wahnsinn, danke für Dein Engagement!

von Dirk W. (psychodirk)


Lesenswert?


von layouter (Gast)


Lesenswert?

@ Karl Heinz

ich habe ne Frage zu dem DIYLC.

Konvertiert der Schaltungen in ein Layout für Loch- oder Punktraster ?
Oder ist das "nur" ein "Malprogramm" ???


Danke für Deine Antwort

DIDI

von Karl-Heinz K. (kubi48)


Lesenswert?

layouter schrieb:
> ich habe ne Frage zu dem DIYLC.
>
> Konvertiert der Schaltungen in ein Layout für Loch- oder Punktraster ?
> Oder ist das "nur" ein "Malprogramm" ???

Hallo DIDI,

ich bin durch einen anderen Benutzer auf das Programm DIYLC gestoßen und 
habe es nur als spezialisiertes Malprogramm benutzt.
Ich habe die Größe der Leiterplatte und den Typ (Streifen- oder 
Loch-raster) vorgewählt und dann vorgefertigte Bauteile und die
Leiterbahnunterbrechungen plaziert.
Die Bauteile sind über die Gehäuseform definiert. Widerstände und 
Kondensatoren können mit beiden Anschlüssen auf das gewünschte Raster 
plaziert werden. Man kann auch eine Bauteilebezeichnung und die 
Dimensionierung wählen. Ebenso kann man wählen, ob automatisch die 
Bauteilebezeichnung oder der Bauteilewert angezeigt werden.
Ich habe in den meisten Fällen die Bauteilebezeichnung automatisch 
zeigen lassen und den Wert als Text dazugeschrieben.
Man kann auch eine Bauteileliste generieren, aber sonst ist das Programm 
aus meiner Sicht nur für bescheidene Ansprüche brauchbar.
Es gibt nach meiner Kenntnis keine Überwachung für Entwurfsregeln.
Ich möchte mich aber nicht als Experte für dieses Programm hervortun,
da ich es auch nur ein paar Stunden benutzt habe.

Grüße
Karl-Heinz

von layouter (Gast)


Lesenswert?

...wäre noch der kostenpflichtige < 40 € Lochmaster von abacom.

Freie Variante kann alles bis auf drucken und speichern.
Hardcopy hilft weiter ;-).

Aber ein Autorouting auf Loch oder Streifen ist damit auch nicht 
möglich...

Könnte man da Eagle nicht zu vergewaltigen ???

OK, eh off topic.


Danke für Deine Antwort

von Peter ⛄ W. (Firma: Huddel und Brassel Ltd.) (jaffel) Benutzerseite


Lesenswert?

Ich verstehe das Drama auch nicht. Solch grobe Platinen kann man doch 
ganz leicht selbst aetzen. Muss ja kein Schonheitswettbewerb gewinnen. 
Von mir aus auch mit Toner Buegeln oder mit dem Edding selber gemalt.
Was habt ihr nur alle gemacht als es noch keine Computer gab... ??

von layouter (Gast)


Lesenswert?

in einem Forum fand ich folgenden Tipp:

Machbar ?


1. Schaltplan erstellen (inkl. Lochrasterplatine Library)
2. ins Board wechseln (die verbindungen liegen dann automatisch 
Freiluft)
3. Raster 2,54mm
3. Bauteile positonieren, so dass die kurze und optimalen verbindungen 
entstehen
4a. Autorouten (meistens nicht, da sehr viel Voreinstellungsarbeit)
4b. Handarbeit (saubere Verdrahtung)
5. Eagle3D zum erstellen für 3D Ansicht (um problemstellen zu erkennen)
6. 3D bild ausdrucken und fertig zum verdrahten

Mit Eagle ist es sogar besser, da man durch die bessere Darstellung 
weniger fehler macht, als beim Lochmaster.

von Michael D. (mike0815)


Lesenswert?

> Was habt ihr nur alle gemacht als es noch keine Computer gab... ??
das war zum kotzen!
Den Elektor kaputt geschnippelt(wegen Schablonen), mit Tinte u. Pinsel 
die Leiterbahnen gemalt... geflucht, wenn der Bohrer abgetriftet ist, 
weil kein Bohrloch freigestellt und wehe, die Ätzerei war 
mißlungen...dann wieder neu malen!
Das PC-Zeitalter erleichtert die Arbeit schon enorm, also warum das 
nicht ausnutzen?

@Layouter
> Machbar ?
Fast alles ist machbar! Ausprobieren und berichten.

BtW. hier gibt es einen Thread über ein Lochraster Programm, das nicht 
schlecht dein soll

Hier der Link:
Beitrag "Re: Open Source Lochraster Layout"

Gruß Michael

von Dirk W. (psychodirk)


Lesenswert?

Das Layout von ASKO/MIKE0815 als normale Platine klappt.

Auf Lochraster, egal ob Streifen oder Punkt, hat Probs.

Habe gerade das neue Layout auf Brotbrett... hmm, schwingt ganz 
gut...->Ozzi.
LDO noch näher an den Atmega. Nichts.

Ich bleibe bei der Platine... das klappt immer...

Infos biite mailen. Loch/Streifen.

LG
Dirk

von Peter ⛄ W. (Firma: Huddel und Brassel Ltd.) (jaffel) Benutzerseite


Lesenswert?

>Das PC-Zeitalter erleichtert die Arbeit schon enorm, also warum das
>nicht ausnutzen?

Jetzt komm' hier geht es um 5 Bauteile. Sowas steckt man auf's 
Lochraster frei Hand. Stunde ist das fertich, da brauche ich doch kein 
"Programm" fuer.
Und wenn ich mir die Preise vom Lochmaster mal so ansehe, dass koennen 
doch nur Idioten sein die sowas kaufen.

von Michael D. (mike0815)


Angehängte Dateien:

Lesenswert?

oha, dann habe ich ja zuviele drauf...
Hier mal mein eigenes Layout, einseitig mit ein paar Brücken.
Ist bereits erprobt und funktioniert zufriedenstellend.
Da habe wir geraume Zeit dran gesessen!

Gruß Michael

von Peter ⛄ W. (Firma: Huddel und Brassel Ltd.) (jaffel) Benutzerseite


Lesenswert?

Glaube ich Dir ja alles, ist auch ein schoenes Projekt. Aber auf 
Lochraster muss man keine ISP bauen, die Jumper koennen weg, diese 
seltsame Abschaltung auch und was bleibt dann uebrig ? 5 Teile, a la 
Markus Originalversion, ohne Kitsch.
Als "Teileerkenner" prima Ding, als "Messgeraet", na was soll man dazu 
noch sagen ?!

von Jörn P. (jonnyp)


Lesenswert?

Peter W. schrieb:
> Als "Teileerkenner" prima Ding, als "Messgeraet", na was soll man dazu
> noch sagen ?!

Du am besten gar nichts.

Es wäre schon sehr hilfreich, wenn du andere, die Lochraster Freaks, 
nicht als Idioten beschimpfen würdest.
Anderen nicht vorschreiben würdest, ob sie das Gerät fertig kaufen, oder 
selber bauen.
Wieviel Geld sie dafür ausgeben.
Es den Leuten überlassen, ob mit oder ohne Abschaltung, mit oder ohne 
ISP arbeiten wollen und ob und wo sie ihre Platinen bestellen.

Und es wäre ganz toll, wenn du dich mal schlau machst, bevor du deine 
Behauptungen aufstellst.

von Karl-Heinz K. (kubi48)


Lesenswert?

Dirk Willner schrieb:
> Auf Lochraster, egal ob Streifen oder Punkt, hat Probs.
>
> Habe gerade das neue Layout auf Brotbrett... hmm, schwingt ganz
> gut...->Ozzi.
> LDO noch näher an den Atmega. Nichts.

Hallo Dirk, Hallo Transistortester-Freunde,

was ich mit meinem Streifenleiter-Layout erreichen wollte, ist auf gar 
keinen Fall eine Diskussion darüber, was nun besser ist.
Ich sehe den Vorteil einer fertigen Platine durchaus. Bei der 
Streifenleiterversion müssen neben der richtigen Bauteilebestückung auch 
noch Jumper und Leiterbahnunterbrechung richtig plaziert werden.

Aber das die Streifenleiterversion zu Schwingungen neigt, kann ich nicht 
nachvollziehen. Die Schwingneigung ist meistens auf eine 
Kondensatorbestückung zurückzuführen, die nicht den Vorgaben für den 
verwendeten Spannungsregler entspricht.

Aber ein paar Vorteile hat die Streifenleiterversion auf jeden Fall. Sie 
ist unschlagbar kostengünstig, bleibt anpassungsfähig und in vielen 
Fällen ermöglicht sie auch einen Nachbau ohne extra Bestellvorgang.

Als Nachteil bleibt der schwierigere Aufbau und die Optik. Das Resultat 
sieht immer nach Bastellösung aus.

Es bleibt eine Geschmackssache.

Grüße
Karl-Heinz

von Theo K. (dg0om)


Lesenswert?

Hallo, ich verfolgte den Thread von Markus und jetzt den von Karl-Heinz 
so ca.zweieinhalb Jahre. Hab mir auch zwei Tester ala Markus nachgebaut, 
einen mit 9V-Batterie und einen mit Steckernetzteil.Benutze beide recht 
häufig und bin sehr zufrieden. Hauptsächlich zur Kontrolle der Bauteile 
vor einer Bestückung, Transistoranschlüße und Zonenfolge nochmal zu 
prüfen, Widerstandswert bei Farbcodierung ermittel usw. Den Tester von 
Karl-Heinz werde ich auch noch aufbauen, will nur noch bischen die 
Entwicklung beobachten. Der Thread läuft ja hier sehr optimal und meinen 
Respekt vor den Entwickler und den Testern. Unsachliche Beiträge sieht 
man in jeden Thread und ein Name taucht dort immer auf. Am Besten den 
Mann nicht beachten! Ist zwar nicht höfflich, aber wirkungsvoll.

von Simone (Gast)


Lesenswert?

A couple of issue when testing ComponentTester-1.02m, Markus version 
firmware:

BYV33 = No component found 2*diode
1N5119 = 2 * resitor

von Simone (Gast)


Lesenswert?

Simone schrieb:
> A couple of issue when testing ComponentTester-1.02m, Markus version
> firmware:
>
> BYV33 = No component found 2*diode
> 1N5119 = 2 * resitor

1N5119 was a type, i mean 1N5819

von Karl-Heinz K. (kubi48)


Lesenswert?

Simone schrieb:
> A couple of issue when testing ComponentTester-1.02m, Markus version
> firmware:
>
> BYV33 = No component found 2*diode
> 1N5819 = 2 * resistor

Hallo Simone,
the earlier versions of my "k" software had the same problem with Power 
Diodes like MBR3045PT.
I had solved the problem with no further test for resistor type, if a 
diode is found by previous test.
So you can try to make the following change to the software of Markus:

You will find in the source probes.c at line 2375 the sequence:

/*
   *  Check for a resistor.
   */

  if ((CompFound == COMP_DIODE) ||
      (CompFound == COMP_NONE) ||
      (CompFound == COMP_RESISTOR))
  {
    CheckResistor();
  }

You can simply eliminate the "(CompFound == COMP_DIODE) ||" term, so you 
will get:

/*
   *  Check for a resistor.
   */

  if ((CompFound == COMP_NONE) ||
      (CompFound == COMP_RESISTOR))
  {
    CheckResistor();
  }

I have tried this modification with my MBR3045PT.

Regards
Karl-Heinz

von Karl-Heinz K. (kubi48)


Lesenswert?

Hi Simone,

Markus has posted the new version 1.03m of his software, which
has the above correction included!
You can find this new version in the SVN archiv.

Regards
Karl-Heinz

von Simone (Gast)


Lesenswert?

Karl-Heinz Kübbeler schrieb:
> Hi Simone,
>
> Markus has posted the new version 1.03m of his software, which
> has the above correction included!
> You can find this new version in the SVN archiv.
>
> Regards
> Karl-Heinz

Tnks a lot, that fixed the issues above.

Now i discovered another error releated to the measure of the capacity 
of double diodes.

Measuring a bicolor two lead LED the capacity measured its about 45 uF 
on both direction.

von Karl-Heinz K. (kubi48)


Lesenswert?

Hallo TransistorTester Freunde,

mir ist eine Internetseite mit einem einfachen Nachbau des 
Transistortesters ohne die automatische Abschaltung mitgeteilt worden: 
http://leadacidbatterydesulfation.yuku.com/topic/1264/Cheap-n-Easy-circuit---Inductors-Capacitors---components

Es handelt sich um einen Streifenleiter Aufbau. Unter dem ATmega Sockel 
sind hier zwei Widerstände verbaut. Der 470k Widerstand kann aber auch 
neben dem ATmega verbaut werden.
Auf der gleichen Seite ist auch ein Nachbau eines Australiers verlinkt, 
der die erste Version von Markus F. nachgebaut, den Nachbau dokumentiert 
und den Betrieb mit Video dokumentiert hat.

Grüße
Karl-Heinz

von Karl-Heinz K. (kubi48)


Lesenswert?

Simone schrieb:
> Measuring a bicolor two lead LED the capacity measured its about 45 uF
> on both direction.

Hi Simone,

Markus has send his new version 1.04m to me, which should have this 
curiosity corrected. Capacity for double diodes is not measured with 
this version. Two single diodes connected to the three test ports (like 
bridge rectifier) are handled with the capacity measurements.
Thank you for reporting the bugs!

Regards,
Karl-Heinz

von Charly B. (charly)


Angehängte Dateien:

Lesenswert?

moin

hab das Layout 5.2.3 von Asko (danke!) leicht modifiziert
so das ein abkleben der Kuehlflaeche des LM7805 nicht
mehr noetig ist.

es sind noch ein paar Platinen doppelseitig durchkontaktiert
mit Loetstopplach und Etest ueber, bei interesse bitte
PN ( 10 € incl. Porto als Brief/Warensendung )

ps. die FW 104m f. den M168 mit deuschen Texten passt
nicht mehr ins EEprom, mit Texten im Flash gehts, kann
man im makefile umstellen


vlG
Charly

von Zittermann (Gast)


Lesenswert?

>Loetstopplach

Eckart sagt: "Da lach' ich doch 'über!"

gez. Zittermann

von Paul B. (paul_baumann)


Lesenswert?

@Michael D.

Ich habe die Schaltung auf Deinem Platinenentwurf basierend aufgebaut,
nur die ISP-Schnittstelle habe ich auf "mein" System (5-polig) geändert,
sonst ist die Platine identisch.

Als Kontroller möchte ich den Atmega 328 verwenden, um die volle
Leistungsfähigkeit zu erhalten. Einen 168 habe ich nicht, für den
wären die kompilierten Dateien ja in dem Archiv enthalten, für den
328 aber nicht.

FRAGE: Da ich mich mit der Programmierumgebung von C überhaupt nicht
auskenne, frage ich Dich, ob Du mir die Quelltexte in die .hex und die
.eep-Dateien für den Atmega328 übersetzen könntest? Das wäre mir eine
große Erleichterung.

MfG Paul

von Karl-Heinz K. (kubi48)


Lesenswert?

Paul Baumann schrieb:
> FRAGE: Da ich mich mit der Programmierumgebung von C überhaupt nicht
> auskenne, frage ich Dich, ob Du mir die Quelltexte in die .hex und die
> .eep-Dateien für den Atmega328 übersetzen könntest? Das wäre mir eine
> große Erleichterung.

Hallo Paul,
aus meiner Sicht kann man die ATmega168 Daten auch in den ATmega328 
laden. Die Software konfigugiert für den ATmega328 mehr Zugriffe auf den 
EEprom Speicher, das ist aber nicht unbedingt notwendig.

Die Daten für den ATmega168 sind im trunk/default Ordner.
TransistorTester.hex für den Flash Speicher, TransistorTester.eep für 
den Flash Speicher. Die Daten für die Fuses des ATmega328 kann man aus 
der Makefile (8 MHz Quarz: lfuse=0xf7 hfuse=0xd9 efuse=fc) auslesen!

Die Daten im trunk/mega168_strip_grid sind für die geänderte Port D 
Belegung der Streifenleiter-Version!

Falls es doch zu Problemen kommt, bitte noch einmal melden!

Grüße
Karl-Heinz

von Paul Baumann (Gast)


Lesenswert?

Danke, Karl-Heinz für die Hinweise. Ich werde es heute Abend dann mal
"brennen".

MfG Paul

von Whisky M. (whisky_m)


Lesenswert?

Hallo,

ich bin immer noch nicht zum Aufbauen gekommen. Hat schon jemand das 
Streifenrasterlayout umgesetzt?

Gruß
Christian

von Karl-Heinz K. (kubi48)


Lesenswert?

Whisky M. schrieb:
> Hat schon jemand das
> Streifenrasterlayout umgesetzt?

Hallo Christian,
ich hatte die Streifenleiterversion selbst aufgebaut.
Als Potentiometer sollte man aber darauf achten, daß man möglichst eine 
Version mit Einstellung von der Seite benutzt, damit man bei 
eingestecktem Display auf jeden Fall einstellen kann. Die LCDs haben je 
nach Version die Anschlüsse oben oder unten.
Bei mir läuft mit der Streifenleiterversion sogar das OLED Display, was 
sonst immer Schwierigkeiten machte.

Grüße
Karl-Heinz

von Paul Baumann (Gast)


Lesenswert?

Hinweis für Atmega328 Benutzer:

Die Dateien für den Atmega168 laufen auf dem Atmega328.

Danke noch einmal für Hilfe und das Schreiben des Programmes an
Karl-Heinz Kübbeler.

MfG Paul

von Karl-Heinz K. (kubi48)


Lesenswert?

Charly B. schrieb:
> ps. die FW 104m f. den M168 mit deuschen Texten passt
> nicht mehr ins EEprom, mit Texten im Flash gehts, kann
> man im makefile umstellen

Hallo Charly,
Markus hat mir seine Version 1.05m geschickt. Die neue Version ist ab 
sofort im SVN Archiv. Die hat die Speicherzugriffe so geändert, daß 
jetzt auch beim ATmega168 die deutsche Textvariante gewählt werden kann. 
Es müssen nicht mehr alle Texte in den Flash Speicher gelegt werden.

Grüße
Karl-Heinz

von Michael D. (mike0815)


Lesenswert?

hallo Karl-Heinz,
sehe ich das richtig, das trotz der Sprachauswahl, alle Sprachtexte in 
das EEPROM geladen werden?
Wenn dem so ist, könnte man doch manuell die nicht benötigten Sprachen 
löschen!?

Gruß Michael

von Karl-Heinz K. (kubi48)


Lesenswert?

Michael D. schrieb:
> sehe ich das richtig, das trotz der Sprachauswahl, alle Sprachtexte in
> das EEPROM geladen werden?

Hallo Michael,
es wird nur die gewählte Sprache ins EEprom geladen. Die Texte sind aber 
unterschiedlich lang. Deshalb kann es dazu kommen, daß die eine Sprache 
passt, eine andere aber nicht.
Bei meiner Programmversion (1.02k) werden beim ATmega328 alle Texte der 
gewählten Sprache in den EEprom Speicher geladen, beim ATmega168 wird 
aber ein Teil in den Programmspeicher verlegt.
Markus hat bei seiner Version (1.05m) eine Tabelle für die 
Kapazitätsberechnung in den Programmspeicher verlegt.

Grüße
Karl-Heinz

von Charly B. (charly)


Angehängte Dateien:

Lesenswert?

es werden nur die benoetigten Texte ins EEProm oder
Flash eingebunden, auch sind die Dateien f. M168 &
M328 leider nicht gleich, hab meine Dateien mal
angehaengt sind aber f. 4.98V Regler (soviel liefert
mein 5V Regler)

frage: bei Elkos bekomm ich kein ESR angezeigt, sollte
doch aber beim M168 gehen, oder hab i was uebersehen ?

vlG
Charly

von Karl-Heinz K. (kubi48)


Lesenswert?

Charly B. schrieb:
> frage: bei Elkos bekomm ich kein ESR angezeigt, sollte
> doch aber beim M168 gehen, oder hab i was uebersehen ?

Hallo Charly,
Markus hat bei seiner Version keine Induktivitätsmessung und auch keine 
ESR-Messung integriert.
Das ist nur bei meiner Version 1.02k im Software/tags Zweig integriert.

Grüße
Karl-Heinz

von Charly B. (charly)


Lesenswert?

danke Karl-Heinz f. die Info,
werde dann deine Vers. mal testen

vlG
Charly

von Paul Baumann (Gast)


Angehängte Dateien:

Lesenswert?

Hinweis für Atmega328 Benutzer:

Ich hatte das Problem, daß der Tester zwar Transistoren, Dioden u.s.w.
richtig testete, aber bei (auch verhältnismäßig kleinen 47nF) 
Kondensatoren
entweder resettete oder groben Unfug anzeigte.

Mit einem Atmega8 tat er das nicht.

(Stützkondensatoren sind da, wo sie hingehören und auch in richtiger
Größe, daran lag es nicht.)

Ich habe daraufhin die Brownout-Schwelle des 328 auf 2,7 Volt verändert
und die Start up -Zeit auf Maximum gesetzt.

Nun funktioniert er tadellos.

Im Bild sieht man das.

MfG Paul

von Peter ⛄ W. (Firma: Huddel und Brassel Ltd.) (jaffel) Benutzerseite


Lesenswert?

>Ich habe daraufhin die Brownout-Schwelle des 328 auf 2,7 Volt verändert

Ich wuerde erst mal die Spannungsversorgung pruefen bevor man solche 
Versuche unternimmt.

von Karl-Heinz K. (kubi48)


Lesenswert?

Paul Baumann schrieb:
> Ich habe daraufhin die Brownout-Schwelle des 328 auf 2,7 Volt verändert
> und die Start up -Zeit auf Maximum gesetzt.

Ich kann mir auch nicht richtig vorstellen, daß ein so niedriger 
BODlevel notwendig ist. Es könnte daran liegen, daß aus irgend einem 
Grund die Stromversorgung nicht reicht. Neben dem Prozessor wird auch 
noch das LCD und die LCD-Beleuchtung von den 5V versorgt.
Man könnte als erstes den Gesamtstrom aus der Batterie messen.
Ein 78L05 Regler liefert nur 100mA am Ausgang.
Vielleicht muß man den Vorwiderstand für die Hintergrundbeleuchtung 
erhöhen oder alternativ einen stärkeren Regler einsetzen.
Wenn aber bei der Messung die Betriebsspannung einbricht, kann der 
Tester nicht vernünftig messen. Die voreingestellte Grenze von 4.3V hat 
also durchaus ihren Sinn!

Grüße
Karl-Heinz

von oliver H. (oliver90)


Lesenswert?

Hallo
ers mal herzlichen dank an Karl, Markus, Asko und alle die am diesem 
projekt
mitwirken.
Ich wolle den Transistortester mit einem ATmega168 nachbauen,aber weis 
ich nicht,
 welches programversion(mit Esr und Induktivität-Messung) wird gut zum 
Board
(der letzten Version 5.2.3) von Asko?
 Gruss Oliver

von Karl-Heinz K. (kubi48)


Lesenswert?

Hallo Oliver,

mit der Induktivitätsmessung und ESR-Messung gibt es derzeit nur
die Version ttester_1.02k.zip im Software/tags Ordner des SVN-Archivs 
http://www.mikrocontroller.net/articles/AVR_Transistortester.
Man muß über den svnbrowser zuerst einen "GNU tarball" runterladen, die 
Datei ist im .tar.gz Format. Windows Benutzer benötigen zum Auspacken 
ein geeignetes Programm wie 7-zip.
Die übersetzten Programmdaten (.hex und .eep) findet man in der 
ausgepackten ZIP-Datei im trunk/default Ordner.

Grüße
Karl-Heinz

von Paul Baumann (Gast)


Lesenswert?

Peter W. schrob:
>Ich wuerde erst mal die Spannungsversorgung pruefen bevor man solche
>Versuche unternimmt.

Ich auch.

;-)

Die Spannung beträgt direkt an den Kontrollerpins 5,04 Volt
und sie hat keine Einbrüche. (Mit Speicher-Oszi kontrolliert)

Es befindet sich ein "großer" 7805 auf der Platine und mein LCD hat
keine Hintergrundbeleuchtung.

Mit einem (zwischenzeitlich beschafften) Atmega168 kann ich die
Brown-Out-Schwelle "oben" lassen, mit dem 328 nicht.

Wie dem auch sei: mit Atmega168 geht es auf Anhieb, mit 328 nicht ohne
die Änderung der Fusebits.

mfG Paul

von Karl-Heinz K. (kubi48)


Lesenswert?

Paul Baumann schrieb:
> Mit einem (zwischenzeitlich beschafften) Atmega168 kann ich die
> Brown-Out-Schwelle "oben" lassen, mit dem 328 nicht.

Hallo Paul,

Dein Fehler bleibt irgendwie seltsam.
Nach meinem Kenntnisstand haben die Kontroller mega168 und mega328 
keinen unterschiedliche Logik bei der brown out Erkennung.
Die VCC Spannung muß für mehr als 2 µs die mit den fuses eingestellte 
Schwelle unterschreiten, damit ein Reset ausgelöst wird.
Benutzt wird für die Spannungsüberwachung die interne 1.1V Referenz.
Wenn definitiv keine Einbrüche auf der VCC Seite zu sehen sind, wäre als 
Ursache noch eine Störung der internen 1.1V Referenz z.B. bei der 
AUTOSCALE_ADC Umschaltung denkbar.
Da der Fehler bei mir bei drei ATmega328 und auch bei drei ATmega328P 
nicht auftritt, wäre auch ein Ausreißer der Serie vorstellbar. Hast Du 
den Fehler nur bei einem mega328 Exemplar festgestellt?

Grüße
Karl-Heinz

von Paul B. (paul_baumann)


Lesenswert?

@Karl_Heinz
> Hast Du den Fehler nur bei einem mega328 Exemplar festgestellt?

Ich habe leider nur den einen 328, sonst hätte ich es schon mal mit 
einem
2. Exemplar versucht.

Die einzige Änderung gegenüber der Originalschaltung ist die Verwendung
eines TL431 statt des LM4040 für die 2,5 Volt Erzeugung. Den habe ich
aber entsprechend gedreht, weil die Anschlußbelegung eine Andere ist
und er liefert auch die 2,5 Volt. Ich kann mir aber nicht denken, daß 
das
miteinander zu tun haben könnte.

MfG Paul

von Harald P. (haraldp)


Lesenswert?

Ich habe es endlich geschafft, diesen genialen Tester nachzubauen (auf 
Lötraster mit Fädeldraht-geht einwandfrei). Dabei habe ich dieselbe 
Beobachtung wie Paul gemacht. Beim Messen von Kondensatoren ging der 
Tester einfach aus. Nach Absenkung der BOD-Schwelle auf 2.7V 
funktioniert er wie gewünscht.
Richtig erklären kann ich mir das auch nicht. Ein probehalbes Anlöten 
eines 100uF Stützkondensators hatte keine Veränderung bewirkt. Irgendwie 
muß es einen internen Spannungseinbruch beim Messen geben, der das 
Programm resettet. Vielleicht liegt es am Umprogrammieren der 
DDR-Register, bei dem es kurzzeitig zu Stromspitzen kommt. Leider habe 
ich noch keine Zeit gefunden, das Programm darauf hin mal zu 
analysieren.

Harald

von Karl-Heinz K. (kubi48)


Lesenswert?

Hallo Harald,

bei welchem Prozessor hast Du die Beobachtung gemacht?
Bei Paul ist der Fehler bei einem zweiten mega328 nicht aufgetreten.
Paul hatte die Betriebsspannung auch schon mit einem Oszilloskop ohne 
Ergebnis angesehen.
Tritt der Fehler bei allen Kondensatoren auf oder nur in einem 
bestimmten Wertebereich?
Unter ca. 40uF wird ein anderes Verfahren benutzt als darüber.

Trotzdem ist der Fehler sehr merkwürdig.

Grüße
Karl-Heinz

von Harald P. (haraldp)


Lesenswert?

Ich hatte zuerst einen M168A verwendet - mit dem besagten Verhalten. 
Dann habe ich einen M168 (ohne A) probiert - dasselbe Verhalten. Jetzt 
mit diesem und BOD=2.7V klappt es. Allerdings habe ich wenig Lust, BOD 
wieder zu verstellen, da ich dazu den uP aus der Fassung ziehen muß und 
in meinem IPS-Programmer stecken muß, um die Fuses zu verändern. Das 
Programm selbst lade ich mit dem hier im Forum vorgestellten Bootloader.
Die Kondensatoren hatten die Werte 100nF und 1.5uF (keine Elkos).

Harald

von Ingolf O. (headshotzombie)


Lesenswert?

Karl-Heinz Kübbeler schrieb:
> Bei Paul ist der Fehler bei einem zweiten mega328 nicht aufgetreten.

KH, das mußt Du falsch gelesen haben, denn Paul schrieb ja:
> Ich habe leider nur den einen 328, sonst hätte ich es schon mal mit
> einem 2. Exemplar versucht.

von Karl-Heinz K. (kubi48)


Lesenswert?

Ingolf O. schrieb:
> KH, das mußt Du falsch gelesen haben, denn Paul schrieb ja:
>> Ich habe leider nur den einen 328, sonst hätte ich es schon mal mit
>> einem 2. Exemplar versucht.

Hallo Ingolf,
aber Paul hatte mir per Email mitgeteilt, daß er einen ATmega328 von 
einem ebenfalls vorhandenen Arduino Platine genommen hat.
Trotzdem interessant, daß der Thread doch aufmerksam gelesen wird!
Grüße
Karl-Heinz

von Paul Baumann (Gast)


Lesenswert?

@Ingolf

Ja, das konntest Du nicht wissen -ich hatte ein "externes" Gespräch mit
Karl-Heinz, da habe ich ihm das mitgeteilt.

;-)
MfG Paul

von Ingolf O. (headshotzombie)


Lesenswert?

O.k., Ihr Beiden, kein Problem, da ich auch sicher bin, dass uns nichts 
Wichtiges vorenthalten wird! ;-)

von Karl-Heinz K. (kubi48)


Angehängte Dateien:

Lesenswert?

Hallo Transistortester Freunde,

nachdem bei Windows Anwendern wiederholt Schwierigkeiten mit der 
Transistortester Software aufgetreten sind, möchte ich hier einen 
Lösungsweg beschreiben:
Die Software kann man über den svnbrowser 
http://www.mikrocontroller.net/articles/AVR_Transistortester als GNU 
tarball vom SVN Server laden.
Zum Auspacken benötigt man ein Programm wie 7-zip.
Alternativ kann man auch die .zip Dateien mit dem Tortoise Plugin für 
den Explorer direkt aus dem SVN Archiv laden.

Zum Übersetzen und Laden des Programms in den ATmega kann man das Paket 
WinAVR benutzen.
Standardmäßig hat die Bedienoberfläche keine Möglichkeit zum Setzen der 
Fuses. Das Setzen der Fuses ist aber in meiner Makefile integriert.
So habe ich eine Korrektur der WinAVR Dateien zusammengefasst, um 
einerseits Probleme mit avrdude zu beheben und andererseits die 
Bedienung einfacher zu machen.

Die avrdude4WinAVR.zip Datei enthält folgende LiesMich.txt
#-----------------------
Das bin Verzeichnis enthält eine avrdude Version, die auch Programmer
mit usb Anschluss ansprechen kann. Diese avrdude Version ersetzt
die Standard-Version des WinAVR-20100110 Paket.
Die Datei avrdude.conf ist so modifiziert, daß die Daten für die efuse 
von ATmega168, ATmega168P, ATmega328P und ATmega88 als Byte zugegriffen 
werden.

Das Unterverzeichnis pn/tools enthält eine erweiterte Datei WinAVR.xml ,
mit der der Zugriff auf das Setzen der Fuses mit der Transistortester 
Makefile möglich ist.
Wenn dieses zip Archiv in das Wurzelverzeichnis von WinAVR ausgepackt 
wird, sollten die Dateien am richtigen Platz sein.

Um mit dem TransistorTester Paket zu arbeiten, sollten Sie zuerst die
Transistortester Datei auspacken. Dann sollten Sie den Programmers 
Notepad aus dem WinAVR Paket starten und die richtige Makefile des 
TransistorTesters in entweder dem Unterverzeichnis default, mega8 oder 
mega168_strip_grid öffnen.
Tester mit dem normalen Layout und entweder ATmega168 oder ATmega328 
sollten das default Unterverzeichnis wählen.
Editieren Sie die Makefile, so daß Sie den richtigen Prozessor und die 
Optionen eingestellt haben. Sie müssen auch das Programmier-Interface 
"avrdude" konfigurieren (PROGRAMMER=  and PORT=) .
Wenn alle Einstellungen gewählt wurden, sollten Sie die Makefile sichern
und das Tool "[WinAVR] Program" wählen. Wenn die Fuses noch nicht 
richtig eingestellt sind, sollten Sie auch das Tool "[WinAVR] set fuses" 
wählen oder auch das Tool "[WinAVR] set fuses Crystal" wählen, wenn Sie 
einen 8MHz Quarz installiert haben.

Wählen Sie niemals die Quarz-Version, wenn kein Quarz angeschlossen ist!
#--------------------------

Grüße
Karl-Heinz

von Peter S. (petersieg)


Lesenswert?

Hallo.

Ich habe mir jetzt so ein Teil aus CN bestellt wie weiter oben im Thread 
schon erwähnt. Geht auch. Ist ein Atmega8L drauf - ohne Quarz.

Atmega328p habe ich da. AVR Studio 4.18 ist betriebsbereit.

Mich interessiert ESR Messung besonders.

Gnu tar ball des svn habe ich heruntergeladen.

Dort ist unter Software/trunk/default:
Datum: 02.11.2012   Test Version Transistortester (AVR) Version 1.02k

Ist die hex für Atmega168 und 8MHz?

Sollte ich das besser für 328p übersetzen?

Kann ich das auch ohne Quarz anlöten dann so verwenden (Verlust 
Genauigkeit)?

Ich habe bis dato gesucht, wie die fuses zu setzen sind (ohne Quarz+mit) 
bei Nutzung von avrdude (Win$)..?

Danke+Gruß
Peter

von Peter S. (petersieg)


Lesenswert?

Habe gerade mal ein AVR Studio Projekt angelegt.

Wenn ich AutoCheck.c zum Projekt nehme hagelt es Fehlermeldungen 
undefined..
(Wenn von Interesse poste ich das hier).

AutoCheck.c removed from project:

Makefile:77: warning: overriding commands for target `ReadADC.o'
Makefile:74: warning: ignoring old commands for target `ReadADC.o'
s transistortester.map

Build succeeded with 2 Warnings...
Makefile:74: warning: overriding commands for target `ReadADC.o'
Makefile:71: warning: ignoring old commands for target `ReadADC.o'
avr-gcc  -mmcu=atmega328p -Wall -gdwarf-2 -Os -std=gnu99 -funsigned-char 
-funsigned-bitfields -fpack-struct -fshort-enums -MD -MP -MT CheckPins.o 
-MF dep/CheckPins.o.d  -c  ../CheckPins.c
../CheckPins.c:2: error: expected ')' before 'HighPin'
make: *** [CheckPins.o] Error 1
Build failed with 1 errors and 2 warnings...

??

Peter

von Michael D. (mike0815)


Lesenswert?

Peter, tue dir einen Gefallen und lies den Thread hier durch!
Beim Projekt anlegen, hast du wohl einen Fehler gemacht.
Unter Anderem beschreibe ich, wie im Studio 4.18 das TTester Projekt 
angelegt wird!

Gruß Michael

von Michael D. (mike0815)


Angehängte Dateien:

Lesenswert?

Ich setze mal das Studio4.19-Projekt mit der gültigen "aps" hier rein.
Es muß nur noch der benutzte Prozessor angegeben werden, imo steht der 
M328 im Makefile, sowie die Version in der Headline.

Gruß Michael

von Karl-Heinz K. (kubi48)


Lesenswert?

Peter Sieg schrieb:
> Dort ist unter Software/trunk/default:
> Datum: 02.11.2012   Test Version Transistortester (AVR) Version 1.02k
>
> Ist die hex für Atmega168 und 8MHz?
>
> Sollte ich das besser für 328p übersetzen?
>
> Kann ich das auch ohne Quarz anlöten dann so verwenden (Verlust
> Genauigkeit)?
>
> Ich habe bis dato gesucht, wie die fuses zu setzen sind (ohne Quarz+mit)
> bei Nutzung von avrdude (Win$)..?

Hallo Peter,

die .hex und die .eep Datei im default Ordner sind für einen ATmega168 
übersetzt. Die Version läuft aber auch auf einem ATmega328(P).

Der Quarz verbessert die Temperaturstabilität und sollte auch sonst die 
Meßgenauigkeit für Kondensatoren und Spulen verbessern. Ich hatte bei 
einem Board ohne Quarz einen 8 MHz Quarz auf der Lötseite direkt an die 
Pinne erfolgreich angelötet (ohne Kondensatoren).

Wahrscheinlich müssen aber auch bei der alten Board-Version der 
Kondensator am AREF Pin von 100 nF auf 1 nF geändert werden und ein 
Pullup Widerstand an PD7 nachgerüstet werden. Beide Änderungen haben 
keinen Einfluß auf die Lauffähigkeit der alten Software.

Die Fuses findet man in der Makefile, für den ATmega328P sind es
lfuse:0xe2 hfuse:0xd9 efuse:0xfc  (8 MHz ohne Quarz)
lfuse:0xf7 hfuse:0xd9 efuse:0xfc  (mit 8MHz Quarz)

Wenn man statt AVR Studio das Paket WinAVR benutzt mit meinem unter 
Beitrag "Re: Transistortester AVR" angegebenen Patch,
kann man meine Makefile uneingeschränkt benutzen inklusive Laden des 
Programms in den ATmega und Setzen der Fuses.
Für das Setzen der Fuses wurde der Tools Reiter erweitert.
Diese WinAVR Version benötigt aber eine speziell angepasste Makefile.
Dazu muß man das Transistortester-Paket noch einmal neu vom SVN-Server 
laden oder man muß am Ende der Makefile die Zeile "upload:" gegen 
"program:" austauschen. Die neuere Makefile auf dem Server enthält beide 
Varianten.

Grüße
Karl-Heinz

von Peter S. (petersieg)


Lesenswert?

@Michael D.:Danke! So geht es. Ich lese mir die Stelle dann trotzdem 
nochmal durch..

@Karl.Heinz: Auch Danke! Hatte schon was im Makefile gefunden. Ich nutze 
immer gerne eine einfache Batch Datei die alles fertig enthält.

So sieht sie ersteinmal aus für Atmega328p und kein Quarz:
1
avrdude -c usbtiny -p m328p -e -U flash:w:TransistorTester.hex -U eeprom:w:TransistorTester.eep:a
2
rem lfuse:0xe2 hfuse:0xd9 efuse:0xfc  (8 MHz ohne Quarz)
3
rem lfuse:0xf7 hfuse:0xd9 efuse:0xfc  (mit 8MHz Quarz)
4
avrdude -c usbtiny -p m328p -U lfuse:w:0xe2:m -U hfuse:w:0xd9:m -U efuse:w:0xfc:m

Werde morgen mal einen 328p flashen und ihn dann gegen den ATmega8L 
tauschen..

EDIT: Gerde probiert.. beim schreiben eep hängt sich usbtiny weg.. und 
efuse verify mag er auch nicht?

Peter

von Konrad S. (maybee)


Lesenswert?

@Peter Sieg
Die Lösung für das efuse-Verify-Problem beim ATmega328p steht hier:
Beitrag "Re: Transistortester AVR"

von Karl-Heinz K. (kubi48)


Lesenswert?

Peter Sieg schrieb:
> EDIT: Gerde probiert.. beim schreiben eep hängt sich usbtiny weg.. und
> efuse verify mag er auch nicht?

die von mir im Beitrag 
Beitrag "Re: Transistortester AVR" angebotene avrdude 
Version enthält die Korrekturen für mega88, mega168 und mega328P in der 
avrdude.conf. Außerdem fehlte der Eintrag für mega328 völlig, der ist in 
meiner Version als Duplikat von mega328P mit geänderter Kennung ergänzt.

Warum sich allerdings der Programmer bei der .eep Datei aufhängt, kann 
ich nur vermuten. Vielleicht ist das EEprom nicht mit der Größe 1024 
Byte vorgesehen. Bei einem für den ATmega328 kompilierten Programm wird 
aber mehr als 512 Byte benutzt!

Grüße
Karl-Heinz

von Peter S. (petersieg)


Lesenswert?

Hi.

efuses funktioniert nun. eep noch nicht:

C:\DATEN\Eagle\Transistortester\01-11-2012-1.02k\default>avrdude -c 
usbtiny -p m
328p -e -U eeprom:w:TransistorTester.eep

avrdude: AVR device initialized and ready to accept instructions

Reading | ################################################## | 100% 
0.01s

avrdude: Device signature = 0x1e950f
avrdude: erasing chip
avrdude: reading input file "TransistorTester.eep"
avrdude: input file TransistorTester.eep auto detected as Intel Hex
avrdude: writing eeprom (630 bytes):

Writing | ##########                                         | 20% 
0.94s^CBatchv
organg abbrechen (J/N)? j

C:\DATEN\Eagle\Transistortester\01-11-2012-1.02k\default>

avrdude: error: usbtiny_receive: usb_control_msg: sending control 
message failed
, win error: Ein an das System angeschlossenes Gerõt funktioniert nicht.
 (expected 4, got -5)
---
Er kommt wohl  noch über die 40%, dann knallst.. was die Vermutung nahe 
legt, das da was mit >512bytes problematisch ist.
Muss dann wohl ein meinem Programmer liegen..? AVR USB Progr. Stick aus 
diesem Forum..

Ich habe für ein anderes Projekt einen AVR MKII komp. Programmer 
bestellt.. evtl. funktioniert das dann damit..

Peter

von Michael D. (mike0815)


Lesenswert?

auch Hi,
teste doch mal ein anderes Brennprogramm, bevor du den Programmer 
verdächtigst?!
Ich benutze z.B. den Extrem-Burner, allerdings mit USB-ASP, MKII wird 
aber auch unterstützt! Lade dir das Teil mal runter VER.1.2 dann wählst 
du den ""Mega324"" im Reiter und beschreibe dann den Mega328 damit.
Aber vorsicht, HEX u. EEP müssen separat in die Fenster geladen werden!
Also oben im Reiter, "FILE" HEX laden, dann EEP laden, bitte auf die 
Endungen achten, sonst gibt es eine Fehlermeldung, das die HEX zu groß 
für das EEPROM sei...

Gruß Michael

von Karl-Heinz K. (kubi48)


Lesenswert?

Peter Sieg schrieb:
> efuses funktioniert nun. eep noch nicht:

Hallo Peter,

Du kannst in der Makefile die Option CFLAGS += -DUSE_EEPROM (Zeile 78)
auskommentieren (# davor setzen).
Danach das Programm neu übersetzen. Es werden jetzt die Texte in den 
Programmspeicher geladen. Dadurch wird viel weniger EEprom belegt.
Das hilft hoffentlich bis Du den anderen Programmer probieren kannst.
Probleme mit EEprom haben ja schon fast Tradition, meine Arbeit mit dem
Transistortester haben mal wegen solchen Problemen begonnen.

Grüße
Karl-Heinz

von Tom K. (xnd1)


Lesenswert?

Hello
I have a question,
I did a project link 
http://obrazki.elektroda.pl/6483459700_1353441643.jpg
fusebit KLA987 CKSEL = 0001 SUT = 00 (in Bascom AVR), but the tester,

Displays 1000uF -> 1576uF
3300uF -> 126900uF
100uF -> 162uF
100nF -> 158nF
47nF -> 69nF

Triac BT138 displays only 19uF

Do you have good software (eprom.hex and program.hex) for ATmega8A-PU 
(no Atmega8-16PU) ?

von Karl-Heinz K. (kubi48)


Lesenswert?

Tom Kućwik schrieb:
> Hello
> I have a question,
> I did a project link
> http://obrazki.elektroda.pl/6483459700_1353441643.jpg
> fusebit KLA987 CKSEL = 0001 SUT = 00 (in Bascom AVR), but the tester,
>
> Displays 1000uF -> 1576uF
> 3300uF -> 126900uF
> 100uF -> 162uF
> 100nF -> 158nF
> 47nF -> 69nF
>
> Triac BT138 displays only 19uF
>
> Do you have good software (eprom.hex and program.hex) for ATmega8A-PU
> (no Atmega8-16PU) ?

Hallo Tom,

I don't know, which software is currently used by your project. So I can 
not comment the capacitor measurement results. But the Triac BT138 has a 
trigger current of about 20 mA and a holding current of 30 mA.
So your Tester can not test it with only 6 mA measurement current.

You can find my software and documentation in a SVN archiv.
please take a look to the german page 
http://www.mikrocontroller.net/articles/AVR_Transistortester#Downloads 
for details.
You can download the software with svnbrowser as .tar.gz format.
For unpacking with Windows you need a tool like 7-zip.
With Linux it can be unpacked with standard tools (tar xvfz ...).
The Makefile and data for ATmega8 you will find in the trunk/mega8 path.
The full feature of program can only used with ATmega168 or ATmega328.
In this case the capacitor at the AREF pin should be changed from 100 nF
to 1 nF. The full PDF-documentation is available in german and english 
language in the same archiv.

Regards,
Karl-Heinz

von Michael D. (mike0815)


Lesenswert?

Hallo Karl-Heinz,
der Tom könnte eine fehlerhafte Software-Version (1.0) aus dem Trunk 
erwischt haben.
Da ich dasselbe Problem mit der Widerstandsmessung hatte, könnte es das 
gleiche Problem mit den Kondensatoren sein!
Hier hatte ich etwas dazu geschrieben:

Beitrag "Re: Transistortester AVR"

Gruß Michael

von Tom K. (xnd1)


Lesenswert?

My project is a link 
http://www.mikrocontroller.net/articles/AVR-Transistortester # Hardware

Image "Schaltplan des Transistortesters" (with Hardware)

In this link 
Beitrag "Transistortester mit AVR"
Thomas S. (thomas_s74) describes the problem with the capacitors
I have the same problem with capacitors


Hubert G. (hubertg) writes:
# ifdef UseM8

   / * Faktoren für die bei Kapatitätsmessung Kondensatoren
     Diese von Faktoren hängen Fertigungstoleranzen des AVR ab und 
müssen somit ggf. angepasst werden
     H_CAPACITY_FACTOR ist für die Messung myth 470k-Widerstand (geringe 
Kapazität)
     L_CAPACITY_FACTOR ist für die mit Messung 680-Ohm-Widerstand (hohe 
Kapazität)
     Ist der gesamte Messbereich ca. 7300μF bis 0.2 nF.
   * /
  Unsigned int H_CAPACITY_FACTOR EEMEM = 394,   Standardwerte für M8
  Unsigned int L_CAPACITY_FACTOR EEMEM = 283,   Standardwerte für M8
     unsigned int H_CAPACITY_FACTOR EEMEM = 262,   Standardwerte für 
M8A
     unsigned int L_CAPACITY_FACTOR EEMEM = 177,   Standardwerte für 
M8A
# endif

Where can I find this modification (hex) Markus Frejek original files 
for ATMEGA8A ?

von Tom K. (xnd1)


Angehängte Dateien:

Lesenswert?

This is my tester

von Karl-Heinz K. (kubi48)


Lesenswert?

Tom Kućwik schrieb:
> Where can I find this modification (hex) Markus Frejek original files
> for ATMEGA8A ?

Hi Tom,

you should try my modified software. The part to detect the transistors 
is nearly the same than the original software. The measurement of 
capacitors is done with other measurement method. This method gives a 
better accuracy and measurement range than the original software of 
Markus F. !
If you have trouble to access my software, please send a message to my 
email.

Regards,
Karl-Heinz

von Karl-Heinz K. (kubi48)


Angehängte Dateien:

Lesenswert?

Hallo,

Dirk hat mir berichtet, daß es immer noch Schwierigkeiten gibt, auf die
Daten im SVN-Archiv zuzugreifen.
Als Zugabe möchte ich hier die .hex und die .eep Daten der letzten 1.02k 
Version als zip Datei einstellen.
Der Quellcode (C und Assembler) und die Dokumentation ist nicht 
enthalten. Die Makefile ist zur Dokumentation der eingestellten Optionen 
beigefügt. Es soll lediglich den schnellen Zugriff auf die Programmdaten 
zum Ausprobieren ermöglichen. Die Daten sind für den ATmega168 
übersetzt, aber auch für den ATmega328 brauchbar.

Beim Ausprobieren nicht vergessen, daß die Genauigkeit der Kondensator- 
und Widerstands-Messung erst nach dem Selbsttest mit der Kalibration 
erreicht wird. Dazu muß am Schluß des Selbsttests ein Kondensator mit 
mehr als 100nF und weniger als 20uF an Pin 1 und Pin 3 angeschlossen 
werden.
Bitte erst anschließen, wenn der Text >100nF in der Zeile 1 erscheint 
und bitte keine Elkos verwenden!

PS
Falls jemand Probleme beim Zugriff auf das SVN Archiv hat, kann man mich 
auch über eMail oder eine Benutzernachricht im Forum erreichen. 
Gegebenenfalls muß ich die Doku nachbessern.

Grüße
Karl-Heinz

von Konrad S. (maybee)


Lesenswert?

Karl-Heinz Kübbeler schrieb:
> Probleme beim Zugriff auf das SVN Archiv

Unter Linux nach wie vor: kein Problem!

von Karol B. (johnpatcher)


Lesenswert?

Konrad S. schrieb:
> Karl-Heinz Kübbeler schrieb:
>> Probleme beim Zugriff auf das SVN Archiv
>
> Unter Linux nach wie vor: kein Problem!

Das hat wohl herzlich wenig mit dem Betriebssystem zu tun, zu mal man 
sich auch über das Webinterface ein Tarball generieren lassen und 
downloaden kann.

von Peter S. (petersieg)


Lesenswert?

So. Kurze Rückmeldung.
Mein AVRISPMKII komp. Programmer ist heute angekommen.
Konnte damit Atmega328P hex & eep einwandfrei flashen .. und läuft!
D.h die China HW ist kompatibel und kann so 'aufgerüstet' werden.

DANKE!

Peter

von Karl-Heinz K. (kubi48)


Lesenswert?

Hallo Transistortester Freunde,

ich habe eine neue Software-Version (1.03k) ins SVN-Archiv eingestellt. 
Die Änderung betrifft im wesentlichen nur die ATmega8 Version.
Bei der ATmega168 Version hat sich nur geändert, daß die erkannte 2.5V 
Referenz durch eine kurze Anzeige von "VCC=5.00V" in der zweiten Zeile 
angezeigt wird. Danach wird die Zeile mit "Testing..." überschrieben.
Bei der 1.02k wurde einfach 5.00V vor das Testing... geschrieben.

Die Dokumentation wurde mit Meßserien für 9 verschiedene ATmega8 
ergänzt. Außerdem wurden die bisher bekannt gewordenen Fehlverhalten in 
der Fehlerbeschreibung ergänzt. Für die Erkennung der Fehlerursachen bin 
ich auf Mitarbeit angewiesen, da die Fehler bei mir nicht auftreten.

Grüße
Karl-Heinz

von Charly B. (charly)


Angehängte Dateien:

Lesenswert?

Moin moin Karl-Heinz,

hatte eben einen BUL38D auf dem Tester, der sagt es ist
ein PNP , dreht man ihn um 180° so wird er als NPN erkannt

event. kannste das mit einem Transistor mit druebergeloeteter
Diode 'simulieren'

vlG
Charly

von Karl-Heinz K. (kubi48)


Lesenswert?

Charly B. schrieb:
> hatte eben einen BUL38D auf dem Tester, der sagt es ist
> ein PNP , dreht man ihn um 180° so wird er als NPN erkannt
>
> event. kannste das mit einem Transistor mit druebergeloeteter
> Diode 'simulieren'

Hallo Charly,

das mit der Simulation scheint nicht so einfach zu klappen.
Ich habe es gerade mit einem BU508A und einer Diode zwischen Emitter und 
Kollektor versucht.
Mein Tester zeigt unabhängig von der Pin-Belegung einen NPN gefolgt von 
einem Diodensymbol und der Anschlußbelegung EBC=  in Zeile 1 an.
In Zeile 2 folgt der Verstärkungsfaktor und die Basis/Emitter Spannung.

Ein BU508D läßt sich wegen des internen Basis/Emitterwiderstand nicht 
als Transistor testen. Wenn ich die Basis/Emitterstrecke alleine messe, 
wird ein Widerstand von 41.8 Ohm angezeigt, weswegen bei einem Meßstrom 
von etwa 6mA keine Diode entdeckt wird. Wenn ich die Basis/Kollektor 
Strecke messe, wird eine Diode (Uf=559mV  C=518pF) angezeigt. Dann kann 
man noch die Emitter/Kollektor Strecke messen, hier wird wieder eine 
Diode (Uf=638mV C=518pF) angezeigt.
Einen BUL38D habe ich leider nicht verfügbar. Ich werde noch weitere 
Versuche mit anderen Transistoren machen. Falls ich das Verhalten doch 
noch simuliert bekomme, werde ich mich melden.

Grüße
Karl-Heinz

von Karl-Heinz K. (kubi48)


Lesenswert?

Hallo,

ich wollte nur mitteilen, daß die Chinesen die neue Software für den 
Transistortester entdeckt haben.
Hier der Ebay 
link:http://www.ebay.de/itm/Transistor-Tester-Capacitor-ESR-Inductance-Resistor-Meter-NPN-PNP-Mosfet-9V-/181031222114?pt=LH_DefaultDomain_0&hash=item2a264d3b62
Da gibt es viele Bilder mit den Meßergebnissen meiner Softwareversion!

Grüße
Karl-Heinz

von Charly B. (charly)


Lesenswert?

moin moin Karl-Heinz

leider hab i den BUL38D wieder einbauen muessen,
hab auch keinen Lieferanten dafuer, werd aber mal
die Tage mit anderen Transistoren spielen, falls i
was finde schreib i dir

vlG
Charly

von Charly B. (charly)


Lesenswert?

moin moin Karl-Heinz

leider hab i den BUL38D wieder einbauen muessen,
hab auch keinen Lieferanten dafuer, werd aber mal
die Tage mit anderen Transistoren spielen, falls i
was finde schreib i dir

vlG
Charly

von Peter W. (Gast)


Lesenswert?

> ich wollte nur mitteilen, daß die Chinesen die neue Software für den
> Transistortester entdeckt haben.

Was die wohl fuer einen µC verbaut haben.

> Da gibt es viele Bilder mit den Meßergebnissen meiner Softwareversion!

Entschuldige, aber das ist nicht Deine Software !
Wenn ueberhaupt ist das eine erweiterte Version von Markus.

von Karl-Heinz K. (kubi48)


Lesenswert?

Peter W. schrieb:
> Entschuldige, aber das ist nicht Deine Software !
> Wenn ueberhaupt ist das eine erweiterte Version von Markus.

Da steht ja auch nicht meine Software, sondern meine Softwareversion!
Ich habe in allen Veröffentlichungen immer darauf hingewiesen, daß es 
sich um eine Weiterentwicklung handelt. Von Markus F. stammt die Idee 
und die Transistor-Erkennung ist in den Grundzügen immer noch gleich bei 
meiner Version. Die Widerstandsmessung ist aber überarbeitet, die 
Kondensatormessung mit der ESR-Messung komplett neu geschrieben, genau 
so wie die Messung von Induktivitäten.
Auch das Erscheinungsbild mit Symboldarstellung von Dioden, 
Kondensatoren und Widerständen unterscheiden sich von der Version von 
Markus.

Grüße
Karl-Heinz

von Paul Baumann (Gast)


Lesenswert?

O.T.
Lass Dich nicht durch Schwätzer und Neider beirren, Karl-Heinz.

Ich finde das eine große Sauerei, daß da Leute aus dieser Arbeit Kapital
schlagen. Wenn man Dich und Markus an dem Gewinn beteiligen würde, 
wärest
ihr schon reiche Männer...

MfG Paul

von Ingolf O. (headshotzombie)


Lesenswert?

Richtig, Paul, kann ich nur beipflichten, wobei ich überwiegend Ersteres 
meine! Das mit dem "reich", na ja, deswegen zum Kapitalisten werden? ;-)

von Karl-Heinz K. (kubi48)


Lesenswert?

Paul Baumann schrieb:
> Ich finde das eine große Sauerei, daß da Leute aus dieser Arbeit Kapital
> schlagen.

Im Prinzip habe ich gar nichts dagegen, wenn aus der Entwicklungsarbeit 
ein fertiges und preiswertes Produkt wird. Da können auch Bastler davon 
profitieren, die den Selbstbau scheuen. Bei einem Preis von etwa 20€ ist 
ein Selbstbau nicht mehr lohnend. Aber das ist alles immer noch besser, 
als freie Software vom Internet zu saugen und nur für sich selbst 
weiterzuentwickeln.
Ich hatte ja nie ein kommerzielles Interesse, es war für mich reines 
Hobby.
Die Dokumentation habe ich bisher weniger als Bedienungsanleitung 
sondern mehr für technisch Interessierte geschrieben.
Trotz allem empfinde ich es ehrlicher, wenn man als kommerzieller 
Anbieter die Quelle der Software angibt.
Ich weiß aber nicht, wie das die Chinesen machen.

Grüße
Karl-Heinz

von Konrad S. (maybee)


Lesenswert?

Karl-Heinz Kübbeler schrieb:
> Bei einem Preis von etwa 20€ ist
> ein Selbstbau nicht mehr lohnend.

Wenn es darum geht, einen Tester zu haben, dann ist das sicher richtig. 
Rechne ich aber Erkenntnisgewinn und Bastelfreude gegen Materialkosten 
und Zeitaufwand auf, so hat es sich für mich auf alle Fälle gelohnt. 
Dafür danke ich dir, Karl-Heinz.

von Karl-Heinz K. (kubi48)


Lesenswert?

Hallo Transistortester Freunde,

von Harald habe ich gerade erfahren, daß er eine Spule mit 330uH 
Induktivität bei seinem Transistortester in die AVCC Versorgung verbaut 
hat.
Der AVCC Anschluß ist wie üblich mit 100 nF abgeblockt.
Möglicherweise ist die Spule die Ursache für die Probleme mit der Brown 
Out Schwelle. Die Spule kann für einen kurzzeitigen Einbruch der AVCC 
Versorgung verantwortlich sein.
Bei Paul war der gleiche Fehler auch aufgetreten. Es hatte die VCC 
Versorgung mit einem Speicher-Oszilloskop überwacht und nichts 
festgestellt.
Nach der Atmel Dokumentation wird auch die VCC Versorgung mit der Brown 
Out Logik überwacht. Meine Vermutung ist aber, daß in Wirklichkeit die 
AVCC Versorgung überwacht wird. Mit der AVCC Versorgung wird nach meinem 
Kenntnisstand aber auch der gesamte Port C versorgt.

Deswegen die eindringliche Warnung :
Beim Transistortester keine Induktivität in der AVCC Versorgung 
verwenden!
Die Induktivität hat hier keinen Nutzen, da während einer 
Spannungsmessung keine Ports geschaltet werden. Dies kann in einer 
anderen Anwendung anders aussehen, welche die Multitasking-Fähigkeit 
(Interrupt gesteuert) benutzt.

In meinen Schaltbildern habe ich bewußt keine Induktivität 
eingezeichnet, obwohl das bei Standard Applikationen immer so ist. Bei 
keinem meiner Test-Exemplare ist eine Spule verbaut.
Bei Versorgung der Spannung mit einem Netzteil anstelle der Batterie 
kann man gegebenenfalls eine Induktivität am Versorgungseingang (vor dem 
Spannungsregler) vorsehen.

Grüße
Karl-Heinz

von F. F. (foldi)


Lesenswert?

"Boah eh!" ... würde ich jetzt als alter Ruhrpöttler sagen.
Habe mir das gerade mal runter geladen und nur so überflogen.

Toll was die Macher da geleistet haben!!!!
Vielen Dank für all eure Mühen und dieser tollen Dokumentation. Toll, 
dass es solche Leute wie euch gibt!!!!

Werde ich mir demnächst auch bauen.

Hat schon jemand ein richtig schickes Gehäuse gebaut?

von Karl-Heinz K. (kubi48)


Lesenswert?

Frank O. schrieb:
> Hat schon jemand ein richtig schickes Gehäuse gebaut?

Hallo Frank,

an richtig gute Bauvorschläge für ein Gehäuse kann ich mich nicht 
erinnern. Selbst die Kopie der Chinesen wird ohne Gehäuse geliefert, 
siehe Beitrag Beitrag "Re: Transistortester AVR" .
Vorgefertigte passende Kunststoffgehäuse würden sich nur für eine große 
Serie lohnen. Da es aber auch verschiedene Platinen-Varianten gibt, wäre 
das sowieso schwierig. Also wird man wohl Standardgehäuse aus Kunststoff 
mit Bohrer, Säge und Feile bearbeiten müssen. Vereinzelt gab es aber 
hier im Thread schon Abbildungen von fertiggestellten Gehäusen.

Grüße
Karl-Heinz

von Jörn P. (jonnyp)


Lesenswert?

@kubi48
Hallo Karl-Heinz,
ich glaube nicht, das die Spule etwas ausmacht in der AVCC Leitung, 
wenngleich die mit 330µH schon sehr groß ist. Bei mir habe ich eine 10µH 
drin und keine Probleme damit. Lt. Datenblatt hängt der brown-out 
Detektor auch nur zwischen gnd und vcc.

Lt. DB:
"AVCC is the supply voltage pin for the A/D Converter, PC3:0, and 
ADC7:6".

Vielleicht melden sich hier noch Andere mit dem Problem, so das man der 
Sache auf die Spur kommt.
Vielleicht wäre es auch möglich, die Spule einfach mal zu überbrücken, 
um zu testen, ob der Fehler dann verschwunden ist.

von Paul Baumann (Gast)


Lesenswert?

Ich habe keine Spule in der AVCC-Leitung. Der Fehler mit dem Reset trat
nur an einem einzigen Atmega328 auf und ist mit diesem reproduzierbar.
Weitere 3 gekaufte 328 benehmen sich vernünftig.

Ich habe aber etwas Anderes gefunden: Zwischen Anschluß 2 und 3 zeigen
Kondensatoren viel zu geringe oder auch viel zu hohe Werte an.

____________________________________________________________________
WICHTIG: Obwohl die Kondensatoren zwischen 2 und 3 kontaktiert sind,
zeigt das Display den Anschluß zwischen 1 und 3 an.
____________________________________________________________________

Beispiel: 1000µF werden zu 10,15µF oder 47µF werden zu 27pF

Zwischen Anschluß 1 und 2 stimmen die Werte mit der Wirklichkeit 
überein.
Alle anderen Bauelemente (Transistoren, Dioden, LED, Widerstände, 
Spulen)
werden an allen Anschlüssen kreuz und quer richtig erkannt und liefern
plausible Werte.


Die Software ist die Version 1.02K die Mike 0815 am 19.11. um 18:53 Uhr
als Projekt für das AVR-Studio hochgeladen hatte.

MfG Paul

von Karl-Heinz K. (kubi48)


Lesenswert?

Paul Baumann schrieb:
> WICHTIG: Obwohl die Kondensatoren zwischen 2 und 3 kontaktiert sind,
> zeigt das Display den Anschluß zwischen 1 und 3 an.

Hallo Paul,

auch dieser Fehler ist bei mir fast nicht nachzubilden.
Eine Falschanzeige erreiche ich manchmal, wenn ich den Testkondensator 
mit Kabel zwischen Pin 2 und Pin 3 anschließe und das Kabel von Pin 1 
eng benachbart liegt.
Es ist möglich, daß durch Verkopplung der Pins zuerst ein Kondensator 
mit etwa 30 pF erkannt wird. Da derzeit bei einem erkannten Kondensator 
kein weiterer gesucht wird, bleibt es bei dem kleinen Kondensator 
zwischen Pin 1 und Pin 3.
Wie es zu einer Anzeige zu hoher Werte kommen kann, kann ich derzeit 
nicht erklären. Auch liefert bei mir die Messung von Kondensatoren an 
Pin 2:3 immer korrekte Werte, wenn es nicht zu der Falscherkennung von 
Pin 1:3 kommt.

Die Beseitigung dieses Mangels erfordert, daß von der Software auch dann 
weiter nach Kondensatoren gesucht wird, wenn schon vorher ein 
Kondensator erkannt wurde. Das erfordert etwas Umbau in der Software. 
Alternativ könnte man die Grenze von 25 pF für die Erkennung eines 
Kondensators deutlich anheben, was mir aber nicht so gut gefällt.

Bis zur Beseitigung des Problems sollte man Kondensatoren besser mit Pin 
1:3 oder Pin 1:2 messen.

Der Fehler mit der Brown Out Schwelle bleibt rätselhaft. Ist bei Dir die 
Verbindung der beiden GND Anschlüsse (Pin 8 und Pin 22) korrekt?
Das kann man im eingebauten Zustand mit einem Ohmmeter testen. Die 
Atmega haben eine interne Verbindung, die aber mehr als 1 Ohm hat.
Wenn die VCC Versorgung mit dem Oszilloskop keine Spannungseinbrüche von 
mehr als 2 us zeigt, bliebe als einzige Erklärung eine Rückwirkung der 
AREF Spannungsumschaltung auf die interne 1.1 V Referenz übrig. Die 
interne Referenz wird auch bei der Brown Out Überwachung verwendet.
Hier könnte vielleicht das Entfernen des 1 nF Kondensators am AREF Pin 
weitere Erkenntnis mit dem einem ATmega328 geben.

Herzliche Grüße und vielen Dank für die Rückmeldung,
Karl-Heinz

von Dirk W. (psychodirk)


Lesenswert?

Hmm, ich habe ja den Tester 7 x nachgebaut. Aber mit dem At168...
Mit der Software von Dir K.H.

Da sind noch keine Probs. vorhanden.

Liegt es vieleicht am 328? Anpassung oder Fehler in der Produkion?

Habe ein wenig gegockelt... es ist ein Antennenkabel oder gab es
mit doppelter Abschirmung, wobei die "ALU" nach "Oben" isoliert war.

Diente zur Datenübertragung.

Also: Seele, ALU-Kram, Abschirmung..

Das wäre ein Messkabel ohne Probs. Finde den Link nicht mehr.
Aber Funker kennen das bestimmt!!!

Auch eine Idee.

Dirk

von Karl-Heinz K. (kubi48)


Lesenswert?

Hallo Dirk,

der Fehler mit der falschen Kondensator-Erkennung kann sicher auch bei 
anderen Prozessoren auftreten. Hier bin ich auch sicher, daß das Problem 
mit einer Softwareänderung zu lösen ist.
Das Problem mit der Brown Out Schwelle ist aber schwierig einzukreisen.
Bisher tritt es offensichtlich nur vereinzelt auf.
Ich habe gerade bei einem ATmega328P den Kondensator am AREF Pin auf 
100nF vergrößert, um den Fehler möglicherweise auszulösen.
Bei der Messung eines 68uF Kondensators werden dann 200uF angezeigt, 
weil in der Software die Option NO_AREF_CAP gesetzt ist. Es kommt aber 
zu keinen Resets (Brown Out).
Vielleicht kann ich ja einen der ATmega328, welche den Fehler 
produzieren, gegen einen funktionierenden eintauschen. Dann kann ich 
selbst weiter untersuchen, ob der Fehler in einem meiner Boards auch 
auftritt und dann gegebenenfalls weiter nach den Ursachen suchen.

Grüße
Karl-Heinz

von Dirk W. (psychodirk)


Lesenswert?

Gute Idee,
was machen die User, die das Chinateil gekauft haben?

Na, warten wir ab. Der 10mH ist o.k. Tut nichts an 
Spannungs/Messänderungen.

Zumindest habe ich nichts Negatives messen können. Also Platine und 
Apps(Atmel)  o.k.

Was bei Part 1-4 geändert werden könnte, sind eventl. die Kerkos zum 
Quarz.
(Aber nur, wenn wirklich Differenzen in den Messungen vorhanden sind.)

Mein erster Aufbau war nur mit Kerkos aus der Sammlung.
Alles weitere wenig Tolleranz (kostet auch mehr)

Oder Q-mit Temp/Stabi (Auch teurer) Layout ändern.

Was soll es? Es ist ein Bauteiletester und "noch" nicht ein Messgerät.
Reicht vollkommen aus.

Dank Deiner und Mike`s Inovation .

Auch alle anderen wollen wir nicht vergessen....

LG
Dirk

von Karl-Heinz K. (kubi48)


Lesenswert?

Paul Baumann schrieb:
> Obwohl die Kondensatoren zwischen 2 und 3 kontaktiert sind,
> zeigt das Display den Anschluß zwischen 1 und 3 an.

im Software/trunk Pfad (Entwicklerversion) steht eine Version zur 
Verfügung, die weiter nach größeren Kondensatoren sucht.
Das müßte das oben angeführte Problem beheben.
Da zusätzliche Untersuchungen leider Programmplatz kosten, mußte ich die 
Abfrage der 2.5V Präzisionsreferenz für die ATmega8 Version entfernen.
Für die anderen Prozessoren bleibt alles wie bisher.

Grüße
Karl-Heinz

von Peter ⛄ W. (Firma: Huddel und Brassel Ltd.) (jaffel) Benutzerseite


Lesenswert?

> Was soll es? Es ist ein Bauteiletester und "noch" nicht ein Messgerät.

Naja, das kann man jetzt sehen wie man will. Die Geschichte Markus F. 
war ja ein reiner Tester, welchen ich auch so und auch nur dafuer, 
nutze. Unbekannte Bauteile zu identifizieren, vor allem SMD, war fuer 
mich der Sinn dieses Projektes und ich denke auch Markus seins. Das 
Ding, auch in der alten Version ist einfach nur klasse, kann man nicht 
anders sagen.

Mitlerweile aber, bin ich so weit, dass ich sagen kann, da wird ein 
echtes Messgeraet gebaut. Wenn man diesen ganzen Part "Transistortest, 
Diodentest, Widerstandsmessung" raus nehmen wuerde, kaeme man auf ein 
relativ "gutes" LC-Meter.
Brauchbare LC-Meter bekommt man nicht unter 100.- Kann natuerlich nicht 
gegen HP/Agilent & Co anstinken, muss es aber auch nicht. Die Bereiche 
sind voellig okay fuer den Hausgebrauch.

Vielleicht sollte man hier mal umschwenken und die Tester-Geschichte 
aussen vor lasssen und sich mehr auf reine LC Messungen konzentrieren.

Diesen Tester gibt es ja nun fuer einen unschlagbaren Preis in der 
Bucht. Ein reines LC-Meter aber nicht. Kombiniert mit ESR Messung ak IST 
und SOLL Wert, inkl. Tabelle, waere das nochmal ein Projekt, welches ich 
zusaetzlich nochmal aufbauen wuerde. Die Hardware bleibt ja gleich.

Die China Teile verkaufen sich ja prima. Wenn jemand schon eins hat, 
dann postet doch bitte Details. Fuer die 20.- fange ich nicht an 
rumzuloeten oder aufwendig und teuerer die Teile zusammenzusuchen und zu 
bestellen.
Koennte man also fuer diese 20.- ein brauchbares LC-Meter draus machen, 
waere es doch eine prima Sache.

von Karl-Heinz K. (kubi48)


Lesenswert?

Peter W. schrieb:
> Vielleicht sollte man hier mal umschwenken und die Tester-Geschichte
> aussen vor lasssen und sich mehr auf reine LC Messungen konzentrieren.

Hallo Peter,

ich glaube nicht, daß mit dem bisherigen Schaltungskonzept noch viel 
mehr in Richtung LC Messung herauszuholen ist.
Der Tester von Markus F. hatte ja auch schon eine Widerstands und 
Kondensatormessung eingebaut. Ich weiß natürlich auch, daß kein Meßgerät 
den wahren Wert eines Bauteils anzeigen kann. Es wird nur eine mehr oder 
weniger gute Annäherung angezeigt. Nur sollte man dem Wert eines 
Meßgerätes irgendwie doch vertrauen können.
Da war mir die ursprüngliche Version von Markus noch nicht gut genug, 
weshalb ich versucht habe Verbesserungen zu erreichen.
Daß man aber mit einem 10 Bit ADC da nicht Spitzen-Ergebnisse erzielen 
kann, ist mit auch klar.
Die Kondensator und die Induktivitätsmessung basiert auf einer 
Zeitkonstantenmessung. Bei der Kondensatormessung funktioniert das 
erstaunlich gut. Die Induktivitätsmessung kann derzeit nur bei einem 
Widerstand von unter 2.1 kOhm durchgeführt werden und die Ergebnisse 
sind bestenfalls befriedigend.
Die ESR-Messung von Kondensatoren erfolgt nicht wie Industrie-Standard 
bei 100kHz, sondern wird bei etwa 500 Hz oder je nach Kapazität auch 
weniger gemessen. Man kann aber trotzdem Vergleichswerte ermitteln. Und 
das ist, wie bei der Induktivitätsmessung auch, besser als gar nichts.

Der unschlagbare Vorteil des kleinen Gerätes ist aber, daß es in vielen 
Fällen ohne jegliche Einstellung Typ, Kennwerte eines Bauteils ermitteln 
kann. Man muß sich aber damit abfinden, daß das nicht mit jedem Bauteil 
gelingt. Problematisch sind oft Leistungshalbleiter oder Halbleiter mit 
zusätzlich integrierten Widerständen.

Einen Nachbau der Chinesen habe ich bestellt, ich werde hier dann mal 
berichten, wenn der eingetroffen ist.

Grüße
Karl-Heinz

von Dirk W. (psychodirk)


Lesenswert?


von not_important (Gast)


Lesenswert?

Hallo

Ich würde gerne wissen, ob der Tester geignet ist für "In Circuit" 
Messungen.
Insbesondere Elko ESR Messungen.Ich vermute, das er nicht geignet ist, 
da der Elko ja mit 5 Volt getestet wird und diese Spannung Halbleiter 
auf der Platine beschädigen könnte.

Hat da schon jemand Erfahrungen gemacht?

von important (Gast)


Lesenswert?

> und diese Spannung Halbleiter auf der Platine beschädigen könnte.

Nenne mir doch bitte mal ein Bauteil was keine 5V <20mA vertragen soll.

Damit sollte sich deine Frage erledigt haben.

von Karl-Heinz K. (kubi48)


Lesenswert?

not_important schrieb:
> Ich würde gerne wissen, ob der Tester geignet ist für "In Circuit"
> Messungen.

Die Messung von eingebauten Bauteilen kann eigentlich nicht empfohlen 
werden. Restspannungen in der Baugruppe können außerdem den Tester 
beschädigen.
Die Kapazitätsmessung wird als letzte Messung vorgenommen. Vorher sind
alle Tests auf Transistoren, Dioden und Widerstand schon gemacht.
Bei der Messung von Kondensatoren wird abhängig von der Kapazität bei
einer Spannung zwischen 0.3V und etwa 1.3V gemessen. Bei großen 
Kapazitäten wird mit den kleineren Spannungen gemessen.
Bei kleinen Kapazitäten kann es aber bei den Tests zu höheren Spannungen 
(bis 5V) kommen.
Bei größeren Kapazitäten (~50uF) wird aber das eventuelle Entladen durch 
einen Parallelwiderstand bei der Kapazitätsbestimmung teilweise 
kompensiert.
Die ESR Messung wird bei größeren Kondensatoren mit sehr kleinen 
Spannungen durchgeführt.
Es kommt also sehr auf den Einzelfall an, ob die Messung funktioniert.
Wenn eine zum Kondensator parallele Diode erkannt wurde, wird derzeit 
keine ESR Messung mehr gemacht.
In jedem Fall muß für die ESR Messung der Widerstand der Meßleitung 
berücksichtigt werden.

Grüße
Karl-Heinz

von important (Gast)


Lesenswert?

> und diese Spannung Halbleiter auf der Platine beschädigen könnte.

Nenne doch nur ein Bauteil welches keine 5V <20mA vertragen soll.

Damit hat sich deine Frage eigentlich beantwortet, oder ?

von not_important (Gast)


Lesenswert?

:) Vielen Dank für die schnelle und kompetente Antwort.

von Simone (Gast)


Lesenswert?

Hi, there is a problem with SVN archive ? I can't connect to it.

von Karl-Heinz K. (kubi48)


Lesenswert?

Hi Simone,
you are right, there is a problem with the svn server.
But you can still get access to the data with the svnbrowser interface 
http://www.mikrocontroller.net/svnbrowser/transistortester/ .
Download the gnu tarball of the previously selected directory.
The file format is .tar.gz . Unpack the downloaded file with "tar xvfz" 
with linux. Windows users need a tool like 7-zip.

Regards,
Karl-Heinz

von Karl-Heinz K. (kubi48)


Lesenswert?

Simone schrieb:
> Hi, there is a problem with SVN archive ? I can't connect to it.

Hi Simone, hi friends of the TransistorTester,

the SVN server seems to run again.
I have uploaded the 1.04k version with fix of some problems.
Capacities can now also measured at pin 2:3 without false detection
of another capacitor. Also the previous versions had problems with 
missing Pull Up resistor R14, even if the option PULLUP_DISABLE is not 
set.

The presenting of pin assignment of transistors is changed from 
"EBC=..." to "123=..." format. The new style is suggested by a user and 
I found it handy. The key letters (E,B,C or G,S,D) alter with the pin 
layout of the connected transistor. The text 123 is fixed and has the 
same order as the tester pin layout. But you can select the old style 
with the new option EBC_STYLE in the Makefile.

Best Regards
Karl-Heinz

von Karl-Heinz K. (kubi48)


Lesenswert?

Hallo Transitortester-Freunde,

in der Bucht ist ein neues Angebot des Transistortester-Nachbaus 
erschienen 
http://www.ebay.com/itm/Transistor-Tester-Capacitor-ESR-Inductance-Resistor-Meter-NPN-PNP-Mosfet-9V-/170951908971?pt=LH_DefaultDomain_0&hash=item27cd871e6b. 
Diesmal sind neue Meßbeispiele und ein Blick auf die
SMD bestückte Platine dabei. Unter anderem ist ein keramischer 10uF 
Kondensator und ein 10uF Elko vermessen worden.

Grüße
Karl-Heinz

von Michael D. (mike0815)


Lesenswert?

ui, da ist mal exakt deine Software drauf, so wie ich das sehe.
Die Probepins haben die auch erweitert, so wie ich das auf meinem Layout 
habe...
Und jetzt noch eine "Selbstzerstörungssoftware" gepostet...die Gesichter 
würde ich gerne sehen...kleiner Scherz am Rande!

Gruß Michael

von Davis (Gast)


Lesenswert?

Karl-Heinz Kübbeler schrieb:
> in der Bucht ist ein neues Angebot des Transistortester-Nachbaus
> erschienen
> Ebay-Artikel Nr. 170951908971.

Ist das ein gutes Angebot?

von Paul_Baumann (Gast)


Lesenswert?

@Mike0815

Wärest Du so gut, (falls Du die Softwareversion 1.04K im AVR-Studio
verarbeitet hast) noch einmal, wie schon weiter oben das AVR-Studio
Projekt hier hochzuladen?

Das wäre eine große Hilfe.

MfG Paul

von Karl-Heinz K. (kubi48)


Lesenswert?

Davis schrieb:
> Ist das ein gutes Angebot?

Hallo Davis,

das kann ich so nach den Bildern nicht beurteilen. Ich selbst würde den 
ATmega nicht als SMD sondern als DIP gesockelt verbauen. Falls man doch 
mal beim Prüfen auf eine zu große Restspannung reingefallen ist, braucht 
man nur den ATmega wechseln. Mit SMD Bauweise ist das schwieriger.
Optisch scheint die Platine einen guten Eindruck zu machen 
(durchkontaktiert, Lötstopp-Lack und Bestückungsdruck).
Ich habe einen aus der ersten Serie bestellt. Den werde ich dann mal 
untersuchen, wenn die Lieferung eingetroffen ist.
Vom Preis her ist ein Selbstbau nicht mehr lohnend. Es macht aber doch 
einen Unterschied, wenn man etwas selber aufgebaut hat. Das ist halt 
Geschmacksache und eine Frage der verfügbaren Zeit.
So wie es aussieht, ist wenigstens ein ISP-Stecker (10-pol) vorgesehen, 
wenn auch nach den Bildern nicht bestückt. Auf der Platine scheint auch 
ein DC-DC Wandler vorgesehen zu sein, der aber ebenfalls noch nicht 
bestückt ist.

Die offensichtlich gleiche Version wird auch noch über andere Internet 
Shops zu einem höheren Preis angeboten.

Grüße
Kar-Heinz

von Dirk W. (psychodirk)


Lesenswert?

Karl-Heinz Kübbeler schrieb:
> Davis schrieb:
>> Ist das ein gutes Angebot?
>
> Hallo Davis,
>
> das kann ich so nach den Bildern nicht beurteilen. Ich selbst würde den
> ATmega nicht als SMD sondern als DIP gesockelt verbauen. Falls man doch
> mal beim Prüfen auf eine zu große Restspannung reingefallen ist, braucht
> man nur den ATmega wechseln.

Das sehe ich auch so. Man kann dann zur Not noch nen 168 `reinstecken,
wenn der Grosse Bruder nicht will.


Mit SMD Bauweise ist das schwieriger.

Es sind auch keine 0.1% Widerlinge verbaut.

> Optisch scheint die Platine einen guten Eindruck zu machen
> (durchkontaktiert, Lötstopp-Lack und Bestückungsdruck).
> Ich habe einen aus der ersten Serie bestellt. Den werde ich dann mal
> untersuchen, wenn die Lieferung eingetroffen ist.

Auf dein Urteil warten viele.

> Vom Preis her ist ein Selbstbau nicht mehr lohnend. Es macht aber doch
> einen Unterschied, wenn man etwas selber aufgebaut hat. Das ist halt
> Geschmacksache und eine Frage der verfügbaren Zeit.

Basteln macht Spass und hilft ein wenig die Aufbauweise/Funktion zu 
verstehen.

> So wie es aussieht, ist wenigstens ein ISP-Stecker (10-pol) vorgesehen,
> wenn auch nach den Bildern nicht bestückt. Auf der Platine scheint auch
> ein DC-DC Wandler vorgesehen zu sein, der aber ebenfalls noch nicht
> bestückt ist.

Warum ein DC/DC, wenn 80% den Tester mit Bttr. betreiben.
Ein sauberes Netzteil braucht auch nicht DC/DC Wandler.

Warten wir die Testberichte ab......

Dirk

>
> Die offensichtlich gleiche Version wird auch noch über andere Internet
> Shops zu einem höheren Preis angeboten.
>
> Grüße
> Kar-Heinz

von Peter ⛄ W. (Firma: Huddel und Brassel Ltd.) (jaffel) Benutzerseite


Lesenswert?

Dirk Willner schrieb:
> Es sind auch keine 0.1% Widerlinge verbaut.

Muss auch nicht wenn man sie passend waehlt.

> Warum ein DC/DC, wenn 80% den Tester mit Bttr. betreiben.

Weil man dann die Batterie bis zum Ende leer nuckeln kann.

von Davis (Gast)


Lesenswert?

Karl-Heinz Kübbeler schrieb:
> Davis schrieb:
>> Ist das ein gutes Angebot?
>

Hallo Karl,

Vielen Dank für deine ausführliche Antwort.

Davis

von Karl Auer (Gast)


Lesenswert?

Davis schrieb:
> Ist das ein gutes Angebot?

Naja,

wenn man bedenkt, zu welchen Preisen hier alleine die Platine vertickert 
wird ...

Gruß

von Hubert G. (hubertg)


Lesenswert?

Bei den Platinen macht es halt die Menge.
Als Markus seine erste Version herausbrachte, habe ich für meine Freunde 
Platinen fertigen lassen, einseitig mit Lötstopp, 140Stk zu je €2,70.
Die lassen sich ganz leicht an die jetzige Version von Karl-Heinz 
anpassen.
Kaufen kann man fast alles, aber selbst basteln macht einfach Spass.

von Immitsch-Berater (Gast)


Lesenswert?

Karl äußerte:
>Naja,

>wenn man bedenkt, zu welchen Preisen hier alleine die Platine vertickert
>wird ...

...und wenn man dann noch bedenkt, was hier für missgünstige Vollpfosten
Beiträge schreiben, dann ist man angewidert.

Gruß
Immitsch-Berater

von H. W. (erazor)


Lesenswert?

Immitsch-Berater schrieb:
> ...und wenn man dann noch bedenkt, was hier für missgünstige Vollpfosten
> Beiträge schreiben, dann ist man angewidert.

Vielleicht solltest Du erstmal lesen lernen, bevor Du in die Berater 
Branche einsteigst.
Gefragt wurde, ob es sich dabei um ein gutes Angebot handelt. Angesichts 
der hier veröffentlichten Platinenpreise für eine nicht 
durchkontaktierte Platine, kann sich jeder diese Frage wohl selbst 
beantworten.
Alle weiteren Interpretationen entspringen Deiner eigenen fragwürdigen 
Kreativität.

Gruß

von Michael D. (mike0815)


Lesenswert?

Paul_Baumann schrieb:
> @Mike0815
>
> Wärest Du so gut, (falls Du die Softwareversion 1.04K im AVR-Studio
> verarbeitet hast) noch einmal, wie schon weiter oben das AVR-Studio
> Projekt hier hochzuladen?
>
> Das wäre eine große Hilfe.
>
> MfG Paul

Das kommt drauf an! Wenn der Karl-Heinz nichts dagegen hat, dann ja.
Die ein AVR-Projekt haben möchten, können mich auch per PM anschreiben, 
man muß es den Chinamännern ja nicht noch auf dem Silbertablet 
servieren...

Gruß Michael

EDIT: Komischerweise kann ich den M168 nicht mehr kompilieren, da 
bekomme ich 2 Fehlermeldungen mit denen ich gerade nichts anfangen kann.
Kann es sein, das dieser schon überläuft?
Der M328 wird ohne Probleme kompiliert.

von Milton J. (milton)


Lesenswert?

Karl-Heinz Kübbeler schrieb:
> Hallo,
>
> ich wollte nur mitteilen, daß die Chinesen die neue Software für den
> Transistortester entdeckt haben.
> Hier der Ebay
> 
link:http://www.ebay.de/itm/Transistor-Tester-Capacitor-ESR-Inductance-Resistor-Meter-NPN-PNP-Mosfet-9V-/181031222114?pt=LH_DefaultDomain_0&hash=item2a264d3b62
> Da gibt es viele Bilder mit den Meßergebnissen meiner Softwareversion!
>
> Grüße
> Karl-Heinz

Hi,

Do you know which firmware version the eBay tester comes with?

also is it okay if i use 1% resistors for 680R and 470K as i cant find 
%0.1
and where can i find LT1004 2.5v?

thanks

von Jörn P. (jonnyp)


Lesenswert?

@milton
How should Karl-Heiz know which firmware is used at ebay?
What resisters you do use depends on the precision you want to 
archive...
The LT1004-2.5 is sold in many good electronis shops or you can order it 
via imternet. I don't know where you live :-)

von Karl-Heinz K. (kubi48)


Lesenswert?

Milton Jonez schrieb:
> Do you know which firmware version the eBay tester comes with?

No, but only the last versions support ESR measurement.

Milton Jonez schrieb:
> also is it okay if i use 1% resistors for 680R and 470K as i cant find
> %0.1
> and where can i find LT1004 2.5v?

You can also use the 1% resistors, but results in the PDF-documentation 
are all measured with 0.1% type.
You can also use a LM4040AIZ2.5 as voltage reference.
The shop www.reichelt.de has the reference diodes and the resistors (MPR 
680 and MPR 470k).
I don't know, if the chinese have taken a voltage reference, may be they 
use only a zener diode. But this is a worse solution.

Regards,
Karl-Heinz

von Mik (Gast)


Lesenswert?

Ich habe so einen Chinesischen Tester der ersten Generation, bin 
eigentlich ganz zufrieden. Immerhin macht er das was die erste Version 
wohl konnte.
 Egal an welchen Pins man einen Widerstand anschließt es wird immer der 
gleiche Wert angezeigt und funktioniert soweit ganz gut.
 Natürlich möchte ich auch die neuere Software nutzen, und möchte ihn 
deshalb umbauen.
 Soviel ich weis muß man einen 8MHz Quarz anbauen, den ARef Kondensator 
auf 1nF reduzieren, und eine Spannungsreferenz  anbauen.
 Ich hab auch schon nen Atmega32p-pu den ich dann benutzten möchte.

 Als Spannungsreferenz möchte ich  nen TL431ACL nehmen, der macht ja 
auch 2,5V wenn man zwei Beinchen kurzschließt. Oder ist der nicht 
geeignet? Immerhin ist er recht günstig ... und ich habe welche davon :)

Gibt es ne Umbauanleitung von der alten zu neuen Version? Ich meine was 
von einem Pullup gelesen zu haben den man noch einbauen muß.
 Ich hatte mit schon mal alles zusammengesucht, aber dann ist die 
Grafikkarte von meinem Rechner hops gegangen, da hatte ich erst mal 
andere Probleme. Hab zwar mittlerweie nen neuen Rechner aber der 
Einschub für die Festplatte wird nicht geliefert.

 So werde mich jetzt nochmal auf die Suche nach der Software machen, 
fand dieses svn schon letztens verwirrend. Ist TrTester_102k_m168.zip 
aktuell? Hmm nee ist für den falschen µC und nur binary. mal 
weitersuchen ob ich sie finde.

von Karl-Heinz K. (kubi48)


Lesenswert?

Hallo Mik,
ich nehme mal an, daß der ATmega328P-PU gemeint ist.
Man muß die Platine eigentlich überhaupt nicht umrüsten, nur der 
Prozessor muß getauscht werden. Es läßt sich auch die Software anpassen.

Es sind aber mindestens folgende Nachrüstungen bzw. Umrüstungen 
sinnvoll:

Der Kondensator am AREF-Pin sollte entfernt oder auf 1nF verkleinert 
werden.
An den Eingang PD7 (Pin 13) sollte man einen 27k Widerstand nach VCC 
anschließen (Pull Up).
Der Ausgang PD6 (Pin 12) hatte früher einen 100nF Kondensator 
geschaltet, dies hat manchmal Probleme gemacht, deswegen auf 10nF 
verkleinern.

Die Umrüstung auf 8MHz Quarzbetrieb ist nicht unbedingt notwendig. Man 
kann auch mit 8 MHz RC Betrieb arbeiten. Ich hatte aber ein altes Board 
mit Quarz, aber ohne die 22pF ohne erkennbare Probleme nachgerüstet.

Die Präzisionsreferenz dient der Überwachung der VCC Spannung. Die VCC 
Spannung hat direkten Einfluß auf die Kapazitätsmessung. Die Referenz 
macht also nur Sinn, wenn sie kleinere Abweichungen hat als der VCC 
Regler.
Gute Referenzen wie LM4040A schaffen 0.1% Toleranz bei 25°C .
Spannungsregler können aber mehr als 1% Abweichung haben.
Normalerweise wird von der Software erkannt, wenn keine Referenz 
vorhanden ist. Wenn es zu Problemen kommt, kann man einen Widerstand 
(2k2) von PC4 nach VCC anschließen.

Die fertigen Softwareversionen sind im Software/tags Verzeichnis des
SVN-Archivs 
http://www.mikrocontroller.net/svnbrowser/transistortester/Software/tags 
, die letzte Version ist ttester_104k.zip .
Wenn man den GNU tarball runtergeladen hat, muß man die .tar.gz Datei
mit 7-Zip (Windows) auspacken.
Die .hex und .eep Dateien im default Unterverzeichnis sind zwar eine 
ATmega168 Version, die Software läuft aber auch auf einem ATmega328!

Grüße
Karl-Heinz

von Mik (Gast)


Lesenswert?

Hi
 danke für die schnelle antwort.
 Dann werde ich erst mal den uC austauschen, wenn das schon was bringt.
 kann man den auch auf 6MHz laufen lassen? oder kommt da das timing 
durcheinander? hab davon noch nen Quarz da.

Karl-Heinz Kübbeler schrieb:
> ich nehme mal an, daß der ATmega328P-PU gemeint ist.
 Ja, richtig

Da vielleicht noch andere das China board haben antworte ich mal alles 
durch
> Der Kondensator am AREF-Pin sollte entfernt oder auf 1nF verkleinert
> werden.
 dort ist ein 100nF sollte also verkleinert werden
> An den Eingang PD7 (Pin 13) sollte man einen 27k Widerstand nach VCC
> anschließen (Pull Up).
 Der ist glaub ich nicht da, werde aber nochmal durchklingeln.

> Der Ausgang PD6 (Pin 12) hatte früher einen 100nF Kondensator
> geschaltet, dies hat manchmal Probleme gemacht, deswegen auf 10nF
> verkleinern.
 Dort ist ein 100nF , sollte also verkleinert werden.

>
> Die Umrüstung auf 8MHz Quarzbetrieb ist nicht unbedingt notwendig. Man
> kann auch mit 8 MHz RC Betrieb arbeiten. Ich hatte aber ein altes Board
> mit Quarz, aber ohne die 22pF ohne erkennbare Probleme nachgerüstet.
>
> Die Präzisionsreferenz dient der Überwachung der VCC Spannung. Die VCC
> Spannung hat direkten Einfluß auf die Kapazitätsmessung. Die Referenz
> macht also nur Sinn, wenn sie kleinere Abweichungen hat als der VCC
> Regler.
> Gute Referenzen wie LM4040A schaffen 0.1% Toleranz bei 25°C .
> Spannungsregler können aber mehr als 1% Abweichung haben.
> Normalerweise wird von der Software erkannt, wenn keine Referenz
> vorhanden ist. Wenn es zu Problemen kommt, kann man einen Widerstand
> (2k2) von PC4 nach VCC anschließen.

 Verbaut ist nen WS78L05 216ssb, habe zwar WS gefunden aber keine 
Angaben zur Genauigkeit. Bei TI ist für den 78L05 5% angegeben. dann 
müßte ich mit dem TL431 der eine Genauigkeit von 1% hat schon etwas 
besser sein. Werde mir den  LM4040A aber dann auch noch besorgen.
 Vielleicht nehm ich auch nen LM1117, die scheinen auch etwas genauer zu 
sein.


> http://www.mikrocontroller.net/svnbrowser/transist...
 Die Software hab ich übersetzt bekommen, nachdem ich auf 328p geändert 
habe. Mußte nur das makefile aktivieren. Hatte es erst mit AVR studio 
probiert, das ging irgendwie nicht, aber über make ging es  dann.

von Karl-Heinz K. (kubi48)


Lesenswert?

Mik schrieb:
> Werde mir den  LM4040A aber dann auch noch besorgen.
>  Vielleicht nehm ich auch nen LM1117, die scheinen auch etwas genauer zu
> sein.

Hallo Mik,

der LM4040AIZ2.5 ist eine 2.5V Spannungsreferenz, kein Regler. Die 
Spannungsreferenzen verhalten sich wie Zenerdioden, nur wesentlich 
präziser.
Der LM1117 ist ein Regler, den ich nicht kenne.
Ich habe gute Erfahrungen mit einem MCP1702-5002 gemacht. Das ist ein 
LDO Spannungsregler, der 200mA Strom schafft (78L05 nur 100mA), einen 
sehr niedrigen Ruhestrom hat und wenig Pufferkapazität (1uF) benötigt.
Der MCP1702 hat aber eine andere Pinbelegung als der 78L05!

Grüße
Karl-Heinz

von Michael D. (mike0815)


Lesenswert?

Hallo Karl-Heinz,

> Der LM1117 ist ein Regler, den ich nicht kenne.
Der LM1117-5 ist wohl auch ein LDO gibt es in verschiedenen Gehäusen 
SOT223(auch TO220), kann 800mA, hat aber ein Dropout von über 1V bei 
100mA Last.
Desweiteren benötigt er mindestens 10µF Puffer am Ein-u. Ausgang

> Ich habe gute Erfahrungen mit einem MCP1702-5002 gemacht. Das ist ein
> LDO Spannungsregler, der 200mA Strom schafft (78L05 nur 100mA), einen
> sehr niedrigen Ruhestrom hat und wenig Pufferkapazität (1uF) benötigt.
Das kann ich bestätigen! Vor allem hat er sehr wenig Schwingneigung und 
ist die erste Wahl für den Tester.

@Mik
> Hatte es erst mit AVR studio
> probiert, das ging irgendwie nicht, aber über make ging es  dann.
Natürlich geht das mit dem Studio4.19! Man muß nur Das Makefile von 
Karl-Heinz als Externes dort angeben!

Gruß Michael

EDIT: Karl-Heinz, hattest du mir noch eine Antwortmail geschickt, wegen 
dem M168 Kompilat?

von Karl-Heinz K. (kubi48)


Lesenswert?

Michael D. schrieb:
> EDIT: Karl-Heinz, hattest du mir noch eine Antwortmail geschickt, wegen
> dem M168 Kompilat?

Hi Michael,
ich hatte Dir am 6.12. eine Benutzernachricht geschickt, dass ich beim
Übersetzen für den mega168 noch 5% Luft im Speicher habe.
Die Fehlermeldung bei m168 kann also eigentlich nicht am Platzproblem 
liegen. Ist die Ursache inzwischen geklärt?

Grüße
Karl-Heinz

von Thomas (Gast)


Lesenswert?

Hallo zusammen, habe heute meinen ATmega8 mit den Fuses: H=0xD9 / L=0x24 
geflashed. Geflashed habe ich den Trunk. Habe nun folgende Anzeige beim 
starten des Testers: Bat. 20V OK Testing...... --> Danach zeigt er 
korrekt den Wert eines Bauteils und dann verschwindet die Anzeige nach 
3sec. und es erscheint "Timeout!" im Display. Ein Taster zeigt bei mir 
keine Wirkung. Was mache ich falsch?

Was komisch ist: Ich bin an einem 12V Computer Netzteil (ausgeschlachtet 
und als Spg. Quelle umgerüstet) angeschlossen. Auf der Platine sitzt ein 
7805 Spg. Regler.... Warum zeigt er denn überhaupt die "Bat. 20V OK" an?

von Mik (Gast)


Lesenswert?

Die 20V ist doch richtig, ist die Spannung die du reingibst.

Hab meinen Umbau jetzt fertig, mit 328P. 8MHz quarz. Leider gehts nicht.
Er sagt 9,1V in. dann 20 sec testing, dann 10 sec CELL! , dann fängt er 
wieder von vorne an. Spannung an  der Batterie ist 9,2V.
 Was bedeutet CELL? Cellphone will er telefonieren? Batterie ist ja 
nicht leer.
 Egal ob am Eingang ein R, ein T oder ob er leer ist.

von Karl-Heinz K. (kubi48)


Lesenswert?

Thomas schrieb:
> Danach zeigt er
> korrekt den Wert eines Bauteils und dann verschwindet die Anzeige nach
> 3sec. und es erscheint "Timeout!" im Display. Ein Taster zeigt bei mir
> keine Wirkung. Was mache ich falsch?

Hallo Thomas,

der Fehler sieht danach aus, dass der Pull-Up Widerstand am PD7 Eingang 
des ATmega fehlt. Die Standard-Software schaltet die internen Pull-Up 
Widerstände ab. Man kann entweder den einen Pull-Up nachrüsten oder
die Option in der Makefile "CFLAGS += -DPULLUP_DISABLE" entfernen.

Grüße
Karl-Heinz

von Karl-Heinz K. (kubi48)


Lesenswert?

Mik schrieb:
> Was bedeutet CELL? Cellphone will er telefonieren? Batterie ist ja
> nicht leer.
>  Egal ob am Eingang ein R, ein T oder ob er leer ist.

Hallo Mik,

Cell ist die Meldung, daß der Tester beim Entladen eines Kondensators 
nicht auf 0 V kommt. Dies wäre der Fall, wenn eine Batterie 
angeschlossen wäre. Deswegen die Meldung Cell!
Die Ursache kann an einer instabilen Betriebsspannung liegen.
Die zulässige Restspannung beim Entladen wird in der Makefile mit der 
Option CAP_EMPTY_LEVEL vorgegeben. Eingestellt ist hier ein Wert von 
4mV.
Dies hat bei allen von mir untersuchten ATmega ausgereicht.
Man kann den Wert aber versuchsweise erhöhen.

Grüße
Karl-Heinz

von Michael D. (mike0815)


Lesenswert?

Moin,
Ich hatte doch mal dasselbe Problem. Der Grund war ein zu hoher Ripple 
am Reglerausgang des LDO LM2940.
Du kannst es testen, wenn du an den Reglerausgang einen 100µF Elko 
anschliesst.
Beim MCP1702 tritt dieses Problem nicht auf.

Gruß Michael

von Mik (Gast)


Lesenswert?

So hab mal kurz getestet.
 Geändert wurde:
  - Die beiden Kondensatoren verkleinert
  - Pull up eingefügt, habb 33k genommen, hatte keine anderen da.
  - 8MHz Quarz angelötet.
  - Den 78L05 durch einen LM2950ACZ 5.0 ersetzt, da der genauer sein 
soll.

 Habe versuchsweise einen 150µ zwischen 5V und GND gelegt, das hat keine 
Änderungen gebracht.
 Ich habe einmal kurz VCC 5,xx  gesehen (xx  war ca 45) dann ging er 
aber sofort auf testing.

Im Makefile hatte ich beim übersetzten folgendes geändert:
PARTNO = m328p
CFLAGS += -DFREQUENCY_50HZ
##CFLAGS += -DNO_AREF_CAP
##CFLAGS += -DUSE_EEPROM

Mit dem Atmega8L, der drin war, läuft die geänderte Schaltung immer noch 
problemlos.

Die Fuse stehen wie oben angegeben wurden
>Die Fuses findet man in der Makefile, für den ATmega328P sind es
>lfuse:0xf7 hfuse:0xd9 efuse:0xfc  (mit 8MHz Quarz)
(efuse steht auf 0x04, liegt aber daran das sie Bits dadrüber nocare 
sind)

Mit der Eingangrestspannung erhöhen werde ich nachher mal ausprobieren. 
da kein isp dran ist, ist es etwas aufwendiger, werde dann vielleicht 
auch nen bootloader reinpacken. Will aber erst meine Pollinbestellung 
aufgeben, damit die noch vor Weihnachten kommt.

von Thomas (Gast)


Lesenswert?

Wieso sind 20V ok? ICh gebe doch nur 12V rein. Also müsste ja max. 12V 
dran stehen und nicht 20V!

von Karl-Heinz K. (kubi48)


Lesenswert?

Thomas schrieb:
> Wieso sind 20V ok? ICh gebe doch nur 12V rein. Also müsste ja max. 12V
> dran stehen und nicht 20V!

Hallo Thomas,
möglicherweise ist das Netzteil nicht genügend belastet und hat 
tatsächlich eine höhere Spannung. Nach Möglichkeit sollte man die 
Spannung mit einem Voltmeter prüfen.
Falls doch nur 12V anliegen, kann man den Spannungsteiler R11/R12 auf 
der Platine überprüfen (10k/3.3k).

Grüße
Karl-Heinz

von Mik (Gast)


Lesenswert?

Karl-Heinz Kübbeler schrieb:

> Die zulässige Restspannung beim Entladen wird in der Makefile mit der
> Option CAP_EMPTY_LEVEL vorgegeben. Eingestellt ist hier ein Wert von
> 4mV.
hab den jetzt auf 7 gesetzt , mit eine anderen 328p, der verhält sich 
genauso.

von Karl-Heinz K. (kubi48)


Lesenswert?

Mik schrieb:
> Ich habe einmal kurz VCC 5,xx  gesehen (xx  war ca 45) dann ging er
> aber sofort auf testing.

Hallo Mik,
die VCC Ausgabe erscheint nur, wenn eine 2.5V Präzisionsreferenz 
detektiert wurde. Ich gehe mal davon aus, dass am PC4 Eingang nichts 
angeschlossen ist.
Für den Test wird PC4 kurz auf GND geschaltet und wieder auf Eingang 
zurückgeschaltet und die Spannung gemessen.
Bei meinen Tests blieb die Spannung immer ausreichend klein, damit keine 
2.5V Referenz erkannt wird (keine VCC= Meldung).
Falls es doch zu Problemen kommt, kann man einen Widerstand (2.2k) nach 
VCC anschließen.

Mik schrieb:
> Im Makefile hatte ich beim übersetzten folgendes geändert:
> PARTNO = m328p
> CFLAGS += -DFREQUENCY_50HZ
> ##CFLAGS += -DNO_AREF_CAP
> ##CFLAGS += -DUSE_EEPROM

Wenn der AREF Kondensator von 100nF auf 1nF geändert ist, kann die 
Option CFLAGS += -DNO_AREF_CAP gesetzt bleiben. Ich habe aber die 
Optionen so wie angegeben ohne erkennbare Probleme getestet 
(Batteriebetrieb).
Als Ursache kann aber immer noch ein VCC Versorgungsproblem in Frage 
kommen. Die Spezifikationen der Regler fordern Mindestkapazitäten am 
Eingang und Ausgang für einen stabilen Betrieb. Seltsam ist natürlich, 
dass der ATmega8L ohne Probleme läuft.
Man sollte auf jeden Fall die Versorgungsanschlüsse GND (8) und AGND 
(22) sowie VCC (7) und AVCC (20) überprüfen. Dazu am besten den ATmega 
aus dem Sockel nehmen wegen interner Brücken!

Grüße und viel Erfolg bei der Fehlersuche,
Karl-Heinz

von Thomas (Gast)


Lesenswert?

Hallo Karl-Heinz,

Spg. Teiler kontrolliert: Passt
PD7 fehlt der Pull-Up. Habe Testweise mal probiert einen 10k nach 5V: 
Bingt nix
Habe jetzt Teilerfolge: Version 100 scheint besser zu laufen als 104. Da 
gibt es keinen TimeOut Fehler mehr. Das ganze ist reproduzierbar. 
Netzteil ist Stabilisiert und bricht nicht ein. Oft zeigt er 20V an, 
manchmal auch den Korrekten Wert von 12V. Nach einer Messung kann es 
schon wieder anders aussehen....Spg. Teiler passt. 2ter ATMega = 
gleiches Ergebnis. Was auch noch auffällt. Wenn man den Tester das erste 
mal bestromt kommt im Display die Bat Spg und Testing..... Danach zeigt 
er den Wert des Bauteils korrekt an. danach startet er einfach nochmal 
OHNE das ich den Taster dazu gedrückt habe und es kommt wieder die Bat 
Spg und Testing.... das ganze kommt ein paar mal (8x glaube ich...habs 
nicht gezählt) und dann bleibt er stabil. Quasi, er bleibt bei der 
Anzeige des zuletzt gemessende Bauteils. Danach führt er erst eine neue 
Messung durch wenn ich den Taster gedrückt habe. Echt komisch.....was 
läuft da schief? Und warum wird es mit niedriger Versionsnummer besser? 
Oder hast Du eine hex + epp für mich, welche den Internen PullUp wieder 
einschaltet? Gerne per PN. Melde dich bitte....Grüße Thomas

von Karl-Heinz K. (kubi48)


Lesenswert?

Hallo Thomas,

die Testwiederholung bei angeschlossenem Bauteil ist normal, wenn die
Makefile Option POWER_OFF=5 gesetzt ist. Wenn keine Testwiederholung 
gewünscht ist, einfach "CFLAGS += -DPOWER_OFF" ohne die =5 eintragen und 
neu übersetzen. Die internen Pullup Widerstände werden aktiviert, wenn 
die Makefile Option PULLUP_DISABLE nicht gesetzt ist (Kommentarzeichen 
#).
Die Meßresultate habe ich aber für diese Version nicht überprüft.
Wenn ich Deinen Fehlerbericht richtig verstanden habe, schaltet der 
Tester nicht aus. Normalerweise sollte ja die Betriebsspannung 
abgeschaltet werden und dabei auch das Display ausgeschaltet werden.
Ich kann nur mit registrierten Nutzern über Email 
(Nutzerbenachrichtigung) in Kontakt treten. Meine Email Adresse ist aber 
auf der Titelseite der PDF-Doku.

Grüße
Karl-Heinz

von Tim M. (tim_m)


Lesenswert?

Hallo,

nachdem ich mir auch diesen Tester mit einem m328p nachbaute und soweit 
von der Kondensatormessung realistische Werte herauskommen gibt es nun 
ein Problem.

Der Tester schaltet sich automatisch nach einer Messung ab, bei 
überbrücken der Abschaltung bleibt die Meldung "Timeout" auf dem Display 
stehen, der Tester will sich abschalten.

Im Makefile habe ich die automat. Abschaltung deaktiviert und den Code 
selbst geflasht.

Da ich bei R* die 2,5V ref vergessen habe ist derzeit dieser Pin über 
2k2 auf Vcc, auch der 27k Pullup vor dem Taster ist integriert... Nur 
leider lässt sich der Tester nur einschalten, wenn im Makefile 
zusätzlich die PullupDisable Flag nicht auskommentiert ist.

Alles in allem ist der Tester der vers. 1.04 so bestückt wie im SVN der 
Aktuellen Version, vom 1072-5002 kommen 4,75V raus, 100nF Cs auf den 
Versorgungsleitungen sind großzügig verteilt.

Falls in diesem Thread schon einmal vorher eine Lösung dazu kam, bitte 
ich um einen Verweis. Ich habe diesen nach bestem Gewissen durchsucht.

Vielen Dank

Tim

von Karl-Heinz K. (kubi48)


Lesenswert?

Hallo Tim,

eine VCC Spannung von 4.75V ist außergewöhnlich niedrig. Wieviel Strom 
wird dann für die LCD-Beleuchtung verbraucht? Wie hoch ist die 
Eingangs-Spannung?

Mir ist nicht klar, welche Funktion gewünscht ist.
Wenn die Abschaltung deaktiviert wird (kein POWER_OFF), muß der Tester 
über einen externen Schalter eingeschaltet werden.
Diese Betriebsart ist nur dazu vorgesehen, wenn die Transistoren für die 
Abschaltung nicht eingebaut sind. Der Tester misst dann endlos in einer 
Schleife bis über den Schalter abgeschaltet wird.
Wenn nach jeder Messung abgeschaltet werden soll, muß die Option 
POWER_OFF ohne =x, also ohne Wiederholzahl angegeben werden.
Mit den Abschalt-Transistoren schaltet der Tester auf jeden Fall ein, 
solange der Taster gedrückt wird (über die Basis-Emitter Strecke von 
T2). Beim Programmstart schaltet das Programm mit Abschaltefunktion den 
Ausgang PD6 auf VCC Spannung und hält so die Betriebsspannung über T1 
eingeschaltet.
Ist vielleicht PD6 (Ausgang) und PD7 (Eingang) vertauscht, wie es mir 
schon bei der Doku mal passiert ist?

Grüße
Karl-Heinz

von Tim M. (tim_m)


Lesenswert?

Hallo,

wie ich das Makefile gelesen habe kann ich doch die Auto abschaltung 
deaktivieren und trotzdem über längeres Halten des Tasters den Tester 
abschalten. Dieser schaltet nur direkt nach einer Messung ab, ich möchte 
aber dass dieser 10x misst, was ich auch einstellte bevor ich diese Flag 
auskommentierte da ich daxhte es könnte an der Zählschleife liegen.

Die spannung hatte ich auch schon mit meiner externen psu an 5,0V und 
die gleichen Probleme. LCD beleuchtung ist abgeklemmt.

Was allerdings komisch ist, ist dass er während des Selbsttestes nixht 
abschaltet... Als ob er den Taster weiterhin als gedrückt erkennen tut. 
(Werde morgen genauestens auf Lötbrücken prüfen) Der selbsttest dauert 
so ca 25-30sek mit kondensatormessung

Ich möchte den Tester einfach nur mit Batterie betreiben und obwohl ich 
pullups extern eingelötet habe eght der Tester nur mit den internen an, 
was verdächtig nach einer winzig kleinen Brücke klingt, da ich außenrum 
Masseflächen habe.

Viele Grüße

tm

von Jörn P. (jonnyp)


Lesenswert?

Karl-Heinz Kübbeler schrieb:
> Man sollte auf jeden Fall die Versorgungsanschlüsse GND (8) und AGND
> (22) sowie VCC (7) und AVCC (20) überprüfen.

Hallo Karl-Heinz und auch alle eagle user:
Bei den ATmegas 8,16,32,64,168,328 und noch vielen anderen atmel µCs 
gibt es KEINEN AGND (analog Ground), sondern nur GND(s)!
In den meisten Fällen ist es egal, weil die gnd sowieso zusammen 
geknüppelt werden.
Es ist aber schlichtweg falsch.
Wenn, wie mal in meinem Fall, getrennte gnd verlegt werden müssen, ist 
der Schaden unter Umständen immens.
Es ist schon eine Zeit lang her, als ich (nach Rücksprache mit Atmel) 
Cadsoft darauf aufmerksam gemacht habe. Man hat bei Cadsoft dann auch 
die libraries korrigiert, aber das scheint sich immer noch nicht herum 
gesprochen zu haben.

Eine Korrektur der atmel.lbr kann jeder selbst machen, wenn er/sie in 
den Symbolen der entsprechenden µCs den Namen AGND durch GND@1 ersetzt.

von Tim M. (tim_m)


Lesenswert?

Okay, mein Problem hat sich erledigt.

Habe aus Bequemlichkeit auf dem Layout 2 Pins vertauscht, jetzt 
schaltete sich der Tester immer ab als dieser den Taster überprüfte und 
im Makefile musste ich damit er startet Pullups anmachen; jetzt läuft 
alles wie gewünscht mit meinen Externen Pullups.

Vielen Dank

Tim

von Karl-Heinz K. (kubi48)


Lesenswert?

Hallo Transistortester-Freunde,

die Lieferung mit dem chinesischen Nachbau ist bei mir angekommen.
Vorab eine erste Analyse:
Der Tester wurde ohne jegliche Bedienungsanleitung ausgeliefert. Auch 
ein Hinweis auf die Herkunft der Software fehlt.
Die Präzisions-Spannungsreferenz ist fälschlicherweise mit einer 
Zenerdiode bestückt. Die erreicht bei mir nur etwa 2.2V und wird von der 
Software nicht als Referenz akzeptiert (Spannungsabweichung zu groß).
Der ATmega im SMD Gehäuse ist unkenntlich gemacht, es ist aber ein 
ATmega168 oder ATmega168A. Installiert ist die Software Version 1.02k 
mit Abschaltung nach einer Messung.
Ich habe inzwischen die SMD Zenerdiode durch eine bedrahtete LT1004 2.5V 
Referenz ersetzt. Danach meldet der Tester beim Start eine VCC Spannung 
von 4.93V.
Der Selbsttest läuft ohne Auffälligkeiten durch, auch die Kalibration 
ist ohne Probleme.
Beim zusätzlichen Bestücken eines 10-poligen ISP Steckers habe ich eine 
zusätzliche Brücke von Pin 6 nach Pin 10 (GND) nachgerüstet, da nach 
meinem Anschlußplan neben dem MISO Anschluß (9) ein GND Anschluß (10) 
liegen soll.
 GND 10  9 MISO
  NC  8  7 SCK
  NC  6  5 Reset
  NC  4  3 OSZ
 VCC  2  1 MOSI

Auf der Platine ist nur Pin 4 und Pin 6 mit GND verbunden.
So konnte ich mit avrdude (make verify) den Typ des ATmega ermitteln und 
feststellen, daß die Fuses auf interne Referenz eingestellt sind
(lfuse=0xE2, hfuse=0xDC).
Ich habe dann die neue Software 1.04k aufgespielt und die Fuses auf 
Quarz-Betrieb umgestellt.
Die Platine sieht eigentlich ordentlich gefertigt aus, allerdings mußte 
ein Anschluß des 78L08 umgelegt werden. Unter einem Stereo-Mikroskop 
kann man sehen, daß die SMD Bauteile offensichtlich von Hand bestückt 
sind.
Die neueren Platinen sehen etwas anders aus, sie besitzen nicht mehr die 
zwei extra Buchsen für T2 und T3. Ich nehme deshalb an, daß der Fehler 
mit dem Spannungsregler inzwischen beseitigt wurde.
Die Messung der Batteriespannung macht teilweise Probleme. Es ist noch 
nicht klar, ob das von einer schlechten Kontaktierung der Batterie-Clips
kommt oder andere Ursachen hat.

Grüße und frohe Weihnachten
Karl-Heinz

von Mik (Gast)


Lesenswert?

Karl-Heinz Kübbeler schrieb:
> Die Platine sieht eigentlich ordentlich gefertigt aus, allerdings mußte
> ein Anschluß des 78L08 umgelegt werden.

 Ist da nen 78L08 drauf, oder ist das nur ein Tipfehler. Ich dachte da 
kommt ein 78x05 drauf.

von Mik (Gast)


Lesenswert?

Meiner scheint jetzt auch zu funktionieren.
 Habe als erstes noch einen TL431 eingebaut. Seit dem zeigt er am 
Anfang, wie zu erwarten war, VCC=5.00V an. Das hat aber am eigentlichen 
Problem nichts geändert. Hab nen 100nF SMD direkt am Beinchen von VCC 
und GND, den 150uF dafür raus, ging immer noch nicht. Dann hab ich ein 
paar Kontakte nachgelötet, danach ging er in den Selbsttest, konnte ein 
paar Testmessungen machen, dann zeigte er wieder Cell.
 Hab dann alle Lötstellen nachgelötet. Seit dem scheint es jetzt zu 
gehen. Die Ergebnisse schwankten aber, Habe deshalb noch die beiden C an 
den Quarz angelötet, jetzt sind die Ergebnisse wesentlich Konstanter. 
Ein 2k2 Widerstand schwankt nur noch in der letzten Ziffer.
 Die Testmessungen schienen einigermassen ok. Nur beim LEDdiodenfeld 
zeite er einen 56µF Kondensator mit 0 Ohm Esr, aber das er das nicht 
richtig erkennt war zu erwarten. Werde später nochmal genauer testen.

von Karl-Heinz K. (kubi48)


Lesenswert?

Mik schrieb:
> Ist da nen 78L08 drauf, oder ist das nur ein Tipfehler. Ich dachte da
> kommt ein 78x05 drauf.

Ist natürlich ein 78L05 gemeint.

Karl-Heinz

von Karl-Heinz K. (kubi48)


Lesenswert?

Hier noch ein Nachtrag zum chinesischen Nachbau:

Kurzgeschlossene Pinne melden einen Widerstand von 0.3 Ohm.
Daraufhin habe ich den Widerstand des Signalwegs von T1 zu PC0 (bzw. von 
T2 zu PC1) mit einem LCR-Messgerät nachgemessen. Eine Strecke hat 
jeweils 0.15 Ohm.
Die Angaben beziehen sich alle auf die Platinenversion "Booster edition"
Version 2.1 von 2012/11/06 .
Der Widerstands-Nullwert wird derzeit nicht in der Software kompensiert, 
so daß alle Widerstandsmessungen diesen Offset haben.
Auch die ESR-Messung zeigt durchweg zu hohe Werte an.
Ein ordentlicher Selbstbau scheint sich also doch zu lohnen!

Grüße
Karl-Heinz

von F. F. (foldi)


Lesenswert?

Paul Baumann schrieb:
> Danke, Karl-Heinz für die Hinweise. Ich werde es heute Abend dann mal
> "brennen".
>
> MfG Paul

Ich glaub heute Abend "brenne" ich mir auch einen. Mal gucken wie's mir 
morgen dann geht.*lol*

von Thomas S. (doschi_)


Lesenswert?

Karl-Heinz Kübbeler schrieb:
> Kurzgeschlossene Pinne melden einen Widerstand von 0.3 Ohm.
> Daraufhin habe ich den Widerstand des Signalwegs von T1 zu PC0 (bzw. von
> T2 zu PC1) mit einem LCR-Messgerät nachgemessen. Eine Strecke hat
> jeweils 0.15 Ohm.

Hallo Karl-Heinz,
kann man nach Deiner Einschätzung durch zusätzliche "Brücken"/ 
Fädeldraht o.vglb. den Widerstand der Signalwege verringern?

Danke, Thomas

von Mik (Gast)


Lesenswert?

Bin irgendwie frustriert.
 heute morgen lief alles. Taste gedrückt die Ledmatrix die angeschlossen 
war blinkte wie verrückt(durch die Messungen), bis er dann ein Ergebnis 
anzeigte. Ok., das er nicht herausfand was angeschlossen war, sondern 
eine Elko meldete mit ca 50µF war ja ok, da er die nicht kennen konnte. 
Hab dann alles so stehen lassen.
 Als ich jetzt wieder drauf drückte passierte nichts. Nur VCC=5.02V dann 
testing, dann CELL!.
 Das die Leds nicht blinken bedeutet das an den Anschlüssen keine 
Spannungsdifferenz angelegt wird. Sprich irgendwie wir nicht gemessen.
 (Die Ledmatrix legt zwischen allen drei Pins zwei antiparallele 
Leuchtdioden 1V9 mit Widerstand zur Strombegrenzung)
 Als der tester funktionierte, haben alle Leuchtdioden während der 
Messung munter geblinkt, so wie ich es auch erwarten würde.

von Karl-Heinz K. (kubi48)


Lesenswert?

Thomas Sch. schrieb:
> kann man nach Deiner Einschätzung durch zusätzliche "Brücken"/
> Fädeldraht o.vglb. den Widerstand der Signalwege verringern?

Das wird whrscheinlich von einem guten Löter mit guter Lupe oder 
Mikroskop machbar sein.

Grüße,
Karl-Heinz

von Dirk W. (psychodirk)


Lesenswert?

Hmm,
langsam frage ich mich, warum die Platinen vom PB funktionieren!

Und auch das Layout Mike/Asko/Dirk.
Bauteile verwenden und es klappt.

Experiemente und Weiterforschung erwünscht.

Aber wenn es klappt... Warum das Rad neu erfinden?

Wie schon mehrmals geantwortet: 9 mal nachgebaut ohne Probs.

Nun muß Jede/r wissen, was er/sie sich mit China "antut".
Siehe K-H... Info.

Wenn Interesse besteht, dann starte ich noch eine Plaztinenbestellung.

LG
Dirk

von Barney G. (fuzzel)


Lesenswert?

Dirk Willner schrieb:
> Aber wenn es klappt... Warum das Rad neu erfinden?

Weil Dein Kram zu teuer und unprofessionell ist. Wurde ja schon mehrfach 
betont.

von Karl-Heinz K. (kubi48)


Lesenswert?

Mik schrieb:
> Als ich jetzt wieder drauf drückte passierte nichts. Nur VCC=5.02V dann
> testing, dann CELL!.

Daß der Tester bei der Meldung "Cell!" nichts mißt, ist so vorgesehen.
Vor jeder Meßaktivität will das Programm eine eventuell vorhandene 
Restspannung beseitigen. Dazu werden alle Pins auf GND gelegt und 
geprüft, ob die Restspannung klein genug ist. Wenn nach vielen Sekunden 
noch immer Restspannung gemessen wird, wird die Meldung ausgegeben und 
nicht weiter gemessen.
Bei allen untersuchten ATmega wurde bisher keine Restspannung von mehr 
als 4mV festgestellt, wenn die Betriebsspannung stabil war.
Gibt es eine Möglichkeit die 5V VCC testweise beispielsweise von einem 
USB-Port oder einer anderen Quelle einzuspeisen?

Grüße
Karl-Heinz

von Michael D. (mike0815)


Angehängte Dateien:

Lesenswert?

@Mik
Schließe doch mal ein Oszilloskop an, um den Fehler einzugrenzen!
Die Einstellungen sind in den Screenshots zu sehen.
Pin Mitte und Rechts müssen dann so aussehen wie auf den Pics

Gruß Michael

von Dirk W. (psychodirk)


Lesenswert?

Barney Geroellheimer schrieb:
> Dirk Willner schrieb:
>> Aber wenn es klappt... Warum das Rad neu erfinden?
>
> Weil Dein Kram zu teuer und unprofessionell ist. Wurde ja schon mehrfach
> betont.


A: Ist es nicht mein Kram. Ich habe nur das Layout weitergeleitet, um 
die Platine für alle User die bestellt haben, es zu ermöglichen den 
Tester zu bauen!! Keine neg. Rückmeldung

B: Mach es besser.

C: Wenn nicht, keine dummen Antworten.

Dirk

von Christian F. (cmf) Benutzerseite


Lesenswert?

@Dirk: Bitte, bitte, bitte spamme hier nicht immer diesen Thread voll. 
Dass es die Platinen gibt, weiß mittlerweile selbst der weniger 
aufmerksame Leser.

Das ist zumindest meine Meinung. Ich werde diesen Beitrag auch in ein 
paar Tagen zwecks Übersichtlichkeit wieder löschen.

von F. F. (foldi)


Lesenswert?

Dirk Willner schrieb:
> Wenn Interesse besteht, dann starte ich noch eine Plaztinenbestellung.

Wo liegen da die Kosten ungefähr?
Ich hätte grundsätzlich Interesse.

Mit freundlichem Gruß
Frank Oldenbürger

von Barney G. (fuzzel)


Lesenswert?

Dirk Willner schrieb:
> Keine neg. Rückmeldung

Ach. Sieht man mal wie Dich das interessiert. Ich habe anderes gelesen.


Frank O. schrieb:
> Wo liegen da die Kosten ungefähr?
> Ich hätte grundsätzlich Interesse.

http://www.platinenbelichter.de/

Ich schaetze um die 12.-, mehr wird die nicht kosten.

Layout findest Du hier irgendwo als eagle Files. Und ob Du einzeln oder 
ueber Dirk bestellst kommt auf's Selbe, ueber Dirk dauert es nur 
laenger.

Oder halt selber machen, das grobe Layout kann man auch eben buegeln.

von Asko (Gast)


Lesenswert?

Hallo @Alle
Eigentlich wollte ich mich aus der Disskussion heraushalten.
Aber irgendwie aergert mich das gelesene.

VERGESST bitte nicht, was Markus und Karl-Heinz hier
auf die Beine gestellt haben. !!!!!

Ob nun ein Aufbau auf Streifenleiter oder auch immer.
Wenn man die Sache richtig angeht, funktioniert es (einfach).

Zu meinem eigenen "Erguessen" muss ich wiedereinmal
betonen, das mein Layout fuer eine Home-Made-Variante
gedacht ist.
Also extra dicke Leiterzuege, extra grosse Isdolationsabstaende,
so das man das wirklich auch "per Hand"nachzeichnen koennte.

Das dann Dirk die Sache mit der kommerziellen Leiterplatten-
herstellung in die Hand genommen hat, war nicht schlecht.
Wenn ich mir jedoch die Leiterplatten und die Preise von
Charly.B ansehe, muss ich ehrlich zugeben, DAS IST besser.

Selbst vor einer so kleinen Leiterplatte kann man ewig sitzen,
und findet immernoch etwas verbesserungswuerdig.

Das beste Beispiel ist doch die China-Variante.
Neueste erkenntnisse , neueste Software, kommerzielle umsetzung, und 
trotzdem sind jede menge grobe Fehler drin....
(ich hab meine Leiterbahnen noch nicht nachgemessen, aber ich hoffe die 
liegen nicht auch bei 0,15 Ohm)
Deswegen zB auch die doppelbelegung (ober und unterseite)

Aber lasst Euch das weihnachtsfest nicht versauen, den Weltuntergng habt 
Ihr ja nun schon ueberstanden...

best greetings (73&55) de dg2brs

von F. F. (foldi)


Lesenswert?

Asko schrieb:
> VERGESST bitte nicht, was Markus und Karl-Heinz hier
> auf die Beine gestellt haben. !!!!!

Misch ich mich auch mal ein.

Hab das hier alles im Thread verfolgt und mir schon alles runter 
geladen, aber noch nicht mal angesehen und trotzdem!

Danke den Jungs die uns so ein tolles Teil gebaut haben und danke dafür, 
dass ihr uns immer noch alle Fragen beantwortet (@Karl-Heinz Kübbeler; 
da bist vor allem Du mit gemeint)!
Das Chinadingbumsteil will ich gar nicht, denn es ist für mich eine 
Frage der Ehre und des Respekts vor diesen tollen Erfindern hier, das 
selbst zu bauen.

Gern nehme ich eine fertige Platine und wenn Karl-Heinz Kübbeler das 
fertig aufgebaut anbieten würde (er darf da ruhig etwas dran verdienen), 
dann würde ich ein weiteres von ihm kaufen.

Liebe Grüße
Frank

von Barney G. (fuzzel)


Lesenswert?

Asko schrieb:
> aber ich hoffe die liegen nicht auch bei 0,15 Ohm

150mOhm halte ich fuer sehr fragwuerdig. Sowas bekommt man nur mit 
extrem schlechter Aetzung hin. Also deutlich ueberaetzt und Massenhaft 
Loecher drin. Leitungen mit 150mOhm waeren auch mehr als unueblich.

Ich wuerde mal das Messgeraet ueberpruefen und, oder messen lernen.

von F. F. (foldi)


Lesenswert?

Nun hab ich mal die ganzen Bücher beiseite gelegt und mir den Schaltplan 
angesehen.
Da ja so ein Arduino Board schon den µC drauf hat, auch den ISP, hat 
schon mal jemand dran gedacht das als Shield zu bauen?
Bin mir noch nicht klar über die gesamte Funktion und wie das von der 
Spannung sein muss (muss mir das mal morgen früh mit klarem Kopf 
anlesen), Aber so ein Arduino ist doch immer ne schöne Sache. Steckt man 
drauf, wenn man es braucht.
Auf dem Mega würde es sich anbieten, da schon ein fertiges Shield fürs 
LCD vorhanden ist.

Doofe Idee?

von Asko B. (dg2brs)


Lesenswert?

noe.. keine doofe Idee

Warum nicht  die Arduino-User mit ins "Boot" holen..
Die ganze Angelegenheit spielt sich ja um den
ATmega 328 ab, also warum nicht applikationen fuer den Arduino.-

Aber ich als Programmier-Dummie nutze gerne Eure
Weisheit und warte auf Positive Antwort.


Gruss Asko.

von F. F. (foldi)


Lesenswert?

Asko B. schrieb:
> Aber ich als Programmier-Dummie nutze gerne Eure
> Weisheit und warte auf Positive Antwort.

Noch bin ich das auch und deshalb schließe ich mich gern an.:-)

Der Arduino, insbesondere der Nano, ist ja nicht nur für Arduino gut. 
Der passt auf jedes Steckbrett, sitzt da sicher, hat schon Spannung 
(über USB mit Telefonlader) und kann auch über ISP mit C programmiert 
werden.
Testschaltung bleibt auf dem Steckbrett und der Nano kommt aufs nächste 
Steckbrett, wenn man grad was anderes machen möchte.
Ich finde (nicht nur ich, in der Bucht ist das schon ne richtige 
Hausnummer)diese Dinger klasse.

von Karl-Heinz K. (kubi48)


Angehängte Dateien:

Lesenswert?

Michael D. schrieb:
> Schließe doch mal ein Oszilloskop an, um den Fehler einzugrenzen!
> Die Einstellungen sind in den Screenshots zu sehen.
> Pin Mitte und Rechts müssen dann so aussehen wie auf den Pics

Hallo Michael,
irgendwie komme ich mit Deinen Oszillogrammen nicht klar.
Die (optionale) Testfrequenz am Ende des Selbsttests sollte eigentlich 
so wie hier gezeigt aussehen.
Pin 1 ist hier als GND mit dem Oszilloskop verbunden, die beiden anderen 
Pinne mit den beiden Kanal-Eingängen.
Die 50 Hz Frequenz wird symmetrisch erzeugt (10ms low, 10ms high).

Grüße
Karl-Heinz

von Karl-Heinz K. (kubi48)


Lesenswert?

Barney Geroellheimer schrieb:
> 150mOhm halte ich fuer sehr fragwuerdig. Sowas bekommt man nur mit
> extrem schlechter Aetzung hin.

Hier der Vergleich mit einer DG2BRS V5.2.1 :
Ein Signalpfad vom Meßpin bis zum Pin des ATmega hat etwa 20mOhm 
inklusive dem Übergangswiderstand des Sockels.

Beim chinesischen Board komme ich auch beim Nachmessen bestenfalls auf 
100-110 mOhm für einen Signalweg. Die Signale sind teilweise als 
Feinleiter mit Durchkontaktierung geroutet. Es liegt nach meiner Meinung 
nicht an der schlechten Ätzung sondern an einem ungeeigneten Layout.

Grüße
Karl-Heinz

von Michael D. (mike0815)


Angehängte Dateien:

Lesenswert?

Hallo Karl-Heinz,
die Messungen habe ich mal eben so auf die Schnelle durchgeführt und 
dann auch noch mit AC-Kopplung.
Die Messung fand nicht im Selftest-Modus statt, sondern im Mess-Modus.
Was auf dem Shot zu sehen ist, ist der letzte Messzyklus von der 
Testphase, die lange genug bestehen bleibt, so das ich davon einen Shot 
machen konnte.
Das Pulspausenverhältnis ist dort auch ungleich, wie man sieht.
Da ich 2 Tester am laufen habe, stellen beide dasselbe Oszillogramm dar.

Kurzum, das Problem welches der Mik hat, kann nur an seiner Hardware 
liegen.
Nach meinen Erfahrungen, kann es an einer "unsauberen 
Spannungsversorgung" liegen, das kann der Atmega nicht kompensieren. 
Ebenfalls werden falsche Messergebnisse bei "Spannungsschwankungen" 
angezeigt.
Desweiteren, hatten wir ja auch heraus gefunden, das wenn die 
Leiterbahnen keinen Schutzlack haben, es auch zu falschen 
Messergebnissen kommt, da hier die Luftfeuchtigkeit eine Rolle spielt.
Das wurde hier schon mehrmals diskutiert.
Anbei noch ein Shot im DC-Modus
Gruß Michael

von Michael D. (mike0815)


Angehängte Dateien:

Lesenswert?

Ich habe mir mal kurz das Layout vom Chinamann betrachtet.
Das Layout ist wirklich nicht optimal. Nach meinem Geschmack sind einige 
Leiterbahnführungen der Testleitungen zu dünn und gehen auch noch Umwege 
über die Durchkontaktierung.
Für was ist denn der riesen Inductor unten rechts auf der Platine?

BtW. so wie ich das sehe, ist dort eine Batterieladeoption vorgesehen, 
die aber nicht bestückt ist. Das wäre eine gute Idee und ergänzung für 
unser Layout, dann müsste man zum laden des Akkus diesen nicht immer 
abklemmen!

Gruß Michael

von Karl-Heinz K. (kubi48)


Lesenswert?

Michael D. schrieb:
> Für was ist denn der riesen Inductor unten rechts auf der Platine?

Das ist der Start-Taster mit Plastik Knopf.

Eine Gruppe der Amateurfunker will nächstes Jahr eine Bastelaktion mit 
einer USB-Version veranstalten. Dabei wird der serielle PC3 Ausgang auf 
einen Seriell zu USB Wandlerchip gegeben.  So weit ich weiß, haben die 
vor, den Startknopf über den LED-Anschluß des Chips fernbedienen.

Grüße
Karl-Heinz

von Michael D. (mike0815)


Lesenswert?

> Das ist der Start-Taster mit Plastik Knopf.
Du meine Güte, jetzt habe ich mich mal schön blamiert, wie peinlich...

> Eine Gruppe der Amateurfunker will nächstes Jahr eine Bastelaktion mit
> einer USB-Version veranstalten. Dabei wird der serielle PC3 Ausgang auf
> einen Seriell zu USB Wandlerchip gegeben.  So weit ich weiß, haben die
> vor, den Startknopf über den LED-Anschluß des Chips fernbedienen.
Und dafür muß ein Wandlerchip her halten?
Ich habe in meinem Layout einen Anschluß dafür vorgesehen, den ich bei 
Bedarf mit einem Taster u. Leitung nutzen kann.

von Karl-Heinz K. (kubi48)


Lesenswert?

Michael D. schrieb:
> Und dafür muß ein Wandlerchip her halten?

Natürlich nicht nur für die Fernbedienung. Der Wanderchip ist in erster 
Linie für die Weiterleitung der seriellen Ausgaben (TTL) an den 
USB-Port.
Damit kann man die Ergebnisse am Rechner protokollieren und muß sie 
nicht vom LCD abschreiben. Die Status-Info des Chips für die Ausgabe vom 
Rechner soll dann alternativ die Fernbedienung (Tasterfunktion) 
übernehmen.

Grüße
Karl-Heinz

von Mik (Gast)


Angehängte Dateien:

Lesenswert?

Wenn es euch interessiert, mal nen Foto von der Unterseite.
Pin 1 vom AtMega ist oben rechts. Foto ist leider nicht so gut ist nur 
vom Handy und etwas kleingerechnet. Mittlerweile tummeln sich ne Menge 
Bauteile auf der Seite :). Der Schaltplan stimmt auch nicht ganz mit de 
hier überein, wir sind gerade dabei den zu Zeichnen.
 Habe leider keine Oszi. Ich werde mir mal die Software angucken, und 
dort Testausgaben einbauen, Wir mir wohl mehr helfen als nur die info 
Cell.
 Werde vielleicht die Texte auch mal probeweise ins eeprom legen, 
vielleicht klemmt da was.

von Barney G. (fuzzel)


Angehängte Dateien:

Lesenswert?

Die Platine vielleicht mal reinigen ? Sowas hier muss doch nicht sein.

von Dirk W. (psychodirk)


Lesenswert?

Barney Geroellheimer schrieb:
> Die Platine vielleicht mal reinigen ? Sowas hier muss doch nicht sein.


Du hast Bestellungen!!!

Siehe Markt---> Info usw.

Dirk

von Barney G. (fuzzel)


Lesenswert?

Dirk Willner schrieb:
> Du hast Bestellungen!!!

Habe ich gesehen, aber das ist ja noch Welten von der 
Mindestbestellmenge 15 / 30 entfernt.
Gehoert auch hier nicht rein.

von Paul Baumann (Gast)


Lesenswert?

Michael schrob:
>> Das ist der Start-Taster mit Plastik Knopf.
>Du meine Güte, jetzt habe ich mich mal schön blamiert, wie peinlich...

Hast DU meine Brille auf?

;-)

nicht hauen

MfG Paul

von Barney G. (fuzzel)


Lesenswert?

Michael D. schrieb:
> Ich habe mir mal kurz das Layout vom Chinamann betrachtet.
> Das Layout ist wirklich nicht optimal. Nach meinem Geschmack sind einige
> Leiterbahnführungen der Testleitungen zu dünn und gehen auch noch Umwege
> über die Durchkontaktierung.
> Für was ist denn der riesen Inductor unten rechts auf der Platine?

Du kannst einen Taster nicht von einer Spule unterscheiden, hast die 
Platine also nicht mal in der Hand und urteilst dann ueber zu duenne und 
schlechte Leiterbahnfuehrungen. Sowas finde ich nicht ok.
Dann doch lieber Tatsachen :

Karl-Heinz Kübbeler schrieb:
> Beim chinesischen Board komme ich auch beim Nachmessen bestenfalls auf
> 100-110 mOhm für einen Signalweg. Die Signale sind teilweise als
> Feinleiter mit Durchkontaktierung geroutet. Es liegt nach meiner Meinung
> nicht an der schlechten Ätzung sondern an einem ungeeigneten Layout.

100mOhm fuer duennere Leiterbahnen ist schon mal eine Hausnummer, das 
kommt eher hin. Ich kann spaeter mal von verschiedenen Platinen, 
qualitativ hochwertig und Billigstkram die DuKos messen. Ich denke hier 
gibt es gewaltige Unterschiede.
Hast Du mal versucht die DuKos nachzuloeten ? Evtl. gibt das eine 
Besserung.

von Jörg L. (nuckey)


Angehängte Dateien:

Lesenswert?

Tjo dit is nun meene Bastelei.

Karl Heinz funzt ers ma soweit allet.

Frohe Weihnacht !

mfg Nuckey

von Mik (Gast)


Lesenswert?

Barney Geroellheimer schrieb:
> Die Platine vielleicht mal reinigen ? Sowas hier muss doch nicht sein.
 Und was soll das bringen, Eine Platine die vor Tagen mal für ca 2 
Minuten so aussah? weil kurzzeitig um die Leiterbahnführung festzuhalten 
mal Teile entfernt wurden? Das Bauteil das da saß existiert da z.B. 
schon lange nicht mehr. Und keine der Lötstelle sieht mehr so aus wie 
auf dem Foto. Guck einfach nicht hin wenn dir was nicht passt. Solche 
Kommentar wie Deiner müssen doch nicht sein.

von Dirk W. (psychodirk)


Lesenswert?

Hallo Mik (Gast)

Es wäre schön, wenn Du dich Anmelden könntest/würdest.

Dann kann man Dich auch per Mail kontaktieren.

LG
Dirk

von Michael D. (mike0815)


Lesenswert?

> Du kannst einen Taster nicht von einer Spule unterscheiden, hast die
> Platine also nicht mal in der Hand und urteilst dann ueber zu duenne und
> schlechte Leiterbahnfuehrungen. Sowas finde ich nicht ok.
> Dann doch lieber Tatsachen :

Tja, ich bin halt doof und habe eben überhaupt keine Ahnung, Schande 
über mich.
Wenn ich das nächste mal auf die Welt komme, werde ich mir mehr Mühe 
geben, versprochen!

von Barney G. (fuzzel)


Lesenswert?

@Mik
Wenn das Foto nicht aktuell ist, warum stellst Du es dann hier rein ?

Auf der Platine sind eine menge Zinnreste zu sehen, die auch leicht 
einen Kurzschluss oder Kriechstrecke verursachen koennten. Darauf habe 
ich hingewiesen, mehr nicht.

Und bitte pampe mich nicht so an, das kannst Du mit Deinem Hund machen, 
aber nicht mit mir.
Wenn Du Meinungen nicht vertragen kannst, fange nicht an zu diskutieren 
oder Fragen zu stellen.

Michael D. schrieb:
> Tja, ich bin halt doof und habe eben überhaupt keine Ahnung, Schande
> über mich.

Das hat doch niemand behauptet. Aber man kann doch keine Platine ueber 
ein Foto beurteilen. Das meinte ich damit.
Der Vergleich Taster / Spule war doch nur ein Beispiel dafuer, wie 
leicht man daneben liegen kann. Es steht ja sogar noch "Test button" 
drunter, was Du auch uebersehen hast. Und die sind im Gegensatz zu den 
Leiterbahnen ein paar Nummern groesser.

@ Jörg Lehmann (nuckey)
Sieht doch gut aus.
Leider sind die Bilder etwas klein und unscharf. Das ist doch eine super 
Vorlage zum Lochraster Nachbau.

von Jörg L. (nuckey)


Lesenswert?

für dit erste mal das ick son teil von Handykamera in de Pfoten halte ;)

muss in der Richtung noch etwas experementieren .

gruss nuckey

von F. F. (foldi)


Lesenswert?

Michael D. schrieb:
> Tja, ich bin halt doof und habe eben überhaupt keine Ahnung, Schande
> über mich.
> Wenn ich das nächste mal auf die Welt komme, werde ich mir mehr Mühe
> geben, versprochen!

:-)))))))))))
Ich könnte da manchmal zu hauen, wenn mir jemand so doof kommt (wobei 
ich mich bei euch beiden raus halte), aber das ist viiiiel besser.
Daumen hoch  dafür.
Hier sind ja wirklich echte Cracks, aber manchmal sind die so arrogant 
und haben so eine große Fresse. Auf der Straße würden die sich das 
sicher nicht trauen, jedenfalls nicht bei mir.
Wünschte ich könnte auch immer so cool bleiben und solche Antworten 
statt dessen raus hauen.
Toll gemacht!

von Karl-Heinz K. (kubi48)


Lesenswert?

Barney Geroellheimer schrieb:
> Hast Du mal versucht die DuKos nachzuloeten ? Evtl. gibt das eine
> Besserung.

Hallo Barney,
die Dukos sind mir zu klein, ich bin leider nicht so ein guter Löter.
Es sitzen mindestens 6 Mini-Durchkontaktierungen unter dem SMD-ATmega.
Ich denke, daß ich die Verbindungen bei Gelegenheit mit Fädeldraht 
nachlöte.
Vielleicht versuche ich aber auch zuerst eine Kompensation in der 
Software. Das hat sich bei den bisherigen Platinen nicht wirklich 
gelohnt. Lediglich die Steck-Kontakte für Anschlußkabel haben schon Mal 
Probleme gemacht.
Dazu mache ich wahrscheinlich vorher noch eine Meßserie im 
ursprünglichen Zustand damit ich die Wirksamkeit der 
Software-Kompensation überprüfen kann.
Bei den gemessenen 20 mOhm für die DG2BRS Platine gehen wahrscheinlich 
noch etwa 10 mOhm auf den IC-Sockelpin. Das ist zwar ein 
Präzisionssockel. Ich habe aber die Prozessoren sehr häufig gewechselt 
und die Kontakte werden halt mit der Zeit nicht besser.

Grüße und bleibt bitte friedlich,
Karl-Heinz

von Barney G. (fuzzel)


Lesenswert?

Karl-Heinz Kübbeler schrieb:
> Es sitzen mindestens 6 Mini-Durchkontaktierungen unter dem SMD-ATmega.

Wenn es DuKos sind, die zur Messung beitragen, dann wuerde ich das 
gleich vergessen und die China Platine als "Schrott" abstempeln und mich 
garnicht weiter damit beschaeftigen.
Denn wenn man fuer die 18.- noch die halbe Platine umloeten muss und 
dann auch noch eine "Sondersoftware" braucht, steht das doch in keinem 
Verhaeltnis mehr.
Der Sinn der China Platine war ja eher, Billig, halbwegs genau und ohne 
zu programmieren. Und hier trifft ja nichts mehr zu.

Karl-Heinz Kübbeler schrieb:
> ich bin leider nicht so ein guter Löter.

Die die das China Board bestellen, werden es sicher aus genau dem Grund 
tun. Also ist auch hier wieder das naechste Problem.
DuKos unter dem AVR sind eh nicht nachzuloeten ohne den AVR vorher 
runter zu nehmen. Man muss den Loestop ja frei kratzen.

von F. F. (foldi)


Lesenswert?

Was sind denn DuKos?

von Jörg L. (nuckey)


Angehängte Dateien:

Lesenswert?

habe mal layout von Lochmaster 4 anjehangen.

Durchkontaktierungen (Vias) sind Hohlnieten von reichelt

dit sind zusätzliche bohrungen anjebracht um den platz besser 
auszunutzen (drahtverlauf)

gruss nuckey

von Dirk W. (psychodirk)


Lesenswert?

Cool, auf Lochraster.

Braucht noch Jemand Lochraster-Platinen.
Habe hier xxl-Teile ca. 450mm x 120mm

und 450mm x 90mm

und 310mm x 100mm

solange Vorat vorhanden
alles weitere per mail

dirk

von Barney G. (fuzzel)


Lesenswert?

Dirk Willner schrieb:
> Cool, auf Lochraster.

Ja, finde ich auch gut und auch gut durchdacht.
Wenn ich ich mich nicht verzaehlt habe ist die sogar genauso gross wie 
die geaetze Platine. 45 x 85mm. Durch das 2,54er Raster sogar noch 
minimal  kleiner.
Und die paar SMD Teile. Naja, fuer "nicht so gute Loeter" vielleicht 
etwas Fummelig, aber da sie alle auf grossen Loetaugen liegen, sicher 
gut machbar.
Sogar Bohrungen fuer die Halterung und LCD passen noch, wie man auf den 
Original-Bildern gut sehen kann.

Ich find's gut.

Frank O. schrieb:
> Was sind denn DuKos?

Du rch ko ntaktierungen.

von Mik (Gast)


Lesenswert?

Barney Geroellheimer schrieb:
> @Mik
> Wenn das Foto nicht aktuell ist, warum stellst Du es dann hier rein ?
 Weil über die Verlaufsführung von den Platinen die Rede war, und da 
wollte ich die Version vorstellen.


> Auf der Platine sind eine menge Zinnreste zu sehen, die auch leicht
> einen Kurzschluss oder Kriechstrecke verursachen koennten. Darauf habe
> ich hingewiesen, mehr nicht.
 Ich kann da beim besten Willen keine Lötzinnreste erkennen. Durch das 
Licht glitzert da in der Ecke zwar viel, das sind aber nur Fluxreste, 
die durch den Reflex maßlos überbewertet dargestellt werden.

von Jörg L. (nuckey)


Lesenswert?

die platiene selbst is 100x52 gross,

je nach jehäuse lässt sich da aba noch wat wechnehmen.
theoretisch lassen sich 5-7mm in der breite und ~8mm in der länge 
verkleenern,habe dit aba ers ma so jelassen da ick noch keen jehäuse 
habe.

gruss nuckey

von Jörg L. (nuckey)


Angehängte Dateien:

Lesenswert?

habe dit lochmasterlayout überarbeitet (paar lötinseln und vias hinzu 
jefügt).

mfg Nuckey

von F. F. (foldi)


Lesenswert?

Barney Geroellheimer schrieb:
> Frank O. schrieb:
>> Was sind denn DuKos?
>
> Du rch ko ntaktierungen.
>
Aaaaahsoooo!
Danke!

von Jörg L. (nuckey)


Angehängte Dateien:

Lesenswert?

Durch ne anregung von Karl-Heinz habe icke noch zusätzlich eene 
Masseleitung  und paar Vias hinzu jefügt.


Kleener Tip für alle die uff Lochraster baun.

die löcher wo der draht durchjefädelt wird , die bohrung beidseitig 
anphasen (entgraten),wenn der draht straffjehalten wird , kann dit 
passieren das der an der bohrkannte bricht (meist 0,1 - 0,3 draht).
fixieren läst sich der Draht am besten mit Zahnstocher aus Holz,
nehm ick och um die Löcher von Zinn Freizuhalten.
 is zwar mehrarbeit , aba wat solls grund länger über weihnachten im 
keller zu bleiben, fern der gören und der alte ;)

gruss Nuckey

von Paul Baumann (Gast)


Lesenswert?

Nukey schrob:
>....aba wat solls grund länger über weihnachten im
>keller zu bleiben, fern der gören und der alte ;)


Du passt in die Welt wie ein Schwein auf's Sofa!
:-))

MfG Paul

von Jörn P. (jonnyp)


Lesenswert?

@nuckey
Ich werde mir deinetwegen keinen neuen Konvertert zulegen ;-(
Geht es nicht auch als .zip oder .tar file, wie es hier alle anderen 
machen???

von Jörg L. (nuckey)


Lesenswert?

@ Jörn Paschedag

Wat fürn Converter ?, wüste nich das dit für Lochmaster jeben täte.

LM4 is dateiformat von Lochmaster 4

mfg Nuckey

von Davis (Gast)


Lesenswert?

Paul Baumann schrieb:

> Du passt in die Welt wie ein Schwein auf's Sofa!

Berliner Schwein bleibt Berliner Schwein, auch wenn du's in' Salon 
einsperrst.

von Jörg L. (nuckey)


Lesenswert?

ps.: soll natürlich die Alte heissen ausser aus weiblicher sicht der 
Alte

aba ejal hauptsache im keller ;)

frohes Fest

mfg Nuckey

von Jörn P. (jonnyp)


Lesenswert?

Jörg Lehmann schrieb:
> LM4 is dateiformat von Lochmaster 4

Danke für die Aufklärung ;-)

von Michael D. (mike0815)


Lesenswert?

moin,

Lochmaster ist von Abacom,
hier mal der Link zu den Demos:
http://www.abacom-online.de/html/demoversionen.html

...an dieser Stelle wollte ich mich noch für die vielen positiven Mails 
von stillen Mitlesern (wegen meines Kommentars s.O.) bedanken!
Mit solch einer Resonanz hatte ich gar nicht gerechnet.

Gruß Michael

@☻Frank O. tja, was soll ich sagen, mit zunehmenden Alter wird man 
"etwas" ruhiger...

EDIT: Wie sieht es denn aus, mit einer Akkulade-Option für den Tester, 
besteht da allgemeines Interesse?

von F. F. (foldi)


Lesenswert?

Michael D. schrieb:
> EDIT: Wie sieht es denn aus, mit einer Akkulade-Option für den Tester,
> besteht da allgemeines Interesse?

Bin schon total geil auf das Teil!
Am liebsten wäre mir, wenn einer das auf ein Arduino umstrickt. Denke 
ich krieg das auch hin, aber ganz sicher nicht die Software. Da brauch 
ich sicher noch ein Jahr.
Heute sind die Displays raus gegangen.
Eigentlich wollte ich das gestern noch auf Lochraster bauen, aber da ich 
mir noch einen Summer ins Auto bauen wollte (Lichtwarner) und mir dabei 
der Schalter in Einzelteilen entgegen kam, musste ich das erstmal 
machen, sodass ich wenigstens noch fahren kann, bis der neue Schalter da 
ist.
Heute komme ich sicher auch nicht mehr dazu, weil ich noch putzen und 
vorbereiten muss. Morgen kommen meine Kinder.

von Geissi (Gast)


Lesenswert?

Hallo zusammen!

Ich habe mir auch einen tester bauen wollen und habe daher die 
aktuellste version und das vorgeschlage Streifenraster-layout 
runtergeladen und es auch so aufgebaut.nun ist aber meine freude leider 
einwenig verflogen da ich das teil nicht zu laufen gebracht habe.in der 
anleitung habe ich gelesen dass die pinbelegung für das streifenraster 
abgeändert werden muss.leider habe ich keine ahnung wo ich dies tun 
muss.ich verwende einen atmega 8 mit externen 8mhz-quarz,oder soll ich 
mir einen atmega168 besorgen da für diesen chip schon das hex und 
eep-file vorhanden ist?
Bei den fusebits könnte ich auch nich hilfe gebrauchen.da ich nicht mit 
avr dude programmiere muss ich sie noch von hand einstellen aber leider 
habe is sie niergends endeckt.

Ich wäre froh wenn mir irgendjemand helfen könnte.freundliche grüsse 
Geissi

Ps:es ist alles korrekt aufgebaut und auch das display funktioniert.

von Peter Sieg (Gast)


Lesenswert?

Hi.

im 104k trunk sind doch hex+eep auch für m8 drin?
Fuses stehen im makefile (m8):
# Operation with 8MHz crystal
FUSES_CRY = -U lfuse:w:0x3f:m -U hfuse:w:0xc9:m

Peter

von Thomas G. (thomas_g18)


Lesenswert?

Hallo Peter

Ich danke schon mal für die schnelle Antwort.
Das stimmt dass für den atmega8 auch hex und eep dateien zur verfügung 
stehen.leider stehen aber nur für den atmega168 stehen strip-grid 
dateien zur verfügung.
Im hardware/strip_grid/liesmich steht dass das programm mit der 
standartbelegung nicht auf dem board laufen kann......
Ich bin immernoch am probieren und schaue mir mein board nochmals genau 
ob ich nicht doch was übersehen habe.
Gruess
Thomas geissbühler alias Geissi

von Karl-Heinz K. (kubi48)


Lesenswert?

Geissi schrieb:
> Ich wäre froh wenn mir irgendjemand helfen könnte.

Hallo Geissi,
vorgefertigte Dateien für die Streifenraster Version sind nur für den 
ATmega168 in Ordner mega169_strip_grid vorhanden.
Die ATmega168 Dateien sind auch für den ATmega328 brauchbar.
Bei dem ATmega8 muß man selbst übersetzen.
Der ATmega8 wird für den Neuaufbau nicht empfohlen, da die 
Induktivitätsmessung, die ESR-Messung und der Selbsttest
mit der Kalibration fehlen.
Das vollständige Programm belegt etwa 95% des ATmega168 Flash-Speichers.
Wenn man die Software neu übersetzen kann, sollte die Anpassung kein 
Problem sein (WinAVR).
Für die Belegung des Port D in der Streifenleiter-Version 
(Streifenraster-Platine) muß dazu in der Makefile das Kommentarzeichen 
(#) vor der Anweisung "CFLAGS += -DSTRIP_GRID_BOARD" entfernt werden.
Da aber auch noch andere Parameter angepasst werden können, ist es 
praktisch unmöglich, jede denkbare Kombination vorgefertigt anzubieten.
Man kann mich aber über meine Email-Adresse (Titelblatt der 
PDF-Dokumentation) erreichen, ich helfe im Einzelfall dann schon. Ich 
möchte nur den Thread hier nicht mit etlichen Versionen überladen.

Grüße
Karl-Heinz

von Thomas G. (thomas_g18)


Lesenswert?

Besten dank Karl-Heinz für deine schnelle Antwort

Ich habe beim durchlesen des Artikel leider übersehen das ein neubau nur 
mit einem atmega168 sinn macht.ich werde mir gleich welche bestellen da 
ich nicht auf die hälfte der messfunktionen verzichten möchte.bis dahin 
werde ich probieren eine atmega8version zum laufen zu bringen.mir ist es 
absolut klar, das es nicht möglich ist die wünsche jedes einzeln zu 
berücksichtigen,was auch in anbetracht der komplexen programmierung 
überhaupt nicht möglich ist.ich danke vielmals für die Hilfe!
Ich möchte mich auch noch bedanken dafür dass du dir überhaupt die zeit 
nimmst um so ein projekt noch weiter zu entwickeln und dies dann noch 
für andere zugänglich machst!!!!
Freundliche Grüsse
Thomas

von Thomas D. (thomasderbastler)


Lesenswert?

Ich möchte mich an dieser Stelle recht herzlich bedanken, für die SUPER 
fachkundige und extrem nette Unterstüzung von Karl-Heinz !

Wenn alle im Forum so nett wären...

von Jörg L. (nuckey)


Angehängte Dateien:

Lesenswert?

wir sind doch alle nett uff die eene oda andere art !
einiga mehr der anderen art ;)


und weil dit so schön war, ick arbeite jerade an de portierung von 
c-unix Sourcecode (bauteiltester) zu Atmel Studio 6 Project

so nach und nach will ick die sache konform bringen

da atmel studio bei dem vorliegenden programmierstiel rumzickt.

habe erstma versucht zb transistortester.h in mehreren files 
uffzuspalten

wenn eener lust hat kann er ja mal sein adleroge drüberfliegen lassen.

muss aba betonen dit steht noch am anfang, da icke c#.Net versaut bin 
muss ick meene c,c++ kentnisse och ers ma entrosten.


gruss nuckey

von Christian F. (cmf) Benutzerseite


Lesenswert?

Ich habe den Tester jetzt (endlich!) auch mal auf Lochraster nachgebaut, 
ähnlich dem Layout weiter oben. Leider will er nicht so wie ich :(. Ich 
verwende den vorgeschlagenen MCP als Spannungsregler. Ich habe keine 
Referenz verbaut. Statt BC547 habe ich BC549 und statt BC557 habe ich 
BC558 Transistoren verwendet. Das sollte doch ok sein??

Folgendes Szenario ergibt sich nun aber:
1. Batterie anstecken (Laut Messgerät 7,4V)
2. Taster drücken
3. LED + LCD Hintergrundbeleuchtung gehen an
4. Weiter nichts. Mit dem Messgerät messe ich eine schwankende Spannung 
von ca. 4,6V an Vcc+Gnd vom µC. Ich finde leider keine Lösung.

Wenn ich den Taster gedrückt halte, passiert das gleiche.

Ganz komisch: Seeehr selten, hat der Tester schonmal was auf dem LCD 
angezeigt und auch sinnvolle Werte gemessen.

Wie sollte ich jetzt weiter vorgehen?

Christian

von Jörn P. (jonnyp)


Lesenswert?

1. Nimm mal eine volle Batterie 9V.
2. Häng mal die Hintergrundbeleuchtung ab.
3. Mess jatzt mal die Spannung am µC.

von Jörg L. (nuckey)


Lesenswert?

hmm icke würde lcd und atmega ers ma ausn sockel haun,

-haste platiene jereinigt ?

ick mach dit mit zahnbürste und spiritus.

-mit lupe und plan lötstellen ankicken
-verbindungen prüfen.

ick nehm ma an ,haste dit als vorlage vom lochmaster ?

arbeitest du direkt oda haste dir die bilder als vorlage jenommen ??

denn in den bilder sind einige Vias (Dukos) die überdeckt werden

jenauso och einige verbindungen.

-spannungen ohne atmega und lcd messen

gruss nuckey

von Karl-Heinz K. (kubi48)


Lesenswert?

Christian F. schrieb:
> Ganz komisch: Seeehr selten, hat der Tester schonmal was auf dem LCD
> angezeigt und auch sinnvolle Werte gemessen.
>
> Wie sollte ich jetzt weiter vorgehen?

Hallo Christian,
die Fehlerbeschreibung sieht sehr nach einem schwingenden 
Spannungsregler aus. Ist der Eingang und der Ausgang des MCP1702-5002 
Reglers mit 10uF Kondensatoren und 100nF keramischen Kondensatoren 
abgeblockt?
Ich habe bei diesem Regler bisher zwar keine Schwingneigung beobachtet, 
aber trotzdem sollte man sich an die Empfehlungen des Herstellers 
halten.
Sonst kann man auch die Eingangsspannung am Regler nachmessen ob der 
Transistor T3 (BC557C,BC558C) durchschaltet.
Auch das Messen der Stromaufnahme kann zur Klärung beitragen. Die 
Stromaufnahme ohne LCD-Beleuchtung liegt bei etwa 25mA.

Viel Erfolg bei der Fehlersuche,
Karl-Heinz

von F. F. (foldi)


Lesenswert?

Karl-Heinz Kübbeler schrieb:
> Stromaufnahme ohne LCD-Beleuchtung liegt bei etwa 25mA.

Womit meine Frage (die ich noch im Kopf hatte) auch schon fast 
beantwortet ist. :-)
Ich möchte gern einen KY5050 dafür nehmen. Einmal ist der absolut stabil 
und deshalb spare ich mir die Kondensatoren (dürft jetzt alle wieder auf 
mich schimpfen, aber mit meinem mini Oszi, DSO203)konnte ich da auch 
keine Schwingungen feststellen) und zum anderen, den kriege ich billig 
und hab noch einen ganzen Sack voll. Zur Sicherheit hab ich mir die 
Teile lt. Liste schon bestellt. (@Karl-Heinz: auch den 8Mhz Quarz :-))

Der KY5050 ist mit 100mA angegeben, aber ich hab den mal auf Kurzschluss 
laufen lassen und da bringt der 140 mA. War auch nach 2 Minuten nicht 
kaputt und der war nicht mal heiß.
Da ich übe, muss ich so was mal ausprobieren.
Wie hat mein Papa immer gesagt?! "Erst wenn die Pfeife qualmt und 
zischt, dann hat et dich erwischt!"

von Mik (Gast)


Lesenswert?

Karl-Heinz Kübbeler schrieb:

> Auch das Messen der Stromaufnahme kann zur Klärung beitragen. Die
> Stromaufnahme ohne LCD-Beleuchtung liegt bei etwa 25mA.

14-15mA reicht nicht? soviel zieht meiner. die 5V scheinen bei mir aber 
stabil zu sein. direkteinspeisung von 5V geht leider nicht da er wegen 
batterie weak gar nicht erst loslegt.

von Karl-Heinz K. (kubi48)


Lesenswert?

Mik schrieb:
> 14-15mA reicht nicht?

Die reichen wahrscheinlich auch. Der chinesische Nachbau zieht aber auch 
ohne Beleuchtung etwa 25mA. Eine Version mit der DG2BRSV5.2.1 zieht
das bei mit mit Beleuchtung, ohne sind es auch nur etwa 15mA.
Der Strombedarf hängt wohl auch vom verwendeten Prozessor und auch etwas 
vom Spannungsregler ab.
direkteinspeisung von 5V geht leider nicht

Mik schrieb:
> direkteinspeisung von 5V geht leider nicht
Hier hat man mehrere Möglichkeiten.
Einge Möglichkeit ist einfach die andere Versorgung über den 
Spannungsregler mit anzuschliessen. Dies ist auch der Fall, wenn man 
einen ISP-Stecker mit Stromversorgung anschließt.
Eine andere Möglichkeit ist die Software umzukonfigurieren.
Man muß dazu die Option "CFLAGS += -DBAT_CHECK" mit Kommentarzeichen #
außer Funktion setzen, neu kompilieren und in den ATmega laden.
Ein weiterer Trick ist mit der installierten 2.5V Referenz möglich:
Man kann Pin 27 und Pin 28 kurzschließen. Dabei wird auch ohne die
Eingangsspannung 10V gemeldet.

Grüße
Karl-Heinz

von Daniel A. M. (amad) Benutzerseite


Angehängte Dateien:

Lesenswert?

Hey Leute!

Das ist echt ein tolles Projekt! Vielen Dank!

Blöd dass ich nur den Wiki-Artikel las & diesen Thread erst nachdem ich 
alles gelötet hatte. Wenn ich gewusst hätte, dass es da eine Platine 
gibt... ;)

Naja, immerhin hab ich nun wahrscheinlich fast die kompakteste Version, 
die nur möglich ist. ;)
(Nungut, der ATMega328 hätt auch in SMD sein können...)

Schönen Gruß,
Daniel

von Jörg L. (nuckey)


Lesenswert?

hab jetz ma spasseshalber , einige kondensatoren mit meenen beeden 
anderen Messgeräten und den Tester verglichen und muss sagen, so übel 
steht dit teil janich ma so da.

          Elkos     M3860       UT71D        Atmega
Low Esr 1000µ,25v   -           959,2µ       963,3µ - Esr 0
Low Esr 470µ,25v    -           438,2µ       438,3µ - Esr 0.05
        2200µ,6.3v  -           2384µ        2309µ  - Esr 0.04
        1000µ,6.3v  -           1012µ        983µ   - Esr 0.05
        100µ,25v    99,7µ       99,6µ        96,47µ - Esr 0.76
        1µ,50v      0,946µ      1,018µ       1027n (kein esr anzeige)
        22µ,25v     20,68µ      22,6µ        22,42µ - Esr 2.4
        47µ,50v     43µ         46,8µ        46,25µ - Esr 0.73

    Keramik/Folie
        100n        96,6n       96,35n       97,40n
        1n          0,976n      0,97n        0,968n
        47n         49,4n       46,8n        48,25n
        22p         0,022n      -            -

wiederstände uzw mach ick später,unterm strich janich ma so übel
kopzerbrechen machen mir die 1µ (1027n) beim tester,da er keene Esr 
anzeigt

gruss nuckey

von Walter R. (alte-fritz)


Lesenswert?

Moin,

wäre es zuviel verlangt, einmal Deine Schreibe zu überdenken, denn es 
macht wirklich keinen Spaß, sich da reinzulesen -

GW

von Thomas D. (thomasderbastler)


Lesenswert?

Ja es wäre garnicht mal so schlecht ( 1000 Postings ) zu diesem SUPER 
Projekt eine Zusammenfassung.

Version - HW und SW
Ergebnisse

von Karl-Heinz K. (kubi48)


Lesenswert?

Jörg Lehmann schrieb:
> kopzerbrechen machen mir die 1µ (1027n) beim tester,da er keene Esr
> anzeigt

Hallo Jörg,
das habe ich aber geschrieben, daß der Tester erst ab 2uF den ESR messen 
kann. Für kleinere Kapazitäten würde ein schnellerer ADC (und mit
differenziellen Eingang) gebraucht.
Wenn man den ADC vom ATmega168 schneller taktet, verliert er an 
Auflösung. Da würde aber eher mehr denn weniger gebraucht (0.01 Ohm)!

Grüße
Karl-Heinz

von Jörg L. (nuckey)


Lesenswert?

irretiert hatte mir dit jestern abend, das er in nano anzeigt, nich in µ

aba beim jenauen hinkicken sin 1027n nischt anderet als 1µ ;)

passt schon und die esr werte, sind eher grobe richtwerte, sollte man 
nich so ernst nehmen  ;))

gruss Nuckey

von Thomas D. (thomasderbastler)


Lesenswert?


von Karl-Heinz K. (kubi48)


Lesenswert?

Thomas der Bastler schrieb:
> Ja es wäre garnicht mal so schlecht ( 1000 Postings ) zu diesem SUPER
> Projekt eine Zusammenfassung.
>
> Version - HW und SW
> Ergebnisse

Hallo Thomas,

der Thread hier ist ja für den Dialog mit Nutzern und Anregungen da.
Da hat sich in fast einem Jahr einiges angesammelt.
Die grobe Übersicht über die Neuerungen findet man im Wiki 
http://www.mikrocontroller.net/articles/AVR_Transistortester , die 
Einzelheiten und die Meßergebnisse in der PDF-Dokumentation im 
SVN-Archiv.
Es könnten lediglich die Dateien für Platinen-Entwürfe in das SVN-Archiv 
aufgenommen werden. Das müssten die Urheber entweder selber übernehmen 
oder mit mir Kontakt aufnehmen. Bisher gibt es im Hardwareteil des 
Archivs nur meinen Streifenraster Entwurf.

Grüße
Karl-Heinz

von Jörg L. (nuckey)


Lesenswert?

Thomas der Bastler schrieb:
> Hat da ein China man schon was geklaut ?
>
> 
http://www.ebay.de/itm/NEWEST-AVR-Transistor-Tester-meter-NPN-PNP-MOSFET-diode-t-riac-resistor-capacit-/300825182490?pt=LH_DefaultDomain_0&hash=item460a94011a
>
> Die Platine sieht sehr nach unsere Schaltung aus.

stimmt dit schweineteil , kommt mir bekannt vor.
aba kanst eh nischt dajegen wat machen, da dit project open is !

wat jut is wird halt von denen kopiert ohne copyright und verluste.


gruss nuckey

von Karl-Heinz K. (kubi48)


Lesenswert?

Thomas der Bastler schrieb:
> Hat da ein China man schon was geklaut ?

geklaut würde ich das auch nicht nennen, es ist ja ein freies Projekt.
Auch die kommerzielle Nutzung ist nicht ausgeschlossen.
Ich frage mich nur, was das Teil ohne Dokumentation wert ist.
Siehe meine Analyse: 
Beitrag "Re: Transistortester AVR" und
Beitrag "Re: Transistortester AVR" .
Der Leiterbahn Widerstand ist zwar nur etwa 100mOhm, aber trotzdem zu 
viel für die ESR-Messung und die Messung von kleinen Widerständen.

von Jörn P. (jonnyp)


Lesenswert?

Jörg Lehmann schrieb:
> Thomas der Bastler schrieb:
>> Hat da ein China man schon was geklaut ?

Na, was erwartet ihr denn?
Zum Glück für uns hat Markus F. das Ding nicht patentieren lassen, sonst 
hätte Karl-Heinz wohl auch nicht die Modifikationen gemacht.
Meinen Dank an Beide ;-)

Hier im Forum gibt es beides, das layout und die Software. Warum sollte 
jemand das ändern, wenn er/sie sowieso schon klaut?

von Thomas D. (thomasderbastler)


Lesenswert?

Trotzdem ein Hinweis,wer die Arbeit gemacht hat, wäre schon angebracht, 
weil er damit Geld verdient und Karl-Heinz nicht

von Karl-Heinz K. (kubi48)


Lesenswert?

Karl-Heinz Kübbeler schrieb:
> Ich frage mich nur, was das Teil ohne Dokumentation wert ist.
> Siehe meine Analyse:

meine Analyse bezieht sich auf einen Vorläufer des Artikels
http://www.ebay.de/itm/Transistor-Tester-Capacitor-ESR-Inductance-Resistor-Meter-NPN-PNP-Mosfet-9V-/170963391390?pt=LH_DefaultDomain_0&hash=item27ce36539e
Das ist eine SMD Version mit Induktivitätsmessung und ESR-Messung, bei 
meiner Version sind noch zwei zusätzliche Buchsen für T2 und T3 
integriert.
Der Artikel, der von Thomas genannt wurde ist ein Nachbau der Version 
von Markus Frejek. Den Nachbau gibt es schon lange, den habe ich nicht 
analysiert.
Es gibt auch noch einen ungarischen Nachbau mit Gehäuse:
http://www.ebay.de/itm/Transistor-Tester-Capacitor-ESR-Inductance-Resistor-Meter-NPN-PNP-Mosfet-9V-/140900577045?pt=LH_DefaultDomain_0&hash=item20ce542f15
Von dem Nachbau ist mir weiter nichts bekannt. Ich hätte nur für die 
Test Klemmen nicht die gleiche Farbe genommen.

Grüße
Karl-Heinz

von Mikrocontroller P. (Gast)


Lesenswert?

Jörg Lehmann schrieb:
> aba kanst eh nischt dajegen wat machen, da dit project open is !
>
> wat jut is wird halt von denen kopiert ohne copyright und verluste

Zuviel getrunken?

von Walter R. (alte-fritz)


Lesenswert?

....eher geschnupft!

von Charly B. (charly)


Lesenswert?

eher beides :p

von Dirk W. (psychodirk)


Lesenswert?

So etwas "Berlinsch" ist doch lustig.

Ich könnte auch auf "Plattdeutsch" schreiben, oder vieleicht Jemand aus 
Sachsen!!!

(:-)))

Dirk

von Michael D. (mike0815)


Lesenswert?

geht's noch?
Man hat hier sowieso schon mit der Entzifferung mancher Texte zu 
kämpfen.
Wenn jetzt noch ständig in Dialekten geschrieben wird, bleibt der 
wesentliche Inhalt auf der Strecke!
Ich finde, das ihr eure Schreibweisen noch mal überdenken solltet,
danke im Voraus und einen schöne Bastel-Abend noch.

Gruß Michael

von F. F. (foldi)


Lesenswert?

Michael D. schrieb:
> geht's noch?
> Man hat hier sowieso schon mit der Entzifferung mancher Texte zu
> kämpfen.
> Wenn jetzt noch ständig in Dialekten geschrieben wird, bleibt der
> wesentliche Inhalt auf der Strecke!
> Ich finde, das ihr eure Schreibweisen noch mal überdenken solltet,
> danke im Voraus und einen schöne Bastel-Abend noch.
>
> Gruß Michael

Nicht zu vergessen die Jugendsprache. Da ist etwas nicht "voll fett" 
weil es voller Fett ist oder "echt geil", da weiß heute sicher jeder, 
dass damit nicht die sexuelle Erregung gemeint ist.
Ich könnte nun noch ein bisschen "Pott" hinzu tun, mit der ganz eigenen 
Sprache die ein damaliger Freund maßgeblich prägte. Da werden dann so 
Aussagen wie, "Dat is hier allet schacken!", doch eher nicht zu 
verstehen sein. Aber das, "is dann auch allet wegen weil (schön lang 
aussprechen, das weil)!"

@Nuckey
Abba machma ruich weiter so, ich les dat nämlich gern und du biss'n 
feiner Kerl!

von Whisky M. (whisky_m)


Lesenswert?

Hallo,

ich habe es nun den Aufbau auf einer Streifenrasterplatine nach dem 
Layout von Karl-Heinz (DANKE!) abgeschlossen.
Die Kontrolle der Schaltung und der Messpunkte (VCC; GND) war 
erfolgreich.
Beim drücken des Tasters (oder von T1) leuchtet das Display.

Der Versuch den Atmega328P mit dem Atmel Studio 6 und einem AVRISP mk2 
zu programmieren scheitert. Ich kann nicht in den Programming Modus 
wechseln.

Target Voltage liegt bei 4,9-5,0V und passt. Die Signatur kann ich nicht 
auslesen.
Die verschiedenen Werte für den ISP Clock habe ich probiert.

Wie kann ich das Problem eingrenzen? Habe ich den Atmega geschossen?

Danke und Gruß
Christian

von Karl-Heinz K. (kubi48)


Lesenswert?

Whisky M. schrieb:
> Wie kann ich das Problem eingrenzen? Habe ich den Atmega geschossen?

Hallo Christian,
an erster Stelle würde ich die Verbindungen der ISP-Schnittstelle
überprüfen (beim ATmega Pin 1,17,18,19, beim ISP-Stecker 5,4,1,3 ).
Haben die Verbindungen keinen Schluß zu anderen Signalen?
An den roten Markierungen müssen die Leiterbahnen unterbrochen sein!
Ist auch die VCC und GND Verbindung zum ISP Stecker (Pin 2 und 6) in 
Ordnung?
Wenn die Fuses des ATmega328P noch nie gesetzt wurden, müsste der 
Prozessor noch mit dem internen RC-Oszillator laufen. In diesem Fall 
sind für die Programmierung nur diese Signale erforderlich.
Wenn der ATmega auf Quarz-Betrieb umgestellt wurde, muß auch der 
Quarz-Oszillator laufen.

Grüße
Karl-Heinz

von Whisky M. (whisky_m)


Lesenswert?

Hallo Karl-Heinz,

danke für Deine Tipps! Ich hatte einen Fehler in der Anbindung des 
Reset-Pins.
Jetzt habe ich erfolgreich Deine .hex und .eep für das 
Streifenrasterlayout gebrannt und der Tester lebt.
Morgen muss ich forschen, wie ich das Makefile einbinden kann, um die 
Fuses und Optionen entsprechend zu setzen.

Vielen Dank!
Gruß
Christian

von Karl-Heinz K. (kubi48)


Lesenswert?

Whisky M. schrieb:
> Morgen muss ich forschen, wie ich das Makefile einbinden kann, um die
> Fuses und Optionen entsprechend zu setzen.

Hallo Christian,
unter WinAVR sollte das kein Problem sein.
Es gibt einen Patch mit einer speziellen avrdude.conf Version für den 
mega328, siehe: 
Beitrag "Re: Transistortester AVR"

Dann einfach mit Programmer's Notepad die Makefile öffnen, anpassen und
abspeichern. Über das Notepad Menue die Funktion "Program" wählen und 
die
Funktion "set fuses Crystal" wählen (mit Quarz).

@Alle
Derzeit bin ich dabei für die nächste Software-Version 
Stromspar-Funktionen des ATmega zu testen (Vorschlag von der DARC 
Ortsgruppe Lennestadt).
Dabei ist mir bei dem chinesischen Exemplar ein hoher Ruhestrom 
aufgefallen, der teilweise auf das 1k Potentiometer (gemessen etwa 900 
Ohm statt 10k) für die LCD Kontrasteinstellung und zum anderen auf den 
78L05 Spannungsregler zurückzuführen ist. Der verbaute 78L05 hat einen 
Ruhestrom von etwa 3.3mA. Zusammen mit dem falschen Poti sind das etwa 
9mA, die scheinen für einen Batteriehersteller zu arbeiten.
Ich kann an dieser Stelle für Batteriebetrieb den MCP1702-5002 Regler 
empfehlen. Der hat nur einen Ruhestrom von etwa 2uA, also mehr als 
Faktor 1000 weniger als der 78L05. Der 7805 Regler hat sogar einen noch 
höheren Ruhestrom von mehr als 4mA!
Aber bitte beim Ersatz beachten, daß der MCP1702 Regler nicht 
anschlußkompatibel zum 78L05 ist.
Den Ruhestrom in den Meßpausen habe ich bei der aktuellen Version 
(trunk-Zweig) auf etwa 9mA reduzieren können (LCD ohne 
Hintergrund-Beleuchtung). Dadurch spielt der Ruheverbrauch des 
Spannungsreglers eine größere Rolle.

Grüße und guten Rutsch ins nächste Jahr,
Karl-Heinz

von Barney G. (fuzzel)


Lesenswert?

Ich weiss das ist nicht gern gesehen, aber viele wissen es vielleicht 
nicht.
Sammelbestellung laeuft. Platinen, AVRs und Bauteile, Komplettsaetze.

Beitrag "Re: Info Platinen Bauteiletester / Transistortester"

von F. F. (foldi)


Lesenswert?

Wollte eigentlich die Lochrasterversion von Nuckey morgen, äh heute, 
nach bauen, aber die Display sind nicht da.
Wer macht denn mal ein Shield?

von Barney G. (fuzzel)


Lesenswert?

Ich habe das jetzt 4x gelesen und verstehe nicht was Du willst.
Du willst das nachbauen, hast aber kein Display und es soll Dir einer 
eine Abschirmung machen ?

Geht das auch auf Deutsch ?

Frank O. schrieb:
> Nicht zu vergessen die Jugendsprache.

Demnach bist du 3 oder sowas in der Richtung.

von Asko B. (dg2brs)


Lesenswert?

Hallo Barney

Du scheinst nicht auf dem laufenden zu sein.
Ein Shield ist sicherlich eine Aufsteckplatine fuer
einen Arduino.

Gruss Asko.

von Barney G. (fuzzel)


Lesenswert?

Ja, diese "Shields" kenne ich, jedenfalls jetzt wo Du es sagst.

Trotzdem verstehe ich nicht was er will. Du ?

von Mik (Gast)


Lesenswert?

Frank O. schrieb:

> Wer macht denn mal ein Shield?

Wozu, Was willst du damit Sparen die 2 Euro für den 328 oder die 1,80 
für das LCD Display? Komplet aufgebaute Geräte gibt es ab 10 Euro.
 Das komplette Gerät ist billiger als ein Arduino, warum also?

von Asko B. (dg2brs)


Lesenswert?

Barney Geroellheimer schrieb:
> Trotzdem verstehe ich nicht was er will. Du ?

noe...ich auch nicht so richtig.
Weil ich nicht verstehen kann was das mit einem fehlendem Display zu tun 
hat.

Ich hab noch ein paar Displays fuer die ich noch
eine Adapterplatine machen wollte, aber faulheit lass nach...
http://www.pollin.de/shop/dt/MzE2OTc4OTk-/Bauelemente_Bauteile/Aktive_Bauelemente/Displays/LCD_Modul_POWERTIP_PC1602_E.html

Eigentlich bloss eine Fleissaufgabe.
(also nix fuer mich...grins)

@alle

Demnaechst stelle ich hier eine neue (besser gesagt
eine revidierte) Leiterplattenversion ein.
Keine Angst, es aendert sich eigentlich nix.
Nur Schoenheitskorrekturen.
Auf den Trichter bin ich eigentlich gekommen weil
Barney durchkontaktierte Leiterplatten organisieren will.
Bei der Gelegenheit (und auch schon vorher) faellt
natuerlich auf, das einige User etwas durcheinander kommen
mit der Bestueckung.
Wenn man meinen Schaltplan anguckt, wird man wohl als erstes
ueber zwei parallel geschaltete Spannungsregler stolpern.
Das ist natuerlich Quatsch, aber um die Leiterplatte
Wahlweise bestuecken zu koennen ist mir in meinem
jugendlichen Leichtsinn nix besseres eingefallen.
Also muss ich erst "getrennte" Bestueckungsplaene
generieren.

bis dahin....
Gruss Asko.

von Jörg L. (nuckey)


Lesenswert?

hmm die LCd die Asko jefunden hat, sehn interresant aus,leider hab ick 
platine und Lcd fix und fertig, muss nur noch dit olle jehäuse anjepasst 
werden.

ansonsten, juten rutsch ins neue jahr

grus nuckey

von F. F. (foldi)


Lesenswert?

Barney Geroellheimer schrieb:
> Ja, diese "Shields" kenne ich, jedenfalls jetzt wo Du es sagst.
>
> Trotzdem verstehe ich nicht was er will. Du ?

Lesen ist wohl nicht deine Stärke?

Wenn du diesen Thread völlig (!) verfolgt hättest, so würden keine 
Fragen offen bleiben.
Da schrieb ich, "... aus Respekt vor den Machern ..." und die 
Jugendsprache war ein Kommentar zu den Angriffen auf Nuckey. Das mit dem 
Shield, weil ich die Arduinos klasse finde und die sowieso immer da 
liegen habe und, wie schrieb hier einer(?!), weil man das kann. :-)
Warum ich nicht anfange ohne die Displays?
Ganz klar, weil ich auch was sehen möchte, wenn es fertig ist. Da ich C 
noch nicht kann, das sicher auch ziemlich komplex ist, muss ich mich 
damit zufrieden geben, das einfach in den µC zu brennen und dann will 
ich auch ein fertiges Teil hier haben, um es dann sofort testen zu 
können.
Das ist der Grund wieso ich das noch nicht gebaut habe.

von Jörn P. (jonnyp)


Lesenswert?

@alle
Guten Rutsch ins neue Jahr ;-)

von Barney G. (fuzzel)


Lesenswert?

@ Frank O. (foldi)

Ich habe nicht den leisesten Plan von was Du da redest. Ist aber auch 
nicht weiter schlimm.

@all

Guten Rutsch

von Hubert G. (hubertg)


Angehängte Dateien:

Lesenswert?

Hallo und ein gutes neues Jahr alle zusammen.
Nachdem ich nicht groß im Feiern bin, habe ich am Altjahrstag mir ein 
Tester-Shild für meinen Arduino Mega gebastelt.
Funktioniert soweit, das alle Bauteile richtig erkannt werden. 
Allerdings sind die Werte teilweise weit daneben.
Widerstand 470 Ohm   > 5k
Transistor hfe 330   > 30
Kondensator um etwa 20% zu wenig

Auf dem Board ist ein Mega2560 drauf. Die Einstellungen habe ich vom 
Mega328 übernommen und werden daher nicht stimmen.
Meine Frage daher an Karl-Heinz oder wer sich sonst gut auskennt, gibt 
es passende Vorgabewerte oder muss man diese empirisch ermitteln.

Kompiliert habe ich mit dem AVR-Studio4 ohne EEPROM und über den 
Original-Bootloader geladen.

von Karl-Heinz K. (kubi48)


Lesenswert?

Hubert G. schrieb:
> Allerdings sind die Werte teilweise weit daneben.

@Alle: ein frohes und gesundes neues Jahr

Hallo Hubert,
als erstes würde ich prüfen, ob beim Neubilden des Programms die 
Makefile Option NO_AREF_CAP außer Funktion gesetzt wurde 
(Kommentarzeichen #).
Ich gehe mal davon aus, daß der Arduino einen 100nF Kondensator am AREF 
Pin beschaltet hat.
Sonst sollte man auf jeden Fall den Selbsttest laufen lassen.
Der Selbsttest wird gestartet, wenn man alle drei Testpins zusammen 
klemmt. Bei Test 2 werden die 3 680 Ohm Widerstände verglichen, bei Test 
3 die 470 kOhm Widerstände. Es werden in Zeile 2 die Abweichungen der 
erwarteten Spannung in mV angegeben.
Bei Test 4 müssen die Testpins getrennt werden!
Bei Test 5 werden die Testpins mit den 470k Widerständen auf 0V 
geschaltet, bei Test 6 auf 5V. Angezeigt werden wieder die Abweichungen 
von der erwarteten Spannung in mV. Kleine Werte sind also gewünscht.
Danach wird die Kalibration gestartet. Zunächst wird der Innenwiderstand 
der ATmega Port Ausgänge nach 0V und 5V ermittelt. Danach der Nullwert 
der Kapazitätsmessung für die verschiedenen Pinkombinationen.
Danach muß ein Kondensator zwischen 100nF und 20uF an Pin 1 und Pin 3 
angeschlossen werden. Damit werden die Offsetspannung des analogen 
Komparators und die Skalierung der ADC-Messung mit der internen Referenz 
abgeglichen.

Grüße
Karl-Heinz

von Whisky M. (whisky_m)


Lesenswert?

Hallo und ein gesundes neues Jahr!

@Karl-Heinz: Noch mal danke für den expliziten Hinweis auf das von Dir 
bereits beschriebene... Mein Tester läuft :-)

Die Messwerte z.B. für Widerstände stimmen mit denen meines Multimeters 
recht genau überein.
Seltsam ist, dass er 40pF misst, auch wenn gar kein Bauteil 
angeschlossen ist.

Gruß
Christian

von Karl-Heinz K. (kubi48)


Lesenswert?

Whisky M. schrieb:
> Seltsam ist, dass er 40pF misst, auch wenn gar kein Bauteil
> angeschlossen ist.

Hallo Christian,
dieses Verhalten kenne ich nur, wenn die Kalibration im Selbsttest-Zweig 
schiefgelaufen ist.
Wenn bei Test 4 die Verbindung zwischen den Test-Anschlüssen nicht 
wieder getrennt wird, wird bei der Null-Kapazität (Zeile 1 "C0 " mit den 
3 Kapazitätsmessungen für 3 Pinkombinationen) falsch gemessen. Die 
normalen Ergebnisse liegen bei etwa 40pF. Wenn die Anschlüsse nicht 
getrennt wurden, wird hier 0 pF gemessen!

Grüße
Karl-Heinz

von Whisky M. (whisky_m)


Lesenswert?

Hallo Karl-Heinz,

ich war beim Selbsttest wohl nicht schnell genug. Ein erneuter 
Selbsttest beseitigte den "Fehler".

Ich habe mit dem Tester nun 100 2n5401 gemessen. Alle stammen aus einer 
Lieferung (ON Semiconductor / Future Electronic).
Die Messwerte liegen sehr eng beieinander. Als Verstärkungsfaktor haben 
ich die Werte 132 und 137 erhalten. Einzelne Ausreißer waren mit 128 und 
141 dabei.

Uf lag meist bei 682-685, einzelne bei 650 oder 687.

Ist das realistisch?

Gruß
Christian

von Karl-Heinz K. (kubi48)


Lesenswert?

Whisky M. schrieb:
> Uf lag meist bei 682-685, einzelne bei 650 oder 687.
>
> Ist das realistisch?

Hallo Christian,

ich glaube schon, daß die Basis-Emitter-Spannung bei den Transistoren 
realistisch ist. Gemessen wird die Spannung bei der Bestimmung des 
Verstärkungsfaktors.
Der Verstärkungsfaktor wird entweder in der Emitterschaltung mit 470k 
Basiswiderstand oder in der Kollektorschaltung mit 680 Ohm oder 470k 
Basiswiderstand gemessen. Ausgegeben wird der höchste gemessene 
Stromverstärkungsfaktor. Der Stromverstärkungsfaktor des 2N5401 ist im 
Datenblatt zwischen 60 und 240 angegeben.
Wenn man die Spannung bei 6mA Basisstrom wissen will, kann man die 
Basis-Emitter Strecke alleine (ohne Kollektor) messen. Dann wird 
natürlich nur eine Diode gemessen. Hier sollten die Flußspannungen höher 
liegen.

Grüße
Karl-Heinz

von Jörg L. (nuckey)


Angehängte Dateien:

Lesenswert?

so jehäuse is fertig, fehlt nur der taster und dit teil kann 
zusammenjeschraubt werden.

als jehäuse hab ick von reichelt SP6090 jenommen, so brauchte ick nich 
die platiene in der grösse verändern, den spi stecker habe ick och 
jetauscht jegen jewinkelt.
passt wackelt und hat luft.

hmm stelt sich mir nur die frage wat mach ick mit dem ersten tester?,
na ja mal sehn ;))

jedenfalls klasse projekt karl-heinz wat de von marcus übernommen und 
weiterentwickelt hast.

der nächste schritt dürfte grösseren atmega sein um zumindenst ne 
waschmaschiene zu betreiben ;))

gruss nuckey

von Michael D. (mike0815)


Lesenswert?

oben rechts im Display, hast du gehuddelt! ;-)

Gruß Michael

von Jörg L. (nuckey)


Lesenswert?

nee is nur folie wat  uffn einbaurahmen  klebt und zwar innen.
sobald schalter dranne is, werden die folien vom lcd und dem rahmen 
entfernt.

gruss nuckey

von Michael D. (mike0815)


Lesenswert?

Achso, na dann...
Bei den blauen Displays muß ja immer die Beleuchtung an bleiben, sonst 
sieht man nüscht. Leider hält dann auch die Batterie nicht so lange.

Deine Probpins hatte ich früher auf drauf, die waren schnell 
verschlissen! Ich habe diese dann gegen Präzisionspins getauscht, die 
halten um einiges länger.
Hier der Aufbau:
Beitrag "Re: Transistortester AVR"

Dann würde ich mir noch Gedanken über einen SMD-Adapter u. dessen 
Befestigung machen, irgendwo im Thread, hatte ich da auch ein paar Pics 
eingestellt!

mit Messstrippen geht das mittlerweile gar nicht mehr, da werden von 
vorne weg schon mal 50-70pF gemessen, ohne das da ein Bauteil dran 
hängt!

Gruß Michael

EDIT: Der SMD-Adapter ist auch auf den Pics zu sehen, wie ich sehe...

von Jörg L. (nuckey)


Lesenswert?

@michael
präz.buchsen hatte ick schon anjedacht aba da passen nich alle transen 
rin,
meist die leistungsdinger, zumindenst bei den buchsen die icke von 
reichelt jekooft hatte.
der smd-adapter is och in planung , sowat in der richtung der bilder.
bin aba noch am grübeln ob und wat ick als klemme nehmen könnte,
jedanklich will ick die transenpins in eener art tasche/klemme schieben
damit hand frei is, aber is noch planung.

gruss Nuckey

von thomasderbastler (Gast)


Lesenswert?

Warum wurde für die Schalltung ein 8 Mhz Quarz verwendet ? Was spricht 
dagegen, wenn man allgemein bei einem AVR immer 16Mhz nehmen würde ?

von Karol B. (johnpatcher)


Lesenswert?

thomasderbastler schrieb:
> Was spricht
> dagegen, wenn man allgemein bei einem AVR immer 16Mhz nehmen würde ?

Zum Beispiel die Akku- bzw. Batterielaufzeit. Und solange die 8 MHz für 
die angegebene Genauigkeit ausreichen, bringt es nichts den Controller 
schneller laufen zu lassen.

Das Ganze hat wahrscheinlich auch "historische" Gründe. Im 
Originalprojekt wurde der interne 8 MHz RC-Oszillator verwendet, der 
externe Quarz kam erst nachträglich dazu, um die Genauigkeit zu 
verbessern.

von Karl-Heinz K. (kubi48)


Lesenswert?

thomasderbastler schrieb:
> Warum wurde für die Schalltung ein 8 Mhz Quarz verwendet ? Was spricht
> dagegen, wenn man allgemein bei einem AVR immer 16Mhz nehmen würde ?

das hat neben dem höheren Stromverbrauch auch historische Gründe.
Als ich meine Arbeit begann, lief die Standardversion noch mit 1 MHz 
RC-Oszillator. Mit der neuen Meßmethode für Kapazitäten war die 
Auflösung bei 1 MHz auf etwa 7pF beschränkt. Der damals von mir 
eingesetzte ATmega8L war bis 8 MHz spezifiziert. Durch den Faktor 8 
konnte die Auflösung auf 1pF gesteigert werden. Eine Auflösung von 0.1pF 
ist mit den möglichen Taktfrequenzen nicht erreichbar und wahrscheinlich 
bei dem Meßverfahren auch nicht sinnvoll.
Ein Betrieb mit 16 MHz (Option OP_MHZ=16) ist aber möglich. 
Selbstverständlich muß dazu auch ein 16 MHz Quarz bestückt werden, ein 
RC-Oszillator Betrieb ist nicht möglich. Die Tests der Meßergebnisse in 
der PDF-Dokumentation wurden aber bei 8 MHz Taktfrequenz durchgeführt. 
Bei der Inbetriebnahme kann man die Fuses zunächst auf 8 MHz RC 
Oszillator stellen. Wenn der Tester so läuft, kann man auf Quarz-Betrieb 
umstellen. Wenn der Tester danach nicht mehr läuft, kennt man die 
Ursache. Aus den zuletzt genannten Gründen kann ich nur zu dem 8 MHz 
Betrieb (mit Quarz) als besten Kompromiss raten.

Grüße
Karl-Heinz

von Justin Sergio (Gast)


Angehängte Dateien:

Lesenswert?

Guten tag,

It's nice to see this thead is still going on ;)

I attached the schematic for which I'll be following and I'm under the 
assumption that it'll be pin-compatible with my ATmega328P and it hasn't 
changed since 2009?

I'll be using this...

https://www.sparkfun.com/products/10968?

...as my PSU and I'll be using two AA batteries, rechargable NiMH 
variety.

1) Do I need a protection diode, or will the PSU have that built-in?
2) Do I need a debouncing cap for S1? If so, what capacitance value? (I 
don't know what is typical for this application.)
3) Where should I hook up Pin 28 of the µC (assuming the pins are 
cross-matched between the ATmega8 and the '328P for this application) 
given that I'm not using the PSU in the schematic and it appears that 
the wire off Pin 28 is going off a voltage divider?

kinda weird to be on a forum of which I can't read the language, but 
given that I'm in the USA, I'm sure it's not unheard of ;) "Vorschau" 
"Absenden" are two buttons I have NO idea what they mean :)

von Thomas D. (thomasderbastler)


Lesenswert?

Karl-Heinz:

Danke der Tester läuft sehr zufriedenstellend ! War nur eine Idee von 
mir, ob eine höhere Taktrate, was wirklich nichts kostet, evtl. die 
Ergebnisse verbessert, aber wärst schon selber draufgekommen !!

Klasse, Hammer Arbeit !

von Jörg L. (nuckey)


Lesenswert?

Heute mit dem projekt zum abschluss jekommen,funzt tadelos (zumindenst 
mit dem wat ick hier zur verfügung hatte)

transen erkennt er.

Buz11 erkennt er och als N.Mosfet

und induktiv. von 10mH erkennt er och als 10mH an

dioden hab ick ers ma jelassen dürfte eh funzen (wejen den transen)
und von dem wat man noch so testen kann , hab ick ersma keen material.

hab ma oge uffn atmega644 jeworfen der hat 1-2 Adc mehr,villeicht kennt 
ener von ELV den ESr-1, hier bin ick am überlejen ob man die esr messung 
extern uffbaut (Oszil.-Verst) und der Atmega mist den wert .

ansonsten jutet jelingen

mfg Nuckey

von Karl-Heinz K. (kubi48)


Lesenswert?

Justin Sergio schrieb:
> 1) Do I need a protection diode, or will the PSU have that built-in?
> 2) Do I need a debouncing cap for S1? If so, what capacitance value? (I
> don't know what is typical for this application.)
> 3) Where should I hook up Pin 28 of the µC (assuming the pins are
> cross-matched between the ATmega8 and the '328P for this application)
> given that I'm not using the PSU in the schematic and it appears that
> the wire off Pin 28 is going off a voltage divider?

Hallo Justin,
1)
If you wish to protect the ATmega, you can use a power diode connected 
with anode to GND and cathode to VCC of the tester.
2) There is no need for a debouncing cap for S1.
3) The battery voltage of your approach is very low. Normal voltage is 
about 2.4V . Battery empty voltage should be about 2.1V. So there is 
only little voltage difference for warning level (weak).
I should adapt the software with next release to that situation.
So you can still connect the 10k resistor to the + of battery because 
the - side of battery is also connected to GND. But the actual 1.04k 
software can not be adapted to this low voltage! You can only disable 
the voltage check (option BAT_CHECK).

How do you plan to realize the automatic power off?

You should take a look to the side 
http://www.mikrocontroller.net/articles/AVR_Transistortester for 
differences in the schematic (1 nF capacitor at the AREF pin, pull up 
resistor at PD7, 8MHz crystal). More details you can find in the english 
PDF documentation from the download area.

"Vorschau" means the formatted preview of your own text.
"Absenden" is the upload of your text to the thread of 
mikrocontroller.net .

Best regards
Karl-Heinz

von Justin Sergio (Gast)


Lesenswert?

Guten tag,

1) Ah -- for the protection diode, it is just protecting the ground of 
the µC, not the VSS (voltage + input). Gotcha
2) The discharge curves for alkaline and other sources (NiMH, NiCd, 
LiPo, ...) are all different, so I'm not sure how complicated the 
battery test function might get. One way I guess is to use a resistor to 
indicate what type of battery it is, but then you can run into problems 
because by glancing at your Nov 2012 schematic, you've used up ALL 28 
pins of the µC -- have to say, that is efficiency!
3) "How do you plan to realize the automatic power off?" Is the 
auto-poweroff in software? I have no problem shutting the thing off 
manually, the LCD backlight should serve a useful advisory purpose and 
should that fail, repeated "Aww shucks -- dead battery" should train my 
brain to automatically shut it off after use :-)
4) This ...thing: LT1004 -- odd, it has the symbol for a zener diode. 
Could you tell me more about this item? I found one at mouser.com but 
it's in an 8-pin SMD chip package, through my searches I found that they 
do offer it in a through-hole configuration, I suppose you have a better 
source for this part than I can dig up?

There's also some models with a slew of additional characters after the 
part number, like "LT1004IDG4-2-5" which I'll take the 2.5v version. 
Shall I look for anything in particular?
5) Do you expect to make major revisions to the hardware every once in 
awhile? I'm not versed in the slightest concerning software like EAGLE 
or KiCAD but I think it would be a good bonus to the community if 
someone who was fluent in the arcane language of electronic CAD software 
could cook us up a solid example we then can send off to some place like 
BatchPCB :-)

von Christian F. (cmf) Benutzerseite


Angehängte Dateien:

Lesenswert?

Justin Sergio schrieb:
> 4) This ...thing: LT1004 -- odd, it has the symbol for a zener diode.
> Could you tell me more about this item?

It is a 2.5V voltage reference. Qoute out of the english documentation:
> The additional 2.5V precision voltage reference connected at pin PC4 (ADC4)
> can be used to check and calibrate the VCC voltage, but is not required.

Did you already found the "download area"? It is located here:
http://www.mikrocontroller.net/svnbrowser/transistortester/

You can then click "Download GNU tarball". In case you are using 
Windows, I attached the documentation of the current version.

cmf

von Karl-Heinz K. (kubi48)


Lesenswert?

Justin Sergio schrieb:
> 2) The discharge curves for alkaline and other sources (NiMH, NiCd,
> LiPo, ...) are all different, so I'm not sure how complicated the
> battery test function might get.

The battery poor value is selectable with a Makefile option (BAT_POOR).
Currently the warning level is a value of 1V above the BAT_POOR level.
For lower BAT_POOR level the warning level difference should be less 
than 1V.

Justin Sergio schrieb:
> 3) "How do you plan to realize the automatic power off?" Is the
> auto-poweroff in software?
Yes, normaly the Pin PD6 is switched to low voltage by software.
You can deselect this with omitting the POWER_OFF option in the 
Makefile.

Justin Sergio schrieb:
> 4) This ...thing: LT1004 -- odd, it has the symbol for a zener diode.
> Could you tell me more about this item?

The behaviour of the precision voltage reference is like a zener diode.
You can use a LM4040AIZ2.5 (or LM336-Z2.5) instead of the LT1004. The 
voltage reference is not required, it is only used to measure the actual 
VCC (5V) voltage.

Justin Sergio schrieb:
> 5) Do you expect to make major revisions to the hardware every once in
> awhile?

There is no change planned in near future.

Best regards,
Karl-Heinz

von Bernard B. (bernard_b)


Lesenswert?

Vorab moechte ich folgendes melden : Es tut mir wirklich leid das ich 
mein "Story" nicht im Deutschsprache schreibe. Ich hatte es versucht, 
aber bemerkte das ich es genauer, deutlicher und schneller im 
Englischsprache angeben koente als im Deutschsprache.


I've designed a PCB (V1.04) and contains solely SMD-components. By this, 
I could design a very small PCB (30x30mm).
Soon I plan to order an Atmega328 (TQFP) and some additional components, 
but suddenly realised there are 2 versions of HEX- and EEP-files. The 
difference between them are the connections for the test-button and the 
LCD (PD0 to PD7) . This means, there are also 2 versions of HEX- and 
EEP-files. When I checked the trunk-directory, I noticed there are 2 
maps :
- "mega8"
- "mega168_strip_grid"

The schematic I've used for my design is the following :
http://www.mikrocontroller.net/wikifiles/thumb/6/64/TransistorTesterVC1.png/779px-TransistorTesterVC1.png

I guess the strip_grid-version is for a breadboard built 
transistor-tester containing an Atmega168. However, I wonder where the 
files (HEX / EEP) are located for the Atmega328 on a PCB ? Initially I 
would go for the "mega8"-directory. But, I do remember the basic 
transistor-tester was based upon an Atmega8 and -therefore- had some 
limitations.

In other words, I'm puzzled and wonder what to do (read: use) to program 
the Atmega328. Anyone who could help me out with some info ?

Note : I plan to load both files by AVR Studio. When done, modify the 
sttings for the XTal.

Freundliche Gruesse aus die Niederlande.

von Karl-Heinz K. (kubi48)


Lesenswert?

Bernard B. schrieb:
> In other words, I'm puzzled and wonder what to do (read: use) to program
> the Atmega328. Anyone who could help me out with some info ?

Hallo Bernhard,
you have choosed the normal layout, therefore you must use the data from 
the default directory.
The .hex and .eep data are compiled for the ATmega168, but will work 
with a ATmega328 too.
The hex codes for setting the fuses can be found in the Makefile.
Other options in the Makefile can be selected easy with WinAVR.
You can open the Makefile in default directory with Programmers Notepad,
change options as you like and save the Makefile. Don't forget to select 
the PROGRAMMER and PORT for avrdude (choose the right programmer type).
Then you can select the tool "Program" to load the data to the ATmega 
(ISP).
With my patch for WinAVR you can also set the fuses: 
Beitrag "Re: Transistortester AVR"


Best regards,
Karl-Heinz

von Bernard B. (bernard_b)


Angehängte Dateien:

Lesenswert?

Hallo Karl-Heinz,

Vielen Dank fuer dein rascher Antwort. Also, wenn ich es richtig 
verstanden habe, sollte ich die HEX- und EEP-Dateien im Map "Default" 
hochladen.

OK, ich werde balt mein PCB mal kontrolieren ob es noch Fehler gibt. 
Daneben habe ich jetzt eine LK115D50 (LDO) auf die Platine, aber geht 
nur bis 100 mA. Eine LCD mit (hintergrund)Beleuchting braucht alleine 
fast schoen 100 mA.
Also, entweder ich loete einfach eine 2. LDO darauf oder ueberlege mir 
noch ob ich eine andere LDO einsetzen wurde.

Anbei gibt es noch eine ScreenDump der bisherige Platinen-entwurf (29 x 
32 mm)

P.S. Meine Entschueldigungen wegen mein schlechter Deutschsprache.

von Asko B. (dg2brs)


Lesenswert?

Hi Bernhard
This is nice
Fuer mich viel zu klein ;-)
Was ist das fuer ein LCD-Anschluss ?
das interressiert mich.

Gruss Asko.

von Karl-Heinz K. (kubi48)


Lesenswert?

Bernard B. schrieb:
> Eine LCD mit (hintergrund)Beleuchting braucht alleine
> fast schoen 100 mA.

Hi Bernhard,
100mA für die Hintergrundbeleuchtung ist sehr viel.
Die bisher eingesetzten grünen LCDs können auch ohne Beleuchtung benutzt 
werden. Die blauen brauchen unbedingt eine Beleuchtung, kommen aber mit 
deutlich weniger Strom aus (20-40mA).
Hast Du einen ISP-Anschluss vorgesehen? Auf dem Layout habe ich den 
Anschluß nicht entdeckt.

Grüße, Karl-Heinz

von F. F. (foldi)


Lesenswert?

Mal davon abgesehen, dass mir SMD auch zu klein ist, das Display ist ja 
nun schon in einer Größe, wo man die Platine gar nicht kleiner machen 
muss, selbst wenn es in ein Gehäuse eingebaut wird, so wird das Gehäuse 
mit Batterie nicht viel kleiner werden als in herkömmlicher Bauweise.

In SMD sehe ich keinen großen Vorteil.

Aber jeder wie er will und was mich betrifft, wie er kann.

von Barney G. (fuzzel)


Lesenswert?

> In SMD sehe ich keinen großen Vorteil.

In SMD, ordentlich gemacht, mit ordentlichem LCD und LiPol oder LiFe 
Akku, koennte man es in eine Streichholzschachtel packen. Da geht schon 
noch einiges.
Halte ich aber auch fuer Bloedsinn.

von Bernard B. (bernard_b)


Lesenswert?

@Asko : Es ist eine 16 polige FPC-Konnektor. Das ist fuer eine 
Flachkabel (eine streife Plastik mit Kupferleitern darauf. Na ja ich 
glaube so heist das. Die gibt es auch im Drucker und Scanners). Vor eine 
Jahr her habe ich mir blaue 16x2 LCD gekauft mit so einer Flachkabel.

@Karl-Heinz : Ja es gibt auch eine ISP-Anschluss auf der Platine. Wenn 
du es genauer ansehst koentest du es finden. Die ISP ist and der 
Unterseite (5 runde Anschlusse). Vielleicht kontest du noch den Tekst 
"SCK" sehen im Spiegelbild.

Ich werde mal eine LCD anschliessen und sehen ob es tatseachlich weniger 
als 100 mA Strom fragt.

Die Teile sind klein, aber 0805 sollte man doch loeten koennen ? Ich 
arbeite sogar mit 0402 mit der Hand. Ich wollte am liebsten alle 
Wiederstande im 0402 oder 0603 auf die Platine haben. Leider hat DigiKey 
die bestimmte Prezisions-Wiederstande nicht im 0402 vorhanden. Ich hatte 
auch uberlegt die Atmega328 im MLF zu verwenden. Das geht auch noch, 
aber ist ein bisschen schwieriger zum loeten.

Mitlerweile habe ich den Entwurf schoen wieder ein bisschen geandert. 
Wie gesagt, erst mach ich einer basic Platine. Und dan kommt es zur 
Optimalisierung der Platine (rundschieben mit Komponenten).

Ich werde speater mal den Quellkoden einsehen. Ich habe keine Kentnisse 
von C, weil ich nur mit Bascom rundspiele. Es wurde toll sein wenn es im 
Bascom vorhanden war, weil ich dan einfacher die heutige Schaltplan 
andern koennte (z.B. USB-Anschluss dabei) zusammen mit die Quellkoden. 
Oder eine andere uC wahlen mit mehr Anschlusse zum weiteren "Features".

EDIT
@Frank O. : SMD hat fuer mich Vorteile. Daneben, es gibt kleinere 16x2 
LCDs. Ich habe so einer hier rundliegen (die blaue LCD). Wenn der 
Platine kleiner ist als der LCD und 9V Batterie, gibt es ein sehr 
kleiner Tester.
Es gibt doch auch einer "Mess-Pinzette" fuer L, C und R-Werten ? Die 
sind schrecklich teuer, aber wenn ich selber ein kleines Gereat bauen 
kann und auch billiger,.... Dan hab ich wirklich Spass mit so einer 
Tester.

@Barney Geroellheimer : Und ja, das darf man dan bloedsinn nennen.

Habe es gerade gefunden : Smart Tweezers

von Bernard B. (bernard_b)


Angehängte Dateien:

Lesenswert?

Habe gerade eine Foto gemacht von mein blauer LCD (Gibt auch eine 
standard 2x16 LCD mit Hintergrundbeleuchtung zu sehen). Dan bekommt euch 
ein Idee was ich meine.

Daneben mal ein Foto von Smart Tweezers.

(Koente leider mein andere Nachricht nicht mehr aendern.

EDIT
Karl-Heinz : Du hast Recht ! Diese blaue LCD braucht nur etwa 10 mA.

von F. F. (foldi)


Lesenswert?

Bernard B. schrieb:
> Habe gerade eine Foto gemacht von mein blauer LCD (Gibt auch eine
> standard 2x16 LCD mit Hintergrundbeleuchtung zu sehen). Dan bekommt euch
> ein Idee was ich meine.
>
> Daneben mal ein Foto von Smart Tweezers.
>
> (Koente leider mein andere Nachricht nicht mehr aendern.
>
> EDIT
> Karl-Heinz : Du hast Recht ! Diese blaue LCD braucht nur etwa 10 mA.

@ BB (very nice name; do you look like?*bigsmile*)

Now it makes sense!

von Bernard B. (bernard_b)


Lesenswert?

@Frank O. :
Ha ha, actually it's reversed. I enjoy to make things smaller, not 
bigger..

von Barney G. (fuzzel)


Lesenswert?

>@ BB     < lol foldi, do U know what does that means ?! rotflmao

von Bernard B. (bernard_b)


Lesenswert?

Oh, ich moechte aufmerken das Ihr einfach Deutsch sprechen koenten. Ich 
verstehe Deutschsprache, sprechen geht schoen aber rasch etwas schreiben 
geht mir schlecht ab. Speziell wenn es um technische Sachen handelt.

von F. F. (foldi)


Lesenswert?

Bernard B. schrieb:
> Oh, ich moechte aufmerken das Ihr einfach Deutsch sprechen koenten. Ich
> verstehe Deutschsprache, sprechen geht schoen aber rasch etwas schreiben
> geht mir schlecht ab. Speziell wenn es um technische Sachen handelt.
So ist es bei mir mittlerweile im Englischen. Als Flugzeugmechaniker 
hatte ich noch sehr viel in Englisch lesen müssen, da die meisten 
technischen Unterlagen in Englisch sind und dann weiß man noch wie man 
etwas schreiben muss.
Man soll nie so schnell urteilen. Das macht schon Sinn. So kann man 
daraus einen handlichen Tester bauen, mit den man dann in einer 
Schaltung testen kann. Tolle Idee!!!
Für Service Techniker, wie ich einer bin, ein hervorragendes Werkzeug.

von Barney G. (fuzzel)


Lesenswert?

Ich will ja nicht Klugscheissern, aber Flugzeugmechaniker sind keine 
"Servicetechniker" die mit 'nem "Tester" durch die Gegend laufen. 
Irgendwie hast Du da den falschen Film gesehen.
Und jetzt sage mir mal bitte, was Du mit diesem Ding denn in einer 
Schaltung "testen" willst und wozu ? Ich bitte Dich.

von F. F. (foldi)


Lesenswert?

Barney Geroellheimer schrieb:
> Ich will ja nicht Klugscheissern, aber Flugzeugmechaniker sind keine
> "Servicetechniker" die mit 'nem "Tester" durch die Gegend laufen.
> Irgendwie hast Du da den falschen Film gesehen.
> Und jetzt sage mir mal bitte, was Du mit diesem Ding denn in einer
> Schaltung "testen" willst und wozu ? Ich bitte Dich.

Ich bin Fluggerätemechaniker, Bergmechaniker und heute arbeite ich als 
Service Techniker, mehr oder weniger Mechatroniker (damals gab es den 
Beruf noch nicht, aber das wird heute bei uns für dies Arbeit 
ausgebildet)  und repariere Gabelstapler.
Für meinen Bereich brauche ich das sicher nicht mehr. Ich schrieb ja 
auch, "für Service Techniker", wie ich einer bin. Heute mache ich  das 
meiste mit dem Computer und den Rest mit Erfahrung und Wissen über 
unsere Technik. Selten brauche ich noch ein Messgerät.

von Hannes L. (hannes)


Lesenswert?

Bernard B. schrieb:
> Ich hatte
> auch uberlegt die Atmega328 im MLF zu verwenden.

Ich halte das für keine gute Idee. Einmal versehentlich einen Elko mit 
Restspannung >5V angeschlossen, und schon ist der AVR kaputt. Deshalb 
ist DIL28 die bessere Wahl, man kann ihn auswechseln.

Aber es soll jeder so machen wie er mag...

@Karl-Heinz:
Scheenes Ding, danke...

...

von Pete K. (pete77)


Lesenswert?

Gibt es auch irgendwo die Eagle Files? Im svn habe ich nichts gefunden.

von Charly B. (charly)


Lesenswert?

Pete K. schrieb:
> Gibt es auch irgendwo die Eagle Files? Im svn habe ich nichts gefunden.

Guggst du weiter oben, Asko hat sie als .zip eingestellt

vlG
Charly

von Pete K. (pete77)


Lesenswert?

Ja, danke. Jetzt habe ich sie gefunden :-)

von Nachbauender (Gast)


Lesenswert?

Hi,
hab den Tester nachgebaut, nun 5 Displays später und Zig verschiedene 
Firmwares ausm WWW und auch von hier, bekomme den Tester einfach nicht 
dazu das er etwas brauchbares auf seinem Display anzeigt, habe momentan 
ein angeblich Kompatiebles Text Display von Pollin drann 
http://www.pollin.de/shop/downloads/D120386D.PDF
Habe es mit Intern 1 Mhz 4 und 8 Mhz versucht, keinerlei verbesserung, 
und ein DV-2008 P365A das auf einem Arduino Problemlos läuft bekomme ich 
auch nicht dazu das es an der Schaltung von dem Tester funktionier34en 
möchte?
Hat jemand dieses Powertip Display schon einmal mit diesem Programm zum 
laufen bekommen?
LG

von Hubert G. (hubertg)


Lesenswert?

Du hast dir hoffentlich das Pin-Assignement des Display angeschaut, es 
unterscheidest sich stark von den herkömmlichen Displays.
Richtig beschaltet sollte es aber schon funktionieren.

von Nachbauender (Gast)


Lesenswert?

alles passend verdrahtet aber es möchte einfach nicht, benutze einen 
atmega8

von Nachbauender (Gast)


Lesenswert?

also nach Schaltbild und Datenblatt von dem Display

von Nachbauender (Gast)


Angehängte Dateien:

Lesenswert?

Genau danach aufgebaut mit Kontrast Poti anstatt festem Wiederstand.

von Barney G. (fuzzel)


Lesenswert?

> bekomme den Tester einfach nicht dazu das er etwas brauchbares auf
> seinem Display anzeigt,

Geht das vielleicht etwas genauer ? Oder gehst Du auch so in die 
Werkstatt. "Hier, kaputt"
Ich wette das ist ein Verdrahtungsfehler.

von Nachbauender (Gast)


Lesenswert?

Es Zeigt bei manchen der HEX Files Schwarze Blöcke an, bei anderen nur 
schwach oder Stark sichtbar, bei anderen nur kurz und danach nichts 
mehr.

Einmal hatte es 4 wirre Zeichen dargestellt auf beiden Zeilen, aber 
danach nicht mehr.
Nun nur noch weniger oder besser sichtbare Schwarze blöcke auf beiden 
Zeilen, das wars.

Am Display sind bei mir, Pin 1 und Pin 14 = GND, Pin 2 = 5V,
3 = RS, 4 = RW (GND), Pin 5 = E, Pin 10 - 13 = DB4 - 7....

von Hubert G. (hubertg)


Lesenswert?

Also ich hätte gemacht:
Pin1 +5V  Pin2 Kontrast  Pin14 GND

Fällt ein wenig aus dem Rahmen das Display.

von Nachbauender (Gast)


Lesenswert?

Pin2 ist aber Operating Voltage fürs LCD, wenn ich da Kontrast drann 
mache tut's garantiert ja garnichts mehr anzeigen oder?

von Hubert G. (hubertg)


Lesenswert?

Pin2 ist als Vo angeschrieben, das ist meiner Ansicht nach der Kontrast.

von Nachbauender (Gast)


Lesenswert?

ich versuch das moment

von Barney G. (fuzzel)


Lesenswert?

Hubert G. schrieb:
> Also ich hätte gemacht:
> Pin1 +5V  Pin2 Kontrast  Pin14 GND

Richtig.

von Nachbauender (Gast)


Lesenswert?

nun zeigt es garnichts mehr an!

von Barney G. (fuzzel)


Lesenswert?

Wie hast Du V_o angeschlossen ?

von Asko B. (dg2brs)


Lesenswert?

Hallo Nachbauender

Ich hab auch solche Displays hier,
aber noch nicht ausprobiert.
Aber das hilft Dir momentan sicherlich auch nicht weiter.
Ich bin gespannt wie sich die Sache bei Dir entwickelt.

Gruss Asko.

von Nachbauender (Gast)


Lesenswert?

Barney Geroellheimer schrieb:
> Wie hast Du V_o angeschlossen ?

an 5V gehabt so wie es im Datenblatt drinn steht (Voltage for LCD) das 
ist Pin2 am Display, aber wenn ich da Minis (Gnd) Kontrast und co. drann 
mache geht garnix mehr!

Kein Balken kein garnichts, und noch besser, per ISP kann ich meinen 
Atmega nun nicht mehr erreichen!

von Barney G. (fuzzel)


Lesenswert?

Das Display haette, so wie Du es angeschlossen hattest, garnichts 
anzeigen duerfen. Bei 5V auf V_o sollte das Display garnichts anzeigen. 
Erst gegen GND kommt Kontrast.
An den V_o gehoert ein Trimmer, wenn man nur solch ein mistiges 
Datenblatt hat.
Laut "Datenblatt" ist Enable invertiert.

Das Du den AVR nicht mehr erreichen kannst, was auch immer das heissen 
soll, liegt ganz bestimmt nicht am LCD

Vielleicht machst Du mal eins nach dem anderen, statt alles 
gleichzeitig.

Also erst mal irgendein LCD -Test-Programm basteln. Steht im Tutorial.

von Nachbauender (Gast)


Lesenswert?

Also Display Pin 2 auf Masse bringt nix auf 5V zeigts dann Blaken an 
wenn ich Kontrast zurückregle dann wirds weniger Sichtbar, also und wenn 
ich das so mache wie mir aufgetragen wurde dann Tut absolut nichts mehr, 
und mein Atmega hatte wohl einen zuviel von den Pins am Display 
Vertauschen, Komplett Resett hat etwas gebracht.

von Nachbauender (Gast)


Lesenswert?

Glaub es hat sich erledigt

von Barney G. (fuzzel)


Lesenswert?

Was ? Waschmaschine durchgelaufen ?

von Nachbauender (Gast)


Lesenswert?

nee aber ich sehe keinen sinn mehr!
und die initialisierung verändern schaffe ich nicht, also hat es sich 
erledigt, dann gibbet halt keinen Transistortester, ich zerlege meinen 
Nachbau, die Teile kann ich auch wo anders gebrauchen.

von Barney G. (fuzzel)


Lesenswert?

Warum programmierst Du keine LCD - Test - Software und guckst erst mal 
das das LCD laeuft ?
Die restliche Hardware kann doch bleiben, die stoert doch dabei nicht.

von Asko B. (dg2brs)


Lesenswert?

Wer wird denn so schnell Korn in die Flinte stecken ?

Gruss Asko.

von Barney G. (fuzzel)


Lesenswert?

Verstehe ich auch nicht.

Das Problem bei ihm ist halt, dass er zu viele Fehlerquellen auf einmal 
hat, haben koennte.

Liegt es am LCD ?
Liegt es an der Hardware ?
Liegt es am Aufbau ?
Liegt es am Programmiergeraet ?
Sind es die Einstellungen ?

Gerade bei dem Projekt ist es doch ziemlich einfach.

Erst mal eine LED blinken lassen. Porttester programmieren und mit ner 
LED die Pins abklappern.

Dann funktioniert zumindest schon mal Hardware und Programmiergeraet.

Das Gleiche mit dem LCD. Testsoftware drauf und ausprobieren.

Wenn das dann geht, ist doch nur noch die Firmware vom Tester drauf 
klatschen.

Finde ich jetzt nicht sonderlich Zeitaufwaendig oder kompliziert.

von Karl-Heinz K. (kubi48)


Lesenswert?

Nachbauender schrieb:
> nee aber ich sehe keinen sinn mehr!

Das Datenblatt zum PC1602-E LCD ist etwas seltsam. Nach meinem 
Verständnis müsste wirklich auf Pin 14 GND und auf Pin 1 VCC=5V 
(logik-Spannung).
Der Pin 2 ist mit hoher Wahrscheinlichkeit der Kontrast (=LCD-Spannung).
Unverständlich ist aber die Beschreibung von:
 Pin4 = R/W = Data signal input for select ?
 Pin5 = E   = Data read/write ?
Sind hier die Texte oder die "E" / "R/W" Kürzel vertauscht?

Grüße, Karl-Heinz

von Karl-Heinz K. (kubi48)


Lesenswert?

Barney Geroellheimer schrieb:
> Erst mal eine LED blinken lassen. Porttester programmieren und mit ner
> LED die Pins abklappern.

Hallo Barney,

ob das Tester-Programm läuft, kann man mit einer angeschlossenen LED 
prüfen. Wenn die LED unregelmäßig flackert, läuft das Testerprogramm.
Das kann man auch ohne die LCD-Ausgabe beobachten. Auch die Abschaltung 
der Versorgungsspannung nach etwa 20s kann man beobachten.
Eine nicht laufende LCD-Ausgabe hält das Programm nicht auf, man kann 
halt nur kein Ergebnis lesen!

@Nachbauender : Wurde auch das EEprom beschrieben (.eep File)?

Grüße, Karl-Heinz

von Charly B. (charly)


Lesenswert?

mit so kleinen 'unstimmigkeite' muss man halt als Entwickler
kaempfen, das hier aber harmlos, viel lustiger ist es bei
einem 4 Lagen Multilayer und Intel hat den 80186 gespiegelt
im Datenblatt (das Datenblatt/Buch hatte damals ~100DM gekostet)
(das was 'lustig' und hat einiges an Nerven gekostet)

also nicht aufgeben, ab in den Kampf
Vdd an 5V
Vo an kontrastpoti
VSS auf GND
E und R/W mal nach vcc mal nach gnd
probieren & auch gegeneinander tauschen
bei jedem Versuch das Kontrastpoti durchdrehen
von anfang bis ende

viel erfolg

vlG
Charly

von TyM (Gast)


Angehängte Dateien:

Lesenswert?

Hallo Kollegen,

Thanks for sharing diese fantastische Schaltung.

Stellvertretender kleine Änderung Kondensatoren, die mit Spannung 
aufgeladen werden entladen.

Danke und Grüße an alle.

CATENA Antonio - Spanien.

von Barney G. (fuzzel)


Lesenswert?

> Sind hier die Texte oder die "E" / "R/W" Kürzel vertauscht?

Da ist einiges vertauscht, deswegen schrieb ich ja auch "Datenblatt". 
Das ist kein Datenblatt, dass ist ein Anschlussplan mit Maßskizze, mehr 
nicht. Und das dann noch nichtmal brauchbar.

Weiter unten ist E nicht mehr invertiert, dafuer aber R/W.

Eben deswegen sollte er mal ein LCD Testprogramm drauf hauen, dann sieht 
man doch gleich was geht und was nicht.

Bei dem Tester Programm kann man sicherlich mit einer LED sehen ob was 
geht, aber nicht ob es auch "richtig" laeuft. Denn wie er oben 
geschrieben hat, spielt er auch noch mit den Fuse Settings rum. Das da 
was laeuft mag ja sein, aber laeuft es auch so wie es soll ? Weiss ja 
keiner, da das LCD ja auch nicht geht.

Wenn er aber nun ein kurzes Prograemmchen schreibt oder sich 'n LED 
Blinker aus dem Netz fischt, sieht er ob der Portpin stimmt und auch ob 
die Taktfrequenz stimmt. So ist die Hardware dann schon mal "getestet".

von Charly B. (charly)


Lesenswert?

@TyM

nur leider bringt die 'Schutzschaltung' nichts wenn der Tester
schon eingeschaltet ist und dann der geladene Kondensator
angeschlossen wird

vlG
Charly

von Theo K. (dg0om)


Lesenswert?

Hab im Feb.12 bei Pollin das Display TC1602E-01 Best.Nr.120420 gekauft.
Bei diesen Display ist GND an Pin1, +5V an Pin2 und der Schleifer vom 
Poti (10K..22k) an Pin3 anzuschliessen. Alle anderen Pin's nach 
Standard-Belegung verdrahten.

von Theo K. (dg0om)


Lesenswert?

Sorry , Irrtum Pin1 an +5V und Pin2 an GND.

von Karl-Heinz K. (kubi48)


Lesenswert?

TyM schrieb:
> Stellvertretender kleine Änderung Kondensatoren, die mit Spannung
> aufgeladen werden entladen.

Hallo TyM,

das Relay ist eigentlich eine interessante Erweiterung.
Wenn man in die Zuleitung der Relays-Spule einen Taster (Öffner Kontakt, 
kein Schliesser) zusätzlich einbaut, kann man durch Drücken des zweiten 
Tasters und des Start-Tasters den Selbsttest starten.
Man muß den zweiten Taster bis zum Test 4 gedrückt halten.

Grüße, Karl-Heinz

von TyM (Gast)


Lesenswert?

Hello mates,

Thanks for sharing this fantastic circuit.

Deputy modification to discharge capacitors that are charged with 
tension.

Thanks and regards to all.

CATENA Antonio - Spain.

(Use google to translate into German and English)

von TyM (Gast)


Lesenswert?

Charly B. schrieb:
> @TyMnur leider bringt die 'Schutzschaltung' nichts wenn der Testerschon 
eingeschaltet ist und dann der geladene Kondensatorangeschlossen wirdvlGCharly

Hallo Charly,

Meine Schaltung schützt Kondensator, der mit mehr als 5V DC AC, bevor 
Sie den Test geladen werden konnte.
Die Kondensatoren, die Transistortester, nie mehr als 5V misst die 
Spannung.
Ich hoffe, ich habe Ihre Frage beantwortet.

Grüße an alle.

Antonio CATENA.

von Barney G. (fuzzel)


Lesenswert?

Gockel Uebersetzer ist schon was feines. Keiner versteht den anderen.

von TyM (Gast)


Lesenswert?

Sorry, only write in Spanish.
I translate into English.

Hello Charly,

My circuit protects capacitor that could be loaded with more than 5V DC 
/ AC before pressing the test.
The capacitors which measures Transistortester, never have more than 5V 
is the voltage.
I hope I have answered your question.

Greetings to all.

Antonio CATENA.

-------

En Español:

Lo siento, solo se escribir en Español.
Lo traduzco al Ingles.

Hola Charly,

Mi circuito protege de condensadores que pudieran estar cargados con mas 
de 5V CC/CA antes de pulsar el test.
Los condensadores que mide el Transistortester, nunca tendran mas de 5V 
que es la tension de alimentación.
Espero haber contestado tu duda.

Saludos para todos.

Antonio CATENA.

von Antonio C. (tym)


Lesenswert?

Hallo Kollegen,

Verstehst du besser Englisch?
Barney Geroellheimer, senden Sie mir sagen diese Übersetzer.

Grüße an alle.
--------------
Hello mates,

Do you understand English better?
Barney Geroellheimer, send me you say this translator.

Greetings to all.
--------------
Hola compañeros,

¿Se entiende mejor en Ingles?
Barney Geroellheimer, mandamé ese traductor que dices.

Saludos para todos.

von Asko B. (dg2brs)


Lesenswert?

Hallo Bernard

Wo hast Du das Footprint fuer den Stecker her ?
Ich habe bei Eagle auch nur die 16pol. Variante
im 1mm-Raster gefunden.
Ich moechte aber gerne ein 14pol. Footprint haben.
Hast Du das irgenwo schon fertig entdeckt ?
Ich wuerde gerne den Problemen von Nachbauender
auf den Grund gehen, da ich die gleichen LCD-Module
hier habe.

Gruss Asko.

von Antonio C. (tym)


Lesenswert?

Karl-Heinz Kübbeler Hello, thank you for your email.

I answer in the forum if anyone has a good effect this response.

I am a student of electronics and little.
What makes the relay is shorted inputs with TP2 and TP3 TP1 when 
transistortester is off and when you turn to the left transistortester 
short.
It is designed to discharge the capacitor plugged into the TP before the 
test.

I hope to explain well.

Greetings.

Antonio CATENA.

von Bernard B. (bernard_b)


Angehängte Dateien:

Lesenswert?

Hallo Asko,

Ich habe den FPC aus "con-hirose"-library (Eagle). Aber, wenn ich es 
genauer ansehe, gibt es tatsaechlich keine 14-pins FPC. Aber mann kan 
einfach eine neue Library oefnen, und dann die 16-pins FPC importieren 
und modifizieren.

EDIT
OK,. hab es mal fuer dir gebaut. Ist im Eagle V6. Wenn du noch mit V5 
arbeitest, solltest du es selbst machen.
WARNUNG : Wenn du so einer FPC vorhanden hast, erst mal abdrucken und 
den Konnektor kontrolieren ob die Abmessungen auch uebereinkommen.

von Asko B. (dg2brs)


Lesenswert?

Danke Bernard

Anders haette ich es auch nicht gemacht. ;-)
Ich hatte bloss gehofft, da gibt es schon etwas fertiges.

Gruss Asko.

von Bernard B. (bernard_b)


Angehängte Dateien:

Lesenswert?

OK, I've created an Eagle V6-library, dedicated for this 
Transistor-Tester. Included are the following components :

- 2x16 LCDs (HD44780 compatible)
- Atmega8x
- Capacitors - polair / non polair
- ISP10 connectors
- Resistors
- Test-pins
- Transistors - PNP/NPN
- Voltage references - LT1004 / LM4040
- Voltage regulators - LM78L05
- Xtals

Of most components, Through-hole and SMD-versions are available. Only 2 
components are missing : potentiometers and push-buttons. I guess it 
won't be of any problem.
I think the LCDs and the Atmegas will be of real value.

Note : Loading this library into Eagle may take some time.

So, now it should be easier to design a PCB for this tester.

von Bernard B. (bernard_b)


Angehängte Dateien:

Lesenswert?

There's a small error in the former library : one of the 2x16LCDs, 
without backlight, contains 16 pins (2x8) of which 2 pins are 
-obviously- not connected.
The library which I updated now, the 2x8 is replaced by 2 pieces, more 
functional, 2x7 pin-connectors (horizontal and vertical).

Also it's clear which LCDs are with backlight, and which are not 
(correct description included).

von Theo K. (dg0om)


Angehängte Dateien:

Lesenswert?

Zur Klarstellung meines gestrigen Beitrags.

von Karl-Heinz K. (kubi48)


Angehängte Dateien:

Lesenswert?

TyM schrieb:
> Hallo Kollegen,
>
>
> Stellvertretender kleine Änderung Kondensatoren, die mit Spannung
> aufgeladen werden entladen.
>
> Danke und Grüße an alle.
>
> CATENA Antonio - Spanien.

Hallo Antonio,
hier habe ich Deinen Vorschlag zum Schutz des ATmega vor der 
Restspannung von Kondensatoren aufgegriffen.
Wenn man die Schaltung wie hier gezeigt erweitert, hat man folgende 
Vorteile:

1.) Der ATmega ist auch geschützt, wenn während der Zeit der Anzeige des 
letzten Meßergebnis schon der nächste Kondensator angeschlossen wird.
Deine Schaltung schützt nur, wenn der Kondensator im Zustand 
"ausgeschaltet" verbunden wird. Nur für die Zeit des Messens wird der 
PC4 Pin auf Eingang geschaltet (Relais schaltet und öffnet die 
Kontakte).
In der übrigen Zeit könnte der PC4 Pin auf Ausgang (GND) geschaltet 
werden.

2.) Während der Zeit der Anzeige verbraucht das Relais keinen Strom aus 
der Batterie. Relais mit einer Spannung von 8-9V sind leider nicht 
üblich, sonst könnte man das Relais statt an VCC (5V) direkt an die 
Batteriespannung anschließen. Das würde auch Strom sparen, weil der 
Widerstand des Relais dann höher wäre.

Es ist aber nur ein Vorschlag, keine notwendige Änderung.
Den 100k Widerstand zwischen Basis und Emitter kann man auch weglassen.

Grüße, Karl-Heinz

von Hannes L. (hannes)


Lesenswert?

Karl-Heinz Kübbeler schrieb:
> Es ist aber nur ein Vorschlag,

Ein verdammt guter Vorschlag, danke!

...

von mkburkersdorf (Gast)


Angehängte Dateien:

Lesenswert?

Hallo Nachbauender,

Ich habe den Tester mit dem Display in Betrieb.

Ich hänge Dir mal die Datei an.

Gruß
Manfred

von Charly B. (charly)


Lesenswert?

moin moin Karl-Heinz,

i haette da auch noch einen Aenderungsvorschlag:
wenn die Messung beendet ist merkst du dir den zuletzt
gemessenen 'Typ' und beginnst bei genau dem wieder,
so kann man bei Serienmessungen schneller messen wenn man zB.
aus einer handvoll Transistoren den mit dem hoechsten ß sucht
oder einige Kondensatoren durchmisst, ist das machbar ?

vlG
Charly

von Jörn P. (jonnyp)


Angehängte Dateien:

Lesenswert?

LCD 1602
Ich habe ein Datenblatt des LCD PC-1602-E das aber eine Stadardbelegung 
aufweist (hängt an).

Lt. Powertip codierung handelt es sich um ein 16-Zeichen, 2-Zeilen 
Display ohne Hintergrundbeleuchtung (E).

Bei Powertip selbst  habe ich ein LCD mit index E nicht gefunden.
Aber alle Typen weisen stets die Standardbelegung auf!

Um ein Display generell zu testen braucht man nur einen Trimmer/Poti so 
ca. 10-20k und die 5V DC. Das Poti kommt an die 5V und der Schleifer an 
das LCD (normal Pin 3), gnd an Pin 1, und 5V an Pin 2.

Dann dreht man das Poti mal von Anschlag zu Anschlag und in einer der 
Stellungen sollten sich die schwarzen Balken der Matrix abzeichnen, ein 
Zeichen, das das LCD generell mal funzt und bis jetzt richtig 
angeschlossen wurde.

Tut sich da nix könnte man die Pins 1 und 2 mal tauschen (wie hier 
jemand geschrieben hat) und dann same procedure...
Natürlich ist es auch möglich, das das LCD durch falschen Anschluss 
inzwischen im Eimer ist (Versorgung an Pin 14).

Ein Blick auf die Rückseite könnte helfen, die Masseverbindung (gnd) zu 
identifizieren, das wäre zumindest mal die halbe Miete ;-)

von Drobel (Gast)


Lesenswert?

In der Markus-Version 1.05 steht im README, dass es sich nur um eine 
"... playground version ..." handelt.

Wo gibt es denn die aktuelle funktionierende Version des 
Transistor-Testers?

von Karl-Heinz K. (kubi48)


Lesenswert?

Charly B. schrieb:
> wenn die Messung beendet ist merkst du dir den zuletzt
> gemessenen 'Typ' und beginnst bei genau dem wieder,
> so kann man bei Serienmessungen schneller messen wenn man zB.
> aus einer handvoll Transistoren den mit dem hoechsten ß sucht
> oder einige Kondensatoren durchmisst, ist das machbar ?

Hallo Charly,
das ist bestimmt nicht auf einfachem Weg zu erreichen.
Vielleicht kann man ändern, dass die VCC-Spannung (mit 
Präzisionsreferenz) nur beim Einschalten angezeigt wird. Das wäre dann 
eine Sekunde gespart. Vielleicht lassen sich die Wartezeiten noch etwas 
optimieren. Überflüssige Tests werden zum Teil schon vermieden, 
vielleicht ist hier ja noch Potential zur Beschleunigung der Messung.
Aber die Tests von der vorigen Messung abhängig zu machen, halte ich für 
keine gute Idee.

Grüße, Karl-Heinz

von Karl-Heinz K. (kubi48)


Lesenswert?

Drobel schrieb:
> Wo gibt es denn die aktuelle funktionierende Version des
> Transistor-Testers?

Hallo Drobel,
im SVN Archiv unter 
http://www.mikrocontroller.net/svnbrowser/transistortester/Software/tags/ 
ist die letzte Version ttester_104k.zip .
Im Software/trunk Zweig des Archivs gibt es eine neuere Version mit 
Unterstützung des sleep Modus des ATmega168/328 zum Stromsparen. Die 
sollte auch funktionsfähig sein.
Die Version von Markus unterstützt nicht die Messung von Induktivitäten 
und die ESR-Messung und läuft nur aus mega168/328 .

Grüße, Karl-Heinz

von Drobel (Gast)


Lesenswert?

Karl-Heinz Kübbeler schrieb:

> Die Version von Markus unterstützt nicht die Messung von Induktivitäten
> und die ESR-Messung und läuft nur aus mega168/328 .


Danke für den Link und die Info.

Warum entwickeln sich die Versionen auseinander? Für Neueinsteiger ist 
das alles ziemlich unübersichtlich.

von Jörn P. (jonnyp)


Lesenswert?

Bernard B. schrieb:
> OK,. hab es mal fuer dir gebaut. Ist im Eagle V6. Wenn du noch mit V5
> arbeitest, solltest du es selbst machen.

Hi Bernard,
selber machen braucht man es nicht, wenn man mit eagle V5 arbeitet.
Libraries lassen sich konvertieren ;-)
Die library einfach als name.scr (script) exportieren und dann mit eagle 
V5 eine (vorzugsweise neue) library öffnen und das script einlesen.
(datei / script ausführen). Fehlermeldungen, meist "align" einfach 
akzeptieren.

Bernard B. schrieb:
> WARNUNG : Wenn du so einer FPC vorhanden hast, erst mal abdrucken und
> den Konnektor kontrolieren ob die Abmessungen auch uebereinkommen.

Da kann ich dir nur 1000% Recht geben ;-)

von Karl-Heinz K. (kubi48)


Lesenswert?

Drobel schrieb:
> Warum entwickeln sich die Versionen auseinander?

Markus R. hatte die Version 0.99k als Basis verwendet und die Software 
aufgeräumt und besser strukturiert. Seine Software ist dadurch 
sicherlich besser lesbar. Der ATmega8 wird bei seiner Version nicht mehr 
unterstützt. Er hat außerdem eine eigene Lösung für die Kalibration und 
einen Einzelschritt-Modus eingebaut.

Den Einzelschritt-Modus habe ich nicht übernommen, da im Falle der 
Nichtbedienung der Tester nicht ausgeschaltet wird (Batterie wird 
geleert).
Markus hat die Messung der Induktivität nicht übernommen, weil die 
Methode ab 0.01mH nur funktioniert, wenn die beiden Enden direkt (ohne 
680 Ohm Widerstand) kurzzeitig auf GND und VCC geschaltet werden. Wenn 
die VCC Seite nicht schnell wieder auf GND geschaltet würde, wäre eine 
Überlastung der ATmega Ausgänge die Folge. Da die Ergebnisse ohnehin 
nicht sehr genau sind, hat Markus die Funktion bisher weggelassen.

Grüße, Karl-Heinz

von Antonio C. (tym)


Lesenswert?

Karl-Heinz Kübbeler schrieb:
> 1.) Der ATmega ist auch geschützt, wenn während der Zeit der Anzeige des
>
> letzten Meßergebnis schon der nächste Kondensator angeschlossen wird.
>
> Deine Schaltung schützt nur, wenn der Kondensator im Zustand
>
> "ausgeschaltet" verbunden wird. Nur für die Zeit des Messens wird der
>
> PC4 Pin auf Eingang geschaltet (Relais schaltet und öffnet die
>
> Kontakte).
>
> In der übrigen Zeit könnte der PC4 Pin auf Ausgang (GND) geschaltet
>
> werden.

Hallo Karl-Heinz,

Ist sehr wenig Elektronik, ich bin ein Student.

Ihre Lösung für die Ausgangsrelais mit PC4 kontrollieren ist viel besser 
als meine.
Ich weiß nicht, Programmierung.
Meine Lösung ist ein Rookie.

Wenn Sie modifizierten die Software, um die ttester Ausgangsrelais mit 
PC4 kontrollieren, werde ich es verwenden.

Karl-Heinz Vielen Dank für Ihre Freundlichkeit.

Grüße an alle.

von Kh L. (loeter)


Lesenswert?

Karl-Heinz Kübbeler schrieb:
> hier habe ich Deinen Vorschlag zum Schutz des ATmega vor der
> Restspannung von Kondensatoren aufgegriffen.

Hallo Karl-Heinz,

Ich finde die Idee klasse. In die aktuell laufende Platinenbestellung 
wird das wohl nicht mehr rein kommen. Wenn Du aber die Ansteuerung des 
Relais in der SW vorsiehst, werde ich meinen Aufbau dann sicher 
entsprechend erweitern. Eine absolut sinnvolle Schutzmaßnahme.

Eine Anmerkung habe ich allerdings noch. Evtl. sollten in die 
Zuleitungen zu den Relaiskontakten noch Widerstände (10R bis 100R). 
Diese würden die Kontakte des Relais gegen Abbrand bei allzu schneller 
Kondensatorentladung schützen, und man kann dann auch ein relativ 
schwaches Reed-Relais dafür einsetzen.

Gruß

    loeter

von Asko B. (dg2brs)


Lesenswert?

Hallo mkburkersdorf

Das sieht ja gut aus.
Wuerdest Du mir das Foodprint vom Stecker zukommen lassen.
Oder gar das ganze Boardfile ?
Das moechte ich gerne auch benutzen (das Display)
und ich wuerde mir die arbeit sparen.

Gruss Asko.

von Karl-Heinz K. (kubi48)


Lesenswert?

Kh Loeter schrieb:
> Evtl. sollten in die
> Zuleitungen zu den Relaiskontakten noch Widerstände (10R bis 100R).
> Diese würden die Kontakte des Relais gegen Abbrand bei allzu schneller
> Kondensatorentladung schützen, und man kann dann auch ein relativ
> schwaches Reed-Relais dafür einsetzen.

Hallo Kh Loeter,

die Relais Kontakte (Ruhekontakte) sollten eigentlich immer geschlossen 
sein, wenn ein Kondensator mit dem Tester verbunden ist. Nur während des 
eigentlichen Meßvorgangs wird das Relais geschaltet und öffnet die 
Kontakte. Damit ist ein Abbrand der Kontakte nicht zu befürchten. Da 
müßte schon ein mit hoher Spannung geladener Kondensator mit hoher 
Kapazität angeschlossen werden, um die geschlossenen Kontakte 
abzubrennen.
Beim eigentlichen Meßvorgang wird der Kondensator nur mit einer geringen 
Spannung geladen. Die Energie reicht auf keinen Fall aus, um die Relais 
Kontakte zu schädigen. Jeder Widerstand in der Zuleitung der 
Relais-Kontakte würde aber die Gefahr für den ATmega wieder erhöhen. Im 
ersten Moment hat der Kondensator die volle Restspannung. Dann bildet 
der ESR, die Zuleitung und die Relaiskontakte einen Spannungsteiler. Die 
Restspannung an den Relaiskontakten sollte dabei möglichst klein bleiben 
und sich schnellstmöglich abbauen, um den ATmega nicht zu schädigen.

Der Schaltvorgang von Pin PC4 ist in der Entwicklerversion 
(Software/trunk -Zweig des SVN Archivs) schon eingebaut. Es ist aber 
noch nicht getestet, ob die Schaltzeiten des Relais ausreichend 
berücksichtigt sind.

Grüße
Karl-Heinz

von mkburkersdorf (Gast)


Angehängte Dateien:

Lesenswert?

Hallo Asko,

Das Layout für das Display ist in Layout50 erstellt.
Wenn Du das nicht bearbeiten kannst, schicke ich Dir die Folie.

Gruß
Manfred

von Pete K. (pete77)



Lesenswert?

Hallo,
ich habe gestern meine Version in Eagle fertiggestellt. Es wäre schön, 
wenn ihr da mal einen Blick drauf werfen könntet, ob hier noch Fehler 
drin sind.

Ich habe mich für ein einseitiges Layout entschieden mit dem Display 
oben auf die Platine gesteckt.

Besten Dank,
Pete77

von Scoff (Gast)


Lesenswert?

Asko B. schrieb:

> Das moechte ich gerne auch benutzen (das Display)
> und ich wuerde mir die arbeit sparen.

Arbeitest du immer noch am Layout der Platine, für die Barney bereits 
eine Haufen Geld gesammelt hat und die er schon bestellen wollte?

von Scoff (Gast)


Lesenswert?

Asko B. schrieb:

> Das moechte ich gerne auch benutzen (das Display)
> und ich wuerde mir die arbeit sparen.

Arbeitest du immer noch am Layout der Platine, für die Barney bereits 
einen Haufen Geld gesammelt hat und die er schon bestellen wollte?

von Karl-Heinz K. (kubi48)


Lesenswert?

Pete K. schrieb:
> Es wäre schön,
> wenn ihr da mal einen Blick drauf werfen könntet, ob hier noch Fehler
> drin sind.

Hallo Pete,
irgendwie vermisse ich die GND Verbindung des R16 Widerstands und der 
Präzisionsreferenz im Schaltplan. Ist das Netz mit GND verbunden? Auch 
im Layout finde ich die Verbindung nicht!

Grüße, Karl-Heinz

von Pete K. (pete77)


Lesenswert?

Karl-Heinz Kübbeler schrieb:
> Hallo Pete,
> irgendwie vermisse ich die GND Verbindung des R16 Widerstands und der
> Präzisionsreferenz im Schaltplan. Ist das Netz mit GND verbunden? Auch
> im Layout finde ich die Verbindung nicht!

Ja, das ist ein Fehler im Schaltplan, ich habe die GND-Verbindung 
vergessen.

Vielen Dank für die Korrektur!!
Pete77

von Pete K. (pete77)


Lesenswert?

Benötigt man eigentlich zwingend den externen Quarz, oder reicht auch 
der interne Zeitgeber?

von Barney G. (fuzzel)


Lesenswert?

Wieso, ist ein Quarz so teuer oder was soll die Frage ? Ja, es geht auch 
der Interne RC und den kann man dann auch noch "verstimmen". Man "kann" 
auch ein Caesium Normal nehmen, kommt halt drauf an fuer was und ob es 
Sinn macht.

von Pete K. (pete77)


Lesenswert?

Ich habe zurzeit keinen 8Mhz Quarz verfügbar. Da die Zeitroutinen nicht 
die Standard-AVR Routinen nutzen war mir die Abhängigkeit von der 
Frequenz nicht bewusst.
Falls dort keine Abhängigkeiten bestehen könnte ich auch einen 4 oder 16 
Mhz Quarz nehmen? Die habe ich hier noch liegen.

von Barney G. (fuzzel)


Lesenswert?

Ob Du die anderen Quarze nehmen kannst, weiss ich nicht, ich kenne das 
Programm nicht. Den Internen RC aber mit ziemlicher Sicherheit.

Guck mal hier

Beitrag "Re: Transistortester AVR"

von Karl-Heinz K. (kubi48)


Lesenswert?

Pete K. schrieb:
> Falls dort keine Abhängigkeiten bestehen könnte ich auch einen 4 oder 16
> Mhz Quarz nehmen? Die habe ich hier noch liegen.

Hallo Pete,
ein 16 MHz Quarz geht im Prinzip auch. Die Zeitsteuerung für die 
ESR-Messung ist aber sehr zeitkritisch und ist derzeit nur an den 8MHz 
Quarz angepaßt. Die ADC-Taktrate und die anderen Zeitsteuerungen werden 
auch an den 16MHz Takt angepaßt, wenn die Frequenz in der Makefile 
richtig gesetzt wird. Eine Neu-Übersetzung ist aber unbedingt notwendig.
Die andere Möglichkeit ist, vorerst den internen 8MHz RC-Oszillator zu 
benutzen. Dann kann bei der 1.04k Version die Standardversion der 
Software benutzt werden. Wenn man den Quarz besorgt hat, kann man später 
die Fuses umstellen und hat dann die genauere Zeitbasis für die 
Kapazitätsmessung.
Bei der nächsten Software (derzeit Entwicklerversion im Software/trunk 
Zweig) müßte für den RC-Betrieb eine zusätzliche Variable in der 
Makefile gesetzt werden (RESTART_DELAY_TICS=6). Das ist notwendig, da 
das Aufwachen aus dem "sleep" Modus ein anderes Zeitverhalten hat. Der 
sleep Modus wird in der nächsten Version zum Stromsparen eingesetzt.

Grüße, Karl-Heinz

von Pete K. (pete77)


Lesenswert?

Vielen Dank für die Info.

VG,
Pete

von Albert M. (Firma: Bastler aus Mönchengladbach) (albertm) Benutzerseite


Angehängte Dateien:

Lesenswert?

Ich habe mir mal den China Clone bestellt:
http://www.ebay.de/itm/Transistor-Tester-Capacitor-ESR-Inductance-Resistor-Meter-NPN-PNP-Mosfet-9V-/170971859171?pt=LH_DefaultDomain_0&hash=item27ceb788e3
Funktioniert so weit ganz gut, ist sauber aufgebaut und zeigt ziemlich 
korrekte Werte an (ESR ist entgegen der Darstellung bei ebay anscheinend 
nicht implementiert, da habe ich wohl die alte Version erwischt). Die 
Controller-Bezeichnung ist abgeschliffen - haha.
Was mir aber auf der Platine auffällt sind die nicht bestückten Bereiche 
rechts. Weiss jemand was die fehlenden Bauelemente bewirken sollen ?
Ob ich auf der linken Seite eine ISP Buchse montieren kann muss ich noch 
durchmessen.

von Barney G. (fuzzel)


Lesenswert?

> Weiss jemand was die fehlenden Bauelemente bewirken sollen ?

Da die USB Buchse keine Datenleitungen hat und "DC DC Charging circuit" 
dran steht, gehe ich davon aus das die einen Akku geplant hatten. (7,4V 
LiIon /LiPol ?) Die Idee finde ich gut.

von Michael D. (mike0815)


Lesenswert?

Rechts unten ist ja wieder die Spule...(war ein Scherz)
Das Lademanagement für Akkus hatte ich ja auch schon mal vorgeschlagen!

Dein ISP-Header ist ja links auf der Platine, kann man ja leicht 
nachrüsten.
Wenn die Lock-Fuses gesetzt sind, sieht's leider schlecht aus, mit dem 
Auslesen. Einzige Möglichkeit wäre dann ein HV-Brenner, der die ATMega 
ID erkennt und den Chip auf Werkseinstellung zurücksetzt, allerdings 
werden dabei auch alle Daten gelöscht!
Vielleicht hat ein Besitzer des "Chinateils" das Auslesen schon mal 
getestet?

Gruß Michael

von demacus (Gast)


Lesenswert?

Hallo

also ausgelesen habe ich meinen Chinatester nicht, aber er läuft prima 
mit der aktuellen Firmware aus dem SVN.

MfG

von Karl-Heinz K. (kubi48)


Lesenswert?

Albert M. schrieb:
> Ob ich auf der linken Seite eine ISP Buchse montieren kann muss ich noch
> durchmessen.

Hallo Albert,
siehe zum chinesischen Exemplar meine Berichte:
Beitrag "Re: Transistortester AVR" und
Beitrag "Re: Transistortester AVR" .
Nach Deinen Fotos zu urteilen, hast Du schon ein neueres Exemplar 
erhalten.
Das Poti ist aber noch das gleiche und die Präzisionsreferenz sieht 
immer noch nach einer Zenerdiode aus. Das ich bei meinem Exemplar die 
GND Verbindung an ISP Pin 10 nachrüsten mußte, habe ich ja schon 
beschrieben.
Die USB Ladeschaltung auf der rechten Seite ist wahrscheinlich von einem 
anderen Projekt übernommem.
Was für ein Ergebnis ergibt dann eine Widerstandsmessung von zwei 
kurzgeschlossenen Testpins? Immer noch 0.3 Ohm?
Bei meinem Exemplar waren einige Routing-Fehler mit einem Messer 
nachbearbeitet und korrigiert (Vers. 2.1  2012/11/06).
Die Softwareversion wird am Ende des Selbsttests (Kalibration) gemeldet.

Grüße
Karl-Heinz

von Albert M. (Firma: Bastler aus Mönchengladbach) (albertm) Benutzerseite


Lesenswert?

demacus schrieb:
> also ausgelesen habe ich meinen Chinatester nicht, aber er läuft prima
> mit der aktuellen Firmware aus dem SVN.

Hast Du meine oben gezeigte Version (Controller in SMD)?
Im übrigen muss ich mich korrigieren: ESR geht bei meinem Teil doch.

von Albert M. (Firma: Bastler aus Mönchengladbach) (albertm) Benutzerseite


Lesenswert?

Karl-Heinz Kübbeler schrieb:
> Was für ein Ergebnis ergibt dann eine Widerstandsmessung von zwei
> kurzgeschlossenen Testpins? Immer noch 0.3 Ohm?
> Bei meinem Exemplar waren einige Routing-Fehler mit einem Messer
> nachbearbeitet und korrigiert (Vers. 2.1  2012/11/06).
> Die Softwareversion wird am Ende des Selbsttests (Kalibration) gemeldet.

Ein Kurzschluss mit einem 1 cm langen Draht ergibt 0 Ohm, mit einem 5 cm 
langem Draht 0,1 Ohm (die Richtigkeit kann ich mangels so genauer 
Messmittel nicht beurteilen.
ESR funktioniert.
Die Softwareversion wird nach dem Selbsttest nicht angezeigt.

von Albert M. (Firma: Bastler aus Mönchengladbach) (albertm) Benutzerseite


Lesenswert?

Der Ruhestrom meiner Version ist kleiner als 1 µA, Batterie oder Akku 
kann man also beruhigt dranlassen. Da scheinen die Chinesen ja was am 
Design getan zu haben.
Der Strom im Betrieb beträgt ca 20 mA, wobei keine 
Hintergrundbeleuchtung des Displays angeschlossen ist. Ist aber auch so 
gut ablesbar.

von Davis (Gast)


Lesenswert?

@ Albert

Wie sieht das mit Induktivitäten aus? Lassen die sich auch messen?

von Michael D. (mike0815)


Lesenswert?

Hallo Karl-Heinz,
deinen Kommentar vom 21.12. hatte ich übersehen. Du hast aber den 168er 
im Dipgehäuse und konntest die Software auslesen!? Wenn bei dem 
SMD-Vers. keine Lockbits gestzt sind, kann man ja updaten.

@Albert M.
Bei weniger als 1µA Verbrauch, müsste ja wohl auch ein anderer Regler 
verbaut sein, kannst du erkennen, welcher Typ das ist?
Werden beim "Chinateil" Displays ohne Beleuchtung geliefert oder ist die 
nur nicht angeschlossen?


Gruß Michael

von Hannes L. (hannes)


Lesenswert?

Michael D. schrieb:
> Wenn bei dem
> SMD-Vers. keine Lockbits gestzt sind, kann man ja updaten.

Lockbits verhindern zwar das Auslesen, aber doch kein Update.

...

von Davis (Gast)


Lesenswert?

Hannes Lux schrieb:

> Lockbits verhindern zwar das Auslesen, aber doch kein Update.

U. U. schon, dann musst du den Controller im H. V. Modus ansprechen 
können.

von Hannes L. (hannes)


Lesenswert?

Davis schrieb:
> U. U. schon, dann musst du den Controller im H. V. Modus ansprechen
> können.

Aber doch nicht wegen den Lockbits. Da muss man schon die Fuses 
verstellen, z.B. ISP deaktivieren oder bei einigen AVRs Reset zum 
Portpin unfusen, um ISP unmöglich zu machen.

...

von Albert M. (Firma: Bastler aus Mönchengladbach) (albertm) Benutzerseite


Lesenswert?

Michael D. schrieb:
> @Albert M.
> Bei weniger als 1µA Verbrauch, müsste ja wohl auch ein anderer Regler
> verbaut sein, kannst du erkennen, welcher Typ das ist?
> Werden beim "Chinateil" Displays ohne Beleuchtung geliefert oder ist die
> nur nicht angeschlossen?

Der Regler ist ein 78L05.
Das Display ist ohne Beleuchtung. Eine passende externe 
Spannungsversorgung an den entsprechenden Pins am Display brachte 
nichts. Aber das kann man ja einfach durch ein 2 Euro China Display mit 
Beleuchtung austauschen und die Pins nachträglich verdrahten. Mir reicht 
es auch so.

von Davis (Gast)


Lesenswert?

Hannes Lux schrieb:

> Aber doch nicht wegen den Lockbits. Da muss man schon die Fuses
> verstellen, z.B. ISP deaktivieren oder bei einigen AVRs Reset zum
> Portpin unfusen, um ISP unmöglich zu machen.

Stimmt. Dachte Fuses & Lockbits wurden unisono benutzt.

von Hannes L. (hannes)


Lesenswert?

Davis schrieb:
> Dachte Fuses & Lockbits wurden unisono benutzt.

Nein, das sind unterschiedliche paar Schuhe... ;-)

Es soll aber ISP-Software geben, die das zusammenfasst, ist bei der von 
mir benutzten Programmersoftware aber nicht der Fall.

...

von Karl-Heinz K. (kubi48)


Lesenswert?

Michael D. schrieb:
> Du hast aber den 168er
> im Dipgehäuse und konntest die Software auslesen!?

Meine Version war auch schon eine SMD-Version. Die Kennung auf dem 
ATmega war auch schon entfernt. Ich konnte die Software nicht auslesen 
aber problemlos updaten. Bei meiner Version wurde nach dem Selbsttest 
noch die Version 1.02k ausgegeben.
Weiss jemand, ob man bei gesetzten Lock-Bits auch die Fuses nicht lesen 
kann? Bei mir sah es so aus, als wäre der RC-Oszillator eingeschaltet.
Ich konnte allerdings die Fuses erst umsetzen, als ich das Programm neu 
geschrieben hatte.

Grüße, Karl-Heinz

von Barney G. (fuzzel)


Lesenswert?

Hannes Lux schrieb:
> Aber doch nicht wegen den Lockbits. Da muss man schon die Fuses
> verstellen, z.B. ISP deaktivieren oder bei einigen AVRs Reset zum
> Portpin unfusen, um ISP unmöglich zu machen.

Wenn man von einem m168 aus geht, kann man ihm ein weiteres 
Programmieren und Auslesen "untersagen". LB 0xFC

Das SPI kann man beim m168 nicht abschalten da er keinen JTAG hat.

Bleibt noch der RST Pin.

Bei allen drei Varianten hilft nur HV, wobei ich mir beim lock bit hier 
auch nicht sicher bin.

Eine HV Programmierung bei einem eingebauten m168 im SMT ist auch nicht 
gerade simpel.

Wenn er denn tatsaechlich nicht zu programmieren ist, wuerde ich ihn 
raus schmeissen und ersetzen. Das kann man ja noch nicht fine pitch 
nennen und sollte jeder, mit etwas Loeterfahrung, hin bekommen.

Wenn es den unbedingt noetig ist. Die Software wird schon halbwegs 
aktuelle sein und ohne Hardware- Umbau nuetzt auch die "bessere" 
Software nicht viel.
Und wie ja oben schon steht tut es das Ding doch ganz gut. Ist doch dann 
voellig okay.

Karl-Heinz Kübbeler schrieb:
> Weiss jemand, ob man bei gesetzten Lock-Bits auch die Fuses nicht lesen
> kann?

Wuerde mich auch interessieren. Ich moechte dafuer jetzt keinen ATmega 
opfern.

von Charly B. (charly)


Lesenswert?

Barney Geroellheimer schrieb:

> Wenn man von einem m168 aus geht, kann man ihm ein weiteres
> Programmieren und Auslesen "untersagen". LB 0xFC
FALSCH! der M168 kann immer geloescht werden und wieder
programmiert werden solange Reset oder SPI nicht 'abgeschaltet'
wurden und der Osc. noch funktioniert


> Das SPI kann man beim m168 nicht abschalten da er keinen JTAG hat.
FALSCH! kann man schon abschalten, nur nicht im SPI mode

> Bleibt noch der RST Pin.

> Bei allen drei Varianten hilft nur HV, wobei ich mir beim lock bit hier
> auch nicht sicher bin.
Quatsch, nur wenn RST oder SPI abgeschaltet wurde oder der Osc.
'abgeschaltet' wurde wird HV-Programming benoetigt

vlG
Charly

von Michael D. (mike0815)


Angehängte Dateien:

Lesenswert?

hier mal eine kleine bebilderte Aufklärung.
Ich wollte eigentlich noch etwas dazu schreiben aber ich denke, Bilder 
sagen mehr als Worte.
Und natürlich kann ich das "geistige Eigentum" mit den "Lockbits" derart 
schützen, das da kein Schwein dran kommt!!!
Würde dieser Schreib-bzw. Ausleseschutz nicht bestehen, würde keiner 
diese µC verwenden.
Also bleibt da nur übrig den Inhalt zu löschen(HV), die Lockbits und 
Fuses auf Werkseinstellung zu setzen und dann ist der Chip wieder 
beschreibbar.
Ausserdem besteht da noch der Unterschied Lockbit u. Fuses. Mit den 
Fuses kann ich ja z.B den Resetpin als Portpin verwenden, dann ist ein 
Beschreiben auch nicht mehr möglich, ohne den Inhalt vorher zu löschen, 
es sei denn, man hat HV-Programmierung zur verfügung, oder liege ich da 
falsch?

Gruß Michael

von Hannes L. (hannes)


Lesenswert?

Michael D. schrieb:
> oder liege ich da
> falsch?

Teilweise ja, leider...

Michael D. schrieb:
> Mit den
> Fuses kann ich ja z.B den Resetpin als Portpin verwenden, dann ist ein
> Beschreiben auch nicht mehr möglich, ohne den Inhalt vorher zu löschen,

Du kannst ihn auch nicht per ISP löschen, da Du keinen Resetpin mehr 
hast.

Beschreiben ohne vorheriges Löschen ist nur bei neuen (leeren) AVRs 
sinnvoll, ist schon was drauf, muss man dies halt löschen (außer 
Bootloader).

HV braucht man nur dann, wenn man den Reset-Pin oder SPIEN weggefust 
hat. Selbst wenn man den Takt verfust hat, hilft immernoch ein externer 
Oszillator und eine Anpassung der ISP-Frequenz (mit alternativen 
Programmern nicht immer möglich). Eine weitere Falle bei moderneren AVRs 
ist das Verstellen des Taktvorteilers CLKPR per Software. Wenn der 
Programmer vor dem Einschalten des ISP-Modus (Reset auf L, 
Initialisierungs-Sequenz) den AVR mit Spannung versorgt hat, dann hat 
das Programm bereits den Taktvorteiler aktiviert, der dann auch beim 
Reset wirkt. Hier hilft es, den Reset-Pin auf L zu legen, bevor der AVR 
Spannung bekommt. Das verhindert den Programmstart und damit auch das 
Verstellen von CLKPR. Also auch hier braucht es kein HV.

Ansonsten ist Deine Aussage korrekt.

...

von Barney G. (fuzzel)


Lesenswert?

Charly B. schrieb:
> Barney Geroellheimer schrieb:
>
>> Wenn man von einem m168 aus geht, kann man ihm ein weiteres
>> Programmieren und Auslesen "untersagen". LB 0xFC
> FALSCH! der M168 kann immer geloescht werden und wieder
> programmiert werden solange Reset oder SPI nicht 'abgeschaltet'
> wurden und der Osc. noch funktioniert
>
Liest Du auch, oder sabbelst Du nur ?

Wo habe ich denn geschrieben das man ihn nicht loeschen kann ? Kann ich 
nirgens finden.
>
>> Das SPI kann man beim m168 nicht abschalten da er keinen JTAG hat.
> FALSCH! kann man schon abschalten, nur nicht im SPI mode
>
Ach und wie sonst ? Jetzt komm mir nicht mit HV an. Die bauen da sicher 
keine SPI Buchse dran um ihn dann per HV zu programmieren. HV ist keine 
Programmiermethode, lediglich eine Rettungsmassnahme.
>
>> Bleibt noch der RST Pin.
>
>> Bei allen drei Varianten hilft nur HV, wobei ich mir beim lock bit hier
>> auch nicht sicher bin.
> Quatsch, nur wenn RST oder SPI abgeschaltet wurde oder der Osc.
> 'abgeschaltet' wurde wird HV-Programming benoetigt

Ja was habe ich denn anders geschrieben ? Bist Du besoffen oder was 
rauchst Du da fuer ein Zeug ?
Wie schaltet man den Oszillator denn ab ? Wenn ueberhaupt kann man ihn 
verstellen und dafuer braucht man dann kein HV, dazu reicht ein externer 
Takt.


@all

Sowas laesst mir ja keine Ruhe, also ausprobiert. Versuchobjekt m88P

Programm drauf (simpler Porttester), low und high auf Standard und lock 
auf 0xFC, also gegen Auslesen und Programmieren geschuetzt.

Die fuses konnte ich nachher ganz normal auslesen, die sind also nicht 
gegen Auslesen geschuetzt. Aendern ging nicht. Flash oder eeprom 
auslesen ebenfalls nicht.
Wenn man aber den flash und eeprom Inhalt loescht, kann man ganz normal 
per ISP die fuses wieder zurueck setzten, man braucht kein HV.

AVRStudio 4.18 / STK500

Wenn mir jemand sagt wie ich das per AVRDude unter Linux machen muss, 
dann kann ich das auch noch posten.

von Barney G. (fuzzel)


Lesenswert?

Konnte nicht mehr editieren

Im HV Mode natuerlich das Selbe. Man muss erst den Inhalt loeschen, erst 
danach kann man das lock bit zurueck setzen. Waere ja auch Sinnlos wenn 
das so einfach waere :)

Interessant waere vielleicht mal zu suchen, nach welcher Speicherstelle 
das lock bit 0xFC genau sucht.

von Barney G. (fuzzel)


Lesenswert?

Frank O. schrieb im Beitrag #2993048:
> Richtig!

Was ist daran wo "Richtig" ? Kompletter Bloedsinn !

> DW nicht zu vergessen. Dann kommste mit SPI auch nicht mehr rein.

Ja, aber nur weil der RST umgeschaltet ist. Also nichts weiter als kein 
RST auf dem SPI.
Wobei ich finde, dass DW zum debuggen eine Notloesung ist. Fuer sowas 
nimmt einen geeigneten AVR mit JTAG.

>>> Beitrag #2993048 wurde vom Autor gelöscht.

Oh, geloescht ? Na da bin ich ja mal gespannt wann die ersten "Gaeste" 
auftauchen.

von F. F. (foldi)


Lesenswert?

Barney Geroellheimer schrieb:
> Frank O. schrieb im Beitrag #2993048:
>> Richtig!
>
> Was ist daran wo "Richtig" ? Kompletter Bloedsinn !
>
>> DW nicht zu vergessen. Dann kommste mit SPI auch nicht mehr rein.
>
> Ja, aber nur weil der RST umgeschaltet ist. Also nichts weiter als kein
> RST auf dem SPI.
> Wobei ich finde, dass DW zum debuggen eine Notloesung ist. Fuer sowas
> nimmt man JTAG.

Beim 328? Wie denn? Haben deine ne JTAG-Schnittstelle? Sag mir die 
Bestellnummer, dann kauf ich die nur noch.*grins*
Nix für Ungut, aber das haben nur die "größeren" Megas.

Ob man das beim HV löschen muss, hab ich nicht ausprobiert, macht aber 
Sinn, sonst brauche ich keinen Schutz, wenn ich den dann mit einer 
anderen Progammiermethode umgehen kann.
Ich hatte mich, weil ich zunächst keine Ahnung hatte, schon an einigen 
µC ausgesperrt und da war HV ein Segen. Hat ja auch nicht jeder einen 
Funktionsgenerator zu Hause stehen um den Takt "von außen" an zu legen.

von Charly B. (charly)


Lesenswert?

Barney Geroellheimer schrieb :
> Ja was habe ich denn anders geschrieben ? Bist Du besoffen oder was
> rauchst Du da fuer ein Zeug ?
1. ich hatte dich schon mal gebeten deine Kraftausdrucke bei dir Zuhause 
zu verwenden, kannste bei deinen Eltern oder Frau oder Kinder verwenden,
hier brauchen wird die nicht!

2. da du noch nichtmal in der Lage bist deinen Beitrag durchzulesen hier 
nochmal was du geschrieben hast:

> Bei  allen  drei  Varianten  hilft  nur  HV,  wobei ich
> mir  beim  lock  bit  hier  auch  nicht  sicher   bin.

und wenn du dir nicht sicher bist warum behauptest du es dann?????
merkst du eigentlich nicht was du fuer einen Nonsens du von dir 
gibst???

>Ich besauf mich jetzt, bis morgen.
ist meiner Meinung nach mehr deine Begabung..... (oder dein 
Dauerzustand??)


> Wie schaltet man den Oszillator denn ab ? Wenn ueberhaupt kann man ihn
> verstellen und dafuer braucht man dann kein HV, dazu reicht ein externer
> Takt.

Es gibt bei versch. AVR fusekombinationen da nutzt auch kein externer
Takt mehr was.

>Ach und wie sonst ? Jetzt komm mir nicht mit HV an. Die bauen da sicher
>keine SPI Buchse dran um ihn dann per HV zu programmieren. HV ist keine
>Programmiermethode, lediglich eine Rettungsmassnahme.
wieso ? weil du es so definiert hast??? lese mal im Datenbatt was
da steht, aber verbreite ruhig weiter deinen Nonsens.......


...und ich hab dich auch lieb Barney :*

von Barney G. (fuzzel)


Lesenswert?

Frank O. schrieb:
> Beim 328? Wie denn? Haben deine ne JTAG-Schnittstelle? Sag mir die
> Bestellnummer, dann kauf ich die nur noch.*grins*
> Nix für Ungut, aber das haben nur die "größeren" Megas.

Wenn Du mich schon zitierst, dann auch richtig, da steht doch deutlich

>> Fuer sowas nimmt einen geeigneten AVR mit JTAG.

Ja, HV ist schon einfach, aber meist geht es so. ISP kann man per ISP 
nicht versemmeln, RST kann MAL passieren, aber spaetestens dann weiss 
man es und einen FG braucht man fuer den externen Takt nun wirklich 
nicht. Ein oller ausgebauter Oszillator reicht doch.
Zur Not gibt es doch x Taktquellen. RS232 z.B. Einen weiteren µC 
programmieren, dafuer kann man ja alles nehmen.
Ich glaube hier im Tutorial steht drin was man da alles machen kann.

Aber wie gesagt, wenn einem das zwei mal passiert ist, kennt man die 
"boesen" fuses und dann passiert das auch nicht mehr.
Bloed ist dann nur wenn das Programm 1 und 0 vertauscht.. PonyProg oder 
welches war das ? Vergessen.
Aber das betrifft dann auch nur die mit diesen dollen 2.- Werkzeugen aus 
dem Land der freundlichen kleinen Menschen.
Ordentliches Programmiergeraet kaufen und man hat mit solch einem 
Pipikram keine Probleme. Geiz mag geil sein, wenn man alles 5x kaufen 
will.

Charly B. schrieb:
>> Bei  allen  drei  Varianten  hilft  nur  HV,  wobei ich
>> mir  beim  lock  bit  hier  auch  nicht  sicher   bin.
>
> und wenn du dir nicht sicher bist warum behauptest du es dann?????

Weil ich mir beim lock bit nicht sicher bin ? Habe ich da was 
behauptet ?

Du raffst das nicht wirklich, oder ? Lass mal das Zeugs weg, evtl. 
kannst Du dann klarer denken. Den Rest habe ich garnicht erst gelesen.

von F. F. (foldi)


Lesenswert?

Barney Geroellheimer schrieb:
> Wenn Du mich schon zitierst, dann auch richtig, da steht doch deutlich
>
>>> Fuer sowas nimmt einen geeigneten AVR mit JTAG.

Asche auf mein Haupt! Du hast natürlich recht.

Aber schön aus deinen Worten, zwischen den Zeilen zu lesen, dass ihr 
Cracks auch so eure Erfahrungen gemacht habt.*schmunzel*
Ich mache das nun knapp fünf Monate und bin bei meiner knappen Zeit 
schon ziemlich weit gekommen (finde ich), aber gerade im Anfang hat mein 
keinen "gescheiten" Progrliammer. Mittlerweile habe ich Alles mögliche 
um mich zu retten.
Hatte mir dann erst ein Shield für den Arduino gebaut (weil auch der 
letzte 328 verfused war) und dann irgendwann kam das China-Teil aus 
Amerika.
Dann die Dragonen und nun ist das alles nicht mehr so schlimm.
Aber Anfangs steht man ziemlich blöd da, vor allem, wenn man noch nicht 
alles gelesen hat.

Zu den Beleidigungen:
Das ist wirklich Schade, dass sich hier immer "an die Fresse" gehauen 
wird. Dann doch lieber real im Ring.
Aber in diesem Fall glaub ich nicht mal, dass es so böse gemeint war. 
Vielleicht seine Ausdrucksweise.
Hier gibt es Leute, ob die sich das trauen würden einem das so ins 
Gesicht zu sagen?
Diese "Kellerkinder", die nur hinter ihrem PC eine große Klappe haben, 
die möchte ich mal draußen sehen.

Selbst wenn man völlig anderer Meinung ist oder anderes erlebt hat, das 
kann man doch mal stehen lassen.
Alle wundern sich über die Kriege und finden das meistens unnötig, aber 
schaut euch nur mal das Forum an, in jeden dritten Thread prügeln einige 
aufeinander ein.
Wirklich sehr schade!
Ich bin so froh, dass hier so tolle Leute sind, die einem immer weiter 
helfen. Tolle Artikel, Beiträge und Ideen. Wäre wirklich schön, wenn das 
ohne (bösen) Streit ginge.

von Michael D. (mike0815)


Lesenswert?

@Hannes
> Du kannst ihn auch nicht per ISP löschen, da Du keinen Resetpin mehr
> hast.
Ja, hatte ich doch auch so gemeint! ;-)

Fakt ist, wenn der Controller gelockt ist um den Inhalt zu schützen, 
kommt man um eine Löschung nicht herum!
Ich habe hier einen selbstgebauten HV-Programmer mit UART-Anbindung, der 
mir alle benötigten Daten ausgibt und den µC in den Auslieferungszustand 
versetzt. Dabei wird natürlich auch der Inhalt gelöscht, was ja nicht 
tragisch ist, da man den Code sowieso zur Hand hat/haben sollte.
Mit dem Teil konnte ich bisher 5 µC wiederbeleben, Einer war defekt und 
nicht mehr zu retten...

Und ja, vertragt euch, besser ist das! Es gibt im realen Leben schon 
genug Kriege, was Frank schon andeutete.
Natürlich kommt bei dem einen oder anderen Kommentar ein Augenrollen(von 
mir), trotzdem sollte man doch etwas sachlicher und diplomatischer 
vorgehen!
Heute Abend können wir, wenn ihr wollt, dann gemeinsam "Einen" Rauchen 
und alles ist wieder gut!!! :-)

Gruß Michael

von Tomas Starcok (Gast)


Lesenswert?

My version of this tester is on low-cost single sided PCB, more photos 
here:

https://picasaweb.google.com/101542635056237175509/TesterElektronickychSuciastok?noredirect=1#5820395948429938770

von Paul B. (paul_baumann)


Lesenswert?

Velmi pěkný, Tomas!

MfG Paul

von Charly M. (Firma: privat) (charly_01)


Angehängte Dateien:

Lesenswert?

Hallo,

ich habe auch mein China Teil bekommen und kann evtl. etwas zur 
Beantwortung der Fragen beitragen.

Ausgangslage nach Lieferung:

Platinenbeschriftung:
Booster Edition
Ver. 22 2012/11/26
Transistor-L/C ESR Tester

-AtMega168 SMD (abgeschliffene Kennung)
-78L05 als Spannungsregler.
-keine 2,5V Spannungsreferenz. Es gibt zwar eine Diode aber die ist für 
den Verpolungsschutz
-LCD ist nicht beleuchtet (stand auch in der Auktionsbeschreibung)
-Software 1.02K
-Sprache englisch
-Fusebits: nur interner RC Oscillator
-lockbits: alles dicht gemacht

LCD Hintergrundbeleuchtung ist bereits vorgesehen. Es reicht nur ein 
anderes LCD aufzustecken welches beleuchtet ist. Es muss an der Platine 
nichts geändert werden. Mein LCD leuchtet nicht gerade sehr hell aber 
man kann es doch deutlich besser ablesen als das original mitgelieferte 
LCD welches ohne Beleuchtung ist.

Die ISP Buchse ist nach Standard belegt und muss nur bestückt werden. 
Ich habe abgewinkelte Kontaktleisten genommen, um auch bei aufgestecktem 
LCD Programmieren zu können.

Die Fusebits lassen sich nach dem löschen des AVR beliebig ändern. Nach 
dem löschen des AVR sind auch alle Lockbits gelöscht. Alles Funktioniert 
über ISP und man benötigt KEINEN HV Programmer.

Was beim Programmieren anzumerken währe, ist das man den Taster die 
gesamte Zeit gedrückt halten muss, damit der AVR mit Spannung versorgt 
wird während des Programmierens. Mein Programmer versorgt die Externe 
Schaltung nicht mit Strom.

Habe die Fusebits auf Ext. Full Swing Crystal gesetzt um den bereits 
bestückten 8MHz Quarz zu aktivieren.

Aktuelle HEX und EEP geflasht und nun habe ich Version 1.05K drauf.

Was noch zu ermitteln währe ist, ob der Kondensator am AREF 1nF hat wie 
nach Schaltplan angegeben. Ich habe den noch nicht ausgemessen. Evtl. 
weiss das ja aber jemand von euch ob dort 100nF oder 1nF verbaut wurde 
von den Chinesen.

Ich hoffe, das ich ein paar Unklarheiten beseitigen konnte

M.f.G.

Charly

von Karl-Heinz K. (kubi48)


Lesenswert?

Charly Meier schrieb:
> -keine 2,5V Spannungsreferenz. Es gibt zwar eine Diode aber die ist für
> den Verpolungsschutz

Hallo Charly,
ich glaube nicht, daß die Diode für den Verpolungsschutz ist.
Bei abgenommenen LCD kann man die Spannung an der Diode nachmessen.
Statt der 2.5V sind hier nur etwa 2.2V, da die Zenerdiode zu wenig Strom 
für 2.5V bekommt. Wenn an Pin PC4 zwischen 2.25V und 2.75V gemessen 
wird, wird diese Spannung für die Bestimmung der VCC-Spannung benutzt. 
Bei meinem Exemplar war die Spannung etwas zu klein, deswegen erfolgte 
keine "VCC=x.xxV" Ausgabe in LCD-Zeile 2 beim Einschalten. Die Referenz 
macht nur Sinn, wenn die Spannungsgenauigkeit höher ist als die des 5V 
Spannungsreglers.

Es gibt nur zwei sinnvolle Maßnahmen:
1.) Entfernen der Diode, dann kann vom Programm keine Referenz erkannt 
werden, weil die Spannung immer >2.75V ist.

2.) Umrüsten auf eine 2.5V Präzisionsreferenz. Nach meinem Wissen sind 
folgende geeignet:
LM4040 AIZ2.5  0.1%
LT1004 CZ-2.5  0.8%
LM385-2.5      0.8% (A-Grade)
TL431          0.4% (Reference - Anode verbunden, mehr minimal Strom!)

Grüße, Karl-Heinz

von F. F. (foldi)


Lesenswert?

Charly Meier schrieb:
> -Fusebits: nur interner RC Oscillator


Würde mich mal interessieren, ob der damit gute Werte liefert.

von Karl-Heinz K. (kubi48)


Lesenswert?

Frank O. schrieb:
> Charly Meier schrieb:
>> -Fusebits: nur interner RC Oscillator
>
>
> Würde mich mal interessieren, ob der damit gute Werte liefert.

Hallo Frank,
der Frequenzfehler ist nur eine der möglichen Quellen für Meßfehler bei 
der Kapazitätsmessung. Dadurch, daß das Lock-Bit gesetzt ist, kann man 
nicht feststellen, ob eine Kalibration durchgeführt wurde. Die 
Kalibration bewirkt auch eine Verbesserung der Messung kleiner 
Spannungen z.B. bei der Widerstandsmessung. Da keinerlei Dokumentation 
mitgeliefert wird, auch kein Verweis auf die Quelle der Software, weiß 
ein Benutzer normalerweise nichts über die Kalibrationsmöglichkeit.
Wie viel Einfluß die Kalibration im Einzelfall hat, hängt vom jeweiligen 
ATmega Exemplar ab. Manchmal geht es auch ganz gut ohne Kalibration.
Auch der interne RC-Oszillator stimmt bei etwa 25°C normalerweise 
ziemlich gut.

Grüße, Karl-Heinz

von Nachbauer (Gast)


Lesenswert?

Hallo,

ich würde mir gern den Tester nachbauen. Gibt es denn irgendwo ein 
Layout, welches ähnliches wie die Software versioniert wird?

Gruß Klaus

von Karl-Heinz K. (kubi48)


Lesenswert?

Nachbauer schrieb:
> Gibt es denn irgendwo ein
> Layout, welches ähnliches wie die Software versioniert wird?

Drei Versionen von Asko B. (dg2brs) sind als Link zur der Stelle im 
Thread auf der Wiki Seite: 
http://www.mikrocontroller.net/articles/AVR_Transistortester im Hardware 
Teil eingetragen. Eine neuere Version (Sammelbestellung im Markt) ist 
mir nicht bekannt.

Grüße, Karl-Heinz

von mkburkersdorf (Gast)


Lesenswert?

Hallo Karl-Heinz,

Vielen Dank, daß Du die Unterlagen für den Transistortester für alle 
Zugänglich machst. Ich habe den Tester in 2 Varianten nachgebaut.

1. Version mit bedrahteten Bauelementen. Hier klappt alles.

2. Version mit SMD Bauelementen. Hier habe ich das Problem mit dem 1nF
   Kondensator. Hier wird beim Testen immer Cell ausgegeben.
   Nachdem ich den Kondensator auf 10nF erhöht habe klappt es auch mit 
der
   SMD-Version. Auch die Meßergebnisse sind noch genau.
   Auch die Änderung des CAP_EMPTY_LEVEL hat nichts gebracht.

Hast Du eine Erklärung dafür?

Vielen Dank
Manfred

von Charly M. (Firma: privat) (charly_01)


Lesenswert?

Hallo Karl Heinz,

du hast ja sooo recht, das es doch eine Referenzspannung gibt (die aber 
nicht funktioniert). Ich habe mich verwirren lassen, weil an die Diode 
ein 27K R geht mit der Bezeichnung R13 auf der Platine. Es müßte laut 
Schaltplan aber der R15 mit 2,2K sein. Da scheinen sich die Chinesen 
nicht an den Plan gehalten zu haben. An Spannung habe ich dort 1,4V 
gemessen was natürlich weit weg von den gewollten 2,5V ist. Auch der 
Austausch des Widerstandes gegen einen 2,2K Widerstand hat keine 2,5V 
sondern nur ca. 2,1V ergeben. Also unbrauchbar.

Ich hatte bei der letzen Pollinbestellung LM336Z 2,5V bestellt. Das 
müßte ja eine 2,5V Referenz sein. Kann ich die auch verwenden? Die steht 
nicht in deiner Liste. Hatte versuchsweise mal einen LM336 aufs 
Steckbrett gesetzt mit 2,5K in der VCC und dann am AdJ gegen Masse die 
Spannung gemessen, aber leider sind dort nur 1,25V raus gekommen. Keine 
Ahnung was ich da falsch gemacht habe.

Warum gibt es eigentlich keine 1.04K Version? Im SVN steht die zwar als 
1.04K drin, aber wenn man den Selbsttest durchlaufen läßt, dann wird 
1.05K angezeigt. In der pdf Doku wird Konsequenterweise aber auch 1.05K 
angezeigt :-)

Evtl. kannst du mir noch bei einem Problem einen Rat geben. Ich habe 
unter Linux Mint versucht selbst deinen Quellcode zu Kompilieren. Da ich 
gern mal mit den Parametern rumspielen und eine deutsche Anzeige 
einstellen wollte. Leider bekomme ich da aber eine Fehlermeldung mit 
unbearbeiteter MAKE

(die letzten beiden Zeilen sind die Fehlermeldungen)
1
charly_01@charly-desktop-neu /tmp/trunk/default $ make
2
avr-gcc  -Wall -DWITH_SELFTEST -DAUTO_CAL -DWITH_AUTO_REF -DREF_C_KORR=12 -DREF_L_KORR=50 -DC_H_KORR=0 -DWITH_UART -DCAP_EMPTY_LEVEL=4 -DAUTOSCALE_ADC -DREF_R_KORR=3 -DESR_ZERO=29 -DNO_AREF_CAP -DUSE_EEPROM -DPULLUP_DISABLE -DANZ_MESS=25 -DPOWER_OFF -DBAT_CHECK -DBAT_OUT=150 -DBAT_POOR=64 -DF_CPU=8000000UL -mmcu=atmega168 -gdwarf-2 -std=gnu99 -Os -funsigned-char -funsigned-bitfields -fpack-struct -fshort-enums -MD -MP -MT lcd-routines.o -MF dep/lcd-routines.o.d  -c  ../lcd-routines.c
3
avr-gcc  -Wall -DWITH_SELFTEST -DAUTO_CAL -DWITH_AUTO_REF -DREF_C_KORR=12 -DREF_L_KORR=50 -DC_H_KORR=0 -DWITH_UART -DCAP_EMPTY_LEVEL=4 -DAUTOSCALE_ADC -DREF_R_KORR=3 -DESR_ZERO=29 -DNO_AREF_CAP -DUSE_EEPROM -DPULLUP_DISABLE -DANZ_MESS=25 -DPOWER_OFF -DBAT_CHECK -DBAT_OUT=150 -DBAT_POOR=64 -DF_CPU=8000000UL -mmcu=atmega168 -gdwarf-2 -std=gnu99 -Os -funsigned-char -funsigned-bitfields -fpack-struct -fshort-enums -MD -MP -MT lcd_hw_4_bit.o -MF dep/lcd_hw_4_bit.o.d  -c  ../lcd_hw_4_bit.S
4
avr-gcc  -Wall -DWITH_SELFTEST -DAUTO_CAL -DWITH_AUTO_REF -DREF_C_KORR=12 -DREF_L_KORR=50 -DC_H_KORR=0 -DWITH_UART -DCAP_EMPTY_LEVEL=4 -DAUTOSCALE_ADC -DREF_R_KORR=3 -DESR_ZERO=29 -DNO_AREF_CAP -DUSE_EEPROM -DPULLUP_DISABLE -DANZ_MESS=25 -DPOWER_OFF -DBAT_CHECK -DBAT_OUT=150 -DBAT_POOR=64 -DF_CPU=8000000UL -mmcu=atmega168 -gdwarf-2 -std=gnu99 -Os -funsigned-char -funsigned-bitfields -fpack-struct -fshort-enums -MD -MP -MT main.o -MF dep/main.o.d  -DLANG_ENGLISH -c  ../main.c
5
avr-gcc  -Wall -DWITH_SELFTEST -DAUTO_CAL -DWITH_AUTO_REF -DREF_C_KORR=12 -DREF_L_KORR=50 -DC_H_KORR=0 -DWITH_UART -DCAP_EMPTY_LEVEL=4 -DAUTOSCALE_ADC -DREF_R_KORR=3 -DESR_ZERO=29 -DNO_AREF_CAP -DUSE_EEPROM -DPULLUP_DISABLE -DANZ_MESS=25 -DPOWER_OFF -DBAT_CHECK -DBAT_OUT=150 -DBAT_POOR=64 -DF_CPU=8000000UL -mmcu=atmega168 -gdwarf-2 -std=gnu99 -Os -funsigned-char -funsigned-bitfields -fpack-struct -fshort-enums -MD -MP -MT swuart.o -MF dep/swuart.o.d  -c  ../swuart.S
6
avr-gcc  -Wall -DWITH_SELFTEST -DAUTO_CAL -DWITH_AUTO_REF -DREF_C_KORR=12 -DREF_L_KORR=50 -DC_H_KORR=0 -DWITH_UART -DCAP_EMPTY_LEVEL=4 -DAUTOSCALE_ADC -DREF_R_KORR=3 -DESR_ZERO=29 -DNO_AREF_CAP -DUSE_EEPROM -DPULLUP_DISABLE -DANZ_MESS=25 -DPOWER_OFF -DBAT_CHECK -DBAT_OUT=150 -DBAT_POOR=64 -DF_CPU=8000000UL -mmcu=atmega168 -gdwarf-2 -std=gnu99 -Os -funsigned-char -funsigned-bitfields -fpack-struct -fshort-enums -MD -MP -MT wait1000ms.o -MF dep/wait1000ms.o.d  -c  ../wait1000ms.S
7
avr-gcc  -Wall -DWITH_SELFTEST -DAUTO_CAL -DWITH_AUTO_REF -DREF_C_KORR=12 -DREF_L_KORR=50 -DC_H_KORR=0 -DWITH_UART -DCAP_EMPTY_LEVEL=4 -DAUTOSCALE_ADC -DREF_R_KORR=3 -DESR_ZERO=29 -DNO_AREF_CAP -DUSE_EEPROM -DPULLUP_DISABLE -DANZ_MESS=25 -DPOWER_OFF -DBAT_CHECK -DBAT_OUT=150 -DBAT_POOR=64 -DF_CPU=8000000UL -mmcu=atmega168 -gdwarf-2 -std=gnu99 -Os -funsigned-char -funsigned-bitfields -fpack-struct -fshort-enums -MD -MP -MT ReadCapacity.o -MF dep/ReadCapacity.o.d  -c  ../ReadCapacity.c
8
In file included from ../ReadCapacity.c:32:0:
9
../Transistortester.h:361:25: 
10
11
error: variable ‘SELFTEST’ must be const in order to be put into read-only section by means of ‘__attribute__((progmem))’
12
../Transistortester.h:362:25: 
13
14
error: variable ‘RELPROBE’ must be const in order to be put into read-only section by means of ‘__attribute__((progmem))’
15
make: *** [ReadCapacity.o] Fehler 1

Habe es auch mit älteren als der 1.04K Versucht, auch dort kommt die 
Fehlermeldung. Ich muss dazu sagen, das ich keine Linux Erfahrung habe 
und normal unter Windows mit Bascom AVRs Programmiere. Ein sudo vor dem 
make hat auch keine Veränderung gebracht.

Schönes Wochenende

Gruß Charly

von Michael D. (mike0815)


Lesenswert?

Hallo Charly Meier,
die LM336 im TO92 Gehäuse, wird von vorn volgerndermassen angeschlossen:
Pin 1 NC- Pin 2 über 2k2 an VCC 5V- Pin 3 GND. Beim Einschalten des 
Testers müssen dann an Pin 2+3 2,5V anliegen, ist das nicht der Fall, 
hat dich Pollin beschissen und du hast eine 1,2V Version erwischt.

Gruß Michael

EDIT: Wenn du mit dem 4.19er Studio arbeitest, kann ich dir ein 
dementsprechendes Kompilat mit gültiger "APS" zukommen lassen

von Karl-Heinz K. (kubi48)


Lesenswert?

mkburkersdorf schrieb:
> Version mit SMD Bauelementen. Hier habe ich das Problem mit dem 1nF
>    Kondensator. Hier wird beim Testen immer Cell ausgegeben.
>    Nachdem ich den Kondensator auf 10nF erhöht habe klappt es auch mit
> der
>    SMD-Version. Auch die Meßergebnisse sind noch genau.
>    Auch die Änderung des CAP_EMPTY_LEVEL hat nichts gebracht.
>
> Hast Du eine Erklärung dafür?

Hallo Manfred,
leider habe ich auch keine Erklärung.
Bei mir liefert der Tester keine unterschiedlichen Ergebnisse mit 1nF 
Kondensator am AREF Pin oder ohne Kondensator (bedrahtete Version).
Bei einem AREF Kondensator von 10nF würde ich auf jeden Fall die 
Makefile Option NO_AREF_CAP entfernen. Bei der Durchsicht des ReadADC 
Programms ist mir aufgefallen, daß die verwendete Wartezeit für den 
100nF AREF Kondensator auf keinen Fall ausreicht.
Bevor der Tester mit den Messungen beginnt, werden zunächst die Pins 
entladen. Wenn "Cell" gemeldet wird, bleibt bei diesem Entladevorgang 
eine zu hohe Restspannung. Die Restspannung hat aber nichts direkt mit 
dem Kondensator am AREF Pin zu tun. Die Restspannung kann durch 
Isolationsprobleme (Lötmittelreste ...) entstehen oder auch durch 
Störungen auf der VCC Spannung (Schwingneigung des Reglers, 
Schaltnetzteil ...).
Die SMD-Bauteile können auch nicht Ursache für die Probleme sein. Der 
Aufbau der Chinesen ist auch mit SMD-Bauteilen und zeigt die Probleme 
nicht!

Grüße, Karl-Heinz

von Karl-Heinz K. (kubi48)


Lesenswert?

Charly Meier schrieb:
> Warum gibt es eigentlich keine 1.04K Version? Im SVN steht die zwar als
> 1.04K drin, aber wenn man den Selbsttest durchlaufen läßt, dann wird
> 1.05K angezeigt. In der pdf Doku wird Konsequenterweise aber auch 1.05K
> angezeigt :-)
>
> Evtl. kannst du mir noch bei einem Problem einen Rat geben. Ich habe
> unter Linux Mint versucht selbst deinen Quellcode zu Kompilieren. Da ich
> gern mal mit den Parametern rumspielen und eine deutsche Anzeige
> einstellen wollte. Leider bekomme ich da aber eine Fehlermeldung mit
> unbearbeiteter MAKE

Hallo Charly,
wenn Du die 1.05k liest, hast Du eine Vorversion der 1.05k aus dem 
Entwicklerzweig (Software/trunk). Die 1.04k Version ist im Software/tags 
Ordner als Zip-File abgelegt.
Das Meckern des gcc Compilers muß an einer anderen gcc Version liegen.
Wenn diese Compilerversion einen const haben will, kann man bei Zeile 
~360
in Transistortester.h die Anweisungen mit "extern const" statt "extern" 
versehen:
 // no MAIN_C
 #define COMMON extern
 #ifdef WITH_SELFTEST
  extern const unsigned char SELFTEST[] MEM2_TEXT;
  extern const unsigned char RELPROBE[] MEM2_TEXT;
  extern const unsigned char ATE[] MEM_TEXT;
 #endif

Grüße, Karl-Heinz

von Charly M. (Firma: privat) (charly_01)


Angehängte Dateien:

Lesenswert?

Michael D. schrieb:
> Hallo Charly Meier,
> die LM336 im TO92 Gehäuse, wird von vorn volgerndermassen angeschlossen:
> Pin 1 NC- Pin 2 über 2k2 an VCC 5V- Pin 3 GND. Beim Einschalten des
> Testers müssen dann an Pin 2+3 2,5V anliegen, ist das nicht der Fall,
> hat dich Pollin beschissen und du hast eine 1,2V Version erwischt.
>
> Gruß Michael
>
> EDIT: Wenn du mit dem 4.19er Studio arbeitest, kann ich dir ein
> dementsprechendes Kompilat mit gültiger "APS" zukommen lassen

Hallo Michael,

dein Hinweis war Gold wert. Ich habe immer fleißig am Adj. Pin gemessen 
und nicht an Pin2. Jetzt habe ich die 2.5V.

SMD Widerstand R13 und Diode D1 habe ich jetzt von der Chinaplatine 
entfernt und dann gleich alles mit bedrahteten Bauteilen an dem 
Chinatester angelötet. Sieht nicht schön aus aber es klappt wunderbar 
und wird vom LCD verdeckt ;-) . Jetzt sollte das China Teil ungefähr den 
aktuellen Hardwarestand haben. Ich muss nur noch prüfen ob es die 
zusätzlichen externen pulup R gibt und ob die Kondensatorkapazitäten mit 
den Schaltplanangaben übereinstimmen.

Auf dem Windowsrechner habe ich kein AVR Studio Installiert, da ich dort 
nur in Bascom Programmiere. Wenn, dann währe ich für Tips dankbar wie 
ich es auf meinem Linux Testrechner Kompiliert bekomme. Aber danke für 
dein Angebot. Evtl. komme ich doch mal drauf zurück und würde dich dann 
per PN anschreiben. Im Moment kann ich auch gut mit den hex und eep 
Files die im SVN liegen leben. War nur der Spieltrieb mal die ganzen 
Optionen auszuprobieren und deutsch als Anzeigesprache zu haben.

EDIT:
Hallo Karl Heinz,

das könnte sein, das es an der gcc Version liegt. Werde deinen Vorschlag 
gleich mal testen. Du hast recht, das die 1.05K im Entwicklerzweig lag. 
Im Archiv habe ich dann auch die 1.04K gefunden. Ich muss erst mal mit 
der Ordnerstruktur vertraut werden, wie dort wo welche Dateien abgelegt 
sind

Vielen lieben dank für eure Hilfe.

von Charly M. (Firma: privat) (charly_01)


Angehängte Dateien:

Lesenswert?

Hallo Karl Heinz,

dank deines Tips

>Wenn diese Compilerversion einen const haben will, kann man bei Zeile
>~360
>in Transistortester.h die Anweisungen mit "extern const" statt "extern"
>versehen:
> // no MAIN_C
> #define COMMON extern
> #ifdef WITH_SELFTEST
>  extern const unsigned char SELFTEST[] MEM2_TEXT;
>  extern const unsigned char RELPROBE[] MEM2_TEXT;
>  extern const unsigned char ATE[] MEM_TEXT;
> #endif


klappt jetzt auch das kompilieren unter Linux. Jetzt kann ich auch mit 
den ganzen Parametern rum spielen und habe die Sprache in deutsch ;-)

Dafür das ich das China Teil erst 2 Tage habe, bin ich dank euch schon 
recht weit gekommen.

Ich habe die alte Version mit Mega8 schon als Eigenbau gemacht und war 
begeistert von der Funktion,  aber bei dem Chinapreis konnte ich nicht 
wiederstehen etwas fertiges zu kaufen, zumal ich weder einen Mega168 
noch einen Mega328 da hatte und die erst hätte bestellen müssen. Mit den 
deutschen Versandkosten währe ich da sicherlich teurer im Eigenbau 
geworden.

Also danke nochmals an alle

LG Charly

PS: Ich bin mir nicht 100% sicher aber ich meine das seit dem Umbau auf 
den LM336 die Stromaufnahme um 10-20mA geringer geworden ist. Mit dem 
Original LCD ohne Beleuchtung liege ich laut Labornetzteil bei 10mA und 
mit LCD Beleuchtung bei 40mA.

von Karl-Heinz K. (kubi48)


Lesenswert?

Charly Meier schrieb:
> Mit dem
> Original LCD ohne Beleuchtung liege ich laut Labornetzteil bei 10mA und
> mit LCD Beleuchtung bei 40mA.

der geringerer Stromverbrauch liegt sehr wahrscheinlich an dem sleep 
Modus des ATmega in der pre_1.05k Testversion. Das 1k Poti für den 
LCD-Kontrast und der 78L05 Spannungsregler können durch 10k Poti und 
MCP1702 Regler ersetzt werden um etwa 8mA Ruhestrom zu sparen. Wenn die 
gemessenen 10mA stimmen, müsste wenigstens das 1k Poti schon ersetzt 
sein. Oder ist das Kontrastpoti nicht direkt mit der VCC Versorgung 
verbunden?
Wenn man ein LCD mit Beleuchtung einsetzt, kann man den 
LED-Vorwiderstand eventuell vergrößern, um Strom zu sparen.

Grüße, Karl-Heinz

von Karl-Anton D. (rentnerd)


Lesenswert?

Hallo Karl Heinz,

zuerst nochmal Danke für so viel Ausdauer bei der Weiterentwicklung.
Beim Relais möchte an bistabile Relais erinnern, z.B. den Typ AGN2104H 
von NAiS (ex. Matsushita). Mit einem Impuls von <4mS läßt sich das 
Relais in eine seiner beiden stabilen Zustände schalten und benötigt 
dann keine Energie mehr. Mit 200 Ohm Spulenwiderstand ist direkte 
Ansteuerung durch einen ATmega möglich. Ansteuerung entweder zwischen 2 
Ports oder mit einem Elko gegen Masse.

Datenblatt: 2xum, 1A/30V DC, 10,6x5,5x9mm hoch, Preis ~4Euro
Coil Rating, V DC                  4.5
Set voltage, V DC (max.) (initial)  3.38
Reset voltage, V DC (max.) (initial)  3.38
Nominal operating current, mA (±10%)  22.2
Coil resistance, Ohm (±10%)         202.5
Nominal operating power, mW            100
Max. allowable voltage, V DC           6.75

MfG Karl-Anton

von Hannes L. (hannes)


Lesenswert?

Karl-Anton D. schrieb:
> ist direkte
> Ansteuerung durch einen ATmega möglich.

@ Karlheinz:

Ist auf PortC nicht noch ein Pin frei? Wäre schön, wenn mit in die 
Software aufgenommen wird, dass dieser Pin während der Messung aktiviert 
wird. Da kann dann bei Bedarf mittels Elko ein bistabiles Relais 
angeschlossen werden, aber auch (ohne Elko) ein monostabiles Relais. Ich 
habe da welche für 4,5V mit 400 Ohm Spulenwiderstand, die belasten die 
Versorgung auch nicht mehr als eine LCD-Hintergrundbeleuchtung.

...

von Michael D. (mike0815)


Lesenswert?

Reed-Relays könnte dafür auch hin halten. Müssten dann aber "Öffner" 
sein, oder?

Gruß Michael

EDIT: Oh, Fehler. Müssten Schließer oder Wechsler sein. ;-)

von Hannes L. (hannes)


Lesenswert?

Michael D. schrieb:
> Müssten dann aber "Öffner"
> sein, oder?

Es müssen zwei Öffner sein.

Ich werde (sobald ich Zeit dazu finde) erstmal ein Relais in Reihe zur 
Hintergrundbeleuchtung des blau-weißen LCDs schalten und diese dann aus 
der Rohspannung vor dem Spannungsregler betreiben.

Ich muss auch mal sehen, ob und wie der Betrieb mit 2 Li-Ion-Zellen 
(18650) sinnvoll ist, da ich diese Zellen auch für viele andere Dinge 
nutze.

Alles in Allem:
Ein prima Teil, danke an alle Beteiligten. Ich hätte nicht gedacht, dass 
es so universell werden wird.

...

von Hannes L. (hannes)


Lesenswert?

Michael D. schrieb:
> EDIT: Oh, Fehler. Müssten Schließer oder Wechsler sein. ;-)

Nein, zwei Öffner. Denn sie sollen ja im Ruhezustand die Pins 
kurzschließen und nur während der Messung freigeben.

...

von Michael D. (mike0815)


Lesenswert?

Klingt logisch. 2x Schließer als Reed-Relais ist gerade schwer 
aufzutreiben, Reichelt hat da schon mal nichts, oder habe ich da was 
übersehen?

Der Karl-Heinz hat mit dem übrig gebliebenen Pin (PC4 ?) was anderes 
vorgehabt, soweit ich weiß.

von Milton J. (milton)


Lesenswert?

I don't have BC557C, is BC557B okay?

von Karl-Heinz K. (kubi48)


Lesenswert?

Milton Jonez schrieb:
> I don't have BC557C, is BC557B okay?

You can try a BC557B. This type has lower current amplification factor. 
You can adjust the R7 resistor (3.3k) to a lower value (2.2k) if 
necessary.

Best regards, Karl-Heinz

von Karl-Heinz K. (kubi48)


Lesenswert?

Hannes Lux schrieb:
> Ist auf PortC nicht noch ein Pin frei?

Hallo Hannes,
leider ist kein Pin mehr frei. Der PC3 Pin wird als Ausgabepin für eine 
serielle Ausgabe benutzt (wenig dokumentiert).
Den Reset Pin (PC6) kann man leider auch nicht benutzen, wenn man weiter 
über den ISP-Port neue Programmversionen laden möchte.


Der Idee, ein bistabiles Relais einzusetzen stehe ich etwas skeptisch 
gegenüber. Die ursprüngliche Idee war ja, daß im abgeschalteten Zustand 
die Eingänge des ATmega geschützt sind (durch die Ruhekontakte: Öffner).
Beim bistabilen Relais ist das nicht sicher gewährleistet. Speziell bei 
der Version ohne automatische Abschaltung könnte im falschen Moment 
ausgeschaltet worden sein.
Der Stromverbrauch durch das Relais hält sich für normale Messungen in
Grenzen, da das Relais ja nur zur Meßzeit geschaltet wird. Während der 
Anzeige- und Ablese-Zeit ist das Relais schon wieder abgeschaltet 
(Ruhekontakte geschlossen).

Grüße, Karl-Heinz

von Hannes L. (hannes)


Lesenswert?

Michael D. schrieb:
> Der Karl-Heinz hat mit dem übrig gebliebenen Pin (PC4 ?) was anderes
> vorgehabt, soweit ich weiß.

Auch gut, ich spendiere dem Tester noch einen Taster zum Überbrücken von 
Emitter und Basis des PNP-Transistors, damit ich den Tester vorzeitig 
ausschalten kann. Das Relais kommt dann über einen (versteckt 
angebrachten) Mikrotaster mit Öffner (zum Kalibrieren) parallel zur 
Hintergrundbeleuchtung. Ich werde zwar ein bereits oben erwähntes 
4,5V/400-Ohm-Relais (NAIS TXS2A) verwenden, aber das TQ2SA, das Pollin 
unter Nummer 340453 für 0,75 Euro anbietet, sollte mit 28mA auch 
geeignet sein. Vor einiger Zeit gab es da auch noch ein 5V-Relais (auch 
28mA) im DIL10-Gehäuse für 0,40 Euro, dessen 2 Wechsler mit je 2A 
belastbar waren.

...

von Hannes L. (hannes)


Lesenswert?

Karl-Heinz Kübbeler schrieb:
> Hallo Hannes,

Sorry, habe Deinen Beitrag aufgrund der Seitenaufteilung übersehen.

> leider ist kein Pin mehr frei.

Kein Problem, siehe oben.

Karl-Heinz Kübbeler schrieb:
> Der Stromverbrauch durch das Relais hält sich für normale Messungen in
> Grenzen, da das Relais ja nur zur Meßzeit geschaltet wird. Während der
> Anzeige- und Ablese-Zeit ist das Relais schon wieder abgeschaltet

Wie meinst Du das? Ich kann Deinen Schaltungsvorschlag (Relais-Treiber 
am Pin PC4, wo auch die Referenzspannungsquelle angeschlossen ist) nicht 
so recht nachvollziehen.

Schaltet die Software diesen Pin nach der Messung ab (und überbrückt 
dabei das Referenzelement)?

Wirkt sich die Belastung durch den Relaistreiber nicht auf die Konstanz 
der Referenz aus?

...

von Karl-Heinz K. (kubi48)


Angehängte Dateien:

Lesenswert?

Hannes Lux schrieb:
> Wie meinst Du das? Ich kann Deinen Schaltungsvorschlag (Relais-Treiber
> am Pin PC4, wo auch die Referenzspannungsquelle angeschlossen ist) nicht
> so recht nachvollziehen.

Hallo Hannes,

der Versorgungsstrom für die Referenz ist mit über 1.1mA reichlich 
bemessen. Davon zweigt die Basis des Schalttransistors gerade einmal 
0.5mA ab. Mit dem restlichen Strom kommen die Referenzen LM4040 oder 
LT1004 immer noch gut aus. Zum Abschalten des Relais wird der PC4 Pin 
auf GND geschaltet.
Dabei erhöht sich der Strom durch den 2.2k Widerstand, aber die Basis 
des Schalttransistors und die Spannungsreferenz bekommen keinen Strom 
mehr ab, der Strom fließt durch den Port PC4 ab (2.3mA).

Grüße, Karl-Heinz

von Hannes L. (hannes)


Lesenswert?

Karl-Heinz Kübbeler schrieb:
> Zum Abschalten des Relais wird der PC4 Pin
> auf GND geschaltet.

Danke, diese Info hat mir gefehlt.

Mein kaum vorhandenes C-Wissen reicht nicht aus, Deine Quältexte zu 
analysieren.

Für C bin ich zu blöd, ich werkele in Assembler. Die Programme meiner 
Basteleien sind aber bedeutend kleiner und auch weniger rechenintensiv. 
Dafür meist etwas zeitkritisch. ;-))

Danke, und beste Grüße,
Hannes

von Hannes L. (hannes)


Lesenswert?

Karl-Heinz Kübbeler schrieb:
> Zum Abschalten des Relais wird der PC4 Pin
> auf GND geschaltet.

Ab welcher Version wird das unterstützt?

Ich habe 1.04k, da passiert diesbezüglich nichts.

Oder muss man da erst was im Makefile ändern (nix gefunden, was das sein 
könnte) und neu kompilieren?

Dann wäre ich raus, Winavr habe ich aufgrund mangelnden C-Wissens nicht 
installiert...

...

von Karl-Heinz K. (kubi48)


Lesenswert?

Hannes Lux schrieb:
> Ab welcher Version wird das unterstützt?

Hallo Hannes,

da es sich um eine neue Idee handelt, wird das derzeit nur in der 
Entwicklerversion im Software/trunk Zweig unterstützt (pre_1.05k).
Da findet man auch fertige .hex / .eep Files.

Bei der Installation von WinAVR wird keine C-Kenntnis vorausgesetzt.
Die Bedienung der "Programmers Notepad" Bedienoberfläche und die 
Bedienung eines Editors für die Änderung der Makefile ist erforderlich, 
wenn man Anpassungen vornehmen will. Dabei ist es aber völlig egal, 
welchen Editor man dafür nimmt.
Wenn man das Laden der .hex und .eep mit avrdude (in der Makefile 
integriert) benutzen will, müssen die Optionen "PROGRAMMER= " und "PORT= 
" in der Makefile an die eigene Programmer-Hardware angepasst sein.
Wenn man auch das Setzen der Fuses mit "Programmers Notepad" erledigen 
möchte (ebenfalls in der Makefile integriert), sollte man den Patch 
(Erweiterung) Beitrag "Re: Transistortester AVR"
nach der Installation von WinAVR integrieren. Der Patch ist im übrigen 
im Literaturverzeichnis der PDF-Dokumentation verlinkt.

Grüße, Karl-Heinz

von Hannes L. (hannes)


Lesenswert?

Karl-Heinz Kübbeler schrieb:
> nur in der
> Entwicklerversion im Software/trunk Zweig unterstützt (pre_1.05k).

Danke, da muss ich mal suchen, da war ich noch nicht. SVN ist Neuland 
für mich.

> Da findet man auch fertige .hex / .eep Files.

Gut zu wissen, danke.

Karl-Heinz Kübbeler schrieb:
> "Programmers Notepad"

Hatte ich bisher nie gebraucht, für AVRs benutze ich AVR-Studio 4.16. Es 
unterstützt Assembler auf den von mir genutzten AVRs, sowie mein 
Programmer-Equipment, ein Update ist daher nicht nötig. Auch Winavr soll 
sich ja ins AVR-Studio integrieren und dieses als Oberfläche nutzen, 
allerdings liest man da auch immer mal wieder was von Problemen.

Gleiches gilt für den Dude, ich bevorzuge für das STK500 und den Dragon 
auch das AVR-Studio. Fuses sind damit auch kein Problem, die lassen sich 
sogar komfortabel in die Elf-Datei integrieren, was das spätere 
Programmieren von AVRs mit Programmen abgeschlossener Projekten in einem 
Rutsch ohne viel Herumgeklicke oder Kommandozeilentipperei erleichtert.

Probleme sind für mich C, Makefile und das von einem deutschen Autor 
darin verwendete Englisch.
;-)

Gut, ich werde mich dann mal im SVN umschaun und auch mal nach Winavr 
suchen...

Thx...

...

von Karl-Heinz K. (kubi48)


Lesenswert?

Hannes Lux schrieb:
> Probleme sind für mich C, Makefile und das von einem deutschen Autor
> darin verwendete Englisch.

Hallo Hannes,
ich habe mich entschlossen, die Kommentare im Programm und auch in der 
Makefile aus Rücksicht auf die ausländischen Nutzer in Englisch zu 
verfassen. Die PDF-Dokumentation gibt es sowohl in Englisch als auch in 
Deutsch. Falls also jemand Schwierigkeiten mit den englischen 
Kommentaren hat, sind die Optionen auch in Deutsch in der PDF-Doku 
beschrieben. Die Pflege einer zusätzlichen Software und zusätzlicher 
Makefile Versionen in deutscher Sprache ist mir schlicht zu aufwändig.

Schwierigkeiten kann es übrigens bei jeder Software geben. Ich behaupte 
ja nicht, daß irgendeine Software besser oder schlechter ist. Seit ich 
aber mit AVRstudio das EEprom des ATmega8 mit meinem DIAMEX ALL-AVR 
Programmer nicht beschreiben konnte, sollte man auch dafür Verständnis 
haben, daß ich das AVRstudio nicht mehr einsetzen mag.

Grüße, Karl-Heinz

von Hannes L. (hannes)


Lesenswert?

Hallo Karl-Heinz,

ich habe nicht geschrieben, dass ich das, was Du machst, schlecht finde, 
sondern dass ich (meine Person) mit C, Linux, Makefile und Englisch 
Probleme habe, da ich in diesen Punkten "dezifit" (nur zu 10% fit) bin. 
Natürlich sehe ich ein, dass Du ein international benutztes Programm in 
Englisch kommentierst. Das ändert aber nichts daran, dass ich Deutsch 
bedeutend besser verstehe als Englisch. Und mit Sprachen tu ich mich 
schon immer schwer.

Also bitte nicht persönlich nehmen.

Ist schon ein tolles Projekt, was Markus und Du da auf die Beine 
gestellt habt.

...

von Stefan (Gast)


Lesenswert?

Charly Meier schrieb:
> Hallo,
>
> ich habe auch mein China Teil bekommen und kann evtl. etwas zur
> Beantwortung der Fragen beitragen.
>
> Ausgangslage nach Lieferung:
>
> Platinenbeschriftung:
> Booster Edition
> Ver. 22 2012/11/26
> Transistor-L/C ESR Tester
>
> -AtMega168 SMD (abgeschliffene Kennung)

Ich habe heute einen mit gleicher Platinenbeschriftung erhalten. Der 
Aufdruck des Mikrocontrollers ist ebenfalls abgeschliffen aber unter 
UV-Licht noch deutlich lesbar: ATMEGA168V 10AU

von Karl-Heinz K. (kubi48)


Lesenswert?

Hallo Freunde des Transistortesters,

die neue 1.05k Software-Version und Dokumentation ist im SVN-Archiv 
verfügbar.
Die wesentlichen Neuerungen sind:

1.) Ein Selbsttest mit der Nummer 7, bei der das Spannungsverhältnis der 
470k/680 Ohm Widerstandsteiler geprüft wird. In Zeile 2 werden die 
Abweichungen vom erwarteten Spannungswert ausgegeben.

2.) Die VCC-Spannungsausgabe in Zeile 2 (bei vorhandener 2.5V Referenz) 
erfolgt nur einmal beim Einschalten. Beim Neustart einer Messung mit dem 
Taster vor der Abschaltung erfolgt keine weitere Ausgabe der 
VCC-Spannung.

3.) Die Makefile Option BAT_POOR für die Batterie-Spannungsüberwachung 
kann jetzt auch unter 5.4V angegeben werden. Damit ist auch ein Betrieb 
mit einem einzigen Lithium-Ionen Akkumulator prinzipiell möglich, wenn 
ein Step-Up Konverter benutzt wird.

4.) Der PC4 Pin wird nach der Bauteile-Prüfung auf GND geschaltet. Damit 
kann über einen NPN-Transistor ein Relais geschaltet werden, dessen 
Ruhekontakte die Test-Eingänge kurzschließen. Damit kann ein besserer 
Schutz der ATmega-Eingänge gegen Restspannungen von Kondensatoren 
erreicht werden.

5.) Die ESR-Messung wurde überarbeitet. Die Anpassung an einen 16 MHz 
Quarz wurde verbessert. Der "ADC sleep" Modus konnte bei der ESR-Messung 
noch nicht benutzt werden, da die Wandelzeiten sich offensichtlich 
ändern.

Beim Testen der ESR-Messung mußte ich einen neuen ATmega168A statt des 
bisher verwendeten Exemplars benutzen. Beim ersten Ersatz-Exemplar habe 
ich auffällig große Abweichungen bei der ESR-Messung beobachtet (10uF 
Folienkondensator). Das nächste ATmega168A Exemplar hat sich wieder 
normal verhalten.

Grüße, Karl-Heinz

von Michael D. (mike0815)


Lesenswert?

Hallo Karl-Heinz,

> 5.) Die ESR-Messung wurde überarbeitet. Die Anpassung an einen 16 MHz
> Quarz wurde verbessert. Der "ADC sleep" Modus konnte bei der ESR-Messung
> noch nicht benutzt werden, da die Wandelzeiten sich offensichtlich
> ändern.
Wird bei der 16MHz Taktung nicht mehr Energie gebraucht
(mal geprüft/gemessen)?
Für den Batt-Betrieb relevant. Für Netzbetrieb ist das ja wurscht.
Lohnt denn die höhere Taktrate, bzw.macht sich es gravierend bemerkbar?

Gruß Michael

von Karl-Heinz K. (kubi48)


Lesenswert?

Michael D. schrieb:
> Lohnt denn die höhere Taktrate, bzw.macht sich es gravierend bemerkbar?

Hallo Michael,
der höhere Takt bringt keine deutlichen Vorteile. Das ist mehr eine 
vorbereitende Maßnahme für einen ARDUINO Zusatz. Die sind meistens mit 
16 MHz getaktet.
Um bei der neuen Version eine Größenordnung zu nennen:
Bei der 8MHz Version wird bei der Anzeige (sleep-Modus) mit einen LCD 
ohne Beleuchtung etwa 8.5 mA verbraucht, bei 16 MHz sind es immer noch 
unter 10mA. Da haben die älteren Versionen mehr verbraucht!
Bei Meßbetrieb geht der Stomverbrauch bei 8MHz auf 17mA hoch, bei 16MHz 
sind es etwas über 20mA. Alle Werte wurden mit einem Drehspulinstrument 
(träge Anzeige) gemessen.

Grüße, Karl-Heinz

von mkburkersdorf (Gast)


Lesenswert?

Hallo Karl-Heinz,

Ich habe die Software 1.05 getestet.
Ich muß bei dem Wert CFLAGS += -DCAP_EMPTY_LEVEL=8 eingeben, sonst wird
"Cell" ausgegeben. Der Selbsttest läuft nicht durch . Bleibt bei RH und 
RI stehen. Bei Messung von kleinen Widerständen wird die Induktivität 
nicht angezeigt.
Der ATMEL ist ein MEGA168 -20PU.
Bei der Software 1.04 geht alles.

Gruß
Manfred

von Karl-Heinz K. (kubi48)


Lesenswert?

mkburkersdorf schrieb:
> Bei Messung von kleinen Widerständen wird die Induktivität
> nicht angezeigt.

Hallo Manfred,

ich nehme mal an, daß bei kleinen Induktivitäten nur der Widerstandswert 
angezeigt wird und nicht zusätzlich der Induktivitätswert.
Die Schwierigkeiten sind vermutlich auf die wechselnde Strombelastung 
bei der Version 1.05k durch den "sleep" Modus des ATmega zurückzuführen.
Welchen Spannungsregler verwendest Du und wieviel Kapazität wird zum 
Abblocken verwendet?
Wieviel Einfluß die Spannungsversorgung haben kann, will ich an einem 
Beispiel verdeutlichen:
Wenn ich die Stromaufnahme mit meinen Drehspul-Multimeter in der 
Batteriezuleitung messe, kann ich auch keine kleinen Induktivitäten mehr 
messen. Der Tester schaltet bei der Messung ab, vermutlich wegen des 
"Brown Out" Pegels. Ohne das Meßgerät (etwa 33 Ohm Ri) funktioniert 
alles. Mit dem Meßgerät funktioniert es auch, wenn ich die 
Meßgerätezuleitung mit einem 470uF Kondensator überbrücke.

Grüße, Karl-Heinz

von Michael D. (mike0815)


Lesenswert?

Hallo Karl-Heinz,

ich habe deine neue 1.05k noch nicht getestet, würde das aber 
gerne...nur eine Frage: Kann man den "Sleepmodus" optional deaktivieren? 
Für die HW ohne Abschaltung wird die ja nicht unbedingt benötigt.
Wie du weißt, habe ich den Tester in 2 Ausführungen, einmal mit und 
einmal ohne Abschaltung...

Gruß Michael

von Karl-Heinz K. (kubi48)


Lesenswert?

Michael D. schrieb:
> Kann man den "Sleepmodus" optional deaktivieren?

Hallo Michael,

das ist derzeit nicht vorgesehen. Der Sleepmodus wird derzeit nur für 
den ATmega8 nicht benutzt. Die entsprechenden Abfragen des 
C-Preprozessors kann man natürlich auch auf eine zusätzliche Option 
umbauen. Ich wollte den Optionen-Wald nicht um einen weiteren Baum 
bereichern.
Meine Hardware-Versionen hatten die Schwierigkeiten nicht gezeigt, auch 
die chinesische Version lief einwandfrei. Allerdings habe ich alle 
Versionen auf den MCP1702-5002 Spannungsregler umgebaut.

Da sowieso beide Möglichkeiten im Programm vorgesehen sind, ist der 
Aufwand von meiner Seite her nicht gross.
Ich schlage mal den Options-Namen INHIBIT_SLEEP_MODE vor für die nächste 
Version.

Grüße, Karl-Heinz

von mkburkersdorf (Gast)


Lesenswert?

Hallo Karl-Heinz,

Ich habe als Regler den L78S05 eingebaut.
Zum Ablocken nur den 100nF.
Gruß
Manfred

von Michael D. (mike0815)


Lesenswert?

Hallo Karl-Heinz,

> das ist derzeit nicht vorgesehen. Der Sleepmodus wird derzeit nur für
> den ATmega8 nicht benutzt. Die entsprechenden Abfragen des
> C-Preprozessors kann man natürlich auch auf eine zusätzliche Option
> umbauen. Ich wollte den Optionen-Wald nicht um einen weiteren Baum
> bereichern.
Quatsch, solange eine Beschreibung beiligt, sehe ich da keine Probleme 
und Jeder freut sich, wenn er individuell anpassen kann, denn das ist ja 
genau das, was dein Projekt ausmacht... wie ich finde!

> Meine Hardware-Versionen hatten die Schwierigkeiten nicht gezeigt, auch
> die chinesische Version lief einwandfrei. Allerdings habe ich alle
> Versionen auf den MCP1702-5002 Spannungsregler umgebaut.
Ich gehe jetzt eben von der obigen Aussage aus, das es da Probleme gibt.
Bei meiner Batt-Version, sollte das wohl auch keine Probleme bereiten,
denke ich.
In meiner Version ohne Abschaltung, ist ja der schwingfreudige LM2940 
verbaut, da könnte es Schwierigkeiten geben, wie schon oben beschrieben.

> Da sowieso beide Möglichkeiten im Programm vorgesehen sind, ist der
> Aufwand von meiner Seite her nicht gross.
> Ich schlage mal den Options-Namen INHIBIT_SLEEP_MODE vor für die nächste
> Version.
ja, fein!

Gruß Michael

von Michael D. (mike0815)


Lesenswert?

Hallo Manfred,

> Ich habe als Regler den L78S05 eingebaut.
> Zum Ablocken nur den 100nF.
Hast du mal den Ripple gemessen? entweder liegt es am Brownout oder du 
hast zuviel Ripple.
Teste doch mal mit einem 10-22µF Elko am Ausgang des Reglers, evtl. 
hilft das.

> Gruß
> Manfred

Gruß Michael

von mkburkersdorf (Gast)


Lesenswert?

Hallo Michael,


Brown-out detection disabled
10µF bringt auch nichts.
Mit Software 1.04 läuft alles.


Danke
Manfred

von Michael D. (mike0815)


Lesenswert?

Hmm, wenn alles mit der 1.04er läuft, kann es ja nur am Sleepmodus 
liegen!
Vielleicht zeigt der Karl-Heinz die Stelle, wo man den Modus 
auskommentieren kann!?
Ich selber habe es noch nicht getestet, wenn ich dazu komme, werde ich 
berichten.
BtW. wenn du den MCP1702 zur Hand hast, würde ich den mal tauschen.
In der Vergangenheit, hatte ich ähnliche Probleme. Das Manko war eben 
der Regler, hatte einen halben Tag mit der Fehlersuche vergeudet.
Nach dem Tausch gegen den MCP1702, war alles hübsch!

Gruß Michael

von Karl-Heinz K. (kubi48)


Lesenswert?

mkburkersdorf schrieb:
> Brown-out detection disabled
> 10µF bringt auch nichts.
> Mit Software 1.04 läuft alles.

Hallo Manfred,

um eine andere Ursache als den Sleep Modus auszuschließen, wäre folgende 
Vorgehensweise sinnvoll:
Die aktuelle Software aus dem Software/trunk Pfad hat die 
INHIBIT_SLEEP_MODE Option in der Software eingebaut. Das 
Kommentarzeichen in der Makefile muß zum Aktivieren allerdings noch 
entfernt werden.
Wenn die 1.05k Version dann auch läuft, muß eigentlich die 
Stromschwankung durch den Sleep Mode für den Fehler verantwortlich sein.
Auch zusätzliche Kondensatoren am Eingang des Reglers können helfen. 
Nicht nur versuchen die VCC Seite abzublocken.

Grüße und viel Erfolg, Karl-Heinz

von Mono W. (mono_w)


Lesenswert?

Hallo Karl-Heinz,
I read in the datasheet ATmega168 the device is shipped with int RC 
oscillator at 8.0MHz, This means the system works at 1MHz or 8Mhz? 
whether to change their fuse to work on 8Mhz ext crystal?

von Karl-Heinz K. (kubi48)


Lesenswert?

Mono W. schrieb:
> I read in the datasheet ATmega168 the device is shipped with int RC
> oscillator at 8.0MHz, This means the system works at 1MHz or 8Mhz?

The ATmega168 is shipped with int RC oscillator set to 1 MHz!
The program can be set to operate with 1 MHz, but this mode is badly 
supported. The capacity and inductance measurement requires a 8 MHz 
operation for full resulution. You should set the operating frequency to 
8 MHz. Possible setting of fuses are:
8MHz RC:                 lfuse=0xe2, hfuse=0xdc
8MHz crystal full swing: lfuse=0xf7, hfuse=0xdc
8MHz crystal low power:  lfuse=0xff, hfuse=0xdc

You can find the setting for your ATmega type in the Makefile. If you 
can use the avrdude program for programming the device, you can set the 
fuses with "make fuses", "make fuses-crystal" or "make 
fuses-crystal-lp".
The first two options can also be set with WinAVR by using my patch 
Beitrag "Re: Transistortester AVR" .

Best regards, Karl-Heinz

von Hannes L. (hannes)


Lesenswert?

Karl-Heinz Kübbeler schrieb:
> The ATmega168 is shipped with int RC oscillator set to 1 MHz!

Das stimmt beim Mega8. Beim Mega48/88/168/328 stimmt das nur halb, denn 
die laufen mit 8 MHz und Vorteiler 8.

Der Vorteiler kann aber per Programm durch Zugriff auf CLKPR eingestellt 
werden. Somit ist das Verstellen der CLKDIV8-Fuse nicht erforderlich. Da 
ich kein C kann, weiß ich nicht, ob Dein Programmcode den Taktvorteiler 
auf 1:1 setzt. In meinen Programmen (ASM) ist das eine 
Selbstverständlichkeit.

Der Vorteiler CLKPR wirkt übrigens auch bei Quarzbetrieb.

Gruß,
Hannes

von Asko B. (dg2brs)


Lesenswert?

Karl-Heinz Kübbeler schrieb:
> 8MHz crystal low power:  lfuse=0xff, hfuse=0xdc

Ich hab bei mir Lfuse=0xFF und Hfuse=0xDF
Funktioniert auch.

@Karl-Heinz

Ich habe jetzt auch mal die Version 1.05k ausprobiert.
Der Stromverbrauch ist ja extrem niedriger geworden.
Mit meiner alten Version 1.10k waren es ca. 18,5mA
und mit der neuen Version 1.05k sind es nur noch ca. 7,6mA.
Ich schreibe "ca." weil die Anzeige staendig pendelt.
Ich haette wohl doch noch ein analoges Multimeter
aufheben sollen. ;-)
Im StandBy kann ich GAR NICHTS messen...0,00µA.
Das ganze laeuft immernoch auf einem ATmega 168-P.
Ein 328-P steht aber schon in den "Startloechern".
Was mir aber aufgefallen ist:
zB. eine 10µH Festinduktivitaet wurde bei der Version
1.01k mit 1 Ohm gemessen, das gleiche Bauteil mit
der neuen Software mit 0,5 Ohm.
Ist die Messfrequenz jetzt eine andere ?
Und vorher zeigte der Tester mir die Spannung mit
5.00 Volt an, und jetzt manchmal 5,02V oder 5,01V.
Das ganze auf der Platinenvariante 5.2.1 mit MCP1702-5002.

Gruss Asko.

von Karl-Heinz K. (kubi48)


Lesenswert?

Asko B. schrieb:
> zB. eine 10µH Festinduktivitaet wurde bei der Version
> 1.01k mit 1 Ohm gemessen, das gleiche Bauteil mit
> der neuen Software mit 0,5 Ohm.
> Ist die Messfrequenz jetzt eine andere ?

Hallo Asko,
die gemessenen 1 Ohm für 10uH erscheinen mir sehr hoch zu sein.
Der Widerstandswert wird quasi bei Gleichstrom gemessen.
Geändert hat sich allerdings, daß bei ADC-Lesen der Version 1.05k
der sleep Modus des ATmega benutzt wird.
Ein 10uH (L-HBCC 10 von Rei...lt) hat mit einem LCR-Meter gemessen 0.17 
Ohm. Der Transistortester mißt bei mir 0.4 Ohm mit Kabeln, die 
kurzgeschlossenen Kabel haben 0.2 Ohm.

Die Induktivität wird durch eine Zeitmessung des Stromanstiegs gemessen.
Bei Widerstandswerten unter 24 Ohm wird ohne den 680 Ohm Widerstand 
gemessen. Der Innenwiderstand des Port Outputs (ca. 20 Ohm) wird hierbei 
als Stromshunt benutzt. Die Abschalte-Spannung von 1.1V wird erst bei 
einem Strom von ca. 55 mA erreicht. Das ist oberhalb des zulässigen 
Stroms für die Ausgabe-Pins. Da der Grenzwert aber nur für eine sehr 
kurze Zeit überschritten wird, erwarte ich keine Schäden.
Aber die pulsförmige Stromänderung belastet den Spannungsregler.
Die Differenz zwischen minimalem Strom und maximalem Strom (VCC) hat in 
der Version 1.05k zugenommen.

Grüße, Karl-Heinz

von Karl-Heinz K. (kubi48)


Angehängte Dateien:

Lesenswert?

Hallo Manfred und andere Nutzer,
die Probleme mit der Spannungsversorgung haben:

Ich habe mir mal die Mühe gemacht, die Spannungeinbrüche der 
Original-Platine DG2BRS Version 5.2.1 anzuschauen. Meine Version ist mit 
dem MCP1702-5002 Spannungsregler bestückt. Gemessen wird ein 0 Ohm 
Widerstand.
Das erste Bild hat nur die 100nF Kondensatoren in der 
Spannungsversorgung.
Das zweite Bild hat zusätzlich einen 10uF keramischen Kondensator 
(X7R-G1210) in der VCC Versorgung bestückt.

Ich denke, die Bilder sprechen für sich.
Der 10uF keramische Kondensator hat einen niedrigen ESR-Wert!
Ob das mit jedem Elko genau so gut funktioniert, glaube ich nicht.

Grüße, Karl-Heinz

von Karl-Heinz K. (kubi48)


Angehängte Dateien:

Lesenswert?

Irgendwie ist mein 1. Bild verlorengegangen,

Karl-Heinz

von Asko B. (dg2brs)


Lesenswert?

Hallo Karl-Heinz
In meiner letzten Version hab ich "unterwegs",
also auf halber Strecke zwischen Spannungseinspeisung
und Spannungsregler Die moeglichkeit vorgesehen
einen Kondensator von 100nF-10µf(22µF) einzufuegen.
Ich dachte jedoch eher an schwingfreudige Regler
die nicht MCP1702 heissen.

Gruss Asko.

von Michael D. (mike0815)


Lesenswert?

hoho, ohne Elko 750mV Spannungseinbruch und das ca. 5µS lang, wenn ich 
das Raster richtig interpretiere!

Gruß Michael

von Hubert G. (hubertg)


Lesenswert?

Hallo Karl-Heinz
Mit der Version 1.05 funktioniert jetzt auch mein Arduino-UNO-Shild 
(16MHz) zufriedenstellend.
Mit der Version 1.04 gab es noch sehr eigenartige Werte.
Ein Problem habe ich allerdings noch. Das Display schaltet sich nach 
kurzer Zeit ab, beide Zeilen schwarze Balken, obwohl ich -DPOWER_OFF 
abgeschaltet habe.
Abgeschaltet habe ich auch noch -DBAT_CHECK und -DUSE_EEPROM. Vielleicht 
hast du dafür eine Erklärung.
Grüße Hubert

von Karl-Heinz K. (kubi48)


Lesenswert?

Hubert G. schrieb:
> Ein Problem habe ich allerdings noch. Das Display schaltet sich nach
> kurzer Zeit ab, beide Zeilen schwarze Balken, obwohl ich -DPOWER_OFF
> abgeschaltet habe.

Hallo Hubert,
ich habe gerade versucht, die Konstellation nachzustellen.
Mit einer normalen Platine, 16 Mhz Quarz und den genannten Optionen
läuft das Programm auf einem ATmega168A in einer Schleife, mißt also 
endlos weiter.
Ich gehe mal davon aus, daß die Makefile Option OP_MHz auf 16 steht.

Grüße, Karl-Heinz

von Hubert G. (hubertg)


Angehängte Dateien:

Lesenswert?

Hallo Karl-Heinz
Ich hänge mal mein Makefile an.
Im Arduino ist ein 328p, das sollte aber nicht das Kriterium sein.
Das mir der Arduino ein Ei legt ist natürlich auch noch möglich.
Ich kompiliere mit dem AVR-Studio, daher ist Programmer Typ und Port 
abgeschaltet.
Grüße Hubert

von Karl-Heinz K. (kubi48)


Lesenswert?

Hubert G. schrieb:
> Ich hänge mal mein Makefile an.

Hallo Hubert,
in Zeile 122 der Makefile ist die Option POWER_OFF noch gesetzt!
die Zeile "CFLAGS += -DPOWER_OFF" kann ganz entfernt werden, oder mit
einem # in Spalte 1 versehen werden (# = Kommentarzeichen).

Grüße, Karl-Heinz

von Hubert G. (hubertg)


Lesenswert?

Wenn man im AVR-Studio im Makefile was ändert und es nicht dezidiert 
speichert, wird es beim Kompilieren nicht übernommen. Dieser verdammte 
Fehler passiert mir immer wieder mal.
Jetzt ist es aber so das der Meßvorgang nach Zeit immer wieder gestartet 
wird, ist zwar nicht unbedingt störend, in der Version 1.04 war es aber 
nicht so.
Grüße Hubert

von Karl-Heinz K. (kubi48)


Lesenswert?

Hubert G. schrieb:
> Jetzt ist es aber so das der Meßvorgang nach Zeit immer wieder gestartet
> wird, ist zwar nicht unbedingt störend, in der Version 1.04 war es aber
> nicht so.

ist aber auf jeden Fall so gedacht, auch schon in der Version 1.04k !
Man könnte natürlich auch beliebig lange auf den nächsten Tastendruck 
warten.

Grüße, Karl-Heinz

von Peter ⛄ W. (Firma: Huddel und Brassel Ltd.) (jaffel) Benutzerseite


Lesenswert?

Es wird immer professioneller.

Eben gesehen (Min 18:15)

https://www.youtube.com/watch?v=wH6tRrPgaK8

Und hier das Board.

http://dangerousprototypes.com/store/index.php?main_page=product_info&cPath=24&products_id=138&zenid=q5of9p9k5duc13jou6ue36rsb7

Sollte der Link nicht gehen auf http://dangerousprototypes.com nach

ZZ-Part Ninja v1c

suchen. Schaltbild gibt es dort auch. Bis auf den PIC kein Unterschied.

von Garfield (Gast)


Lesenswert?

Retired!

von Buna-Pelzer (Gast)


Lesenswert?

@Peter W.
Ja, genau das Gleiche, bis auf einen völlig anderen Controller.
Sensationell!
:-(
Ein VW Golf ist genau das Gleiche wie ein Sharan. Bis auf die 
Karosserie...

Herr, lass Hirn regnen!

gez. Buna-Pelzer

von Mono W. (mono_w)


Lesenswert?

Karl-Heinz Kübbeler schrieb:
> Mono W. schrieb:
>
> The ATmega168 is shipped with int RC oscillator set to 1 MHz!
> The program can be set to operate with 1 MHz, but this mode is badly
> supported. The capacity and inductance measurement requires a 8 MHz
> operation for full resulution. You should set the operating frequency to
> 8 MHz. Possible setting of fuses are:
> 8MHz RC:                 lfuse=0xe2, hfuse=0xdc
> 8MHz crystal full swing: lfuse=0xf7, hfuse=0xdc
> 8MHz crystal low power:  lfuse=0xff, hfuse=0xdc


8MHz RC: lfuse=0xe2, hfuse=0xdc  its setting fuses with Internal RC osc,
do i need to install 8Mhz external crystal to my board if using(8MHz RC: 
lfuse=0xe2, hfuse=0xdc)?

von Hubert G. (hubertg)


Lesenswert?

Karl-Heinz Kübbeler schrieb:
> ist aber auf jeden Fall so gedacht, auch schon in der Version 1.04k !
> Man könnte natürlich auch beliebig lange auf den nächsten Tastendruck
> warten.

Die Version 1.04k startet bei mir erst wieder auf Tastendruck, wenn das 
auch für die Version 1.05k geht, wäre das zusätzlich positiv.

von Michael D. (mike0815)


Lesenswert?

Hallo Hubert,
> Die Version 1.04k startet bei mir erst wieder auf Tastendruck, wenn das
> auch für die Version 1.05k geht, wäre das zusätzlich positiv.
geht es bei der 1.05k nicht, loopt(5x) es oder wie?

@Mono W.
> do i need to install 8Mhz external crystal to my board if using(8MHz RC:
> lfuse=0xe2, hfuse=0xdc)?
Of course you need an external crystal, when you choose the option (for 
example) #### ext.Crystal-full swing ####
also manchmal... :-(

Gruß Michael

von Karl-Heinz K. (kubi48)


Lesenswert?

Mono W. schrieb:
> 8MHz RC: lfuse=0xe2, hfuse=0xdc  its setting fuses with Internal RC osc,
> do i need to install 8Mhz external crystal to my board if using(8MHz RC:
> lfuse=0xe2, hfuse=0xdc)?

Hallo Mono,
no, the transistor tester can also run without a 8 MHz crystal.
But the crystal version has more stable results for capacity 
measurement.
You can change to the crystal version later. The RC version of the 
tester should have a additional option set in the Makefile for version 
1.05k:
CFLAGS += -DRESTART_DELAY_TICS=6

This is needed, because the restart from sleep mode has different delay 
for RC or crystal operation.

Best regards, Karl-Heinz

von Michael D. (mike0815)



Lesenswert?

Ich habe jetzt die 1.05k auf meinen M328 geflash!
Der Stromverbrauch ist ja mal gewaltig gesunken.
Hier mal ein paar Messungen in visueller Form.

Die 1.04k schlägt noch mit über 17mA im Messmodus(ohne Display-Bel.) zu.
Die 1.05k braucht im Durchschnitt etwas über 8mA ohne Display-Bel. mit 
Displ-Bel. sind es dann etwas über 15mA!
Der Crystal steht noch auf "Full Swing"

Im Ruhezustand kann ich auch im µA-Bereich keinen Stromverbrauch 
messen...

Mal ein dickes Lob an "Karl-Heinz", den Stromverbrauch um 50% zu senken, 
alle Achtung!!!

Gruß Michael

von Hubert G. (hubertg)


Lesenswert?

Michael D. schrieb:
> Hallo Hubert,
>> Die Version 1.04k startet bei mir erst wieder auf Tastendruck, wenn das
>> auch für die Version 1.05k geht, wäre das zusätzlich positiv.
> geht es bei der 1.05k nicht, loopt(5x) es oder wie?

Es loopt dauernd, im Abstand von etwa 15sek.

von Michael D. (mike0815)


Lesenswert?

Was für ein µC werkelt bei dir? Ich kann dir meine Projektdatei für das 
Studio 4.19 inkl. "aps" zukommen lassen, da loopt dann nix und du 
bekommst bei jeder Messung zusätzlich die Vers.Nr. angezeigt.
Die Batt-Überwachung ist für 9V ausgelegt!

Gruß Michael

von Hubert G. (hubertg)


Lesenswert?

Im Arduino UNO ist ein 328p drinnen. Funktioniert mit 1.05k sonst 
ausgezeichnet.
AVR Studio ist 4.19

von Michael D. (mike0815)


Lesenswert?

@Hubert
dann schreib mir eine PN, wenn du willst kannst du das Kompilat von mir 
haben für den M328.

@Karl-Heinz
Ich habe eben ein paar große Kapazitäten gemessen, es wird sofort der 
ESR-Wert korrekt angezeigt, muß da nicht mehr kalibriert werden?

Gruß Michael

von Karl-Heinz K. (kubi48)


Lesenswert?

Hubert G. schrieb:
> Es loopt dauernd, im Abstand von etwa 15sek.

Hallo Hubert,

ich habe die Konfiguration bei der 1.04k bei mir ausprobiert. Auch die 
1.04k startet nach der Anzeigezeit von 14 Sekunden eine neue Messung.
Wenn die Version ein anderes Verhalten zeigt, ist das ein Fehler!

Um diese Funktion in Version 1.05k abzuschalten, müßte die Zeile 679 in 
main.c:
  goto start;   // POWER_OFF not selected, repeat measurement
durch
  goto end2;    // POWER_OFF not selected, wait more time

ersetzt werden.

Grüße, Karl-Heinz

von Hubert G. (hubertg)


Lesenswert?

Hallo Karl-Heinz
Ich werden die Änderung probieren und berichten.

@Michael
Sollte das mit der Änderung nicht wunschgemäss klappen melde ich mich.

Grüße Hubert

von Karl-Heinz K. (kubi48)


Lesenswert?

Michael D. schrieb:
> Ich habe eben ein paar große Kapazitäten gemessen, es wird sofort der
> ESR-Wert korrekt angezeigt, muß da nicht mehr kalibriert werden?

Hallo Michael,
das muß Zufall sein. An dem Abgleich hat sich nichts verändert.
Beim Selbsttest ist ein Test 7 dazugekommen (Widerstandsverhältnis 
470k/680). Der Nullwert der ESR Messung wird durch den Selbsttest auf 
den Startwert zurückgesetzt. Nach dem Selbsttest (beinhaltet die 
Kalibration) muß der Nullwert der ESR-Messung durch Messen von 
Kondensatoren mit niedrigem ESR Wert und großer Kapazität neu gelernt 
werden.
Der vermeintliche negative Widerstand wird durch "ESR=0?" angezeigt.
Wenn der ESR als "ESR=0" angezeigt wird, wird der Widerstand immer noch 
negativ, aber größer als -0.01 Ohm gemessen. Erst wenn die Anzeige 
ESR=0.00 mit dem Ohm-Zeichen oder größer angezeigt wird, ist der 
Nullwert gelernt.
Der Kondensator sollte dazu am besten einen ESR von weniger als 0.01 Ohm 
haben.
Man sollte auch nicht zu hohe Erwartungen an die Genauigkeit der 
ESR-Messung haben. Wie schwierig die Meßaufgabe eigentlich ist, kann man 
an den Beispiel-Oszillogrammen in der neuen PDF-Doku abschätzen.

Grüße, Karl-Heinz

von Michael D. (mike0815)


Lesenswert?

@Hubert
Ok!

Also bei mir hört das Loopen auf, wenn "DPOWER_OFF" steht, so wie es 
unten im Auszug angegeben ist.

# the tester will shut down (CFLAGS += -DPOWER_OFF=5).
# The tester will also shut down with found part,
# but successfull measurements are allowed double of the specified 
number.
#  You can specify up to 255 empty measurements (CFLAGS += 
-DPOWER_OFF=255).
#CFLAGS += -DPOWER_OFF=5
CFLAGS += -DPOWER_OFF

@Karl-Heinz
> Nach dem Selbsttest (beinhaltet die
> Kalibration) muß der Nullwert der ESR-Messung durch Messen von
> Kondensatoren mit niedrigem ESR Wert und großer Kapazität neu gelernt
> werden.
Genauso habe ich es immer gemacht! Ein Fragezeichen nach dem ESR 
erschien diesmal nicht, was bei der 1.04k eben der Fall war!
Der kleinste ESR-Wert ist bei einem LOW-ESR Elko mit 4700µF 0,08 Ohm.
Eine Null, wurde u. wird jetzt nie angezeigt.
Wie auch immer, das Thema muß jetzt nicht unbedingt zerkaut werden...

BtW. Meine oben angegeben Messungen, könnt ihr diese bestätigen?

Gruß Michael

von Peter ⛄ W. (Firma: Huddel und Brassel Ltd.) (jaffel) Benutzerseite


Lesenswert?

Buna-Pelzer schrieb:
> Herr, lass Hirn regnen!

Besser nicht, dann koenntest Du vielleicht verstehen, dass ein PIC genau 
so ein µC wie ein AVR ist. Oder ist ein Windows fuer Dell anders als 
fuer HP ?
Jeder der sich nur etwas auskennt hat das in 'ner Stunde angepasst.

Man haette auch mal weiter recherchieren koennen, dann waere Dir 
aufgefallen, dass auf diesem PIC genau die selbe Software laeuft die 
Karl-Heinz hier gebaut hat.

So viel zu Hirn regnen lassen.

von Hubert G. (hubertg)


Lesenswert?

Karl-Heinz Kübbeler schrieb:
> Um diese Funktion in Version 1.05k abzuschalten, müßte die Zeile 679 in
> main.c:
>   goto start;   // POWER_OFF not selected, repeat measurement
> durch
>   goto end2;    // POWER_OFF not selected, wait more time
>
> ersetzt werden.

Mit dieser Änderung funktioniert es.
In der Version 1.04 steht im Makefile CFLAGS += -DPOWER_OFF  dann gibt 
es kein Loop. Spielt aber jetzt keine Rolle mehr.
Vielen Dank für die Hilfe.
Grüße Hubert

von Karl-Heinz K. (kubi48)


Lesenswert?

Michael D. schrieb:
> Also bei mir hört das Loopen auf, wenn "DPOWER_OFF" steht, so wie es
> unten im Auszug angegeben ist.

Hallo Michel,
aber der ARDUINO hat keine Power Off Logik!
Deswegen soll das Programm den letzten Meßwert beliebig lange anzeigen 
soweit ich das richtig verstanden habe. Nur durch Tastendruck soll die 
nächste Messung beginnen.

Michael D. schrieb:
> Der kleinste ESR-Wert ist bei einem LOW-ESR Elko mit 4700µF 0,08 Ohm.
> Eine Null, wurde u. wird jetzt nie angezeigt.

Die Berechnung des ESR ist etwas geändert in der Version 1.05k. Bei 
meinen Tests mit 15 ATmega hatte die Vorbesetzung des ESR Nullwertes in 
der Makefile immer gereicht. Man kann die Vorbesetzung aber ändern:
ESR_ZERO=29 bedeutet 0.29 Ohm. In Deinem Beispiel müßte die Vorbesetzung 
auf mindestens ESR_ZERO=37 erhöht werden.

Grüße, Karl-Heinz

von Michael D. (mike0815)


Lesenswert?

> Hallo Michel,
> aber der ARDUINO hat keine Power Off Logik!
Achso? Das wusste ich jetzt nicht, habe keinen ARDUINO.

> Deswegen soll das Programm den letzten Meßwert beliebig lange anzeigen
> soweit ich das richtig verstanden habe. Nur durch Tastendruck soll die
> nächste Messung beginnen.
Aha, das geht nur bei diesem Board, oder auch beim Tester "mit" 
Abschaltung?
Ich habe ja noch einen Tester ohne Abschaltung, da bleibt die letzte 
Messung solange stehen, bis ich den Taster wieder drücke...

Michael D. schrieb:
>> Der kleinste ESR-Wert ist bei einem LOW-ESR Elko mit 4700µF 0,08 Ohm.
>> Eine Null, wurde u. wird jetzt nie angezeigt.

Die Berechnung des ESR ist etwas geändert in der Version 1.05k. Bei
meinen Tests mit 15 ATmega hatte die Vorbesetzung des ESR Nullwertes in
der Makefile immer gereicht. Man kann die Vorbesetzung aber ändern:
ESR_ZERO=29 bedeutet 0.29 Ohm. In Deinem Beispiel müßte die Vorbesetzung
auf mindestens ESR_ZERO=37 erhöht werden.
Dann werde ich den Parameter mal eingeben und testen, wie sich das 
verhält, danke für den Tip!

> Um diese Funktion in Version 1.05k abzuschalten, müßte die Zeile 679 in
> main.c:
>   goto start;   // POWER_OFF not selected, repeat measurement
> durch
>   goto end2;    // POWER_OFF not selected, wait more time
>
> ersetzt werden.
Was heißt denn da "wait more time"?
Ist da ein Zeitfenster gesetzt, kann man dieses einstellen, oder wird 
dann nur auf den Taster gewartet?

Gruß Michael

von Karl-Heinz K. (kubi48)


Lesenswert?

Michael D. schrieb:
> Was heißt denn da "wait more time"?
> Ist da ein Zeitfenster gesetzt, kann man dieses einstellen, oder wird
> dann nur auf den Taster gewartet?

Normalerweise ist nach der Anzeigezeit von standardmäßig 14 s entweder 
eine Abschaltung (-DPOWER_OFF) oder ein Zählvorgang (POWER_OFF=5) 
vorgesehen.
Ohne die Option POWER_OFF startet nach 14s eine neue Messung.

Mit der Option -DPOWER_OFF wird zwar immer ausgeschaltet, das Programm 
geht aber in eine Endlosschleife, die nur durch Drücken des Tasters 
unterbrochen wird. Dabei ist der Watch Dog Timer vorher abgeschaltet.
Wenn ich die VCC Versorgung über den ISP-Port sicherstelle (und damit 
die Abschaltung nicht funktioniert), erscheinen nach 14s + 2s trotzdem 
schwarze Balken auf dem LCD!? Eine neue Messung läßt sich aber starten, 
die aber wegen des eingesteckten ISP-Ports nicht richtig funktioniert.

Die Ursache der schwarzen Balken muß ich noch suchen.

Grüße, Karl-Heinz

von F. F. (foldi)


Angehängte Dateien:

Lesenswert?

Hab jetzt eine Version von unseren kleinen asiatischen Freunden gekauft. 
Die ist hier, soweit ich weiß, noch nicht aufgetaucht.
Ist ein ATmega8 drauf und zur Programmversion kann ich nichts sagen, da 
sie nicht angezeigt wird. Die Platine ist etwas unsauber gelötet 
(Lötzinn an einigen Leiterbahnen). Wie genau der funktioniert kann ich 
auch noch nicht sagen, für mich aber genau genug.
Eigentlich hab ich nun Bock den doch noch selbst zu bauen; vielleicht am 
übernächsten We.
Kann ich den Mega8 auch gegen einen 328 austauschen?

Auf den Bildern kann man so einiges nicht sehen. Die Transistoren sind 
8050
und der Wandler ist ein 7805.
Display hat keine Beleuchtung, ist aber sehr gut zu sehen.
So einer war das:
http://www.ebay.com/itm/NEWEST-AVR-Transistor-Tester-meter-NPN-PNP-MOSFET-diode-t-riac-resistor-capacit-/300825182490?pt=LH_DefaultDomain_0&hash=item460a94011a

von Hubert G. (hubertg)


Lesenswert?

Ja, der 328 ist pinkompatibel. Du musst halt mit dem internen Oszillator 
arbeiten oder einen Quarz auf die Unterseite pappen.
ISP ist auch nicht drauf, also extern programmieren.

von Karl-Heinz K. (kubi48)


Lesenswert?

Frank O. schrieb:
> Kann ich den Mega8 auch gegen einen 328 austauschen?

Ja!
Wenn eine Standard Programmversion (1.04k oder 1.05k) verwendet werden 
soll, muß man auf die beschriebenen Änderungen achten:
1.) Den 100nF Kondensator am AREF Pin entfernen oder gegen 1nF tauschen.
2.) Den 100nF Kondensator C2 an PD6 sollte man gegen einen deutlich 
kleineren tauschen oder besser einen Widerstand >270 zwischen PD6 und 
Kondensator einfügen.
3.) Am Pin PD7 einen 27k Widerstand (pull up) gegen VCC anbringen.
4.) Ein 2.2k Widerstand an PC4 gegen VCC verhindert die Falscherkennung 
einer 2.5V Referenz.
5.) Ggf. den 27k Widerstand (R7) an der Basis des PNP Transistors T3 
gegen 3.3k tauschen (besonders beim Betrieb mit LCD-Beleuchtung).

Wenn man einen 8MHz Quarz verwendet (optional), muß der externe 
Programmer einen Takt zuführen, da sonst nach der Umstellung der ATmega 
nicht mehr programmiert werden kann.
Wenn man die Programmversion 1.05k ohne Quarz betreibt, muß die Option 
RESTART_DELAY_TICS=6 aktiviert werden um ein korrektes Zeitverhalten zu 
erreichen.

Die Änderungen 1 und 3 könnten auch durch Software-Anpassung mit 
Makefile Optionen ersetzt werden.
Ich hoffe, daß ich nichts vergessen habe,

Karl-Heinz

von F. F. (foldi)


Lesenswert?

Karl-Heinz Kübbeler schrieb:
> Frank O. schrieb:
>> Kann ich den Mega8 auch gegen einen 328 austauschen?
>
> Ja!
> Wenn eine Standard Programmversion (1.04k oder 1.05k) verwendet werden
> soll, muß man auf die beschriebenen Änderungen achten:
> 1.) Den 100nF Kondensator am AREF Pin entfernen oder gegen 1nF tauschen.
> 2.) Den 100nF Kondensator C2 an PD6 sollte man gegen einen deutlich
> kleineren tauschen oder besser einen Widerstand >270 zwischen PD6 und
> Kondensator einfügen.
> 3.) Am Pin PD7 einen 27k Widerstand (pull up) gegen VCC anbringen.
> 4.) Ein 2.2k Widerstand an PC4 gegen VCC verhindert die Falscherkennung
> einer 2.5V Referenz.
> 5.) Ggf. den 27k Widerstand (R7) an der Basis des PNP Transistors T3
Auf der Platine sind alles 8050 drauf und wie ich im Datenblatt las, 
sind das NPN Transistoren. Kann es sein, dass die Schaltung anders 
aufgebaut ist?

> gegen 3.3k tauschen (besonders beim Betrieb mit LCD-Beleuchtung).
>
> Wenn man einen 8MHz Quarz verwendet (optional), muß der externe
> Programmer einen Takt zuführen, da sonst nach der Umstellung der ATmega
> nicht mehr programmiert werden kann.
> Wenn man die Programmversion 1.05k ohne Quarz betreibt, muß die Option
> RESTART_DELAY_TICS=6 aktiviert werden um ein korrektes Zeitverhalten zu
> erreichen.
>
> Die Änderungen 1 und 3 könnten auch durch Software-Anpassung mit
> Makefile Optionen ersetzt werden.
> Ich hoffe, daß ich nichts vergessen habe,
>
> Karl-Heinz

Vielen lieben Dank und ganz besonders dir lieber Karl-Heinz. Hab mir 
noch einen bestellt, zum "verbasteln". Werde mich aber nächstes 
Wochenende hinsetzten und den "echten" bauen. Hatte mir schon als ich 
diesen bestellte alle nötigen Teile laut deiner Liste bestellt.
Auch den von dir empfohlenen Spannungswandler hab ich bestellt, wo ich 
jetzt standardmäßig immer den KY5050 einsetze. Ich bin von diesem 
Spannungswandler begeistert,weil er eine unglaublich stabile Spannung 
liefert. Er ist von den Werten vergleichbar. Spräche was dagegen diesen 
zu nutzen? Als PNP hab ich im Moment auch nur den BC327 da. Würde es was 
ausmachen, wenn ich diesen nehme, statt den von dir empfohlenen?
Danke schon mal für deine immer überaus ausführlichen Antworten. :-)

von Karl-Heinz K. (kubi48)


Lesenswert?

Frank O. schrieb:
> Würde es was
> ausmachen, wenn ich diesen nehme, statt den von dir empfohlenen?

Hallo Frank,
wenn der KY5050 identisch mit dem LP2950 Regler ist, ist der in jedem 
Fall sehr gut brauchbar. Lediglich der maximale Ausgangsstrom ist etwas 
knapper als beim MCP1702-5002 Regler. Wenn man aber bei der 
Hintergrundbeleuchtung des LCD nicht übertreibt, sollte das auf jeden 
Fall reichen.
Alle vorgenommenen Änderungen an der Schaltung haben übrigens keinen 
Nachteil bei der Benutzung des Original ATmega8!
Der PNP-Transistor wird nur zum Schalten verwendet. Es kommt auf einen 
ausreichenden hFE an, der BC327 sollte reichen, besonders wenn der 3k3 
Widerstand verwendet wird.
Wenn man die Leiterbahnen von dem 9V Anschluß aus verfolgt, müßte man 
den PNP-Transistor finden können!

Grüße
Karl-Heinz

von F. F. (foldi)


Lesenswert?

Karl-Heinz Kübbeler schrieb:
> Frank O. schrieb:
>> Würde es was
>> ausmachen, wenn ich diesen nehme, statt den von dir empfohlenen?
>
> Hallo Frank,
> wenn der KY5050 identisch mit dem LP2950 Regler ist, ist der in jedem
> Fall sehr gut brauchbar. Lediglich der maximale Ausgangsstrom ist etwas
> knapper als beim MCP1702-5002 Regler. Wenn man aber bei der
> Hintergrundbeleuchtung des LCD nicht übertreibt, sollte das auf jeden
> Fall reichen.
> Alle vorgenommenen Änderungen an der Schaltung haben übrigens keinen
> Nachteil bei der Benutzung des Original ATmega8!
> Der PNP-Transistor wird nur zum Schalten verwendet. Es kommt auf einen
> ausreichenden hFE an, der BC327 sollte reichen, besonders wenn der 3k3
> Widerstand verwendet wird.
> Wenn man die Leiterbahnen von dem 9V Anschluß aus verfolgt, müßte man
> den PNP-Transistor finden können!
>
> Grüße
> Karl-Heinz

Wie immer bei dir: prompt, umfassend und nett.

Ich weiß, dass da ein PNP drauf sein sollte, sind aber alle drei die 
gleichen.
Werde mir mal in der nächsten Woche die Platine genau ansehen und mit 
deinem Schaltplan vergleichen. Sollte da etwas anders sein, dann werde 
ich einen Schaltplan von der Platine zeichnen. Dies Platine hat auch ein 
Datum (was ich wohl auch in meine Platinen in Zukunft übernehmen werde) 
und das Datum ist im späten Zeitraum von 2012.

von Michael D. (mike0815)


Lesenswert?

Hallo Frank,
es reicht sogar ein popeliger BC556/557 aus, da ja praktisch fast keine 
Verlustleistung anfällt. Ich hatte in meinem Layout mal einen BD-Typen 
angedacht, was völliger Blödsinn war. Mit Display-Beleuchtung bleibt 
auch der BC556 kalt.
Als Regler würde ich dir trotzdem den MCP1702 empfehlen, da dieser nur 
einen äußerst geringen Ripple erzeugt(fast nicht messbar) und nur eine 
sehr geringe Ausgangskapazität benötigt. (siehe "Cell" Problem)
An deiner Stelle würde ich bei dem Chinateil ein reverse engineering 
betreiben, damit du auf der sicheren Seite bist!
Den Mega8 natürlich gegen den Mega328 tauschen, damit du in den Genuss 
aller Funktionen kommst.

Gruß Michael

von Marcel S. (Gast)


Lesenswert?

Guten Abend,

vieleicht kann mir einer helfen ...
Ich habe noch die alte Platinenversion von Markus (das Orginal ohne
Abschaltung) mit einen ATMega 8.
Nachdem ich die neue Softwareversion geflasht habe, bekomme ich auf
dem Display die Meldung "Testing" und einige Zeit später "Timeout".
Mit der alten Software läuft es ohne Probleme.
Meine Frage: muss die aktuelle SW oder die Schaltung speziell
angepasst werden ?
Fusebits eventuell falsch ?

Ich danke für Eure Antworten !

von Karl-Heinz K. (kubi48)


Lesenswert?

Marcel S. schrieb:
> muss die aktuelle SW oder die Schaltung speziell
> angepasst werden ?

Hallo Marcel,

Ja, beides ist möglich!
Der PD7 Eingang des ATmega braucht entweder einen externen Pull Up 
Widerstand (27k) nach VCC oder die Software muß ohne die Makefile Option 
PULLUP_DISABLE übersetzt sein.
Von mir wird der externe Pull Up Widerstand empfohlen.

Bei neueren Versionen der Software für den ATmega8 braucht der 100nF 
Kondensator am AREF Pin nicht durch einen 1nF ersetzt zu werden, da die 
automatische Skalierung des ADC (AUTOSCALE_ADC Option) nicht benutzt 
wird. Wenn der Ersatz des ATmega8 durch einen ATmega168/328 geplant ist, 
sollte man den Kondensator vorsorglich tauschen.

Standardmäßig ist die Software für 8MHz Betrieb übersetzt. Dies ist auch 
wegen der besseren Auflösung der Kondensatormessung ratsam. Deswegen 
müssen die Fuses auf 8 MHz umgestellt werden. Ein 8 MHz Quarz ist zwar 
auch ratsam, aber nicht zwingend erforderlich.
Die Fuses für den ATmega8 8MHz RC: lfuse=0x24 hfuse=0xd9
       für den ATmega8 8MHz Quarz: lfuse=0x3f hfuse=0xc9

Da beim ATmega8 die automatische Kalibration (Teil des Selbsttests) 
nicht möglich ist, kann nötigenfalls der Nullwert der Kapazitätsmessung 
(CC0) in der Datei config.h angepasst werden. Beim ATmega168/328 
erledigt das die Kalibration.
Die alte Schaltung hat mit dem PD6 Ausgang einen 100nF Kondensator 
direkt geschaltet. Da die Einstellungen der Fuses eine 
Spannungsüberwachung (brown out level = 4V) einschalten, kann es beim 
Start zu Problemen kommen. Deswegen sollte der Kondensator verkleinert 
(<10nF) und nach Möglichkeit ein Widerstand (>220 Ohm) statt einer 
direkten Verbindung zum PD6 Pin gewählt werden.

Grüße, Karl-Heinz

von Marcel S. (Gast)


Lesenswert?

Danke Karl-Heinz für die super schnelle Antwort !
Ich werde Morgen die Schaltung entsprechend anpassen und auch den
ATMega nach Deinen Vorgaben nochmals neu flashen.
Ich werde dann hier nochmals kurz antworten.
Ist vieleicht für andere Leser auch ganz interessant.
Heute habe ich für soetwas keinen "Nerv" mehr :-)
Danke nochmals und viele Grüße

Marcel

von F. F. (foldi)


Lesenswert?

Michael D. schrieb:
> Hallo Frank,
> es reicht sogar ein popeliger BC556/557 aus, da ja praktisch fast keine
> Verlustleistung anfällt. Ich hatte in meinem Layout mal einen BD-Typen
> angedacht, was völliger Blödsinn war. Mit Display-Beleuchtung bleibt
> auch der BC556 kalt.
> Als Regler würde ich dir trotzdem den MCP1702 empfehlen, da dieser nur
> einen äußerst geringen Ripple erzeugt(fast nicht messbar) und nur eine
> sehr geringe Ausgangskapazität benötigt. (siehe "Cell" Problem)
> An deiner Stelle würde ich bei dem Chinateil ein reverse engineering
> betreiben, damit du auf der sicheren Seite bist!
> Den Mega8 natürlich gegen den Mega328 tauschen, damit du in den Genuss
> aller Funktionen kommst.
>
> Gruß Michael

Hallo Michael,

diesen hier werde ich zum testen nehmen. Ich finde das irre praktisch zu 
sehen wo welcher Anschluss ist, ohne ins Datenblatt zu schauen. Da ich 
die ganzen Transistoren nicht im Kopf habe (weil ich das noch nicht so 
lange mache), hab ich auch schon mal einen falsch angeschlossen, da ich 
dachte die Basis ist in der Mitte, war sie aber nicht. Das sollte nun 
nicht mehr passieren. Auch mal eben einen Widerstand dran gehalten und 
dabei ist mir die hoch präzise Angabe der Wertes gar nicht so wichtig, 
denn 470 Ohm Widerstand ist auch bei 468 Ohm der den ich dann haben 
wollte.
Werde mir allerdings noch mal überlegen, ob ich nicht die Anschlüsse als 
Plättchen heraus führe, wo ich nur die Bauteile eben dran halten muss. 
So wie es für SMD vorgesehen ist.
Danke noch mal an Markus für die geniale Idee und einen ganz besonderen 
Dank auch noch mal an dieser Stelle an Karl-Heinz für die Aufarbeitung, 
die unermüdliche Unterstützung für uns alle und weil er neben seinen 
fachlichen Qualitäten ein wirklich feiner Kerl ist!

von Asko B. (dg2brs)


Lesenswert?

Frank O. schrieb:
> diesen hier werde ich zum testen nehmen. Ich finde das irre praktisch zu
> sehen wo welcher Anschluss ist, ohne ins Datenblatt zu schauen. Da ich
> die ganzen Transistoren nicht im Kopf habe (weil ich das noch nicht so
> lange mache), hab ich auch schon mal einen falsch angeschlossen, da ich
> dachte die Basis ist in der Mitte, war sie aber nicht. Das sollte nun
> nicht mehr passieren. Auch mal eben einen Widerstand dran gehalten und
> dabei ist mir die hoch präzise Angabe der Wertes gar nicht so wichtig,
> denn 470 Ohm Widerstand ist auch bei 468 Ohm der den ich dann haben
> wollte.
> Werde mir allerdings noch mal überlegen, ob ich nicht die Anschlüsse als
> Plättchen heraus führe, wo ich nur die Bauteile eben dran halten muss.
> So wie es für SMD vorgesehen ist.
> Danke noch mal an Markus für die geniale Idee und einen ganz besonderen
> Dank auch noch mal an dieser Stelle an Karl-Heinz für die Aufarbeitung,
> die unermüdliche Unterstützung für uns alle und weil er neben seinen
> fachlichen Qualitäten ein wirklich feiner Kerl ist!

Bingo !!!!

Ich hatte Karl-Heinz irgendwannmal geschrieben, das
ich dieses Tool gerne vor 20 Jahren gehabt haette....
Ich finde es zwar nicht unfehlbar aber dagegen
beinahe genial...
Markus....Karl-Heinz....usw.../break/ ich (wir freuen uns auf
Neuigkeiten)
Ich selber bin zu bloed sowas zu ueberblicken.
Deswegen bitte ich auch um Nachsicht, wenn nicht alles so
passt, wie User XY sich das vorstellt.
Um mich mal wieder zu wiederholen... Die Leieterplattenvariante
V 5.2.4_d ist EINE Variante von (sehr) vielen.
Ich kann doch nur von meinen eigenen Moeglichkeiten ausgehen.
Ich selber bin zu bloed sowas weietr zu entwickeln.
Da verlasse ich mich doch glatt auf Profi´s.
Wenn mein "Vorschlag" mehrfach nachgebaut
keine Grundsaetzlichen Fehler beinhaltet, kann ich ja
wohl nichts grundsaetzliches falsch gemacht haben.
Aber es ist sicher von "Genialitaet" entfernt.
Auf die anforderungen oder wuensche jedes inzelnen
einzugehen ist schier unmoeglich.
Jetzt hat User "Barney" Durchkantierte Leiterplatten
Organisiert, so weit so gut.
Mittlerweile ist di Softwareentwicklung nicht stehen
geblieben (ein hoch auf Karl.Heinz).
Also passt eigent Layoutvorschlag nicht mehr zur
aktuellen Software.
Wem wollt Ihr jetzt die Schuld geben ??
Demjenigen, der unermuedlich versucht  die Sache
besser zu machen (Karl-Heinz) oder demjenigen
der versucht eine preisguenstige Leiterplattenvariante zu
organisieren.

... hmmmm...tief Luft holen.....

Wer ein Kommerzielles Produkt benoetigt
wir sicher bei GossenMetrawatt und Konsorten
fuendig. Dort gibt es auch Garantie und Support.
Wer ein´s der prweiswertesten Varianten haben
moechte bestellt in China. (muss sich aber nicht
wundern wenn er nicht einmal eine Bediehnungsanleitung
dazubekommt).

Gruss Asko.

von Marcel S. (Gast)


Angehängte Dateien:

Lesenswert?

Hallo Karl-Heinz,

wie versprochen eine kurze Zwischenmeldung.
Bei meiner Version des Testers von Markus ohne Abschaltung ist
der Ausgang PD6 unbeschalten.
Das hatte auch mit der alten SW soweit funktioniert.
Wie muss ich jetzt PD6 - so wie Du es erwähnt hattest - beschalten ?
Der Tester zeigt jetzt den Wert eines Bauteiles für ca. 1 Sec. an
und zeigt dann Timeout.
Kann das an die fehlende Beschaltung von PD6 liegen ?
Ich habe im Anhang die Schaltung welche ich verwendet hatte angehängt.
Bis dann, schönes WE

Marcel

von Karl-Heinz K. (kubi48)


Lesenswert?

Marcel S. schrieb:
> Kann das an die fehlende Beschaltung von PD6 liegen ?

Hallo Marcel,
nein, das liegt am fehlenden Pull-Up Widerstand an PD7 nach VCC.
Ein 27k Widerstand ist hierfür ausreichend. Alle internen Pull-Up
Widerstände des ATmega werden abgeschaltet (Option PULLUP_DISABLE),
weil nur PD7 und PC6 (RESET) einen Pull-Up brauchen. Andererseits können 
die anderen Pull-Up Widerstände die Messung stören.

Aber die Abblockung der Versorgungsspannung ist sehr knapp. Ein 
zusätzlicher 10uF Kondensator in der VCC Versorgung ist sinnvoll. 
Außerdem sollte der Eingang des Spannungsreglers (9V) besser mit 
Kondensatoren abgeblockt werden (100nF + 10uF).

Den 100nF Kondensator am AREF Pin sollte man gegen einen 1nF 
austauschen, wenn der ATmega8 gegen einen ATmega168 oder ATmega328 
getauscht wird.

Grüße, Karl-Heinz

von Marcel S. (Gast)


Angehängte Dateien:

Lesenswert?

Nochmals Danke - jetzt läuft auch die alte Platine mit der
neuen SW.
Ein ausführlicher Test meinerseits steht aber noch aus.
Das Ergebniss der Messung eines 33K Widerstandes sieht man
auf dem Foto.
Ich werde in nächster Zeit die aktuelle Version mit einen
ATMega 168/328 als Zweitgerät aufbauen.
Mal sehen was es so noch alles kann was der kleine Bruder
noch nicht kann.
Nochmals Danke,

Gruß

Marcel

von Stefan (Gast)


Lesenswert?

Bei meinem chinesischen Tester (Booster Edition Ver. 22 2012/11/26) 
hatte ich nach dem Update auf Version 1.05k auch das Problem mit der 
Cell Warnung. Zusätzliche Kondensatoren im Bereich des 78L05 
Spannungsreglers brachten keine Besserung. Da ich am Controller keine 
Abblockkondensatoren sehen konnte habe ich einen an der leichter 
zugänglichen Seite zwischen den Pins 18-AVCC und 21-GND ergänzt. Auf der 
anderen Seite des des TQFP-32 Gehäuses einen weiteren einen anzulöten 
war mir zu fummelig. Jetzt läuft das Teil.

von Karl-Heinz K. (kubi48)


Lesenswert?

Stefan schrieb:
> Bei meinem chinesischen Tester (Booster Edition Ver. 22 2012/11/26)
> hatte ich nach dem Update auf Version 1.05k auch das Problem mit der
> Cell Warnung.

Hallo Stefan,

bei meiner auf den MCP1702 Regler umgebauten chinesischen Version 2.2 
2012/11/06 hatte ich keine Probleme mit der Software 1.05k. Ich habe 
allerdings auch das 1k Kontrast-Potentiometer gegen ein 10k ausgetauscht 
und die Zenerdiode gegen eine 2.5V Präzisions Referenz getauscht.
Der Tausch des Potis senkt zwar etwas den Verbrauch, das dürfte aber 
nichts zur Stabilisierung von VCC beitragen.
Eingang und Ausgang des Reglers sind mit je einem 100nF keramischen 
Kondensator und je einem 220uF elektrolytischem Kondensator abgeblockt.
Ist das bei der neuen Version geändert?
Die Kapazität der Elkos scheint mir etwas zu hoch gegriffen zu sein, 
zwei 10uF Kondensatoren mit geringem ESR sollten reichen.

Leider zeigt keines meiner Exemplare die geschilderten Probleme mit der 
Software 1.05k.
Derzeit habe ich ein umgerüstetes Board V 2.1 von Markus F. , ein DG2BRS 
V5.2.1 von Asko B. , meine selbstentwickelte Streifenleiter Version und 
den oben genannten chinesische Nachbau.
Das Board 2.1 und die Streifenleiter Version haben 100nF Kondensatoren 
in unmittelbarer Nähe des ATmega, die beiden anderen Platinen nicht.

Vielleicht hat ja ein anderer Nutzer die Ursache der Probleme schon 
näher untersucht. Die Maßnahme, die Betriebsspannung direkt am Anschluß 
des ATmega zusätzlich abzublocken, hatte jedenfalls schon einmal Erfolg! 
Meine Gratulation an Stefan! Die Nachrüstung bei einer SMD-Version ist 
um einiges schwieriger als bei den bedrahteten Versionen. Das ist 
jedenfalls ein deutlicher Hinweis, daß die Probleme von der 
Spannungsversorgung herrühren und keine Instabilität der Software ist.

Grüße, Karl-Heinz

von Barney G. (fuzzel)


Lesenswert?

Kleine Frage nebenher, die vielleicht erst mal nicht wichtig erscheinen 
mag.

Aber betreibt Ihr Eure Platinen auch alle mit Batterie oder sind da 
einige bei die irgendwelche 2A USB-Schaltnetzteile oder "Fern-Ost" 
Wandwarzen mit Einweggleichrichtung und 220µF Glaettung nutzen. Soll 
auch Leute geben die klemmen sowas an einen Auto-Akkulader.
Das wirkt sich natuerlich alles auf die Regler aus. Da sollte man sich 
vielleicht erst mal einig werden, bevor man die Boards mit KerKos und 
PufferElkos zuknallt. Viel hilft naemlich nicht immer viel.

von Stefan (Gast)


Lesenswert?

Ich hatte mein Gerät mit einem neuen 9V Block und danach an einem Hameg 
Labornetzteil getestet. Mit beiden Arten der Stromversorgung gab's mit 
Software Version 1.05K die Cell-Warnung.

Auf meiner Platine waren auch zwei 220uF Elkos, einer nicht direkt am 
Spannungsregkler sondern noch vor dem PNP Transistor, der andere am 
Ausgang des Reglers. Von den beiden keramischen Kondensatoren ist einer 
ebenfalls vor dem PNP Transistor, der andere etwas entfernt vom Regler 
neben dem Displayanschluss. Die beiden Elkos hatte ich entfernt und 
durch zwei 10 uF Elkos direkt am Regler ersetzt und auf der 
Platinenunterseite dort noch zwei 100 nF Kerkos eingefügt. Die Cell 
Warnung kam immer noch. Erst der Kondensator direkt am Controller 
brachte Abhilfe. Wahrscheinlich hätte das Einfügen dieses Kondensators 
alleine schon ausgereicht.

Die Zenerdiode hatte ich ich noch vor dem Softwareupdate entfernt. Eine 
Spannungsreferenz schien mir überflüssig die Ausgangsspannung des 78L05 
fast exakt 5 V beträgt.

von Barney G. (fuzzel)


Lesenswert?

Hinter den meisten Spannungsreglern haben groessere Kapazitaeten nichts 
verloren, weil die dann Probleme bekommen nachzuregeln. Also lieber 
alles weg lassen, bevor man zu viel rein haengt. Oft helfen auch 
kleinere Blockkondensatoren, 10, 20nF. Die groesseren 100nF summieren 
sich irgendwann auch wieder und der Regler hat zu kaempfen. Kommt dann 
auf einen 100mA Regler noch 35mA Last, wie bei dem Pollin Display, hat 
der schon ordentlich zu kaempfen.
Testen sollte man sowas zuerst immer mit einer Batterie oder besser 
einem niederohmigen Akku. Es sei denn man verfuegt ueber ein 
ordentliches Netzteil. Nein, damit meine ich NICHT diese 59,60.-  90W 
Dinger aus der Bucht. Ordentlich ist was anderes.

Die Spannung muss garnicht so genau sein, die kann ruhig 5 - 10% daneben 
liegen. Wichtig ist das die Spannung stabil bleibt.

von zydl y. (Firma: zydl123) (zydl123)


Lesenswert?

Hallo Karl-Heinz

能否用PC3(ADC3)增加一个电压测试功能(Spannungsmessung),用来测试齐纳二极管的反向击穿电压

(Zenerdiode 
Sperrspannung)?测试电压在30V-50V之间就可以了,这样AVR-Transistortester将更为完善了

,去悼自动关机电路可以吗?

我是来自中国(China)的于人家电

von Christian F. (cmf) Benutzerseite


Lesenswert?

> Hallo Karl-Heinz
>
> 能否用PC3(ADC3)增加一个电压测试功能(Spannungsmessung),用来测试齐纳二极管的反向> 击 穿电压
>
> (Zenerdiode
> Sperrspannung)?测试电压在30V-50V之间就可以了,这样AVR-Transistortester将更为完> 善了
>
> ,去悼自动关机电路可以吗?
>
> 我是来自中国(China)的于人家电

Übersetzung laut Gogle:

Hallo Karl-Heinz

Kann eine Spannung Testfunktion (Spannungsmessung), verwendet, um die 
Zenerdiode Durchbruchspannung mit PC3 (ADC3) Erhöhung testen

(Zenerdiode
Sperrspannung)? Prüfspannung zwischen 30V-50V, so dass die der 
AVR-Transistortester desto vollständiger

Zu trauern automatische Abschaltung Schaltung kann es?

Ich komme aus China (China) in den menschlichen Geräte

von Karl-Heinz K. (kubi48)


Lesenswert?

zydl yuren schrieb:
> Hallo Karl-Heinz
>
> 能否用PC3(ADC3)增加一个电压测试功能(Spannungsmessung),用来测试齐纳二极管的反向击穿电压
>
> (Zenerdiode
> Sperrspannung)?测试电压在30V-50V之间就可以了,这样AVR-Transistortester将更为完善了
>
> ,去悼自动关机电路可以吗?
>
> 我是来自中国(China)的于人家电

Hallo zydl yuren,

I am sorry, but I speak only german and a little english.
I assume, that you will expand the tester for testing zener diodes with 
higher breakdown voltages. I think, that you will use a resistor divider 
to break down the voltage to less than 5V.
The port PC3 is still used as output for serial data.
The measurement task can also be done with a 50V power supply, a 
resistor for limiting the current, the zener diode and a volt meter.

The TransistorTester will find only a diode, if the zener voltage is 
above 4.5 V.

Regards, Karl-Heinz

von F. F. (foldi)


Lesenswert?

Also Karl Heinz,

jetzt enttäuscht du mich aber, nicht mal ein bisschen Chinesisch willst 
du lernen um unseren Freunden im "Land des Lächelns" zu helfen.
Bei deinem unermüdlichem Engagement hätte ich das aber mal locker 
erwartet.

Hihihi!

Du bist ein Kerl! Hast sogar aus dem Inhalt heraus gelesen was der will.
Eigentlich bist du fast zu nett für diese Welt. :-)

von zydl y. (Firma: zydl123) (zydl123)


Angehängte Dateien:

Lesenswert?

就像这个电路作参考

von zydl y. (Firma: zydl123) (zydl123)


Lesenswert?

它是来自这里的183楼http://bbs.yleee.com够/viewthread.php?tid=2232&extra=&page=4 
很实用,又多了一个强功能(够=.cn)

von Michael D. (mike0815)


Lesenswert?

also bei allem Respekt, andersprachigen Usern gegenüber...wir sind hier 
in einem deutschen Forum und es gibt genug Übersetzungsprogramme! Warum 
werden diese denn nicht benutzt?

von Karl-Heinz K. (kubi48)


Lesenswert?

also mir wäre auch deutsch am liebsten, englisch ist ja auch noch ok.
aber mit dem letzten Posting wollte der Nutzer zydl wohl auf das
chinesische Forum aufmerksam machen:
bbs.yleee.com. cn/viewthread.php?tid=2232&extr...
Die beiden Adressteile muß man zusammenfügen. Die vollständige Addresse 
wird als Spam angesehen.
Immerhin 9 Seiten mit diversen Beiträgen, hauptsächlich zu der Version 
von Markus F. Die Fortführung des Projektes ist aber auch schon entdeckt 
worden.
Wenn man aber die Übersetzungshilfen benutzt, kommt leider nicht immer 
ein verständlicher Text heraus.

Grüße, Karl-Heinz

von Karl-Heinz K. (kubi48)


Lesenswert?

zydl yuren schrieb:
> 就像这个电路作参考

Soweit ich aus dem Schaltbild entnehme, soll hier sowas wie eine 
Spannungsmessung nachgerüstet werden. Da bin ich der Meinung, daß das 
jedes billige Vielfachmeßgerät besser macht.
Oder besteht hierfür allgemeines Interesse?

Grüße, Karl-Heinz

von Michael D. (mike0815)


Lesenswert?

@Karl-Heinz
ich bekomme das nicht hin, auch mit zusammenfügen etc...da kommt immer 
was Anderes bei raus.
Konntest du den kompletten Link ausfindig machen?

Und ja, eben, bleiben wir beim Deutsch!
Ich schreibe auf englischsprachigen Seiten auch nicht auf deutsch!
Wenn ich das tun würde, bekäme ich wahrscheinlich keine Antwort.
Es kann doch nicht sein, das wir uns immer anpassen müssen, oder?

> Da bin ich der Meinung, daß das
> jedes billige Vielfachmeßgerät besser macht.
Bin ich ganz deiner Meinung!

Spannungsmessung, nun ja, wäre jetzt nicht unbedingt nötig. Genug 
Speicherplatz wäre ja noch vorhanden.
Wenn es kein großer Aufriss wäre und die restlichen Messungen nicht 
dadurch beeinträchtigt werden, könnte das man ja probehalber umsetzen. 
Kann man ja immer noch verwerfen.

Gruß Michael

von Karl-Heinz K. (kubi48)


Lesenswert?

Michael D. schrieb:
> ich bekomme das nicht hin, auch mit zusammenfügen etc...da kommt immer
> was Anderes bei raus.
> Konntest du den kompletten Link ausfindig machen?

Hallo Michael,
der kompletten Link wird als Spam zurückgewiesen von mikrocontroller.net 
wegen dem .cn vermutlich.
Ich habe die Zeile komplett in das Browser-Adressfeld kopiert und das 
Leerzeichen dann entfernt. Dann müßte eigentlich der Thread mit 
AVR-Transistortester und natürlich vielen chinesischen Schriftzeichen 
erscheinen. Hier kann google translater etwas helfen.

Grüße, Karl-Heinz

von Michael D. (mike0815)


Lesenswert?

Der Link funktioniert jetzt:

http://bbs.yleee.com.    cn//viewthread.php?tid=2232&extr

lässt sich nicht abschicken!!!
Zwischen dem Dot und cn die Leerzeichen entfernen, hoffentlich geht's 
jetzt?!

von zydl y. (Firma: zydl123) (zydl123)


Lesenswert?

Hallo Karl-Heinz


use a resistor divider
The  PC3 is a 50V voltmeter?

von Hannes L. (hannes)


Lesenswert?

zydl yuren schrieb:
> The  PC3 is a 50V voltmeter?

PC3 is used for a RS232-Interface.

...

von zydl y. (Firma: zydl123) (zydl123)


Angehängte Dateien:

Lesenswert?

Michael D. schrieb:
> Der Link funktioniert jetzt:
>
> http://bbs.yleee.com.    cn//viewthread.php?tid=2232&extr
>
> lässt sich nicht abschicken!!!
> Zwischen dem Dot und cn die Leerzeichen entfernen, hoffentlich geht's
> jetzt?!

von zydl y. (Firma: zydl123) (zydl123)


Lesenswert?

Karl-Heinz Kübbeler schrieb:
> zydl yuren schrieb:
>> 就像这个电路作参考
>
> Soweit ich aus dem Schaltbild entnehme, soll hier sowas wie eine
> Spannungsmessung nachgerüstet werden. Da bin ich der Meinung, daß das
> jedes billige Vielfachmeßgerät besser macht.
> Oder besteht hierfür allgemeines Interesse?
>
> Grüße, Karl-Heinz



Yes!!

von zydl y. (Firma: zydl123) (zydl123)


Angehängte Dateien:

Lesenswert?

Hannes Lux schrieb:
> zydl yuren schrieb:
>> The  PC3 is a 50V voltmeter?
>
> PC3 is used for a RS232-Interface.
>
> ...

No.Look at this

von Hannes L. (hannes)


Lesenswert?

zydl yuren schrieb:
> No.Look at this

Look at this:
Beitrag "Re: Transistortester AVR"

The actual firmware used PC3 for a RS232-interface to the PC.

...

von Karl-Heinz K. (kubi48)


Lesenswert?

zydl yuren schrieb:
> No.Look at this

Hallo zydl,
it is not possible to implement your suggestion without modification.

Usually the PC3 pin is used as serial output for external data 
acquisition.
But it is possible to use the PC3 pin as analog input, if you deselect 
the serial output by removing the Makefile option "WITH_UART".
By removing the WITH_UART option, the software of the next revision 
would expect a 10:1 resistor divider to measure a external Voltage up to 
50V. The measurement will continue with 3 measurements per second until 
you release the Start button.
If you release the Start button, normal measurement task will continue.
That is my suggestion to solve your problem.
This approach is compatible with any other option without the UART 
option.
Even the automatic shut off can still be used.
That was the good news.

The bad news is, that this solution is only possible with a ATmega168 or 
ATmega328 microcontroller with my actual software.

Regards,
Karl-Heinz

von lukux (Gast)


Lesenswert?

on my ttester v1.05 with atmega328P-PU  extended fuse 0xfc does not 
working, working with:
LOW:  0xf7
HI:   0xd9
EXTD: 0x04



http://www.engbedded.com/fusecalc/

    -perfect site for manual fuse bits configuration

von zydl y. (Firma: zydl123) (zydl123)


Lesenswert?

Karl-Heinz Kübbeler schrieb:
> zydl yuren schrieb:
>> No.Look at this
>
> Hallo zydl,
> it is not possible to implement your suggestion without modification.
>
> Usually the PC3 pin is used as serial output for external data
> acquisition.
> But it is possible to use the PC3 pin as analog input, if you deselect
> the serial output by removing the Makefile option "WITH_UART".
> By removing the WITH_UART option, the software of the next revision
> would expect a 10:1 resistor divider to measure a external Voltage up to
> 50V. The measurement will continue with 3 measurements per second until
> you release the Start button.
> If you release the Start button, normal measurement task will continue.
> That is my suggestion to solve your problem.
> This approach is compatible with any other option without the UART
> option.
> Even the automatic shut off can still be used.
> That was the good news.
>
> The bad news is, that this solution is only possible with a ATmega168 or
> ATmega328 microcontroller with my actual software.
>
> Regards,
> Karl-Heinz

 Very good !
That was the good news.
 ATmega168 or ATmega328 microcontroller
 OK !

von Jörn P. (jonnyp)


Lesenswert?

Na ja, viele Übersetzungen verstehen eben nur das was sie wollen...
Jetzt also auch noch der Wunsch nach einer Spannungsmessung?
Die meisten Voltmeter kommen aus Fernost und sind dort noch wesentliich 
billiger als hier.
Jeder hat sowas herumfliegen, warum nochmals extra im Tester?
Oder solls nur zum Testen von Zenerdioden sein?
Wer schneidet sich dann die 50V aus den Rippen und dann kommt das 
nächste Dilemma: eine 200V Zener kann man damit dann auch nicht testen.
Bisher haben unsere asiatischen Freunde den Tester von hier kopiert.
Imo sollten die jetzt mal vorlegen und wir kopieren es dann, falls es 
was taugt ;-)

von Michael D. (mike0815)


Lesenswert?

Jawoll, Recht hast du!
Statt eine Spannungsmessung, würde ich lieber einen Quarz und/oder 
Oszillator messen wollen!
Das müsste man dann aber über ein Menu-Button umsetzen, denn das für die 
Autoerkennung umzusetzen, stelle ich mir etwas schwieriger vor...

Gruß Michael

von Barney G. (fuzzel)


Lesenswert?

> Statt eine Spannungsmessung, würde ich lieber einen Quarz und/oder
> Oszillator messen wollen!

Wozu soll das gut sein ? Steht doch drauf.

Eigentlich ist das ganze Projekt Mist. Da gehoert ein buntes 
touch-Display mit 800x600 Auflosung dran, ein ordentliches 
Betriebssystem, Internetzugang mit Datenblatt-Datenbank, welche gleich 
nach der Bauteilerkennung aufgerufen wird und natuerlich muessen die 
Messdaten ebenfalls gesammelt werden, damit die Hersteller mal gescheite 
Datenblaetter schreiben koennen und man seine Bauteile gleich sortiert 
in Calc listen kann.
Das muss natuerlich ratz fatz gehen, da keine Zeit und mit einer 1,5V AA 
5 Jahre halten.
Die Platine muss so angepasst werden, dass jeder sie nach seinen 
Wuenschen und mit der in der Grabbelkiste vorhandenen Bauteile aufbauen 
kann. Sei es aus einem alten Foen, egal.
Die Anleitung mit farbigen Bildern, also auch fuer Maenner 
verstaendlich, und natuerlich in allen Sprachen, wir wollen ja 
Kundenfreundlich bleiben.

Jörn Paschedag schrieb:
> Wer schneidet sich dann die 50V aus den Rippen und dann kommt das
> nächste Dilemma: eine 200V Zener kann man damit dann auch nicht testen.

Eben. Bleibt mal auf dem Teppich.

von Michael D. (mike0815)


Lesenswert?

Das ist doch wieder Typisch Barney! Schön immer gleich eins in die 
Fresse!!!

> Wozu soll das gut sein ? Zum testen? Ob er noch schwingt, oder nicht schwingt?
> Steht doch drauf.
Nicht immer! Manche Schriften sind unleserlich oder sogar verwischt, da 
nehmen es manche Hersteller nicht so genau!

> Eigentlich ist das ganze Projekt Mist. Da gehoert ein buntes...
Jetzt drehst du durch, oder? :-)

von Barney G. (fuzzel)


Lesenswert?

Michael D. schrieb:
> Jetzt drehst du durch, oder? :-)

Ach, ICH ?! Hmmm..

Michael D. schrieb:
> Wozu soll das gut sein ? Zum testen? Ob er noch schwingt, oder nicht
> schwingt? Steht doch drauf.

Zitiere mich bitte so wie ich das geschrieben habe und dichte nicht 
irgendwas dazu !

von Michael D. (mike0815)


Lesenswert?

Das ist jetzt aber doof!!!
Kommt davon, wenn zwischendurch das Telefon klingelt...

Hier die Korrektur:
> Wozu soll das gut sein ?
Zum testen? Ob er noch schwingt, oder nicht schwingt?
> Steht doch drauf.
Nicht immer! Manche Schriften sind unleserlich oder sogar verwischt, da
nehmen es manche Hersteller nicht so genau!

von Nelu (Gast)


Angehängte Dateien:

Lesenswert?

Als ich zu kompilieren, tritt dieser Fehler auf, wie zu lösen?

Danke , Nelu

von zydl y. (Firma: zydl123) (zydl123)


Lesenswert?

Jörn Paschedag schrieb:
> Na ja, viele Übersetzungen verstehen eben nur das was sie wollen...
> Jetzt also auch noch der Wunsch nach einer Spannungsmessung?
> Die meisten Voltmeter kommen aus Fernost und sind dort noch wesentliich
> billiger als hier.
> Jeder hat sowas herumfliegen, warum nochmals extra im Tester?
> Oder solls nur zum Testen von Zenerdioden sein?
> Wer schneidet sich dann die 50V aus den Rippen und dann kommt das
> nächste Dilemma: eine 200V Zener kann man damit dann auch nicht testen.
> Bisher haben unsere asiatischen Freunde den Tester von hier kopiert.
> Imo sollten die jetzt mal vorlegen und wir kopieren es dann, falls es
> was taugt ;-)

Not at all, in most cases as long as the measured below 50V zener diode, 
your understanding is wrong.

von Barney G. (fuzzel)


Lesenswert?

Ich schmeiss mich wech. Unglaublich :)

von F. F. (foldi)


Lesenswert?

Barney Geroellheimer schrieb:
> Ich schmeiss mich wech. Unglaublich :)

Jau, ich mich mit!

von Hannes L. (hannes)


Lesenswert?

Eigentlich schade um Euch Zwei...

...

von Dnies (Gast)


Lesenswert?

Hi all.
Please, send me compiled 1.5 FW here, or on my mail denis.j@centrum.sk
And what I must change in fuses for atmega168 with 8mhz external 
crystal?
I use ponyprog.
Thanks very much.

von Barney G. (fuzzel)


Lesenswert?


von Karol B. (johnpatcher)


Lesenswert?

Nelu schrieb:
> Als ich zu kompilieren, tritt dieser Fehler auf, wie zu lösen?

Dein Screenshot vermittelt leider nicht wirklich die benötigten 
Informationen, z.B. nämlich die Version der Toolchain. Das schaut mir 
nach AVR Studio 4 aus, insofern schon recht betagt.

Mit avr-gcc 4.7.2 und avr-binutils 2.23 unter Linux jedenfalls 
funktioniert es wunderbar.

Jedoch handelt es sich bei dem auf dem Screenshot gezeigten Fehler "nur" 
um eine Warnung. Nichtsdestotrotz sollte ein Kompilat herauskommen, 
welches vermutlich funktioniert.

von Nelu (Gast)


Lesenswert?

Danke für die Antwort, ich M328 mit kompilierten Dateien und stürzt beim 
Start programmiert. Diese Version ,, 
http://www.mikrocontroller.net/svnbrowser/transistortester/?pathrev=140 
'' kompilieren und funktionieren einwandfrei.Leider wissen wir nicht, 
wie man Linux verwenden, und mit Ihnen zu kommunizieren ich google, ich 
hoffe, Sie verstehen.Ich arbeitete mit AVR-Studio 4.19 und 
WinAVR-20100110.

Vielen dank , Nelu

von Dnies (Gast)


Angehängte Dateien:

Lesenswert?

Thanks for answer.
In archive is compilied only version 1.05 strip_grid for atmega168.I 
think my version is other.I attach schematic of version which I 
build.And on fusecalc I dont know what I must set.Will you help me?
Please compile it for me with language slovak and atmega168 with 8mhz 
ext. crystal.

von F. F. (foldi)


Lesenswert?

Dnies schrieb:
> Please compile it for me with language slovak and atmega168 with 8mhz
> ext. crystal.

Klar! Das machen wir Deutschen gern. In jeder Sprache der Welt 
übersetzen wir alles - fehlerfrei, versteht sich von selbst.

Auf welchem Planeten leben wir eigentlich?

von Charly B. (charly)


Angehängte Dateien:

Lesenswert?

@Dnies
download the Zip file and enjoy

Frank O. schrieb:

> Auf welchem Planeten leben wir eigentlich?
ERDE
TERRA
wenn de noch nichtmal das hinbekommst ...... ;)

aber in der Zeit wo du rummeckerst haettste das auch schnell
kompielieren koennen, oder kannste dass nicht?,(ist eher meckern
deine Staerke? ;) )

>Klar! Das machen wir Deutschen gern.
find ich schon a bisschen Assi!

vlG
Charly

von Barney G. (fuzzel)


Angehängte Dateien:

Lesenswert?

Should work

ver. 1.05

m168

LANG_SLOVAK

lfuse: 0xff
hfuse: 0xdc

von Dnies (Gast)


Lesenswert?

fuzzel and charly thank you very much!
and foldi ! for change language to slovak, need  change only 1 setting 
in makefile.No need to translate..

von F. F. (foldi)


Lesenswert?

Charly B. schrieb:
> @Dnies
> download the Zip file and enjoy
>
> Frank O. schrieb:
>
>> Auf welchem Planeten leben wir eigentlich?
> *ERDE*
> *TERRA*
> wenn de noch nichtmal das hinbekommst ...... ;)
>
> aber in der Zeit wo du rummeckerst haettste das auch schnell
> kompielieren koennen, oder kannste dass nicht?,(ist eher meckern
> deine Staerke? ;) )
>
>>Klar! Das machen wir Deutschen gern.
> find ich schon a bisschen Assi!
>
> vlG
> Charly

@Charly:

Er wollte das nicht nur compiliert haben, sonder auch noch in seine 
Sprache
>with language slovak
übersetzt haben.
Ich finde da hört es auf und wenn du diese Anmerkung dann assi findest, 
bitteschön.
Wir Deutschen (jedenfalls alle die ich kenne) passen uns überall an und 
versuchen die Landessprache möglichst schnell zu lernen, aber wenn jetzt 
auch noch verlangt wird, dass in einem deutschsprachigem Forum das in 
Slowenisch übersetzt wird, dann finde ich, da darf man mal etwas dazu 
sagen.
Ich habe niemanden beleidigt und "Assi" ist eine Beleidigung.
Mit freundlichen Grüßen
Frank

von Hardy F. (hardyf)


Lesenswert?

Frank O. schrieb:
> Er wollte das nicht nur compiliert haben, sonder auch noch in seine
> Sprache
>>with language slovak
> übersetzt haben.
> Ich finde da hört es auf und wenn du diese Anmerkung dann assi findest,
> bitteschön.

Hört bei dir also die Hilfe untereinander an Ländergrenzen auf,
oder wie ?

von Paul Baumann (Gast)


Lesenswert?

@Foldi um 13:36 Uhr

>dass in einem deutschsprachigem Forum das in
>Slowenisch übersetzt wird

Slowenisch ist nicht Slovakisch. Finnisch ist nicht Spanisch.

Dnies schrub um 12:40 Uhr:
>for change language to slovak, need  change only 1 setting
>in makefile.No need to translate..

Vielleicht hast Du Glück und es findet sich jemand, der Dir das
in's Deutsche übersetzt.....

Kopf schüttel
Paul

von Tim Bukdu (Gast)


Lesenswert?

Ich plädiere noch für ein Esperanto Version, dann kann sich niemand mehr 
beschweren.

von Charly B. (charly)


Lesenswert?

@Nelu

von wo kommst du ?,
oder registrier dich und sende mir eine PN

vlG
Charly
 
73!

von F. F. (foldi)


Lesenswert?

Paul Baumann schrieb:
> @Foldi um 13:36 Uhr
>
>>dass in einem deutschsprachigem Forum das in
>>Slowenisch übersetzt wird
>
> Slowenisch ist nicht Slovakisch. Finnisch ist nicht Spanisch.
>
> Dnies schrub um 12:40 Uhr:
>>for change language to slovak, need  change only 1 setting
>>in makefile.No need to translate..
>
> Vielleicht hast Du Glück und es findet sich jemand, der Dir das
> in's Deutsche übersetzt.....
>
> Kopf schüttel
> Paul

Wusste ich nicht, dass das so einfach ist. Danke, unsere Sprache 
beherrsche ich einigermaßen.
Und viel Spaß beim Kopf schütteln.

von F. F. (foldi)


Lesenswert?

Hardy F. schrieb:
> Frank O. schrieb:
>> Er wollte das nicht nur compiliert haben, sonder auch noch in seine
>> Sprache
>>>with language slovak
>> übersetzt haben.
>> Ich finde da hört es auf und wenn du diese Anmerkung dann assi findest,
>> bitteschön.
>
> Hört bei dir also die Hilfe untereinander an Ländergrenzen auf,
> oder wie ?

Auf keinen Fall und gerade die Chinesen gehören zu meinen besten 
Freunden.

von F. F. (foldi)


Lesenswert?

An alle hier:

Es tut mir leid und hätte ich mich schon mit der Software und allem 
intensiv auseinander gesetzt, dann hätte ich sicher nicht so ein 
Blödsinn geschrieben.

Natürlich finde ich es toll wenn jemandem geholfen wird (ist mir hier 
schon mehrfach und ich werde auch noch etliche Hilfe brauchen) und das 
ist auch richtig so.
Hier hatte ich den Eindruck, dass er alles in seine Sprache übersetzt 
haben wollte.
Dass es sich nur um die Anzeige handelt, das fiel mir nicht dazu ein.

Also nochmal! Asche auf mein Haupt, ihr habt recht und es war falsch von 
mir.

von Barney G. (fuzzel)


Lesenswert?

> und hätte ich mich schon mit der Software und allem
> intensiv auseinander gesetzt, dann hätte ich sicher nicht so ein
> Blödsinn geschrieben.

Warum antwortest Du denn dann auf Fragen die Du garnicht beantworten 
kannst ? Und vor allem warum zickst Du dann deswegen auch noch rum ? 
Verstehe ich nicht.

Und bitte nein, erspare uns weitere Diskussionen, das nimmt bei Dir 
heute kein Ende. Siehe den anderen thread, oder sind da noch mehr, ich 
meine ich lese ja nicht alles hier. Vielleicht machst Du den PC fuer 
heute mal aus.

von Hannes L. (hannes)


Lesenswert?

Gut jetzt, Ähnliches ist wohl schon Vielen von uns mal passiert. Ist 
auch nicht weiter schlimm, wenn man daraus lernt.

...

von Asko B. (dg2brs)


Lesenswert?

Hi

Darf man nur etwas sagen wennn man selbst etwas
dazu beigetragen hat ?

Im ersten moment fand ich auch die Meinung von
frank.O etwas unangemessen.
Aber er hat sich etschuldigt, weil er wegen
dem Betreffs unwissend war.
Sollen wir jetzt jeden User, der EINMAL
einen (dazu noch einen zugegebenen) fehler
begeht grundsaetzlich aus unserer Community
ausschliessen ?? Ich glaube nein.

Gruss Asko.

von Karl-Heinz K. (kubi48)


Lesenswert?

Hallo zusammen,
irgendwie hatte ich die Email-Benachrichtigung abgeschaltet und deswegen 
die letzen Diskussionen nicht mitbekommen.
Ich finde es auch unsachlich, wenn irgendwelche Leute auf Grund der 
Nationalität in einen Topf geschmissen werden.
Der Transistortester wird wahrscheinlich von einer chinesischen Firma 
nachgebaut. Die Anfrage kam aber von einem Diskussions-Thread ähnlich 
wie hier. Warum sollten von denen keine brauchbaren Vorschläge 
angenommen werden? Daß man die Zener-Spannung auch anders messen kann, 
wissen die auch.

Doch nun zurück zu unseren Nutzern.
Die neue Platine von Asko (DG2BRS V5.2.4-d) dürfte inzwischen bei vielen 
Sammelbestellern angekommen sein.

Ich habe auch eine Version aufgebaut.
Bei der Bestückung habe ich folgende Änderungen gemacht:
1.) Die 10uH Spule habe ich durch eine Drahtbrücke ersetzt. Die Spule 
hat einen Widerstand von 1.4 Ohm! Wer die schon eingebaut hat, sollte 
sie bei Problemen überbrücken oder durch 0 Ohm ersetzen.
2.) Einen 100nF Kondensator (neben der 2.5V Referenz) habe ich durch 
einen 470nF Kondensator ersetzt (VCC-Abblockung).
3.) Den 33 Ohm Widerstand für die Beleuchtung des LCD habe ich durch 
einen 390 Ohm Widerstand ersetzt (bei blauem Display hell genug).
4.) Die beiden Spannungsregler-Varianten und die 2.5V Spannungsreferenz 
habe ich mit Sockel versehen, um verschiedene Varianten ausprobieren zu 
können.
5.) Ebenso habe ich den 8 MHz Quarz und den Vorwiderstand für die 
LCD-Hintergrundbeleuchtung.

Als Spannungsregler ist bei mir der 78L05 bestückt.
In dieser Konfiguration habe ich den Tester mit der Software 1.04k,
der 1.05k und der pre_1.06k aus dem Entwicklerpfad getestet, bisher ohne 
erkennbare Probleme.

Grüße, Karl-Heinz

von Asko B. (dg2brs)


Lesenswert?

Hi

An alle Nachloeter (nachbauer) des Transistortesters
von Markus Frejek mit der Software von Karl-Heinz Kübbeler.

Beitrag "Re: Transistortester AVR"

Wenn nicht, wer dann sollte ausser Karl-Heinz
wissen wie was usw. sauber funktioniert.
Deswegen ist es gut das K-H ungefragt ein Muster
zugestellt bekommen hat.+

Wir koennen nur durch seine erfahrungen lernen.
Ich kann mir das gar nicht vorstellen, aber da es sich
bei der Software-Entwicklung scheinbar um einen
Full-Time-Job handelt frag ich mich ehrlich:
"Womit verdiehnt er sein Geld"

Gruss Asko.

von Michael D. (mike0815)


Lesenswert?

Hallo Karl-Heinz,
wie ich im Trunk sehe, hast du eine pre 1.06k mit
"Messmoeglichkeit externer 50V Spannung ergaenzt"

Hast du diese Funktion irgendwo dokumentiert? Ich habe alle Readme.txt 
und die Doku.pdf durchsucht, leider nichts gefunden.
Wenn diese Möglichkeit eingebaut ist, dann würde ich das auch gerne mal 
testen...

Gruß Michael

EDIT: Jetzt ist ja alles gesagt und man könnte die Dialoge vom 
02-02-2013 von 13:36 bis 23:28 Uhr Löschen!

von Michael D. (mike0815)


Angehängte Dateien:

Lesenswert?

jetzt habe ich doch etwas darüber gefunden...

von Karl-Heinz K. (kubi48)


Lesenswert?

Michael D. schrieb:
> jetzt habe ich doch etwas darüber gefunden...

Hallo Michael,
das ist ein Entwurf, die Hardware ist noch nicht getestet!
Der Softwaretest für diese Erweiterung war ganz einfach:
Der Pin 26 musste nach der Abschaltung der seriellen Ausgabe mit Pin 27 
(2.5V Referenz) kurzgeschlossen werden, dann muss eine Spannung von 25V 
angezeigt werden.
Einen DC-DC Spannungswandler (SIP) mit mehr als 2x15V habe ich bisher 
nicht gefunden.
Finanziert werde ich übrigens als Rentner, daher kann ich mir das Hobby 
leisten.

Grüße,
Karl-Heinz

von Michael D. (mike0815)


Lesenswert?

Hallo Karl-Heinz,

> Einen DC-DC Spannungswandler (SIP) mit mehr als 2x15V habe ich bisher
> nicht gefunden.
Diese Spannungswandler ziehen auch ganz gut Strom, ohne externe 
Spannungsquelle mit entsprechender Leistung, wird es für unseren Tester 
wohl erst einmal eine Studie bleiben...

> Finanziert werde ich übrigens als Rentner, daher kann ich mir das Hobby
> leisten.
Der wohlverdiente Ruhestand, da kann man seine Hobbys mal so richtig 
ausleben!!!
Bei mir dauert das noch ein wenig :-(

Gruß Michael

von Karl-Heinz K. (kubi48)



Lesenswert?

Hier noch ein paar Bilder von meiner neuen DG2BRS Version5.2.4-d.
Die Sockel für Spannungsregler, Präzisionsreferenz und Quarz sind nur 
für meine Experimentalversion sinnvoll.
Die Sockel-Pinne für den LED-Vorwiderstand der LCD 
Hintergrundbeleuchtung ist für jedermann sinnvoll. So kann man relativ 
leicht für sich selbst einen Kompromiß von Helligkeit und Stromverbrauch 
finden.

Grüße, Karl-Heinz

von Simone (Gast)


Lesenswert?

Hi Karl-Heinz,

is possible to buy one or some of this pcb ? how ?

TIA

von KeesJan (Gast)


Angehängte Dateien:

Lesenswert?

Hello all, here two pictures of my Tester. Its works perfect -  version 
1.05K
Thanks Karl-Heinz !

Greetings KeesJan - The Netherlands

von Karl-Heinz K. (kubi48)


Lesenswert?

Simone schrieb:
> is possible to buy one or some of this pcb ? how ?

Hallo Simone,

this is the wrong thread for the omnibus order of PCB or set of 
components.
The thread for this task is here:
Beitrag "Re: Info Platinen Bauteiletester / Transistortester"
The user fuzzel (Barney) has organized this.
But I think, that the first set of PCB is sold.
You should registrate yourself to contact the member fuzzel directly.

Best Regards,
Karl-Heinz

von F. F. (foldi)


Lesenswert?

Simone schrieb:
> Hi Karl-Heinz,
>
> is possible to buy one or some of this pcb ? how ?
>
> TIA

Hello Simone,

yesterday he told me that there is only one PCB and so I think you must 
hurry.
:-)

von Karl-Heinz K. (kubi48)


Angehängte Dateien:

Lesenswert?

Hallo Nutzer der DG2BRS Leiterplatten,

ich habe mit der neuen DG2BRS V5.2.4-d einige Messungen an der VCC
Versorgungs des ATmega mit 100nF und 470nF keramischen Kondensator (ohne 
10uH Drossel) in der VCC Versorgung gemessen:

vcc_78L05 mit dem 78L05 Regler
vcc_mcp1702 mit dem MCP1702-5002 Regler

100nF_10uF zeigt die nachgerüsteten Kondensatoren

vcc100n10u_78L05 mit dem 78L05 Regler nachgerüstet
vcc100n10u_MCP1702 mit dem MCP1702-5002 Regler

Nur mit einem nachgerüsteten 100nF Kondensator habe ich nur den 78L05 
gemessen: vcc100n_78L05

Eine Nachrüstung halte ich für empfehlenswert.

Grüße, Karl-Heinz

von Barney G. (fuzzel)


Lesenswert?

Wo genau hast Du das so gemessen ? Also wo die Masse angeklemmt und wo 
den Teiler dran gehalten ? Wie getriggert ? Ich habe diesen "Fehler" 
nicht mal annaehernd.

Wenn ich diese winzigen Bildchen richtig deute schwingt da was mit 
ziemlich genau 10kHz. Bist Du sicher das Du da nichts auf dem Tisch hast 
was einstreuen koennte ?
Und was ist das fuer ein "Klumpen" am Signalende ?
Kannst Du die waveform mal mit grossem Speicher aufnehmen und mir das 
File schicken ?

von Karl-Heinz K. (kubi48)


Angehängte Dateien:

Lesenswert?

Barney Geroellheimer schrieb:
> Und was ist das fuer ein "Klumpen" am Signalende ?

Hallo Barney,

aufgenommen ist alles mit der Software, die den Schlafzustand benutzt,
also der pre_1.06k aus dem Entwicklerpfad. Die 1.05k Software sollte 
aber gleiches Verhalten haben.
Die Messung erfolgte mit Mikroclips direkt am VCC und GND Pin (7+8) des 
ATmega328P.
Die kleinen Pulspakete im 112µs Abstand ist das Aufwachen des Prozessors 
nach dem ADC-Schlafzustand. Das breite Pulspaket ist die Verarbeitung 
des ADC-Ergebnisse am Ende einer Meßserie.
Ich habe die Kopplung auf AC stehen und habe auf negativen Pegel 
getriggert.
Den Trigger-Pegel habe ich auf möglichst kleinen Wert eingestellt.
Ich habe natürlich den Normal Sweep nicht den Auto Sweep benutzt und den
Oszilloskop gestoppt bevor die automatische Abschaltung erneut triggert.
Ich hoffe, daß Dir die Aufnahme des abgeblockten Zustandes mit 100nF + 
10uF zusätzlichen Kondensatoren reicht, da ich nicht so gerne löte.

Grüße, Karl-Heinz

von Barney G. (fuzzel)


Lesenswert?

Danke Dir,

Die Speichertiefe ist jetzt nicht gerade der Brueller, aber das sieht 
doch wirklich nach Schwingen aus.
Da muss ich aber noch etwas umbauen und auch die andere Firmware drauf 
machen.
Das gucke ich mir heute Abend mal genauer an, dann habe ich auch ein 
ordentliches Scope zur Hand. Jetzt muss ich erst mal ein bisschen so tun 
als ob ich arbeite.

> da ich nicht so gerne löte.

Ne, voellig okay, das Signal ist ja gleich.

Ach, 9V Block als Stromquelle wie ueblich ?

von Karl-Heinz K. (kubi48)


Lesenswert?

Barney Geroellheimer schrieb:
> Die Speichertiefe ist jetzt nicht gerade der Brueller, aber das sieht
> doch wirklich nach Schwingen aus.

das ist halt ein low cost Oszilloskop, für privates Hobby reicht mir 
100MHz Bandbreite und bis zu 1MSample Speichertiefe aus. Das es kein 
Textr.... ist, weiß ich auch.
Hier ist der Sampleabstand 10ns (100MHz). Das sollte bei 8MHz Taktrate 
der MCU reichen. Ich sehe das Signal eher als Rauschen vom 
Mikrocontroller an, eine Schwingung kann ich nicht erkennen.

Grüße, Karl-Heinz

von Barney G. (fuzzel)


Lesenswert?

Ja war bloede ausgedrueckt. Ich musste halt ZU sehr dehnen um diese 
peaks halbwegs deuten zu koennen und da ist dann natuerlich 
Speichertiefe angesagt.

> eine Schwingung kann ich nicht erkennen.

Du kannst das Signal ja auch dehnen wie Du willst, ich bin rein auf Dein 
File angewiesen und habe natuerlich dementsprechend mehr Ecken als 
Kurven. Die Form passt aber zu einer Schwingung. Wie gesagt, ich gucke 
mir das heute Abend mal auf einer ordentlichen Roehre an. Vorausgesetzt 
natuerlich ich habe das Problem auch.

von Friedhelm (Gast)


Lesenswert?

Karl-Heinz Kübbeler schrieb:

> Hier noch ein paar Bilder von meiner neuen DG2BRS Version5.2.4-d.

Wo kann man die Platine bekommen?

von Barney G. (fuzzel)


Lesenswert?


von Barney G. (fuzzel)


Angehängte Dateien:

Lesenswert?

@kubi48

Gestern hatte ich keinen Bock mehr, ist spaet geworden.
Bei mir sieht es mit der 1.06k und Originalbestueckung, also so wie sie 
in der Sammelbestellung raus ist, aber genauso aus.
Ich habe die Hintergrundbeleuchtung vom LCD mal ganz abgezwickt um den 
Regler nicht unnoetig zu belasten. Das macht komischerweise keinen 
Unterschied.
Man kann auf dem blauen Display auch ganz gut was lesen, wenn die 
Hintergrundbeleuchtung ganz aus ist.

von Michael D. (mike0815)


Lesenswert?

wo ist denn da abgegriffen worden? Direkt am Reglerausgang oder am µC 
Eingang?
Ich hatte letzes Jahr mal eine ganze Messlatte vom Ripple der Regler 
MCP1702 und dem LM2940-5 erstellt. Ich staunte nicht schlecht über das 
Ergebnis, vor Allem, vor (9V Block-Batterie)und nach der Regelung.
Hatte ich das hier nicht mal gepostet?

Gruß Michael

von F. F. (foldi)


Lesenswert?

Michael D. schrieb:
> wo ist denn da abgegriffen worden? Direkt am Reglerausgang oder am µC
> Eingang?
> Ich hatte letzes Jahr mal eine ganze Messlatte vom Ripple der Regler
> MCP1702 und dem LM2940-5 erstellt. Ich staunte nicht schlecht über das
> Ergebnis, vor Allem, vor (9V Block-Batterie)und nach der Regelung.
> Hatte ich das hier nicht mal gepostet?
>
> Gruß Michael

Hast du!
Die Frage, hat es signifikante Einflüsse auf das Messergebnis?

von F. F. (foldi)


Lesenswert?

Stelle ich die Frage noch mal anders.
Wenn ich einen 470 Ohm Widerstand habe und ich messe 468 Ohm, was ändert 
das?
Sollte ich in meiner Schaltung nicht auf die erwarteten Ergebnisse 
kommen, dann muss ich (besser schon vorher) da vielleicht ein Poti 
nehmen oder ein Trimmkondensator oder den Fehler softwaretechisch 
kalibrieren. Ich werde doch niemals mit den Bauteilen auf meine 
berechneten Werte kommen.

War der Tester nicht dazu gedacht Bauteile zu identifizieren und zu 
schauen, ob sie noch in Ordnung sind, wo die B, C und E sind?

Ich hab das Chinateil noch nicht umgebaut, auch noch keinen eigenen 
gebaut und nicht mal den Versuch hab ich bei meinem ersten Tester (der 
nächste ist unterwegs) unternommen die Software zu upgraden.
Der tut was wer soll und das ganz toll. Ich muss nicht mehr nach dem 
Datenblatt suchen, wenn ich wissen will wo welcher Anschluss von diesem 
oder jenem Transistor ist und das hilft mir als Anfänger ungemein 
weiter.

Ein Präzisionsmessgerät habe ich weder erwartet noch brauche ich das für 
diesen Zweck.
Dank Karl-Heinz ist der Tester das aber schon fast.

von Karl-Heinz K. (kubi48)


Lesenswert?

Michael D. schrieb:
> Hatte ich das hier nicht mal gepostet?

Hallo Michael,

es geht um die neue Softwareversion 1.05k mit dem Schlaf-Zustand des 
Prozessors. Dadurch wechselt die VCC Last und der Prozessor hat ruhige 
Phasen.
Ich hatte die Spannung direkt an den ATmega Versorgungs-Pinnen 
abgegriffen:
Beitrag "Re: Transistortester AVR"
Wo Barney genau abgegriffen hat, weiß ich nicht, bei ihm ist aber der 
Ripple kleiner. Die größere Schwingung bei Barney kann an der anderen 
Kondensatorbestückung liegen (Standard 2 x 100nF, 10uH Spule?).
Direkt am Abblock-Kondensator ist bei mir der Ripple auch kleiner.
Bedrohlich für die Funktion des Testers sind alle Oszillogramme nicht!
Es wird aber beim Messen eine stabile VCC Versorgung vorausgesetzt.

Grüße, Karl-Heinz

von Karol B. (johnpatcher)


Lesenswert?

Habt ihr euch denn schon einmal die Spannung direkt am AVCC Pin 
angeschaut? Das dürfte ja wesentlich wichtiger für "korrekte" ADC 
Messungen sein, oder?

von Barney G. (fuzzel)


Lesenswert?

> Wo Barney genau abgegriffen hat, weiß ich nicht, bei ihm ist aber der
> Ripple kleiner.

Auch direkt am Sockel Pin 7 & 8. Nur nicht mit Klemmen, sondern mit 
Teiler und Massefeder.
Die peaks varrieren, da liegt noch Rauschen mit drauf. Die 170mV im Bild 
oben sind Zufall, weil nur zwei peaks gemessen wurden. Haetten 
genausogut auch 200mV gewesen sein koennen, wenn ich den cursor etwas 
anders gedreht haette.

von Karl-Heinz K. (kubi48)


Lesenswert?

Karol Babioch schrieb:
> Das dürfte ja wesentlich wichtiger für "korrekte" ADC
> Messungen sein, oder?

Die AVCC ist beim Layout direkt gebrückt mit VCC, da passiert nicht 
viel. Außerdem wird bei der 1.05k während des Schlafzustandes die 
ADC-Messung gemacht.
Ich hatte auch AVCC schon gemessen mit dem praktisch gleichen Ergebnis.
Ich hatte bei meinem Patch aber die beiden GND unter dem Sockel mit
dem Anschlußdraht des 100nF Kondensators gebrückt.

Karl-Heinz

von F. F. (foldi)


Lesenswert?

Karl-Heinz Kübbeler schrieb:
> Bedrohlich für die Funktion des Testers sind alle Oszillogramme nicht!

Wie und in welchem Ausmaß würde es denn die Messung des/der Bauteile 
beeinflussen?

von Davis (Gast)


Lesenswert?

Karl-Heinz Kübbeler schrieb:


> Die AVCC ist beim Layout direkt gebrückt mit VCC, da passiert nicht
> viel.

AVCC sollte von VCC entkoppelt sein.

von Thomas L. (ics1702)


Lesenswert?

Karl-Heinz Kübbeler schrieb:
> Karol Babioch schrieb:
>>. Außerdem wird bei der 1.05k während des Schlafzustandes die
> ADC-Messung gemacht.
>
>
> Karl-Heinz

ist es dann nicht eh völlig egal ?

von Karl-Heinz K. (kubi48)


Lesenswert?

Davis schrieb:
> Karl-Heinz Kübbeler schrieb:
>

>
> AVCC sollte von VCC entkoppelt sein.

Davis schrieb:
> AVCC sollte von VCC entkoppelt sein.

Das gilt eigentlich nur für den Fall, daß Input/Output Aktivitäten 
während des ADC lesen parallel laufen. Hier wird aber nichts geschaltet, 
auch Eingänge wechseln nicht. Lediglich der Wechsel in den Schlafzustand 
stellt einen Schaltvorgang dar.
Ein wenig Rauschen ist sogar nützlich für die Interpolation der ADC 
Daten. Es werden in den meisten Fällen wenigstens 25 Werte gemittelt und 
für die Verbesserung der Auflösung genutzt.
Lediglich für die Gate Spannungsmessung von FETs werden nur 11 Werte 
genommen. Diese Messung ist aber ohnehin nicht hochpräzise.

Grüße, Karl-Heinz

von F. F. (foldi)


Lesenswert?

Karl-Heinz Kübbeler schrieb:
> Ein wenig Rauschen ist sogar nützlich für die Interpolation der ADC
> Daten. Es werden in den meisten Fällen wenigstens 25 Werte gemittelt und
> für die Verbesserung der Auflösung genutzt.
> Lediglich für die Gate Spannungsmessung von FETs werden nur 11 Werte
> genommen. Diese Messung ist aber ohnehin nicht hochpräzise.
>
> Grüße, Karl-Heinz

Karl-Heinz,

dann sag uns doch mal in welchem prozentualem Bereich die Abweichungen 
zum Ideal liegen! :-)

von F. F. (foldi)


Lesenswert?

Frank O. schrieb:
> Karl-Heinz Kübbeler schrieb:
>> Ein wenig Rauschen ist sogar nützlich für die Interpolation der ADC
>> Daten. Es werden in den meisten Fällen wenigstens 25 Werte gemittelt und
>> für die Verbesserung der Auflösung genutzt.
>> Lediglich für die Gate Spannungsmessung von FETs werden nur 11 Werte
>> genommen. Diese Messung ist aber ohnehin nicht hochpräzise.
>>
>> Grüße, Karl-Heinz
>
> Karl-Heinz,
>
> dann sag uns doch mal in welchem prozentualem Bereich die Abweichungen
> zum Ideal liegen! :-)

Bedächtiges Schweigen hier ... :-(

von Karl-Heinz K. (kubi48)


Lesenswert?

Frank O. schrieb:
> dann sag uns doch mal in welchem prozentualem Bereich die Abweichungen
> zum Ideal liegen!

Leider läßt sich das pauschal nicht sagen.
Die Höhe der VCC Spannung selber geht in die Zeitkonstantenbestimmung 
(Kondensatoren) direkt ein (1% Spannungsabweichung = 50mV = ~1% Fehler). 
Die Abweichungen der VCC-Spannung wird mit einer Messung der 2.5V 
Präzisionsreferenz kompensiert. Damit das funktioniert, muß die VCC 
Spannung aber stabil bleiben.
Der Einfluß einer Spannungsänderung, wie Barney sie zeigt, hängt 
wiederum von der Zeitkonstante selbst ab. Bei längeren Zeitkonstanten 
ist der Einfluß wegintegriert. Bei Widerstandsmessungen geht die 
Spannung nicht direkt in das Meßergebnis ein, aber auch hier sollte die 
Spannung während einer Meßserie stabil bleiben.
Es ist also auf jeden Fall sinnvoll, den Einfluß durch Lastschwankung zu 
vermeiden. Ein größerer Kondensator gibt dem Regler mehr Zeit auf die 
Laständerung zu reagieren.
Es ist eigentlich auch üblich, direkt an den Poweranschluß Pins eines 
ICs einen Abblock-Kondensator zu plazieren. Nur bei Versorgungs-Layern 
(Multilayer) kann man davon schon mal abweichen.

Grüße, Karl-Heinz

von Michael D. (mike0815)



Lesenswert?

ich habe jetzt noch mal gemessen.
Die Pics sind selbsterklärend.
Am 1702 Ausgangspin ist ein Ripple von 58,4mV(P-P)
Sehe ich als nicht kritisch an.
Ich habe statt einer Drossel, einen Ferritbead vor dem AVCC-Pin, der den 
HF-Anteil(Rauschen) abschwächen sollte, was er auch ganz gut macht, wie 
ich sehe.
Vor dem Ferritbead fange ich mir auf dem Weg um die 8MHz mit 
13,8mV(P-P)ein, ich denke, das das vom Quarz kommt?!
Nach dem FerritBead bleiben nur noch 6mV(P-P)!
Als letztes noch ein Pic von beidem, Ripple u. Rauschen.

> Karl-Heinz Kübbeler schrieb:
> Bedrohlich für die Funktion des Testers sind alle Oszillogramme nicht!
Sehe ich auch so! Würden wir in den 3stelligen Bereich wandern, würde 
das zum bekannten "Cell" Problem führen, mit dem ich mich mal 
herumschlagen mußte.

@Frank O.
> Wie und in welchem Ausmaß würde es denn die Messung des/der Bauteile
> beeinflussen?
Wenn der Ripple zu hoch wäre, würde der Tester mal messen, dann wieder 
nicht. Je nach dem, wie der Ripple schwankt.
Ich hatte mal ein richtiges Problem damit und wäre dabei nie auf den LDO 
gekommen! Das war in dem Fall ein LM2940-5, der sehr Schwingfreudig war. 
Abstellen konnte ich es mit 100µF am Reglerausgang, läuft jetzt noch 
ohne Probleme.

Gruß Michael

von F. F. (foldi)


Lesenswert?

Karl-Heinz Kübbeler schrieb:
> Leider läßt sich das pauschal nicht sagen.
> Die Höhe der VCC Spannung selber geht in die Zeitkonstantenbestimmung
> (Kondensatoren) direkt ein (1% Spannungsabweichung = 50mV = ~1% Fehler).
> Die Abweichungen der VCC-Spannung wird mit einer Messung der 2.5V
> Präzisionsreferenz kompensiert. Damit das funktioniert, muß die VCC
> Spannung aber stabil bleiben.
> Der Einfluß einer Spannungsänderung, wie Barney sie zeigt, hängt
> wiederum von der Zeitkonstante selbst ab. Bei längeren Zeitkonstanten
> ist der Einfluß wegintegriert. Bei Widerstandsmessungen geht die
> Spannung nicht direkt in das Meßergebnis ein, aber auch hier sollte die
> Spannung während einer Meßserie stabil bleiben.
> Es ist also auf jeden Fall sinnvoll, den Einfluß durch Lastschwankung zu
> vermeiden. Ein größerer Kondensator gibt dem Regler mehr Zeit auf die
> Laständerung zu reagieren.
> Es ist eigentlich auch üblich, direkt an den Poweranschluß Pins eines
> ICs einen Abblock-Kondensator zu plazieren. Nur bei Versorgungs-Layern
> (Multilayer) kann man davon schon mal abweichen.
>
> Grüße, Karl-Heinz

Ich dachte  schon du könntest mich nicht mehr leiden, weil weder auf die 
erste Frage noch die zweite Frage ne Antwort kam.
Wie groß soll er sein? 100pF und 10pF oder 4,7 uF und 22pF?

von F. F. (foldi)


Lesenswert?

@Karl-Heinz:

Danke für deine Ausführungen. Ich bin dann mal weg, weil ich die 
Waschmaschine noch reparieren muss.

Lieben Gruß
Frank

von Hannes L. (hannes)


Lesenswert?

Karl-Heinz Kübbeler schrieb:
> Es ist eigentlich auch üblich, direkt an den Poweranschluß Pins eines
> ICs einen Abblock-Kondensator zu plazieren.

Richtig.
Von Vcc nach GND. Und noch einen von AVcc nach GND, auch dann, wenn bei 
unkritischen Schaltungen Vcc und AVcc miteinander verbunden sind. Bei 
höheren Ansprüchen an den ADC kommt dann noch eine Drossel zwischen Vcc 
und AVcc. Übermäßig viel bringt die Drossel aber nicht.

...

von Hannes L. (hannes)


Lesenswert?

Frank O. schrieb:
> Wie groß soll er sein? 100pF und 10pF oder 4,7 uF und 22pF?

Üblich für Abblock-Kondensatoren sind 100nF. Dabei kommt es weniger auf 
die genaue Kapazität an, sondern eher auf niedrigen ESR. Der Kondensator 
ist sozusagen Bestandteil der Platine (Stromversorgung), nicht der 
funktionellen Schaltung. Er sorgt dafür, dass die impulsmäßigen 
Stromspitzen digitaler ICs (somit auch MCs) beim Umschalten keine 
Spannungseinbrüche auf der Versorgung bewirken und auch keine 
(impulsmäßige) Anhebung der Schaltungsmasse. Deshalb muss der Abblock-C 
möglichst dicht an die Versorgungspins der ICs. Ich nutze trotz DIL-AVRs 
dafür gern SMD-Chip-Kondensatoren (Vielschicht-Kerko) mit 100nF der 
Baugröße 0805. Diese haben nichts mit den 100nF-Keramik-Kondensatoren 
des 78(L)05 zu tun, die gibt es zusätzlich, denn die haben eine etwas 
andere Aufgabe (Schwingneigung unterdrücken). C-Sharing ist hier Geiz an 
der falschen Stelle!

Dies sind übrigens Selbstverständlichkeiten, die in 
Prinzip-Schaltzeichnungen selten zu finden sind (da selbstverständlich!)

...

von Barney G. (fuzzel)


Lesenswert?

@Michael D. (mike0815)

Schoene Bildchen hast Du da gemacht, nur nuetzen die nichts, wenn die 
Last unbekannt ist.

von Michael D. (mike0815)


Lesenswert?

wieso ist die Last unbekannt?
Wenn du diese hier meinst?
Beitrag "Re: Transistortester AVR"

Die Messungen auf den Bildchen sind inkl. µC und Displaybeleuchtung, 
also 15,10mA.

Gruß Michael

von Barney G. (fuzzel)


Lesenswert?

Na siehst Du, ist doch viel einfacher als den ganzen Thread auf Verdacht 
durchzulesen.
Mich wundert dieser seltsame Einbruch im ersten Bild. 60mV bei Ub 5V und 
eine fall-time von 10µs ?? Was genau hast Du da gemessen ?

von Karl-Heinz K. (kubi48)


Lesenswert?

Barney Geroellheimer schrieb:
> Mich wundert dieser seltsame Einbruch im ersten Bild.

Hallo Barney,
ich kenne ja auch nicht die genauen Meßbedingungen.
Was mir aber auffällt, ist daß bei Deinen Bildern die Spannung erst nach 
oben geht. Das würde ich beim Aufwachen aus dem Schlafzustand anders 
erwarten. Ist vielleicht invertiert (GND und VCC vertauscht) gemessen 
worden?
Die 8MHz (Rauschen) von Michael halte ich für unkritisch. Das ist eine 
kohärente Störung. Das bedeutet, daß die Störung zum Prozessortakt immer 
gleich ist. Auch durch den Taktteiler für den ADC ändert sich hieran 
nichts.
Ich habe meine Aufnahmen im übrigen beim Messen einer kleinen 
Induktivität gemacht. Bei kleinen Induktivitäten wird ein kurzer hoher 
Strompuls gezogen. Den dabei auftretenden Powereinbruch habe ich 
versucht einzufangen.

Grüße, Karl-Heinz

von Barney G. (fuzzel)


Lesenswert?

> Ist vielleicht invertiert (GND und VCC vertauscht) gemessen
> worden?

Ja, die Massefeder war neu und mit einer Hand... Aber sieht man doch am 
Triggerpfeil Du Nuss ;)

Das mit den kleinen Spulen ist eine gute Idee, bin ich nicht drauf 
gekommen. Ich habe es mit Elkos versucht. Das Einzige was bei raus kam, 
war das ich die Haelfte weggeworfen habe.

von Michael D. (mike0815)


Lesenswert?

> Aber sieht man doch am Triggerpfeil Du Nuss ;)
Ha, "du Nuss", sage ich meistens zu Trullas, als Kosename...

> Die 8MHz (Rauschen) von Michael halte ich für unkritisch.
Das sehe ich auch so, sind gerade mal 6mV(P-P) nach dem Bead, quasi nix!

> Ich habe meine Aufnahmen im übrigen beim Messen einer kleinen
> Induktivität gemacht.
Gemessen habe ich im Leerlauf, sollte da ein Proband andere Ergebnisse 
erziehlen? Vielleicht stecke ich auch mal eine kleine Spule rein, mal 
sehen.

Gruß Michael

von Barney G. (fuzzel)


Lesenswert?

> Die 8MHz (Rauschen) von Michael halte ich für unkritisch.

Sind bei mir, ohne Filter, garnicht messbar.

von Asko B. (dg2brs)


Angehängte Dateien:

Lesenswert?

Hallo
Unabhaengig von Karl-Heinz seinem Vorschlag hatte ich einen 
zusaetzlichen
Mehrschichtkondensator an beinahe der selben Stelle plaziert.
Im angehaengten Bild ist das bei der Version 5.2.1 zu sehen.
Da sich jedoch die Version 5.2.4_x an dieser Stelle nicht von
der anderen Version unterscheidet duerfte das sicherlich
problemlos nachzuruesten sein.
Ich hatte dem "Wink" von Michael gefolgt und einfach
den groessten SMD-Kondensator einer alten Graphikkarte benutzt.
Man kann ja zum Glueck den bereits aufgebauten Component-Tester
zur identifikation benutzen.
Bei mir Zeigte es ca. 25 µF an.
Sicher wird das nicht stimmen, und es wird ein 22µF-Kondensator sein.
Diesen aufgebauten und so nachgeruesteten Tester habe ich
verschenkt. Noch habe ich keinerlei Feedback. Weder positiv
noch negativ. Aber selbst wenn ich das noch hier haette, ich
koennte das eh nicht professionell testen.
Ich habe ja gerade diesen Tester nachgbaut, weil ich fuer meine
2 bis 3 Nachbauten keine Kommerzielle Technik benoetige.
(oder besser gesagt mir leisten kann)
Schoen waere es jedoch wenn man die Sache "sauber" hinbekommt.
Von "wasserdicht" moechte ich nicht reden.
Bemaengelt wird unter anderem, das ich das Layout der letzten
Version immernoch nicht veroeffentlich habe.
Ganz einfach, die Optionen, sprich die Softwareversionen,
ueberschlugen sich foermlich, und ich war echt mit mir
im Zweifel "kannst Du das so veroeffentlichen ?".
Die Leiterplatte , die jetzt User Barney organisiert hatte,
hat einen Bestueckungsaufdruck, somit sollten keinerlei
Probleme bezueglich der Bauelemente auftreten.
Solche Beitraege wie:
Beitrag "Re: Info Platinen Bauteiletester / Transistortester"
kann man sicher ignorieren.
Erst mal besser machen (geht bestimmt), dann anderen
zugaenglich machen ( will vermutlich keiner) usw.
User die so etwas schreiben grinsen sich bestimmt eins.
Aber Sie sitzen alleine zu Hause, denn nur da koennen Sie grinsen.
Sonst koennte ja wieder ein dritter kommen, der noch was zu maekeln 
hat...

Ich werde jedenfalls den Versionszaehler nochmal um eins
erhoehen und eine V_5.2.5_x draus machen.
Da ist dann der zusaetzliche Mehrschichtkondensator
(den gibts nur in SMD) auf der Bauelementeseite unter
der ATmega-Fassung.
Dann duerfte sich die sache nur noch auf doppelseitiger
Platine sinnvoll machen lassen. (DuKo´s vorrausgesetzt)
Dann sitzt der Kondensator WIRKLICH direkt an den Pins
VCC und AVCC (maximale Leiterzuglaenge 2,54mm)

Gruss Asko.

von Barney G. (fuzzel)


Lesenswert?

Ach Asko, ignoriere so Koeppe doch einfach. Dein Layout, damit machst Du 
was Du willst. Wo ist Dein Problem ? Wer es nicht moechte, soll es 
lassen. Aber wie man im anderen Thread doch sieht hat es locker 150 
"Bestellern" anscheinend vollkommen gereicht.
Und dieser Gast da. Na der hat sich doch selbst vor die Wand gefahren. 
Das Du Dir sowas so zu Herzen nimmst, verstehe ich nicht.

von Karl-Heinz K. (kubi48)


Lesenswert?

Asko B. schrieb:
> Unabhaengig von Karl-Heinz seinem Vorschlag hatte ich einen
> zusaetzlichen
> Mehrschichtkondensator an beinahe der selben Stelle plaziert.

Hallo Asko,
ich sehe das noch nicht als problematisch an.
Einen Kondensator kann man problemlos nachrüsten, auch zwei wie ich 
gezeigt habe. Ich würde an Deiner Stelle auch die beiden GND Pinne 
verbinden und wenn man schon mal beim Löten ist, kann man gleich den 
zweiten Kondensator an VCC anlöten. Der Trick mit den Kondensatoren nahe 
bei den Anschlüssen bewirkt nicht nur die Glättung. Die hochfrequenten 
Anteile des Stroms fließen nicht mehr über lange Zuleitungen und 
induzieren hier Störungen!

@Barney,
am Triggerpfeil kann man leider nichts über die eventuell vertauschten 
Anschlüsse erkennen, oder war das als Spaß gemeint? Getriggert hatte ich 
übrigens genau so, bei vertauschten Anschlüssen hätte man eher anders 
herum triggern müssen.

Grüße, Karl-Heinz

von Asko B. (dg2brs)


Lesenswert?

Hi Barney
Doch....das hat mich gewurmt, und jetzt kam es ebend raus.
Und es wurmt mich wirklich, wenn ich unwissend fehler
gemacht habe.
zB. hatte ich zwar desoefteren gelesen das beim ATmega
es wichtig ist die Abblock-Kondensatoren so dicht wie
nur irgendwie moeglich an die Pins des µC zu legen.
Aber ich wollte es nicht so recht glauben, das diese
art von Prozessor so ein "sensibelchen" ist.
Vor einigen Jahren hab ich mit Z80 hantiert.
Da war (oder ich hab davon nix mitbekommen) das kein
Thema. Die Dinger sind/waren sehr "genuegsam".

Gruss Asko.

von Thomas S. (tosa)


Lesenswert?

Hi Asko

mach Dich mal nicht verrueckt!
Es waere was anderes wenn 1000 Leute ihre Hilfe angeboten haetten und Du 
einfach stur Deinen Kram gemacht haettest. So war es aber nicht.

Ich habe den Tester aufgebaut und setze nun noch die Tips von Karl-Heinz 
um. Das werden die meissten anderen auch machen.
Und das Teil ist kein hochpraezises Messgeraet sondern eine Hilfe um 
Bauteile zu identifizieren und grob zu testen. Zumindest fuer mich.

Von mir auf jeden Fall ein Danke an Dich.
Und natuerlich an Karl-Heinz fuer seine Tips zur Verbesserung!

Noch eine Frage an die die den Tester mit der Platine von Asko schon 
aufgebaut haben: wie sehen bei Euch die Messergebnisse von Kondensatoren 
aus?
Bei mir gibts da teilweise grosse Differenzen. Z.B. bei 100nF bis 40 nF 
sieht es recht gut aus. Darueber und darunter nicht so dolle.
Laesst sich das durch die Tips von Karl-Heinz verbessern oder habe ich 
da ein anderes Problem?

Gruesse
Tosa

von Asko B. (dg2brs)


Lesenswert?

Thomas S. schrieb:
> Bei mir gibts da teilweise grosse Differenzen. Z.B. bei 100nF bis 40 nF
> sieht es recht gut aus. Darueber und darunter nicht so dolle.

Bei 40nF hab ich selten bis gar keine aussreissende Abweichungen.
Wie Karl-Heinz geschrieben hatte gibt es eher probleme <40pF.
Zwischen 100pF und 2200µF hab ich "sinnvolle", also
nachvollziehbare Ergebnisse, die mit den Aufgedruckten
Bauteildaten im Einklang stehen.

Gruss Asko.

von Asko B. (dg2brs)


Lesenswert?

Hallo

Ich habe mal einen definitiv defekten Elko angeschlossen.
Erst dachte ich der Tester haette sich aufgehangen.
Doch dann merkte ich, das die Software doch durchlief,
(bloss ebend quaelend langsam).
Also der 3300µF/6,3V (aus einem alten Rechner-Board)
wurde als Diode mit 4V Flussspannung erkannt.
Ohne Kapazitaet... logisch die hatte der Schrott-Elko
schon lange verloren.

Gruss Asko.

von Barney G. (fuzzel)


Lesenswert?

Karl-Heinz Kübbeler schrieb:
> am Triggerpfeil kann man leider nichts über die eventuell vertauschten
> Anschlüsse erkennen

Aber sicher doch. Wenn ich auf die negative Flanke getriggert habe, muss 
die negative Flanke logischerweise als erstes auf dem Schirm stehen, 
oder :o) Es sei denn, es ist wie bei mir, invertiert.

Asko B. schrieb:
> Vor einigen Jahren hab ich mit Z80 hantiert.
> Da war (oder ich hab davon nix mitbekommen) das kein
> Thema. Die Dinger sind/waren sehr "genuegsam".

Vor "Jahren" hatte auch nicht jeder Hans ein DSO zu hause der dann 
seinen Senf dazu geben konnte. Und die Dinger liefen trotzdem.
Beim Tester ist das genauso, ist nur Schoenheitskorrektur.

@ Thomas S. (tosa)

Ich habe vorhin noch massig Kondensatoren durchprobiert. Alles sinnvolle 
Daten.

von Asko B. (dg2brs)


Angehängte Dateien:

Lesenswert?

Hallo Barney

Ich bin ja auch nicht "Hans".
Und ich hab bis heute kein DSO zu Hause.
Ich hab "nur" mein EO213 den ich mal vom
Wertstoffhof vor der endgueltigen Entsorgung
gerettet habe.
Fuer die paar Anwendungen, die bei mir anfallen
langt das.
Ich habe zB auch jahrelang nur einen selbstgebauten
"Logig-Stift" benutzt.
Anhand der "Helligkeits-" -unterschiede von 0 und
1 kann man auch die Pegelunterschiede verhaeltnismaessig
abschaetzen.
Als Gag haenge ich mal ein Bild an....
Defekt-Elko.

Gruss Asko.

von Karl-Heinz K. (kubi48)


Lesenswert?

Thomas S. schrieb:
> wie sehen bei Euch die Messergebnisse von Kondensatoren
> aus?
> Bei mir gibts da teilweise grosse Differenzen. Z.B. bei 100nF bis 40 nF
> sieht es recht gut aus. Darueber und darunter nicht so dolle.

Hallo Thomas,

ich kann nur zur Vorsicht raten, die aufgedruckten Werte als Referenz zu 
nehmen. Die Meßdaten zu den graphischen Darstellungen in der 
PDF-Dokumentation stehen im SVN-Archiv auch zur Verfügung.
Zum Beispiel die Datei Doku/trunk/pdftex/GNU/capmess168-autocal.dat .
Der Schlüssel zu den Spalten ist als Kommentarzeile eingefügt.
Hier sind neben dem aufgedruckten Wert die Meßwerte von einem Peaktech 
Multimeter, einem Peaktech LCR-Meter und von 9 ATmega168 aufgeführt.
Die aufgedruckten Werte weichen manchmal mehr ab als alle anderen 
Meßwerte untereinander.
Aus den graphischen Darstellungen in der Dokumentation kann man 
erkennen, daß in Bereich 200pF bis 40uF die Fehler des Transistortesters 
meist unter 1% liegen.

Wichtig ist allerdings die vorherige Kalibration!

Grüße, Karl-Heinz

von Karl-Heinz K. (kubi48)


Lesenswert?

Barney Geroellheimer schrieb:
> Aber sicher doch. Wenn ich auf die negative Flanke getriggert habe, muss
> die negative Flanke logischerweise als erstes auf dem Schirm stehen,
> oder :o) Es sei denn, es ist wie bei mir, invertiert.

Aber Barney,
bei Deinen Bildern ist doch der Triggerzeitpunkt links vom Bild,
wie sollen wir den sehen?

Grüße, Karl-Heinz

von Thomas S. (tosa)


Lesenswert?

@Karl-Heinz
die Werte fuer die Kondensatoren habe ich mit meinem Testboy 
nachgemessen. Auch damit ist deutlich unter 100nF Schluss.
Widerstaende habe ich mit meinem Fluke Tischmultimeter nachgemessen.
Nach den Modifikationen und einer Kalibrierung passt das auch recht gut.
Jetzt schau ich mir noch ein paar Transistoren und Dioden an.

Unter dem Strich: ich bin zufrieden!

von Barney G. (fuzzel)


Lesenswert?

> Aber Barney,
> bei Deinen Bildern ist doch der Triggerzeitpunkt links vom Bild,
> wie sollen wir den sehen?

Aber Karl-Heinz

dat iss doch periooooodisch...

@tosa

Das ist kein "Messgeraet" sondern ein Tester, der die Werte schon 
ziemlich genau darstellen kann. Das kannste doch nicht mit nem 4 Wire 
Fluke vergleichen..

von Karl-Heinz K. (kubi48)


Lesenswert?

Barney Geroellheimer schrieb:
> dat iss doch periooooodisch...

Aber Barney,
da sehe ich trotzdem nicht, wo der Trigger sitzt.
Voll periodisch ist das Signal übrigens nur, wenn Dein Speicher nicht 
lang genug ist! Die Tests des Testers sind schon abwechslungsreich.

Thomas S. schrieb:
> Auch damit ist deutlich unter 100nF Schluss.

Die Genauigkeit bei der Kondensatormessung ist sicher kein Spitzenwert,
der Meßbereich ist aber schon beachtlich. Besonders, wenn man bedenkt, 
daß nichts eingestellt werden muß (außer einmal halbautomatisch 
kalibrieren).
Bei Multimetern muß man bei kleinen Kondensatorwerten oft den Nulloffset 
bei der Messung beachten. Bei LCR-Metern muß der Frequenzbereich 
beachtet werden usw. Es gibt fast kein perfektes Meßgerät!
Kannst Du, Thomas, einige Meßwerte in einer Text-Tabelle aufschreiben, 
bei denen Du nicht zufrieden mit dem Ergebnis des Testers bist.
Ich bin auch über Email zu erreichen (Titelseite PDF-Doku).

Grüße, Karl-Heinz

von F. F. (foldi)


Lesenswert?

Karl-Heinz Kübbeler schrieb:
> bei denen Du nicht zufrieden mit dem Ergebnis des Testers bist.

Wie kann man mit dem Tester nicht zufrieden sein?
Das Teil ist doch der Hammer!
Da setzen sich zwei Leute hin, der eine davon ist immer noch damit 
beschäftigt und hilft jedem unermüdlich und dann meckern die Leute noch.
Unglaublich!
Also Karl-Heinz, ich schrieb es schon weiter oben, bei 468 Ohm wird es 
sich wohl um einen 470 Ohm Widerstand handeln. Bei 355 µF wird es wohl 
ein 360 µF Kondensator sein.
Wer sagt denn, dass das andere Messgerät genau war? Das mit dem die 
Vergleichsmessung gemacht wurde.

von Thomas S. (tosa)


Lesenswert?

Karl-Heinz Kübbeler schrieb:
> Kannst Du, Thomas, einige Meßwerte in einer Text-Tabelle aufschreiben,
> bei denen Du nicht zufrieden mit dem Ergebnis des Testers bist.

Ich bin doch nicht unzufrieden. Im Gegenteil. Wahrscheinlich haette ich 
nicht schreiben sollen das ich die Plausibilitart der Ergebnisse mit 
denen meines Tischmultimeters verglichen habe. Aber nicht wegen der 
Genauigkeit sondern weil ich keine Lust hatte meine Lesebrille 
aufzusetzen und bunte Ringe zu zaehlen :-)

von Thomas D. (thomasderbastler)


Angehängte Dateien:

Lesenswert?

Viele Dank auch von meiner Seite an Karl-Heinz, Hammer Arbeit !

Bei meiner Version ( Platine selber geroutet ) ist ein 7805 verbaut.
Die Widerstände alle MPR 0.1 % Typen. und habe auch einen LT1004 - 2.5 
verwendet. Bin sehr zufrieden.

von Michael D. (mike0815)


Lesenswert?

Jawoll, die Platine hat mal die richtige Größe!
Hast du da Büschelstecker drinnen? Wo ist denn der Taster abgeblieben?
Mit den langen Strippen ist es schlecht kleine Kapazitäten zu messen, 
aber das weißt du ja.

Gruß Michael

von Thomas D. (thomasderbastler)


Lesenswert?

Michael D. schrieb:
> Hast du da Büschelstecker drinnen?

Ne Habe 2 mm Hirschmann Laborprogramm-Komponenete drin.

Wo ist denn der Taster abgeblieben?

Meine Variante hat "Automessung" Der Taster, welchen ich vorgesehen ist 
nicht unbedingt notwendig, noch beim Reichelt.

Michael D. schrieb:
> Mit den langen Strippen ist es schlecht kleine Kapazitäten zu messen,
> aber das weißt du ja

Ja, weiss ich bin noch am tüfteln, wie sich die Ergenisse verändern ja 
nach Länge. Habe als evtl. engültige variante hochflexieble Messleitung 
auch noch da...

von michael (Gast)


Lesenswert?

Auch von mir ein großes Dankeschön an die beiden Urheber des 
Transistortesters, besonders an Karl-Heinz für seine unermüdliche und 
geduldige Arbeit und den angenehmen persönlichen Kontakt. Dank seiner 
Unterstützung habe ich nun eine maßgeschneiderte Lösung für mein 
Mess-Rack mit Dauerspeicherung des letzten Ergebnisses bis zum nächsten 
Mess-Start.
Ich frag mich nur, wo der Mann seinen Donate-Button versteckt....

von Thomas D. (thomasderbastler)


Lesenswert?

michael schrieb:
> Ich frag mich nur, wo der Mann seinen Donate-Button versteckt....

Gute Frage....
Also ich wäre SOFORT bereit etwas zu spendieren !

Mein Vorschlag wäre in der Runde hier, an die, die  es nachgebauet 
haben, könnten alle einen 5er oder 10er springen lassen oder ?

von F. F. (foldi)


Lesenswert?

Thomas der Bastler schrieb:
> Also ich wäre SOFORT bereit etwas zu spendieren !

Du hast es gehört, Karl-Heinz.
Ich wollte auch eine Platine bei der nächsten Bestellung mit bestellen 
(leider kommt wohl keine mehr zustande) und war auch der Meinung, dass 
jeder hier ein bis zwei Euro für deine Platinen spenden sollte, da du 
das nicht selbst bezahlen sollst. Du tust hier schon genug für uns alle.

Vielleicht richtest du ein "Messgerätespendenkonto" ein?! :-)

von Thomas D. (thomasderbastler)


Lesenswert?

Frank O. schrieb:
> ein bis zwei Euro

Ist es nicht ein bisschen Lächerlich für die Arbeit und Support was er 
geleistet hat ?

Hauptsache Geiz ist geil, alles am besten umsonst und ja selber nix 
zahlen ?

von Karl-Heinz K. (kubi48)


Lesenswert?

Thomas der Bastler schrieb:
> Mein Vorschlag wäre in der Runde hier, an die, die  es nachgebauet
> haben, könnten alle einen 5er oder 10er springen lassen oder ?

Bitte nicht spenden, die Arbeit mit dem Transistortester hat Spaß 
gemacht.
Ein kommerzielles Interesse hatte ich nicht dabei!
Ich habe bereits einen Bausatz aus "Spenden" erhalten, das reicht.
Die Erkenntnisse bei der Weiterentwicklung wollte ich auch weitergeben, 
weswegen ich ja die PDF-Dokumentation erstellt habe. Die Doku ist mehr 
als eine Bedienungsanleitung, sie soll auch die verwendeten Meßverfahren 
erklären. Erstens finde ich es gut, wenn man weiß, was ein Gerät macht.
Zweitens kann man hier mit den Beispielen viel über das Innenleben des 
ATmega kennenlernen.
Ich hoffe nur, daß die Doku auch gelesen wird. Wenn hierbei Anregungen 
zu Verbesserungen oder entdeckte Fehler rückfließen (über Email), wäre 
ich dankbar.

Grüße, Karl-Heinz

von Thomas D. (thomasderbastler)


Lesenswert?

Wir wissen schon, daß keine kommerzielle Intersse bestand. Es ging nur 
darum, daß wir auf eine Art und Weise uns badenken wollten, für Deine 
hervorragende Arbeit. Außerdem weiß jeder hier, daß unsere Hobby auch 
Geld kostet !

von F. F. (foldi)


Lesenswert?

Thomas der Bastler schrieb:
> Frank O. schrieb:
>> ein bis zwei Euro
>
> Ist es nicht ein bisschen Lächerlich für die Arbeit und Support was er
> geleistet hat ?
>
> Hauptsache Geiz ist geil, alles am besten umsonst und ja selber nix
> zahlen ?

Es ist schon eine Unverschämtheit mich so zu zitieren.

Ich schrieb, "... FÜR DIE PLATINEN" und das hier so aus dem Zusammenhang 
zu reißen und mich als geizig darstellen ist unverschämt.

Im Übrigen, von dir kam nicht der erste Vorschlag. Kannst ja Barney 
fragen, ob ich in einer PN das vorgeschlagen hatte.

Das macht mich richtig wütend!

@Karl-Heinz:
Karl-Heinz, wir wissen doch, dass du ein netter Kerl bist und das nicht 
nötig hast. Es wäre nur eine respektvolle Geste. Außerdem kann man immer 
noch ein Messgerät oder ein besseres gebrauchen.

von F. F. (foldi)


Lesenswert?

Nochmal, weil meine Wut auch jetzt noch nicht abgeklungen ist.

Ich frage ich, ob jemand das in einem Gespräch so sagen würde?

Der respektvolle Umgang ist hier im Forum gerade diskutiert worden.

von Hannes L. (hannes)


Lesenswert?

Frank O. schrieb:
> Das macht mich richtig wütend!

Das solltest Du Dir in diesem Forum abgewöhenen, denn hier findet sich 
immer jemand, der auf eine unbedachte Äußerung entsprechend reagiert.
<Ironie> Wie kannst Du nur von ein bis zwei Euro reden, wenn Andere 
schon festgelegt haben, dass es fünf bis zehn Euro zu sein haben? 
</Ironie>

Übrigens: Mit jeder Minute, die Du in Wut oder Ärger verbringst, 
verschenkst Du 60 glückliche Sekunden Deines Lebens.

...

von Mario (Gast)


Lesenswert?

I just built the new strip grid version with ATmega168V-10PU running 
105k firmware. Everything works great except for resistance. 100 Ohm 
resistor shows as 87.3 Ohm which is way off. Older design with ATmega8 
and 096k firmware didn't have this problem. Any ideas what could be 
wrong and how to fix this?

All resistors have 1% tolerance. Voltage is 4.99V. I am using 
precompiled hex found here 
svn://mikrocontroller.net/transistortester/Software/trunk/mega168_strip_ 
grid
I also tried 105k firmware, both with internal 8MHz clock as well as 
external resonator with the same results.

von F. F. (foldi)


Lesenswert?

Hannes Lux schrieb:
> Frank O. schrieb:
>> Das macht mich richtig wütend!
>
> Das solltest Du Dir in diesem Forum abgewöhenen, denn hier findet sich
> immer jemand, der auf eine unbedachte Äußerung entsprechend reagiert.
> <Ironie> Wie kannst Du nur von ein bis zwei Euro reden, wenn Andere
> schon festgelegt haben, dass es fünf bis zehn Euro zu sein haben?
> </Ironie>
>
> Übrigens: Mit jeder Minute, die Du in Wut oder Ärger verbringst,
> verschenkst Du 60 glückliche Sekunden Deines Lebens.
>
> ...

Ach Hannes,

wenn wir dich nicht hätten!

Sicher hat er nicht genug nachgedacht.

Nur die anzugreifen die bereit sind, wie auch immer geartet, die 
Leistung zu würdigen, dann noch aus dem Zusammenhang gerissen, das ist 
schon ziemlich unfair.
Alle die nur Nehmerqualitäten haben, die bleiben verschont.

Hier gab es mal einen Gast, der mich auch sehr verletzend diffamierte. 
Seine "Kodderschautze" gefällt mir immer noch nicht, aber er ist 
mittlerweile ein von mir hoch geschätzter Fachmann.

Einmal habe ich mich hier auch zu weit aus dem Fenster gelehnt und es 
war mein Fehler. Ich habe mich entschuldigt und das zurück genommen.

von Karl-Heinz K. (kubi48)


Lesenswert?

Mario schrieb:
> Any ideas what could be
> wrong and how to fix this?

Hello Mario,

has the capacitor at the AREF pin a value of 1nF?
If you use a 100nF, the measured values may be wrong.
You can remove the NO_AREF_CAP option in the Makefile to increase the
wait time in the software.
Have you made the selftest with calibration before the measurement.
Selftest is started by connection the three ports together and pressing 
the start key.
You must remove the connection at test 4!
All the selftests 2,3,4,5 and 6 should have low results (mV values), 
because the difference to the expected values are shown.

After fixing the zero offset of capacity measuring ("C0= ..."),
you must connect a capacitor with at least 100nF to pin 1 and 3 (1-||-3 
>100nF message). The capacitor should  not be a electrolytic type and 
should not have more than 20µF.

I hope, this can fix your problem,

Best regards, Karl-Heinz

von Mario (Gast)


Lesenswert?

Thank you so much Karl-Heinz for your excellent support. I really 
appreciate it.

Changing AREF capacitor from 100nF to 1nF did the trick. Now resistance 
reading are perfect. I just wonder if using better 1nF capacitor with 1% 
tolerance would improve accuracy.

I also tried using ATmega8 with the latest 'trunk' firmware but all I 
get is a blank LCD. Is this firmware for older design?
I use USBasp programmer with eXtreme Burner and have to put fuses 
manually so I guess Makefile is not being used. Which programmer you 
use?

Many thanks.
Mario

von Karl-Heinz K. (kubi48)


Lesenswert?

Mario schrieb:
> I just wonder if using better 1nF capacitor with 1%
> tolerance would improve accuracy.

Hello Mario,
you do not need to use a 1% capacitor, but the bigger 100nF capacitor 
make the switching of AREF slower, so the software must wait a longer 
time than the default configuration does. Pictures of switching the AREF 
voltage are published earlier in this thread and in the german/english 
PDF documentation.

Mario schrieb:
> Which programmer you
> use?

I use the DIAMEX ALL-AVR with a USB interface and the program avrdude 
with Linux operating system. The program avrdude runs also with Windows 
and is part of the WinAVR package. I ha