Kurt B. schrieb: > (wenn du die alle ausreichend beantwortet hast dann kommt die nächste > Ladung) schreibt er um 23:18 such dir eine Frau ;-)
Frank M. schrieb: > Genau, ich plädiere dafür, hier nur noch mit Links in diesen Thread > hinein zu argumentieren. Denn gesagt ist bereits alles! Genau Beitrag "Re: Welle/Teilchen zum II"
A. K. schrieb im Beitrag #4517106: > Ich fand es überwiegend amüsant. In den letzten Tagen war freilich > zeitweilig etwas die Luft raus. Liegt daran, dass Kurt das intellektuelle Niveau eines Kleinkinds hat: Baby-Kurt K: Mami, ich will Gummibärchen M: Nein, es gibt keine Gummibärchen K: Mami, Gummibärchen M: Nein K: Bähhhhhh, Gummibärchen M: NEIN K: BÄÄÄÄÄÄÄÄÄHHHHHH M: Verlässt den Raum K: GUMMIBÄRCHEN, BÄHHHHHHHHH P: Papa kommt rein K: Gummibärchen....... => GOTO Baby-Kurt, Mami durch Papi ersetzen
:
Bearbeitet durch User
Gu. F. schrieb: > Was ist "eine Frau"? Das ist doch offensichtlich, mit Hilfe der Mathematik, leicht zu erklären: http://youtu.be/3Fe-a2gUccs
Robert L. schrieb: > @Kurt: > > http://futurezone.at/meinung/einfach-mal-die-klappe-halten/171.962.934 Den Kommentar finde ich interessant: chrisschmarrn sagte vor 2 monaten: > "Es ist ein Jammer, dass die Dummköpfe so > selbstsicher sind und die Klugen so voller > Zweifel." > Bertrand Russel
NEWSTICKER+++ALIENS SAUGEN IRDISCHES WISSEN AUF+++NEWSTICKER+++KURT BINDL VON AUSSERIRDISCHEN ENTFÜHRT+++ Das wär die Blamage schlechthin Frohe Ostern ;-)
Der Zensor hat zugeschlagen! Ohne Begründung wurde einer meiner Beiträge gelöscht. Der Beitrag enthielt nichts strafrechtlich relevantes. Nichts was überhaupt nach Beleidigung oder so reichen könnte... Habe mir wirklich ernsthaft Mühe gegeben solches zu vermeiden. Der Inhalt: 1 Kommentar zu einem Kurt Statement. 1 Antwort auf Kurts Frage. Und 1 Aufforderung an Kurt, mir das Photon zu erklären. Bei mir kommt das löschen als Willkür an. Nein! Diese Form der Moderation kann ich nicht gutheißen. Die (vorweggenommene fiktive) Eskalationskette: U.C.: Das passt mir nicht. Moderator: Dann geh doch! U.C.: Ja! Dann spielt mal alleine weiter...
Meiner auch :-( Glaub das war der in dem ich Kurti als Pausenclown bezeichnet habe. Ist er das etwa nicht? Ist das schon beleidigend? OK, um was zum Thema beizutragen und mich gleich bei Kurti dafür zu entschuldigen: siehe Anhang
U. C. schrieb: > Ohne Begründung wurde einer meiner Beiträge gelöscht. Es kommt schon mal vor, dass ein Beitrag, auf welches Du antwortest, zuerst gelöscht wird. Da dann zusammenhangslos Zitate in Deinem Beitrag stehen bleiben, welche durch den nun fehlenden Kontext sinnlos werden, werden als Folge auch die darauf antwortenden Beiträge gelöscht. (*) Daher ist das überhaupt nicht tragisch und vollkommen normal. Außerdem: Ob in diesem Thread etwas gelöscht wird oder stehenbleibt, ist bei dem ganzen Unsinn sowieso irrelevant. Also komm runter und iss 'ne Schokolade :-) (*) im SQL würde man schreiben: "On Delete Cascade" ;-)
:
Bearbeitet durch Moderator
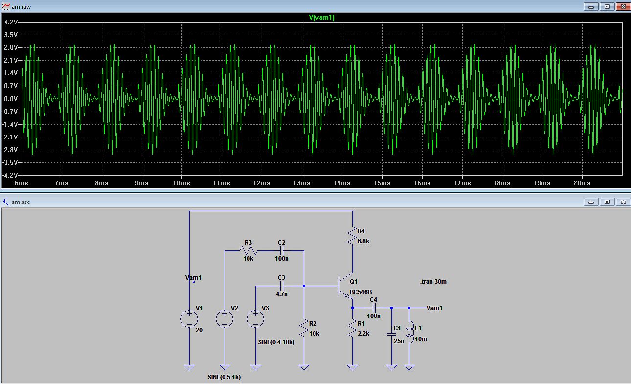
. Ich habe ein weiteres Bild mit diesem wunderbaren AM-Modulator eingestellt. Wers sehen will, es ist oberhalb dieses Textes. Man sieht die perfekte Arbeitsweise, genau so wie es mathematisch beschrieben ist. Einen absolut perfekte Sache. Und sie zeigt auch absolut auf dass die Behauptung dass eine Modulation/Multiplikation des Trägersignals mit dem Modulationssignal an der BE-Strecke erfolgt mit geradezu atemberaubender Gewissheit auf, richtig ist. Das ist der Beweis dafür dass Mathematik die Natur immer und überall perfekt richtig beschreibt, sie kann also als Entscheidungskriterium verwendet werden um zu behaupten: passts mathematisch dann ist es Natur pur. Toll, nicht wahr? Kurt
Kurt B. schrieb: > Das ist der Beweis dafür dass Mathematik die Natur immer und überall > perfekt richtig beschreibt, sie kann also als Entscheidungskriterium > verwendet werden um zu behaupten: passts mathematisch dann ist es Natur > pur. Seit wann fühlst du dich denn zur Mathematik hingezogen? War das nicht immer Teufelszeug?
:
Bearbeitet durch User
Kurt B. schrieb: > . > > Ich habe ein weiteres Bild mit diesem wunderbaren AM-Modulator > eingestellt. Ohne, dass ich jetzt Zeit oder Lust hätte, auf Inhalt und Details einzugehen: was ist denn das da für ein lustiges Konstrukt bei C3? Einseitig angelötet, andere Seite offen? Kurzgeschlossen? Was soll es bedeuten...?! Ergänzung: "V(n002)" ist nicht sehr vielsagend. Nur Du weißt, wo sich dieser Knoten genau befindet!
:
Bearbeitet durch User
Michael S. schrieb: > Kurt B. schrieb: >> . >> >> Ich habe ein weiteres Bild mit diesem wunderbaren AM-Modulator >> eingestellt. > Ohne, dass ich jetzt Zeit oder Lust hätte, auf Inhalt und Details > einzugehen: > was ist denn das da für ein lustiges Konstrukt bei C3? Eine zu lange Leitung. > > Ergänzung: > "V(n002)" ist nicht sehr vielsagend. Nur Du weißt, wo sich dieser Knoten > genau befindet! Wieso, die Schaltung ist doch so perfekt dass man garnicht besonders hinschauen muss um zu wissen wo was ist. Besonders die Multiplikation an BE-Strecke ist doch er absolute Beweis dafür (oder siehst du da gar keine Multiplikation?) Wenn ich mir eine Amplitudenmodulation vorstelle, mir den Potilator, der da ja perfekt macht, dann kommt doch sicherlich genau das gleiche Ergebnis raus. Schiesslich wurde diese Schaltung hier ja genau zu dem Zwecke erschaffen zu beweisen dass an der BE-Strecke eine Multiplikation stattfindet. Und dieser Beweis ist wahrlich sehr gut gelungen Respekt vor so viel Manipulation, äh wollte sagen Multiplikation. Kurt
Du hast es mal wieder nicht begriffen, Kurt... Du hast mit Deiner Simulation nur bestätigt, dass die AM hervorragend funktioniert, ebenso wie die Funktion eines Kondensators im Bereich der Grenzfrequenz... Die Hüllkurve des AM-Signals ist ein astreiner Rechteck mit exponentiellen Lade- und Entladeflanken. Danke dafür.
Selbstverständlich kannst du auch eine Rechteckspg. (mit einem Tastgrad von 1:2) mit einem Sinus multiplizieren. Da das Rechteck alle ungeraden Harmonischen enthält, wirst du auf das gleiche Ergebnis kommen. Guter Beweis.
Am 23.3.1749 wurde Pierre-Simon Laplace in Beaumont-en-Auge (Frankreich) geboren.
Wolfgang R. schrieb: > Du hast es mal wieder nicht begriffen, Kurt... Was habe ich nicht begriffen? Kurt
Kurt B. schrieb: > Was habe ich nicht begriffen? Du hast nicht begriffen, dass es kein Beweis gegen eine Theorie ist, wenn man die Randbedingungen so krude verändert, dass die Schaltung dann nicht mehr im vorgesehenen Maße funktioniert.
Le X. schrieb: > Frag andersrum, die Antwort wäre kürzer Das nicht unbedingt, aber die Ergebnismenge wäre leerer ;-)
Le X. schrieb: > Kurt B. schrieb: >> Was habe ich nicht begriffen? > > Frag andersrum, die Antwort wäre kürzer. Dann nimmst du also deine Behauptung zurück? (warum hast du sie überhaupt in die Welt gesetzt?) Kurt
So Kurti, dein Winseln wurde erhöht, du kriegst ein Leckerli. Ich habe eine themenbezogene Frage an dich. Und zwar schreibst du in einem Nachbarthread: Kurt B. schrieb: > Es ging von Anfang an darum den Stecker zu trocknem, und das geht auch > mit der Mikrowelle (ohne dass die Stifte und die Drähte gleich glühen). > Ist halt die richtige Anwendung wichtig. Dazu meine Frage: wie funktioniert eine Mikrowelle? (ohne Wellen!)
Le X. schrieb: > wie funktioniert eine Mikrowelle? Die quetscht das Futter solange longitudinal zusammen, bis alle Flüssigkeiten rausgedrückt sind. Dadurch entsteht Reibung, welche das Essen auch noch nebenbei erhitzt. Das Bild eines drehenden Tellers durch das Fenster ist nur eine Illusion, die von der Maschine per Video eingespielt wird.... man könnte also sagen: ein Märchen.
Frank M. schrieb: > Die quetscht das Futter solange longitudinal zusammen, bis alle > Flüssigkeiten rausgedrückt sind. Und zwar durch den ungeheuren Lichtdruck des Beleuchtungslämpchens. ;-)
Bernd S. schrieb: > Und zwar durch den ungeheuren Lichtdruck des Beleuchtungslämpchens. ;-) Jetzt weiß ich endlich, wozu diese Lampe gut ist! Im Dunkeln gehts nicht!
Frank M. schrieb: > Jetzt weiß ich endlich, wozu diese Lampe gut ist! Im Dunkeln gehts > nicht! Ach, deswegen geht im Kühlschrank auch das Licht aus wenn die Tür zu ist? Damit das Kühlgut nicht gegart wird? Und wenn ich vorm offenen Kühlschrank stehe und mir überlege was es zu Essen gibt wird mein Mahl bereits vorgekocht! Praktisch!
Le X. schrieb: > Ach, deswegen geht im Kühlschrank auch das Licht aus wenn die Tür zu > ist? Damit das Kühlgut nicht gegart wird? Genau. Und wenn Du die Tür aufmachst, kann der Lichtdruck ja elegant entweichen. Hast Du noch nie den Druck auf dem Bauch gespürt, wenn Du Deinen Kühlschrank geöffnet hast? Nein? Du dachtest bestimmt, das sei Hunger! Ist es aber nicht!
:
Bearbeitet durch Moderator
Wolfgang R. schrieb: > Kurt B. schrieb: >> Was habe ich nicht begriffen? > > Du hast nicht begriffen, dass es kein Beweis gegen eine Theorie ist, > wenn man die Randbedingungen so krude verändert, dass die Schaltung dann > nicht mehr im vorgesehenen Maße funktioniert. Wie funktioniert denn die Schaltung? (und welche Theorie?) Kurt
Wolfgang R. schrieb: > Kurt B. schrieb: >> Wie funktioniert denn die Schaltung? > > Rabäääähhhhhh... Gummibärchen!!! Na toll. Jetzt hab ich Bock auf was Süßes :/
Frank M. schrieb: > Kurt B. schrieb: >> Wie funktioniert denn die Schaltung? > > Welche Schaltung? Hast Du einen Link? Hier ist der Link Beitrag "Re: Welle/Teilchen zum II" der zur Wunderschaltung führt. Einer Schaltung in der an einer BE-Strecke eine wundersame Multiplikation vom Signal S_träger und dem dazugehörendem Modulationssignal S_mod stattfindet. Bewiesen durch Mathematik, aufgezeigt in einem eigens für mich gemachtem PDF. Kurt
Kurt B. schrieb: > Hier ist der Link Schön! Ich habe auch einen für Dich: Beitrag "Re: Welle/Teilchen zum II" Klasse, oder?
:
Bearbeitet durch Moderator
Frank M. schrieb: > Kurt B. schrieb: >> Hier ist der Link > > Schön! Ich habe auch einen für Dich: > > Beitrag "Re: Welle/Teilchen zum II" > > Klasse, oder? Und so originell! Kurt
Frank M. schrieb: > Hast Du noch nie den Druck auf dem Bauch gespürt, wenn Du > Deinen Kühlschrank geöffnet hast? Klarer Beweis: Wenn man beim Fahrrad das Licht anmacht tritt es sich schwerer. Das Licht drückt ja auch kräftig gegen die Fahrtrichtung. Ich habe noch nicht herausgefunden warum das bei Akku Lampen nicht der Fall ist.
Michael K. schrieb: > Ich habe noch nicht herausgefunden warum das bei Akku Lampen nicht der > Fall ist. ...Ist 'ne andere Art von Licht. Wahrscheinlich Tranversalwellenlicht.
Michael K. schrieb: > Wenn man beim Fahrrad das Licht anmacht tritt es sich schwerer. Bau den Scheinwerfer nach hinten um. Dann kannst Du gemütlich die Füße abstellen und Dich einfach durch Lichtdruck vorwärts bewegen lassen. Einmal antreten reicht. Und schon hast Du das Perpetuum Mobile erfunden!
Michael K. schrieb: > Ich habe noch nicht herausgefunden warum das bei Akku Lampen nicht der > Fall ist. Kommt auf die Ortsumstände an!
Le X. schrieb: > Kommt auf die Ortsumstände an! Norddeutschland, wenns hilft ... Oder muss das Licht das genauer wissen ?
Michael K. schrieb: > Le X. schrieb: > Kommt auf die Ortsumstände an! > > Norddeutschland, wenns hilft ... > Oder muss das Licht das genauer wissen ? Das weiß ich nicht! Aber das ist ja das Schöne an Kurts "Konzept Ortsumstände". Du kannst alles mögliche auf sie schieben ohne konkret werden zu müssen.
Da bald Ostern ist... Wie sehen die Ostereier im Bindlversum aus? Sind die Eier oval oder viereckig?
:
Bearbeitet durch User
Uhu U. schrieb: > Bernd F. schrieb: >> Sind die Eier oval oder viereckig? > > Das kommt auf die Ortsumstände an. Es gibt Fortschritte!! Ich sehe dass sich die Realität schon ein wenig Bahn bereitet, der Anfang ist gemacht, es schleicht sich langsam (ab er sicher und unaufhaltsam) ins Denkerl ein. Kurt Stell dir vor wieviel weitere Umdenkerln es noch gibt! Alles, aber auch wirklich alles!, was abläuft läuft nach den Umständen ab die am Ort des Geschehens herrschen. All die Vorstellungen dass irgendwas sich in Abhängigkeit von irgendwas Entfernten ereignet sind absolut irrwitzig!! Deine Aussage: > Das kommt auf die Ortsumstände an. ist absolut richtig (es gibt also doch irgendwas Absolutes in den Universen). (damit da auch ein Beispiel dabei ist dieses: Der Sender hat eine Beziehung mit dem Medium, dieses wiederum hat eine Beziehung mit dem Empfänger/Beobachter. Ist dir nun klar wie widersinning die Behauptung ist dass Sender und Empfänger eine Beziehung zueinander haben!) .
Kurt B. schrieb: > All die Vorstellungen dass irgendwas sich in Abhängigkeit von irgendwas > Entfernten ereignet sind absolut irrwitzig!! Stimmt! Hab sogar ein Beispiel aus der Praxis: Wenn irgendwo in China ein Sack Reis umfällt interessiert es hierzulande keine Sau.
Kurt B. schrieb: > (damit da auch ein Beispiel dabei ist dieses: > Der Sender hat eine Beziehung mit dem Medium, dieses wiederum hat eine > Beziehung mit dem Empfänger/Beobachter. Ist dir nun klar wie > widersinning die Behauptung ist dass Sender und Empfänger eine Beziehung > zueinander haben!) Ist dir nicht irgendwann einmal klar, daß das schon wieder totaler Schwachsinn ist? Außerdem geht es hier gerade um Ostereier. Uhu U. schrieb: > Das kommt auf die Ortsumstände an. Nein, das kommt auf die Osterumstände an.
Uhu U. schrieb: > Bernd F. schrieb: >> Sind die Eier oval oder viereckig? > > Das kommt auf die Ortsumstände an. Ich hab noch einen für dich: Nimm eine Atomuhr, ihr Gang ist einzig und alleine von den Ortsumständen/Faktoren abhängig denen sie ausgesetzt ist. All die "schlauen" irgendwelcher Theorievorstellungen enttropften "Wahrheiten" zeigen nicht das auf was wirklich und real vorgeht. Denk an die 1.234... das ist das was real passiert. Kurt
Kurt B. schrieb: > Nimm eine Atomuhr, ihr Gang ist einzig und alleine von den > Ortsumständen/Faktoren abhängig denen sie ausgesetzt ist. Aber bedeutet das nicht dass die Uhren unterschiedlich gehen könnten? Auf der Erdoberfläche herrschen wahrscheinlich andere Ortsumstände wie nahe der Sonne. Kann man davon ableiten dass die Uhren unterschiedlich laufen?
Kurtilein, wissen die Leute in Katzelsried eigentlich, was du hier so treibst? Erzählst du deinen Mitbürgern diesen ganzen Stuss auch den lieben langen Tag oder hältst du dich dort lieber zurück, weil du sonst zu befürchten hättest, irgendwann geteert und gefedert durchs Dorf getrieben zu werden?
. Ich möchte diese Aussage hier ein wenig beleuchten. ---------------------------------- Amplitudenmodulation Jedes Modulationsverfahren verschiebt das Basisband, die eigentliche Information, in einen definierten höheren Frequenzbereich. Jedes zu sendende Basisband wird einem eigenständigen Träger aufmoduliert. Nur so ist eine spätere Rückgewinnung und Trennung in die einzelnen Informationen möglich. ----------------------------------- Es geht um Amplitudenmodulation, also die Veränderung eines Trägersignals dessen Amplitude im "Sinne" der Modulation in seiner Grösse verändert wird. Das obig Gesagte ist ein wohl Teil einer Darstellung wie sie in Schulen Verwendung findet. Es ist kein Wunder wenn sich damit "Belehrte" nicht mehr auskennen und dann nicht verstehen was AM eigentlich ist. Was dann folgt, und was von manchen "weiterentwickelt" wurde das haben wir ja hier gesehen. Die Reaktionen die kommen wenn man aufzeigt welche Falschansichten da verbreitet werden die haben wir ja da. Und diese sind, trotz dem Aufzeigen dass das was da behauptet wird jedweder Realität entbehren, immer noch derart dass derjenige der das macht verschwinden soll, als Idiot hingestellt, am liebsten wohl mundtot gemacht werden soll. Es geht also nicht darum realitätskonforme Papers zu erstellen, sondern einfach nur auf der eingefahrenen Falschansichtenschiende weiterzutümpeln. Kurt
Kurt B. schrieb: > Denk an die 1.234... das ist das was real passiert. Du meinst die 1234... von der du selber sagst, das ist nur eine von dir "ausgedachte Schnapszahl"? Und diese ausgedachte, erfundene Schnapszahl ist wirklich das, was passiert?
Kurt B. schrieb: > Ich möchte diese Aussage hier ein wenig beleuchten. > > ---------------------------------- > Amplitudenmodulation Is doch wurscht jetzt, du wechselst ja die Themen schneller als meine Katze, und die hat schon ne seeehr kurze Aufmerksamkeitsspanne. Wir waren bei Ortsumständen. Was ist mit der Uhr?
Bernd S. schrieb: > Und diese ausgedachte, erfundene Schnapszahl ist wirklich das, was > passiert? Ja sicher. Erst kommt allerdings der Schnaps. Und dann passiert es auch irgendwann.
Le X. schrieb: > Kurt B. schrieb: >> Nimm eine Atomuhr, ihr Gang ist einzig und alleine von den >> Ortsumständen/Faktoren abhängig denen sie ausgesetzt ist. > > Aber bedeutet das nicht dass die Uhren unterschiedlich gehen könnten? Puhhhh, hast du denn nicht mitgelesen!! > Auf der Erdoberfläche herrschen wahrscheinlich andere Ortsumstände wie > nahe der Sonne. > Kann man davon ableiten dass die Uhren unterschiedlich laufen? Hast du denn nicht mitbekommen dass hier behauptet wurde dass CS133 Uhren im ganzem Universum gleich takten?? (du hast micht wohl in der Ecke der "Anti-RTler drin, bei denen die ein statisches Universum verteidigen!) (da liegst du falsch) Kurt (ich muss wohl auch annehmen dass du dann die "gravitatorische Rotverschiebung" hier auch nicht mitgekriegt hast) .
Kurt B. schrieb: > Uhu U. schrieb: >> Bernd F. schrieb: >>> Sind die Eier oval oder viereckig? >> >> Das kommt auf die Ortsumstände an. > > Ich hab noch einen für dich: > Nimm eine Atomuhr, ihr Gang ist einzig und alleine von den > Ortsumständen/Faktoren abhängig denen sie ausgesetzt ist. > All die "schlauen" irgendwelcher Theorievorstellungen enttropften > "Wahrheiten" zeigen nicht das auf was wirklich und real vorgeht. > Denk an die 1.234... das ist das was real passiert. > > Kurt jetzt hat er es endlich eingesehen, und verarscht sich schon selber...
>Hast du denn nicht mitbekommen dass hier behauptet wurde dass CS133 >Uhren im ganzem Universum gleich takten?? ich habs auch nicht mitgekommen das hast vermutlich nur (mal wieder) falsch verstanden.. du kannst ja seit kurzem Links Posten, .. jetzt wäre der richtige Zeitpunkt..
Kurt B. schrieb: > Hast du denn nicht mitbekommen dass hier behauptet wurde dass CS133 > Uhren im ganzem Universum gleich takten?? Stimmt ja auch (aus Sicht der Uhr). Kurt B. schrieb: > (du hast micht wohl in der Ecke der "Anti-RTler drin, bei denen die ein > statisches Universum verteidigen!) > (da liegst du falsch) Ich hab dich in keiner speziellen Schublade, dafür änderst du deine Meinung zu oft und verhedderst dich zu oft in deinen eigenen Aussagen. Ich käme mit dem umsortieren der Schubladen nicht mehr mit... Also, die Uhren gehen unterschiedlich, ja? Soweit stimmst du mir zu?
Mein grosses V. schrieb: > wissen die Leute in Katzelsried eigentlich, was du hier so treibst? Eines ist Fakt. Katzelsried hat zumindest auch ein Mental Hospital. Sogar eines mit Internet-Anschluss für die Insassen. Bernd S. schrieb: > Du meinst die 1234... von der du selber sagst, das ist nur eine von dir > "ausgedachte Schnapszahl"? Irgendwie ist diese Zahl nicht kreativ. Ich hätte 0.815E-666 genommen.
Kurt B. schrieb: > Uhu U. schrieb: >> Bernd F. schrieb: >>> Sind die Eier oval oder viereckig? >> >> Das kommt auf die Ortsumstände an. > > Es gibt Fortschritte!! Es gibt nur wenige Esel, die sich freuen, wenn man sie mit ihrem Kot füttert...
Bernd F. schrieb: > Irgendwie ist diese Zahl nicht kreativ. > Ich hätte 0.815E-666 genommen. Das stimmt, aber diese Zahl ist nicht bei mir mit Hilfe von Schnaps entstanden! :-)
Le X. schrieb: > Also, die Uhren gehen unterschiedlich, ja? > Soweit stimmst du mir zu? Und weg isser, der Bub. Hauptsache keine konkrete Antwort gegeben. Heut Abend oder Morgen, wenn keiner mehr dran denkt und ich was Besseres zu tun hab kommt er wieder und schwurbelt von der AM. Und wieder mal hat ers erfolgreich ausgesessen und sich vor einer Antwort gedrückt. Je länger ich drüber nachdenke... der Mann hätte so ein erfolgreicher Politiker werden können. Aber ne, er setzt sein Talent völlig in den Sand...
Le X. schrieb: > Je länger ich drüber nachdenke... der Mann hätte so ein erfolgreicher > Politiker werden können. Religionsführer, nicht Politiker. Nur da darf man jeden Nichtgläubigen zum Träumer, Phantasten, Deppen, ... erklären. In der Politik ist das keine erfolgversprechende Strategie. Weshalb ich es auch schade fand, dass der [G] Thread dran glauben musste. Ob er wohl 12 Jünger zusammen bekommen hätte?
:
Bearbeitet durch User
A. K. schrieb: > Nur da darf man jeden Nichtgläubigen > zum Träumer, Phantasten, Deppen, ... erklären. In der Politik ist das > keine erfolgversprechende Strategie. So lange es sich gegen eine machtlose Minderheit richtet, geht das auch in der Politik...
Robert L. schrieb: >>Hast du denn nicht mitbekommen dass hier behauptet wurde dass CS133 >>Uhren im ganzem Universum gleich takten?? > > ich habs auch nicht mitgekommen > > das hast vermutlich nur (mal wieder) falsch verstanden.. > > > du kannst ja seit kurzem Links Posten, .. jetzt wäre der richtige > Zeitpunkt.. Jetzt mag ich nicht, irgendwo, wohl in diesem Faden hier, ist das gelaufen. --------- > das hast vermutlich nur (mal wieder) falsch verstanden.. -------- Den Behauptungen sollten auch mal Taten folgen, Taten die das auch belegen. Kurt
Kurt B. schrieb: > Den Behauptungen sollten auch mal Taten folgen, Taten die das auch > belegen. Genau, mach mal ein aussagekräftiges Experiment statt nur zu labern.
Le X. schrieb: > > Also, die Uhren gehen unterschiedlich, ja? > Soweit stimmst du mir zu? Jetzt möchte ich aber schon wissen wieso du auf die Idee kommst dass ich was anderes sage! Also her damit! Kurt
Kurt B. schrieb:
> Denk an die 1.234... das ist das was real passiert.
Du meinst die "1.234..." von der du selber sagst, das ist nur eine von
dir "ausgedachte Schnapszahl"?
Und diese ausgedachte, erfundene Schnapszahl ist wirklich das, was
passiert?
A. K. schrieb: > Weshalb ich es auch schade fand, dass der [G] Thread dran glauben > musste. Naja, was soll man da sagen. (irgendwelche Gründe wird's schon geben) Kurt (vom "Betroffenen", für den der [G] gedacht war, hab ich auch nichts mehr gehört, oder ev. übersehen) .
Bernd S. schrieb: > Kurt B. schrieb: >> Denk an die 1.234... das ist das was real passiert. > > Du meinst die "1.234..." von der du selber sagst, das ist nur eine von > dir "ausgedachte Schnapszahl"? Genau die. > > Und diese ausgedachte, erfundene Schnapszahl ist wirklich das, was > passiert? Aber doch nicht die Zahl selber, sie macht Garnichts. Diese Zahl steht für grundsätzliche Vorgänge mit denen ich das aussagen kann was ich mir vorstelle. Schliesslich stosse ich ja an Gehirne die mit völlig anderen, halt nicht naturkonformen, Vorstellungen zugestopft sind. Es ist nicht einfach da ein Löchlein zu finden, denn bei solchen stehen viele Stacheln im Weg die verhindern wollen dass sich da irgendwelche Gedanken einnisten könnten die zum Nachdenken zwingen. Kurt
Frank M. schrieb: > Kurt B. schrieb: >> Den Behauptungen sollten auch mal Taten folgen, Taten die das auch >> belegen. > > Genau, mach mal ein aussagekräftiges Experiment statt nur zu labern. Wo bleiben die Taten, Ablenkung sind keine aufgezeigten Taten oder Beweise. Hast wohl keine, kannst nur ablenken. Kurt
Kurt B. schrieb: > Frank M. schrieb: >> Kurt B. schrieb: >>> Den Behauptungen sollten auch mal Taten folgen, Taten die das auch >>> belegen. >> >> Genau, mach mal ein aussagekräftiges Experiment statt nur zu labern. > > Wo bleiben die Taten, Ablenkung sind keine aufgezeigten Taten oder > Beweise. > Hast wohl keine, kannst nur ablenken. > > Kurt Kurt, mal im Ernst. Du hast von anderen schon viele "aufgezeigte Taten" gesehen. Ob du die akzeptierst, steht auf einem anderen Blatt. Und du forderst jetzt "wo bleiben die Taten"? Von dir war noch keine einzige Tat zu sehen. Immer nur solche Aussagen wie Kurt B. schrieb: > was ich mir vorstelle. Führe doch mal ein einziges eigenes Experiment durch. Dann darfst du wieder von anderen was erwarten, vorher nicht!
Frank M. schrieb: > Genau, mach mal ein aussagekräftiges Experiment statt nur zu labern. Und für Pfingsten organisieren wir eine Bustour nach Katzelsried und gucken uns das und deine anderen Experimente mal an.
Kurt B. schrieb: > Frank M. schrieb: >> Kurt B. schrieb: >>> Den Behauptungen sollten auch mal Taten folgen, Taten die das auch >>> belegen. >> >> Genau, mach mal ein aussagekräftiges Experiment statt nur zu labern. > > Wo bleiben die Taten, Ablenkung sind keine aufgezeigten Taten oder > Beweise. > Hast wohl keine, kannst nur ablenken. Du laberst schon wieder.
Frank M. schrieb: >> Hast wohl keine, kannst nur ablenken. > > Du laberst schon wieder. Siehste, du labert immer noch weiter ohne was zu sagen, oder gar das Geforderte aufzeigen zu können. Ergo: wirst nicht ernste genommen. Kurt
Kurt B. schrieb: > Siehste, du labert immer noch weiter ohne was zu sagen, oder gar das > Geforderte aufzeigen zu können. > Ergo: wirst nicht ernste genommen. Du laberst schon wieder.
Kurt B. schrieb: > Frank M. schrieb: > >>> Hast wohl keine, kannst nur ablenken. >> >> Du laberst schon wieder. > > Siehste, du labert immer noch weiter ohne was zu sagen, oder gar das > Geforderte aufzeigen zu können. > Ergo: wirst nicht ernste genommen. > > Kurt Kurt, nochmal die Erinnerung: Du bist dran mit Zeigen, nicht mit Fordern. Du hast noch GAR NICHTS gezeigt und forderst es aber ständig von anderen. > Ergo: wirst nicht ernste genommen. Von wem? Von dir? Er wird wohl von allen (außer dir) ernst genommen.
Ich nehme Frank M. ernst. Kurt B. nehme ich nicht ernst. Damit ist die Aussage Kurt B. schrieb: > Ergo: wirst nicht ernste genommen. widerlegt. Das war einfach :-)
Kurt B. schrieb: > Le X. schrieb: > > Also, die Uhren gehen unterschiedlich, ja? > Soweit stimmst du mir zu? > > Ja. > > Kurt Und wieso? Wegen den Ortsumständen?
Le X. schrieb: > Kurt B. schrieb: >> Hast du denn nicht mitbekommen dass hier behauptet wurde dass CS133 >> Uhren im ganzem Universum gleich takten?? > > Stimmt ja auch (aus Sicht der Uhr). > Um die ging es aber nicht. > Kurt B. schrieb: >> (du hast micht wohl in der Ecke der "Anti-RTler drin, bei denen die ein >> statisches Universum verteidigen!) >> (da liegst du falsch) > > Ich hab dich in keiner speziellen Schublade, Gut. > dafür änderst du deine > Meinung zu oft und verhedderst dich zu oft in deinen eigenen Aussagen. > Ich käme mit dem umsortieren der Schubladen nicht mehr mit... > Tja, deine Meinung, kannst du sicherlich auch aufzeigen wo das stattfindet/gefunden hat. > Also, die Uhren gehen unterschiedlich, ja? > Soweit stimmst du mir zu? Kommt darauf an, aber in dem Sinn den ich hier annehme: ja Kurt
Le X. schrieb: > Kurt B. schrieb: >> Le X. schrieb: >> >> Also, die Uhren gehen unterschiedlich, ja? >> Soweit stimmst du mir zu? >> >> Ja. >> >> Kurt > > Und wieso? > Wegen den Ortsumständen? Ja, denn diese sind mitbestimmend für die Resonanzfrequenz der Atome. Kurt
Wolfgang R. schrieb: > Bullshit Bingo - Bindl Style... Brauchst keine Angst zu haben, kannst ja bei deinen Märchenvorstellungen bleiben. Kurt
. ---------------------------------- Mit der Amplitudenmodulation, AM lassen sich viele unterschiedliche Informationen aufeinander folgend im selben Übertragungsmedium gleichzeitig senden ---------------------------------- Könnte das mal jemand so aufbereiten dass es auch Sinn ergibt!! (unterschiedliche aufeinander_folgend gleichzeitig?) Und was ist das Übertragungsmedium? Gibt's da unterschiedliche Übertragungsmediumen? Gibt's da neue Physik die das alles bereitstellt? Kurt
Kurt B. schrieb: > . > > ---------------------------------- > Mit der Amplitudenmodulation, AM lassen sich viele unterschiedliche > Informationen aufeinander folgend im selben Übertragungsmedium > gleichzeitig senden > ---------------------------------- > > Könnte das mal jemand so aufbereiten dass es auch Sinn ergibt!! > (unterschiedliche aufeinander_folgend gleichzeitig?) > > Und was ist das Übertragungsmedium? > Gibt's da unterschiedliche Übertragungsmediumen? > > > Gibt's da neue Physik die das alles bereitstellt? > > Kurt ----------------------------------- Die Abfolge der Einzelinformationen auf der Frequenzachse entspricht einem Frequenzmultiplexverfahren. In der Funktechnik ist der Äther, im erdnahen Bereich die Atmosphäre das Übertragungsmedium. ----------------------------------- "Die Abfolge der Einzelinformationen auf der Frequenzachse entspricht einem Frequenzmultiplexverfahren" Was soll denn das sein! Bei AM wird ein einziger Träger gesendet dessen Amplitude sich verändert, es werden keine weiteren Signale abgesetzt, also was soll das!? "In der Funktechnik ist der Äther, im erdnahen Bereich die Atmosphäre das Übertragungsmedium" Da ist es ja das Übertragungsmedium. Das sagt also aus dass der Äther nur bis zur Atmosphäre reicht und dann schlagartig von der Atmosphäre abgelöst wird. Der Äther hat also wohl andere Übertragungseigenschaften als die Atmosphäre, darum breiten sich AM-Signale wohl unterschiedlich schnell aus. Kurt
Wolfgang R. schrieb: > Ja, der Text ist blöd... aber die AM ist eine super Erfindung! So what? Wie/von wem wurde sie denn erfunden? Kurt
Wolfgang R. schrieb: > Kurt, Du winselst wieder... Tja wieder so eine Aussage. Beweise sie mal. > sei bitte ein wenig kreativer! Wieso, ich lese nur vor was andere geschrieben haben. Da ist wahrlich sehr viel Kreativität drin, und andere fallen auch noch darauf rein und "führen" das sogar weiter (aus). Naja, dass die dabei nur irgendwo rumschweeeben das ist wohl nicht wichtig, Hauptsache... Kurt
Kurt B. schrieb: > Naja, dass die dabei nur irgendwo rumschweeeben das ist wohl nicht > wichtig, Hauptsache... > > Kurt Wie geht der Satz weiter? Hauptsache...? Ach ich weiß es: -- Hauptsache, ich zeige kein einziges eigenes Experiment, damit ich weiter alles mögliche behaupten kann und bei Widersprüchen immer den "Ortsumständen" die Schuld geben kann. Kurt . . -- Richtig geraten?
. -------------------------------------- Die Übertragung kann ebenso gut auch im Leitungsnetz per Kabel erfolgen. Der Empfänger filtert das gewünschte Sendesignal heraus und gewinnt die eigentliche Information durch ein Demodulationsverfahren zurück. Dieses Kapitel beschreibt wichtige Aspekte der normalen AM. -------------------------------------- "Der Empfänger filtert das gewünschte Sendesignal heraus und gewinnt die eigentliche Information durch ein Demodulationsverfahren zurück." Und wie macht er das? Er stellt doch nicht etwa fest welche Amplitude das Signal hat, oder doch? elches Signal filtert der Empfänger heraus, das Sendsignal, also ein Signal. Was ist mit all den anderen die da nacheinander zeitgleich im Frequenzmultiplexverfahren gesendet wurden? "Dieses Kapitel beschreibt wichtige Aspekte der normalen AM." Soso, so einen Stuss sieht man selten!! Und manche meinen auch noch dass das der letzte Schrei ist und setzen noch einen oben drauf. Sowas ist also Lehrstoff, na dann: Prost_Mahlzeit. Kurt
Also 1.234 kann als Grundtakt schonmal nicht stimmen. Wenn dann 3.333 Periode 3. Es muss eine periodische Zahl sein. Damit der Grundtakt niemals aufhört. Kann doch jeder selbst überlegen, dass bei einer endlichen Zahl irgendwann die Basisteilchen stillstehen würden und somit das Universum kollabiert.
Ja Kurt, mach doch bitte mal eine gute Webseite, wo das alles richtig drinsteht.
Martin P. schrieb: > Also 1.234 kann als Grundtakt schonmal nicht stimmen. Doch kann, muss aber nicht. > > Wenn dann 3.333 Periode 3. Es muss eine periodische Zahl sein. Wegen dem Grundtakt? > Damit der > Grundtakt niemals aufhört. Warum sollte er nicht mal aufhören, ich gehe davon aus das er genau das tut. > Kann doch jeder selbst überlegen, dass bei > einer endlichen Zahl irgendwann die Basisteilchen stillstehen würden und > somit das Universum kollabiert. Wer wird denn doch gleich so schwarz sehen?! Das/unser Universum macht ebenfalls eine resonante Schwingung durch. In diesem gibt's Bereiche wo die 1.234.. nicht mehr vorhanden ist/anders vorhanden sind da gibt's dann auch keine Basisteilchen mehr. In anderen Bereichen fängt die Taktung gerade an und da kommt's dann zur Ausbildung von neuen BT (Basisteilchen). Also keine Angst: solange unser Universum schwingt gibt's immer wieder Versuche mit Hilfe der BT eine intelligente Spezies hervorzubringen (bei dem Versuch in unserem Bereich hier ist das wohl noch nicht gelungen) Kurt
Kurt B. schrieb: > Also keine Angst: solange unser Universum schwingt gibt's immer wieder > Versuche mit Hilfe der BT eine intelligente Spezies hervorzubringen (bei > dem Versuch in unserem Bereich hier ist das wohl noch nicht gelungen) > solange unser Universum schwingt Du solltest mal das Kraut wechseln :-) > (bei dem Versuch in unserem Bereich hier ist das wohl noch nicht gelungen) Dein Bereich ist Katzelsried, richtig? :-)
. Ich hätte da mal eine Frage an die Mathematiker! Wie geht das mathematisch: wenn ein Signal, erzeugt aus zwei Signalen durch Addition dieser, zu einem zusammengeführt wurde, so mathematisiert wird dass daraus eine Multiplikation der beiden Ausgangssignale, ohne dass diese präsent sind, wird. Also in der Realität findet sich dazu keine Möglichkeit. Findet sich diese in der Mathematik? Kurt
Kurt B. schrieb: > Wie geht das mathematisch: > > wenn ein Signal, erzeugt aus zwei Signalen durch Addition dieser, zu > einem zusammengeführt wurde, so mathematisiert wird dass daraus eine > Multiplikation der beiden Ausgangssignale, ohne dass diese präsent sind, > wird. > > Also in der Realität findet sich dazu keine Möglichkeit. > > Findet sich diese in der Mathematik? Mit dem Lesen hast du's nicht so, oder? Beitrag "Re: Welle/Teilchen zum II" Dabei hat sich Reinhard extra für dich so eine Arbeit gemacht... Komm, versuchs nochmal. Vielleicht klappts ja diesmal, ja?
:
Bearbeitet durch User
Bernd S. schrieb: > Kurt B. schrieb: >> Wie geht das mathematisch: >> >> wenn ein Signal, erzeugt aus zwei Signalen durch Addition dieser, zu >> einem zusammengeführt wurde, so mathematisiert wird dass daraus eine >> Multiplikation der beiden Ausgangssignale, ohne dass diese präsent sind, >> wird. >> >> Also in der Realität findet sich dazu keine Möglichkeit. >> >> Findet sich diese in der Mathematik? > > Mit dem Lesen hast du's nicht so, oder? > Beitrag "Re: Welle/Teilchen zum II" > > Dabei hat sich Reinhard extra für dich so eine Arbeit gemacht... > Komm, versuchs nochmal. Vielleicht klappts ja diesmal, ja? Entschuldige, ich musste kurz lachen. Diese Lösung ist also "die" Lösung. Naja, dann ist ja alles klar, eine Mathematische also. Gut dass so eine Lösung nichts mit der Realität zu tun hat und nur eine reine Märchenweltvorstellung stützt, denn das wäre echt katastrophal. Kurt
Kurt B. schrieb: > Naja, dann ist ja alles klar, eine Mathematische also. Du hattest selbst danach gefragt, schon vergessen? Kurt B. schrieb: > Wie geht das mathematisch: > ... > Findet sich diese in der Mathematik? Du wolltest Mathematik, du hast Mathematik bekommen. Und jetzt lachst du, weil du bekommen hast, was du wolltest? Kurt B. schrieb: > Gut dass so eine Lösung nichts mit der Realität zu tun hat und nur eine > reine Märchenweltvorstellung stützt, denn das wäre echt katastrophal. Komischerweise funktioniert das aber in der Praxis. Im Gegensatz zu deinen Äußerungen. Da fällt mir gerade ein: Du wolltest doch ein allererstes Mal ein eigenes Experiment zeigen, oder? Damit nicht nur heiße Luft von dir kommt, sondern auch mal was zum Anschauen. Etwas, was wirklich funktioniert, wie zum Beispiel im PDF von Reinhard. Wann sehen wir was von dir?
:
Bearbeitet durch User
Kurt B. schrieb: >Martin P. schrieb: >> Also 1.234 kann als Grundtakt schonmal nicht stimmen. >Doch kann, muss aber nicht Nein das geht so nicht. Überlege noch einmal genau, wie sich die BT dann verhalten würden. Mach das ganze mal ohne Schulmathematik oder Physik. Dieses Zeug ist uns irgendwann einmal eingetrichtert worden und vernebelt nur den Verstand
Kurt B. schrieb: > Das/unser Universum macht ebenfalls eine resonante Schwingung durch. > In diesem gibt's Bereiche wo die 1.234.. nicht mehr vorhanden ist/anders > vorhanden sind da gibt's dann auch keine Basisteilchen mehr. > > In anderen Bereichen fängt die Taktung gerade an und da kommt's dann zur > Ausbildung von neuen BT (Basisteilchen). Ich weiß ja nicht, das klingt schon sehr weit hergeholt. Woher willst du wissen was irgendwo im Universum passiert? Ohne Teleskop oder andere Messgeräte? Würdest du sagen "weiß ich nicht" wärs ja in Ordnung, aber uns etwas als Wahrheit verkaufen wollen was du garnicht wissen KANST... Man könnt fast meinen du hast dir das einfach so ausgedacht.
Kurt B. schrieb: > Also keine Angst: solange unser Universum schwingt gibt's immer wieder > Versuche mit Hilfe der BT eine intelligente Spezies hervorzubringen (bei > dem Versuch in unserem Bereich hier ist das wohl noch nicht gelungen) Ach Kurtilein, im Großen und Ganzen klappt das sehr gut mit der intelligenten Spezies auf diesem Planeten. Hin und wieder sind natürlich welche dabei, bei denen ist das nicht so gut gelungen. Die nennt man dann Kurt.
Le X. schrieb: > Kurt B. schrieb: >> Das/unser Universum macht ebenfalls eine resonante Schwingung durch. >> In diesem gibt's Bereiche wo die 1.234.. nicht mehr vorhanden ist/anders >> vorhanden sind da gibt's dann auch keine Basisteilchen mehr. >> >> In anderen Bereichen fängt die Taktung gerade an und da kommt's dann zur >> Ausbildung von neuen BT (Basisteilchen). > > Ich weiß ja nicht, das klingt schon sehr weit hergeholt. > Woher willst du wissen was irgendwo im Universum passiert? > Ohne Teleskop oder andere Messgeräte? > Würdest du sagen "weiß ich nicht" wärs ja in Ordnung, aber uns etwas als > Wahrheit verkaufen wollen was du garnicht wissen KANST... > > Man könnt fast meinen du hast dir das einfach so ausgedacht. Es ist ausgedacht, selbstverständlich. Es ist der Versuch unser liebes Universum (und dabei/dazu sind noch viele andere notwendig) und die erkennbaren Umstände und Abläufe in einem Zustand/Funktionieren zu sehen der das was man so erkennen kann in der Art wie unsere Denke funktioniert, irgendwie beschreiben zu können ohne dass es zu logischen Problemen kommt. Kurt
Martin P. schrieb: > Kurt B. schrieb: > >>Martin P. schrieb: >>> Also 1.234 kann als Grundtakt schonmal nicht stimmen. > >>Doch kann, muss aber nicht > > Nein das geht so nicht. Überlege noch einmal genau, wie sich die BT dann > verhalten würden. Mach das ganze mal ohne Schulmathematik oder Physik. Mach ich doch. Kurt
. Also ich hätte schon gerne eine Aussage zu der "Mikrowelle", dazu ob es bei den gesetzten Daten: 1 sek 1 KW 10 Watt 10 cm Draht mit zwei mal 1 mm² zur Überhitzung, und damit zum Verändern der Plastikstruktur kommt. (wieviel "Schüsse", zu 1 sek mit 10 Watt in Form von Wirbelstrom die 20 cm zu 1mm² auf z.B. 200°C erhitzen können, sind da wohl notwendig.) Kurt
Kurt B. schrieb: > Also ich hätte schon gerne eine Aussage zu der "Mikrowelle", dazu ob es > bei den gesetzten Daten: > > 1 sek > 1 KW > 10 Watt > 10 cm Draht mit zwei mal 1 mm² > zur Überhitzung, und damit zum Verändern der Plastikstruktur kommt. Probiere es aus und berichte. Lamentieren darüber ist sinnlos.
Bernd S. schrieb: > > Du wolltest Mathematik, du hast Mathematik bekommen. Und jetzt lachst > du, weil du bekommen hast, was du wolltest? > Ich lache doch nicht über Mathematik, nur darüber wie diese angewendet wird! > Kurt B. schrieb: >> Gut dass so eine Lösung nichts mit der Realität zu tun hat und nur eine >> reine Märchenweltvorstellung stützt, denn das wäre echt katastrophal. > > Komischerweise funktioniert das aber in der Praxis. Im Gegensatz zu > deinen Äußerungen. > Du meinst die Schaltung die hier eingeworfen wurde. Dieser Schaltung habe ich ihre Funktionen entlockt und dann gesagt/aufgezeigt dass es um eine absolute Mogelpackung handelt deren Verwendung im Unterricht ich als katastrophal empfinde, denn sie macht alles andere als das was ihr (mit Hilfe von Mathematik) draufgesagt wurde. Die LT-Sim sind ja eingestellt worden, sie zeigen auf was da wirklich passiert und aus meiner Sicht ist es eine Schande sowas als AM-Signalerzeugung zu bringen. Wie soll denn da jemals ein Verständnis zur Funktechnik entstehen wenn solche Verzerrungen und Falschaussagen aufgetischt werden. Kurt
> Die LT-Sim sind ja eingestellt worden, sie zeigen auf was da wirklich > passiert Was vermutest du, tut LTsim? Eventuell den realen Bauelementen hinterherrechnen. Und hoffentlich stimmen die mathematischen Modelle, die dazu benutzt werden. Ja Kurt, deine Beweise entstammen allesamt der Schul-"Märchen"-Welt. Gut daß du der Schlauste auf diesem Planet bist. Deshalb hast du auch ein Regal voll Nobellpreise.
Kurt B. schrieb: > Ich lache doch nicht über Mathematik, nur darüber wie diese angewendet > wird! Aha. Gut, daß du das klargestellt hast. Danke dafür! Wenn das so ist, dann kannst du uns garantiert den Fehler in den Formeln zeigen. Und nicht nur den Fehler, sondern du weißt garantiert auch, wie die Formeln richtig lauten müssen. Jetzt hast du wiedermal eine Chance, dein Wissen zu beweisen. Jetzt kannst du beweisen, daß du nicht nur sagen kannst "das ist alles falsch", sondern jetzt kannst du zeigen, wie es richtig ist!
Kurt B. schrieb: > Le X. schrieb: >> Kurt B. schrieb: >>> Le X. schrieb: >>> >>> Also, die Uhren gehen unterschiedlich, ja? >>> Soweit stimmst du mir zu? >>> >>> Ja. >>> >>> Kurt >> >> Und wieso? >> Wegen den Ortsumständen? > > Ja, denn diese sind mitbestimmend für die Resonanzfrequenz der Atome. > > Kurt Resonanzfrequenz der Atome ist vollkommen irrelevant, auch Uhren anderer bauart, deren Zeitmessung überhaupt nicht von der Resonanzfrequenz der Atome abhängig ist gehen unterschiedlich schnell.. warum kann die RT den unterschied eigentlich ausrechnen? obwohl Sie falsch ist? reiner zufall? wie berechnest du die Ortumstände? (ps. Resonanzfrequenz der Atome ist natürlich eine Erfindung vom Kurt, eine vollkommen undefinierter eigenschaft, gleich wie Ortsumstände, ich habs nur geschrieben, damit er es "versteht")
:
Bearbeitet durch User
Bernd S. schrieb: > Kurt B. schrieb: >> Ich lache doch nicht über Mathematik, nur darüber wie diese angewendet >> wird! > > Aha. Gut, daß du das klargestellt hast. Danke dafür! Ist ja eh klar, sie ist unentbehrlich um damit in der Entwicklung weiter zu kommen. > Wenn das so ist, dann kannst du uns garantiert den Fehler in den Formeln > zeigen. Warum soll ich einen Fehler zeigen der wohl nicht da ist? Es geht doch nicht um den Fehler der nicht da ist, sondern um die Anwendung der Mathematik. Die Anwendung ist falsch, nicht die Mathematik. Diese ist unendlich geduldig. Kurt
Robert L. schrieb: > Kurt B. schrieb: >>> Und wieso? >>> Wegen den Ortsumständen? >> >> Ja, denn diese sind mitbestimmend für die Resonanzfrequenz der Atome. >> >> Kurt > > Resonanzfrequenz der Atome ist vollkommen irrelevant, Nein, sie ist entscheidend. > auch Uhren > anderer bauart, deren Zeitmessung überhaupt nicht von der > Resonanzfrequenz der Atome abhängig ist gehen unterschiedlich schnell.. > Du kannst uns doch bestimmt erklären wie Uhren eine Zeitmessung durchführen. Kurt
Ich dachte, es wäre mit der Moderation mal ausgemacht worden, dass Kurt nur noch in einem Thread seinen Unsinn verzapfen kann, jetzt kapert er schon wieder mehrere parallel... Ich bin ja für eine Sperrung, aber man will offensichtlich auf den Unterhaltungswert nicht verzichten...
Carl D. schrieb: >> Die LT-Sim sind ja eingestellt worden, sie zeigen auf was da wirklich >> passiert > > Was vermutest du, tut LTsim? > > Eventuell den realen Bauelementen hinterherrechnen. Genau, und genau das habe ich gemacht, ich habe die Funktion der einzelnen Bauelemente innerhalb der aufgezeigten Schaltung mit Hilfe der Mathematik die bei LT eingesetzt ist aufgezeigt. Das was da rausgekommen ist hab ich mit Hilfe von LT auch noch gleich visualisiert. Das Ergebnis kannst du ja anschauen oder ich stelle die einzelnen Ergebnisse nochmal ein. Was sich gezeigt hat ist im Beitrag weiter oben beschrieben. Wenn da was nicht stimmt dann sags, dann schauen wir uns das gemeinsam an. Kurt
Kurt B. schrieb: > Warum soll ich einen Fehler zeigen der wohl nicht da ist? Da wird sich Reinhard aber freuen, daß ausgerechnet du ihm bescheinigst, keinen Fehler gemacht zu haben. > Es geht doch nicht um den Fehler der nicht da ist, sondern um die > Anwendung der Mathematik. > Die Anwendung ist falsch, nicht die Mathematik. Diese ist unendlich > geduldig. Dann zeig den Fehler bei der Anwendung. Genauso spannend. Und zeig auch, wie die Anwendung richtig ist.
Bernd S. schrieb: > Kurt B. schrieb: >> Warum soll ich einen Fehler zeigen der wohl nicht da ist? > Da wird sich Reinhard aber freuen, daß ausgerechnet du ihm bescheinigst, > keinen Fehler gemacht zu haben. > Die Mathematik ist ja nicht falsch, nur eben falsch angewandt. >> Es geht doch nicht um den Fehler der nicht da ist, sondern um die >> Anwendung der Mathematik. >> Die Anwendung ist falsch, nicht die Mathematik. Diese ist unendlich >> geduldig. > Dann zeig den Fehler bei der Anwendung. Genauso spannend. Und zeig auch, > wie die Anwendung richtig ist. Hab ich schon gemacht, können wir aber auch wiederholen. Kurt
Kurt B. schrieb: > Die Mathematik ist ja nicht falsch, nur eben falsch angewandt. > > >> Dann zeig den Fehler bei der Anwendung. Genauso spannend. Und zeig auch, >> wie die Anwendung richtig ist. > > Hab ich schon gemacht, können wir aber auch wiederholen. Wo hast du gezeigt, wie man die Mathematik richtig anwendet?
Bernd S. schrieb: > Kurt B. schrieb: >> Die Mathematik ist ja nicht falsch, nur eben falsch angewandt. >> >> >>> Dann zeig den Fehler bei der Anwendung. Genauso spannend. Und zeig auch, >>> wie die Anwendung richtig ist. >> >> Hab ich schon gemacht, können wir aber auch wiederholen. > > Wo hast du gezeigt, wie man die Mathematik richtig anwendet? Ich habe aufgezeigt dass hier Mathematik eingesetzt wird um etwas zu "beweisen" was nichts mit der Realität zu tun hat. Die Mathematik kann nichts dafür wenn sie missbraucht wird. Kurt
Kurt B. schrieb: > Du kannst uns doch bestimmt erklären wie Uhren eine Zeitmessung > durchführen. ja, erklär es uns... von allen methoden die du kennst, viele scheinen es ja nicht zu sein..
:
Bearbeitet durch User
>Die Mathematik kann nichts dafür wenn sie missbraucht wird.
DU musst sie ja nicht missbrauchen,
aber verwenden solltest sie dann vielleicht doch mal..
:
Bearbeitet durch User
Robert L. schrieb: >>Die Mathematik kann nichts dafür wenn sie missbraucht wird. > > DU musst sie ja nicht missbrauchen, > aber verwenden solltest sie dann vielleicht doch mal.. Hab ich gemacht, die Ergebnisse sind oberhalb eingestellt. Kurt
Gerade hast du gesagt, die Mathematik ist falsch angewendet. Kurt B. schrieb: > Die Mathematik ist ja nicht falsch, nur eben falsch angewandt. Jetzt lenk nicht wieder ab und zeig, wie sie richtig angewendet wird. Du hast gesagt, das hast du schon gemacht, wir können es auch wiederholen. Kurt B. schrieb: > Hab ich schon gemacht, können wir aber auch wiederholen. Jetzt will ich von dir wissen, wie die Mathematik richtig angewendet wird. Du hast angeboten, es zu wiederholen. Ja, wiederhole es. Jetzt!
Kurt B. schrieb: > Robert L. schrieb: >>>Die Mathematik kann nichts dafür wenn sie missbraucht wird. >> >> DU musst sie ja nicht missbrauchen, >> aber verwenden solltest sie dann vielleicht doch mal.. > > Hab ich gemacht, die Ergebnisse sind oberhalb eingestellt. > > Kurt wo
hab ich ja fast übersehen: die für dich unangenehmen Fragen hat mal wieder ignoriert: warum kann die RT den unterschied eigentlich ausrechnen? obwohl Sie falsch ist? reiner zufall? wie berechnest du die Ortumstände? ich präzisiere das mal: warum kann die RT das so VERDAMM GENAU ausrechnen, obwohl sie falsch ist.. ??
Bernd S. schrieb: > > Jetzt will ich von dir wissen, wie die Mathematik richtig angewendet > wird. Du hast angeboten, es zu wiederholen. Ja, wiederhole es. Jetzt! Die Schaltung habe ich mit Hilfe von LT nachgebaut und berechnen lassen, das Ergebnis ist ein anderes als es Reinhard in seinem PDF behauptet. Es steht also Aussage gegen Aussage. Kurt
Kurt B. schrieb: > Wie geht das mathematisch: > > wenn ein Signal, erzeugt aus zwei Signalen durch Addition dieser, zu > einem zusammengeführt wurde, so mathematisiert wird dass daraus eine > Multiplikation der beiden Ausgangssignale, ohne dass diese präsent sind, > wird. > > Also in der Realität findet sich dazu keine Möglichkeit. > > Findet sich diese in der Mathematik? Sieh dir das mal mit Verstand an: https://www.youtube.com/watch?v=5hQjrql2NFk
Robert L. schrieb: > ich präzisiere das mal: > warum kann die RT das so VERDAMM GENAU ausrechnen, obwohl sie falsch > ist.. > ?? Beispiele? Kurt
Uhu U. schrieb: > > Sieh dir das mal mit Verstand an: > https://www.youtube.com/watch?v=5hQjrql2NFk Wo hast du die Signale her die da verwendet werden? Kurt
Kurt B. schrieb: > Robert L. schrieb: >> ich präzisiere das mal: >> warum kann die RT das so VERDAMM GENAU ausrechnen, obwohl sie falsch >> ist.. >> ?? > > Beispiele? > > Kurt na bei deinen geliebten GPS Sateliten z.b.
Kurt B. schrieb: > Bernd S. schrieb: > >> >> Jetzt will ich von dir wissen, wie die Mathematik richtig angewendet >> wird. Du hast angeboten, es zu wiederholen. Ja, wiederhole es. Jetzt! > > Die Schaltung habe ich mit Hilfe von LT nachgebaut und berechnen lassen, > das Ergebnis ist ein anderes als es Reinhard in seinem PDF behauptet. > > Es steht also Aussage gegen Aussage. > > Kurt Du hast in einer funktionierenden Schaltung so lange wild Bauelemente geändert, bis sie nicht mehr richtig funktioniert hat. Und genau dann hast du triumphiert und behauptet, daß die Schaltung nicht funktioniert. Aber das steht nicht zur Debatte. Du wolltest zeigen, wie man die Mathematik richtig anwendet. Du hast es angeboten. Jetzt will ich es sehen!
Robert L. schrieb: >>> ich präzisiere das mal: >>> warum kann die RT das so VERDAMM GENAU ausrechnen, obwohl sie falsch > > na bei deinen geliebten GPS Sateliten z.b. Sie kann "VERDAMM GENAU" ausrechnen. Das kann mein Taschenrechner auch. Du kannst doch sicherlich auch aufzeigen dass es in der Realität beim GPS auch so ist. Wie machst du das? (oder wer hat das gemacht und die VERDAMMT GENAUen Ergebnisse aufgezeigt) Kurt
Bernd S. schrieb: > > Du hast in einer funktionierenden Schaltung so lange wild Bauelemente > geändert, bis sie nicht mehr richtig funktioniert hat. Und genau dann > hast du triumphiert und behauptet, daß die Schaltung nicht funktioniert. > Hab ich das? Ich habe behauptet und aufgezeigt dass das was da per Mathematik so glänzend behauptet wird überhaupt nicht stimmt. > Aber das steht nicht zur Debatte. Oh doch, genau das steht zur Debatte. > Du wolltest zeigen, wie man die > Mathematik richtig anwendet. Du hast es angeboten. Jetzt will ich es > sehen! Das erste Bild kommt schon, es zeigt dass das was Reinhard per Mathe aufzeigt mit dem was rauskommt nicht übereinstimmt. also wer liegt falsch? LT oder Reinhard? Kurt
DU behauptst dass die UHR am boden anders geht, als wenn man sie dann in der Umlaufbahn hat wegen Ortsumstände Du kannst doch sicherlich auch aufzeigen dass es in der Realität beim GPS auch so ist. Wie machst du das?
Kurt B. schrieb: > Das erste Bild kommt schon, es zeigt dass das was Reinhard per Mathe > aufzeigt mit dem was rauskommt nicht übereinstimmt. > also wer liegt falsch? > LT oder Reinhard? > Du liegst falsch, wenn du denkst, daß wir deinen Betrug nicht merken! Das ist nicht die Schaltung von Reinhard, du elender Lügner!
Robert L. schrieb: > DU behauptst dass die UHR am boden anders geht, als wenn man sie dann in > der Umlaufbahn hat > > wegen Ortsumstände > > Du kannst doch sicherlich auch aufzeigen dass es in der Realität beim > GPS auch so ist. > Wie machst du das? Du bist also nicht in der Lage da was beizubringen. ------------------ Sie kann "VERDAMM GENAU" ausrechnen. Das kann mein Taschenrechner auch. Du kannst doch sicherlich auch aufzeigen dass es in der Realität beim GPS auch so ist. Wie machst du das? (oder wer hat das gemacht und die VERDAMMT GENAUen Ergebnisse aufgezeigt) ---------------- Also kann ich deine Behauptung unter Märchenwelt einordnen. Sie kann verdammt genau rechnen, aber beweisen kann sie nichts. Klaro, wie denn auch, sie hat ja keinen Bezug zur Relalität! Kurt
Bernd S. schrieb: > Kurt B. schrieb: >> Das erste Bild kommt schon, es zeigt dass das was Reinhard per Mathe >> aufzeigt mit dem was rauskommt nicht übereinstimmt. >> also wer liegt falsch? >> LT oder Reinhard? >> > Du liegst falsch, wenn du denkst, daß wir deinen Betrug nicht merken! > Das ist nicht die Schaltung von Reinhard, du elender Lügner! Zeig mir die Schaltung von Reinhard. Kurt Oder sag was da anders ist. .
:
Bearbeitet durch User
Und hier nochmal die Simulation von Reinhard. Du bist der absichtlichen LÜGE überführt! Du solltest dich etwas schämen. Aber das kannst du nicht, das ist mir schon klar.
Kurt B. schrieb: > Robert L. schrieb: >> DU behauptst dass die UHR am boden anders geht, als wenn man sie dann in >> der Umlaufbahn hat >> >> wegen Ortsumstände >> >> Du kannst doch sicherlich auch aufzeigen dass es in der Realität beim >> GPS auch so ist. >> Wie machst du das? > > Du bist also nicht in der Lage da was beizubringen. > > ------------------ > Sie kann "VERDAMM GENAU" ausrechnen. > Das kann mein Taschenrechner auch. > > Du kannst doch sicherlich auch aufzeigen dass es in der Realität beim > GPS auch so ist. > Wie machst du das? > (oder wer hat das gemacht und die VERDAMMT GENAUen Ergebnisse > aufgezeigt) > > ---------------- > > Also kann ich deine Behauptung unter Märchenwelt einordnen. > > Sie kann verdammt genau rechnen, aber beweisen kann sie nichts. > Klaro, wie denn auch, sie hat ja keinen Bezug zur Relalität! > > Kurt stell dich nicht so dumm http://homepage.univie.ac.at/franz.embacher/rel.html den link kennst du ganz genau Zeig auf was hier falsch berechnet wird Zeig auf wie man es richtig berechnet also nochmal, warum stimmen die Brechnungen beim GPS mit den Real gemessenen Werten überein? Zeig auf was hier falsch berechnet wird Zeig auf wie man es richtig berechnet
:
Bearbeitet durch User
Bernd S. schrieb: > Und hier nochmal die Simulation von Reinhard. > Du bist der absichtlichen LÜGE überführt! > Du solltest dich etwas schämen. > Aber das kannst du nicht, das ist mir schon klar. Hier ist der von ihm gesetzte Link. ----------- Kurt, eins bin ich dir noch schuldig. Du hast gefragt wo bei der AM eine Multiplikation stattfinden soll. Hab's extra für Dich in einen PDF zusammengefasst. ----------- 16.03.2016 15:28 Beitrag "Re: Welle/Teilchen zum II" https://www.mikrocontroller.net/attachment/287355/Amplituden_Modulation.pdf Kurt
Robert L. schrieb: > Kurt B. schrieb: >> Robert L. schrieb: >>> DU behauptst dass die UHR am boden anders geht, als wenn man sie dann in >>> der Umlaufbahn hat >>> >>> wegen Ortsumstände >>> >>> Du kannst doch sicherlich auch aufzeigen dass es in der Realität beim >>> GPS auch so ist. >>> Wie machst du das? >> >> Du bist also nicht in der Lage da was beizubringen. >> >> ------------------ >> Sie kann "VERDAMM GENAU" ausrechnen. >> Das kann mein Taschenrechner auch. >> >> Du kannst doch sicherlich auch aufzeigen dass es in der Realität beim >> GPS auch so ist. >> Wie machst du das? >> (oder wer hat das gemacht und die VERDAMMT GENAUen Ergebnisse >> aufgezeigt) >> >> ---------------- >> >> Also kann ich deine Behauptung unter Märchenwelt einordnen. >> >> Sie kann verdammt genau rechnen, aber beweisen kann sie nichts. >> Klaro, wie denn auch, sie hat ja keinen Bezug zur Relalität! >> >> Kurt > > stell dich nicht so dumm > > http://homepage.univie.ac.at/franz.embacher/rel.html > > den link kennst du ganz genau Den kenn ich, er ist Teil der Märchenwelt, behaupten und sonst nichts. Wo sind denn die Nachweise dass die Uhren genau so ticken wie er es beschreibt. Gibt's keine, die haben sich in Behauptungen aufgelöst. Die Uhren gehen oben schneller als sie es herunten tun, ich behaupte das, die RT behauptet das. Ich sage dass es von den Ortsumständen abhängt wie eine Uhr tickt, die RT meint da was ganz anderes, ich kann es nicht beweisen, sie auch nicht. Sie behauptet noch so manches andere Märchen, beweisen kann sie diese auch nicht. Kurt Also, was ist mit den so exzellenten Berechnungen, den so verdammt genauen? (mit dem Nachweis dass das was da berechnet wird auch so ist?) .
Bernd S. schrieb: > Und hier nochmal die Simulation von Reinhard. > Du bist der absichtlichen LÜGE überführt! > Du solltest dich etwas schämen. > Aber das kannst du nicht, das ist mir schon klar. Ich habs auf die anderen Werte umgestellt. Kurt
Robert L. schrieb: > also nochmal, warum stimmen die Brechnungen beim GPS mit den Real > gemessenen Werten überein? Also noch einmal! Zeige auf wo die real gemessenen Werte mit den so supergenau berechneten Werten übereinstimmen!! Wo wurden diese gemessen, wie wurden diese gemessen, womit wurden diese gemessen! Kurt
Kurt B. schrieb: > Hier ist der von ihm gesetzte Link. Okay, da muß ich mich entschuldigen. Ich habe die Schaltung (.asc) vom Wolfgang genommen. Ich nehme den "Lügner" zurück! Aber die Simulation zeigt in beiden Fällen (Schalter offen und Schalter zu) das gleiche Verhalten wie im PDF. Also völlig korrekt.
. Das kennt ihr wohl inzwischen alle: --------------------- Amplitudenmodulation: Üblicherweise wird das Ausgangsignal eines Amplitudenmodulators mit dem Additionstheorem der Trigonometrie beschrieben. Ich möchte hier die Entstehung des Ausgangssignals anhand einer nichtlinearen Kennlinie, wie sie bei Transistorschaltungen bekannt ist, herleiten und das so entstandene Signal mit einem Signal, das durch Additionstheorem entstanden ist, vergleichen. --------------------- -------- "Üblicherweise wird... beschrieben -------- und -------- "Entstehung des Ausgangssignals anhand einer nichtlinearen Kennlinie, wie sie bei Transistorschaltungen bekannt ist, herleiten -------- sowie --------- "und das so entstandene Signal mit einem Signal, das durch Additionstheorem entstanden ist, vergleichen --------- Es werden zwei mathematische Wege verglichen und beide kommen wohl zum selben Ergebnis. Nur: das was da mit Mathematik gemacht wird hat mit dem was in der Schaltung passiert überhaupt nichts zu tun. Ich unterstelle mal den Schreibern dass sie guten Gewissens gehandelt haben, muss ihnen aber auch vorwerfen dass sie keine Ahnung von den realen Vorgängen der aufgezeigten Schaltung haben und auch nicht begriffen haben dass sie an der Nase rumgeführt wurden. Aufgezeigt hab ichs ja schon, wers immer noch nicht wahrhaben will der bekommt es halt nochmal vorgesetzt. Kurt (wenn hier zwei unterschiedliche Schaltungen rumkursieren dann muss ich wohl annehmen dass auch die zweite so hingetrimmt wurde dass sie passt. Ob das von den Vertretern der Matheseite gemacht wurde weiss ich nicht, ich hoffe nicht! .
Bernd S. schrieb: > Kurt B. schrieb: >> Hier ist der von ihm gesetzte Link. > > Okay, da muß ich mich entschuldigen. Ich habe die Schaltung (.asc) vom > Wolfgang genommen. Ich nehme den "Lügner" zurück! Kein Problem Bernd, ich hätte wohl genau so gehandelt. > Aber die Simulation zeigt in beiden Fällen (Schalter offen und Schalter > zu) das gleiche Verhalten wie im PDF. Also völlig korrekt. Ja, ist ja nichts dagegen einzuwenden, nur es hat nichts mit AM zu tun!!! Nochmal: AM heist Veränderung eines Trägersignals durch ein Modulationssignal. Es sind also zwei Signale notwendig, die sind aber in der Schaltung nicht vorhanden!! Sie gehen am gemeinsamem R, dem 10k (und der BE-Strecke) in ein neues Signal auf. Was also soll an der BE-Strecke noch mit was multipliziert werden? Es ist einfach nichts mehr da was in den Formel ja verwendet wird. Also kanns mathematisch nur falsch sein, besser gesagt: Mathematik falsch angewendet sein. Kurt (überlege was am Kollektor ansteht und wer den schönen Sinus letztendlich generiert (ist sehr wichtig!)) .
Kurt B. schrieb: > (wenn hier zwei unterschiedliche Schaltungen rumkursieren dann muss ich > wohl annehmen dass auch die zweite so hingetrimmt wurde dass sie passt. > Ob das von den Vertretern der Matheseite gemacht wurde weiss ich nicht, > ich hoffe nicht! Kurt, jede Schaltung wird so dimensioniert, daß sie das tut, was sie soll. Das ist ja die Aufgabe des Schaltungsentwurfs. Auch bei einem Audioverstärker werden die Bauelemente und die Schaltung so dimensioniert, daß die geforderte Leistung herauskommt und der Klirrfaktor möglichst niedrig ist. Oder bei einem beliebigen anderen elektronischen Gerät. Oder denkst du, die Werte der Bauelemente werden gewürfelt? Sie werden so berechnet und eingesetzt, daß die gewünschte Funktion erfüllt wird. Genauso auch bei der vorliegenden AM-Schaltung. Wenn man hier die Werte ändert, wie du das in der Zwischenzeit gemacht hast und die Schaltung dadurch nicht mehr so funktioniert wie sie soll, dann kannst du das logischerweise nicht der Schaltung ankreiden. Vor deinen Änderungen hat sie ja funktioniert. Und die ich gezeigt habe (Schalter offen und Schalter zu) zeigen das gleiche Verhalten wie im PDF beschrieben.
Bernd S. schrieb: > Kurt B. schrieb: >> (wenn hier zwei unterschiedliche Schaltungen rumkursieren dann muss ich >> wohl annehmen dass auch die zweite so hingetrimmt wurde dass sie passt. >> Ob das von den Vertretern der Matheseite gemacht wurde weiss ich nicht, >> ich hoffe nicht! > > Kurt, jede Schaltung wird so dimensioniert, daß sie das tut, was sie > soll. Das ist ja die Aufgabe des Schaltungsentwurfs. Auch bei einem > Audioverstärker werden die Bauelemente und die Schaltung so > dimensioniert, daß die geforderte Leistung herauskommt und der > Klirrfaktor möglichst niedrig ist. Oder bei einem beliebigen anderen > elektronischen Gerät. Oder denkst du, die Werte der Bauelemente werden > gewürfelt? Sie werden so berechnet und eingesetzt, daß die gewünschte > Funktion erfüllt wird. Genauso auch bei der vorliegenden AM-Schaltung. > Wenn man hier die Werte ändert, wie du das in der Zwischenzeit gemacht > hast und die Schaltung dadurch nicht mehr so funktioniert wie sie soll, > dann kannst du das logischerweise nicht der Schaltung ankreiden. Vor > deinen Änderungen hat sie ja funktioniert. > > Und die ich gezeigt habe (Schalter offen und Schalter zu) zeigen das > gleiche Verhalten wie im PDF beschrieben. Immer noch nicht? > Kurt, jede Schaltung wird so dimensioniert, daß sie das tut, was sie > soll. Was soll diese Schaltung hier denn tun?!!! Überlege dir das mal in aller Ruhe. Sie soll das was mathematisch aufgezeigt wird beweisen. (und damit die Mathematischen Aussagen rechtfertigen) Kann sie nicht denn jeder der ein wenig von Elektronik versteht der sieht sofort was hier gespielt wird! Ist so, ist traurig wenn du und Reinhard darauf reingefallen seid. Kurt
Kurt B. schrieb: > Es sind also zwei Signale notwendig, die sind aber in der Schaltung > nicht vorhanden!! Falsch! Es sind zwei Frequenzen notwendig. Und die sind durchaus vorhanden. > Sie gehen am gemeinsamem R, dem 10k (und der BE-Strecke) in ein neues > Signal auf. Ein Signal, welches durch die Addition entsteht. Richtig. Aber die Frequenzen sind durchaus noch vorhanden. Nimm mal ein Audio-Mischpult her, du speist in den einen Eingang einen Ton von 1kHz ein und in den anderen Eingang einen Ton von 5kHz. Das Mischpult addiert die beiden Töne. Das ist das gleiche wie an der Basis des Transistors (in unserer AM-Schaltung), wo sich die beiden Frequenzen treffen. Sie sind nun addiert und trotzdem hört man am Mischpult-Ausgang beide Töne (1kHz und 5kHz). Sie verschwinden ja nicht. > Was also soll an der BE-Strecke noch mit was multipliziert werden? Die beiden Frequenzen! Schau in die Formeln, da siehst du es. Schau in die Kurven vom LTSpice, da siehst du es auch! > Es ist einfach nichts mehr da was in den Formel ja verwendet wird. Doch, zwei Frequenzen! Wo sollen sie verschwunden sein? Natürlich sind sie beide noch da! > > Also kanns mathematisch nur falsch sein, besser gesagt: Mathematik > falsch angewendet sein. Aber von dir, nicht von der Schaltung und auch nicht in den Berechnungen im PDF. Dort ist alles korrekt.
Bernd S. schrieb: > Kurt B. schrieb: >> Es sind also zwei Signale notwendig, die sind aber in der Schaltung >> nicht vorhanden!! > Falsch! Es sind zwei Frequenzen notwendig. Und die sind durchaus > vorhanden. Nein!!!!! Ein Signal kann nicht gleichzeitig zwei Frequenzen haben, denn Frequenz steht für f=1/T. Und diese beiden T, die ja dann den beiden Signalen zuzuordnen wären, sind nicht separat vorhanden!! Es ist nur ein Signal vorhanden, dieses wurde aus den beiden Ursprungssignalen geboren. Kurt
Kurt B. schrieb: > Was soll diese Schaltung hier denn tun?!!! > Überlege dir das mal in aller Ruhe. > > Sie soll das was mathematisch aufgezeigt wird beweisen. > (und damit die Mathematischen Aussagen rechtfertigen) Sie macht schlicht und einfach eine AM. Nicht um dich zu ärgern, sondern weil es so ist. Und die Mathematik bestätigt das. Bau die Schaltung auf (ganz ohne Mathematik) und du wirst sehen, daß sie funktioniert. Willst du der Schaltung jetzt vorwerfen, daß sie so funktioniert, wie man es berechnet hat? Du wirfst doch einem Audio-Verstärker auch nicht vor, daß er einen kleinen Klirrfaktor hat und einen entsprechenden Frequenzgang, sodaß man ihn als HiFi-Verstärker bezeichnen kann. Und das nur, weil diese Verstärkerschaltung ebenfalls berechnet und simuliert werden kann und dort das gleiche Verhalten zeigt wie in der Praxis. Wirfst du dem Verstärker auch folgendes vor?: > Sie soll das was mathematisch aufgezeigt wird beweisen. > (und damit die Mathematischen Aussagen rechtfertigen) Das ist nichts anderes. Eine Schaltung wird berechnet, simuliert und in der Realität aufgebaut. Und die Ergebnisse stimmen überein. Sowohl beim Verstärker als auch bei unserer AM-Schaltung!
Kurt B. schrieb: > Ein Signal kann nicht gleichzeitig zwei Frequenzen haben, denn Frequenz > steht für f=1/T. > Und diese beiden T, die ja dann den beiden Signalen zuzuordnen wären, > sind nicht separat vorhanden!! Dann kann man also NIEMALS eine Tuba und eine Flöte gleichzeitig als NF-Signal aus einem Lautsprecher hören? Ist das wirklich unmöglich, daß zwei Frequenzen gleichzeitig in einem Signal sind?
Bernd S. schrieb: > Kurt B. schrieb: >> Was soll diese Schaltung hier denn tun?!!! >> Überlege dir das mal in aller Ruhe. >> >> Sie soll das was mathematisch aufgezeigt wird beweisen. >> (und damit die Mathematischen Aussagen rechtfertigen) > > Sie macht schlicht und einfach eine AM. Nicht um dich zu ärgern, sondern > weil es so ist. Und die Mathematik bestätigt das. Du meinst falsch angewendete Mathematik bestätigt das. Schmeiss diese Mathematik weg, sie wird hier missbraucht und du unterstützt das auch noch. Es wird auch keine AM gemacht, das sagt man dir nur vor, es wird die Bedämpfung des Resonanzkreises so hingetrimmt dass es wie eine AM aussieht, ist aber keine denn es wird kein Signal in seiner Amplitude durch ein anderes Signal verändert. Kurt
Bernd S. schrieb: > Kurt B. schrieb: >> Ein Signal kann nicht gleichzeitig zwei Frequenzen haben, denn Frequenz >> steht für f=1/T. >> Und diese beiden T, die ja dann den beiden Signalen zuzuordnen wären, >> sind nicht separat vorhanden!! > > Dann kann man also NIEMALS eine Tuba und eine Flöte gleichzeitig als > NF-Signal aus einem Lautsprecher hören? Ist das wirklich unmöglich, daß > zwei Frequenzen gleichzeitig in einem Signal sind? Ja das ist so, es ist dein Gehör, bzw. dein Rechenwerk im Kopf, das dir die beiden Ursprungssignale hören lässt. In dem was dein Ohr zu hören bekommt sind sie nicht mehr vorhanden! Kurt
Kurt B. schrieb: > Ein Signal kann nicht gleichzeitig zwei Frequenzen haben, denn Frequenz > steht für f=1/T. Dann schau dir mal die Bilder an. Ist das nur eine einzige Frequenz? Welches T siehst du hier in den beiden Bildern?
Kurt B. schrieb: > Es wird auch keine AM gemacht, das sagt man dir nur vor, es wird die > Bedämpfung des Resonanzkreises so hingetrimmt dass es wie eine AM > aussieht, Schau auf deinen Oszi! Oder willst du den jetzt auch verunglimpfen wie den Spekki? Zeigt der Oszi jetzt auch Märchenbilder an, die gar nicht da sind?
Bernd S. schrieb: > Kurt B. schrieb: >> Ein Signal kann nicht gleichzeitig zwei Frequenzen haben, denn Frequenz >> steht für f=1/T. > > Dann schau dir mal die Bilder an. Ist das nur eine einzige Frequenz? > Welches T siehst du hier in den beiden Bildern? Du versuchst dich selber zu überlisten. Was für eine Phasenlage willst du denn verwenden? Die bei der das Signal von + nach - wechselt, oder von - nach + Oder die die in der Mitte davon liegt? Du bringst immer nur ein einziges T zustande, niemals zwei oder mehr. Zeig dir halt selber auf was du an der BE-Strecke multiplizieren willst! Es liegt da nur da sein Signal an das du durch die Überlagerung am R und der BE erzeugt hast. Es ist nur eins, und dieses eine willst du mit sich selber multiplizieren, und daraus soll dann eine Modulation werden? Naja, so macht man aus 50Hz 100. (der Gleichrichter macht das auch) Versuche nicht das was du falsch siehst zu rechtfertigen, sondern versuche zu verstehen was der Kollektorwiderstand mit der Amplitude des Resonanzkreises macht. Nimm LT und verändere diesen Widerstand, und dann versuche zu verstehen was da geschieht, wieso da plötzlich keine "Kunst_AM" mehr zu sehen ist. Kurt
Bernd S. schrieb: > Kurt B. schrieb: >> Es wird auch keine AM gemacht, das sagt man dir nur vor, es wird die >> Bedämpfung des Resonanzkreises so hingetrimmt dass es wie eine AM >> aussieht, > > Schau auf deinen Oszi! Oder willst du den jetzt auch verunglimpfen wie > den Spekki? Zeigt der Oszi jetzt auch Märchenbilder an, die gar nicht da > sind? Nö, der zeigt genau das an was da ist, nämlich die (heisst wohl)geometrische/vorzeichenrichtige Addition zweier Signale. Er zeigt ein Signal an, denn es ist ja nur eins vorhanden. Kurt
Bernd S. schrieb: > Kurt B. schrieb: >> Es wird auch keine AM gemacht, das sagt man dir nur vor, es wird die >> Bedämpfung des Resonanzkreises so hingetrimmt dass es wie eine AM >> aussieht, > > Schau auf deinen Oszi! Oder willst du den jetzt auch verunglimpfen wie > den Spekki? Aber_aber, ich hab doch den Spekki nicht verunglimpft, er macht im Prinzip das was der Resonanzkreis im Schaltplan auch macht. Er erzeugt ein neues Signal, den dieses Signal existiert ohne den Resonanzkreis in der Schaltung nicht. Kurt
Kurt B. schrieb: > Nimm LT und verändere diesen Widerstand, und dann versuche zu verstehen > was da geschieht, wieso da plötzlich keine "Kunst_AM" mehr zu sehen ist. Verändere den Kollektorwiderstand in einem NF-Verstärker und versuche zu verstehen, was da geschieht, wieso da plötzlich kein unverzerrter Ton mehr zu sehen ist! Und nun schau auf deinen Oszi und sag, ob er lügt wie der Spekki oder ob er zeigt, was wirklich ist... Kurt, ich bereue zutiefst, daß ich mich schon wieder von dir in eine völlig sinnlose Diskussion hineinziehen ließ. Schade um die Zeit.
:
Bearbeitet durch User
Bernd S. schrieb: > Kurt B. schrieb: >> Nimm LT und verändere diesen Widerstand, und dann versuche zu verstehen >> was da geschieht, wieso da plötzlich keine "Kunst_AM" mehr zu sehen ist. > > Verändere den Kollektorwiderstand in einem NF-Verstärker Wir sind nicht bei einem NF-Verstärker, wir sind bei der Falschanwendung von Mathematik! Hock dich hin und mache! Und hör endlich auf dich selber zu betrügen! > Und nun schau auf deinen Oszi und sag, ob er lügt wie der Spekki oder ob > er zeit, was wirklich ist... > Grad hab ich dir gezeigt was der Oszi anzeigt, auch aufgefordert dass du dir überlegst was der Resonanzkreis in der Schaltung macht. Das alles in der Hoffnung dass du endlich begreifst dass du einem Irrsinn auf den Leim gegangen bist, einer hingetrimmten Schaltung bei der der Kollektorwiderstand, der ja der Entladewiderstand für den Schwingkreis darstellt, so hingefrimelt wurde dass er ausreichend gut passt. Wenn das alles noch nicht reicht dann schau dir die Phasenlagen der Anregung des Schwingkreises mit seiner, von ihm selber aufgebauten Resonanzamplitude, an, spätestes da müsste doch der Groschen gefallen sein. > Kurt, ich bereue zutiefst, daß ich mich schon wieder von dir in eine > völlig sinnlose Diskussion hineinziehen ließ. Schade um die Zeit. Wenn du aus unserer Diskussion (und der die damals war) nichts mitnehmen kannst dann sehe ich das auch so! Schade um die Zeit! Kurt
Übrigens: LTspice kann auch fft... Im Anhang ist ein Ausschnitt des Spektrums der AM-Simulation mit den stärksten Banden zu sehen. Das Signal enthält also ganz offensichtlich nicht nur, wie von Kurt behauptet, das 10 kHz-Signal, sondern auch noch 9 kHz und 11 kHz (und einen ganzen Haufen schwache andere Frequenzen, wenn man die x-Achse nicht manuell beschränkt). Kurt, was sagste nun?
:
Bearbeitet durch User
Kurt B. schrieb: > Die Uhren gehen oben schneller als sie es herunten tun, ich behaupte > das, ... > Ich sage dass es von den Ortsumständen abhängt wie eine Uhr tickt, ... > ich kann es nicht beweisen, ... (und du kannst nichtmal berechnen wie groß der unterschied ist..) mehr wollten wir doch garnicht wissen.. die RT hingegen kann das, wurde in 1000en Experimenten noch nie widerlegt.. und NEIN, du wetterst gegen die RT also solltest diese Expermiente auch kenne, aber nein, du ignoriest Sie lieber.
Na das war mal ein gelungener Abend für Kurti. Hat er doch echt jemanden gefunden der wieder sein Lieblingsthema mit ihm durchkaut. Ok es ist Ostern, da gönn ich ihm diesen Lustgewinn. Uhu U. schrieb: > Kurt, was sagste nun? FFT ist Teufelszeug!
Le X. schrieb: > Na das war mal ein gelungener Abend für Kurti. > Hat er doch echt jemanden gefunden der wieder sein Lieblingsthema mit > ihm durchkaut. > Ok es ist Ostern, da gönn ich ihm diesen Lustgewinn. > > Uhu U. schrieb: >> Kurt, was sagste nun? > > FFT ist Teufelszeug! Hock dich doch hin und lese was schon längst Geschichte ist. Kurt
@Kurt Bevor man dich, den österlichen Gepflogenheiten folgend, ans Kreuz nagelt, ersetze doch den Transistor in der Schaltung durch Drahtbrücken und passe die Eingangsspannungen der beiden Signale in LTsim so an, das sie den paar. Resonanzkreis(hier gen. Filter) entdämpfen. Wo keine gekrümmte Kennlinie, da keine Multiplikation ..
Robert L. schrieb: > Kurt B. schrieb: >> Die Uhren gehen oben schneller als sie es herunten tun, ich behaupte >> das, ... >> Ich sage dass es von den Ortsumständen abhängt wie eine Uhr tickt, ... >> ich kann es nicht beweisen, ... > (und du kannst nichtmal berechnen wie groß der unterschied ist..) > Nö, kann ich nicht. Ich behaupte auch nichts das nur in Form von "VERDAMMt GENAU" existiert. Solche überheblichen Mätzchen liegen mir nicht. > mehr wollten wir doch garnicht wissen.. > Und, was hast du denn erwartet? Eine "VERDAMMt GENAU" berechnete Illusion. > die RT hingegen kann das, wurde in 1000en Experimenten noch nie > widerlegt.. > Diese "VERDAMMt GENAU" en Behauptungen wurden in keinem einzigem Experiment bestätigt. Und somit ist die Behauptung dieser Theorie eine reine Eigenbeschönigung. > und NEIN, du wetterst gegen die RT also solltest diese Expermiente auch > kenne, aber nein, du ignoriest Sie lieber. Zeig sie halt auf, eins hast du ja schon genannt, ging in die Hose weil genau diese "VERDAMMt GENAU" eben nicht aufgezeigt werden kann. Also was bleibt: Wunschdenken, aufgebaut auf Postulate die nichts mit der Realität zu tun haben. Ich wettere nicht gegen die RT, ich sage wies ist, die RT ist eine Märchengeschichte die mit der Realität nichts zu tun hat. Zeig ein einziges Beweismittel dass z.B. die illusionäre Addition von Geschwindigkeiten der RT bestätigt. (denk dir vorher aus welche Bezüge du für die Strecken hernimmst, denn danach werde ich dich dann fragen. Und ich orakle dir, da ist dann Feierabend) Ich wünsche allen Lesern und Schreibern erholsame und ruhige Feiertage. Kurt
Kurt B. schrieb: > Und ich orakle Stimmt. Da sprichst du wahr. Kurt B. schrieb: > Ich wünsche allen Lesern und Schreibern erholsame und ruhige Feiertage. Ebenso
Erhard D. schrieb: > @Kurt > Bevor man dich, den österlichen Gepflogenheiten folgend, ans Kreuz > nagelt, ersetze doch den Transistor in der Schaltung durch Drahtbrücken > und passe die Eingangsspannungen der beiden Signale in LTsim so an, das > sie den paar. Resonanzkreis(hier gen. Filter) entdämpfen. > Wo keine gekrümmte Kennlinie, da keine Multiplikation .. Wo eine gekrümmte Kennlinie da eine nichtlineare Verstärkung des Eingangssignals. Wo du eine Multiplikation herzaubern willst das ist wohl dein Geheimnis (und anderer hier). Was willst du denn mit was multiplizieren? (das eine Signal das an der Basis anliegt mit sich selbst?) Wo/wie gibst du denn dieses eine Signal an zwei Eingängen deiner nichtexistierenden Multiplikationshardware ein? > sie den paar. Resonanzkreis(hier gen. Filter) entdämpfen. > Wo keine gekrümmte Kennlinie, da keine Multiplikation .. Hast du denn nicht kapiert was der Kollektorwiderstand macht! Hast du nicht kapiert dass die kurzen Schaltpulse des Transistors den Schwingkreis zur Resonanz anregen? Hast du nicht kapiert dass eben dieser Belastungswiderstand eine Abnahme der Schwingamplitude des Resonanzkreises bewirkt die "rein zufällig" in etwa der des Signals der 1 KHz ist. Ich kann dirs ja einstellen, zeigen wie dieser Kollektorwiderstand wirkt wenn er nicht am Transistor hängt, sondern, entkoppelt von diesem, direkt am Schwingkreis. Hast dus nicht kapiert oder willst du es nicht wahrhaben? Kurt
Bernd S. schrieb: > Kurt B. schrieb: >> Und ich orakle > > Stimmt. Da sprichst du wahr. Her damit, dann sehen wirs ja. > > Kurt B. schrieb: >> Ich wünsche allen Lesern und Schreibern erholsame und ruhige Feiertage. > > Ebenso Schauma was draus wird, bei uns ist es noch ziemlich kalt und unfreundlich (ich meine das Wetter draussen). Kurt
Kurt B. schrieb: > Schauma was draus wird, bei uns ist es noch ziemlich kalt und > unfreundlich (ich meine das Wetter draussen). Hier ebenso,
Kurt B. schrieb: > ersetze doch den Transistor in der Schaltung durch Drahtbrücken >> und passe die Eingangsspannungen der beiden Signale in LTsim so an, das >> sie den paar. Resonanzkreis(hier gen. Filter) entdämpfen. >> Wo keine gekrümmte Kennlinie, da keine Multiplikation .. Richtig lesen!
Erhard D. schrieb: > Kurt B. schrieb: >> ersetze doch den Transistor in der Schaltung durch Drahtbrücken >>> und passe die Eingangsspannungen der beiden Signale in LTsim so an, das >>> sie den paar. Resonanzkreis(hier gen. Filter) entdämpfen. > > Richtig lesen! Ich werde versuchen zu verstehen was du anregst und es, wenns mir gelingt, in/mit LT umzusetzen. Kurt >>> Wo keine gekrümmte Kennlinie, da keine Multiplikation .. Wo keine Hardware da keine Multiplikation.
:
Bearbeitet durch User
Kurt B. schrieb: > Nö, kann ich nicht. Ich behaupte auch nichts das nur in Form von > "VERDAMMt GENAU" existiert. Solche überheblichen Mätzchen liegen mir > nicht. > >> > > Und, was hast du denn erwartet? Eine "VERDAMMt GENAU" berechnete > Illusion. > > >> > > Diese "VERDAMMt GENAU" en Behauptungen wurden in keinem einzigem > Experiment bestätigt. > Und somit ist die Behauptung dieser Theorie eine reine > Eigenbeschönigung. > > > Zeig sie halt auf, eins hast du ja schon genannt, ging in die Hose weil > genau diese "VERDAMMt GENAU" eben nicht aufgezeigt werden kann. > Also was bleibt: Wunschdenken, aufgebaut auf Postulate die nichts mit > der Realität zu tun haben. > > Ich wettere nicht gegen die RT, ich sage wies ist, die RT ist eine > Märchengeschichte die mit der Realität nichts zu tun hat. > > Kurt http://www.spektrum.de/lexikon/physik/gravity-probe-a/6110 2 · 10-4 ist dir nicht "VERDAMMT GENAU" genug? ok, dann musst halt auf Pharao (ISS) warten.. und jetzt erklärst du mir nochmal woher du WEIßt dass deine Uhren , dank ortsumstände, anders gehen?? wo du doch keine beweis hast..
:
Bearbeitet durch User
Kurt B. schrieb: > Zeig ein einziges Beweismittel dass z.B. die illusionäre Addition von > Geschwindigkeiten der RT bestätigt. (denk dir vorher aus welche Bezüge > du für die Strecken hernimmst, denn danach werde ich dich dann fragen. > Und ich orakle dir, da ist dann Feierabend) Du stehst an einem Bahnhof. Der Zug mit deiner Freundin Ursel fährt mit 200.000.000 m/s nach Osten. Der Zug mit deinem Freund Paul fährt mit 200.000.000 m/s nach Westen. Szenenwechsel: du bist jetzt Paul. Wie schnell entfernt sich Ursel von dir weg? (Ja, da ist noch kein Beweis für irgendwas)
:
Bearbeitet durch User
Kurt B. schrieb: > Hock dich doch hin und lese was schon längst Geschichte ist. Die Herleitung des sin-Additionstheorems im Film https://www.youtube.com/watch?v=5hQjrql2NFk haste schon nicht kapiert und an fft versuchst du dich lieber gleich gar nicht. Dafür gibt es nur zwei mögliche Erklärungen: du bist zu dumm, oder in Katzelsried sind die Ortsumstände dermaßen ungünstig, dass ein Gehirn einfach nicht funktionieren kann...
Erhard D. schrieb: > @Kurt > Bevor man dich, den österlichen Gepflogenheiten folgend, ans Kreuz > nagelt, ersetze doch den Transistor in der Schaltung durch Drahtbrücken > und passe die Eingangsspannungen der beiden Signale in LTsim so an, das > sie den paar. Resonanzkreis(hier gen. Filter) entdämpfen. > Wo keine gekrümmte Kennlinie, da keine Multiplikation .. Welche Multiplikation denn? Wo und womit und wodurch? Ich hab den Transistor rausgenommen, was soll ich noch ändern? Kurt
Robert L. schrieb: > > > http://www.spektrum.de/lexikon/physik/gravity-probe-a/6110 > > 2 · 10-4 ist dir nicht "VERDAMMT GENAU" genug? > ok, dann musst halt auf Pharao (ISS) warten.. > "VERDAMMT GENAU"! Ein gescheitertes Experiment, welches als gescheitert erklärt wurde und jemand dann 5J lang im Rauschen rumgestochert hat um eine ""VERDAMMT GENAU"e "Bestätigung" zu erbringen. > und jetzt erklärst du mir nochmal woher du WEIßt dass deine Uhren , dank > ortsumstände, anders gehen?? wo du doch keine beweis hast.. Das ergibt sich aus meinen Überlegungen dessen Grundlage auch die wissenschaftlichen Einsichten in die Natur sind. Beweise: natürlich, es wurde berichtet und aufgezeigt dass eine Uhr, wenn sie vom Boden auf den Tisch gestellt wird, schneller läuft. Kurt
Uhu U. schrieb: > Kurt B. schrieb: >> Hock dich doch hin und lese was schon längst Geschichte ist. > > Die Herleitung des sin-Additionstheorems im Film > https://www.youtube.com/watch?v=5hQjrql2NFk haste schon nicht kapiert > und an fft versuchst du dich lieber gleich gar nicht. > > Dafür gibt es nur zwei mögliche Erklärungen: du bist zu dumm, oder in > Katzelsried sind die Ortsumstände dermaßen ungünstig, dass ein Gehirn > einfach nicht funktionieren kann... Und? was hat diese Mathematik mit der hingetrimmten Schaltung zu tun? Kurt
Schon beinahe erschreckend wie euch der Typ schon wieder durch seine Arena zieht. Der kann beliebigen Schwachsinn erzählen und seine Jünger laufen ihm scharenweise hinterher. Diskutiert ihr jetzt echt wieder über AM? Ich fass es nicht .... Kopfklatsch
Le X. schrieb: > Kurt B. schrieb: >> Zeig ein einziges Beweismittel dass z.B. die illusionäre Addition von >> Geschwindigkeiten der RT bestätigt. (denk dir vorher aus welche Bezüge >> du für die Strecken hernimmst, denn danach werde ich dich dann fragen. >> Und ich orakle dir, da ist dann Feierabend) > > Du stehst an einem Bahnhof. > Der Zug mit deiner Freundin Ursel fährt mit 200.000.000 m/s nach Osten. > Der Zug mit deinem Freund Paul fährt mit 200.000.000 m/s nach Westen. > > Szenenwechsel: du bist jetzt Paul. > Wie schnell entfernt sich Ursel von dir weg? > > (Ja, da ist noch kein Beweis für irgendwas) Wir haben: - ein Gleis dass zur Erdoberfläche ruht und den Bezug für deine angegebenen Geschwindigkeiten bereitstellt - zwei Züge welche sich mit 200' in entgegengesetzter Richtung auf dem Gleis bewegen. Paul rechnet: 200' + 200' ergibt 400' er wird also aussagen dass sich der andere Zug mit einer Differenzgeschwindigkeit von 400' von ihm entfernt. 200' bedeutet: 200.000 km/s Kurt
Gu. F. schrieb: > Schon beinahe erschreckend wie euch der Typ schon wieder durch seine > Arena zieht. > Der kann beliebigen Schwachsinn erzählen und seine Jünger laufen ihm > scharenweise hinterher. Diskutiert ihr jetzt echt wieder über AM? > Ich fass es nicht .... Kopfklatsch Aber nein, mit AM hat das was hier diskutiert wird nichts zu tun! Wir diskutieren über die Falschanwendung der Mathematik. (und auch über hingetrimmte Schaltungen die diese Falschanwendung auch noch argumentativ unterstützen sollen) Kurt
Kurt B. schrieb: > Wir haben: > > - ein Gleis dass zur Erdoberfläche ruht und den Bezug für deine > angegebenen Geschwindigkeiten bereitstellt > > - zwei Züge welche sich mit 200' in entgegengesetzter Richtung auf dem > Gleis bewegen. > > Paul rechnet: 200' + 200' ergibt 400' > er wird also aussagen dass sich der andere Zug mit einer > Differenzgeschwindigkeit von 400' von ihm entfernt. > > 200' bedeutet: 200.000 km/s > > Kurt Ok, soweit verständlich. Das ist auch die naheliegende Antwort die ein 8.-Klasser geben würde. Anscheinend deckt es sich aber nicht mit Experimenten. Angeblich sieht Paul dass Ursel sich mit weniger als 300' entfernt. Was soll ich jetzt glauben? Hast du verlässliche Lektüre dazu?
> > "VERDAMMT GENAU"! Ein gescheitertes Experiment, welches als gescheitert > erklärt wurde und jemand dann 5J lang im Rauschen rumgestochert hat um > eine ""VERDAMMT GENAU"e "Bestätigung" zu erbringen. > du verwechselst da was.. macht aber nix.. > Das ergibt sich aus meinen Überlegungen dessen Grundlage auch die > wissenschaftlichen Einsichten in die Natur sind. > > Beweise: natürlich, es wurde berichtet und aufgezeigt dass eine Uhr, > wenn sie vom Boden auf den Tisch gestellt wird, schneller läuft. > > Kurt du redest nur wirre sachen.. (wirrere sachen als noch vor ein paar wochen., scheint schlimmer zu werden..) wünsch dir trotzdem noch ein langes Leben in deiner "Realität"..
Le X. schrieb: > Kurt B. schrieb: >> Paul rechnet: 200' + 200' ergibt 400' >> er wird also aussagen dass sich der andere Zug mit einer >> Differenzgeschwindigkeit von 400' von ihm entfernt. > Ok, soweit verständlich. > Das ist auch die naheliegende Antwort die ein 8.-Klasser geben würde. Warum gerade ein 8.-Klasser, niedriger noch nicht und höher nicht mehr? > Anscheinend deckt es sich aber nicht mit Experimenten. Welche Experimente sind das? Kannst du von diesen welche aufzeigen/benennen? > Angeblich sieht Paul dass Ursel sich mit weniger als 300' entfernt. > Angeblich oder wirklich? > Was soll ich jetzt glauben? Hast du verlässliche Lektüre dazu? Glauben. Warum? Solange du nicht sagst was der Zug für Signale abgibt, auf welche Art Paul Ursel zu Gesicht bekommt, ist da erstmal nichts aussagekräftiges zu sagen. Vill gibtst du Ursel ein Blinklicht/Blinklaser mit und dann schauen wir was Paul zu sehen bekommt. Kurt
Robert L. schrieb: >> >> "VERDAMMT GENAU"! Ein gescheitertes Experiment, welches als gescheitert >> erklärt wurde und jemand dann 5J lang im Rauschen rumgestochert hat um >> eine ""VERDAMMT GENAU"e "Bestätigung" zu erbringen. >> > > du verwechselst da was.. > macht aber nix.. Was mit Was? Kurt
Kurt B. schrieb: > Welche Multiplikation denn? > Wo und womit und wodurch? > > Ich hab den Transistor rausgenommen, was soll ich noch ändern? > > Kurt Die komplette Schaltung löschen und du wirst staunen: Immer noch keine Multiplikation!
:
Bearbeitet durch User
Kurt B. schrieb: > Wir diskutieren über die Falschanwendung der Mathematik. > (und auch über hingetrimmte Schaltungen die diese Falschanwendung auch > noch argumentativ unterstützen sollen) Da kann man auch über "Falschanwendung" von Kuchenrezepten diskutieren und das "hingetrimmte" Zusammenmischen von Zutaten, die das Ergebnis dieser Rezepte "unterstützen". Wäre ja noch schöner, wenn ein Marmorkuchen-Rezept als Ergebnis einfach einen Marmorkuchen hervorbrächte ... Immer diese Bäcker-Verschwörungen ;-)
Bernd F. schrieb: > Kurt B. schrieb: >> Welche Multiplikation denn? >> Wo und womit und wodurch? >> >> Ich hab den Transistor rausgenommen, was soll ich noch ändern? >> >> Kurt > > Die komplette Schaltung löschen und du wirst staunen: Immer noch keine > Multiplikation! Das weiss ich auch bei ungelöschter Schaltung, es findet keine Multiplikation statt, auch wenn sich das manche gar so gerne wünschen. Was stattfindet ist schon lange aufgezeigt, und da geht kein noch so krummer Umweg dran vorbei. Kurt
Chris M. schrieb: > Kurt B. schrieb: >> Wir diskutieren über die Falschanwendung der Mathematik. >> (und auch über hingetrimmte Schaltungen die diese Falschanwendung auch >> noch argumentativ unterstützen sollen) > > Da kann man auch über "Falschanwendung" von Kuchenrezepten diskutieren > und das "hingetrimmte" Zusammenmischen von Zutaten, die das Ergebnis > dieser Rezepte "unterstützen". > Wäre ja noch schöner, wenn ein Marmorkuchen-Rezept als Ergebnis einfach > einen Marmorkuchen hervorbrächte ... > Immer diese Bäcker-Verschwörungen ;-) Warum schreibst du das? Wenn du die hingetrimmte Schaltung, und inzwischen muss ich wohl davon ausgehen dass es so ist, nicht verstehst dann sags, dann gehen wir/ich sie halt ein weiteres mal durch und schauen wo was getrimmt wird. Kurt
Damit es euch nicht langweilig wird, könnt ihr euch ja mal alternativ mit diesem Artikel zur Amplitudenmodulation beschäftigen. ;-) http://www.darc.de/referate/ajw/ausbildung/darc-online-lehrgang/technik-klasse-a/technik-a12/ Oder etwas konkreter: http://portal.unimap.edu.my/portal/page/portal30/Lecturer%20Notes/KEJURUTERAAN_KOMPUTER/Semester%201%20Sidang%20Akademik%2020102011/EKT313%20ELECTRONIC%20COMMUNICATION/LABORATORY/Lab2-AM.pdf
:
Bearbeitet durch User











